|
№
|
Параметр
|
Обозначение
|
Величина
|
Ед.
изм.
|
|
1
|
Назначение
судна (тип)
|
|
|
Пасс.
т/х
|
|
2
|
Длина
судна
|
L
|
121
|
м
|
|
3
|
Ширина
судна
|
B
|
14
|
м
|
|
4
|
Осадка
судна
|
H
|
2,4
|
м
|
|
5
|
Число
винтов
|
z
|
3
|
шт
|
|
6
|
Номинальная
скорость вращения винта
|
|
360
|
об/мин
|
|
7
|
Номинальная
скорость судна
|
|
15
|
узел
|
|
8
|
Полная
грузоподъемность
|
D
|
2850
|
тонна
|
|
9
|
Средняя
плотность перевозимого груза
|
|
0,74
|
т/м3
|
|
10
|
Вариант
комплектации АГЭУ
|
|
ЕЭС-ПЧ-ДГА
|
|
|
11
|
Суммарная
мощность судовых потребителей электроэнергии
|
|
380
|
кВт
|
|
12
|
|
-
|
кН
|
|
13
|
Скорость
судна с возом (тралом)
|
|
-
|
узел
|
. Расчет мощности и выбор гребного
электродвигателя
Определение требуемой буксировочная мощность NR
для движения судна с заданной скоростью:

где V - объемное водоизмещение, м3
;- эмпирический расчетный коэффициент, определяемый по диаграмме;
х - множитель, зависящий от числа
валов (для трехвальных судов х =1,075)
- скорость судна в узлах.
л - поправочный коэффициент на длину
судна (при длине судна L<100 м л=0,7+0,3(L/100)0,5 , при L
>100 м л = 1 );
Ш - характеристика остроты судна,
которая определяется по формуле [2]
где дн - коэффициент
общей полноты судна, который определяется по формуле.
Объемное водоизмещение судна V найдем через
полную грузоподъемность и среднюю плотность перевозимых грузов:
, м3
Чтобы воспользоваться диаграммой
эмпирических расчетных коэффициентов для нахождения коэффициента c,
определим параметр н:
По приложение В эмпирический
расчетный коэффициент 
Мощность ГЭД определяем по формуле
,кВт.
где z - число гребных валов;
зПР - пропульсивный КПД
винта, зПР = 0,5…0,7;
зВП - КПД валопровода, зВП
= 0,95…0,98.
Выбираем асинхронный двигатель типа
ВАН 16-41-16, технические данные которого приведены в таблице
Таблица 2
|
Параметр
|
Ед.
изм
|
Величина
|
|
Номинальная
мощность, PГД
|
кВт
|
800
|
|
Номинальная
скорость вращения, nГД
|
об/мин
|
370
|
|
Номинальное
напряжение статора, UГД
|
В
|
6000
|
|
Номинальный
ток статора, IГД
|
А
|
110
|
|
Номинальная
частота, fГД
|
Гц
|
50
|
|
Кратность
пускового момента, КМ
|
о.е.
|
0,8
|
|
Кратность
пускового тока, КП
|
о.е.
|
4,3
|
|
Момент
инерции, JГД
|
кг·м2
|
900
|
Выбранные гребные двигатели должны иметь
независимое воздушное охлаждение (вентиляцию). Требуемая мощность на вентиляцию
гребного двигателя определяется по справочнику для серийных машин или по
формуле

3. Расчет и выбор силового преобразователя ГЭД
Для системы ЕЭС-ПЧ-ДГА определяется количество
преобразователей частоты, которые могут обеспечить требуемое напряжение и ток
гребного асинхронного двигателя. Обычно число преобразователей частоты равно
числу гребных асинхронных двигателей. Все преобразователи частоты могут
получать питание с одной секции шин ГРЩ или с разных секций.
Преобразователи частоты выбираются из каталогов
по номинальному напряжению (UДГА. НОМ) и максимальному току гребного
асинхронного двигателя (IДГА. МАКС) и по напряжению шин ГРЩ.
Напряжение преобразователя частоты UПЧ
≥ UДГА.НОМ ,
Ток преобразователя частоты
ПЧ
≥ IДГА. МАКС = IДГА. НОМ · КПТ,
где КПТ - кратность пускового тока
двигателя.
Мы выбираем высоковольтный преобразователь
частоты серии ATV1200A11906060 фирмы Schneider Electric, параметры которого
указаны в таблице
Таблица 3
|
Напряжение
сети
|
220В
|
|
Номинальное
выходное напряжение
|
|
Линейный
ток
|
135А
|
|
Полная
мощность
|
1190
Вт
|
|
Частота
сети питания
|
50/60
Гц
|
|
Выходные
частоты
|
0,5…70
Гц (векторное управление с обратной связью по скорости) 0,5…120 Гц
(скалярное управление (V/f))
|
. Расчет мощности и выбор генераторов
При выборе серийных синхронных генераторов надо
исходить из величины требуемой мощности генератора (PСГ.Т), которую
можно определить по формуле

кВТ
Где УPГД - суммарная мощность гребных
двигателей в номинальном режиме;СП - суммарная мощность судовых
потребителей;- количество синхронных генераторов, (m=3).
Выбираем синхронный генератор серии МКС
500-1000, данные которого указаны в таблице
Таблица 4
|
Параметр
|
Ед.изм
|
Величина
|
|
Мощность,
PСГ
|
кВт
|
500
|
|
Напряжение
статорной обмотки, UСГ
|
В
|
6000
|
|
КПД
|
%
|
90,2
|
|
Частота
вращения
|
Об/мин
|
1000
|
Так, 2 генератора питают одним двигатель.
5. Разработка схемы главного тока и выбор
контрольно-измерительных приборов
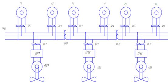
Питание электрической энергией судовых
потребителей и гребного электродвигателя Д1, Д2, Д3 осуществляется от ГРЩ
судовой электростанции, к которой подключены 6 дизель - генератора Г1- Г6.
Включение генераторов и защита от коротких замыканий осуществляется с помощью
автоматических выключателей QF1 - Qf6. Статоры двигателей питаются
преобразователями частоты ПЧ1 - ПЧ2 . Подключение преобразователей частоты к
ГРЩ и защита от токов короткого замыкания осуществляется с помощью
автоматических выключателей QF7, QF9, QF11.
Рис. 1
. Расчет статических характеристик ГЭУ
Расчёт статических режимов
В номинальном режиме справедливо следующее
выражение:
, или

=0,579 о.е.
где
где

Возможны следующие частичные режимы
работы ГЭУ
-ый режим:
Г1+Г2+Г3+Г4+Г5+Г6+Д1+Д2+Д3+
-ой режим: Г1+Г2+Г3+Г4+Г5+Д1+Д2+Д3+
-ий режим: Г1+Г2+Г3+Г4 +Д1+Д2+Д3+
-ый режим: Г1+Г2+Г3 +Д1+Д2+Д3+
-ый режим: Г1+Г2 +Д1+Д2+Д3+
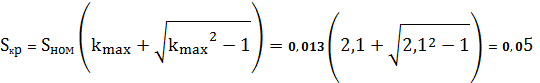
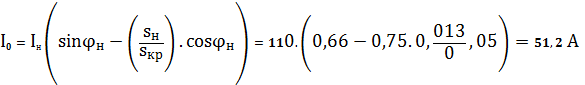
Расчёт параметров двигателя будет
производить по следующим формулам

Ток двигателя в режиме равен

Результаты расчетов сведем в таблицу
Таблица 5
|
Режим
работы
|
|
|
|
|
|
1
|
1
|
1
|
1
|
1
|
|
2
|
0,81
|
0,81
|
0,87
|
0,93
|
|
3
|
0,62
|
0,722
|
0,85
|
|
4
|
0,421
|
0,431
|
0,561
|
0,75
|
|
5
|
0,228
|
0,241
|
0,373
|
0,61
|
Параметры двигателя в частичных режимов в
абсолютных единицах приведены в таблицу
Таблица 6
|
Режим
работы
|
 (кВт) (А) М(кН.м) n(об/мин)
|
|
|
|
|
1
|
800
|
110
|
20,6
|
370
|
|
2
|
648
|
89,1
|
17,9
|
344,1
|
|
3
|
491,2
|
68,2
|
14,87
|
314,5
|
|
4
|
336,8
|
47,4
|
11,56
|
277,5
|
|
5
|
182,4
|
26,5
|
7,68
|
225,7
|
. Расчёт механических характеристик
Построение желаемой механической характеристики
ГЭД.
Расчет желаемой механической характеристики
гребного двигателя начинают с построения характеристик винта. Момент
сопротивления вращению винта зависит от скорости движения судна.
Для транспортных судов строят две характеристики
винта: швартовую и ход в свободной воде.
Желаемая механическая характеристика ГЭД имеет
три участка:
гиперболический участок, обеспечивающий
постоянство мощности ГЭД и всей ГЭУ при изменении условий плавания от хода в
свободной воде до швартовного;
участок ограничения момента стоянки ГЭД при
заклинивании винта, исключающий поломку винта при заклинивании; этот участок
прямолинейный;
участок ограничения скорости холостого хода,
исключающий разнос ГЭД при оголении винта; этот участок также прямолинейный.
Так как в проектируемой ГЭУ возможны два режима,
то и ГЭД будет иметь две желаемые механические характеристики.
Уравнение гиперболического участка механической
характеристики:
const.
Откуда
/n.
Результаты расчета сводим в таблицы
-ый режим

Таблица 7
|
M
(кН.м)
|
25,4
|
21,8
|
20,6
|
19,1
|
|
n
(об/мин)
|
300
|
350
|
370
|
400
|
-ой режим


|
M
(кН.м)
|
22,1
|
20,51
|
17,9
|
17,7
|
|
n
(об/мин)
|
280
|
302
|
346
|
350
|
-ий режим

Таблица 9
|
M
(кН.м)
|
17,8
|
17
|
14,85
|
13,36
|
|
n
(об/мин)
|
250
|
275
|
315
|
350
|
4-ый режим

Таблица 10
|
M
(кН.м)
|
16,04
|
13,26
|
11,54
|
10,7
|
|
n
(об/мин)
|
200
|
242
|
278
|
300
|
-ый режим

Таблица 11
|
M
(кН.м)
|
11,56
|
8,8
|
7,67
|
6,93
|
|
n
(об/мин)
|
150
|
179
|
226
|
250
|
Точки пересечения (A1-А2, В1-B2, С1-С2,...)
гиперболических участков с швартовной характеристикой и характеристикой в
свободной воде определяют режим работы ГЭД для рассчитанных режимов работы ГЭУ
Момент стоянки ГЭД для этих режимов работы
принимаем равным:
-ый режим

-ой режим

-ий режим

-ый режим

-ый режим

Скорость холостого хода для желаемых
механических характеристик принимаем равным
-ый режим

-ой режим

-ий режим

-ой режим



Рис. 2. Желаемые характеристики ГЭУ
. Расчет динамических характеристик
ГЭУ
Расчёт и построение механической
характеристики исполнительного электродвигателя
Номинальное и критическое
скольжение:


где: n1 - синхронная
скорость вращения поля статора;2 - скорость (номинальная) вращения
ротора;max - кратность максимального момента.
Номинальный момент

где 
Значения моментов для нескольких
значений скольжения от 0 до 
рассчитаются по формуле

где 
Задаем несколько значений 
Мы получаем результаты
Таблица 12
|
s
|
0,005
|
0,01
|
0,013
|
0,02
|
0,03
|
0,04
|
0,05
|
|
М
(кН.м)
|
8,59
|
16,68
|
20,65
|
29,91
|
38,27
|
42,31
|
43,37
|
Значения моментов для нескольких
значений скольжения от 
до 1 рассчитаются по формуле

где 
Задаем несколько значений 
Мы получаем результаты
Таблица 13
|
s
|
0,1
|
0,2
|
0,4
|
0,6
|
0,8
|
1
|
|
М
(кН.м)
|
40,73
|
36,98
|
29,81
|
23,38
|
18,48
|
16,52
|
Таблица 14. Результаты расчёта характеристик
|
s
|
M,
кН.м
|
 , об/мин
|
|
0
|
0
|
375
|
|
0,005
|
8,59
|
373
|
|
0,01
|
16,68
|
371
|
|
0,013
|
20,65
|
370
|
29,91
|
367,5
|
|
0,03
|
38,27
|
363,8
|
|
0,04
|
42,3
|
360
|
|
0,05
|
43,37
|
356,3
|
|
0,1
|
40,73
|
337,5
|
|
0,2
|
36,98
|
300
|
|
0,4
|
29,81
|
225
|
|
0,6
|
23,38
|
150
|
|
0,8
|
18,46
|
75
|
|
1
|
16,52
|
0
|
мощность генератор гребной
электрический
Рис.3. Механическая характеристика
. Построение желаемую электромеханическую
характеристику привода
Ток холодного хода двигателя

2. Построение переходного процесса
Для построения графика переходного процесса
строим лучи построения. Для построения лучей требует найти тангенс угла наклона
по формуле:

Рис.4. Желаемая электромеханическая
характеристика привода
Принимаем 

; 
; 
На рис.5 показан принцип построения графика
переходного процесса. Из точки А проводим луч построения. Через точку А1,
соответствующая моменту стоянки проводим линию, которая параллельна луча
построения. Эта линия пересекает с характеристики винта в свободной воде на
точке В1.
С точки В1, проводим горизонтальную линию,
пересекающую с линией ограничения момента на точке А2. Через точку А2 проводим
параллельную с лучом построения линию, которая пересекает с винтовой
характеристикой на точке В2...и.т.д. Мы получаем точки А1, А2, А3,.. и В1, В2,
В3,.... Проекции точек А1, А2, А3,... на оси момента показывает значения
момента двигателя в переходном процессе. Проекция точки В1, В2, В3,... на оси
частоты вращения показывает значения частоты вращения двигателя в переходном
процессе.
Рис.5
Рис. 6. Момент двигателя в переходном процессе
Рис.7. Частота вращения двигателя в переходном
процессе
Рис.8. Ток двигателя в переходном процессе
Литературы
1. В.А. Черняев Краткий курс
автоматизированных гребных электрических установок рыбопромысловых судов: Учеб.
Пособие для студ. высш. учеб. заведений / Астрахан.гос. техн. Ун-т. Астрахань:
Изд-во АГТУ, 1999. 240 с.
2. Гребные электрические
установки: Справочник/ Е.Б. Айзенштад, Ю.М. Гилерович, Б.А. Горбунов, В.В.
Сержантов, . - 2-е изд., перераб. и доп. - Л.: Судостроение, 1985, - 304 с.,
ил.
. Акулов Ю.И. Гребные
электрические установки