Внедрение электронных устройств на легковые автомобили отечественного производства

  • Вид работы:
    Курсовая работа (т)
  • Предмет:
    Транспорт, грузоперевозки
  • Язык:
    Русский
    ,
    Формат файла:
    MS Word
    5,76 Мб
  • Опубликовано:
    2015-06-30
Вы можете узнать стоимость помощи в написании студенческой работы.
Помощь в написании работы, которую точно примут!

Внедрение электронных устройств на легковые автомобили отечественного производства

Содержание

Введение

Глава 1. Теоретическая часть

1.1 Этапы развития автомобильного электрооборудования

Глава 2. Практическая часть

2.1 Установка магнитолы в Ваз 2107

2.2 Установка стеклоподъемники с электроприводом

2.3 Установка кондиционера на ВАЗ 2107

2.3.1 Устройство кондиционера

2.3.2 Установка агрегата

2.4 Установка штатного подогрева сидений

2.5 Установка цифрового спидометра, часов и термометра

2.6 Установка блока управления дневными ходовыми огнями

2.7 Установка Bluetooth Манометра

Заключение

Список использованной литературы

Введение


Тема дополнительных приборов для автомобиля весьма широка. Несмотря на то что сегодня водителю предоставляется вся необходимая для нормальной эксплуатации автомобиля информация, не для всех этого достаточно.

Тем, кто занимается тюнингом своего автомобиля, необходимы дополнительные показатели работы узлов и агрегатов. Но еще более важным является тот факт, что дополнительные приборы в авто по сравнению со штатными более точны и имеют более быстрый отклик, реакцию. Это чуть ли не основная причина установки таких измерителей автомобили.

Еще совсем недавно компоновка автомобилей электроникой ограничивалась однотипным набором реле и датчиков. На данный момент выбор устройств и функций авто электроники весьма широк. В продаже есть различные противоугонные сигнализации, проигрыватели компакт дисков, телевизоры, ионизаторы воздуха и другие различные приборы, позволяющие изменить в лучшую сторону комфортабельность Вашего автомобиля.

Глава 1. Теоретическая часть


1.1 Этапы развития автомобильного электрооборудования


Развитие и совершенствование автомобилестроения неразрывно связано с широким применением электротехнического оборудования, автоматических устройств и систем, объединенных в единый комплекс-электрооборудование автомобилей.

Электрооборудование современного автомобиля - сложная система, обеспечивающая автоматизацию рабочих процессов, безопасность движения и улучшение условий труда водителей. От надежности электрооборудования в большей степени зависит эффективность эксплуатации автомобилей.

Развитие электрооборудования автомобилей тесным образом связано с развитием общей электроники, электротехники и автоматики.

Впервые электрическая энергия применена в двигателях внутреннего сгорания в 1860 г. для воспламенения горючей смеси. Высокое напряжение для образования электрической искры между электродами свечи зажигания создавали при помощи простейшей индукционной катушки, которая получала питание от гальванических элементов. Однако из-за несовершенства последних эта система в те годы не нашла широкого практического применения.

На первом автомобиле было установлено низковольтное магнето с одним подвижным электродом. В 1901-1907 гг. разработали магнето высокого напряжения, которое представляло собой систему зажигания с магнитоэлектрическим генератором и высоковольтной индукционной катушкой.

Зажигание электрической искрой высокого напряжения вытеснило другие способы воспламенения горючей смеси и стало предпочтительным для двигателей с принудительным воспламенением.

электронное устройство легковой автомобиль

Таким образом, практически с момента изобретения двигателя внутреннего сгорания горючая смесь в нем воспламенения при помощи электрической искры. В дальнейшем появилось множество различных методов генерирования высокого напряжения, необходимого для пробоя искрового промежутка свечи зажигания, два из которых получили наибольшее распространение: батарейное зажигание (на автомобилях) и зажигание от магнето (на гоночных автомобилях).

В связи с проблемами энергетического характера и по охране окружающей среды остро встал вопрос о повышении экономичности, уменьшении токсичности отработавших газов автомобилей и значительный вклад в решение этой проблемы вносят электронные системы зажигания. Автомобильный парк в 300 млн. машин выбрасывает в атмосферу 160 млн. т. окиси углерода, 46 млн. т. углеводорода, 8 млн. т. окислов азота и тысячи тонн соединений свинца. В настоящее время выпускаются контактно-транзисторные и бесконтактные системы зажигания.

В период с 1920 по 1933 г. для создания прочной базы по производству автомобильного электрооборудования были привлечены крупнейшие специалисты из смежных областей техники, которые положили начало созданию отечественной школы подготовки специалистов по разработке и созданию конструкций собственных приборов электрооборудования. В это время исследованиями процессов, протекающих в приборах, а также разработкой конструкций приборов занимались такие видные специалисты, как Берг, Бонч-Бруевич, Шефнер, Шулейкин, Кулебакин, Петров, Волков, Галкин, Лихачев и др.

Серийный выпуск отечественных приборов электрооборудования был начат в 1932 г. для автомобилей Московского и Горьковского автозаводов. Следует отметить, что в сравнении с современными приборы электрооборудования тех лет имели недостаточную мощность, надежность и срок службы. Например, мощность шестивольтового трехщеточного генератора постоянного тока того времени составляла всего 60 Вт, а в фарах устанавливались однонитевые лампы силой света 15 свечей.

По мере совершенствования конструкций автомобилей совершенствовались и приборы электрооборудования. Повышение скорости и безопасности движения, требования комфорта на легковых автомобилях и автобусах в дальнейшем привели к установке дополнительных приборов электрооборудования. К ним можно отнести приборы звуковой и световой сигнализации (указатели поворота, спаренные звуковые сигналы, стоп-сигналы, задние и передние габаритные огни), контрольно-измерительные приборы, приборы для создания комфортабельности (обогреватели кабин, вентиляторы, стеклоочистители, электрические подъемники стекол дверей, устройства для управления коробкой передач, радиоприемники, телевизоры и т. д).

Применение электрической энергии для освещения, пуска двигателя и питания различных аппаратов, и приборов привело к образованию систем электропитания пуска и освещения.

В 1925 г. на автомобилях начали устанавливать электрическую систему пуска, которая состоит из аккумуляторной батареи, электростартера и коммутационной аппаратуры. Аккумуляторная батарея стала необходимым элементом автомобильного электрооборудования.

Применение дизелей для автомобилей потребовало значительного возрастания мощности системы пуска. В связи с этим развернулись работы по дальнейшему увеличению емкости, повышения срока службы и улучшению характеристик аккумуляторных батарей. В настоящее время мощность стартеров большегрузных автомобилей равна 10-15 кВт, а емкость аккумуляторных батарей - 200-240 Ач.

Система электропитания, обеспечивающая питание приемников электрической энергией, состоит из электрического генератора, регулятора напряжения, аккумуляторной батареи и элементов защиты. Причем аккумуляторная батарея из основного источника перешла во вспомогательный, необходимый для питания потребителей во время остановки двигателя. Основным источником электрической энергии на автомобиле является генератор постоянного или переменного тока.

Развитие генераторных установок идет по пути возрастания их мощности в связи с ростом числа и мощности потребителей электрической энергии, увеличения срока службы и повышения удельных показателей использования активных материалов.

Более 50 лет на автомобилях в основном применялись генераторы постоянного тока. Развитие полупроводниковой техники и успехи, достигнутые в этой области, позволили использовать на автобусах и автомобилях генераторы переменного тока с полупроводниковыми выпрямителями. На современных автомобилях (особенно специальных) число устанавливаемых приборов электрооборудования достигает 80-100 единиц и наблюдается тенденция к дальнейшему увеличению их числа и мощности. Увеличение суммарной мощности, установленных на автомобилях потребителей потребовало увеличения мощности генераторов. К примеру: на автомобилях ГАЗ-14 "Чайка" и ГАЗ-3102 установлены генераторы переменного тока Г284 мощностью 1160 Вт, на автобусах ЛАЗ и ЛиАЗ генераторы Г286 и Г289 мощностью 1200 Вт, а на автомобилях семейства БелАЗ установлены генераторы Г263-А мощностью 4200Вт. Установка генераторов переменного тока со встроенными полупроводниковыми выпрямителями, регулирование напряжения полупроводниковыми регуляторами напряжения на автомобилях являются перспективными.

Электрооборудование современного автомобиля непрестанно усложняется. Так, например, на автомобиле "Москвич - 400" было установлено 29 приборов электрооборудования, а на автомобиле КамАЗ - 5820 - 100. Общая длина проводки на современном автомобиле составляет 300-350 м. Электрооборудование имеет около ста разъемных электрических соединений. Стоимость электрооборудования автомобилей в настоящее время составляет 25% стоимости машины.

Характерной особенностью электрооборудования является массовость производства и сравнительно высокий ресурс. Поставлена задача довести ресурс основных элементов электрооборудования до 400 тыс. км. пробега машины (10 тыс. ч. работы машины).

В настоящее время разработана и внедрена в серийное производство широкая номенклатура полупроводниковых приборов для электрооборудования автомобилей. Использование полупроводниковой техники привело к уменьшению габаритных размеров и массы, повышению их надежности, а в некоторых случаях и к снижению стоимости элементов электрооборудования. За счет применения более надежных изоляционных материалов и полупроводниковых, приборов в схемах генераторов переменного тока, реле-регуляторов, электронных (транзисторных) систем зажигания, контрольно-измерительных приборов, указателей поворотов, спидометров, тахометров и т.д. добились резкого увеличения их срока службы. Широкое внедрение интегральных схем, выполненных за счет диффузии и селективной изоляции на кремнии, позволило конструировать малогабаритные, стойкие к вибрациям, надежные и долговечные приборы электрооборудования. В дальнейшем наряду с приборами, выполненными на интегральных схемах, найдут широкое применение алюминированные щитки контрольных приборов из термопластмассы с гибкой печатной схемой, на которой шкалы измерительных приборов будут иметь матовое покрытие, а свет от подсвечивающей лампы будет проходить только через деления и цифры, не отражаясь в ветровом стекле. Перспективной является подсветка шкал контрольно-измерительных приборов от одной лампы с помощью проводящих свет пластмассовых волокон, в которых луч света, многократно отражаясь от стенок, может передаваться на несколько метров.

В связи с развитием полупроводниковой техники в последние годы проводятся исследования по разработке схем бесколлекторных двигателей постоянного тока. В этих двигателях функции коллектора и щеток будут выполнять транзисторные коммутаторы

Система освещения автомобилей обеспечивает безопасность движения и определенный комфорт. Увеличение автопарка, а в связи с этим и рост дорожно-транспортных происшествий потребовали разработки новых систем освещения. Разработаны и внедрены четырехфарные и автоматически регулируемые системы освещения, противотуманные фары, галогенные лампы, лампы с красными линзами и т.д. В схемах освещения перспективно использование полупроводниковых светоизлучающих элементов, жидких кристаллов, светодиодов.

Для контроля состояния и работоспособности агрегатов, и систем автомобилей широко применяются контрольно-измерительные приборы, которые позволяют облегчить работу водителя, контролировать состояние и работоспособность агрегатов и систем, стоимость которых во много раз превышает стоимость самих приборов.

По способу отображения информации контрольно-измерительные приборы можно подразделить на две группы: указывающие и сигнализирующие. Современное развитие контрольно-измерительных приборов характеризуется тенденцией к увеличению количества сигнализирующих приборов.

Качественно новым направлением является усовершенствование техники, направленное на снижение вредного воздействия на окружающую среду, повышение безопасности движения, обеспечение оптимизации как процессов преобразования энергии в двигателях, так и режимов движения. Так, например, ведутся работы по созданию диагностической бортовой аппаратуры, которая должна непрерывно оценивать состояние водителя и автоматически принимать меры, обеспечивающие безопасность движения. Разрабатываются противоблокировочные тормозные системы для грузовых автомобилей, электронные системы устройства дозирования топлива и др.

Внедрение более совершенных технологических процессов производства, применение материалов с лучшими механическими и изоляционными свойствами и использование полупроводниковых приборов позволило довести срок службы большинства изделий электрооборудования до капитального ремонта всего автомобиля.

Решение перечисленных вопросов связано с проникновением средств электроники и автоматики в процессы производства, технического обслуживания, ремонта и управления автомобилями. На современных большегрузных автомобилях внедрена электрическая трансмиссия, ведутся работы по создания электромобилей. Автомобиль недалекого будущего представляется системой, способной к автоматической адаптации относительно окружающей среды и условий эксплуатации.

Электрооборудование современного автомобиля - это сложный комплекс, требующий квалифицированного технического обслуживания. Поэтому подготовка высококвалифицированных специалистов в этой области является необходимой для повышения качества и эффективности эксплуатации автомобилей.

Таким образом, полную (общую), схему электрооборудования автомобилей составляет комплекс электрических машин и приборов, проводов и коммутационной аппаратуры, обеспечивающий безопасность движения и длительный срок службы не только отдельных узлов и агрегатов, но и всего автомобиля.

Без учета функциональных связей, все установленные на автомобилях электрические машины и приборы можно разбить на две основные группы: группу источников электрической энергии и группу потребителей электроэнергии.

В последние годы быстрыми темпами развиваются электронные системы (ЭС), устанавливаемые на автомобиле. Применение ЭС привело к возникновению новой области техники - автомобильной электроники. В современной литературе в качестве синонима автомобильной электроники используются также термины "мехатроника" (объединение слов ''механика'' и ''электроника''). Понятие автомобильная электроника широко распространено в современной технической литературе и под автомобильной электроникой следует понимать комплексное научно-техническое направление, связанное с проектированием, производством и эксплуатацией автомобильных ЭС.

Внимание, уделяемое автомобильной электронике, постоянно растет. За 10 лет, с 2004 г. по 2014 г., общая стоимость всех ЭС возросла в США в 11 раз, а в Японки в 56,9 раза. При этом средняя стоимость ЭС одного автомобиля в США увеличилась за это время в 17 раз, и в 33 раза в Японии.

В последние годы в автомобильной электронике произошли два крупных события.

Первое - введение ограничений на состав отработавших газов для предупреждения загрязнения атмосферы, а также на расход горючего, что вызвано нефтяным кризисом. Попытки удовлетворить этим требованиям применением механических систем управления неизбежно привели бы к ухудшению параметров автомобиля. Темные тучи на небосклоне прогресса автомобилестроения были развеяны достижениями новой техники и, прежде всего электроники. Эти обстоятельства тесно связали автомобиль и электронику.

Возможность установки компьютерной техники в автомобиль принесла революционные изменения в системы управления агрегатами автомобиля. При этом не только существенно усложнились функции управления, в первую очередь управления двигателем, но и появились одна за другой несколько новых систем.

Большие возможности компьютерной техники и умение их использовать широкими кругами населения привели к тому, что во многих странах автомобиль без ЭС стал неконкурентоспособным. Потребителю он кажется архаичным, несоответствующим современному развитию техники. Поэтому требование использования ЭС можно рассматривать не как переходящую моду, а как необходимость.

Внешний вид автомобиля одного класса становится все больше сходным в связи со стремлением уменьшить сопротивление воздуха, тогда как ЭС весьма разнообразны. Это позволяет, устанавливая на различные модели неодинаковые ЭС, делать автомобили оригинальными. В особой мере такими достоинствами должны обладать ЭС, с которыми контактируют водители, пассажиры (ЭС на панели приборов и рулевой колонке, ЭС повышения комфортабельности автомобиля).

Развитию ЭС способствовало и появление во многих странах нормативных документов, в которых регламентированы предельно допустимые технико-экономические показатели автомобилей. Некоторые из этих нормативов не могут быть соблюдены без применения ЭС. Например, во многих странах ограничивается токсичность отрабатываемых газов (ОГ) и максимальный расход топлива. Нарушение норм максимальной токсичности ОГ, как не допускается, а топливной экономичности - влечет значительный штраф. Так, годовой штраф фирмы "Дженерал моторс" за превышение топливной экономичности может достигать 0,5 млрд. долл. Покупатели автомобилей с повышенным расходом топлива в США платят дополнительный налог от 500 до 3850 долл.

Введение подобных нормативных документов способствовало ускоренному развитию автомобильной электроники. Датой рождения автомобильной электроники принято считать 1973г., когда в США был принят закон об обязательном применении ремней безопасности. Для внедрения этого закона было выпущено несколько миллионов ЭС, блокирующих пуск двигателя при неправильном применении ремней безопасности.

Применение ЭС позволяет добиться значительного улучшения эксплуатационных свойств автомобиля (снижена токсичность ОГ и шумность, повышена топливная экономичность, безопасность движения, комфортабельность, проходимость, простота технического обслуживания, улучшены тягово-скоростных и тормозных свойства, легкость управления автомобилем, маневренность, видимость из автомобиля, защищенность от неправильных и недопустимых действий водителя, злоумышленников и т.д.)

Улучшение эксплуатационных свойств автомобиля достигается реализацией ЭС следующих функций: управление работой узлов, агрегатов автомобиля, отображение информации водителю, пассажирам, пешеходам, водителям других автомобилей, хранение информации, приема информации из автомобиля и отображения информации. Визуальные индикаторы показывают цифровые значения множества разнообразных параметров: от традиционных (например, скорости движения и частоты вращения коленчатого вала) до не применявшихся ранее (например, на автомобилях фирмы ''Форд'' индицируется момент воспламенения смеси в каждом цилиндре). Величина параметров кодируется яркостью, длиной и шириной линий и т.п. После сообщения о наступлении событий (например, неисправном техническом состоянии) ЭС ''рекомендует'' водителю целесообразные действия. Широко используются текстовые сообщения, отображения схематического характера (например, автомобиль в плане с указанием неисправного узла). Учитывая загруженность зрительных анализаторов водителя, на многих автомобилях применяют акустические индикаторы, подающие в случае необходимости звуковой сигнал. Получили распространение синтезаторы речи, вырабатывающие речевые сообщения, например, об открытой двери, превышение допустимой температуры охлаждающей жидкости. Пользуются популярностью у пассажиров развлекательные ЭС, дающие возможность играть в различные игры, и, конечно, радиоприемники, телевизоры, магнитофоны.

ЭС хранят необходимую информацию в полупроводниковых запоминающих устройствах. Водитель и пассажиры имеют возможность записать на машинные носители информацию, сведения о будущем маршруте движения, расположение автозаправочных станций, список необходимых дел. Эти сведения выводятся на экран дисплея по команде водителя или при наступлении заданных водителем событий. Для выявления причин дорожно-транспортных происшествий в ЭС храниться информация предшествующих аварии режиме движения, действиях водителя, техническом состоянии автомобиля. ЭС предает информацию из автомобиля в АСУ дорожным движением для организации оптимального управления светофорами, дорожными знаками (оперативно изменяется допустимая скорость движения, запрещается или разрешается проезд по некоторым улицам). С помощью передающих устройств из автомобиля по желанию водителя и пассажиров можно вызвать скорую помощь, пожарных, полицейских, вести телефонные переговоры.

Различные устройства и системы, призваны сделать вождение автомобиля более приятным и безопасным.

Глава 2. Практическая часть


2.1 Установка магнитолы в Ваз 2107


Вообще существует два основных типа установки магнитолы в ВАЗ 2107, это уставить ее в штатное место, т.е. в бороду или же установить вместо верхних воздуховодов. И каждое из этих двух мест имеет свои недостатки и преимущества. Поэтому, чтобы определиться с местом установки магнитолы необходимо учесть основные недостатки и преимущества определенного способа установки.

Например, при установке магнитолы в стандартное гнездо в бороде не затрагивается система вентиляции салона, сама магнитола не бросается снаружи в глаза и находится в безопасности, а также при подобной установке происходит минимальные переделки компонентов салона. Но главным недостатком подобной установки является то, что головное устройство довольно сильно нагревается, когда работает отопитель. Также не очень удобное управление или замена дисков на магнитоле.

Что касается второго способа установки вместо верхних воздуховодов, то при этом прибор не нагревается, когда работает отопитель, а также улучшается управление магнитолой. Что касается недостатков данного способа, то включенную магнитолу видно даже при тонированных окнах, заметно уменьшается поток воздуха в салон, магнитола прогревается на солнце.

Относительно детальной установки магнитолы в бороду, то здесь нет ничего сложного.

Чаще всего в автомобилях встречаются такие бороды, где уже с завода сделано специальное отверстие для установки стандартного радиоприемника. И первое, что нужно сделать, это увеличить монтажное отверстие до формата DIN. А сделать это можно обычным острым ножом или же разогретым куском полотна, которое взяли от ножовки по металлу. Но заранее необходимо разместить все правильно, все ровно по центру и без перекосов.

Далее вставляется шахта в готовое монтажное отверстие, а после разгибаются усики крепления. Потом все нужно примерить и если прибор ставится и вынимается без проблем, то все сделано хорошо. Также нужно проверить надежность самого крепления магнитолы в бороде. И если оно ненадежное, то можно заранее снять бороду и вставить в нее кусок фанеры под головное устройство. Сделать это нужно так, чтобы магнитола лежала на устройстве. Далее нужно подключить провода, а потом поставить рамку и проверить работу магнитолы.

Что касается второго типа установки магнитолы вместо верхних воздуховодов, то здесь тоже все предельно ясно. Для начала необходимо вытянуть воздуховоды и удалить их. А на их место нужно поставить шахту, далее протянуть провода и подключить их к магнитоле. Также возможно, что придется что-то придумать для боковой поддержки устройства. Следует отметить, что у двух типов установки магнитолы есть свои плюсы и минусы.

Отечественная промышленность выпускает электрические стеклоподъемники для российских автомобилей, изначально не оснащенных ими, в том числе и на ВАЗ 2109.

ЭСП бывают различных типов:

·              Тросиковые (слабые и очень неторопливые, плюс в дешевизне и возможности заменить отдельно мотор, если тот вдруг сгорит);

·              Реечные (слабоваты, по опыту эксплуатации - требуют регулярной смазки);

·              Шарнирно-рычажные (работают быстро, шумят негромко, достаточно мощные: легко справляются с примерзшими стеклами).

Останавливаем свой выбор на последних, под названием "Гранат". Тем более, что в комплект у этих ЭСП входит все необходимое для установки - электропроводка, кнопки, заглушки, весь необходимый крепеж, резиновые манжеты для протягивания проводки из стойки внутрь двери.

Рис. 1

Также есть "Катран" и "Беркут", у них немного другое устройство и установка чуть сложнее, но по отзывам тоже неплохие.

Перед началом работ необходимо отключить питание бортовой сети автомобиля от аккумулятора. Либо отключаем отдельно цепи питания прикуривателя и подсветки панели приборов и кнопок, т.к. к этим цепям в дальнейшем будет подключаться проводка питания стеклоподъемников.

Снимаем обивку двери. Она снимается достаточно просто, при этом лучше запастись крепежными пистонами.

Рис. 2

В первую очередь демонтируем механизм штатного ручного стеклоподъемника, зафиксировав стекло (например при помощи канцелярского скотча) в положении, обеспечивающем доступ к месту его крепежа к подъемному механизму.

Откручиваем болты крепления дверного стекла к механизму штатного стеклоподъемника.

Рис. 3

Две гайки посередине:

Рис. 4

Верхнюю гайку:

Рис. 5

Направляющая свободна, теперь остается открутить три гайки крепления нашего стеклоподъемника в районе ручки вращения.

Рис. 6

Вынимаем весь механизм стеклоподъемника двери. Для этого выводим нижнюю шпильку направляющей в отверстие в двери (см. фото):

Рис. 7

Надавив отверткой, извлекаем верхнее крепление направляющей.

Рис. 8

Готово, механизм стеклоподъемника отсоединен. Вынимаем его из дверной полости.

Рис. 9

Все, штатный механизм демонтирован, приступаем к установке нового. Крепится новый механизм при помощи штатных креплений, ничего нового сверлить не придется.

Помещаем механизм стеклоподъемника во внутреннюю полость двери через самое большое технологическое отверстие в "собранном" виде (иначе не влезет), как бы в положении стекла "открыто".

Рис. 10

Механизм внутри двери крепим за две шпильки, которые вставляем в два отверстия, ранее державшие среднюю часть направляющей штатного стеклоподъемника ВАЗ 2109. Совмещаем их и наворачиваем гайки.

Рис. 11

Следующая задача - совместить крепления на рычажной системе стеклоподъемника с креплением на стекле. Это можно сделать, подав питание на контакты электродвигателя стеклоподъемника напряжение от внешнего источника питания, например, любого рабочего автомобильного аккумулятора.

Рис. 12

Когда механизм подъемника совмещен с планкой на стекле, соединяем их при помощи болтов из комплекта.

Рис. 13

Трущиеся детали желательно смазать.

Рис. 14

Механическая часть на этом завершена, переходим к электрической.

Примеряем трассу для проводки из двери от электромотора - привода стеклоподъемников до места установки кнопок - активаторов. Штатное место для кнопок в высокой панели ВАЗ 2109 - две заглушки справа от прикуривателя, туда их и устанавливаем. Самое сложное - провести проводку из двери в стойку, а затем вывести из стойки под приборную панель. Для этого в стойке есть технологические отверстия. Возможно, придется воспользоваться специальным щупом. Проводку делаем проводом сечением не менее 1 мм. кв. Провода прокладываем с таким расчетом, чтобы они не касались каких-либо движущихся частей двери и самого механизма ЭСП. Питание электростеклоподъемников будем брать от прикуривателя. Электрические соединения производим по следующей схеме:

Рис. 15

Когда схема собрана, подключаем питание аккумулятора и проверяем правильность работы нашей системы. Включаем габаритные огни и проверяем правильность работы подсветки клавиш-активаторов ЭСП. Если подсветка не работает, меняем местами гнезда на контактах клавиш, обозначенных на схеме как 3 и 6.

Можно подключить стеклоподъемники штатным способом:

Рис. 16

Рис. 17

Осуществляем проверку работоспособности стеклоподъёмников. Стекло должно двигаться плавно, без заеданий и рывков и не должно выходить из направляющих. Для облегчения движения стекла в уплотнителе его можно обработать силиконовой смазкой

Осталось установить на место обшивку дверей.

Рис. 18

2.3 Установка кондиционера на ВАЗ 2107


2.3.1 Устройство кондиционера

Принцип работы основан на простых физических свойствах жидкости. При переходе в газообразное состояние (пар) жидкость имеет низкую температуру, при обратном процессе она нагревается. Поскольку простую воду использовать в холодильных установках невозможно, нашлись более разумные решения. Начали применять специальные хладагенты. Они способны быстрее менять свое физическое состояние, обеспечивая большую отдачу как холода, так и тепла. Хладагент движется по замкнутому контуру, в который входят следующие элементы. Подключение системы климат-контроля Конденсатор. Чаще его называют радиатором кондиционера, потому как он установлен в передней части автомобиля и служит для охлаждения хладагента встречным потоком воздуха. Компрессор с электромагнитной муфтой на шкиве. Приводится в движение с помощью ременной передачи от коленчатого вала двигателя. В отключенном состоянии шкив вращается свободно, не приводя в движение вал компрессора. Испаритель, установленный в салоне машины, необходим для охлаждения воздуха. Именно в нем происходит переход хладагента в газообразное состояние. Терморегулирующий вентиль размещен непосредственно перед входом в испаритель, служит для снижения давления хладагента. Самый простой вариант такого вентиля - это спираль из медной трубки. Магистраль. Система медных труб, соединяющих все части кондиционера. Необходима для передачи хладагента по контуру.

 

2.3.2 Установка агрегата

Устройство системы климат-контроля Автомобили из классической серии (2101-2107) не комплектуются кондиционерами, но выйти из такой ситуации можно. Способов есть несколько. Установить кондиционер с малолитражных машин. Сегодня можно найти их в хорошем состоянии. Подумать придется только об установке компрессора на ВАЗ 2107, и о том, как правильно организовать его привод. Купить новый комплект. Для отечественных автомобилей его найти сложно, зато есть для автомобилей восьмого и девятого семейств. Изготовить самодельный. В данном случае успешно используются запчасти от бытовых кондиционеров. Но у ВАЗ 2107 есть несколько минусов, которые могут сделают установку кондиционера невозможной. Один из них - слабый генератор, поэтому придется его полностью заменить. В качестве нового подойдет генератор с "девятки”. Не стоит забывать о том, что мощность двигателя должна быть высокой. Если мотор работает без капитального ремонта не одну сотню тысяч километров, лучше сначала его отремонтировать, и только после этого ставить дополнительное оборудование. Еще один минус - это недостаток места в салоне для установки испарителя, и над этим вопросом следует основательно подумать. Проблем с прокладкой магистрали не возникнет, а вот привод компрессора потребуется сделать надежным. Вариантов не так много, нужно только позаботиться о том, чтобы он был хорошо прикреплен к двигателю. Ремень привода нужно выбрать такой, чтобы в любой момент его можно было заменить на новый. Наиболее приемлемым вариантом для ВАЗ 2107 окажется установка дополнительного шкива на коленвале, с помощью которого будет приходить в движение компрессор. Удобнее всего использовать ремень генератора с моделей десятого семейства ВАЗ. Конечно, потребуется его натянуть, для чего можно использовать либо натяжной ролик, либо сделать кронштейн крепления компрессора таким же, как и кронштейн генератора. В салоне места мало, торпеду придется немного переделать. На ВАЗ 2107 испаритель часто устанавливают под бардачок. Но это неразумно, так как пассажир на переднем сидении будет мерзнуть, а водитель при этом обдува не почувствует. Лучше ставить испаритель по центру автомобиля, чтобы обеспечить равномерный обдув. Возможно, потребуется изменить конструкцию системы отопления, когда проводится установка кондиционера на ВАЗ самостоятельно.

2.4 Установка штатного подогрева сидений


Снимаем обшивку сидений и прокладываем нагревательные элементы.

Провод от нагревательного элемента проводим через отверстие в сиденье. От поясничного нагревательного элемента провод проводим в месте закрепления обшивки, в водительском сидении с права, а в пассажирском слева. (если вывести посередине, то в будущем будут мешать надевать чехлы на сиденья)

Подключение:

. черный провод ("масса") закрепляем под болт возле ручника

. серо-красный (а у некоторых он белый) провод (подсветка кнопок) подключаем к подсветке прикуривателя

. красный провод (+12 В) проводим под панель к монтажному блоку. К реле 1119-3747210-10 (ответная клеммная колодка не нужна):

. контакт "87" соединяем с красным проводом от блока кнопок обогрева

. контакт "86" соединяем с "массой", болт на корпусе возле монтажного блока

. контакт "85" соединяем с сине-черным проводом идущим от замка зажигания к блоку управления светом (+12 В при включенном зажигании)

. контакт "30" соединяем с розовым проводом контакта "30" реле К7 (реле дальнего света фар)

2.5 Установка цифрового спидометра, часов и термометра


Предлагаемое устройство предназначено для измерения скорости, пройденного пути, температур снаружи и внутри автомобиля, а также температуры охлаждающей жидкости и напряжения аккумуляторной батареи. Схема собрана на широко распространенных элементах и содержит минимум деталей. Основой устройства является недорогой микроконтроллер АТ89С2051.

Рис. 1

Результаты измерений доступны на шестиразрядном светодиодном индикаторе. По умолчанию при движении автомобиля отображается скорость, а в период остановки или стоянки - время. Другие измеряемые величины выбираются с помощью пяти кнопок по алгоритму, описанному далее.

Кратковременное нажатие K1 включает фиксацию выбранного параметра на индикаторе, что подтверждается точкой в младшем разряде. Повторное нажатие выключает фиксацию и через 5 сек. восстанавливается исходный режим.

Измеряемые значения выводятся на дисплей по кольцу в следующем порядке: Time (время), Count (счетчик пути), tout (наружная температура), tin (температура внутри), EnGinE (температура двигателя), UbАtt (напряжение аккумулятора). При нажатиях K2 просмотр происходит по полному кольцу, K3 начинает и заканчивает обзор с наружной температуры, а K4 - с температуры двигателя, что позволяет обойтись минимальным количеством нажатий. Быстро перейти в исходный режим (скорость или время), можно нажав кнопку K5.

Переход от одного параметра к другому сопровождается кратковременным появлением названия величины и последующей индикацией ее значения.

Чтобы обнулить счетчик пути необходимо зафиксировать его просмотр и нажать K4.

Информация на индикаторе обновляется каждые полсекунды, при этом скорость выводится усредненной за последнюю секунду. Измерение температур и напряжения сопровождается "миганием" индикатора, что обусловлено алгоритмом работы АЦП.

Схема блока процессора и АЦП представлена на рис 1. АЦП построено по упрощенному принципу, но дает вполне приемлемый результат преобразования. Его работа основана на сравнении внутренним компаратором МК измеряемого напряжения и линейно изменяющегося напряжения, образующегося на конденсаторе С9, заряжаемом через источник стабильного тока на элементах R4, R5, R6, R7, VD7, VT2. Цикл измерения начинается с разрядки конденсатора через порт контроллера и заканчивается в момент совпадения напряжений на входах AIN0 и AIN1. Продолжительность цикла измерения является величиной прямо пропорциональной измеряемому напряжению. Транзистор VT1 служит источником тока для датчиков температуры. Мультиплексор DD1 коммутирует аналоговые сигналы на вход компаратора микроконтроллера, а также стабильный ток на датчики температуры. Диоды VD1 - VD6 защищают входы схемы от случайных превышений напряжения. Конденсаторы С5 - С8 сглаживают пульсации источника питания VCC, при этом С5, С6 и С7 располагаются в непосредственной близости к цифровым микросхемам. Для хранения констант калибровки служит микросхема энергонезависимой памяти DD3 (АТ24С02 - АТ24С08). Объем памяти этой микросхемы больше требуемого, но дает возможность блочной. Алгоритм работы устройства позволяет использовать вместо АТ24С02 микросхему часов реального времени DS1307 в типовой схеме включения [3]. Программа автоматически определяет тип установленной микросхемы и выбирает соответствующий алгоритм работы часов. Использование DS1307 значительно улучшает ход часов и позволяет отключать устройство от бортовой сети, но требует применения элемента питания, при выходе которого из строя (например, при низких температурах) теряются все данные калибровок.

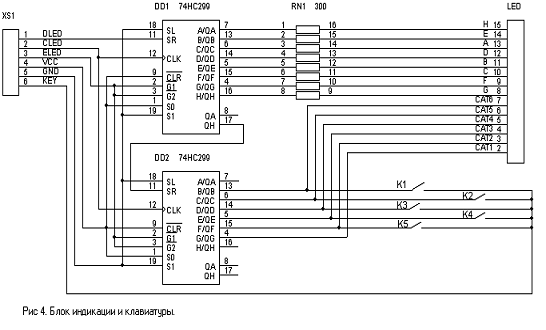
Дисплей устройства собран на семисегментных светодиодных индикаторах с малым энергопотреблением, что позволило подключить микросхему типа 74HC299 непосредственно к общим катодам без усилителей (рис.4). Нумерация катодов на схеме (CAT1…CAT6) от младшего к старшему разряду, анодам присвоены символы в общепринятом порядке. Клавиатура имеет пять кнопок и конструктивно объединена в блок с индикаторами. Использование регистров сдвига и динамической индикации позволило сократить количество элементов и проводников между блоками.

Схема индикации собиралась навесным монтажом непосредственно на выводах склеенных между собой индикаторов, а остальная часть на макетной плате. Применялись индикаторы с маркировкой TOT5361PAMY, но можно использоваться другие с малым током потребления и общим катодом. Если предполагается использовать индикаторы с большим потребляемым током (большего размера) следует доработать блок в соответствии с логикой его работы.

Резисторы источников тока и конденсатор С9 должны иметь температурные коэффициенты близкие к нулю.

При использовании DS1307 между 1 и 2 выводами включается часовой кварц (32768Гц), к 3 выводу подключается плюс элемента питания 3В (например, CR2032), 7 вывод остается свободным, остальные выводы по схеме.

В качестве параметрических датчиков температуры используются по два соединенных последовательно кремниевых диода (рис 3). Датчики подключаются к схеме экранированными проводами минимальной длины. В схеме использованы диоды типа КД522.

Рис. 2                                                                 Рис. 3

Подключение датчика скорости зависит от автомобиля. Современные автомобили, как правило, оборудованы электронным датчиком скорости и могут быть подключены к устройству через несложную схему, представленную на рис 2. Если автомобиль имеет механический привод спидометра нужно использовать преобразователь, например такой, как в автомобилях такси.

Для питания схемы необходим стабилизированный источник напряжением Vcc=5В. На схеме он не приводится, т.к. в настоящее время существует большое количество интегральных стабилизаторов (например 7805).

Корректная работа устройства невозможна без его настройки (калибровки). Войти в режим калибровки можно удерживая кнопку K1 более 30 сек, пока на индикаторе кратковременно не появится надпись "SPEEd”, а затем "SP0000”.

При калибровке кнопки выполняют следующие функции: K1 (удерживать более 5 сек) - сохранение констант калибровки для выбранного канала; K2 - точка нуля; K3 - точка ста); K4 - смена канала калибровки (SPEEd, tin, tout, EnGinE, Ubatt); K5 - выход из режима калибровки.

Для калибровки спидометра и счетчика расстояния необходимо выбрать канал "SPEEd", записать точку нуля (K2), проехать ровно один километр, записать точку ста (K3), записать константы (K1). При движении дисплей имеет следующий вид "SPХХХХ”, где ХХХХ - шестнадцатиричное количество импульсов, поступивших от датчика скорости.

При калибровке термометров датчики температуры помещаются в тающий лед (0°С), запоминается точка нуля, затем датчик помещается в кипяток (100°С), запоминается точка ста и, наконец, нажав и удерживая K1 запоминаем константы в микросхеме памяти. Калибровка вольтметра производится в точке 0V (точка нуля), и в точке 10V (точка ста). Точки нуля и ста должны быть стабильны (по показаниям на дисплее) и сохранены в памяти для всех каналов. При успешной записи константы выдается надпись "SAVE", а при ошибке "Error", в этом случае нужно повторить попытку, а при неудаче заменить микросхему памяти.

Изменить время можно удерживая кнопку K1 более 5 сек, пока показания времени не начнут "мигать". Кнопками K2 и K3 изменить показания часов и минут соответственно. Затем нажать K5, на дисплее отобразится надпись "SAVE” при успешном сохранении или Error в противном случае.

Рис. 4

Применять устройство можно не только в автомобиле, но, к примеру, и в быту, как часы - термометр.

Устройство несколько месяцев эксплуатируется на автомобиле, и за это время не было ни одного существенного сбоя, несмотря на все упрощения.

2.6 Установка блока управления дневными ходовыми огнями


Данное устройство предназначено для автоматического включения\выключения ближнего света головных фар или ПТФ.

"+12V" подключается к зажиганию автомобиля (IGN1), либо к зажиганию, которое появляется первым и не пропадает при положении ключа "старт".подключается к ближайшей массовой точке или массовому проводу.

"габ - " или "габ +" подключаются к габаритам. в зависимости от типа используемого управления габаритами на авто выбирается соответствующий вход устройства.

Рис. 5

Нормально разомкнутыми контактами реле устройства, управляется штатное реле в авто. Заранее необходимо уточнить полярность управления штатным реле.

Если используется "+" в качестве управляющего сигнала, то один из НР контактов данного блока нужно подключить к тому же зажиганию IGN1.

Если используется "-" в качестве управляющего сигнала, то один из НР контактов данного блока нужно подключить к массе.

Второй контакт подключается к проводу управления под рулевой колонкой.

Рис. 6

Работает это всё следующим образом: при повороте ключа в положение "зажигание" появляется постоянный + и заряжает конденсатор С2. Время заряда выставляется резистором R1 и при данных номиналах соответствует примерно 30 сек.

По окончании заряда появляется логический 0 на выв.3 DD1.1 и инвертируясь DD1.2 и DD1.3 логической единицей через резистор R4 открывает транзистор VT1, реле срабатывает и включается нагрузка.

Теперь, если подать на вход "габ - " минус, то конденсатор С2 быстро разрядится по цепи VD1 R7 C2 R2. На выходе DD1.1 появится лог.1, на выходе DD1.2 DD1.3 логический ноль, закрывающий транзистор VT1. Реле размыкает цепь нагрузки.

Если подать "+" на вход "габ +" через цепь R6 VD4 + откроет транзистор VT2, который в свою очередь разрядит конденсатор С2 через себя.

Как только с управляющих входов будут сняты + или - соответственно, начнётся отсчёт времени, по истечении которого опять включится реле Р1.

Рис. 7

Рис. 8

Детали:

микросхема к176ла7 заменяется на к176ле5 или микросхемы 561 серии кт315 (кт3102) кт819 с любой буквой или любой кремниевый транзистор средней или большой мощности (кт815, кт817, кт805) диоды любые кремниевые резисторы 0.125Вт реле SRU-S-112L

 

2.7 Установка Bluetooth Манометра


Одним из факторов влияющих на работы автомобильного двигателя является состояние топливной системы, а в частности состояние топливного насоса. Основными признаками неисправности топливной системы являются: снижение мощности двигателя, повышенный расход топлива, затрудненный пуск, неустойчивый холостой ход.

Уменьшение максимальной мощности двигателя и затрудненный пуск связан со снижением производительности топливного насоса. Снижение производительности топливного насоса в дальнейшем может привести к его отказу и остановке автомобиля в дороге.

В топливных системах с обратной топливной магистралью проверить работу топливного насоса можно с помощью кратковременного перекрытия обратной топливной магистрали. По изменению показаний топливного манометра можно сделать вывод о состоянии топливного насоса. В топливных системах без обратной топливной магистрали, подобные действия выполнить невозможно.

При проверке давления топлива необходимо постоянно контролировать показания топливного манометра, особенно во время движения автомобиля.

Для автомобилей без датчика давления топлива в топливной системе, было разработано данное устройство - Bluetooth Манометр.

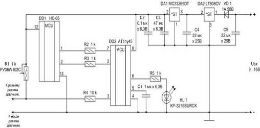
Датчиком давления топлива служит датчик давления масла, от двигателей ВАЗ, датчик ММ393А. Он представляет собой переменный резистор, сопротивление которого изменяется от ~320 Ом (0 кгс/см2) до ~ 0 Ом (8 кгс/см2).

Принципиальная схема устройства показана на Рис. 1.

Рис. 1.

Оцифровка, обработка и передача данных осуществляется с помощью микроконтроллера ATtiny45 (DD2) фирмы Atmel. Микроконтроллер работает на частоте 8МГц, поэтому необходимо сконфигурировать Fuse bits (Рис. 2).

Рис. 2.

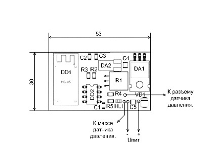
Программа для микроконтроллера файл Program. hex находится в прикрепленном файле. Для беспроводной передачи данных используется Bluetooth модуль HC-05 (DD1) фирмы E’go China. Модуль обладает широким набором функций, о которых можно прочитать в datasheet на модуль, в данный схеме он используется как Bluetooth RS-232 интерфейс. При подключении HC-05 к персональному компьютеру (ПК) необходимо назначить номер COM порта с 1 по 16, иначе программа Bluetooth Манометр работать не будет. Модуль HC-05 с завода имеет пароль 1234.

Программа Bluetooth Манометр отображает принятые данные в графическом виде, а так же ведет лог файл,Bluetooth_Манометр_ММ393А. log. Для работы программы нужен компонент Mscomm32. осх, который необходимо скопировать в С: \Windows\system32 или оставить в одной папке с". exe" файлом программы.

При работе с устройством необходимо подключить датчик по схеме и подать питание на устройство. На ПК установить соединение с Bluetooth модулем назначив номер порта от 1 до 16. Запустить программу, выбрать номер исходящего порта установленного Bluetooth соединения. Для начала работы нажать кнопку СТАРТ или F1. Светодиод на плате начнет мигать, что свидетельствует о передачи данных. При нажатии на кнопку СТОП или F2, прекратится передача данных, светодиод погаснет. F3 - закрытие программы. Лог файл перезаписывается при каждом новом запуске передачи данных.

Перед началом работы необходимо откалибровать датчик с помощью резистора R1. Для этого подсоедините датчик, включите устройство, запустите передачу данных, изменением сопротивления R1 добейтесь нулевых показаний Bluetooth Манометра (датчик к топливной системе не подключается). Показания манометра можно корректировать с помощью выбора в программе значения "Погрешность" и (или) с помощью R1. Bluetooth Манометр имеет погрешность, что сказывается на точности показаний. Но это не так важно, потому что необходимо контролировать изменение давления (в частности уменьшение давления). К тому же можно ориентироваться на показания снятые заранее с исправного автомобиля. Или заранее сравнить показания Bluetooth Манометра с показаниями механического манометра.

Подключить датчик ММ393А к топливной рейке можно с помощью адаптера (Рис.3, Рис.4). В данном случае используется адаптер от механического манометра "Измерит" ТопливоМер Плюс. При подключении через адаптер провод к минусу датчика можно не подключать.

Рис. 3.

Рис. 4.

Все действии производимые с данным устройством необходимо выполнять с особым вниманием и знанием дела или квалифицированным персоналом, так как вмешательство в топливную систему может привести к трагическим последствиям. В случае использования данного устройства при движении автомобиля необходимо обратиться за помощью к другому человеку или воспользоваться log файлом.

Данное устройство может также использоваться для измерения давления масла в масляной системе.

Детали.- резистор подстроечный.- R5 SMD 1206.

С1-С5 - керамические SMD конденсаторы.- SMD 1206 светодиод.- Диод 50В 1А корпус DO214AC (SMA).

Можно использовать любой другой диод с похожими параметрами. Диод служит защитой от переполюсовки питания.

Рис. 5. Сборочный чертеж

Рис. 6. Печатная плата

Монтаж всех элементов осуществляется на одностороннем стеклотекстолите. HC-05 (DD1) и L7808CV (DA2) при монтаже необходимо приподнять над платой. Это можно сделать с помощью нескольких кусочков изоляционной ленты приклеенной снизу элемента. При монтаже стабилизатора напряжения DA2 нужно быть внимательным что бы выход +3,3В (с обратной стороны микросхемы) не соприкасался с минусовой дорожкой.

Рис. 7

Рис. 8

Технические характеристики:пит. - 9 - 16 В.

Давление - 0 - 8 кгс/см2.пит. - 10 - 60 мА.

Прикрепленный файл Bluetooth_Манометр_ММ393А_Пример. log показывает давление снятое при включенном зажигании, работе двигателя на холостом ходу и при выключенном затем зажигании.

Заключение


Отечественные технологии автомобилестроения заметно отстают от традиционных западных технологий. И различные устройства и системы, в том числе и внедрение электронных устройств на легковых автомобилях отечественного производства, призваны сделать вождение автомобиля более приятным и безопасным. В дальнейшем с развитием электроники можно ожидать реализации многих новых функций на легковых автомобилях отечественного производства. Примером одной из них может служить обеспечение связи с внешними по отношению к автомобилю системами с помощью новой техники связи, возможность точного определения местонахождения автомобиля, являющегося движущимся объектом и в своей работе мною были изучены этапы развития автомобильного электрооборудования.

В практической части я рассмотрел вопросы по установке магнитолы, стеклоподъемников с электроприводом, кондиционера, штатного подогрева сидений, цифрового спидометра, часов, термометра, блока управления дневными ходовыми огнями, Bluetooth и Манометра на ВАЗ 2107.

По результатам проделанной работы можно сделать вывод, внедрение электронных устройств на легковые автомобили отечественного производства существенно удорожает автомобиль, но это внедрение призвано сделать вождение автомобиля более приятным и безопасным.

Список использованной литературы


1.      https: // www.drive2.ru/l/2827136/ <https://www.drive2.ru/l/2827136/>

.        <http://tuning-lada-2109.ru/ustanavlivaem-elektrosteklopodemniki/>

.        https: // www.drive2.ru/l/2358265/ <https://www.drive2.ru/l/2358265/>

.        <http://expertvaz.ru/2107/konditsioner-ustanovka.html#i>

5.      http://cxem.net/avto/electronics/4-7. php <http://cxem.net/avto/electronics/4-7.php>

Похожие работы на - Внедрение электронных устройств на легковые автомобили отечественного производства

 

Не нашли материал для своей работы?
Поможем написать уникальную работу
Без плагиата!
Без нейросетей!