Автоматизированная система управления технологических комплексов и участков

  • Вид работы:
    Отчет по практике
  • Предмет:
    Другое
  • Язык:
    Русский
    ,
    Формат файла:
    MS Word
    331,18 Кб
  • Опубликовано:
    2015-05-26
Вы можете узнать стоимость помощи в написании студенческой работы.
Помощь в написании работы, которую точно примут!

Автоматизированная система управления технологических комплексов и участков

1. Характеристика предприятия ООО «КИНЕФ»


Постановление о строительстве Киришского НПЗ было принято 24 сентября 1960 г. Советом Министров СССР, а уже в марте 1966 г. завод вошел в промышленную эксплуатацию.

Завод проектировался двумя очередями. Первая очередь предусматривала объем переработки нефти в 8 млн.т в год. Вторая очередь предусматривала дальнейшее увеличение объемов переработки нефти, для чего был запланирован ввод еще одной установки проектной мощностью 6 млн.т./год и строительство дополнительных установок для обеспечения выработки высокооктановых бензинов, малосернистых дизтоплив, а также ароматики (бензол, толуол, пара- и ортоксилол) и сжиженных углеводородных газов. Это позволило без значительных капитальных вложений довести мощность завода по переработке нефти до 19,3 млн.т/год.

В качестве сырья на Киришском НПЗ используется смесь нефтей с содержанием серы 1,8-2% и солей 40-50 мг/л. Потенциальное содержание светлых нефтепродуктов до 350-360°С составляет 47-50%. С учетом коэффициента извлечения от потенциала, равного 0,96, на установках первичной переработки отбирают от 45 до 48% светлых.

Нефть поступает на завод по нефтепроводу из Западной Сибири, проходящему через Башкирию, Татарию, Кстово, Ярославль. Кириши являются конечной точкой нефтепровода. По пути следования в нефтепровод закачиваются нефти Западной Сибири, Башкирии, Татарии, республики Коми. В связи с этим качество нефти, поступающей на завод, часто меняется, что требует от нефтепереработчиков оперативного контроля для своевременной перестройки технологического режима установок первичной переработки. Оперативный контроль качества нефти осуществляют по содержанию серы, парафина и плотности. Кроме того, ведется контроль за содержанием воды, механических примесей и солей.

Отгрузку готовой продукции осуществляют, в основном, по железной дороге, некоторую часть (автобензины, керосин и дизтопливо) - по трубопроводу на Санкт-Петербург и остальное - автотранспортом.

Завод является крупным потребителем энергоресурсов: потребление электроэнергии, получаемой от Киришской ГРЭС (ОКГ - 6) , составляет около 800 млн. кВт/год.

За счет внедрения и развития систем оборотного водоснабжения и положительного баланса осадков, накопления очищенных и ливневых вод в прудах-накопителях завод имеет самый низкий уровень потребления воды на тонну перерабатываемой нефти (0,03 м3).

Сегодня ООО «КИНЕФ» выпускает продукцию 15 видов, 81 марки: это бензины автомобильные неэтилированные, дизельное топливо, топливо для реактивных двигателей, мазуты, битумы нефтяные, газы углеводородные сжиженные, нефтяная ароматика, нефтяные растворители, полиалкилбензол, линейный алкилбензол, нефтяные парафины, серная кислота, сера, кровельные материалы. Значительная доля продукции отправляется на экспорт.

При проектировании завода в шестидесятые годы в связи со значительной потребностью Северо-Западного экономического района в топливах (автомобильных, дизельных и котельных) завод был спроектирован по топливному варианту. Поэтому глубина переработки незначительна и составляет чуть более 50%. С падением потребления котельных топлив за счет перехода ряда электростанций с мазута на газ, а также строительством и вводом в эксплуатацию атомных электростанций, потребность в котельных топливах быстро уменьшается. Сейчас перед заводом стоит задача сокращения объемов производства мазута и увеличения выработки светлых нефтепродуктов. Это возможно только за счет внедрения современных процессов, таких, как каталитический крекинг или гидрокрекинг с целью углубления переработки нефти до уровня 75-78%. Эта первостепенная задача воплотилась на заводе за счет строительства и пуска комплекса гидрокрекинга мощностью 2,9 млн.т/год по переработке вакуумного газойля.

Перечень технологических установок ООО «КИНЕФ» приведен в табл. 1.1.

Таблица 1.1 Перечень технологических установок ООО «КИНЕФ»

Наименование производств (процессов)

Наименование установок

Проектная мощность по сырью,  тыс. т/год

Производительность тонн в сутки




минимум

максимум

1. Первичная переработка нефти

АВТ-2

2000

6300

8200


АВТ-6

6500

16500

24000


АТ-6

6500

16500

24000


АТ-1

1500

3500

5000

Итого мощность по сырью:

16500

26300

61200

2. Битумное производство

БУ-1

500

500

1365


БУ-2

500

500

1365

3. Бензольный риформинг

ЛГ-35-8/300

300

650

1100

4. Установка изомеризации

Л-35-11/300

300

600

1000

5. Каталитический риформинг

Л-35-11/600

600

1050

1800


ЛЧ-35-11/ 600

600

1050

1800


ЛЧ-35-11/ 1000

1000

2200

3000

КСК-1

2000

3250

5000

7. Блок четкой ректификации

КСК-2

400

850

1500

8. Выделение орто- и параксилола

ОПК

150

300

480

9. Гидроочистка ДТ и керосина

Л-24/6

1700

1100

4200


ЛГ-24/7

1500

1000

4000


ЛЧ-24/9

2000

4200

6000


Л-24-10/2000

2000

4200

6000

10. Газофракционирование

ГФУ

540

900

1500

11. Выделение парафинов

Парекс-1

700

1400

2000


Парекс-2

700

1400

2000

12. Производство серной кислоты

УПСК-1

25

40

80


УПСК-2

25

40

80

13. Производство серы

Эл. сера

7

13

30

14. Производство ЛАБ-ЛАБС

ЛАБ-ЛАБС

50

110

155

15. Комплекс ГПН

КГПН

4900

6800

14000


С целью повышения качества выпускаемой продукции, сокращения эксплуатационных затрат, повышения безопасности производства и сохранения среды обитания предприятием последовательно реализуется инновационная стратегия, согласно которой осуществляется поэтапная модернизация технологической схемы и производственной базы завода. Уровень автоматизации технологических процессов на сегодня превышает 75%.

В этом же году санитарная лаборатория Киришского НПЗ одной из первых в России аккредитована на соответствие требованиям Системы аккредитации аналитических лабораторий на техническую компетентность.

год. Вступил в строй комплекс по производству линейного алкилбензола (ЛАБ-ЛАБС) - основы для синтетических моющих средств с биоразлагаемостью 95%.

год. Проведено техническое перевооружение газофракционирующей установки (ГФУ), позволившее дооборудовать установку узлом очистки сырья от сероводорода и перевести управление технологическим процессом на распределённую систему управления.

год. На предприятии действует система менеджмента качества, соответствующая требованиям международных стандартов ИСО серии 9000. С марта 2003г. - система менеджмента качества базируется на процессном подходе управления качеством.

год. Проведена модернизация установки производства элементарной серы, позволившая увеличить общую степень конверсии до 96%.

год. Для повышения качества выпускаемой продукции и эффективности работы проведена реконструкция установки каталитического риформинга ЛЧ-35-11/600. Современное оборудование позволило снизить потребление энергоресурсов, оптимизировать технологическую схему.

год. Выполнена реконструкция на установке Парекс-1.

год. На установке Л-35-11/300 внедрена в эксплуатацию технология «Изомалк». Высокая эффективность технологии «Изомалк-2» дала возможность организовать на предприятии производство высокооктановых топлив класса 4.

год. На установке по производству ортоксилола и параксилола проведено техническое перевооружение с заменой печи F-101 и рекуператора и переводом установки на распределённую систему управления с заменой полевого КИП.

По проекту ООО «Ленгипронефтехим» на установке выделения суммарных ксилолов запущен в работу блок выделения бензолсодержащей фракции методом ректификации из катализатов риформингов, а также проведена частичная замена оборудования, с переводом установки на распределённую систему управления.

год. Проведено техническое перевооружение на установке первичной переработке нефти ЭЛОУ-АВТ-2.

На установке гидроочистки ЛГ-24/7, предназначенной для получения компонентов гидроочищенных стабильного дизельного топлива и стабильного керосина, проведена замена оборудования I потока с переводом всей установки на АСУТП. Это снизило содержание серы в гидроочищенном продукте с 2000 до 50 ррm.

-2012 гг. Проведено расширение установки производства элементарной серы. На I блоке выполнена реконструкция, включающая в себя установку третьей каталитической ступени с целью увеличения конверсии по сере до 98 % и замену реактора-генератора на новый. Строительство II блока предусматривало переработку сероводородного газа, поступающего со строящейся установки Л-24-10/2000.

год. На установке выделения суммарных ксилолов внедрён в эксплуатацию процесс экстрактивной дистилляции ароматических углеводородов фирмы «GTC-Technology» с целью получения товарного бензола чистотой не менее 99,9 % из бензолсодержащей фракции 62-85 ºС.

Введена в строй установка Л-24-10/2000, предназначенная для переработки смеси атмосферного газойля с прямогонной дизельной фракцией и бензина висбрекинга, поступающего с производства глубокой переработки нефти. Л-24-10/2000 обеспечила значительное улучшение качества выпускаемых дизельных топлив. Перерабатывая в качестве сырья атмосферный газойль, применявшийся ранее в приготовлении мазутов, предприятие дополнительно получает более 800 тысяч тонн экологически чистого топлива в год.

В декабре 2013 года завершено строительство основного объекта комплекса -комбинированной установки глубокой переработки мазута. Она включает в себя секции вакуумной дистилляции (мощностью 4900 тысяч тонн в год), гидрокрекинга (2900 тысяч тонн в год), висбрекинга (1900 тысяч тонн в год), производства водорода (112 тысяч тонн в год по 100% водороду), установку элементарной серы (мощностью 75 тысяч тонн в год) и установку очистки сточных вод и отпарки кислой воды мощностью 570 тысяч тонн в год. Степень конверсии сырья (вакуумного газойля) на установке гидрокрекинга составит 99%.

Вывод на проектный режим эксплуатации комбинированной установки глубокой переработки мазута позволит заводу ежегодно получать дополнительно более 2 миллионов тонн высококачественных нефтепродуктов (дизельное топливо, керосин) с ультранизким содержанием серы и на 400 тысяч тонн в год увеличить сырьевую базу для выработки высокооктановых бензинов. Установка по производству элементарной серы обеспечит выпуск высококачественной гранулированной серы с остаточным содержанием сероводорода не более 0,001%. Степень конверсии сероводорода при этом составит 99,9%.

В соответствии с программой развития и модернизации ООО «КИНЕФ» в течение 3-4 лет предусматривается строительство комплекса по производству высокооктановых автобензинов ЛК-2Б мощностью 2 миллиона тонн в год. В составе комплекса будут работать установки гидроочистки, изомеризации и каталитического риформинга с непрерывной регенерацией катализатора. За счет ввода новых мощностей в эксплуатацию предприятие станет выпускать только высокооктановые автомобильные бензины класса 5.

Параллельно со строительством новых мощностей намечена дальнейшая модернизация действующего производства. В стадии технико-экономической проработки находится строительство комплекса каталитического крекинга, который позволит ООО «КИНЕФ» сделать новые шаги в направлении увеличения глубины переработки нефти и повышения качества нефтепродуктов.

Одновременно с возведением комплекса глубокой переработки нефти осуществлялся целый комплекс мероприятий природоохранного назначения. В частности - строительство новой линии очистки промышленных сточных вод производительностью 1000 кубометров в час, внедрение процессов денитрификации на сооружениях биологической очистки промстоков 2-й системы. В планах заводских экологов - модернизация флотационной очистки 1-й системы промышленных сточных вод общей производительностью 3000 кубометров в час.

датчик термопреобразователь нефть химический

3. Общие сведения о химических процессах


В нефтеперерабатывающей промышленности для получения ряда важнейших нефтепродуктов и повышения их качества широко применяют химические процессы. Использование химических процессов обеспечивает более глубокую переработку нефти с получением светлых нефтепродуктов в количествах, превышающих их содержание в исходной нефти в 1,5 - 2 раза.

Химические процессы позволяют получать сырье для многих нефтехимических производств, в частности, непредельные углеводороды - этилен, пропилен, бутилены, бутадиен, ароматические углеводороды - бензол, толуол, этилбензол, ксилолы, изопропилбензол и др. На базе такого сырья осуществляется производство пластмасс, синтетических каучуков, синтетических волокон, моющих средств и других ценных продуктов.

Использование ряда химических процессов позволяет повышать качество светлых нефтепродуктов и масел - обеспечивать обессеривание, повышение антидетонационных свойств и стабильности, снижение коксуемости, улучшение цвета и т.д.

Перечислим некоторые основные химические процессы, используемые при переработке нефти и получившие широкое распространение.

Каталитический риформинг бензиновых фракций, применяемый для получения высокооктановых бензинов, выделения товарных ароматических углеводородов (бензола, толуола, этилбензола, ксилолов) и производства технического водорода. Процесс осуществляется с циркуляцией газа, содержащего 70-80 % (объемн.) водорода при температуре 450-530°С и давлении 1,5-4,0 МПа, в присутствии различных катализаторов, главным образом, платинового. При риформинге получают также газ с высоким содержанием водорода, используемый для гидроочистки при обессеривании нефтепродуктов.

Каталитический крекинг различных видов дистиллятного и остаточного сырья с целью получения высокооктановых бензинов и газа с высокой концентрацией пропан-пропиленовой и бутан-бутиленовой фракций. Процесс протекает при температуре 420-550°С и давлении 0,1-0,3 МПа в присутствии алюмосиликатных, цеолитсодержащих и других катализаторов.

Изомеризация нормальных углеводородов (пентан, бутан, бензиновая фракция) для получения изобутана, используемого для алкилирования или изопентана - сырья для получения синтетического каучука и высокооктановых компонентов бензина. Катализатором изомеризации служит хлористый алюминий. Процесс ведут при температуре 120-150 °С и давлении до 1 МПа.

Гидроочистка применяется для обессеривания нефтяных фракций, а также для насыщения водородом непредельных углеводородов, содержащихся в продуктах вторичной переработки. Этот процесс используется также для завершающей очистки масел и парафинов. Процесс осуществляется при температуре 300-420 °С и при давлении 3-4 МПа.

Гидрокрекинг высококипящих дистиллятных фракций для получения дополнительного количества светлых нефтепродуктов. Процесс осуществляется при температуре 370-420°С и давлении 14-20 МПа. Путем гидрокрекинга высокосернистых мазутов может быть обеспечено значительное снижение содержания серы в котельном топливе с целью уменьшения загрязнения воздушного бассейна двуокисью серы.

Коксование нефтяных остатков и высококипящих дистиллятов вторичного происхождения, используемое для получения малозольного нефтяного кокса. Получаемые коксовые дистилляты вовлекаются в дальнейшую переработку для получения светлых нефтепродуктов. Коксование ведут при давлении 0,1-0,3 МПа и температуре 480-540°С.

Пиролиз нефтяных дистиллятов (бензин, керосин) или газа (этан, пропан) служит основным процессом производства важнейшего сырья нефтехимии - непредельных углеводородов (этилен, пропилен, бутадиен). При пиролизе получают также ароматические углеводороды (бензол, толуол) и пироконденсат. Процесс осуществляется при давлении ниже 0,01 МПа и температуре 650-900 °С.

Алкилирование изопарафиновых углеводородов непредельными осуществляется с целью получения высокооктановых компонентов бензинов. В качестве непредельных углеводородов используют пропилен, бутилены, амилены, в качестве изопарафиновых углеводородов - изобутан или изопентан. Так, при алкилировании изобутана бутиленом получают изооктан. Реакция алкилирования осуществляется при температуре от 0 до 10 °С, если в качестве катализатора используется серная кислота, или при 25-30 °С в присутствии катализатора - фтористоводородной кислоты.

Алкилирование бензола непредельными углеводородами (этилен, пропилен). Катализатором служит фосфорная или серная кислоты, хлористый алюминий, алюмосиликаты и др. Процесс протекает при температуре от 50 до 450 °С и давлении от 1 до 3 МПа в зависимости от конкретного катализатора. Продукты алкилирования бензола используют для производства синтетического каучука и ряда химических продуктов.

Дегидрирование - процесс, сопровождающийся отщеплением водорода от молекул, предназначается для получения непредельных углеводородов из предельных, например, бутилена из бутана, бутадиена из бутилена, изоамилена из изопентана, изопрена из изоамилена. Процесс протекает на хромоалюминиевых катализаторах при температуре 530-600 °С и давлении атмосферном или ниже атмосферного. В результате дегидрирования из этилбензола получают стирол, а из изопропилбензола - а-метилстирол.

Полимеризация - процесс получения высокомолекулярного вещества - полимера в результате взаимодействия низкомолекулярных веществ - мономеров. Этот процесс используется для получения пластмасс, синтетических каучуков, масел и других продуктов. Так, полимеризацией пропилена в присутствии катализатора - фосфорной кислоты получают тетрамер пропилена, используемый в производстве моющих средств. Полимеризацией пропилена получают высококачественную пластмассу - полипропилен. Полимеризацией изобутилена получают твердый полиизобутилен (молекулярная масса около 200 000) или жидкий полиизо-бутилен (молекулярная масса около 10 000).

Из приведенной краткой характеристики важнейших химических процессов следует, что химические реакции, используемые в нефтеперерабатывающей и нефтехимической промышленности, существенно различаются по режиму (давление от атмосферного до 200 МПа, температура от 100 до 700 °С) и используемым катализаторам. Подобное многообразие обусловливает необходимость использования различной аппаратуры и методов расчета.

 

4. Общие сведения об электроснабжении ООО «КИНЕФ»


Основным источником питания ООО «КИНЕФ» является Киришская ГРЭС (КиГРЭС). Электроснабжение завода осуществляется с шин генераторного напряжения 6кВ ТЭЦ от 16 реактивных сборок кабельными линиями. Каждая технологическая установка имеет не менее двух питающих фидеров. Третьим источником питания является подстанция глубокого ввода ПГВ - 110/6/6 с двумя трансформаторами типа ТРДН - 5300. Трансформаторы подключаются к двум секциям шин 110 кВ КиГРЭС посредством двухцепной ЛЭП - 110 кВ. Кабельные линии 6 кВ от ТЭЦ к установкам завода проложены по кабельным тоннелям с выходом на предприятии на проходные кабельные галереи и частично в грунт. Сеть 6 кВ выполнена с изолированной нейтралью.

Для компенсации тока замыкания на землю в КиГРЭС установлены и включены в работу в 1995 году четыре компенсационные катушки.

Защита от замыкания на землю главных фидеров выполнена на «сигнал». Компенсация реактивной мощности осуществляется статическими конденсаторами 6 и 0,4кВ и синхронными машинами. В схеме 6 кВ установлено 11 конденсаторов суммарной мощностью 11736 кВАр и 47 конденсаторов в схеме 0,4 кВ мощностью 11988 кВАр. К схеме подключено 49 синхронных двигателей, суммарной мощностью 44825 кВт. Коэффициент мощности tg(φ)=0,45.

Количество электроустановок 6 кВ - 34 шт. из них 15 шт. не имеют третьего источника питания. В дальнейшем с развитием кабельных сооружений 5 электроустановок будут подключены.

Сети 0,4 кВ выполнены с глухозаземленной нейтралью.

Трансформаторы 63000 кВА на ПГВ работают с заземленной нейтралью.

В отношении надежности электроснабжения большая часть электроприемников относятся к потребителям I категории.

Основные РТП предприятия имеют три независимых источника питания. Два ввода от ТЭЦ и один от ПГВ - 110 кВ. В нормальном режиме положение секционных выключателей - разомкнуто. Нагрузка цехов распределена равномерно между тремя секциями шин 6 кВ на каждой РТП. АВР выполнено на стороне 6 кВ. Взаимно резервируются 1 и 2 секции; при потере питания обеих секций 1 и 2 работает АВР с 3 секции выборочно на одну из секций шин 1 и 2, в зависимости от условий работы технологического оборудования, подключенного к данной РТП.

Основной вид электроприемников - насосно-компрессорное оборудование, вентиляция и электрическое освещение.

Распределительные устройства 6 и 0,4 кВ в импортном исполнении. Отечественное оборудование используется на «Элементарной сере», ТП - 18 и в насосной сырого остатка, в ТП - 130.

Большая часть силовых трансформаторов, используемых на предприятии - маслонаполненные. Маслохозяйство в электроцехе отсутствует, запас трансформаторного масла в наличии имеется, масло хранится в оборудованной железнодорожной цистерне. Оперативное обслуживание осуществляется дежурной службой, выездными бригадами. В цехе организован центральный диспетчерский пункт. Диспетчерская оборудована телефонной связью и охранной сигнализацией с большей частью электроустановок. Планируется диспетчерская электроснабжения предприятия.

Основными недостатками схемы внешнего электроснабжения являются:

. Устаревшая схема генераторного напряжения ТЭЦ - собранная в кольцо, и большая протяженность кабелей 6 кВ, работающих параллельно 352 км - обуславливает наличие больших токов короткого замыкания на землю в сети с изолированной нейтралью (порядка 40 А). При длительной локализации такого повреждения возможно возгорание соседних кабелей, перехода замыкания на землю в междуфазное к.з. и дальнейшего развития аварии. Такая авария, с возгоранием кабелей всего кабельного тоннеля, произошла в декабре 1998 года, когда перерыв в электроснабжении всего завода составил 1 сутки.

. Третий источник электроснабжения в виде ПГВ - 110 кВ электрически связан с районными сетями 110 кВ, что отражается на качестве и категорийности электроснабжения по линии 110 кВ. Только в течение последнего года дежурной службой ООО «КИНЕФ»» было зафиксировано 13 случаев посадки напряжения в сети 110 кВ и, как следствие, отключение технологического оборудования по минимальной защите. В эти периоды отмечалась повышенная загазованность промышленных площадей и повышенный расход электроэнергии на дополнительную переработку некачественной продукции.

. На предприятии в настоящее время еще находятся в эксплуатации кабельные линии и электрические машины, введенные в 80-х годах. Уровень изоляции такого оборудования настолько низок, что изоляция не выдерживает коммутационных перенапряжений. В 2014 году зафиксировано 7 случаев выхода из строя электродвигателей из - за пробоя изоляции.

В настоящее время на предприятии вводится система внешнего электроснабжения по строительству кабельной эстакады КиГРЭС - ООО «КИНЕФ» с поэтапной выноской питающих кабелей на эстакаду.

 

5. Автоматизированная система управления технологических комплексов и участков

 

.1 Цели и назначение создания системы


Основной целью создания системы является поддержание заданной температуры нефтепродукта на выходе АВО установки ЛЧ-35-11/1000 путем программного управления скоростью вращения вентиляторов АВО, оснащение электродвигателей АВО вариаторами скорости, а также контроль состояния подшипников двигателей АВО.

Система предназначена для оснащения производств и технологических процессов, в которых для регулирования температуры применяются вентиляторы с двигателями переменного тока 380В, мощностью от 5 до 130 кВт и числом оборотов в минуту от 250 до 3000. Упрощенная структура системы поддержания температуры приведена на рис.5.1.

Рис.5.1 Структурная схема системы (упрощенная)

Основными компонентами системы являются:

·        подсистема контроля температуры, состоящая из датчиков температур и контроллеров сбора информации (MTL) от этих датчиков, предназначенная для сбора, обработки и передачи информации в контроллер MIC-2000; контроллер MIC-2000 выполняет функции контроля, управления и регулирования на основании данных, поступающих от подсистемы контроля температуры и команд оператора-технолога со станции оператора;

·        вариатор скорости преобразует трёхфазное переменное напряжение 380В в напряжение специальной формы и в зависимости от уставки скорости, поступающей от контроллера MIC-2000, производит регулировку скорости вращения двигателя, включает режим «БАЙПАС»;

·        станция оператора служит для контроля температуры продуктов на выходе АВО, скорости вращения и мощности электродвигателей, переключения режимов регулирования вариаторов скорости (ручной-автоматический-реверс), задания уставок (необходимые температуры на выходе АВО, скорости вращения), изменения режима работы электродвигателя.

 

.2 Основные требования к системе


·        поддержание температуры нефтепродуктов на выходе АВО в установившемся режиме с отклонением не более ± 2,5 °С;

·        поддержание температуры нефтепродуктов на выходе АВО при переходном процессе с наибольшим отклонением не более ±5°С;

·        время установления не более 30 мин;

·        выход на режим с заданной скоростью;

·        диапазон управления скоростью вращения электродвигателей АВО от 20 до 100%;

·        контроль состояния подшипников двигателей АВО.

 

5.3 Техническое оснащение системы управления


В соответствии с назначением системы объектами оснащения вариаторами скорости ABB ACS-800 являются следующие АВО установки:

Х102/1…..Х102/16 ; Х-101/1…..Х-101/6 ; ХК-101/1, ХК-101/2 ; ХК-103/1, ХК-103/2 ; Х-103/1…..Х-103/4 с электродвигателями мощностью 22,0 кВт, на номинальное напряжение переменного тока 380В, номинальный ток 51,4 А и количеством оборотов 422 об/мин.

Перечень датчиков измерения температуры для регулирования скорости вращения электродвигателей АВО приведены в табл.5.1.

Таблица 5.1 Перечень датчиков измерения температуры

Количество датчиков температуры, шт.

Тип датчика температуры

Температурный диапазон, °С

Х-102

24

ТСПТ-100-Pt100

0-100°С

Х-101

9

ТСПТ-100-Pt100

0-100°С

ХК-101

6

ТСПТ-100-Pt100

0-100°С

Х-103

12

ТСПТ-100-Pt100

0-100°С

ХК-103

6

ТСПТ-100-Pt100

0-100°С

Перечень и количество устанавливаемых датчиков ударного импульса и пьезоэлектрических преобразователей (ПП) приведены в табл.5.2.

Таблица 5.2 Перечень и количество устанавливаемых датчиков ударного импульса и пьезоэлектрических преобразователей

Индекс АВО

Место установки

Тип датчика ударного импульса

Тип ПП

X-102/l ÷ Х-102/16

Верхний подшипник электродвигателя

SPM 42011

ВДТ-106

X-101/1÷ Х-101/6

Верхний подшипник электродвигателя

SPM 42011

ВДТ-106

Х-103/1÷ Х-103/4

Верхний подшипник электродвигателя

SPM 42031

ВДТ-106

ХК-101/1, ХК-101/2

Верхний подшипник электродвигателя

SPM 42011

ВДТ-106

ХК-103/1, ХК-103/2

Верхний подшипник электродвигателя

SPM42011

ВДТ-106


В системе предусмотрено подключение к следующим управляющим технологическим системам:

·        распределенной системе "Фоксборо";

·        системе "КРУГ".

Для обеспечения надежности в системе предусмотрено дублирование, а именно: два центральных процессора; два источника питания 24 В для MTL 838. С этой же целью передача сигналов от мультиплексоров-передатчиков MTL 831 идет по двум независимым каналам (H1 и Н2). В случае отсутствия связи MTL 831 с термопреобразователями управление электродвигателями АВО происходит по последнему значению скорости, которое вводится автоматически в качестве уставки.

В соответствии с данной структурой в состав технических
средств системы входят:

первичные преобразователи:

·        датчики ударного импульса;

·        пьезоэлектрические преобразователи;

·        термопреобразователи сопротивления.

датчики вибрации;

- шкафы контроля, в состав которых входят:

·        трансформаторы связи SPM 14196 с датчиками ударного импульса SPM 42011;

·        блок питания и коммутации БПК-001 (в ШК2);

·        блок обработки сигналов BMS -23 или BMS-20;

·        блоки передачи сигналов от термопреобразователей сопротивления MTL 831;

шкаф контроля температуры, в состав которого входят:

·        мультиплексоры-передатчики;

- шкаф системный, в котором размещены:

·        системные блоки и концентратор сети;

·        схемы питания;

·        барьеры искрозащиты MTL 3052;

·        дублированный управляющий процессор MIC-2000(2шт.)

шкафы управления (ШУ);

шкаф питания для ШУ;

вариаторы скорости ACS-800-0030-3.

 

.4 Функции, реализуемые системой


Подсистема контроля температуры, в состав которой входят термометры сопротивления и преобразователи типа MTL, обеспечивает:

·        измерение температуры нефтепродуктов на выходе АВО;

·        передачу информации в управляющую и распределенную системы;

·        контроль обрыва линий связи.

Подсистема управления двигателями АВО, включающая вариаторы и шкафы управления с электротехническим оборудованием и релейным контроллером, обеспечивает следующие функциональные возможности:

·        переключение режимов BYPASS, ВАРИАТОР, СТОП;

·        пуск вентиляторов по месту установки двигателей;

·        управление скоростью вращения электродвигателей мощностью до 90 кВт, с помощью вариаторов скорости по протоколу MODBUS;

·        режим BYPASS и защиту двигателя в этом режиме;
сохранение режимов работы вариатора при кратковременных (до 4,0сек.) пропаданиях напряжения в питающей сети;

·        отключение вентиляторов и питания контрольных цепей при пропадании напряжения на время более 5 сек;

·        получение диагностической информации о температуре внутри шкафа управления, наличия питающей сети.

Управляющая подсистема обеспечивает:

·        реализацию ПИД-закона для автоматического поддержания температуры на выходе АВО;

·        связь с вариаторами скорости по протоколу MODBUS для управления скоростью вращения двигателей и получения диагностической информации;

·        прием уставок от распределенной системы управления технологической установкой и ввод оператором режимов работы системы BYPASS, ВАРИАТОР, СТОП;

·        передачу параметров работы системы и вариаторов скорости для отображение на мониторе распределенной системы управления;

·        реализацию безударного перехода из автоматического режима работы вариатора в ручной и наоборот;

·        передачу текущих значений скорости вращения электродвигателей АВО в подсистему контроля состояния подшипников.

Подсистема контроля состояния подшипников двигателей АВО обеспечивает:

·        диагностику состояния подшипников качения двигателей АВО методом ударного импульса фирмы SPM Instrument (Швеция);

·        передачу данных о состоянии подшипников на компьютер (АРМ механика) с программным пакетом Condmaster Pro фирмы SPM Instrument (Швеция), для дальнейшей обработки;

·        измерение СКЗ виброскорости и пepедачу сигнала через аналоговую плату в систему SPM;

·        передачу текущих значений скорости вращения электродвигателей АВО в АРМ механика;

·        передачу информации на АРМ механика, в систему верхнего уровня и в заводскую сеть;

·        возможность дальнейшего поэтапного наращивания подсистемы контроля состояния подшипников.

5.5 Средства КИПиА аппарата воздушного охлаждения

 

.5.1. Термопреобразователь сопротивления ТСПТ

Термопреобразователи сопротивлений применяют для измерения температур в пределах от -260 до +750 °С. Рабочим органом термопреобразователя является чувствительный элемент, выполненный из платиновой или медной проволоки.

Чувствительность термопреобразователей сопротивления определяется температурным коэффициентом сопротивления материала, из которого сделан термопреобразователь, т.е. относительным изменением сопротивления чувствительного элемента термопреобразователя при нагревании его на 1 °С.

Конструкция термопреобразователя сопротивления показана на рис.5.2. Собранный чувствительный элемент 11 помещают в защитный чехол 9, который предохраняет его от механических повреждений и агрессивных воздействий измеряемой среды. Выводные провода чувствительного элемента изолируют фарфоровыми изоляторами 1 и присоединяют к контактным клеммам 7, расположенным в головке 4 преобразователя, которую закрывают крышкой 6 с прокладкой 5. Герметизацию выходных проводов чувствительного элемента осуществляют с помощью эпоксидного компаунда 8. Свободное пространство защитного чехла заполняют окисью алюминия 10. Термопреобразователь сопротивления может иметь штуцеры 2 и 3 для крепления по месту и для ввода соединительных проводов измерительных приборов.

Рис.5.2 Термопреобразователь сопротивления

Принцип действия термопреобразователей сопротивления основан на пропорциональном изменении его электрического сопротивления в зависимости от температуры. При измерении температуры термопреобразователь погружают в среду, температуру которой необходимо измерить. Зная зависимость сопротивления термопреобразователя от температуры, можно по изменению сопротивления судить о температуре среды, в которую он помещен.

Преимуществами платиновых термопреобразователей сопротивлений являются: большой температурный коэффициент электрического сопротивления и высокое удельное сопротивление; устойчивость к окислительной (воздушной) среде; способность продолжительное время сохранять свои характеристики. К недостаткам можно отнести: зависимость сопротивления платиновой проволоки от температуры, распыление платины при температуре близкой к 1000 °С. Поэтому, исходя из экономических соображений и механической прочности чувствительного элемента, выполненного из тонкой платиновой проволоки, верхний предел измерения температуры платиновыми термопреобразователями ограничивают 750 °С.

Установление зависимости сопротивления чувствительного элемента термопреобразователя сопротивлений от температуры называется градуировкой термопреобразователя сопротивления. Платиновые термопреобразователи сопротивлений в пределах одной градуировки и одного класса точности взаимозаменяемые.

 

.5.2 Датчики ударного импульса SPM

Датчики ударных импульсов используют для эффективного мониторинга и диагностики условий работы и состояния подшипников качения. Ударные импульсы - это ударные волны малой энергии, генерируемые подшипниками качения вследствие соударений и изменений давления в зоне качения этих подшипников в течение всего срока службы подшипников и распространяющиеся в материалах деталей подшипника, подшипникового узла и прилегающих к ним деталей. На рис.5.3. изображён внешний вид датчика ударного импульса.

Рис. 5.3 Датчик ударного импульса

Датчики ударных импульсов SPM преобразовывают ударные волны, генерируемые подшипниками качения, в электрические сигналы, измеряемые приборами и системами. Датчики ударных импульсов SPM используются для всех измерений по методу ударных импульсов SPM. Стационарные датчики ударных импульсов SPM используются для измерений со всеми стационарными системами, а также при измерениях с помощью переносных приборов в тех местах, куда доступ персонала во время работы оборудования невозможен. Датчики устанавливаются в раззенкованных монтажных отверстиях с резьбой, обычно на корпусах подшипников. Также возможна установка датчиков с помощью привариваемых или приклеиваемых бобышек в тех случаях, когда сверление монтажных отверстий под датчики в оборудовании не допускается. Для обычных измерений с помощью переносных приборов используется переносной датчик-щуп, а также быстросъемный датчик ударных импульсов SPM, подключаемый к адаптерам SPM, предварительно установленным на корпусах подшипников.

Основные задачи применения метода ударных импульсов SPM:

·        получение заблаговременного предупреждения об ухудшении условий смазки подшипников для осуществления своевременной замены смазки по ее фактическому состоянию,

·              получение заблаговременного предупреждения об ухудшении условий работы подшипников вследствие различных внешних воздействий для принятия своевременных мер по устранению этих воздействий (например, перегрузки, существенного дисбаланса, несоосности и т.п.),

·              получение заблаговременного предупреждения о появлении дефектов подшипников для планирования своевременных замен подшипников,

·              сведение к минимуму простоев оборудования,

·              сведение к минимуму рисков отказов оборудования и обеспечение надежности его работы.

 

.5.3 Преобразователи давления I/A Series .

Интеллектуальные преобразователи избыточного (IGP1,IGP20) и абсолютного давления (IAP10) представлены на рис. 5.4.

 

Рис. 5.4. Преобразователи давления

Версия электроники - D , имеющая конфигурацию под выходной сигнал 4 - 20мА позволяет направлять аналоговую связь на общие приемные устройства, обеспечивая полную цифровую связь преобразователя давления с ручным терминалом (ННТ), персональным компьютером (РС) или дополнительным дисплеем на жидких кристаллах (LCD) с кнопками для конфигурации и калибровки.

Преобразователи давления с системой управления I/A Series представляют собой целое семейство преобразователей перепада давления, избыточного, абсолютного давления и фланцевых преобразователей, все они, также как и преобразователь перепада давления с выносными мембранами, используют электроизолированные кремниевые тензодатчики в сборке чувствительного элемента.

Данные преобразователи давления используют одинаковые корпуса и общие взаимозаменяемые съемные модули интеллектуальной электроники по всей шине.

Данные конфигурируемые преобразователи давления позволяют выбирать степень интеллектуальности преобразователя давления, которая необходима для его использования.

В данной версии при выборе выходного сигнала 4-20мА конфигурация может быть произведена по выбору с помощью ручного терминала ННТ, персонального компьютера при запуске конфигурационной программы (конфигуратор РС10) или с использованием кнопок дисплея на жидких кристаллах (LCD).

Измерения и диагностика становятся доступными для ручного терминала ННТ или персонального компьютера РС10, связанных где-либо с двухпроводным контуром выходного сигнала 4-20мА, при использовании двухнаправленного цифрового сигнала, наложенного на выходной сигнал 4-20мА.

Высокая точность.

Преобразователи давления прямого подсоединения или на кронштейнах имеют одинаково высокую точность. Данные преобразователи давления обеспечивают точность 0,07% от калиброванного рабочего диапазона в цифровом режиме FOXCOM. Они также обеспечивают коррекцию на базе микропроцессора для достижения отличной компенсации окружающей температуры

Функция изменения диапазона реализуется с помощью ручного терминала ННТ, персонального компьютера РС10 или при использовании дополнительных кнопок.

Простота установки.

Поворачиваемый корпус позволяет устанавливать преобразователь давления в узких местах, позволяет ориентировать индикатор в желаемом направлении и облегчает демонтаж по месту.

Два входных патрубка предоставляют выбор для положений входа для облегчения установки и самодренажа конденсата независимо от монтажного положения поворота корпуса.

Кабельные вводы и клеммы обеспечивают простоту электропроводки, достаточное место для работы и хранения избыточного провода и большие прочные винтовые клеммы для простоты подсоединения проводов.

Дисплей на жидких кристаллах (LCD) - двухсрочный цифровой индикатор с кнопками управления, предназначен для отображения измерения в любых выбранных единицах.

 

.5.4 Определение показателей надежности системы

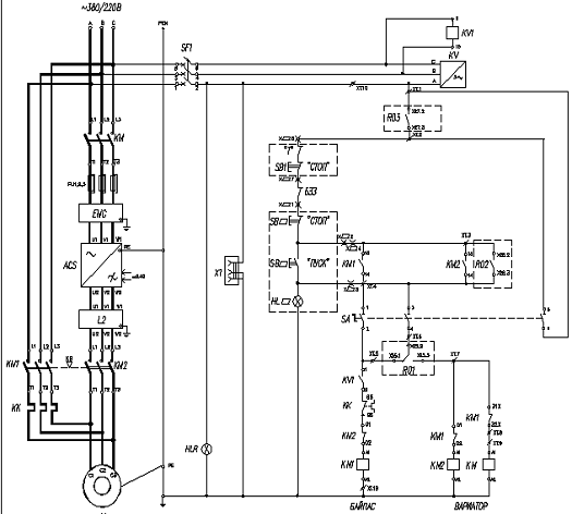
Цепь управления и автоматической защиты двигателя приведена на рис.5.5.

Рис. 5.5 Цепь управления и автоматической защиты двигателя

В цепь управления и автоматической защиты двигателя входят: реле, кнопочные станции, выключатели, блок-контакты. Все перечисленные элементы сведем в табл. 5.3.

Под надёжностью понимают свойство системы, обусловленное её безопасностью, долговечностью, ремонтопригодностью и обеспечение выполнения заданной функции системы. Приближенный расчет надежности цепи управления и автоматической защиты двигателя выполняется по внезапным отказам в предположении, что отказ любого элемента приводит к функциональному отказу всего устройства.

Основными показателями, характеризующими надёжность, безотказность системы, являются:

·        интенсивность отказов l;

·        среднее время безотказной работы (наработка на отказ) T.

При расчете принимается экспоненциальный закон распределения внезапных отказов:

                                                                           (5.1)

Если система состоит из n типов элементов с числом Ni элементов данного типа, то интенсивность отказов системы определяется интенсивностью отказов элементов согласно выражению:

                                                                                 (5.2)

где: li - интенсивность отказов i-го элемента.

Расчет надежности выполнен упрощенным методом при следующих допущениях:

·        использованы усредненные значения интенсивностей отказов (усредненного типоразмера) с учетом поправочного коэффициента (Кп=10),

·        не учтены изменения интенсивности отказов элементов в зависимости от температурных и электрических режимов,

·        значения интенсивностей отказов приняты для номинальных режимов,

·        коэффициент использования элементов принят равным единице.

Вероятность безотказной работы системы Pс(t) в течение 1 месяца:


где: Tс - время безотказной работы, определяется:


где: lc =31,1. 10-6 ,- интенсивность отказов:- количество типов элементов;- количество элементов типа i.

Таблица 5.3 Расчёт интенсивности отказов схемы управления

Элементы

Интенсивность отказов по элементам l0,1/ч ×10-6

Количество элементов N,шт

Интенсивность отказов по группам элементов li=Nl0,шт/ч ×10-6

Реле

0,8

2

1,6

Контакты

1,0

10

10,0

Кнопки

2,5

2

5,0

Переключатели

2,5

1

2,5

Магнитоуправляемый контакт

1,0

2

2,0

Автомат.выключатель

10,0

1

10,0


åNli=31,1×10-6 1/час

Одним из важнейших показателей надежности восстанавливаемых систем является коэффициент готовности. Коэффициент готовности определяется отношением времени безотказной работы к средней длительности цикла работа- восстановление:

                            (5.3)

где: TВ- среднее время восстановления системы.

Среднее время восстановления TВ системы определяется через среднее время восстановлений TВi, входящих в нее элементов с учетом вероятностей отказов (восстановлений) последних.

При экспоненциальном законе распределения времени между отказами элементов среднее время восстановления TВ системы можно оценить выражением:

 ч.                                                                      (5.4)

Тогда по (5.3) определим коэффициент готовности:

.

Список литературы


1.   Баннов П.Г. Процессы переработки нефти - М., 2003

2.      Белов М.П., Новиков В.А., Рассудов Л.Н. Автоматизированный электропривод типовых производственных механизмов и технологических комплексов. М. 2004.

.        Исаакович Р.Я., Логинов В.И., Попадько В.Е. Автоматизация производственных процессов нефтяной и газовой промышленности. М., «Недра». 1983.

.        Меньшов Б.Г., Ершов М.С., Яризов А.Д. Электротехнические установки и комплексы в нефтегазовой промышленности. М., «Недра». 2000 .

.        Садчиков И.А., Сомов В.Е. Киришинефтеоргсинтез - С-Пб.: изд. Химия,1997.

Похожие работы на - Автоматизированная система управления технологических комплексов и участков

 

Не нашли материал для своей работы?
Поможем написать уникальную работу
Без плагиата!
Без нейросетей!