Автоматизация раздачи кормов кормораздатчиком Р-3000М

  • Вид работы:
    Курсовая работа (т)
  • Предмет:
    Другое
  • Язык:
    Русский
    ,
    Формат файла:
    MS Word
    28,69 Кб
  • Опубликовано:
    2016-02-14
Вы можете узнать стоимость помощи в написании студенческой работы.
Помощь в написании работы, которую точно примут!

Автоматизация раздачи кормов кормораздатчиком Р-3000М

Введение

технологический автоматизация схема электрический

Автоматизация технологических процессов - это этап комплексной механизации, характеризуемый освобождением человека от непосредственного выполнения функций управления технологическими процессами и передачей этих функций автоматическим устройствам. При автоматизации технологические процессы получения, преобразования, передачи и использования энергии, материалов и информации выполняются автоматически при помощи специальных технических средств и систем управления.

Существенными тенденциями современного сельскохозяйственного производства являются, с одной стороны, постоянный рост его масштабов, повышение количества и качества сельскохозяйственных продуктов, с другой - прогрессирующий дефицит рабочей силы, растущая непопулярность монотонного и тяжелого физического ручного труда в полеводстве и животноводстве. Важнейшим, а зачастую и единственным средством разрешения противоречий между ними является комплексная механизация и автоматизация производства.

Одним из самых важных этапов в развитии животноводства наряду с кормоприготовлением и навозоудалением является раздача кормов. На сегодняшний день промышленность выпускает большое количество различных кормораздаточных устройств, причем как стационарных, так и мобильных.

Задачами данного курсового проекта является разработка схемы автоматизации, составление алгоритма управления, разработка принципиальной электрической схемы, расчет и выбор элементов и средств автоматизации, составление спецификации, расчет и выбор щитов управления, разработка схем соединения и схем подключения, определение основных показателей надежности системы, разработка мероприятий по электробезопасности при эксплуатации электрической части объекта, а также написание выводов и заключения.



1. Технологическая характеристика проектируемого объекта

Готовый корм поступает в бункер дозатора, в количестве, необходимом для разовой дачи поголовью свиней. Раздаточная платформа при подаче корма совершает возвратно-поступательное движение на расстояние, равное половине длины кормушек.

Когда платформа движется влево, на нее поступает корм, скребки, подвешенные шарнирно, поворачиваются вверх и не мешают продвижению платформы с кормом. При обратном движении платформы в левой части кормушек опускаются скребки, задерживая и сбрасывая корм в кормушки. При движении платформы вправо она также загружается кормом и аналогичным образом разгружается правая часть кормушек.

Требования к схеме автоматизации:

.        Предусмотреть работу схемы в двух режимах: ручном и автоматическом.

.        Движение раздаточной платформы осуществляется после того, как корм начинает поступать с разгрузочного транспортера.

.        Реверсирование электродвигателей раздаточной платформы осуществляется с помощью конечных выключателей.

.        Схема должна иметь предупредительную сигнализацию.


Рисунок 1.1 - Технологическая схема кормораздатчика Р-3000М

.        Бункер дозатора.

.        Транспортер дозатора.

.        Выгрузной шнек.

.        Загрузочный транспортер.

.        Кормушка.

.        Раздаточная платформа.

.        Скребки.

Таблица 1.1 - исходные данные

Обозначение

Рабочая машина

Номинальная мощность двигателя Рн, кВт

M1

Загрузочный транспортер

1,5

M2

Выгрузной шнек транспортер дозатора

1,5

Разгрузочная платформа

3,0

2. Составление функциональной и технологической схем системы автоматического управления

Схема автоматизации выполняется следующим образом: щит или пульт управления изображают прямоугольным в верхней или нижней части чертежа, в котором, при помощи условных обозначений показывают на щите или пульте приборы и средства автоматизации. Приборы и средства автоматизации устанавливаемые вне щита или пульта и не связанные непосредственно с технологическим оборудованием и коммутации, условно показывают прямоугольники с надписью «Приборы по месту». Такой прямоугольник располагают под прямоугольником щита или пульта, при разработке функциональной схемы, на основании анализа условий работы технологического оборудования, необходимо решить следующие вопросы:

1.  Определить оптимальный объём автоматизации технологического процесса

2.  На функциональной схеме необходимо выделить исходную систему автоматического управления, разбить на локальные и замкнутые системы автоматического управления и програмно-логические системы.

3.  Уточнить технологические параметры подлежащие автоматическому управлению и контролю, установить их параметры и выбрать методы измерения этих параметров, для последующего выбора технических средств, для их реализации.

4.  Определить объёмы автоматической защиты и блокировок технологических установок.

5.  Выбрать основные технические средства автоматизации.

6.  Разместить аппаратуру на щитах и пультах.

Функциональная электрическая схема кормораздатчика изображена на первом листе графической части.

При проектировании логической части схем автоматики, цикл работы задаётся последовательностью включения и отключения механизмов. В ходе разработки системы управления определяют последовательность работы исполнительных элементов технологической линии, порядок управления, число конечных выключателей и других командных аппаратов, управляющих процессом.

Схема располагается на листе 1 графической части.

При кратковременном нажатии кнопки пуск запускается двигатель загрузочного транспортера. Затем запускается двигатель выгрузного шнека, размыкается датчик нижнего уровня, после срабатывания датчика веса раздаточная платформа начинает движение в перед, размыкается конечник обратного хода. Когда платформа доходит до конца срабатывает конечник и движение продолжается в обратном направлении отключается один конечник, отключается загрузочный транспортер и выгрузной шнек доходя до конца платформы отключает второй конечник который отключает всю схему.

Рисунок 2.1: Технологическая схема раздачи кормов

Составим таблицу, где приведем буквенные обозначения командных, исполнительных и промежуточных органов РКС.

Таблица 2.1. Буквенное обозначение коммутирующих, исполнительных и промежуточных органов РКС

Обозначение

Назначение элементов

Механизм управления элементам

X1

Катушка магнитного пускателя привода загрузочного транспортера

Кормораздатчик

X2

Катушка магнитного пускателя привода выгрузного шнека

Кормораздатчик

X3

Катушка магнитного пускателя привода разгрузочной платформы «вперед»

Кормораздатчик

X4

Катушка магнитного пускателя привода разгрузочной платформы «назад»

Кормораздатчик

b1

Датчик веса

Раздаточная платформа

b2

Концевой выключатель выключающий движение платформы «влево»

Раздаточная платформа

b3

Концевой выключатель выключающий движение платформы «вправо»

Раздаточная платформа

b4

Датчик нижнего уровня

Бункер дозатор

a1

Включение транспортера разгрузочного

Разгрузочный транспортер


3. Разработка принципиальной электрической схемы

Используя словесное описание технологического процесса раздачи кормов, заменяя механизмы соответствующими элементами, составим символическое описание технологического процесса

1 2 3 4 5 6 7 8 9 10 11 12 13 14 15 16 17 18

↑a1-↑b4-↑x1-↓a1-↑x2-↑b1-↑x4-↑b2-↑b3-↓x4-↑x3-↓b3-↓b4-↓x1-↓x2-↓b2-↑x3-↓b1

Принципиальные электрические схемы отражают с достаточной полнотой и наглядностью взаимные связи между отдельными элементами и аппаратами входящими в состав установки.

На принципиальной электрической схеме указываются схемы силовых цепей и схемы вспомогательных цепей (контроля и сигнализации).

Принципиальные электрические схемы выполняют совмещенным или разнесенным способами.

Принципиальная электрическая схема располагается на листе 2 графической части.

Составление частных таблиц включения для исполнительных элементов

Из структурной теории релейных устройств известна общая формула для определения структурной первоначальной цепи управления элементами.

 (3.1.1)

где Fср - состояние вспомогательных элементов в такте срабатывания;

Fотп - состояние вспомогательных элементов в такте отпускания.

Таблица 3.1 - Частная таблица включения для исполнительного элемента x1

№ элемента

N Код элемента

Элемент

Такты

2

3

4

5

6

7

8

9

10

11

12

13

14

1

1

x1



+











-

2

2

a1

+



-











3

4

b4


+











-


Весовое состояние

2

6

7

5

5

5

5

5

51

5

5

5

1

0


Таблица 3.2 - Частная таблица включения для исполнительного элемента x2

№ элемента

N Код элемента

Элемент

Такты




2

3

4

5

6

7

8

9

10

11

12

13

14

15

1

1

x2




+










-

2

2

x1


+











-


3

4

b4

+











-



Весовое состояние

4

6

6

7

7

7

7

7

7

7

7

3

1

0


Таблица 3.3 - Частная таблица включения для исполнительного элемента x3

№ элемента

N Код элемента

Элемент

Такты




8

9

10

12

13

14

15

16

17

1

1

x3




+






-

2

2

b3


+



-






3

4

b2

+








-


Весовое состояние

0

0

0

2

3

3

1

4

4

0




Таблица 3.4 - Частная таблица включения для исполнительного элемента x4

№ элемента

N Код элемента

Элемент

Такты




6

7

8

9

10

11

12

13

14

15

16

17

18

1

1

x4


+



-









2

2

b1

+












-

3

4

b3




+



-







Весовое состояние

2

3

3

7

6

6

2

2

2

2

2

2

0


Составляем первоначальные структуры цепей управления для элементов x1, x2, x3, x4,


Составление таблиц покрытий для исполнительных элементов

Первичная структурная формула сокращается с помощью таблиц покрытия, назначение которых состоит в исключении лишних сигналов из первоначальной структурной формулы. В горизонтальные строки вписываются все слагаемые произведения находящиеся в первоначальных структурных формулах элементов, а в вертикальные клетки таблиц вписываются номера тактов включающего состояние данного элемента, т.е. от такта срабатывания до такта предыдущему такту срабатывания.

Таблица 3.2.1-Таблица покрытия для элемента x1

Произведения

Такты


2

3

4

5

6

7

8

9

10

11

12












-х---------












-хххххххххх













Таблица 3.2.2-Таблица покрытия для элемента x2

Произведения

Такты


4

5

6

7

8

9

10

11

12

13

ххххххххх-











-ххххххххх











-ххххххххх












Таблица 3.2.3-Таблица покрытия для элемента х3

Произведения

Такты


10

11

12

13

14

15

xх----







-х----







-хxхxх








Таблица 3.2.4-Таблица покрытия для элемента х4

Произведения

Такты


6

7

8

xxх




---




-xx




Упрощенные структурные формулы и принципиальные электрические схемы для исполнительных элементов

Исходя из таблицы 3.2.1, структурная формула для элемента х1 будет иметь вид:



Составляем упрощенную электрическую схему для исполнительного элемента х1 и х2:

Рисунок 3.3.1 - Структурная схема элементов х1

Исходя из таблицы 3.2.2, структурная формула для элемента х2 будет иметь вид:


Составляем упрощенную электрическую схему для исполнительного элемента х3

Рисунок 3.3.2 - Структурная схема элементов х2

Исходя из таблицы 3.2.3, структурная формула для элемента х3 будет иметь вид:


Составляем упрощенную электрическую схему для исполнительного элемента х3

Рисунок 3.3.3 - Структурная схема элементов х3

Исходя из таблицы 3.2.4, структурная формула для элемента х4 будет иметь вид:


Составляем упрощенную электрическую схему для исполнительного элемента х4

Рисунок 3.3.4 - Структурная схема элементов х4

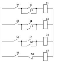
Из отдельных упрощенных принципиальных электрических схем составляем одну общую схему для всей установки

Рисунок 3.3.5 - Общая упрощенная электрическая схема управления технологическим процессом

Из поученной упрощенной принципиальной схемы производим замену обозначений элементов, затем составляем принципиальную электрическую схему с учетом автоматического и ручного режима и сигнализации работы.

4. Расчет и выбор элементов и средств автоматизации. Составление спецификации

Правильность выбора средств автоматизации способствует надежной работе установок.

Выбираю магнитный пускатель для электродвигателя, который служит для загрузки транспортера АИР80B4У3 мощностью 1,5 кВт, номинальный ток 3,52 А по условию:

Iн.п. ≥Iн.д; (4.1)

А>3,52А;

Выбираем магнитный пускатель ПМЛ-121002.

Выбираю автоматический выключатель для группы электродвигателей:

Iн.авт=∑Iн.дв.; (4.2)

Iн.авт=3,52+3,52+6,7=13,74А;

Iн.р=∑ Iн.р. (4.3)

Iн.р=3,52+3,52+6,7=13,74А;

Uн.а.≥Uн.с.; (4.4)


380В=380В;

Iэм.р.=(Iпус.+∑Iн.дв.); (4.5)

Iэм.р.=46,9+3,52+3,52=53,94;

Выбираю автоматический выключатель АЕ2026; Iн.а.=16А, Iн.р.=15А, проверяем на ложность срабатывания.

Iср.кан.=Ki∙Iнтр; (4.6)

Iср.р.=12∙15=180А;

Iср.кр.≥Iэм.р.; (4.7)

80А>53,94А.

Ложных срабатываний не будет.

Для электродвигателя челночной ленты и транспортера ПЗА выбираем аналогичным образом. Результаты сносим в таблицу.

Выбираю переключатель по числу коммутирующих цепочек, конечный выключатель по климатическому условию и по номинальному току.

Таблица 4.1 - Выбор ПЗА

Автоматический выключатель

Iн.р, А

11

15


Iн.п, А

10

16


Тип

9

АЕ 2026

Пусковой аппарат

8

ПМЛ- 121002

ПМЛ- 121002

Данные электродвигателя

Iпуск А

7

8,25

8,25

21


Кi

6

5,5

5,5

7


Iн А

5

3,52

3,52

6.7


Рн кВт

4

1,5

1,5

3,0


Кол-во

3

1

1

1


Тип

2

АИР 80B4У3

АИР 80B4У3

АИР 100S4

Электродвигатель

1

Загрузочный транспортер

Выгрузной шнек транспортер дозатора

Разгрузочная платформа

5. Расчет и выбор щитов управления

Средства контроля, сигнализации и управления размещают в пультах или щитах, что позволяет не только сконцентрировать средства автоматики, но и сохранить их от вредного механического, температурного и других воздействий.

Расчётная площадь шкафа рассчитывается по формуле:

S=∑(Нi+2а)*(Вi+2а), мм2; (5.1)

где Нi - высота аппарата, мм;

Вi - ширина аппарата, мм;

а - расстояние необходимое для прокладки жгутов и кабелей, мм.

Отсюда:

=63975 мм²

Выбираем шкаф ЩПК 300х300 мм


Таблица 5.1. Перечень используемых аппаратов защиты и коммутации

Обозначение

Наименование

Кол-во

Примечание


Шкаф ЩПК

1

300*300 мм

QF

Автоматический выключатель АЕ2026

1

45*75 мм

KM1

Пускатель магнитный

1

45*70 мм

KM2

Пускатель магнитный

1

45*70 мм

KM3

Пускатель магнитный

1

45*70 мм

KM4

Пускатель магнитный

1

45*70 мм

XT1

Клемная колодка

1

200*30 мм


6. Разработка мероприятий по электробезопасности при эксплуатации электрической части объекта

Вопросы обеспечения электробезопастности при использовании электроэнергии на животноводческих фермах и комплексов требуют особого внимания, поскольку помимо защиты от электрического поражения людей необходимо решать вопросы защиты сельскохозяйственных животных. Причём к защитным мероприятиям от электрического поражения животных предъявляются более жёсткие требования, т.к. это связано с их большой чувствительностью к электрическому току.

Для обеспечения безопасности сельскохозяйственных животных на всех вновь строящихся и реконструируемых фермах и комплексах, в помещениях, где располагают животные, выполняются устройство выравнивания электрических потенциалов (УВЭП).

Устройство выравнивания электрических потенциалов осуществляет защиту сельскохозяйственных животных: при замыкания фазного провода на корпус электроустановок в сети напряжения до 1000 В и выносе потенциала через защитный нулевой провод к автопоилкам, к кормораздаточным транспортёрам и другим металлическим конструкциям, доступных прикосновению животных. Рекомендуется устройство выравнивания электрических потенциалов закладывать в землю на ширину 0,8-0,9 м или 0,44R под твёрдое покрытие, в центре которого устанавливается автопоилка. Здесь R - радиус кольцевого заземлителя равным 1,5-2 м. От заземлителя прокладывается заземляющий проводник, который сваркой или при помощи резьбовой соединения присоединяют к корпусу автопоилке и к защитному нулевому проводу источникам электроэнергии. Устройство выравнивания электрических потенциалов выполняют одним или двумя стальными круглыми проводниками диаметром 6-8 мм и прокладывают в бетоне под передними и задними ногами животных вдоль фронта их расположения в стойлах.

Для обеспечения защиты сельскохозяйственных животных от электрического поражения при замыкания фазного провода на корпус электродвигателей, насосов, системы автопоения устанавливают изолирующие вставки. Для установки такой вставки в самой системе труб автопоения вырезают кусок трубы длиной не менее 1 м и на освободившейся место ставят резиновый шланг (без металавключений) или полиэтиленовую трубу. Сущность защиты заключается в том, что столб воды в изолирующей вставке, обладает электрическим сопротивлением, ограничивает ток, идущим по трубам к автопоилкам до величины, безопасной для животных.

Заключение

Данный курсовой проект выполнен на тему: «Автоматизация раздачи кормов кормораздатчиком Р-3000М». В результате выполнения проекта были составлены функциональная и технологические схемы, а также разработана принципиальная электрическая схема управления кормораздатчиком, с учётом ручного и автоматического режимов работы и сигнализации работы электроприводов.

Разработанная принципиальная электрическая схема управления кормораздатчика позволяет осуществлять процесс раздачи кормов с минимальными затратами человеческого труда и продукта.

Предусмотрена защита электродвигателей от аварийных режимов работы. Выбрана пускозащитная аппаратура, средства автоматизации, выбран щит управления с расположенными в нём элементами схемы

Список используемых источников

1. Долгий В.И. Автоматизация технологических процессов. Методические рекомендации для учащихся средних специальных учебных заведений по выполнению курсового проекта, по специальности С0302 «Электрификация и автоматизация сельского хозяйства» - Мн.: Учебно-методический центр. 1997 г.

. Каганов И.Л. Курсовое и дипломное проектирование. - М.: Агропромиздат, 1990.

. Кудрявцев И.Ф., Калинин Л.А. Электрооборудование и автоматизация сельскохозяйственных агрегатов и установок. - М.: Агропромиздат, 1988.

. Правила устройства электроустановок /Минэнерго СССР. 6-е издание, переработанное и дополненное. - М.: Энергоатомиздат, 1986.

Похожие работы на - Автоматизация раздачи кормов кормораздатчиком Р-3000М

 

Не нашли материал для своей работы?
Поможем написать уникальную работу
Без плагиата!
Без нейросетей!