Технология производства мороженого на предприятии "Петрохолод"

  • Вид работы:
    Отчет по практике
  • Предмет:
    Неопределено
  • Язык:
    Русский
    ,
    Формат файла:
    MS Word
    263,68 kb
  • Опубликовано:
    2008-09-26
Вы можете узнать стоимость помощи в написании студенческой работы.
Помощь в написании работы, которую точно примут!

Технология производства мороженого на предприятии "Петрохолод"

Санкт-Петербургский Государственный Университет

Низкотемпературных и Пищевых Технологий

Кафедра Техники пищевых производств и торговли



ОТЧЕТ

По учебной практике с предприятия

ОАО «Петрохолод»















Санкт-Петербург

2007 год

Содержание:

1.История мороженого……………………………………………..3

2.История ОАО «Петрохолод»…………………………………….5

3.Цеха приготовления смеси мороженого………………………...8

4. Линия приготовления смеси мороженого до 5 000 кг/час……11

5. Пастеризационно-охладительная установка ………….………13

6. Политика развития компании…………………………….…….15

7.Приложение………………………………………………………16

1. История мороженого

Существует множество легенд об истории происхождения мороженого. Самые ранние упоминания о мороженом относятся ко временам императора Нерона, который приказал, чтобы ему приносили горный лед и смешивали с фруктовыми добавками, и китайскому императору Тангу, у которого был свой метод приготовления смесей из льда и молока. Мороженое скорее всего было привезено из Китая в Европу.

По легенде, Марко Поло привез из своего путешествия по Востоку рецепт лакомства, для охлаждения которого использовали не только снег, но и селитру. И с тех пор блюдо, похожее на шербет, непременно присутствовало в меню аристократов. Именно тогда мороженое оказалось в центре интриг: повара хранили рецептуру в строжайшем секрете, а для непосвященных его производство было сродни чуду.

Со временем были разработаны рецепты приготовления льдов, шербетов и молока, которые вошли в моду при итальянских и французских королевских дворах. Даже такой гурман, как Людовик XIV, не отказывался от него. В 1649 году французский кулинар Жерар Тирсен придумал оригинальный рецепт замороженного ванильного крема – из молока и сливок. Новинку назвали «неаполитанским мороженым». После этого рецептура ледяного десерта обновлялась постоянно.

А на Руси наструганное замороженное молоко ели в жару еще в древности. В сибирских деревнях и по сей день хозяйки хранят молоко, заморозив его в блюдечках и сложив лед стопкой.

После того, как замороженный десерт попал в Америку, его облюбовали знаменитые американцы. Джордж Вашингтон и Томас Джефферсон подавали его своим гостям. В 1774 году лондонский поставщик продуктов питания Филипп Лензи впервые рекламировал в Нью-Йоркской газете продажу разлиных сладостей, включая мороженое. Долли Мадисон, жена президента США Джеймса Мадисона, подала мороженое на инаугурационном баллу своего мужа в 1813.

Методы и технологии

Тот, кто изобрел метод использования льда, смешанного с солью, чтобы снизить и контролировать температуру ингредиентов для приготовления мороженого, сделал важнейший шаг в развитии технологии производства мороженого. Также важно изобретение деревянного ведерка с крутящимися лопостями для промышленного производства мороженого.

Августус Джексон, кондитер из Филадельфии, создал новые рецепты для приготовления мороженого в 1832 году.

Ненси Джонсон - ручная мороженица

В 1843 году англичанка Нэнси Джонсон изобрела ручное устройство для изготовления мороженого и запатентовала его. Но денег на организацию производства нового оборудования ей не хватило. Патент пришлось продать американцам. И тогда в 1851 году в Балтиморе открылся первый завод и была выпущена первая промышленная партия мороженого. И вот уже более 150 лет процесс совершенствования рецептуры и технологий не прекращается ни на один день.

Джакоб Фассел - коммерческое производство

В 1851 году Джакоб Фассел в Балтиморе основал первый коммерческий завод по производству мороженого. Альфред Кралль запатентовал формочку для мороженого и ложку 1 февраля 1897 года.

Механическая заморозка

Угощение стало более легко распространяться и приносить больший доход с вводом механической заморозки и с появлением магазинов для мороженого. В 1926 году Кларенс Вогт изобрел первую успешную коммерческую мороженицу.

Трубочки

Первая трубочка с мороженым была сделана в Америке в 1904 году на Ярмарке св Луиса.

Мягкое мороженое

Британские ученые (в группе которых была молодая Маргарет Тетчер) придумали способ, при котором в мороженое добавляется вдвое больше воздуха, и получается "мягкое" мороженое.

2. История ОАО «Петрохолод»

ОАО "Петрохолод" - один из крупнейших производителей мороженого Северо-Западного региона России.

Сегодня это крупнейшее, современнейшее производство, оснащенное по последнему слову науки и техники.

А начиналось все в 1939 году со строительства у железнодорожной станции Кушелевка холодильника №6 системы Росмясомолторга.

В 60-е годы на территории 6-го холодильника были построены еще два корпуса, и он по приказу министра был переименован в Ленинградский хладокомбинат №6.

Основным его назначением с момента ввода в эксплуатацию было хранение мясо-молочной, а позже рыбной и ягодной продукции. Производство на хладокомбинатах отсутствовало, предприятия изначально являлись необходимыми, но и убыточными.

В поисках выхода из этой ситуации на хладокомбинатах стали создаваться различные производственные участки : фасовочные , по выпуску мороженого.

На хладокомбинате № 6 цех мороженого был открыт осенью 1946 года, в том году налажено производство вафельной продукции.

25 апреля 1989 года на общем собрании трудового коллектива директором Хладокомбината №6 был избран Какабадзе Бадри Давидович. Сегодня он успешно работает на посту генерального директора ОАО "Петрохолод".

В 1993 году, объединяясь в акционерное общество, коллектив думал о создании высокотехнологичного производства, обеспечивающего выпуск высококачественной продукции, способной выстоять перед зарубежными аналогами, заполнившими российский рынок.

Осуществление программы реконструкции предприятия началось с обновления материально-технической базы. Произведена замена устаревшего оборудования в компрессорном цехе, котельной. Построены и введены в эксплуатацию административно-бытовой корпус, новые складские помещения, магазин розничной торговли, мелкооптовый склад.

Произведен капитальный ремонт помещений главного административного здания с переоборудованием их в современные офисы.

Условия рыночной экономики диктуют динамичное развитие собственного производства, внедрение новых, передовых технологий. В связи с чем, на предприятии осуществляется переоснащение производственных мощностей цеха мороженого, цеха по выпечке вафельной продукции.

Высокопроизводительные линии и передовая технология позволяют выпускать продукцию высочайшего качества. Сегодня изготавливается более 80-ти видов мороженого с различными натуральными наполнителями и добавками: клюква, черная смородина, абрикос, орехи, кофе и др.

Огромный вклад в развитие предприятия сделал генеральный директор ОАО «Петрохолод» Какабадзе Б.Д.

КАКАБАДЗЕ Бадри Давидович

Родился 5 февраля 1959 года в городе Цхалтуба (Грузия). Отец -директор небольшого хлебозавода, мать - домохозяйка. Женат, двое детей. Жена - отоларинголог, дочь - студентка МГИМО, сын - школьник.

В 1978 году поступил в Ленинградский технологический институт холодильной промышленности и в 1983 году успешно закончил его, получив квалификацию инженера-технолога. В августе 1983 года Бадри Какабадзе в качестве молодого специалиста был распределен на Ленхладокомбинат N 6, где начал свою карьеру с должности инженера-технолога. За время работы проявил себя грамотным специалистом, трудолюбивым, инициативным работником и с 1 октября 1984 года был переведен на должность старшего диспетчера, а через год назначен заместителем начальника технологического цеха.

Работая заместителем начальника технологического цеха, Бадри Давидович продемонстрировал такие качества характера, как высокая работоспособность, требовательность к себе и подчиненным, ответственность и 16 декабря 1986 года был переведен на должность начальника этого подразделения. Возглавляя ведущий цех производства, Бадри Давидович приобрел опыт руководящей работы в оптовой торговле и проявил свои организаторские способности.

25 апреля 1989 года на общем собрании коллектива Ленхладокомбината N 6 Бадри Какабадзе был избран директором. Сегодня он успешно работает на посту Генерального директора, возглавляя теперь уже Открытое акционерное общество "Петрохолод" (бывший Ленхладокомбинат N 6).

ОАО "Петрохолод" на базе Ленхладокомбината N 6 было создано в 1993 году. Объединяясь в акционерное общество, коллектив думал о создании высокотехнологичного производства, целого ряда взаимосвязанных технологий, обеспечивающих выпуск продукции самого высокого качества. Именно поэтому коллектив инициативных, энергичных единомышленников, возглавляемый Бадри Давидовичем Какабадзе, с энтузиазмом взялся за внедрение программы обновления всех сфер деятельности комбината.

Осуществление программы реконструкции предприятия началось с обновления материально-технической базы предприятия. Под руководством г-на Какабадзе на "Петрохолоде" осуществлено колоссальное переоснащение производственных мощностей, введены в эксплуатацию: административно-бытовой корпус площадью 2 600кв.м, новые складские помещения площадью 411кв. м, магазин, центр мелкооптовой торговли. Произведен капитальный ремонт помещений административного корпуса с переоборудованием его в современные офисы.

С момента вступления Бадри Какабадзе в должность Генерального директора на предприятии успешно завершена программа перестройки организационной структуры, разработки и внедрения новой маркетинговой стратегии, а также приобретено высокотехнологичное оборудование по производству и фасовке мороженого фирмы "ТЕТРА ПАК ХОЙЕР". В настоящее время на предприятии осуществляется переоснащение производственных мощностей цеха мороженого, компрессорного цеха, участка по выпечке вафельных стаканчиков, котельной. Такое мощное обновление материально-технической базы предприятия стало возможно благодаря слаженной работы трудового коллектива под руководством энергичного, работоспособного, дальновидного генерального директора.

Сегодня основными направлениями деятельности ОАО "Петрохолод" являются: оптовая торговля продовольственными товарами, производство и реализация мороженого, вафельными стаканчиков, услуги по хранению продовольственных товаров, грузов, требующих таможенной очистки. Объем производства составляет более 7 000 тонн мороженого свыше сорока наименований в год. В 1997 году начато создание фирменной розничной сети, на настоящий момент с ОАО "Петрохолод" сотрудничают более 200 торговых компаний.

ОАО "Петрохолод" - крупнейший производитель мороженого на северо-западе России, член Лиги предпринимателей торговли Санкт-Петербурга и Ленинградской области. В 1997 году предприятию были присуждены три международные награды Клуба лидеров торговли: XVIII награда за технологию и качество (Франкфурт, 26 мая 1997г.); XX золотая награда за продукты питания (Дюссельдорф, 14 октября 1997г.); награда за коммерческий успех в 1997г. (Мадрид, 1 декабря 1997г.).

Лучшие достижения ОАО "Петрохолод" стали возможны благодаря тому, что в нынешних условиях рыночной экономики предприятие остается работоспособным и сохраняет тенденцию к активному развитию - успехи дают право и возможность твердо стоять на ногах сегодня. Но администрация ОАО "Петрохолод" смотрит вперед и думает о будущем, когда нужно будет работать больше и интенсивнее. " Мы всегда открыты для деловых контактов и готовы к взаимовыгодному сотрудничеству," - говорит Генеральный директор ОАО "Петрохолод".

3. Цех приготовления смеси мороженого до 1250 кг/час (рис.1)

Порционная технология

Назначение

Цех предназначен для подготовки компонентов смеси мороженого, создания высокодисперсной эмульсии, ее пастеризации, гомогенизации, охлаждения и созревания и подачи на фризерование. Максимальная эффективная производительность - 1250 кг/час.

Базовая технологическая схема и ее описание

1. Жидкая фаза смеси мороженого подается в смесительные емкости (1) через секцию регенерации теплообменного аппарата (6). Во всех случаях, кроме первого нагревания первой смены, происходит регенерация тепла за счет теплообмена между поступающей

жидкой фазой и гомогенизированной смесью с температурой 85°С идущей обратным потоком на охлаждение. Жидкая фаза нагревается до температуры в 40...45°С.

2. Жировые компоненты, предварительно расплавленные в маслоплавителе, подаются в емкости (1) через диспергатор (2).

3. Сухие компоненты загружаются в бункер диспергатора (2) и подаются в емкости совместно с потоком жидкой фазы и жиров, чем и создается эмульсия.

4. Пастеризация смеси мороженого производится в емкостях (1) путем подачи пара в рубашку емкости через барботер. Установленные на емкостях пропеллерные мешалки обеспечивают эффективный теплообмен.

5. По завершению процесса пастеризации смесь мороженого, насосом (3), через фильтр подается на гомогенизатор (5) и далее в секцию регенерации пластинчатого теплообменника (6), охлаждаясь жидкой фазой следующей порции.

6. Частично охлажденная смесь поступает в секцию охлаждения (2 х секционного) пластинчатого теплообменника. Хладоносителем является ледяная вода (0...2°С), рассол (-5...-17°С) или другой аналогичный.

7. Охлажденная до 5..7°С смесь, подается в емкости для созревания, количество которых определяется ассортиментом, типом фасовки, производительностью фризера и другими факторами.

Преимущества

- низкая стоимость комплекта технологического оборудования;

- не критичные требования к квалификации персонала;

- частичная регенерация тепла в пластинчатом теплообменном аппарате;

- высокая надежность из за низкого уровня автоматизации и простоты конструкций.

Недостатки

- практическая нецелесообразность использования порционной технологии при повышенных требованиях к качеству готового продукта;

- неэффективность производства при производительности линии более 1250 кг/час;

- чрезмерное потребление энергоносителей.


Рис.1

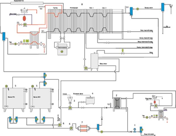
4. Линия приготовления смеси мороженого до 5 000 кг/час (рис.2)

Непрерывная технология

Назначение

Цех предназначен для:

- подготовки компонентов смеси мороженого, их непрерывной и автоматической подачи в смесительные емкости;

- создания высокодисперсной эмульсии смеси многокомпонентных составов;

- пастеризации в тонкослойном закрытом потоке с выдержкой и автоматическим контролем процесса пастеризации;

- последующей гомогенизации, охлаждения и созревания и подачи на фризерование.

Производительность – 1250, 2500, 5000 кг/час по смеси.

Базовая технологическая схема (рис.2)

Преимущества

1. Обеспечивается гарантированная производительность линии с соблюдением тепловых режимов обработки смеси в рамках рабочего графика (7 часов – рабочий режим, 1 час – мойка).

2. Используется экономичная и полностью замкнутая система подготовки теплоносителя с возвратом конденсата.

3. Управление кухней осуществляется с одного пульта (используется программируемый промышленный контроллер); все тепловые и временные режимы, текущее состояние единиц оборудования, вплоть до каждого конкретного клапана архивируются. Данные могут быть подняты по прошествии 1 года.

4. Поставка осуществляется монтажными узлами, что обеспечивает экономию денежных средств на монтаж и пусконаладочные работы.

5. Использование имеющихся у заказчика сервисных сред; низкое потребление теплоносителя, хладоносителя, малая производственная площадь.

6. Непрерывная технология производства с соблюдением повышенных санитарных норм.


Рис.2

1. Электромагнитный счетчик жидкой фазы.

2. Пластинчатый нагреватель жидкой фазы и смеси мороженого.

3. Диспергационный узел для вработки сухих и жировых компонентов в потоке.

4. Резервуары для смеси мороженого.

5. Фильтр смеси мороженого.

6. Насос продуктовый центробежный.

7. Плавитель жировой фазы.

8. Пластинчатая 4х секционная пастеризационно-охладительная установка.

9. Гомогенизатор.

10. Емкости для созревания.

11. Монтажные узлы трубопроводов; пульт управления; КИП и А.

5. Пастеризационно-охладительная установка

Назначение

Пастеризационно-охладительные установки применяются для пастеризации, гомогенизации и охлаждения смеси мороженого до температуры созревания в закрытом тонкостенном потоке с автоматическим контролем и регулированием процесса.

Описание

Используются четырехсекционные и пятисекционные пастеризационно-охладительные установки с подключением гомогенизатора со следующими базовыми техническими характеристиками:

Температура смеси на входе: 40..45°С

Температура пастеризации: 85±2°С

Время выдержки при температуре пастеризации: 50..60сек.

Температура выхода продукта: 4...12°С

Хладоноситель: комбинированный, вода артезианская/проточная+оборотный хладоноситель (рассол или этиленгликоль, или ледяная вода).

Теплоноситель: первичный - пар, вторичный - пароводяная смесь.

спользование пастеризационно-охладительных установок принципиально при производительности цеха более 500 кг/час по готовой смеси потому, что:

1. Уровень регенерации тепла 76-80% позволяет существенно снизить расход теплоносителя.

2. Обеспечивается выполнение существующих санитарных норм ввиду отсутствия контакта продукта с микрофлорой внешней среды.

3. При производительности более 1250 кг/час малая площадь цеха обеспечивается путем переноса функциональной нагрузки с емкостных аппаратов на компактные пластинчатые установки.

4. Высокий уровень автоматизации и контроля за процессами пастеризации и охлаждения позволяет исключить влияние "человеческого фактора".

Компания НПК "Прогрессивные Технологии" является изготовителем пластинчатых пастеризационно-охладительных установок для мороженого. Базовые производительности установок составляют 500, 1250, 2500, 5000 кг/час по готовой смеси. Изготовление установок производится по техническим условиям заказчика с обязательным использованием имеющихся сервисных сред и оборудования. Наши новые разработки, не представленные по коммерческим причинам на сайте, обеспечивают принципиально низкое потребление пара и хладоносителя с соблюдением всех технологических параметров. Они соответствуют современному представлению о прогрессивном оборудовании, эргономичны, изготавливаются на современной элементной базе с использованием последних достижений систем автоматического проектирования, механической обработки и лазерной резки.

Основные преимущества

1. Соблюдение тепловых режимов пастеризации и охлаждения смеси при заданной производительности.

2. Обеспечение бесперебойной работы установки в рамках цикла подготовки смеси к созреванию.

3. Использование новой облегченной станины "Протемол" для обеспечения рабочего давления в аппарате.

4. Установка экономичной системы подготовки теплоносителя на базе медно-паяных теплообменных аппаратов и группы безопасности.

5. Расчет компоновочной схемы с учетом имеющихся у заказчика хладоносителей и их комбинаций (проточная вода, артезианская вода, ледяная вода, рассол, этиленгликоль и пр.).

6. Установка современной системы управления на базе программируемых промышленных контроллеров для исключения влияния "человеческого фактора" и обеспечения работы установки в автоматических режимах: "Мойка", "Выдавливание воды продуктом", "Выход на режим пастеризации", "Рабочий режим", "Дезинфекция", "Сервис".

7. Модульное исполнение установки экономит денежные средства клиента за счет сокращения времени монтажа.


Рис.3

6. Политика развития компании

ОАО "Петрохолод" вложит 200 млн рублей в модернизацию принадлежащих ему молочных хозяйств, опасаясь прогнозируемого дефицита сырья.

На территории бывшего совхоза "Ушаки" в Тосненском районе, управляемого специально созданным ООО "Петрохолод Аграрные технологии", компания планирует построить две новые фермы на 500 голов скота каждая и доильный зал. Около 60-70% от общего объема инвестиций ОАО "Петрохолод" (26309)* планирует взять в кредит в рамках национального проекта "Развитие сельского хозяйства". Территория второго хозяйства "Петрохолода", "Марьино", будет отдана под выращивание кормов.

"Сейчас наши коровы содержатся в нескольких фермах на территории совхозов "Ушаки" и "Марьино". После строительства двух новых комплексов на территории "Ушаков" все поголовье будет переведено в них. В старом комплексе в "Ушаках" будет содержаться молодняк, а на освободившейся территории мы станем выращивать корма. Окупаемость проекта долгая (до 15 лет), но мы предпочитаем иметь собственную стабильную сырьевую базу и надеемся, что в будущем она себя оправдает" – рассказывает Какабадзе Б.Д., генеральный директор ОАО "Петрохолод".

Цифры

Рынок мороженого

Петербурга по итогам 2005г.

ЗАО "Хладокомбинат 1" - 20%

ОАО "Петрохолод" - 28%

ЗАО "Талосто" - 23%

Другие - 29%

Общий объем производства - около 40 тыс. т

Источник: ЗАО "Талосто"

Основные направления деятельности ОАО "Петрохолод":

· оптовая и мелкооптовая торговля продовольственными товарами;

· производство и реализация мороженого;

· производство и реализация вафельной продукции (стаканчики,рожки);

· услуги по хранению продовольственных товаров;

· услуги по хранению грузов требующих таможенной очистки

Приложение

 Наименование

 производитель

вес 

Цена за шт. 

 Цена за коробку

ВАФЕЛЬНЫЕ СТАКАНЫ.

В.ст. пломбир упак. б/нап.    (40)

ОАО "ПЕТРОХОЛОД" г.Санкт-Петербург

70

4,55р.

182,00р.

В.ст. сливоч. упак. б/нап.    (40)

ОАО "ПЕТРОХОЛОД" г.Санкт-Петербург

70

4,15р.

166,00р.

В.ст. сливоч. упак. изюм      (40)

ОАО "ПЕТРОХОЛОД" г.Санкт-Петербург

70

0,00р.

0,00р.

В.ст. сливоч. упак. изюм      (40)

ОАО "ПЕТРОХОЛОД" г.Санкт-Петербург

70

4,55р.

182,00р.

В.ст. сливоч. упак. кр-брюле  (40)

ОАО "ПЕТРОХОЛОД" г.Санкт-Петербург

70

4,35р.

174,00р.

Рожок "ЛЮКС" пломбир          (20)

ОАО "ПЕТРОХОЛОД" г.Санкт-Петербург

60

6,60р.

132,00р.

ЭСКИМО.

Эскимо "БЕЛЫЕ НОЧИ"шокол.в гл.(36)

ОАО "ПЕТРОХОЛОД" г.Санкт-Петербург

70

4,90р.

176,40р.

Эскимо "КОКЕТКА"йогурт.вишня  (30)

ОАО "ПЕТРОХОЛОД" г.Санкт-Петербург

80

6,70р.

201,00р.

Эскимо "КОКЕТКА"капучино в гл.(30)

ОАО "ПЕТРОХОЛОД" г.Санкт-Петербург

80

6,70р.

201,00р.

Эскимо"ВОВОЧКА" кола в лим.гл.(22)

ОАО "ПЕТРОХОЛОД" г.Санкт-Петербург

50

4,60р.

101,20р.

Эскимо"ВОВОЧКА" кола в лим.гл.(33)

ОАО "ПЕТРОХОЛОД" г.Санкт-Петербург

50

4,60р.

151,80р.

Эскимо"ВОВОЧКА" кр-бр.в кар.гл(22)

ОАО "ПЕТРОХОЛОД" г.Санкт-Петербург

50

4,60р.

101,20р.

Эскимо"ВОВОЧКА" с клуб.джемом (22)

ОАО "ПЕТРОХОЛОД" г.Санкт-Петербург

50

4,60р.

101,20р.

Эскимо"ВОВОЧКА" с орех.в глаз.(22)

ОАО "ПЕТРОХОЛОД" г.Санкт-Петербург

50

4,60р.

101,20р.

БРИКЕТЫ И КОНТЕЙНЕРА.

"СЕВ. ПАЛЬМИРА"с шок.кр пл.(1кг.4)

ОАО "ПЕТРОХОЛОД" г.Санкт-Петербург

1кг.

74,90р.

299,60р.

"СЕВ. ПАЛЬМИРА"шокол.с крош(1кг.4)

ОАО "ПЕТРОХОЛОД" г.Санкт-Петербург

1кг.

74,90р.

299,60р.

"СЕВЕРНАЯ ПАЛЬМИРА"крем-бр.(450х8)

ОАО "ПЕТРОХОЛОД" г.Санкт-Петербург

450

39,60р.

316,80р.

"СЕВЕРНАЯ ПАЛЬМИРА"с шок.кр(450х8)

ОАО "ПЕТРОХОЛОД" г.Санкт-Петербург

450

0,00р.

0,00р.

"СЕВЕРНАЯ ПАЛЬМИРА"с шок.кр(450х8)

ОАО "ПЕТРОХОЛОД" г.Санкт-Петербург

450

39,60р.

316,80р.

"СЕВЕРНАЯ ПАЛЬМИРА"фисташк.(450х8)

ОАО "ПЕТРОХОЛОД" г.Санкт-Петербург

450

0,00р.

0,00р.

"СЕВЕРНАЯ ПАЛЬМИРА"фисташк.(450х8)

ОАО "ПЕТРОХОЛОД" г.Санкт-Петербург

450

39,60р.

316,80р.

"СЕВЕРНАЯ ПАЛЬМИРА"шок.с кр(450х8)

ОАО "ПЕТРОХОЛОД" г.Санкт-Петербург

450

39,60р.

316,80р.

"ТОРТИНКА"крем-брюле с кокосом(30)

ОАО "ПЕТРОХОЛОД" г.Санкт-Петербург

95

8,60р.

258,00р.

"ТОРТИНКА"шоколадный с воз.рис(30)

ОАО "ПЕТРОХОЛОД" г.Санкт-Петербург

95

8,60р.

258,00р.

Брикет 12%-ой жирн.шоколад(350х10)

ОАО "ПЕТРОХОЛОД" г.Санкт-Петербург

350

16,00р.

160,00р.

Брикет 12%-ой жирности    (350х10)

ОАО "ПЕТРОХОЛОД" г.Санкт-Петербург

350

16,00р.

160,00р.

Конт.пл.класс.кр-бр с орех.(1кг.4)

ОАО "ПЕТРОХОЛОД" г.Санкт-Петербург

1кг.

80,15р.

320,60р.

Контейнер пл.абрикос      (2500х2)

ОАО "ПЕТРОХОЛОД" г.Санкт-Петербург

2,5кг.

183,15р.

366,30р.

Контейнер пл.ананас кусоч.(2500х2)

ОАО "ПЕТРОХОЛОД" г.Санкт-Петербург

2,5кг.

204,25р.

408,50р.

Контейнер пл.ананас/шампан(2500х2)

ОАО "ПЕТРОХОЛОД" г.Санкт-Петербург

2,5кг.

197,20р.

394,40р.

Контейнер пл.банан/карамел(2500х2)

ОАО "ПЕТРОХОЛОД" г.Санкт-Петербург

2,5кг.

236,65р.

473,30р.

Контейнер пл.бананов.джем (2500х2)

ОАО "ПЕТРОХОЛОД" г.Санкт-Петербург

2,5кг.

211,30р.

422,60р.

Контейнер пл.без наполнит.(2500х2)

ОАО "ПЕТРОХОЛОД" г.Санкт-Петербург

2,5кг.

143,80р.

287,60р.

Контейнер пл.дыня кусочкам(2500х2)

ОАО "ПЕТРОХОЛОД" г.Санкт-Петербург

2,5кг.

204,30р.

408,60р.

Контейнер пл.зелён.яблоко (2500х2)

ОАО "ПЕТРОХОЛОД" г.Санкт-Петербург

2,5кг.

183,15р.

366,30р.

Контейнер пл.изюм         (2500х2)

ОАО "ПЕТРОХОЛОД" г.Санкт-Петербург

2,5кг.

171,90р.

343,80р.

ОАО "ПЕТРОХОЛОД" г.Санкт-Петербург

2,5кг.

183,15р.

366,30р.

Контейнер пл.крем-брюле   (2500х2)

ОАО "ПЕТРОХОЛОД" г.Санкт-Петербург

2,5кг.

160,95р.

321,90р.

Контейнер пл.малина       (2500х2)

ОАО "ПЕТРОХОЛОД" г.Санкт-Петербург

2,5кг.

183,15р.

366,30р.

Контейнер пл.персик       (2500х2)

ОАО "ПЕТРОХОЛОД" г.Санкт-Петербург

2,5кг.

204,30р.

408,60р.

Контейнер пл.ромовая вишня(2500х2)

ОАО "ПЕТРОХОЛОД" г.Санкт-Петербург

2,5кг.

188,25р.

376,50р.

Контейнер пл.ромовый изюм (2500х2)

ОАО "ПЕТРОХОЛОД" г.Санкт-Петербург

2,5кг.

188,30р.

376,60р.

Контейнер пл.с капучино   (2500х2)

ОАО "ПЕТРОХОЛОД" г.Санкт-Петербург

2,5кг.

211,30р.

422,60р.

Контейнер пл.с лик."БЕЙЛИ"(2500х2)

ОАО "ПЕТРОХОЛОД" г.Санкт-Петербург

2,5кг.

236,60р.

473,20р.

Контейнер пл.с шок.крошкой(2500х2)

ОАО "ПЕТРОХОЛОД" г.Санкт-Петербург

2,5кг.

197,20р.

394,40р.

Контейнер пл.спираль кола (2500х2)

ОАО "ПЕТРОХОЛОД" г.Санкт-Петербург

2,5кг.

211,30р.

422,60р.

Контейнер пл.тирамису     (2500х2)

ОАО "ПЕТРОХОЛОД" г.Санкт-Петербург

2,5кг.

256,35р.

512,70р.

Контейнер пл.фисташковый  (2500х2)

ОАО "ПЕТРОХОЛОД" г.Санкт-Петербург

2,5кг.

211,30р.

422,60р.

Контейнер пл.черешня      (2500х2)

ОАО "ПЕТРОХОЛОД" г.Санкт-Петербург

2,5кг.

204,30р.

408,60р.

Контейнер пл.черносл/орех (2500х2)

ОАО "ПЕТРОХОЛОД" г.Санкт-Петербург

2,5кг.

204,30р.

408,60р.

Контейнер пл.шоколад      (2500х2)

ОАО "ПЕТРОХОЛОД" г.Санкт-Петербург

2,5кг.

160,95р.

321,90р.

Контейнер пл.шоколадн.с кр(2500х2)

ОАО "ПЕТРОХОЛОД" г.Санкт-Петербург

2,5кг.

195,00р.

390,00р.

Недетское мор.амар-ром-из.(220х12)

ОАО "ПЕТРОХОЛОД" г.Санкт-Петербург

220

15,00р.

180,00р.

Недетское мор.капуч.коньяк(220х12)

ОАО "ПЕТРОХОЛОД" г.Санкт-Петербург

220

15,00р.

180,00р.

ПЛОМБИР Брикет без наполн.(200х30)

ОАО "ПЕТРОХОЛОД" г.Санкт-Петербург

200

12,90р.

387,00р.

ПЛОМБИР Брикет с изюмом   (200х30)

ОАО "ПЕТРОХОЛОД" г.Санкт-Петербург

200

14,80р.

444,00р.

ПЛОМБИР Брикет шоколадное (200х30)

ОАО "ПЕТРОХОЛОД" г.Санкт-Петербург

200

13,70р.

411,00р.

ТОРТЫ, РУЛЕТЫ.

Рулет "ЭЛИТ" ван.-чёрн.смор(400х8)

ОАО "ПЕТРОХОЛОД" г.Санкт-Петербург

400

36,70р.

293,60р.

Рулет "ЭЛИТ" ван.-шоколад. (400х8)

ОАО "ПЕТРОХОЛОД" г.Санкт-Петербург

400

0,00р.

0,00р.

Рулет "ЭЛИТ" ван.-шоколад. (400х8)

ОАО "ПЕТРОХОЛОД" г.Санкт-Петербург

400

36,70р.

293,60р.

Рулет "ЭЛИТ" ван/вишнёв.дж.(400х8)

ОАО "ПЕТРОХОЛОД" г.Санкт-Петербург

400

36,70р.

293,60р.

Рулет "ЭЛИТ"шок/фисташковый(400х8)

ОАО "ПЕТРОХОЛОД" г.Санкт-Петербург

400

36,70р.

293,60р.

Торт"СНЕЖ.КОРОЛЕВА" квадрат(750х4)

ОАО "ПЕТРОХОЛОД" г.Санкт-Петербург

750

55,35р.

221,40р.

Торт"СНЕЖ.КОРОЛЕВА" овал   (1кг.2)

ОАО "ПЕТРОХОЛОД" г.Санкт-Петербург

1кг.

82,10р.

164,20р.

Торт"СНЕЖ.КОРОЛЕВА" овал   (750х4)

ОАО "ПЕТРОХОЛОД" г.Санкт-Петербург

750

58,85р.

235,40р.

Торт"СНЕЖ.КОРОЛЕВА" полено (500х6)

ОАО "ПЕТРОХОЛОД" г.Санкт-Петербург

500

35,65р.

213,90р.

Торт"СНЕЖ.КОРОЛЕВА" сердце (500х4)

ОАО "ПЕТРОХОЛОД" г.Санкт-Петербург

500

41,20р.

164,80р.

БАТОНЧИКИ.

Батончик "БЕЛЫЕ НОЧИ" ш.в б.гл(40)

ОАО "ПЕТРОХОЛОД" г.Санкт-Петербург

70

6,50р.

260,00р.

Батончик "ВОВОЧКА"с клуб.джем.(30)

ОАО "ПЕТРОХОЛОД" г.Санкт-Петербург

70

0,00р.

0,00р.

Батончик "ВОВОЧКА"с клуб.джем.(30)

ОАО "ПЕТРОХОЛОД" г.Санкт-Петербург

70

5,70р.

171,00р.

Батончик "ДАША" с карамелью   (30)

ОАО "ПЕТРОХОЛОД" г.Санкт-Петербург

70

7,30р.

219,00р.

Батончик "МИТЯ" 2-х слойное   (30)

ОАО "ПЕТРОХОЛОД" г.Санкт-Петербург

70

6,20р.

186,00р.

ПЛАСТИКОВЫЕ СТАКАНЫ.

Ведёрко с виш.джемом/коньяк(500х6)

ОАО "ПЕТРОХОЛОД" г.Санкт-Петербург

500

34,30р.

205,80р.

Ведёрко с грейпфрук.джемом (500х6)

ОАО "ПЕТРОХОЛОД" г.Санкт-Петербург

500

34,30р.

205,80р.

Ведёрко с лимонным джемом  (500х6)

ОАО "ПЕТРОХОЛОД" г.Санкт-Петербург

500

34,30р.

205,80р.

Ведёрко шокол.с банан.джем.(500х6)

ОАО "ПЕТРОХОЛОД" г.Санкт-Петербург

500

34,30р.

205,80р.

Карт.ст.пломбир ром.вишня (500х12)

ОАО "ПЕТРОХОЛОД" г.Санкт-Петербург

500

47,40р.

568,80р.

Пл.ст."Тебе и мне" с клуб (180х12)

ОАО "ПЕТРОХОЛОД" г.Санкт-Петербург

180

0,00р.

0,00р.

Пл.ст."Тебе и мне" с клуб (180х12)

ОАО "ПЕТРОХОЛОД" г.Санкт-Петербург

180

13,10р.

157,20р.

Пл.ст."Тебе и мне"с колой (180х12)

ОАО "ПЕТРОХОЛОД" г.Санкт-Петербург

180

13,10р.

157,20р.

Пл.ст."Тебе и мне"сгущенка(180х12)

ОАО "ПЕТРОХОЛОД" г.Санкт-Петербург

180

13,10р.

157,20р.

Пласт.ст.пл.ромовая вишня  (250х9)

ОАО "ПЕТРОХОЛОД" г.Санкт-Петербург

250

19,10р.

171,90р.

Пласт.ст.пл.ромовый изюм   (250х9)

ОАО "ПЕТРОХОЛОД" г.Санкт-Петербург

250

18,50р.

166,50р.

ФРУКТОВОЕ МОРОЖЕНОЕ.

Контейнер пл.щербет апельс(2500х1)

ОАО "ПЕТРОХОЛОД" г.Санкт-Петербург

2,5кг.

222,60р.

222,60р.


Похожие работы на - Технология производства мороженого на предприятии "Петрохолод"

 

Не нашли материал для своей работы?
Поможем написать уникальную работу
Без плагиата!
Без нейросетей!