Исследование участка электрической сети предприятия, оборудованного автоматическими выключателями

  • Вид работы:
    Практическое задание
  • Предмет:
    Физика
  • Язык:
    Русский
    ,
    Формат файла:
    MS Word
    46,52 Кб
  • Опубликовано:
    2015-06-18
Вы можете узнать стоимость помощи в написании студенческой работы.
Помощь в написании работы, которую точно примут!

Исследование участка электрической сети предприятия, оборудованного автоматическими выключателями














Лабораторная работа

Исследование участка электрической сети предприятия, оборудованного автоматическими выключателями

Введение

Цель работы: опытное определение токов нагрузки и коротких замыкания участка электрической сети предприятия, освоение методики и практики расчетов номинальных токов расцепителей автоматических выключателей.

Выполнение работы

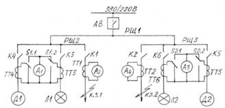
Рис. 1. Принципиальная схема участка электрической сети предприятия, оборудованного автоматическими выключателями типа А-3000

Таблица 1. Паспортные данные электроизмерительных приборов.

№ п/п

Наименование

Тип

Система

Шкала прибора

Цена деления

1

А1

М367

электромагнитная

0-75 А

2 А

2

А2

М367

электромагнитная

0-750 А

20 А

3

А3

М340

электромагнитная

0-50 А

5 А

4

А4

М367

электромагнитная

0-500 А

20 А


Рис. 2 Рабочая схема измерений участка электрической цепи.

Проведем опыт короткого замыкания для каждого элемента цепи и запишем данные в таблицу.

Таблица 2. Результаты измерений

IД1, А

IЛ1, А

IК.З.1, А

IД2, А

IЛ2, А

IК.З.2, А

27

31

590

19

23

460


Произведем вычисления для определения необходимых предохранителей и занесем данные в таблицу.

Таблица 3. Результаты вычислений.

IВС.НОМ. предохранителей(А)

К.З.1

 К.З.2


2'

2''

2

3'

3''

3

1

t2'

t2

t1

t3''

t1

30

40

60

20

25

50

120

0.015

8

30

0.015

5

46


Расчётные формулы и соответствующие расчёты расцепителей АВ.

Выбираю Iном.расц. = 30 А, у которого ток отсечки Iотс = 430 А

Вычисляю пусковой ток

пуск = Kпуск ∙ Iном = 5 ∙ 30 = 150 Аср.пуск. = 9 сек > 3 сек

электрический сеть ток выключатель

Выбираю Iном.расц. = 40 А'' = 2.6 сек

Выбираю Iном.расц. = 20 А, у которого ток отсечки Iотс = 430 А

Вычисляю пусковой ток

пуск = Kпуск ∙ Iном = 5 ∙ 20 = 100 Аср.пуск. = 4.5 сек > 3 сек

Выбираю Iном.расц. = 25 А'' = 0.015 сек

ном.рщ = 27 + 31 = 58 Апер.рщ = 27 + 150 = 177 А

Выбираю расцепитель 60 А= 8 сек

ном.рщ = 19 + 23 = 42 Апер.рщ = 19 + 100 = 119 А

Выбираю расцепитель 50 А= 5 сек

ном.рщ = 60 + 50 = 110 А

Выбираю расцепитель 120 А= 46 сек

Проверка на селективность

Ток отсечки автомата 2'' 600 А, а это больше тока короткого замыкания 1 Iк.з.1 = 590 А, то проверка на селективность не проводится. Селективность обеспечивается.

Автомат 3'' сработает раньше автомата 3, потому что у него отсечка происходит всего за 0.015 сек и поэтому селективность обеспечивается.

Автомат 1 не сможет отключиться при коротком замыкании на автоматах 2 и 3 при условии что Iотс(-)1 > Iотс(+)2 (сравниваем с автоматом 2, так как у него больше номинальный ток):

отс(-)1 = 850 ∙ 0.85 = 723 Аотс(+)2 = 600 ∙ 1.15 = 690 А

Условие выполняется, селективность обеспечивается.

Вывод

В ходе выполнения лабораторной работы мы исследовали участок электрической сети предприятия, оборудованного автоматическими выключателями, а так же опытным путем определили токи нагрузки и коротких замыкания участка электрической сети предприятия, освоили методику и практику расчетов номинальных токов расцепителей автоматических выключателей.

Похожие работы на - Исследование участка электрической сети предприятия, оборудованного автоматическими выключателями

 

Не нашли материал для своей работы?
Поможем написать уникальную работу
Без плагиата!
Без нейросетей!