Исследование устройства для нанесения магнитных меток на стальные канаты
ЛАБОРАТОРНАЯ
РАБОТА № 7
исследование устройства для нанесения магнитных меток на стальные
канаты
Ознакомиться со схемотехникой, конструктивным
исполнением и работой устройства для нанесения магнитных меток.
Цель работы
Устройство для нанесения магнитных меток
Катушка записи.
Магнитомодуляционный датчик
Обрезок стального каната
Рулетка
Электрический паяльник.
ЛАТР
Необходимые оборудование и приборы:
Описание устройства
магнитный поле метка зарядный
Исследуемое устройство предназначено для нанесения
магнитных меток на стальные канаты или другие протяженные изделия (прутки,
проволоку, трубы и т.д.).
Магнитные метки наносятся с целью бесконтактного
контроля перемещения каната в цифровой форме и определения перемещения
механизма, прикрепленного к канату, например, определению положения шахтной
клети в стволе шахты и формированию путевых команд в заданных точках пути.
Магнитные метки образуются за счет остаточной
индукции материала каната, намагничиваемого до насыщения путем создания
напряженности магнитного поля требуемой величины. Магнитные метки наносятся в
автоматическом режиме с постоянным шагом вдоль каната Оптимальным считается шаг
записи, равный удвоенному значению длины записывающей катушки L,
при этом на канате образуется непрерывная магнитная запись максимальной
плотности.
Форма кривой распределения
остаточной индукции по оси каната близка в синусоидальной. За счет
использования нескольких магниточувствительных считывающих датчиков, равномерно
сдвинутых по фазе вдоль каната, можно уменьшить квант D l контроля
длины по сравнению с квантом записи DS в отношении
, где n - число датчиков.
Блок-схема устройства записи
магнитных меток приведена на рис.8.

Магнитомодуляционный датчик
предназначен для определения наличия и направления (фазы) магнитного поля
метки. Конструкция датчика показана на рис.9.
На замкнутом магнитопроводе из
отожженного пермаллоя находятся несколько обмоток. Обмотка возбуждения состоит
из двух идентичных полуобмоток, каждая из которых расположена на одной из
продольных сторон магнитопровода. Полуобмотки возбуждения включены встречно и
запитаны от источника сигналов Uвоз прямоугольной формы постоянной
частоты порядка 1 кГц, которая принимается значительно большей, чем
максимальная возможная скорость изменения контролируемого магнитного поля.
Обмотки выходная и подмагничивания
охватывают обе продольные стороны магнитопровода. При отсутствии внешнего
магнитного поля, а точнее -
продольной (относительно магнитопровода) составляющей магнитного поля, поля
возбуждения, создаваемые обеими полуобмотками, взаимно компен-сируются и в
выходной обмотке напряжение не наводится.
В случае наличия внешнего магнитного
поля продольная составляющая его напряженности суммируется с вектором
напряженности поля возбуждения в одной стороне магнитопровода и вычитается в
другой; появляется замыкающийся по магнитопроводу магнитный поток, наводящий
сигнал Uвых в выходной обмотке датчика. Частота выходного сигнала определяется
частотой возбуждения, а амплитуда и полярность - внешним магнитным полем. Форма выходного
импульса по сравнению с импульсом возбуждения показана на рис.9. Видно, что
выходной импульс состоит из основного прямого импульса, действующего в пределах
длительности импульса возбуждения, и меньшего по амплитуде обратного импульса,
действующего после окончания импульса возбуждения.
Обмотка подмагничивания
предназначена для создания постоянного магнитного поля, компенсирующего
действие постоянных внешних магнитных полей, например, магнитного поля Земли,
которые могут исказить контролируемое поле магнитных меток. Обмотка
подмагничивания запитывается от регулируемого источника тока, величина и
полярность которого выбираются такими, чтобы скомпенсировать внешнее постоянное
магнитное поле.
Таким образом, датчик работает на
принципе модуляции потока возбуждения внешним магнитным полем.
Для создания сигналов возбуждения и
формирования выходных сигналов датчика служит схема генератора-формирователя.
Выходной сигнал формируется фазовым детектором типа симметричного триггера так,
что определенное состояние триггера соответствует определенной направленности
внешнего поля.
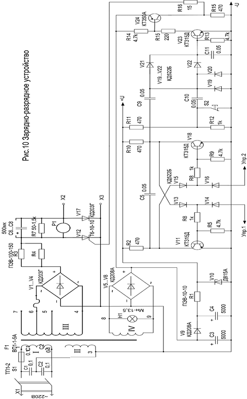
Принципиальная схема
зарядно-разрядного узла устройства показана на рис.10. Сетевое напряжение
поступает на первичную обмотку силового выпрямителя, выполненного на
трансформаторе Т1 и вентильной мостовой группе V1-V4.
Обмотка ІІІ силового
трансформатора - повышающая.
Высокое напряжение через зарядные резисторы R3, R4 заряжают
батарею накопительных конденсаторов большой емкости С6-С8. Напряжение заряда
индицируется вольтметром Р1. Заряд происходит через зарядный диод V17, минуя
выходные клеммы Х2, Х3, к которым подключается катушка записи.
Разряд накопительной емкости
происходит через разрядный тиристор V12 и катушку
записи при подаче отпирающего импульса на управляющий электрод тиристора.
Отпирающий импульс формируется при нажатии кнопки S2 «Первая
метка» или при перебросе управляющего триггера V11, V18.
Положительные фронты сигналов переброса триггера дифференцируются и формируются
ключом на комплементарных транзисторах V23, V24.
Обмотка IV
трансформатора Т1, мостовая вентильная группа V5-V8, фильтр
С3, V9, C4 и
стабилитрон V10 образуют
источник напряжения +U для питания цепей
генератора-формирователя.
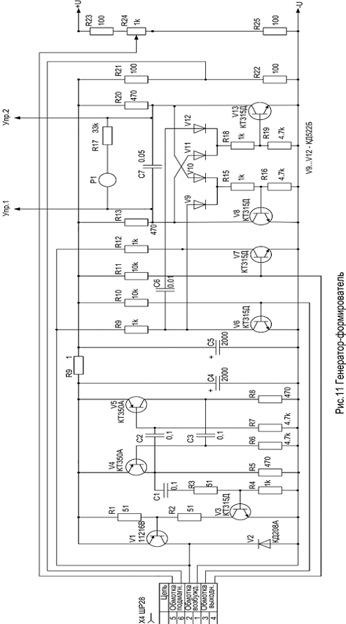
Генератор-формирователь (рис.11)
содержит задающий мультивибратор V4, V5 и
формирователь коротких мощных импульсов возбуждения. Высокая скважность
позволяет обеспечить хорошую чувствительность датчика при низком
энергопотреблении. Фильтр С4, R9, С5 исключает влияние генератора
возбуждения на схему детектора по цепи питания.
Формирователь выходного сигнала
содержит два синхронных детектора V6 и V7, на базы
которых поступает сигнал Uвых, а коллекторные резисторы R10 и R13
запитываются импульсом возбуждения Uвоз, а также конечный фазовый
детектор-формирователь на симметричном триггере V8, V13. Прибор
Р1 индицирует состояние этого триггера. Изменение состояние выходного триггера
соответствует смене направления внешнего магнитного поля. Работа
генератора-формирователя при синусоидальной форме напряженности Н внешнего поля
показана на рис.11.