Исследование принципов взаимодействия усилителя и фотодиода

  • Вид работы:
    Дипломная (ВКР)
  • Предмет:
    Физика
  • Язык:
    Русский
    ,
    Формат файла:
    MS Word
    673,29 Кб
  • Опубликовано:
    2015-05-15
Вы можете узнать стоимость помощи в написании студенческой работы.
Помощь в написании работы, которую точно примут!

Исследование принципов взаимодействия усилителя и фотодиода

РЕФЕРАТ

Пояснительная записка к магистерской атестационной работе: 102 с., 39 рис., 5 табл., 2 приложения, 28 источников.

Объект исследования - физические процессы, которые влияют на роботу фотоприёмников.

Предмет исследования - характеристики фотодиодов.

Цель работы - определение лучшего фотодиода с усилитем для модернизации дальномера и фотодиода с усилителем для модернизации систем регистрации лазерного излучения.

Метод роботы - теоретический анализ.

При решении научной задачи определения лучшего фотодиода с усилителем был применён системный подход, который заключается в решении следующих заданий - исследование возможных вариантов лазерных излучателей, определение параметров световых импульсов, которые используются в дальнометрии, разработка современных компромиссных требований к фотодиодам каждой системы.

Были рассмотрены параметры фотодиодов с усилителем отечественных и зарубежных производителей. Основное внимание уделяется определению направлений развития украинских производителей с целью повышения конкурентоспособности продукции, которая производится в Украине.

Для дальномера и систем регистрации лазерного излучения лучшим компромиссным вариантом сегодня является фотодиод с усилителем в разных корпусах так как это более бюджетный вариант который не чем не уступает фотодиоду с встроенным усилителем цена которго вдесятки раз больше.

ДАЛЬНОМЕТРИЯ, УСИЛИТЕЛЬ, ФОТОПРИЁМНИК, ФОТОДИОД, ЧУВСТВИТЕЛЬНОСТЬ, ШУМ.

ПЕРЕЧЕНЬ УСЛОВНЫХ ОБОЗНАЧЕНИЙ, СИМВОЛОВ, ЕДИНИЦ, СОКРАЩЕНИЙ И ТЕРМИНОВ

АЧХ - амплитудно-частотная характеристика;

ВАХ - вольт - амперная характеристика;

КМОП - комплементарная структура металл-оксид-полупроводник;

ЛФД - лавинный фотодиод;

НАФ - низкочастотный активный фильт;

ОС - обратная связь;

ОУ - операционный усилитель;

ПЗС - прибор с зарядовой связью;

ФД - фотодиод;

ФПУ - фотоприёмник;

Ч-М-С - человек - машина-среда;

ЭДС - электродвижущая сила;- европейская организация по ядерным исследованиям;- оксисульфид гадолиния.

ВВЕДЕНИЕ

Оптические приборы на фотодиодах и фототранзисторах являются одним из перспективных направлений в области измерения параметров быстропротекающих физических и технологических процессов, лежат в основе датчиков уровня освещенности, приближения, дыма и цвета.

Рассмотрим свойства фотодиода и основные способы его включения. Как известно, фотодиод обладает односторонней проводимостью при воздействии на него оптического излучения. В фотодиодном режиме p-n-переход смещается обратным напряжением, величина которого зависит от конкретного фотодиода: от единиц до сотен вольт. Недостаток режима в том, что с ростом обратного тока (при увеличении освещения) увеличивается и уровень шумов, тогда как уровень полезного сигнала в целом остается постоянным.

В вентильном режиме к диоду не прикладывается напряжение от внешних источников, так как он сам становится источником электро движущей силой (ЭДС) с достаточно большим внутренним сопротивлением. В этом режиме уровень шумов остается постоянным при повышении уровня засветки.

Постоянное высокоомное сопротивление предназначено для предотвращения случая теплового пробоя диода (из-за подачи слишком большого напряжения). Будучи включенным параллельно с нагрузкой (Rн < 5 кОм), оно практически не ослабляет полезный сигнал. Конденсатор избавляет сигнал на выходе от постоянной составляющей, которую нет смысла усиливать при получении импульсного сигнала, так как она меняется в зависимости от фоновой засветки.

Усиление сигнала фотодиода - одна из основных областей применения операционных усилителей на полевых транзисторах с p-n-переходом на входах. Существует множество разнообразных схем усилителей, каждую из которых характеризуют:

линейность;

постоянное смещение;

определенный уровень шумов;

полоса пропускания.

Фотодиодные датчики - это мост между измеряемой физической величиной (светом) и электроникой. При наблюдениях за различными физическими процессами свет играет второстепенную роль по сравнению с температурой и давлением, но не тогда, когда необходимы дистанционные измерения без контакта с исследуемым объектом.

Такие датчики используются в компьютерных томографах, астронавигационном оборудовании, электронных микроскопах с системой обработки сигналов. Фотодиоды не слишком дороги и позволяют создавать массивы из сотен фотодатчиков. Основная задача схемы с фоточувствительным элементом - точное преобразование выходного сигнала фотодиода в линейно зависящий от него усиленный выходной сигнал, чему препятствует противоречие между быстродействием и качеством фотодиод напряжение усилитель частотный [1].

В разделе Охрана труда и безопасность в чрезвычайных ситуациях будут рассмотрены следующие вопросы:

будет дана характеристика помещения и условий труда в научно-

исследовательской лаборатории;

рассмотрены все опасные и вредные производственные факторы;

рассмотрены мероприятия по технике безопасности;

будет выборана и расчитана система общего равномерно искусственного освещения в лаборатории;

будет выполнено размещение рабочих мест сотрудников;

будут рассмотрены меры по обеспечению пожарной безопасности.


1.ИСЛЕДОВАНИЕ ПАРАМЕТРОВ ФОТОПРИЕМНЫХ УСТРОЙСТВ НА ОСНОВЕ ФОТОДИОДОВ И ФОТОТРАНЗИСТОРОВ

На основе фотодиодов возможно создание фотоприёмных устройств (ФПУ) различного назначения, работающих в широком диапазоне модуляции оптического сигнала - от приема постоянных и медленно изменяющихся потоков до приема высокочастотных и импульсных сигналов. В зависимости от вида регистрируемого сигнала и режима работы фотоприемника функциональные схемы ФПУ могут иметь различный вид (рис. 1.1). Для приема немодулированного и медленно изменяющегося потока излучения может использоваться функциональная схема ФПУ, состоящая из фотодиода, включенного в фотовольтаическом (рис. 1.1,а) или в фотодиодном (рис. 1.1,б) режиме, и усилителя постоянного тока. Для приема синусоидально модулированного потока излучения часто используется функциональная схема ФПУ, состоящая из фотодиода, включенного в фотодиодном режиме, разделительного конденсатора и усилителя переменного напряжения (рис. 1.1,в).

Рисунок 1.1- Функциональные схемы ФПУ на основе фотодиодов

Для приема импульсного модулированного сигнала обычно используется функциональная схема ФПУ, содержащая фотоприемник, включенный в фотодиодном режиме, разделительный конденсатор, усилитель импульсного сигнала и квази оптимальный фильтр (рис. 1.1,г).

Особый интерес представляет использование фотодиодов в высокочувствительных ФПУ, работающих при относительно низких частотах модуляции потока излучения и в условиях изменяющихся фоновых нагрузок. Работа фотодиода в подобных условиях эксплуатации ограничивается двумя взаимно противоречивыми требованиями:

с одной стороны, для достижения максимальной обнаружительной способности на р-n-переходе необходимо поддерживать постоянное напряжение смещения, близкое к нулевому в заданном диапазоне изменения фоновых засветок, что обеспечивает отсутствие избыточных шумов фотодиода и его работу нелинейной области;

с другой стороны, сопротивление нагрузки фотодиода должно быть настолько большим, насколько это необходимо с точки зрения минимизации шумового вклада сопротивления нагрузки. Это противоречие может быть преодолено путем использования в качестве пред усилителя ФПУ операционного усилителя, охваченного отрицательной обратной связью по напряжению и гальванически связанного с фотодиодом .

Фотоприемные устройства на основе пары фотодиод - операционный усилитель. Для создания фотоприемных устройств, обладающих максимальной обнаружительной способностью в условиях изменяющихся фоновых нагрузок, широко используются операционные усилители.

Эквивалентная схема ФПУ на основе пары фотодиод - операционный усилитель (ФД-ОУ) приведена на рис. 1.2

Рисунок 1.2 - Эквивалентная схема ФПУ на основе пары фотодиод - операционный усилитель (ФД-ОУ)

.1 Особенности работы ФПУ при низких уровнях освещенности

В схеме, приведенной на рис. 1.1,а, напряжение на выходе ФПУ возникает даже при неосвещенном р-n-переходе. Такое остаточное выходное напряжение обусловлено наличием: входного остаточного напряжения операционного усилителя Uост, которое полностью передается на выход усилителя; тока смещения Iсм на входе усилителя, протекающего по сопротивлению ; темпового тока It , возникающего при подаче на фотодиод напряжения смещения.

При обнаружении немодулированных потоков с низким уровнем освещенности, когда приходится использовать резисторы обратной связи с большим сопротивлением, необходимо всеми мерами уменьшать входной ток смещения ОУ и темновой ток фотодиода, так как в противном случае возникает заметное выходное остаточное напряжение. В подобных случаях используют ОУ на полевых транзисторах и p-i-n фотодиоды с малыми темновыми токами.

Возможность существенного уменьшения выходного остаточного напряжения не устраняет проблемы температурного дрейфа Uост, Iсм, It. Темновой ток, например, кремниевого фотодиода удваивается при повышении температуры на каждые 10°С, поэтому во многих случаях фотодиод используется в фотовольтаическом режиме, когда It=0. Проблему температурного дрейфа Uост и Iсм, можно преодолеть, используя ОУ с прерывателями или модуляторами.

При использовании ФПУ в устройствах обнаружения модулированного потока излучения ОУ соединяют с последующим каскадом усиления без связи по постоянному току (т. е. через разделительный конденсатор) и тогда температурный дрейф постоянного выходного остаточного напряжения не сказывается. В таких случаях для уменьшения емкости фотодиода и увеличения быстродействия к р-n-переходу прикладывается напряжение смещения.

.2 Изучение частотной характеристики ФПУ на основе ОУ

Частотная характеристика на основе ФД - ОУ в основном определяется частотными свойствами ОУ и сопротивлением цепи обратной связи (ОС). Важнейшим преимуществом схемы, показанной на рис. 1.3, является то, что фотодиод здесь нагружается почти короткозамкнутой цепью, поэтому любой возможный заряд с фотодиода практически мгновенно передается на ОУ. Благодаря этому емкость фотодиода, которая может быть очень большой и достигать 1000 пФ в фотовольтаическом режиме, непосредственно не определяет частотной характеристики.

Если ФПУ предназначено для приема импульсных оптических сигналов или для работы в широком диапазоне частот модуляции потока излучения, то необходима коррекция амплитудно-частотной характеристики электронного тракта ФПУ. Частотная коррекция амплитудно - частотной характеристики (АЧХ), необходимая для обеспечения максимального отношения сигнал/шум или для формирования полосы частот, требуемой для пропускания импульсного сигнала с минимальным искажением его формы при сохранении высокого отношения сигнал/шум, может быть осуществлена либо в последующих каскадах электронного тракта, либо на выходе ОУ, либо в цепи обратной связи. Такая коррекция может быть осуществлена, например, с помощью простой дифференцирующей RС-цепочки при относительно небольших (по отношению к оптимальному фильтру) потерях для наиболее часто встречающихся в задачах обнаружения формах оптического сигнала. Обычно при создании ФПУ, предназначенных для приема импульсных сигналов, применяют двухзвенную структурную схему, состоящую из интегрирующего и дифференцирующего звеньев. Здесь необходимо отметить, что пара ФД - ОУ может выполнять функцию интегрирующего звена квазиоптимального фильтра, где интегрирование происходит не на собственной RС-цепочке фотодиода, как при простой противошумовой коррекции, а на RС-цепи ОС.

Формирование необходимой частотной характеристики электронного тракта ФПУ, выполненного с применением одного или нескольких ОУ, может быть проведено по известным принципам, когда формирующий каскад включается после пары ФД-ОУ.

Рисунок 1.3 - Схемы ФПУ

Схема включения дифференцирующей цепочки в цепи ОС представлена на рис. 1.3,б - схема с корректирующими элементами в цепи обратной связи, рис. 1.3,а - схемы ФПУ на основе пары ФД-ОУ. Для удобства элементы в цепи ОС представлены в виде импедансов Zi. Необходимо отметить при этом, что цепь ОС для низкочастотных пороговых схем должна обязательно иметь коэффициент передачи, отличный от нуля на постоянном токе (условие поддержания нулевого смещения на фотодиоде), т. е. импедансы Zo.c и Zi могут быть чисто емкостными только прн наличии специально организованной ОС по постоянному току (например, оптической - с помощью оптрона). Амплитудно-частотная характеристика сигнала ФПУ становится частотно-независимой от реактивных элементов цепей входа и ОС, начиная с нулевой частоты, и определяется полностью АЧХ ОУ.

При R2С2>Ro.с Со.с корректировка АЧХ сопровождается эффектом усиления выходного сигнала по напряжению в раз и ослаблением глубины ОС на тех частотах, где имеется усиление по напряжению.

Вторым способом организации дифференцирующего звена в цени ОС является способ, при котором Z1 есть чисто активное сопротивление R2, a Z2 выполняется в виде последовательно соединенных R2 и С2. При этом следует отметить, что такой способ коррекции, как и в предыдущем случае при С2>>Ro.сСо.с, приводит к ослаблению влияния отрицательной ОС с ростом частоты. Другими словами, формирование рабочей полосы частот по сигналу ФПУ с усилением по напряжению лишает его ряда положительных качеств, связанных с наличием глубокой отрицательной ОС именно в рабочей полосе частот.

На рис. 1.4 приведены амплитудно-частотные характеристики ФПУ в виде диаграмм Боде при формировании рабочей полосы при различных соотношениях между интегрирующими (Ro.c Co.c) и дифференцирующими (R1C2) элементами в цепи ОС. Коррекцию амплитудно-частотной характеристики ФПУ на основе пары ФД - ОУ можно осуществлять на выходе ОУ путем подключения делителя напряжения, состоящего из двух элементов, один из которых выполняется в виде параллельной RС-цепочки, а другой - в виде активного сопротивления r (рис. 1.5).

Рисунок 1.4 - Амплитудно-частотные характеристики ФПУ,

формируемые цепью ОС

Рисунок 1.5 - Схема ФПУ с корректировкой АЧХ дифференцирующей

цепочкой на выходе ОУ

В этом случае происходит расширение начального участка АЧХ электронного тракта ФПУ. Это означает, что в цепи обратной связи как бы включен резистор, сопротивление которого уменьшено в 1+  раз без ухудшения порога чувствительности ФПУ и без уменьшения входного импеданса. Соответственно постоянная времени цепи обратной связи также как бы уменьшается в 1+  раз.

Рисунок 1.6 - Амплитудно-частотные характеристики ФПУ, сформированные делителем напряжения па выходе ОУ

На рис. 1.6 показана амплитудно - частотная характеристика ФПУ, сформированная указанным способом. При выборе сопротивлений (см. рис. 1.5) необходимо учитывать, что значение выходного шума должно оставаться существенн о большим значения шума короткого замыкания.

Очевидно, что такого рода коррекция приводит к ослаблению выходного сигнала в 1+  раз и повышению выходного сопротивления в точке 1. Поэтому, если к ФПУ предъявляются требования по обеспечению высокой выходной вольтовой чувствительности и низкого выходного сопротивления, то между точкой 1 и выходом ОУ необходимо включать дополнительный каскад, выполняющий, либо функцию усилителя напряжения, либо функцию трансформатора сопротивления, либо обе функции вместе. Очевидно, что наиболее подходящим электронным узлом для решения этих задач является ОУ. Сравнивая рассмотренные способы коррекции амплитудно-частотных характеристик электронного тракта ФПУ, можно отметить следующее:

коррекция АЧХ в цепи ОС возможна как при сохранении первоначального коэффициента передачи по напряжению, так и при увеличении его путем выбора соответствующих элементов цепи ОС. Однако увеличение коэффициента передачи сопряжено с ослаблением действия отрицательной ОС, что в ряде случаев приводит к нежелательным последствиям (уменьшению динамического диапазона ФПУ, уменьшению диапазона независимости вольтовой чувствительности ФГУ от температуры при использовании охлаждаемых фотодиодов). Кроме того, при реализации такой коррекции в ФПУ, выполняемом методами и средствами микроэлектроники, могут возникнуть затруднения с подбором или изготовлением высоко номинальных реактивных элементов (в частности, конденсаторов);

коррекция АЧХ на выходе операционного усилителя обязательно сопряжена с уменьшением вольтовой чувствительности ФПУ на низких частотах. При этом сохраняются преимущества отрицательной ОС во всем рабочем диапазоне частот. Однако такая коррекция вызывает необходимость использования в ФПУ дополнительного усилительного (или согласующего) элемента для обеспечения высокой вольтовой чувствительности и малого выходного сопротивления электронного тракта ФПУ [1,2].

.3 Анализ работы ФПУ на основе пары ФД - ОУ в логарифмическом режиме

Использование ОУ в ФПУ в качестве усилительных элементов открывает широкие возможности для создания ФПУ, работающих в логарифмическом режиме преобразования немодулированного потока излучения. Функциональные схемы ФПУ, работающих в логарифмическом режиме преобразования потока излучения, приведены на рис. 1.7.

Особенности указанных схем ФПУ состоят в следующем:

крутизна логарифмической характеристики (коэффициент пропорциональности между входным и выходным сигналами) в схемах на рис. 1.7, а, в схемах на рис. 1.7,б крутизна характеристики может регулироваться как за счет использования неполной ОС, так и при изменении числа логарифмических диодов п в цепи нагрузки фотодиода;

в схемах на рис. 1.7,в вместо Кu взят коэффициент m, характеризующий глубину ОС;

очевидно, что крутизна характеристики логарифмического преобразования в схемах на рис. 1.7, (б - г) не зависит от значения коэффициента усиления ОУ по напряжению и его изменений, обусловленных колебаниями температуры окружающей среды и напряжения питания.

Во всех рассматриваемых схемах фототок наблюдается на фоне входного тока ОУ. Очевидно, что для конкретного случая особенно существенными становятся преимущества ОУ, входные каскады которых выполняются на МОП-транзисторах. Особенностью схем на рис. 1.7, (б - г) является наименьшее влияние на значение минимальной регистрируемой освещенности (или минимального потока излучения) разностной ЭДС. Эти схемы имеют преимущества с точки зрения минимальной регистрируемой освещенности, при которой характеристика выходного сигнала выходит на логарифмический участок. Если в схемах на рис. 1.7,(а - в) нижний предел регистрируемых освещенностей определяется значением фототока, при котором вольт - амперная характеристика (ВАХ) фотодиода выходит в логарифмический участок.

Следует отметить, что при использовании в качестве логарифмических элементов полупроводниковых диодов (либо фотодиода, как в схемах на рис. 1.7,(а - в), либо специальных логарифмических диодов, как в схемах на рис. 1.7,(б - г)) имеет место температурная нестабильность ВАХ, обусловленная, в основном, температурной зависимостью обратного тока диода. Обратный ток полупроводникового прибора на основе кремния при изменении температуры окружающей среды на 10°С изменяется в 2 раза.

Во всех рассматриваемых схемах температурная нестабильность выходного напряжения ФПУ, обусловленная указанной причиной, устраняется путем введения в схему дополнительного опорного диода из того же материала, находящегося в режиме прямого смещения, подключенного к источнику тока. В этом случае выходное напряжение является разностью фото - ЭДС и напряжения прямого смещения на опорном диоде, причем эта разность практически не зависит от температуры [3].

а - логарифмический элемент на входе ОУ; б - то же в цепи ОС;

в - то же на входе ОУ, делитель напряжения на выходе ОУ;

г - то же в виде оптрона на выходе ОУ.

Рисунок 1.7 - Функциональные схемы ФПУ с логарифмическим преобразованием сигнала

Заметим, что при использовании усилителей с регулируемой ЭДС смещения компенсации входного тока ОУ можно добиться путем этой регулировки. Однако такая компенсация не может быть эффективной, так как температурные зависимости входного тока и ЭДС смещения различны. Целесообразным является также метод компенсации входного тока усилителя в составе ФПУ с помощью внешнего источника или согласования нелинейных элементов.

1.4 Анализ работы ФПУ на основе пары ФД - ОУ в линейном режиме при приеме немодулированного излучения

Эквивалентная схема ФПУ с линейной зависимостью выходного сигнала от значения падающего потока излучения приведена на рис. 1.8. В этой схеме фотодиод подключен на вход ОУ между инвертирующим и не инвертирующим входами. Симметричные нагрузки Ro.c1 и Rо.c2 подключены соответственно в цепи ОС и утечки; RA и RB - входные сопротивления ОУ.

Фотоприемное устройство на основе пары ФД - ОУ является оптимальным прибором не только в качестве схемы линейного преобразователя немодулированного потока излучения (рис. 1.8), но и для реализации так называемого режима накопления (интегрирования). Такой режим представляет сравнительно большой интерес для решения экспонометрических задач при разработке экспонометров и экспозиметров, так как обеспечивает автоматическое перекрытие потока излучения, воздействующего на фоточувствительный материал, после того как этот материал воспринял заданное количество света (при этом интенсивность излучения за время кадра может быть нестационарной).Схема ФПУ, работающего в режиме накопления (рис. 1.9), отличается от схемы линейного преобразования с модулированного потока излучения только тем, что вместо сопротивлений Rо.c1 и Rо.с2 в цепях ОС устанавливаются емкости Со.с, и Cо.Cj обычно выбираемые равными Сс.о. В режиме подготовки устройства к работе емкости шунтируются, например, с помощью ключей Кл.

При замкнутых ключах Кл напряжение на выходе ФПУ независимо от освещенности фоточувствительного элемента. Относительная погрешность определения энергии излучения за заданный промежуток времени (равная погрешности определения времени экспозиции) при линеаризации экспоненты

Независимость времени срабатывания от коэффициента усиления Ко, изменяющегося с изменением напряжения питания ОУ и температуры окружающей среды, обусловлена наличием глубокой отрицательной обратной связи по напряжению.

Рисунок 1.8 - Эквивалентная схема ФПУ с линейным преобразованием сигнала

Рисунок 1.9 - Эквивалентная схема ФПУ, работающего в режиме накопления

.5 Расширение динамического диапазона работы ФПУ на основе пары

ФД - ОУ при воздействии фона

Одним из основных требований, предъявляемых к ФПУ, является сохранение линейности выходного сигнала при воздействии на вход устройства значительных фоновых нагрузок. Особенно важным это требование становится при регистрации модулированного оптического сигнала на фоне немодулированного, медленно или скачками изменяющего свое значение в больших пределах. Фотоприемное устройство (см. рис. 1.3) реагирует на постоянную составляющую потока излучения, воздействующего на чувствительную площадку фотодиода, и компенсирует через сопротивление Ro.с напряжение смещения, возникающее на фотодиоде под действием этой постоянной составляющей.

В ФПУ, где ОУ осуществляет компенсацию ЭДС от излучения фона, коэффициент усиления ОУ при выбранном сопротивлении Ro.c определяется точностью поддержания заданного напряжения смещения на фотодиоде. Максимальное значение фонового тока фотодиода Iфmах (вызываемого фоновым потоком), при котором усилитель еще выполняет функции стабилизации рабочей точки, определяется диапазоном нелинейности ОУ и выбранным значением сопротивления в цепи ОС. Компенсация ЭДС от излучения фона при использования ОС через Rо.с позволяет расширить динамический диапазон работы ФПУ в условиях воздействия фоновых нагрузок примерно в 10…15 раз, что в ряде случаев является недостаточным. Другим известным способом расширения динамического диапазона ФПУ является использование в цепи обратной связи логарифмического элемента, обеспечивающего высокий коэффициент сжатия выходного сигнала по отношению к входному. Однако для случая регистрации модулированных потоков излучения на фоне медленно или скачкообразно изменяющихся постоянных потоков такая схема оказывается неприемлемой, так как в ней нелинейно преобразуется также сигнал от источника модулированного излучения, причем рабочая точка на характеристике нелинейного (логарифмического) элемента задается нестационарным фоном.

Еще одним известным способом расширения динамического диапазона ФПУ является разделение постоянной и переменной составляющих сигнала с помощью полевого транзистора, включенного в цепь ОС. Постоянная составляющая определяется статическим сопротивлением транзистора, а переменная - динамическим, благодаря чему расширяется диапазон изменения входных токов ОУ с одновременным сохранением независимости от режима по постоянному току амплитуды выходного сигнала. Однако и такой способ не обеспечивает достаточной глубины регулирования коэффициента передачи постоянной составляющей сигнала в цепи ОС. Одним из наиболее эффективных способов расширения динамического диапазона ФПУ при изменении фоновых потоков в широких пределах является использование оптической обратной связи с помощью оптронной пары фотодиод - излучающий диод.

Эквивалентная схема ФПУ, включающего в себя оптический канал ОС, приведена на рис. 1.10 Низкочастотный активный фильтр (НАФ), осуществляющий функцию усиления выходного напряжения в заданном диапазоне частот, обеспечивает развязку между фоновым и рабочим сигналами.

При наличии оптической ОС в полосе частот, усиливаемых активным фильтром, обеспечивается логарифмический режим преобразования входного оптического сигнала в электрический, т.е. значительное расширение динамического диапазона по постоянной фоновой засветке при сохранении малого напряжения на фотодиоде.

При этом полоса частот активного фильтра должна выбираться такой, чтобы обеспечить своевременную отработку изменения фоновых нагрузок, если они не стационарны по времени.

По существу оптическая обратная связь через оптрон обеспечивает расширение динамического диапазона ФПУ при воздействии постоянной и низкочастотной составляющих фонового потока за счет коррекции частотной характеристики, которая обусловлена протеканием встречного компенсирующего фототока в цепи отрицательной ОС.

Рисунок 1.10 Эквивалентная схема ФПУ с оптической ОС

В принципе использование резистора в цепи ОС при наличии оптрона, обеспечивающего оптическую ОС, не обязательно. Можно использовать только емкость в цепи ОС, что имеет смысл при увеличении требуемого номинала резистора ОС до значения более 1010 Ом. При обеспечении условий максимальной компенсации фонового фототока шумовой вклад фотодиода оптрона в общие шумы ФПУ равен шумовому вкладу сигнального (рабочего) фотодиода, что приводит к ухудшению обнаружительной способности ФПУ в 2 раза (остальные шумовые вклады при протекании фонового тока оказываются существенно меньшими).

Это ухудшение происходит только при работе оптрона, т, е. при наличии фоновых нагрузок на входе ФПУ. В темновом режиме (т. е. прн отсутствии фона) вклад шумов фотодиода оптрона в шумы ФПУ может быть достаточно малым, так как его геометрические размеры могут быть сведены к минимальным по сравнению с размерами основного (рабочего) фотодиода.

.6 Основные требования к параметрам ОУ, используемых в ФПУ на

основе пары ФД - ОУ

Основные требования к малошумящим ОУ определяются параметрами фотодиода и оптико-электронного прибора, в котором они используются.

Требования к шумовым параметрам ОУ выражаются через спектральные плотности шумового тока и ЭДС шума усилителя:

минимальное сопротивление в цепи ОС определяется из условия;

максимальное сопротивление в цепи ОС определяется из условия;  

коэффициент усиления операционного усилителя при разомкнутой цепи обратной связи при использовании его в ФПУ, где требуется уменьшение постоянной времени входной цепи.

Схемы оптимизации отношения сигнал/шум. Импульсные ФПУ применяются в двух основных видах оптико-электронной аппаратуры. Назначение аппаратуры первого вида - обнаружить появление цели в поле зрения фотоприемника. Эта аппаратура на основе оценки амплитуды сигнала должна выдавать альтернативные решения - присутствуют события пли нет. Такая аппаратура обычно используется в устройствах автоматического сопровождения целей [4].

Аппаратура этого типа в процессе работы может сильно искажать принимаемый сигнал. Ее единственной целью является принять правильное решение (о наличии или отсутствии сигнала), используя максимум априорной информации о характере ожидаемого сигнала. В этом случае для формирования сигнала слежения за целью достаточно определить среднее положение фронта импульса. Электронная схема устройств такого типа должна быть рассчитана так, чтобы максимизировать отношение сигнал/шум

Назначение аппаратуры второго вида - не только устанавливать наличие сигнала, но и определять его форму. Примером такой аппаратуры являются сканирующие камеры, аппаратура для снятия тепловых карт, сканирующие спектрометры. Аппаратура этого типа должна воспроизводить сигнал как можно более точно с минимальным искажением за счет шумов. Одновременно с этим должны быть приняты меры по максимизации отношения сигнал/шум. При построении импульсных ФПУ используются различные методы максимизации отношения сигнал/шум. Одним из наиболее широко используемых методов является использование фильтров, позволяющих с наименьшими потерями выделять сигнал из смеси сигнала и шума. Фильтры, отвечающие критерию максимума отношения сигнал/шум. носят название оптимальных. Отметим, что при менее оптимальной фильтрации (в смысле максимизации отношения сигнал/шум) возможно только для сигналов ограниченной длительности, т. е. для импульсных сигналов.

1.7 Особенности построения ФПУ на основе лавинных фотодиодов и

фототранзисторов

Коэффициент лавинного умножения зависит как от температуры (это значение влияет на значение темнового тока, который в рабочем диапазоне температур для некоторых типов фотодиодов может изменяться на два- три порядка), так и от напряжения смещения р-n-перехода (рис. 1.11). Указанные обстоятельства приводят к тому, что в реальных условиях эксплуатации аппаратуры без принятия специальных мер практически невозможно использовать потенциальные возможности лавинных фотодиодов (ЛФД) по пороговой чувствительности, причем поддержание в отдельности постоянства рабочей температуры (термостабилизация) или рабочего напряжения смещения (стабилизация источника питания) не обеспечивает оптимального режима работы фотодиода. При температурных колебаниях окружающей среды оптимальный режим работы фотодиода может быть обеспечен только тогда, когда напряжение смещения будет изменяться вслед за изменением температуры, т. е. будет осуществляться автоматическая регулировка напряжения смещения.

Существует ряд схем построения ФПУ на лавинных фотодиодах, некоторые из которых рассматриваются далее, причем все представленные схемы по принципам, заложенным в основу их построения, могут быть разбиты на две группы, к одной из которых относятся схемы стабилизации параметров ФПУ, а к второй - схемы оптимизации параметров в широком интервале рабочих температур .

Термостабилизация режима работы лавииного фотодиода предполагает поддержание постоянства рабочей температуры фоточувствительного элемента лавинного фотодиода в широком диапазоне изменения температуры окружающей среды.

Рисунок 1.11 - Зависимость коэффициента лавинного умножения германиевого фотодиода от температуры и напряжения смещения

Одним из возможных вариантов такого решения может быть размещение ЛФД вместе с нагрузочным сопротивлением и входным каскадом усилителя в вакуумном термостате, температура в котором поддерживается постоянной с помощью термоэлектрической полупроводниковой батареи, подключенной к термо стабилизированному источнику питания (рис. 1.12).

Обеспечивая постоянство температурного режима ЛФД при эксплуатации, этот способ требует поддержания с высокой точностью напряжения смещения р-n-перехода. Кроме того, ему присущи и другие недостатки - относительно большая потребляемая мощность, значительные габариты и масса, а также большое время выхода на режим.

-термостат; 2 - усилитель сигналов; 3 - термоэлектрическая батарея;

- источник питания термобатареи; 5 - источник питания фотодиода.

Рисунок 1.12 - Структурная схема ФПУ со стабилизацией режима ЛФД

Обеспечивая постоянство температурного режима ЛФД при эксплуатации, этот способ требует поддержания с высокой точностью напряжения смещения р-n-перехода. Кроме того, ему присущи и другие недостатки - относительно большая потребляемая мощность, значительные габариты и масса, а также большое время выхода на режим.

Напряжение смещения подается на рабочий лавинный фотодиод ЛФД не с источника постоянного напряжения, а с делителя, образованного опорным ЛФД, защищенным от света, и ограничительным сопротивлением R1 .

При изменении окружающей температуры происходит изменение темнового тока It2 опорного лавинного фотодиода, а следовательно, и синхронное смещение напряжения смещения рабочего лавинного фотодиода. Работа такой схемы возможна в том случае, когда пробивное напряжение опорного лавинного фотодиода будет несколько меньше пробивного напряжения рабочего фотодиода, а характеристики обоих фотодиодов будут параллельны (рис. 1.13). Рабочее напряжение опорного фотодиода выбирается близким к пробивному напряжению, а рабочая точка так, чтобы во всем диапазоне изменения окружающей температуры она находилась на линейном участке характеристики.

Рисунок 1.13 - Принципиальная электрическая схема ФПУ с ЛФД

Напряжение питания определяется по точке пересечения нагрузочной характеристики, проведенной через рабочие точки на ВАХ опорного фотодиода при крайних значениях эксплуатационных температур, с осью абсцисс (напряжений).

Простота схемного решения оптимизации параметров ФПУ на основе ЛФД с помощью опорного фотодиода сопряжена тем не менее с большими практическими трудностями по подбору двух фотодиодов, ВАХ которых были бы одинаковыми.

Если значение частоты ниже требуемого, то необходимо вводить частотную коррекцию с помощью емкости, поставленной в эмиттерную цепь одного из транзисторов усилителя.Нижнее значение частоты определяется значением переходной емкости.Остальные параметры ФПУ могут быть определены исходя из требований, задаваемых при разработке. Как правило, исходными для расчета ФПУ являются значения минимального порогового потока Ф, выходного сигнала Uс.вых и минимального отношения сигнал/шум .

Схема ФПУ, в которой в качестве усилительного элемента используется операционный усилитель, представлена на рис. 1.14. Применение в ФПУ операционного усилителя для совместной работы с ЛФД расширяет рабочий диапазон частот, динамический диапазон и повышает устойчивость к воздействию фона.

На частотной характеристике порогового потока Фп можно выделить участок, где пороговый поток постоянный (избыточные шумы при этом отсутствуют), а также участок, где преобладающими являются шумы усилителя и пороговый поток увеличивается с ростом частоты.

Граничная частота перехода от одного участка к другому откуда следует, что граничная частота wгр при увеличении коэффициента лавинного умножения смещается в сторону более высоких частот. Улучшение порогового потока ФПУ происходит до того момента, пока шум ЛФД не станет сравнимым с остальными шумами.

Рисунок 1.14 - Принципиальная электрическая схема ФПУ на основе ЛФД с операционным усилителем

Ограничение динамического диапазона наступает вследствие того, что падение напряжения на сопротивлении обратной связи не может превышать напряжения питания операционного усилителя.

Фотоприемные устройства, содержащие в одном корпусе фотоприемник и схему обработки сигнала, являются простейшей ступенью интеграции изделий микрофотоэлектроники, позволяющей получить выигрыш в габаритах и массе, надежности и стоимости аппаратуры. Максимальный эффект может может быть достигнут тогда, когда фотоприемник и электронная схема обработки сигнала

изготавливаются с интегральном исполнении. Большинство разработанных ФПУ (в том числе и в интегральном исполнении) выполнено на фотодиодах. При этом используются фотодиоды как без внутреннего усиления, так и с внутренним лавинным умножением.Однако широко используются также ФПУ, построенные на фототранзисторах и работающие с разомкнутой базой или в режиме биполярного транзистора (при подаче напряжения смещения в эмиттерную и коллекторные цепи). Преимущество схем ФПУ на фототранзисторах перед схемами на обычных фотодиодах состоит в том, что сами фототранзисторы обладают свойством усиления тока, ц следовательно, имеют большее отношение сигнал/шум и обеспечивают более простое согласование с последующими каскадами. Темновой ток, протекающий через фототранзистор будет минимальным, а следовательно. будет наилучшим порог чувствительности. Нов этом режиме будет получено незначительное усиление сигнала. Примеры построения ФПУ на основе фототранзисторов, работающих в режиме с разомкнутой базой, приведены на рис. 1.15.

В схеме на рис. 1.15,б может быть получено более высокое быстродействие, лучшая устойчивость к воздействию постоянных фоновых засветок и большее усиление, однако при этом происходит увеличение темновых токов, приводящее к ухудшению порога чувствительности ФПУ. Простейшей схемой, выполненной на фототранзисторе полностью в интегральном исполнении, является ФПУ на основе составного транзистора. В этой схеме коллекторы двух транзисторов (одним из которых является фототранзистор, а вторым обычный транзистор) соединены вместе и являются общим выводом, а эмиттер первого транзистора подсоединен к базе второго, причем в качестве фоточувствительного транзистора (т. е. фототранзистора) может использоваться как первый (рис. 1.15,а), так и второй транзисторы (рис. 1.15,б).

а - биполярные транзисторы; б - полевые транзисторы; в - транзисторы и микросхемы ОУ.

Рисунок 1.15 - Принципиальная электрическая схема ФПУ на основе фототранзисторов с применением усилительных элементов

Схемы подобного типа известны под названием схем Дарлингтона. Разновидностью указанных схем являются схемы, в которых преобразование оптического излучения в электрический сигнал осуществляется фотодиодом, а усиление электрического сигнала - обычной схемой Дарлингтона (рис. 1.16).Схемы Дарлингтона применяются для получения большого коэффициента усиления по току и напряжению и большого входного и малого выходного сопротивлений.

Так, например, в схеме с общим эмиттером схема Дарлингтона имеет коэффициент передачи по току базы. Простейшие схемы составных фототранзисторов обладают сравнительно низким быстродействием, которое мо жет быть оценено временем нарастания сигнала (до уровня 90%).

Время нарастания сигнала может быть уменьшено двумя способами: путем

уменьшения либо сопротивления нагрузки, либо коэффициента усиления по току. Описаны схемы составных фототранзисторов повышенного быстродействия.

Рисунок 1.16 - Фоточувствительные схемы Дарлингтона

На рис. 1.17,а приведена схема, в которой нагрузкой фототранзистора является малое дифференциальное сопротивление. При этом чувствительность фототранзистора остается неизменной, как и в обычном составном фототранзисторе. На базе такой каскадной схемы формируются дифференциальные схемы (рис. 1.17,б). Дальнейшее снижение инерционности этой схемы может быть осуществлено за счет уменьшения коэффициента усиления, что достигается путем подключения между базовым и эмиттерным выводами транзистора Т1 резистора R1. В этой схеме часть фототока фототранзистора минует транзистор Т1 и не усиливается им.

Более существенное снижение τнар может быть достигнуто путем подключения между коллектором транзистора Т1 и базой фото транзистора, резистора R1. Наряду с этим это сопротивление является элементом обратной связи (по постоянному и переменному токам), снижающим τнар. Благодаря введению обратной связи по постоянному току уменьшается влияние разброса параметров на темновой ток. Этим же сопротивлением регулируется ток в нагрузке (рис. 1.17,в).

Рисунок 1.17 - Принципиальные электрические схемы ФПУ на основе

фототранзисторов с повышенным быстродействием

2. ИССЛЕДОВАНИЕ ПРИНЦИПОВ ВЗАИМОДЕЙСТВИЯ УСИЛИТЕЛЯ И ФОТОДИОДА. ПРЕОБРАЗОВАНИЕ ТОКА ФОТОДИОДА В НАПРЯЖЕНИЕ

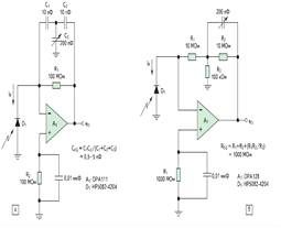
Существуют два способа получения сигнала от фотодиода: снятие с него напряжения или тока. Для измерения напряжения схема усиления должна иметь достаточное сопротивление по переменному току, чтобы ток, протекающий через ее вход, был минимальным.

Согласно схеме на рис. 2.1,( а - напряжение; б - ток) а, фотодиод включен последовательно со входом усилителя. Цепь обратной связи состоит из резисторов R1 и R2; она позволяет напряжению на фотодиоде изменяться соизмеримо с напряжением на входе усилителя. В таком случае отношение выходного напряжения к входному будет логарифмическим, так как чувствительность фотодиода изменяется в зависимости от приложенного к нему прямого напряжения.

усилитель фотодиод излучение

Рисунок 2.1 - Выходной сигнал фотодиода

Постоянная чувствительность при постоянном приложенном напряжении позволяет сделать вывод о том, что для получения линейной зависимости выходного сигнала от световой энергии разумно использовать измерение тока. Обратная связь операционного усилителя устанавливает нулевую разность напряжений между входами, поэтому падение напряжения на диоде также равно нулю. Это обстоятельство позволяет схеме преобразователя тока в напряжение, показанной на рис. 2.1, б, обеспечивать входное сопротивление, равное

R, (2.1)

где Ku - это коэффициент усиления операционного усилителя с разомкнутой петлей обратной связи; - резистор.

Несмотря на то, что сопротивление R1 обычно очень велико, результирующее входное сопротивление остается пренебрежимо малым по сравнению с выходным сопротивлением фотодиодов.

Ток диода в схеме преобразователя практически не течет через вход операционного усилителя, целиком направляясь к обратной связи R1: потому что на выходе усилителя напряжение равняется произведению тока фотодиода на сопротивление резистора R1. Для получения наибольшего коэффициента преобразования тока в напряжение это сопротивление должно иметь высокое номинальное значение. Недостатком является то, что оно провоцирует появление значительного температурного дрейфа напряжения (из-за температурной нестабильности входного тока усилителя). Чтобы компенсировать его, обычно к неинвертирующему входу усилителя подключают резистор R2 с таким же сопротивлением, как у резистора R1, и добавляют емкостную развязку для устранения большей части его помех. Недостатком такого способа является падение напряжения на диоде и возникающий в результате него ток утечки, который может оказаться даже

больше, чем входные токи усилителя.

Сопротивление резистора обратной связи в преобразователе почти полностью определяет уровень шума и границы полосы пропускания усилителя, а также коэффициент усиления. Шум, вносимый резистором, имеет спектральную плотность  и появляется на выходе преобразователя без усиления. Отношение увеличения выходного сигнала к увеличению шума пропорционально квадратному корню из сопротивления резистора R1. Шум операционного усилителя также влияет на выходной шум, действуя через сопротивление обратной связи и емкость диода [5,6].

Источники шума в усилителе представлены на рис. 2.2 как входной шумовой ток In и входное шумовое напряжение. Шумовой ток протекает через резистор обратной связи, усиливаясь так же, как и ток сигнала. Если выбрать операционный усилитель с входным током порядка пикоампер, то эта составляющая шума будет пренебрежимо мала для используемых значений сопротивления обратной связи.

Рисунок 2.2 - Влияние емкости диода на работу цепи обратной связи в базовой схеме преобразователя

На первый взгляд, входное шумовое напряжение усилителя передается на выход с небольшим усилением. Это справедливо для постоянного тока, когда усиление, равное , сохраняется на малом уровне благодаря большому сопротивлению диода RD. Емкость диода CD, изменяя работу цепи обратной связи на высоких частотах, усиливает шумовое напряжение. Так как эта емкость и сопротивление обратной связи обычно достаточно велики, эффект может проявляться на довольно низких частотах. Иллюстрация к этому приведена на рис. 2.2, б.

На нем изображена кривая усиления рядом с кривой обратной связи (или «шумовым усилением»). Функция усиления возрастает до тех пор, пока на процесс не повлияет паразитная емкость CS, шунтирующая сопротивление обратной связи.

С помощью вносимого ею полюса усиление устанавливается на уровне . Для больших фотодиодов CD может составлять сотни пикофарад, провоцируя возникновение шумового усиления, соответственно, в сотни раз. Это усиление распространяется в область высоких частот и ограничивается полосой пропускания операционного усилителя.

При слишком высоком коэффициенте передачи операционный усилитель самовозбуждается из-за взаимодействия с обратной связью, что приводит к возникновению искажений: выбросам на переходной характеристике, увеличению постоянной времени. Чтобы избежать этого явления, обычно применяют емкостной фильтр, ограничивающий полосу частот.

Для понимания действия шумов в преобразователе тока в напряжение важно обратить внимание на то, что ток сигнала и шумовое напряжение проходят через цепи с разными частотными характеристиками. Коэффициент преобразования тока в напряжение имеет плоскую характеристику вплоть до спада сопротивления обратной связи, вызванного паразитной емкостью. Усиление шумового напряжения усилителя, показанное на том же рис. 2.1, простирается далеко за пределы этого спада и остается большим в широком диапазоне частот.

По мере увеличения сопротивления обратной связи в преобразователе тока в общем шуме сначала доминирует вклад шумового напряжения операционного усилителя, затем вклад резистора обратной связи и, наконец, происходит максимальное усиление на высоких частотах. Такие варианты оптимизации схемы, как использование большого фотодиода, должны рассматриваться с учетом его емкости и ее влияния на выходной шум и общую чувствительность схемы. Большой размер фотодиода фактически может ухудшить общую точность, и добиваться улучшения светочувствительности следует, в первую очередь, оптическими способами, например, встраивая линзу в корпус фотодиода.

.1 Управление частотным шумом, возникающим при работе усилителя

Изменение коэффициента передачи усилителя на разных частотах является причиной искажения формы входного сигнала, а из-за взаимодействия с обратной связью усилитель имеет свойство самовозбуждаться, во избежание чего в цепь параллельно сопротивлению обратной связи включают конденсатор. В Т-образной схеме на рис. 2.3,а - Т-образная конденсаторная схема; рис. 2.3,б - развязка одним элементом в Т-образной резистивной цепи обратной связи), а используется емкостной делитель, состоящий из конденсаторов C2 и C3: он ослабляет сигнал, приложенный к конденсатору C1 на входе схемы. Только часть выходного сигнала приложена к конденсатору C1, поэтому на входной узел поступает меньшая часть сигнала. Тем самым ослабляется эффект шунтирования, и это выглядит так, как будто R1 шунтируется меньшей емкостью. Управление степенью ослабления осуществляется при помощи конденсатора C3 с самым большим номиналом из трех. Так как этот конденсатор соединен с «землей», его можно экранировать для уменьшения влияния паразитной емкости во время настройки.

Другая возможность добавления емкости существует при использовании Т-образной резисторной цепи в обратной схеме, которой обычно заменяют резисторы с очень большим сопротивлением. Последний заменен на рис. 2.3, б элементами с более приемлемыми номиналами, но при этом увеличился низкочастотный шум.

Рисунок 2.3 Т- образные схемы

Эта конфигурация похожа на Т-образную конденсаторную цепь. Здесь резисторы R2 и R3 ослабляют сигнал на резисторе R1, поэтому последний со стороны входного узла представляется как резистор с гораздо бóльшим сопротивлением. Здесь не существует удобной возможности компенсации постоянного смещения из-за входных токов. Поэтому на неинвертирующем входе необходим резистор с очень большим сопротивлением.

Паразитную емкость в Т-образной цепи обратной связи можно уменьшить, увеличив расстояние между тремя элементами. А влияние паразитной емкости каждого отдельного элемента уменьшается за счет выбора меньшего номинала сопротивления.

Одним из положительных свойств ослабляющей цепи обратной связи является возможность использовать конденсаторы приемлемых номиналов. Установка конденсатора параллельно резистору R2 устраняет ослабление на высоких частотах, сводя сопротивление цепи обратной связи к резистору R1.

Уменьшение высокочастотных шумов при шунтировании Т-образной схемы сопровождается их усилением на низких частотах из-за ослабления сигнала обратной связи в цепи. Бороться с этим можно при помощи резисторов с небольшим сопротивлением, так, чтобы этот эффект увеличивался только пропорционально квадратному корню из нового шумового усиления.

Добавление емкости в обратную связь - это эффективный способ уменьшения шумового усиления, но оно так же эффективно уменьшает полосу пропускания сигнала [7]. Эта полоса и так невелика из-за большого сопротивления обратной связи, и в результате может получиться полоса пропускания не больше 1 кГц. Более рационально решить проблему шумов можно, ограничив полосу усилителя именно в точке неизбежного ограничения полосы сигнала. Тогда высокочастотное усиление, которое усиливает только шумы, будет удалено.

Чтобы получить нужное ограничение полосы с подходящими операционными усилителями, в составном усилителе используются два операционных усилителя, один из которых снабжен цепью управления фазовой компенсацией, как показано на рис. 2.4, а.

Для управления полосой пропускания в составной схеме к усилителю А2 добавляется внутренняя обратная связь. На постоянном токе эта обратная связь блокируется конденсатором С1, и общее усиление с разомкнутой обратной связью будет равно произведению этих усилений для каждого усилителя, или, в данном случае, 225 дБ. Спад частотной характеристики этого усиления происходит под действием полюса в усилении усилителя А1с разомкнутой связью и отклика интегратора, задаваемого для усилителя А1 элементами конденсатором С1и резистором R3. Так как этот спад вызван действием двух полюсов, он должен быть ограничен перед пересечением кривой шумового усиления, чтобы обеспечить устойчивость. Ноль добавляется включением R4. Выше частоты этого нуля вследствие влияния R4 прекращается интегрирование, и передаточная функция усилителя A2 становится равной коэффициенту усиления инвертирующего усилителя - . В результате спад усиления становится больше, чем у одиночного усилителя на высоких частотах. В графическом отображении полоса шумового усиления на рис. 2.4,б заметно сузилась, как если бы сократилась полоса пропускания операционного усилителя.

Рисунок 2.4 - Уменьшение шумов

Сокращение полосы шумов показано на рис. 2.4: а) - уменьшение шумов в схеме составного усилителя; б) сокращение полосы шумов без уменьшения полосы сигнала, с затененной областью. Визуально оно не выглядит существенным из-за логарифмического масштаба. В действительности уменьшение шумов получается весьма значительное, потому, что на верхнем частотном участке логарифмического графика представлена большая часть полосы пропускания усилителя. Перемещение точки единичного усиления шумов от 2 МГц до 200 кГц снижает выходной шум усилителя А1 примерно в три раза. Чтобы получить тот же результат при помощи шунтирования обратной связи, придется уменьшить полосу пропускания сигнала в 10 раз. При подходе, показанном на рис. 2.4, а, эта полоса не изменяется. Усилитель А2 не добавляет ни шумов, ни постоянного смещения, так как он включен после усилителя с большим усилением А2.

Показанная на рис. 2.4 технология обычно используется при низких уровнях сигнала, когда система особенно чувствительна к шумам. При большом значении сигнала становится важным ограничение скорости нарастания сигнала, но при использовании второго усилителя также можно добиться значительного улучшения ситуации. Ограничение скорости нарастания вызвано ограничением максимального выходного напряжения на усилителе А1 и его ослаблением в усилителе А2 [8]. Если максимальный размах напряжения на выходе А1 =12В и усиление А2 = 0,1В, как показано на рис. 2.4, то итоговое выходное напряжение ограничено размахом 1,2 В. Для малых сигналов это будет приемлемо, так максимальные практически используемые значения сопротивления обратной связи сами по себе ограничивают выходной размах.

Высокоуровневые сигналы не столь чувствительны к шуму и лучше переносят более прямой подход к фильтрации. Активный фильтр после обычного преобразователя тока в напряжение также устраняет высокочастотный шум. Установка полюса фильтра на границе полосы сигнала приводит к тому, что полоса пропускания системы практически не простирается дальше полосы полезной информации. Такой фильтр не включается в контур обратной связи преобразователя, поэтому входной шум и смещение второго усилителя добавляются к сигналу.

.2 Полоса пропускания усилителя и методы ее регулирования

Требования к полосе пропускания являются неотъемлемой частью обсуждения преобразователя тока в напряжение по нескольким причинам. Общий выходной шум увеличивается пропорционально квадратному корню из полосы пропускания системы, потому что охватывается более широкий спектр шумов. Появляется конфликт между оптимальным соотношением сигнал/шум и полосой сигнала.

Для токового сигнала коэффициент обратной связи усилителя равен единице, и можно использовать всю полосу его единичного усиления. Кроме того, очень большое сопротивление обратной связи, которое дает требуемое усиление, шунтируется паразитной емкостью на очень низкой частоте. Чтобы уменьшить ее влияние, используются резисторы с малой паразитной емкостью и соблюдаются предосторожности при монтаже.

Последнее ограничение, влияющее на измерение таких величин, - емкостная связь через воздух вокруг корпуса резистора - всегда остается. Расширение полосы за пределы, обусловленные такими ограничениями, требует уменьшения сопротивления обратной связи и, следовательно, меньшего усиления преобразователя. Некоторые возможности для восстановления усиления показаны на рис. 2.5. После преобразователя тока в напряжение просто добавляется второй усилитель, который доводит итоговое выходное сопротивление до величины RT = . Таким образом, большое сопротивление уменьшается во столько раз, во сколько раз усиливает усилитель, и во столько же раз увеличивается полоса пропускания.

Несмотря на очевидность такого решения, его влияние на полосу пропускания и шум выражается не так непосредственно. Полоса второго усилителя ограничивает увеличение полосы системы. С увеличением усиления напряжения она сначала увеличивается линейно, так как снижение на резисторе R1 уменьшает влияние паразитной емкости (рис.2.6). Однако увеличение требований к усилителю А2 в конечном итоге превращает полосу усилителя в ограничивающий фактор.

Для данного набора условий существует оптимальное усиление. AV дает максимальную полосу, показанную для трех типов усилителей. Этот максимум проявляется тогда, когда полоса усилителя с замкнутой обратной связью равна ограничению из-за паразитной емкости на резисторе R1.

Рисунок 2.5 - Добавление усиления напряжения для увеличения полосы при сохранении общего сопротивления

Если требуется еще большая полоса пропускания, то надо выбирать между более быстрым операционным усилителем, с худшими, как правило, шумовыми параметрами, и уменьшением сопротивления. Для меньшей полосы пропускания на место усилителя А1 требуется поставить усилитель с меньшей полосой единичного усиления, поэтому можно использовать усилитель с малым шумом.

Рисунок 2.6 - графики зависимости полосы пропускания и входного шума (полоса пропускания увеличивается быстрее, чем шум)

Платой за увеличение полосы пропускания за счет усиления напряжения является увеличение выходного шума, как из-за этого усиления, так и из-за добавления усилителя. В то время как меньшая величина резистора R1 снижает плотность шума, этому эффекту противодействует увеличение полосы пропускания, вплоть до отсутствия изменения итогового шума от резистора, который увеличивается за счет усиления напряжения во втором усилителе, вызывая соответствующее увеличение выходного шума, пропорциональное этому усилению. К этому прибавляется шум операционного усилителя, что также показано на рис. 2.6. В нижнем диапазоне усиления, при коэффициенте от 1 до 10, шум определяется, в первую очередь, операционными усилителями и их максимальным усилением. Также в этом диапазоне полоса пропускания, показанная на рис. 2.6, управляется паразитной емкостью и линейно растет с увеличением усиления из-за соответствующего уменьшения сопротивления. Между коэффициентами усиления 10 и 100 полоса начинает уменьшаться из-за ограничений А2. Одновременно с этим уменьшением наблюдается выравнивание кривой выходного шума. Спад полосы усилителя и одновременное снижение сопротивления сводят к нулю эффект от увеличения усиления напряжения, оставляя выходной шум неизменным. В диапазоне усилений от 100 до 1000 эта тенденция сохраняется, и сигнал становится менее качественным, так как полоса пропускания уменьшается, а шум остается постоянным.

При условии, что допускается ухудшение шума при замене сопротивления на усиление напряжения, достоинства схемы в целом увеличиваются. Если же учитывать полосу пропускания, то это улучшение может компенсировать падение соотношения сигнал/ шум. Ранее упоминалось, что простой преобразователь тока в напряжение больше страдает от излишней полосы пропускания при усилении напряжения шума усилителя, чем при усилении токового сигнала. Эта тенденция устранена в схеме на рис. 2.5, так как усиление напряжения возрастает, и усилитель А2 начинает фильтровать более высокие частоты. В подтверждение этому шумовые кривые, которые нарастают плавно (в отличие от кривых полосы пропускания) до точки оптимальной полосы пропускания. В этой оптимальной точке полоса пропускания шума совпадает с полосой пропускания сигнала. В результате усилитель А1 теперь работает как выходной активный фильтр, обсуждавшийся ранее.

В некоторых случаях серьезным недостатком приведенной схемы является необходимость использования двух операционных усилителей на каждый фотодатчик: часто сотни датчиков работают в одном массиве. Можно применять и один ОУ для получения того же усиления, но без резисторов с очень большим сопротивлением, если окажется приемлемым некоторое ухудшение полосы пропускания и шумов. Один и тот же ОУ может одновременно выполнять преобразование тока в напряжение и последующее усиление напряжения. Согласно традиционной технике, эта задача решается так, как показано на рис. 2.7, a,- где резистор R2 необходим для преобразования тока в напряжение, а резисторы R3 и R4 - для установки усиления по напряжению. Ток из диода течет через резистор, в результате чего на неинвертирующем входе операционного усилителя появляется напряжение сигнала. Однако это напряжение также приложено к фотодиоду, и из-за этого возникает нелинейность, как было описано ранее.

Вместо этого фотодиод подключается непосредственно между входами операционного усилителя, и тогда на нем поддерживается нулевое напряжение. Как показано на рис. 2.7, б, резисторы выполняют те же функции, что и в предыдущей схеме, но передаточная функция схемы будет линейной. Ток из фотодиода также течет через резистор R2, создавая такое же сигнальное напряжение. Этот ток течет и в цепь обратной связи, но дает меньший эффект из-за меньшего сопротивления резисторов.

- влияние нежелательного напряжения на диоде;

б - устранение влияния при помощи подключения диода между входами операционного усилителя.

Рисунок 2.7 - Одновременное преобразование тока в напряжение и усиление по напряжению на одном операционном усилителе

Здесь добавляется небольшая составляющая, возникающая из-за того, что удален операционный усилитель как источник повышения усиления. Однако новый источник включен на рис. 2.7,б, снова из-за емкости диода, как показано на рис. 2.8,а. Напряжение шума усилителя действует непосредственно через емкость, порождая шумовой ток, который течет через резистор R2.

Влияние на частотную характеристику изображено на рис. 2.9, и оно также вызывает подъем шумового усиления на высоких частотах. Это происходит на более высоких частотах, чем в базовой схеме преобразователя тока в напряжение, потому что применяется меньшее сопротивление, и этот подъем быстрее прекращается из-за спада частотной характеристики операционного усилителя. Для диода с малой емкостью, использованного в обоих примерах схем, он теперь охватывает небольшую область на графике, что, соответственно, уменьшает влияние шума. Для больших диодов, тем не менее, этот эффект тоже присутствует, как показано штриховой линией для емкости около 200 пФ. Часть спектра, охватываемая подъемом, не находится на верхнем краю полосы пропускания усилителя, как это было в базовой схеме. Следовательно, шум операционного усилителя не стал основным источником.

Рисунок 2.8 - Схема с емкостью фотодиода, добавляющего обратную связь к схеме на рис. 2.6

Рисунок 2.9 - График усиления

2.3 Изучение методов борьбы с помехами, вызванными внешними воздействиями

Так как уменьшение шумов, возникающих в схеме, имеет пределы, необходимо рассмотреть и внешние источники шумов. Преобразователь тока в напряжение крайне чувствителен к помехам от электростатических, магнитных и радиочастотных источников. Эти источники требуют внимания при экранировании, заземлении и физическом расположении компонентов, иначе их вклад в шум устройства будет основным. Электростатическая связь с линиями питания передает шумовые сигналы через взаимные емкости, которые существуют между любыми двумя объектами.

Разность напряжений между объектами влияет на их емкость, и любые изменения напряжения создают шумовые токи от одного объекта к другому. Чтобы избежать этих ложных сигналов, используется электростатическое экранирование, которое преграждает путь паразитным токам и отводит их на «землю». В этом случае заземление должно производиться к общей «земле» для разных объектов. Такие экраны, однако, создают паразитные емкости между экранируемыми компонентами, и они должны быть также соединены с сигнальной «землей» во избежание паразитных связей между ними. Тогда через экран протекает емкостный ток с выхода преобразователя тока в напряжение, и он шунтируется на «землю» и не создает ограничений полосы пропускания для резистора обратной связи. Кроме того, экран создает емкость между входом преобразователя и «землей», возможно, добавляя подъем усиления и тем самым влияя на общий выходной шум.

Так как электростатическая связь наиболее часто возникает на частоте питающей сети и тогда одинакова для всех точек схемы, она является естественным «кандидатом» на устранение при помощи подавления синфазного сигнала в операционном усилителе. На этой частоте коэффициент ослабления синфазного сигнала очень велик, но в обычной схеме преобразователя тока в напряжение он не используется. Так как фотодиод генерирует токовый сигнал, он доступен на обоих выводах этого датчика и может подключаться к обоим входам усилителя, как показано на рис. 2.10,а.

а - подача сигнала на дифференциальный вход;

б - ослабление электростатической связи.

Рисунок 2.10 - Использование коэффициента ослабления синфазного сигнала операционного усилителя

Здесь ток диода больше не возвращается по «земле», а подается на неинвертирующий вход усилителя. Тем самым создается второе напряжение сигнала, которое удваивает усиление схемы, когда R1 = R2 для компенсации [9]. Для данного значения усиления сопротивления резисторов должны составлять только половину от нормального для аналогичного уменьшения ошибки от входных токов усилителя. Здесь также отсутствует постоянное напряжение на фотодиоде, так как он включен между входами операционного усилителя. А так как напряжение между входами практически равно нулю, то отсутствует и ток утечки фотодиода. Помимо этих преимуществ, добавляется еще и улучшение ослабления синфазных наводок. Электростатическая связь в этом преобразователе тока в напряжение показана на рис. 2.10,б рядом с паразитными емкостями преобразователя. Здесь подразумевается нулевой сигнал, чтобы продемонстрировать только влияние электростатической связи.

Источник электростатического шума ee генерирует токи ошибки через взаимные емкости в схеме с двумя входами. Может показаться, что влияние связи будет различным для двух точек, потому что обратная связь устанавливает виртуальный нулевой импеданс в точке подключения к резистору, а второй узел имеет высокий импеданс. Но шумовая связь происходит через токи в емкостях, которые зависят только от напряжений на емкостях. На обоих входах под действием обратной связи усилителя устанавливаются одинаковые напряжения, и поэтому шумовые токи оказываются одинаковыми. Эти одинаковые токи порождают эффект подавления шумового напряжения на двух резисторах схемы до нуля на выходе.

Точность подавления ошибки определяется согласованием трех факторов: взаимных емкостей, резисторов и шунтирующих их паразитных емкостей. Согласование взаимных емкостей достигается размещением резисторов на равных расстояниях от любых источников значительных помех, неэффективно блокируемых экраном. Равные величины сопротивлений гарантируют точное подавление паразитных сигналов до тех пор, пока не будут достигнуты частоты, на которых начинается разбаланс из-за шунтирующих паразитных емкостей. Резистор R1 шунтируется только паразитной емкостью около 0,5 пФ, но параллельно в резисторе R2 работает намного большая синфазная входная емкость операционного усилителя.

Для большинства случаев электростатической связи с силовыми проводами на частоте питающей сети описанное емкостное шунтирование дает лишь незначительный эффект. Для лучшего подавления высоких частот надо или добавить конденсатор параллельно резистору R1, или же обеспечить постоянный сигнал на входной емкости. Последний вариант освобождает от ограничения полосы пропускания - так же, как и при использовании второго дифференциального подключения.

Рисунок 2.11 - Усилитель с дифференциальными входами, имеющий широкую полосу усиления

Как показано на рис. 2.11, фотодиод подключается между входами двух преобразователей тока в напряжение, выходы которых соединены с входами дифференциального усилителя. Ток фотодиода течет через два одинаковых сопротивления, на которые действует одинаковая электростатическая шумовая связь. Ток диода создает дифференциальный сигнал на сопротивлениях, а шумовая связь генерирует синфазный сигнал. При прохождении через блок с усилителем А3 (выделенного желтой областью) эти сигналы разделяются: сигнал диода проходит на выход, а шумовой сигнал подавляется. Неинвертирующие входы обоих преобразователей тока в напряжение заземлены, поэтому на обоих выводах диода устанавливается нулевое напряжение. Кроме того, в такой схеме исключается появление сигнала на синфазных входных емкостях, поэтому увеличивается полоса усиления сигнала и подавления электростатических помех. Неинвертирующие входы не подключаются через высокое сопротивление для коррекции ошибок от входного тока, так как усилители А1 и А2 формируют согласованные напряжения на своих выходах. Эти напряжения являются синфазным входным сигналом для конечного блока, и поэтому они подавляются.

Другая функция, которую может выполнять дифференциальная схема на рис. 2.11 - это дифференциальное измерение сигналов от двух фотодиодов. Вместо диода D1 к входу каждого преобразователя тока в напряжение подключается по отдельному диоду. Эти диоды показаны на рис. 2.11 штриховыми линиями. Их токи порождают независимые напряжения на выхода

усилителей A1 и А2, после чего они проходят через дифференциальный усилитель для устранения синфазной составляющей. Оставшееся выходное напряжение пропорционально разности между двумя входными фототоками как мера относительной освещенности. Такой сигнал используется в датчиках положения или слежения за оптической дорожкой в качестве сигнала обратной связи.

Может оказаться, что магнитную шумовую связь труднее устранить, чем электростатическую, но ее влияние также уменьшается при использовании дифференциальных входов. В этом случае возникает связь через взаимную индуктивность, поэтому основной задачей является минимизация размеров петель проводников вместе с экранированием и максимальным разделением источника и приемника помех.

Ее влияние не устраняется электростатическим экраном, поэтому первым шагом должно быть подавление помех непосредственно на их источнике. Силовые трансформаторы, которые невозможно удалить на достаточное расстояние, должны иметь экранирование, чтобы бoльшая часть их магнитных полей оставалась внутри трансформатора. Оставшиеся магнитные связи воздействуют через физическую и схемотехническую конфигурации. Резисторы с большим сопротивлением, используемые в трансимпедансных усилителях, чувствительны к этому воздействию, и соединения между этими резисторами и высокоимпедансными входами операционных усилителей должны быть как можно короче. Оставшиеся помехи делаются синфазными за счет согласования формы и размеров проводников, чтобы операционный усилитель мог их подавить. На рис. 2.10 и 2.11 большое сопротивление разделено между двумя одинаковыми элементами, которые физически монтируются с одинаковой ориентацией и на одинаковом расстоянии относительно источника магнитных помех. Помехи, наведенные на два резистора, в этом случае создают одинаковые сигналы, которые подавляются на выходе усилителя.

Третья разновидность помех - радиочастотные - хуже ослабляются усилителями, поэтому основными способами борьбы с ними являются экранирование и фильтрация. Источники радиочастотных помех могут оказаться поблизости от схемы с фотодиодом (например, цифровые схемы, которые наиболее часто присутствуют в системе). На высоких частотах операционные усилители имеют небольшое усиление и слабое подавление синфазных сигналов, и поэтому они не могут подавлять радиочастотные сигналы. Из-за этих ограничений операционных усилителей и ограничения полосы в основной схеме преобразователя тока в напряжение исследуемые сигналы не могут находиться в радиочастотном диапазоне. Для удаления нежелательных сигналов можно использовать фильтрацию, если ее удастся применить на входе усилителя. Фильтрация после усилителя менее эффективна, так как операционный усилитель может работать подобно радиочастотному детектору, отделяющему более низкие частоты от несущей. Дальнейшее уменьшение этих видов шумов можно получить при помощи радиочастотных экранов и «земляных» слоев на печатной плате [10,11].

3. РАСЧЁТ ШУМОВ ФОТОПРИЁМНИКА

.1 Шум Джонсона-Найквиста

Собственные шумы самого фотоприемника, шум излучения сигнала или шумы электронного тракта фотоприемного устройства ограничивают ту минимальную мощность, которую можно зарегистрировать с помощью данной оптико-электронной системы. При тщательной разработке малошумящих электронных приборов можно добиться, чтобы шум системы был меньше шума на выходе фотоприемника. При разработке оптимального приемника стремятся снизить собственные шумы до такого уровня, когда минимальная регистрируемая мощность ограничена только шумами излучения. Это возможно не во всех случаях. Рассмотрим шумы в полупроводниковых фотоприемниках, а затем в фотоэмиссионных.

При электрическом смещении, приложенном к полупроводнику, всегда существует некоторый минимальный шум, называемый шумом Джонсона, шумом Найквиста или тепловым шумом. Этот шум обусловлен хаотическим движением носителей заряда в материале и определяется диссипативным характером рассеяния энергии. Мощность шума Джонсона зависит только от температуры и полосы частот, в которой шум измеряется, хотя напряжение шума и шумовой ток зависят от сопротивления.

Шум Джонсона присущ всем резистивным материалам, включая полупроводники. Он наблюдается и в отсутствие электрического смещения и проявляется в виде флуктуации напряжения или тока (в зависимости от принятой схемы измерений).

      Шум Джонсона в зависимости от рассматриваемых частот может иметь классическое представление и квантовое [12]. Условием, когда шум Шум Джонсона можно рассматривать в квантовом представлении, является

 , (3.1)

где k= 1,382-23 - постоянная Больцмана;

Т- абсолютная температура фотодиода.

Условие выполняется для диапазона длин волн 0,9 … 1,7 мкм, в котором работают фотодиоды. Это соответствует полосе частот от Гц до Гц. Полоса частот соответственно равна Гц. Рассмотрим наихудший вариант (всеклиматическое исполнение), когда температура Т= +55°С=273,15+55=328,15К. Тогда

 Дж, (3.2)

Дж, (3.3)


 Дж, (3.4)

. (3.5)



Очевидно, что выполняется квантовое выражение для шума Джонсона. В состоянии теплового равновесия с температурой спектральная плотность ЭДС определяется выражением (квадрат действующего значения напряжения):

. (3.6)



Тогда амплитудное значение напряжения:

. (3.7)



Амплитудное значение шумового тока:

.(3.8)



Откуда средняя мощность шумов:

.(3.9)



Выполним оценку выражений (3.6) - (3.9) с учётом, что сопротивление шунта в эквивалентной схеме у современных PIN фотодиодов фирмы Hamamatsu Ом. Амплитудное значение гармонического напряжения шума Джонсона находится в диапазоне от B до B . Амплитудное значение гармонического тока шума Джонсона находится в диапазоне от A до A. Средняя мощность шума Джонсона находится в диапазоне от  Вт до Вт.

Очевидно, что шумом Джонсона в диапазоне длин волн 0,9 … 1,7 мкм можно пренебречь, поскольку мощность этого шума значительно меньше мощности световых импульсов. Теперь рассмотрим диапазон частот от Гц до Гц, который возможным длительностям импульсов лазерного излучения и полосе пропускания усилителя, который работает с электрическим фотосигналом. Оценим шум Джонсона. Оценим условия для классического представления шума Джонсона.

Дж,(3.10)


 Дж, (3.11)

.(3.12)



Поскольку классическое условие выполняется, средний квадрат мощности  шума Джонсона в полосе частот измерительного тракта Гц равен

.(3.13)



Напряжение холостого хода  и ток короткого замыкания  записываются в виде:

,(3.14)


 . (3.15)

Напряжение холостого хода шума Джонсона составляет B. и Ток короткого замыкания тока шума Джонсона составляет A средний квадрат мощности  шума Джонсона в полосе частот измерительного тракта Гц составляет Вт.

Эти величины шума поддаются измерению приборами и соизмеримы с возможным уровнем фотосигнала, поэтому Шумом Джонсона в полосе частот измерительного тракта необходимо учитывать при разработке требований к минимальной мощности регистрируемого светового импульса и другим параметрам фотоприёмника.

Для любых других типов шумов существует зависимость мощности шума от приложенного напряжения. Эти шумы складываются (квадратично) с шумом Джонсона и их можно отнести к числу избыточных [13].

.2 Дробовой шум

Второй тип шумов, также поддающийся точному анализу, наблюдается в фотодиодах и называется дробовым шумом диффундирующих носителей заряда или просто дробовым шумом. Дробовой шум iSN возникает, когда носители заряда случайно пересекают некоторый потенциальный барьер. При этом каждый носитель генерирует в цепи импульс тока, и суперпозиция этих импульсов образует флуктуирующий ток. Термин «дробовой шум» происходит из-за аналогии этого явления шуму сыплющихся дробинок.

,(3.16)




где - ток насыщения при обратном смещении (сумма темнового тока и фототока);

q- заряд электрона;- спектральная плотность тока катода.

Значение фототока - неизвестная величина, зависящая от мощности падающего света. В ходе расчётов, в зависимости от уровня шумов, её необходимо будет выбрать с некоторым запасом. Значение темнового тока  фотодиодов даётся в описании. Например, для G8941-03 нА (Hamamatsu), для FDGA05 нА (Thorlabs), для ДФД300ТО нА (Dilas).

Выберем для оценки вариант, у которого самый большой темновой ток нА и наибольший дробовой шум. Согласно выражению (3.16) ток дробового шума составляет А.

Определим общий шумовой ток :

.(3.17)



 Это значение меньше, чем предполагаемый темновой ток нА.

Оценим суммарную мощность шума  Джонсона и дробового шума.

Вт.(3.18)



Эта мощность определяет минимальный уровень фотосигнала, который появляется на выходе фотодиода после преобразования света в электрический ток. Поскольку есть и другие источники шумов, то для надёжной работы фотоприёмника выбрать некоторый запас и обеспечить уровень фотосигнала значительно больше 3,19 нВт [14,15].

.4 Операционный усилитель с PIN фотодиодом

Ранее были рассмотрены различные варианты фотодиодов с встроенным усилителем, а теперь я хочу рассмотреть вариант когда усилитель и фотодиод это две разные конструкции.

Фотосигнал с PIN фотодиода можно усилить с помощью операционных усилителей и попытаться обеспечить параметры фотоприёмного устройства не хуже, чем у аналогичных фотоприёмных устройств с лавинными фотодиодами.

Эта задача очень важная и актуальная, поскольку стоимость PIN фотодиодов значительно ниже, чем лавинных, сделанных из тех же самых материалов. В то же время сейчас есть малошумящие усилители, способные решить задачу предварительного усиления фотосигнала на выходе PIN фотодиода.

Мной был выбран широкополосный быстродействующий операционный усилитель с полевыми транзисторами на входе производства российской фирмы “НПП ВОСТОК” (рис 4.4). Конструкция и схемное построение микросхем К/КР544УД2 направлены на достижение высоких динамических параметров при одновременном получении высокого входного сопротивления и низкого входного тока. Интегральные микросхемы К/КР544УД2 выполнены по комбинированной биполярно-полевой технологии, формирующей на одном кристалле n-канальные полевые транзисторы с управляющим р-n-переходом, nрn-транзисторы и вертикальные рnр-транзисторы.

а - К544УД2, б - КР544УД2, в - К544УД2Т.

Рисунок 4.4 - Операционные усилители

При этом за счёт использования полевых транзисторов на входе решаются проблемы входного сопротивления и входного тока, а сочетание этих же транзисторов и вертикальных рnр-транзисторов позволяет оптимально решить вопросы широкополосности и быстродействия при относительно небольшом токе потребления.

Микросхемы К/КР544УД2 имеют полную внутреннюю частотную коррекцию, рассчитанную на все масштабные режимы отрицательной обратной связи, в том числе - повторитель напряжения. С целью оптимизации динамических параметров в каждом конкретном случае применения в микросхеме К/КР544УД2 предусмотрена возможность управления внутренней коррекцией путём замыкания или размыкания выводов (1) и (8) микросхемы (рис.4.5). При замыкании выводов (1) и (8) (рис.4.5) коррекция включается, при размыкании - отключается. Построение электрической схемы К/КР544УД2 электрической схемы К/КР544УД2 обеспечивает устойчивую работу с отключённой коррекцией при масштабном коэффициенте усиления от 20 и выше. В таких случаях отключение коррекции значительно улучшает динамические параметры микросхемы К/КР544УД2 по сравнению с традиционно используемым в аналогах её постоянным включением. Так при Ку = +20 достигается произведение усиление на полосу пропускания более 200 МГц и скорость нарастания около 110 В/мкс. В режимах повторителя напряжения (Ку= +1) и Ку< 20 используется полное включение внутренней частотной коррекции путём замыкания выводов (1) и (8), (1)-баланс, коррекция, (2)-вход инвертирующий, (3)-вход неинвертирующий, (4)-источник питания (минус), (5)-баланс (6)-выход,(7)-источник питания (плюс), (8)-коррекция.

Рисунок 4.5 Назначение выводов (вид сверху)

Для схем применения с коэффициентом усиления в диапазоне 1 < Ку <

< 20 с целью улучшения динамических параметров допускается ослабление действия внутренней частотной коррекции за счёт включения между выводами (1) и (8) конденсатора 0,5+50 пФ.

Таблица4.3 - Электрические параметры микросхем

Параметр 

T°С

К544УД2А КР544УД2А К544УД2АТ

К544УД2Б КР544УД2Б К544УД2БТ

КР544УД2В К544УД2ВТ

КР544УД2Г К544УД2ГТ

1

2

3

4

5

6

Коэффициент усиления напряжения, не менее

+25 +70 -45

20 000 12 000 10 000

10 000 6 000 5 000

 20 000 12 000 10 000

20 000 12 000 10 000

Напряжение смещения, мВ, не более

+25 -45, +70

30 40 -

50 60 -

50 60 -

10 13 -

Температурный коэффициент напряжения смещения нуля, мкВ/°С, не более

  +25… +70  +25…-45

  50 -

  100 -

  100 -

  30 -

+25 +70

0,1 5

0,5 25

1 50

0,1 5

Разность входных токов, нА, не более

 +25

 0,1

 0,5

 1

 0,1

Коэффициент ослабления синфазных входных напряжений, дБ, не менее

 +25

 70

 70

 70

 70

Частота единичного усиления, МГц,

 +25

 15

 15

 15

 15

Максимальная скорость нарастания выходного напряжения, В/мкс, менее

  +25

  20

  20

  10

  20

Максимальное выходное напряжение, В,не менее

+25 -45, +70

10 - -

10 - -

10 - -

10 - -

Ток потребления, мА, не более

+25 +70 -45

7 6.5 7.5

7 6.5 7.5

7 6.5 7.5

6 5.5 6.5


Параметры миксосхемы К/КР544УД2 (табл.4.3) нормируются в диапазоне температур от минус 45°С до плюс 70°С. При монтаже микросхемы К/КР544УД2 должны соблюдаться правила монтажа и развязки по питанию высокочастотных схем [20].

В отличие от обычных PIN фотодиодов, лавинным фотодиодам присущ

механизм внутреннего усиления. При одинаковой падающей мощности фотосигнал лавинного фотодиода превышает фотосигнал обычного фотодиода тех же размеров, изготовленного из того же самого полупроводникового материала.

Применение:

быстродействующие интеграторы;

схемы выборки и хранения;

буферные усилители;

усилители для фотоприёмников;

импульсные усилители, широкополосные усилители и компараторы;

генераторы высокочастотных колебаний с большой амплитудой выходного напряжения;

стандартные схемы общего применения.

К микросхеме КР544УД2А которая лежит в основе операционного усилителя я подобрала PIN фотодиод G8941-03.

Хотя внутреннее усиление не приводит к увеличению отношения сигнал-шум, а скорее может уменьшить его - имеется возможность снизить требования к шумовым характеристикам предусилителей, используемых в фотоприемниках с ЛФД. Значительное лавинное усиление можно получить без уменьшения быстродействия ЛФД.

Главные достоинства ЛФД заключается в высоком коэффициенте усиления и быстродействии, не достижимых обычными PIN фотодиодами. Но шумовые характеристики обычных PIN фотодиодов лучше и меньше энергопотребление.

Самый дешёвый лавинный фотодиод G8931-04 APD стоимостью ($340) дороже среднего PIN фотодиода G8941-03 ($64) более, чем в 5 раз[21].

.5 InGaAs фотодиод с усилителем

Усилители AD8605, AD8606, и AD8608 (рис. 4.6) являются одно-, двух и четырехъядерные, с однополярным питанием. Они облаадют очень низким напряжением смещения, малым входным напряжением и током, низким уровнем шума, у них широкая полоса пропускания сигнала.

Они используются в:

аналоговых устройствах;

многоканальных фильтрах;

датчиках;

сканерах штрих - кода;

аудио технике;

как усилитель для фотодиода.

Сочетание низкого напряжения смещения 65 мкВ, низкого уровня шума 8 нВ, температурного диапазона от минус 40 до плюс 125°C, низкого входного тока 1 пА, широкой полосы пропускания 10 МГц, высокого коэффициента усиления без обратной связи 1000 В/мВ, операция одного источника питания 2,7…5,5 В и высокой скорости работы дают этим усилителителям широкий спектр применения [22].

а - AD8605; б - AD8606; в - AD8608.

Рисунок 4.6 - Операционные усилители

фотодиод pdi-40p-r55 производства фирмы Manufacturer Америка (рис. 4.7), имеют малое обратное отражение, диаметром активной области 40 мкм, спектральный диапазон 0,8 … 1,650 мкм, чувствительность (λ=1,55 мкм) >0,95 А/Вт, диапазон рабочих температур от минус 40 до плюс 80°C, обратный ток 10 мА, обратное напряжение 40 В.

Использование InGaAs фотодиод pdi-40p-r55 в комплекте с усилителем AD8605 сделает современные фотоприемные устройства и устройства, используемые в дальнометрии ещё более мощными и перспективными благодаре широкому спектрально диапазону фотодиода и низкому уровню шума в усилителе. Но характеристики фотодиода в документации на этой длине волны приведены не в полном объёме, поэтому данный вопрос требует дополнительных исследований [23].

Рисунок 4.7 - Стабильность оптической мощности волоконно-оптического тракта при использовании фотодиодов с различной величиной обратного отражения

.6 Пироприёмники

Пироприемники являются, пожалуй, наиболее массовым первичным датчиком (чувствительным элементом), используемым в современной охранной технике. Десятки типов пассивных инфракрасных извещателей различного назначения, построенных на их основе, производятся как отечественными, так и зарубежными производителями. Значительный интерес к детекторам этого типа вызван рядом их преимуществ перед аналогичными устройствами с иными принципами действия. Отсутствие излучающего сигнала является привлекательным с экологической точки зрения, малое энергопотребление позволяет использовать резервное питание в течение длительного времени, а современные методы обработки сигнала позволяют достичь высокой помехоустойчивости устройства. Немаловажным преимуществом ИК-детекторов является невысокая стоимость при высокой эффективности обнаружения.

Принцип действия пироэлектрических приемников основан на возникновении электрических зарядов в кристалле танталата лития под воздействием инфракрасного излучения. Разность потенциалов, возникающая в кристалле при облучении, не превышает 1мВ. Большинство пироприемников, выпускаемых в настоящее время, имеют дифференциальную структуру из двух чувствительных элементов, включенных для компенсации внешних наводок противофазно в парах. Таким образом, детектор в целом реагирует только на градиент температуры между двумя площадками, в то время как фоновое значение температуры компенсируется за счет противофазного включения площадок. Некоторые производители предлагают счетверенные пироэлементы - это два сдвоенных пироприемника, расположенных в одном датчике. При этом геометрия размещения пироприемников и схема их включения выбирается таким образом, чтобы полезный сигнал в двух каналах был противоположной полярности, а сигналы от электромагнитных помех взаимно компенсировались. Для исключения влияния внешних помех пироприемники опрессовываются в металлический корпус типа ТО-5 и содержат встроенный усилитель (полевой транзистор или реже ОУ со входом на полевом транзисторе). Таково классическое решение, применяемое у всех известных мировых производителей пироприемников (Murata, Perkin Elmer, Nippon Ceramics).  Для своей работы я выбрала пироприёмник (рис. 4.8) российского научно - производственного предприятия НПП “ВОСТОК”. ФПУ-76-03 - это двухканальный, двухспектральный приёмник оптического излучения, пироэлектрический.

Рисунок 4.8 - Пироприёмник ФПУ-76-03

На приборе устанавливается окно, просветленное на длину волны в диапазоне от 2 до 20 мкм (или полосовые, отрезные фильтры в этом диапазоне). Приемник оптического излучения предназначен для преобразования энергии модулированного излучения в электрический сигнал.

Преимущества:

высокая вольтовая чувствительность;

низкое питающее напряжение;

малая мощность потребления;

низкий коэффициент влияния питающих напряжений на напряжение

выходного сигнала;

малые габариты и масса;

два фоточувствительных элемента размером 1x1 мм;

двойной апертурный угол не менее 90°;

диапазон рабочих температур от -45 до +55 °C;

диапазон предельных температур от -60 до +60 °C.

Применяется в приборах измерения и регистрации малых концентраций СО, С02, углеводородов. Прибор выполнен в малогабаритном герметичном металлостеклянном корпусе и состоит из двух каналов [24]. В настоящее время в военной промышленности используются фотодиоды но они значительно уступают по параметрам пириприёмникам. Для наглядности сравним характеристики пироприёника ФПУ-76-03 и фотодиода ФД-3А (табл. 4.4)[25].

Таблица 4.4 - Сравнение параметров ФД-3А и ФПУ-76-03

Сравниваемые ФПУ

ФД-3А

ФПУ-76-03

Результат сравнения

Площадь чувствительного элемента, мм

3

1

ФПУ-76-03 лучше

 Диапазон рабочих температур, °C

- 45…+ 55

- 45…+ 55

Одинаковые

Потребляемая мощность, Вт

10

2,5

ФПУ-76-03 лучше

Спектральная область чувствите- льности, мкм

 0,4…1,9

 3,36

ФПУ-76-03 лучше

Диапазон длин волн, мкм

1,6

2…20

ФПУ-76-03 лучше


5. ОХРАНА ТРУДА И БЕЗОПАСНОСТЬ В ЧРЕЗВЫЧАЙНЫХ СИТУАЦИЯХ

.1 Анализ условий труда в производственном помещении

Рабочее помещение является научно-исследовательской лабораторией, расположенной на первом этаже двухэтажного железобетонного здания. В помещении компьютерной лаборатории одновременно работает 5 человек. Каждое рабочее место оснащено персональным ЭВМ. В соответствии с НПАОП 0.00.-1.28-10 рабочее место при выполнении работ сидя, 6 м2 площади, 20 м3 объема на одного человека. Следовательно, для работы пяти человек необходимо иметь помещение размерами не менее 30 м2 площадью и не менее 100 м3 объёмом. Помещение, выбранное для работы, имеет размеры 6х6х3,5 м. Площадь помещения 36 м2 и объём 126 м3, что, исходя из выше указанных норм, вполне допустимо. На рисунке 5.1 представлена функционально структурная схема взаимодействия оборудования.

Рисунок 5.1 - Функционально структурная схема взаимодействия оборудования

подвижность воздуха рабочей зоны. Источниками избыточного тепла являются люди, оборудование, наружный воздух, источники искусственного света. Это вызывает дискомфорт, развитие утомляемости, что снижает производительность труда;

повышенный уровень ионизирующих излучений. Повышенный уровень статического электричества и повышенный уровень электромагнитных злучений;

отсутствие или недостаток естественного света, недостаточная освещенность рабочей зоны. Источниками являются малые световые проемы, отсутствие или недостаток естественного света, неправильное искусственное освещение. Повышенный уровень шума на рабочем месте. Повышенное значение напряжения в электрической цепи, замыкание которой может произойти через тело человека. Возможны электротравмы и электроудары;

статические перегрузки. Вызваны длительным пребыванием в одной позе. Приводят к перенапряжению отдельных групп мышц, снижению работоспособности, развитию утомления;

умственное перенапряжение. Возникает при обработке большого количества информации, при решении научных задач, интеллектуальном напряжении. Ведет к снижению работоспособности, утомлению, в отдельных случаях может стать причиной стресса;

перенапряжение анализаторов (зрительных, слуховых). Монотонность труда. Эмоциональные перегрузки. Следует отметить, что химические и биологические опасные и вредные производственные факторы отсутствуют.

Значения ОВПФ в данном помещении, приведены в таблице 5.1.

Таблица 5.1 - Оценка факторов производственной среды

Факторы производственной среды и трудового процесса

Значение фактора (ПДК, ПДУ)

3 класс - опасные и вредные условия труда

Пр-ть дей-я ф-а,% за смену


Норма

Факт


1

2

3

4

5

6

7

8

1. Вредные химические вещества

-

-

-

-

-

-

-

2. Шум, дБА

50

45

-

-

-

-

-

3. Неионизирующее излучение: промышленной частоты, Гц радиочастотного диапазона: 5 Гц - 2 кГц 2 кГц - 400 кГц

  10 1

  2 0,2

  - -

  - -

  - -

  - -

  - -

4. Рентгеновское излучение, мкР/ч

100

10

-

-

-

-

-

5. Микроклимат: температура воздуха в теплый период, 0С скорость движения воздуха, м /с относительная влажность, %

 23-25  £ 0,1 40-60

 24  £ 0,02 53

 -  - -

 -  - -

 -  - -

 -  - -

 -  - -

6.Освещение: естественное - КЕО, % искусственное - лк

 ≥1,5 300-500

 1,5 150

 - +

 - -

 - -

 - -

 - -

7.Тяжесть труда: 7.1 Мелкие стереотипные движения кистей и пальцев рук, за смену 7.2 Рабочая поза (пребывание в наклонном положении в течение смены)      7.3 Наклоны корпуса вынужденные, более 30 (раз за смену) 7.4 Перемещение в пространстве (переходы, обусловлен. технологическим процессом на протяжении смены), км

 40000  Нахождение в наклонном положении до 30°,25% времени рабочей смены  51-100  Горизонталь до 8

 20000  Свободная        До 20  Горизонталь до 0,4

 -  -   -  -  -

 -  -   -  -  -

 -  -   -  -  -

 -  -   -  -  -

 -  -   -  -  -

8.3 Восприятие информации и ее оценка

Восприятие сигналов с последую-щей корре-кцией дей-ствий и опе-раций

Восприятие сигналов с последую-щей корре-кцией дей-ствий и опе-раций

-

-

-

-

-

8.4 Разделение функции за степенью сложности заданий

Обработка задания и его проверка

Обработка задания и его проверка

-

-

-

-

-

 8.5 Характер выполняемой работы

Работа по установленному графику с возмож-ностью его коррекции

Работа по установленному графику с возмож-ностью его коррекции

-

-

-

-

-

9. Сенсорные нагрузки 9.1 внимание, продолжительность -сосредоточения, % от смены 9.2 Плотность сигналов и сообщений за час 9.3 Количество объектов одновременного наблюдения

 25-50  75-175  5-10

 50  90  5

-  -  -

-  -  -

-  -  -

-  -  -

-  -  -

10. Напряжённость зрительных анализаторов, категория работ

Точная

Высоко точная

+

-

-

-

-

11. Нагрузки на слуховой анализатор (восприятие речи и сигналов), %

 70-90

 80

-

-

-

-

-

12. Монотонность 12.1.Количество элементов(приемов), необходимых для реализации простого задания или в операциях, которые повторяются много раз  12.2.Продолжительность выполнения операций, которые повторяются

      25-100

    

 -     -

 -     -

 -     -

 -     -

 -     -

13. Режим работы  13.1. Сменность

2х сменная работа без ночной смены

 Дневная (8 часов)

 -

 -

 -

 - 

 -

13.2. Наличие регламентированных перерывов и их продолжительность, % час в смене

Перерывы 3-7% от времени смены

До 12% времени смены

-

-

-

-

15%

Общее количество факторов

-

-

1

-

-

-

-


Доминирующим вредным фактором является недостаточная освещенность рабочей зоны. Во время работы в научно - исследовательской лаборатории искусственное освещение очень низкое 150 лк. Низкий уровень искусственного освещения вызывает функциональные изменения, и содействуют росту заболеваемости с временной потерей трудоспособности, а так же существенно ухудшается зрение у сотрудников лаборатории. Гигиеническая оценка факторов производственной среды и трудового процесса позволяет отнести рабочее место к 3-му классу 1-ой степени вредности. Для приведения данного фактора к нормативным значениям в научно - исследовательской лаборатории необходимо выбрать и рассчитать систему общего равномерного освещения.

.2 Промышленная безопасность в производственном помещении

В данном помещении используется система питающих проводников трехфазная четырехпроводная с глухозаземлённой нейтралью ,напряжением 380/220В переменного тока частотой 50 Гц. Согласно НПАОП 40.1-1.21-98 «Правила безпечної експлуатації електроустановок споживачів» данное помещение по классу опасности поражения электрическим током относится к классу помещений без повышенной опасности поражения электрическим током, в которых отсутствуют условия, создающие повышенную или особую опасность. К таким условиям относятся повышенная влажность, токопроводящая пыль, высокая температура (выше 35 °С) токопроводящие полы, возможность одновременного прикосновения к имеющим связь с землёй металлоконструкциям зданий с одной стороны и к корпусам электрооборудования с другой (применены деревянные решётки на батареях отопления).

Согласно ПУЭ - 2011 для обеспечения электробезопасности в системе питающих проводников - трехфазной и четырёхпроводной с глухозаземлённой нейтралью, используют систему заземления типа TN-C-S и изоляцию токоведущих частей. Время срабатывания автоматов защиты не более 0,2 сек. Блоки непрерывного питания находятся возле рабочих мест и имеют двойную изоляцию НПАОП 40.1-1.32-01 «Правила будови електроустановок. Електрообладнання спеціальних установок».

Повторные инструктажи в соответствии с НПАОП 0.00-4.12-05 проводятся раз в пол года. Вводный инструктаж проводится в обязательном порядке со всеми новыми работниками перед началом трудовой деятельности. В случае изменения технологического процесса, действующих стандартов, или в случае нарушения техники безопасности проводится внеплановый инструктаж с группой работников. Первичный инструктаж проводится в начале работы непосредственно на рабочем месте с новопринятым работником (постоянно или временно), с работником, который переводится с одного структурного подраздела предприятия к другому, который будет выполнять новую для него работу, откомандированным работником другого предприятия, который принимает непосредственное участие в производственном процессе на предприятии. Первичный инструктаж на рабочем месте проводится индивидуально или с группой лиц за действующими на предприятии инструкциями по охране труда согласно выполняемым работам.

Целевой инструктаж проводится с сотрудниками при ликвидации аварии или стихийного бедствия; при проведении робот на которые соответственно с законодательством оформляется наряд-допуск, приказ или распоряжение. Целевой инструктаж проводится с сотрудниками индивидуально с определённым сотрудником или группой сотрудников. Объём и содержание целевого инструктажа зависит от вида выполняемых робот.

.3 Производственная санитария в помещении

Для повышения работоспособности создана наиболее благоприятной в техническом отношении обстановка в научно - исследовательской лаборатории.

В помещении созданы оптимальные нормы микроклимата согласно НПАОП 0.00-1.28-10 и ДСН 3.3.6.042-99: температура воздуха +24 °С; относительная влажность 40-60 %. Для поддержания оптимальных метеорологических условий предусматривается система кондиционирования.

В тех случаях, когда естественного освещения недостаточно для обеспечения допустимых условий труда персонала, необходима установка дополнительного искусственного освещения. Рекомендуется в светлое время суток использовать естественное освещение, а искусственное применять только при его явном недостатке.

Плоскость нормирования освещенности - горизонтальная, ее высота над полом - 0,8м. Для электрического освещения помещения с размерами 6х6 м, высотой h = 3,5м будут использованы потолочные светильники типа ЛПО-01, с размерами светильника длина 1,2 м, ширина 0,14 м, высота 0,1 м с двумя люминесцентными лампами типа ЛБ-40, мощность, потребляемая одной лампой, составляет 40 вт; световой поток - фл= 3120лм.

Определим расстояние от рабочей поверхности до светильника по формуле:

= h - hр = 3,5 - 0,8 = 2,7 м, (5.1)

где h - высота помещения; р -высота плоскости освещения над полом, 0,8 м;

Найдем индекс помещения по формуле:

= A · B/(Hp · (A+B)) = 6 ∙ 6/(2,7 · (6+6)) = 1,2, (5.2)

где А - длина помещения; В - ширина помещения.

НР - высота светильников над рабочей поверхностью

Найдем расстояние между рядами светильников по формуле:

= I · Hp = 1,3 ∙ 2,7 = 3,51 м, (5.3)

где I = = 1,3 наивыгоднейшее отношение для светильников типа ЛПО с КСС Д-1;

При ширине помещения В = 6 м найдем число рядов светильников по формуле:

n = B/L = 6/3,51 = 1,7 2. (5.4)

Световой поток излучаемый светильником:

Фсв = Фл· 2, (5.5)

где Фл - номинальный световой поток лампы ЛБ-40, 3120 лм,

Фсв = 3120· 2=6240 . (5.6)

Определим необходимое количество светильников по формуле:

=, (5.7)

где E- нормируемая освещенность,400лк;- площадь помещения;- коэффициент неравномерности освещения, Z=1,1;З- коэффициент запаса, учитывающий запыление светильников

и источников света в процессе эксплуатации, К = 1,5, при условии чистки не реже двух раз в год;

Фсв - световой поток;число рядов светильников;- коэффициент затемнения;

h - коэффициент использования светового потока, h =0,56;

Величина коэффициента использования зависит от: характеристики светильников, размеров помещения, окраски стен и потолка помещения, высоты подвеса помещения.

Так как стены помещения и потолок выбелены и выкрашены в светлые тона, предположительно оценим коэффициент отражения поверхностей помещения: Rп = 70%, Rс = 50%, Rрас. пов. = 30%, индекс помещения і = 1,2, согласно справочным данным [26] коэффициент использования светового потока h =0,56.

При подстановке значений имеем:

3,33. (5.8)

Расстояние от крайнего ряда светильников до стены определим по формуле

= (0,3…0,5) L , (5.9)= 0,35  3,51=1,23. (5.10)

Расстояние от светильника до стены определим по формуле

= , (5.11) ==0,6 . (5.12)

Согласно расчету - количество светильников - 6 шт.

Похожие работы на - Исследование принципов взаимодействия усилителя и фотодиода

 

Не нашли материал для своей работы?
Поможем написать уникальную работу
Без плагиата!
Без нейросетей!