Исследование масштабирующих преобразователей
Лабораторная
работа №1
Тема:
«Исследование масштабирующих преобразователей»
Выполнение работы
преобразователь
генератор усилитель
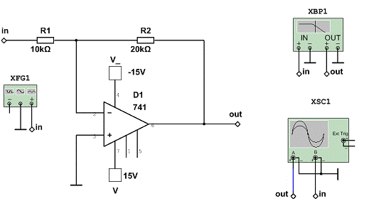
Собрать схему инвертирующего усилителя на ОУ,
содержащую ОУ
, функциональный
генератор и измеритель амплитудно-частотных характеристик.
Рис. 1. Схема инвертирующего усилителя с
коэффициентом усиления 2.
Рис. 2. Осциллограмма входного и выходного
сигналов на частоте 1 кГц.
Устанавливаем функциональный
генератор в режим синусоидального напряжения частотой f=1 кГц и амплитудой Um
=2 В. Снимаем осциллограмму входного и выходного сигналов (рис. 2). По
осциллограмме видно, что коэффициент усиления схемы равен Ku = 2, а сигналы
находятся в противофазе, то есть сдвиг фазы равен 180 0 , что совпадает с
теоретическими величинами коэффициента усиления
и сдвига фазы инвертирующего усилителя,
коим и является данная схема.
Смотрим по Datasheet к данному
операционному усилителю на его параметр Slew rate (скорость нарастания
выходного напряжения):
. Теперь
определим максимальную частоту усиливаемого сигнала при заданной амплитуде
выходного сигнала:
Подавая на вход усилителя
гармонический сигнал частоты 20 кГц и той же амплитуды (2В) по осциллограмме
выходного сигнала визуально убедимся в отсутствии искажений:
Рис. 3. Осциллограмма входного и
выходного сигналов на частоте 20 кГц.
Увеличим частоту сигнала до 25 кГц и
убедимся в наличии искажений, что подтверждает правильность найденной
максимальной усиливаемой частоты:
Рис. 4. Осциллограмма входного и
выходного сигналов на частоте 25 кГц.
Посмотрим на форму выходного сигнала
при подаче на вход усилителя сигналов заданной амплитуды 2 В, и частотами:

Рис. 6. Осциллограмма входного и
выходного сигналов на частоте 40 кГц.
Рис. 7. Осциллограмма входного и
выходного сигналов на частоте 50 кГц.
Рис. 8. Осциллограмма входного и
выходного сигналов на частоте 100 кГц.
Сделаем коэффициент усиления схемы
равным 1 (рис. 9):
Рис. 9. Схема инвертирующего
усилителя с коэффициентом усиления 1.
Теперь снимем АЧХ и ФЧХ усилителя
(рис. 10 и 11):
Рис. 10. АЧХ инвертирующего
усилителя с коэффициентом усиления 1.
Из рисунка 10 видно, что частота
среза схемы равна 500 кГц.
Рис. 11. ФЧХ инвертирующего
усилителя с коэффициентом усиления 1.
Определим выходное напряжение на
схеме (рис. 12):
Рис. 12. Схема измерения выходного
напряжения, обусловленного напряжением смещения и входными токами ОУ.
Выходное напряжение на схеме (рис.
12) составляет 15,9 мВ.
Далее включим между неинвертирующим
входом и общим проводом резистор
и опять измерим выходное напряжение
(рис. 13).
Рис. 13. Включение корректирующего
резистора R3 для компенсации выходного напряжения, обусловленного входными
токами ОУ.
Теперь выходное напряжение
составляет около 5,1 мВ. Физически это объясняется тем, что на резисторе R3,
благодаря ненулевому входному току, падает некоторое напряжение, которое
вычитывается из напряжения инвертирующего входа.
Рассчитаем теоретическое значение
выходного напряжения в обеих схемах по формуле:
В справочниках указаны максимальные
значения
и
. Поэтому
значения этих токов, принятые в конкретной компьютерной модели измерим
непосредственно программными средствами:
. Напряжение смещения по справочнику
для данного усилителя:
, однако,
виртуальные измерения показывают значение
.
Теперь рассчитаем выходное
напряжение схемы на рисунке 12:
Отклонение измеренного и расчетного
значения составляет
Рассчитаем выходное напряжение схемы
с корректирующим резистором R3 на рисунке 13:
.
Отклонение измеренного и расчетного
значения составляет
.
Расчетные значения выходных
напряжений обеих схем, выполненные с учетом принятых в модели величин токов и
напряжения смещения, отличаются от измеренных не более чем на
.
Выводы по работе
Максимальная частота усиливаемого сигнала равна
не спаду ослаблением сигнала на 3 дБ в виду провала АЧХ усилителя, а гораздо
раньше и определяется параметром slew rate (скоростью нарастания сигнала).
Принятые в модели симулятора
величины
и
отличаются
от справочных, в которых отображены лишь максимальные и типовые значения этих
величин.
С учетом принятого в симуляторе
напряжения смещения и входных токов, погрешность расчета выходного напряжения,
обусловленного этими величинами, не превышает 0,6%, что подтверждает
правильность расчетных формул (либо корректность моделирования работы
операционного усилителя программой - смотря, что принимаем за истину).
Расчетные формулы, представленные в
методических указаниях к работе, содержат ошибки, в частности ошибочны формулы
(1), (3), (4) и формула для максимальной частоты
.