Техническое перевооружение пунктов технического обслуживания грузовых вагонов ст. Калининград
Федеральное
агентство железнодорожного транспорта
Государственное
образовательное учреждение профессионального образования
Московский
государственный университет путей сообщения (МИИТ)
Дипломный проект
на тему:
Техническое
перевооружение пунктов технического обслуживания грузовых вагонов ст.
Калининград
Дипломник
Богдусевич С.А.
Руководитель:
Сидоров Е.С.
МОСКВА -
2011 г.
Реферат
В настоящем дипломном проекте произведено
технико-экономическое обследование и даны предложения по техническому
перевооружению ПТО Калининград эксплуатационного вагонного депо Калининград
структурного подразделения Калининградской Дирекции инфраструктуры структурного
подразделения Калининградской железной дороги - Филиала ОАО РЖД.
В общей части пояснительной записки описано ПТО
Калининград, специализирующееся на техническом обслуживании грузовых поездов.
Приведены расчеты нормативных показателей работы анализ неисправностей,
устраняемых на ПТО, разработка технологического процесса технического
обслуживания грузовых поездов, выбор потребного количества оборудования, расчет
потребного количества рабочих.
В исследовательской части проведен анализ
неисправностей устраняемых на ПТО.
В реальной части дипломного проекта по заданию
предприятия рассмотрено внедрение стационарной установки опробования тормозов
«УЗОТ-Радио».
В технологической части проекта произведен
расчет эффективности применения установки «УЗОТ Радио».
Охрана труда на ПТО Калининград затрагивает
вопрос технологии постановки вагонов на ремонтные пути ТОР Калининград, и
расстановку вагонов по ремонтным позициям с помощью электрической лебедки.
Экономическая часть дипломного проекта включает
в себя расчет экономического эффекта от технического внедрения стационарной
установки опробования тормозов «УЗОТ-Радио».
Содержание
Введение
.
Общая часть. Обследование депо и предложения по его техническому перевооружению
.1
Результаты обследование
.2
Расчет нормативных показателей работы парков ПТО
.3
Предложения по техническому перевооружению ПТО
.
Детальная разработка пункта технического обслуживания вагонов (ПТО)
.1
Анализ неисправностей, устраняемых на ПТО
.2
Разработка технологического процесса технического обслуживания грузовых вагонов
.3
Выбор потребного количества оборудования
.4
Расчет потребного количества рабочих
.
Разработка по заданию предприятия. Установка зарядки и опробования тормозов
УЗОТ-Радио
4.
Исследовательская часть
4.1
Анализ неисправностей устраняемых на ПТО
5.
Технологическая часть
5.1
Технология смены деталей на вагоне
.
Охрана труда
.1
Производство маневровых работ на путях ТОР
.2
Порядок производства маневровых работ электрической лебедкой на путях ТОР
Калининград
.
Экономическая часть
.1
Расчет капитальных вложений
.2
Расчет годового экономического эффекта
Заключение
Список
литературы
Введение
Промышленное развитие вагоностроения в нашей
стране связано с постройкой первой магистральной железной дороги между Москвой
и Петербургом. Постройка этой дороги выдвинула задачу создания отечественных
конструкций вагонов, организации их производства и ремонта. Первые грузовые и
пассажирские вагоны в нашей стране были разработаны и построены на
Александровском чугунолитейном заводе в Петербурге в 1846 году. Эту дату и
считают началом вагоностроения в нашей стране.
В царской России вагоны были примитивной
конструкции и малой грузоподъемности. Для изготовления деталей использовали
универсальное оборудование, принципы взаимозаменяемости ещё не были разработаны
и не соблюдались, поэтому сборка вагона осуществлялась кустарным способом с
применением подгоночных работ по месту.
Основоположником научных методов технологии
изготовления деталей и узлов вагонов был русский профессор А.И. Котельников. В
своих трудах по вагоностроению он впервые отразил вопросы качества (методы
приемки вагонов, влияние технологических процессов на качество продукции).
Наследием царской России, которые были двухосные вагоны грузоподъемностью 12…16
тс, для которых основным конструктивным материалом являлась древесина.
При восстановлении народного хозяйства после
гражданской войны и в годы первых пятилеток необходимо было сначала произвести
капитальный ремонт вагонов и лишь, затем ставить задачу коренной технической
реконструкции вагонного парка. Осуществление этой задачи вызвало потребность
широкой реконструкции действующих и постройки новых вагоностроительных заводов.
Уже в начале 30-х годов на железных дорогах страны появились четырехосные
вагоны повышенной грузоподъемности.
Более сложная конструкция грузовых и
пассажирских вагонов, увеличение объемов выпуска обусловили внедрение в вагоностроении
новой технологии, свойственной крупносерийному и массовому производству:
поточных методов, взаимозаменяемости узлов и деталей, стандартизации и
унификации.
В вагоноремонтном производстве главная задача
состоит в значительном повышении качества ремонта вагонов, повышении их
надежности и долговечности, увеличении послеремонтного ресурса вагонов всех
типов и их отдельных частей.
Железнодорожный транспорт, являясь основным
видом транспорта РФ, имеет важнейшее значение для нашей страны. Для нормальной
деятельности железнодорожного транспорта, необходимы соответствующее развитие и
взаимная слаженность в работе всех его звеньев - отраслей. Вагонное хозяйство с
его основой - вагонным парком - является одной из главных и сложных отраслей
железнодорожного транспорта.
Постоянное совершенствование вагонного парка
позволяет выполнять поставленные перед транспортом задачи, полное
удовлетворение грузовых и пассажирских перевозок, повышение скоростей движения
поездов, увеличение пропускной и провозной способности железных дорог,
повышение производительности труда, снижение себестоимости перевозок и
уменьшение удельных капитальных вложений.
Дальнейшее совершенствование технологии осмотра
и ремонта вагонов на основе широкого применения средств комплексной механизации
и автоматизации производства, прогрессивных технологических процессов,
внедрения поточно-конвейерного метода ремонта и системы управления качеством,
осуществления комплекса мер по улучшению качества подготовки грузовых вагонов к
перевозкам, организации текущего отцепочного ремонта. Усиление
ремонтно-технической базы вагонного хозяйства будет осуществляться за счет
технических перевооружений действующих депо, пунктов подготовки вагонов к
перевозкам, промывочно-пропарочных станций, пунктов экипировки пассажирских и
рефрижераторных вагонов.
Успешному осуществлению эксплуатации
способствуют надежность и совершенство конструкций вагонов, а также
своевременное их обслуживание и высококачественный ремонт.
Важнейшим участком в работе железнодорожного
транспорта является пункт технического обслуживания станции Калининград
эксплуатационного вагонного депо Калининград. В данном дипломном проекте
разработана организация работы пункта технического обслуживания поездов с
учетом внедрения установки УЗОТ-Радио для зарядки и опробования тормозов
подвижного состава.
Подвижной состав должен своевременно проходить
планово- предупредительные виды ремонта, техническое обслуживание и содержаться
в эксплуатации в исправном состоянии, обеспечивающем его бесперебойную работу,
безопасность движения и технику безопасности.
Предупреждение появления неисправностей и
обеспечение установленных сроков службы подвижного состава должно быть главным
в работе лиц, ответственных за его техническое обслуживание и ремонт.
Особое внимание уделяется оптимизации
межремонтных периодов и сроков службы вагонов, повышению качества ремонтных
работ, внедрению новых и совершенствованию существующих форм организации
производства.
Таким образом, вагонное хозяйство железных
дорог, развивая современную техническую базу для обслуживания и ремонта
вагонов, приобретает прочную индустриальную основу для обеспечения высокого
уровня работоспособности вагонного парка в современных и перспективных условиях
его эксплуатации.
1. Общая часть.
Технико-экономическое обследование ПТО и предложения по техническому
перевооружению
.1 Результаты обследования
Эксплуатационное вагонное депо Калининград
структурное подразделения Калининградской Дирекции инфраструктуры структурное
подразделения Калининградской железной дороги - Филиала ОАО РЖД.
Образовалось, в результате реформирования
вагонного комплекса путем выделения эксплуатационной составляющей из грузового
вагонного депо Черняховск, которое в свою очередь образовано в соответствии с
Приказом МПС №752-У от 23.09.1946 года на базе вагоно-ремонтных мастерских,
разрушенных во время Великой Отечественной войны в городе Инстенбурге,
расположенном на землях Восточной Пруссии и являлось обособленным
подразделением службы подвижного состава Калининградской железной дороги
филиала ОАО «РЖД».
Пункт технического обслуживания ст. Калининград
(в дальнейшем ПТО) входит в состав эксплуатационного вагонного депо
Калининград.
Пункт технического обслуживания вагонов ст.
Калининград предназначен для выявления и устранения технических неисправностей
вагонов перед погрузкой, в формируемых поездах для обеспечения сохранности
перевозимых грузов, безопасного и графикового проследования поездов по
гарантийным участкам и до места выгрузки. ПТО расположен на станции
Калининград.
ПТО Калининград включает в себя следующие
производственные подразделения согласно приказа №Н-136 от 19.05.08 года:
пункт текущего отцепочного ремонта вагонов;
пункт опробования тормозов по ст. Балтийский
Лес;
пункт опробования тормозов по ст. Мамоново;
пункт технической передачи в Морской торговый
порт;
пункт технической передачи терминала «Балтийск»;
пункт перестановки вагонов ст.
Дзержинская-Новая;
парк прибытия (Предгорочный);
парк «С» - сортировочно-отправочный;
парк «ПО» - приёмоотправочный;
Мамоновский парк;
портовской парк;
Передаточный парк «Порт» и Южный парк в
маневровом районе №3;
Западно-Европейский парк.
Парк прибытия (предгорочный).
Парк приёма - приёмоотправочный, пути №№101-108.
Пути предназначены для приёма нечётных поездов
со стороны Луговое Новое, чётных поездов со стороны Кутузово - Новое, Западный
- Новый, Голубево.
Парк «С».
Парк «С» - сортировочно-отправочный, имеет 25
путей, образованных 4 - мя пучками: №1 - пути №№9-14; №2 - пути №№21 - 26; №3 -
пути №№31-38; №4 - пути №№41,43-46.
Пути предназначены для накопления, формирования
и отправления грузовых и вывозных поездов на Советск, Черняховск, Балтийск,
Мамоново, Багратионовск, «Кольцо», формирования и отправления вывозных поездов
на станции Западный - Новый, Дзержинская - Новая, Кутузово - Новое, для
накопления групп вагонов на подъездные пути, грузовой двор, в Передаточный парк
«Порт».
В нечётной горловине парка «С» расположена
механизированная сортировочная горка.
Парк ПО-4
Парк ПО-4 - приёмоотправочный, имеет 3 пути
№№Iп, IIп, 4,
предназначенные для приёма, отправления поездов всех направлений, передач с
подъездных путей, грузового двора, Передаточного парка «Порт», пропуска
поездных локомотивов.
Парк западноевропейский (колея 1435 мм).
Пути 8зп, ΙII
зп Западно-Европейской колеи 1435мм - приёмоотправочный, предназначен для
приема и отправления грузовых поездов со (на) станции Дзержинская - Новая.
Мамоновский парк
Мамоновский парк - приемоотправочный, имеет пути
№№301-310, предназначенные для приёма и отправления поездов на станции: Луговое
- Новое, Дзержинская - Новая, Голубево, кроме того, пути №№304-308
предназначены для отстоя рефрижераторного подвижного состава.
Портовской парк.
Портовской парк - приёмоотправочный, имеет пути
№№401-410, пути №№401-405 предназначенные для приёма и отправления поездов на
Голубево, Западный - Новый, Кутузово - Новое по пути 3НСП, 4НСП, пути №№406-407
- для текущего ремонта вагонов, пути №№408-409 - для экипировки и технического
обслуживания рефрижераторного подвижного состава, путь №410 - стоянка
перекачивающей станции.
Маневровый район №3:
Передаточный парк «Порт» - приёма - отправочно -
сортировочный, имеет пути №№1-15, предназначенные для накопления, сортировки,
взвешивания вагонов, приёма и отправления маневровых передач с путей парка «С»,
Портовского парка.
Южный парк - имеет пути №№1, 2, 3, 4, 5, 7
предназначенные: путь №1, 3, 4 - для формирования передач в сортировочный парк,
путь №2 - ходовой, для вытяжки составов, путь №5 - ходовой, путь №7 -
соединительный.
Пункт текущего отцепочного ремонта грузовых
вагонов
Предназначен для выполнения ремонтных работ на
вагонах всех типов в объеме ТР-2, отцепленных от транзитных поездов, поездов
своего формирования с оформлением уведомления формы ВУ-23М. Работа ТОР
Калининград организована в соответствии с разработанным технологическим процессом
утвержденным 10.08.2010 г.
На участке ТОР производится замена неисправных
узлов и деталей новыми или заранее отремонтированными.
Пункт опробования тормозов по ст. Балтийский
лес.
Предназначен для контроля технического состояния
поездов и опробования тормозов.
Пункт опробования тормозов ст. Мамоново.
Предназначен для контроля технического состояния
поездов и опробования тормозов, приема и передачи вагонов в Польшу.
Пункт технической передачи в морской торговый
порт.
Предназначен для передачи и приема вагонов в
Морском торговом порту.
Пункт перестановки вагонов ст. Дзержинская -
новая.
Предназначен для перестановки на колею 1435 мм и
обратно.
Пункт технической передачи Морского терминала
«Балтийск».
Предназначен для передачи и приема вагонов на
морские железнодорожные паромы.
Для обеспечения качественного осмотра и ремонта,
грузовых вагонов трудоемкие процессы механизированы.
Для производства вышеуказанных работ ПТО
Калининград имеет следующие необходимые производственно - бытовые помещения,
обустройства и техническую оснастку:
производственно - бытовые помещения - 1шт;
- воздушную сеть с колонками - 1шт;
кладовые - 1 шт;
устройство для централизованного ограждения
обрабатываемых составов - 1 шт;
устройство для опробования тормозов с
автоматической регистрацией параметров УЗОТ - РМ - 1 шт;
переносные радиостанции;
линию высоковольтного освещения - 1 шт;
вагон-тренажер - 2 шт;
стационарные стеллажи для хранения запчастей -
16 шт.
Полная потребность пункта в запасных частях и
материалах должна определяться на основании норм расхода, анализа фактического
расхода и обеспечения трехсуточного неснижаемого запаса их на стеллажах.
Работники смены ПТО при вступлении на дежурство
получают из инструментальной кладовой комплект инструмента. В темное время
суток все работники обеспечиваются индивидуальными переносными электрическими
фонарями. Старший осмотрщик вагонов принимает от сдающей смены, подъемные
приспособления, механизмы и инвентарь общего пользования, проверяет через
осмотрщиков-ремонтников вагонов наличие запасных частей и материалов на
стеллажах и несет ответственность за их содержание, обеспечивает пополнение
неснижаемого запаса.
За поездами во время их движения осуществляется
постоянный визуальный контроль и контроль с помощью технических средств.
Схема размещения средств контроля показаны на
рисунке 1.1.
Контроль производится:
на постах безопасности (ПБ);
на пунктах опробования автотормозов (ПОТ);
на перегонах в пути следования с помощью средств
технического контроля.
Гарантийные участки оборудованы средствами
технического контроля, в состав которых входит: комплекс технических систем
модернизированный (КТСМ), устройство контроля схода подвижного состава (УКСПС).
Средства контроля включают в себя перегонное и
станционное оборудование, связанное между собой кабельной линией связи.
Перегонное оборудование подразделяется на напольное и постовое, а станционное -
на регистрирующее и сигнализирующее.
Рисунок 1.1 Схема размещение средств контроля
Средства контроля работают в автономном режиме.
Аппаратура Линейного Поста контроля (АРМ ЛПК), регистрирующие и сигнализирующие
устройства установлены в помещении ДСП с выводом в помещении оператора ПТО.
Визуальный контроль за поездами в пути
следования осуществляется работниками всех служб железнодорожного транспорта на
постах безопасности.
Начальник эксплуатационного вагонного депо
Калининград осуществляет руководство всей работой ПТО как лично, так и через
своих заместителей, начальника ПТО, мастера ПТО, старших осмотрщиков.
Общее руководство работой ПТО осуществляет
начальник ПТО, который контролирует выполнение технологического процесса, несет
полную ответственность за качество технического обслуживания и ремонта вагонов
в поездах. Начальник ПТО систематически следит за использованием технического
оборудования, проведением технических мероприятий, обеспечивает бесперебойную
работу подъемно-транспортных средств, коммуникаций, сварочных линий,
раздаточных устройств и другой технологической оснастки, соблюдением правил и
местных инструкций по технике безопасности и производственной санитарии.
Начальник ПТО не допускает отвлечения работников смен на другие работы и,
наряду со старшими осмотрщиками вагонов и мастером ПТО, несет личную
ответственность за безопасность движения в соответствии с должностными
обязанностями.
Кроме того, начальник ПТО Калининград руководит
работой:
ПОТ Мамоново;
ПОТ Балтийский лес;
ТОР ст. Калининград.
Оперативное руководство повседневной работой
смен по осмотру и ремонту вагонов и подготовке поездов в рейс осуществляют
старшие осмотрщики, которые непосредственно подчиняются начальнику ПТО и
заместителю начальника депо по эксплуатации.
Схема оперативного руководства работой пункта
технического обслуживания станции Калининград показана на рисунке 1.2
План работы ПТО определяется:
а) расписанием движения поездов,
б) настоящим технологическим процессом,
в) технико-распорядительным актом станции
Планирование работы в целом, расстановку рабочей
силы осуществляет начальник ПТО мастер ПТО, мастер ТОР а в сменах - старшие
осмотрщики вагонов.
Работники ПТО, связанные с обслуживанием поездов
работают по 4-х сменному графику с 12-часовой продолжительностью рабочего дня с
8.00 до 20.00 и с 20.00 до 8.00, с принятием пищи в технологические перерывы
между поездами.
Количественный состав смен установлен с учетом
выполняемого объема работы согласно “Норм оперативного времени и нормативы
численности работников на пунктах технического обслуживания грузовых вагонов»,
Москва 2009 год.
Расчет нормативной численности
работников ПТО Калининград на 2011 год
Исходные данные:
|
Наименование
парков
|
Кол-во
поездов, обрабатываемых в смену
|
Длина
поезда, физ. ед.
|
Коэффициент
от средней длины состава «К-1»
|
Коэффициент
от длины гарантийного участка «К-2»
|
|
Парк
прибытия
|
11
|
51
|
0,72
|
|
|
Парк
отправления
|
11
|
49
|
0,69
|
1
|
Коэффициент сменности на 2011 г.- 4.41;
коэффициент замещения - 1,15
|
Профессия
|
Численность
работников, явочная в смену
|
Среднесуточное
Rрасч.
|
|
Rя.
см
|
Rк1
= Rя.см.*К1
|
Rк2
= Rк1*К2
|
|
|
1
|
2
|
3
|
4
|
5
|
|
Парк
прибытия
|
|
Осмотрщик-ремонтник
|
3,15
|
2,27
|
2,27
|
10,00
|
|
Оператор
|
1,0
|
1,0
|
1,0
|
4,41
|
|
Парк
отправления
|
|
Осмотрщик-ремонтник
(боковик)
|
2,58
|
1,78
|
1,78
|
7,85
|
|
Осмотрщик-ремонтник(автоматчик)
|
3,82
|
2,64
|
2,64
|
11,62
|
|
Слесарь
по РПС
|
0,95
|
0,66
|
0,66
|
2,89
|
|
Оператор
|
1,00
|
1,00
|
1,00
|
4,41
|
|
Итого
по паркам
|
|
|
|
41,19
|
|
Дополнительные
работы:
|
|
Выезд
на линию
|
|
|
1,00
|
4,41
|
|
Осмотр
вагонов под погрузку
|
|
|
1,00
|
4,41
|
|
ПТП
Морской порт
|
|
|
1,00
|
4,41
|
|
ПОТ
Мамоново
|
|
|
1,00
|
4,41
|
|
ПОТ
Калининград-пасс.
|
|
|
1,00
|
4,41
|
|
ПТП
Балтийск
|
|
|
1,00
|
4,41
|
|
Итого
на доп. работы
|
|
|
|
26,46
|
|
Итого
|
|
|
явочная
|
67,65
|
|
С
учетом коэффициента замещения-1,15
|
|
|
списочная
|
78
|
Перед началом смены старший осмотрщик проводит
целевой инструктаж работникам смены по безопасным приемам работы и охране труда
при техническом обслуживании вагонов, проверяет наличие и исправность у
работников смены личного инструмента, состояние спецодежды, делает краткий
анализ работы за предыдущую смену, дает план работы на смену, знакомит с новыми
приказами, распоряжениями.
В каждой ремонтно-смотровой группе выделяется
старший группы, на которого возлагается организация работы групп, разметка
своей части вагонов, основная связь с оператором ПТО по радиосвязи.
При передаче смены сдающая смена даёт готовность
на состав с оформлением в журнале формы ВУ-14. Готовность на состав действует,
если он отправлен в течение времени, установленного на техническую обработку
состава. По истечении этого времени вступившая смена заново выдаёт готовность
составу и учитывает обработанные вагоны в показателях работы своей смены.
Если в момент передачи дежурства сдающая смена
не закончила техническое обслуживание предъявленных ей составов, то заступающая
смена заканчивает техническое обслуживание этих составов. При этом делаются
соответствующие записи в графиках работы принимающей и сдающей смены. Такой
состав учитывается за сменой, несущей гарантийную ответственность за
безотказное проследование поезда по гарантийному участку.
В течение рабочей смены мастер и оператор ПТО
постоянно поддерживают связь с работниками станции и, при необходимости,
оперативно вносят изменение в ранее намеченный план работы. Указания
осмотрщикам-ремонтникам вагонов мастер ПТО передает лично по радио или
оповестительной связи через оператора ПТО.
Начальник или мастер ПТО осуществляет общее
руководство его работой, контролирует выполнение технологического процесса.
Несет ответственность за качество технического обслуживания и ремонта вагонов в
поездах. Систематически контролирует состояние технических средств,
воздухопроводов и другой технической оснастки, соблюдение требований Инструкций
по технике безопасности и производственной санитарии.
Не допускает отвлечения работников смен от
обслуживания поездов на другие работы.
В обязанности руководителя смены (ст.
осмотрщика-ремонтника) входит:
общее руководство сменой;
опробование тормозов в грузовых поездах
совместно с осмотрщиками;
обслуживание тормозного оборудования в поездах
своего формирования;
осмотр и подача вагонов под погрузку;
осмотр вагонов, на которые срабатывали приборы
КТСМ;
подмена осмотрщиков-ремонтников вагонов;
В обязанности осмотрщиков-ремонтников вагонов
смены входит :
Полное опробование тормозов в связи со сменой
локомотива и поездам своего формирования:
встречу и осмотр поездов «сходу»;
устранение неисправностей выявленных сходу или
при опробовании тормозов;
техническое обслуживание с пролазкой поездов
своего формирования и прибывающих в разборку;
проверку вагонов, на которые были показания
КТСМ.
При предъявлении к техническому обслуживанию
поезда, ремонтно-смотровая бригада по маршрутам служебного прохода, выходит на
пути обработки поезда. По окончании технического обслуживания
ремонтно-смотровая бригада обязана возвратиться в свое дежурное помещение
обогрева.
Каждый поезд при следовании по станции должен
быть осмотрен «сходу» осмотрщиками-ремонтниками вагонов на предмет выявления
неисправностей подвижного состава, нарушения габарита погрузки и крепления
грузов на открытом подвижном составе, угрожающих безопасности движения.
Все выявленные замечания при встрече поезда
«сходу» передаются оператору ПТО и фиксируются в специальном журнале с
указанием фамилии, имя и отчества осмотрщика вагонов.
Перечень наиболее характерных неисправностей
подвижного состава и других нарушений, при обнаружении которых встречающие и
осматривающие поезд работники должны принять меры к немедленной остановке
поезда:
1. Горящие, дымящиеся, раскалённые, издающие
звук буксы подвижного состава.
2. Заклиненные и идущие юзом колёсные пары,
искрение, дым из-под них.
. Ползуны, выщербины, навары на колёсных
парах, определяемые по издаваемым посторонним звукам (стукам, дребезжанию и
др.), подпрыгиванию (вилянию) вагона или тележки.
. Падение деталей, груза на путь или их
волочение по пути.
. Сдвиг или нарушение крепления грузов.
. Сошедшие с рельсов колёсные пары.
. Нарушение габарита подвижного состава,
создающее угрозу безопасности движения поездов.
8. Опускание боковины тележки грузового вагона.
9. Излом токоприёмника локомотива, обрыв
контактного провода и несущего троса, создающие угрозу безопасности движения.
10. Возгорание подвижного состава или груза.
11. Отсутствие сигналов, применяемых для
обозначения хвоста поезда, локомотива или другой подвижной единицы.
. Провисание или обрыв дверей, крышек
люков полувагонов; провисание или обрыв дверей закрытых вагонов; открытие люков
у специализированных вагонов.
. Перекрытые концевые краны или
разъединённые тормозные рукава.
. Утечка жидких или сыпучих грузов,
которые могут вызвать возгорание, пожар в поезде или сход.
. Нахождение между вагонами или
локомотивом рычага расцепного привода автосцепки на полочке.
Отправляя поезд, осмотрщик-ремонтник вагонов
производит его осмотр, убедившись в его проследовании в полном составе и
исправном состоянии, возвращается к своей прежней работе.
При обнаружении неисправности в составе поезда,
а также в случаях, угрожающих безопасности движения или жизни людей
осмотрщик-ремонтник немедленно должен сообщить машинисту. При невосприятии
локомотивной бригадой сигнала остановки или переданной по радиосвязи
информации, работник, обнаруживший неисправность, сообщает об этом вышестоящему
руководству вагонного депо, которое оперативно информирует дежурного по
станции, поездного диспетчера.
В обязанности оператора ПТО по ограждению
входит:
при заступлении на смену, ознакомление с
наличием составов на путях и их готовностью;
получение информации от дежурного по станции о
плане работ на смену, на ближайший период, и по каждому поезду (о пути приема и
станции отправления);
прием информации о срабатывании приборов КТСМ в
прибывающих поездах (в том числе и в срытом режиме) и передача данных дежурному
по станции, встречающим осмотрщикам, старшему парка, в который принимается
поезд;
внесение в журнал ВУ-100 данных о вагоне, на
котором произошло срабатывание приборов КТСМ;
ограждение состава, прием от
осмотрщиков-ремонтников, данных о неисправностях, выявленных при встрече поезда
«сходу». При неисправности системы централизованного ограждения поездов подача
команды специально назначенным работникам смены на ограждение состава
переносными сигналами;
координация работы ремонтно-смотровой бригады и
групп, осуществление оперативного контроля за ходом обработки составов принятие
мер по предупреждению срывов поездов с графика отправления;
предъявление состава к техническому обслуживанию
и передача осмотрщикам-ремонтникам информации о неисправностях, выявленных при
встрече поезда «сходу» или переданных локомотивной бригадой, а также по
показания средств технического диагностирования;
получение от осмотрщиков-ремонтников информации
о результатах осмотра и об окончании технического обслуживания состава;
кодирование данных, полученных от осмотрщиков и
передача их в АСУ ПТО;
оформление уведомлений формы ВУ-23М и передача
сведений и уведомлений на отцепку вагонов в станционный технологический центр;
ведение графика эксплуатационной работы смены
ПТО, составление отчетного рапорта по работе за смену;
снятие ограждения состава или подача команды на
снятие ограждения;
передача дежурному по станции сведений о
готовности состава;
передача маневровому диспетчеру станции
полученную от осмотрщиков-ремонтников информацию о наличии в прибывающих
поездах вагонов с выключенными тормозами, пролетными трубами тормозной
магистрали, замазученными колесными парами высоту автосцепки головного
груженого вагона;
несет ответственность по кругу своих
обязанностей за ограждение составов и обеспечение безопасности движения
поездов;
осуществление связи с поездным диспетчером для
получения информации о случаях задержек отправленных поездов на гарантийных
участках, в том числе по показаниям средств автоматического контроля
технического состояния подвижного состава на ходу поезда и передача этой
информации руководству ПТО для последующего расследования;
при окончании смены, передача подробной
информации вступающему на дежурство оператору.
Техническое обслуживание грузовых поездов,
прибывающих на расформирование в «Предгорочный» парк
При техническом обслуживании
вагонов в парке прибытия выполняют следующие работы:
·
выявление
и разметка неисправных вагонов, требующих ремонта на механизированных путях, в
парке отправления, планового ремонта и подготовки к перевозкам;
·
ремонт
в объеме, необходимом для расформирования состава;
·
обеспечение
расцепки вагонов при роспуске с горок (разрядка тормозов вагонов, постановка
выпавшего валика подъемника, ремонт или замена неисправных, постановка
отсутствующих расцепных рычагов, устранение других неисправностей расцепного
привода), замена маятниковых подвесок, центрирующих балочек, снятие проволочных
закруток с расцепных устройств;
·
снятие
поездных сигнальных приборов, обозначающих хвост грузовых поездов;
Вагоны, неисправности которых
невозможно устранить за установленное ОАО «РЖД» время технического обслуживания
состава, направлять в ремонт с оформлением уведомления формы ВУ-23 М.
Дежурный по станции по прямой телефонной связи
(телефон 46-457) извещает оператора ПТО о прибытии поезда, указывая номер пути
приема поезда, откуда прибывает поезд и время предъявления. Оператор ПТО по
радиосвязи сообщает осмотрщикам парка приема номер пути приема поезда и время
предъявления поезда к техническому обслуживанию. Осмотрщики, получив информацию
от оператора ПТО о подходе поезда, подтверждают по радиосвязи, что информацию
приняли.
При одновременном прибытии нескольких поездов
дежурный по станции сообщает оператору ПТО об очередности их технического обслуживания.
Оперативное руководство работой по техническому
обслуживанию вагонов осуществляет старший осмотрщик через оператора ПТО.
Схема осмотра поезда 2 группами по 2
человека
группа 2 группа
Направление движения поезда
Путь осмотрщика-ремонтника;
Осмотрщики вагонов, получив от оператора ПТО
сообщение о подходе поезда, выходят на пути его приема. Одна ремонтно-смотровая
группа располагается на входных путях станции на площадке «островке
безопасности» у предельного столбика с двух сторон пути и контролирует
техническое состояние вагонов прибывающего поезда с хвоста.
Вторая группа располагается также с обоих
сторон, у места остановки головной части поезда, и получает информацию от
локомотивной бригады о работе тормозов и замеченных в пути следования
неисправностях вагонов.
Схема осмотра поезда 2 группами, 1
группа 2 человека, 1 группа 1 человек
1 группа 2 группа
Направление движения поезда
Путь осмотрщика-ремонтника;
В отдельных случаях встреча поезда «сходу» и
дальнейший контроль его технического состояния может производиться одной
группой с хвоста поезда.
Схема осмотра поезда одной группой
из 2 человек
1 группа Направление движения поезда
Путь осмотрщика-ремонтника;
Организация рабочего места осмотрщика вагонов,
принимающего грузовые поезда «сходу», производиться в соответствии с
Инструкцией «По организации рабочего места осмотрщика вагонов, принимающего
пассажирские и грузовые поезда «сходу»№647-09 ПКБ ЦВ.
Рабочее место («островок безопасности»)
размещается на входных путях станции и имеет систему освещения, радиосвязь с
оператором ПТО.
При встрече поезда «сходу» в ночное время
осмотрщик вагонов включает прожектор освещения, а при его неисправности
пользуется личным фонарем. На площадке «островке безопасности» должен
находиться осмотрщик вагонов, принимающий «сходу» или отправляющий поезд «на
ходу».
Осмотрщики, осматривающие поезд «сходу», при
обнаружении неисправностей или их признаков, сообщают по радиосвязи о них
оператору ПТО, называя последние четыре цифры номера вагона.
При встрече поезда «сходу»
осмотрщики вагонов, при контроле технического состояния движущихся вагонов,
выявляют незакрепленные, провисшие и болтающиеся детали вагонов, в том числе:
- воздухопроводы, рычажные передачи, изломанные
предохранительные устройства, открытые разгрузочные крышки люков и сливные
устройства, целостность тормозной магистрали, перекрытие концевых кранов и
разъединение рукавов;
биение колесной пары, издающее зрительный эффект
движения обода колеса «по восьмерке»;
частые колебания рессорного комплекта, вибрация
рамы тележки и кузова вагонов;
удары деталей рычажной передачи о другие детали
тележки.
- неисправности поверхностей
катания колес и буксового узла по характерным звукам, наличию пара, дыма;
неисправности поглощающих
аппаратов автосцепного устройства - по расстоянию между упором корпуса
автосцепки и ударной розеткой;
неисправности тормозной
рычажной передачи - по расположению рычагов в момент торможения и другим
признакам;
- видимые и по специфическим признакам
неисправности вагонов, их узлов и деталей;
- вибрация тележки, тряска люка
и её конца, частые вертикальные колебания буксы, резкий стук рычажной передачи;
характерное пощелкивание в
буксе, вертикальное перемещение буксового узла и боковины тележки.
Осмотрщик вагонов, получив от локомотивной
бригады информацию о работе тормозов и о замеченных в пути следования
неисправностях вагонов, информирует об этом оператора ПТО и осмотрщиков вагонов
хвостовой бригады.
После остановки поезда и отхода локомотива,
оператор ограждает состав с централизованного пульта сигналами остановки. Об
ограждении состава оператор ПТО уведомляет ремонтно - смотровые группы. При
неисправности централизованного ограждения допускается ограждение переносными
сигналами, при этом они устанавливаются по указанию старшего осмотрщика
специально назначенными работниками смены ПТО.
При контроле технического состояния вагонов
осмотрщики выявляют неисправности узлов и деталей вагонов и наносят в
установленных местах на вагоне (на боковых стенках кузовов между угловой и
боковой стойками, на бортах платформ и котлах цистерн) четкие меловые разметки
согласно классификатору. Осмотрщики сообщают оператору ПТО номера выявленных
неисправных вагонов, а также результаты проверки вагонов, у которых были
обнаружены неисправности средствами технического диагностирования или
осмотрщиками, встречавшими поезд «сходу». Перегретые буксы,
заторможенные колеса, зарегистрированные средствами контроля, осматривают не
позднее, чем через 20 мин после остановки поезда.
Если в результате осмотра в
зарегистрированных средствами контроля вагонах отсутствуют неисправные узлы, то
по показанным узлам должны быть проверены по два смежных вагона в каждую
сторону от зафиксированного.
При наличии в составе транспортеров осмотрщики
извещают об этом старшего осмотрщика, который лично осматривает транспортеры,
определяет их техническое состояние и возможность дальнейшего
следования.
Контроль за сохранностью
вагонов производят осмотрщики вагонов смен ПТО под руководством старшего
осмотрщика вагонов. При выявлении в составе неисправного вагона, угрожающего
безопасности движения, надвиг и роспуск такого вагона с горки недопустим.
Старший осмотрщик обязан осмотреть этот вагон и на оборотной стороне формы
ВУ-23М указать порядок и скорость его возможного передвижения в ремонт
и поставить об этом в известность оператора ПТО и дежурного по станции.
На вагоны, подлежащие ремонту с
отцепкой, осмотрщик сообщает оператору ПТО номера вагонов для оформления
уведомления формы ВУ-23М в двух экземплярах: первый вручается работнику станции
(дежурному по станции), второй передается оператору ПТО по учету вагонов.
Старший группы, убедившись в окончании
технического обслуживания состава и отсутствии людей у вагонов, сообщает
оператору ПТО номера вагонов, подлежащих отцепочному ремонту, виды требуемых
ремонтов у вагонов, зафиксированных техническими средствами диагностирования, номера
первого и последнего вагонов, осмотренных группой, а также о возможности снятия
сигналов ограждения. На концевой балке крайних вагонов, осмотренных каждой
группой, наносится условная меловая разметка для смежной ремонтно-смотровой
группы.
Так, на концевой балке вагона,
с которого начинается осмотр, наносят дату и букву "Н" (начало
осмотра), а на котором заканчивается осмотр - дату и букву "К" (конец
осмотра).
Оператор ПТО, получив сведения, от всех
ремонтно-смотровых групп об окончании технического обслуживания и возможности
снятия ограждения, оповещает об этом по радиосвязи всех работников бригады,
убеждается в правильности принятия сообщения и снимает или дает указание
ответственному за ограждение снять сигналы ограждения, докладывает дежурному по
станции о возможности надвига состава на горку для расформирования с указанием
времени окончания технического обслуживания поезда.
Время окончания технического обслуживания
состава фиксируется оператором в специальном журнале или графике исполненной
работы по техническому обслуживанию составов.
Осмотрщики парка прибытия несут
ответственность за пропуск неисправностей, требующих для их устранения отцепки
и подачи вагонов на механизированные пути ремонта вагонов и за пропуск в парк
отправления неисправных вагонов без меловой разметки имеющихся на них
неисправностей.
При проверке технического
состояния вагонов особое внимание должно обращаться на выявление так называемых
взаимосвязанных неисправностей. Так, при выпадении валика подвески, падении
деталей рычажной передачи, утерях, изломах деталей рессорного комплекта,
ослаблении крепления буксовой крышки должны быть проверены колесные пары данной
тележки в части наличия выбоин, неравномерного проката. Наоборот, при наличии выбоин,
неравномерного проката должны быть проверены исправность тормозного
оборудования (узел крепления валика подвески башмака) и пружинного комплекта,
наличие трещин в литых деталях тележек, элементах шкворневого узла.
В случае выявления изломов
корпуса просевших, потерявших упругость поглощающих аппаратов, должно быть
тщательно проверено отсутствие трещин корпуса автосцепки, тягового хомута,
упорных угольников, излома, трещин клина, повреждений рамы и торцевых стен
(дверей) кузова вагона.
При повышенном нагреве
буксового узла вагон следует подать на пути текущего отцепочного ремонта
вагонов с выдачей уведомления формы ВУ-23М. При отсутствии зазоров в скользунах
или несоответствии суммарного зазора установленным нормативам, при наличии
трещин, изломов в шкворневом узле и надрессорной балке, ползуна, неравномерного
проката поверхности катания колеса вагон отцепляется в текущий отцепочный
ремонт с выдачей уведомления формы ВУ-23М.
Осмотрщики вагонов должны
выявлять цистерны с колесными парами, у которых боковые грани ободов колес
покрыты слоем масла (так называемые «замазученные»), вагоны для перевозки
жидкого битума с неочищенными от битума колесами. Номера таких вагонов
необходимо сообщать оператору ПТО для информации оператора станции (дежурного
по горке) и исключения высоких скоростей скатывания и опасных соударений в
сортировочном парке вызывающих повреждения вагонов.
В соответствии с распоряжением
Управления Калининградской железной дороги №1132/Н-08 в целях ритмичной работы
станции Калининград - сорт и безусловного выполнения требований безопасности
движения разрешено производится отправление нечетных поездов с «Парка приема»
При предъявлении к техническому
обслуживанию поездов в «Парке приема» составы должны быть сжаты для проверки
действия механизма автосцепки на саморасцеп.
Техническое обслуживание
проездов производится осмотрщиками вагонов «Парка приема», при условии, что они
не задействованы на техническом обслуживании прибывших поездов и, что в течении
2 часов не будет прибытия поездов. Во всех других случаях техническое
обслуживание производят осмотрщики вагонов, работающие на отправлении поездов в
«Сортировочном» и «Мамоновском» парках, при предъявлении им поезда в «Парке
приема» учитывать время на подход осмотрщиков вагонов с основного ПТО до парка
«Прибытия» в количестве 20 минут. В случае одновременного предъявления 2-х и
более поездов и отвлечения осмотрщиков вагонов, задействованных на отправление
поездов в «Сортировочном» и «Мамоновском» парках, время на техническое
обслуживание поездов увеличивается.
Последовательность
контроля технического состояния грузовых вагонов в парке отправления
В парке отправления после
ограждения сформированных составов производят:
технический осмотр;
- устранение всех
неисправностей, выявленных при контрольно - техническом осмотре, устранение
всех неисправностей, обнаруженных и размеченных в парках прибытия,
сортировочном и выявленных при выставлении составов в парк отправления;
проверка действия механизмов
автосцепок сжатого состава на саморасцеп;
зарядку, осмотр и ремонт
механической и пневматической частей автотормозов, опробование автотормозов и
регулировка тормозной рычажной передачи согласно с «Руководством по регулировке
тормозной рычажной передачи грузовых вагонов на ПТО» №683-2005 ПКБ ЦВ.
Осмотрщики сортировочно-отправочного
парка в процессе роспуска с горки и накопления вагонов выявляют повреждения
вагонов, полученные в результате производства маневровой работы, и роспуска
вагонов с горки. Заблаговременно сообщают по радиосвязи номер пути парка, номер
вагона, вид неисправности, сторону вагона и другие данные оператору ПТО, а о
поврежденных вагонах и вагонах, требующих отцепки - также маневровому
диспетчеру или дежурному по горке. На вагоны, у которых выявлены неисправности,
осмотрщик наносит меловые пометки дополнительно к нанесенным в парке прибытия.
Особенно тщательно проверяют
наличие повреждений у вагонов с окрашенными или покрытыми слоем смазки
«замазученными» внутренними боковыми гранями колесных пар, так как такие вагоны
хуже затормаживаются на замедлителях и, соответственно, соударяются с более
высокими скоростями.
На каждый выявленный
поврежденный вагон осмотрщик вагонов составляет акты формы ГУ-23 и ВУ-25, а на
вагоны, требующие отцепочного ремонта, дополнительно выписывает уведомление
формы ВУ-23М для подачи его, в зависимости от вида неисправности для ремонта на
механизированные пункты ремонта вагонов, в вагонное депо или на завод.
Уведомление формы ВУ-23М вручается дежурному по станции, второй экземпляр
остается у оператора ПТО. Действия при контроле за сохранностью вагонов описаны
в пункте 15 настоящего технологического процесса.
Перед выставлением
сформированных составов в парк отправления маневровый диспетчер извещает об
этом оператора ПТО по телефону 47-457 с указанием номера пути, количества вагонов
в составе, номеров головного и хвостового вагонов и времени отправления поезда.
Эти данные оператор ПТО
записывает в графе исполненной работы (настольном журнале) с указанием времени
предъявления состава.
Если количество составов,
одновременно находящихся в парке отправления, больше числа бригад, то дежурный
по станции (парку) должен установить очередность отправления поездов.
При этом время предъявления к
техническому обслуживанию каждого последующего состава считается с момента
окончания обслуживания предыдущего, с учетом времени перехода
ремонтно-смотровых групп к месту осмотра следующего состава с одного пути на
другой по установленным маршрутам.
Об очередности отправления
поездов оператор ПТО ставит в известность старшего осмотрщика вагонов.
Оператор ПТО предъявляет состав
для подготовки к отправлению с указанием порядка его технического обслуживания
и убеждается в правильности принятия работниками бригады сообщения.
Оператор ПТО, после остановки состава, отцепки
маневрового локомотива и ограждения состава с централизованного пульта
сигналами остановки объявляет по двухсторонней парковой связи об ограждении
состава и начале его технического обслуживания.
Старшие групп в голове и хвосте
состава должны убедиться в том, что состав закреплен и огражден, и после этого
дать указание о начале работ.
Техническое обслуживание и
ремонт составов в сортировочно-отправочном парке производится 2 группами по 2
человека каждая и один осмотрщик пролазчик.
При отсутствии осмотрщика - пролазчика его
обязанности исполняют осмотрщики вагонов. Осмотр и ремонт вагонов выполняют
параллельно с двух сторон состава.
В «Мамоновском парке» техническое обслуживание и
ремонт коротко составных поездов производится комплексной бригадой из двух
осмотрщиков вагонов.
Схема осмотра поезда двумя группами
по 2 человека
группа 2 группа
Путь осмотрщика - ремонтника;
Осмотрщики-пролазчики
производят контрольно-технический осмотр вагонов с пролазкой, обращая внимание
на неисправности, которые могут возникнуть при роспуске вагонов с горки и
производстве маневровых работ (ударно-тяговых приборов, автосцепки, излом
шкворня, состояние узла пятник-подпятник и др.), и устраняют неисправности,
выявленные ими, а также размеченные в парках прибытия и сортировочно-отправочных
парках.
Осмотрщики - ремонтники производят
контроль технического состояния колесных пар, тележек, кузова, регулировку
тормозной рычажной передачи и производят полное и сокращенное опробование
автотормозов.
О неисправностях, которые не были выявлены в
парке прибытия, а были выявлены только в сортировочном парке осмотрщики вагонов
докладывают старшему осмотрщику для принятия мер, направленных на повышение
качества технического обслуживания вагонов.
При выявлении неисправности, требующей отцепки
вагона в текущий ремонт осмотрщик-ремонтник на борту вагона наносит четкую
меловую разметку, содержащую дату отцепки вагона, наименование неисправности и
сообщает оператору ПТО.
Оператор вводит в базу данных АСУ СПТО
информацию для формирования уведомления формы ВУ-23М на текущий отцепочный
ремонт. Документом для дежурного по станции, дающим право на отцепку вагона в
ремонт служит уведомление формы ВУ-23М. На каждый поврежденный вагон вагонного
парка составляются акт формы ГУ-23 и ВУ-25 работником, выявившим такой вагон.
При наличии в составе или у
отдельных ремонтных групп большого объема ремонта старший осмотрщик вагонов,
при его отсутствии оператор, дает указание другим ремонтно-смотровым группам об
оказании помощи в ремонте этого состава или группы вагонов.
Старший осмотрщик вагонов
обязан обеспечивать своевременное начало работ на предъявленном составе,
производить в случае необходимости перестановку осмотрщиков, указывать
очередность выполнения трудоемких работ, контролировать качество выполняемого
ремонта, а оператор ПТО периодически информировать бригады о времени,
оставшемся до отправления поезда.
Парк разделен на 2 зоны обслуживания, при
невозможности их установки равномерное разделение на зоны обслуживания
производит оператор ПТО по натурному листу поезда.
При производстве технического обслуживания
осмотрщики вагонов на сходных вагонах обязаны нанести следующую разметку:
Осмотрщики головной группы - Т1;
Осмотрщик хвостовой группы - Т2.
Номера сходных вагонов осмотрщики передают
оператору, оператор отмечает сходные вагоны в натурном листе и контролирует,
чтоб не допустить неосмотренных вагонов. Номера сходных вагонов оператор
записывает в график исполненной работы смены.
Каждый осмотрщик-ремонтник производит полный
комплекс работ по осмотру и ремонту ходовых частей, автосцепного устройства,
автотормозного оборудования, кузова в своих границах обслуживания (группы
вагонов).
Разделение по количеству и назначению проходов
при подготовке поезда своего формирования изображено на рисунке 2.3.
проход - соединение рукавов под давлением
продувки, осмотр с пролазкой, нанесение меловой разметки.
проход - осмотр с пролазкой, контроль наличия
утечек воздуха в тормозной магистрали вагона. Нанесение меловых надписей на
концевых балках вагона о выявленных и не устраненных неисправностях.
проход - проход по торможению.
проход - проход по отпуску.
проход - выполнение ремонта, регулировка
тормозной рычажной передачи.
- проход
осмотрщиков-ремонтников при соединении рукавов, осмотр, нанесение меловой
разметки.
- осмотр, выполнение ремонта, не
связанного с перекрытием концевых кранов.
- проход по
торможению
- проход по отпуску
- проход по
ремонту
Старший осмотрщик ремонтно-смотровой группы,
убедившись в окончании работ и отсутствии людей у вагонов, сообщает о
готовности своей части состава оператору ПТО для снятия сигналов ограждения.
При этом указывается номер последнего осмотренного вагона в своей группе. О
технической готовности всего состава и снятия сигналов ограждения оператор ПТО
докладывает дежурному по станции с указанием времени окончания технического
обслуживания.
При подходе к составу поездного локомотива
оператор ПТО предупреждает об этом ремонтно-смотровые группы, напоминает о
снятии ограждения и прекращении работ по осмотру и ремонту вагонов.
После подсоединения поездного локомотива к
составу осмотрщики производят сокращенное опробование тормозов, если
предварительно уже было произведено полное опробование тормозов от стационарной
сети.
Осмотрщик головной ремонтно-смотровой группы
вручает машинисту локомотива справку о тормозах формы ВУ-45 об обеспеченности
поезда тормозами и исправном их действии. Справка формы ВУ-45 составляется под
копирку в двух экземплярах. Первый экземпляр вручается машинисту локомотива.
Копия справки сохраняется в книжке этих справок в течение семи суток у
должностного лица, производившего опробование тормозов.
Старший осмотрщик, оператор ПТО должны обеспечить
ремонт вагонов, опробование тормозов и контроль технического состояния поезда
при отправлении за установленное время в соответствии с графиком технического
обслуживания поезда в парке отправления.
Все этапы технического обслуживания составов по
выполненному объему работ отражаются в журнале эксплуатационной работы.
Старший осмотрщик вагонов в свободное от
технического обслуживания время подтверждает своей подписью в книге формы
ВУ-14, переданные оператором ПТО данные о готовности поездов.
После устранения неисправностей вагона старший
осмотрщик вагонов проверяет качество выполненного ремонта, осмотрщик вагонов
убирает на вагоне меловые разметки.
Старший осмотрщик вагонов
осуществляет постоянный контроль за техническим состоянием вагонов в
сформированных составах.
1.2 Расчет нормативных показателей
работы парков ПТО
Годовой фонд рабочего времени одного рабочего
рассчитывается по формуле:
Fр =
(Дг - Двых -Дпр)8 - Дпп,(2.1)
Где Fр
- годовой фонд рабочего времени одного рабочего, ч/год;
Дг - общее количество дней в году
(365 или 366);
Двых - количество выходных (субботы и
воскресения) дней в году;
Дпр - количество праздничных дней в
году, не попадающих на субботу и воскресенье;
Дпп - количество предпраздничных дней
в году, не попадающих на субботы и воскресенья.
Fр =
(365 - 105 -12)8 - 3=1981ч/год.
Определяем годовой фонд рабочего времени ПТО по
формуле:
F = Fр
* m, (2.2)
где Fр
- годовой фонд рабочего времени ПТО - 1981 часов в год.
m - количество смен.
F = 1981 * 4 = 7924
(ч).
Проверяем обеспеченность путевым развитием парка
«С» по формуле:
n = N
* T / F,
(2.3)
где n
- количество путей в парке.
N - годовое
количество составов, проследовавших через парк
составов в год.
F - годовой фонд
рабочего времени.
ПТО «С» - 7924 ч.
T - технический цикл
обработки составов 0,5 часа.
n = 11587*0,5 / 7924
= 0,73 ( пути ),
принимаем 1 путь.
Определяем фактическую трудоемкость работ по
профессиям в парке «С» по формуле:
Hi = Ki
* Fр / N,
(2.4)
где Hi - трудоемкость обслуживания состава
рабочими i- той
Профессии, чел*ч/сост;
Ki -
количество рабочих i- той
профессии рабочих в парке 5 человек.
Fр - годовой фонд
рабочего времени рабочего - 1981 ч.
N - годовое
количество составов прошедших обработку в парке «С» за 2010 год 11587 состава в
год.
Hi =
5*1981/11587 = 0,85 (чел.ч / сост.).
По расчетам у нас достаточно одного пути, а
фактически их 25, можно сделать вывод что парк «С» обеспечен путевым развитием,
при равномерном поступлении составов можем значительно увеличить пропускную
способность.
Проверяем обеспеченность путевым развитием
предгорочного парка по формуле (2.2):
n = 7920 * 0,66/
7924 = 0,65 (пути).
принимаем n
= 1 путь
Определяем фактическую трудоемкость работ по
профессиям в предгорочном парке по формуле (2.3) при данных:
Fр - годовой фонд
рабочего времени рабочего ч/год - 1981 ч.
N- годовое
количество составов прошедших обработку в парке за 2010 год 7920 состава /год;
Hi =
5*1981/7920 = 1,25 (чел.*ч / сост.).
По расчетам у нас достаточно одного пути, а
фактически их 8, можно сделать вывод что предгорочный парк обеспечен путевым
развитием, при равномерном поступлении составов можем значительно увеличить
пропускную способность.
Проверяем обеспеченность путевым развитием
Мамоновского парка
N - годовое
количество составов, проследовавших через парк
сост./год.
F - годовой фонд
рабочего времени парка - 7924 ч/год ;
T - технический цикл
обработки составов 0,95 ч;
n = 10080 * 0,95/
7924 = 1,2 (пути),
принимаем n=1
путь.
Определяем фактическую трудоемкость работ по
профессиям
по формуле (2.3), когда
N- годовое
количество составов прошедших обработку в парке
за 2010 год 10080 сост /год.
Hi =
2*1981/10080 = 0,39 (чел.*ч / сост.)
По расчетам у нас достаточно один путь, а
фактически их 10, то можно сделать вывод что Мамоновский парк обеспечен путевым
развитием, при равномерном поступлении составов можем значительно увеличить
пропускную способность.
1.3 Предложения по техническому
перевооружению ПТО ст. Калининград
По результатам технико-экономического
обследования ПТО ст. Калининград можно сделать следующие выводы, что показатели
ПТО в перспективе должны быть выше уже имеющихся, то необходимо повысить
производительность труда.
Для этого необходимо провести следующие
мероприятия:
) Ввести новую организацию производственных
процессов;
) Применить новое оборудование;
) Внедрить современную технологию ремонта
вагона;
) Улучшить условия труда и отдых рабочих;
) Установить ритмичный и беспрерывный поток
поездов
) Разработать новый технологический процесс.
В связи с увеличением потока поездов, необходимо
так же обеспечить больший объем ремонта вагонов без отцепки их в ремонт. Для
обеспечения выявления неисправностей тормозного оборудования вагонов в
прибывших в предгорочный парк поездах и для снижения простоя локомотивов при
отправлении с данного парка предлагаю внедрить установку УЗОТ-Радио,
предназначенную для зарядки и опробования тормозов поезда, с возможностью
выявления вагонов с замедленным отпуском тормозов.
2. Детальная разработка пункта
технического обслуживания вагонов (ПТО)
.1 Анализ неисправностей,
устраняемых в предгорочном парке
В предгорочном парке в основном устраняют мелкие
неисправности не требующие отцепки вагона от состава. Такие как замена
тормозной колодки, устранение утечки воздуха в местах соединения магистральной
трубы, концевых кранов, подводящих трубок. А также замену самого концевого
крана, деталей механизма автосцепного устройства таких как: замка автосцепного
устройства, замкодержателя, предохранителя от саморасцепа, подъемника, валика
подьемника, цепочки расцепного привода, клина тягового хомута. В тормозном
оборудовании: тормозного рукава, уплотнительных колец, валика подвески
тормозного башмака, разобщительного крана, магистральной и главной части
воздухораспределителя и других съемных деталей. Основными причинами
неисправностей деталей может послужить некачественный деповской и капитальный
ремонт вагонов, а также не соблюдение ГОСТА выплавки литых деталей вагона,
жесткость рельсового пути, что очень сильно сказывается на ресурсах деталей.
У вагонов, отцепляемых в текущий ремонт, одним
из основных дефектов в эксплуатации является неисправность колесных пар по
таким дефектам как: тонкий гребень, выщербины, ползуны, подрез гребня,
остроконечный накат гребня. Основными факторами возникновения этих дефектов
является ненормальная работа колесной пары, вызывающая ее перекос при движении,
вследствие: неправильной установки ее в тележке; значительной разницы диаметров
колес на одной оси; длительной работы на участках пути с крутыми кривыми;
изгиба оси; перекоса рамы тележки; неправильной посадки колес на ось. Очень
важно усилить контроль за правильностью сборки тележек для обеспечения заданной
параллельности осей колесных пар. Ограничение не параллельности колесных пар
тележки при постройке и ремонте вагонов позволит резко снизить отцепки вагонов
по подрезу гребня. Ползуны на поверхностях катания колес у колесных пар
встречаются также довольно часто. Ползун является дефектом тормозного
происхождения.
Основными причинами заклинивания колесных пар и
образование ползунов на колесах являются: неисправности тормозных приборов;
нарушение правил регулировки рычажной передачи; неправильное управление
тормозами; климатические особенности; времена года эксплуатации и другие.
Зачастую к юзовому движению колесной пары приводит не один, отдельно взятый, из
выше приведенных факторов, а действуют они в совокупности. Для уменьшения числа
отказов колесных пар по этому виду дефекта необходимо усиливать технологическую
дисциплину в части ремонта и эксплуатации тормозов подвижного состава. Для
уменьшения количеств причина возникновения которых прямым или косвенным образом
связана с технологией ремонта и эксплуатацией вагонов, необходимо повышать
уровень трудовой и технологической дисциплины, качество технологического
обучения работников, разрабатывать и внедрять в производство современное
оборудование и модернизировать подвижной состав, узлы и детали вагона. Все
неисправности указаны в таблице 3.1.
Таблица
3.1
Неисправности вагонов и методы их устранения
|
Неисправности
тормозного оборудования
|
|
неисправности
|
Методы
устранения
|
|
воздухораспределителя
|
Заменить
|
|
Концевого
крана
|
Заменить
|
|
Тормозного
рукава
|
Заменить
|
|
Уплотнительных
колец
|
Заменить
|
|
Тормозной
колодки
|
Заменить
|
|
Отсутствие
валика подвески тормозного башмака
|
поставить
|
|
Разобщительного
крана
|
Заменить
|
|
Утечки
воздуха в магистральной части
|
устранить
|
|
Утечки
воздуха в трубках ответвления
|
устранить
|
|
Завал
рычага мертвой точки
|
устранить
|
|
Отсутствие
крепления балочки авторежима
|
закрепить
|
|
Неисправность
автосцепного оборудования
|
|
Механизма
автосцепного устройства
|
Заменить
|
|
Излом
клина тягового хомута
|
Заменить
|
|
Крепления
валика подьемника
|
закрепить
|
|
Обрыв
цепочки расцепного привода
|
закрепить
|
|
Ослабление
крепления расцепного рычага
|
закрепить
|
|
Ослабление
крепления поддерживающей плиты фрикционного аппарата
|
закрепить
|
|
Излом
маятниковых болтов
|
Заменить
|
|
Излом
центрирующей балочки
|
Заменить
|
|
Ослабление
крепления клина тягового хомута
|
закрепить
|
|
Неисправности
кузова вагона
|
|
Открытые
двери
|
закрыть
|
|
Ослабление
пояса котла
|
закрепить
|
|
Открыто
запорное устройство люка
|
закрыть
|
|
Отсутствие
одного валика двери
|
поставить
|
|
|
|
2.2 Разработка технологического
процесса технического обслуживания грузовых вагонов в предгорочном парке
В соответствии с распоряжением
Управления Калининградской железной дороги №1132/Н-08 в целях ритмичной работы
станции Калининград - сорт и безусловного выполнения требований безопасности
движения разрешено производится отправление нечетных поездов с «Парка приема»
В настоящие время опробование тормозов в парке
прибытия производится от локомотива, что приводит к увеличению
непроизводственного простоя локомотивов, и увеличению накладного времени
локомотивных бригад. В данном Дипломном проекте предлагается внедрить в парке
приема установку опробования тормозов УЗОТ Радио.
Перед выставлением
сформированных составов в предгорочный парк маневровый диспетчер извещает об
этом оператора ПТО по телефону 47-457 с указанием номера пути, количества
вагонов в составе, номеров головного и хвостового вагонов и времени отправления
поезда.
Эти данные оператор ПТО
записывает в графе исполненной работы (настольном журнале) с указанием времени
предъявления состава.
Если количество составов,
одновременно находящихся в парке, больше числа бригад, то дежурный по станции
(парку) должен установить очередность отправления поездов.
При этом время предъявления к
техническому обслуживанию каждого последующего состава считается с момента
окончания обслуживания предыдущего, с учетом времени перехода
ремонтно-смотровых групп к месту осмотра следующего состава с одного пути на
другой по установленным маршрутам.
Об очередности отправления
поездов оператор ПТО ставит в известность старшего осмотрщика вагонов.
Оператор ПТО предъявляет состав
для подготовки к отправлению с указанием порядка его технического обслуживания
и убеждается в правильности принятия работниками бригады сообщения.
Оператор ПТО, после остановки состава, отцепки
маневрового локомотива и ограждения состава с централизованного пульта
сигналами остановки объявляет по двухсторонней парковой связи об ограждении
состава и начале его технического обслуживания.
Старшие групп в голове и хвосте
состава должны убедиться в том, что состав закреплен и огражден, и после этого
дать указание о начале работ.
Техническое обслуживание и
ремонт составов в сортировочно-отправочном парке производится 2 группами по 2
человека каждая.
Осмотр и ремонт вагонов выполняют параллельно с
двух сторон состава.
Схема осмотра поезда двумя группами
по 2 человека
1 группа 2 группа
Путь осмотрщика - ремонтника;
Осмотрщики - ремонтники производят
контроль технического состояния колесных пар, тележек, кузова, регулировку
тормозной рычажной передачи и производят полное и сокращенное опробование
автотормозов.
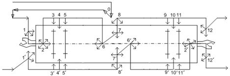
Рисунок 2.2.1 Схема последовательности контроля
технического состояния четырехосного вагона в парке отправления
Технология ТО по позициям
четырехосного грузового вагона
На 1-ой позиции
· Осмотреть:
Тормозной соединительный рукав с головкой,
хомут, концевой кран;
Крепление тормозной магистрали к концевой балке;
Детали стояночного тормоза;
Кронштейны расцепного привода, расцепной рычаг,
цепь расцепного привода валик подъёмника;
Автосцепку, розетку, маятниковую подвеску,
центрирующий прибор;
Концевую балку, и видимую часть тягового хомута;
Торцевую стену, а у вагонов с тормозными
площадками - стойку, обшивку, сигнальные скобы;
У крытых вагонов - карниз крыши, стойки,
раскосы, обшивку;
У полувагонов - торцевую стену или двери и их
запоры;
У платформ - торцевой борт и бортовой запор;
У цистерн - состояние деревянных прокладок, положение
котла.
· Проверить:
Действие механизма на саморасцеп;
Расстояние от упора корпуса до розетки;
Разницу по высоте между продольными осями
сцепленных автосцепок.
На 2-ой позиции
· Осмотреть под вагоном:
Концевую балку, балки рамы;
Хвостовик корпуса автосцепки, состояние клина
тягового хомута и его крепление, тяговый хомут;
Поглощающий аппарат, передний и задний упоры,
поддерживающую планку;
Видимые пружины с внутренней стороны тележки;
Шкворневую балку, надрессорную балку, узел
пятник - подпятник.
На 3-ей позиции
· Осмотреть:
Буксовый узел - корпус буксы, буксовые крышки,
лабиринтное кольцо;
Колесные пары на наличие повреждений поверхности
катания, следов схода возникших в результате роспуска с горки.
На 4-ой позиции
· Осмотреть:
Концевые опорные части балки;
Пружинный комплект;
Стену кузова, карниз крыши, стойки, раскосы,
обшивку, верхнюю и нижнюю обвязки, состояние крепления хомутов, котла цистерны;
Элементы тормозной рычажной передачи первой
тележки:
Триангели;
Рычаги;
Предохранительные устройства.
· Проверить:
Уровень загрузки вагона по положению фрикционных
клиньев;
Состояние тормозных колодок;
Наличие типовых валиков, шайб, шплинтов;
Состояние и крепление подвесок триангеля;
Состояние и крепление башмаков, подвесок и
наконечников;
Крепление авторежима на кронштейне;
Состояние поперечной опорной балки (отсутствие
изгиба) и её крепление на боковых рамах тележек (наличие болтов, гаек,
шплинтов, резинометаллических элементов под опорами балки).
На 5-ой позиции
· Осмотреть:
Буксовый узел - корпус буксы, буксовые крышки,
лабиринтное кольцо;
Колесные пары на наличие повреждений поверхности
катания, следов схода возникших в результате роспуска с горки.
На 6-ой позиции
· Осмотреть под вагоном:
Вторую сторону тележки, шкворневую балку,
надрессорную балку, узел пятник - подпятник, шкворень;
Видимые пружины с внутренней стороны тележки.
На 7-ой позиции
· Осмотреть крепление и проверить состояние:
Воздухопровода, предохранительных скоб;
Камеры воздухораспределителя, рукоятки режимного
переключателя, цепочки выпускного клапана;
Запасного резервуара;
Тормозного цилиндра;
Тройника, разобщительного крана;
Автоматического регулятора, горизонтальных
рычагов, распорных тяг.
На 8-ой позиции
· Осмотреть:
У крытых вагонов - боковую стену, карниз крыши и
наличие болтов крепления, дверной запор, направляющие двери;
У полувагонов - боковую стену, верхнюю и нижнюю
обвязки, крышки люков и их запорные механизмы;
У платформ - борта, бортовые запоры, скобы
лесных стоек;
У платформ для перевозки большегрузных
контейнеров - фитинговые упоры, узел их крепления и шарнирные соединения (у
платформ в порожнем состоянии - с их обязательным переворачиванием, в гружённом
- с осмотром их видимой части);
У вагонов-хопперов - боковую стену бункеров,
разгрузочные устройства;
У цистерн - котел, крепление лестницы.
Контроль технического состояния второй половины
вагона производят в обратной последовательности соответственно на 9 - 12
позициях.
позиция соответствует поз. 1’, а поз. 12’
соответствует поз.1. На позициях 1’ и 12, в отличие от 1 и 12’, не осматриваются
детали расцепного привода, валик подъёмника и его крепление.
Рисунок 2.2.2 Схема последовательности контроля
технического состояния восьмиосного вагона в парке отправления
Технология ТО по позициям восьмиосного
грузового вагона рисунок 2.2.2
На 1-ой позиции
· Осмотреть:
Тормозной соединительный рукав с головкой,
хомут;
Концевой кран, крепление тормозной магистрали к
концевой балке;
Детали стояночного тормоза;
Кронштейны расцепного привода, расцепной рычаг,
цепь расцепного привода валик подъёмника;
Автосцепку, розетку, маятниковую подвеску,
центрирующий прибор;
Концевую балку, и видимую часть тягового хомута;
Днище котла
· Проверить:
Действие механизма на саморасцеп;
Расстояние от упора корпуса до розетки;
Разницу по высоте между продольными осями
сцепленных автосцепок.
На 2-ой позиции
· Осмотреть:
Балки полурамы в консольной части и концевую
балку;
Хвостовик корпуса автосцепки, валик тягового
хомута и его крепление, тяговый хомут;
Поглощающий аппарат, передний и задний упоры,
поддерживающую планку и направляющий прибор автосцепки;
Видимые пружины с внутренней стороны тележки;
Надрессорную балку первой тележки, узел
пятник/подпятник, соединительную балку и её прилегающую часть.
На 3-ей позиции
· Осмотреть:
Буксовый узел - корпус буксы, буксовые крышки,
лабиринтное кольцо;
На 4-ой позиции
· Осмотреть:
Конец надрессорной балки;
Пружинный комплект;
Котел;
Элементы тормозной рычажной передачи первой
тележки:
Триангели;
Рычаги;
Предохранительные устройства.
· Проверить:
Наличие типовых валиков, шайб, шплинтов;
Состояние и крепление подвесок триангеля;
Состояние и крепление башмаков, подвесок и
наконечников.
На 5-ой позиции
· Осмотреть:
Буксовый узел - корпус буксы, буксовые крышки,
лабиринтное кольцо;
Состояние крепления хомутов котла цистерны;
Состояние крепления котла к полураме;
На 9-ой позиции
· Осмотреть:
Шкворневую балку;
Надрессорную балку первой тележки, узел
пятник/подпятник, соединительную балку и её прилегающую часть;
Видимые пружины с внутренней стороны тележки.
На 10-ой позиции
· Осмотреть крепление и проверить состояние:
Воздухопровода, предохранительных скоб;
Камеры воздухораспределителя, рукоятки режимного
переключателя, цепочки выпускного клапана;
Запасного резервуара;
Тормозного цилиндра;
Тройника, разобщительного крана;
Автоматического регулятора, горизонтальных
рычагов, распорных тяг.
На 11-ой позиции
· Осмотреть:
Котёл, крепление лестницы цистерны.
Контроль технического состояния второй двухосной
тележки на позициях с 6-ой по 9-ую производится в обратной последовательности,
соответственно 5-ой - 2-ой позициям.
Контроль технического состояния второй половины
вагона (позиции с 12-ой по 18-ую) производится в обратной последовательности
соответственно 8-ой - 3-ей и 1-ой позициям.
Не зависимо от позиции осмотра у вагона
контролируют:
у кузова и рамы целостность сварных швов,
наличие трещин, изломов, прогибов, состояние усиливающих накладок;
закрытие дверей, люков, бортов, переходных
мостиков, бункеров и сливных приборов порожних вагонов, приведение в закрытое
положение грузополучателями разгрузочных устройств вагонов и бункеров вагонов
бункерного типа для нефтебитума.
Курсивом выделены операции, выполняемые при
техническом обслуживании тормозного оборудования.
Старший осмотрщик ремонтно-смотровой группы,
убедившись в окончании работ и отсутствии людей у вагонов, сообщает о
готовности своей части состава оператору ПТО для снятия сигналов ограждения.
При этом указывается номер последнего осмотренного вагона в своей группе. О
технической готовности всего состава и снятия сигналов ограждения оператор ПТО
докладывает дежурному по станции с указанием времени окончания технического
обслуживания.
При подходе к составу поездного локомотива
оператор ПТО предупреждает об этом ремонтно-смотровые группы, напоминает о
снятии ограждения и прекращении работ по осмотру и ремонту вагонов.
Осмотрщик головной ремонтно-смотровой группы
вручает машинисту локомотива справку о тормозах формы ВУ-45 об обеспеченности
поезда тормозами и исправном их действии. Справка формы ВУ-45 составляется под
копирку в двух экземплярах. Первый экземпляр вручается машинисту локомотива.
Копия справки сохраняется в книжке этих справок в течение семи суток у
должностного лица, производившего опробование тормозов.
Техническое обслуживание грузовых
поездов, прибывающих на расформирование в «Предгорочный» парк
Внедрение установки опробования тормозов
УЗОТ-Радио в предгорочном парке позволит выявлять неисправности пневматической
части тормоза в прибывших поездах, сводит к нулю возможность пропуска вагонов с
неисправностями тормозов в парк отправления и снижает риск срыва графика
отправления поездов в парке «С», тем самым сокращает маневровую работу.
При техническом обслуживании
вагонов в парке прибытия выполняют следующие работы:
·
выявление
и разметка неисправных вагонов, требующих ремонта на механизированных путях, в парке
отправления, планового ремонта и подготовки к перевозкам;
·
ремонт
в объеме, необходимом для расформирования состава;
·
обеспечение
расцепки вагонов при роспуске с горок (разрядка тормозов вагонов, постановка
выпавшего валика подъемника, ремонт или замена неисправных, постановка
отсутствующих расцепных рычагов, устранение других неисправностей расцепного
привода), замена маятниковых подвесок, центрирующих балочек, снятие проволочных
закруток с расцепных устройств;
·
снятие
поездных сигнальных приборов, обозначающих хвост грузовых поездов;
Вагоны, неисправности которых
невозможно устранить за установленное ОАО «РЖД» время технического обслуживания
состава, направлять в ремонт с оформлением уведомления формы ВУ-23 М.
Дежурный по станции по прямой телефонной связи
(телефон 46-457) извещает оператора ПТО о прибытии поезда, указывая номер пути
приема поезда, откуда прибывает поезд и время предъявления. Оператор ПТО в свою
очередь не познея чем за 20мин. по радиосвязи сообщает осмотрщикам парка приема
номер пути приема поезда. Осмотрщики, получив информацию от оператора ПТО о
подходе поезда, подтверждают по радиосвязи, что информацию приняли.
Осмотрщики вагонов, получив от оператора ПТО
сообщение о подходе поезда, выходят на пути его приема. Одна ремонтно - смотровая
группа располагается на входных путях станции на площадке «островке
безопасности» у предельного столбика с двух сторон пути и контролирует
техническое состояние вагонов прибывающего поезда с хвоста.
Вторая группа располагается также с обоих сторон,
у места остановки головной части поезда, и получает информацию от локомотивной
бригады о работе тормозов и замеченных в пути следования неисправностях
вагонов.
В отдельных случаях встреча поезда «сходу» и
дальнейший контроль его технического состояния может производиться одной
группой с хвоста поезда.
Осмотрщики, осматривающие поезд «сходу», при
обнаружении неисправностей или их признаков, сообщают по радиосвязи о них
оператору ПТО, называя последние четыре цифры номера вагона.
При встрече поезда «сходу» осмотрщики
вагонов, при контроле технического состояния движущихся вагонов, выявляют
незакрепленные, провисшие и болтающиеся детали вагонов, в том числе:
- воздухопроводы, рычажные передачи, изломанные
предохранительные устройства, открытые разгрузочные крышки люков и сливные
устройства, целостность тормозной магистрали, перекрытие концевых кранов и
разъединение рукавов;
биение колесной пары, издающее зрительный эффект
движения обода колеса «по восьмерке»;
частые колебания рессорного комплекта, вибрация
рамы тележки и кузова вагонов;
удары деталей рычажной передачи о другие детали
тележки.
- неисправности поверхностей
катания колес и буксового узла по характерным звукам, наличию пара, дыма;
неисправности поглощающих
аппаратов автосцепного устройства - по расстоянию между упором корпуса
автосцепки и ударной розеткой;
неисправности тормозной
рычажной передачи - по расположению рычагов в момент торможения и другим
признакам;
- видимые и по специфическим признакам
неисправности вагонов, их узлов и деталей;
- вибрация тележки, тряска люка
и её конца, частые вертикальные колебания буксы, резкий стук рычажной передачи;
характерное пощелкивание в
буксе, вертикальное перемещение буксового узла и боковины тележки.
Осмотрщик вагонов, получив от локомотивной
бригады информацию о работе тормозов и о замеченных в пути следования
неисправностях вагонов, информирует об этом оператора ПТО и осмотрщиков вагонов
хвостовой бригады.
После остановки поезда и отхода локомотива,
оператор ограждает состав с централизованного пульта сигналами остановки. Об
ограждении состава оператор ПТО уведомляет ремонтно - смотровые группы. При
неисправности централизованного ограждения допускается ограждение переносными
сигналами.
Осмотрщики-ремонтники хвостовой группы
подключают хвостовой вагон прибывшего поезда к питающей колонке установки УЗОТ
Радио, о чем докладывают по радиосвязи оператору ПТО. Оператор ПТО
устанавливает зарядное давление и при зарядке поезда информирует ремонтно -
смотровые группы.
После получения информации о зарядке поезда ремонтно
смотровые группы приступают к техническому обслуживанию поезда.
Контроль технического состояния вагонов
осмотрщики производят одновременно с двух сторон рисунок 2.2.3
Рисунок 2.2.3 схема осмотра 4-осного вагона
На 1-ой позиции
Осмотреть:
Тормозной соединительный рукав с головкой,
хомут, концевой кран; проверить на наличие утечек;
Крепление тормозной магистрали к концевой балке;
утечки в соединениях тормозной магистрали;
Детали стояночного тормоза;
Кронштейны расцепного привода, расцепной рычаг,
цепь расцепного привода валик подъёмника;
Автосцепку, розетку, маятниковую подвеску,
центрирующий прибор;
Концевую балку, и видимую часть тягового хомута;
Торцевую стену, а у вагонов с тормозными
площадками - стойку, обшивку, сигнальные скобы;
У крытых вагонов - карниз крыши, стойки,
раскосы, обшивку;
У полувагонов - торцевую стену или двери и их
запоры;
У платформ - торцевой борт и бортовой запор;
У цистерн - состояние деревянных прокладок,
положение котла.
Проверить:
Расстояние от упора корпуса до розетки;
Разницу по высоте между продольными осями
сцепленных автосцепок.
На 2-ой позиции
Осмотреть под вагоном:
Концевую балку, балки рамы;
Хвостовик корпуса автосцепки, состояние клина
тягового хомута и его крепление, тяговый хомут;
Поглощающий аппарат, передний и задний упоры,
поддерживающую планку;
Шкворневую балку, надрессорную балку, узел
пятник - подпятник;
Видимые пружины с внутренней стороны тележки;
Колёса первой колёсной пары с внутренней
стороны;
Места сопряжения ступиц колес с подступичной
частью оси;
Среднюю часть оси по всей длине.
На 3-ей позиции
Остукивание колёсных пар.
Осмотреть:
Косоуры, подножки составителя, поручни;
Буксовый узел - корпус буксы, буксовые крышки,
лабиринтное кольцо;
Боковую раму в зоне буксового проёма и
технологического окна;
Колёса первой колёсной пары с наружной стороны;
Поверхность катания на предмет выявления
ползунов (выбоин), выщербин, кольцевых выработок, уширения и отколов обода,
вертикального подреза и остроконечного наката гребня.
Проверить:
Толщину обода, гребня и прокат колеса.
На 4-ой позиции
Осмотреть:
Концевые опорные части балки;
Пружинный комплект;
Центральную часть боковой рамы тележки;
Стену кузова, карниз крыши, стойки, раскосы,
обшивку, верхнюю и нижнюю обвязки, состояние крепления хомутов, котла цистерны;
Элементы тормозной рычажной передачи первой
тележки:
Триангели;
Рычаги;
Предохранительные устройства.
Проверить:
Трафареты периодического ремонта;
Уровень загрузки вагона по положению фрикционных
клиньев;
Состояние и зазор между скользунами;
Состояние тормозных колодок;
Наличие типовых валиков, шайб, шплинтов;
Состояние и крепление подвесок триангеля;
Состояние и крепление башмаков, подвесок и
наконечников;
Крепление авторежима на кронштейне;
Состояние поперечной опорной балки (отсутствие
изгиба) и её крепление на боковых рамах тележек (наличие болтов, гаек,
шплинтов, резинометаллических элементов под опорами балки).
На 5-ой позиции
Остукивание колёсных пар
Осмотреть:
Буксовый узел - корпус буксы, буксовые крышки,
лабиринтное кольцо;
Боковую раму в зоне буксового проёма и
технологического окна;
Колёса первой колёсной пары с наружной стороны;
Поверхность катания на предмет выявления
ползунов (выбоин), выщербин, кольцевых выработок, уширения и отколов обода,
вертикального подреза и остроконечного наката гребня.
Проверить:
Толщину обода, гребня и прокат колеса
На 6-ой позиции
Осмотреть под вагоном:
Вторую сторону тележки, шкворневую балку,
надрессорную балку, узел пятник - подпятник, шкворень;
Видимые пружины с внутренней стороны тележки;
Колёса второй колёсной пары с внутренней
стороны;
Места сопряжения ступиц колес с подступичной
частью оси;
Среднюю часть оси по всей длине.
На 7-ой позиции
Осмотреть:
Хребтовую балку и балки рамы вагона;
Сливные приборы - у цистерн.
Осмотреть крепление и проверить на наличие
утечек:
Воздухопровода, предохранительных скоб;
Камеры воздухораспределителя, рукоятки режимного
переключателя, цепочки выпускного клапана;
Запасного резервуара;
Тормозного цилиндра;
Тройника, разобщительного крана;
Автоматического регулятора, горизонтальных
рычагов, распорных тяг.
На 8-ой позиции
Осмотреть:
У крытых вагонов - боковую стену, карниз крыши и
наличие болтов крепления, дверной запор, направляющие двери;
У полувагонов - боковую стену, верхнюю и нижнюю
обвязки, крышки люков и их запорные механизмы;
У платформ - борта, бортовые запоры, скобы
лесных стоек;
У платформ для перевозки большегрузных
контейнеров - фитинговые упоры, узел их крепления и шарнирные соединения (у
платформ в порожнем состоянии - с их обязательным переворачиванием, в гружённом
- с осмотром их видимой части);
У вагонов-хопперов - боковую стену бункеров,
разгрузочные устройства;
У цистерн - котел, крепление лестницы.
Контроль технического состояния второй половины
вагона производят в обратной последовательности соответственно на 9 - 12
позициях.
Осмотрщик левой стороны вагона осуществляет
контроль технического состояния по позициям, отмеченных цифрами со штрихом.
позиция соответствует поз. 1’, а поз. 12’
соответствует поз.1. На позициях 1’ и 12, в отличие от 1 и 12’, не
осматриваются детали расцепного привода, валик подъёмника и его крепление.
Остукивание колёсных пар производят на 3, 5, 9,
11, 3’, 5’, 9’, 11’ позициях.
Осмотр с пролазкой первой тележки производит
правый осмотрщик, второй - левый.
Осмотрщик правой стороны вагона
Осмотрщик левой стороны вагона
Рисунок 2.2.4 Схема последовательности контроля
технического состояния восьмиосного вагона в парке прибытия
Технология ТО по позициям
восьмиосного грузового вагона
На 1-ой позиции
Осмотреть:
Тормозной соединительный рукав с головкой,
хомут;
Концевой кран, крепление тормозной магистрали к
концевой балке, проверить на наличие утечек;
Детали стояночного тормоза;
Кронштейны расцепного привода, расцепной рычаг,
цепь расцепного привода валик подъёмника;
Автосцепку, розетку, маятниковую подвеску,
центрирующий прибор;
Концевую балку, и видимую часть тягового хомута;
Днище котла.
Проверить:
Трафареты периодического ремонта;
Расстояние от упора корпуса до розетки;
Разницу по высоте между продольными осями
сцепленных автосцепок.
На 2-ой позиции
Осмотреть:
Балки полурамы в консольной части и концевую
балку;
Хвостовик корпуса автосцепки, валик тягового
хомута и его крепление, тяговый хомут;
Поглощающий аппарат, передний и задний упоры,
поддерживающую планку и направляющий прибор автосцепки;
Колёса первой колёсной пары с внутренней
стороны;
Места сопряжения ступиц колес с подступичной
частью оси;
Среднюю часть оси по всей длине;
Видимые пружины с внутренней стороны тележки;
Надрессорную балку первой тележки, узел
пятник/подпятник, соединительную балку и её прилегающую часть.
Буксы, буксовые крышки, лабиринтное кольцо;
Боковую раму в зоне буксового проёма и
технологического окна;
Колёса первой колёсной пары с наружной стороны;
Поверхность катания на предмет выявления
ползунов (выбоин), выщербин, кольцевых выработок, уширения и отколов обода,
вертикального подреза и остроконечного наката гребня.
Проверить:
Толщину обода, гребня и прокат колеса;
На 4-ой позиции
Осмотреть:
Концевые опорные части балки;
Пружинный комплект;
Центральную часть боковой рамы тележки;
Котел;
Элементы тормозной рычажной передачи первой
тележки:
Триангели;
Рычаги;
Предохранительные устройства.
Проверить:
Состояние и зазор между крайними скользунами;
Наличие типовых валиков, шайб, шплинтов;
Состояние и крепление подвесок триангеля;
Состояние и крепление башмаков, подвесок и
наконечников.
На 5-ой позиции
Производится остукивание колёсных пар.
Осмотреть:
Буксовый узел - корпус буксы, буксовые крышки,
лабиринтное кольцо;
Боковую раму в зоне буксового проёма и
технологического окна;
Прилегающую часть соединительной балки;
Центральный скользун, узел пятник/подпятник,
шкворень;
Шкворневую балку, балки полурамы;
Колесо второй колёсной пары с наружной и
внутренней стороны;
Место сопряжения ступицы колеса с подступичной
частью оси;
Среднюю часть оси - в видимой зоне;
Поверхность катания на предмет выявления
ползунов (выбоин), выщербин, кольцевых выработок, уширения и отколов обода,
вертикального подреза и остроконечного наката гребня.
Проверить:
Состояние крепления котла к полураме;
Состояние крепления хомутов котла цистерны;
Толщину обода, гребня и прокат колеса;
Зазоры в центральных скользунах между
соединительной и шкворневой балками.
На 9-ой позиции
Осмотреть:
Шкворневую балку;
Колёса четвертой колёсной пары с внутренней
стороны;
Места сопряжения ступиц колес с подступичной
частью оси;
Среднюю часть оси по всей длине;
Видимые пружины с внутренней стороны тележки;
Надрессорную балку первой тележки, узел
пятник/подпятник, соединительную балку и её прилегающую часть.
На 10-ой позиции
Осмотреть:
Сливные приборы.
Осмотреть крепление и проверить на наличие
утечек:
Воздухопровода, предохранительных скоб;
Камеры воздухораспределителя, рукоятки режимного
переключателя, цепочки выпускного клапана;
Запасного резервуара;
Тормозного цилиндра;
Тройника, разобщительного крана;
Автоматического регулятора, горизонтальных
рычагов, распорных тяг.
На 11-ой позиции
Осмотреть:
Котёл, крепление лестницы цистерны.
Осмотрщик левой стороны вагона осуществляет
контроль технического состояния по позициям, отмеченных цифрами со штрихом.
Осмотр с пролазкой первой половины вагона
производит правый осмотрщик, второй - левый.
Контроль технического состояния второй двухосной
тележки на позициях с 6-ой по 9-ую производится в обратной последовательности,
соответственно 5-ой - 2-ой позициям.
Контроль технического состояния второй половины
вагона (позиции с 12-ой по 18-ую) производится в обратной последовательности
соответственно 8-ой - 3-ей и 1-ой позициям.
Остукивание колёсных пар с целью выявления
трещин производится на 3; 5; 6; 8; 12; 14; 15; 17; 3’; 5’; 6’; 8’; 12’; 14’;
15’; 17’ позициях.
На позициях 4, 5, 7, 14, 15 и 16 соответственно
4’, 5’, 7’, 14’, 15’ и 16’ производят замер зазоров между скользунами
соединительной балки и скользунами надрессорных балок, а также между
скользунами шкворневой и соединительной балок.
Не зависимо от позиции осмотра у вагона
контролируют:
у кузова и рамы целостность сварных швов,
наличие трещин, изломов, прогибов, состояние усиливающих накладок;
закрытие дверей, люков, бортов, переходных
мостиков, бункеров и сливных приборов порожних вагонов, приведение в закрытое
положение грузополучателями разгрузочных устройств вагонов и бункеров вагонов
бункерного типа для нефтебитума.
Выявленные неисправности отмечают мелом.
Курсивом выделены операции, выполняемые при
техническом обслуживании тормозного оборудования.
При контроле технического состояния вагонов
осмотрщики выявляют неисправности узлов и деталей вагонов и наносят в
установленных местах на вагоне (на боковых стенках кузовов между угловой и
боковой стойками, на бортах платформ и котлах цистерн) четкие меловые разметки
согласно классификатору. Осмотрщики сообщают оператору ПТО номера выявленных
неисправных вагонов, а также результаты проверки вагонов, у которых были
обнаружены неисправности средствами технического диагностирования или
осмотрщиками, встречавшими поезд «сходу». Перегретые буксы,
заторможенные колеса, зарегистрированные средствами контроля, осматривают не
позднее, чем через 20 мин после остановки поезда.
Если в результате осмотра в
зарегистрированных средствами контроля вагонах отсутствуют неисправные узлы, то
по показанным узлам должны быть проверены по два смежных вагона в каждую
сторону от зафиксированного.
При наличии в составе транспортеров осмотрщики
извещают об этом старшего осмотрщика, который лично осматривает транспортеры,
определяет их техническое состояние и возможность дальнейшего
следования.
Контроль за сохранностью
вагонов производят осмотрщики вагонов смен ПТО под руководством старшего
осмотрщика вагонов. При выявлении в составе неисправного вагона, угрожающего
безопасности движения, надвиг и роспуск такого вагона с горки недопустим.
Старший осмотрщик обязан осмотреть этот вагон и на оборотной стороне формы
ВУ-23М указать порядок и скорость его возможного передвижения в ремонт
и поставить об этом в известность оператора ПТО и дежурного по станции.
На вагоны, подлежащие ремонту с
отцепкой, осмотрщик сообщает оператору ПТО номера вагонов для оформления
уведомления формы ВУ-23М в двух экземплярах: первый вручается работнику станции
(дежурному по станции), второй передается оператору ПТО по учету вагонов.
Старший группы, убедившись в окончании
технического обслуживания состава дает команду оператору ПТО на отключение от
установки УЗОТ-Радио. Оператор ПТО после снижения давления медленным темпом до
«0» передает информацию старшему группы о возможности отключения установки.
Старший осмотрщик дает команду праизвести отпуск
тормозов, хвостовая и головная группы расходятся в разных направлениях при этом
производят отпуск тормозов. Хвостовая группа осмотрщиков-ремонтников при
достижении хвостового вагона производит отключения поезда от установки
УЗОТ-Радио о чем докладывает оператору ПТО.
Оператор ПТО, получив сведения, от всех
ремонтно-смотровых групп об окончании технического обслуживания и возможности
снятия ограждения, оповещает об этом по радиосвязи всех работников бригады,
убеждается в правильности принятия сообщения и снимает или дает указание
ответственному за ограждение снять сигналы ограждения, докладывает дежурному по
станции о возможности надвига состава на горку для расформирования с указанием
времени окончания технического обслуживания поезда.
Время окончания технического обслуживания
состава фиксируется оператором в журнале эксплуатационной работы.
2.3 Выбор потребного количества
оборудования
Расчет количества оборудования произведем по
формуле:
Кобi = Nобi*Ti/F*k
(3.5)
где F-
годовой фонд рабочего времени7924 ч/год
k- коэффициент
учитывающий простой оборудования 0,95
Рассчитаем количество установок УЗОТ-Радио т.к.
одна установка позволяет производить проверку тормозного оборудования
одновременно на 4-х составах то годовой объем проверяемых составов составит:
Nобi
= N/4
Nобi
= N*1/4=8600*1/4 =
2150 (сост./год)
Время проверки тормозного оборудования Тi
= 42мин. 0,7ч.
Кузот = 2150*0,7/7924*0,95 = 0,18 (шт).
Соответственно принимаем Кузот = 1(уст).
Данные расчета сведем в таблицу 2.2.
Таблица
2.2
Перечень оборудования
|
Наименованиетип
|
|
|
Установка
для опробования тормозов
|
УЗОТ-Радио
|
2.4 Расчет потребного количества
рабочих
Расчет потребного количества рабочих производим
по формуле
Корв = Норв*N/Fр,
(3.6)
где Нi-
фактическая трудоемкость работы ПТО «Предгорочный» 1,19 чел.*ч/сост.
N- годовой объем
обслуживания составов в парке 8600 сост/год.
T -время
обслуживания состава в парке 0,7 ч
Кi=1,19*8600/1981=5,16
(чел.*ч/сост).
Для определения количества
осмотрщиков-ремонтников вагонов внедряемая установка снижает трудоемкость их
работы примерно на 20% необходимо определить перспективную трудоемкость работы
осмотрщиков-ремонтников вагонов по формуле:
Норв=Норв*(100-20/100)/0,95, (3.7)
где Норв - перспективная трудоемкость работ
осмотрщиков- ремонтников, при использовании установки УЗОТ-РМ
Норв - трудоемкость работ осмотрщиков-ремонтников
вагонов определяется при обследовании ПТО 1,19ч./сост.
Норв = 1,19*0,95*(100-20/100) = 0,95
(чел.*ч/сост).
Определим количество осмотрщиков-ремонтников
вагонов по формуле:
Корв = Норв*N/Fр,
(3.8)
где Норв - перспективную трудоемкость работы
осмотрщиков-ремонтников вагонов 0,95 (чел.*ч/сост).
N-перспективный
годовой объем обрабатываемых составов 22640 (сост./год)
Fр - годовой фонд
рабочего времени.
Корв = 0,9*8600/1981=3,9 (чел)
Рассчитанные данные сводим в таблицу 2.3.
Таблица
2.3
Сводные данные
|
Наименование
|
Тип
|
Кол-во
ОРВ чел.
|
|
До
перевооружения
|
Установка
для опробования тормозов
|
отсутствует
|
5
|
|
После
перевооружения
|
Установка
для опробования тормозов
|
УЗОТ-Радио
|
4
|
3. Разработка по заданию
предприятия. Устройство зарядки и опробования тормозов УЗОТ-Радио
Устройство УЗОТ-Радио предназначено для зарядки
и опробования тормозов подвижного состава железных дорог на ПТО в парках
отправления с формированием и сохранением в электронном виде отчетов по
обработке тормозов поезда, справок ВУ-45, суточных отчетов и передачей данных в
систему АСУ ПТО.
Устройство УЗОТ-Радио позволяет автоматизировать
процессы подготовки тормозов подвижного состава в парках отправления,
осуществлять контроль за качеством подготовки тормозов и соблюдением
технологической дисциплины в парке.
Устройство УЗОТ-Радио изготавливается в
соответствии с ТУ 3185-031-48588818-2010. Обмен данными по радиоканалу между
блоками устройства УЗОТ-Радио ведется на радиочастотах, выделенных для ОАО
«РЖД».

Рисунок 1 - Общий
вид устройства
Рисунок 2 -
Структурная схема устройства
По сравнению с аналогами устройство УЗОТ-Радио
имеет ряд преимуществ:
· производительность данного устройства
значительно выше других аналогичных устройств за счет ускоренной зарядки
тормозной сети состава;
· устройство автоматически измеряет
плотность тормозной сети состава при заряженном и заторможенном положениях (без
использования мерных резервуаров);
· для установки величин поездных
давлений в зависимости от типа состава (длинный, груженый, порожний с
включенными тормозами, пассажирских вагонов) оператор производит все настройки
с компьютера;
· обмен данными между блоками
устройства производится по радиоканалу с использованием помехозащищенного
кодирования информации, в результате устройство позволяет:
- сократить дополнительные расходы при внедрении
устройства, т.к. не требуется прокладка линии связи между блоками устройств;
- исключить влияние помех на результаты
измерений;
· устройство позволяет сократить время опробования
состава, за счет применения новых блоков и функциональных возможностей:
определение наличия и места самопроизвольного
срабатывания тормозов в составе в ходе обработки состава;
- выявление вагонов с замедленным
отпуском тормозов;
дистанционное измерение давления в
тормозной магистрали хвостового вагона;
автоматическая проверка целостности
тормозной магистрали состава при продувке тормозной магистрали с помощью блока
хвостового вагона (БХВ);
· устройство позволяет взаимодействовать с
системой СУТП, в результате при подготовке поезда повышенного веса и длины,
отправляемого с СУТП, блок БХВ уже подключен и опробован в ходе обработки
состава на ПТО.
Устройство УЗОТ-Радио включает в себя:
· Пульт оператора парка (ПОП), имеющий в составе:
персональный компьютер (далее ПК);
- печатающее устройство (принтер);
источник бесперебойного питания;
радиостанция;
антенна.
· Устройство зарядки и опробования тормозов УЗОТ,
имеющий в составе:
блок электропневматический;
- антенна.
Основные функциональные возможности
Устройство УЗОТ-Радио обеспечивает:
управление от одного пульта оператора парка
несколькими устройствами УЗОТ и БХВ;
- одновременную обработку нескольких
поездов (равному количеству колонок, входящих в состав БЭП) с одного устройства
УЗОТ;
продувку тормозной магистрали (далее
ТМ) сжатым воздухом под давлением 1,25÷2,25 кгс/см²
при
соединении тормозных рукавов;
ускоренную (за 8÷20
минут)
зарядку ТМ завышенным давлением с последующей автоматической ликвидацией его
темпом, не приводящим к срабатыванию тормозов;
проверкой тормозов на мягкость с
контролем срабатывания при ликвидации сверхзарядного давления темпом мягкости
(0,2 кгс/см² за 80÷120
сек);
выявление самопроизвольного
срабатывания и определение места самопроизвольного срабатывания;
проверку плотности тормозной сети
состава длиной до 500 осей при зарядном давлении и при ступени торможения;
проверку целостности тормозной
магистрали состава при продувке тормозной магистрали открыванием концевого
крана хвостового вагона или в автоматическом режиме при помощи БХВ;
проверку автоматических тормозов на
торможение ступенями;
проверку автоматических тормозов на
отпуск зарядным давлением;
непрерывный контроль плотности и
давления воздуха в ТМ первого и хвостового вагона состава;
непрерывный контроль давления воздуха в
напорной магистрали парка с сигнализацией снижения давления;
выявление вагонов с замедленным
отпуском;
регистрацию хода опробования и
параметров тормозных процессов в составе;
формирование и сохранение в электронном
виде отчетов по обработке тормозов поезда, справок ВУ-45, суточных отчетов;
печать форм отчетности на бумажном
носителе.
Основные технические характеристики
Электронные блоки УЗОТ-Радио работают от сети
переменного тока напряжением от 200 до 240 В при частоте 50 Гц.
Блок БХВ использует автономное питание от
аккумуляторной батареи номинала +12В.
Давление воздуха на входе блока
электропневматического должно быть в пределах от 0,65 МПа (6,5 кгс/см²)
до
0,90 МПа (9,0 кгс/см²).
Потребляемая мощность электронных блоков
УЗОТ-Радио, не более, ВА:
- БЭП350;
- ПОП800.
Габаритные размеры блоков УЗОТ-Радио, не более,
мм:
- БЭП1900×700×1200;
- ПОП 1300×500×600.
Масса блоков УЗОТ-Радио, не более, кг:
- БЭП200;
- ПОП 45.
Составные части устройства УЗОТ-Радио имеют
следующие условия эксплуатации в соответствии с ГОСТ 15150-69:
· электропневматический блок и электронный блок
управления соответствуют климатическому исполнению УХЛ категории размещения
3.1:
температура окружающей среды от -40 до +50°С;
- относительная влажность до 80%
при +15°С.
· пульт оператора парка соответствуют
климатическому исполнению УХЛ категории размещения 4.2:
- относительная влажность до 40%
при +27°С.
УЗОТ-Радио выдерживает круглосуточную работу.
Минимальная наработка на отказ 10000 часов.
Срок службы УЗОТ-Радио -
не менее 10 лет.
4.
Исследовательская часть
.1 Анализ
неисправностей устраняемых на ПТО
Основными неисправностями вагонов по праву можно
считать неисправности автотормозного оборудования: утечки воздуха в тормозной
сети, неправильная регулировка рычажной передачи, интенсивность износа
тормозных колодок, ослабление или обрыв крепления тормозного оборудования.
Основными факторами возникновения этих дефектов является ненормальная работа
колесной пары, вызывающая ее перекос при движении, вследствие: неправильной
установки ее в тележке; значительной разницы диаметров колес на одной оси;
длительной работы на участках пути с крутыми кривыми; изгиба оси; перекоса рамы
тележки; неправильной посадки колес на ось
Довольно часто у колесных пар встречаются
ползуны, навары на поверхностях катания колес. Ползун, навар является дефектом
тормозного происхождения. Что значительно сказывается на дальнейшей работе
автотормозного оборудования. Данные по неисправностям вагонов и узлов показаны
в таблице 4.1-4.2.
Таблица 4.1
Анализ неисправностей вагонов
устраняемых текущим безотцепочным ремонтом вагонов
|
Вагоны,
отремонтированные
|
Количество,
в вагонах
|
Количество,
в%
|
|
По
неисправностям автотормозного оборудования
|
23275
|
98
|
|
По
неисправностям автосцепного оборудования
|
124
|
0,52
|
|
По
неисправностям кузова вагона
|
276
|
1,48
|
|
Всего
|
23675
|
100
|
Таблица
4.2
Анализ ремонта вагонов по неисправностям
автотормозного оборудования
|
Вид
неисправности
|
Количество,
в вагонах
|
Количество,
в%
|
|
Устранение
утечки воздуха в тормозной сети поезда
|
7383
|
32,2
|
|
Замена
деталей автотормозного оборудования
|
1476
|
6,75
|
|
Включение
вагона проверка тормоза
|
302
|
1,27
|
|
Регулировка
тормозной рычажной передачи вагона
|
12253
|
51,91
|
|
Крепление
деталей тормозного оборудования
|
1544
|
6,54
|
|
Прочие
неисправности
|
315
|
1,33
|
|
Всего
|
23675
|
100
|
Рисунок 4.1 - Диаграмма неисправностей вагонов,
устраняемых текущим безотцепочным ремонтом вагонов
- неисправности автотормозного
оборудования - 98%
- неисправности автосцепного
оборудования - 0,52%
- неисправности кузова - 1,48%
Из данной диаграммы видно что, наибольшее
количество неисправных вагонов появляется в основном из-за неисправности
автотормозного оборудования. Что приводит к остановкам составов в пути следования
и срыву отправления их в запланированное время с пунктов технического
обслуживания вагонов.
Рисунок 4.2 - Диаграмма неисправностей
автотормозного оборудования вагонов
- регулировка тормозной рычажной
передачи - 51,91%
- устранение утечек воздуха - 32,2%
- замена деталей автотормозного
оборудования - 6,75%
- крепление деталей автотормозного
оборудования - 6,54%
- прочие неисправности - 1,33%
- включение вагона проверка тормоза
- 1,27%
технологический технический тормоз
поезд
5. Технологическая часть. Технология
ремонта тормозного оборудования вагонов
Контроль технического состояния и ремонт
тормозного оборудования вагонов производится в соответствии с требованиями:
Инструкция по техническому обслуживанию вагонов
в эксплуатации. Утвержденной Советом по железнодорожному транспорту Государств
- участников Содружества от 21-22 мая 2009 г. С№50;
Инструкция по эксплуатации тормозов подвижного
состава железных дорог ЦТ-ЦВ-ЦЛ-ВНИИЖТ/277, 1998 г.
Инструкции по ремонту тормозного оборудования
вагонов ЦВ-ЦЛ-945, утв.27.06.03 г.
Техническое состояние тормозного оборудования
вагонов проверяют при их техническом обслуживании работники ПТО Калининград.
Выполнение работ контролирует старший осмотрщик вагонов.
Запрещается подавать под погрузку, ставить в
поезд вагоны с неисправным тормозным оборудованием, а также без предъявления их
к техническому обслуживанию и записи в журнале формы ВУ-14, о признании вагонов
годными к безопасному следованию в поездах. При этом проверяют исправность
действия тормозного оборудования каждого вагона с выполнением необходимого
ремонта или заменой исправным.
Запрещается ставить в состав поезда вагоны, у
которых тормозное оборудование имеет хотя бы одну из следующих неисправностей:
неисправный воздухораспределитель,
электровоздухораспределитель (в пассажирском поезде), авторежим, концевой или
разобщительный кран, выпускной клапан, тормозной цилиндр, запасной резервуар,
рабочая камера;
повреждение воздухопроводов - трещины, прорывы,
протертости и расслоение соединительных рукавов, трещины, надломы и вмятины на
воздухопроводах, неплотность их соединений, ослабление трубопровода, в местах
крепления;
неисправность, нетиповое крепление деталей
механической части - траверс, триангелей, рычагов, тяг, подвесок,
авторегулятора рычажной передачи, башмаков; трещины или изломы в деталях, откол
проушин колодки; неправильное крепление колодки в башмаке, неисправные или
отсутствующие предохранительные устройства и балки авторежимов, нетиповые
детали и шплинты в узлах;
неисправный ручной тормоз;
ослабление крепления деталей;
не отрегулированная рычажная передача;
Запрещается устанавливать композиционные колодки
на вагоны, рычажная передача которых переставлена под чугунные колодки (т.е.
валики затяжки горизонтальных рычагов находятся в отверстиях, расположенных
дальше от тормозного цилиндра), и наоборот, не допускается устанавливать
чугунные колодки на вагоны, рычажная передача которых переставлена под
композиционные колодки, за исключением колесных пар пассажирских вагонов с
редукторами, где могут применяться чугунные колодки для скорости движения до
120 км/ч.
Шести - и восьмиосные, а также вагоны для
перевозки опасных грузов, грузовые вагоны разрешается эксплуатировать только с
композиционными колодками.
Наиболее часто встречаются следующие
неисправности тормозного оборудования грузовых вагонов:
Таблица
5.1
|
Тормозная
магистраль
|
-
утечки сжатого воздуха в соединениях и из тормозных приборов; - трещина
магистральной трубы по резьбе; - протертости, вмятины магистральной трубы; -
повреждение подводящей трубы; - трещина, износ резьбы тройника.
|
|
Соединительный
рукав
|
-
отсутствие хомута; - излом, трещина наконечника рукава; - износ гребня
соединительной головки; - излом, трещина соединительной головки; - забита
канавка для уплотнительного кольца; - вздутие рукава; - обрыв рукава; -
расслоение рукава.
|
|
Кран
концевой
|
-
откол, трещина корпуса крана; - заклинивание клапана крана.
|
|
Воздухораспределитель
|
-
излом, трещина рабочей камеры; - износ резьбы в местах установки шпилек
крепления главной и магистральной частей рабочей камеры; - износ резьбы в
местах установки накидных гаек подводящих трубок; - ослабление крепления
рабочей камеры.
|
|
Запасной
резервуар
|
-
износ резьбы, излом штуцера запасного резервуара; - трещины, протертости,
вмятины запасного резервуара; - ослабление крепления запасного резервуара.
|
|
Тормозной
цилиндр
|
-
ослабление крепления тормозного цилиндра; - излом трещины корпуса тормозного
цилиндра; - излом отпускной пружины; - износ манжеты поршня; - износ резьбы
штуцера в местах установки накидных гаек подводящих трубок.
|
|
Триангель
|
-
трещина, изгиб или излом струны триангеля; - трещина, изгиб или излом
распорки триангеля; - трещина, изгиб или излом траверсы триангеля; - заварной
башмак.
|
|
Тормозная
рычажная передача
|
-
износ тормозных колодок; - нарушение регулировки ТРП
|
В случае выявления, при контроле технического
состояния тормозного оборудования, неисправностей, на боковых стенках кузовов
вагонов (между угловой и боковой стойками), на бортах платформ, на котлах
цистерн наносятся следующие условные меловые пометки:
"СТП" сменить тормозной прибор;
"ОРП" отрегулировать тормозную
рычажную передачу;
"РР" регулировать или заменить
автоматический регулятор тормозной рычажной передачи;
"СТ" сменить триангель;
"ПШ" поставить шплинт, шайбу;
"СКК" сменить концевой кран;
"СР" сменить соединительный рукав;
"СВР" сменить валик тормозной рычажной
передачи;
"СК" сменить тормозную колодку.
На вагонах, подлежащих ремонту с отцепкой, также
наносятся четкие меловые надписи.
При техническом обслуживании тормозной системы
вагонов проверить:
крепление всех приборов, арматуры и трубопровода
на вагоне (рисунок 6.1, таблица 6.1);
наличие и исправность предохранительных и
поддерживающих скоб и устройств (рисунок 6.2, таблица 6.2.);
Рис. 5.1 Схема осмотра тормозной системы
грузового вагона
наличие и правильность установки устройств
фиксирующих усилие затяжки крепежных гаек (шплинты, стопорные планки, шайбы,
контргайки) (рисунок 5.2 таблица 5.2);
наличие валиков рычажной передачи
зафиксированных от выпадения шайбой и типовым шплинтом с разведенными усиками
на угол не менее 90град., предохранителя валика подвески триангеля (рисунок
5.2, таблица 5.2);
Рис. 5.2 Схема осмотра тормозной рычажной
передачи грузовой тележки
Таблица
5.2
Последовательность осмотра тормозного
оборудования вагона
|
поз.
1
|
поз.
2,3,4,5
|
поз.
6
|
поз.
7
|
поз.
8
|
|
Проверка
состояния и положения концевого крана; осмотр соединительного рукава,
крепления магистральной трубы
|
Осмотр
рычагов тормозной рычажной передачи, валиков, шплинтов, шайб, распорной тяги,
триангеля, подвесок тормозных башмаков, предохранителей валиков подвесок
тормозных башмаков. Проверка износа тормозных колодок и их крепления,
состояния башмака подвески и отводящих устройств
|
Осмотр
регулятора тормозной рычажной передачи, тяг, предохранительных устройств,
тормозного цилиндра, горизонтальных рычагов, контроль соответствия установки
затяжки горизонтальных рычагов типу колодок
|
Осмотр
запасного резервуара, воздухораспределителя и их крепления на раме вагона;
контроль состояния подводящих труб; контроль соответствия включения режимов
торможения и отпуска загрузке вагона
|
Осмотр
подводящих труб, авторежима (при наличии). Предохранительных устройств
|
правильность соединения рукавов тормозной
магистрали, открытие концевых кранов между вагонами и разобщительных кранов на
подводящих воздухопроводах от магистрали к воздухораспределителям, а также их
состояние и надежность крепления;
правильность включения режимов
воздухораспределителей на каждом вагоне с учетом наличия авторежима, в том
числе в соответствии с загрузкой и типом колодок;
плотность тормозной сети состава, которая должна
соответствовать установленным нормативам.
Наличие утечек определяется на слух и визуально
(при необходимости произвести обмыливание соединений). Явным признаком утечки
является наличие масляного валика пыли летом или замасленного инея зимой. На
рисунке 5.3 показаны наиболее вероятные места утечек воздуха в тормозном
оборудовании грузовых вагонов.
Рис. 5.3 Наиболее вероятные места утечек
воздуха в тормозном оборудовании грузовых вагонов
- соединительные головки тормозных рукавов; 2-
резинотекстильный рукав; 3 - соединения концевого крана; 4 - соединения
тормозной магистрали; 5 - привалочный фланец главной части
воздухораспределителя; 6 - привалочный фланец магистральной части
воздухораспределителя; 9 - соединения разобщительного крана; 10 - резьбовое
соединение проводящей трубы к двухкамерному резервуару от запасного резервуара;
11 - резьбовое соединение у двухкамерного резервуара подводящей трубы к
тормозному цилиндру (авторежиму); 12 - резьбовое соединение подводящей трубы к
двухкамерному резервуару от тормозной магистрали; 13 - шток тормозного
цилиндра; 14 - узел подсоединения трубы и пробка тормозного цилиндра; 15 -
соединение подвода и пробка запасного резервуара
При пропуске воздуха в атмосферу в безрезьбовом
соединении (рисунок 5.4 а, б) допускается подтяжка гайки накидной без снятия
соединения с тормозной магистрали моментом, указанным в таблице 5.3.
Вагонокомплект
Кран концевой
№4314Б - 2 шт.
Штуцер №4370 - 3
шт.
Ниппель №4371 - 5
шт.
Тройник №4375 - 1
шт.
Ниппель №4378 -
1шт.
а) Воздухопровод тормозной системы грузового
вагона с безрезьбовым соединением приборов и труб
Рис. 5.4 Безрезьбовые соединения в тормозной
магистрали грузовых вагонов
Вагонокомплект
Кран концевой
№4314Б - 2 шт.
Муфта №4370 - 3 шт.
Ниппель №4371 - 6
шт.
Тройник №4375-01 -
1 шт.
Кран трехходовой
№4325Б - 1 шт.
Муфта №4379 - 1 шт.
Комплект деповского
ремонта
Муфта №4379-01 - 1
шт.
Штуцер № 4374 - 2
шт.
Устройство
подключения диагностического оборудования
Клапан золотниковый
№4316 - 2 шт.
б) Воздухопровод тормозной системы грузовых
вагонов с раздельной системой торможения с безрезьбовым соединением приборов и
труб с клапаном для подключения устройств диагностики давления воздуха в
тормозных цилиндрах
действие автотормозов на чувствительность к
торможению и отпуску. Воздухораспределители и электровоздухораспределители,
работающие неудовлетворительно, заменить исправными. При этом действие электропневматических
тормозов проверить от источника питания с напряжением при торможении не более
40 В, при этом напряжение в электрической цепи проводов №1 и 2 в режиме
торможения в пересчете на один вагон проверяемого состава должно составлять не
более 0,5 В для составов до 20 вагонов включительно, и не более 0,3 В для
составов большей длины;
на вагонах с авторежимом - соответствие выхода
вилки авторежима загрузке вагона, надежность крепления контактной планки,
опорной балки на тележке, авторежима, демпферной части и реле давления на
кронштейне; ослабшие болты затянуть;
Таблица
5.3
Рабочие характеристики безрезьбовых соединений
|
Наименование
и номер безрезьбового соединения
|
Штуцер
4 370
|
Ниппель
4 371
|
Ниппель
4 378
|
Муфта
4 379-01
|
Муфта
4 379
|
Штуцер
4 374
|
Тройник
4375-01
|
Концевой
кран 4314Б
|
|
Момент
затяжки накидных гаек, Н*м
|
150(+-)15
|
200(+-)20
|
200
(+-) 20/150 (+-)15
|
200(+-)20
|
|
Диапазон
рабочих температур, град.С
|
-
60...+ 60
|
|
Максимальная
температура, град.С
|
+
120, не более 4 часов
|
правильность регулирования рычажной передачи и
действие автоматических регуляторов, выход штока тормозных цилиндров, который
должен быть в пределах, указанных в таблице 5.4:
* при необходимости регулировку осуществлять
перестановкой валиков на тягах (рисунок 5.5 в), с последующей регулировкой
размера "а" (расстояние от торца муфты защитной трубы регулятора ТРП
до начала присоединительной резьбы на его винте) и повторной проверкой выхода
штока тормозного цилиндра. Размеры "а" для грузовых и пассажирских
вагонов должны быть не менее указанных в таблице 5.4.
Углы наклона горизонтальных и вертикальных
рычагов должны обеспечивать нормальную работу рычажной передачи до предельного
износа тормозных колодок:
* при симметричном расположении тормозного
цилиндра на вагоне и на вагонах с раздельным потележечным торможением (рисунок
5.5 а) при полном служебном торможении и новых тормозных колодках
горизонтальный рычаг со стороны штока тормозного цилиндра должен располагаться
перпендикулярно к оси тормозного цилиндра или иметь наклон от своего перпендикулярного
положения до 10о в сторону от тележки;
* при несимметричном расположении тормозного
цилиндра на вагонах и на вагонах с раздельным потележечным торможением (рисунок
5.5 б) и новых тормозных колодках промежуточные рычаги должны иметь наклон не менее
20о в сторону тележек.
Рис. 5.5 Схема регулировки углов наклона
горизонтальных и вертикальных рычагов
Примечание: Неправильная
установка затяжки горизонтальных рычагов при композиционных колодках, может
привести к заклиниванию колес, при чугунных - к недостаточности тормозного
нажатия.
После регулировки рычажной передачи необходимо
произвести полное служебное торможение. Подвести упорный рычаг (упор) привода к
корпусу регулятора вплотную и зафиксировать его положение, для чего у рычажного
привода вращением регулировочного винта следует совместить отверстие в его
головке с отверстием в упорном рычаге привода и соединить их валиком, с
постановкой шплинта. После установки привода регулятора следует отпустить
тормоз. При этом расстояние между корпусом регулятора и упорным рычагом
(упором) устанавливается автоматически. Ориентировочные величины размера
"А" (установочный размер привода регулятора) приведены в таблице 5.4.
Примечание:
При размере "А" более нормы регулятор работает как жесткая тяга и по
мере износа тормозных колодок не стягивает ТРП, что приводит к увеличению
выхода штока тормозного цилиндра.
При размере "А" менее нормы регулятор
чрезмерно стягивает ТРП, после отпуска тормоза тормозные колодки могут остаться
прижатыми к колесам, что может привести к их заклиниванию.
толщину тормозных колодок и их расположение на
поверхности катания колес. Зазор между тормозными колодками и колесами должен
составлять до 10 мм. Не допускается оставлять на грузовых вагонах тормозные
колодки, если они выходят с поверхности катания на наружную грань колеса более
чем на 10 мм. На пассажирских и рефрижераторных вагонах выход колодок с
поверхности катания за наружную грань колеса не допускается. Минимальная
толщина тормозных колодок, при которой они подлежат замене, составляет: для
чугунных-12 мм, композиционных с металлической спинкой - 14 мм, с
сетчато-проволочным каркасом - 10 мм (колодки с сетчато - проволочным каркасом
определяют по заполненному фрикционной массой ушку). Толщину тормозной колодки
следует проверять с наружной стороны, а при клиновидном износе - на расстоянии
50 мм от тонкого торца. В случае явного износа тормозной колодки с внутренней
стороны (со стороны гребня колеса) колодку заменить, если этот износ может
вызвать повреждение башмака;
исправность и действие ручных тормозов, обращая
внимание на легкость приведения в действие и прижатие колодок к колесам - в
пунктах формирования грузовых поездов и в пунктах формирования и оборота
пассажирских поездов. Такую же проверку ручных тормозов осмотрщики вагонов
должны производить на станциях с пунктами технического обслуживания,
предшествующих крутым затяжным спускам;
Таблица
5.4
Параметры регулировки тормозной рычажной
передачи вагонов
|
Размер
"А", мм.
|
Размер
"а" не менее, мм.
|
Выход
штока тормозного цилиндра
|
|
Рычажный
привод
|
Стержневой
привод
|
|
|
|
|
|
|
I-я
ст. торможения
|
ПСТ
|
|
Грузовые
вагоны с симметричным расположением ТРП (полувагоны, крытые, цистерны,
платформы) рис.3.30 (а), а так же вагоны бункерного типа (хопперы) с несимметричным
расположением ТРП, рис.3.30 (б)
|
Композиционные
колодки
|
35-50
|
-
|
150
|
40-80
|
50-100
|
|
Чугунные
колодки
|
40-60
|
-
|
150
|
40-100
|
75-125
|
|
Восьмиосные
цистерны
|
Композиционные
|
30-50
|
-
|
-
|
-
|
-
|
|
Грузовые
вагоны со стержневым приводом авторегулятора (думпкар, термос на тележках
ЦНИИ-Х3, автономные рефрижераторные вагоны на тележках ЦМВ- Дессау), рис.
3.30 (в)
|
Композиционные
|
-
|
140-200
|
150
|
40-80
|
50-100
|
|
Чугунные
|
-
|
130-150
|
150
|
40-100
|
75-125
|
|
Рефрижераторные
секции и вагоны термосы на тележках КВЗ-И2 с рычажным приводом
авторегулятора, рис.3.30 (а), и на тележках ЦМВ-Дессау со стержневым приводом
авторегулятора, рис. 3.30 (в)
|
Композиционные
|
25-60
|
55-145
|
150
|
40-80
|
50-100
|
|
Чугунные
|
40-75
|
60-100
|
150
|
40-100
|
75-125
|
|
Грузовые
вагоны с по тележечным торможением с композиционными колодками оборудованные
авторегуляторами, рис. 3.30 (г, д)
|
574Б
и 675
|
15-25
|
-
|
350
|
25-50
|
25-50
|
|
РТРП-300
|
15-25
|
-
|
250-
300
|
25-50
|
25-50
|
|
Пассажирские
вагоны
|
|
|
|
|
|
|
|
42-47
т
|
Композиционные
|
25-45
|
140-200
|
250
|
80-120
|
130-160
|
|
|
Чугунные
|
50-70
|
130-150
|
250
|
80-120
|
130-160
|
|
48-52
т
|
Композиционные
|
25-45
|
120-160
|
250
|
80-120
|
130-160
|
|
|
Чугунные
|
50-70
|
90-135
|
250
|
80-120
|
130-160
|
|
53-65
т
|
Композиционные
|
25-45
|
100-130
|
250
|
80-120
|
130-160
|
|
|
Чугунные
|
50-70
|
90-110
|
250
|
80-120
|
130-160
|
|
Габарита
Риц - с воздухораспределителями КЕ Эрликон, Дако
|
Чугунные
|
-
|
-
|
-
|
50-70
|
105-115
|
|
ВЛ-РИЦ
на тележках ТВЗ-ЦНИИ "М"
|
Композиционные
|
-
|
-
|
-
|
15-30
|
25-40
|
Техническое обслуживание тормозного оборудования
вагонов с дисковыми тормозами
При техническом обслуживании тормозного
оборудования вагонов с дисковыми тормозами, дополнительно, проверить:
в доступной для осмотрщика зоне, поверхности
трения венцов всех тормозных дисков вагона. При обнаружении дефектов,
приведенных ниже и показанных на рисунке 5.7, тележка с неисправным дисковым
тормозом отключается.
а) Схема симметричной тормозной рычажной
передачи вагона
б) Схема несимметричной тормозной рычажной
передачи вагона
в) Схема симметричной тормозной рычажной
передачи вагона со стержневым приводом
г) Схема тормозной рычажной передачи вагона с
потележечным торможением
д) Схема тормозной рычажной передачи вагонов
бункерного типа с потележечным торможением
Примечания:
. ПСТ - полное служебное торможение
. Выход штока тормозного цилиндра при
композиционных колодках на пассажирских вагонах указан с учетом длины хомута
(70 мм), установленного на штоке
. Нормы выхода штоков тормозных цилиндров у
грузовых вагонов перед крутыми затяжными спусками устанавливаются начальником
железной дороги
. При регулировании рычажных передач грузовых
вагонов на пунктах технического обслуживания (в парке отправления) и пунктах
подготовки к перевозкам выход штока тормозных цилиндров устанавливать по
минимально допустимому размеру или на 20-25 мм меньше верхнего предела; на
вагонах, оборудованных авторегуляторами рычажной передачи, их привод
регулируется на поддержание выхода штока на нижнем пределе установленных
нормативов.
Рис. 5.7 Виды дефектов на поверхности
венца тормозного диска
- трещины, расположенные по окружности венца,
длиной более 30 мм; 2 - радиальные и наклонные трещины в средней части венца
длиной более 20 мм; 3 - радиальные и наклонные трещины длиной более 10 мм,
расположенные в пределах 20 мм от наружной или внутренней кромки венца; 4 - сплошные
пятна (полосы) темного цвета шириной более 80 мм и длиной более 100 мм; трещины
радиальные или наклонные, обнаруженные вихретковым дефектоскопом и
подтвержденные магнитопорошковым методом, но не обнаруженные визуально, длиной
более 10 мм;
*забоины, имеющие форму трещин более 20 мм и
забоины, имеющие острые кромки, переходящие в трещину, которую регистрирует
вихретковый дефектоскоп.
К допустимым дефектам венцов тормозных дисков
относятся: сетка мелких трещин; концентрические проточки;
*волнообразный износ; задиры; пятнистость
проверить исправность пневмоцилиндров
магниторельсового тормоза и состояние башмаков, высоту и параллельность
расположения башмаков магниторельсового тормоза над путевым рельсом. Размер
между крайними полюсами электромагнита и рельсом должен быть в пределах от 126
до 130 мм. Проверить надежность болтовых креплений. При подъеме и опускании
башмак магниторельсового тормоза не должен перекашиваться;
проверить крепление трубопроводов и шлангов на
тележке, (герметичность их соединений, отсутствие на слух утечек воздуха),
состояние кабеля питания катушек магниторельсового тормоза.
крепление деталей тормоза, в том числе накладок
дисковых тормозов (визуально);
толщину накладок дисковых тормозов.
Металлокерамические накладки толщиной 13 мм и менее и композиционные накладки
толщиной 5 мм и менее по наружному радиусу накладок подлежат замене;
суммарный зазор между обеими накладками и диском
на каждом диске, который должен быть не более 6 мм. На вагонах, оборудованных
стояночными тормозами, зазоры проверять при отпуске после экстренного
торможения.
Все выявленные при проверке неисправности должны
быть устранены, неисправное тормозное оборудование и детали крепления заменить
на новые или отремонтированные, отсутствующие поставить.
Порядок включения вагонов с дисковыми тормозами
в составы поездов
Допускается совместная эксплуатация в одном
составе вагонов с дисковыми и колодочными тормозами при условии оборудования
последних композиционными тормозными колодками. Совместная эксплуатация в одном
поезде вагонов с дисковыми и колодочными тормозами с чугунными колодками
допускается только в порядке исключения для передачи отдельных вагонов с
дисковым тормозом к месту назначения.
Передача вагонов с дисковыми тормозами в
составах грузовых поездов допускается с выключенными автотормозами, в
количестве не более 2-х вагонов. При этом на вагонах со стояночными тормозами
должны быть открыты оба разобщительных крана от тормозной магистрали к
цилиндрам стояночных тормозов.
Воздухораспределители вагонов включаются на
короткосоставный режим при длине поезда до 20 вагонов включительно, и на
длинносоставный при длине поезда более 20 вагонов.
Расчетное тормозное нажатие на ось вагонов с
дисковыми тормозами (в пересчете на чугунные тормозные колодки) принимать:
для скоростей движения до 120 км/ч включительно
- 10 тс;
для скоростей движения до 140 км/ч включительно
- 12,5 тс.
Вес тары вагонов определять по данным,
нанесенным на боковой стенке кузова вагона, а нагрузку от пассажиров, ручной
клади и снаряжения - в соответствии с Правилами по эксплуатации тормозов
подвижного состава железных дорог.
Нормы обеспечения пассажирских поездов тормозами
и допускаемые скорости движения при наличии в их составе вагонов с дисковыми
тормозами устанавливаются в полном соответствии с Правилами по эксплуатации
тормозов подвижного состава железных дорог.
При заполнении справки по тормозам ф. ВУ-45
против соответствующего нажатия на ось вагонов с дисковыми тормозами в графе
"Другие данные" записывать - ДТ. При указании в справке количества
композиционных колодок в составе учитывать вагоны с дисковыми тормозами как
вагоны с этими колодками. Выход штока тормозного цилиндра хвостового вагона с
дисковым тормозом допускается в справке не указывать.
В грузовых поездах должны быть включены все
воздухораспределители грузового типа. Грузовые поезда, в составе которых
находится специальный подвижной состав с пролетной магистралью или вагоны с
опасными грузами, разрешается отправлять с выключенными у этих вагонов
автоматическими тормозами в соответствии с порядком, установленным
железнодорожными администрациями. При этом в грузовых поездах количество
вагонов с выключенными тормозами или пролетной магистралью в одной группе
вагонов не должно превышать восьми осей, а в хвосте поезда перед последними
двумя тормозными вагонами - не более четырех осей. Последние два вагона в
поезде должны быть с включенными действующими автоматическими тормозами.
В случае возникновения неисправности
автоматического тормоза одного или двух хвостовых вагонов в пути следования и
невозможности ее устранения на первой станции выполнить маневровые работы,
обеспечивающие наличие в хвосте поезда двух вагонов с исправными
автоматическими тормозами.
В грузовых (кроме поездов, у которых установлено
зарядное давление 6,0-6,2 кгс/кв. см) и грузопассажирских поездах допускается
совместное применение воздухораспределителей грузового и пассажирского типов,
причем воздухораспределители грузового типа требуется включать все без
ограничения, воздухораспределители №292 включать на длинносоставный режим.
Если в грузовом поезде не более двух
пассажирских вагонов, то их воздухораспределители следует выключить (кроме двух
хвостовых вагонов).
У грузовых вагонов, оборудованных чугунными
тормозными колодками, воздухораспределители необходимо включать на груженый
режим при загрузке вагона более 6 тс на ось, на средний - от 3 до 6 тс на ось
(включительно), на порожний - менее 3 тс на ось.
У грузовых вагонов, оборудованных
композиционными колодками, воздухораспределители следует включать на порожний
режим, при нагрузке на ось до 6 тс включительно, на средний - при загрузке на
ось более 6 тс.
В груженом состоянии вагонов-хопперов для
перевозки цемента, оборудованных композиционными колодками,
воздухораспределители включать на груженый режим торможения.
Применение на других типах грузовых вагонов с
композиционными колодками груженого режима допускается в случаях,
предусмотренных Инструкцией по эксплуатации тормозов подвижного состава
железных дорог.
Включение воздухораспределителей в грузовых
поездах на горный режим необходимо перед затяжными спусками крутизной 0,018 и
более, а переключение на равнинный режим - после прохода поездом этих спусков в
пунктах, установленных приказом начальника железной дороги. Допускается в
грузовых груженых поездах применять горный режим по местным условиям и на
спусках меньшей крутизны (устанавливает начальник железной дороги).
У вагонов, оборудованных авторежимом или имеющих
на кузове трафарет "Однорежимный", воздухораспределитель включать при
чугунных колодках на груженый режим, при композиционных - на средний режим или
на груженый режим при нагрузке на ось более 6 тс, у груженых вагонов-хопперов
для перевозки цемента - в соответствии с отдельным указанием железнодорожных
администраций или приказом начальника железной дороги. Включение на этих
вагонах воздухораспределителей на порожний режим запрещается.
У воздухораспределителей рефрижераторных вагонов
режимы включать в следующем порядке. Автотормоза всех вагонов с чугунными
тормозными колодками, в том числе грузовых вагонов со служебным отделением в
пятивагонной секции, включать в порожнем состоянии на порожний режим, при загрузке
до 6 тс (включительно) - на средний и более 6 тс на ось - на груженый режим
торможения. Автотормоза служебных, дизельных и машинных вагонов, в том числе
грузовых вагонов с дизельным отделением пятивагонной секции, включать на
средний режим с закреплением переключателя.
На рефрижераторных вагонах с тормозной рычажной
передачей, конструкция которой позволяет эксплуатацию тормоза вагона как с
чугунными, так и с композиционными тормозными колодками (горизонтальные рычаги
имеют два отверстия для установки валиков затяжки), при оборудовании их
композиционными колодками режимы торможения включать:
на грузовых рефрижераторных вагонах порядком,
установленным настоящей Инструкцией для грузовых вагонов;
на служебных, дизельных и машинных вагонах, в
том числе вагонах с дизельным отделением пятивагонной секции, - на средний
режим торможения с закреплением переключателя.
Автотормоза служебных, дизельных и машинных
вагонов, в том числе вагонов с дизельным отделением пятивагонной секции с
рычажной передачей, предназначенной для эксплуатации только с чугунными
тормозными колодками (горизонтальный рычаг имеет одно отверстие для установки
валика затяжки), при оборудовании композиционными колодками включать на
порожний режим торможения с закреплением переключателя режимов.
Включение автотормозов на соответствующий режим
торможения в составе поезда, а также у отдельных вагонов или группы вагонов,
прицепляемых к поездам, производят:
на станциях с пунктами технического обслуживания
- осмотрщики;
на промежуточных станциях, где нет работников
вагонного хозяйства, осмотрщики, направляемые с ближних ПТО, или специально
выделенные приказом начальника железной дороги работники, обученные и сдавшие
испытания в знании ПТЭ, Инструкции по сигнализации и Инструкции по эксплуатации
тормозов подвижного состава железных дорог;
на перегоне после разгрузки хоппер - дозаторной
и думпкарной вертушки - работники, обслуживающие данный состав.
Загрузку вагонов необходимо определять по
поездным документам. Допускается для определения загрузки вагонов
ориентироваться по просадке рессорного комплекта и положению клина амортизатора
тележки 18-100 относительно фрикционной планки: если верхняя плоскость клина
амортизатора выше торца фрикционной планки - вагон порожний, если верхняя
плоскость клина и торец фрикционной планки на одном уровне - загрузка вагона
составляет 3-6 тс на ось.
Время снижения давления на 0,5 кгс/см2
в главных резервуарах при проверке плотности тормозной сети поезда указано в
таблице 5.5.
Таблица
5.5
|
Серия
локомотива
|
Время,
с, при длине состава в осях
|
|
До
100
|
101-150
|
151-200
|
201-250
|
251-300
|
301-350
|
351-400
|
401-450
|
451-480
|
|
1
|
2
|
3
|
4
|
5
|
6
|
7
|
8
|
9
|
10
|
|
ВЛ60
(всех видов), ТЭ1, М62, ТЭМ7
|
69
|
46
|
34
|
29
|
25
|
22
|
20
|
18
|
15
|
|
2ТЭ10,
2ТЭ116, 2ТЭ121, ТЭ3, ТГ16, ТГ20, ТГ102, ВЛ11м, ВЛ85, 2М62, 2М62У
|
104
|
75
|
58
|
52
|
40
|
36
|
32
|
29
|
24
|
|
ЗМ62У
|
207
|
138
|
102
|
87
|
75
|
66
|
60
|
51
|
45
|
Примечания. 1. Время снижения давления в главных
резервуарах для локомотивов серий, не указанных в таблице, а также в
резервуарах стационарных компрессорных установок ПТО принимать по графе
локомотивов с соответствующим объёмом главных резервуаров.
. При работе по системе многих единиц, когда
главные резервуары локомотивов соединены в общий объём, указанное время
увеличивать пропорционально изменению объёмов главных резервуаров.
.При проверке плотности тормозной сети грузового
поезда с зарядным давлением 5,6-5,8 кгс/см2 нормы времени уменьшить
на 20%, а при зарядном давлении 5,3-5,5 кгс/см2 -уменьшить на 10%.
В зимних условиях осмотрщик - ремонтник обязан
дополнительно:
С целью исключения образования ледяных пробок
обеспечить проведение при техническом обслуживании вагонов обязательную
продувку от локомотива воздушной магистрали вагонов и очистку в необходимых
случаях пылеулавливающих сеток, а также продувку тормозной системы локомотива
перед прицепкой к составу.
Перед соединением рукавов тормозной магистрали
продуть ее сжатым воздухом, очистить головки соединительных рукавов от грязи,
льда и снега. Запрещается наносить смазку на уплотнительные кольца.
Вскрыть замерзший тормозной цилиндр (утечка
воздуха по штоку), вынуть поршень, очистить рабочую поверхность цилиндра,
протереть ее сухой технической салфеткой и смазать. Негодную манжету заменить.
После сборки цилиндр испытать на плотность.
При опробовании автотормозов и обнаружении
воздухораспределителей, не чувствительных к торможению и отпуску, а также с
наличием замедленного отпуска закрепить фланцы, осмотреть и очистить
пылеулавливающую сетку и фильтр, после чего повторить проверку действия
тормоза, в случае неудовлетворительного результата проверки воздухораспределитель
заменить.
При плохой подвижности деталей рычажной передачи
смазать их шарнирные соединения сезонным осевым маслом с добавлением керосина,
образовавшийся лед удалить при первой возможности. Не допускается отправлять, а
поезда вагоны с тормозными колодками, которые не отходят от колес вследствие
замораживания тормозной рычажной передачи.
6. Основные вопросы охраны труда на
ПТО
6.1 Производство маневровых работ на
путях ТОР
При подаче вагонов на пути пункта текущего
отцепочного ремонта распорядителем манёвров является: в дневное время бригадир
ПТОР, а при его отсутствии мастер ПТОР, в ночное время старший осмотрщик
вагонов (далее ответственный работник ВЧДЭ). Руководителем манёвров является
составитель поездов станции Калининград Сортировочный. Скорость движения
локомотива при производстве маневровых работ на путях ПТОР не должна превышать
5 км/час.
Маневровая работа на путях ПТОР должна быть
организована в соответствии с Инструкцией по движению поездов и маневровой
работе, при безусловном обеспечении:
безопасности движения;
личной безопасности работников, занятых на
ремонте вагонов;
сохранности подвижного состава.
Маневры толчками, расцепление вагонов на ходу
запрещаются.
Маневровый диспетчер станции
Калининград-Сортировочный, не позднее чем за 30 минут уведомляет оператора ПТО
о том, что будут производиться маневровые работы. Оператор ПТО получает
разрешение у ответственного работника ВЧДЭ на снятие ограждения, и производство
маневровых работ. После получения разрешения оператор ПТО снимает ограждение с
путей ПТОР.
Перед началом маневровых передвижений
составитель поездов ст. Калининград Сортировочный обязан убедиться в отсутствии
препятствий на путях (посторонних предметов, тормозных башмаков), а также в
том, что узлы ремонтного оборудования, приспособлений, инструмента находятся в
габарите подвижного состава. Ответственность за своевременную и правильную
уборку оборудования, приспособлений, инструмента несёт ответственный работник
ВЧДЭ. Ответственность за безопасное производство маневровых передвижений и
правильность закрепления подвижного состава при подаче вагонов на пути ПТОР
несет составитель поездов ст. Калининград Сортировочный.
При заезде с четной горловины парка, составитель
поездов ст. Калининград Сортировочный должен перевести сбрасывающую стрелку
№422сс по маршруту следования, а при заезде со стороны нечетной горловины парка
убрать спаренные тормозные башмаки. Место нахождения спаренных тормозных
башмаков: на 406 пути - на расстоянии 2 метров от светофора М336, на 407 пути -
на расстоянии 14 метров от светофора М338 в сторону ПТОР.
При уборке вагонов с 406 пути составитель
поездов ст. Калининград-Сортировочный предварительно проверяет надежность
сцепления вагонов между собой, по положению сигнальных отростков замков
автосцепок, расцепных рычагов, которые должны находится в положении «сцеплено».
Проверяет отсутствие посторонних предметов под вагонами препятствующих
передвижению, нахождение узлов и механизмов оборудования в габарите подвижного
состава. Производит уборку тормозных башмаков из-под вагонов порядком,
установленным приложением №6 к ТРА станции Калининград Сортировочный, с
последующим докладом дежурному по регистрируемому каналу связи.
Уборка вагонов с 407 пути производится в
аналогичном порядке.
При подаче вагонов на пути ПТОР ответственный
работник ВЧДЭ встречает маневровый состав:
- при подаче со стороны чётной горловины
сортировочного парка - у нецентрализованного стрелочного перевода №424;
при подаче со стороны чётной горловины
Мамоновского парка - у маневрового светофора М338 или М336.
Ответственный работник ВЧДЭ доводит составителю
поездов ст. Калининград Сортировочный план расстановки вагонов и контролирует
его выполнение.
При подаче вагонов на 406 путь постановка
вагонов осуществляется на площадке с нулевым уклоном, обозначенной знаками:
«Начало площадки с нулевым уклоном», «Остановка первого вагона». Количество
подаваемых вагонов на 406 путь не должно превышать 7 физических вагонов. Вагоны
оставляются одной группой, закрепление вагонов осуществляется согласно п. 3.9.1
ТРА ст. Калининград Сортировочный:
· со стороны Голубево - 1 тормозной башмак;
· с четной стороны - 1 тормозной
башмак.
При подаче вагонов на 407 путь постановка
вагонов осуществляется на площадке с нулевым уклоном, обозначенной знаками:
«Начало площадки с нулевым уклоном», «Остановка первого вагона». Количество
подаваемых вагонов на 407 путь не должно превышать 7 физических вагонов. Вагоны
оставляются одной группой, закрепление вагонов осуществляется согласно п. 3.9.1
ТРА ст. Калининград-Сортировочный:
· со стороны Голубево - 1 тормозной башмак, а при
наличии в группе груженых вагонов (одного или более) - 2 тормозных башмака;
· с четной стороны - 1 тормозной
башмак.
Примечание. Норма закрепления вагонов на
1 тормозной башмак с каждой стороны увеличивается на каждые 66 осей в группе
при усилении ветра от 15 до 20 м/с норма, и на каждые 28 осей в
группе при усилении ветра свыше 20 м/с (согласно приложения №2 ИДП).
О произведенном закреплении вагонов на путях
406, 407 составитель поездов ст. Калининград Сортировочный, перед отцепкой
локомотива от вагонов, докладывает по регистрируемой связи дежурному по
станции.
После производства маневровой работы по
расстановке вагонов на путях ПТОР и выезда маневрового тепловоза составитель
поездов станции Калининград Сортировочный обязан уложить спаренные тормозные
башмаки и установить сбрасывающую (нецентрализованную) стрелку №422сс в
положение «на сброс» и запереть ее на замок, с последующим докладом дежурному
по станции по радио связи.
Ответственный работник ВЧДЭ после проверки
правильности и надежности закрепления вагонов, запертом на замок положении «на
сброс» стрелки №422сс, нахождении спаренных тормозных башмаков в установленных
местах, передают данную информацию оператору ПТО, который в свою очередь,
сверившись с дежурным по станции Калининград Сортировочный, записывает её в
журнал «Ограждение ремонтных путей ТОР».
После выезда маневрового локомотива,
ответственность за правильное закрепление вагонов, нахождение спаренных
тормозных башмаков на путях в установленных местах, сохранность тормозных
башмаков и подвижного состава несет ответственный работник ВЧДЭ.
После производства маневровых работ по
расстановке вагонов на путях ПТОР и выезда маневрового локомотива ответственный
работник ВЧДЭ дает команду оператору ПТО на производство ограждения путей.
6.2
Порядок производства маневровых работ электрической лебедкой на путях ТОР
Калининград
Для обвязки, зацепки и перемещения вагонов с
помощью электрической лебедки допускаются лица не моложе 18 лет, имеющие
соответствующую квалификацию обученные безопасным методам работы и имеющие
соответствующие удостоверение.
Работнику присваивается квалификационная группа
по электробезопасности согласно основной профессии.
Работник должен работать в специальной одежде и
специальной обуви согласно основной профессии, в случае необходимости
использовать другие средства индивидуальной защиты в соответствии с «Типовыми
отраслевыми нормами выдачи специальной одежды, специальной обуви и других
средств индивидуальной защиты». При работе с электрической лебедкой работник
должен пользоваться каской.
Рабочее место, а так же пути, на которых
выполняют перемещение вагонов, должны быть свободными от посторонних предметов.
Ответственным за безопасное выполнение
маневровых работ электрической лебедкой является мастер ТОР.
Руководителем маневровых работ электрической
лебедкой и ответственным за закрепление вагонов является бригадир ТОР
работающей смены.
Техническая характеристика и расположение
электрической лебедки.
Скорость навивки каната 0,1 м/сек.
Диаметр каната 12 мм.
Общий вес брутто передвигаемых вагонов не должен
превышать 200 тонн.
Скорость передвижение вагонов не более 3 км/ч.
Электрическая лебедка расположена
перпендикулярно 407 пути в сторону технологического проезда в конце рабочей
площадки для передвижения домкратов. Передача тягового усилия через канат вдоль
ремонтных путей осуществляется по средством блоков установленных в колее 406 и
407 путей. Схема расположения электрической лебедки и блоков направления каната
представлена на рисунке 6.2.1.
Рисунок 6.2.1 Схема расположения электрической
лебедки и блоков направления каната
Порядок производства маневровых работ, по
перемещению вагонов
При вступлении на дежурство бригадир ТОР
получает от мастера ТОР план работы по ремонту вагонов на смену, и очередность
их производства.
Перед началом работ по перемещению вагонов на
путях 406, 407 ТОР при помощи электрической лебедки бригадир ТОР обязан:
· проверить правильность и надежность закрепления
подвижного состава на 406, 407 путях (информацию о количестве и местоположении
тормозных башмаков под вагонами, согласно последней записи в журнале
«Ограждение ремонтных путей ТОР», бригадир ТОР получает от оператора ПТО);
· проверить наличие красных щитов
остановки на 407, 406 путях со стороны стрелки №424;
· проверить положение стрелки №422сс,
которая должна быть установлена «на сброс» и заперта на замок;
· проверить нахождение спаренных
башмаков на 406 пути на расстоянии 2 метров от сигнала М336, на 407 пути на
расстоянии 14 метров от сигнала М338 в сторону ПТОР;
· произвести установку охранных
спаренных тормозных башмаков на 406 и 407 путях со стороны стрелочного перевода
№424, на расстоянии не менее 5м от последнего вагона.
Оператор ПТО, получив по радиосвязи доклад бригадира
ТОР о соответствии количества и местоположении тормозных башмаков под вагонами
на ремонтных путях ТОР записи в журнале «Ограждение ремонтных путей ТОР», о
наличии красных щитов остановки со стороны стрелочного перевода №424, о
запертом на замок положении «на сброс» стрелки №422сс, о нахождении у
светофоров М336 и М338 спаренные тормозных башмаков в установленных местах и
наличии охранных спаренных тормозных башмаков со стороны стрелочного перевода
№424 на расстоянии не менее 5м от последнего вагона, убеждается в
централизованном ограждении путей ТОР и производит запись в журнале «Ограждение
ремонтных путей ТОР», в которой указывает Ф.И.О. бригадира ТОР, время и
результат проверки.
Бригадир ТОР проверяет рабочие место (лебедку),
а так же пути на которых будет производится передвижение вагонов на предмет
наличия посторонних предметов, в случае их наличия организует работы по их
уборке. На 406, 407 путях должно быть подано работниками станции не более 7
физических вагонов на каждый путь. Вагоны должны быть размещены на площадке с
нулевым уклоном, обозначенной знаками: «Начало площадки с нулевым уклоном»,
«Остановка первого вагона». Первый вагон (здесь и далее последовательная
нумерация вагонов со стороны станции Голубево) группы на каждом пути со стороны
сигналов М338, М336 должен находиться около знака «Остановка первого вагона».
Бригадир ТОР проверяет техническое состояние
лебедки и троса, в случае выявления каких либо неисправностей останавливает
работы и докладывает об этом ответственному за безопасное производство работ
(мастеру ТОР).
Бригадир ТОР из числа работников бригады
назначает трех ответственных:
· первый - за управление лебедкой;
· второй - за крепление троса лебедки
к вагону и изъятие (установку) тормозного башмака первого вагона передвигаемой
группы;
· третий - за изъятие (установку)
тормозных башмаков последнего вагона передвигаемой группы.
Бригадир ТОР и трое ответственных работников
должны быть обеспечены радиостанциями, настроенными на 2-ой канал, для
координации действий.
В первую очередь производятся маневры по 407
пути для расстановки вагонов с разрывами в зоне работы домкратов.
Работник ответственный за управление лебедкой,
совместно с работником ответственным за крепление троса к вагону разматывают
трос до первого вагона, который должен находится у знака «Остановка первого
вагона». Работник ответственный за крепление троса к вагону производит
крепление крюка за автосцепку первого вагона.
Бригадир ТОР производит проверку надежности
сцепления вагонов между собой в группе, положение сигнальных отростков замков
автосцепок, расцепных рычагов, которые должны находится в положение «сцеплено».
После данной проверки бригадир ТОР дает команду работнику ответственному за
крепление троса к первому вагону на изъятие тормозного башмака установленного под
первым вагоном.
После изъятия ответственным работником
тормозного башмака из-под первого вагона бригадир ТОР дает команду работнику
ответственному за управление лебедкой на начало движения, и после натяжения
троса, дает команду на остановку.
Ответственный работник за крепление троса к
вагону проходит к месту установки спаренных тормозных башмаков установленных
перед сигналом М338 для контроля безопасного передвижения вагонов и исключения
возможности ухода вагонов в сторону Мамоновского парка.
После натяжения троса и получение команды от
руководителя маневров работник ответственный за изъятие и установку тормозных
башмаков последнего вагона передвигаемой группы, производит изъятие тормозных
башмаков, о чем докладывает руководителю маневров. Получив доклад о том, что
тормозные башмаки из-под вагонов изъяты и ответственный работник находится у
места установки спаренных тормозных башмаков бригадир ТОР дает команду на
начало передвижения вагонов.
Работник ответственный за управление лебедкой по
команде руководителя маневров запускает лебедку для передвижения вагонов.
Руководитель маневров контролирует передвижение
вагонов, и при приближении 5-го вагона к району ремонтной позиции дает
работнику ответственному за управление лебедкой команду на остановку. После
остановки вагонов работник, отвечающий за установку тормозных башмаков из-под
последнего вагона, производит закрепление группы вагонов с 5-го по 7-ой по
одному тормозному башмаку с каждой стороны. После получения доклада о
закреплении трех вагонов, бригадир ТОР производит расцепление автосцепок между
4-м и 5-ым вагонами для обеспечения технологического разрыва.
При передвижении 4-х вагонов на расстояние
необходимое для технологического разрыва (не менее 3-х метров, если не
производится выкатка тележек и 6-и метров, если выкатка тележек производится)
между группой из 4-х вагонов и оставшейся группой из 3-х вагонов бригадир ТОР
контролирует передвижение и дает соответствующую команду работнику
ответственному за управлением лебедкой на остановку.
Далее производится передвижение группы из 4-х
вагонов с расстановкой их на ремонтных позициях с соблюдением величины
технологических разрывов между вагонами. Команду на начало передвижения вагонов
и остановку бригадир ТОР передает работнику ответственному за управление лебедкой.
Каждый вагон, установленный на ремонтной позиции, может быть отцеплен от
передвигаемой группы, только после его закрепления тормозными башмаками по
одному с каждой стороны. Таким образом производится расстановка 4 вагонов на
ремонтные позиции.
После расстановки 4-х вагонов по ремонтным
позициям смена работников ТОР под руководством бригадира производит ремонт
данных вагонов с подъемкой.
По завершению ремонта 4-х вагонов бригадир ТОР
дает команду работнику ответственному за управление лебедкой, совместно с
работником ответственным за крепление троса к вагону разматывать трос до пятого
вагона. Работник ответственный за крепления троса к вагону протаскивает трос
под расставленными на ремонтных позициях вагонами и при помощи приспособления
исключающего соприкосновение троса с осями колесных пар крепит трос за головную
автосцепку пятого вагона.
После проверки крепления троса к автосцепке 5-го
вагона бригадир ТОР дает команду работнику ответственному за крепление троса к
вагону на изъятие тормозного башмака, установленного под пятым вагоном со
стороны лебедки.
После натяжения троса и получение команды от
руководителя маневров работник ответственный за изъятие тормозных башмаков
последнего вагона, производит изъятие тормозного башмака из-под седьмого вагона
со стороны стрелки №424, о чем докладывает руководителю маневров.
Работник ответственный за крепление троса к
вагону проходит к месту установки спаренных тормозных башмаков установленных
перед сигналом М338 для контроля безопасного передвижения вагонов, и исключения
возможности ухода вагонов в сторону Мамоновского парка.
После получение доклада о том, что тормозные
башмаки из-под 7-го и 5-го вагонов изъяты и ответственный работник находится у
места установки спаренных тормозных башмаков бригадир ТОР дает команду на
начало передвижения вагонов.
Перемещение вагонов происходит до сцепления 4-го
и 5-го вагонов, после чего бригадир ТОР дает команду работнику ответственному
за управлением лебедкой на остановку.
После остановки передвигаемого состава бригадир
ТОР убирает тормозные башмаки из-под 4-го вагона и дает команду на начало
передвижения вагонов. Передвижения вагонов происходит до сцепления 3-го и 4-го
вагонов, после уборки бригадиром ТОР тормозных башмаков из-под 3-го вагона
происходит передвижение вагонов до сцепления 2-го и 3-го вагонов.
Бригадир ТОР дает команду работнику
ответственному за закрепление последнего вагона закрепить 7-й вагон по одному
тормозному башмаку с обеих сторон, так как данный вагон передвинут на ремонтную
позицию, и работнику ответственному за закрепление головного вагона на изъятие
тормозных башмаков из под 2-го вагона. После получения доклада о закреплении
последнего вагона и уборки тормозных башмаков из-под 2-го вагона, бригадир ТОР
производит расцепление автосцепок между 6-м и 7-м вагонами и дает команду
ответственному работнику за управлением лебедкой на начало движения.
Передвижения вагонов происходит до сцепления 1-го и 2-го вагонов, после чего
бригадир ТОР дает команду на остановку.
После остановки бригадир ТОР дает команду
работнику ответственному за закрепление последнего вагона закрепить 6-й вагон
по одному тормозному башмаку с обеих сторон, и работнику ответственному за
закрепление головного вагона изъять тормозные башмаки из под 1-го вагона, и
после получения докладов о закреплении 6-го вагона и изъятии тормозных башмаков
из под 1-го вагона дает команду на начало движения. Таким образом, происходит
расстановка на ремонтные позиции группы вагонов с 5-го по 7-й после чего
бригадир ТОР дает команду работнику ответственному за закрепление головного
вагона закрепить головную группу из 4-х вагонов по одному тормозному башмаку с
каждой стороны.
Разрешается перемещение вагонов в сторону
сигнала М338 только до установленных спаренных башмаков.
После расстановки 3-х хвостовых вагонов (5-го,
6-го и 7-го) по ремонтным позициям смена работников ТОР под руководством
бригадира производит ремонт данных вагонов с подъемкой.
По завершению ремонта 3-х вагонов бригадир ТОР
дает команду работнику ответственному за управление лебедкой, совместно с работником
ответственным за крепление троса к вагону разматывать трос до головной
автосцепки 7-го вагона.
Работник ответственный за крепления троса к
вагону протаскивает трос под расставленными на ремонтных позициях вагонами и
при помощи приспособления исключающего соприкосновение троса с осями колесных
пар крепит трос за головную автосцепку седьмого вагона.
После проверки крепления троса к автосцепке 7-го
вагона бригадир ТОР дает команду работнику ответственному за закрепление
последнего вагона на изъятие тормозных башмаков из-под седьмого вагона. После
получение доклада о том, что тормозные башмаки из-под 7-го вагонов изъяты
бригадир ТОР дает команду на начало передвижения вагонов.
Перемещение вагонов происходит до сцепления 6-го
и 7-го вагонов, после чего бригадир ТОР дает команду ответственному работнику
за управлением лебедкой на остановку, а ответственному за закрепления
последнего вагона команду на изъятие двух тормозных башмаков из-под 6-го
вагона. После получения доклада об уборке вагонов из-под 6-го вагона
производится передвижение группы до сцепления с 5-м вагоном. Таким
последовательным образом, все семь вагонов на 407 пути объединяются в одну
группу и закрепляются согласно п. 3.9.1. ТРА ст. Калининград сортировочный:
· со стороны Голубево - 1 тормозной башмак, а при
наличии в группе груженых вагонов (одного или более) - 2 тормозных башмака;
· с четной стороны - 1 тормозной
башмак.
Работы по передвижению вагонов по 406 для их
расцепки и проверки действия и исправности автосцепок производятся после завершения
всех маневровых работ по 407 пути, для чего трос лебедки пропускается через
блок, установленный в колее 406 пути.
Работы по передвижению вагонов на 406 пути
производятся порядком, аналогичным передвижению и расстановки вагонов на 407
пути.
После завершения работ по ремонту и проверке
автосцепок вагонов на 406 пути все вагоны должны стоять одной группой и должны
быть закреплены согласно п. 3.9.1. ТРА ст. Калининград - сортировочный:
· со стороны Голубево - 1 тормозной башмак;
· с четной стороны - 1 тормозной
башмак.
Примечание. Норма
закрепления вагонов на 1 тормозной башмак с каждой стороны увеличивается на
каждые 66 осей в группе при усилении ветра от 15 до 20 м/с норма,
и на каждые 28 осей в группе при усилении ветра свыше 20 м/с (согласно
приложения №2 ИДП).
Ответственным за надежность закрепления вагонов,
после производства ремонта и объединения их в одну группу, является бригадир
ТОР, который докладывает по радиосвязи количество, номера и местоположение
тормозных башмаков под вагонами на 406 и 407 путях оператору ПТО. Оператор ПТО
данную информацию записывает в журнал «Ограждение ремонтных путей ТОР», с
указанием времени и Ф.И.О. бригадира ТОР и передает ее по прямой
внутристанционной связи дежурному по станции Калининград Сортировочный для
записи в журнале «Закрепление вагонов на путях Мамоновского парка».
7. Экономическая часть
7.1 Расчет капитальных вложений
Капитальные вложения - это единовременные
затраты на техническое перевооружение основных фондов пункта технического
обслуживания вагонов.
При проектировании технического перевооружения
ПТО достаточно произвести расчет дополнительных капитальных вложений в
прогрессивный вариант.
Общую сумму капитальных затрат (К) на
техническое перевооружение определяют по формуле:
К= Коб+ Кмр+Ктр+Кпи+Кпр,
(8.1)
где Коб - затраты на приобретение
основного производственного оборудования, тыс. руб.;
Кмр - затраты на монтаж основного
оборудования, требующего выполнения монтажных работ, тыс. руб.;
Ктр- транспортные расходы, тыс. руб.;
Кпи - затраты на производственный
инвентарь и оборудование малой механизации, тыс. руб.;
Кпр -прочие затраты, тыс.руб.
Затраты на приобретение новой техники сведем в
таблицу 7.1.
Таблица
7.1
Стоимость оборудования
|
№
|
Наименование
|
Обозначение
|
Кол.
|
Примечание
|
|
УЗОТ
|
|
1
|
Блок
электропневматический
|
УЗОТ-М.00.000
|
1
|
По
согласованию с заказчиком*
|
|
2
|
Антенна
|
УЗОТ-Радио.02.000
|
2
|
По
согласованию с заказчиком
|
|
3
|
Поверочный
комплект
|
ИН-УЗОТ.01.000
|
1
|
|
|
4
|
Руководство
по эксплуатации УЗОТ-Радио
|
УЗОТ-Радио.00.000
РЭ
|
1
|
|
|
5
|
Методика
поверки УЗОТ-Радио
|
УЗОТ-Радио.00.000
МП
|
1
|
|
|
6
|
Проект
Местной инструкции УЗОТ-Радио
|
|
1
|
Для
доработки и утверждения
|
|
7
|
Комплект
ЗИП
|
|
1
|
|
|
ПОП
|
|
8
|
Источник
бесперебойного питания
|
Smart
UPS 620 VA
|
1
|
Или
подобный
|
|
9
|
Сетевой
фильтр
|
Пилот
|
1
|
Или
подобный
|
|
10
|
Системный
блок
|
|
1
|
|
|
11
|
Клавиатура
|
101
клавиша
|
1
|
|
|
12
|
Манипулятор
«мышь»
|
|
1
|
|
|
13
|
Кабель
принтера
|
|
1
|
|
|
14
|
Принтер
лазерный A4
|
HP LaserJet P1102
|
1
|
Или
подобный
|
|
15
|
Комплект
программ
|
на
CD
|
1
|
|
|
16
|
Радиостанция
|
1Р22СВ-2.14
«МОСТ-СЛ» ЦВИЯ.464511.032-13
|
1
|
|
|
17
|
Кабель
связи радиостанция-ПК
|
Кабель
9(м)-9(п) SCF-12
|
1
|
|
|
18
|
Руководство
по эксплуатации радиостанции
|
ЦВИЯ.464511.032РЭ
|
1
|
|
|
Стоимость,
в т.ч. НДС 18%
|
1
550 000 руб.
|
|
БХВ
(дополнительная опция)
|
|
19
|
Блок
БХВ (без аккумулятора)
|
БХВ
ТУ 3184-037-16632558-2004
|
1
|
По
согласованию с заказчиком
|
|
20
|
Комплект
монтажных инструментов
|
СУТП.02.800
|
1
|
По
согласованию с заказчиком
|
|
21
|
Модуль
аккумуляторной батареи с аккумулятором кислотным сухозаряженным
|
СУТП.02.400
(12 В, емкость 12 А/ч)
|
1
|
По
согласованию с заказчиком
|
|
Комплект
поставки
|
|
Ремень
наплечный
|
|
1
|
По
согласованию с заказчиком
|
|
Устройство
зарядное автоматическое
|
12
В, ток заряда не менее 1,2 А
|
1
|
По
согласованию с заказчиком
|
|
Паспорт
БХВ
|
СУТП.02.000ПС
|
1
|
По
согласованию с заказчиком
|
|
Руководство
по эксплуатации
|
СУТП.00.000РЭ
|
1
|
|
|
Методика
поверки
|
СУТП.00.000РЭ1
|
1
|
|
|
Руководство
по эксплуатации радиомодема
|
ЦВИЯ.464511.032РЭ
|
1
|
|
|
Инструкция
по эксплуатации СУТП.Блок хвостового вагона
|
|
1
|
|
|
Стоимость,
в т.ч. НДС 18%
|
310
000 руб.
|
*В состав стандартного блока электропневматического
входит шесть колонок, изменение числа колонок производится по согласованию с
заказчиком.
Транспортные расходы Ктр берем в
размере 6% от стоимости основного оборудования:
Ктр= 0,06·Коб ( 8.2)
При Коб =1860 тыс. руб., получим:
Ктр = 0,06·1860= 111,6 (тыс. руб.)
Затраты на монтаж оборудования Кмр
берут в размере 10-15% от его стоимости в зависимости от сложности выполняемых
работ.
Кмр= 0,10·Коб (8.3)
При Коб =1860 тыс. руб., получим:
Кмр= 0,10·1860= 186 (тыс. руб.)
Затраты на производственный инвентарь и
оборудование малой механизации Кпи принимаем в размере 5% от
стоимости основного оборудования
Кпи= 0,05·Коб (8.4)
Кпи= 0,05·1860= 93 (тыс. руб.).
Прочие расходы Кпр составляют 5% от
суммы всех предыдущих позиций
Кпр= 0,05·(Коб+ Кмр+Ктр+Кпи)
(8.5)
При Коб= 1860 тыс. руб., При Кмр=186
тыс. руб.,
При Ктр= 111,6 тыс. руб., При Кпи=93
тыс. руб., получим:
Кпр= 0,05 1860+111,6+186+93) = 112,53
(тыс. руб.).
Результаты расчетов занесем в таблицу 7.2.
Таблица
7.2
Капитальные вложения на техническое перевооружение
пункта технического обслуживания вагонов
|
№
п/п
|
Наименование
составляющих капитальных вложений
|
Условное
обозначение
|
Сумма
капитальных затрат, тыс. руб.
|
|
1
|
Затраты
на приобретение основного производственного оборудования
|
Коб
|
1860
|
|
2
|
Затраты
на монтаж основного оборудования, требующего выполнения монтажных работ
|
186
|
|
3
|
Транспортные
расходы
|
Ктр
|
111,6
|
|
4
|
Затраты
на производственный инвентарь и оборудование малой механизации со сроком
службы более одного года
|
Кпи
|
93
|
|
Итого
2250,6
|
|
5
|
Прочие
затраты
|
Кпр
|
112,53
|
|
Всего
2363,13
|
7.2 Расчет годового экономического
эффекта
Расчет экономии фонда оплаты труда
В пункте технического обслуживания вагонов
применяют повременную оплату труда. Повременная оплата труда характерна тем,
что работа оплачивается по времени. Работники получают премию за выполнение
месячного плана, высокое качество и производительность труда.
Основная заработная плата включает оплату по
тарифам ставкам и окладам, доплаты и премии из фонда оплаты труда.
Размер премии 60% от месячного тарифного
заработка. Оплата труда за непроработанное время включает оплату отпусков,
больничных листов и т.д. Принимают ее на уровне 10% от основной заработной
платы.
Заработная плата руководителей - 6% от основного
и дополнительного фонда оплаты труда производственных рабочих. Расходы на
аппарат управления -8% от фонда оплаты труда производственных рабочих.
В результате технического перевооружения,
внедрение установки УЗОТ-Радио, в связи с уменьшением трудоемкости опробования
автотормозов от локомотива и ремонта тормозного оборудования представляется
возможным высвободить две единицы осмотрщика по ремонту подвижного состава 6
разряда и получить экономию фонда оплаты труда и отчислений на социальные нужды
за счет высвобождаемого работника, что указано вы таблице 7.3.
Таблица
7.3
Расчет фонда оплаты труда высвобождаемых
работников
|
Профессия
|
Разряд
|
Тарифная
ставка руб
|
Доплата
за вредные условия труда
|
Доплата
за работу в ночное время
|
Средн.
зараб. в месяц, руб.
|
Премия
|
Средне-месячная
зарплата одного рабочего, руб.
|
Явочное
кол-во, чел
|
Годовой
фонд оплаты труда, руб.
|
|
|
Час.
|
Мес.
|
%
|
Руб.
|
|
|
%
|
Руб.
|
|
|
|
|
|
|
|
|
|
%
|
Руб.
|
|
|
|
|
|
|
|
Осмотрщик-ремонтник
вагонов
|
6
|
70,75
|
11673
|
12
|
1400,76
|
20
|
2334,6
|
15408,36
|
60
|
9245,016
|
24653,37
|
2
|
49306,75
|
|
Всего
49306,75
|
Оплата труда за непроработанное время принимаем
на уровне 10% от основной заработной платы и рассчитывается по формуле:
, (8.6)
При ФОТ (фонд оплаты труда) = 493,06
тыс. руб., получим:
ОНВ = 493,06*0,10 = 49,3 (тыс. руб).
Заработная плата руководителей и
служащих принимается в размере 7-10% от основной и дополнительной заработной
платы:
ЗПИТР.сл = (ФОТ+ОНВ)*0,06 (8.7)
При ОНВ = 49,3 тыс. руб., получим:
ЗПИТР.сл = (493,06+49,3)*0,06=32,54
тыс. руб.
Заработная плата аппарата управления
принимается в размере 2% от фонда фонда оплаты труда рабочего:
ЗПап.упр. = ФОТ*0,08 (8.8)
При ФОТ = 493,06 тыс. руб., получим:
ЗПап.упр. = 493,06*0,08=39,44 (тыс.
руб.).
Итоговые данные по расчету экономии фонда оплаты
труда следует свести в таблицу 7.4.
Таблица
7.4
Экономия фонда оплаты труда
|
№
п/п
|
Заработная
плата слесаря по ремонту подвижного состава 5 разряда
|
Сумма,
(тыс.руб.)
|
|
1
|
Основная
зарплата высвобождаемого рабочего
|
493,06
|
|
2
|
Оплата
труда за непроработанное время
|
49,3
|
|
Итого
|
542,36
|
|
3
|
Зарплата
руководителей и служащих
|
32,54
|
|
4
|
Заработная
плата аппарата управления
|
39,44
|
|
Экономия
фонд заработной платы
|
614,34
|
Экономия фонда оплаты труда составила
614,034тыс. руб.
Отчисления на социальные нужды для
железнодорожного транспорта установлены на уровне 34,4% от общего фонда оплаты
труда:
Зс =0,344 * ФОТ (8.9)
При ФОТ= 614,34 тыс. руб., получим:
Зс = 614,34 * 0,344 = 211,33 (тыс.
руб.)
Расчет экономии затрат на электроэнергию
Общая потребность в электроэнергии складывается
из электроэнергии для технологических нужд (силовая электроэнергия) и
электроэнергии для освещения производственных помещений.
Расчет годовой потребности в силовой
электроэнергии (Qэс)
основывается на мощности каждой установки, потребляющей электроэнергию,
количестве этих установок, режиме их работы и рассчитывается по формуле:
Qэс
= nоб·
Руст·Тг ·mсм
·nз
·Кис,
(8.10)
где noб
- количество установок данного вида оборудования, (шт);
Руст - мощность одной установки
данного вида оборудования, (кВт);
Тг - годовой фонд времени работы
оборудования в одну смену, (ч);
mсм - количество
смен работы оборудования,(см);
n3
- коэффициент загрузки оборудования по мощности;
Кис - коэффициент использования
оборудования во времени;
Расчет общего годового расхода силовой
электроэнергии до перевооружения сводим в таблицу 7.5.
Таблица
7.5
Расчет годового расхода силовой электроэнергии
до перевооружения
|
№
п/п
|
Оборудование
|
Кол-во
|
Мощность
(кВт)
|
Смены
|
Годовой
фонд времени, (ч)
|
Коэффициент
%
|
Годовой
расход эл.-энергии КВт·ч
|
|
|
|
|
|
|
загрузки
|
использования
|
|
|
1
|
УЗОТ-РМ
|
1
|
1,2
|
4
|
1981
|
0,7
|
0,7
|
4659,31
|
|
Итого
4659,31
|
Стоимость электроэнергии составит:
Сэ1= 2,94·Qэс,
(7.11)
где Qэс
- годовая потребность в силовой электроэнергии, кВт;
,94 - стоимость одного кВт·ч
электроэнергии.
При Qэс
= 4673,42 кВт, получим:
Сэ1= 2,94·4659,31 = 13698,37 (руб.).
В результате технического перевооружения расход
силовой электроэнергии изменился, т.к. для оборудования предгорочного парка
установкой опробования тормозов внедряем установку УЗОТ Радио.
Расчет общего годового расхода силовой электроэнергии
после перевооружения сводим в таблицу 7.6.
Таблица
7.6
Расчет годового расхода силовой электроэнергии
после перевооружения
|
№
п/п
|
Оборудование
|
Кол-во
|
Мощность,
(кВт)
|
Смены
|
Годовой
фонд времени, (ч)
|
Коэффициент
%
|
Годовой
расход эл. энергии КВт·ч.
|
|
|
|
|
|
|
Загрузки
|
Исполь-зования
|
|
|
1
|
Установка
УЗОТ-РМ
|
1
|
1,2
|
4
|
1981
|
0,7
|
0,7
|
4659,31
|
|
2
|
Установка
УЗОТ-Радио
|
1
|
0.70
|
4
|
1981
|
0,7
|
0,7
|
2717,93
|
|
Итого
7377,24
|
Стоимость электроэнергии составит по формуле
(7.11)
Сэ2= 2,94·7377,24 = 21689,08 (руб.)
В результате технического перевооружения расход
силовой электроэнергии увеличился и составил
ΔС = Сэ1 -
Сэ2 (8.12)
ΔС =13698,37
-21689,08 = -7990,7 (руб.)
Рассчитаем дополнительные затраты на
амортизационные отчисления
Амортизационные отчисления (ЭА) - это
часть стоимости основных фондов в денежном выражении, переносимая на
себестоимость продукции и служащая для их воспроизводства на новой технической
основе.
С помощью накопления этих отчислений производят
финансирование мероприятий по ликвидации износа основных фондов путем замены
физически изношенных и морально устаревших объектов новыми.
Амортизационные отчисления определяются согласно
нормам амортизационных отчислений по основным фондам и первоначальной стоимости
основных фондов, определим по формуле:
, (7.13)
где С - первоначальная стоимость основных
фондов, тыс. руб.
а - норма амортизационных отчислений, (%)
ЭА = 2363,13*3,9/100 = 92,16 (тыс. руб.).
Амортизационные отчисления от стоимости
основного производственного, энергетического, транспортного оборудования,
инструмента и инвентаря рассчитываем, используя данные таблицы 8.1, и
результаты расчета заносим в таблицу 7.7
Таблица
7.7
Расчет амортизации производственного
оборудования
|
Оборудование
|
К-во
|
Цена
|
Стоимость
всего оборудования + транспортные расходы
|
Стоимость
монтажных работ, (тыс. руб.)
|
Перво-начальная
стоимость, (тыс. руб.)
|
Амортизация
|
|
|
|
|
|
|
Норма
отчислений, (%)
|
Сумма
в год, (тыс. руб.)
|
|
1
|
2
|
3
|
4
|
5
|
6
|
7
|
8
|
|
Установка
УЗОТ-Радио
|
1
|
1860
|
1971,6
|
186
|
2363,13
|
3,9
|
92,16
|
|
Итого
|
|
|
1971,6
|
|
2363,13
|
|
92,16
|
Годовой экономический эффект от внедрения
"Установки для зарядки и опробования тормозов" сведем в таблицу 7.8
Таблица
7.8
Годовой экономический эффект от перевооружения
|
№
п/п
|
Элементы
экономии затрат
|
Сумма
годовых расходов, (тыс. руб.)
|
|
1
|
2
|
3
|
|
1
|
Экономия
фонда оплаты труда
|
614,34
|
|
2
|
Экономия
отчислений на социальные нужды
|
211,33
|
|
3
|
Увеличение
расхода электроэнергии
|
-7,99
|
|
4
|
Дополнительные
затраты на амортизационные отчисления
|
-92,16
|
|
Годовой
экономический эффект
|
725,52
|
Рассчитаем экономическую эффективность
технического перевооружения и срок окупаемости. Основными показателями оценки
экономической эффективности технически перевооруженного пункта технического
обслуживания вагонов выступает чистый дисконтированный доход и срок окупаемости
капитальных вложений. Интегральный экономический эффект, определяется как сумма
текущих эффектов за весь расчетный период, приведенных к начальному шагу.
Величину интегрального экономического эффекта
определяют по формуле:
(8.14)
где Rt -
результаты, достигаемые на t -м шаге расчета;
Зt - затраты,
осуществляемые на том же шаге;
Т - горизонт расчета;
Эt = (Rt - Зt) - эффект,
достигаемый на t-м шаге;
Е -норма дисконта, Е=0,12÷0,15;
∆Эфi - годовой
экономический эффект, достигаемый на t-м шаге
расчета;
Кi -
капитальные вложения, осуществляемые на этом же шаге;
t - год, за
который считаются показатели,
При Кt = 2363,13
тыс. руб.;
∆Эфi =725,52
тыс. руб.;
Е=0,12 получим:
ЧДД = 725,52-2363,13/(1+0,12) 1+725,52/(1+0,12)
2+725,52/(1+0,12) 12 =
,36+578,42+518,26+462,14+412,25+368,3+328,31+293,75+261,93+
+234,05+209,09+186,52=2468,66 (тыс.
руб.)
Срок окупаемости будет равен 2 года.
8 месяцев, что показано на рисунке 7.1.
Таблица
7.9
Технико-экономические показатели
|
№
п/п
|
Показатели
|
Ед.
изм.
|
Значение
показателя
|
|
1
|
Производственная
программа
|
сост.
|
8600
|
|
2
|
Планируемый
контингент работников
|
чел.
|
4
|
|
3
|
Капитальные
вложения
|
тыс.
руб.
|
2363,13
|
|
4
|
Экономия
по фонду заработной платы
|
тыс.
руб.
|
493,06
|
|
5
|
Время
затрачиваемое на опробование тормозов до технического перевооружения
|
час./год.
|
5733,33
|
|
6
|
Время
затрачиваемое на опробование тормозов после технического перевооружения
|
час./год.
|
4586,66
|
|
7
|
Годовой
экономический эффект
|
тыс.
руб.
|
725,52
|
|
8
|
Интегральный
экономический эффект (ЧДД)
|
тыс.
руб.
|
2468,68
|
|
9
|
Срок
окупаемости
|
год
|
2,8
|
Рисунок 7.1 график окупаемости капитальных
вложений
Заключение
На основании
технико-экономического обследования пункта технического обслуживания грузовых
вагонов ст. Калининград Сортировочный было установлено, что в соответствии с
распоряжением Управления Калининградской железной дороги №1132/Н-08 в целях
ритмичной работы станции Калининград - сорт и безусловного выполнения
требований безопасности движения разрешено производить отправление нечетных
поездов с «Парка приема»
В настоящие время опробование тормозов в парке
прибытия производится от локомотива, что приводит к увеличению
непроизводственного простоя локомотивов, и увеличению накладного времени
локомотивных бригад. В данном Дипломном проекте предложено внедрить в парке
приема установку опробования тормозов УЗОТ Радио.
Внедрение установки опробования тормозов
УЗОТ-Радио в предгорочном парке позволит сократить время непроизводственного
простоя локомотива, снизит трудоемкость процесса опробования тормозов, чем
самым позволит высвободить 2 осмотрщиков - ремонтников, даст возможность
выявлять неисправности пневматической части тормоза в прибывших поездах, сведет
к нулю возможность пропуска вагонов с неисправностями тормозов в парк
отправления и снизит риск срыва графика отправления поездов в парке «С», и
сократит маневровую работу.
Выбор установки опробования тормозов УЗОТ Радио
обоснован применением в данной установки системы обмена данных между блоками
устройства по радиоканалу с использованием помехозащищенного кодирования
информации, в результате устройство позволяет:
сократить дополнительные расходы при внедрении
устройства, т.к. не требуется прокладка линии связи между блоками устройств;
исключить влияние помех на результаты измерений.
В связи с применение современных средств, таких
как УЗОТ-Радио существенно повышается безопасность движения поездов, а также
сокращается время на проведение технологических операций и ремонта тормозного
оборудования. Экономический эффект составит 2468 тыс. руб., а срок окупаемости
2 года и 8 месяцев.
Список литературы
1. Правила
технической эксплуатации железных дорогах Российской Федерации ЦРБ-756, 2000г.
2. Инструкция
по движению поездов и маневровой работе на железных дорогах Российской
Федерации ЦД-790, 2000г.
. Инструкция
по сигнализации на железных дорогах Российской Федерации ЦРБ-757, 2000г.
. Инструкция
осмотрщику вагонов ЦВ-цл-408, 1996г.
. Инструкция
по эксплуатации тормозов подвижного состава железных дорог ЦТ-ЦВ-ЦЛ-ВНИИЖТ/277
1998г.
. Инструктивные
указания по эксплуатации и ремонту вагонных букс с роликовыми подшипниками,
3-ЦВРК,
. Инструкция
по ремонту тормозного оборудования вагонов ЦВ-ЦЛ-945, 2003г.
. Инструкция
по ремонту и обслуживанию автосцепного устройства подвижного состава железных
дорогах Российской Федерации ЦВ-ВНИИЖТ-494 1997г.
. Технология
производства и ремонта вагонов. Уч. для ВУЗов / Под ред. К.В. Мотовилова. - М.:
Маршрут, 2003. - 382с.
. Методические
указания к дипломному проектированию для студентов специальности
"Вагоны", 14/22/10. - М.: РГОТУПС, 2003. - 40с.
. Методические
указания к дипломному проектированию для студентов специальности
"Вагоны", 14/22/11. - М.: РГОТУПС, 2003. - 38с.
. Методические
указания к дипломному проектированию для студентов специальности
"Вагоны", 14/22/11. - М.: РГОТУПС, 2003. - 38с.
. Богданов
А.Ф., Чурсин В.Г. Эксплуатация и ремонт колесных пар вагонов М:
Транспорт,1985-269с.
. Инструкция
по осмотру, освидетельствованию, ремонту и формированию вагонных колесных пар,
ЦВ/3429. М: Транспорт,1977-88с.
. Типовые
технически обоснованные нормы времени на ремонт и формирование вагонных
колесных пар,1978г
. Правила
по охране труда при техническом обслуживании и ремонте грузовых вагонов и
рефрижераторного подвижного состава ПОТ РО-32-ЦВ-400-96
. Правила
по охране труда при техническом обслуживании и ремонте грузовых вагонов в
вагонном хозяйстве железных дорог №1063р, утвержденными 26.05.2006г.
. Типовая
инструкция по охране труда для осмотрщиков вагонов, осмотрщиков-ремонтников
вагонов и слесарей по ремонту подвижного состава ТОИР-32-ЦВ-416-96
. Экономика
железнодорожного транспорта. Под ред. Н.П. Терешиной М: УМК МПС России,
2001-600 с.