Теплообменный аппарат для подогрева топливного газа на газоперекачивающем агрегате
Содержание
Введение
1. Подземные хранилища газа
1.1 Создание ПХГ и его Типы
Подземные хранилища газа в истощенных месторождениях
Подземные хранилища газа в соляных кавернах
Подземные хранилища газа в твердых горных породах
Подземные хранилища газа в кавернах горных пород
Подземные хранилища газа в отработанных шахтах
1.2 ПХГ в современной России
1.3 ПХГ в Европе
2. Газоперекачивающие агрегаты (ГПА)
2.1 Устройство ГПА
2.2 Структурная схема ГПА
2.3 Технологическая схема. Принцип работы ГПА
3. Подогреватель топливного и пускового газа
4. Теплообменный аппарат топливного газа агрегата
5. Вихревая труба
6. Технико-экономический расчет
Вывод
Заключение
Библиографический список
Приложения
Введение
Большую часть газа потребляют города и промышленные
предприятия, удаленные от газовых месторождений, поэтому от мест добычи газа до
потребителей прокладывают газопроводы континентальных масштабов. В свою очередь
газовые месторождения и скважины устроены так, что процесс добычи газа
позволяет выкачивать газ только с определенной скоростью. К сожалению, этой
скорости не хватает, чтобы обеспечить максимальное потребление газа городом.
Особенность потребления газа городом (потребителем)
заключается в том, что потребитель не может забирать одно и то же количество
газа постоянно. Пики потребления газа приходятся на летний и зимний периоды
года (минимум и максимум соответственно). Таким образом, для покрытия
максимального расхода газа в зимний период, необходимо строить газопроводы
большого диаметра, которые рассчитаны на данный расход, а это значительные
капиталовложения вследствие большой металлоемкости. Рациональней и экономичней
прокладывать газопровод меньшего диаметра и производить подачу газа круглый год
в количестве среднегодового расхода.
Таким образом, для покрытия годовой неравномерности
потребления газа потребителем, создаются подземные хранилища газа (ПХГ).
Правильно спроектированное газовое хранилище может свести к необходимому
минимуму стоимость транспортирования до центров потребления: благодаря
хранилищам магистральные газопроводы могут проектироваться на среднюю
пропускную способность, а не на максимальную нагрузку. Поэтому для крупных
магистральных газопроводов создание ПХГ просто технологически необходимо.
подземное хранилище газ газоперекачивающий
Рис 1.1 Схема добычи, транспортировки и хранения газа.
1. Подземные
хранилища газа
Подземное хранение газа - технологический процесс закачки,
отбора и хранения газа в пластах-коллекторах и выработках-емкостях, созданных в
каменной соли и в других горных породах.
Подземное хранилище газа (ПХГ) - это комплекс
инженерно-технических сооружений в пластах-коллекторах геологических структур,
горных выработках, а также в выработках-емкостях, созданных в отложениях
каменных солей, предназначенных для закачки, хранения и последующего отбора
газа, который включает участок недр, ограниченный горным отводом, фонд скважин
различного назначения, системы сбора и подготовки газа, компрессорные цеха.
ПХГ обеспечивают покрытие пиков потребления, сглаживание
сезонной неравномерности, уменьшают стоимость транспортирования до центров
потребления, и только создают резервы безопасности, на случай нарушения
снабжения: "технические" резервы, используемые при авариях в системе
газоснабжения и стратегические резервы, используемые при частичных нарушениях
поставок по политическим или экономическим причинам.
ПХГ сооружаются вблизи трассы магистральных газопроводов и
крупных газопотребляющих центров для возможности оперативного покрытия пиковых
расходов газа. Они создаются и используются с целью компенсации неравномерности
(сезонной, недельной, суточной) газопотребления, а также для резервирования
газа на случай аварий на газопроводах и для создания стратегических запасов
газа.
В настоящее время наибольшее распространение получили ПХГ
созданные в пористых пластах (истощенные месторождения и водоносные структуры).
Кроме пористых пластов пригодны для создания хранилищ и залежи каменных солей
(создаваемые путем размыва так называемой каверны), а также в горных выработках
залежей каменного угля и др. полезных ископаемых.
Всего в мире действует более 600 подземных хранилищ газа
общей активной емкостью порядка 340 млрд. м³.
Наибольший объем резерва газа хранится в ПХГ, созданных на
базе истощенных газовых и газоконденсатных месторождений. Менее емкими
хранилищами являются соляные каверны, есть также единичные случаи создания ПХГ
в кавернах твердых пород.
Газовое хранилище представляет собой геологическую структуру
или искусственный резервуар, используемый для хранения газа. Работа хранилища
характеризуется двумя основными параметрами - объемным и мощностным. Первый
характеризует емкость хранилища - активный и буферный объемы газа; второй
показатель характеризует суточную производительность при отборе и закачке газа,
продолжительность периода работы хранилища при максимальной производительности.
По режиму работы ПХГ подразделяются на базисные и пиковые.
Базисное ПХГ предназначено для циклической эксплуатации в
базисном технологическом режиме, который характеризуется сравнительно
небольшими отклонениями (увеличением или уменьшением в пределах от 10 до 15 %)
суточной производительности ПХГ при отборах и закачках газа от среднемесячных
значений производительности.
Пиковое ПХГ предназначено для циклической эксплуатации в
пиковом технологическом режиме, который характеризуется значительными
приростами (пиками) свыше 10-15 % суточной производительности ПХГ в течение
нескольких суток при отборах и закачках газа относительно среднемесячных
значений производительности.
По назначению ПХГ подразделяются на базовые, районные и
локальные.
Базовое ПХГ характеризуется объемом активного газа до
нескольких десятков миллиардов кубических метров и производительностью до
нескольких сотен миллионов кубических метров в сутки, имеет региональное значение
и влияет на газотранспортную систему и газодобывающие предприятия. Районное
ПХГ характеризуется объемом активного газа до нескольких миллиардов кубических
метров и производительностью до нескольких десятков миллионов кубических метров
в сутки, имеет районное значение и влияет на группы потребителей и участки
газотранспортной системы (на газодобывающие предприятия при их наличии). Локальное
ПХГ характеризуется объемом активного газа до нескольких сотен миллионов
кубических метров и производительностью до нескольких миллионов кубических
метров в сутки, имеет локальное значение и область влияния, ограниченную
отдельными потребителями. По типу различают наземные и подземные газовые
хранилища. К наземным относятся газгольдеры (для хранения природного газа в газообразном
виде) и изотермические резервуары (для хранения сжиженного природного газа), к
подземным - хранилища газа в пористых структурах, в соляных кавернах и горных
выработках.
1.1 Создание
ПХГ и его Типы
Подземные
хранилища газа в истощенных месторождениях
Первая в мире опытная закачка газа в истощенное газовое
месторождение была проведена в 1915 г. в Канаде (месторождение Уэлленд-Каунти),
первое промышленное ПХГ емкостью 62 млн м³ было создано в 1916 г. в
США (газовое месторождение Зоар, район г. Буффало).
Рис. 1.2 Профильный разрез газосодержащих пластов.
В России первое ПХГ в истощенном месторождении было создано в
1958 г. на базе мелких выработанных залежей газа месторождений Куйбышевской
(ныне Самарской) области. Успешное проведение закачки и последовавший отбор
газа способствовали усилению работ в области подземного хранения газа по всей
стране. В том же году началась закачка газа в Елшанское (Саратовская область) и
в Аманакское (Куйбышевская область) истощенные газовые месторождения.
В 1979 г. начато создание крупнейшего в мире хранилища в
истощенном газовом месторождении - Северо-Ставропольского (Ставропольский
край). Площадь горного отвода ПХГ составляет более 680 км². Оно создано на основе истощенных одноименных газовых
месторождений в зеленой свите (1979 г.) и хадумском горизонте (1984 г.) при
аномально низких пластовых давлениях. Данные горизонты являются
самостоятельными эксплуатационными объектами, расположенными на глубинах 1000 и
800 м, и существенно отличаются по своим характеристикам и режимам работы. При
строительстве Северо-Ставропольского ПХГ в хадумском горизонте создан
долгосрочный резерв, который может быть отобран из хранилища после периода
отбора, даже если не производилась дополнительная закачка газа.
Подземные хранилища газа в водоносных пластах
Первое ПХГ в водоносном пласте было создано в 1946 г. в США -
ПХГ Doe Run Upper (штат Кентукки). В СССР первое газохранилище в водоносном
пласте было создано в 1958 г. в районе г. Калуга - Калужское ПХГ (проектный
объем активного газа - 380 млн м³). Крупнейшее в мире
хранилище в водоносном пласте - Касимовское ПХГ (Рязанская область) - было
создано в 1977 г. (проектный объем активного газа - 4,5 млрд м³).
Подземные
хранилища газа в соляных кавернах
Подземные хранилища в соляных кавернах используются
преимущественно для покрытия пиковых нагрузок, поскольку могут
эксплуатироваться в "рывковом" режиме с производительностью отбора,
на порядок превышающей производительность отбора из ПХГ в пористых структурах,
а количество циклов может достигать до 20 в год. По этим причинам созданию ПХГ
в каменной соли уделяется большое внимание в развитых странах. Это также
связано и с рыночными условиями функционирования системы газоснабжения, так как
ПХГ в каменной соли могут служить для компенсации краткосрочных колебаний
газопотребления, предотвращения штрафов за дисбаланс в поставках газа из-за
аварий на газопроводах, а также планирования закупок на региональном уровне с
учетом ежемесячных или суточных колебаний цен на газ. В мире создано порядка 70
ПХГ в отложениях каменной соли с общей активной емкостью около 30 млрд. м³. Наибольшее количество ПХГ в соляных кавернах эксплуатируется в
США - 31 ПХГ, общая активная емкость которых составляет порядка 8 млрд. м³, а суммарный объем отбора более 200 млн. м³/сут. В Германии эксплуатируется 19 ПХГ в соляных кавернах с
суммарным объемом активного газа около 7 млрд. м³, также планируется
расширение действующих и строительство новых ПХГ с общей активной емкостью
порядка 8 млрд. м³. На территории России в
настоящее время строится 3 ПХГ в соляных кавернах: Калининградское
(Калининградская область), Волгоградское (Волгоградская область) Новомосковское
(Тульская область), эксплуатируется хранилище гелиевого концентрата (Оренбург).
В настоящее время на территории Армении эксплуатируется ПХГ, общий объем
которого составляет 200 тысяч м³. Ведутся работы по
дальнейшему расширению ПХГ.
Подземные
хранилища газа в твердых горных породах
В мире активно увеличивается спрос на резервные мощности ПХГ,
однако не везде существуют оптимальные геологические условия для создания ПХГ
на базе истощенных месторождений, в водоносных пластах или в каменной соли. В
связи с этим разрабатываются и внедряются технологии создания ПХГ в каменных
пещерах и угольных шахтах. Примеры таких хранилищ единичны, но в каждом
конкретном случае они являются технически единственно возможным и экономически
обоснованным объектом для резервирования необходимого объема природного газа.
Наибольший опыт в организации подобных хранилищ имеется у Норвегии, США, Швеции
и Чехии, которые рассматривают этот вариант как более экономичную и доступную
альтернативу организации ПХГ в солях и наземных хранилищ сжиженного газа.
Подземные
хранилища газа в кавернах горных пород
В Швеции в районе г. Хальмштад вблизи основной магистрали
газопровода введен в эксплуатацию демонстрационный проект ПХГ Скаллен в
облицованной каверне горных пород. В граните на глубине 115 м построена одна
каверна (геометрический объем составляет 40 тыс. м³), стены которой укреплены стальной сеткой.
Подземные
хранилища газа в отработанных шахтах
На сегодняшний день эксплуатируются два из четырех ПХГ,
организованных в отработанных шахтах, это: ПХГ Бургграф-Бернсдорф (калийная
соляная шахта, восточная Германия) и ПХГ Лейден (Лейденская угольная шахта,
Колорадо, США). ПХГ Бургграф-Бернсдорф эксплуатируется около 40 лет, с
максимальным рабочим давлением более 3,6 МПа (самое высокое для хранилищ
подобного рода). Главным фактором для поддержания такого давления является
герметизация хранилища при помощи специальных бетонных пробок, свойств
окружающих пород (калийная и каменная соль), а также гидравлической и
механической систем уплотнения.
1.2 ПХГ в
современной России
В настоящее время в России создана развитая система подземного
хранения газа, которая выполняет следующие функции:
· регулирование сезонной неравномерности
газопотребления;
· хранение резервов газа на случай аномально
холодных зим;
· регулирование неравномерности экспортных
поставок газа;
· обеспечение подачи газа в случае нештатных
ситуаций в ЕСГ;
· Создание долгосрочных резервов газа на
случай форс-мажорных обстоятельств при добыче или транспортировке газа.
Подземные хранилища газа (ПХГ) являются неотъемлемой частью
Единой системы газоснабжения России и расположены в основных районах
потребления газа.
Рис. 1.3 Действующие и перспективные объекты подземного
хранения газа "Газпрома" на территории России.
На территории России "Газпром" эксплуатирует 22 ПХГ
в 26 объектах хранения газа: 17 объектов создано - в истощенных газовых
месторождениях, 8 - в водоносных структурах и 1 - в соляных кавернах. На 31
декабря 2012 г. суммарная активная емкость по обустройству ПХГ
"Газпрома" составила 68,16 млрд. куб. м.
Техническое перевооружение, реконструкция и расширение
действующих объектов хранения, а также строительство новых ПХГ - одна из
стратегических задач "Газпрома". Так, к сезону отбора 2015-2016 гг.
планируется увеличение максимальной суточной производительности до 819,6 млн.
куб. м.
Задачи в области долгосрочного развития системы подземного
хранения газа в России определены Генеральной схемой развития газовой отрасли
на период до 2030 г. и направлены на увеличение суточной производительности ПХГ
по отбору и объемов оперативного резерва газа в них.
В 2011 г. "Газпромом" утверждена Программа развития
ПХГ Российской Федерации на период 2011-2020 гг., предполагающая увеличение
суточной производительности до 1,0 млрд. куб. м. В 2012 г. из российских ПХГ
отобрано 44,3 млрд. куб м газа, закачано 44,1 млрд. куб. м газа, в том числе
100 млн. куб. м буферного газа (Невское ПХГ). Максимальная суточная
производительность зафиксирована 20 декабря 2012 г. - 670,7 млн. кубометров в
сутки.
1.3 ПХГ в
Европе
В целях повышения надежности поставок газа по экспортным
контрактам "Газпром" использует мощности ПХГ на территории
европейских стран:
· "Хайдах"
(Австрия);
· "Реден",
"Катарина" (Германия);
· "Банатский
двор" (Сербия);
· Инчукалнское ПХГ
(Латвия);
· Прибугское, Осиповичское
и Мозырское ПХГ (Белоруссия);
· Абовянская станция
подземного хранения газа (Армения).
Всего в ПХГ на территории стран бывшего Советского Союза в
2012 г. Группой закачано 2,7 млрд. куб. м газа, отобрано 2,5 млрд. куб. м газа.
<#"866565.files/image006.gif">
"Газпром" планирует и далее наращивать мощности по
хранению газа в Европе и довести их до уровня более 5 млрд. куб. м активного
газа к 2015 г.
2.
Газоперекачивающие агрегаты (ГПА)
Транспортировка газа от мест добычи до потребителя
осуществляется по промысловым, магистральным и распределительным газопроводам.
Протяженность только магистральных газопроводов ОАО "Газпром"
составляет более 150 тыс. км. На КС этих газопроводов установлено более четырех
тысяч газоперекачивающих агрегатов (ГПА) общей мощностью более чем 40 млн. кВт.
ОАО "Газпром" имеет также 25 подземных хранилищ газа с объемом более
чем 110 млрд. м3 газа, 6 газоперерабатывающих заводов и 3400
газораспределительных станций.
Газоперекачивающий агрегат (ГПА) предназначен для повышения
давления и перемещения газа поступающего из входного коллектора компрессорной
станции магистрального газопровода. ГПА находят применение в головных (ГКС),
линейных (ИКС) и дожимных (ДКС) компрессорных станциях магистральных
газопроводов, а также в подземных хранилищах газа (ПХГ) и в специальных
технологических установках.
Рис. 2.1 ГПА-16М-03 "Урал" КС
"Каменск-Шахтинская".
2.1
Устройство ГПА
Из-за многообразия конструкций и сложности объекта
разработать исчерпывающую классификацию ГПА не представляется возможным.
Поэтому ГПА можно классифицировать по функциональному признаку, принципу
действия и типу привода.
По функциональному признаку ГПА разделяются для применения
- головных КС;
- линейных КС;
- дожимных КС;
- подземных хранилищ газа;
- специальных технологий (обратной закачки газа в пласт,
газлифта, сбора и транспортировки попутного газа и др.);
По принципу действия. ГПА с компрессорами:
- объемного действия (в основном поршневыми компрессорами);
- динамического действия (в основном с центробежными
компрессорами).
Поршневые компрессоры (газомотокомпрессоры) используются при
малых производительностях (до 1,5 м3/с) из-за предпочтительности по
КПД или где требуется значительное изменение режима работы по давлению.
Центробежные компрессоры используются при высоких
производительностях (от 1,5 м3/с и выше) и мощностях (4-25 МВт)
из-за предпочтительности по КПД и малости габаритных размеров и масс ГПА.
По типу привода. ГПА, в которых используются:
- электродвигатели;
- газовые двигатели внутреннего сгорания;
- газотурбинные двигатели.
2.2
Структурная схема ГПА
Газоперекачивающий агрегат (ГПА) - это сложная энергетическая
установка, состоящая из множества элементов.
Основными составляющими частями типовых ГПА обычно являются
(рис. 2.2):
Центробежный компрессор со вспомогательным оборудованием;
Газотурбинный двигатель 1 со вспомогательным оборудованием;
Входной тракт с воздухозаборными камерами, фильтрами и
шумоглушителем, противообледенительной системой и системой очистки компрессора;
Выходной тракт с шумоглушителем, выхлопной трубой и
автоматизированным теплообменником - утилизатором тепла выхлопных газов;
Систему охлаждения масла с устройствами маслосистемы и
уплотнений;
Агрегатную систему контрольно-измерительных приборов (КИП),
ручного и автоматического управления и защиты;
Противоаварийную систему агрегата (Установку пожаротушения,
систему электрозащиты, системы контроля загазованности и инфракрасные датчики
огня);
Система электроснабжения.
Рис 2.2 Структурная схема ГПА.
.3
Технологическая схема. Принцип работы ГПА
Технологическая линия ГПА состоит из центробежного
компрессора ЦК, соединенного системой газовых коммуникаций компрессорной
станции через входной К1 и выходной К2 краны газового тракта. К крану К1
параллельно подключен кран дистанционного управления К4 и для возможности его
замены - краны К4', К4".
Центробежный компрессор (ЦК) является основной частью
технологической линии и предназначен для повышения давления и перемещения газа,
протекающего через компрессорную станцию. В компрессоре газ сжимается до
конечного давления, позволяющего компенсировать путевые потери на участке от
предыдущей станции и в инженерных коммуникациях самой станции. Из линии
нагнетания газ через обратный клапан ОК и кран К2 поступает в выходной
коллектор КС. Линия нагнетания через кран К5 соединена со свечой для сброса
газа в атмосферу. Линия нагнетания через обратный клапан КО', байпасные клапан
Кб и Кб' соединена также с входным коллектором КС.
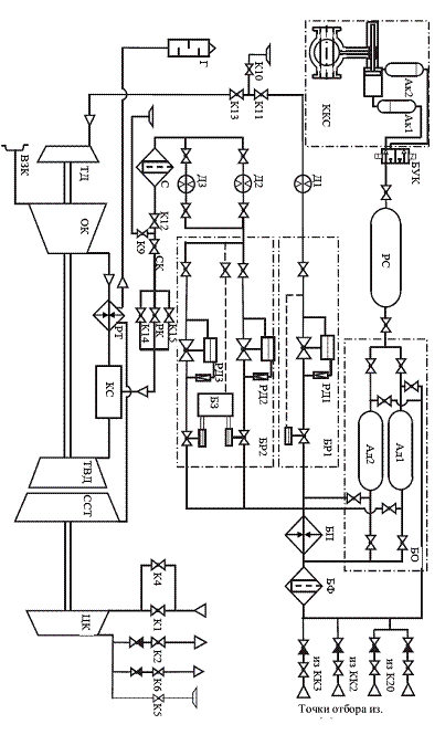
Кроме технологической линии для обеспечения технологических и
собственных нужд КС предусматривается система собственного газоснабжения. Она
предназначена для очистки, подогрева и редуцирования импульсного, пускового и
топливного газа (Прил. А.) для технологических нужд, а также газа для
собственных нужд КС и жилого поселка. При этом установка подготовки топливного
и пускового газа может предусматриваться индивидуально для каждого ГПА, а
установку импульсного газа рекомендуется предусматривать в целом для КС.
Система собственного газоснабжения предусматривает отбор газа из
технологических трубопроводов КС в четырех точках: до и после крана К20 узла
подключения КС, из входного (основной отбор) и выходного (при необходимости)
коллекторов КС. Далее газопровод объединяется в общий коллектор (Прил. А.) и по
ней газ поступает в блок подготовки топливного, пускового и импульсного газа
(БПТПИГ). В блоке фильтров БФ БПТПИГ газ предварительно очищается от
конденсата, механических примесей и затем подается в блоки осушки БО и
подогревателей БП, где его температура повышается до 25°С. В блоке запрещается
применение подогревателей прямого подогрева газа. Общецеховая система подогрева
топливного газа должна включать не менее двух подогревателей, в том числе один
резервный. После подогревателя газовый поток разделяется на три потока, идущие
в системы импульсного, пускового и топливного газов.
Импульсный газ используется в пневмогидравлических системах
запорной арматуры КС магистральных газопроводов, так как отличительной
особенностью их является большие размеры и масса. Поэтому для перемещения
затвора запорной арматуры используется энергия сжатого газа, которая
преобразовывается в механическую в пневматическом или пневмогидравлическом
приводе. Система позволяет управлять запорной арматурой: пневмоприводными
кранами технологического, топливного и пускового газов. Поток импульсного газа
после блока очистки поступает (Прил. А.) в блок осушки БО, который состоит из
двух адсорберов Ад1 и Ад2. Полости адсорберов заполнены адсорбентом,
предназначенным для поглощения влаги из газа. В качестве адсорбента
используются силикагель или цеолит. Осушка импульсного газа должна исключать
заедание и обмерзание исполнительных органов при низких температурах наружного
воздуха. В процессе работы один из двух адсорберов является действующим, а
другой в это время находится в режиме резерва или регенерации адсорбента.
Регенерация адсорбента осуществляется либо за счет подогрева электрическими
подогревателями, либо пропусканием через адсорбер газа, подогретого до
температуры ~ 300°С, который выносить влагу из насыщенного адсорбента путем её
испарения. Подогрев газа осуществляется в огневом подогревателе, который
находится в блоке БП. После осушки температура точки росы газа при рабочем
давлении должна составлять не выше - 55°С. После блока осушки импульсный газ
поступает в два ресивера PC, один из которых предназначен для кранов узла
подключения, а второй для остальных общестанционных кранов ККС. Вместимость
ресиверов должна обеспечить переключение всех кранов КС при двух
последовательных аварийных остановках станции. Из ресивера импульсный газ
распределяется ко всем общестанционным кранам ККС с пневматическим или
пневмогидравлическим приводом. Блок управления крана БУК позволяет осуществлять
открытие или закрытие крана как по сигналу из системы автоматики КС, так и на
месте вручную.
Поток пускового газа редуцируется в регуляторе давления РД1
блока БР1 до давления 0,6.1,5 МПа и поступает через измеритель расхода Д1,
краны К11 и К13 в турбодетандер ТД. Газ, расширяясь в ТД, совершает работу,
которая затрачивается на раскрутку ротора ОК и ТВ Д.
Топливный газ используется для сжигания в ГТУ. Поток
топливного газа редуцируется в блоке БР2 до давления 0,6.3 МПа в зависимости от
давления в камере сгорания КС ГТУ. Давление топливного газа на выходе должна
поддерживаться с точностью ± 0,05 МПа. В системе редуцирования давления
топливного газа должно быть предусмотрено: 100% -ный резерв регуляторов
давления; автоматическое переключение рабочей и резервной линий; обвод
регуляторов давления для систем пускового и топливного газа. Поэтому блок БР2
содержит рабочую и резервную нитки с регуляторами давления РД2 и РДЗ, а также
блоком защиты БЗ, позволяющем автоматически отключать рабочую нитку при
повышении давления на выходе сверх положенного и включать резервную нитку в
рабочий режим. После блока редуцирования БР2 топливный газ проходит через узел
измерения с датчиками Д2 и ДЗ, дополнительно очищается от конденсата в
сепараторе С и поступает в топливный коллектор. Топливный газ после установки
подготовки должен соответствовать требованиям ГОСТ 21199-82. В камеру сгорания
КС газ подается через кран К12, стопорный СК и регулирующий РК клапаны. Краны
К14 и К15 используются для подачи газа в запальную и дежурную горелки в период
пуска агрегата.
Цеховые коллекторы пускового и топливного газа должны
проектироваться на давление, определяемое требованиями заводов - изготовителей
ГПА. Цеховые коллекторы топливного, пускового и импульсного газа должны иметь
уклон i
> 0,002, продувочные, выпускные и дренажные трубопроводы, а при наземной
прокладке вне помещения коллектор топливного газа и теплоизоляцию.
На входном газопроводе БПТПИГ должна предусматриваться
отсечная и выпускная арматура с дистанционным управлением.
При необходимости между двумя КЦ должна предусматриваться
межцеховые перемычки газопроводов топливного и пускового газа с установкой
отсечной арматуры дистанционного управления на границе каждого КЦ и свечи с
ручным краном между отсечной арматурой.
В большинстве случаев вращательное движение ротору
компрессора ГПА сообщается свободной силовой турбиной ССТ (Прил. А.)
газотурбинного двигателя (ГТД). В ГТД ССТ рабочим телом обеспечивает газовый
генератор, состоящий из осевого компрессора ОК, камеры сгорания КС и турбины
высокого давления ТВД. В некоторых газогенераторах для повышения КПД
используется также и регенеративный теплообменник РТ. Воздухозаборная камера
ВЗК забирает атмосферный воздух и после очистки подает его во входное
устройство осевого компрессора. После сжатия в ОК и нагрева в регенеративном
теплообменнике РТ воздух поступает в камеру сгорания КС, где к нему подводиться
топливный газ. В результате процесса горения в КС образуются продукты сгорания,
которые направляются вначале в турбину высокого давления ТВД, а затем в ССТ.
Энергия продуктов сгорания при расширении в ТВД и ССТ превращаются в
механическую энергию вращения роторов этих турбин. В дальнейшем механическая
энергия, вырабатываемая ТВД, используется для привода осевого компрессора ОК, а
ССТ - для привода центробежного компрессора ЦК, обеспечивающее повышение
давления и перемещение технологического газа.
3.
Подогреватель топливного и пускового газа
В настоящее время на ГРС ОАО "Газпром"
эксплуатируются около пяти тысяч подогревателей газа различных типов:
подогреватели газа прямого нагрева - ПГА-1, ПГА-1/3, ПГА-2,
ПГА-3, ПГА-5, ПГА-10, ПГА-20, ПГА-15, ПГА-100, ПГА - 200, ПГТА-200, ПГТА-375,
ПГТА-1000, ПГТА-1600;
подогреватели газа с промежуточным теплоносителем - ПГ-10,
ПГ-30, ПТПГ-5, ПТПГ-10, ПТПГ-15, ПТПГ-30, ПНГ-025, ПНГ-050, ПНГ-100, ПГТТ, БПГ.
Рис. 3.1 Подогреватель топливного и пускового газа ПТПГ-30
Большая часть ГРС была построена в период 60-х - начала 80-х
годов, и на сегодняшний день оборудование этих ГРС, подогреватели газа в том
числе, имеет большую степень износа, физически и морально устарело.84%
подогревателей имеют срок эксплуатации более 10 лет, 40% подогревателей
эксплуатируются более 20 лет, 20% эксплуатируются более 30 лет.
Тепловая мощность выпускающихся Российскими предприятиями
подогревателей превышает реальные потребности ГРС. В результате - 75%
подогревателей работают с нагрузкой менее 50%, 51% с нагрузкой менее 30%, 15% с
нагрузкой менее 10%.
Из более 150 модификаций подогревателей газа прямого нагрева
и с промежуточным теплоносителем, выпускаемых отечественной промышленностью, по
тепловой мощности удовлетворяют подогреватели газа прямого нагрева ПГА-5, ПГА-10,
ПГА-100.
В то же время, согласно "Решению совещания по вопросу
применения подогревателей газа на объектах транспорта газа ОАО
"Газпром" от 03 февраля 2006 г., утвержденному начальником
Департамента по транспортировке, подземному хранению и использованию газа
Будзуляком Б.В., рекомендуется при проектировании объектов нового
строительства, реконструкции и капитальном ремонте ГРС ОАО "Газпром"
применять подогреватели газа с промежуточным теплоносителем.
Подогреватели газа с промежуточным теплоносителем, выпускаемые
отечественными предприятиями, имеют наименьшую тепловую мощность - 170 кВт
(ПТПГ-5) и пропускную способность по нагреваемому газу 5000 нм3/час. Для
заполнения пробела в этом сегменте подогревателей ООО Фирма "СГПА"
разработан и изготовлен опытный образец подогревателя газа с промежуточным
теплоносителем ПГПТ-3 мощностью 100 КВт на номинальную производительность 3000
нм3/час.
Подогреватель предназначен для эксплуатации на открытом
воздухе в районах с с умеренным климатом в условиях, нормированных для
исполнения У1. Система автоматики подогревателя обеспечивает:
местный визуальный контроль основных параметров
технологического процесса;
автоматическое регулирование расхода топливного газа,
подаваемого к газогорелочному устройству и температуры нагрева промежуточного
теплоносителя;
автоматическое поддержание температуры подогреваемого газа на
выходе подогревателя на заданном значении;
автоматический розжиг запальника и горелки;
автоматическое аварийное отключение подогревателя и
блокировку программы пуска с подачей звуковой и световой сигнализации при
отклонениях от заданных значений основных технологических параметров:
давления топливного газа перед горелками;
температуры промежуточного теплоносителя;
уровня промежуточного теплоносителя;
погасания пламени запальника;
прорыву нагреваемого газа в промежуточный теплоноситель.
рабочую сигнализацию по следующим параметрам:
наличию напряжения питания;
наличию пламени на запальной горелке.
Технические характеристики подогревателей топливного и
пускового газа с промежуточным теплоносителем, представленных на российском
рынке, приведены в приложении Б.
Рис 3.2.3-D модель подогревателя топливного и пускового газа
ПТПГ-30
В конструкции подогревателя применен ряд новых решений. Так
для интенсификации теплообмена в жаровой трубе врезаны наклонные патрубки.
Малый объем промежуточного теплоносителя позволяет при привязке подогревателя
на объекте не предусматривать систему слива-заправки. Опытный образец
подогревателя ПГПТ-3 сдан Постоянно действующей комиссии ОАО
"Газпром".
Но наряду со всеми положительными качествами этих подогревателей,
они имеют и серьезные недостатки:
· Значительный расход топливного газа на
подогреватель;
· Вредные выбросы оксида азота и оксида
углерода в атмосферу;
· Сложность в эксплуатации;
· Износ оборудования.
4.
Теплообменный аппарат топливного газа агрегата
В качестве альтернативного способа подогрева топливного газа,
по нашему мнению, может быть использована конструкция теплообменного аппарата,
который будет использовать тепло компримированного газа на выходе с
нагнетателя. В настоящее время конструкцией агрегатов не предусмотрены
утилизаторы тепла компримированного газа. Это тепло удаляется в атмосферу при
помощи аппарата воздушного охлаждения газа. Теплообменный аппарат
сконструирован таким образом, чтобы не влиять на поток компримированного газа,
то есть не менять направление его движения и не создавать дополнительного
сопротивления.
Рис. 4.1. 3D-модель теплообменного аппарата.
Конструкция представляет собой пучок дюймовых труб с
оребрением, расположенный над аппаратом воздушного охлаждения компримированного
газа и использующий в качестве промежуточного теплоносителя горячий воздух,
нагнетаемый вентиляторами. Так как конструкция теплообменного аппарата является
нерегулируемой и изначально просчитанной, а температура топливного газа до
подогрева и температура компримированного газа после нагнетателя не постоянны,
то, для компенсации температурных перепадов, предложено регулировать расход
газа на теплообменный аппарат при помощи вихревой трубы. Используя обратную
зависимость отношения расхода газа, приходящегося на охлажденный выход с
вихревой трубы, к расходу, приходящемуся на нагретый выход с вихревой трубы,
равного отношению охлаждающего эффекта к нагревающему эффекту, мы можем
компенсировать нестабильность температур, подаваемых на теплообменный аппарат.
Где Gх - расход охлажденного потока,
Gг - расход нагретого
потока,
ΔТг - эффект нагревания,
ΔТх - эффект охлаждения.
Рис. 4.2 Схема регулирования расхода газа.
Таким образом, уменьшая расход газа с нагретого выхода при
помощи игольчатого клапана (дросселя), мы увеличиваем нагревающий эффект.
Охлаждающий же выход с вихревой трубы соединен напрямую с теплообменным
аппаратом. И далее, после вихревой трубы и теплообменного аппарата, оба потока,
проходя через обратные клапаны, попадают в ресивер топливного газа.
Регулирование расхода производится таким образом, чтобы в ресивере температура газа
составляла 25~30˚С. После этого топливный газ подается на узел
редуцирования для предотвращения обмерзания регулятора давления.
5. Вихревая
труба
Одним из видов струйных трансформаторов тепла являются
вихревые трубы, эффект работы которых был обнаружен опытным путем Ж. Ранком в
1934 г., а затем изучен Хильшем.
Схема вихревой трубы приведена на рис. 5.1 Вихревая труба
представляет собой простейший аппарат без движущихся частей. Сжатый газ при
давлении рс и температуре Тс, обычно равной или близкой к
температуре окружающей среды Тос, вводится внутрь цилиндрической
трубы I через сопла II тангенциально, т.е. по касательной к внутренней
поверхности трубы. Поступивший в трубу поток газа, совершающий вращательное
движение по отношению к ее оси, перемещается по периферии трубы от соплового
сечения С-С к так называемому горячему торцу трубы Г-Г.
Через кольцевую щель IV в выходном торце Г-Г трубы часть
периферийного потока газа выводится из нее при температуре торможения ТГ>ТС.
Остальной газовый поток проходит по центральной части трубы противотоком к
периферийному потоку газа и выводится из нее через диафрагму III и холодный торец трубы
Х-Х с температурой торможения Тх<. Тс. Давление обоих потоков
газа на выходе из трубы ниже давления рс, т.е. рх<рс
и рг<рс.
Рис. 5.1 Схема вихревой трубы
а - продольный разрез, б - поперечный разрез по сопловому
сечению
Создаваемый вихревой трубой эффект разделения потока газа с
температурой торможения Тс на два потока - один с температурой торможения
ТГ>ТС и другой с температурой торможения ТХ<ТС
можно объяснить следующей упрощенной схемой процесса.
В трубе движутся противотоком два вращающихся в одном
направлении потока газа с разными законами распределения угловых скоростей и
разной термодинамической температурой. Под термодинамической понимается
действительная температура движущегося потока, т.е. температура, которую
показал бы термометр, движущийся вместе с потоком.
Периферийный поток газа перемещается от соплового сечения С-С
к горячему концу Г-Г, а центральный поток - в противоположном направлении, т.е.
от горячего конца Г-Г к сопловому сечению С-С. Из-за торможения периферийного
потока газа на пути от соплового сечения С-С до сечения Г-Г термодинамическая
температура этого потока непрерывно растет, а его тангенциальная скорость
снижается.
Центральный поток газа, движущийся противотоком к
периферийному, формируется из частиц газа, переходящих из периферийного потока.
Термодинамическая температура и угловая скорость центрального потока имеют
наиболее высокие значения вблизи горячего конца трубы и наиболее низкие вблизи
диафрагмы.
В процессе непосредственного взаимодействия центрального и
периферийного потоков газа происходит выравнивание их термодинамических
температур и угловых скоростей. При этом тепло и кинетическая энергия
передаются от центрального потока периферийному. В результате температура
торможения периферийного потока возрастает, а центрального снижается.
Работа действительной вихревой трубы представляет собой
сложный газодинамический процесс, значительно отличающийся от
идеализированного, изображенного на рис. 5.2.
В настоящее время отсутствуют достаточно точные методы
аналитического описания и расчета действительного процесса. В упрощенном виде
процесс работы действительной вихревой трубы, изображенной на рис. 5.1, показан
в Т, s-диаграмме
на рис. 5.3.
К соплу II вихревой трубы подводится ноток сжатого газа в
состоянии 1 при давлении рс и температурt Тс. Из активной части трубы,
ограниченной с одной стороны диафрагмой III, а с другой - кольцевой
щелью IV, газ выводится в виде двух потоков: холодного при давлении рх,
равном давлению в диафрагме, и горячего при давлении рг,
равном давлению перед кольцевой щелью.
Рис. 5.2 Зависимость к. п. д. вихревой трубы ηe от доли холодного потока μ
Рис. 5.3 Процесс работы вихревой трубы на T,S-диаграмме.
Основное отличие действительного процесса вихревой трубы от
идеального заключается в следующем:
1. Процесс расширения холодного потока газа происходит не
изэнтропно (кривая 1-2'), а по необратимой политропе 1-2.
. В конце процесса расширения в трубе в точке 2 кинетическая
энергия холодного потока не равна нулю. Холодный поток, выводимый из вихревой
трубы через диафрагму, обладает кинетической энергией, связанной с вращательным
и осевым движением в диафрагме.
В процессе дальнейшего преобразования кинетическая энергия
переходит в тепло, отчего возрастает энтальпия ix и температура Тх
холодного потока (Тх > Т2).
3. Относительное снижение температуры холодного потока ΔТХ/ТС зависит от доли холодного потока μ, так как при постоянном сечении диафрагмы fд
скорость газа в се отверстии является функцией расхода.
. Горячему потоку передается меньше энергии, чем в идеальной
трубе, так как при одних и тех же значениях ic, Пс. х. и
μ в действительной трубе энтальпия холодного потока после трубы
значительно больше, чем в идеальной.
Предлагаемый ниже метод расчета вихревой трубы базируется на
следующих двух положениях, основанных на опытных данных.
5. В сопловом сечении с-с (рис.5.1.) радиальное распределение
тангенциальных скоростей приближенно подчиняется закону квазитвердого вихря
wТ=ωr, (5.1)
где wТ - тангенциальная
скорость любой точки потока; ω - угловая скорость,
практически постоянная по сечению; r - радиус вращения потока.
6. Температура торможения холодного потока газа в диафрагме,
К,
Т3=Тд=Т2, (5.2)
где 
- средняя тангенциальная скорость потока в диафрагме, м/с; 
- средняя осевая скорость потока в диафрагме, м/с; сР
- массовая теплоемкость газа, Дж/ (кг-К).
В том случае, когда давления в диафрагме и на холодном конце трубы
в сечении х-х за диафрагмой равны, т.е. рд=рх.
температура холодного потока равна температуре торможения газа в диафрагме Тх=Тд.
В том случае, когда давление в диафрагме рд
превышает давление на холодном конце трубы за диафрагмой рх, т.е.
при рд>рх, температура холодного потока
отличается от температуры торможения газа в диафрагме на размер
дроссель-эффекта
Т4=Тх=Тд - (дТ/др.) iΔрх. (5.3)
где (дТ/др.), - дифференциальный дроссель-эффект; Δрх=рд-рх
- разность давлений в диафрагме и на холодном конце трубы после диафрагмы.
Состояние газа на горячем конце трубы перед кольцевой щелью
показано на рис.5.3 точкой 5. Температура торможения газа равна Тк
а давление рк. Температура газа на горячем конце трубы после
кольцевой щели отличается от температуры торможения до этой щели на размер
дроссель-эффекта
Т6=Тг=Тк - (дТ/др.) iΔрг (5.4)
Температура газа на горячем конце трубы после кольцевой щели Тг
может быть определена по уравнению энергетического баланса.
В большинстве случаев при низком давлении газа после вихревой
трубы, когда рх≈рт≈0,1 МПа можно не
учитывать дроссель-эффект на холодном и горячем концах вихревой трубы из-за его
незначительности, т.е. принимать
Тх=Тд; Тг=Тк. (5.5)
При работе вихревой трубы можно изменять значение μ путем регулирования ширины кольцевой щели
с помощью вентиля.
6.
Технико-экономический расчет
· Стоимость стальной трубы: 300м - 120т. р.
· Стоимость вихревой трубы: 200 т. р.
· Затраты на установку: 100 т. р.
· Затраты на сжигания топливного газа
подогревателя: 50000 м3 за сезон с учетом цены на газ на СТН 3, 19р.
/м3 затраты составят 160 т. р. за сезон.
Критерием эффективности создания и внедрения новых средств
автоматизации является коэффициент общей экономической эффективности
капитальных вложений. Он определяется по формуле:
Э=П/К,
где П - годовая прибыль; К - капитальные
вложения.
Таким образом:
Э=160000/420000=0,38
Срок окупаемости (Т):
Т=К/П, [лет];
Т=420000/160000=2,625 года.
Таким образом, внедренная конструкция полностью окупается за
2,625 года, что говорит о высокой экономической эффективности данной
конструкции.
Вывод
Данная схема, по нашему мнению, обеспечивает оптимальный
подогрев топливного газа, не расходуя газ на подогрев промежуточного
теплоносителя, что, соответственно, дает значительный экономический эффект, а
также исключает вредные выбросы, что говорит об экологичности данной
конструкции, и не имеет каких-либо движущихся элементов, что повышает
надежность и долговечность, соответственно увеличивая срок службы конструкции.
Заключение
Предложенная конструкция отвечает всем необходимым
требованиям, предъявляемым к оборудованию, которое используется на газовых
объектах. Она является экологически чистой, не имеет вредных выбросов. Также
данная конструкция имеет большой экономический эффект и полностью окупается за
2,2 года эксплуатации. Она проста в эксплуатации и не имеет каких-либо
движущихся частей, что повышает ее долговечность и надежность.
Следует отметить, что исключать подогреватели газа с
промежуточным теплоносителем из технологической схемы не следует, так как
предложенная конструкция имеет эффект нагрева газа только при выходе агрегата
на рабочие обороты. Тем не менее эффективность данной конструкции очевидна, что
говорит о необходимости её внедрения в технологическую схему газоперекачивающих
агрегатов.
Библиографический
список
1. Суслов А.Д., Иванов С.В., Мурашкин А.В., Чижиков Ю.В.
Вихревые аппараты. М.: Машиностроение, 1985 - 256 с., ил.
2. Берман С.С. Расчет теплообменных аппаратов. М. - Л.,
Госэнергоиздат, 1962 - 240 с.
. Агрегат газоперекачивающий ГПА-16РП-01
"УРАЛ". Руководство по эксплуатации. Часть 1. Техническое описание.
ГПА-16РП-01.0000-000 РЭ
. Расчет теплообменных аппаратов: методические
указания к курсовому и дипломному проектированию / М-во образования и науки Рос.
Федерации, Волгогр. гос. архит. - строит. ун-т; сост. Н.Ю. Карапузова, В.М.
Фокин. - Волгоград: ВолгГАСУ, 2013. - 64, [3] с.
. Вихревые аппараты / А.Д. Суслов, С.В. Иванов, В54
А.В. Мурашкин, Ю.В. Чижиков. - М.: Машиностроение, 1985. - 256 с., ил.
Приложения
Приложение А.
Технологическая схема ГПА с газотурбинным
приводом
|
Наименование
параметра или характеристики
|
Значение
|
|
ГПМ-ПТПГ-5
|
ГПМ-ПТПГ-10
|
ГПМ-ПТПГ-15М
|
ГПМ-ПТПГ-30М,
ГПМ-ПТПГ-30М-02
|
|
1. Максимальная
теплопроизводительность, МВт (Гкал/ч)
|
0,17 (0,145)
|
0,3 (0,258)
|
0,5 (0,435)
|
1,08 (0,93)
|
|
2.
Производительность по подогреваемому газу, нм³/ч
|
от 2×10³ до 5×10³
|
от 4×10³ до 10×10³
|
от 6×10³ до 15×10³
|
от 7,5×10³
до 30×10³
|
|
3. Давление
газа в трубном пучке, МПа (кгс/см²): рабочее, не более расчетное пробное
гидравлическое, не более
|
7,5 (75);
10,0* (100) * 7,5 (75); 10,0* (100) * 9,4 (94); 12,5* (125) *
|
|
4. Потери
давления подогреваемого газа в трубном пучке, МПа (кгс/см²), не более
|
0,1 (1,0)
|
0,2 (2,0)
|
|
5. Температура
газа, К (°С) на входе в подогреватель, не ниже максимально допустимая на
выходе из подогревателя перепад температур на входе и выходе подогревателя в
номинальном режиме, °С, не более
|
253 (минус
20) 343 (70) 70
|
|
6. Давление
газа перед горелкой, МПа (кгс/см²), не более не менее
|
0,07 (0,7)
0,01 (0,1)
|
|
7. Нагреваемая
среда
|
Природный газ
ОСТ 51 40-93
|
|
8. Топливо
|
Природный газ
ГОСТ 5542-87
|
|
9. Расход
топливного газа на горелку (при Qнр=8000 ккал/нм³), нм³/ч, не более
|
22
|
36
|
65
|
110
|
10. Коэффициент
полезного действия, %, не менее
|
82
|
|
11.
Электрическое питание: приборов системы контроля, сигнализации, защиты и
арматуры с электрическим приводом от сети постоянного тока напряжением, В
устройства освещения и электрообогрева ГРПУ от сети переменного тока
напряжением (при частоте (50±1) Гц), В
|
от 22 до 27 220
+22-33
|
|
12.
Потребляемая электрическая мощность, Вт, не более в том числе системой автоматики,
Вт, не более
|
600 200
|
|
13. Греющая
среда (промежуточный теплоноситель)
|
Водный раствор
диэтиленгликоля (ДЭГ), или охлаждающая жидкость (ОЖ) ГОСТ 28084-89
|
|
14. Температура
поверхностей подогревателя, доступных для обслуживающего персонала при
температуре окружающей среды не более 298 К (25ºС), К (°С), не более
|
318 (45)
|
|
15. Температура
промежуточного теплоносителя,°С, не более
|
95
|
|
16. Масса
подогревателя без промежуточного теплоносителя, кг
|
3700**
|
4200**
|
5000**
|
10600
|
|
17. Объем
промежуточного теплоносителя, л
|
2783
|
4048
|
5313
|
7347
|
* - для подогревателя ГПМ-ПТПГ-30М-02;
** - без учета массы ГРПУ (ГРПУ-2-1С) равной 650 кг.
Похожие работы на - Теплообменный аппарат для подогрева топливного газа на газоперекачивающем агрегате
|