Параметризация. Таблицы переменных в системе Компас 3D

  • Вид работы:
    Практическое задание
  • Предмет:
    Информационное обеспечение, программирование
  • Язык:
    Русский
    ,
    Формат файла:
    MS Word
    1,89 Мб
  • Опубликовано:
    2016-04-14
Вы можете узнать стоимость помощи в написании студенческой работы.
Помощь в написании работы, которую точно примут!

Параметризация. Таблицы переменных в системе Компас 3D















Практическая работа

Параметризация. Таблицы переменных в системе Компас 3D

Цель работы: Изучить последовательность разработки чертежа и модели с типоразмерами из параметрического ряда.

Последовательность выполнения работы

Построение параметрического чертежа в системе Компас-3D.

Ознакомиться с чертежом детали и таблицей размеров из параметрического ряда.

Построить контуры чертежа детали.

Создать элементы параметризации на чертеже детали.

Нанести параметрические размеры на чертеже детали.

Задать внешние переменные для чертежа детали.

Построить таблицу переменных в соответствии с исходными данными.

Сохранить созданную таблицу в файл.

Построение параметрической модели в системе Компас-3D.

Ознакомиться с чертежом детали и таблицей размеров из параметрического ряда.

Создать модель по чертежу детали.

Задать параметрические размеры на модели.

Задать параметрические переменные путем ввода выражений в виде зависимостей.

Сформулировать выводы по работе.

чертеж параметрический модель компас

Выполнение работы

Параметризация в КОМПАС -2D,3D

Задание : Необходимо создать таблицу переменных для детали «Таблички круглые для машин и механизмов» ГОСТ 12970-67* и последующего создания пользовательской библиотеки.

Ход выполнения

Ознакомимся с ГОСТ 12970-67*


Для построения фрагмента в Компас 2D выберем размеры с количеством отверстий 2

Открываем Компас и создаем «фрагмент»


.в созданном фрагменте начинаем выполнять чертеж таблички


Чертим окружность произвольным диаметром, далее внутри этой окружности чертим еще 2 окружности. Далее открываем панель «параметризация» кнопка «равенство радиусов» задаем одинаковый радиус двум малым окружностям

панель «параметризация» кнопка «симетрия 2х точек » выравниваем 2 малые окружности относительно горизонтальной оси

Расставляем размеры на фрагменте


Открываем меню «Переменные»

В открывшемся окне меняем размеры на буквенные условные обозначения D,D1,d


В верхней части окна «переменные» выделяем строки и указываем их как «внешние»


Создаем таблицу Exel вносим в нее данные из ГОСТ

D предельные отклонения

D1

d

1

16

10

2,4

2

20

14

2,4

3

25

18

2,4

4

32

25

2,4

Вносим эти данные в окне «переменные» открываем таблицу переменных

Кнопкой «читать из файла» загружаем таблицу.


Наши данные удачно загруженны

Проверим правильность выполненной работы. Выделяем одну из строк и нажимаем «присвоить значение переменной»

Где мы видим что размер фрагмента изменился . что говорит о том что работа выпалена правильно

Построение параметрической модели в системе Компас-3D

Необходимо построить параметрический чертеж детали «Таблички круглые для машин и приборов» с возможностью изменения длины и толщины детали, чертеж детали ГОСТ 12970-67*

Создать модель по чертежу детали.

Для построения 3D-модели детали создаем деталь (Открыть программу Компас-3D-Файл-Создать-Деталь). Сохраняем деталь с названием Таблички круглые (Файл-Сохранить как-Тип файла Компас m3d-Название файла Таблички круглые). Изначально создадим окружность с произвольными отверстиями 4мя отверстиями с толщиной 0,8. Выбираем плоскость xz, создаем эскиз (панель Текущее состояние-Эскиз): меню Геометрия-окружность

1.3 Далее меню «параметризация-симетрия 2х точек» выполняем редактирования 4 отверстий относительно вспомогательных линий, а также «параметризация- равенство окружностей» задаем им одинаковый диаметр


1.4 Далее командой «размеры-диаметральный размер» выставляем все диаметрические размеры на данном чертеже. Командой «размеры-линейный размер» выставляем размеры между малыми отверстиями и принимаем их за размер D1

1.5 Переходим в меню «редактирование детали-выдавить» выделяем эскиз глубину выдавливания назначаем 0,8мм


.6 Получив деталь ПКМ на чертеже «редактировать эскиз» переходим во вкладку «переменные» в раскрывающемся списке «эскиз1» переименовываем все знаечения согласно ГОСТ

Переход на 3D модель во вкладке «операция выдавливания1» присваиваем выражению V17 переменную «S»

Во вкладке «выражения» все переменные ПКМ -Внешняя

Переходим в окне «переменные» иконка «таблица данных» кнопка «читать из файла» загружаем таблицу с данными из ГОСТ

D

D1

D2

S

e

1

40

32

20

0,8

2

2

50

40

25

0,8

2,5

3

63

53

32

0,8

3

4

80

71

40

0,8

3,5

5

100

90

50

0,8

4

6

125

115

63

1

4,5

7

160

150

80

1

5

8

200

190

100

1

5,5

9

240

125

1,5

6



Так как ГОСТ позволяет нам изменять крепежные отверстия для наглядности назначим их размер.

.6 Проверим правильность выполненной работы

Для этого выделяем в таблице переменных любое значение и жмем кнопку «присвоить значение переменных» далее во вкладку «вид-перестроить»


Где мы видим что размеры изменяются, модель перестраивается

Автоматизация создания сборочного чертежа и модели в системе Компас-3D.

Цель работы: Изучить последовательность разработки сборочного чертежа, модели и файла спецификации, используя элементы автоматизации системы Компас-3D.

Последовательность выполнения работы:

Ознакомиться с чертежом изделия (сборочной единицы).

Установить недостающие размеры деталей согласно масштаба чертежа.

В системе Компас-3D сделать модели деталей (за исключением стандартных изделий).

В системе Компас-3D сделать сборку деталей и стандартных изделий.

Создать спецификацию на сборочную единицу в автоматическом режиме.

На основе сборки и созданной спецификации создать чертеж сборочной единицы со всеми необходимыми разрезами и сечениями с указанием компонентов, не подвергаемых рассечению, согласно требований ЕСКД.

Создать спецификацию на сборочный чертеж в автоматическом режиме.

Сформулировать выводы по работе.

Выполнение работы:

Ознакомление с чертежом изделия (сборочной единицы).

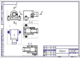
Необходимо создать сборку на основе сборочного чертежа изделия «Соединение резьбовое» (Рисунок 20). Изделие состоит из цельнометаллического корпуса, на котором при помощи резьбовых соединений базируются корпус,фланец,заглушка,лапки и основание.

Рисунок 20 - Общий вид сборочной единицы «Соединение резьбовое»

Простановка недостающих размеров деталей согласно масштаба чертежа.

На чертеже сборочной единицы проставляем недостающие размеры согласно заданного масштаба (1:1) для последующей деталировки.

Проектирование моделей деталей в системе Компас-3D.

Создаем модели деталей, входящих в сборку (корпус,фланец,заглушка,лапки и основание) за исключением стандартных изделий, входящих в библиотеку Компас-3D. Файл-Создать-Деталь. После создания детали сохраняем файл с названием детали в папку Соединение резьбовое. Модели деталей в изометрии представлены в Приложении к журналу практических работ.

Сборка деталей и стандартных изделий в системе Компас-3D.

Создаем файл сборки: Файл-Создать-Сборка. Сохраняем ее под именем «кронштейн»: Файл-Сохранить как. Устанавливаем изометрию XYZ: Панель Вид-Ориентация-Изометрия XYZ. На компактной панели активизируем инструментальную панель Редактирование сборки, нажимаем кнопку Добавить из файла. В появившемся окошке нажимаем кнопку Из файла и находим деталь Основание в ранее созданной папке Соединение резьбовое. Фантомное изображение детали размещаем в центре координатных осей и фиксируем левой кнопкой мыши в момент, когда рядом с курсором появится изображение системы координат (Рисунок 21).

Рисунок 21 - Деталь Основание в Сборке

Таким же образом добавляем следующую деталь лапка и размещаем ее в произвольно месте над деталью Основание. Совмещаем Планку с основанием путем сопряжения деталей. Вначале применяем сопряжение по соосности, чтобы Планка встала точно над основанием (Рисунок 22): панель Сопряжения-Соосность-Выбор соосных отверстий на Планке и Основании (Рисунки 23, 24).

Рисунок 22 - Деталь лапка в Сборке

Рисунок 23 - Сопряжение детали Планка по соосности

Затем выполняем сопряжение деталей по совпадению: панель Сопряжения-Совпадение объектов-Выделение нижней грани Планки и верхней грани Основания (Рисунок 25).

Рисунок 25 - Сопряжение детали Планка по совпадению

Аналогичные действия производим с фланец: добавляем из файла папки Соединение резьбовое, устанавливаем сопряжения по соосности отверстий, а затем по совпадению граней фланца и корпуса (Рисунки 26, 27).

Рисунок 26 - Сопряжение детали фланца по совпадению

Сопряжение детали Планка по соосности

Сопряжение детали Планка по соосности

Рисунок 27 - Результат соединения деталей лапка,корпус и фланец

Аналогичные действия производим с заглушкой: добавляем из файла папки Соединение резьбовое, устанавливаем сопряжения по соосности отверстий, а затем по совпадению граней заглушки и корпуса

Сопряжение детали Планка по соосности

Сопряжение детали Планка по соосности

Результат соединения деталей лапка,корпус ,фланец и заглушка

Аналогичные действия производим с основанием: добавляем из файла папки Соединение резьбовое, устанавливаем сопряжения по соосности отверстий, а затем по совпадению граней основанием и лапками

Сопряжение детали фланца по совпадению

Сопряжение детали Планка по соосности

Результат соединения деталей лапка,корпус ,фланец,заглушка

и основание.

Последовательно вставляем в сборку болтовое соединение, винт, болтовое,штифт и шпилечное соединение: Меню Библиотека-Стандартные изделия-Вставить элемент-Крепежные изделия. В соответствии с размерами на чертеже находим Болт М22х75 ГОСТ 7798-70-2шт, Винт М12х35 ГОСТ 1477-1шт,Гайка М20х1,5 ГОСТ 5915-70,Гайка 2М22 ГОСТ 5915-70-2шт, Шайба 20 20 ГОСТ 6402-70 1шт, Шайба 22 ГОСТ 11371-78 2шт,Шпилька М20х1,5х75 ГОСТ 22032-76 1шт, Штифт 12х35 ГОСТ 3128-70 -1шт. - нажимаем Применить, устанавливаем его в соединение относительно базовой точки на торце головки, задаем сопряжение соосности стержня Болта и отверстия в Основании и плоскости Основания и головки Болта. Резьбовые соединения зафиксирован (Рисунок 28).

Рисунок 28 - Результат установки

Рисунок 33 - Результат выполнения операции сборки

Формирование спецификации на сборочную единицу в автоматическом режиме.

В свойствах сборки предварительно задаем обозначение и наименование сборки для заполнения штампа основной надписи: ПКМ-Свойства модели (Рисунок 34).

Рисунок 34 - Свойства сборки

В свойствах моделей предварительно задаем обозначение и наименование деталей: ПКМ-Свойства модели (Рисунок 35).

Рисунок 35 - Свойства модели

Меню Спецификация-Создать объекты спецификации. Спецификация создана. Файл спецификации располагается в папке со сборочной единицей.

Создание чертежа сборочной единицы на основе сборки и созданной спецификации со всеми необходимыми разрезами и сечениями с указанием компонентов, не подвергаемых рассечению, согласно требований ЕСКД.

Файл-Создать-Чертеж. В Менеджере документа (панель Стандартная) указываем необходимые формат и ориентацию чертежа: Формат А3-Ориентация альбомная (Рисунок 36).

Рисунок 36 - Свойства листа

Вставляем чертеж из сборки: меню Вставка-Вид с модели-Стандартные-Выбор файла со сборочной единицей-Ок (Рисунок 37)

Рисунок 37 - Стандартные виды с модели

Удаляем ненужные виды: Выделить вид-ПМК-Удалить. Вставляем необходимые сечения: панель Обозначения-Линия разреза (Рисунок 38). Вставляем необходимые выносные виды: панель Обозначение-Выносной элемент.

Рисунок 39 - Разрез

Проставляем размеры на сборочном чертеже согласно задания: панель Размеры-Авторазмер.

Формирование спецификации на сборочный чертеж в автоматическом режиме.

Связываем ранее созданную спецификацию сборочной единицы со сборочным чертежом: открыть файл спецификации-ПМК-Управление чертежами сборки-Подключить компонент-Выбрать файл с чертежом сборки. Теперь спецификация связана со сборочным чертежом (Рисунок 40).

Рисунок 40 - Связь спецификации со сборочным чертежом

Простановка позиций на сборочном чертеже. На Компактной панели активируем панель Обозначения, нажимаем кнопку Обозначение позиций, создаем линию-выноску с позицией 1 на детали Основание. Выделяем построенную линию-выноску и, не снимая выделения, переключаемся в окно документа-спецификации. В спецификации выделяем строку (объект), к геометрии которого мы собираемся добавить обозначение позиции-ПМК-Редактирование состава объекта-Добавить (Рисунок 41). Остальные позиции проставляем аналогично.

Рисунок 41 - Редактирование состава объекта спецификации на сборочном чертеже

Выводы по работе.

В практической работе были изучены способы разработки сборочного чертежа, модели и файла спецификации, используя элементы автоматизации в системе Компас-3D.

Практическая работа №3

Автоматизация проектирования вал-шестреня в системе Компас 3D

Цель работы: Изучить последовательность разработки чертежа и модели зубчатого колеса с использованием библиотеки Валы и зубчатые передачи.

Выполнение работы:

Ознакомление с чертежом детали.

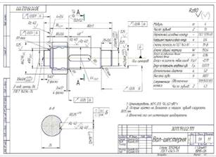
Необходимо построить параметрический чертеж зубчатого колеса с таблицей параметров, согласно чертежа детали (Рисунок 1) и сгенерировать модель зубчатого колеса.

Рисунок 1 - Чертеж детали Вал-шестреня

Для построения параметрического чертежа в системе Компас-3D создаем чертеж, изменяем формат на требуемый (для нашего чертежа А3-ориентация горизонтальная) в последовательности, аналогичной ПР №2. Построение ведем при помощи библиотеки Валы и механические передачи: Менеджер библиотек-Расчет и построение-Валы и механические передачи 2D (Рисунок 2). Дважды нажимаем построение модели (Рисунок 44). В окне нажимаем Создание новой модели-В разрезе (Рисунок 3).

Для построения создаем новый чертеж. В менеджере документа изменяем его параметры на Лист А4 формат альбомный


Открывем «менеджер библиотек-расчет и построение-валы и механические передачи 2D»


Переходим к «построению модели»-«построение модели-новая модель»


Приступаем к моделированию «вала-шестрени»


Выбираем «элементы механических передач-шестерня цилиндрической зубчатой передачи»


Начинаем построения исходя из размеров на чертеже рис 1

Нажимаем кнопку «запуск расчета» предварительно выставив фаску размеры берем из чертежа


В открывшемся окне запускаем геометрический расчет


выбираем «по коофициенту смещения» так как он указан в чертеже . в открывшемся окне выставляем размеры согласно чертежу № 1


Переходим на «страницу 2» в этой же вкладке выставляем «диаметр вершин зубьев по срезу . мм»

И жмем кнопку «расчет»

В окне «ход расчета» видим результаты «контролируемые,измерительные параметры и параметры качества зацепления в норме»

Нажимаем кнопку «закончить расчеты»


Выбираем «шестерню» и жмем «ок»


Приступаем к дальнейшим построениям. Выбираем «простые ступени-цилиндрическая ступень» построение начнем с левой стороны шестерни.


В открывшемся окне вводим размеры согласно чертежа


Продолжаем строить модель вала по тому же принципу


Основные построения выполнены. На чертеже имеется «шпоночный паз» и два осевых отверстия. Выбираем цилиндр где будет размещаться шпоночный паз и жмем «дополнительные элементы ступеней-шпоночные пазы-под призматическую шпонку ГОСТ 23360-78»


В открывшемся окне выбираем параметры построения «шпоночного паза»

И жмем «применить»

Шпоночный паз построен


Далее отобразим 2 центровых отверстия в торцах вала

Для этого в нижнем окне выбираем «простые ступени-центровое отверстие» и строим его исходя из данных по чертежу


Результат построения


Для второго отверстия: том же окне «внутренний контур» строим такое же отверстие но размещаем его над иконкой «разделитель между ступенями»


Контур «вала-шестерни» построен. Переходим к построению 3D модели

Нажимаем «дополнительные построения-генерация твердотельной модели» и жмем клавишу «сохранить модель и выйти»


В результате получаем


Выводы по работе.

В практической работе были изучены способы разработки чертежа и модели вала-шестерни с использованием библиотеки Валы и зубчатые передачи в системе Компас-3D.

Автоматизация проектирования зубчатых колес в системе Компас 3D

Цель работы: Изучить последовательность разработки чертежа и модели зубчатого колеса с использованием библиотеки Валы и зубчатые передачи.

Последовательность выполнения работы:

Ознакомиться с чертежом детали.

Построить ступицы.

Построить участок зубчатого зацепления.

Построить базовое отверстие.

Построить участки базового отверстия для передачи крутящего момента.

Построить дополнительные конструктивные элементы зубчатого колеса.

Построить таблицу параметров зубчатого колеса.

Сгенерировать твердотельную модель зубчатого колеса.

Сформулировать выводы по работе.

Выполнение работы:

Ознакомление с чертежом детали.

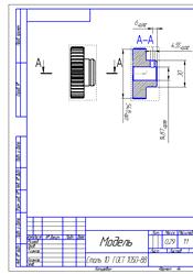
Необходимо построить параметрический чертеж зубчатого колеса с таблицей параметров, согласно чертежа детали (Рисунок 42) и сгенерировать модель зубчатого колеса.

Рисунок 42 - Чертеж детали Колесо зубчатое

Для построения параметрического чертежа в системе Компас-3D создаем чертеж, изменяем формат на требуемый (для нашего чертежа А3-ориентация горизонтальная) в последовательности, аналогичной ПР №2. Построение ведем при помощи библиотеки Валы и механические передачи: Менеджер библиотек-Расчет и построение-Валы и механические передачи 2D (Рисунок 43). Дважды нажимаем построение модели (Рисунок 44). В окне нажимаем Создание новой модели-В разрезе (Рисунок 45).

Рисунок 43 - Формат листа и менеджер библиотек

Рисунок 44 - Окно менеджера библиотек Валы и механические передачи 2D

Рисунок 45 - Оформление чертежа зубчатого колеса

Построение ступицы.

Фиксируем первую точку зубчатого колеса в поле чертежа и приступаем к построению чертежа. Для построения ступицы во Внешнем контуре выбираем Цилиндрическая ступень (Рисунок 46). Задаем ее размеры: диаметр 70 мм, длина 5 мм. Ок (Рисунок 47).

Рисунок 46 - Выбор контура для формирования ступицы

Рисунок 47 - Задание размеров для формирования ступицы

Построение участка зубчатого зацепления.

Поскольку, согласно задания, зубчатое колесо является прямозубым, во вкладке Элементы механических передач выбираем Цилиндрическая шестерня (Рисунок 48).

Рисунок 48 - Вкладка Элементы механических передач

Задаем фаски слева и справа по 1,6 мм и запускаем расчет по межосевому расстоянию (Рисунок 49).

Рисунок 49 - Расчет параметров зубчатого зацепления по межосевому расстоянию

В появившемся окошке вводим значения параметров передачи, рассчитываем межосевое расстояние (Рисунок 50).

Рисунок 50 - Таблица параметров зубчатого зацепления

Переходим на вторую страницу. Задаем степень точности, величину смещения исходного контура и остальные параметры (Рисунок 51). Проверяем ход расчета: все показатели в норме. Нажимаем кнопку Закончить расчеты.

Рисунок 51 - Геометрический расчет зубчатого зацепления

В появившемся окне выбираем шестерню. Жмем Ок (Рисунок 52).

Рисунок 52 - Выбор объекта построения

Оформляем внутренний контур колеса. Выбираем внутреннюю цилиндрическую ступень, задаем размеры отверстия и фасок (Рисунок 54)

Рисунок 54 - Окно диалога внутренней цилиндрической ступени

Построение участков базового отверстия для стопорного кольца

Выбираем команду Дополнительные построения и строим Стопорное кольцо. Его размеры определяются автоматически (Рисунок 55, 56).

Рисунок 55 - Окно диалога Дополнительные построения

Генерация твердотельной модели зубчатого колеса.

Панель Валы и механические передачи-Генерация твердотельной модели (Рисунок 61, 62). Сохранить модель и выйти.

Рисунок 61 - Генерация твердотельной модели

Рисунок 62 - Результат генерации твердотельной модели

Далее создаем дополнительную плоскость касательную тела вращения


На созданной плоскости чертим окружность и командой»вырезать выдавливанием» вырезаем отверстие

 

Получившая деталь выглядит следующим образом


Чертеж зубчатого колеса дополняем контуром отверстия для вала со шпоночным пазом, построенным с помощью команд панели Геометрия. Размеры на чертеже проставляем с помощью панели Размеры-Авторазмер. Параметры шероховатости проставляем с помощью меню Обозначения-Шероховатость. Формируем неуказанную шероховатость: Вставка-Неуказанная шероховатость. Формируем технические требования: Вставка-Технические требования-Ввод.

Выводы по работе

В практической работе были изучены способы разработки чертежа и модели зубчатого колеса с использованием библиотеки Валы и зубчатые передачи в системе Компас-3D.

Похожие работы на - Параметризация. Таблицы переменных в системе Компас 3D

 

Не нашли материал для своей работы?
Поможем написать уникальную работу
Без плагиата!
Без нейросетей!