Универсализация волоконно-оптических кабелей структурированной кабельной системы

  • Вид работы:
    Дипломная (ВКР)
  • Предмет:
    Информатика, ВТ, телекоммуникации
  • Язык:
    Русский
    ,
    Формат файла:
    MS Word
    658,36 Кб
  • Опубликовано:
    2015-11-22
Вы можете узнать стоимость помощи в написании студенческой работы.
Помощь в написании работы, которую точно примут!

Универсализация волоконно-оптических кабелей структурированной кабельной системы

Дипломный проект посвящен универсализации волоконно-оптических кабелей структурированной кабельной системы.

На основе рассмотрения существующих конструкций оптических кабелей СКС, анализа возможных методов универсализации, предложена конструкция универсального кабеля, основой которой являются кабель внутренней прокладки, за счёт использования специальных конструктивных мероприятий имеющий повышенную устойчивость к воздействию факторов окружающей среды, небольшие массогабаритные размеры и радиус изгиба, соответствующий кабелям внутренней прокладки. Дана подробная классификация кабелей СКС.

Подобраны материалы элементов конструкции предложенного кабеля, рассчитаны оптические параметры волокна для производства универсального кабеля, его массогабаритные размеры.

Дан сравнительный анализ потерь элементарных кабельных участков СКС с использованием внутри- и межобъектовых кабелей и универсального кабеля.

Представлены маршрут техпроцесса и схемы изготовления универсального кабеля. Предложены методы типовых испытаний кабеля.

Рассмотрены вопросы, связанные с безопасностью жизнедеятельности при производстве универсального оптического кабеля: опасные и вредные производственные факторы, чрезвычайные ситуации. Приведен расчёт вытяжного зонта, используемого в процессе нанесения лакокрасочного покрытия на оптическое волокно, предложена система утилизации отходов оптического волокна.

Проведено планирование техпроцесса с использованием метода СПУ, рассчитана смета затрат на изготовление кабеля, рассчитан экономический эффект применения универсального кабеля при строительстве СКС.

Содержание

ВВЕДЕНИЕ

Понятие структурированной кабельной системы

Принципы построения СКС. Назначение её элементов

Магистральная подсистема территории

Магистральная подсистема здания

Горизонтальная подсистема

Кабели СКС

Универсальные кабели

.        ИССЛЕДОВАТЕЛЬСКИЙ РАЗДЕЛ

.1      Классификация кабелей для СКС

.1.1   Витая пара

.1.2   Волоконно-оптический кабель

.2      Конструкция основных групп ВОК для СКС

.2.1   Кабели внешней прокладки

.2.2   Кабели внутренней прокладки

.2.3   Кабели для шнуров

.3 Анализ возможных методов универсализации ВОК для СКС. Выбор конкретного варианта

.3.1 Типовые механические и эксплуатационные характеристики современных кабелей внешней и внутренней прокладки

.3.2   Анализ возможных методов универсализации ВОК для СКС.

Выбор конкретного варианта

.        СПЕЦИАЛЬНЫЙ РАЗДЕЛ

.1      Достоинства и недостатки стандартных ВОК для СКС

.2      Материалы для производства оптического волокна. Области их применения

.3      Материалы для изготовления ВОК

.3.2   Синтетические высокомодульные материалы (СВМ)

.3.3   Армирующие материалы из стеклопластика и металла

.3.4   Водоблокирующие материалы для волоконно-оптических кабелей

.3.5   Материалы защитных покрытий

.3.6   Материалы для защиты от грызунов

.4      Анализ технологий производства ВОК

.        КОНСТРУКТОРСКИЙ РАЗДЕЛ

.1      Выбор исходных данных для расчёта

.2      Расчет основных параметров многомодового волоконного световода с градиентным профилем показателя преломления

.2.1   Расчёт нормированной разности показателя преломления

.2.2   Расчёт локальной числовой апертуры

.2.3   Расчёт максимальной входной угловой апертуры световода

.2.4   Расчёт нормированной частоты

.2.5   Расчёт числа мод в волоконном световоде

.2.6   Расчёт критической частоты

.2.7   Расчет критической длины волны

.2.8   Расчёт потерь энергии на поглощение

.2.9   Расчет потерь на рассеяние

.2.10 Расчёт общих потерь энергии в волоконном световоде

.2.11 Расчет модовой дисперсии

.2.12 Расчёт полосы пропускания

.3      Расчет параметров ВОК на основе общих требований к оптическим линиям связи

.3.1   Расчёт оптического бюджета

.3.2   Расчет бюджета ВОЛС на основе универсального ВОК

.3.3   Расчет бюджета ВОЛС на основе внутриобъектового и внешобъектового кабеля

.3.4   Расчёт числа каналов

.4      Расчет механической прочности универсального ВОК для СКС

.4.1   Растягивающие нагрузки

.5      Расчет геометрических размеров ВОК

.5.1   Расчет диаметра модуля

.5.2   Расчет диаметра профиля

.5.3   Расчет диаметра профилированного сердечника

.5.4   Расчет полного диаметра универсального ВОК для СКС

.6      Расчет масс элементов волоконно-оптического кабеля

.6.1   Расчет массы центрального силового элемента

.6.2   Расчет массы профилированного сердечника

.6.3   Расчет массы оптического модуля

.6.4   Расчет массы гидрофобного заполнителя

.6.5   Расчет массы оптических волокон

.6.6   Расчет массы скрепляющих нитей

.6.7   Расчет массы арамидных нитей

.6.8   Расчет массы внешней оболочки LSZH

.6.9   Расчет полной массы универсального ВОК

. ТЕХНОЛОГИЧЕСКИЙ РАЗДЕЛ

.1      Техпроцесс изготовления универсального ВОК СКС

.2      Контроль параметров оптического кабеля

.2.1   Проверка конструкции

.2.2   Проверка оптических параметров

.2.3   Проверка стойкости к механическим воздействиям

.2.4   Проверка стойкости к климатическим воздействиям

. БЕЗОПАСНОСТЬ ЖИЗНЕДЕЯТЕЛЬНОСТИ

.1 Анализ опасных, вредных факторов и возможных чрезвычайных ситуаций, возникающих в техпроцессе изготовления универсального волоконно-оптического кабеля для СКС

.2 Разработка мер безопасности в техпроцессе изготовления универсального ВОК

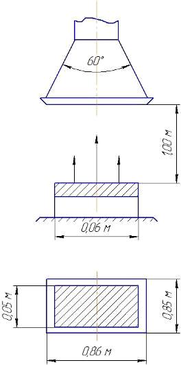
.2.1 Расчёт местной вентиляции

.3 Экологическая оценка разрабатываемого процесса изготовления универсального ВОК и разработка мероприятий, снижающих вредное воздействие технологического процесса на природу

. ЭКОНОМИЧЕСКИЙ РАЗДЕЛ

.1 Планирование разработки с использованием методов СПУ

.1.1   Определение этапов разработки

.1.2   Определение трудоемкости этапов

.1.3   Определение продолжительности этапов

.1.4   Составление перечня событий и работ

.1.5 Построение сетевого графика

.1.6 Расчет параметров сетевого графика

.1.7 Оптимизация сетевого графика

.2 Расчет сметы затрат

.3 Расчет эффекта внедрения результатов разработки

ЗАКЛЮЧЕНИЕ

СПИСОК ЛИТЕРАТУРНЫХ ИСТОЧНИКОВ

ВВЕДЕНИЕ

Понятие структурированной кабельной системы

Слаботочные кабельные системы в зданиях стали переосмысливаться специалистами в 80-х годах 20 века, когда началось массовое производство персональных компьютеров и объединение их в локальные вычислительные сети (ЛВС). К этому моменту в промышленных зданиях обычным было присутствие отдельных кабельных проводок для телефонии, телевидения и ряда других специальных инженерных систем. Эти системы предъявляли невысокие требования к электромагнитным характеристикам линий и каналов связи, организуемых с помощью кабельной проводки. Появление быстродействующих ЛВС потребовало и более быстродействующих каналов связи, и возникшую задачу самостоятельно решали разработчики ЛВС, начиная от выбора кабелей и их прокладки, и кончая их терминированием и измерениями.

ЛВС разрабатывали и поставляли различные фирмы, поэтому кабельные части этих ЛВС реализовывались по-разному, хотя проблемы были общие и одинаковые. В 1984 году фирмой IBM впервые для ЛВС была предложена кабельная система, т. н. IBM Cabling System, которая включала в себя кабели, соединители кабелей, распределительные панели и лицевые рамки. Впервые были классифицированы кабели [1]. ЛВС продолжали развиваться и проблемы, связанные с совместимостью аппаратуры и кабельных проводок, получаемых потребителями от различных поставщиков, нарастали.

Стало очевидно, что телекоммуникации в зданиях должны выполняться по единым правилам, иметь одинаковые средства коммутации и подключения оборудования, обеспечивать заранее известные параметры среды передачи данных. Начала формироваться концепция кабельной системы, т. е. устройства, выполненного из компонентов стандартизованного ряда, построенного по модульному принципу, обладающего заранее заданными характеристиками, которые достаточны для обеспечения работоспособности телефонов, компьютеров и другой радиоэлектронной аппаратуры, присоединенной к этой кабельной системе. Эти идеи, давно принятые и реализованные, например, в машиностроении (стандартный ряд резьбовых соединений, подшипников, размеров автомобильных шин и т. п.), только теперь начали проникать в область телекоммуникаций внутри зданий.

Для обеспечения телекоммуникационных систем здания необходимыми кабелями возможны два пути:

Ø для каждой системы проложить по зданию свои кабели;

Ø  создать в здании единую кабельную систему, которая, будучи единственной, позволит обслуживать активное оборудование всех инженерных систем.

Этот второй путь и является сегодня предпочтительным и наиболее распространенным. В современных зданиях создаются единые кабельные системы, которые и составляют основу телекоммуникационной инфраструктуры предприятия, фирмы, учебного заведения или организации. Этот процесс распространился сегодня также и на жилые здания.

В современном здании можно насчитать десятки инженерных систем. Это - телевидение (эфирное и кабельное), ЛВС и телефония, системы охраны и сигнализации, противопожарная система и много других. Говорят, что современное здание становится «интеллектуальным». Концепция интеллектуального здания получает сегодня все большее распространение среди проектировщиков - строителей, и имеются уже реальные здания (за рубежом и в России), которые в полной мере можно отнести к интеллектуальным. Такие здания оборудуются автоматизированной системой управления зданием (АСУЗ) и расходы на эксплуатацию здания существенно снижаются.

Наличие капитальной единой кабельной системы является одним из характерных признаков интеллектуального здания.

Эта система должна обладать как минимум следующими признаками [1]:

Ø являться универсальной, то есть давать возможность использовать ее для передачи сигналов основных существующих и перспективных видов сетевой аппаратуры различного назначения;

Ø  позволять быстро и с минимальными затратами организовывать новые рабочие места и менять топологию трактов передачи без прокладки дополнительных кабельных линий;

Ø  позволять организовать единую службу эксплуатации;

Ø  создаваться на этапе строительства здания или переоборудования его помещений под офис и иметь гарантированный срок эксплуатации 10 и более лет.

Всем перечисленным выше требованиям отвечает структурированная кабельная система (СКС). Под СКС в дальнейшем будем понимать кабельную систему, принцип построения которой отвечает трем основным признакам. К основным признакам СКС относятся: структуризация, универсальность и избыточность.

Структурированная кабельная система проектируется и строится из вполне определенного и ограниченного ряда функциональных компонентов. Их всего четыре вида [2]:

Ø кабели (электрические и оптические);

Ø распределительные устройства (кроссовые блоки и коммутационные патч-панели;

Ø информационные соединители (гнезда, вилки);

Ø  точки консолидации.

Никаких других функциональных элементов СКС не содержит. Конечно, для построения реальной кабельной системы требуется много других дополнительных изделий, таких, как шкафы и стойки, кабельные каналы и лотки, монтажные инструменты и приспособления, специализированные измерительные приборы и т. п. Однако, эти дополнительные компоненты не являются функциональными.

Принципы построения СКС. Назначение её элементов

Структурная схема СКС приведена на рис. 1 (лист 1).

Рис. 1. Структурная схема СКС

На рис. 1 обозначены:

Ø РУТ - распределительное устройство территории (англ. Campus Distributor, CD);

Ø РУЗ - распределительное устройство здания (англ. Building Distributor, BD);

Ø РУЭ - распределительное устройство этажа (англ. Floor Distributor, FD);

Ø ТК - точка консолидации (англ. Consolidation Point, CP);

Ø ИР - информационная розетка (англ. Telecommunication Outlet, TO).

В самом общем случае СКС включает в себя три подсистемы [3]:

Ø магистральную подсистему территории (МПТ);

Ø  магистральную подсистему здания (МПЗ);

Ø  горизонтальную подсистему (ГП).

При отсутствии у предприятия территории (одно здание) будет отсутствовать, соответственно, и магистральная подсистема территории. Кабели внешних линий связи, шнуры рабочего места и шнуры оборудования не входят в состав СКС: они входят в состав тех инженерных систем, которые подключаются к СКС и могут быть заменены при смене инженерной системы. Назначение функциональных элементов структурной схемы СКС понятно из их названий.

Распределительные устройства всех рангов обеспечивают возможность конфигурировать кабельную систему, чтобы поддерживать различную топологию (шина, звезда, кольцо) активных инженерных систем. Соединение подсистем СКС при создании активных инженерных систем (ЛВС и др.) может быть осуществлено через активные устройства (например, концентратор), либо пассивным способом с помощью коммутационных шнуров или кроссовых перемычек.

Устройство, называемое точкой консолидации (ТК), представляет собой панель с информационными гнездами, к которым с одной стороны присоединены стационарные кабели горизонтальной подсистемы. В эти гнезда включаются информационные вилки, которыми оконцованы т.н. «кабели точки консолидации», идущие, в свою очередь, по мобильным перегородкам к информационным розеткам, закрепленным на этих перегородках. Кабели точки консолидации могут быть перемещены в пространстве вместе с мобильными перегородками в «открытом офисе».

Рассмотрим более подробно элементный состав подсистем СКС.

Магистральная подсистема территории

Компонентный состав магистральной подсистемы территории (МПТ) представлен на рис. 2 (лист 1).

██ - соединитель, т.е. состыкованные гнездо и вилка.

Рис. 2. Компонентный состав магистральной подсистемы территории

В МПТ включаются и цифрами на рис. 2 обозначены:

1)  кабели магистрали территории;

2)  любые кабельные компоненты внутри вводных устройств в здание;

)    коммутационные шнуры и перемычки в распределительном устройстве территории;

4)      соединительное оборудование (коммутационные панели, кроссовые блоки), на котором терминируются кабели МПТ как в РУТ, так и в РУЗ.

Шнуры оборудования, хотя и используются для его подключения к МПТ, не входят в состав МПТ. В случаях, когда отсутствует РУЗ, МПТ простирается до РУЭ.

Иногда (в целях резервирования) используют непосредственное соединение РУЗов между собой дополнительными кабелями. В таких случаях эти кабели также относятся к МПТ, но всегда рассматриваются только как дополнительные, и ни в коем случае их наличие не должно исключать присутствие основных кабелей МПТ, формирующих основную топологическую иерархию СКС.

Магистральная подсистема здания

Компонентный состав магистральной подсистемы здания (МПЗ) представлен на рис. 3 (лист 1).

██ - соединитель, т.е. состыкованные гнездо и вилка.

Рис . 3. Компонентный состав магистральной подсистемы здания

В нее включаются и цифрами на рис. 3 обозначены:

1)  кабели магистрали здания;

2)      коммутационные шнуры и перемычки в РУЗ;

3)  соединительное оборудование (коммутационные панели), на котором терминируются кабели МПЗ как в РУЗ, так и в РУЭ.

Так же, как и в МПТ:

Ø шнуры, используемые для подключения активного оборудования, не входят в состав МПЗ;

Ø  при непосредственном соединении РУЗ между собой дополнительными кабелями последние не должны исключать наличие основных кабелей.

Горизонтальная подсистема


Компонентный состав горизонтальной подсистемы (ГП) представлен на рис. 4 (лист 1).

██ - соединитель, т.е. состыкованные гнездо и вилка.

Рис. 4. Компонентный состав горизонтальной подсистемы

В эту подсистему включаются и на рис. 4 цифрами обозначены:

1)  кабели горизонтальной подсистемы (стационарные кабели (СК) и кабели точки консолидации (КТК));

2)  коммутационные шнуры и перемычки в РУЭ;

3)  устройство присоединения горизонтальных кабелей на ИР (как правило, оно входит в конструкцию ИР);

)    соединительное устройство и устройство терминирования кабелей в РУЭ;

5)  точка консолидации (опция);

6)      информационные розетки.

Так же, как в МПТ и МПЗ, шнуры рабочего места и шнуры оборудования в РУЭ не входят в состав подсистемы.

Кабель ГП должен быть непрерывен от РУЭ до ИР (если отсутствует точка консолидации), т. е. сращивание любым способом электрического кабеля (скрутки, пайки, гнездо и вилка) запрещается.

Кабели СКС

Одним из основных элементов любой волоконно-оптической линии связи является кабель. Несмотря на разнообразие электрических и оптических кабелей существует вполне определённая их классификация.

Одним из удачных способов повышения технико-экономической эффективности кабельных систем офисных зданий является минимизация типов кабелей, применяемых для их построения. В СКС допускается использование только [2]:

Ø симметричных электрических кабелей на основе витой пары с волновым сопротивлением 100, 120 и 150 Ом в экранированном и неэкранированном исполнении;

Ø одномодовых и многомодовых оптических кабелей.

Электрические кабели используются в основном для создания горизонтальной разводки. По ним передаются как телефонные сигналы и низкоскоростные данные, так и данные высокоскоростных приложений. Применение оптических решений в горизонтальной подсистеме в настоящее время встречается достаточно редко, хотя их доля растет очень быстрыми темпами (решения в рамках концепции fiber to the desk). В подсистеме внутренних магистралей электрические и оптические кабели применяются одинаково часто, причем электрические кабели предназначены для передачи главным образом телефонных сигналов и данных с тактовыми частотами до 1 МГц, тогда как оптические кабели обеспечивают передачу данных высокоскоростных приложений. На внешних магистралях оптические кабели играют доминирующую роль.

Для перехода с электрического кабеля на оптический в процессе передачи данных со скоростью 10 Мбит/с и выше в технических помещениях устанавливается соответствующее сетевое оборудование (преобразователи среды или трансиверы), которые обычно обслуживают групповое устройство (концентратор системы передачи данных, выносной модуль АТС, контроллер инженерной системы здания). Прямое использование волоконно-оптического кабеля для передачи телефонных сигналов и низкоскоростных данных на современном этапе развития техники является экономически нецелесообразным и применяется в тех ситуациях, когда другие решения невозможны или же выдвигаются особые требования в отношении защиты информации от несанкционированного доступа.

Для построения горизонтальной подсистемы стандартами допускается применение экранированного и неэкранированного кабелей. Экранированный симметричный кабель потенциально обладает лучшими электрическими, а в некоторых случаях и прочностными характеристиками по сравнению с неэкранированным. Однако этот кабель является очень критичным к качеству выполнения монтажа и заземления, имеет заметно большую стоимость и худшие массогабаритные показатели. Поэтому пока основным кабелем для передачи электрических сигналов по СКС, по крайней мере в нашей стране, являются кабели на основе неэкранированных витых пар. Как было отмечено выше, стандарты разрешают строить СКС на электрических кабелях с волновым сопротивлением 100, 120 и 150 Ом. При этом две последние разновидности кабелей часто обладают заметно лучшими характеристиками. Однако в силу целого ряда причин технического и экономического плана они не получили широкого распространения в нашей стране.

Многомодовые волоконно-оптические кабели используются в основном в качестве основы подсистемы внутренних магистралей. Одномодовые волоконно-оптические кабели рекомендуется применять только для построения длинных внешних магистралей.

Коаксиальные кабели не включаются в число разрешенных к применению в новых стандартах [2,4] и исключаются из очередных редакций старых стандартов. Это объясняется низкой надежностью сетей, построенных на их основе, невысокой технологичностью и более высокой стоимостью по сравнению с кабелями на основе витых пар.

Для обеспечения возможности работы по СКС сетевой аппаратуры с коаксиальным и триаксиальным интерфейсом используется широкая номенклатура адаптеров различных видов.

В прошлом не пользовавшиеся большим спросом и производившиеся в небольших объемах универсальные кабели становятся все более востребованными, поскольку их применение экономит трудозатраты на развертывание сети кампуса, упрощая этот процесс.

Универсальные кабели

Среди инсталляторов и пользователей сетей растет спрос на универсальные кабели (indoor/outdoor cables), предназначенные для прокладывания как внутри, так и за пределами здания, поскольку эти кабели можно заводить (из внешней кабельной инфраструктуры) в здание и не нужно их сращивать с кабелями внутренней прокладки. Тем самым упрощается, а, следовательно, и ускоряется процесс развертывания сети.

Согласно Национальному электрическому кодексу (NEC), не соответствующие требованиям пожарной безопасности медные или волоконно-оптические кабели наружной прокладки можно протягивать внутри здания на расстояние не более 15 м (от места их ввода в него), за исключением тех случаев, когда кабели помещаются в металлические трубы или другие прочные кабелепроводы. На указанном расстоянии кабель наружной прокладки должен стыковаться с кабелем внутренней прокладки [5]. Применение же универсальных кабелей позволяет инсталляторам избежать этого. Огнестойкие и малодымные универсальные кабели в основном используются для построения наружной кабельной инфраструктуры с инсталляцией и внутри зданий.

По сравнению с ситуацией пятнадцатилетней давности, когда очень мало компаний выпускали универсальные кабели, сейчас этим занимаются гораздо большее число производителей, предлагая широкий ассортимент продукции. Вот некоторые из них [5]:

Ø Корпорация Optical Cable выпускает волоконно-оптические кабели с плотным буфером, предназначенные для кампусных сетей. Возможность прокладывать эти кабели внутри зданий и между ними упрощает инсталляцию сети, уменьшает связанные с этим затраты и повышает надежность работы сети. Кабели этого производителя успешно используются во внешних и внутренних инфраструктурах почти 20 лет;

Ø Компания Corning Cable Systems производит кабели LANscape Solutions FREEDM с плотным или пустотелым буфером, которые можно прокладывать в пленумных полостях и стояках зданий;

Ø Фирма Berk-Tek предлагает сертифицированный для инсталляции в пленумных полостях или стояках волоконно-оптический кабель Adventum с пустотелым буфером. Для предотвращения попадания воды внутрь кабеля в нем имеются сухие водоблокирующие материалы (технология Dry Gel). Такой кабель можно использовать в любой внешней или внутренней инфраструктуре без организации точек перехода между ними;

Ø Компания CommScope предлагает универсальные кабели разной конструкции - с диэлектрической центральной трубкой и с пустотелым или плотным буфером. Она поставляет и малодымный безгалогенный распределительный кабель;

Ø Фирма Mohawk CDT сейчас выпускает две разновидности универсальных кабелей - пленумные VersaLite, которые содержат от двух до 144 оптических волокон, имеют небольшой диаметр и малый допустимый радиус изгиба, что позволяет инсталлировать их в тесных полостях, и кабели RiserLite, хорошо защищенные от воды и снабженные безгалогенной оболочкой;

Ø Компания Honeywell Cable Products производит кабели внутренней прокладки серии Genesis. Поливинилхлоридовая оболочка этих кабелей содержит ингибиторы ультрафиолетового излучения и позволяет устанавливать их в освещенных солнцем сухих местах.

Универсальные кабели имеют ряд достоинств. Медному кабелю воздушной прокладки для нормального функционирования под открытым небом, как правило, достаточно иметь лишь внешнюю оболочку с ингибиторами ультрафиолетового излучения, защищающими ее от разрушения солнечным светом. Кабели внутренней прокладки с оболочкой из поливинилхлорида можно использовать на улице, если они проложены без сильных изгибов и продольного натяжения и в их оболочке имеются вышеназванные ингибиторы. Однако оболочка из поливинилхлорида не такая надежная, как полиэтиленовая, в условиях низких температур она может растрескиваться при изгибе кабеля.

В конструкции кабеля подземной прокладки предусмотрены элементы, препятствующие проникновению внутрь него воды, защищающие его от повреждения камнями и грызунами. Традиционно телефонные компании используют медные кабели наружной прокладки, в которых пространство между парами проводов заполнено полибутеновым нефтяным гелем, предотвращающим проникновение воды в кабель и ее перемещение по нему. Кроме того, такие кабели имеют прочную наружную полиэтиленовую оболочку, защищающую их от повреждения в процессе инсталляции, и металлическую броню, которую не могут прогрызть грызуны.

Первые волоконно-оптические кабели наружной прокладки имели конструкцию с пустотелым буфером - пластиковой трубкой, в которой свободно уложено оптоволокно. Эта трубка изолирует его от окружающей среды, давая возможность эксплуатировать кабель в широком диапазоне температур, и защищает оптоволокно от прилагаемых к кабелю растягивающих усилий. Для предотвращения перемещения воды по кабелю был задействован гидрофобный гель. В медных кабелях вода может вызвать короткое замыкание жил, а в волоконно-оптических вода при замерзании приводит к образованию микро - и макроизгибов оптоволокна и росту затухания передаваемого сигнала.

Применение современных универсальных кабелей позволяет избежать этих проблем. Указанные кабели, обычно используемые в сетях масштаба кампуса, имеют прочную конструкцию, а инсталлируют и терминируют их точно так же, как и другие стандартные волоконно-оптические кабели.

Корпорация Optical Cable около 15 лет назад первой предложила использовать менее сложный кабель наружной прокладки, не имеющий гидрофобного геля и пустотелого буфера, для инсталляции внутри зданий. Этот кабель, имевший конструкцию с плотным буфером, успешно прошел все тесты для кабелей наружной и внутренней прокладки, однако другие производители, привыкшие выпускать заполненные гидрофобным гелем кабели, не захотели поддержать инициативу корпорации.

Раньше инсталляторы обходили стороной универсальные кабели, поскольку они стоят дороже других типов кабелей. Но сегодня представители фирм-производителей заявляют о растущем спросе на эти кабели со стороны инсталляторов. И это неудивительно, ведь инфраструктурные решения на базе универсальных кабелей, которые можно заводить в здание на большие расстояния (без сращивания с кабелями внутренней прокладки), экономически эффективны. Применение кабеля фирмы позволяет компании-инсталлятору сэкономить (по сравнению с реализацией традиционных решений на базе специализированных кабелей внутренней или внешней прокладки) до 26% затрат на материалы и рабочую силу.

Работавшие с универсальным кабелем специалисты уверяют, что его удивительно просто инсталлировать. Кроме того, универсальный кабель эффективен в использовании. Обычно сращивание волокон кабелей в точке перехода (с кабеля внешней прокладки на кабель внутренней прокладки) осуществляется посредством сварки, но сваривание одномодовых волокон может привести к двукратному росту потерь в кабельном тракте. В случае же применения универсального кабеля в кабельной системе получается меньше мест коммутации трактов и отсутствует точка перехода, что способствует уменьшению затухания сигнала. Это очень важно для работы сетей Gigabit Ethernet, каналы которых имеют малый бюджет потерь.

В настоящее время сертифицированные для прокладки в пленумных полостях зданий универсальные кабели востребованы, как никогда ранее. Кабели внутренней прокладки сертифицируют для инсталляции в стояках или пленумных полостях. До недавнего времени на рынке продавался в основном сертифицированный для установки в стояках универсальный кабель. Теперь же большим спросом пользуется пленумный универсальный кабель, такой, как влагостойкий кабель Adventum фирмы Berk-Tek.

Универсальный кабель для пленумных полостей стоит дороже универсального же кабеля для стояков, но инсталляторы отдают предпочтение первому, поскольку в случае его применения кабельную трассу можно проложить в пленумной полости без сращивания этого кабеля с другими типами кабелей.

Очевидно, что проблема создания универсального ВОК для СКС актуальна в настоящее время.

В дипломном проекте поставлены следующие задачи:

Ø исследовать проблему создания универсального оптического кабеля для структурированных кабельных сетей, проанализировав современную классификацию и конструкции кабелей;

Ø подобрать оптимальную конструкцию универсального кабеля, рассмотрев несколько возможных вариантов;

Ø  исследовав характеристики и свойства материалов для основных конструктивных элементов оптических кабелей, подобрать материалы конструкции универсального кабеля;

Ø предложить возможные пути модернизации технологии производства оптического кабеля с учётом особенностей техпроцесса универсального кабеля;

Ø  предложить систему типовых испытаний универсального кабеля, проанализировав его основные особенности;

Ø  провести анализ опасных и вредных факторов, возможных ЧС в техпроцессе изготовления универсального ВОК. Разработать меры безопасности в техпроцессе изготовления универсального ВОК для наиболее вредных факторов. Осуществить экологическую оценку техпроцесса изготовления универсального ВОК и разработать меры по охране природы;

Ø  спланировать техпроцесс универсального ВОК с использованием метода СПУ. Рассчитать смету затрат на разработку универсального ВОК. Рассчитать экономический эффект и основные технико-экономические показатели разработки и производства универсального ВОК.

1.     
ИССЛЕДОВАТЕЛЬСКИЙ РАЗДЕЛ

1.1    Классификация кабелей для СКС

Структурированные кабельные сети обеспечивают надежную эффективную работу организаций, использующих современные средства связи и вычислительную технику. Экономическая выгода построения СКС обусловлена длительным сроком эксплуатации (15...20 лет) и низкой стоимостью обслуживания.

Оптимальный выбор компонентов СКС проводится с учетом архитектурных особенностей здания и условий заказчика. Наиболее ответственен выбор типа кабеля, так как в течение 15...20 лет передаточные характеристики должны оставаться на первоначальном уровне, а замена уже проложенного кабеля является трудоемкой и дорогостоящей операцией.

При построении СКС используются [1.1]:

Ø неэкранированная витая пара;

Ø  экранированная витая пара;

Ø  волоконно-оптический кабель (ВОК).

Классификация кабелей СКС изображена на рис. 1.1 (лист 2).

При выборе кабеля должны учитываться следующие требования [1.2]:

Ø пропускная способность сети; возможность расширения сети в будущем; продолжительность жизни сети;

Ø категория кабеля (для витой пары); многомодовый или одномодовый кабель (для ВОК);

Ø максимальная длина кабельной линии;

Ø условия прокладки кабеля (особенности кабельных трасс, климатические условия);

Ø   защищенность передаваемых данных; электромагнитная совместимость; выбор типа экрана (для экранированной витой пары) и его заземление;

Ø противопожарная безопасность;

Ø стоимость кабеля; стоимость монтажных работ, стоимость компонентов и активного оборудования.

Рис. 1.1 Классификация кабелей СКС

1.1.1 Витая пара

1.1.1.1        Назначение

Кабели на основе витой пары находят широкое применение в сетях передачи данных по стандартам [1.3], которые жестко регламентируют максимальную длину кабельной системы, а также ряд требований, предъявляемых к кабелю, как к компоненту структурированной кабельной системы: основными из них являются собственное и переходное затухания, емкость, уровень возвратных потерь и т.д. В зависимости от скорости передачи данных кабельные компоненты делятся на 6 категорий, что ведет к различиям в требованиях к этим кабелям.

1.1.1.2        Конструкция

Рис. 1.2. Конструкция S/STP кабеля

1.1.1.2.1     Медная жила

Для кабеля на основе витых пар используются медные проводники диаметром 0,64 - 0,51 мм в диаметре. Для кабеля, идущего на производство шнуров, для повышения гибкости используется многопроволочная жила несколько большего сечения, т.к. у многопроволочной жилы повышено значение собственного затухания.

1.1.1.2.2     Материал изоляции

В качестве материала изоляции обычно используется полиэтилен, в более редких случаях - композиции из полипропилена и полиэтилена. В случае требований к пожароустойчивости используют композиции из тефлона [1.4]. В кабелях высших категорий используется изоляция из вспененного полиэтилена, поверх которого наложен слой сплошного полимера. Такая конструкция позволяет значительно улучшить электрические параметры, но требует специального оборудования и удорожает кабель.

1.1.1.2.3     Количество пар

Неэкранированная витая пара представляет собой от 1 до 100 пар медных изолированных проводников, скрученных парами с согласованными шагами для уменьшения взаимного влияния. Наиболее распространены двух- и четырехпарные конструкции. Цветовая комбинация проводников фиксирована: один из проводников в паре имеет белый цвет, другой цветной - синий, оранжевый, зеленый, коричневый. Это создает трудности при разделке, так как белые проводники не отличаются друг от друга. Некоторые производители окрашивают белую жилу в цвет ее цветной пары, нанося либо продольную полосу, либо кольцевые пятна на расстоянии 3-5 см. Однако это замедляет и удорожает процесс производства, к тому же сегодня в связи с переходом на патч-панели, в многопарных кабелях используется комбинация из двух цветных жил.

1.1.1.2.4     Экран

Конструктивно все кабели делятся на экранированные и неэкранированные конструкции. Экранированные конструкции, в принципе более помехозащищены и имеют лучшие показатели переходного затухания, но их применение требует специальных разъемов и правильной схемы заземления, поэтому в нашей стране большее распространение получили неэкранированные кабели [1.4]. Экран выполняется в виде алюминиевой фольги, либо медной оплетки, либо и того и другого вместе. Встречается как общее экранирование, так и экраны по скрученным парам. Экраны сопровождаются дренажным проводником в виде медной проволочки для поддержания целостности экрана.

1.1.1.2.5     Материал оболочки

В качестве материала оболочки применяется в основном ПВХ пластикат, как самый дешевый и не распространяющий горение материал. В специальных случаях используются самозатухающий полиэтилен либо малодымные безгаллогенные компаунды, однако это увеличивает стоимость и снижает механические характеристики кабеля. Наиболее распространен серый цвет, однако производится кабель всех цветов. В случае наружной прокладки используется светостойкий полиэтилен (черного цвета).

1.1.1.3        Маркировка и упаковка

Все кабели маркируются по оболочке примерно следующим образом: фирма-производитель - марка изделия - тип изделия (4х2х0,52 - четырех парный кабель с диаметром проводника) далее кодируется дата производства - (1099 - октябрь 2109) - и отметка метровой длины (иногда футы). Кроме того на кабеле могут быть указания на материал оболочки, систему сертификации.

1.1.2 Волоконно-оптический кабель

1.1.2.1        Назначение

Волоконно-оптические коммуникации имеют ряд преимуществ по сравнению с электронными системами, использующими передающие среды на металлической основе.

В волоконно-оптических системах передаваемые сигналы не искажаются ни одной из форм внешних электронных, магнитных или радиочастотных помех. Таким образом, оптические кабели полностью невосприимчивы к помехам, вызываемым молниями или источниками высокого напряжения. Более того, оптическое волокно не испускает излучения, что делает его идеальным для соответствия требованиям современных стандартов к компьютерным приложениям. Вследствие того, что оптические сигналы не требуют наличия системы заземления, передатчик и приемник электрически изолированы друг от друга и свободны от проблем, связанных с возникновением паразитных токовых петель.

При отсутствии сдвига потенциалов в системе заземления между двумя терминалами, исключающим искрения или электрические разряды, волоконная оптика становится все более предпочтительным выбором для реализации многих приложений, когда требованием является безопасная работа в детонирующих или воспламеняющихся средах.

Цифровые вычислительные системы, телефония и видеовещательные системы требуют новых направлений для улучшения передающих характеристик. Большая ширина спектра оптического кабеля означает повышение емкости канала. Кроме того, более длинные отрезки кабеля требуют меньшего количества репитеров, так как волоконно-оптические кабели обладают чрезвычайно низкими уровнями затухания. Это свойство идеально подходит для широковещательных и телекоммуникационных систем.

По сравнению с обычными коаксиальными кабелями с равной пропускной способностью, меньший диаметр и вес волоконно-оптических кабелей означает сравнительно более легкий монтаж, особенно в заполненных трассах. 300 метров одноволоконного кабеля весят около 2,5 кг. 300 метров аналогичного коаксиального кабеля весят 32 кг - приблизительно в 13 раз больше [1.4].

Электронные методы подслушивания основаны на электромагнитном мониторинге. Волоконно-оптические системы невосприимчивы к подобной технике. Для снятия данных к ним нужно подключиться физически, что снижает уровень сигнала и повышает уровень ошибок - оба явления легко и быстро обнаруживаются.

.1.2.2
Конструкция

Рис. 1.3 Конструкция кабеля Breakout

1.1.2.2.1     Ядро

Ядро - светопередающая часть волокна, изготавливаемая либо из стекла, либо из пластика. Чем больше диаметр ядра, тем большее количество света может быть передано по волокну.

1.1.2.2.2     Демпфер

Назначение демпфера - обеспечение более низкого коэффициента преломления на границе с ядром для переотражения света в ядро таким образом, чтобы световые волны распространялись по волокну.

1.1.2.2.3     Оболочка

Оболочки обычно бывают многослойными, изготавливаются из пластика для обеспечения прочности волокна, поглощения ударов и обеспечения дополнительной защиты волокна от воздействия окружающей среды. Такие буферные оболочки имеют толщину от 250 до 900 мкм.

Размер волокна в общем случае определяется по внешним диаметрам его ядра, демпфера и оболочки. Например, 50/125/250 - характеристика волокна с диаметром ядра 50 мкм, диаметром демпфера 125 мкм и диаметром оболочки 250 мкм. Оболочка всегда удаляется при соединении или терминировании волокон.

1.1.2.3        Одномодовое и многомодовое оптоволокно

Тип волокна идентифицируется по типу путей, или так называемых "мод", проходимых светом в ядре волокна. Существует два основных типа волокна - многомодовое и одномодовое. Ядра многомодовых волокон могут обладать ступенчатым или градиентным показателями преломления. Многомодовое волокно со ступенчатым показателем преломления получило свое название от резкой, ступенчатой, разницы между показателями преломления ядра и демпфера.

В более распространенном многомодовом волокне с градиентным показателем преломления лучи света также распространяются в волокне по многочисленным путям. В отличие от волокна со ступенчатым показателем преломления, ядро с градиентным показателем содержит многочисленные слои стекла, каждый из которых обладает более низким показателем преломления по сравнению с предыдущим слоем по мере удаления от оси волокна. Результатом формирования такого градиента показателя преломления является то, что лучи света ускоряются во внешних слоях и их время распространения в волокне сравнивается с временем распространения лучей, проходящих по более коротким путям ближе к оси волокна.

Таким образом, волокно с градиентным показателем преломления выравнивает время распространения различных мод так, что данные по волокну могут быть переданы на более дальние расстояния и на более высоких скоростях до того момента, когда импульсы света начнут перекрываться и становиться неразличимыми на стороне приемника.

Волокна с градиентным показателем представлены на рынке с диаметрами ядра 50, 62,5 и 100 мкм.

Одномодовое волокно, в отличие от многомодового, позволяет распространяться только одному лучу или моде света в ядре. Это устраняет любое искажение, вызываемое перекрытием импульсов. Диаметр ядра одномодового волокна чрезвычайно мал - приблизительно 9 мкм. Одномодовое волокно обладает более высокой пропускной способностью, чем любой из многомодовых типов. Например, подводные морские телекоммуникационные кабели могут нести 60000 речевых каналов по одной паре одномодовых волокон.

1.2    Конструкция основных групп ВОК для СКС

1.2.1 Кабели внешней прокладки

Кабели внешней, или наружной, прокладки используются для построения подсистемы внешних магистралей СКС. Основным требованием к их конструкции, наряду с малым затуханием и большой широкополосностью, является высокая механическая прочность к растягивающим и сдавливающим усилиям, а также влагостойкость и широкий диапазон рабочих температур. Немаловажное значение имеют также хорошие массогабаритные показатели. Необходимый для практической эксплуатации уровень этих параметров может быть достигнут несколькими различными способами, каждому из которых отвечает своя каноническая конструкция кабелей.

В настоящее время известно большое количество конструкций оптических кабелей внешней прокладки, полную совокупность которых можно условно разделить на четыре группы (рис. 1.4) [1.5].

Рис. 1.4 Типовые конструкции сердечников оптических кабелей: а), б) с профилированным сердечником; в) модульная; г) с центральной трубкой; д) ленточная

Основой кабеля с профилированным сердечником (рис. 1.4 а, б) является фигурный элемент, в пазах или внутренних полостях которого укладываются волоконные световоды. Данная конструкция была достаточно широко распространена в 80-х годах. Из-за ограниченной емкости (обычно не более 16 волокон) в настоящее время применяется сравнительно редко.

Кабели так называемой модульной, или многомодульной, конструкции (рис. 1.4 в) имеют традиционную повивную скрутку, причем каждый повив набирается из модулей диаметром около 2 мм. В модуле может размещаться от 1 до 12 волокон. В процессе производства кабеля обеспечивается свободная укладка волокон в трубку модуля. Поэтому в обычном состоянии кабеля световоды слегка скручиваются по спирали, располагаясь вдоль внутренней поверхности трубки. Это обеспечивает возможность небольшого упругого растяжения и сгибания кабеля во время прокладки без каких-либо ухудшений его оптических характеристик. Основная масса кабелей рассматриваемой разновидности, предлагаемых в настоящее время на рынке, имеет одноповивную конструкцию. Наибольшее распространение получили шестимодульные конструкции, несколько реже применяются восьмимодульные варианты. При необходимости увеличения емкости модули располагают в двух повивах или используют центральный силовой элемент увеличенного диаметра, вокруг которого размещается большее количество модулей. Некоторые зарубежные фирмы называют рассматриваемую конструкцию multitube cable; в отечественной литературе употребляется буквальный эквивалент этого термина - «многотрубочный кабель».

В качестве основы сердечника может быть использована также одна трубка большого диаметра, которая расположена по оси кабеля (рис. 1.4 в). Такой вариант кабеля более удобен в разделке, а за счет максимального удаления волокон от внешней поверхности оболочки обеспечивается наилучшая защита от сдавливающих усилий, однако трубка несколько уступает традиционной многомодульной конструкции по рабочему диапазону температур и устойчивости к растяжению. Для дополнительного улучшения условий защиты волокон финская фирма NK Cables (бывшая Nokia) применила в трубчатых элементах Spiral Space канал спиральной формы. В отечественной технической литературе эту разновидность кабелей иногда называют однотрубочной или одномодульной конструкцией.

Основная масса кабелей модульной конструкции в тех или иных вариантах практической реализации имеет емкость не более 144 волокон. В настоящее время они занимают доминирующее положение в общем объеме выпуска кабелей внешней прокладки. Это объясняется хорошей защитой волокон от механических и климатических воздействий, а также простотой и удобством разделки и монтажа.

Наличие профилированного сердечника обеспечивает высокую устойчивость к раздавливающим усилиям (например, у кабелей серии GNSLWLV фирмы Ericsson паспортная величина этого параметра составляет 6 кН вместо обычных 1,5 кН у традиционной модульной конструкции), а наличие трубок модулей - удобство работы и повышенную продольную герметичность.

Ленточные кабели (рис. 1.4 д) за счет очень плотной компоновки обеспечивают преимущество над конструкциями других типов при большом (несколько сотен и более) количестве волокон и поэтому используются, главным образом, при создании основных магистралей крупных городских телекоммуникационных сетей. Применение этих кабелей для построения СКС в настоящее время нецелесообразно, так как высокая емкость, на которой начинают проявляться их преимущества, в рассматриваемой области пока не требуется, а из-за особенностей конструкции работа по установке разъемов и изготовлении неразъемных соединителей требует сложного и дорогого технологического оборудования и более высокой квалификации монтажников.

Кабели внешней прокладки (рис. 1.5) подразделяются на следующие виды:

Ø кабели, содержащие металлические упрочняющие элементы и/или электрические проводники;

Ø полностью диэлектрические кабели.

Рис. 1.5 Пример конструкции кабеля внешней прокладки

В сравнении с полностью диэлектрическими конструкциями кабели с металлическими упрочняющими элементами обладают большей механической прочностью к сдавливающим и растягивающим усилиям, их световоды не повреждаются грызунами и при равной разрывной прочности имеют несколько меньший внешний диаметр. Их главным недостатком считается то, что они не обеспечивают полную гальваническую развязку соединяемых пунктов.

Стандартный рабочий температурный диапазон волоконно-оптических кабелей внешней прокладки широкого применения составляет от -40 до +70 °С. Существуют специальные морозостойкие конструкции, нормально функционирующие при температурах до -60 °С. Последнее значение задается жесткостью полиэтилена (этот материал становится хрупким при температурах порядка -70 °С), из которого изготавливаются внешние оболочки, и температурой застывания гидрофобного геля. Верхняя граничная рабочая температура определяется в основном характеристиками полиэтилена. Так, точка плавления этого материала составляет около 120 °С. С учетом этой особенности некоторые производители гарантируют сохранение параметров своей продукции при кратковременном нагревании кабеля до 90º С при условии отсутствия механических нагрузок. Дальнейшее увеличение рабочей температуры достигается в специальных конструкциях, предназначенных для применения в нефтехранилищах, на нефтепромыслах и других аналогичных объектах. За счет применения термостойких материалов они выдерживают нагрев до нескольких сотен градусов на протяжении нескольких часов.

1.2.2 Кабели внутренней прокладки

Волоконно-оптические кабели внутренней прокладки (indoor cables), иногда называемые кабелями внутриобъектовой прокладки, используются для построения горизонтальной подсистемы и подсистемы внутренних магистралей СКС. От кабелей внешней прокладки они отличаются по двум основным параметрам [1.6]:

Ø меньшим внешним диаметром и массой в сочетании с более высокой гибкостью за счет отсутствия гидрофобного заполнителя и применения облегченных упрочняющих покрытий без броневых покровов;

Ø лучшими характеристиками пожарной безопасности.

Как и кабели на основе витых пар, волоконно-оптические кабели внутренней прокладки, применяемые в СКС, должны соответствовать требованиям пожарной безопасности. Свойства кабеля с точки зрения пожарной безопасности определяются материалом диэлектриков, используемых в его конструкции (главным образом, материалом внешней оболочки). Производители в своих каталогах обычно подразделяют кабели внутренней прокладки на Plenum и Riser.

Световоды кабелей рассматриваемой группы обязательно снабжаются вторичным защитным полимерным покрытием диаметром 900 мкм, которое без зазора уложено на первичное покрытие диаметром 250 мкм. Волокно в таком покрытии допускает непосредственную установку вилки оптического разъема без применения каких-либо дополнительных элементов. Удобство монтажа разъема достигается ценой некоторого увеличения коэффициента затухания по сравнению с кабелями внешней прокладки. Это, однако, не имеет существенного значения, так как согласно стандартам длина кабеля подсистемы внутренних магистралей не превышает 500 м.

Для защиты кабельного сердечника от механических воздействий в кабелях внутренней прокладки используется слой кевларовых нитей, который расположен непосредственно под шлангом внешней оболочки. В отличие от кабелей внешней прокладки здесь наблюдается свободная укладка этих нитей без сплетения в оплетку.

Кабели внутренней прокладки известны в двух основных конструктивных разновидностях. Изделия первой группы называются распределительными кабелями (distribution) и содержат световоды в буферном покрытии 0,9 мм, которые вместе с кевларовыми упрочняющими нитями помещены в общую защитную оболочку. Их разделка осуществляется в коммутационных устройствах. В так называемых breakout-кабелях каждый световод дополнительно помещен в защитный шланг внешним диаметром 2-3 мм. Таким образом, данное изделие может рассматриваться как конструктивный аналог многоэлементного электрического многопарного кабеля. Такие конструкции обладают большим внешним диаметром и механической прочностью, что определяется как наличием центрального силового элемента, так и дополнительным слоем кевларовых нитей под каждым индивидуальным защитным шлангом. Они ориентированы, в первую очередь, на изготовление претерминированных сборок и, как это следует из названия (breakout по-английски означает место отвода из многожильного кабеля), выполнение отводов отдельных световодов без использования разветвительных муфт. Не исключается, хотя и редко применяется на практике, возможность изготовления многоволоконных соединительных шнуров.

Пример конструкции кабелей внутренней прокладки показан на рис. 1.6.

Рис. 1.6. Кабели внутриобъектовой прокладки фирмы Mohawk: слева - distribution, справа - breakout.

Типовое максимальное значение емкости кабелей внутренней прокладки не превышает 12 волокон. В основной своей массе такие кабели не имеют центрального силового элемента, а их механическая прочность обеспечивается только слоем кевларовых нитей.

В случае необходимости увеличения емкости применяют конструкцию, аналогичную кабелям внешней прокладки модульной конструкции: вокруг центрального элемента, выполняющего функции силовой основы, укладывается несколько (в большинстве случаев шесть, реже двенадцать) обычных кабелей. После этого полученный сердечник закрывается общей внешней защитной оболочкой. Такой прием позволяет увеличить емкость до 144 волокон. При необходимости получения в рассматриваемой конструкции меньшей емкости некоторые из таких «модулей» заменяются упрочняющими прутками и/или заполнителями. Кабели подобной конструкции обычно изготавливаются на заказ.

Наличие дополнительных оболочек световода в сочетании с меньшей плотностью укладки вызывает также довольно значительный рост габаритов сердечника кабеля внутренней прокладки. Особенно ярко это проявляется в конструкциях типа breakout. В целом, из-за отсутствия брони и применения облегченных упрочняющих покрытии внешний диаметр кабелей рассматриваемой группы и особенно их масса оказываются заметно меньшими по сравнению с кабелями внешней прокладки такой же емкости.

Для уменьшения внешних габаритов кабелей рассматриваемой разновидности иногда применяют ленточную конструкцию. Пример такого решения с четырехволоконной лентой изображен на рис. 1.7.

Рис. 1.7. Кабель внутренней прокладки типа GAXLBD фирмы Ericsson

Рабочая температура кабелей внутренней прокладки составляет обычно от -20 до +70 °С.

1.2.3 Кабели для шнуров

Кабель для шнуров, который достаточно часто называется миникабелем, предназначен для изготовления их него коммутационных и оконечных шнуров. Его можно использовать для реализации горизонтальной проводки при реализации проектов fiber to the desk и fiber to the room. Иногда этот тип кабеля применяется для локальной разводки в помещениях аппаратных и кроссовых.

Эта разновидность кабельных изделий фактически представляет собой кабель внутренней прокладки с одним или двумя световодами в буферном покрытии диаметром 0,9 мм, однако из-за массовой распространенности кабели для шнуров выделяются в отдельную группу.

Сразу же отметим, что в кабелях для шнуров, как, впрочем, и в кабелях внутренней прокладки, практически не используется волокно в буферном покрытии диаметром 0,25 мм. Примерно до середины 2106 года на российском рынке часто встречались шнуры из кабеля типа ОКГ производства московского завода «Электропровод», где было использовано такое решение, однако из-за сложностей установки вилок оптических разъемов выпуск данной продукции в настоящее время прекратился.

Конструкции кабелей для шнуров показаны на рис. 1.8 [1.6].

Рис 1.8 Конструкции кабелей для шнуров: а) одинарный (simplex); б) двойной типа zip-cord (zip-cord duplex); в) двойной типа dual subunit duplex или heavy duty duplex; г) кабель Duplex+ швейцарской фирмы Brugg; д) round duplex; e) с двойной лентой; ж) типа mini-breakout.

Кабели первого поколения делились на одинарные (рис. 1.8 а) и двойные. Последние изготавливаются без дополнительной общей оболочки (рис. 1.8 б) или с общей оболочкой различной формы и толщины (рис. 1.8 в-д). Обычные двойные кабели без оболочки наиболее часто называются zip-cord или zip-cord-duplex, кабели с общей внешней оболочкой носят название heavy duty duplex. Немецкая фирма Kerреn обозначает двойные кабели без оболочки, которые применяются в кабельной системе FLine, как duplex figure 8, а с оболочкой - duplex figure 0. Корпорация Alcatel применяет для обозначения конструкции последнего типа термин «овальный кабель» (dual fiber oval cable), а израильская компания Teldor - flat duplex («плоский дуплексный»).

Кабели группы heavy duty duplex известны в двух разновидностях. В первой из них, получившей более широкое распространение, оболочка имеет небольшую толщину и просто охватывает защитные шланги отдельных волокон (конструкции типа М9Х080 и М9Х081 фирмы Mohawk, тип 1861 компании Lucent Technologies - рис. 1.8 в). Во втором варианте оболочка имеет большую толщину и частично входит в зазор между шлангами (кабель Duplex+ швейцарской компании Brugg, рис. 1.8 г). Общей отличительной чертой кабелей рассматриваемой группы является то, что они фактически состоят из двух simplex-кабелей, шланги которых не имеют специальных элементов крепления друг к другу и фиксируются только общей оболочкой. Считается, что кабели с общей оболочкой обеспечивает лучшую защиту от механических воздействий и более удобны в эксплуатации, однако конструкции типа zip-cord имеют несколько меньшую стоимость, что определяет их широкую популярность в практике построения СКС.

Как и в кабелях внутренней прокладки, в кабеле для шнуров в целях защиты волоконных световодов используется полимерное покрытие диаметром 900 мкм. Необходимую механическую прочность таким кабелям придает слой кевларовых нитей, который расположен под внешней оболочкой и окружает световод в буферном покрытии 0,9 мм.

Иногда на рынке встречаются изделия, ориентированные, в первую очередь, на конкретные применения. В качестве примера укажем двойные кабели типа DX серии Ultra-Fox американской компании Optical Cable Corporation с гибкой поливинилхлоридной оболочкой. Внешние габариты этого изделия оптимизированы для установки вилок оптических разъемов MIC.

На рис. 1.8 е, ж изображены две конструкции, популярность которых в технике СКС в последнее время быстро растет. Их отличительной чертой является наличие общей защитной оболочки стандартного для одинарного кабеля диаметром 2,5-3 мм, под которой находятся два световода. Волокна могут быть объединены в ленту (рис. 1.8 е) или уложены в тонкостенную трубку диаметром 0,9 мм (конструкция типа mini-breakout - рис. 1.8 ж). В последнем случае, естественно, световоды имеют только первичное защитное покрытие внешним диаметром 0,25 мм. Такие кабели предназначены, в первую очередь, для изготовления соединительных шнуров на основе разъемов с увеличенной плотностью установки.

Важной особенностью волоконно-оптических кабелей для шнуров, существенно отличающих их от электрических симметричных кабелей аналогичного назначения, является то, что несмотря на повышенную гибкость, их основные передаточные параметры (затухание и коэффициент широкополосности) полностью эквивалентны передаточным параметрам магистральных кабелей. Это позволяет в существенно более широких пределах варьировать длины соединительных и коммутационных шнуров, в том числе увеличивать их длину более чем на 30 м за счет соответствующего уменьшения длин магистральных кабелей.

1.3 Анализ возможных методов универсализации ВОК для СКС. Выбор конкретного варианта

.3.1 Типовые механические и эксплуатационные характеристики современных кабелей внешней и внутренней прокладки

Таблица 1.3

Типовые механические и эксплуатационные характеристики современных кабелей внешней и внутренней прокладки

№ п/п

Параметр

ОК внешней прокладки

ОК внутренней прокладки

Универсальный ОК**

1

Число волокон

4-144

2-36

4-48

2

Внешний диаметр кабеля, мм

10-20

5-15

6-16

3

Рабочий диапазон температур, ºС: · монтаж · эксплуатация

0…+30 -20..+70

0…+40 -40..+70

4

Минимальный радиус изгиба: · прокладка · эксплуатация

20 внешних диаметров 15 внешних диаметров

15 внешних диаметров 10 внешних диаметров

15 внешних диаметров 10 внешних диаметров

5

Максимально допустимое усилие на растяжение во время монтажа, Н

2500-10000

400-3000

1000-5000

6

Максимально допустимое усилие на сдавливание, Н/см

2000-4000

1500-2000

1500-3000

* Существуют специальные морозостойкие кабели, нижняя рабочая температура которых достигает -60 ºС [1.7];

** Значения данных параметров являются расчётными и определяются исходя и подобранной конструкции кабеля и условий эксплуатации. В идеальном случае значения приближаются к кабелю внутренней прокладки по радиусу изгиба и к кабелю внешней прокладки по рабочему диапазону температур.

1.3.2 Анализ возможных методов универсализации ВОК для СКС. Выбор конкретного варианта

Рассмотрев основные конструкции ВОК СКС (внутренней и внешней прокладки) можно сделать вывод об особенностях создания универсального кабеля:

Универсальные кабели занимают промежуточное значение между кабелями внутренней и внешней прокладки:

Ø Основа кабеля.

Основой конструкции универсальных кабелей является кабель внутренней прокладки.

Ø Оболочки.

За счёт применения специальных конструктивных мероприятий устойчивость к воздействию факторов окружающей      среды повышена настолько, что они могут использоваться для соединения отдельных зданий. Универсальные кабели должны обладать отличными характеристиками пожарной безопасности.

Ø Массогабаритные показатели.

Кабели внешней прокладки имеют значительный внешний диаметр засчёт элементов, обеспечивающих механическую прочность, влагостойкость. Массогабаритные показатели универсального ОК должны стремиться к значениям внутриобъектового кабеля.

Ø Оптические характеристики.

Оптические характеристики зависят от назначения кабеля и условий прокладки. Важно при создании оптимальной конструкции универсального кабеля учитывать возможное влияние на передаточные свойства системы.

Вот главные отличительные черты универсальных кабелей:

Ø применение в их конструкциях материалов, обеспечивающих возможность работы при температурах от -30...-40 до +70...+80° С (то есть имеющих расширенный рабочий температурный диапазон);

Ø наличие дополнительных элементов, увеличивающих их влагостойкость;

Ø использование полимерных элементов защиты от грызунов.

Наибольшей популярностью в этой области пользуются варианты, основанные на двухслойной внешней оболочке [1.8]. Внешний слой изготавливается из малодымного безгалогенного материала и обеспечивает пожароустойчивость, требуемую стандартами для прокладки внутри зданий. Вторая внутренняя оболочка создает необходимую влагостойкость. Некоторое улучшение прочностных характеристик достигается в данной конструкции применением второго слоя кевларовых нитей, размещаемого между оболочками. Такие кабели иногда называются кабелями с усиленной оболочкой или просто усиленными (reinforced). Второе решение используется в некоторых кабелях фирмы Ericsson, где под внешнюю оболочку закладывается влагонепроницаемая лента. Такая лента дополнительно разбухает под воздействием влаги и герметизирует небольшие проколы внешней оболочки.

Применение кабелей рассматриваемой разновидности позволяет отказаться от установки на входе в здание дорогостоящих переходных муфт, наличие которых, кроме того, снижает эксплуатационную надежность линий связи.

Отметим также, что, согласно фирменным рекомендациям некоторых производителей СКС, в тех случаях, когда кабель внутренней прокладки нормально функционирует при температурах от -40 до +80 °С, его можно применять для организации внешних магистралей небольшой протяженности. Единственное ограничение - необходимость защиты от попадания влаги (обычно она обеспечивается за счет использования прокладки внутри трубки) [1.9].

Анализ современного рынка универсальных кабелей показал, что наиболее распространены конструкции, содержащие до 24 волокон во вторичной оболочке с внешним диаметром 900 мкм, усиленные кевраровыми оплётками, с огнеупорной, не содержащей галогенов оболочке. Данные кабели пригодны для использования в кабельных каналах или стояках.

Для аналогичных условий прокладки применяют универсальный кабель меньшей ёмкости (до 12 волокон), имеющий заполненную гидрофобным гелем трубку, содержащую волокна в первичном буферном покрытии 250 мкм, арамидную оплётку и безгалогенную оболочку.

Данная конструкция применяется и в модифицированном виде: емкость увеличена до 24 волокон, вместо арамида использованы прутки из стекловолокна, обеспечивающие возможность прокладки в местах, где требуется защита от грызунов.

Вместо стекловолоконных прутков могут быть использованы вложенные в оболочку армирующие элементы из стекловолокна.

Наиболее часто предлагаются универсальные кабели СКС следующих конструкций:

I. при большой ёмкости (до 72 волокон) используется кабель, предназначенный для прокладки в кабельных каналах и грунте, где требуется защита от грызунов, следующей конструкции:

Шесть заполненных водоотталкивающим гелем трубок (модулей), могут содержать до 12 (250 мкм) волокон в цветной защитной оболочке. В качестве центрального силового элемента используется волокнит. Поверх трубок наложены гигроскопичные волокна, стекловолоконная броня и огнеупорная, не содержащая галогенов внешняя оболочка.

II. при ёмкости 16 волокон в кабелепроводах с повышенной влажностью и температурными перепадами, в засыпных траншеях используется кабель конструкции:

В конструкцию кабеля включены одна или несколько пустотелых буферных трубок, в которые свободно уложены волокна с диаметром первичного покрытия 250 мкм. Каждая трубка содержит до 16 волокон. Кабели этой конструкции выпускаются в двух вариантах: с сухим пустотелым буфером (Dry Loose Tube) и заполненным буфером (Gel Filled Tube).

Во втором варианте для продольной герметизации кабеля свободное пространство трубки заполнено гидрофобным гелем. В стандартном исполнении оболочка кабеля выполнена из материала типа ULSZH.

Предварительный анализ конструкций показал, что для снижения влияния на предающие характеристики кабеля раздавливающих и растягивающих усилий применяются профилированные сердечники, в направляющие паза которого укладываются оптические волокна. Обычно профилированный сердечник свивается вокруг металлического, неметаллического центрального силового элемента. Пазы могут быть спиральными, идущими в любом направлении, либо их направление чередуется. Спиральные пазы идут в одном и том же направлении по всей длине кабеля, в то время как направление пазов второго вида чередуется через определённые отрезки длины. Такие пазы (и сердечники с такими пазами) получили название SZ-пазами (SZ-сердечниками). Это название они получили потому, что сначала пазы образуют S-образную кривую, а затем Z-образную. Применение сердечников с чередованием направления пазов упрощает как изготовление, так и установку этого вида оптического кабеля.

Для обеспечения повышенной защиты от внешних механических усилий и температурных изменений применяется свободная буферизация волокон, для защиты от проникновения влаги буфер заполняют водоблокирующим компаундом.

На основе этого, можно предложить следующую конструкцию универсального кабеля (рис 1.9, лист 4):

Рис. 1. 9. Конструкция универсального ВОК

В исследовательском разделе дипломного проекта предложена классификация кабелей СКС, с определением места универсального волоконно-оптического кабеля и его разновидностей. Рассмотрены конструкции кабелей внутренней и внешней прокладки, все элементы и их назначение.

Проведён анализ возможных методов универсализации ВОК, выбрана оригинальная конструкция.

2.      
СПЕЦИАЛЬНЫЙ РАЗДЕЛ

2.1    Достоинства и недостатки стандартных ВОК для СКС

Анализируя кабели внутренней и внешней прокладки, можно сделать вывод об их основных достоинствах и недостатках.

Недостатки:

1)  необходимость перехода от кабеля внешней прокладки к внутренней, что приводит к необходимости возникновения точек кросс-комутации, т.е. разварке муфт или установки кроссов в местах соединения кабелей;

2)      увеличение затухания при сварке, что очень важно для работы сетей Gigabit Ethernet, каналы которых имеют малый бюджет потерь;

)        большие массогабаритные размеры кабеля внешней прокладки;

)        ограничение расстояния прокладки внешних кабелей внутри здания исходя из требований пожарной безопасности.

Достоинства:

1)  относительная дешевизна;

2)      отработанная технология производства;

)        отработанная технология прокладки;

)        большое разнообразие эксплуатационных и оптических характеристик.

К главному достоинству межобъектовых и внутриобъектовых кабелей можно отнести их дешевизну по сравнению с универсальными кабелями. Необходимость сращивания этих кабелей между собой значительно усложняет процесс развёртывания сети.

Использование универсальных волоконно-оптических кабелей снимает ограничения к протягиванию кабелей наружной прокладки внутри здания. Универсальные кабели экономически эффективны, позволяют компании - инсталлятору сэкономить на материалы и рабочую силу. Их применение повышает надёжность сети.

2.2    Материалы для производства оптического волокна. Области их применения

Промышленность серийно выпускает несколько основных типов ОВ [2.1].

Таблица 2.1 Классы многомодовых световодов

Класс

Материал сердцевины и оболочки

Диаметр сердцевины/оболочки



a

b

c

d

А1

cтекло/стекло

50/125

62,5/125

85/125

100/140

А2

cтекло/стекло

200/240

-

-

-

А3

cтекло/полимер

200/280

-

-

-

А4

полимер/полимер

98/1000

-

-

-


Основой волоконно - оптического кабеля являются волоконные световоды из кварцевого стекла. Кварцевое стекло отличается весьма низкой механической прочностью и устойчивостью к внешним атмосферным воздействиям. Поэтому все остальные элементы конструкции оптических кабелей предназначены для обеспечения защиты волокон от внешних механических воздействий и влаги в тех условиях эксплуатации, на которые рассчитан оптический кабель.

2.3    Материалы для изготовления ВОК

При изготовлении ОК помимо ОВ используются следующие основные материалы [2.2]:

Ø краски ("чернила") для окраски ОВ;

Ø  заполнители (гидрофобные компаунды, порошки, водоблокирующие нити и ленты) для защиты ОК от распространения влаги;

Ø  полибутилентерефталат, поликарбонат, полиамид для изготовления оптических модулей;

Ø  полиэтилентерефталатные ленты для скрепления элементов сердечника ОК;

Ø  полиэтиленовые композиции для изготовления корделей;

Ø  стеклопластиковые стержни, арамидные нити, стальная проволока для силовых элементов;

Ø алюминиевая и стальная лента для изготовления комбинированных оболочек ОК;

Ø  полиэтиленовые композиции, поливинилхлоридные пластикаты, полиуретаны, полиамиды для изготовления наружных оболочек ОК.

Характеристики основных материалов, используемых при изготовлении ОК, приведены в табл. 2.2. [2.2].

Таблица 2.2 Характеристики материалов, используемых для изготовления оптических кабелей

Материал

Модуль Юнга, Н/мм2

Плотность, г/см3

Коэффициент термического расширения, 1/°К

1

2

3

4

Кварцевое стекло

72500

2,20

5,5·10-7

Полибутилентерефталат

1600

1,31

1,5·10-4

Полиамид

1700

1,06

7,8·10-5

Поликарбонат

2300

1,20

6,5·10-5

Арамидное волокно

100000

1,45

-2·10-6

Стеклопластик

5000... 6000

2,1

6,6·10-6

Сталь

200 000

7,8

1,3·10-5

ПЭНП

200... 300

0,92

(1...2,5)·10-4

1

2

3

4

ПЭСП

400... 700

0,93

(1...2,5) 10-4

ПЭВП

1000

0,95

(1...2,5)·10-4

ПВХ пластикат

60

1,3

1,5·10-4


Классификация основных материалов приведена на рис. 2.1 (лист 4)

Рис. 2.1 Классификация основных материала конструктивных элементов ВОК

В качестве материалов для изготовления оптических модулей используются в основном полибутилентерефталат, поликарбонат и полиамид, имеющие механические характеристики, обеспечивающие защиту ОВ, размещаемых внутри оптических модулей, от внешних воздействий.

Кордели (конструктивные элементы заполнения сердечника ОК повинной скрутки, используемые в качестве элементов заполнения сердечника) изготавливаются в виде сплошных стержней диаметром, аналогичным диаметру оптических модулей, из полиэтиленовых композиций. В ряде случаев взамен корделей используют оптические модули с гидрофобным заполнителем, не содержащие ОВ.

Приводимые технические характеристики являются усреднёнными и не содержат ссылок на методы их определения.

2.3.1
Краски ("чернила") для оптических волокон

Используются, в основном, "чернила" ультрафиолетового отверждения, наносимые на ОВ для их цветового кодирования. "Чернила" обеспечивают стойкость цветовой окраски в течение всего срока службы ОК, не оказывают влияния на характеристики передачи ОВ, стойки к химическим материалам, применяемым в конструкциях ОК. "Чернила" прозрачны для оптического излучения, что обеспечивает возможность использования системы юстировки в автоматических аппаратах для сварки ОВ и возможность подключения к ОВ оптических телефонов для организации служебной связи по ОВ в процессе строительства и эксплуатации.

Учитывая, что в оптическом модуле размещается, как правило, до 12 ОВ, для их окраски используются "чернила" преимущественно следующих цветов: голубой, оранжевый, зеленый, коричневый, серый, белый, красный, черный, желтый, фиолетовый, розовый, бирюзовый.

При размещении в оптическом модуле ОК от 14 до 36 ОВ окраска ОВ производится, как правило, теми же цветами, однако с нанесением на ОВ с номерами от 13 до 24 дополнительной сплошной цветовой полоски, а на ОВ с номерами от 25 до 36 с нанесением дополнительной штриховой цветовой полоски.

Фирма DCM Desotech (Нидерланды) изготавливает "чернила" серии Cablelite 751 для окраски оптических волокон (табл. 2.3). "Чернила" выпускаются 16 расцветок.

Таблица 2.3 Основные характеристики "чернил"

Параметр

Значение

Прочность на растяжение, мПа

25...30

Удлинение (эластичность), %

2...4

Модуль упругости при 2,5% эластичности

1450...1650

Испаряемость

1

Температура вспышки

>93

Вязкость при 25 °С

1700...2500

2.3.2
Синтетические высокомодульные материалы (СВМ)

Синтетические волокна обладают высокой механической прочностью, нагревостойкостью и малой усадкой. Некоторые характеристики представлены в таблице 2.4. [2.3]

Лучшее волокно СВМ имеет разрывную прочность, превосходящую прочность всех природных, искусственных и синтетических волокон (2000 - 2500 МПа). Но волокно СВМ очень жесткое - его прочность в узле составляет 20 - 40% от исходной. Оксалон имеет меньшую прочность (600 - 800 МПа) и меньшую жесткость. Процент сохранения прочности в узле у него в 1,5-3 раза больше, чем у СВМ, и составляет 60%.

Наиболее стойкими к химическим реагентам являются волокна СВМ: оксалон и фенилон. Остальные волокна стойки либо к кислотам, либо к щелочам.

По стойкости к воздействию микроорганизмов лучшими являются СВМ, высокомодульный винол, лавсан и фенилон.

СВМ, оксалон, сульфон, аримид при температурах от 150 до 300° С имеют усадку не более 1 - 2%. Нитрон и высокомодульный винол при 150°С имеют незначительную усадку, при повышении температуры до 200 - 300°С усадка нитрона достигает 10 - 16% [2.3].

Таблица 2.4.Основные характеристики синтетических волокон

Параметр

Значение для


СВМ

окса- лона

терло- на

нитрона

суль-фона

фе-нилона

ари-мида

высоко-модульного винола

лавсана термо-фикси-рованного

Разрывная прочность, МПа

2230

637

428

320

343

562

580

764

876

Относительное удлинение, %

4,6

2,3

7,6

11,7

12,8

20,8

8,5

4,7

9,8

Толщина, текс

100

22,7

31,2

16,6

14,2

50

14,2

93,4

345

Прочность в узле, %, от исходной прочности

23

64,7

61

76

76

71

69

48

55

Грибостойкость после воздействия микроорганизмов в течение 30 суток, балл

1

3

3

3

-

1

3

0

-

Сохранение прочности, %, при воздействии: температуры, °С 200-1ч 250-1ч 300-1ч 80-3 мес. -60 - 2 ч при давлении пара 0,4 Мпа - 40 мин. кислоты соляной 25% при 20°С -24ч кислоты азотной 25% при 20°С - 24ч щелочи 40% при 20°С - 20 ч бензина при 20°С - 24 ч трансформаторного масла при 120°С-24ч

    90 97 100 100 100  86,4   73   53  69  100   95

    100 88,2 80 100 95  83,3   62   34  100  100   85

    97,3 94 72 100 90  100   54   разрушение 100  100   100

    85,4 56,2 31,7 90 100 разрушние  83   62  65  94   100

    79,4 76,4 85,3 - 73,5  88,2   -   -  -  -   100

    83,3 92 81 97 94,2  83,3   74   44  85  93   92

    100 98 91,7 98 87,5  87,7   85   79 разрушение 100   100

    52,5 разрушение разрушение 100 100  разрушение   разрушение   разрушение  разрушение 100 100

    100 разрушение - 100 -  98   99   100  разрушение  100   100

Усадка после воздействия, %: температуры,°С 150-1ч 250-1ч 300-14 при давлении пара 0,4 МПа - 40 мин.

   0 0 0  0,1

   0 0,06 0,48  0,4

   0 0 0  0,4

   2 16 16,7  -

   - 0,5 1,6  3,3

   - 0,8 5,6  3,9

   0,4 0,06 1,04  0,32

   1,3  разрушение

   5,5 - -  10


В процессе изготовления упрочняющих сердечников и жгутов, а затем и кабелей нити подвергаются воздействию ряда факторов: изгибам и истиранию при cростке и скрутке, натяжению до 10,0 - 15,0 Н, нагреву до 170 - 200 °С при ошланговании полиэтиленом и поливинилхлоридным пластикатом. При наложении оболочки из резины и вулканизации изделия температурный интервал изменяется от 100 до 213 °С, и возможно воздействие пара.

Влияние технологических факторов в процессе изготовления кабелей оценивается по изменению прочности нитей.

Технологические факторы не влияют на прочность нитей СВМ линейной плотности 58,9 и 29,4 текс. Прочность нити СВМ толщиной 100 текс сначала снижалась после операции cростки, а после скрутки кабеля и наложения оболочки возрастала почти до исходных значений.

Технологические операции влияют также на прочностные свойства высокомодульных поливинилспиртовых волокон. Так, после скрутки сердечника и жгутов прочность нитей уменьшается, а после наложения поливинилхлоридной оболочки на кабель увеличивается до исходных значений. Изменение прочности высокомодульных поливинилспиртовых волокон свидетельствует о том, что эти волокна, обладающие большой удельной объемной энергией межмолекулярного взаимодействия (4,33 - 4,75 кДж/моль), очевидно, еще способны к дальнейшей релаксации.

Волокно фенилон также исследовалось в одном из типов кабелей. Такие операции, как скрутка, оплетка, несколько уменьшили прочность волокна. При наложении оболочки, как и в случае применения винола, прочность увеличилась.

Увеличение прочности всех рассматриваемых волокон при наложении шланга обусловлено ориентацией и стабилизацией структуры волокна при натяжении и тепловом воздействии, нарушенных при скрутке и оплетке.

Изменение прочности полиэфирных нитей обусловлено изменением их структуры. Так, например, при натяжении и тепловом воздействии происходит ориентация макромолекул, что связано с рекристаллизацией волокна при повышенных температурах (100 - 200°С). Снижение прочности нитей при этом может быть обусловлено уменьшением числа связей в аморфных областях и, кроме того, усилением процесса дезориентации макромолекул. Относительное удлинение и тепловая усадка исследованных волокон не изменяются при изготовлении кабелей. Таким образом, влияние технологических факторов на свойства синтетических волокон при изготовлении кабеля незначительно.

С начала 90-х годов 20 века были сняты ограничения, введенные по инициативе США, на передачу в бывшие социалистические страны так называемых высоких технологий и ряда продуктов на их основе. Это позволило в конструкциях ОК применять нити СВМ типа кевлар фирмы Dupont и нити типа тварон фирмы Akzo Nobel. Эти нити обладают хорошо сбалансированными физическими и химическими свойствами. Рассмотрим некоторые из основных свойств этих нитей [2.3]:

. Отличные свойства при растяжении:

Ø нити кевлар и тварон способны выдерживать большие линейные нагрузки при малом относительном удлинении, это позволяет им защищать оптические волокна от деформаций, которые могут ухудшить характеристики передачи сигнала в кабелях;

Ø  эти нити идеально подходят для очень длинных ОК. Их очень большая разрывная длина под действием собственного веса позволяет создавать и использовать большие пролеты на воздушных линиях для подвесного кабеля, чем это было возможно раньше.

. Превосходная стабильность размеров:

Ø волокно кевлар и тварон обладают высокой устойчивостью к ползучести и эффективно противостоят необратимым изменениям длины под нагрузкой в процессе эксплуатации;

Ø нити практически не подвержены воздействию предельных температур, возникающих при эксплуатации изделия на открытом воздухе, не теряют прочности при высокой температуре и не становятся хрупкими в условиях арктического климата;

Ø низкий (отрицательный) коэффициент теплового линейного расширения позволяет сократить до минимума обусловленные температурой (обратимые) изменения длины кабеля.

3. Отличные диэлектрические свойства:

Ø кевлар и тварон обладают отличными изоляционными свойствами, которые позволяют создавать кабельные конструкции, обеспечивающие электрическую безопасность, устойчивость к разряду молнии и неподверженность к помехам.

4. Прочность и устойчивость к внешним повреждениям:

Ø хорошая устойчивость к абразивному изнашиванию, отличные баллистические свойства и хорошие усталостные характеристики позволяют создавать долговечные кабели;

Ø  кевлар и тварон не поддерживают горения и сгорают только, если их держать в огне. Они не способствуют распространению пламени и тепла.

. Малый вес и объем. Гибкость:

Ø эти свойства облегчают использование кабеля, позволяя уменьшить поперечное сечение кабеля и обеспечивая создание легких и гибких конструкций.

6. Хорошая текстильная перерабатываемость, свобода при проектировании:

Ø нити кевлар и тварон можно использовать как для центрального силового элемента, так и для периферийного силового армирования. Выпускается широкая номенклатура толщины нитей, и их можно перерабатывать на имеющемся производственном оборудовании, не жертвуя при этом их эксплуатационными характеристиками;

Ø армирующие материалы полностью совместимы с другими конструкционными материалами для кабелей;

Ø  гибкость и не вызывающая затруднений переработка обеспечивают снижение риска повреждения оптических волокон в процессе переработки.

. Проверенная практикой надежность:

Ø многие годы практического применения волокон кевлар и тварон доказали их надежность и экономичность. Армирование составляет небольшую часть затрат в стоимости кабеля, но оно требует применения надежного материала с проверенными на практике характеристиками.

Некоторые характеристики армирующих материалов, используемых в кабельной промышленности, приведены в таблице 2.5 Нити тварон в настоящее время применяются для решения специальных проблем заказчика. Из них выпускают ленты для баллистической зашиты самонесущих ОК, разрывные корды, для вскрытия оболочки кабелей. Армированные твароном стержни могут быть использованы в качестве центрального силового элемента в волоконно-оптических кабелях. Такой стержень является композитом из коллимированных арамидных нитей тварон и эпоксидной смолы. Армированные твароном стержни перед силовыми элементами из стандартного эпоксистекла Е (FRP) имеют следующие преимущества: более высокий модуль упругости при растяжении (+ 25%); отрицательный температурный коэффициент расширения (противодействует положительным температурным коэффициентам других присутствующих пластиков); меньшую плотность (-35%); большую гибкость (меньшая жесткость).

Таблица 2.5 Основные параметры арамидных нитей кевлар и тварон и других армирующих материалов

Материал

Плотность, г/см3

Сопротивление разрыву, МПа

Модуль упругости, ГПа

Относительное удлинение при разрыве, %

ТКЛР, 1/К

Кевлар 49 29

1,44

3070 2950

114 72

2,5 3,6

-2*10-6

Тварон 2200 1055

1.45

2900 2900

115 125

2,7 2,5

-3*10-6

Стальная проволока

7,86

1960

200

2,0

6,6*10-6

Силикатное стекловолокно

2,48

4580

86

5,4

3,1*10-6

Высокопрочное полиэтиленовое волокно

0,98

2650

95

-


В таблице 2.6 приведены для сравнения характеристики физических свойств армированных арамидом и стеклом стержней.

Таблица 2.6 Основные параметры стержней, армированных арамидом и стеклом

Стержень

Модуль упругости при растяжении, ГПа

Прочность при растяжении, МПа

Удельный вес, г/см3

ТКЛР, 1/К

Araline

68

1600

1,3

-2*10-6

Стекло-EP/UP

45...55

1200... 1500

2,1...2,3

7*10-6


2.3.3 Армирующие материалы из стеклопластика и металла

Интересен еще один вид армирующих материалов, который чаще всего используюется для усиления сердечника ОК - это стеклопластики. Прутки из этого материала выполняют из пучка стекловолокон, пропитанных полиэфирной смолой (Япония). Основные параметры стеклопластиковых прутков приведены в таблице 2.7. Прутки изготавливаются диаметром от 2,5 до 15 мм неограниченной длины. Для изготовления прутков стекловолокно с отдающих катушек пропускают через ванну с пропитывающим составом и печь предварительной просушки. Поверх заготовки накладывают еще один слой стекловолокна, затем заготовку сушат и полимеризируют. Всю технологическую операцию осуществляют за один проход.

Из металлических армирующих элементов, применяемых в ОК, следует упомянуть стальные проволоки с латунным покрытием или полимерной оболочкой, тросы, металлические стержни с цилиндрическими канавками. Возможно применение углеродного волокна. В некоторых конструкциях ОК используют оплетки из указанных материалов, упрочненные нитями полимеры.

Оболочки могут выполняться из комбинации стеклянных или синтетических нитей, пропитанных эпоксидным компаундом, при этом не только повышается разрывная прочность и стойкость к кручению, но и увеличивается стойкость к продавливанию и герметичности. При радиальной толщине оболочки 0,25 мм и общем диаметре кабеля 1,53 мм относительное удлинение его при усилии растяжения 400 Н составляет 1%. Модуль упругости материала оболочки приблизительно равен 55 ГПа, плотность материала из стекловолокна, пропитанного эпоксидным компаундом, составляет 2,2 г/см3. Материал выдерживает 1000000 циклических перегибов при 20%-ной предельной нагрузке растяжения и сохраняет ОВ в целостности.

Таблица 2.7 Основные параметры стеклопластиковых стержней

Стержень

Плотность, г/смЗ

Разрывная прочность, МПа

Прочность на изгиб, МПа

Модуль упругости, ГПа

ТКЛР, 1/К

Neptco (США)

-

> 1500

48000

>52

5,9*10-6

Polystal (Германия)

2,1

> 1500

-

>50

6,6*10-6

Cousin (Франция)

-

> 1600

-

>50

6*10-6

Россия

1,85...2,15

900... 1200

950... 1250

50

-


.3.4  
Водоблокирующие материалы для волоконно-оптических кабелей

Все кабели бывают в такой ситуации, когда может быть повреждена оболочка. Кабели для наружной прокладки особенно подвержены воздействию воды и влаги, которая может проникнуть через небольшие дефекты оболочки или плохо выполненное соединение. В кабелях, которые постоянно подвержены сильному влиянию влаги, вода диффундирует через пластиковую оболочку, независимо от того, как хорошо изготовлена или наложена оболочка. Для предотвращения диффузии воды внутрь на кабель перед наложением оболочки (в некоторых конструкциях ОК) накладывается слой металлической (алюминиевой или свинцовой) фольги. Вода, проникающая в кабель со свободным пространством между волокнами или между трубками модулей, распространяется по сердечнику кабеля до тех пор, пока не достигнет наиболее низкой физической точки, где она будет собираться. Вода снижает срок службы кабеля, разрушая стекло. Возникает риск того, что в результате высокой концентрации водорода будет возрастать затухание в волокне.

Наилучшим способом предотвращения проникновения воды и влаги является заполнение свободного пространства между волокнами, трубками, лентами с волокнами и оболочкой водозащитным материалом, который предотвращает дальнейшее распространение воды в кабеле и таким образом ограничивает риск повреждения оболочки. В качестве водоблокируюших материалов могут использоваться гидрофобные компаунды, разбухающие порошки, ленты, нити (выполняются, в основном, на основе распушенной целлюлозы, разбухающей при контакте с водой и образующей "пробку" для дальнейшего ее распространения) или комбинации этих материалов [2.2]. Компаунд, поглощающий гидроксильные группы, может быть использован в качестве заполнителя трубки ОМ или паза модуля профильной конструкции. Обычные компаунды используются для заполнения свободного пространства и между скрепляющими лентами сердечника кабеля, лентами брони кабеля. Разбухающая лента наносится, как правило, поверх элементов с ОВ или поверх сердечника кабеля.

Гидрофобные компаунды, используемые в качестве заполнителей оптических модулей, помимо задачи защиты ОВ от воздействия влаги выполняют также функцию амортизатора для ОВ при механических воздействиях на ОК, а также функцию смазки, уменьшающей трение между ОВ и стенкой оптического модуля.

Гидрофобные заполнители отличаются диапазоном рабочих температур и назначением: внутримодульные заполнители, применяемые для заполнения модулей с ОВ, и межмодульные заполнители, применяемые для заполнения свободного пространства в сердечниках ОК и в бронепокровах, выполняемых из стальных проволок или стеклопластиковых стержней.

Внутримодульные заполнители характеризуются значительно более высокими предъявляемыми к ним требованиями и имеют меньшую вязкость по сравнению с межмодульными заполнителями.

Ключевыми параметрами для этих материалов являются: физические характеристики (блокирование распространения воды, вязкость, предел текучести, рабочая температура, технологическая стабильность, дренажные свойства и минимальное маслоотделение); химические характеристики (совместимость с акрилатными покрытиями волокна, совместимость с окрашивающими покрытиями волокна, совместимость с полимерными материалами, используемыми в конструкции кабеля); стоимость.

Композиции компаундов выбирают таким образом, чтобы обеспечить приемлемые характеристики, которые влияют на величину излишка волокна в трубках, стабильность технологического процесса введения компаунда в трубку, производительность процесса, дренажные свойства материала. Критическое значение предела текучести обусловливается усилием, необходимым для начала истечения желеобразного компаунда. Текучесть должна находиться в определенных пределах, чтобы не оказывать влияния на передающие характеристики оптического волокна. Высокое значение предела текучести (>70 Па) может способствовать возникновению напряжений, воздействующих на оптическое волокно. В то же время низкое значение предела текучести (< 25 Па) может повысить дренажные свойства компаунда, что ухудшает водоблокирующие характеристики материала.

Масла, содержащиеся в желеобразных компаундах, не должны вызывать набухания или повреждения акрилатного покрытия оптического волокна. Испытания оптических волокон после ускоренного старения с целью определения критических напряжений, которые могут привести к образованию дефектов в покрытии оптического волокна, были проведены на окрашенных оптических волокнах, что позволило оценить стойкость кодирующей окраски к действию водоблокирующих компаундов. Водоблокирующие компаунды не должны негативно влиять на полимерные материалы, которые используются в конструкциях волоконно-оптических кабелей. Для оценки возможного влияния были проведены испытания на абсорбцию при температуре 70°С в течение 28 суток. Значения величины абсорбции составили для полибутилентерефталата - 0 %, для полиэтилена высокой плотности - 5 %, для полиэтилена средней плотности - 6 %.

Основные водоблокирующие компаунды фирмы Dussek Campbell Limited имеют следующие характеристики [2.3]:

Оптифил-4900 совместим с полипропиленом. Рабочие температуры - от - 40 °С до +85°С.

Оптифил-5264 совместим с полибутилентерефталатом. Рабочие температуры - от -60 °С до +80 °С. Применяется в ленточных волоконно-оптических кабелях для заполнения трубок большого диаметра.

Оптифил-5264С совместим с полибутилентерефталатом. Рабочие температуры - от -60 °С до +100 °С. Применяется в ленточных волоконно-оптических кабелях для заполнения трубок большого диаметра.

Оптифил-5270 совместим с полибутилентерефталатом. Рабочие температуры - от -60 °С до +100 °С. Применяется при изготовлении волоконно-оптических кабелей на высокоскоростных экструзионных линиях.

Оптифил-5300 модификация оптифила-5270. Совместим с полибутилентерефталатом. Стоимость материала снижена за счет одновременного снижения температурных и реологических характеристик.

Основные характеристики внутримодульных заполнителей других фирм приведены в таблице 2.8.

Таблица 2.8 Основные параметры внутримодульных гидрофобных заполнителей разных фирм

Параметр

Seppic

H.B. Fuller

Dussek Campbell Limited

Бритиш Петролиум Амоко

Henkel KGaA

 


Seppic GC 901

Seppic OF 300 SF

Lunectra OC 389

Lunectra OC 254 SI

Optifill 5255

Optifill 5255

Naptel OP 308

Macroplast CF 250

Macroplast CF 300

Цвет

Прозрачно белый

Прозрачный

Оранжевый гель

Оранжевый гель

Белый

Бледно жёлтый

Белый

-

-

Плотность при 20 ˚С, г/см3

1,0

0,8

0,86

0,86

0,98

0,88

0,89-0,90

0,83

0,83

Температура вспышки, ˚С

>250

235

>220

>300

250

135

>250

>250

>250

Содержание воды, ppm

<300

<300

<100

<100

-

-

-

<100

<100

Вязкость, cps

6500

3000

-

-

>1000

>1000

1500

4000

6500

Пенетация, 1/мм

410±20

365

360

310

370

340

390-450

460

390

Отделение масла, %

<0,6

<1

0

<0,5

0

0

<8 за 24 Ч при 150 ˚C

0

0

Выделение водорода, %

-

-

<0,004

<0,004

<0,004

<0,004

-

<0,004

<0,004

ТКЛР, 1/К

-

-

-

-

9*10-4

7*10-4

-

-

-

Температура каплепадения, ˚С

>100

>200

-

-

Не плавится

Не плавится

>200

-

-

Летучесть, % за 24часа

< 1 при 150 ˚С

< 1 при 150 ˚С

< 0,03 при 100 ˚С

< 0,5 при 150 ˚С

-

-

< 2 при 150 ˚С

< 0,2 при 100 ˚С

< 0,2 при 100 ˚С


Остановимся на водоблокирующих лентах, например, фирмы Firet, которая выпускает неламинированные и ламинированные водоблокирующие ленты. Ленты: ЗС1144, ЗСП64, ЗС1174 - обладают высокой прочностью; ЗС1252, ЗЕ5672 - обладают высокой прочностью и полупроводимостью (используются также в качестве экрана); ЗЕ1154 - обладают высокой прочностью на разрыв и растяжение при высокой температуре; ЗЕ1241, ЗЕ1252 -обладают повышенным сопротивлением старению и температурным нагрузкам; ЗЕ1091, ЗЕ5401, ЗЕ5421 - обладают малым весом для экономичного водоблокирования OK; 3C1450, ЗС1460 -обладают способностью подклеивать экранную проволоку; ЗС1600 - обладают металлопроводящими свойствами и используются в качестве подушки под гофрированную алюминиевую оболочку.

Таблица 2.9. Основные характеристики водоблокирующих лент фирмы Firet

Тип ленты

Толщина, мм

Масса, г/м2

Разрывная прочность, Н/м

Удлинение, %

Скорость разбухание, мм/мин

Высота разбухания, мм

ЗЕ 1101

0,25

72

30

12

4

5

ЗЕ 1111

0,30

82

30

12

6

7

ЗЕ 1131

0,35

77

40

12

5

6

ЗЕ 1141

0,35

87

40

12

7,5

9

ЗЕ 5721

0,30

80

40

12

9

11


Таблица 2.10. Основные характеристики водоблокирующих нитей фирмы Firet

Тип ленты

Диаметр, мм

Масса, г/м2

Разрывная прочность, Н/м

Удлинение, %

Поглощение воды, г/м

Масса на 9000 м

3WY003

0,35/0,35

0,09

20

15

1,6

775

3WY006

0,6/0,45

0,13

25

15

2,3

1140

3WY017

1,75/1,2

0,5

25

15

14

4500

3WY025

2,5/1,8

1

90

15

28

9000

Таблица 2.11. Основные характеристики водоблокирующих лент с ламинированными нитями фирмы Firet

Тип ленты

Толщина, мм

Масса, г/м2

Разрывная прочность, Н/м

Удлинение, %

Скорость разбухания, г/м

Высота разбухания мм

Масса на 9000 м

3L 1120

0,25

85

35

12

3,5

5

-

3L 1542

0,29

85

30

13

9

10

-

3L 2542

0,30

103

59

15

9

10

5/5


2.3.5 Материалы защитных покрытий

Оболочку ОК выполняют чаще всего из полиэтилена низкого, среднего и высокого давления, поливинилхлорида, полиуретана или фторопласта. Возможно выполнение оболочки из алюминия или стали. Остановимся более подробно на характеристиках полиэтилена (ПЭ), как наиболее часто употребимого материала. Полиэтилен средней и высокой плотностей (более твердых видов) используется в ОК в связи с высокими показателями по прочности и сопротивлению деформации при высоких температурах. Самая высокая температура при постоянной эксплуатации не должна превышать 60 - 70 °С с допуском кратковременного нагревания до 90 °С, при условии, что кабель не подвергается одновременно механическому стрессу. Точка плавления ПЭ - приблизительно 110-130 °С [2.4].

Как и другие термопласты на холоде ПЭ становится жестким, хрупкость наступает при температуре около -65 °С. Предел прочности при растяжении при 20 °С составляет 10-25 МПа. Самое меньшее удлинение до наступления разрыва 500%. ПЭ стоек к старению; время эксплуатации материала практически не ограничено, если он применяется внутри помещения и не подвергается прямому солнечному свету. Если в ПЭ отсутствует стабилизатор ультрафиолетового излучения, то в материале образуются трещины. Самым распространенным стабилизатором ультрафиолетового излучения является газовая сажа. В связи с этим погодоустойчивый ПЭ, применяемый вне помещения, обычно черного цвета.

При комнатной температуре ПЭ имеет высокий уровень сопротивления на большую часть химикалий, масел и растворителей, обладает низким уровнем водопроницаемости по сравнению с ПХВ. Это означает, что ПЭ в качестве материала оболочки хорошо защищает от влаги кабель, используемый во влажных и сырых условиях.

Полиэтилен не содержит пластификаторы и поэтому не влияет на другие материалы миграцией пластификатора. Но при контакте с поливинилхлоридом, резиной и т.п. ПЭ может впитывать в себя малые количества пластификатора, поэтому его следует использовать в сочетании с безмиграционным поливинилхлоридом или применять какую-либо форму защиты против миграции пластификатора. Полиэтилен - воспламеняемый материал, для улучшения его огнестойкости используют разные добавки.

Полиэтиленовые композиции, использующиеся в качестве оболочек волоконно-оптических кабелей, должны иметь: высокий модуль упругости и повышенную механическую прочность, малую усадку, низкий коэффициент трения.

Малая усадка полиэтиленового покрытия кабелей очень важна, так как при воздействии температурных циклов возникают растягивающие силы и как следствие, - микроизгибы волокна, что приводит к увеличению затухания оптического сигнала или даже обрывам волокна.

Коэффициент трения материала непосредственно связан с его пластичностью и кристалличностью. При повышении плотности величина коэффициента трения снижается, одновременно увеличиваются усадка и жесткость. Коэффициент трения и кристалличность полимера зависят также в сильной степени от условий экструзии и охлаждения.

Быстрое охлаждение слоя материала снижает его кристалличность, приводит к возникновению внутренних напряжений и большой усадки.

Термопластиковый полиуретановый эластомер (TPU) относительно дорогой материал, и в связи с этим не так широко применяется в кабельном производстве [2.6]. Однако он обладает первоклассными механическими характеристиками, такими как высокий показатель предела прочности при растяжении (30 - 50 МПа) и выдерживает натяжение в 400 - 700 % до наступления разрыва. Замечательные показатели по абразивному износу указывают на исключительную пригодность материала в качестве оболочки для кабелей с потребностью в таком показателе, например, для военных полевых кабелей и кабелей в двигающихся частях разных машин. Полиуретан сохраняет свою гибкость при t = -40 °С и обладает хорошим сопротивлением к маслам, нефти, большинству растворителей, кислороду и озону. TPU не содержит пластификаторы и поэтому не оказывает влияния на другие материалы миграцией пластификатора.

Поливинилхлорид (ПВХ), смесь поливинилхлорида, пластификаторов, стабилизаторов и других материалов, которые могут изменяться в виде и градации. Поливинилхлорид размягчается под действием температуры и твердеет при понижении температуры. Мягкость при различной температуре зависит от количества пластификатора, поэтому его рекомендуется использовать при рабочей температуре не ниже -10 °С. Если не указано, то поливинилхлорид для изготовления оболочек можно использовать при температуре окружающей среды +70 °С. При инсталляции с высокой температурой необходимо соблюдать предосторожность, чтобы не подвергать кабель постоянному воздействию высокой нагрузки [2.7]. При температуре около 100°С на протяжении длительного периода времени стандартный ПВХ будет становиться жестким, это обусловлено выпариванием пластификаторов из материала. Специальные компаунды, такой как ПВХ 105, одобренные SEMKO для длительного использования при температуре +105°С, содержат меньшее количество летучих пластификаторов и таким образом сохраняют мягкость более длительное время.

Поливинилхлорид имеет высокую прочность и сопротивление разрыву. Для различных областей применения может быть подобрана различная прочность материала через рецептуру различных видов ПВХ с содержанием пластификаторов. Поливинилхлорид имеет практически неограниченный срок службы, если не используется вне помещении. Для использования вне помещения наиболее подходит черный ПВХ, но ПВХ светлого цвета с соответствующим составом может также обладать высоким сопротивлением воздействию окружающей среды. Он имеет высокую сопротивляемость к воздействию озона, а также к воздействию кислот, щелочей, машинных масел и других растворителей. Однако некоторые растворители масла огут выделять пластификаторы из ПВХ, делая его твердым. Сопротивление этим маслам и растворителям можно улучшить, если использовать ПВХ с меньшей возможностью выделения пластификаторов. Из-за выделения пластификаторов после длительного контакта с лакированными поверхностями или другими пластическими материалами ПВХ может делать эти поверхности липкими и привести к дальнейшим изменениям их свойств. Лаки на основе целлюлозы и полистиролы особенно подвержены влиянию, а термоусаживаемые пластики и эмалированные поверхности менее уязвимы этими эффектами. Чистый, жесткий ПВХ содержит 57% соединений хлора, которые делают материал негорючим. Хлор (как гидрохлоридная кислота) подавляет процесс горения в горючих газах.

Поливинилхлорид, используемый в кабелях, может смягчаться при добавлении различных материалов, которые во многих случаях являются горючими и уменьшают самозатухающие свойства ПВХ, в основном, при повышенной температуре. С помощью добавления различных пламязадерживающих химикатов, эти свойства могут быть значительно улучшены даже в случае стандартного ПВХ и высокой температуры.

Самозатухающие свойства ПВХ могут быть установлены с помощью лабораторных измерений кислородного индекса, температуры самовозгорания и с помощью простых методов испытания огнем.

Полиамид (ПА, нейлон) в основном используется как защитное покрытие полиэтиленовых или ПВХ оболочек в кабелях, которые подвергаются значительным механическим воздействиям (таким как термиты и мелкие грызуны) или воздействию химических веществ, а также в качестве буферного покрытия для волокон [2.8].

ПА может использоваться в большом температурном диапазоне и сохранять свои свойства при рабочей температуре до +90 °С. Температура его размягчения приблизительно 150 °С, и он остается гибким при температуре ниже -40 °С.

По сравнению с ПВХ и ПЭ полиамид является более прочным материалом, с разрывной прочностью при температуре 20 °С менее 50 МПа и удлинением разрыва не менее 100 %.

Полиамид очень долговечный материал и хорошо сопротивляется воздействию окружающей среды. Он также обладает высокой защищенностью к воздействию химикатов, масел и прочих растворителей. Кроме того, полиамид не содержит каких-либо пластификаторов и поэтому не влияет на другие материалы через миграцию пластификаторов. Он не взаимодействует с ПВХ.

Фторопласты, содержащие галогены фтора и хлора в различных концентрациях, также часто используются в качестве материала для оболочек оптических кабелей. Механические свойства этих материалов очень хорошие. Температурные свойства фторопластов, их прочность, стойкость к старению, маслам, огню и химикатам позволяют использовать их в очень широком температурном диапазоне и условиях окружающей среды, где другие материалы не могут использоваться.

Пламязадерживающие галогенонесодержащие материалы используются для оболочек кабелей, к которыми предъявляются особые требования. Одним из таких наиболее часто используемых наполнителей является триоксид алюминия АlОН3. При температуре немного выше 200 °С происходит выпаривание и формирование воды, обусловленное уменьшением триоксида алюминия. Этот процесс понижает температуру до значения ниже точки воспламенения, в то же время вода приводит к уничтожению огня. Выпаривание воды также снижает концентричность горючих газов. В результате образуется пламязадерживающий материал оксид алюминия Аl2О3. Температурные и механические свойства, стойкость к воздействию химикатов этих материалов зависит от полимерной основы и степени наполнителей.

Ряд конструкций ОК требует для своих оболочек и защитных шлангов безгалогенных, огнестойких материалов, применяемых, в основном для оболочек, для предотвращения выделения едких и токсичных газов при воспламенении. Малое выделение дыма облегчает тушение пожара и предоставляет дополнительное время для эвакуации.

На протяжении последних лет многие ведущие производители полимерных материалов из США, Западной Европы и Японии разработали и освоили производство термопластичных и сшиваемых безгалогенных композиций для изоляции, заполнения оболочек кабелей, а также для термоусаживаемых изделий (электроизоляционные трубки, перчатки).

Анализ данных, заимствованных из проспектов различных фирм-изготовителей, позволяет составить представление о диапазоне достигнутых значений наиболее критичных параметров таких композиций (таблица 2.10).

Таблица 2.10. Диапазон основных параметров выпускаемых безгалогенных полимерных композиций

Полимерная компизиция

Прочность при разрыве, МПа

Относительное удлинение при разрыве, %

Кислородный индекс, %

Термопластичные изоляция оболочка

7,5...13 7...16

140...600

27...50 35...50

Сшитые изоляция оболочка

10...14 9...13

125...350 125...160

23...30 30...40


Типичный безгалогенный полимерный электроизоляционный материал представляет собой полимерную основу (чаще всего гомополимер или сополимер олефинового ряда, эластомер или их комбинация), наполненную мелкодисперсным гидратом алюминия или магния и содержащую некоторые функциональные добавки. При воздействии пламени на такую композицию протекает эндотермическая реакция разложения гидратов с выделением воды. Пары выделившейся воды разбавляют горючие газы, образующиеся при термическом разложении полимерной основы, и экранируют поверхность полимера от воздействия кислорода. Образующиеся окислы металлов создают для полимера дополнительный изолирующий от кислорода слой. Для достижения заметного эффекта содержание гидратов металлов должно быть достаточно большим (50 - 60%), поэтому дополнительный эффект достигается за счет физического «разбавления» полимера минеральной добавкой и, следовательно, относительно снижается количество горючих газов, выделяющихся при его термическом разложении.

Подобные композиции характеризуются также тем, что образующиеся при воздействии открытого пламени газообразные продукты не являются коррозионно-активными (в их составе отсутствуют галогены), плотность дыма и токсичность выделяемых при горении газов относительно невелики.

Качественная оценка ПВХ пластикатов различных рецептур приведена в таблица 2.11.

кабельный система световод волоконный

Таблица 2.11. Качественная оценка ПВХ пластикатов для различных областей применения

Марка, рецептура ПВХ пластикатов

1

2

И 40-13А О-40

Для изоляции и оболочек кабелей общепромышленного назначения, к которым предъявляются требования по нераспространению горения для одиночных образцов без предъявления требований по показателям дымогазовыделения

НГП40-32 НГП 30-32

Для оболочек кабелей, не распространяющих горение при групповой прокладке, без предъявления требований по дымогазовыделению

ИНП ОНП ОНП-В

Для изоляции, внутренней оболочки (заполнения) и наружной оболочки кабелей, не распространяющих горение при групповой прокладке, если предъявлены требования по коррозионной активности продуктов горения, токсичности и дымовыделению (АЭС, электростанции, метрополитены, суда, высотные здания и др.)

Таблица 2.12. Относительная стоимость ПВХ пластикатов

Марка, рецептура ПВХ пластикатов

Относительная стоимость

И 40-1 ЗА (8/2)

100

0 40(239/1)

96

НГП 40-32

96

НГП 30-32

116

ИНП

95

ОНП

87

ОНП-В

83


Сегодня выбор типа пластиката во многом зависит от его цены. Данные по суммарной стоимости сырьевых компонентов рассматриваемых рецептур ПВХ пластикатов приведены в табл 2.12. Расчет проводился на одну тонну сырья и для удобства сравнения стоимость одной тонны сырьевых компонентов изоляционного ПВХ пластиката серийной рецептуры 8/2 (марка И 40-1 ЗА) принята за 100%. Из приведенных данных видно, что несмотря на существенные технические преимущества ПВХ пластикатов с пониженной пожарной опасностью, их себестоимость, как минимум, не превышает себестоимость серийных ПВХ пластиков. В настоящее время работы по дальнейшему улучшению технических и экономических показателей пластикатов типа НП продолжаются.

2.3.6 Материалы для защиты от грызунов

В качестве брони может быть использована стальная проволока, стеклопластиковые стержни, ленты или оплетка из стальных проволок с джутовой подушкой или защитным шлангом. Выбор материала защитного шланга или брони во многом определяют условия и регионы эксплуатации кабельного изделия. Например, кабели, уложенные вдоль железнодорожных путей, в метро, полевые кабели связи наиболее часто подвергаются повреждениям различными грызунами, насекомыми, вплоть до полного уничтожения целых участков изоляции по всей толщине.

Наибольшую опасность представляют: в тропической зоне термиты, проникающие не только через самые твердые сорта древесины, но и через любые полимерные материалы, которые приводят их в негодность за считанные часы; в более прохладном климате различные виды крыс, луговая собака, малый суслик, полевки, белки и пр.

Основные виды защиты от грызунов можно разделить на две группы [2.3].

Первая группа включает химические способы защиты с помощью ядохимикатов и репеллентов. Так как ядохимикаты часто приводят к гибели некоторых видов растений и животных, не представляющих угрозы для кабелей, то предстоит еще дополнительная работа по достижению избирательности применяемых веществ данного типа.

Репелленты осуществляют более надежную, безопасную для окружающей среды и эффективную защиту кабелей с пластмассовой изоляцией. Наиболее эффективным является репеллент, состоящий из (5 - 7)% дегидроабиэтиламинпентахлорфенола (ДГЭАПХФ) и (6 - 7)% тр-бутилхлорида олова (ТБХО). В качестве основы рекомендуют применять винилкаучук. Другой репеллент содержит 100 массовых частей полибутилентерефталата (ПБТФ) и 50 массовых частей растворенного в нем полимерного порошка. Специалисты США предлагают на поверхность кабеля, выполненную из полимерного материала, наносить слой из ионов лития с защитной полимерной оболочкой, сохраняющей активность достаточно длительное время.

Вторая группа включает различные виды металлических оболочек, экранов и специальных видов брони. В последнее время кабельная промышленность для реализации стальных оболочек широко стала применять металлические ленты с покрытием. Мировым лидером в области защиты ОК стала фирма DOW [2.3]. Она выпускает ламинированные алюминиевые и стальные ленты.

Бронированные оптические кабели обычно изготовляются с помощью одной стальной двусторонне покрытой пластиком ленты толщиной 0,115 мм. Эта лента гофрируется и затем продольно формируется вокруг сердечника кабеля. Сталь, покрытая пластиком, обеспечивает образование связи между пластиковым покрытием на стали и полимером внешней оболочки, результатом которой является так называемая «сцепленная оболочка». Структура «сцепленной оболочки» имеет повышенный прогиб, улучшенные прочность на пробой и сопротивление раздавливанию, а также более высокое сопротивление удару [28].

Основные физические характеристики таких лент (например типа Zetabon *S252) , следующие:

Металл

Толщина                                                   0,115 мм±0,012 мм

Максимальное растягивающее усилие            380 МПа

Минимальное удлинение                                  15 %

Покрытие

Толщина                                                   0,055 мм ± 0,0055 мм

Производительность                                         0,966 м2/кг

Характеристики клейкости ленты типа Zetabon *S252 приведены в таблице 2.13.

Таблица 2.13 Характеристики клейкости покрытия ленты

Характеристики

Условия

Методы испытания

Основные результаты (значения)

Отслаивание, Н/м

Покрытие с металлом

DOW CM-1

840

Тепловая сварка, Н/м

Покрытие с покрытием

DOW СМ-3

3150

Прилипание к оболочке, Н/м

Покрытие с оболочкой

DOW CM-4

2800

Эффект старения

После 1 недели при температуре 68°С

DOW CM-1

Без ухудшения


Функциональные возможности оболочки кабеля, выполненной из таких лент, зависят в первую очередь от глубины и плотности гофрирования. Кроме того, правильное внедрение покрытой стали в защитный шланг кабеля улучшает механические свойства кабеля, обеспечивает радиальный барьер влажности при закрытии перекрывающего шва и продольного барьера влажности при соединении покрытой стали с внешней оболочкой, а также коррозионную защиту для металлической ленты. Эти преимущества зависят от правильности проведения технологического процесса во время изготовления кабеля.

Несмотря на большое разнообразие материалов для производства кабелей в разделе были выделены его основные конструктивные группы и наиболее часто применяемые материалы. Очевидно, что в качестве внешней оболочки универсального ВОК следует остановиться на безгалогенных полимерных материалах, в качестве армирующих элементов применить кевлар. Обязательно наличие водоблокирующих композиций.

К рассмотренному следует добавить, профилированный сердечник ОК изготавливают из поливинилхлорида, полиэтилена, полиуретана или полипропилена. Кордель (заполнитель) может выполняться из полиэтилена, поливинилхлорида, полиуретана, резины и содержать хлопчатобумажную нить различной расцветки, упрочняющие элементы или токопроводящие жилы.

Скрепляющие элементы изготавливают из нитей (хлопчатобумажных, полимерных, стеклонитей), лент (полиамидных, полиэтилентерефталатных, фторопластовых, бумажных), полимерных металлизированных пленок. Армирующие элементы для ОК отличаются высокой прочностью на разрыв (2000 - 3000 МПа), высокой гибкостью, имеют большой модуль Юнга (60000 -100000 МПа) и малую массу.

Во многих случаях одним из основных требований к ОК является отсутствие металлических элементов в его конструкции. В этом случае армирующие элементы выполняют из неорганических или полимерных материалов. Это позволяет к тому же существенно уменьшить массу кабеля, увеличить его стойкость к многократным деформациям изгиба, кручения, перемотке и увеличить срок службы.

На основе приведённого анализа материалов основных элементов ВОК обоснуем выбор материалов конструктивных элементов универсального кабеля:

Ø оптическое волокно: кварц OFS GIM 50/125 - характеристики волокна удовлетворяют результатам расчёта оптических параметров многомодового градиентного световода, приведённого в конструкторском разделе дипломного проекта;

Ø  профилированный сердечник: полиамид - выбран как материал обладающий расширенным температурным диапазоном, гибкостью при низких температурах, долговечностью;

Ø  центральный силовой элемент: стеклопластик Polystal - обеспечивает оптимальное повышение стойкости оптического кабеля к растягивающим нагрузкам;

Ø  гидрофобный заполнитель: гель BP Naptel OP 308 - обладает отличными пожаробезопасными характеристиками, повышенной вязкостью;

Ø  оптический модуль: полибутилентерефталат имеет механические характеристики, обеспечивающие защиту ОВ, размещаемых внутри оптических модулей, от внешних воздействий;

Ø  скрепляющие нити: Firet 3WY003 - нити, имеющие приемлемые характеристики и что особенно важно, небольшую массу;

Ø  арамидные нити: кевлар 49 - наиболее распространённый материал, имеющий незначительную плотность, повышенное сопротивление разрыву;

Ø  внешняя оболочка: полиэтилен ME6081 Borealis - безгалогенная полимерная композиция.

2.4    Анализ технологий производства ВОК

В зависимости от назначения технологические процессы и операции производства оптического кабеля включают:

Ø изготовление заготовки для вытяжки волокна;

Ø  изготовление оптического волокна;

Ø  наложение на оптическое волокно защитной полимерной оболочки;

Ø  скрутку волокон;

Ø  наложение оболочки (металлической, пластмассовой);

Ø  наложение защитных покровов (в том числе, брони).

В большинстве машин для изготовления оптического кабеля имеется четыре основных механизма [2.3]:

Ø отдающее устройство, в которое устанавливается отдающая тара или заготовка;

Ø  рабочий механизм, с помощью которого осуществляется заданный технологический процесс;

Ø  тяговое устройство, обеспечивающее продольное перемещение изготавливаемого изделия через машину с постоянной линейной скоростью;

Ø  приёмное устройство, в которое устанавливают приёмную тару и в которое поступает изделие, прошедшее через машину.

С целью уменьшения операций перезаправки машин, сокращения внутрицеховых перемещений применяют совмещение нескольких технологических операций в один технологический процесс.

При нанесении защитного покрытия используется экструзионная линия, позволяющая перерабатывать поливинилхлоридный пластикат, полиэтилен, полиамид, фторопласты, полибутелентерефталаты.

Линия состоит в основном из тех же узлов, что и аналогичные экструзионные линии для изготовления электрических кабелей, но имеет и свои особенности. Движение оптического волокна должно происходить прямолинейно, без рывков, так как перегибы волокна при одновременном приложении осевых усилий могут привести к его разрушению. Поэтому в ней для варьирования натяжения предназначено устройство, регулирующее вращающий момент на приёмном барабане.

Машины для скрутки оптических кабелей относятся к классическому типу машин однонаправленной скрутки, т.е. в них отдающее устройство вращается вокруг оси кабельного изделия. Имеются для скрутки оптических кабелей также машины, в которых отдающее и приёмное устройства неподвижны, а вокруг оси вращается самостоятельный крутильный узел. Это так называемые машины разнонаправленной скрутки. Их часто называют машинами SZ-скрутки или реверсивной скрутки.

Крутильные машины однонаправленной скрутки делятся на клетьевые и дисковые. Клетьевые крутильные машины состоят из отдающего устройства для сердечника кабеля, крутильного фонаря, лентообмотчика (центрального или эксцентричного), тягового и приёмного устройств, пульта управления.

Дисковые крутильные машины представляют собой крутильный диск, насаженный на полый вал с приводной шестернёй на входном и распределительной розеткой на выходном концах.

Машины разнонаправленной скрутки используют распределительные розетки не подвижные, как в машинах однонаправленной скрутки, а совершающие колебательно-вращательное движение. Фактически получается спиралеобразная укладка элементарного пучка, что ухудшает гибкость кабеля. Основным преимуществом разнонаправленной скрутки является возможность компоновки на их базе поточных линий, совмещающих, например, скрутку с наложением защитной оболочки.

Наложение полимерных защитных оболочек осуществляется на экструзионных линиях, технологическая схема которой аналогична рассмотренной выше.

Для наложения металлических (алюминевых, стальных) оболочек на оптический кабель используется дуговая сварка в среде защитного газа.

2.4.1 Технология изготовления оптического кабеля с профилированным сердечником

За рубежом большое внимание уделяется изготовлению оптических кабелей со спирально профилированным сердечником. В технологическом разделе дипломного проекта рассмотрена схема изготовления профилированного сердечника. Скрутка волокон в кабель с профилированным сердечником осуществляется с помощью машины реверсивной скрутки. Оболочки наносят с помощью экструзионной линии.

Известны также другие варианты изготовления оптического кабеля с профилированным сердечником. Одна из них представляет собой схему с вращающимися катушки с оптическим волокном относительно неподвижного сердечника. Пазы сердечника изготавливаются его экструдированием с помощью вращающейся головки или матрицы или формированием пазов вращающимися фрезами.

2.4.2 Технология изготовления ленточных оптических кабелей

Пластмассовые ленты типа лавсан с подслоем полиэтилена склеиваются между собой, и таким образом, оптические волокна оказываются запечатанными между лентами. Два отдающих рулона с лентами проходят нагревательные ролики, в которых полиэтилен размягчается. Затем нагретые ленты соединяются между собой прижимными роликами. В то время, как оптические волокна проходят проходят распределительную гребёнку и покрываются мягкими слоями полиэтилена, нанесённого на лавсановые ленты, тянущие ролики постоянно протягивают скленую ленту с впечатанными в неё волокнами и обеспечивают натяжение лент с отдающих рулонов.

Изготовление ленточных кабелей может осуществляться также и методом экструзии: с помощью специального технологического инструмента выпрессовывается профильный сердечник с пазами, после охлаждения которого с помощью специальных приспособлений в пазы укладываются оптические волокна. Поверх пазов накладывается полимерная лента, которая подклеивающим устройством закрепляется на поверхности сердечника, образуя монолитную конструкцию.

При изготовлении многоволоконных ОК плоские элементы в виде лент с запечатанными ОВ укладываются в пазы профилированного сердечника или в защитные оболочки.

В специальном разделе дипломного проекта рассмотрены достоинства и недостатки кабелей внешней и внутренней прокладки, проведён анализ материалов и их свойств для конструктивных элементов волоконно-оптических кабелей СКС: рассмотрены материалы для изготовления оптического волокна, армирующие, водоблокирующие материалы, материалы защитных покрытий и защиты от грызунов. На основе проведённого анализа предложены материалы для элементов универсального волоконно-оптического кабеля, выбранного в исследовательском разделе (табл. 2.14).

Таблица 2.14 Материалы элементов универсального ВОК

№ п/п

Название элемента

Материал

1

Оптическое волокно

Кварц OFS GIM 50/125

2

Профилированный сердечник

Полиамид Grilamid EMS

3

Центральный силовой элемент

Стеклопластик Polystal

4

Гидрофобный заполнитель

гель BP Naptel OP 308

5

Оптический модуль

полибутилентерафталат Ultradur B 6550 LN

6

Скрепляющие нити

Firet 3WY003

7

Арамидные нити

кевлар 49

8

Внешняя оболочка

полиэтилен ME6081 Borealis


Рассмотрены технологии производства кабелей. Выбрана технология изготовления профилированного сердечника и его скрутка с оптическими модулями на реверсивной машине.

3.      
КОНСТРУКТОРСКИЙ РАЗДЕЛ

Оптические кабели представляют собой один из компонентов оптической системы передачи. Они должны надёжно работать в самых широких диапазонах температур и давлений, обеспечивая при этом минимальное тепловое рассеивание энергии, минимальное искажение уровня и формы сигнала, передаваемых по ним. Малое относительное удлинение оптического волокна (менее 0,5 %), чувствительность к малейшим деформациям приводит к тому, что конструирование оптических кабелей имеет ряд особенностей, несвойственных принципам конструирования обычных кабельных изделий.

Общая схема конструирования ОК может быть сформулирована следующим образом [3.1]:

Ø  выбор исходных данных для расчёта;

Ø  расчет основных параметров ОВ;

Ø  расчет параметров ОК на основе общих требований к оптическим линиям связи;

Ø  расчет механической прочности ОК;

Ø  расчёт массогабаритных размеров элементов ОК.

3.1    Выбор исходных данных для расчёта

Таблица 3.1 Исходные данные для расчёта

Материал сердцевина/оболочка

кварц/кварц

сердцевина 2а, мкм

50

оболочка 2b, мкм

125

n1 сердцевины

1,48

n2 оболочки

1,46

λ1, нм

1310

L1, м

2200

протокол передачи

Gigabit Ethernet

Расчёт будет произведён для многомодового волоконно-оптического кабеля, как основного для систем внутренних магистралей. Одномодовые волоконно-оптические кабели рекомендуется только применять для длинных внешних магистралей. Для многомодовых оптических кабелей стандарты [3.2] устанавливают ограничения на максимальную длину - 2000 м. Прибавим максимальную длину по зданию - 100 м, которая равна максимальной длине подсистеме здания от главного кросса до горизонтального. Протокол передачи Gigabit Ethernet «точка-точка», следовательно, общая длина магистральной системы - 2200 м.

Многомодовые оптические кабели СКС согласно стандартам [3.3] должны строится на градиентных волокнах    структуры стекло/стекло с диаметром сердцевины 50 или 62,5 мкм. По сравнению с волокнами 62,5/125 световод 50/125 имеет заметно лучшие частотные свойства, что является важным в случае передачи сигналов интерфейса Gigabit Ethernet.

Использование универсального кабеля предполагает уменьшение мест коммутации трактов и отсутствие точки перехода, что способствует уменьшению затуханию сигнала. Это очень важно для работы сетей Gigabit Ethernet, каналы которых имеют малый бюджет потерь [3.4].

В качестве рабочей длины волны выбираем 1310 нм, т. к. передать сигнал на расстоянии более 2000 м является невозможным на других длинах волн при использовании градиентного многомодового волокна [3.5].

3.2   
Расчет основных параметров многомодового волоконного световода с градиентным профилем показателя преломления

Рис. 3.1. Схема распространения излучения в многомодовом волоконном световоде с градиентным профилем показателя преломления

3.2.1 Расчёт нормированной разности показателя преломления

Рассчитаем нормированную разность показателя преломления для максимального показателя преломления (точка А) по формуле (3.1):

,                                                                                       (3.1)

где n1 - показатель преломления сердцевины;

n2 - показатель преломления оболочки.

.

Нормированная разность показателя преломления прямопропорциональна апертуре:

,                                                                                           (3.2)

где NA - числовая апертура;

n1 - показатель преломления сердцевины.

В свою очередь, числовая апертура используется для числовой оценки апертурного угла, характеризующего эффективность ввода оптического излучения в световод. Таким образом, нормированная разность показателей преломления сердцевины и оболочки влияет на эффективность ввода излучения - апертурный угол ΘA.

,                                                                          (3.3)

где n1 - показатель преломления сердцевины;

∆ - нормированная разность показателя преломления.

3.2.2                   Расчёт локальной числовой апертуры

,                                                                               (3.4)

где n1(r) - распределение показателя преломления по радиусу волокна;

n2 - показатель преломления оболочки.

.

3.2.3  Расчёт максимальной входной угловой апертуры световода

,                                                                               (3.5)

Где ΘАmax - максимальная входная угловая апертура световода;

где NA - числовая апертура.

ΘАmax = 14º02'.

3.2.4  Расчёт нормированной частоты

Определим нормированную частоту V - структурный параметр, который определяет число мод в волоконном световоде.

,                                                                                     (3.6)

где  - радиус сердцевины, мкм;

λ - длина волны излучения, мкм;

NA - числовая апертура.

По заданию расчет ведется для λ1 = 1310 нм = 1.310 мкм


3.2.5  Расчёт числа мод в волоконном световоде

Мода представляет собой математическое и физическое понятие, связанное с процессом распространения электромагнитных волн в среде. Распределение электрического поля света вдоль вертикальной оси представляет собой стоячую волну. Это распределение многократно периодически повторяется вдоль горизонтальной оси. Такая форма распространения называется модой. Часто под модой достаточно понимать вид траектории, вдоль которой может распространяться свет. Число мод, допускаемых волокном, колеблется от 1 до 100000. Таким образом, волокно позволяет свету распространяться по множеству траекторий, число которых зависит от размера и свойства волокна.

,                                                                                  (3.7)

где М - число мод;

V - структурный параметр;

 - коэффициент, определяющий профиль показателя преломления световода:

 = 1 для треугольного профиля показателя преломления;

 = 2 для параболического профиля;

 = ∞ для ступенчатого профиля.

Число мод для волоконного световода параболического (градиентного) профиля показателя преломления:

;                                                                                           (3.8)

;

3.2.6  Расчёт критической частоты

Рассчитаем критическую частоту fc, т.е. частоту распространения света заданной длины волны в световоде:

,                                                                                       (3.9)

где с - скорость света в вакууме, мкм/с;

λ - длина волны излучения, мкм;

NA - числовая апертура.

;

3.2.7  Расчет критической длины волны

Рассчитаем критическую длину волны, соответствующую структурному параметру Vc= 3.4; при всех λ ≥ λс в данном волоконном световоде может распространяться только одна мода.

,                                                                                              (3.10)

где 2 - диаметр сердцевины, мкм;

Vc - критический структурный параметр;

NA - числовая апертура.

.

3.2.8    Расчёт потерь энергии на поглощение

Следует отметить, для определения коэффициента затухания пользуются измерением мощности на входе и выходе волоконного световода.

,                                                                            (3.11)

где P(L) - мощность на выходе волоконного световода длиной L;

P(0) - мощность излучения, введенного в канал;

α - коэффициент затухания световода, показывающий степень затухания на единицу длины.

Если длина оптического волновода L, км, то:

                                                                                  (3.12)

α - [Дб/км].

Децибел = 0.1 бел - логарифмическая единица отношения двух одноименных физических величин.

Дб ~ 80% P(0);

Дб ~ 50% P(0) (на L = 1 км).

Потери энергии на поглощение определим по формуле:

,                                                                     (3.13)

где с, к - постоянные (для кварца: с = 0,9 Дб/км, к = 0,8·10-6 м = 0,8 мкм);

λ - длина волны излучения, мкм.

;

3.2.9  Расчет потерь на рассеяние

Рассчитаем потери на рассеяние - обусловленные, с одной стороны, неоднородностями материала ОВ, расстояние между которыми меньше длины волны; а с другой,- тепловыми флуктуациями показателя преломления. Потери на рассеяние часто называются релеевскими, и они определяют нижний предел потерь, который с увеличением длины волны уменьшается согласно выражению:

,                                                                               (3.14)

где кР - коэффициент рассеяния (кр (кварца) = 0,8 );

λ - длина волны излучения, мкм.

;

3.2.10     Расчёт общих потерь энергии в волоконном световоде

                                                                                       (3.15)

;

3.2.11         Расчет модовой дисперсии

Характеристикой волоконного световода, определяющей скорость передачи данных и ширину полосы пропускания является дисперсия - уширение импульса по мере его распространения по волокну.

Физическим смыслом дисперсии является увеличение длительности импульса оптического излучения при его распространении по волоконному световоду длиной 1 км.

Причины дисперсии:

Ø  некогерентность источника излучения и конечная ширина спектра;

Ø  большое количество мод;

Ø  флуктуации показателя преломления.

Дисперсия не только ограничивает частотный, но и снижает дальность передачи сигнала, поэтому большие значения дисперсии приводят к необходимости восстановления сигнала через определенный промежуток длины.

,                                                                                    (3.16)

где τс - модовая дисперсия;

n1 - показатель преломления сердцевины;

∆ - нормированная разность показателя преломления;

L - длина волоконного световода, м;

с - скорость света в вакууме, м/с.

.

3.2.12       Расчёт полосы пропускания

Наряду с затуханием, важнейшим параметром волоконного оптического световода является пропускная способность . Она определяет полосу частот, пропускаемых световодом и, соответственно, объем информации, который можно передать. В идеальном случае по волоконному световоду можно передавать информацию на большие расстояния, а фактически имеется большое количество ограничений. Это обусловлено тем, что сигнал на вход приемного устройства приходит размытым, и чем длиннее линии, тем больше искажение сигнала. Причина - модовая дисперсия, возникающая из-за различия времени распространения различных мод в световоде, и наличия частотной зависимости показателя преломления и коэффициента распространения моды.

Пропускная способность волоконного световода зависит от режима его работы (одномодовое или многомодовое), от профиля показателя преломления (ступенчатый или градиентный), от типа излучателя (лазер или светодиод).

Связь между модовой дисперсией и полосой пропускания:

,                                                                                           (3.17)

где ∆F - полоса пропускания волоконного световода;

 - модовая дисперсия, с.

.

3.3    Расчет параметров ВОК на основе общих требований к оптическим линиям связи

При конструировании оптического кабеля необходимо учитывать общие требования, предъявляемые к оптической кабельной линии связи в целом с точки зрения обеспечения заданного качества связи. При выборе параметров кабеля следует стремиться к тому, чтобы кабель, предназначенный для использования на линиях до определенной длины, имел затухание, обеспечивающее длину регенерационного участка, равного данной длине, и одновременно давал дисперсию сигнала на данном расстоянии, соответствующую максимально допустимому уширению импульсов в работавшей по нему системе передачи.

По мере распространения оптического сигнала по линии происходит снижение уровня мощности, и увеличение дисперсии во времени его составляющих.

3.3.1 Расчёт оптического бюджета

Произведем расчет оптического бюджета ВОЛС на основе универсального оптического кабеля и на основе двух различных кабелей - для внешней и внутренней прокладки.

Номинальные значения потерь различного рода элементов ВОЛС представлены в таблице 3.2 [3.6]

Таблица 3.2 Номинальные значения потерь в ВОЛС

Элемент

Потери

Сплайс-пластина

0,1 Дб

Автоматическая сварка

0,01 Дб

Коннектор типа SC, ST, FC

0,5 Дб

Волокно GigaGuide® 50 XL

0,7 на длине волны 1310 нм


Оптическое волокно подбираем в соответствии с рассчитанными параметрами (см. п. 3.2). Характеристики используемого волокна представлены в таблице 3.4 [3.7].

Марка оптического волокна - OFS Grade Index Multimode имеет ближайшие значения к рассчитанным параметрам.

Таблица 3.4 Характеристики волокна OFS Graded Index Multimode

Физические характеристики

1

2

Диаметр сердцевины (мкм)

50,0 ± 2.5

Диаметр оболочки (мкм)

125 ± 1

Диаметр покрытия (мкм)

245 ± 10

Эллиптичность сердцевины (%)

5

Эллиптичность оболочки (%)

1

Эксцентриситет сердцевина/оболочка (мкм)

1,5

Эллиптичность покрытия (%)

5

Эксцентриситет оболочка/покрытие (мкм)

6

Стандартный тест на прочность (kpsi)

100

Стандартные длины на катушках (км)

2,2-8,8

Оптические характеристики

Затухание на 850 нм (дБ/км)

2,4

Затухание на 1310 нм (дБ/км)

0,7

Разность затуханий 1380-1300 нм (дБ/км)

1,0

Числовая апертура

0,20 ± 0,015

Диапазон длин волн нулевой дисперсии (нм)

1297-1316

Максимальный дисперсионный наклон (пс/нм2 км)

0,097

Затухание при изгибе (дБ/км) 100 витков, диаметр 75 мм на 850 нм и 1300 нм

0,5

Ступеньки в затухании (дБ) на 850 нм и 1300 нм

0,08

Эффективный групповой показатель преломления

1

2

850 нм

1,483

1310 нм

1,479


Для магистральной передачи сигнала будем использовать стандарт передачи данных 1000Base-LX - Gigabit Ethernet.

Требования стандарта 1000Base-LX к активному оборудованию представлены в таблице 3.4 [3.8].

Таблица 3.4 Требования стандарта 1000Base-LX к активному оборудованию

Параметр

Величина

Длина волны лазера, нм

Мощность излучения лазера, дБм

-13,5 до -3

отношение ON/OFF, Дб

9

Чувствительность приемника, дБм

-19

Уровень насыщения приемника, дБм

-3


Параметры сети Gigabit Ethernet:

Ø  Тип среды передачи - одномодовое волокно 9/125 мкм, многомодовое волокно 50/125 мкм, многомодовое волокно 62,5/125 мкм;

Ø  Максимальная скорость передачи - 1 Гбит/с;

Ø  Топология сети - звезда, точка-точка;

Ø  Максимальная длина сегмента -   2200 м при длине волны 1310 нм;

550 м - при 850 нм.

Ø  Подключение к физической среде - коннекторы ST, SC, MIS.

Технические параметры типичного микротрансивера конвертора, используемого в сетях Gigabit Ethernet представлены в таблице 3.5.

Таблица 3.5 Технические параметры микротрансивера

Стандарт сети

1000Base-LX

Тип волокна

MM 50/125

Рабочая длина волны, нм

1310

Выходная мощность источника, Дбм

-5

Чувствительность приёмника, Дб

-19

Уровень насыщения приёмника, Дб

-9

Оптические коннекторы типа

ST


.3.2   Расчет бюджета ВОЛС на основе универсального ВОК

Принципиальная схема трассы представлена на рис. 3.2.

Рис. 3.2 Принципиальная схема трассы

На трассе будут идентифицированы следующие события:

1.  Отражающий дефект. Причина - коннектор, используемый для коммутации микротрансивера с оптическим патч-кордом; потери на коннекторе - 0,5 Дб;

2.      Соединение в оптическом кроссе (распределительное устройство этажа). Источник - точка соединения патч-корда с универсальным ВОК; потери на сплайсе - 0,1 Дб;

.        Соединение в оптическом кроссе (распределительное устройство этажа). Источник - точка соединения патч-корда с универсальным ВОК; потери на сплайсе - 0,1 Дб;

.        Отражающий дефект. Причина - коннектор, используемый для коммутации патч-корда с входом микротрансивера; потери на коннекторе - 0,5 Дб.

Потери на вышеописанном участке трассы вычисляются по формуле 3.18:

,                                                      (3.18)

где - длина трассы;

- коэффициент затухания оптического волокна;

 - количество неразъемных соединений в тракте;

 - потери в неразъёмных соединениях;

 - количество коннекторов;

 - потери коннекторах.

В формулу 3.18 подставляем номинальные значения потерь в ВОЛС, представленные в таблице 3.2.


.

Оптический бюджет трассы высчитывается по формуле 3.19:

,                                                              (3.19)

где А - уровень мощности передатчика;

В - уровень чувствительности приемника.

Дб - энергетический запас линии на случай некачественной сварки и дополнительных соединений ВОК.

Подставляем в формулу 3.19 значения, полученные в результате расчетов по формуле 3.18, и параметры микротрансивера (табл. 3.5). В итоге получаем значение оптического бюджета:

.

Полученное значение оптического бюджета является приемлемым для стандарта 1000Base-LX. Рекомендуемый бюджет трассы должен быть не менее 7,5 Дб - данное условие выполняется.

3.3.3 Расчет бюджета ВОЛС на основе внутриобъектового и внешобъектового кабеля

Принципиальная схема трассы представлена на рис. 3.3.

Рис. 3.3 Принципиальная схема трассы

На трассе будут идентифицированы следующие события:

1.      Отражающий дефект. Причина - коннектор, используемый для коммутации микротрансивера с оптическим патч-кордом; потери на коннекторе - 0,5 Дб;

2.      Соединение в оптическом кроссе (распределительное устройство этажа). Источник - точка соединения патч-корда с универсальным ВОК; потери на сплайсе - 0,1 Дб;

.        Соединение в оптическом кроссе (распределительное устройство здания). Источник - соединение внутриобъектового кабеля с межобъектовым; потери на сплайсе - 0,1 Дб;

.        Соединение в оптическом кроссе (распределительное устройство здания). Источник - соединение межобъектового кабеля с внутриобъектовым; потери на сплайсе - 0,1 Дб;

5.      Соединение в оптическом кроссе (распределительное устройство этажа). Источник - точка соединения внутриобъектового кабеля с патч-кордом; потери на сплайсе - 0,1 Дб;

6.      Отражающий дефект. Причина - коннектор, используемый для коммутации патч-корда с входом микротрансивера. потери на коннекторе - 0,5 Дб.

Потери на вышеописанном участке трассы вычисляются по формуле 3.18:


.

Оптический бюджет трассы высчитывается по формуле 3.19:

.

Полученное значение оптического бюджета является приемлемым для стандарта 1000Base-LX. Рекомендуемый бюджет трассы должен быть не менее 7,5 Дб - данное условие выполняется.

Сравнение полученных результатов расчета оптического бюджета:

Бюджет ВОЛС на универсальном кабеле - 10,24 Дб.

Бюджет ВОЛС на 2-х типах кабеля - 10,06 Дб.

Из полученных результатов видно, что бюджет отличается на 0,2 Дб, что является малым значением даже для 1000Base-LX. Но, стоит отметить, что полученные результаты являются идеальными. Если учесть специфику прокладки СКС, то аксиома о том, что мест сварки или коммутации ВОК должно быть как можно меньше, имеет огромное значение. Это обусловлено следующими факторами:

Ø удорожание монтажа, вследствие использования дополнительных кроссов;

Ø  усложнение монтажа;

Ø  возрастает вероятность ошибки при сварке или установке сплайс-пластин в распределительных устройствах здания.

3.3.4 Расчёт числа каналов

Число каналов, передаваемых по оптическому кабелю, определяется соотношением [3.9]:

=1/2(nов-nрез)Nc,                                                                          (3.20)

где nов - общее число оптических волокон;

nрез - число резервных оптических волокон;

Nc - число каналов в системе передачи.

nов=12;

nрез=0;

Nc=12.

Nk=6*12=7

3.4   
Расчет механической прочности универсального ВОК для СКС

Для правильной оценки внешних механических нагрузок, действующих на оптический кабель, следует рассмотреть сначала механизм разрушения оптических волокон под воздействием механических напряжений.

3.4.1 Растягивающие нагрузки

Растягивающие нагрузки ОК делятся на постоянные и переменные, статические и динамические. Прочность оптического волокна определяется в основном наличием поверхностных трещин, которые произвольно располагаются вдоль всей его длины. Величина прочности зависит от длины образца оптического волокна, скорости приложения нагрузки и условий окружающей среды. Если к волокну не прикладывать нагрузок, то его механические и оптические свойства остаются неизменными, даже если на волокно воздействуют влага, вода, кислоты большой концентрации или другие химические вещества. Если к волокну прикладывать напряжение, то трещины на его поверхности могут увеличиваться. Таким образом, волокна, которые подвергаются растягивающему напряжению, кручению или перегибам, подвергаются воздействию статической усталости, что со временем приводит к ухудшению их прочностных характеристик.

Обычно при изготовлении оптические волокна подвергаются тестированию на механическую прочность, т.е. испытаниям на перемотку под натяжением по всей их длине. В результате использование волокон с низкой механической прочностью для изготовления оптических кабелей исключается.

Для выбора конструкции оптического кабеля необходимо помнить, что в процессе прокладки и эксплуатации кабель подвергается комплексному воздействию различных механических нагрузок. Рассмотрим важнейшие из них.

Постоянные статические нагрузки действуют, например, на кабель, намотанный под натяжением на барабан. Этот вид нагрузок вызывает усталостные напряжения, которые особенно в присутствии влаги могут вызвать разрушение оптического волокна при нагрузках, значительно меньших обеспечиваемых прочность материала, из которого оно изготовлено.

Статические усталостные напряжения можно предотвратить, регулируя отношение напряжения растяжения волокна к максимальному кратковременному разрушающему напряжению. Применение специальных мер по защите волокна от влаги, таких как желеобразные заполнения или металлические оболочки, также значительно увеличивает стойкость кабеля к данному виду нагрузок.

Упрощенный инженерный расчет внешней растягивающей силы, действующей на кабель при воздушной прокладке, может быть проведен по формуле (3.21) [3.21]:

,                                                                                     (3.21)

где F - растягивающая нагрузка ОК;

lп - расстояние между точками подвеса;

P0 - погонный вес кабеля;

f - стрела провеса;

g - ускорение свободного падения.

F=184 кг

Изгибающие и раздавливающие нагрузки рассчитываются исходя из особенностей прохождения кабеля через направляющие ролики при размотке и прокладке кабеля кабеля.

Истирающие нагрузки непосредственного влияния на оптическое волокно не оказывают, если сохранена целостность защитной оболочки.

3.5  Расчет геометрических размеров ВОК

Разнообразие областей применения ОВ в системах волоконно-оптической связи в составе СКС требует, чтобы были разработаны самые различные конструкции кабелей с соответствующими размерами и материалами. Исходя из структуры волокна, выбрана конструкция волоконно-оптического кабеля, которая представлена на рис. 3.4.

Рис. 3.4 Конструкция универсального ВОК для СКС.

1-  центральный силовой элемент:

2-      оптическое волокно;

-        гидрофобный заполнитель;

-        профилированный сердечник;

-        оптический модуль;

-        скрепляющие нити;

-        арамидные нити;

-        внешняя оболочка.

Из рис. 3.4 следует, что общий диаметр данного кабеля (d) складывается из следующих размеров:

,                                                                                      (3.22)

где - диаметр профилированного сердечника;

- диаметр сердечника с арамидными нитями.

Толщина внешней оболочки LSZH указана в таблице 3.6.

Диаметр профилированного сердечника () вычисляется по формуле (3.23):

,                                                                       (3.23)

где - диаметр центрального силового элемента;

- расстояние от края центрального силового элемента до профиля;

- диаметр профиля.

Диаметр профиля вычисляется по формуле (3.24):

,                                                                                        (3.24)

где - диаметр модуля;

- расстояние между модулем и профилем.

Диаметр модуля вычисляется по формуле (3.25):

,                                                                                (3.25)

где -диаметр волокна в лакокрасочном покрытии;

- расстояние между волокнами;

- толщина слоя ПБТ.

Исходные данные для расчета представлены в таблице 3.6. Диаметр модуля, диаметр центрального силового элемента, диаметр профилированного сердечника, толщина скрепляющих нитей, толщина покрова арамидных нитей выбраны исходя из проведенного анализа современных внутри- и межобъектовых кабелей различных производителей.

Таблица 3.6 Исходные данные для расчёта геометрических размеров ВОК

Параметр

Значение

1

2

Диаметр волокна - , мкм250,0


Расстояние между волокнами - , мкм250,0


1

2

Толщина слоя ПБТ- , мм0,2


Диаметр центрального силового элемента - , мм1,0


Расстояние между модулем и профилем - , мм0,2


Расстояние от края центрального силового элемента до профиля - , мм1,2


Толщина скрепляющих нитей, мм

0,35

Толщина покрова арамидных нитей, мм

0,4

Толщина оболочки LSZH, мм

1,0


3.5.1 Расчет диаметра модуля

Расчет проведен по формуле 3.25:

.

3.5.2 Расчет диаметра профиля

Расчет проведен по формуле 3.24:

.

3.5.3
Расчет диаметра профилированного сердечника

Расчет проведен по формуле (3.23).

.

3.5.4  Расчет полного диаметра универсального ВОК для СКС

Расчет полного диаметра кабеля рассчитывается путем сложения диаметра профилированного сердечника, толщины покрова арамидных нитей и диаметра внешней оболочки.

Проведено сравнение расчетного значения диаметра универсального ВОК с диаметрами ВОК типа Distribution и Breakout других производителей, диаметры кабелей Distribution и Breakout при количестве волокон равно 12-ти составляют 8 мм и 14 мм, соответственно. Размер же универсального ВОК составляет 9,2 мм, что говорит о его габаритных преимуществах по сравнению с ОК типа Breakout при аналогичной, по функциональности, степени защиты. По сравнению с кабелем типа Distribution, универсальный ВОК имеет больший диаметр, но превосходит данный кабель по степени защиты.

3.6    Расчет масс элементов волоконно-оптического кабеля

3.6.1       Расчет массы центрального силового элемента

Расчет массы центрального силового элемента производится по формуле 3.26:

,                                                                               (3.26)

где - диаметр стеклопластикового стержня, см;

- плотность стеклопластика, г/см3.

Диаметр стеклопластикового стержня в соответствие с расчетом, проведенным в п. 3.5, равен 1 мм.

В разработанном универсальном ВОК будет использоваться стеклопластик марки Polystal (Германия), плотность стеклопластика  = 2,1 г/см3.

Следовательно, масса центрального силового элемента равна:


3.6.2       Расчет массы профилированного сердечника

Расчет массы профилированного сердечника производится по формуле 3.27:

,                                                                                 (3.27)

Где - площадь профилированного сердечника, мм2;

- плотность материала профилированного сердечника, г/см3.

Площадь профилированного сердечника вычисляется по формуле 3.28:

,                      (3.28)

где Sп - площадь сердечника, включая профили и отверстие под центральный силовой элемент, Sп = 25,51 мм.

S4 - площадь, занимаемая центральным силовым элементом;

S5 - площадь, занимаемая профилем. S5 складывается из половины площади круга - S2 и площади прямоугольника - S3. Радиусом профилированного сердечника можно пренебречь ввиду того, что он имеет намного большее значение по сравнению со сторонами прямоугольника и вносимая им масса оценивается в 0,006 г/м.

Рис. 3.5 Схема расчета площади профилированного сердечника

В разработанном ВОК используется профилированный сердечник марки BIPLEX, плотность материала = 0.9 г/см2

3.6.3
Расчет массы оптического модуля

Расчет массы оптического модуля производится по формуле 3.29:

,                                                                               (3.29)

где - площадь оптического модуля;

- плотность материала оптического модуля, г/см3;

n - количество оптических модулей.

Рис.3.6 Схема расчёта площади оптического модуля

Площадь оптического модуля определяем из рис. 3.6 .

- плотность материала оптического модуля, г/см3.

В разработанном ВОК, для изготовления оптических модулей используется полибутилентерафталат марки Ultradur B 6550 LN, плотность материала = 0.932 г/см3.

Определим массу оптического модуля о формуле 3.29:

3.6.4 Расчет массы гидрофобного заполнителя

Расчет массы гидрофобного заполнителя производится по формуле 3.30:

,                                                                        (3.30)

где - площадь, занимаемая гидрофобным заполнителем;

- плотность гидрофобного заполнителя, г/см3;

n - количество оптических модулей.

- площадь оптического модуля без учета его оболочки;

- площадь, занимаемая оптическими волокнами в оптическом модуле, рассчитывается по следующей формуле:


В разработанном ВОК используется гидрофобный заполнитель компании British Petroleum Naptel OP 308.

Таблица 3.6 Параметры гидрофобного заполнителя BP Naptel OP 308

Материал

Цвет

Плотность, г/см3

Твспышки˚С

Вязкость, Cps

Отделе-ние масла,%

Температура каплепадения, ˚С

Летучесть, % за 24 часа

Гидрофобный гель Naptel OP

белый

0,89

>250

1500

<8, Т=150˚С

>200

<2, Т=150˚С


Следовательно, масса гидрофобного заполнителя равна:

3.6.5       Расчет массы оптических волокон

Расчет массы оптических волокон производится по формуле 3.31:

,                                                                              (3.31)

где - площадь оптического волокна;

- плотность материала оптического волокна (кварц), г/см3;

n - количество оптических волокон в кабеле.

Площадь оптического волокна

Плотность кварца .

По формуле (3.30) вычислим массу оптических волокон в универсальном ВОК.


3.6.6       Расчет массы скрепляющих нитей

Масса скрепляющей нити по данным (Иоргачев) марки ЗЕ 1131 составляет 0,086 г/м, ее толщина 0,35 мм. Количество скрепляющих нитей в данном ВОК равно 2-м, следовательно, полная масса равна 0,172 г/м.

3.6.7  Расчет массы арамидных нитей

В разрабатываемом ВОК в качестве армирующих элементов применяется Кевлар 49, параметры данного армирующего элемента показаны в табл. 3.7

Таблица 3.7 Параметры армирующего элемента Кевлар 49

Материал

Плотность г/м3

Сопротивление разрыву, ГПа

Модуль упругости, ГПа

Относительное удлинение при разрыве, %

ТКЛР, 1/К

Кевлар 49

1,44

3070

114

2,5

-2·10-6


Расчет массы скрепляющих нитей производится по формуле (3.32)

,                                                                                 (3.32)

где - площадь покрова арамидных нитей;

- плотность материала арамидных нитей, г/см3.

Площадь покрова арамидных нитей рассчитывается аналогично площади оптического модуля (см. п 2.3).

Рассчитаем массу арамидных нитей по формуле (3.31).


3.6.8       Расчет массы внешней оболочки LSZH

Расчет массы внешней оболочки производится по формуле 3.33:

,                                                                                  (3.33)

где - площадь внешней оболочки;

- плотность материала внешней оболочки, г/см3.

Площадь оболочки рассчитывается аналогично площади оптического модуля.

Рассчитаем массу арамидных нитей по формуле 3.32:


3.6.9       Расчет полной массы универсального ВОК

Масса универсально ВОК складывается из масс рассчитанных выше элементов:

Масса скрепляющих нитей равна 0,172 г/м

Следовательно, полная масса равна:

Значения параметров оптического волокна, полученные в результате расчёта, представлены в таблице 3.8.

Таблица 3.8 Рассчитанные оптические параметры световода

Параметр

Градиентный профиль


λ=1.310 мкм

0.0134

NA

0.2425

ΘАmax

14º 02'

V

29.0630

M

211

fc, Гц

0.9·1015

λc, мкм

11.2

α П, Дб/км

0.49

α Р, Дб/км

0.27

α, Дб/км

0.79

, 0.97


∆F, МГц

1031


В конструкторском разделе дипломного проекта для выбранных исходных параметров поведён расчёт параметров многомодового градиентного волокна, выбрано волокно марки OFS Grade Index Multimode, удовлетворяющие им. Рассчитан оптический бюджет элементарного кабельного участка с использованием кабелей внутренней и внешней прокладки и универсального кабеля; рассчитана механическая прочность кабеля; массогабаритные показатели (лист 5).

4. ТЕХНОЛОГИЧЕСКИЙ РАЗДЕЛ

4.1    Техпроцесс изготовления универсального ВОК СКС

Маршрут техпроцесса изготовления универсального ВОК представлен на листе 6.

Входной контроль

Проводят для подтверждения качества ОВ, сравнивая при этом затухание по характеристикам изготовителя с реально полученными значениями. Входной контроль осуществляют с помощью рефлектометра.

Окраска оптических волокон на линии GFP-H

Режимы работы линии окраски оптического волокна должны соответствовать указанным в таблице 4.1.

Таблица 4.1. Технологические режимы линии GFP-H по окраске волокна

Наименование параметра

Величина

1

2

Линейная скорость окраски, м/мин

800 - 1000

Температура красителя, °С: черный фиолетовый красный синий коричневый голубой белый оранжевый серый зеленый желтый розовый

35±5

Давление, бар: азота воздуха

1,4 ± 0,1 1,0±0,1

Наружный диаметр оптического волокна (ОВ), мм: неокрашенного окрашенного

0,245±0,01 0,255±0,01

Толщина красящего слоя, мм

0,005±0,001


При окраске оптического волокна применяются материалы и полуфабрикаты, указанные в таблице 4.2.

Наименования материалов и полуфабрикатов

Геометрические размеры, мм

1

2

Основные материалы и полуфабрикаты

Оптическое волокно (ОВ)

Наружный диаметр 0,245±0,01

Краситель для оптического волокна

12 цветов

Вспомогательные материалы

Лента поливинилхлоридная электроизоляционная

толщина 0,15±0,05; ширина 15,0±1,0

Растворитель МЭК (метилэтилкетон)

-

Ткань хлопчатобумажная белая

-

Азот газообразный

-

Ацетон технический

-


Средства измерения и контроля, применяемые на операции окраски ОВ представлены в таблице 4.3.

Таблица 4.3. Средства измерения и контроля, используемые на линии окраски ОВ

Средства измерений и контроля

Применение

Микроскоп инструментальный ГОСТ 8074 - 82

Определение качества очистки и диаметра отверстия фильеры

Лупы измерительные среднего увеличения ГОСТ 25706 - 83

Определение качества очистки и диаметра отверстия фильеры

Микрометр рычажный типа МРП с ценой деления отчетного устройства 0,001мм ТУ 2 -034 - 227

Измерение диаметра окрашенного волокна

Манометр МП2 - УУ2, МПВ3 - УУ2 ГОСТ 2405 -80 (Диапазон измерений 0 - 2,5 и 0 - 250 бар)

Контроль давления сжатого воздуха и азота

Манометр GLOOR (Диапазон измерений 0 - 2,5 и 0 - 315 бар)


Манометр FESTO (Диапазон измерений 0 - 2,5 бар)


Расходомер тип V100 (для азота)

Оценка расхода азота


Перед запуском линии необходимо убедиться в исправности всех ее узлов. При обнаружении загрязнений или следов и частичек затвердевшего красителя необходимо произвести очистку щеткой и салфеткой, смоченной метилэтилкетоном (МЭК).

Далее подготавливаются катушки с неокрашенным оптическим волокном, приемная катушка, краситель для оптического волокна. Вводятся в компьютер технологические параметры окраски и протягивается оптическое волокно с отдающей катушки через направляющие ролики, натяжное устройство, ионизатор, калибры красящего блока. Очищается от красителя тканью (салфеткой) 40 см окрашенного волокна и протягивается через ультрафиолетовые сушильные печи, используя металлическую трубку. Открываются вентили подачи азота и сжатого воздуха и включается ультрафиолетовая печь. Протягивается оптическое волокно через направляющие ролики, тяговую шайбу, направляющий ролик раскладчика, затем через отверстие с внутренней стороны катушки, наматывается 3-4 витка на фланец наружной стороны щеки и через прорезь наружной щеки фланца закрепляется конец оптического волокна на щеке липкой ПВХ лентой. Запускается линия.

Степень сушки можно проверить, прижав кусок белой хлопчатобумажной ткани к окрашенному волокну силой 50 - 100 г и пять раз, протерев его. При качественной сушке на ткани не должно оставаться следа от красителя, видимого невооруженным глазом. Качество сушки можно проверить, протерев образец окрашенного волокна длиной 0,5 м белой хлопчатобумажной тканью, пропитанной раствором МЭК, пять раз силой сжатия, равной 50 - 100 г.

При достижении заданной длины окрашенного волокна на приемной катушке линия автоматически останавливается.

Контроль ОВ в лакокрасочном покрытии

Рефлектометром измеряется коэффициент затухания и оптическая длина окрашенного волокна на катушке с соответствующей записью в журнале (коэффициент затухания окрашенного оптического волокна (ММ) не должен превышать 0,70 дБ/км при длине волны 1,31 мкм).

Комплектация партии ОВ

На этой операции комплектуют длины ОВ для укладки их в оптический модуль. В зависимости от требования заказчика подбирают фирму-изготовитель ОВ и различные цвета волокон, вписывают в сопроводительный паспорт.

Изготовление оптического модуля на экструзионной линии RF-LA-R

Рис. 4.1. Схема экструзионной линии

Таблица 4.4. Технологические режимы экструзионной линии RF-LA-R

Наименование параметра

Величина

Диаметр оптического волокна, мм

0,245 - 0,9

Максимальный диаметр изделия, мм

6,0

Максимальная скорость линии, м/мин

400

Температура охлаждающей воды, °С


а) первая ванна

≤85

б) вторая ванна

7-25


На экструзионной линии применяются материалы и полуфабрикаты, указанные в таблице 4.5.

Таблица 4.5. Полуфабрикаты и материалы, используемые при изготовлении оптических модулей

Основные материалы и полуфабрикаты

Оптическое волокно OFS Grade Index Multimode

Внутримодульный гидрофобный заполнитель BP Naptel OB 308

Полиэтилен ЛПЭНМ

Краситель для полиэтилена


Средства измерения и контроля, применяемые на операции окраски ОВ представлены в таблице 4.6.

Таблица 4.6. Средства измерения и контроля, используемые на линии окраски ОВ

Средства измерений и контроля

Применение

Штангенциркуль ЩЦ -1-125 ГОСТ 166 -89 или равноценный

наружный диаметр изделия

Микрометр рычажный типа МРП с ценой деления 0,001мм ТУ2 -031 -227 -81.


Микрометр рычажный типа МРП с ценой деления отчетного устройства 0,001мм ТУ 2 -034 - 227


Микрометр гладкий типа МК -025 с диапазоном измерений 0 -25 мм и ценой деления 0,01мм второго класса точности ГОСТ 6508 -90


Лупы измерительные 8 - 10 кратного увеличения ГОСТ 25706 -83

внутренний диаметр изделия и толщина стенки


С отдающего устройства 1 оптическое волокно через направляющий ролик 2 поступает в головку экструдеров 3. Предварительно осушенные гранулированные полимерные материалы поступают из емкостей сушильных установок в цилиндры экструдеров и шнеком подаются в головку. Одновременно в головку из гидрофобной установки под давлением подается гидрофобный заполнитель. В головке экструдеров расплавленные полимерные материалы выдавливаются в кольцевой зазор, образованный дорном и матрицей в виде трубки, внутри которой располагается оптическое волокно и гидрофобный заполнитель. Далее трубка поступает в первую охлаждающую ванну, где происходит процесс ее охлаждения и отверждения горячей водой. Затем трубка через тяговое устройство колесного типа и вторую охлаждающую ванну поступает в устройство для обдува влаги (система охлаждения обозначена рис. 4.2 - 4), проходит через измеритель диаметра 5, измеритель длины изделия, измеритель усилия натяжения, тяговое устройство гусеничного типа, компенсатор натяжения и наматывается на барабан приемного устройства сдвоенного типа 6. На рис. 4.2 изображена упрощенная схема экструзионной линии (лист 7) [4.1].

Основные узлы экструзионной линии:

Ø  Отдающее устройство для оптического волокна предназначено для размотки и подачи оптического волокна в экструзионную головку с заданным усилием натяжения. Линия RF-LA-R состоит из двух отдающих устройств для оптического волокна, каждое из которых вмещает 12 катушек.

Ø Измерители длины установлены: один у отдающего устройства, а второй перед тяговым устройством гусеничного типа. Данные измерители предназначены для измерения скорости и длины оптического волокна и изделия на основе эффекта Доплера.

Ø Установка для подачи гидрофобного заполнителя предназначена для подачи гидрофобного заполнителя в оптический модуль и удаления из гидрофобной массы воздушных включений.

Ø  Экструдер с диаметром червяка 30 мм предназначен для непрерывной экструзии полимерных материалов.

Ø  Устройство для сушки предназначено для сушки и автоматической подачи полимерного материала в загрузочную воронку экструдера.

Ø  Пластиколор (дозатор) предназначен для дозированной подачи гранулированного красителя в загрузочную камеру экструдера. Управление дозатором осуществляется с компьютера линии.

Ø  Первая охлаждающая ванна предназначена для охлаждения горячей водой изготавливаемых изделий.

Ø  Тяговое устройство колесного типа предназначено для перемещения изготавливаемого изделия с постоянной скоростью от головки экструдера до второй охлаждающей ванны.

Ø  Вторая охлаждающая ванна предназначена для охлаждения изготавливаемых изделий предварительно охлажденной до нужной температуры водой.

Ø  Холодильная установка предназначена для охлаждения изделия проточной воды во второй охлаждающей ванне до заданной температуры.

Ø  Устройство для обдува предназначено для обдува сжатым воздухом влаги с поверхности изделия.

Ø  Измеритель наружного диаметра предназначен для бесконтактного непрерывного измерения в процессе производства наружного диаметра изделия в двух взаимно- перпендикулярных направлениях.

Ø  Измеритель усилия натяжения изделия предназначен для измерения усилия натяжения в изделии между тяговыми устройствами колесного и гусеничного типов.

Ø  Тяговое устройство гусеничного типа предназначено для перемещения изделия от тягового устройства колесного типа до тягового устройства гусеничного типа. Изделие зажимается между двумя плоскими ремнями, которые обеспечивают создание тягового усилия за счет силы трения между ремнями и изделием.

Ø  Компенсатор натяжения предназначен для регулирования величины усилия натяжения в процессе намотки изделия на приемный барабан.

Ø  Приемное устройство сдвоенного типа 6 предназначено для автоматической намотки изделия на приемный барабан.

Ø  Шкафы управления предназначены для управления всеми узлами линии RF-LA-R. Они содержат блоки программного управления, задающие режимы работы линии, устройства включения и защиты, а также блоки частотного управления электродвигателями.

Контроль затухания оптических модулей на рефлектометре

Формирование оптического сердечника с армирующим элементом в центре

Технологическая схема изготовления сердечника с армирующим элементом в центре представлена на рис. 4.2 (лист 8) [4.1].

Рис 4.2. Схема изготовления армирующего элемента со спирально профилированным сердечником

На линии применяются материалы и полуфабрикаты, указанные в таблице 4.7.

Таблица 4.7. Материалы, используемые при изготовлении армирующего элемента со спирально профилированным сердечником

Основные материалы

Стеклопластиковый стержень Polystal

Полипропилен BIPLEX


Армирующий элемент (стеклопластик) 2 с отдающих катушек 1 поступает в головку экструзионного пресса 3, внутри которой находится профилированная матрица. Сердечник с пазами 4 поступает в ванну охлаждения 5, а затем с помощью закручивающего устройства 6 вращается вокруг своей продольной оси. Формирование специального паза осуществляется на участке между головкой и входом в ванну охлаждения вследствие пластической деформации разогретого материала полимера. Изменяя направление вращения закручивающего устройства, можно добиться получения сердечника с разнонаправленными спиралями.

Готовый сердечник принимается на приемное устройство 8.

Скрутка модулей в кабель со спирально профилированным сердечником

Скрутка волокон в кабель с профилированным сердечником производится с помощью машины реверсивной скрутки (рис. 4.3, лист 9) [4.2]

Оптическое волокно 1 наматывается на катушки 3, которые размещаются симметрично на неподвижной раме 2. Малоинерционная головка 4, изменяющая свое угловое положение в пространстве с помощью пазов в сердечнике, укладывает волокна в пазы с помощью специальных направляющих. Эта головка неподвижно крепится к оси фонаря крутильной машины.

Рис 4.3. Схема машины реверсивной скрутки оптического кабеля

Схематический чертеж головки приведен на рис. 4.4 (лист 9) [4.1]. Сердечник 6 проходит через центральное отверстие головки 1. Волокна 4 пропускают через специальные трубки 3, выходные концы которых вводят в пазы 5 сердечника. Трубки защищены специальной крышкой 2. Затем скрутка обматывается лентой из полимерного (скрепляющие нити ПЭТ-Э) материала.

Рис. 4.4. Схематический чертеж головки для укладки ОВ в профилированный сердечник при скрутке

090 Контроль скрутки на рефлектометре

Изготовление армирующей оболочки из кевлара методом экструзии

Изготовление наружной оболочки методом экструзии

Маркировка оптического кабеля

Изготовление армирующей оболочки из кевлара и наружной оболочки, маркировка оптического кабеля осуществляют с помощью экструзионной линии, используемой при изготовлении оптических модулей. При этом применяют ранее не задействованные узлы:

Ø  Отдающее устройство для армирующих кевларовых нитей предназначено для равномерной отдачи кевларовых нитей при изготовлении. Отдатчик состоит из двух блоков, на каждом из которых крепится по 8 бобин с кевларовой нитью. Отдатчики снабжены устройством предварительного торможения нити и тормозом для регулирования натяжения нити, а также датчиком обрыва нити.

Ø  Маркирующее устройство предназначено для нанесения маркировки на оболочку кабеля методом вдавливания специальной маркирующей ленты. Маркирующее устройство состоит из станины, двух отдатчиков для маркирующей ленты, мерного колеса, маркирующего колеса, нагревательного блока с регулятором температуры от 0 до 200 °С, регулировочных винтов для регулирования положения колес в вертикальном и горизонтальном направлениях, направляющих роликов, счетчика метража, емкости для сбора использованной ленты.

На линии применяются материалы, указанные в таблице 4.8.

Таблица 4.8. Материалы, используемые при изготовлении армирующей кевларовой и наружной оболочек

Основные материалы

Кевлар 49

Полиэтилен Borealis МЕ6081


Контроль затухания оптического кабеля на рефлектометре

4.2    Контроль параметров оптического кабеля

Рекомендуемый кабель при постановке на производство вследствие изменения конструкции, технологии и применяемых материалов, которые влияют на технические и эксплуатационные характеристики кабелей должен быть подвергнут типовым испытаниям. Испытания проводят на образцах кабеля, в конструкцию или технологию изготовления которых внесены предлагающиеся изменения.

4.2.1 Проверка конструкции

Проверку кабелей на соответствие требования к конструкции строительной длины, внешнего вида проводят измерениями по МЭК 60811-1-1 [4.2], ГОСТ 12177-79 [4.] внешним осмотром без применения увеличительных приборов.

Проверку сплошности заполнения свободного пространства совмещают с проверкой конструктивных размеров при разборке образцов путем визуального осмотра без применения увеличительных приборов.

4.2.2
Проверка оптических параметров

Измерение коэффициента затухания проводят методом обратного рассеивания по МЭК 60793-1 [4.4], метод С1С или ГОСТ 26814 [4.5].

Метод основан на регистрации обратнорассеянного излучения в оптическом волокне измеряемого кабеля при прохождении через него оптического импульса и измерении зависимости от времени интенсивности (мощности) этого излучения.

4.2.3 Проверка стойкости к механическим воздействиям

Для контроля оптического затухания при проведении испытаний, указанных в настоящем подразделе, до начала испытаний изготавливают шлейф из оптических волокон, используя для него как минимум по одному оптическому волокну из каждого ОМ. Кабель считается выдержавшим испытания, если прирост затухания не превышает паспортной нестабильности измерительного прибора, отсутствуют видимые невооруженным глазом механические повреждения кабеля.

Испытание кабелей на стойкость к растягивающему усилию проводят по МЭК 60794-1-2 [4.6], метод Е1А на строительной длине. Участок кабеля длиной не менее 50 м подвергают растяжению со скоростью не более 100 мм/мин. Время воздействия нагрузки - 10 мин. До начала испытаний, при достижении нагрузки, через 10 мин воздействия нагрузки и после воздействия контролируют затухание и отсутствие повреждений.

Испытание кабелей на стойкость к раздавливанию проводят по МЭК 60794-1-2 [4.6 ]или ГОСТ 12182.6 [4.7] на строительной длине. Длина участка, на котором производится раздавливание, должна быть равна 100 мм. Расстояние между участками воздействия - 0,5 м. Время воздействия нагрузки - 5 мин. До начала испытаний, при достижении нагрузки, через 5 мин воздействия нагрузки и после воздействия контролируют затухание и отсутствие повреждений.

Испытание кабелей на стойкость к циклическим изгибам проводят по МЭК 60794-1-2 [4.6], метод Е6 или ГОСТ 12182.8 [4.7] на строительной длине (рис. 4.5, лист 10). Испытания проводят в камере холода при температуре -10 оС. Время выдержки не менее 2 часов. Масса натяжного груза - 5 кг. За один цикл принимают изгиб кабеля из центрального положения на угол + 90 о, возврат через центральное положение, изгиб на угол - 90 о, возврат в центральное положение. До начала испытаний, после каждого цикла и после испытаний контролируют затухание и отсутствие повреждений должны находится в допустимых пределах.

Рис. 4.5. Схема испытания ОК на стойкость к циклическим изгибам

Испытание кабелей на стойкость к удару проводят по МЭК 60794-1-2 [4.6], метод Е1 на строительной длине. До начала испытаний и после испытаний контролируют затухание и отсутствие повреждений.

Испытания на стойкость кабеля к осевому кручению проводят по МЭК 60794-1-2 [4.6], метод Е7 или ГОСТ 12182.8 [4.7] на строительной длине. Масса натяжного груза - 5 кг. До начала испытаний и после испытаний контролируют затухание и отсутствие повреждений.

Испытания на стойкость к перематыванию, осуществляются по МЭК 60794-1-2, метод Е11 или ГОСТ 12182.4.

Испытания к знакопеременному изгибу, к повреждению при образовании петли, на стойкость к вытеканию компаунда, к рывку, к изгибу под нагрузкой, к перерезанию, к повреждению от выстрелов из ружья, к истиранию, заполняющего компаунда к вытеканию и испарению, на жёсткость (рис. 4.6, лист 11), определяются в соответствии с МЭК 60794-1-2 [4.6] (соответственно: метод Е8, Е10, Е14, Е9, Е18, Е12, Е13, Е2А(В), Е15, Е17А).

Рис. 4.6. Схема испытания оптического кабеля на жёсткость (метод Е17А)

Образец считается выдержавшим испытания, если жёсткость кабеля соответствует требованиям, указанным в технической документации на ОК.

Испытания на стойкость к перематыванию проводят по МЭК 60794-1-2 , метод Е11 или ГОСТ 12182.4.

Испытания на стойкость к низкотемпературному и высокотемпературному изгибам осуществляют по МЭК 60189 [4.8] или EIA/TIA-455-37-А [4.9].

4.2.4  Проверка стойкости к климатическим воздействиям

Испытания кабеля на стойкость к воздействию пониженной и повышенной рабочих температур, циклической смене температур проводят по ,соответственно, МЭК 60068-2 [4.10], метод 1 или по ГОСТ 20.57.406 - 81 [4.11] и МЭК 60794-1-2 [4.6], метод F1 или по ГОСТ 20.57.406 - 81 на строительной длине не менее 1000 м. Кабель, намотанный на барабан или в виде бухты, помещают в климатическую камеру. Концы кабеля выводят из камеры, оптические волокна, соединенные шлейфом подключают к измерительному прибору и проводят измерение коэффициента затухания при нормальных климатических условиях. Время выдержки при нормальных климатических условиях - 2 часа, время выдержки при повышенной рабочей температуре - 8 часов, время выдержки при пониженной рабочей температуре - 8 часов. Количество циклов - 3. Измерение коэффициента затухания проводят после выдержки при каждой температуре во втором цикле, после каждого цикла и по окончанию испытаний.

Соответствие кабеля требованиям на стойкость к воздействию соляного тумана и солнечного излучения подтверждается испытаниями образцов - аналогов кабеля, проведенными по МЭК 60068-2, метод 1 и 5, соответственно, и по ГОСТ 20.57.406.

Испытания на стойкость к проникновению воды проводят в соответствии с МЭК 60794-1-2, методы F5А(В) (листы 12,13).

Рис. 4.7. Схема испытания на стойкость к проникновению воды (метод F5A)

На образце ОК, предназначенном для испытания, на длине не менее 3 м от конца должны быть вырезаны по ему периметру на длине 25 мм защитные покровы и покровы поверх скрученного сердечника.

Поверх скрученного сердечника должна быть установлена водонепронецаемая муфта так, чтобы перекрывался вырез защитных покрытий, и предупреждалось распространение воды между сердечником и другими элементами конструкции кабеля.

Образец размещается горизонтально. Участок кабеля, который был подготовлен для испытания, подвергается действию водяного столба высотой 1 м на протяжении 24 ч при температуре (20±5) ºС.

Рис. 4.8. Схема испытания на стойкость к проникновению воды (метод F5В)

Образец ОК длиной 3 м должен быть присоединён к испытательному устройству. Присоединение должно быть выполнено так, чтобы был свободный доступ воды из сосуда только в середину сердечника. Затем испытательное устройство должно быть наполнено водой. В таком состоянии образец ОК подвергается действию водяного столба высотой 1 м на протяжении 245 ч при температуре (20±5) ºС.

Образец ОК считается выдержавшим испытание, если на свободном конце ОК не обнаружено просачивание воды.

В технологическом разделе дипломного проекта рассмотрена технология изготовления универсального волоконно-оптического кабеля; выбрана схема изготовления профилированного сердечника и его скрутки с оптическими модулями. Предложены типовые испытания разработанного кабеля. Выделены наиболее важные испытания кабеля: на стойкость к циклическим изгибам, на жёсткость, на проникновение воды. Рассмотрены схемы испытаний в соответствии с существующими стандартами.

5. БЕЗОПАСНОСТЬ ЖИЗНЕДЕЯТЕЛЬНОСТИ

5.1 Анализ опасных, вредных факторов и возможных чрезвычайных ситуаций, возникающих в техпроцессе изготовления универсального волоконно-оптического кабеля для СКС

Анализ опасных, вредных факторов и возможных чрезвычайных ситуаций приведен в соответствии с [5.1-5.2].

Технологический процесс изготовления волоконно-оптического кабеля для СКС (в дальнейшем ОК) включает следующие операции:

·   Входной контроль оптического волокна (ОВ) на бухтах на рефлектометре;

·        Нанесение лакокрасочного покрытия на ОВ;

·        Контроль оптических параметров окрашенного ОВ на рефлектометре;

·        Комплектация партии ОК оптическим волокном;

·        Изготовление оптических модулей методом экструзии;

·        Контроль оптических модулей на рефлектометре;

·        Изготовление армирующего элемента со спирально профилированным сердечником;

·        Скрутка модулей в кабель со спирально профилированным сердечником;

·        Контроль скрутки на рефлектометре;

·        Изготовление армирующей оболочки из кевлара методом экструзии;

·        Изготовление наружной оболочки методом экструзии;

·        Маркировка ОК;

·        Контроль оптического кабеля на рефлектометре;

При эксплуатации универсального ВОК опасных и вредных факторов не возникает, т.к. кабель является абсолютно безопасным элементом СКС.

По ходу технологического процесса его изготовления возможно возникновение следующих опасных и вредных факторов [5.2]:

·   К группе физических факторов относятся:

Ø подвижные части производственного оборудования, передвигающиеся изделия, заготовки, материалы: данный фактор присутствует практически на всех операциях техпроцесса: окраски волокон, изготовлении и скрутке модулей, наложении внешних оболочек, армирующих элементов. Работающие механизмы характеризуются высокими скоростями. При соприкосновении персонала с подвижными частями оборудования есть вероятность возникновения несчастного случая;

Ø  повышенная температура поверхностей оборудования, материалов: фактор присущ операциям изготовления модулей, наружной оболочки. На экструзионной линии применяют расплавленные полимерные материалы, вследствие чего нагреваются части оборудования: цилиндр и головка экструдера; при отвердевании полимерных материалов используют ванны с горячей водой. При несоблюдении мер безопасности существует вероятность получения персоналом ожога;

Ø повышенное значение напряжения в электрической цепи, замыкание которой может пройти через тело человека. Цех по производству ОК относится по ПУЭ-98 [5.3] к помещениям повышенной опасности U=380 B, f=50 Гц (наличие токопроводящих полов; наличие электрических установок (заземленных) - возможности прикосновения одновременно и к электрической установке и к заземлению или к двум электрическим установкам одновременно).

При прохождении через организм человека электрический ток оказывает следующие виды воздействия [5.1]:

·    термическое;

·        электролитическое;

·        биологическое.

Термическое воздействие выражается в нагреве кровеносных сосудов и тканей в организме, ожогах отдельных участков тела человека. Термическое воздействие проявляется в виде электрических ожогов, сопровождаемых обугливанием и сгоранием тканей; электрических знаков и металлизации кожи, которая сопровождается проникновением в верхние слои кожи мельчайших частиц металла, а также в виде механических повреждений, сопровождаемых разрывами кожи и кровеносных сосудов (местные электрические удары).

Электролитическое воздействие выражается в разложении крови, что вызывает нарушение ее физико-химического состава.

Биологическое воздействие выражается в раздражении и возбуждении тканей организма; прекращении деятельности органов дыхания и кровообращения (общие электрические удары).

Причины поражения электрическим током (напряжение прикосновения и шаговое напряжение):

1.  Прикосновение к токоведущим частям, находящимся под напряжением;

2.      Прикосновение к отключенным частям, на которых напряжение может иметь место:

2.1.   в случае остаточного заряда;

2.2.   в случае ошибочного включения электрической установки или несогласованных действий обслуживающего персонала;

2.3.   прикосновение к металлическим не токоведущим частям или связанного с ними электрического оборудования (корпуса, кожухи, ограждения) после перехода напряжения на них с токоведущих частей (возникновение аварийной ситуации - пробой на корпусе);

.    Поражение напряжением шага или пребывание человека в поле растекания электрического тока, в случае замыкания на землю;

4.  Освобождение человека, находящегося под напряжением.

Предельно-допустимые уровни (ПДУ) напряжений прикосновения и сила тока при аварийном режиме электрических установок по ГОСТ 12.1.038-82 [5.4] приведены в таблице 5.1.

Таблица 5.1 Предельно-допустимые уровни (ПДУ) напряжений прикосновения и сила тока при аварийном режиме электрических установок

Род и частота тока

Нормируемая величина

ПДУ, при t, с



0,01 - 0,08

свыше 1

Переменный f = 50 Гц

UД IД

650 В -

36 В 6 мА


Ø повышенный уровень шума на рабочем месте: причиной шума является работа различного оборудования. Допустимые уровни шума на рабочих местах в соответствии с ГОСТ 12.1.003-83* [5.5] указаны в таблице 5.2.

Таблица 5.2 Допустимые уровни шума на рабочих местах

Рабочее место

Уровни звукового давления в дБ в октавных полосах со среднегеометрическими частотами, Гц

Уровень звука, дБА


63

125

250

500

1000

2000

4000

8000


Постоянные рабочие места и рабочие зоны в производственных помещениях и на территории предприятия

99

92

86

83

80

78

76

74

≤80


Шум создаёт значительную нагрузку на нервную систему работающего, вызывает общее утомление, может привести к ухудшению слуха, нарушению пищеварения, ослабляет внимание, способствуя травматизму [5.1].

Ø повышенный уровень вибраций: причиной вибрации являются неуравновешенные силовые воздействия при работе оборудования.

Нормы по ограничению общих вибраций приведены в соответствии с ГОСТ 12.1.012-90* [5.6], т. е. вибраций рабочих мест (пола, сидений), устанавливают величину логарифмического уровня колебательной скорости в октавных диапазонах (таблица 5.3).

Таблица 5.3 Гигиенические нормы технологической вибрации в производственном помещении с источником вибрации

Октавный диапазон со среднегеометрическими значениями, Гц

2

4

8

16

32

63

Величина логарифмического уровня колебательной скорости, дБ

107

99

93

92

92

92


Вибрация приводит к повреждению различных органов и тканей; влияет на центральную нервную систему, на органы слуха и зрения, способствует повышению утомляемости.

Более вредная вибрация, близкая к собственной частоте человеческого тела (6-8 Гц) и рук (30-80 Гц) [5.1].

Ø повышенный уровень инфразвуковых колебаний: источниками инфразвука являются двигатели внутреннего сгорания, вентиляторы (оборудование, которое работает с частотой циклов менее 20 в секунду).

Нормативным параметром по СН 22-74-80 [5.1], являются логарифмические уровни звукового давления в октавных полосах со среднегеометрической частотой:

, 4, 8, 16 Гц £ 105 дБ;

Гц     £ 102 дБ.

Инфразвук действует на центральную нервную систему (страх, тревога, покачивание). Возможны изменения давления, состава и свойства крови.

Диапазон инфразвуковых колебаний совпадает с внутренней частотой отдельных органов человека (6-8 Гц), следовательно, из-за резонанса могут возникнуть тяжелые последствия.

Увеличение звукового давления до 150 дБ приводит к изменению пищеварительных функций и сердечному ритму. Возможна потеря слуха и зрения [5.1] .

Ø Химические факторы:

.    по характеру воздействия на человека:

·   токсические;

·        раздражающие;

2.  по пути проникновения в организм человека:

·        через органы дыхания;

·   кожные покровы и слизистые оболочки.

На разных этапах технологического процесса изготовления волоконно-оптического кабеля находятся пары различных растворителей и лаков на основе нитро- и нитрозо-соединений которые вредно влияют на организм человека, их нормирование в воздухе осуществляется согласно ГОСТ 12.1.005-88 [5.7], (таблица 5.4).

Таблица 5.4 ПДК вредных веществ в воздухе рабочей зоны

Вещество

ПДК, мг/м3

 

ПДК р.з.

ПДК max

ПДК с.с.

Класс опасности

Полиэтилен

10

-

-

3

Стеклянное волокно

4

-

-

4

Спирт этиловый

10

0,1

0,1

3


Ø Психофизиологические факторы делятся по характеру воздействия на:

.    физические:

·   динамические;

.    нервно-психологические:

·   перенапряжение анализаторов;

·   монотонность труда.

При эксплуатации универсального ВОК и в технологическом процессе его изготовления возможна следующая чрезвычайная ситуация:

Ø воздействие пожара на универсальный ВОК.

Проведенный анализ показал, что наиболее опасными и вредными факторами, возникающими в техпроцессе производства универсального ВОК для СКС являются:

Ø подвижные части производственного оборудования, передвигающиеся изделия;

Ø  повышенная температура поверхности оборудования;

Ø  повышенное значение напряжения в электрической цепи, замыкание которой может пройти через тело человека.

и чрезвычайная ситуация:

Ø воздействие пожара на универсальный ВОК.

Для защиты волоконных световодов и формирования структуры сердечника широко используются полимерные материалы (поливинилхлорид, фторированные полимеры, полиэтилен, полипропилен, полистирол, полиуретан и т.п.). Воздействие пламени на эти материалы может привести к следующим опасным и вредным факторам:

1.  дальнейшему распространению пламени вдоль кабельной трассы;

2.      возникновению вторичных очагов возгорания, вызванных горящими каплями расплавленного материала различных оболочек;

.        обильному выделению дыма, который затрудняет эвакуацию персонала и борьбу с огнём;

.        выделению токсичных галогеносодержащих газов ;

.        при возгорании кабеля в производственном цеху, есть вероятность возникновения чрезвычайной ситуации, т.к. в соответствии с ПУЭ-98 [5.3], производственный цех относится к взрывоопасной зоне В-Iб: ЛВЖ (этиловый спирт) имеется в небольшом количестве (Vлвж< 0,5Vцеха) достаточным для образования взрывоопасной смеси при нормальных условиях работы, работа осуществляется без открытого источника огня.

5.2 Разработка мер безопасности в техпроцессе изготовления универсального ВОК

Разработка мер безопасности приведена в соответствии с рекомендациями [5.1]:

1.  Для обеспечения защиты от повышенного напряжения в электрической цепи обеспечена недоступность токоведущих частей оборудования. Оборудование заземлено (по ПУЭ-98 Rзащ. заземления≤ 4 Ом [5.3]);

2.      Для снижения повышенного уровня шума на рабочем месте приняты следующие меры:

1.  Установлены звукоизолирующие преграды (экраны) сложной формы (реализация метода звукоизоляции (отражение энергии звуковой волны)). Использованы материалы с гладкой поверхностью (пластик, металл);

2. Применены средства индивидуальной защиты (наушники, шлемофоны);

3.  В качестве средств, уменьшающих вибрацию применены:

1.  Оборудование установлено на фундаменты для виброгашения;

2.  Использованы СИЗ (перчатки, рукавицы);

4.  Доля снижения повышенного уровня инфразвуковых колебаний применены глушителей резонансного типа;

5.      Обеспечена доступность кнопок и рычагов управления. Для снижения перенапряжения анализаторов и монотонности труда установлена необходимость периодических перерывов на отдых.

Для предотвращения чрезвычайных ситуаций при проектировании универсального ВОК в конструкции использованы специально подобранные материал: негорючие, не содержащие галогенов.

Категория тяжести труда при выполнении работ средней тяжести II б (работа, связанная с ходьбой и переноской тяжестей до 10 кг). Допустимые параметры микроклимата в холодный и теплый периоды года по ГОСТ 12.1.005-88 [5.7] приведены в таблице 5.5.

Таблица 5.5 Допустимые параметры микроклимата воздуха рабочей зоны

Период года

Категория работы

Допустимая температура, ºС

Допустимая относительная влажность, %

Допустимая скорость движения воздуха, м/с

холод-ный

средней тяжести II б

15-21

40-60

не более 0,4

тёплый

средней тяжести II б

16-27

40-60

0,2-0,5


5.2.1 Расчёт местной вентиляции

Одним из этапов техпроцесса изготовления универсального ВОК является нанесение лакокрасочного покрытия на оптическое волокно. Для обеспечения удаления вредных веществ, избыточной теплоты из аппаратной непосредственно у источника их образования рассчитана система местной вентиляции.


Рис.5.1 Вытяжной зонт

Зонт обеспечивает более равномерное всасывание при φ=60º.

Размеры прямоугольного зонта определяются в зависимости от расстояния от зеркала вредных выделений до плоскости всасывания зонта:

;                                                                                               (5.1)

,

где А и В - размеры сторон прямоугольного зонта в плоскости всасывания, м;

а, b - стороны прямоугольной поверхности-источника вредных веществ, м;

- расстояние от зеркала вредных выделений до плоскости всасывания зонта, м.

Минимальное значение определяется удобством работы при конкретном технологическом процессе. Примем, =1,0 м. По формуле 5.1:

А=0,05 м+0,8·1 м=0,85 м;

В=0,06 м+0,8·1 м=0,86 м.

Объём нагретого воздуха, поступающего в зонт, зависит от отношения между площадью источника F и расстоянием от него до плоскости всасывания зонта.

Т.к. h≤(1<0.08), объём поступающего воздуха под зонт определяется по формуле:

,                                                                         (5.2)

где Vвозд - объём поступающего под зонт нагретого воздуха, м3/ч;

Q - количество конвективного тепла, поступающего от источника, кДж/ч;

F - площадь горизонтальной проекции источника, м2.

Количество конвективного тепла, поступающего от источника определяется по формуле:

,                                                                      (5.3)

где αотд - коэффициент теплоотдачи, кДж*м-2*r-1*ºC-1;

tП и tО.С. - температура на поверхности источника и температура окружающей среды, ºC.

Коэффициент теплоотдачи определяется из следующего соотношения:

.

αотд=11,71( 40-20)0,25=24,76 кДж*м-2*r-1*ºC-1.

По формуле 4.3 определим количество конвективного тепла:

Q=24,76*0,003*(40-20)=1,49 кДж/ч.

По формуле 4.2 определим объём воздуха, поступающего в зонт:

 м3/ч

На рис. 5.2 изображён эскиз и проставлены размеры вытяжного зонта.

Рис 5.2. Эскиз вытяжного зонта

5.3 Экологическая оценка разрабатываемого процесса изготовления универсального ВОК и разработка мероприятий, снижающих вредное воздействие технологического процесса на природу

Экологическая оценка проектируемого универсального волоконно-оптического кабеля и разработка мероприятий по охране природы проведена согласно [5.8].

Рассчитанный универсальный ВОК для СКС не оказывает вредного воздействия на природу, т. к. не выделяет в окружающую среду химических веществ.

В технологическом разделе данного проекта рассматривается технологический процесс изготовления универсального ВОК, при котором выявлены следующие факторы, которые могут оказать вредное влияние на природу:

Ø утилизация отходов: полимерных материалов, гидрофобного геля, стекловолокна.

Весь техпроцесс производства универсального ВОК связан с использованием полимерных материалов при нанесении оболочек и использовании гидрофобного геля между операциями нанесения оболочек.

Наибольшую опасность представляет загрязнение литосферы продуктами утилизации отходов. В связи с этим рассмотрим меры и устройства для снижения указанного фактора на природу.

Пластмассы являются достаточно инертными компонентами мусора, они также постепенно разрушаются, выделяя опасные для живых организмов вещества, в том числе сверхтоксичные соединения диоксинового и фуранового ряда. В связи с этим возникает нарушение воздухо- и влагообмена в почвах.

Стоимость полимерных материалов достаточно высока, поэтому и полимерные отходы рассматриваются как ценные продукты, подлежащие материальному рециклингу, то есть переработке с получением исходных полимеров, наполнителей, армирующих элементов, мономеров, других химических соединений, пригодных для использования.
Наиболее экономически целесообразным является способ рециклирования с получением исходных полимеров.

Отходы многих полимерных материалов могут быть подвергнуты термическому рециклингу с получением полезных продуктов неполимерной природы.

Получение энергии за счет сжигания отходов, в том числе и полимерных, привлекает все большее внимание из-за непрерывного роста цен на невозобновляемое органическое топливо. При этом нет необходимости производить какую-либо сортировку, требуется, и то не всегда, лишь измельчение отходов до достаточно крупных кусков. Опасность загрязнения окружающей среды токсикантами типа галоидированных диоксинов и фуранов при сжигании полимерных отходов в значительной степени преувеличена и больше относится к старым мусоросжигательным установкам. При температурах 1200-1400 ºС, характерных для современных установок, эти вещества необратимо распадаются, а неразложившаяся часть поглощается в адсорбирующих фильтрах.

Таким образом, для снижение вредного воздействия техпроцесса универсального ВОК на природу рекомендовано:

1.  использование систем рециклирования с получением исходных материалов;

2.      использование систем рециклирования с получением продуктов неполимерной природы;

.        сжигание отходов с получением энергии.

Предложена система рециклирования с получением исходных материалов [4.8].

В соответствии с процессом, разработанным Дж. С. Томасом и А. Ф. Мэсоном (патент США 4 054434, 18 октября 1977 г., фирма «Фибрегласс Лимитетeд», Великобритания), отходы производства волокна подвергаются измельчению для повышения объемной плотности и использоваться непосредственно для загрузки в плавильную печь с целью получения волокна без каких-либо нежелательных изменений в качестве получаемого продукта. В этом процессе отходы волокна, содержащие органические примеси с количеством углерода 0,4-0,04 %, добавляются в плавильную печь к основному количеству сырья для получения волокна, при этом доля лома составляет 5-25 % от общей загрузки. Плавление происходит в окислительных условиях и полученный расплав используется для получения волокна. На рис. 5.3 представлена схема процесса.

В соответствии со схемой, отходы волокна 1 подаются в измельчитель , где волокна разрезаются на кусочки достаточно малых размеров для прохождения через сито 3. Частицы нужного размера затем попадают из измельчителя 2 через уравнительный бункер 4 в валки дробилки 5. При этом материал размельчается далее и поступает на стадию сжигания 6, где происходит выгорание связующего компонента и других веществ органического происхождения. Полученный продукт из 6 по трубопроводу 7 проходит в бункер для хранения 8, из которого он по мере необходимости отбирается для смешения с основным компонентом загрузки печи.

Процесс, разработанный С. Ф. Бржозовски (патент США 4 188228, 12 февраля 1980 г., фирма «ППГ Индастриз, Инк.»), предназначен для получения волокон из стеклянных гранул, при этом значительная часть гранул получается из отходов волокон. Содержание стеклянного боя в загрузке печи составляет 5-45%. Стеклянные отходы волокон используются в виде толченого стекла или коротких волокон (0,158-1,27 см).

Рис. 5.2 Установка для приготовления стеклянного сырья для производства стекловолокна

В разделе "Безопасность жизнедеятельности" дипломного проекта проведен анализ опасных, вредных факторов и возможных чрезвычайных ситуаций, возникающих при изготовлении и эксплуатации универсального волоконно-оптического кабеля. Наиболее опасными и вредными факторами являются подвижные части производственного оборудования, передвигающиеся изделия, повышенная температура поверхности оборудования, повышенное значение напряжения в электрической цепи, замыкание которой может пройти через тело человека.

Разработаны меры безопасности, произведён расчет местной вентиляции для аппаратной, в которой установлено оборудование для нанесения на ОВ лакокрасочного покрытия.

Проведена оценка влияния техпроцесса изготовления универсального ВОК на природу. Значимой проблемой является загрязнение литосферы отходами производства. Разработана система переработки отходов оптического волокна.

6. ЭКОНОМИЧЕСКИЙ РАЗДЕЛ

6.1 Планирование разработки с использованием методов СПУ

В этом разделе необходимо:

Ø  выделить отдельные этапы технологического процесса изготовления универсального волоконно-оптического кабеля (ВОК) для СКС;

Ø  определить трудоемкость и продолжительность, а также составить перечень событий и работ;

Ø  выполнить построение и рассчитать параметры сетевого графика;

Ø  произвести анализ сетевого графика и его оптимизацию.

6.1.1  Определение этапов разработки

Технологический процесс изготовления универсального ВОК подразделяется на следующие этапы:

1)   Изучение технической справочной литературы;

2)   Сбор информации и анализ существующих технологических процессов (ТП) изготовления ВОК;

3)   Составление и выдача технического задания на ТП;

4)   Разработка решений, направленных на ликвидацию недостатков ТП изготовления универсального ВОК;

5)   Разработка конструкторских усовершенствований;

6)   Расчет массогабаритных размеров универсального ВОК;

7)   Разработка чертежей универсального ВОК;

8)   Создание операционных эскизов;

9)   Выбор методики контроля параметров универсального ВОК;

10)Изготовление универсального ВОК;

11)Выходной контроль универсального ВОК;

12)Оформление сопроводительной документации универсального ВОК;

13)Сдача готового универсального ВОК.

6.1.2 Определение трудоемкости этапов

Определение трудоемкости каждого этапа проводится с использованием экспертного метода. Трудоемкость каждого этапа производится по формуле [6.1]:

tож=,                                                     (6.1)

где tmin - трудоемкость этапа при наилучшем стечении обстоятельств, нормо-час;

tmax - трудоемкость этапа при наихудшем стечении обстоятельств, нормо-час.

Данные по трудоемкости каждого этапа tmin и tmax взяты по усреднённым значениям фирм-производителей. Значения по трудоемкости этапов tmin и tmax, а также рассчитанные по формуле (6.1) значения tож представлены в таблице 6.1.

Таблица 6.1 Определение трудоемкости этапов

№ п/п

Наименование этапа

tmin, н×час

tmax, н×час

tож, н×час

1

2

3

4

5

1

Изучение технической справочной литературы

40

484

43

2

Сбор информации и анализ существующих ТП изготовления универсального ВОК

8

16

11

3

Составление и выдача технического задания на ТП

8

16

11

4

Разработка решений, направленных на ликвидацию недостатков ТП универсального ВОК

8

16

11

5

Разработка конструкторских усовершенствований

16

24

19

6

Расчёт массогабаритных размеров универсального ВОК

16

24

19

7

Разработка чертежей универсального ВОК

16

24

19

8

Создание операционных эскизов

24

32

27

9

Выбор методики контроля параметров универсального ВОК

8

16

11

10

Изготовление универсального ВОК

8

16

11

11

Выходной контроль универсального ВОК

16

24

19

12

Оформление сопроводительной документации универсального ВОК

6

8

7

13

Сдача готового универсального ВОК

8

10

9

Итого:

217


6.1.3 Определение продолжительности этапов

Продолжительность каждого этапа определяется по формуле [6.2]:

                                                                           (6.2)

где Wр - количество работников, одновременно участвующих в работе, чел;

q - продолжительность рабочего дня (q = 8 часов);

Кн - плановый коэффициент выполнения норм (принимаем 1,2);

¦ - коэффициент для перевода рабочих дней в календарные (принимаем 0,8).

Данные по количеству исполнителей, занятых на каждом этапе (Wр), принимаются по усреднённым данным фирм-изготовителей и представлены в 4-м столбце таблицы 5.2. Значения календарной длительности каждого этапа ТЭ представлены в 5-м столбце таблицы 6.2 в календарных днях.

Таблица 6.2 Определение длительности этапов

№ п/п

Наименование этапа

tож, н-час

Wp, чел

ТЭ, к. дней

1

Изучение технической справочной литературы

43

1

6

2

Сбор информации и анализ существующих ТП изготовления универсального ВОК

11

1

1

3

Составление и выдача технического задания на ТП

11

1

1

4

Разработка решений, направленных на ликвидацию недостатков ТП универсального ВОК

11

1

1

5

Разработка конструкторских усовершенствований

19

1

3

6

Расчёт массогабаритных размеров универсального ВОК

19

1

3

7

Разработка чертежей универсального ВОК

19

1

3

8

Создание операционных эскизов

27

1

4

9

Выбор методики контроля параметров универсального ВОК

11

1

1

10

Изготовление универсального ВОК

11

1

1

11

Выходной контроль универсального ВОК

19

1

3

12

Оформление сопроводительной документации универсального ВОК

7

1

1

13

Сдача готового универсального ВОК

9

1

1


6.1.4 Составление перечня событий и работ

На данном этапе все проводимые работы определяются по последовательности их проведения. Перечень событий и работ с указанием шифра работ и их продолжительности приведен в таблице 6.3.

Таблица 6.3 Перечень событий и работ

Шифр события

Наименование события

Шифр работы

Наименование работы

Т, дней

1

2

3

4

5

0

Принятие решения о начале разработки

0-1  0-3

Изучение технической справочной литературы Составление и выдача технического задания

6  1

1

Изучение технической справочной литературы завершено

 1-2

Сбор информации и анализ существующих ТП изготовления

1

2

Сбор информации и анализ ТП проведен

2-3

Разработка решений, направленных на ликвидацию недостатков ТП

1

3

Техническое задание составлено и выдано Разработка решений, направленных на ликвидацию недостатков ТП завершена

3-4     3-5

Разработка конструкторских усовершенствований Расчет массогабаритных размеров универсального ВОК

3     3

4

Конструкторские усовершенствования разработаны

4-5

Разработка чертежей универсального ВОК

3

5

Массогабаритные размеры рассчитаны Чертежи универсального ВОК разработаны

5-6

Создание операционных эскизов

4

6

Операционные эскизы разработаны

6-7

Выбор методики контроля параметров универсального ВОК

1

7

Методика контроля выбрана

7-8

Изготовление универсального ВОК

1

8

Универсальный ВОК изготовлен

8-9

Выходной контроль универсального ВОК

3

9

Выходной контроль универсального ВОК проведён

9-10

Оформление сопроводительной документации

1

10

Оформление сопроводительной документации выполнено

10-11

Сдача готового универсального ВОК

1

11

Универсальный ВОК сдан





6.1.5 Построение сетевого графика

Сетевой график отражает логическую последовательность всего комплекса работ, расположенных в порядке протекания процесса производства изделия, начиная первым событием и заканчивая завершающим событием.

На основании данных п. 6.1.4. и табл. 6.3 представим на рис. 6.1. модель сетевого графика.

Рис. 6.1 Сетевой график ТПП изделия

6.1.6 Расчет параметров сетевого графика

Рис. 6.2. Схема события

Событие - это наступление некоторого факта. Событие не имеет продолжительности во времени. Обозначается на графике кружком.

Работа-процесс, переводящий одно событие в другое. Работа требует времени. Обозначается стрелкой (сплошной, если работа действительная, пунктирной, если работа фиктивная; не требует ни затрат времени, ни затрат труда). Кодируется двумя числами, одно из которых (i) соответствует номеру начального события работы, второе (j) - номеру конечного события работы. Код располагается в нижнем секторе кружка.

Продолжительность работы определяется в календарных днях, обозначается Тij и располагается над стрелкой, в центральной ее части. Значения продолжительности каждой работы, представленные на сетевом графике (рис. 6.1) берутся из таблицы 6.3.

Ранний срок совершения событий - это возможно ранний срок совершения события, необходимый для выполнения всех работ, предшествующих данному событию. Согласно определению, ранний срок свершения исходного события равен 0. Обозначается tpi или tpj и размещается в левом секторе кружка. Определяется по формуле [6.2]:

 = (tpi+tij)max                                                                                (6.3)

Рассчитанные значения tpj представлены на сетевом графике (рис. 5.1).

Поздний срок совершения события - это срок, превышение которого вызывает аналогичную задержку наступления завершающего события. Обозначается tnj и размещается в правом секторе кружка. Определяется по формуле [6.2]:

=(tnj-tij)min                                                                                    (6.4)

Расчет позднего времени совершения события начинается с завершающего, у которого tn=tp. Рассчитанные значения tni представлены на сетевом графике (рис.5.1).

Резерв события - это такой промежуток времени, на который может быть отсрочено совершение этого события без нарушения сроков завершения разработки в целом. Обозначается R и располагается в верхнем секторе кружка. Определяется по формуле [6.2]:

Ri(j)=tni(j)-tpi(j)                                                                              (6.5)

Рассчитанные значения Ri(j) представлены на сетевом графике (рис. 6.1).

Полный резерв времени работы показывает время, на которое может быть увеличена продолжительность работы без изменения длительности критического пути. Если при выполнении какой-либо работы будет израсходован весь резерв времени, то все другие работы данного пути, следующие за ней, не будут иметь резервов времени. Расчет полного резерва времени работы (Rnij) осуществляется по формуле [6.2]:

=tnj-tpi-tij                                                                              (6.6)

Рассчитанные значения Rn представлены на сетевом графике (рис. 6.1).

Свободный резерв работы показывает, какая часть полного резерва работы может быть использована для увеличения продолжительности работы, не влияя на полный срок свершения конечного события этой работы. Обозначается Rc и размещается над стрелкой справа от Тij в скобках. Определяется по формуле [6.2]:

=tpj-tpi-Tij                                                                   (6.7)

Рассчитанные значения Rс представлены на сетевом графике (рис.5.1).

Полный путь - любая последовательность события и работ, от исходного события до завершающего. На данном сетевом графике 14 полных путей.

Критический путь - это полный путь, с наибольшей продолжительностью; важнейший параметр сетевого графика. Все резервы события на данном пути равны 0. В данном случае, длина критического пути составляет 31 день.

6.1.7 Оптимизация сетевого графика

Анализируя данные, отображенные на сетевом графике, можно придти к выводу, что его оптимизации, в данном случае, не возможна. Объясняется это, во-первых, отсутствием резерва времени свершения событий, во-вторых - отсутствием резерва людей [6.3]. На каждой операции техпроцесса присутствует один человек.

6.2 Расчет сметы затрат

По усреднённым данным фирм-производителей материальные затраты на подготовку производства, изготовление и контроль универсального ВОК в сумме должны составить порядка 32690 рублей.

Материальные затраты складываются из следующих составляющих:

Ø  Затраты на материалы для изготовления универсального ВОК;

Ø  Затраты на заработную плату;

Ø  Отчисления на социальные нужды;

Ø  Амортизация основных фондов;

Ø  Прочие материальные затраты.

Затраты на материалы для изготовлению универсального ВОК указаны в таблице 6.4 [6.4].

Таблица 6.4 Затраты на материалы

№ п.п

Наименование покупных материалов

Ед. измерения

Количество

Цена, руб./ед. изм.

Сумма

1

2

3

4

5

6

1

Оптическое волокно (градиентный ММ)

км

12,60

2275,40

28670,04

2

Краска для нанесения лакокрасочного покрытия но ОВ

кг

0,07

1579,20

102,92

3

Гидрофоб в/м

кг

2,66

121,50

323,68

4

ПБТ модуль

кг

3,70

34,80

128,00

5

Краситель ПБТ

кг

0,03

439,40

13,18

6

Профилированный сердечник с стеклопластиковым центральным элементом

км

1,02

1748,20

1783,16

7

Скрепляющая нить

кг

0,68

146,20

99,42

8

Кевларовые нити

кг

0,14

1152,00

157,58

9

Безгалогенная оболочка

кг

53,50

26,40

1412,40

Итого:

32690


Затраты на заработную плату

Затраты на заработную плату определяются по формуле [6.2]:

                                                                             (6.8)

где  - среднемесячная заработная плата соответствующих исполнителей (принимаем, что все производственные рабочие обладают примерно одинаковой квалификацией и получают одинаковую заработную плату в размере 12000 рублей);

- среднее количество рабочих часов за месяц;

 - суммарная трудоемкость работ (табл. 6.1).

Общие затраты на заработную плату равны:

Отчисления на социальные нужды

Отчисления на социальные нужды принимаются в размере 35,6% от затрат на зарплату и вычисляются по формуле [6.2]:

                                                                           (6.9)

Амортизационные отчисления

Амортизационные отчисления рассчитывается по формуле [6.2]:

                                                                     (6.10)

где Косн - балансовая стоимость амортизированного оборудования (принимаем 2000000 рублей);

а - готовая норма амортизации (принимаем 10%);

Ткр - продолжительность критического пути (31 день);

Прочие затраты

Прочие затраты при разработке составляют [6.2]:

                                                                                (6.11)

Результаты сведем в сводную таблицу затрат (табл. 6.5):

Таблица 6.5 Смета затрат

№ п/п

Статьи затрат

Сумма затрат, в рублях

1

Материальные затраты

32690,38

2

Затраты на заработную плату

15500

3

Отчисления на социальные нужды

5518

4

Амортизационные отчисления

16986

5

Прочие затраты

18060

Итого

172167


В таблице 6.5 указаны материальные затраты на изготовления одного километра кабеля, затраты на месячную заработную плату, месячные отчисления на социальные нужды, прочие затраты и годовые амортизационные отчисления.

Амортизационные отчисления в месяц будут равны 1416 рублей.

Следовательно, затраты на производство 1 км кабеля с учётом объёма месячного производства - 500 км:

+((15500+5518+1416+18060)/21)/500=32694 рублей.

6.3 Расчет эффекта внедрения результатов разработки

Для оценки годовой эффективности использования универсального ВОК для СКС, отметим, что применение универсального кабеля приводит к уменьшению количества компонентов сети. Снижаются затраты на построение сети, вследствие отсутствия кросса для сращивания кабелей внешней и внутренней прокладки, для которого оборудуется аппаратная, отсутствия затрат на монтаж кросса.

Система на основе кабелей внутренней и внешней прокладки:

Затраты на проектные работы 24 порта- 360 $

Стоимость 2 шкафов - 160 $;

Затраты на установку 2 кроссов, разделку кабелей - 120 $

Монтаж оборудования в 2 шкафа - 90 $;

Затраты на сварку 12 волокон - 600 $;

Затраты на тестирование - 40 $;

Документирование кабельной системы 24 порта- 240 $

Итого:1610 $ [6.5].

Стоимость кабеля внутренней прокладки 12 волокон - 2400 $ [6.5].

Стоимость кабеля внешней прокладки 12 волокон - 3000 $ [6.5].

Стоимость кабеля длиной 2 км (внешней прокладки) 100 м(внутренней прокладки) равна:

+240=3240 $

Стоимость 2 км 100 м на основе универсального кабеля 1320 $.

Таким образом, сеть удешевляется на 3240+1610-1320=3530 $

Расчёты приведены для стандартной сети по TIA/IEA-568-В.1 (длина многомодового оптического кабеля 2000 м, длина горизонтальной кабельной подсистемы -100 м)

Годовой эффект использования результатов разработки определяется по формуле:

                                                                                    (6.12)

где Р - результат, достигнутый за год использования результатов разработки;

З - все затраты за тот же период на разработку и внедрение результатов.

Примем условно, что в год фирма устанавливает минимум 60 СКС, рассмотренных выше (количество волокон в кабеле, тип шкафа и стойки могут меняться).

Р=3560*60=213600 $=6194400 руб

Эгод=6194400-172167=6022233 руб

В экономическом разделе проведен подробный анализ ТП изготовления универсального ВОК, составлен экономический план для производства на основе сетевого графика.

По результатам анализа сетевого графика сделан вывод о невозможности оптимизации сетевого графика.

Годовой эффект использования результатов разработки при построении СКС равна 6022233 руб.

ЗАКЛЮЧЕНИЕ

В дипломном проекте предложена классификация кабелей СКС. Рассмотрены конструкции и назначение элементов основных групп оптических кабелей, проведён анализ возможных методов универсализации оптических кабелей СКС. В результате предложена оригинальная конструкция универсального кабеля.

На основе анализа существующих материалов конструктивных элементов оптических кабелей, подобраны материалы для предложенной конструкции универсального кабеля. Проведён анализ существующих технологий изготовления оптических кабелей.

Проведён расчёт основных параметров многомодового оптического волокна с градиентным профилем показателя преломления, подобрано волокно, обладающее аналогичными характеристиками. Рассчитаны прочностные и температурные характеристики универсального кабеля, массогабаритные размеры элементов конструкции кабеля.

Предложен техпроцесс изготовления универсального оптического кабеля, рассмотрены схемы изготовления оптических модулей, профилированного сердечника и его скрутка с оптическими модулями, наложения внешней оболочки. Рассмотрены типовые испытания разработанного кабеля.

Проведён анализ проекта с точки зрения безопасности жизнедеятельности. Рассчитаны параметры вытяжного зонта для операции нанесения лакокрасочного покрытия на оптическое волокно. Предложена система утилизации отходов волокна.

Рассчитана смета затрат на разработку и изготовление универсального волоконно-оптического кабеля. Осуществлено планирование техпроцесса с использованием метода СПУ, рассчитан экономический эффект применения универсального кабеля при строительстве СКС.

СПИСОК ЛИТЕРАТУРНЫХ ИСТОЧНИКОВ

К введению:

1.           Структурированные кабельные системы. Семенов А.Б., Стрижаков С.К., Сунчелей И.Р. - 5-е изд. - М: Компания АйТи; ДМК Пресс, 2013;

2.      TIA/EIA-568-B.1-2012, “Commercial Building Telecommunication Cabling Standard, Part 1: General Requirements”;

3.      Основы структурированных кабельных систем. Самарский П.А. - М: Компания АйТи; ДМК Пресс, 2012;

4.      TIA/EIA-568-B.2-2012, “Commercial Building Telecommunication Cabling Standard, Part 2: Balanced Twisted-Pair Cabling Components”;

5.      www.ccc.ru <http://www.ccc.ru>

К исследовательскому разделу:

1.1.        TIA/EIA-568-B.1-2012, “Commercial Building Telecommunication Cabling Standard, Part 1: General Requirements”;

1.2.   www.adp.ru <http://www.adp.ru>;

1.3.        TIA/EIA-568-B.2-2012, “Commercial Building Telecommunication Cabling Standard, Part 2: Balanced Twisted-Pair Cabling Components”;

1.4.   www.siscom.ru <http://www.siscom.ru>;

1.5.        Структурированные кабельные системы. Семенов А.Б., Стрижаков С.К., Сунчелей И.Р. - 5-е изд. - М: Компания АйТи; ДМК Пресс, 2004;

1.6.   Волоконная оптика в локальных и корпоративных сетях связи. Семенов А.Б. - М: КомпьютерПресс, 2008;

.7.     Проектирование и расчет структурированных кабельных систем и их компонентов. Семенов А.Б. - М: Компания АйТи; ДМК Пресс, 2003;

.8.     Современные волоконно-оптические системы передачи, аппаратура и элементы. Скляров О.К. - М: Солон-Р, 2012;

.9.     Основы структурированных кабельных систем. Самарский П.А. - М: Компания АйТи; ДМК Пресс, 2005

К специальному разделу:

2.1.   www.lightwave-russia.com/ <http://www.lightwave-russia.com/>;

2.2.   www.ucp.kiev.ua.ru;

.3.     Волоконно-оптические кабели и линии связи. Иоргачев Д.В. Бондаренко О.В. - М: Эко-Трендз, 2013;

2.4.   www.fotonexpress.ru <http://www.fotonexpress.ru>;

.5.     Кабельные линии связи: история развития в очерках и воспоминаниях. Бакланов В.Г., Воронцов А.С. - М: Радио и связь, 2013;

.6.     Аппаратные средства локальных сетей. Энциклопедия. Гук М. - СПб: Питер, 2000;

.7.     Каталог продукции «LANMASTER», 2005;

2.8.   www.ruscable.ru <http://www.ruscable.ru>

К конструкторскому разделу:

.1.          Волоконно-оптические кабели и линии связи. Иоргачев Д.В. Бондаренко О.В. - М: Эко-Трендз, 2013;

3.2.        TIA/EIA-568-B.1-2012, “Commercial Building Telecommunication Cabling Standard, Part 1: General Requirements”;

3.3.        TIA/EIA-568-B.3-2012, “Commercial Building Telecommunication Cabling Standard, Part 3: Optical Fibre Components Standard”;

3.4.   www.ccc.ru <http://www.ccc.ru>;

3.5.        Структурированные кабельные системы. Семенов А.Б., Стрижаков С.К., Сунчелей И.Р. - 5-е изд. - М: Компания АйТи; ДМК Пресс, 2004;

3.6.        Волоконно-оптическая техника: Современное состояние и перспективы. - 2-е изд., перераб. и доп./Сб. статей под ред. Дмитриева С.А. и Слепова Н.Н. - М: ООО «Волоконно-оптическая техника», 2005;

3.7.      Оптические волокна для линий связи. Листвин А.В. - М: ЛЕСАРарт, 2003;

3.8.        Волоконно-оптические линии связи. Фриман Р. - М: Техносфера, 2003;

3.9.        Волоконно-оптические кабели и линии связи. Иоргачев Д.В. Бондаренко О.В. - М: Эко-Трендз, 2013

К технологическому разделу:

4.1.           Волоконно-оптические кабели и линии связи. Иоргачев Д.В. Бондаренко О.В. - М: Эко-Трендз, 2013;

4.2.           IEC 60811-1-1: 2103. Common test methods for insulating and sheathing materials of electric cables - Part 1: methods for general applications Section 1: measurement of thickness and overall dimensions - Tests for determining the mechanical properties;

4.3.   ГОСТ 12177-79. Кабели, провода, шнуры. Методы проверки конструкции;

4.4.   IEC 60793-1-2: 2105. Optical fibers - part 1: Generic specification - section 2: measurement methods for dimensions;

4.5.   ГОСТ 26814-86. Кабели оптические методы измерения параметров.

4.6.   IEC 60794-1-2: 2109. Optical fibers - parts 1 - 2: Generic specification - Basic optical cable test procedures;

4.7.   ГОСТ 12182.6-80. Кабели, провода, шнуры. Метод проверки стойкости к раздавливанию;

4.8.   IEC 60186-1: Low-frequencies cables and wires with PVC insulations and PVC sheath. Part 1: General tests and measurement methods.

.9.     EIA/TIA-45537. Fiber optic tests procedures. Low or high temperature band test for fiber optical cable;

4.10. ГОСТ 20.57.406-81. Комплексная система контроля качества. Изделия электронной техники, квантовой электроники, электротехнические. Методы испытания;

4.11. IEC 60068-2-2: 1974. Environmental testing - part 2: Tests. B: Dry heat

К разделу безопасность жизнедеятельности:

5.1.        Безопасность жизнедеятельности. Учебник для вузов. Белов С.В., Ильницкая А.В.; Под общ. ред. С.В. Белова - 4 изд. - М: Высшая школа, 2003;

5.2.        ГОСТ 12.0.003-74*. ССБТ. Опасные и вредные производственные факторы. Классификация;

5.3.        Правила устройства электроустановок. ПУЭ-98. - М.: Энергоатомиздат, 2000;

5.4.   ГОСТ 12.1.038-82. ССБТ. Электробезопасность. ПДУ напряжений и токов;

.5.     ГОСТ 12.1.003-83*. ССБТ. Шум. Общие требования безопасности;

.6.     ГОСТ 12.1.012-90*. ССБТ. Вибрация. Общие требования безопасности;

.7.     ГОСТ 12.1.005-88. ССБТ. Общие санитарно-гигиенические правила к воздуху рабочей зоны;

.8.     Извлечение металлов и неорганических соединений из отходов. Ситтиг М. Пер. с англ, под ред. Эммануэля Н.М. - М.: Металлургия, 1985;

.9.     Методические указания по выполнению раздела «Охрана труда» в дипломных проектах (проектирование местной вентиляции). И.Г. Гетия, И.Н. Леонтьева, В.П. Савкин - М: МИП, 2101.

К организационно-экономическому разделу:

6.1.        Организация производства и управления предприятием. Учебник. Туровец О.Г., Родинов В.Б. и др. под ред. О.Г. Туровца - М: ИНФРА-М, 2003;

6.2.   Сетевое планирование и управление производством. Учебно-практическое пособие. Навицкий Н.И. - М: Новое знание, 2004;

.3.     Методические указания по сбору материалов на преддипломной практике и выполнению организационно-экономического раздела дипломных проектов. - М: МГАПИ, 2004.

6.4.   www.mk-f.ru <http://www.mk-f.ru>;

6.5.   www.adp.ru <http://www.adp.ru>

Похожие работы на - Универсализация волоконно-оптических кабелей структурированной кабельной системы

 

Не нашли материал для своей работы?
Поможем написать уникальную работу
Без плагиата!
Без нейросетей!