Расчет распылительной сушильной установки с предварительным обезвоживанием производительностью 300 кг/час
Курсовой проект
Расчет распылительной сушильной установки с предварительным
обезвоживанием производительностью 300 кг/час
Введение
распылительный сушилка калорифер
фильтр
Сушка - процесс удаления влаги из
материалов путем испарения и отвода паровой фазы.
В процессах сушки в основном
удаляется влага.
Влага испаряется с поверхности
материала за счет энергии, подводимой к нему теплоносителем.
Сушка - один из самых
распространенных и дорогостоящих способов консервирования, так как удаление
влаги способствует подавлению действия микроорганизмов. Значительно сокращаются
расходы на транспортировку и хранение - резко уменьшается вес и объем продукта.
Сухое молоко - это растворимый
порошок, который получается высушиванием нормализованного пастеризованного
коровьего молока. Обычно разводится в тёплой воде и употребляется в качестве
напитка, и при этом сохраняет все полезные свойства свежего пастеризованного
молока. Имеет широкое применение в кулинарии, а также входит в состав многих
видов детского питания.
Изготавливают сухое молоко в связи с
тем, что этот продукт по сравнению с обычным молоком обладает более длительным
сроком хранения.
Коровье молоко нормализуют,
пастеризуют и сгущают. Затем производят гомогенизацию сгущённого молока и его
сушку на распылительных или вальцовых сушилках.
На распылительных установках молоко
сушат при температуре 150-180°C.
Распылительные сушилки пользуются
большей популярностью у производителей из-за высокой производительности.
Первоначально для сушки молока
использовались преимущественно вальцовые сушилки, которые основаны на методе
кондуктивной сушки. Обычно на вальцовую сушилку поступает концентрат цельного
молока после мультициклонных выпарных аппаратов с содержанием сухих веществ
около 40%. Готовый продукт имеет остаточную влажность около 3%. Сухое молоко,
производимое на вальцовых сушилках, имеет особые органолептические свойства.
При соприкосновении сгущённого молока с нагретой поверхностью барабана
происходит его карамелизация. Таким образом, молоко, высушенное на вальцовых
сушилках, имеет своеобразный привкус карамели. Сухое молоко вальцовой сушки
имеет большое количество свободных жиров, поэтому является незаменимым
ингредиентом в шоколадной промышленности, позволяющим значительно сократить
количество дорогого масла какао. Существенным недостатком такого вида сушки
является малая производительность: в зависимости от величины вальцовой
установки до 1000 кг/ч.
После сушки молоко просеивают и
охлаждают.
Для увеличения срока годности
продукта производят его фасовку в вакуумные пакеты.
Сухое молоко производится в
соответствии с ГОСТ 4495-87 «Молоко цельное сухое» и ГОСТ Р 52791-2007
«Консервы молочные. Молоко сухое. Технические условия».
1. Технологическая схема
и описание установки
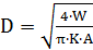
.1 Описание
распылительной установки фирмы для сушки молока
У сушильной башни установок с
дисковым распылителем молока прямоточного типа большое коническое днище, по
которому сухое молоко ссыпается к отводному устройству.Для монтажа сушильной
башни необходимо помещение высотой 1З-14м.
В комплект установки входят:
приемная ванна с теплообменной рубашкой, из которой сгущенное молоко подается
насосом на распылительный диск, вращающийся со скоростью до 12 000 об/мин;
сушильная башня с коническим днищем, внутри которой расположен воздухопровод
для отработавшего воздуха; снаружи башни расположен трубопровод для подачи
горячего воздуха, фильтр для механической очистки воздуха, подаваемого
вентилятором в калорифер для нагрева; пневматический транспортер с фильтром;
батарея циклонов; разгрузочный циклон для сухого молочного порошка; приемник с
затвором для выпуска порошка на расфасовку вентилятор; возвратный
воздухопровод; вентилятор для отсасывания воздуха из башни; пульт управления.
Сушильную башню, циклоны и трубопроводы изготовляют из нержавеющей стали с
полированной рабочей поверхностью.
Работа сушки начинается с очистки
воздуха от взвешенных в нем частиц имикроорганизмов через фильтр воздуха (1).
Затем очищенный воздухнагнетается вентилятором в калорифер. Температура воздуха
на вход вкалорифер 19°С (2), где нагревается до 168°С. Этот воздух поступает
враспылительную установку. Одновременно из бака подается молоко.
Враспылительной сушилке происходит процесс сушки благодаря рабочему органу -
диску. Диск вращается с помощью электродвигателя (6).
После сушки частицы сухого молока
оседают в конической части сушилки и удаляется с помощью вибратора (11). Также
происходит удаление отработавшего воздуха с помощью вытяжного вентилятора (7)
через батарею циклонов (8), частицы, которые были уловлены в циклонах удаляются
через шлюзы (11). Частицы сухого молока нагнетаются с помощью вентилятора (10)
в разгрузочный циклон и выводится через шлюз (9). Готовый продукт фасуют и
отправляют на склад готовой продукции.
1.2 Характеристика
распылительных сушилок
Распылительные сушилки используются
для сушки жидких и пастообразных продуктов (молоко, соки, экстракты и т.д.).В
основном применяется, если необходимо испарить растворитель и получить из
высушиваемого материала порошкообразный или гранулированный сухой продукт.
Экономическая целесообразность
распылительной сушки особенно очевиднапри необходимости сушки материалов,
близких к состоянию насыщения.
По способу распыления они
подразделяются на дисковые и форсуночные.
Вследствие распыления продукта на
мелкие частицы в этих установках создаетсябольшая площадь соприкосновения
продукта с горячим воздухом, при этом процесс сушки протекает в течении
нескольких секунд, а продукт при высушиваниинаходится во взвешенном состоянии.
В таких сушилках достигается высокая
интенсивность испарения влаги, за счет тонкого распыления высушиваемого
материала в сушильной камере, через которую движется сушильный агент (нагретый
воздух или топочные газы). При сушке в распыленном состоянии удельная поверхность
испарения достигает столь большой величины, что процесс высушивания завершается
чрезвычайно быстро (примерно 15-30 сек).
В условиях почти мгновенной сушки
температура поверхности частиц материала, несмотря на высокую температуру
сушильного агента, лишь немного превышает температуру адиабатического испарения
чистой жидкости. Таким образом, достигается быстрая сушка в мягких
температурных условиях. Эти условия позволяют получить качественный
порошкообразный продукт, хорошо растворимый и не требующий дальнейшего
измельчения.
Распыление центробежными дисками
пригодно для диспергирования суспензий и вязких жидкостей, но требует,
значительно, большего расхода энергии, чем механическое распыление.
Распыливание механическими форсунками, в которые жидкость подается насосом под
давлением 30-200атмосфер, более экономично, но применяется только для
жидкостей, не содержащих твердых взвесей, вследствие чувствительности этих
форсунок к засорению.
Распыление пневматическими
форсунками, работающих при помощи сжатого воздуха под давлением около 6
атмосфер, хотя и пригодно для загрязненных жидкостей, но наиболее дорого из-за
большого расхода энергии; кроме того, его недостатком является неоднородность
распыления.
Для осаждения мелких частиц и
уменьшения уноса скорость газов в камере, считается на ее полное сечение,
обычно не превышает 0,3-0,5 м/сек. Но даже при таких скоростях унос значителен
и требуется хорошее обеспыливание отработанных газов. Для более равномерного
распределения сушильного агента по сечению камеры и хорошего смешивания с
каплями высушиваемой жидкости используют ввод газа через штуцер, расположенный
касательно к корпусу камеры, или через ряд щелей, по ее окружности.
Способ сушки распылением обладает
рядом преимуществ по сравнению с другими методами сушки.
. Процесс сушки протекает
чрезвычайно быстро (обычно 13-15 сек) и частицы в зоне повышенных температур
имеют насыщенную поверхность, температура которой близка к температуре
адиабатного испарения чистой
жидкости. Благодаря мгновенной сушке
и не высоких температур не происходит денатурация белков, окисления, потерь
витаминов.
. Легко регулировать и
изменять в нужном направлении качественные показатели готового продукта в
зависимости от условий сушки.
. Готовый продукт не требует
дополнительного измельчения.
. Можно достигнуть высокой
производительности по высушиваемому материалу.
. Высушиваемый продукт не
соприкасается с поверхностями сушилки до тех пор, пока не высушится, что
упрощает проблему коррозии материала высушиваемой камеры.
. Сушка происходит в широких
температурных пределах (60-120°С).
. Не происходит вынос пыли
высушиваемого продукта в помещении цеха, что особенно важно при сушке вредных
для человеческого организма веществ.
1.3 Принцип работы
сушильной камеры
Существующие в настоящее время различные
типы распылительных сушилок можно классифицировать по принципу движения газа и
частиц раствора в сушильной камере. Исходя из этого признака, сушилки можно
разделить на три типа: сушилки, работающие при параллельном, противоточном и
смешенном токе газа и частиц раствора.
Наибольшее распространение в
промышленности получили сушилки, работающие при параллельном токе газа и частиц
раствора сверху вниз (а). В этом случае газ и раствор подается сверху сушильной
камеры.
Одним из основных достоинств
параллельного тока является возможность применять для сушки высокую температуру
газа без перегрева,
Высушиваемого раствора. Температура
сухих частиц в основном определяется температурой газов на входе из сушилки.
При этой схеме работы сушилки меньше вероятности попадания частиц на стенки
камеры, что особенно важно присушке термочувствительных растворов. Горячий
готовый продукт получается однородным, в виде порошка, состоящего из частиц
шарообразной формы.
При сушке некоторых растворов с
применением параллельного тока объемный вес порошка получается меньше, чем при
сушке с противотоком. Иногда параллельный ток осуществляется при горизонтальном
факеле распыла (б). Ввод газов и распыление раствора производится с одного из
краев сушилки. Основная часть продукта осаждается в сушильной камере. Для
улучшения смешения газа с распыленными частицами газовому потоку при входе в
сушилку придается вращательное движение.
Параллельной ток газа и частиц
материала можно осуществить также при подаче газа и раствора снизу сушильной
камеры (в). В этом случае необходимо, чтобы скорость газов в сушильной камере
была больше скорости витания наиболее крупных частиц. Только тогда все частицы
распыленного раствора будут подниматься вверх, и уноситься вместе с
отработанным газом.
Этот принцип движения газа и
раствора обладает всеми преимуществами параллельного тока, но в отличие от
предыдущей схемы (а) сушка здесь происходит более равномерно.
Параллельный ток снизу вверх
особенно выгоден при высокодисперсном и однородном распыле. Правда, в этих условиях
несколько усложняется проблема выделения сухих частиц из газового потока.
1.4 Сравнительная
характеристика сушилок различных конструкций
Конвективные сушилки с
пневмотранспортом материала
Пневматические сушилки. Для сушки во
взвешенном состоянии зернистых и кристаллических материалов применяют также
пневматические сушилки. Сушка осуществляется в вертикальной трубе. Частицы
материала движутся в потоке нагретого воздуха, скорость которого превышает
скорость витания частиц и составляет 10-30 м/сек. В подобных трубах-сушилках
процесс сушки длится секунды и за такое короткое время из материала удается
испарить только часть свободной влаги.
Недостатки: расход энергии в
пневматических сушилках значителен, причем он снижается с уменьшением размера
частиц материала, который не должен превышать 8-10 мм. Для сушки материалов с
крупными частицами, а также для удаления из материала связанной влаги
пневматические сушилки комбинируют с сушилками других типов. Таким образом, несмотря
на компактность и простоту устройства, область применения пневматических
сушилок ограничена условиями, указанными выше.
1.5 Контактные сушилки
Вакуум-сушильные шкафы. Простейшими
контактными сушилками периодического действия являются вакуум-сушильные шкафы,
которые в настоящее время используются для сушки малотоннажных продуктов в
производствах с разнообразным ассортиментом продукции, где применение
высокопроизводительных механизированных сушилок непрерывного действия
экономически не оправдано.
Такие сушилки пригодны для сушки
легкоокисляющихся, взрывоопасных и выделяющих вредные или ценные пары веществ.
Однако они малопроизводительны и
малоэффективны, поскольку сушка в них происходит в неподвижном слое при наличии
плохо проводящих тепло зазоров между противнями и греющими плитами.
Гребковые вакуум-сушилки. В этих
контактных сушилках периодического действия скорость сушки несколько
увеличивается за счет перемешивания материала медленно вращающейся
горизонтальной мешалкой с гребками; вместе с тем, они не требуют ручной
загрузки и выгрузки материала подобно вакуум-сушильным шкафам.
Производительность сушилки зависит
от температуры греющего пара, величины разряжения и начальной влажности
материала. Такой тип сушилок имеют высокую стоимость и сложную конструкцию, по
сравнению с атмосферными сушилками. Но технологически такие сушилки пригодны
для сушки чувствительных к высоким температурам, а также для токсичных и
взрывоопасных веществ, для получения высушенных продуктов повышенной чистоты.
Вальцовые сушилки. В этих сушилках
осуществляется непрерывная сушка жидкостей и текучих пастообразных материалов
при атмосферном давлении или при разряжении.
2. Вспомогательное
оборудование
2.1 Центробежные
пылеотделители-циклоны
Более интенсивное и эффективное осаждение
твердых частиц, взвешенных в газе, реализуется в центробежных
аппаратах-циклонах. Действие центробежной силы, развиваемой газовыми потоком,
позволяет удалить из потока частицы диаметром до 5 мкм.
Сущность метода центробежного
отделения частиц заключается в создании потока, двигающегося со значительными
скоростями, изменяющегося также со значительными скоростями, изменяющего
направление движения. Обладая значительной инерцией, частицы не успевают за
изменениями направления движения потока. Они продолжают движение в
первоначальном направлении и оседают на стенках циклона. Поток газа,
содержащего частицы, вводятся по касательной в цилиндрическую часть аппарата.
Газ проходит вдоль стенок аппарата по спиралям, а затем, описывая малые
спирали, выходит вверх по центральной трубе. Частицы оседают на внутренней
стенке циклона и падают в суженную конусообразную часть, откуда могут быть
удалены.
Для улавливания уноса в сушильных
установках наибольшее распространении ввиду простоты и дешевизны получили
центробежные циклоны. Степень очистки газов в циклонах составляет 70-90%.
Обычно циклон представляет собой цилиндр, к нижней части которого
пристраивается конус с углом наклона не менее 60°.
Очищенные газы выводятся по
центральной выкидной трубе.
Степень очистки газа от пыли в
циклонах зависит от свойств пыли и газа, от скорости движения запыленного
газового потока, а также от абсолютных размеров и конструктивных особенностей
циклонных аппаратов. Дисперсный состав пыли и его плотность в значительной
степени определяет эффект работы циклонов. Чем крупнее частицы пыли, тем полнее
они улавливаются циклоном.
На графике приводится зависимость
коэффициента очистки газов от диаметра частиц для циклона системы НИИОГАЗ ЦН
-15.
В настоящее время в промышленности
распространены различные конструкции центробежных пылеотделителей.
.2 Вентилятор
Центробежные вентиляторы условно
делятся на вентиляторы низкого давления (р<103 н/м2),
среднего давления (р=103-3*103 н/м2) и
высокого давления (р=3*103- 104 н/м2).
В спиралеобразном корпусе
вентилятора вращается рабочее колесо (барабан) с большим количеством лопаток.
Отношение ширины лопатки к ее длине зависит от развиваемого давления и является
наименьшим для вентиляторов высокого давления. Газ поступает по оси вентилятора
через патрубок и удаляется из корпуса через нагнетательный патрубок. Форму и
размеры корпуса вентилятора, рабочего колеса, лопаток и патрубков выбирают
такими, чтобы гидравлические потери были наименьшими. Рабочие колеса
вентиляторов низкого давления имеют лопатки, загнутые назад. У некоторых типов
вентиляторов высокого давления лопатки загнуты вперед для создания большого
напора.
Характеристики центробежных
вентиляторов, как и других центробежных машин для размещения и сжатие газов,
подобны характеристикам центробежных насосов, а изменение производительности,
напора и мощности от числа оборотов выражается зависимостями. Рабочий режим
устанавливается по точке пересечения характеристики центробежной машины с
характеристикой сети.
.3Теплообменный аппарат
типа ТП
Кожухотрубчатые теплообменники
относятся к числу наиболее часто применяемых поверхностных теплообменников.
Кожухотрубчатый теплообменник состоит из корпуса, и приваренных к нему решеток.
В трубных решетках закреплен пучок труб. К трубным решеткам крепятся к крышки
при помощи сварки.
В кожухотрубчатом теплообменнике
одна из обменивающихся теплом сред движется внутри труб (трубном пространстве),
а другая в межтрубном пространстве.
Среды обычно направляют противотоком
друг к другу. При этом нагреваемую среду направляют снизу вверх, а среду,
отдающую тепло - в противоположном направлении. Такое направление движение
каждой среды совпадает с направлением, котором стремится двигаться данная среда
под влиянием изменения ее плотности при нагревании или охлаждении.
Трубы в решетках обычно равномерно
размещают по периметрам правильных шестиугольников, т.е по вершинам
равносторонних треугольников. В отдельных случаях, когда необходимо обеспечить
удобную очистку наружной поверхности труб преследуют одну цель - обеспечить,
возможно, более компактное размещение необходимой поверхности теплообмена
внутри аппарата. В большинстве случаев наибольшая компактность достигается при
размещении трубок по периметрам правильных шестиугольников.
Рассматриваемый теплообменник
является одноходовым. При сравнительно небольших расходах жидкости скорость ее
движения в трубах таких теплообменников низка и, следовательно, коэффициенты
теплоотдачи невелики. Для увеличения последних при данной поверхности
теплообмена можно уменьшить диаметр труб, соответственно увеличив их высоту
(длину).
Однако теплообменники небольшого
диаметра и значительной высоты неудобны для монтажа, требуют высоких помещений
и повышенного расхода металла на изготовление деталей, не участвующих
непосредственно в теплообменнике (кожух аппарата). Поэтому более рационально
увеличивать скорость теплообмена путем применения многоходовых теплообменников.
Вертикальные теплообменники более
просты в эксплуатации и занимают меньшую производительную площадь.
Горизонтальные изготавливаются обычно многоходовыми и работают при больших
скоростях участвующих в теплообмене сред для того, чтобы свести к минимуму
расслоение жидкостей вследствие разности их температур и плотностей, а также
устранить образование застойных зон.
Для уменьшения температурных
деформаций, обусловленных большой разностью температур труб кожуха,
значительной длиной труб, а также различием материала труб и кожуха, используют
кожухотрубчатые теплообменники с линзовым компенсатором, у которых на корпусе
имеется линзовый компенсатор, подвергающийся упругой деформации. Такая
конструкция отличается простотой, но применима при небольших избыточных
давлениях в межтрубном пространстве, обычно не превышающих6атмосфер.
К числу компактных и эффективных
теплообменников, созданных за последнее время, относятся различные конструкции
теплообменных аппаратов с оребренными поверхностями. Применение оребрения со
стороны теплоносителя, отличающегося низкими значениями коэффициентов
теплоотдачи (газы, сильновязкие жидкости), позволяет значительно повысить
тепловые нагрузки аппаратов.
Помимо трубчатых теплообменников с
трубами, имеющими поперечные ребра прямоугольного или трапециевидного сечения,
разработаны конструкции с продольными, плавниковыми, проволочными, игольчатыми
непрерывными спиральными ребрами и др.
Трубы с поперечными ребрами
различной формы широко используются, в частности, в аппаратах для нагрева
воздуха - калориферах, а также в аппаратах воздушного охлаждения. При нагреве
воздуха обычно применяют насыщенный водяной пар, поступающий в коллектор и
далее в пучок оребренных труб. Конденсат отводится из коллектора.
Конструкции оребренных
теплообменников разнообразны. схема устройства современного
пластинчато-ребристого теплообменника, работающего по принципу противотока.
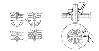
.4 Центробежные дисковые
распылители
В сушильной технике получило широкое
распространение распыление с помощью центробежных дисков. Этот метод отличается
от метода распыления растворов механическими форсунками тем, что раствор
принимает большие скорости без давления на него.
Раствор через специальную
распределительную коробку или трубу с отверстиями под небольшим избыточным
давлением подается на диск и получает вращательное движение. Благодаря действию
центробежной силы раствор в виде пленки перемещается с непрерывно возрастающей
скоростью к лопаткам или соплам, далее по ним к периферии диска и сбрасывается.
При этом происходит распыление раствора.
Механизм распыления раствора зависит
от условий работы центробежного диска. При небольших скоростях потока и
производительности диска распыление происходит с непосредственным образованием
капель. Пленка жидкости стекает к краям диска и собирается в виде висящего
цилиндра. Этот цилиндр увеличивается до тех пор, пока не достигнет критической
величины. При этом жидкостная пленка принимает выпуклую форму по периферии
диска и под действием центробежной силы, преодолевая поверхностные силы,
удерживающие раствор на твердой поверхности силы, разрывается. С увеличением
производительности образуются отдельные тонкие струйки, которые, как
статистически неустойчивые, распадаются на капли. При дальнейшем увеличении
производительности из струй образуется сплошная пленка, которая также
распадается с образованием отдельных капель.
Распад отдельных струек или пленки
раствора происходит на некотором расстоянии диска. Распад статистически
неустойчивой формы происходит за счет турбулентности потока и за счет сил
давления на поверхность раствора, возникающего вследствие трения о воздух.
Неравномерность распыла в общем
случае объясняется главным образом тем, что распад отдельных струек или пленки
происходит на различном расстоянии от диска, т.е. при различной их толщине.
Неоднородность распыла увеличивается с переходом от стадии распада отдельных
струек к распаду пленки. Таким образом, величина капель и однородность распыла
зависит от края от окружной скорости диска и толщины пленки раствора, которая в
свою очередь, определяется производительностью.
При малых окружных скоростях диска
(меньше 50 м/сек) получается резко выраженный неоднородный распыл, факел
распыла как бы состоит из основной группы крупных капель, которые оседают ближе
к диску. По мере увеличения скорости вращения неоднородность распыла
уменьшается, расстояние между основной массой крупных и мелких капель
сокращается. Начиная с окружной скорости 60 м/сек и выше, такого разложения не
наблюдается, поэтому скорость 60 м/сек можно принять минимальной, имеющей
промышленное значение.
Чаще всего распыление дисками
различных конструкций производится при окружных скоростях в интервале 90-140
м/сек в зависимости от свойств раствора и температурного режима сушки.
Распыление центробежными дисками
имеет большие преимущества перед другими способами, так как позволяет распылять
жидкости с высокой вязкостью, регулировать производительность в пределах ±25%
без существенного изменения факела распыления; диски надежны в работе.
Недостатками центробежного распыления являются сравнительно высокая стоимость
распылительного механизма и его сложная конструкция. Из-за широкого факела
распыления, лежащего в горизонтальной плоскости, требуется большой диаметр
сушильной камеры и соответственно большая площадь помещения.
Большое значение имеет равномерная
во времени подача раствора на диск. При значительном разряжении в диске не
рекомендуется раствор подавать самотеком, - так как это ведет к пульсирующей
производительности диска и резкому увеличению диаметра факела распыла. Раствор
должен подаваться на диск под небольшим давлением специальным насосом. Это
позволяет не только равномерно подать на его на диск, но и осуществить
плавную регулировку производительности диска в зависимости от температуры
отходящих газов, Перед работой диски вместе с валом должны подвергаться
статистической и динамической балансировке.
Для получения больших чисел оборотов
диска применяются паровая турбина с противодавлением, быстроходный
высокочастотный электродвигатель с редуктором. Паровая турбина обычно
применяется мощностью 10-12 кВт при давлении пара 0,8 атмосфер. Число оборотов
турбины 140 в секунду. Пар после турбины обычно используется для нагрева
воздуха в нагревателях.
.5 Конструкция
центробежных дисков
Существуют различные тины
центробежных дисков.
Конструкция диска обуславливается
его производительностью и свойствами диспергирумого раствора. К ним нужно
отнести: влажность, коррозионные и эрозионные свойства, термочувствительность,
вязкость и т.д.
При большой производительности
наиболее рационально использовать многоярусные диски, обеспечивающие небольшой
факел распыла и повышенную плотность орошения.
Современные конструкции диска грубо
можно подразделить на две группы: к первой относятся диски с канавками и
лопатками, в которых имеется значительный участок разгона в радиальном
направлении пленки жидкости; ко второй группе относятся сопловые чашеобразные
диски. В первом случае можно обеспечить большую величину смоченного периметра
и, как следствие, равномерный распыл.
3. Расчет распылительной
сушилки
Производительность по сухому
материалу GF= 0,3 т/ч.
Начальная влажность высушиваемого
материала Wн= 52%; конечная Wк = 4,9%. Температура
воздуха на входе в сушилку t1 = 180°C, температура воздуха на выходе из
сушилки t2= 90°С. Температура материала на входе в сушилку Ɵ =
60°С. Потери тепла qn = 8.0%. Высушиваемый материал - обезжиренное молоко.
3.1 Материальный баланс
сушилки
Массу влажного продукта,
загружаемого в сушилку, определяем по формуле
, (1)
где G2 - масса продукта, полученного после сушки, кг;
- процентное содержание влаги в сухом продукте,%;
- процентное содержание влаги во влажном продукте,%;
.
Количество влаги, подлежащей
выпариванию W, кг/ч, определяем по формуле
, (2)
.
3.2 Геометрический
расчет сушильной башни
Определим внутренний объем по
формуле
, (3)
ГдеА - напряжение башни по влаге, А
= 3,33 кг/м3,
.
Определим диаметр башни по формуле
, (4)
где К - отношение высоты башни к ее
диаметру, К = 1,15.
.
Высота башни определяется по формуле
, (5)
3.3 Расчет теплопотерь
при сушке на 1 кг испаренной влаги
Определим теплопотери в окружающую
среду
, кДж/кг, принимая теплопотери с 1 м2 равными 4,18
кДж/ч, по формуле
, (6)

, (7)
где
- теплоемкость абсолютно сухого материала, кДж/(кг∙К);
.
Теплопотери на нагрев продукта
определяем по формуле
, (8)
где
- температура продукта на входе в камеру,
= 20°С,
-
температура продукта на выходе из камеры,
= 60°С;
.
Сумма теплопотерь определяется по
формуле
, (9)
.
3.4 Аналитический расчет
сушильного процесса в распылительной башне
Влагосодержание наружного воздуха
,г водяного пара/кг сухого воздуха, определяется по формуле
, (10)
где
- относительная влажность наружного воздуха;
- давление насыщенного водяного пара при температуре
,
при
,
при
(для Тирасполя);
-
барометрическое давление на входе в сушилку,
зимой:
;
летом:
.
Теплоемкость влажного воздуха С,
кДж/(кг∙К) на 1 кг сухого воздуха определяется по формуле
, (11)
где
- теплоемкость сухого воздуха, кДж/(кг∙К);
- теплоемкость насыщенного сухого водяного пара, кДж/(кг∙К);
зимой:
;
летом:
.
Теплосодержание водяного пара на
выходе из башни i, кДж/кг, определяется по формуле
, (12)
где
- полная теплота водяного пара при 0°С;
- температура воздуха на выходе из сушильной башни,
.
.
Влагосодержание наружного воздуха d2, г водяного пара/кг сухого воздуха, на выходе из сушильной башни
определяется по формуле
, (13)
где
- температура на входе в сушильную башню,°С.
зимой:
,
летом:
.
Относительная влажность воздуха на
выходе из башни
определяется
по формуле
, (14)
где
- давление насыщенного пара при
, Па,
Па.
зимой:
,
летом:
.
Относительный расход абсолютно
сухого воздуха на сушку
, кг
сухого воздуха/кг испарен влаги, определяется по формуле
. (15)
зимой:
,
летом:
.
Расход тепла на сушку
определяется по формуле
, (16)
где
- температура наружного воздуха,°С.
зимой:
,
летом:
.
Расход воздуха в сушильной башне за
1 час работы сушилки L, кг сухого воздуха/ч, рассчитывается по формуле
. (17)
зимой:
,
летом:
.
Расход тепла в сушильной башне за 1
час работы сушилки
,
кДж/ч, рассчитывается по формуле
. (18)
зимой:
,
летом:
.
4. Расчет сушки с
предварительным обезвоживанием в контактном
испарителе
Принимаем, что в испарителе молоко
подогревается с
C до
С,
температура воздуха, поступающего из сушильной башни, с
C понижается до
С.
Теплоемкость поступающего в
испаритель воздуха с, кДж/(кг∙К), рассчитывается по формуле
. (19)
зимой:
,
летом:
.
Полная теплота водяного пара i, кДж/кг, на выходе из испарителя
рассчитывается по формуле
, (20)
где
- температура воздуха на выходе из испарителя,°С.
.
Теплопотери в испарителе на подогрев
продукта на 1 кг испаренной в установке влаги
, кДж/кг испаренной влаги, определяется по формуле
, (21)
где
- теплоемкость влажного материала, кДж/(кг∙К), определяется
по формуле
(22)
,
.
Теплопотери в испарителе в
окружающую среду принимают, учитывая температурный режим, равными 0% от
теплопотерь башней, т.е.
.
Суммарные теплопотери в испарителе
определяются по формуле
(23)
.
Часть влаги х, испаряемой из
продукта в испарителе, определяется по формуле
(24)
зимой:
,
летом:
.
Влагосодержание воздуха на выходе из
испарителя
, г
водяного пара/кг сухого воздуха, определяется по формуле
(25)
зимой:
,
летом:
.
Относительная влажность воздуха
на выходе из испарителя рассчитываем по формуле
, (26)
где
- давление насыщенного пара при
, Па,
Па.
зимой:
,
летом:
.
Количество испаренной воды в
сушильной башне
, кг/ч,
определяется по формуле
(27)
зимой:
,
летом:
.
Количество испаренной воды в
испарителе
, кг/ч,
определяется по формуле
(28)
зимой:
,
летом:
.
Относительная влажность материала на
выходе из испарителя
,%,
рассчитывается по формуле
(29)
зимой:
,
летом:
.
Проверка расчетов по формуле
(30)
зимой:
,
летом:
.
Расход воздуха
, кг сухого воздуха/ч, определяется по формуле
(31)
зимой:
,
летом:
.
Расход тепла
, кДж/ч, определяется по формуле
зимой:
,
летом:
.
4.2 Экономия расходов
Экономия в расходах по сравнению с
сушкой без предварительного обезвоживания составит:
тепла зимой:
,
тепла летом:
,
воздуха зимой:
,
воздуха летом:
.
Эти величины являются коэффициентами
экономии и представляют собой ту часть влаги, которая испаряется из продукта в
испарителе.
Производительность сушильной
установки будет больше и составит по выпаренной влаге по формуле
(33)
.
т.е. увеличится на 16,5% при тех же
расходах воздуха и тепла, что были определены для сушилки без предварительного
обезвоживания.
5. Расчет рукавных фильтров
Фильтрующая поверхность F, м2, определяется по
формуле
(34)
где
- производительность 1 м2 фильтрующей поверхности
рукавов в 1 ч/м2;
-
коэффициент, определяющий единовременно работающую часть фильтра,
.
.
Количество рукавов n, шт., определяется по формуле
(35)
где
- диаметр рукава, м;
;
-
рабочая длина рукава, м;
.
Потерю напора или сопротивление
, Па, рассчитываем по формуле
, (36)
где
- опытный коэффициент, справедливый для определенной ткани,
;
-
опытный показатель степени,
.
6. Расчет калорифера
Калорифер рассчитывают при
оптимальной стоимости его эксплуатации на зимнее время работы.
Рассчитаем и подберем калорифер для
подогрева наружного воздуха от -9,8°С до 180°С.
Коэффициент экономических
характеристик определяется по формуле
(37)
где
- стоимость 1 кВт/час электроэнергии, руб.,
;
- стоимость
1 м2 поверхности теплопередачи калорифера, руб.,
;
-
годовая стоимость амортизации и ремонта калорифера в долях единицы от начальной
стоимости,
;
- число часов работы калорифера в сутки,
;
-
количество рабочих дней в году,
;
- плотность воздуха,
;
- КПД
электродвигателя,
;
- КПД вентилятора,
.
.
Оптимальная массовая скорость
воздуха
,
,
определяется по формуле
(38)
где
- коэффициент опытных величин калорифера, для калорифера марки
КФБ
;
-
коэффициент отношений поверхности теплопередачи к живому сечению калорифера,
для модели КФБ
; m - коэффициент калорифера опытный,
для модели КФБ
.
.
Подберем калорифер, обеспечивающий
оптимальную или ей близкую объемную скорость
,
, по
формуле
(39)
где
- живое сечение калорифера, м2,
;
-
количество калориферов, установленных параллельно,
Эту скорости применяют в дальнейших
расчетах.
Коэффициент теплопередачи К,
, определяется по формуле
(40)
где
и
-
опытные коэффициенты, для марки КФБ
.
Поверхность теплопередачи F, м2, определяется по
формуле
(41)
где
- средняя разность температур пара и воздуха, которая
определяется по формуле
(42)
где
- начальная температура наружного воздуха,
°С;
-
конечная температура наружного воздуха,
°С;
-
температура пара,
°С.
Количество калориферов x, установленных последовательно,
определяется по формуле
(43)
где
- поверхность передачи одного калорифера, для марки КФБ
.
Установочная поверхность
рассчитывается по формуле
(44)
Сопротивление калорифера
, Па, рассчитывается по формуле
, (45)
где
,
-
опытные коэффициенты, для марки КФБ
; 9,8 - перевод мм.рт.ст. в Па.

(46)
Стоимость эксплуатации калориферной
станции определяется по формуле
(47)
7. Расчет вентилятора
Часовую производительность
вентилятора, установленного за сушилкой и рассчитанного на отсос обработанного
воздуха
, м3/ч, определяется по формуле
, (48)
где
- плотность воздуха в зависимости от места установки вентилятора,
рассчитывается по формуле
, (47)
где
- давление воздуха на выходе из сушилки,
;
-
влагосодержание отработавшего воздуха, кг вод.пара/ кг сухого воздуха;
- температура отработавшего воздуха,°С.
,
.
По полученной производительности
выбираем вентилятор ВР 140-40.
Мощность двигателя данного
вентилятора
Напор вентилятора - H = 900 Па.
Заключение
В ходе расчета и проектирования
сушилки для сушки молока производительностью 300 кг/ч получены следующие
значения:
расход тепла в сушильной башне за 1
час работы сушилки
.
техническая производительность по
сырому продукту
.
Габариты сушильной башни
высота … 6240 мм
диаметр … 5430 мм
Подобран калорифер марки КФБ-6,
годовая стоимость эксплуатации которого составляет 2513718,167 руб/год.
Рассчитано количество рукавных
фильтров, которое составило 12 шт.
При расчете процесса сушки с
предварительным обезвоживанием в испарителе было определено, что
производительность сушильной установки увеличится на 16,5% при тех же расходах
воздуха и тепла, что и для сушки без предварительного обезвоживания.
В результате произведенных расчетов
можно сделать вывод, что данная рассчитанная сушильная установка соответствует
технологии производства сухого молока по расходам тепла и воздуха, а габаритные
размеры сушильной башни соответствуют выпускаемым.
Список использованной
литературы
1. Павлов К.Ф., Романков П.Г., Носков А.А. Примеры и задачи
по курсу процессов и аппаратов химической технологии. Издание 8-е, пер. и доп.
Л., (Химия), 1976 - 552 с.
. Логинов А.В.,Остриков А.Н.,КрасовицкийЮ.В.Практикум по
гидравлике.Руководство по изучению курса: уч.пособие.-Воронеж: ВГТА, 2009. 352
с.
. Машины и аппараты пищевых производств. В 2 кн. Кн. 2:
Учеб.для вузов/ С.Т. Антипов, И.Т. Кретов, А.Н. Остриков и др.; под ред. акад.
РАСХН В.А. Панфилова. - М.: Высш. шк., 2001. - 680 с.: ил
. Лыков, М.В. Распылительные сушилки. Основы теории и
расчета [Текст]/ М.В. Лыков, Б.И. Леончик - М.: Машиностроение,1966г. 331 с
. Лятипов С.Т., Кретов И.Т, Остриков А. Машины и аппараты
пищевых
производств. - М.: Высшая школа, 2001. - 680 с.: ил.
. Калунянц К.А., Голгер Л.И., Балашов В.Е. Оборудование
микробиологических производств. - М.: ВО «Агропромиздат», 1987,- 398 с., un.-
(Учебники и учебные пособия для студентов высших учебных заведений).
. Касаткин А.Г Основные процессы и аппараты химической
технологии.- М.:«Химия» 784 с., ил.