Определение оптимальных параметров непрерывного компенсатора и дискретного ПИД регулятора
Федеральное
государственное бюджетное образовательное учреждение
высшего
профессионального образования
"Липецкий
государственный технический университет"
Кафедра
информатики
Курсовая
работа
Определение
оптимальных параметров непрерывного компенсатора и дискретного ПИД регулятора
Студент: Полозов В.О.
группа УТ-12
Преподаватель: Кудинов Ю.И.
доктор технических наук,
профессор
Липецк
2015 г.
Аннотация
С. 24. Ил. 25. Табл. 3. Лит. 5;
Данная курсовая работа на тему:
"Определение оптимальных параметров непрерывного компенсатора, дискретного
ПИД регулятора". В работе продемонстрирован процесс нахождения оптимальных
параметров ПИД регулятора средствами MATLAB. Данные параметры позволяют
повысить качество системы.
Содержание
Введение
.
Синтез непрерывных систем управления
1.1
Задание
.2
Методические указания
.3
Выполнение работы
.
Синтез дискретных систем управления
.1
Задание
.2
Выполнение работы
Заключение
Список
литературы
Введение
Автоматизация производственных процессов во всех
отраслях народного хозяйства является одним из основных направлений
научно-технического прогресса. Она призвана повысить производительность труда,
улучшить качество продукции и облегчить условия труда. В связи с этим
значительно возрастает требование к освоению теории автоматического управления
(ТАУ). В результате освоения курса теории автоматического управления будут
получены знания о принципах построения систем автоматического управления (САУ),
овладение методами математического описания систем, освоение способов анализа и
синтеза непрерывных и дискретных САУ.
Синтез непрерывных и дискретных САУ является
завершающим и наиболее ответственным этапом разработки линейных систем
управления.
Под синтезом будем понимать техническое
проектирование, цель которого состоит в задании структуры и требований к
системе управления, а также определении основных её параметров и структурных
элементов, удовлетворяющих предъявляемым к системе требованиям. В данной
курсовой работе будут рассмотрены и применены методы синтеза непрерывных и
дискретных САУ с помощью MATLAB Simulink.
1. Синтез непрерывных систем управления
.1 Задание
. Найдите передаточные функции: разомкнутой
Wpc(s) и замкнутой
систем, а также
главную передаточную функцию относительно ошибки
и
возмущения
.
2. Постройте область устойчивости системы в
плоскости общего
коэффициента передачи
и
постоянной времени
при заданных
значениях
и
.
Найдите граничное значение
при заданном
значении
,
при котором система выходит на границу устойчивости.
3. Постройте графики логарифмической
амплитуды и фазовых частотных
характеристик (ЛАЧХ и ЛФЧХ)
и
при
значении коэффициента передачи
.
4. Оцените запасы устойчивости по модулю
и
фазе
,
время переходного процесса tп и перерегулирование
в
исходной системе при
и v = 0.
5. Если исходная система не удовлетворяет
заданным в табл. 2 показателям качества tп,
,
(хотя бы одному из них) или имеет малые запасы устойчивости, то проведите
коррекцию системы (последовательного типа) и найдите передаточную функцию
корректирующего устройства.
6. Вычислите в скорректированной системе
переходный процесс на выходе
при подаче на вход
единичной ступенчатой функции y0(t) = 1(t). Найдите tп,
переходного
процесса и сравните их с заданными из табл. 2.
1.2 Методические указания
Структура исследуемой замкнутой линейной
непрерывной САУ, где y0(t) - задающее воздействие, v(t) - возмущающее
воздействие,
- сигнал ошибки,
-
выходной сигнал.
Значения параметров
,
,
заданы
в табл. Размерность
, T2, T3 в
секундах, общий коэффициент передачи
имеет
размерность 1/с, в табл. также приведены желаемые показатели качества системы:
время переходного процесса tп в секундах, и перерегулирование
в
процентах при единичном скачке по каналу задания.
Таблица 1
|
Номер
варианта
|
tп
|
,
%
|
|
|
|
|
9
|
2.0
|
45
|
0.048
|
0.1
|
3
|
Определим передаточную функцию замкнутой
линейной непрерывной САУ.
,
.
Определим передаточную функцию разомкнутой
системы при ν = 0
. (1)
После подстановки выражений передаточных функций
W1(s), W2(s) и W3(s) получим
Wрс(s)
= K/L(s),
где K = K1 K2
K3, L(s) = (T1s + 1) (T2s + 1) (T3s2 + s).
Передаточной функцией замкнутой системы W(s)
будет выражение
(2)
Выведем передаточную функцию относительно ошибки
(s) = E(s)/Y 0(s). (3)
Выразим E(s) через
E(s) = Y0(s) - Y(s), а
Y(s) через
Y(s) = E(s)∙W1(s) W2(s) W3(s) = E(s) Wрс(s).
Подставим
E(s) и Y(s) в формулу (3)

Отсюда получим передаточную функцию относительно
ошибки
. (4)
и передаточную функцию относительно возмущения
(5)
при y0 = 0 получим следующим образом. Найдем
выражение Y(s) = [-Y(s)W1(s) W2(s) - V(s)] W3(s), в котором перенесем в левую
часть выражение -Y(s)W1(s) ´W2(s) W3(s) = Y(s)
Wрс(s)
Y(s) + Y(s) Wрс(s)
= - V(s)∙W3(s)
и выделим Y(s)
.
Подставляя последнее выражение в (5), получим
. (6)
регулятор синтез дискретный simulink
Если y0(t) ≠ 0 и ν(t)
≠
0, то выход Y(s) в системе определится как алгебраическая сумма
Y(s) = W(s) Y0(s) - Wν(s)
V(s).
Передаточная функция разомкнутой исходной
системы имеет вид Wpc(s) = K/L(s). Характеристическим уравнением замкнутой
системы будет
,
где b4 = K. При заданных в табл. 1 числовых
значениях
и
коэффициенты
bi будут зависеть от параметров
и
.
Применение критерия Гурвица [1] к характеристическому уравнению четвертого
порядка дает следующие условия устойчивости:
.


,
Wрс(s)
= K/L(s),
где K = K1 K2
K3, L(s) = (0.048s + 1) (0.1s + 1) (3s2 + s).
Передаточная функция замкнутой системы
Отсюда получим передаточную функцию относительно
ошибки
. (7)
и передаточную функцию относительно возмущения
При Т1 = 0.048, Т3 = 3, Т2Î[0,
0.1],
KÎ[0,
10]
определим границу устойчивости, используя пр. 1.
|
Пр.
1
|
|
dbpred=1;T1=0.048;T3=3; for T2=0:0.01:0.11;for
K=0:0.005:10; b=conv(conv(conv([T1 1],[T2 1]),[T3 1]),[1 0]); b(5)=b(5)+K;
db=b(4)*(b(2)*b(3)-b(1)*b(4))-b(5)*b(2)^2; if db*dbpred<0; hold on;
plot(T2,K,'.'),grid xlabel('T2'),ylabel('K') hold off end; dbpred=db; end;
end;
|
На рис. 1 приводится результат работы пр. 1 -
граница области устойчивости в плоскости параметров K, T2, по которой определим
предельное значение K= 6.945 при T2 = 0.1.
Рис. 1
При
=
0.1 находим граничное значение
= 7 коэффициента
передачи K. Полагая
= 4.9, находим
выражение для
,
из
при
.
Используя процедуру margin в пр. 2, строим графики логарифмических
характеристик.
|
Пр.
2
|
|
T1=0.048;T2=0.1; T3=3;K=4.9; W1=tf([1],[T1
1]); W2=tf([1],[T2 1]); W3=tf([1],[T3 1 0]); W=K*W1*W2*W3; margin(W)
|
Рис. 2
Запасы устойчивости по модулю
=
3.03 дб определяем на частоте ω = 1.49
рад/с, при которой
, а запас
устойчивости по фазе
= 4.37 град - на
частоте среза
= 1.25 рад/с (рис.
2).
Для ориентировочной оценки tп и
следует
с помощью пр. 3 построить переходной процесс
при
y0 = 1(t) и из него определить tп (Settling time) и
(Overshoot),
представленные на рис. 3.
|
Пр.
3
|
|
T1=0.048;T2=0.1; T3=3;K=4.9; W1=tf([1],[T1
1]); W2=tf([1],[T2 1]); W3=tf([1],[T3 1 0]); Wpc=K*W1*W2*W3;
W=feedback(Wpc,+1); step(W)
|
Рис. 3
Поместим полученные расчетные и заданные
значения показателей качества переходного процесса в табл. 2. Из неё видно,
расчетные значения показателей качества переходного процесса tп, значительно
отличаются от заданных, т.е. система нуждается в коррекции.
Таблица 2
|
Значения
показателей
|
tп,
с
|
,
%
|
,
град
|
,
Дб
|
|
Заданные
|
2
|
45
|
30< <60
|
6< <20
|
|
Расчетные
|
82.7
|
87.4
|
4.37
|
3.03
|
.3 Выполнение работы
На рис. 4 изображена исходная динамическая
система, описываемая передаточной функцией (ПФ):
Передаточная функция не удовлетворяет требуемым
показателям качества:
. Перерегулирование: σ
≤ 45%.
. Время переходного процесса tп≤
2).
. Запас устойчивости по фазе 30<
<60.
. Запас устойчивости по модулю 6<
<20,
нуждается в последовательном включении и настройке корректирующего устройства с
начальной ПФ, изображенной на рис. 4,
где Kk = 1, z =
‒1, p = ‒2.
Синтез корректирующего устройства будем
осуществлять методом корневого годографа (КГ) с помощью программы rltool пакета
MATLAB
Определим в пр. 4 передаточные функции объекта
Wo(s) и компенсатора Wk(s) в виде, пригодном для дальнейшего использования.
|
Пр.
4
|
|
T1=0.048;T2=0.1; T3=3;K=4.9; W1=tf([1],[T1
1]); W2=tf([1],[T2 1]); W3=tf([1],[T3 1 0]); Wo=K*W1*W2*W3 Wk=tf([1
1],[1 2])
|
В командную строку введем rltool и нажмем Enter.
Появятся
два
окна
"SISO Desing for SISO Desing Task" и
"Control and Estmation Tools Manager",.показанные
на
рис.
5а
и
5б.
Рис. 5
В окне на рис. 5б нажмем кнопку System Data и
откроется одноименное окно, изображенное на рис. 6, в которую импортируем
данные передаточной функции объекта Wо(s) в поле G.
Рис. 6
Для этого в столбце System выделим строку с G и
нажмем Browse.Появится окно "Model Import", изображенное на рис. 7, в
котором устанавливаем переключатель Import from Workspace, затем выделяем
строчку с Wo в столбце Available Models и нажмем последовательно кнопки Import
и Close.
Аналогичные действия производятся с импортом
передаточной функции корректирующего звена Wk(s) в поле С. Затем в окне
"System Data" нажмем ОК.
Рис. 7
В окне на рис. 5а с помощью команды Edit, SISO
Tool Preferences, открываем окно "SISO Tool Preferences".
На вкладке Options, изображенной на рис. 8,
сформируем формат компенсирующего звена, установив переключатель в положение
Zero/pole/gain.
Рис. 8
В окне "SISO Design for SISO Design
Task", изображенном на рис. 9, появится график корневого годографа (Root
Locus). В рабочем поле корневого годографа правой кнопкой мыши вызываем
контекстное меню и выполним команду Design Requirements, New. В появившемся
окне "New Design Requirements", изображенном на рис. 11, в строке
Design requirements type: выберем Settling time (время переходного процесса), а
в строке Settling time ≤ введем 2. Аналогичным образом в окне "New
Design Requirements" выберем Percent overshoot (перерегулирование) и
установим 45%, изображенное на рис. 10.
Рис. 9
Рис. 10
Рис. 11
На графике корневого годографа, изображенного на
рис. 12, выделится область, соответствующая недопустимому расположению
доминирующих полюсов замкнутой системы.
Рис. 12
В окне "Control and Estimation Tool
Manager" открываем вкладку Automated Tuning, нажимаем кнопку Optimize
Compensator и открываем вкладку Compensators, помечаем флажками элементы
компенсатора (Gain) (коэффициент Kk), Real Zero (вещественный ноль z) и Real
Pole (вещественный полюс p), подлежащие коррекции.
Нажмем кнопку Start Optimization и наблюдаем за
развитием процесса оптимизации элементов компенсатора. Ее результаты можно
получить, вторично открыв вкладку Compensators, изображенную на рис. 13.
Рис. 13
Полученные параметры подставляем в передаточную
функцию
.
На основании полученных передаточных функций
объекта Wo(s) и корректирующего звена Wk(s) определим ПФ замкнутой системы W(s)
= Wo(s)Wk(s)/(1 + Wo(s)Wk(s)) и ее переходную функцию, изображенную на рис. 14.
Здесь время переходного процесса tп (Settling time), равное 1.23, меньше
заданного 2, а перерегулирование σ (Overshoot),
равное 11.4% меньше заданного 45%, следовательно полученная система
удовлетворяет принятым условиям. В таблице 3 представлены расчетные данные,
которые полностью удовлетворяют заданным.
Таблица 3
|
Значения
показателей
|
tп,
с
|
,
%
|
,
град
|
,
Дб
|
|
Заданные
|
2
|
45
|
30< <60
|
6< <20
|
|
Расчетные
|
1.23
|
11.4
|
43.8
|
10.9
|
Рис. 14
Запасы устойчивости по модулю ∆L = 10.9 и
фазе ∆φ = 43.8, изображенные
на рис. 15, которые удовлетворяют заданным условиям.
Рис. 15
2. Синтез дискретных систем управления
.1 Задание
Структура исследуемой замкнутой линейной
непрерывной САУ с дискретным PID регулятором представлена на рис. 16, где Y0 -
задающее воздействие,
- сигнал ошибки,
-
выходной сигнал.
Значения параметров Kо,
,
,
ПФ
объекта, заданной соотношением:
,
В табл. 1 также приведены желаемые показатели
качества системы: время переходного процесса tп в секундах и перерегулирование
в
процентах при единичном скачке по каналу задания.
В работе предлагаются два достаточно простых
метода определения оптимальных параметров дискретного PID регулятора,
реализованных в MATLAB и SUMULINK и использующих объект управления с
передаточной функцией.
2.2 Выполнение работы
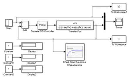
Создадим в библиотеке SIMULINK модель дискретной
замкнутой системы управления (рис. 17), содержащей непрерывный объект
управления с передаточной функцией и дискретным PID регулятором PID(z).
Рис. 17
Зададим время моделирования simulation stop time
равным 50. Двойным щелчком по блоку PID(z) откроем окно "Function Block
Parameters", в правой части которого находится формула, описывающая PID
регулятор
Щелчком правой кнопки по блоку регулятора
откроем контекстное меню, выберем в нем пункт Open In New Window и выведем
схему дискретного PID регулятора, изображенного на рис. 18.
Рис. 18
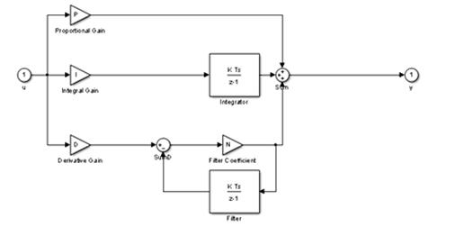
В традиционном PID регуляторе отсутствует
коэффициент N, поэтому при дальнейшей настройке параметров регулятора зададим
его равным 1.
Двойным щелчком по блоку PID(z)
откроем окно задания параметров регулятора "Function Block Parameters: PID
Controller", изображенный на рис. 19.
Рис. 19
Выберем дискретный (Discrete-time) PID
регулятор. В поле Sample time задаем значение 1. На вкладке Main задаем
пропорциональную, интегральную и дифференциальную составляющие регулятора в
виде переменных Kp, Ki, Kd, а Filter coefficient N установим равным 1.
Параметры регулятора заданы в виде переменных, чтобы их настраивать с помощью
дополнительных средств Simulink. Эти переменные видимы в рабочей области
MATLAB. В командной строке введем начальные значения Kp
= 1, Kd = 1, Ki = 1. Запустим процесс симуляции и получим график переходного
процесса, изображенный на рис. 20.
Рис. 20
Снизить перерегулирование
с помощью кнопки Tune в окне настройки параметров регулятора "Function
Block Parameters: PID Controller" удается лишь в том случае, когда
коэффициент N остается равным единице. Для повышения качества переходного
процесса воспользуемся надстройкой Response Optimization. Для этого двойным
щелчком по блоку Check Step Response Characteristics на схеме модели откроем
окно задания параметров блока "Sink Block Parameters: Check Step Response
Characteristics", изображенное на рис. 21 и введем границы выходного
сигнала: время нарастания (Rise time) - не более 5 с и длительность переходного
процесса (Setting time) - не более 15 с.
Рис. 21
Для выбора дополнительных параметров оптимизации
нажмем кнопку Response Optimization и откроем окно "Design
Optimization", изображенное на рис. 22.
Рис. 22
В правой части окна "Design
Optimization" изображены горизонтальные линии ограничений, задающие
границы выходного сигнала: время нарастания и длительность переходного
процесса, значения которых можно менять, двигая курсором мыши. Выделим выходные
данные, которые будут отображаться на графике, для этого на вкладке Response
Optimization в поле Data to Plot выберем опцию PID/Check Step Response
Characteristics.
Далее зададим переменные, позволяющие улучшить
качество переходного процесса. Для этого
на
вкладке
Response Optimization в поле
Design Variables Set выделим
пункт
New. Откроется
окно "Create Design Variables Set", изображенное на рис. 23, в правой
части которого выделим настраиваемые переменные Kp, Ki, Kd и с помощью стрелки
перенесем их в левую часть окна на (рис. 23).
Рис. 23
В окне "Design Optimization" запустим
процесс оптимизации параметров регулятора, нажав кнопку Optimize. После
окончания процесса оптимизации в этом окне будет выведен график переходного
процесса, изображенный на рис. 24.
Рис. 24
Перейдем в окно схемы системы управления в
SIMULINK и запустим процесс симуляции с улучшенными параметрами регулятора.
График переходного процесса с более высоким качеством представлен на рис. 25.
Рис. 25
Качество переходного процесса оценивается
критерием - величиной относительной средне модульной ошибки, которая
вычисляется с момента k* достижения задания y0(k) = 1 выходом y(t), т.е.
выполнения условия |y0(k*) - y(k*)|/ y0(k*) < 0.05.
Средне модульная ошибка вычисляется с помощью
программы введенной в командную строку MATLAB:
k=1;
Sum=0;i=1:50abs(y0(i)-y(i))/y0(i)<0.05(k)=y0(i);(k)=y(i);=k+1;;(abs(y0-y)/1)/k
Величина относительной средне модульной ошибки,
равная 1.5%, характеризует удовлетворительное качество переходного процесса.
При этом параметры PID- регулятора будут следующими: Kp = -0.06815, Ki = 0.236,
Kd = 1.584.
Заключение
В ходе выполнения первой части курсовой работы
были получены удовлетворительные показатели качества переходного процесса с
помощью, корректирующего устройства корневого годографа, программы rltool
пакета MATLAB.
Во второй части курсовой работы были получены
оптимальные параметры дискретного PID - регулятора с помощью Simulink. Для
повышения качества переходного процесса использовалась надстройка Response
optimization.
В результате процесса оптимизации были улучшены
параметры качества PID - регулятора, средне модульная ошибка, удовлетворяющая
нужным условиям.
Список литературы
1.
Кудинов Ю.И. Теория автоматического управления (с использованием MATLAB -
SIMULINK). Часть 1. Линейные, непрерывные и дискретные системы [Электронное
пособие] / Ю.И. Кудинов, Ф.Ф. Пащенко. - ЛГТУ, 2015. - 219 с.
.
Бесекерский В.А. Теория автоматического управления / В.А. Бесекерский, Е.П.
Попов. − СПб: Профессия, 2004.
.
Теория автоматического управления: учеб. Пособие для вузов / А.С. Востриков,
Г.А. Французова. − М.: Высшая школа, 2004. - 365 с.
.
Медведев В.C., Потемкин, В.Г. Control System Toolbox. Matlab 5 для студентов. -
М.: Диалог-МИФИ, 1999.
5.
Изерман Р. Цифровые системы управления. - М.: Мир, 1984. - 541 с.