Создание генератора тока, управляемого от микропроцессора с возможностью расширения его области применения
ОГЛАВЛЕНИЕ
Введение
.Теоретический
раздел
.1
Назначение устройства
.2
Описание выбранной схемы
.3
Описание структурной схемы устройства
.4
Описание принципиальной схемы устройства
.5
Расчёт зависимости величины входного тока от величины двоично - десятичного
кода
.
Технологический раздел
.1
Технология изготовления печатной платы
.
Конструкторский раздел
.1
Конструкция выходного каскада
.
Экспериментальный раздел
.1
Наладка устройства
.2
График зависимости выходного тока от двоично - десятичного кода
.
Организация производства
.1
Расчёт трудоёмкости изготовления генератора
.Мероприятия
по технике безопасности
.1
Требования по охране труда на предприятии
Заключение
Список
использованной литературы
ВВЕДЕНИЕ
Радиоэлектронная промышленность является одним из
ключевых направлений современной промышленности, основой высокотехнологичных
изделий многих отраслей промышленности.
В любой конечной продукции присутствуют:
электронные компоненты;
радиоэлектронные узлы;
блоки;
модули;
приборы;
системы.
Радиоэлектронная продукция определяет
интеллектуальные возможности всей конечной продукции, она позволяет расширить
функциональные возможности и среду обитания человека на земле и в космическом
пространстве.
Существенное влияние радиоэлектроники оказывает
на развитие современных средств вооружения и военной техники. Надёжность,
точность, дальность, далеко не полная номенклатура характеристик современного
вооружения и военной техники, максимальные значения которых достигаются во
многом благодаря достижениям радиоэлектроники.
Радиоэлектронная промышленность включает:
производство радиоэлектронных устройств и
систем;
электронной компонентной базы;
специальных материалов и оборудования для
производства изделий радиоэлектронной промышленности.
Производство радиоэлектронных устройств и систем
- финальной продукции - в свою очередь, делится на 3 крупные группы:
. Потребительская электроника - массовый сегмент
изделий радиоэлектроники. Состоит из:
аудиотехники;
видеотехники;
бытовой техники,
абонентского телекоммуникационного оборудования,
компьютеров и периферии.
. Профессиональная электроника. В категорию
включаются сегменты:
операторское телекоммуникационное оборудование;
промышленная электроника;
автомобильная электроника;
электроника для энергетического оборудования;
электроника для медицинского оборудования;
для систем безопасности;
высокопроизводительные системы обработки
информации.
. Электроника специального назначения. Категория
может быть разделена на крупные блоки по типам:
авиационные и космические системы;
системы сухопутного и морского базирования.
В сегменте конечной продукции доля специальной
радиоэлектроники составляет малую часть мирового промышленного производства
около 7 процентов, а сегменты профессиональной и потребительской
радиоэлектроники примерно равны по объёму и составляют 42% и 51%
соответственно. В сегменте электронной компонентной базы доля компонентов для
потребительской радиоэлектроники составляет 65%, доля компонентов для
профессиональной электроники - 24%, доля компонентов для специальной электроники
- 11%.
Радиоэлектроника - самая быстрорастущая отрасль
промышленности в мире, в которой реализуется большое число инновационных
проектов, темп роста промышленности за последние 30 лет составил в среднем
около 8% в год.
Рост рынка радиоэлектроники в основном ожидается
за счёт устойчивых мировых тенденций, связанных с постоянным ростом
миниатюризации и производительности радиоэлектронной техники и её компонентов
(правило Мура):
. Увеличивается комплексность (расширение
функций, взаимосвязей) решений в радиоэлектронной промышленности, что
затрагивает все сегменты рынка - формируются новые продуктовые ниши,
существенно меняются требования к продукции, смещаясь в сторону
интегрированности. В результате:
в профессиональных сегментах происходит развитие
сетевых систем и формирование новых быстрорастущих ниш:
комплексные системы безопасности;
smart grid;
управление инфраструктурой;
телемедицина ;
в массовых сегментах продолжается конвергенция
устройств и их объединение в сети.
. Глобальные тренды, такие как повышенное
внимание к экологии, старение населения и рост внимания к здравоохранению,
растущие террористические угрозы и повышенное внимание к безопасности - ведут к
активному росту соответствующих ниш профессионального сегмента
радиоэлектроники, а совершенствование технологий радиоэлектроники существенно
усиливает её проникновение в производство и на транспорт .
. В потребительской электронике растёт уровень
стандартизации и унификации компонентов, снижается себестоимость производства.
Таким образом, несмотря на то, что рынки
потребительской и профессиональной радиоэлектроники близки по объёму, наиболее
быстро растущим сегментами рынка с лучшими возможностями для появления новых
компаний будут сегменты профессиональной радиоэлектроникой:
системы энергоэффективности и
электротехнического оборудования;
автомобильной электроники;
медицинской техники;
Первый электрический генератор по заказу Андре
Мари Ампера появился на свет в 1832 году благодаря французским техникам-изобретателям
братьям Пикси. Хотя он был абсолютно непрактичным, приходилось вручную вращать
достаточно тяжелый магнит, но все же был способен вырабатывать электрический
ток. Вблизи полюсов постоянного магнита были укреплены неподвижно две
проволочные катушки индуктивности. Дополнительно электрогенератор Пикси был
оснащен выпрямителем для преобразования переменного тока в постоянный.
В последующие годы ученые стремились повысить
электрическую мощность своих генераторов, применяя различные электротехнические
устройства.
На современном этапе для решения задач в
измерительной технике необходимы управляемые источники тока с высоким
быстродействием и способностью отдавать в нагрузку достаточно большую мощность.
В некоторых схемах требуется чтобы один вывод нагрузки
был заземлением, а ток нагрузки должен регулироваться входным напряжением. Ток
нагрузки должен зависеть не от сопротивления нагрузки, а только от входного
напряжения..
В настоящее время для решения задачи
измерительной вычислительной техники все более широко применяются
микропроцессорные системы.
Существует большое количество различных схем
управляемых от генератора тока, которые имеют различные выходные параметры и
таким образом предназначены для решения различных задач. Так например в
некоторых случаях определяющим показателем является максимальный выходной ток и
требования к быстродействию и линейности преобразования генератора тока.
В других случаях наиболее важное значение имеет
быстродействие устройства и его чувствительность и менее приближена выходная
мощность.
В данной теме была предпринята попытка создания
генератора тока управляемого от микропроцессора с возможностью расширения его
области применения.
Микропроцессор (МП) - это программно управляемая
сверхбольшая интегральная схема (СБИС), предназначенная для обработки цифровой
информации. Наибольший эффект от внедрения микропроцессора достигается в
устройствах и системах локальной автоматики, системах измерения, контроля и
других областях. Сравнительно низкая стоимость, малые габариты и потребляемая
мощность, высокая надежность и исключительная гибкость обеспечивают приоритет
микропроцессора перед другими средствами обработки данных.
Микропроцессор является удобным средством для
построения контроллеров предназначенных для контроля и управления
технологических процессов в различных отраслях народного хозяйства.
Мной был исследован универсальный генератор тока
который благодаря своим высоким показателям способен удовлетворить
разработчиков различной радиоэлектронной аппаратуры и избавить их от конструирования
множества видов генераторов тока, решающих специфические и узкие задачи.
1. ТЕОРЕТИЧЕСКИЙ РАЗДЕЛ
.1 Назначение устройства
Генератор тока предназначен для подачи в
заземленную нагрузку тока отрицательной полярности, форма которого программируется
микропроцессорным устройством. В частности планируется его использование для
формирования прямоугольного импульса нагревающей мощности с изменяемой
длительностью и амплитудой при исследовании теплофизических процессов мощных
МДП - транзисторах.
.2 Описание выбранной схемы
Существует целый ряд схем построения управляемых
генераторов тока. В простейших однополярных источниках тока обычно используется
операционный усилитель охваченный положительной обратной связью и мощный
биполярный транзистор на выходе каскада. Использование биполярного транзистора
накладывает ограничение на быстродействие генератора в целом. Так как
биполярный транзистор является элементом управляемый током, а выходной ток
операционного усилителя обычно ограничен несколькими десятками миллиампер, то
для получения большого выходного тока необходимы либо промежуточные каскады,
либо мощные составные транзисторы с большим коэффициентом передачи тока базы.
Известно, что увеличение коэффициента снимает граничную частоту биполярного транзистора
и таким образом это в конечном итоге приводит к снижению быстродействия
генератора в целом.
В полевых транзисторах отсутствует эффект
накопления, но по быстродействию они не уступают биполярным, а в ряде случаев и
превосходят их .Однако при использовании полевых транзисторов в выходных
каскадах генератора тока максимальный ток ограничен их током насыщения.
Промышленностью освоен выпуск серий n -
канальных транзисторов с максимальным входным током до 20А. Для получения в
нагрузке тока отрицательной полярности необходимо использовать р - канальные
полевые транзисторы, но мной предложено было использовать в выходном каскаде
генератора тока n - канальный МДП транзистор типа 2П913 в инверсном включении.
Для достижения максимального быстродействия
генератора тока в схеме используются операционные усилители серии 544УД2Б с
большой скоростью нарастания выходного сигнала, а так же быстродействующий
цифро - аналоговый преобразователь типа 1108НА1А. Так как генератор тока с
полевым транзистором на выходе обладает большим выходным сопротивлением, то в
нем предусмотрены меры защиты от возникновения паразитной генерации внутренних
емкостей полевого транзистора.
.3 Описание структурной схемы устройства
Описание структурной схемы устройства проводится
в соответствии с рисунком 1.3 при нумерации в пределах раздела.
Управление генератором тока осуществляется по 8
- разрядной шине данных микропроцессора. Микросхема ЦФ (1) необходима для
обращения микропроцессора к различным периферийным устройствам по одной шине
данных благодаря возможности перехода её по входу в третье состояние. Так как 8
- разрядный процессор не может обеспечить подачу информации на 12 - разрядный
цифро - аналоговый преобразователь - ЦАП (3) то в схеме предусмотрено буферное
устройство - БУ(2), которое суммирует выходные каналы ЦФ(1) и исключает
появление провалов и выбросов при подключении различных каналов.
«Рисунок 1.3- Структурная схема устройства»
- Интерфейс ЦФ;
- Буферное устройство - БУ;
- ЦАП;
- Преобразователь напряжение - ток;
- Выходной каскад;
- Нагрузка;
ШД -шина данных.
Стробирование БУ (2) может осуществляться как по
шине данных через ЦФ (1),так и через входной разъём от внешнего устройства.
Возможность обнуления БУ(2) предусматривается также либо программным путем,
либо внешними импульсами сброса.
ЦАП (3) представляет собой функционально
законченную интегральную схему 12 - разрядного цифро - аналогового
преобразователя типа К1108ПА1 предназначенного для блоков аналогового ввода
-вывода. Преобразователь типа К1108ПА1 изготавливается по биполярной технологии
с диэлектрической изоляцией.
Элементы прецизионной резистивной матрицы
нанесены на поверхность кристалла методом тонкопленочной технологии. Подгонка
резисторов резистивной матрицы осуществляется лазерным лучом.
Для преобразователя полярного выходного типа ЦАП
(3) в напряжение на входе его установлен операционный усилитель.
Преобразователь напряжения - ток 4 и выходной каскад 5 необходимы для получения
в нагрузке тока пропорционального выходному напряжению.
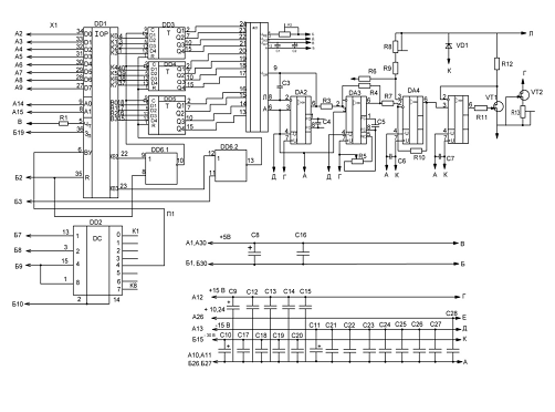
.4 Описание принципиальной схемы устройства
Описание принципиальной схемы устройства
проводится в соответствии с рисунком 1.4 при нумерации в пределах раздела.
По шине данных микропроцессора сигнал поступает
на информационные входы интегральной схемы интерфейса КР580ВВ55001. Для
расширения функциональных возможностей устройства в схеме использовано искусственное
расширение адресной шины путем включения в нее дешифратора К155ЦД40021. Сигнал
низкого уровня с одного их входов дешифратора поступает на вход «Выбор
устройства» интерфейса. Так как интерфейс выполняет только задачу передачи
данных в периферийные устройства , то на входе «чтение» установлен постоянный
уровень логической единицы.
«Рисунок 1.4- Схема электрическая
принципиальная»
Буферное устройство представляет собой
совокупность D - триггеров типа К155ТМ8 (DD3) - 51.
Информация из 8 - каналов «А» и 4 - каналов «В»
интерфейса поступает на D - входы триггеров. С приходом положительного фронта
стробирующего импульса на входы «С» триггера, происходит перебрасывание
информации со входов триггеров на их выходы. При необходимости информацию на
выходе можно сбросить, подав на вход «Reset» уровень логического нуля.
Стробированием и обнулением триггеров можно
управлять, как по шине данных через интерфейс, так и через внешний разъем. Для
этого служат две суммирующие ячейки ИЛИ - НЕ микросхемы К155ЛЕ1 (DD6).
Преобразователь код - напряжение собран на
интегральной схеме К1108ПА1(DA1) и интегральной схеме К544УД2 (DA2). Для
функционирования ЦАП необходимы два источника питания:
На выходе цифро - аналогового преобразователя
вырабатывается ток отрицательной полярности пропорциональный входному коду, а
преобразователь ток - напряжение на операционном усилителе формирует из него
выходной аналоговый сигнал. Построечный резистор R2 служит для измерения
выходного сигнала в небольших пределах. Корректирующая ёмкость С3 необходима
для формирования амплитудно - частотной характеристики, а шунтирующая ёмкость
С4 предотвращает самовозбуждение операционного усилителя на высоких частотах.
Инвертор выполненный на операционном усилителе К544УД2 (DA3) необходим для
согласования полярности выходного напряжения цифро - аналогового
преобразователя с полярностью входного сигнала генератора тока. Отрицательное
входное напряжение поступает на инвертирующий вход дифференциального усилителя,
выполненного на микросхеме К544УД2 (DA4). На его неинвертирующий вход подается
напряжение источника питания. На выходе микросхемы формируется напряжение
равное:
где
-
напряжение источника питания,
- напряжение
входного сигнала.
При равенстве дифференциального каскада
напряжение
через операционный
усилитель К544УД2 (DA5) подается на затвор токорегулирующего полевого
транзистора КП913 (VT1). Транзистор и операционный усилитель DA4 охвачены
глубокой отрицательной связью, так что при изменении сопротивления нагрузки
изменяется разность потенциалов сток - исток полевого транзистора, что в свою
очередь вызывает изменение тока стока ∆I . В результате на входе
операционного усилителя DA5 появляется дифференцирующий сигнал. Подавление
нестабильности напряжения питания достигается за счет использования глубокой
обратной связи . Применение полевого транзистора позволяет значительно повысить
быстродействие схемы.
.5 Расчёт зависимости величины входного тока от
величины двоично - десятичного кода
В аналитической форме связь напряжения на выходе
операционного усилителя DA2 с кодом на входе цифро - аналогового
преобразователя определяется выражением:
где,
-
опорное напряжение подаваемое на ЦАП;- число разрядов преобразователя;
- значение цифро -
аналогового сигнала на n цифровом входе.
Разряд кода обозначенный в формуле индексом 1
является старшим, разряд с индексом n - младшим. Максимальное значение
выходного напряжения, напряжение в конечной точке диапазона (при наличии
высокого уровня всех разрядов кода) равно:
Шаг квантования, то есть расчётное приращение
выходного напряжения при изменении входного кода на единицу младшего разряда
равно:
Подставляя выражение 1.2 в формулу 1.1 получаем
зависимость напряжения на выходе дифференциального усилителя DA4 от входного
кода.
Выровняв дифференциальный каскад потенциометром
R8 на выходе DA4 получим:
Усилитель разностного сигнала, собранный на DA5
управляет работой полевого транзистора, таким образом, чтобы напряжение на его
инвертирующем и неинвертирующем входах были строго одинаковыми. Напряжение на
инвертирующем входе операционного усилителя DA5 равно:
Где,
-
выходной ток.
Отсюда, приравнивая выражения 1.6 и 1.7
получаем:

Подставив в формулу 1.9 значения:
;
;
при n=1 - 12
Получим значение сопротивления R12 равным R
=1,0237499 Ом.
При использовании такого сопротивления возникают
сложности при подборе его точного значения, а также EMP по току получается не
целым числом. Гораздо удобнее использовать резистор с точностью до 1% номиналом
1 Ом.
В этом случае максимальный выходной ток
получается равным:
а EMP=2,5A.
Корректировка
и EMP
осуществляется изменением опорного напряжения DA1, в небольших пределах
подстроенным резистором R2.
2. ТЕХНОЛОГИЧЕСКИЙ РАЗДЕЛ
.1 Технология изготовления печатной платы
В данном разделе был выбран электрохимический
способ получения печатных плат. Этот способ осуществляется посредством
следующих основных операций:
резка заготовок;
подготовка поверхности фольгированного
диэлектрика;
химическая металлизация;
получение рисунка схемы;
травление меди с пробельных мест;
сверление базовых и крепёжных отверстий;
прессование слоёв;
операция образования межслойных и монтажных
отверстий;
операция ультразвуковой промывки;
операция гальванического осаждения меди;
обработка по контуру печатной платы;
маркировка печатной платы;
контроль печатной платы.
Размер заготовок из диэлектрического материала
определяют исходя из размеров транспортеров, ванн химической и гальванической
обработки, ширины рулонов сухого пленочного фоторезиста, рабочего поля
сверлильных станков, сеткографических трафаретов и других габаритных
ограничений, обусловленных типом применяемого оборудования, а также с учетом
наиболее рационального раскроя диэлектрических и вспомогательных материалов.
При определении размеров заготовок учитывают
необходимость наличия технологического поля со всех четырёх сторон шириной не
более 10 мм. Наиболее употребителен размер заготовок 530X530 мм. Максимальный
размер единичной платы 500X500 мм. Получение заготовок выполняется в два
приема. В начале листы диэлектрика режутся на полосы, а затем полосы режутся на
заготовки. В условиях крупносерийного и массового производства заготовки
получают вырубкой в штампах на кривошипных прессах. Разрезка диэлектрических
материалов для плат, а также вспомогательных материалов, таких как прокладочная
стеклоткань, картон, триацетатная пленка и др., производится с помощью
роликовых или гильотинных ножниц.
Предельные отклонения размеров составляют ± 1,5
мм для заготовок толщина которых более 0,2 мм, для заготовок толщиной менее 0,2
мм ±2,0 мм. Зазор между кромками ножей должен быть в пределах 0,02-0,03 мм; при
большем зазоре образуются трещины, сколы, происходит расслоение материала.
Скорость резания 2-10 м/мин. Учитывая, что резанию подвергаются
стеклотекстолиты, т. е. материалы, армированные стеклотканью, режущие кромки
ножей гильотины или ролики роликовых ножниц должны быть изготовлены из твердых
сплавов.
Заготовки из тонких диэлектриков толщиной до
0,25 мм рекомендуется подвергать термостабилизации с целью завершения процессов
полимеризации смолы. Заготовки помещают в открытую тару и подвергают трем
циклам нагрева и охлаждения. Режим одного цикла: нагрев до 150 °С в течение 40
мин, выдержка при этой температуре 20 мин, охлаждение до 30 °С в течение 40
мин.
В подготовку поверхности диэлектрика входят две
подоперации, одна из них механическая обработка (это обработка с помощью
абразивных материалов) и химическая (это обработка с помощью химикатов). На
этом этапе заготовка очищается от грязи, окислов, жира и других веществ.
Получение металлического проводящего рисунка,
как в отверстиях так и на поверхности диэлектрических материалов осуществляется
обычно в две стадии. Вначале диэлектрик металлизируется химическим (бестоковым)
способом, а затем на полученный тонкий слой металла осаждается медь гальваническим
способом до необходимой толщины металлического слоя. В так называемых
аддитивных методах изготовления печатных плат проводящий рисунок получают за
одну операцию химической металлизации, осаждая достаточно толстый слой металла,
не прибегая к гальваническим процессам.
Способом химической металлизации можно осаждать
различные металлы:
серебро;
медь;
никель;
кобальт.
Однако наиболее экономичным является процесс
химического меднения, который обеспечивает также хорошее сцепление металла с
диэлектриком и необходимую электропроводность. Процесс химического меднения
характеризуется сравнительно меньшими затратами на материалы, сами растворы
отличаются высокой стабильностью и удобны в эксплуатации, так как не требуют
сложного оборудования.
Процесс химического меднения является типичным
окислительно - восстановительным процессом, протекающим в присутствии
катализатора. Этот процесс относится к категории автокаталитических, т. е.
начинается он под действием какого-либо катализатора, например металлического
палладия, а затем образовавшиеся кристаллы меди сами катализируют дальнейшее
выделение меди и процесс происходит уже самопроизвольно.
Химическое меднение отверстий в заготовках
печатных плат является весьма ответственной операцией, определяющей качество
металлизации и соответственно качество плат. При выполнении всего комплекса
операций процесса металлизации следует руководствоваться нижеприведенными
правилами:
заготовки плат с просверленными отверстиями
помещаются в вертикальном положении в кассеты, изготовленные из
коррозионностойкой стали или из полимерных материалов (полипропилен,
фторопласт);
после каждого цикла операции меднения кассеты
следует обработать в одном из травильных растворов для удаления частиц меди,
которые могут оседать на их поверхность в ванне химического меднения;
раствор ванны химического меднения должен
непрерывно фильтроваться для удаления механических загрязнений и частиц меди,
образующихся в результате восстановления меди на взвешенных в растворе
механических примесях;
после активирования плат в совмещенном растворе
и промывки в двух улавливателях следует обработка в растворе, содержащем 20-21
г/л NaOH, промывка и загрузка в ванну химического меднения. В том случае, если
производится электрополирование, обработка в щелочном растворе не производится;
платы, имеющие слой химически осажденной меди
толщиной более 1мкм, рекомендуется термически обработать при температуре 80-90 ºС
в течение 1 ч.
Фотографический метод нанесения рисунка
позволяет получать минимальную ширину проводников и расстояния между ними
0,1-0,15 мм с точностью воспроизведения до 0,01 мм. С экономической точки
зрения этот способ менее рентабельный, но позволяет получать максимальную
разрешающую способность рисунка и поэтому применяется в мелкосерийном и
серийном производстве при изготовлении плат высокой плотности и точности.
Способ основан на использовании светочувствительных композиций, называемых
фоторезистами, которые должны обладать:
высокой чувствительностью;
высокой разрешающей способностью;
однородным по всей поверхности слоем с высокой
адгезией к материалу платы;
устойчивостью к химическим воздействиям;
простотой приготовления, надежностью и
безопасностью применения.
Фоторезисты разделяются на негативные и
позитивные. Негативные фоторезисты под действием излучения образуют защитные
участки рельефа в результате фотополимеризации и задубливания. Освещенные
участки перестают растворяться и остаются на поверхности подложки. Позитивные
фоторезисторы передают рисунок фотошаблона без изменений. При световой
обработке экспонированные участки разрушаются и вымываются.
Для получения рисунка схемы при использовании
негативного фоторезиста экспонирование производят через негатив, позитивного -
через позитив. Позитивные фоторезисты имеют более высокую разрешающую
способность, что объясняется различиями в поглощении излучения
фоточувствительным слоем. На разрешающую способность слоя влияют дифракционное
огибание света на краю непрозрачного элемента шаблона и отражение света от
подложки.
В негативном фоторезисте дифракция не играет
заметной роли, поскольку шаблон плотно прижат к фоторезисту, но в результате
отражения вокруг защитных участков появляется ореол, который снижает
разрешающую способность . В слое позитивного фоторезиста под влиянием дифракции
разрушится и вымоется при проявлении только верхняя область фоторезиста под
непрозрачными участками фотошаблона, что мало скажется на защитных свойствах
слоя. Свет, отраженный от подложки, может вызвать некоторое разрушение
прилегающей к ней области, но проявитель эту область не вымывает, так как под
действием адгезионных сил слой опустится вниз, вновь образуя четкий край
изображения без ореола.
В настоящее время в промышленности используются
жидкие и сухие (плёночные фоторезисты . Жидкие фоторезисты - коллоидные
растворы синтетических полимеров, в частности поливинилового спирта (ПВС).
Фоторезист на основе поливинилового спирта наносят на предварительно
подготовленную поверхность платы путем окунания заготовки, поливом с
последующим центрифугированием. Затем слой фоторезиста сушат в термошкафе с
циркуляцией воздуха при температуре 40 °С в течение 30-40 мин. После
экспонирования осуществляется проявление фоторезиста в теплой воде. Для
повышения химической стойкости фоторезиста на основе поливинилового спирта
применяют химическое дубление рисунка печатной платы в растворе хромового
ангидрида, а затем термическое дубление при температуре 120 °С в течение 45-50
мин. Снятие фоторезиста проводят в течение 3-6 с в растворе следующего состава:
200-250 г/л щавелевой кислоты, 50-80 г/л хлористого натрия, до 1000 мл воды при
температуре 20 °С.
Достоинства фоторезиста на основе поливинилового
спирта - низкие токсичность и пожароопасность, проявление с помощью воды. К
недостаткам его относят эффект темнового дубления (поэтому срок хранения
заготовок с нанесенным фоторезистом не должен превышать 3-6 ч), низкую кислото-
и щёлочеустойчивость, трудность автоматизации процесса получения рисунка,
трудоёмкость приготовления фоторезиста, низкую чувствительность.
Операция травлении меди основана на
вытравливании незащищённой поверхности фольгированного диэлектрика химическим
методом, затем проводится промывка от химикатов и сушка. После всего этого
делается контроль. Проверяется пpотpавленность фольги, сверяется с контрольным
образцом. генератор ток микропроцессор плата
Травление меди - сложный, окислительно -
восстановительный процесс в котором окислителем является травильный раствор,
переводящий медь из металлического состояния в ионное. Выбор травильных
растворов зависит от следующих факторов:
типа применяемого фоторезиста;
типа оборудования, обеспечивающего высокую
производительность и экологическую защищенность процесса травления;
допустимой величины коэффициента подтравливания;
оптимальной скорости травления.
Промышленность использует травильные растворы на
основе хлорного жеперсульфата аммония, хлорной меди, смеси хромового ангидрида
и серной кислоты, перекиси водорода, хлорита натрия (щелочные растворы). Выбор
травильного раствора определяется типом применяемого фоторезиста скоростью
травления, величиной бокового подтравливания, сложностью оборудования,
возможностью регенерации и экономичностью всех стадий процессов.
Сверление печатных плат - операция процесса
изготовления печатных плат на которой формируются отверстия с помощью
вращающегося режущего инструмента. Иногда сверлением также называют лазерное
изготовление отверстий.
В зависимости от типа и назначения отверстий их
сверление производится на разных этапах процесса изготовления платы. Так глухие
и скрытые переходные отверстия сверлятся до сборки или после частичной сборки
слоев платы, сквозные переходные и монтажные отверстия- после полной сборки
слоев, а неметаллизированные крепежные отверстия - после получения проводящего
рисунка.
Сверление материала печатной платы представляет
достаточно сложную задачу из-за малого диаметра отверстий, большого их
количества, слоистой структуры материала и наличия армирования, а также из-за
высоких требований к точности расположения. Для сверления используются
специализированные высокооборотные координатные станки с числовым программным
управлением. Для повышения производительности для сверления платы обычно
собираются в пакеты.
В операции сверления базовых и крепежных
отверстий используется сверлильно - фрезерный станок CМ - 600 - Ф2 со сверлом
D=3mm. Проделываются 4 отверстия для совмещения слоев платы.
В операции прессование слоёв печатной платы
формируется пакет из 3-х слоев, слои совмещаются по базовым отверстиям затем
укладывается в пресс - форму и прессуется. Затем производится сушка всего этого
пакета. Прессование производится автоматической линией, что обеспечивает
полностью автоматизированное прессование.
Операция образования межслойных и монтажных
отверстий выполняется на станке ЧПУ CМ - 600 - Ф2. После образования отверстий
требуется очистить плату и края отверстий от заусенцев и прилипших крошек
стеклотекстолита. Эта операция производиться гидроабразивным методом. Затем
идет подтравливание диэлектрика, промывка от химикатов и сушка.
По окончанию производиться контроль на
правильность расположения отверстий и их форма.
После идет операция ультразвуковой промывки,
сенсибилизация идет операция химического меднения. Этим добиваются нанесения на
поверхность отверстий тонкого слоя меди.
Затем идет операция гальванического осаждения
меди. Операция проводиться на автооператорной линии АГ- 44. На тонкий слой
осаждается медь до нужной толщины. После этого производится контроль на толщину
меди и качество её нанесения.
Затем методом сеткографии производиться
маркировка печатной платы . Операция производиться на станке CДC -1, который
требуемым штампом произведет оттиск на печатной плате маркировки.
Весь цикл производства печатных плат
заканчивается контролем платы.
Здесь используется автоматизируемая проверка на
специальных стендах.
3. КОНСТРУКТОРСКИЙ РАЗДЕЛ
.1 Конструкция выходного каскада
Конструктивно выходной каскад выполнен в виде
радиатора с закрепленными на нём элементами схемы.
Конструкция каскада выполнена таким образом
чтобы удовлетворять двум требованиям. Во - первых выходной каскад должен
рассеивать выходную мощность до 100 Вт, и, во - вторых конструкция его должна
быть такова, чтобы препятствовать возникновению паразитной генерации мощного
выходного транзистора на высокой частоте.
Радиатор изготовлен и стандартного алюминиевого
продукта с площадью
Для уменьшения
теплового воздействия между корпусом транзистора и радиатором поверхность
контактирования радиатора с резистором и транзистором пропитывается
полиметилсилоксановой жидкостью.
В данной схеме, работающей с большим усилением
на высокой частоте, было учтено то, что между монтажными проводами могут
возникнуть паразитные индуктивные связи.
Учтена была также и возможность возникновения
емкостных паразитных связей. В данной схеме, путём рациональной компоновки
деталей влияние паразитных связей практически сводится к нулю.
Выходной транзистор установлен на печатной плате
из двустороннего фольгированного стеклотекстолита представляющего собой
полосовую линию. Благодаря такому решению удалось уменьшить длину монтажных
проводов и тем самым снизить паразитные связи между ними.
В качестве накопительной ёмкости в цепи питания
используется кассета импульсных тактовых конденсаторов типа К 52 - 18. Обладая
низким внутренним сопротивлением, такие конденсаторы способны давать в нагрузку
импульсы тока большой амплитуды не затрагивая при этом фронты сигнала.
4. ЭКСПЕРИМЕНТАЛЬНЫЙ РАЗДЕЛ
.1 Наладка устройства
Для наладки генератора тока потребуется готовая
тест - программа, записанная в отладочном пульте или готовый микропроцессорный
набор серии КР 580. В качестве отладочной удобно использовать программу
«цифровой пилы», которая вырабатывает пиловую линейную последовательность в
входном динамическом диапазоне цифро - аналогового преобразователя.
На первом этапе настройки производится установка
на плату всех цифровых микросхем DD1 - DD6. Предварительно необходимо заземлить
выводы микросхемы DD6, идущие на внешний разъём. В противном случае из - за
наличия логической единицы на входах ячеек ИЛИ - НЕ (DD6) на их выходах
появляется постоянный уровень логического нуля, что препятствует прохождению
цифровой информации через D - триггеры DD3 - DD5.
После подачи напряжения
на
плату генератора тока проверяется
работоспособность
цифровой части схемы. Для осуществления этой операции потребуется осциллограф,
например осциллограф универсальный двуканальный С1 - 92. Им проверяется наличие
стробирующих импульсов на Q выводе микросхем DD3 - DD5, а так же их форма,
отсутствие провалов, выбросов, и амплитуда. Эти импульсы представляют собой
обычные стробирующие импульсы с периодом следования
.
Далее проверяется правильность прохождения информации через D - триггеры. Пила
в цифровом виде представляет собой последовательность импульсов со скважностью
2 на каждом из 12 выходов микросхем DD3 - DD5. На младшем разряде (вывод
микросхемы DD3) период повторения равен:
, то
,
где,
-
период следования стробирующих импульсов;- число разрядов.
По окончании проверки работоспособности цифровой
части схемы на плату устанавливаются микросхемы DA1 и DA2 и подаётся питающее
напряжение, напряжения
,
,
.
На выходе микросхемы DA2 должен появиться пилообразный сигнал положительной
полярности с амплитудой равной
.
Ёмкость С4 необходима для коррекции АЧХ
операционного усилителя DA2 и равна С4=0,5÷50 пФ,
при
=1÷20.
При возникновении паразитной генерации операционного усилителя на высоких
частотах необходимо установить конденсатор С3=10÷20
пФ и тем самым срезать самовозбуждение операционного усилителя. Неоправданное
увеличение ёмкости в этом случае может привести к снижению скорости нарастания
операционного усилителя, завалу фронтов выходного сигнала и уменьшению
быстродействия схемы в целом.
Конденсаторы С1 и С2 служат для исключения
попадания низкочастотных составляющих и высокочастотных выбросов и шумов по
цепям питания цифровых аналоговых частей схемы. Подстроенный резистор R2
позволяет изменять опорное напряжение в небольших пределах и необходим для
окончательной настройки схемы.
На заключительном этапе монтажа схемы на плату
устанавливаются остальные элементы схемы.
Комплексная настройка производится в следующем
порядке.
Плавно изменяется напряжение питания полевого
транзистора VT1 в небольших пределах (1÷5В),
вращением движка потенциометра R8 добиваются выравнивания дифференциального
каскада на DA4. При точной настройке на нагрузочном сопротивлении
10
Ом отсутствует изменения падения напряжения, вызванное проникновением на выход
генератора тока изменяющегося напряжения питания.
Затем, балансировкой операционного усилителя DA3
вызывают появлением в нагрузке начального тока стока VT1 в пределах 50÷100mA.
Двухполюсник
на VT2 и R13 представляет собой перестраиваемый источник тока положительной
полярности. Изменяя положение движка подстроенного резистора R13 добиваются
полного отвода начального тока стока VT1 в цепь
.
Измерение падения напряжения на нагрузке проводят цифровым вольтметром типа В7
- 27/1 при нулевом цифровом коде на всех разрядах цифро - аналогового
преобразователя . Подстрочным резистором устанавливают нулевое падение
напряжение на нагрузке
10 Ом .
Далее производят калибровку тока во всём
диапазоне входного кода.
При R12=10 Ом максимальный выходной ток
генератора должен быть равен
. Так как у
резистора R12 допускается 5% разброс от его номинального значения, то
изменением положения движка построечного резистора R2 приводит в соответствие
величину выходного генератора и входного цифрового кода, выставляемого на цифро
- аналоговый преобразователь.
.2 График зависимости выходного тока от двоично
- десятичного кода
Снятие зависимости выходного тока от входного
двоично- десятичного кода проводилось в соответствии с рисунком 4.2 при
нумерации в пределах раздела.
С пульта управления задавался различный входной
код который отображён на индикаторе в двоично - десятичном виде. Измерения
выходного тока цифровым вольтметром на токоемкостном резисторе.
«Рисунок 4.3- Схема для снятия двоично -
десятичного кода »
ПУ - пульт управления;
МП - микропроцессор;
ГТ - генератор тока.
Снятая зависимость помещена в таблицу4.2. Из
графика можно увидеть влияние мультипликативной погрешности в конечной точке
шкалы цифро-аналогового преобразователя.
Для микросхемы К1108ПА1 даётся значение для
абсолютной по грешности преобразования в пределах ± 30 EMP/ единицу младшего
разряда.
На отклонение графика от идеальной прямой линии
влияет дифференциальная нелинейность, которая нормируется для цифро -
аналогового преобразователя К1108ПА1 в пределах ± 0,024 %.
Так же можно увидеть на графике влияние
начального тока стока выходного полевого транзистора, который приблизительно
равен 0,75mA при нулевом коде на входе генератора. При настройке генератора
этот начальный ток стока отводится из транзистора в цепь +15В маломощным
генератором тока, выполненном на транзисторе VT2 типа КП903.
График, зависимость которого снималась по
рисунку 4.2 приведён в соответствии с рисунком 4.3 при нумерации в пределах
раздела.
Так же можно увидеть на графике влияние
начального тока стока выходного полевого транзистора, который приблизительно
равен 0,75mA при нулевом коде на входе генератора. При настройке генератора
этот начальный ток стока отводится из транзистора в цепь +15В маломощным
генератором тока, выполненном на транзисторе VT2 типа КП903.
График, зависимость которого снималась по
рисунку 4.2 приведён в соответствии с рисунком 4.3 при нумерации в пределах
раздела.
« Таблица 4.2 » - Данные для построения графика
|
Данные
для построения графика
|
|
входной
код
|
выходной
код
|
|
0
0050 0100 0200 0400 0500 0600 0800 1000 1200 1500 1600 1800 2000 2200 2400
2500 2800 3000 3200 3500 3800 4000
|
0,075
0,195 0,0319 0,569 1,063 1,308 1,552 2,046 2,535 3,029 3,763 4,012 4,340
4,501 4,995 5,489 6,223 6,961 7,455 7,944 8,683 9,421 9,986
|
«Рисунок 4.3-График зависимости выходного тока
от двоично -десятичного кода »
5. ОРГАНИЗАЦИЯ ПРОИЗВОДСТВА
.1 Расчёт трудоёмкости изготовления генератора
Расчёт трудоёмкости генератора тока предназначен
для последующего расчёта основной заработной платы, которая рассчитывается как
произведение трудоёмкости на часовую тарифную ставку.
Расчёт трудоёмкости платы генератора произведён
в соответствии с таблицей 5.1 при нумерации в пределах раздела.
Расчёт трудоёмкости пайки платы генератора
произведён в соответствии с таблицей 5.2 при нумерации в пределах раздела.
Общая трудоёмкость составляется из суммы всех
норм времени на операцию и равна 69,442 минут или 1,157 часа.
Время наладки определяется опытным путём и равно
12 часов. Следовательно, полная трудоёмкость равна 13,157 часа.
« Таблица 5.1» - Расчёт трудоёмкости платы
генератора
|
Расчёт
трудоёмкости платы генератора
|
|
№
|
наименование
операции
|
штучн
время *
|
кол
- во времени
|
норма
времени*
|
|
1.
|
Зачистить,
лудить, формовать микросхему (40выводов)
|
0,91
|
1
|
|
2.
|
Зачистить,
лудить, формовать микросхему (24 вывода)
|
0,91
|
1
|
1,638
|
|
3.
|
Зачистить,
лудить, формовать микросхему (8 выводов)
|
0,63
|
4
|
4,536
|
|
4.
|
Зачистить,
лудить, формовать микросхему (14 выводов)
|
0,91
|
2
|
3,276
|
|
5.
|
Зачистить,
лудить, формовать микросхему (16 выводов)
|
0,91
|
3
|
4,914
|
|
6.
|
Зачистить,
лудить, формовать транзистор (3 вывода)
|
0,43
|
2
|
4,548
|
|
7.
|
Зачистить,
лудить, формовать резистор (2 вывода)
|
0,04
|
9
|
0,648
|
|
8.
|
Зачистить,
лудить, формовать резистор (3 вывода)
|
0,43
|
4
|
3,096
|
|
9.
|
Зачистить,
лудить, формовать конденсатор (2 вывода)
|
0,04
|
7
|
0,564
|
|
Итого
|
21,798
|
*Штучное время, (норма времени - ед.измер-штука)
« Таблица 5.2» - Расчёт трудоёмкости пайки платы
генератора
|
Расчёт
трудоёмкости пайки платы генератора
|
|
№
|
наименование
операции
|
штучн
время
|
кол
- во выводов
|
норма
времени
|
|
1.
|
Паять
микросхему: Вывод - лепесток - 7 шт.
|
0,09
|
140
|
22,68
|
|
2.
|
Паять
микросхему: Вывод - стойка - 4 шт.
|
0,09
|
32
|
5,184
|
|
3.
|
Паять
транзистор - 3 шт.
|
0,11
|
6
|
1,188
|
|
4.
|
Паять
резистор - 9 шт.
|
0,11
|
18
|
3,564
|
Паять
резистор - 4 шт.
|
0,11
|
12
|
2,374
|
|
6.
|
Паять
конденсатор - 7 шт.
|
0,11
|
14
|
2,772
|
|
7.
|
Паять
разъём - 1 шт.
|
0,09
|
61
|
9,982
|
|
Итого
|
77,644
|
Всего на монтаж генератора затрачено времени
69,442 мин. или 1,157 часа.
6. МЕРОПРИЯТИЯ ПО ТЕХНИКЕ БЕЗОПАСНОСТИ
.1 Требования по охране труда на предприятии
Профессия радиомонтажника, специалиста по
настройке и регулировки, радиоэлектронной аппаратуры, радиомеханика достаточно
опасная, так как происходит постоянное взаимодействие с различными неблагоприятными,
а в некоторых случаях и опасными факторами, такими как:
электрические и магнитные поля;
напряжение;
пары флюсов и многое другое.
Для того чтобы избежать травм и нежелательных
ситуаций и их последствий нужно знать технику безопасности.
При техническом обслуживании и ремонте
радиоэлектронной аппаратуры необходимо иметь следующие средства защиты:
защитные очки;
маску для рта и носа (защищающую от испарений
флюса и других вредных веществ);
хлопчатобумажные перчатки;
от статического электричества - халат с длинными
рукавами или нарукавниками, а также браслет (только в тех случаях, когда
производится пайка микросхем и полевых транзисторов);
производственные помещения должны быть
обеспечены средствами тушения пожара, и не загромождаться;
батареи отопления, водопроводные трубы и т.д.
должны быть надежно защищены диэлектрическими щитами или решетками;
рабочий стол должен быть оснащен трансформатором
с гальванической развязкой;
расстояние между столами не менее 80 см. а
расстояние между рядами не менее 100 см;
полы должны быть не пылящими, гладкими, но не
скользкими;
электросеть, служащая для питания
радиоэлектронной аппаратуры и другого оборудования, должна. иметь в доступном
месте выключающее устройство - распределительный щиток с рубильником и
предохранителями;
на каждом рабочем месте необходимо иметь
диэлектрический коврик;
инструменты для ремонта радиоэлектронной
аппаратуры обязательно должны быть с изолированными ручками;
при ремонте радиоэлектронной аппаратуры, кроме
радиомеханика, выполняющего ремонт, в помещении необходимо присутствие еще
одного лица. Если ремонт производится на дому у владельца, радиомеханик должен
предложить владельцу удалиться на безопасное место (не менее 3 м).
Запрещается:
включать радиоэлектронную аппаратуру в сеть с
помощью оголенных проводов, без вилок;
производить ремонт в сырых помещениях;
производить ремонт включенного в сеть аппарата
(в тех случаях, когда производится настройка, регулировка, измерение режимов;
оставлять без надзора включенный аппарат или
измерительное устройство;
иметь на одном рабочем месте два включенных в
сеть радиоэлектронных аппарата со снятыми крышками;
запрещается ремонтировать в висящей одежде
(кофта и т.п.), также с цепочками и часами.
Ремонт (настройка, регулировка измерение
режимов) радиоэлектронной аппаратуры, включенной в сеть, необходимо производить
одной рукой.
Требования безопасности до начала работы:
надеть рабочую одежду (халат), только в
застегнутом виде, чтобы не было торчащих концов;
подготовить свое рабочее место:
убрать все лишнее со стола и под ним;
проверить исправность инструмента,
приспособлений, проверить розетки на рабочем столе, вилки паяльника и другого
оборудования;
- подготовить стул (табуретку), он должен иметь
устойчивое положение.
В случае неисправности не приступать к работе до
ее устранения.
После того, как убедились в исправности, можете
приступать к работе.
Требования безопасности во время работы:
работу производить только на исправном
оборудовании, исправными приспособлениями, инструментом;
перед тем, как начать работу, рабочий стол
необходимо покрыть чистой, желательно белой, хлопчатобумажной салфеткой;
паяльники, ванночки с расплавленным припоем
необходимо ставить на огнеупорные подставки;
необходимо следить за вентиляцией;
паяльники применять на напряжение до 42 В, а
лучше на 36 В;
при работе с красками, лаками и тому подобным
пользоваться кистью или шпателем;
работу с клеями, герметиками, компаундами
производить на месте, оборудованном вытяжкой и вентиляцией;
при работе с элементами, боящимися статического
электричества, необходимо применять антистатический браслет;
работу с растворителями производить вдали от
открытого огня и нагревательных приборов.
Запрещается:
проверять наличие напряжения на ощупь;
проверять нагрев паяльника на ощупь (испытывать
его можно только на припое);
уходить с рабочего места или оставлять его, не
выключив напряжение;
производить пайку аппарата, включенного в сеть;
приём пищи на рабочем месте;
производить паяльные работы при отключенной
вентиляции;
применение браслетов на рабочем месте, где
используется напряжение свыше 380 В, и при наличии оборудования, корпуса
которых не заземлены.
Требования безопасности после завершения работы:
полностью обесточить электроустановки, отключить
электроинструмент;
привести в порядок рабочее место;
убрать инструменты в ящик;
сообщить мастеру о неполадках в работе в течении
рабочего дня (если неполадки присутствовали);
запрещается оставлять радиоэлектронный аппарат в
разобранном виде или со снятой крышкой;
вымыть руки теплой водой с мылом и прополоскать
полость рта водой.
ЗАКЛЮЧЕНИЕ
В данной дипломной работе была разработана и
опробована схема генератора тока, выходной ток которого задаётся от
микропроцессорного устройства. В последнее время всё более широкий класс
приборов построен с использованием микропроцессорных приборов, что выдвигает
определённые требования к разработчикам периферийных управляемых систем. Таким
образом, актуальность данной темы заключается в том, что создан унифицированный
модуль управляемого генератора тока, который легко можно подключить к
стандартной шине микропроцессора.
Достаточно высокие технические характеристики
генератора тока позволяют использовать его при разработке различной
измерительной аппаратуры и избавить разработчиков от конструирования множества
видов генераторов подключаемых для решения узких и специфических задач.
Новым в разработке является использование n -
канального МДП - транзистора в инверсном включении . Это позволило получить в
заземляемой нагрузке тока отрицательной полярности и устранена необходимость
использования мощных р - канальных полевых транзисторов.
В данной дипломной работе показана возможность
создания универсального модуля генератора тока управляемого от микропроцессора.
СПИСОК ИСПОЛЬЗОВАННОЙ ЛИТЕРАТУРЫ
1.
Гуревич, В. И, Микропроцессорные реле защиты: устройство, проблемы, перспективы
: учебно - практическое пособие / В. И, Гуревич .- Москва; Инфра-Инженерм,
2611.- 336 с.: ил.; 21 см .- Библиогр. в конце глав. - ISBN 978-5-9729-0043-5
.
Калабеков Б. А. Цифровые устройства и микропроцессорные системы: [учебник для
средних специальных учебных заведений связи по «специальности 2010,20011,2012J
/ Б. А. Калабеков. - изд. 2 - е., перераб, и доп. - М.: Горячая линия-Телеком,
2011. - 336 е.: ил.; 21 ем. - (Учебник да техникумов),. - (Специальность). -
Библиогр. : с. 334 (9 нам.)
.
Гук М. Ю. Аппаратные средства IBM PC : энциклопедия / Гук М. Ю. -3-е изд - СПб,
и др.:Питер. 2013. - 922 с,:- ил,; 24 ем. -(Энциклопедия).
.
В.Л. Бройдо. Вычислительные системы, сети и телекоммуникации; {учебное пособие
да студентов высших учебных заведений, / , О. П, Ильина-4- е изд, -
Санкт-Петербург [и др,|; Питер, 2011 - 554, [4] с,: ид.; 23 см (Учебник для
вузов).
.
Безуглов Д, А, Цифровые устройства и микропроцессоры : [учебное пособие дня
студентов вузов направления 210300(654200) "Радиотехника"] / Феникс,
2012, - 480 с.: ид.; 21 см. - (Высшее образование).- Библиография.: с. 464 -
465 (18 назв.).
.
Белов А. В. Конструирование устройств на микроконтроллерах ; учебник / А. В. Бедов.
- СПб : Наука и Техника, 2013, --256 с.; ид,; 21 см. - (Радиолюбитель; 9).
.
Б. Ф, Лаврентьев,- Москва: Академия, 2010,- 336 с, - и».; 21 см..- (Высшее
профессиональное образование. Радиоэлектроника).- Библиогр.: с. 330-331, (29
назв)
.
Микушин, А. В. Цифровые устройства и микропроцессоры : (учебное пособие для
студентов высших учебных заведений,] / А. В. Микушин, А. М, Сажмев, В. И.
Сединки .- Санкт-Петербург: БХВ-Петербург, 2010.- 818 с.: ил,, табл.; 25 см .-
Библиогр.: с. 809-810 (28 назв).
При
написании дипломной работы использовались ГОСТы:
.
ГОСТ 2.105 - 95. ЕСКД. «Общие требования к текстовым документам» (с обновлением
на 13. 01.2010 г.).
.
ГОСТ 7.32 - 2001 «Отчет о научно-исследовательской работе. Структура и правила
оформления»
.
ГОСТ Р 6.30 - 2003 «Унифицированная система документации. Унифицированная
система организационно-распорядительной документации. Требования к оформлению
документов.»
.
ГОСТ 7.1 -2003 «Библиографическая запись. Библиографическое описание. Общие
требования и правила составления»
.
ГОСТ 7.12 - 77 «Сокращение русских слов и словосочетаний в
библиографическом описании»
.
ГОСТ 7.80 - 2000 «Библиографическая запись. Заголовок. Общие требования и
правила составления»
.
ГОСТ 7.82 - 2001 «Библиографическое описание электронных ресурсов: общие
требования и правила составления»