Розрахунок силової частини імпульсної системи керування тяговими двигунами вагонів метрополітену
Зміст
Вступ
. Аналіз існуючих систем регулювання тяговим електроприводом
вагона метрополітену і обґрунтування до його модернізації
.1 Контакторно-реостатна система регулювання тяговим
електроприводом вагона метрополітену
.1.1 Загальна характеристика вагонів
.1.2 Силові ланцюги в режимах тяги і гальмування
.2 Розробка блок схеми модернізованого тягового електроприводу
вагону метрополітену
.3 Розробка блок-схеми системи керування імпульсним перетворювачем
. Розрахунок силової частини імпульсної системи керування тяговими
двигунами вагонів метрополітену
.1 Розрахунок імпульсного перетворювача у пусковому режимі
.2 Розрахунок імпульсного перетворювача у режимі тяги з
безперервним
струмом тягових двигунів
.3 Вибір силових елементів імпульсного перетворювача
.3.1 Вибір керованого ключового елемента імпульсного перетворювача
.3.2 Розрахунок вхідного фільтра
. Розрахунок системи керування імпульсним перетворювачем
.1 Розрахунок обмежувача напруг
.2 Розробка і розрахунок задаючого генератора
.2.1 Опис схеми задаючого генератора
.2.2 Розрахунок чекаючого мультивібратора
.2.3 Розрахунок інтегратора
.3 Розрахунок компаратора
.4 Розрахунок формувача імпульсів
. Визначення економічного ефекту від модернізації вагонів
метрополітену серії 81 - 717 системою імпульсного управління тяговими двигунами
.1 Загальна характеристика заходу
.2 Методика розрахунку економічного ефекту
.3 Розрахунок показників використання
.4 Розрахунок капітальних витрат
.5 Розрахунок економічного ефекту
. Охорона праці
.1 Коротка характеристика проектуємого об’єкту
.2 Небезпечні і шкідливі виробничі фактори
.3 Аналіз потенційних небезпек на електропоїзді
.4 Заходи по створенню безпечних умов праці
.5 Правила пожежної безпеки
.6 Розрахунок захисного заземлювача
Висновок
Список використаних джерел
Вступ
Як правило, нові концептуальні
технічні рішення в області залізничного рухомого складу з'являються в ході його
поступового вдосконалення. Однак трапляються й революційні перетворення,
прикладом яких служить впровадження імпульсного тягового приводу.
Тяговий привід з імпульсними
перетворювачами в цей час застосовується в тяговому і моторвагонному рухомому
складі залізниць Європи. Шлях, пройдений до появи сучасної елементної бази, що
дозволив повною мірою використати переваги імпульсного приводу, був довгим і
пов'язаний з рішенням багатьох проблем, що найчастіше супроводжувались жвавими
дискусіями. Всі елементи, властивому імпульсному тяговому приводу, присутні в
сучасних електропоїздах залізниць ряду країн Європи.
Істотний прогрес був досягнутий в
80-і роки з появою транзисторів, що замикають, (GTO) з високим ККД,
застосування яких дозволило значно скоротити число напівпровідникових приладів
у перетворювачах. Завдяки цьому вдалося спростити складну комутаційну схему. Ці
фактори сприяли швидкому розвитку імпульсного тягового приводу. У той же час
впровадження 16-розрядних, а потім і 32-розрядних мікропроцесорів забезпечило
системам керування й контролю тяги бажану продуктивність і швидкодію,
дозволивши в такий спосіб оптимально використати сили зчеплення.
Одночасно з освоєнням тиристорів
почалася розробка біполярних транзисторів з ізольованим затвором
(IGBT-транзисторів), які володіють рядом переваг у порівнянні з
GTO-тиристорами. Завдяки більш високій частоті комутації можна зменшити розміри
й масу перетворювача, знижуються необхідність у фільтрації гармонійних
складових струму, рівні перешкод, створюваних при роботі напільного
встаткування, і випромінюваного шуму. Виділення тепла зменшується завдяки менш
глибокому перепаду напруги й більш низькому рівню комутаційних втрат. Схемні
блоки можуть мати більше просту конструкцію, не вимагають наявності ланцюга
гасіння, що підвищує їхню ефективність, і їх, як будь-який інтегрований
біполярний пристрій, простіше прохолоджувати. Технологія IGBT була швидко
прийнята для застосування в допоміжних перетворювачах малої потужності,
наприклад вагонів метрополітену, у тому числі й через те, що компактність
перетворювачів сприятлива для їхнього розміщення під кузовом або в піддаховому
просторі.
Проаналізувавши експлуатаційні
витрати по моторвагонному господарству метрополітену за останні роки, можна
стверджувати, що найбільше ефективним із погляду скорочення експлуатаційних
витрат у нинішній ситуації повинно стати істотне зниження витрат по статті
"Електроенергія".
Вагони серій 81-114 і 81-117, що
випускаються з 1987р, мають ще достатній запас конструктивної міцності кузова і
частини устаткування, при цьому багато систем і комфортність поїздки не
задовольняють сучасним вимогам.
Тому в даному дипломному проекті для
зменшення експлуатаційних втрат і збільшення дохідності від перевезень
пропонується модернізація вагонів метрополітену серії 81-717 і 81-714 системою
імпульсного управління тяговими двигунами.
1. Аналіз існуючих систем
регулювання тяговим електроприводом вагона метрополітену і обґрунтування до
його модернізації
.1 Контакторно-реостатна система
регулювання тяговим електроприводом вагона метрополітену
.1.1 Загальна характеристика вагонів
Вагони метрополітену серії 81-717 і
81-714, основні характеристики яких наведені в таблиці 1.1, приводяться в рух
чотирма тяговими двигунами типу ДК117А з послідовним збудженням. Потяг
формується з одних моторних вагонів, керованих за системою багатьох одиниць за
допомогою 72 дротів управління.
Вагони виготовляються в двох
виконаннях: модель 81-717 головний з кабіною управління і модель 81-714
проміжний з постом управління від переносного пульта для маневрових робіт.
Вагони обладнані пристроями резервного управління, АРС і можуть доповняться
системою автоведення.
Таблиця 1.1 - Загальна
характеристика вагонів
|
Найменування
|
81-717
|
81-714
|
|
1
|
2
|
3
|
|
Маса вагону (т)
|
34
|
33
|
|
Конструкційна швидкість (км/год)
|
90
|
90
|
|
Число тягових двигунів типу ДК117А (шт.)
|
4
|
4
|
|
Потужність 4 тягових двигунів (сумарна 4 х 110 кВт)
|
440
|
440
|
|
Час набору швидкості до 80 км/година при максимальному
навантаженні на вагон 81-717-21,7 т, 81-714 - 23 т(с)
|
40
|
40
|
|
Середнє прискорення вагону при середньому навантаженні 9 т на
горизонтальній ділянці шляху до виходу на автоматичну характеристику повного
поля (м/с2)
|
1,2
|
1,2
|
|
Середнє уповільнення вагону на горизонтальній ділянці шляху при
середньому навантаженні 9 т з швидкості 80 км/година до повної зупинки потягу
(м/с2)
|
1,0 - 1,2
|
1,0 - 1,2
|
|
Ступінь ослаблення поля: моторний режим % гальмівний режим %
|
70, 50, 37, 28
|
|
48 - 100
|
48 - 100
|
|
Годинний струм двигуна (А)
|
330
|
330
|
|
Годинна потужність двигуна (кВт)
|
110
|
110
|
|
Тривалий струм двигуна (А)
|
280
|
280
|
|
Номінальна напруга на колекторі (В)
|
375
|
Тяговый двигун - ДК-117А
Тяговий двигун (ТД)
самовентильований, послідовного збудження;
Тип обмотки петлева, із
зрівняльними з'єднаннями;
Потужність (кВт) 110;
Годинний струм (А) 330;
Число оборотів (об/мин) 1480;
Підшипники:
з боку колектора роликовий
№30-32310;
з боку вентилятора кульковий
№70-413;
Число полюсів:
головних (шт.) 4;
додаткових (шт.) 4;
Число витків котушки (на один
полюс):
головний полюс 26;
додатковий полюс 15;
Повітряний зазор якоря:
під головним полюсом (мм):
центр 2,5;
край 7,5;
під додатковим полюсом (мм): 3,5;
Число щіткотримачів (шт.) 4;
Число щіток в щіткотримачі (шт.) 2;
Марка щітки ЕГ-2А;
Для управління тяговими двигунами,
електричними груповими апаратами, індивідуальними електропневматичними і
електромагнітними реле і іншими приладами, пристрої сполучені між собою
дротами, створюючими електричні схеми (ланцюги) трьох видів: силова, управління
і допоміжна.
Силова схема служить для з'єднання
тягових двигунів з електричними апаратами, індивідуальними контакторами,
котушками реле і іншими приладами забезпечуючими:
з'єднання силового ланцюга вагону з
контактною рейкою;
зміну швидкості і напрями обертання
якорів тягових двигунів;
перемикання тягових двигунів з
моторного на гальмівний режим і назад;
контроль і захист тягових двигунів і
апаратів силового ланцюга від струмів короткого замикання і перевантаження;
заземлення силового ланцюга.
Ланцюг управління служить для
перемикання електричних групових апаратів, індивідуальних електропневматичних і
електромагнітних контакторів силового ланцюга кожного вагону.
Ланцюг управління включає ряд
електромагнітних реле і вентильних котушок, контакти і контактори
індивідуальних і групових апаратів, які забезпечують порядок перемикання
окремих апаратів і приладів, контроль за їх роботою і станом силового ланцюга.
Живлення ланцюга проводиться від акумуляторної батареї 50 - 80 В і блоку живлення
власних потреб БЖВП.
Допоміжний ланцюг служить для
включення допоміжного електричного устаткування. В допоміжний ланцюг високої
напруги (825 В) включаються: печі опалювання, електромагнітні контактори і
ланцюги підзаряду акумуляторних батарей, БЖВП, ланцюг мотор-компресора, нульове
реле, освітлення салонів.
В допоміжний ланцюг низької напруги
включаються: аварійне освітлення, червоні фари і прожектори, управління:
освітленням пасажирського салону, БЖВП, мотор-компресорами, розсувними дверима.
1.1.2 Силові ланцюги в режимах тяги
і гальмування
Структура силових електричних
ланцюгів вагонів моделей 81-717.5 і 81-714.5 відповідає реостатно-контакторному
принципу управління тяговими двигунами з частковим використовуванням
тиристорно-імпульсного управління в гальмівному режимі.
Струм в ланцюзі якорів тягових
двигунів для підтримки його на заданому рівні регулюють в режимі тяги шляхом
східчастого зменшення опору пускового резистора в поєднанні з перемиканням
тягових двигунів з послідовного на послідовно-паралельне, а також шляхом
східчастої зміни опору резисторів, що шунтують обмотки збудження тягових
двигунів; в гальмівному режимі - шляхом плавного регулювання опору резистора,
що шунтує обмотки збудження тягових двигунів, і східчастого зменшення опору
гальмівного резистора.
Східчасте регулювання опору
пуско-гальмівних резисторів здійснюється реостатним контроллером (ЕКГ-39У2),
контакторні елементи якого включені паралельно секціям пуско-гальмівних
резисторів.
Для скорочення втрат в пускових
резисторах в електроприводі вагону використовуються тягові двигуни з
низколежачими швидкісними характеристиками і в процесі розгону вагону
здійснюється перемикання їх з'єднання з послідовного на послідовно-паралельне.
В результаті втрати електроенергії в
пускових резисторах при русі вагону на розрахунковому перегоні 1700 м
горизонтального профілю з середньою швидкістю 48 км/ч (час стоянки 25 с,
напруга в контактній мережі 750 В) обмежені на рівні 3,5 % електроенергії, що
витрачається на тягу.
Перегруповування тягових двигунів з послідовного
на послідовно-паралельне з'єднання здійснюється по схемі моста, принцип роботи
якої полягає в наступному.
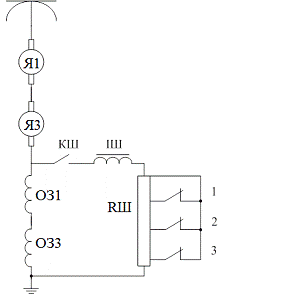
Як приклад розглянемо спрощену
силову схему ланцюгів тягових двигунів (рисунок 1.1). У момент пуску тягових
двигунів їх обмотки Я1-Я4 і ОВ1-ОВ4 і пускові резистори R1 і R2 з'єднуються
послідовно і підключаються до контактної мережі напругою U через контакторні
елементи 1, ПС і 2 (інші контакторні елементи розімкнені) [1].
Рисунок 1.1 - Спрощена
силова схема ланцюгів тягових двигунів
Сумарний опір резисторів
R1 і R2 вибирається виходячи із забезпечення плавності пуску вагону. У міру
розгону тягових двигунів по черзі замикаються контакторні елементи 3 − 8,
шунтуючи ступені резисторів R1 і R2, кількість яких визначається допустимими
значеннями коливань пускового струму і сили тяги при замиканні ступенів
резисторів. У момент включення контакторного елемента 8 послідовно з’єднані
тягові двигуни через контакторні елементи 7, ПС і 8 (інші контакторні елементи розімкнені)
безпосередньо підключаються до контактної мережі, причому подальша підтримка
середніх значень струму і сили тяги при збільшенні частоти обертання тягових
двигунів стає неможливою.
Для збереження динаміки
вагону тягові двигуни перемикають на послідовно-паралельне з'єднання з
включенням в паралельний ланцюг відповідного пускового резистора R1 і R2. В
процесі перегруповування двигунів спочатку одночасно замикають контакторні
елементи П1 і П2 і групи двигунів (перша група: Я1-ЯЗ- ОВ1-ОВЗ, друга група:
ОВ2-ОВ4-Я2-Я4) з'єднуються з пусковими резисторами за схемою моста. Резистор R1
підключений до першої групи тягових двигунів через контакторні елементи П2, ПС
і 7, а резистор R2 - до другої через контакторні елементи П1, ПС і 8, причому
середні точки з'єднання груп тягових двигунів і послідовно включених по
відношенню до контактної мережі резисторів R1 і R2 з'єднані. Між цими точками
протікає різниця струмів послідовних ланцюгів резисторів і груп двигунів,
причому після підключення резисторів струм в тягових двигунах, а отже, і тягові
зусилля зберігаються практично на колишньому рівні.
Далі розмикають
контакторний елемент ПС, включений між вказаними середніми точками резисторів і
груп двигунів, після чого утворюються два незалежні паралельні ланцюги, кожна з
яких підключена до контактної мережі і складається з двох з’єднаних послідовно
тягових двигунів і пускового резистора (Я1-ЯЗ-ОВ1-OB3-7-R2-П1 і
П2-Rl-8-ОВ2-ОВ4-Я2-Я4), причому перехід на послідовно-паралельне з'єднання
двигунів проходить практично без зниження сили тяги.
У вказаних паралельних
ланцюгах струм на заданому рівні підтримується шляхом послідовного включення
контакторних елементів 6 − 1. Таким чином, одні і ті ж контакторні
елементи використовуються при регулюванні опорів пускових резисторів при
послідовному (вал реостатного контролера обертається в одному напрямку) і
послідовно-паралельному (вал реостатного контролера обертається в протилежному
напрямку) з'єднанні тягових двигунів, що дозволяє значно скоротити число
позицій реостатного контролера при збереженні необхідного числа ступенів
пускових резисторів.
Використовування
реостатного контролера з обертанням валу в протилежних напрямах при різних
групуваннях тягових двигунів приводить до необхідності застосування окремого
приводу контакторних елементів П1, П2 і ПС. Після замикання контакторних
елементів 2 і 1 (П1 і П2 замкнуті, ПС і 3 − 8 розімкнені) перша і друга
групи тягових двигунів безпосередньо підключаються до контактної мережі.
При подальшому розгоні
тягових двигунів підтримка струму в ланцюзі якорів тягових двигунів на заданому
рівні і збереження споживаної потужності забезпечується у наслідок ослаблення
збудження двигунів. Спрощена схема підключення тягових двигунів до контактної
мережі при регулюванні ослаблення збудження представлена на рисунку 1.2.
Ослаблення збудження
(регулювання струмів збудження) здійснюється східчастою зміною опору резистора
при послідовному замиканні контакторних елементів 1 − 3. Число ступенів
ослаблення збудження визначається допустимими значеннями коливань струму і сили
тяги при замиканні вказаних елементів. Для забезпечення безаварійної роботи
тягових двигунів в перехідних режимах, зв'язаних, наприклад, з короткочасними
відривами струмоприймача вагону, в ланцюг шунтуючого резистора RШ включається
індуктивний шунт. Активний опір і індуктивність шунта вибираються так, щоб
розподіл струмів в ланцюгах обмоток збудження і резистора RШ в перехідному і
сталому режимах трохи відрізнялися. Після замикання контакторного елемента 3
тягові двигуни виходять на швидкісну характеристику максимально ослабленого
збудження і у міру подальшого розгону струм в ланцюгах якорів тягових машин і
динаміка вагону зменшуються.
Рисунок 1.2 - Спрощена
схем підключення тягових двигунів до контактної мережі при регулюванні
ослаблення збудження
Таким чином, в режимі
тяги можна виділити три характерні періоди роботи електроустаткування вагону:
регулювання напруги на обмотках якорів тягових машин (режим пуску), регулювання
струмів збудження (режим ослаблення збудження) і режим роботи по швидкісній
характеристиці максимально ослабленого збудження.
В режимі реостатного
гальмування тягові двигуни з'єднуються по перехресній мостовій схемі,
представленій в спрощеному вигляді на рисунку 1.3.
В діагональ моста,
утвореного обмотками якорів і збудження, включений гальмівний резистор. По
ньому протікає сумарний струм обмоток якорів обох груп тягових машин. Як видно
з рисунка 1.3, струм IТ1 якорів тягових двигунів першої групи протікає по
обмоткам збудження тягових двигунів другої групи, а по обмоткам збудження
тягових двигунів першої групи - струм IТ2 обмоток якорів тягових двигунів
другої групи.
Перехресне з'єднання
обмоток забезпечує електричну стійкість роботи схеми в режимі гальмування. В
процесі реостатного гальмування тягові двигуни працюють в генераторному режимі
і виробляють електричну енергію за рахунок кінетичної енергії, запасеної в
рухомому складі при його розгоні. Електрична енергія перетвориться в теплову
енергію, яка виділяється в гальмівному резисторі Rт.
В зоні високих і
середніх швидкостей руху підтримка заданого струму в ланцюгах якорів тягових
двигунів при їх гальмуванні здійснюється тиристорним регулятором.
Рисунок 1.3 - Перехресна
мостова схема гальмування тягових двигунів
1.2 Розробка блок схеми
модернізованого тягового електроприводу вагону метрополітену
Основні переваги системи
імпульсного управління в порівнянні з контакторно-реостатним наступні:
безреостатний плавний
пуск електропоїзда, при якому усуваються втрати енергії в пускових реостатах і
забезпечується можливість збільшення середнього пускового прискорення;
плавне рекуперативне
гальмування в широкому діапазоні швидкостей майже до зупинки потягу без
потужних збудників або обмоток незалежного збудження тягових двигунів;
плавне, без втрат,
регулювання швидкості електропоїзда у всьому діапазоні її зміни;
усунення дії на тягові
двигуни коливань напруги і перенапружень в контактній мережі;
можливість підвищення
середньої напруги, що підводиться до тягових двигунів;
простота автоматизації
управління електропоїздом і можливості отримання будь-яких тягових і гальмівних
характеристик.
Регулювання тяговим
електроприводом вагону метрополітену в тяговому і гальмівному режимах
здійснюється за допомогою імпульсного перетворювача методом широтно-імпульсного
регулювання, що дозволяє отримати широкий діапазон зміни струму тягових
двигунів. Блок-схема імпульсного електроприводу вагону метрополітену зображена
на рисунку 1.4.
Напруга контактної
мережі UC приймається струмоприймачами (СП), потім через ввімкнений
високовольтний вимикач (В) через фільтри (Ф) надходить до імпульсного
перетворювача (ІП).
Блок імпульсного
перетворювача функціонально складається з формувачів імпульсів відкриваючого і
закриваючого струмів, транзисторів, які запираються, і захисних RDC - ланцюгів.
Формувачі імпульсів управляючого струму виконані з двома джерелами живлення з
конденсаторними накопичувачами енергії.
До блока імпульсного
перетворювача сигнал керування поступає від контролера машиніста, який сигналом
управління Uк, відповідно позиціям контролера управляє величиною заповнення
імпульсу ШІП (0>¡>1).
Конструктивно система
управління складається з блока формування сигналів автоматичного керування тяговими
перетворювачами. До складу кожного блоку входять задаючи генератори (ЗГ), та
компаратори (К) що здійснюють широтну модуляцію імпульсів управління. Вихідні
сигнали ЗГ зрушені відносно один одного на кут рівний 1800. Вихідна напруга ЗГ
є синхронізуючим сигналом для формувачів сигналу управління (ФСУ) імпульсними
перетворювачами. Під дією сигналу управління uу, що поступає з контролера
машиніста (КМ) електропоїзда, ЗГ формує закон модуляції імпульсів управління.
Частота проходження імпульсів управління залишається постійною і рівна f= 400
Гц, регулюється тільки величина заповнення імпульсів 0>¡>1.
Надалі сигнали подаються на логічний пристрій який своїми логічними елементами
формує команди:
“вперед”;
“назад”;
“тяга”;
“гальмування”.
Логічний пристій керує
порядком включення та виключення силових ключів, які керують роботою чотирьох
тягових двигунів з’єднаних послідовно.
Контроль за величиною
струмів, що протікають у тягових двигунах, здійснюється датчиками струму ДС.
Для вирівнювання струмів у тягових двигунах застосований регулювальник струму
РС, який на основі інформації, що поступає від датчиків струму, виробляє
керуючий вплив на ФСУ.
У режимі рекуперативного
гальмування система управління працює аналогічно режиму тяги. При цьому сигнал
uу подається на систему управління починаючи з «1» гальмової позиції контролера
машиніста. У процесі рекуперативного гальмування регулюється струм якоря
тягових двигунів.
В режимі тяги схема
складає електричний ланцюг, в який входять чотири з’єднані послідовно тягових
двигуна ДК-117А та транзисторно-імпульсний перетворювач. Електропоїзд має
послідовне та послідовно-паралельне з’єднання тягових двигунів, але завжди
залишається два тягових двигуна, які з’єднані послідовно.
Діапазон регулювання
напруги тягових двигунів з’єднаних послідовно проміж собою від 0 до 750 В
(напруга контактної мережі з допомогою транзисторно-імпульсного регулюючого
перетворювача). Широтно-імпульсним перетворювачем виконується регулювання з
постійною частотою 400 Гц, але з різним коефіцієнтом заповнення імпульсу g,
від 0 до 1.
На рисункові 1.5
показана електрична схема електропоїзду в режимі тяги. Розглянемо для приклада
роботу силової схеми у режимі “тяга-вперед”.
Перетворювач кожного
моторного вагона має Г-подібний вхідний фільтр. При пуску електропоїзда струм
Ід піде по слідуючому колі:
, напруга контактної
мережі; Г-подібний вхідний фільтр, транзистор VT1 який відкривається з частотою
Гц,
але з різним коефіцієнтом заповнення імпульсу 0>¡>1
(відповідно позиціям контролера машиніста), через Zн (тягові двигуни Д1 -Д4),
постійно відкритий транзистор VT4,
напруги контактної
мережі, земля. На рисунку 1.6 зображені графіки напруг та струмів тягового
двигуна при роботі у режимі тяги.
Рисунок 1.6 - Графіки напруг та
струмів тягового двигуна при роботі у режимі тяги
Імпульсні регулятори у
процесі електричного гальмування забезпечують плавне регулювання режимами на
обмотках якорів тягових двигунів і струму збудження, що дозволяє гальмову
характеристику
,
яка збігається з граничною або близькою до неї, залежно від вибраного закону
управління імпульсними регуляторами.
Граничні гальмові сили у
зоні високих швидкостей руху обмежуються максимально допустимими значенню
Е.Р.С. і напруги, а у зоні середніх та низьких швидкостей - допустимими
значеннями коефіцієнта зчеплення коліс електропоїзда з рейками.
Використовування
імпульсного регулятора напруги дозволяє здійснити рекуперативне гальмування
практично до повної зупинки поїзда, при тому не треба змінювати схему з’єднання
тягових двигунів.
Розглянемо силову
електричну схему у режимі “вперед-гальмування” по рисунку 1.7.
У даному випадку
відкривається силовий транзистор VT2 з частотою
Гц, але з різним
коефіцієнтом заповнення імпульсу 0>¡>1 (відповідно
позиціям контролера машиніста у режимі - “гальмування”), замкнутому положенню
транзистора відповідає частина періоду
, а розімкненому
.
При відкриванні
транзистора VT2 утворюється контур струму тягового двигуна, який робить у
генераторному режимі; він складається з двигуна, реактора Lф та транзистора
VT2. Дякуючи малому опору контура генераторний струм збільшується від (ін) до
(ік), в наслідок чого зростає запас електромагнітної енергії контура,
зосереджений у основному реакторі. У цьому інтервалі і = 0. Потім після
запирання транзистора VT2 струм двигуна починає зменшуватися і Е.Р.С.
самоіндукції, обумовлена самоіндукцією реактора Lф та обмоток двигуна,
складається з Е.Р.С. двигуна. Сума цих Е.Р.С. перевищує напругу мережі, і струм
двигуна поступає у тягову мережу, не вважаючи на те, що його Е.Р.С. менше
напруги мережі.
Рисунок 1.8 - Графіки напруг та
струмів тягового двигуна при роботі у генераторному режимі
.3 Розробка блок-схеми системи
керування імпульсним перетворювачем
Блок схема системи керування (СК)
імпульсним перетворювачем відображена на рисунку 1.9.
Система керування складається з
роздільних каналів формування керуючих сигналів транзисторів, кожного візка
вагону.
Регулювання тяговими
двигунами у режимі тяги та гальмування відбувається методом широтно-імпульсної
модуляції (ШІМ). Кожний канал системи керування складається з генератора, який
задає сигнали - ЗГ1 (ЗГ2), формуючого двосторонній пилкоподібний опорний сигнал
.
З виходу ЗГ опорний сигнал подається на перший вхід компаратора - К1 (К2). На
другий вхід компаратора від контролера машиніста (КМ) надається сигнал завдання
через
суматор С1 (С2) та обмежувач напруги ОН1 (ОН2).
Обмежувач напруги
призначений для злагодження величин сигналу
та опорного сигналу
.
Обмежувачем напруги ОН1 (ОН2) на виході компаратора формується послідовність
прямокутних імпульсів регулюючої довжини. Довжина вихідного імпульсу
компаратора, яка визначає час включеного стану транзистора у силовому колі
перетворювача, залежить від величин системи керування.
Вихідні імпульси
компаратора подаються на вхід логічного перемикача ЛП1 (ЛП2), на управляючі
входи якого надаються команди: “вперед”, “назад”, “тяга”, “гальмування” - ці
команди визначають роботу транзистора у силовій частині перетворювача.
Вирівнювання струмів
тягових двигунів різних вагонів виконується з допомогою регулятора струму (РС),
на входи якого, від датчиків струму ДС1-ДС2, подаються сигнали пропорційні
струмам тягових двигунів. На виході регулятора струму формується коректируючий
сигнал, який подається на другі входи суматорів С1-С2.
Вхідними сигналами
логічного улаштування (ЛУ) є:
вихідний сигнал широтно
імпульсного модулятора, побудованого на DA;
сигнал команди “Вперед”
у виді логічної “1”;
сигнал команди “Назад” у
виді логічного “0”;
сигнал команди “Тяга” у
виді логічної “1”;
сигнал команди
“Гальмування” у виді логічного “0”.
Сигнали команд “Вперед”,
“Назад”, “Тяга” і “Гальмування” поступають у систему управління від контролера
машиніста. Надходження однієї з вказаних команд визначає алгоритмом
переключення ключів VS1, VS2, VS3, VS4 силової схеми перетворювача.
У таблиці 1.2 приведені
алгоритми роботи силових ключів перетворювача для різних режимів руху
електричного рухомого складу. У таблиці прийняті слідуючи позначення:
“1” - постійно включений
транзистор;
“1 (ШІМ)” - транзистор,
який здійснює переключення під дією сигналу широтно- імпульсного модулятора;
“0” - постійно
виключений транзистор.
Таблиця 1.2 - Алгоритми
силових ключів
|
Команда
|
Транзистори
|
|
VT 1
|
VT 2
|
VT 3
|
VT 4
|
|
“ Тяга”
|
“Вперед”
|
1(ШІМ)
|
0
|
0
|
1
|
|
“Назад”
|
0
|
1
|
1(ШІМ)
|
0
|
|
“Гальмування”
|
“Вперед”
|
0
|
1(ШІМ)
|
0
|
0
|
|
“Назад”
|
0
|
0
|
0
|
1(ШІМ)
|
На рисунку 1.10 приведена електрична
схема рівнянь в базисі І-Ні. У якості елементної бази прийняті інтегральні
логічні елементи серії К 561.
Принципова схема логічного пристрою
відображена на рисунку 1.10.
На рисунку прийняті слідуючи
позначення:
Х1 - двоїстий логічний сигнал,
відповідний команді “Вперед”, “Назад”;
Х2 - двоїстий логічний сигнал,
відповідний команді “Тяга”, “Гальмування”;
Х3 - двоїстий логічний сигнал,
відповідний вихідному сигналу широтно- імпульсної модуляції сигналу управління.
Вихідні сигнали Y1, Y2, Y3, Y4
відповідають стану транзисторів VT1, VT2, VT3, VT4
Рисунок 1.10 -
Принципова схема логічного пристрою
2. Розрахунок силової
частини імпульсної системи керування тяговими двигунами вагонів метрополітену
.1 Розрахунок
імпульсного перетворювача у пусковому режимі
У пусковому режимі
імпульсного перетворювача проти Е.Р.С. дорівнює нулю. Навантаження імпульсного
перетворювача являє собою послідовне з'єднання активного опору Rд опору індуктивного
Lд якірних ланцюгів і опору індуктивного ланцюга збудження тягового двигуна.
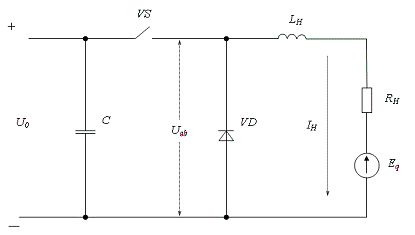
Розрахункова схема
імпульсного перетворювача для цього випадку відображена на рисунку 2.1.
Рисунок 2.1 -
Розрахункова схема імпульсного перетворювача у режимі пуску
Рисунок 2.2 - Алгоритм переключення
транзисторного перетворювача і часові діаграми струмів та напруги
Транзисторно-імпульсний перетворювач
являє собою ключ, котрий являє собою два стійких стана: замкнуте та розімкнуте.
Він переключається з частотою f. У інтервалі кожного періоду
(2.1)
ключ замкнутий протягом
часу tім і розімкнутий у період який зостався Т - tім.
Відповідно тяговий
електричний двигун частину періоду який визначається коефіцієнтом замкнення,
(2.2)
підключений до джерела
напруги Uc, а в останню частину періоду відключений від нього.
(2.3)
Нехтуючи пульсаціями
напруги на конденсаторі Сф вхідного фільтра, котрі малі та звично складають
менше 0,1Uc, можна рахувати, що до ланцюга тягових електродвигунів прикладені
прямокутні імпульси напруги амплітудою U і тривалістю tім. Середнє значення
цієї напруги за період.
(2.4)
З допомогою
транзисторно-імпульсного перетворювача шляхом зміни γ
від γмін до одиниці середнє значення напруги Uст.дв, яке прикладається
з ланцюга тягової машини, можливо регулювати у широких межах від Uср.дв до
Uср.дв рівному Uc. На інтервалі 0 ≤ t ≤ t0 коли VТ відкритий, від
контактної мережі з напругою Uc споживається енергія. Шлях проходження
електричного струму Ін1 показаний суцільною лінією, дивись рисунок 2.1. На
інтервалі t0 ≤ t ≤ T транзистор VT закритий. Струм навантаження за
рахунок Е.Р.С. самоіндукції зберігає своє попереднє направлення, замикаючись
через зворотній діод VD. Шлях цього струму Ін2 для інтервалу показаний
штриховою лінією на рисунку 2.1.
Алгоритм переключення
транзисторного перетворювача і часових діаграм струмів і напруг показаний на
рисунку 2.2.
Регулювання швидкістю
обертання якорів тягових двигунів відбувається зміною напруги живлення.
Середнє значення напруги
яка подається на тягові електричні двигуни дорівнює:
(2.5)
де Uд - напруга на
тягових електричних двигунах;
γ - відносна
довжина імпульсу напруги яка прикладається до тягового двигуна;- напруга контактної
мережі.
Змінюючи γ
можна регулювати на виході транзисторно-імпульсного перетворювача
середнє значення напруги на двигуні.
Максимальне значення
струму двигуна на першій позиції, коли проти Е.P.С. дорівнює нулю, рівняється:
(2.6)
де Uc - напруга
контактної мережі, В;д - загальний опір ланцюга тягових двигунів, Ом;
γ - відносна
довжина імпульсу напруги яка прикладається до двигуна;
Т - період
транзисторно-імпульсного перетворювача, с.
Для находження часу Тд
необхідно визначити сумарний індуктивний опір ланцюга Lд і активний опір Rд.
, (2.7)
де Rя - опір обмотки
якоря, 0,0285 Ом;гп - опір обмотки головних полюсів, 0,0312 Ом;дп - опір
обмотки додаткових полюсів з вивідними дротами, 0,0103 Ом.
Значення опорів
відповідають технічним даним тягового двигуна ДК-117.
Ом.
Індуктивний опір ланцюга
знайдемо за формулою:
, (2.8)
де р = 2 - число пар
полюсів тягового електричного двигуна ДК-117А;
Фн - номінальний
магнітний потік тягового електричного двигуна ДК-117А, 0,052 Вб;оз = 26 -
кількість витків обмотки збудження тягового електричного двигуна ДК-117А;
Ін - номінальний струм
тягового електричного двигуна ДК-117А, 330 А.
Гн.
, (2.9)
с.
При широтно-імпульсному
регулюванні змінюється величина періоду γ від
мінімального значення до максимального. Для мінімального викривлення тягових
характеристик електропоїзда метрополітену, існуючих при використовуванні
пускових резисторів під час розгону по позиціям, приймаємо відносну довжину
імпульсу заповнення γ = 0,03. Виходячи з цього, напруга прикладена
до тягових двигунів буде дорівнювати:
; (2.10)
В.
Розрахована напруга
прикладена до чотирьох двигунів з'єднаних послідовно при рушенні з місця.
Період повного циклу Т буде рівнятися зворотному значенню частоти,
, (2.11)
де f - частота роботи
транзисторно-імпульсного перетворювача, Гц.
с.
.
Використовуючи отримані
результати для находження Іmах струму двигуна при зрушенні з місця, у момент
коли проти Е.Р.С. дорівнює нулю, згідно формули 2.6 одержтваю:
А.
Для находження
мінімального струму двигуна використовуємо формулу:
; (2.13)
А.
Середнє значення струму
транзистора знайдемо по формулі:
(2.14)
Середнє значення струму
зворотного діода знайдемо по формулі:
(2.15)
А.
Середнє значення струму
тягового електричного двигуна знайдемо з формули
;
;
;
;
,4 А = 88,4 А.
Струм у навантаженні не
залежить ні від частоти переключення транзистора VТ, ні від постійної часу
ланцюга двигуна, а повністю визначається середнім значенням напруги контактної
мережі і активним опором послідовно з'єднаних тягових електричних двигунів.
Амплітуда пульсацій
струму в ланцюзі тягових двигунів дорівнює:
; (2.16)
;
А.
З приведеної формули
випливає, що амплітуда пульсацій досягає максимуму при у рівної 0,5.
.2 Розрахунок
імпульсного перетворювача у режимі тяги з безперервним струмом тягових двигунів
Такий режим являється
основним режимом роботи імпульсного перетворювача, так як характеристики для
середніх швидкостей руху електропоїзда.
Розрахункова схема
імпульсного перетворювача приведена на рисунку 2.3
Часові діаграми, які
характеризують даний режим роботи імпульсного перетворювача відображені на
рисунку 2.4
Максимальне значення
струму тягових двигунів знайдемо за формулою
(2.17)
де Uc - напруга
контактної мережі, В;д - опір тягових двигунів, Ом.- проти Е.Р.С. тягових
двигунів, В.
Для находження проти
Е.Р.С. тягового двигуна використаємо підведену до тягових електродвигунів
напругу яка урівноважується проти Е.Р.С. та падіння напруги на обмотках
(2.18)
де Е - проти Е.Р.С.
тягових двигунів,
Ід - струм тягового
двигуна,
- опір обмоток тягового
двигуна.
Рисунок 2.3 -
Розрахункова схема імпульсного перетворювача у режимі тяги
Для находження проти
Е.Р.С. тягового двигуна Е необхідно задатися рядом струмів і підставити у
формулу відомі дані. Напруга для вибраного режиму дорівнює 375 В, опір двигунів
дорівнює
0,07 Ом.
У результаті з формули
(2.18) отримаємо значення проти Е.Р.С. тягового двигуна і отримані значення
занесемо у таблицю 2.2
Таблиця 2.2 - Результати
розрахунків значень проти Е.Р.С. тягового двигуна
|
Ід, А
|
50
|
100
|
150
|
200
|
250
|
300
|
330
|
|
Е, В
|
371
|
368
|
364
|
357
|
354
|
352
|
Рисунок 2.4 - Алгоритм
переключення транзисторного перетворювача і часові діаграми струмів та напруги.
Максимальне значення
струму двигуна в установленому режимі при частоті 400 Гц та коефіцієнтом
заповнення γ рівному 0,5 знайдемо за формулою:
(2.19)
де Uc = 750 В, напруга
контактної мережі;
γ = 0,5,
коефіцієнт заповнення;
A.
Мінімальне значення
струму тягових двигунів знайдемо за формулою
; (2.20)
A.
Амплітуда пульсацій
струму тягових двигунів
(2.21)
A.
Середнє значення струму
транзистора VT знайдемо за формулою:
(2.22)
Середнє значення струму
діода VD знайдемо по формулі
(2.23)
Середній струм двигуна у
установленому режимі буде рівнятися
(2.24)
А.
Параметри граничного
режиму який розділяє безперервний перерваний струм тягових двигунів знайдемо з
формули:
(2.25)
В.
(2.26)
А.
.3 Вибір силових
елементів імпульсного перетворювача
.3.1 Вибір керованого
ключового елемента імпульсного перетворювача
У якості керованого
ключового елемента імпульсного перетворювача вибираємо IGBT модуль
СМ1200НА-66Н.
По технічним
характеристиках IGBT модуль СМ1200НА-66Н транзистор ТЗ 253 - 2400 призначений
для використовування у статичних перетворювачах електроенергії, а також у
різних силових установах постійного та змінного струму, де виникає потреба
великої швидкості зростання струму і напруги.
Керовані транзистори
(IGBT), які в порівнянні з тиристорами, що замикаються, мають наступні
переваги:
незначну потужність,
затрачувану на управління силовими транзисторами;
низькі комутаційні
втрати, так що частота спрацьовувань може досягати 2000 Гц;
можливість реалізації
захисту простими засобами.
Транзистори мають велику
навантажену здібність до струму на високих частотах.
Параметри IGBT модуля
СМ1200НА-66Н:
Напруга колектор-емітер
3300 В
Напруга затвор-емітер ±
20 В
Струм колектора 1200 А
Струм емітера 1200 А
Робочий діапазон
температури -40 +150 ºС
Маса 2.2 кг.
.3.2 Розрахунок вхідного
фільтра
Неперервність струму у
контактній мережі при транзисторному регулюванні навантаження забезпечується
Г-подібним фільтром LфСф. Незалежно від стану поривача, струм у контактній
мережі має контур для замикання: по ланцюгу тягових двигунів або по ланцюгу
фільтруючого конденсатора. У інтервалі 1 - γ,
не залежно від того, що тягові двигуни відключені від контактної мережі,
відбувається споживання енергії від джерела живлення, яка не витрачається, а
накоричується у фільтруючому конденсаторі. У інтервалі періоду γ
в ланцюзі тягових двигунів поступає енергія як від джерела
живлення, так і від фільтруючого конденсатора. Шляхом підбору параметрів
фільтра LфСф максимальні пульсації струму обмежуються на рівні 1-2 % струму
Іср, так в любий момент часу значення струму у контактній мережі незначно
відрізняється від середнього Іср.
Виходячи з балансу
потужностей
з врахуванням виразу
можна
визначити стан між контактною мережею та ланцюгом тягових двигунів
.
Так як при роботі
імпульсного перетворювача коефіцієнт заповнення γ менше
одиниці, то струм у контактній мережі, який споживається, завжди менший струму
ланцюга тягових двигунів. Таким чином
Струм у ланцюзі тягових
двигунів пульсує, ці пульсації обмежуються умовами нагрівання тягових двигунів
і їх комутацією. Впливання пульсацій струму на нагрівання тягових двигунів
можна визначити по ефективному струму Іе обмотки якоря тягового двигуна
де Si - коефіцієнт
пульсацій стуму.
При коефіцієнті
пульсацій струму Si менше 0,3 ефективний струм незначно відрізняється від
середнього значення (всього на 4%), з цього випливає, що вплив пульсуючого
струму на нагрівання двигунів малий. Для обмеження змінних складових Е.Р.С. у
комутуючій секції необхідно обмежувати пульсацією струму у колі тягових
двигунів, у зоні роботи його з середніми та високими частотами обертання якоря,
чому відповідає робота перетворювача.
У процесі імпульсного
регулювання напруги при зміні 0 ≤ γ ≤
1, і частоти f постійна з максимальною пульсацією струму має місце при γ
рівне 0,5.
(2.27)
де Іmax - значення
струму пульсації максимальне, А;- мінімальне значення струму пульсації, А
(2.28)
де Uc - напруга
контактної мережі, В;
Іяср - середнє значення
струму двигуна, А;- індуктивність кола тягових двигунів, Гн;частота, Гц.
Індуктивність реактора,
який згладжує, вибирають так, що при γ рівною
максимальному значенню коефіцієнт пульсацій струму не перевищує допустимих
значень 0,05 - 0,1. Індуктивність кола тягових двигунів
(2.29)
Гн.
.
А.
Параметри вхідного
фільтра Lф та Сф вибирають таким чином, щоб змінна складова тягового струму
електропоїзда метрополітену не перевищувала значень, які допускаються умовами
надійної роботи приладів СЦБ та зв'язку.
При живленні від фільтра
групи тягових двигунів з індивідуальними перетворювачами, які роблять кожний з
частотою f та струмом Іяср та змішаним по моменту на 1/р періоду, максимум
пульсації напруги на конденсаторі фільтра
(2.30)
де ΔUmax
- максимальна пульсація напруги на конденсаторі, В;
Сф - ємність
конденсатора вхідного фільтра, Ф.
(2.31)
B.
Ємність на конденсаторі
буде дорівнювати:
(2.32)
Ф.
Коефіцієнт фільтрації
вхідного фільтра буде рівнятися відношенню коефіцієнта пульсації перетворювача
до коефіцієнта пульсації на вході у контактну мережу Sc
(2.33)
де
-
частота першої гармоніки, Гц;
- резонансна частота,
Гц.
(2.34)
Із отриманого виразу
знайдемо індуктивність Lф:
(2.35)
Гн.
Частота пульсації
напруги і струму фільтра
(2.36)
Гц.
Індуктивність реактора
фільтра вибирають таким чином, щоб власна частота f0 фільтра була у 2-3 рази
менша частоти fф, що дозволяє уникнути явища резонансу.
, (2.38)
Гц.
Гц.
У результаті перевірки
можна сказати, що для умов запобігання явищ резонансу у фільтрі, індуктивність
реактора фільтра вибрана вірно.
. Розрахунок системи
керування імпульсним перетворювачем
.1 Розрахунок обмежувача
напруги
Обмежувач напруги
(рисунок 3.1) являє собою каскад, що інвертує, на операційному підсилювачі із
ключовим елементом у вигляді транзистора в ланцюзі зворотного зв'язка й
призначений для обмеження вихідного сигналу завдання на рівні 5В.
Рисунок 3.1 - Обмежувач
напруги
Для побудови обмежувача
напруги вибираємо операційний підсилювач К544УД1.
Технічні характеристики
операційного підсилювача К544УД1:
. Напруга живлення ±15
. Вхідне (диференціальне)
напруга Uвх.дф, В 10
. Синфазна вхідна
напруга Uсф.вх, В ±10
. Опір навантаження Rн,
Ом 2
. Ємність навантаження
Сн, пФ 500
. Споживаний струм Iсп,
мА 3,5
. Напруга зсуву |Uсм|,
мВ 50
. Середній вхідний струм
Iвх, мА 1
. Коефіцієнт підсилення
напруги kп• 103 10-20
. Кос,дБ
64
. f1, мГц
1
.U вых, В/мкс
2
. Rвх• 109, Ом
10
Вибираємо R1=20 кОм.
Виходячи з міркувань, що
Uзад=U1 маємо,що коефіцієнт підсилення дорівнює:
=R2=20 кОм.
Вибираємо резистори R1,
R2 МЛТ-0,25 - 20 кОм ± 5%.
Щоб зменшити вплив
зміщення вхідної напруги викликаного протіканням вхідних струмів операційного
підсилювача через вхідні ланцюги, вибираємо резистор R3 з наступного
співвідношення:
кОм.
Для ключового елементу
ланцюга зворотного зв'язку вибираємо транзистор типу КТ361А що має наступні
технічні характеристики:
. Потужність на
колекторі, мВт 150
. Струм колектора, Iк,
мА 100
. Напруга колектор-емітер,
В 20
. Загальний тепловий
опір Rt ос/мВт 0,67
. Зворотний струм
колектора при Iзв.к=10 У, мкА 1
.Статичний коефіцієнт
підсилення струму бази (Uк=10 У, Iэ=1мА) 20÷90
.Зворотній струм емітера
при Uб.п <30мА
Струм, що протікає через
колектор транзистора знаходимо з формули:
(3.1)
де Ik - струм колектора,
Аз - напруга завдання, В- вхідний опір, Ом
тоді:
мА.
Струм бази транзистора
знаходимо з виразу:
імпульсний перетворювач
електропривод вагон
(3.2)
де Iб - струм бази
транзистора, Ак - струм колектора транзистора, А
β- статичний
коефіцієнт підсилення струму бази
Статичний коефіцієнт β
=20 (з довідника)
б
А.
Виходячи з того, що
струми, які протікають через базу транзистора VT мають малі значення, приймаємо
величину резистора R4=4,3 кОм, R5=3 кОм.
Вибираємо резистор типу
МЛТ-0,25.
.2 Розробка і розрахунок
задаючого генератора
.2.1 Опис схеми
задаючого генератора
Технічні характеристики
задаючого генератора
Напруга живлення,
В………………………………..± 15±10%
Амплітуда вихідного
сигналу, В.………… ……………………10
Частота вихідного
сигналу, Гц………………………………400± 10
Тривалість зворотного
ходу, мкс………………………………..50
Задаючий генератор (ЗГ)
застосовується для формування пилкоподібного опорного сигналу. Блок схема
задаючого генератора наведена на рисунку 3.2.
Функціонально задаючий
генератор складається з інтегратора І, на вході якого діє постійна напруга,
компаратора К і чекаючого мультивібратора М.
Вихідний сигнал
мультивібратора через коло зворотного зв’язку, яке містить в своєму складі ключ
КЛ, служить для створення початкових нульових умов на виході інтегратора.
Епюри напруг, що діють в
схемі задаючого генератора наведені на рисунку 3.3.
Рисунок 3.2 - Блок схема
задаючого генератора
Інтегратор виконано на
операційному підсилювачі DA1. Компаратор побудований на операційному
підсилювачі DA2. А мультивібратор - на операційному підсилювачі DA3. В схемі
генератора сигнал напруги U1 знімається з резистора R1, вихідний сигнал
інтегратора змінюється за законом
(3.3)
У момент часу вихідна
напруга інтегратора Uі зрівнюється з опорним сигналом Uо, компаратор переключає
знак своєї вихідної напруги на протилежний. Вихідний сигнал компаратора діє на
транзистор VT2 запускає чекаючий мультивібратор. Сформований мультивібратором
імпульс включає транзистор VT1 в колі зворотного зв’язку інтегратора.
Рисунок 3.3 - Епюри
напруг, що діють в схемі задаючого генератора
.2.2 Розрахунок
чекаючого мультивібратора
Для створення чекаючого
режиму мультивібратора вибираємо наступні величини резисторів:=R9 =10 кОм;= 5,1
кОм;= 7,5 кОм.
В якості наведених
резисторів вибираємо резистори типу МЛТ - 0,25.
.2.3 Розрахунок
інтегратора
Згідно формули (3.3) і
технічним вимогам визначаємо величину конденсатора С1:
(3.5)
мкФ.
В якості конденсатора С2
вибираємо конденсатор КМ-0,1мкФ- ± 20% -50 В.
.3 Розрахунок
компаратора
Для розрахунку
компаратора (рисунок 3.5) задамося величинами опорів
і
.
Маємо
кОм
(МЛТ-1,0)
Рисунок 3.5 - Схема
компаратора
Визначимо граничну
напругу спрацьовування
.
(3.6)
де
=0,6
В.
= 2 кОм (МЛТ-0,5)
В.
Тип діода VD1 прийнятий
аналогічно типу VD2.
Напруга перемикання
компаратора
(3.7)
В.
При подальшому
збільшенні напруги, після того, як вона стане більше, ніж напруга
перемикання(U1>U2), компаратор перемкнеться (рисунок 3.6), у цьому випадку
VD1 не буде шунтувать вхід, що не інвертує, компаратора й сигнал буде повністю
надходити на вхід, що інвертує.
Приймаємо тип
операційного підсилювача - ДО140УД1
Технічні характеристики
операційного підсилювача ДО140УД1:
Вхідний струм Iвх, мА
400
Різниця вхідних струмів ΔI,
мА ±200
Вхідний опір Rвх, мОм
0,4
Напруга зсуву нуля Uсм,
В ±9
Частота одиничного
посилення f1, МГц 0,8
Коефіцієнт підсилення по
напрузі 3.104
Вихідний опір Rвих, Ом
200
Максимальний вихідний
струм, мА 20
Максимальна вихідна
напруга В 10,5
. Максимальна
диференціальна вхідна напруга, В ±12
. Напруга живлення Uжив,
В ±15
Рисунок 3.6 - Формування
сигналу компаратора
3.4 Розрахунок формувача
імпульсів
Формування імпульсів
будемо будувати на базі ланцюжка, що укорочує, що служить для формування з
імпульсів великої тривалості імпульсу малої тривалості.
Формувач імпульсів
збираємо на цифровій інтегральній схемі ДО561ЛА7, що складається із трьох
елементів І-НЕ. Формувач імпульсів представляємо на рисунку 3.7.
Використовуваний у
структурній схемі системи керування інвертор будуємо також на елементі І-НІ.
Технічна характеристика
ДО561ЛА7
Рисунок 3.7 - Схема
формувача імпульсів
Для визначення значень
R1 і C1 скористаємося залежністю тривалості імпульсів формувача імпульсів і
значень:
; (3.8)
Задаємося значенням
R1=4.7 тому МЛТ - 0,5.
З вираження знаходимо
значення С1:
(3.9)
Приймаємо С1=13.6 мкФ
типу КЛС.
Необхідно керувати двома
тиристорами по різних каналах, тому ми будемо використовувати два аналогічних
формувачі імпульсів. Їхня відмінність відрізняється в тім, що в один з каналів
нам необхідно встановити інвертор, для того щоб по передньому фронті сигналу
подаючого з компаратора DA керувати одним транзистором, а по задньому фронті
керувати іншим транзистором.
Ще одна відмінність
полягає в тому, що ми маємо різний час імпульсів, tі1=25 мкс, tі2=30 мкс, у
зв'язку із цим нам необхідно брати різний час ланцюжка.
Приймаємо значення
R'1=4,7 кОм, типу МЛТ - 0,5
(3.10)
Ф
Приймаємо
=10
мкФ типу КСЛ
4. Визначення
економічного ефекту від модернізації вагонів метрополітену серії 81 - 717
системою імпульсного управління тяговими двигунами
.1 Загальна
характеристика заходу
Застосування реостатного
пуску та гальмування в вагонах метрополітену серії 81 - 717, як було відзначено
в розділі 1, приводить до значних витрат електричної енергії. Також було
відмічено, що електричне реостатне гальмо на вагонах даної серії дозволяє
загальмувати вагон до швидкості 15 км/г, а далі використовується пневматичне
гальмо, тому що реостатне гальмо при таких швидкостях малоефективне.
Окремою увагою слід
відзначити пневматичну систему гальмування де гальмування виникає за рахунок
тертя між гальмівною колодкою та бандажем колісної пари. Внаслідок чого
гальмівна колодка зношується і збільшується концентрація пилу в повітрі, що
особливо небезпечно в умовах метрополітену.
Як найповніші
тягово-експлуатаційні переваги імпульсного управління виявляються при
комплексному його застосуванні як в тяговому режимі так і в гальмівному. При
постійній напрузі 750 В до тягових двигунів вагонів підводиться напруга 375 В.
Основні переваги такої системи імпульсного управління в порівнянні з
контакторно-реостатною наступні:
безреостатний плавний
пуск вагону метрополітену, при якому усуваються втрати енергії в пускових
реостатах і забезпечується можливість збільшення середнього пускового
прискорення;
плавне реостатне
гальмування в широкому діапазоні швидкостей майже до зупинки потягу (до швидкості
5 км/г) без могутніх збудників або обмоток незалежного збудження тягових
двигунів;
плавне, без втрат
регулювання швидкості вагонів у всьому діапазоні її зміни;
усунення дії на тягові
двигуни коливань напруги і перенапружень в контактній рейки;
можливість підвищення
середньої напруги, що підводиться до тягових двигунів.
Імпульсна система
управління має особливо велике значення для вагонів метрополітену, де необхідно
розвивати великі прискорення, швидкості на коротких дільницях, унаслідок чого
втрати на пуск і гальмування складають більше половини загальної витрати
електричної енергії.
Ступінь економічної
ефективності імпульсного управління визначається співвідношенням між
збільшенням його вартості і зменшенням витрат енергії, завдяки усуненню втрат в
пускових реостатах в режимах тяги і гальмування Це пояснюється різким
скороченням пускових втрат, більш ефективною рекуперацією, більш швидким
розгоном потягу до високих швидкостей завдяки кращим тяговим характеристикам.
В результаті
модернізації вагонів метрополітену серії 81-717 економічний ефект очікується
від:
скорочення витрат на
електроенергію;
скорочення витрат на
поточні витрати при ремонті;
підвищення надійності
модернізованих електропоїздів, в наслідок чого збільшаться міжремонтні періоди
і як наслідок зменшаться витрати на ремонт;
підвищення якості
обслуговування пасажирських перевезень.
.2 Методика розрахунку
економічного ефекту
Сумарний по рокам
розрахункового періоду економічний ефект (Эт) визначається як перевищення
сумарної вартісної оцінки результатів заходу НТП за розрахунковий період (Рт)
над вартісною оцінкою сукупних витрат на здійснення заходу НТП за розрахунковий
період (Зт)
Эт = Рт - Зт. (4.1)
При розрахунку
економічного ефекту проводиться обов’язкове приведення різночасових витрат і
результатів до єдиного для всіх варіантів реалізації заходу НТП моменту часу -
розрахунковому року tр. Приведення різночасових витрат і результатів всіх років
періоду реалізації до розрахункового року здійснюється шляхом множення їхньої
величини за кожний рік на коефіцієнт приведення at, що визначається за
формулою
, (4.2)
де Ен - норматив
приведення різночасових витрат і результатів, Ен=0,1;- розрахунковий рік;- рік,
витрати і результати якого приводяться до розрахункового року.
Вартісна оцінка
результатів за розрахунковий період визначається за формулою
, (4.3)
де Рt - вартісна
оцінка результатів до року t розрахункового періоду;н - початковий рік
розрахункового періоду;- кінцевий рік розрахункового періоду.
При визначенні затрат
необхідно керуватися такими принципами:
до сумарних витрат на
проведення заходу НТП включаються витрати як на розробку і виробництво, так і
на використання нової техніки в усіх сферах народного господарства, тобто
витрати всіх учасників реалізації заходу;
до складу витрат входять
всі види поточних і одноразових витрат;
при визначенні сукупних
витрат на захід, що охоплює розробку, виробництво і використання нової техніки,
не допускається повторне урахування витрат;
в розрахунках витрат
необхідно враховувати їхню динаміку по всім рокам розрахункового періоду.
Витрати на реалізацію
заходів НТП за розрахунковий період включають витрати при виробництві та
використанні продукції
,
(4.4)
де
-
витрати при виробництві нової техніки на основі заходу НТП за розрахунковий
період;
- витрати при
використанні нової техніки (без урахування витрат на придбання самої продукції)
за розрахунковий період.
Витрати при виробництві
та використанні нової техніки розраховуються однаково
(4.5)
де
-
витрати всіх ресурсів у рік t (включаючи витрати на отримання супутніх
результатів);поточні витрати при виробництві (використанні) нової техніки у рік
t без урахування амортизаційних відрахувань на реновацію;одноразові витрати при
виробництві (використанні) нової техніки у рік t;
лt-залишкова вартість
(ліквідаційне сальдо) основних фондів, вибуваючих у рік t.
До складу одноразових
витрат на здійснення заходу НТП включають як капітальні вкладення, так і інші
витрати одноразової дії, необхідні для створення і використання продукції по
заходу НТП незалежно від джерел фінансування. До них відносяться витрати на:
науково-дослідні,
експериментальні, конструкторські, технологічні і проектні роботи;
засвоєння виробництва і
доопрацювання дослідних зразків продукції, виготовлення моделі і макетів
знарядь праці;
придбання, доставку,
монтаж, налагоджування і освоєння обладнання;
будівництво або
реконструкцію будинків і споруд, виробничі площі та інші елементи основних
фондів, зв’язані з здійсненням заходу.
Склад поточних витрат,
що враховуються при визначенні економічного ефекту заходу НТП, визначається:
по експлуатаційній
діяльності - номенклатурою витрат по основній діяльності залізниць;
по промисловим підприємствам
- прийнятим порядком калькулювання собівартості.
При цьому до поточних
витрат не включають амортизаційні відрахування на реновацію основних виробничих
фондів.
.3 Розрахунок показників
використання
За базовий вагон
метрополітену обрано вагон серії 81-717 який приводиться в рух 4-ма ТЕД типу
ДК117 з послідовним збудженням. Склад формується з одних моторних вагонів які
керуються за системою багатьох одиниць.
Розрахунок програми
технічного обслуговування та ремонту вагонів метрополітену будемо виконувати
для електродепо «Харківське», яке обслуговує лінію станція Сирець - Червоний
хутір довжиною 23,86 км.
Програма технічного
обслуговування та ремонту вагонів розраховується виходячи із загального пробігу
на лінії обертання вагонів та встановлених норм пробігу між технічним
обслуговуванням та ремонтами за формулами:
Пробіг поїзду за рік
визначається за формулою:
(4.7)
де Sл - середньодобовий
пробіг поїзду метрополітену, за даними депо Харківське складає 395,2 км;
Ме - експлуатаційний
парк поїздів метрополітену, за даними депо Харківське складає 18 поїздів.
За формулою (4.7)
визначаємо лінійний пробіг поїздів метрополітену:
365*395,2*18 = 2596464
поїздо-км
При визначенні економічної
ефективності модернізації вагонів метрополітену знаходимо лише ту частину
витрат, яка змінюється в порівняльних варіантах. В даному випадку при заміні
контакторно-реостатної системи управління ТЕД на систему імпульсного управління
витрати на ремонт зменшаться на 10% за рахунок застосування більш надійних в
експлуатації
безконтактних приладів
IGBT модулів.
Витрати на ремонт
електропоїздів залежать від величини річного пробігу та удільних витрат на
ремонт поїзду, які приходяться на 1 км пробігу, і визначаються за формулою:
(4.8)
де
-
удільні витрати на ремонт поїзда на 1 км пробігу в коп., рівне 125 коп. (за
даними депо Харківське) для базового варіанту та 110 коп. для нового варіанту.
грн.
грн.
Витрати електроенергії
на тягу поїздів визначаються за формулою:
(4.10)
де
-
питомі витрати енергії, для нового і базового варіанту визначаються з
залежності наведеної в пункті 4.1,
;
,32 - вартість 1 кВт*г.
Питомі витрати енергії,
для базового і нового варіанту при дільничній швидкості 42,6 км/г відповідно
рисунка 4.1, дорівнюють для базового - 15, а для нового - 6
.
грн.
грн.
Результати розрахунку
експлуатаційних витрат заносимо в таблицю 4.1.
Таблиця 4.1 - Результати
розрахунку експлуатаційних витрат
|
Витрати, тис. грн в рік
|
Електропоїзди
|
|
Базовий
|
Новий
|
|
Витрати на ремонт Витрати на електроенергії
|
3245580 4415040
|
2856110 1766016
|
|
Всього
|
7660620
|
4621126
|
В даній таблиці були наведені
розрахунки витрат на ремонт і електроенергію електропоїзда до і після
модернізації.
.4 Розрахунок капітальних витрат
В відповідності до того, що новий
вагон метрополітену серії 81-717 створюється на базі старого, тому його ціна
зміниться в результаті добавлення вартості нового обладнання. Величина, на яку
підвищиться вартість, буде дорівнювати різниці вартостей встановленого та
знімаємого обладнання та вартість монтажних та демонтажних робіт. Вартість
встановленого обладнання на вагон метрополітену серії 81-717 приведена в
таблиці 4.2, а вартість обладнання яке знімаємо в таблиці 4.3.
Вартість силового обладнання, яке
встановлюємо на один вагон складає 249000 грн.
Таблиця 4.2 -Вартість силового
обладнання, яке встановлюємо на електропотяг
|
Обладнання
|
Тип
|
Кількість
|
Ціна одиниці, в грн
|
Сума в грн
|
|
Керовані IGBT модулі
|
СМ1200НА
|
40
|
750
|
30000
|
|
Діоди
|
ВЛ2-2
|
40
|
100
|
4000
|
|
Дроселі
|
|
20
|
400
|
8000
|
|
Конденсатори
|
|
20
|
350
|
7000
|
|
Цифрова система управління
|
СУ-01
|
10
|
20000
|
200000
|
|
Всього
|
249000
|
Таблиця 4.3 - Вартість обладнання,
яке знімаємо
|
Обладнання
|
Тип
|
Кількість
|
Вартість одиниці, грн
|
Сума, грн
|
ЄКГ-39 ПКГ-761Б ЛК-761 ИШ-15А КФ-47А
|
1 1 5 5 1
|
4000 4000 1000 3500 2500
|
4000 4000 5000 17500 2500
|
|
Всього
|
|
|
|
19200
|
Загальна вартість капітальних витрат
на один вагон визначається за формулою:
К1 ел.п = Цобл + Змонт + Здемон -
ЦСУ (4.11)
де Цобл - вартість обладнання, яке
встановлюємо, грн;
Змонт - витрати на монтажні роботи,
грн;
Здемон - витрати на демонтажні
роботи, грн.
ЦСУ - вартість обладнання яке
знімаємо (таблиця 4.3), грн.
Вартість монтажних і демонтажних
робіт визначається за формулою:
Змонт(демон) = ЗПосн + ЗПдод + ОТЧ
(4.12)
де ЗПосн - основні витрати, які
визначаються як добуток вартості погодинної оплати праці слюсаря IV розряду на
час монтажних та демонтажних робіт:
ЗПосн = Сч*tмонт(демон) (4.13)
ЗПосн = 5*120 = 600 грн.
де ЗПдод - додаткові витрати
приймаємо 10% від основних;
ЗСВ - загальний соціальний внесок
становить 18%.
ЗПдод = 600*0,1 = 60 грн
ЗСВ = 0,18(600 + 60) = 118,8 грн.
Змонт = 600 + 60 + 118,8 =778,8 грн.
Здемонт =600 + 60 + 118,8 = 778,8
грн.
За формулою (4.11) визначаємо
загальну вартість капітальних витрат на один електропоїзд:
К1 ел.п = 249000 + 778,8 + 778,8 -
19200·0,6 = 239037,6 грн.
Загальна вартість капітальних витрат
по всьому експлуатаційному парку складає:
Кпарк = К1 ел.п * Ме (4.14)
Кл = 239037,6 ´ 18=4302676,8 грн.
.5 Розрахунок економічного ефекту
Економічний ефект, що
характеризується стабільністю техніко-економічних показників (обсягу
виробництва, показників якості, витрат і результатів) розраховують за формулою:
(4.15)
де
-
експлуатаційні витрати до модернізації;
- експлуатаційні
витрати після модернізації;
- капітальні витрати.
При розрахунку
економічного ефекту проводиться обов’язкове приведення різночасових витрат і
результатів до єдиного для всіх варіантів реалізації заходу НТП моменту часу -
розрахунковому року tр. Приведення різночасових витрат і результатів всіх років
періоду реалізації до розрахункового року здійснюється шляхом множення їхньої
величини за кожний рік на коефіцієнт приведення at, що визначається за
формулою
, (4.16)
де Ен - норматив
приведення різночасових витрат і результатів, Ен=0,15;- розрахунковий рік;-
рік, витрати і результати якого приводяться до розрахункового року.
Результати розрахунку
економічного ефекту зводимо в таблицю 4.3.
Таблиця 4.3 - Результати розрахунку
економічного ефекту за 6 років
|
Рік
|
Експлу- атаційні витрати, ΣЕ
Базова
|
Експлу-атаційні витрати, ΣЕ
Нова
|
Капіта- льні вкла-дення, ΣК
|
ΣЕ Базова - ΣЕ Нова
|
Еконо-мічний ефект
|
Коефіцієнт приведення результатів і витрат до розрахунко- вого
року
|
Економічний ефект з урахуванням приведення
|
Економічний ефект наростаючим підсумком
|
|
2013
|
7660620
|
4621126
|
4302676,8
|
3039494
|
-1263182,8
|
1
|
-1263182,8
|
-1263183
|
|
2014
|
7660620
|
4621126
|
0
|
3039494
|
3039494
|
0,9091
|
2763203,995
|
1500020
|
|
2015
|
7660620
|
4621126
|
0
|
3039494
|
3039494
|
0,8264
|
2511837,841
|
4011857
|
|
2016
|
7660620
|
4621126
|
0
|
3039494
|
3039494
|
0,7513
|
2283571,842
|
6298428
|
|
2017
|
7660620
|
4621126
|
0
|
3039494
|
3039494
|
0,683
|
2075974,402
|
8374402
|
|
2018
|
7660620
|
4621126
|
0
|
3039494
|
3039494
|
0,6209
|
1887221,824
|
10261623
|
|
Всього
|
|
|
|
|
|
|
29183143
|
Таким чином економічний ефект від
модернізації поїзду метрополітену системою імпульсного управління тяговими
двигунами за 6 років експлуатації наростаючим підсумком склав 29183143 грн.
Період повернення капітальних
вкладень складає 1 рік.
5. Охорона праці
Охорона праці - це система правових,
соціально-економічних, організаційно-технічних, санітарно-гігієнічних та
лікувально-профілактичних заходів та засобів спрямованих на забезпечення життя,
здоров’я та трудодіяльності людини в процесі трудової діяльності.
У Конституції України від 28.06.96
р. (ст.43) визначено, що кожен громадянин має право на працю, що включає
можливість заробляти собі на життя роботою, що він вільно вибирає і на яку він
вільно погоджується; кожний має право на належні і безпечні умови праці;
використання праці жінок і неповнолітніх на шкідливих для їхнього здоров'я
роботах забороняється.
У відповідності зі ст. 4 Закону
України «Про охорону праці» від 18.12.02р. [13] державна політика в області
охорони праці базується на наступних принципах:
пріоритету життя і здоров'я
працівників, повної відповідальності роботодавця за створення належних,
безпечних і здорових умов праці;
підвищення рівня промислової безпеки
шляхом забезпечення суцільного технічного контролю за станом виробництв,
технологій та продукції, а також сприяння підприємствам у створенні безпечних
та нешкідливих умов праці;
комплексного розв'язання завдань
охорони праці на основі загальнодержавної, галузевих, регіональних програм з
цього питання та з урахуванням інших напрямів економічної і соціальної
політики, досягнень в галузі науки і техніки та охорони довкілля;
соціального захисту працівників,
повного відшкодування шкоди особам, які потерпіли від нещасних випадків на
виробництві та професійних захворювань;
встановлення єдиних вимог з охорони
праці для всіх підприємств та суб'єктів підприємницької діяльності незалежно
від форм власності та видів діяльності;
адаптації трудових процесів до можливостей
працівника з урахуванням його здоров'я та психологічного стану;
використання економічних методів
управління охороною праці, участі держави у фінансуванні заходів щодо з охорони
праці, залучення добровільних внесків та інших надходжень на ці цілі, отримання
яких не суперечить законодавству;
інформування населення, проведення
навчання, професійної підготовки і підвищення кваліфікації працівників з питань
охорони праці;
забезпечення координації діяльності
органів державної влади, установ, організацій, об'єднань громадян, що
розв'язують проблеми охорони здоров'я, гігієни та безпеки праці, а також
співробітництва і проведення консультацій між роботодавцями та працівниками (їх
представниками), між усіма соціальними групами під час прийняття рішень з охорони
праці на місцевому та державному рівнях;
використання світового досвіду
організації роботи щодо поліпшення умов і підвищення безпеки праці на основі
міжнародного співробітництва.
Для обстеження стану праці на
підприємстві необхідно керуватися специфікою його виробництва.
Задачею розділу є розробка заходів
щодо усунення причин травматизму, профзахворювань на виробництві і створення
здорових умов праці на основі вимог керівних документів.
.1 Коротка характеристика
проектуємого об’єкту
Вагони метрополітену серії 81 - 717
і 81 - 714 приводяться в рух 4 - ма тяговими двигунами типу ДК117А послідовного
збудження. Потяг формується з одних моторних вагонів, керованих за системою
багатьох одиниць за допомогою 72 дротів управління.
Вагони виготовляються в двох виконаннях:
модель 81 - 717 головний з кабіною управління і модель 81 - 714 проміжний з
постом управління від переносного пульта для маневрових робіт. Вагони обладнані
пристроями резервного управління, АРС і можуть доповняться системою
автоведення.
Технічні дані електропоїзда:
Конструкційна
швидкість………………………………………..90 км/год
Прискорення завантаженого поїзда
основної складеності і нормальної населенності в пусковий період на прямому
горизонтальному шляху до виходу на автоматичну характеристику повного поля …………1,2
м/с2
Середнє уповільнення вагону на
горизонтальній ділянці шляху при середньому навантаженні 9 т з швидкості 80
км/година до повної зупинки потягу (м/с2)……………………………………………………1,0-1,2 м/с2
Потужність 4 тягових двигунів
(сумарна 4 х 110 кВт)……………………..….440 кВт
Годинний струм двигуна……………………………330
А
Номінальна напруга на
колекторі…………………………375 В
Все основне електричне і пневматичне
устаткування розміщене під кузовом вагона: головний трансформатор, выпрямляюча
установка, що згладжуючий реактор, камера з пуско-гальмівною апаратурою, тягові
двигуни; для охолодження випрямної установки, реактора і масла трансформатора
передбачен вентиляційний агрегат, що складається з камери фільтрів, вентилятора
і фазоразщеплювача, використовуваного в якості привода вентилятора.
5.2 Небезпечні і шкідливі виробничі
фактори
Відповідно до держстандарту
12.0.002-80 «ССБТ. Терміни і визначення» до небезпечного відносять виробничі
фактори, вплив яких на працюючого у визначених умовах приведе до травми або
іншому раптовому погіршенню здоров'я. Шкідливими вважають виробничі, фактори,
вплив яких на працюючого у визначених умовах, приведе до захворювання або
зниження працездатності. Системи стандартів безпеки, праці класифікує,
небезпечні і шкідливі виробничі фактори по природі їхньої дії на наступні
групи: фізичні, хімічні, біологічні і психофізичні. Кожна з цих груп у свою
чергу підрозділяється на підгрупи.
Так перша група містить наступні
фізично небезпечні і шкідливі виробничі фактори: машини, що рухаються, і
механізми; рухливі частини виробничого устаткування; вироби, що пересуваються,
заготівлі, матеріали; конструкції, що руйнуються; гірські породи, що
обрушуються; підвищена запиленість і загазованість повітря робочої зони;
підвищена або знижена температура поверхонь устаткування, материалрв, повітря
робочої зони, підвищений рівень шуму і вібрації на робочому місці; підвищений
рівень инфразвуковых коливанні й ультразвуку; підвищений або знижений
барометричний тиск у робочій зоні і його різка зміна; підвищена або знижена
вологість, рухливість і іонізація повітря; підвищений рівень іонізуючих
випромінювань у робочій зоні; підвищене значення напруги в електричному
ланцюзі, замикання якого може відбутися через тіло людини; підвищений рівень
статичної електрики, електромагнітних випромінювань; підвищена напруженість
електромагнітних і магнітних полів; відсутність або недолік природного світла;
недостатня освітленість робочої зони; підвищена яскравість світла; знижена
контрастність;
пряма і відбита блесткість;
підвищена пульсація світлового потоку; підвищений рівень ультрафіолетової
радіації; підвищений рівень інфрачервоної радіації; гострі крайки, заусінеці і
шорсткість на поверхнях заготівель, інструментів і устаткування; розташування
робочого місця на значній висоті щодо поверхні землі (упала); невагомість.
Група хімічних небезпечних і
шкідливих виробничих факторів підрозділяється на дві підгрупи, що поєднують
фактори по характері впливу на організм людини, - токсичні, - дратівні,
сенсибілізирующі, канцерогенні, мутагенні, що впливають на репродуктивну
функцію, і по шляху проникнення в організм людини - через органи подиху,
шлунково-кишковий тракт, шкірні покриви і слизуваті оболонки.
Біологічні небезпечні і шкідливі
виробничі фактори включають біологічні об'єкти: патогенні мікроорганізми
(бактерії, віруси, риккетсиіі, спірохети, гриби, найпростіші) і продукти їхньої
життєдіяльності.
Психофізіологічні небезпечні і
шкідливі виробничі фактори по характері дії підрозділяються на фізичні і
нервово-психічні перевантаження. Фізичні перевантаження можуть бути статичні і
динамічні. Нервово-психічні перевантаження: розумова перенапруга, перенапруга
аналізаторів, монотонність праці й емоційні перевантаження.
Той самий небезпечний і шкідливий
виробничий фактор по природі своєї дії може одночасно відноситися до різних
груп. Тут розглянуті лише найбільш характерні для залізничного транспорту
небезпечні і шкідливі виробничі фактори.
.3 Аналіз потенційних небезпек на
електропоїзді
До небезпечних і шкідливих
виробничих факторів, які діють на локомотивну бригаду відносяться: небезпечний
рівень напруг і струму в електричних колах, рухомій частині обладнання,
підвищений рівень шуму і вібрації на робочих місцях, підвищена температура і
рухомість повітря робочої зони, недостатня освітленість і контрастність на
панелі керування, нервово - психічні перевантаження, гіподинамія (нерухомість)
та інші.
При обслуговувані метропоїзда
машиніст може опинитись під дією такого небезпечного виробничого фактору, як
електричний струм. Дія електричного струму завжди небезпечна для людини, а на
сучасному локомотиві, який представляє собою суцільну електротехнічну
установку, ця небезпека зростає. По перше. машиністу змушений працювати з
електрообладнанням і машинами в обмежених габаритах рухомого складу. По друге.
використання для електровозів ходових рейок в якості електричної тягової мережі
призводить до того, що обслуговуючий персонал знаходиться в постійному контакті
з одним полюсом (фазою) тягової мережі. В зв'язку з цим засобам захисту
обслуговуючого персоналу на локомотивах приділяють особливу увагу.
.4 Заходи по створенню безпечних
умов праці
Заходи по створенню безпечних умов
праці можна розділити на технічні і організаційні.
Організаційні заходи включають в
себе: утримання пристроїв в справному стані підбір обслуговуючого персоналу
необхідної кваліфікації, навчання та періодичний інструктаж його; розробка
правил і інструкцій по електробезпеці і систематичний контроль за дотриманням
цих правил.
До технічних відносяться: пристрої
електроприладів, які забезпечують безпеку користування ними; захист від
небезпеки переходу напруги на не струмоведучі частини електроприладів (захисне
заземлення, занульовування, відключення); захист від небезпеки переходу напруги
із мережі високої напруги в мережі низької напруги.
У відповідності з ГОСТ 12.2.056-81 “
ССБТ. Електровози і тепловози колії 1520 мм. Вимоги безпеки” все силове
електрообладнання локомотива, крім обертових машин і з'єднувальних кабелів
силового кола, розташовують в апаратній камері, шафі, а також на даху
електровоза.
Апаратні камери, шафи, ящики, панелі
пульта керування і легкоз'ємні огородження електричних машин із напругою вище
42 В змінного струму вище 110 В постійного струму.
В цілях запобігання можливого
доторкання або небезпечного приближення до струмоведучих частин в залежності
від рівня напруги встановлені слідуючи мінімальні відстані від цих частин до
сітчаних огорож (таблиця 5.1).
Таблиця 5.1 - Мінімальна відстань в
залежності від напруги
|
Номінальна напруга на струмоведучих частинах, кВ
|
0,5
|
3
|
6
|
25
|
|
Мінімальна відстань, мм
|
100
|
165
|
190
|
300
|
При відкриванні дверей апаратних
камер електровозів за допомогою блокувальних пристроїв забезпечується
заземлення високовольтного кола струмоприймача від силового вводу. Враховуючі
випадки враження електричним струмом машиністів в місцях установки приладів
обліку електричної енергії, ці прибори встановлюють у місцях, які виключають
доступ до струмоведучих частин при наявності напруги на струмоприймачі. При
встановлені їх безпосередньо у сітчастих огорож встановлюють суцільні укриття
струмоведучих частин, які виключають можливість доступу до них із боку проходу
в машинному відділенні. Металічні кожухи електрообладнання, розташованого поза
апаратних камер, шаф, які мають блокування, а також всі огорожі, конструкції
для прикріплення струмоведучих частин і іншого обладнання, яке може у випадку
несправності виявитись під напругою вище 42 В змінного струму і вище 110 В
постійного струму, заземляють на корпус поїзда. Провідники для заземлення
каркасів кожухів обладнання з'єднують з ними за допомогою зварювання або
різьбових з'єднань. Різьбові з'єднання для заземлення запобігають від само
відкручування установкою пружних шайб контргайок.
Для забезпечення електробезпеки
передбачено відповідне кольорове оформлення і встановлення щитків із знаками
безпеки: всі засувні ящики покрашені в жовтий колір, на них нанесені
знаки-символи високої напруги у вигляді трикутника і стрілки блискавки. На всіх
засувних щитках із текстом - “Не відкривай при подачі високої напруги” -, на
даху люка виходу на дах - табличка - “Не підніматись на дах без заземлення
контактного проводу” -, на кришці ящика акумуляторної батареї - щиток, який
забороняє працю із відкритим вогнем. На кришках колекторних люків тягових
двигунів нанесені попереджувальні знаки у відповідності з ГОСТ 12.4.-026-76
„ССБТ. Цвета сигнальные и знаки безопасности”.
Для захисту машиністів від враження
електричним струмом існують слідуючи засоби індивідуального захисту: пара
діелектричних рукавичок, діелектричний килимок розмірами не менше 0,5х0,6 м, не
менше однієї відключаючої ізолюючої штанги. Вказані діелектричні засоби захисту
досліджують при прийомі в експлуатацію, а також в терміни і по нормам.
На захисних засобах, які пройшли
дослідження крім інструменту з ізольованими ручками, ставлять штамп із вказаними
напругами і дати до якої можна використовувати цей засіб.
В конструкції кабіни машиніста
повинні бути передбачені міри, які забезпечують захист машиніста від шуму та
вібрації, наприклад звукоізоляція, звукопоглинання, віброізоляція,
вібродемпфірування. Двері, вікна, місця вводу в кабіну трубопроводів, кабелів,
рухомих частин повинні бути ретельно ущільнені з метою зменшення можливості
проникнення зовнішнього шуму та забезпечення допустимого рівня шуму в кабіні
машиніста. В системі опалення та вентиляції кабіни машиніста при необхідності
повинні бути передбачені засоби зниження шуму.
Кабіна машиніста повинна бути
обладнана пристроями для опалення та вентиляції. Пристрої повинні мати ручне
або автоматичне регулювання температури повітря в кабіні машиніста. На вимогу
замовника кабіну машиніста обладнують пристроєм кондиціонування повітря.
Допускається суміщення пристрою кондиціонування повітря з опалювальною системою
кабіни машиніста. Кабіна машиніста повинна мати теплоізоляцію з коефіцієнтом
теплопередачі через огородження і в середньому по кабіні не більше 2,33
Вт/(м2•К) (2,00 ккал/год.•м2•0С). Гранично допустимі концентрації (ГДК)
шкідливих речовин в повітрі кабіни машиніста з закритими вікнами та дверима під
час руху повинні відповідати вимогам ГОСТ 12.1.005-88 „ССБТ. Общие
санитарно-гигиенические требования к воздуху рабочей зоны.”. Відкриті частини
опалювальних приладів, які мають температуру вище 55 0С, повинні мати
огородження. Значення параметрів мікроклімату в кабіні машиніста в залежності від
температури навколишнього повітря, повинні при закритих вікнах та дверях
відповідати приведеним в таблиці 5.2.
Таблиця 5.2 - Значення параметрів
мікроклімату в кабіні машиніста в залежності від температури навколишнього
повітря
|
Температура навколишнього повітря, 0С
|
Температура повітря в кабіні, 0С
|
Відносна вологість, %
|
Швидкість руху повітря, м/с
|
|
Нижче +10 0С
|
(22±2) 0С
|
-
|
до 0,2 включно
|
|
Для кліматичних районів І2, І І1-І І10 по ГОСТ 16350-80: від +10
до +33 0С вище +33 0С
|
(24±2) 0С на 5-6 0С нижче температури навколишнього повітря
|
30-70
|
до 0,4 включно
|
Для освітлення шкал та стрічки
швидкостеміра, графіка руху, столика (при його наявності) на робочому місці
повинні бути встановлені світильники місцевого освітлення, які забезпечують
освітлення у вказаних місцях 10-15 лк з його плавним регулюванням до 1 лк.
Пристрої місцевого освітлення (підсвітка) контрольно-вимірювальних приладів на
пульті управління повинен забезпечувати можливість плавного регулювання
яскравості шкал з білим полем від 0,5 до 5 кд/м2, при шкалах з чорним полем
вказану яскравість повинна мати біла оцифровка шкали. Відношення найбільшого і
найменшого значення яскравості шкал приладів на пульті управління (коефіцієнт
нерівномірності) не повинно перевищувати 3:1. Відношення найбільшого значення
освітлення до найменшого в межах робочої зони пульта управління, за винятком
шкали приладів, не повинно перевищувати 5:1.
При відомих значеннях коефіцієнтів
відбиття шкал приладів допускається визначати коефіцієнт нерівномірності по
співвідношенню освітленості з врахуванням коефіцієнта відбиття. Світильники в
кабіні машиніста повинні розташовуватись так, щоб прямий та відбитий від
дзеркальних поверхонь світловий потік ламп не попадав в очі машиніста та при
управлінні локомотивом в положенні стоячи та сидячі. ГОСТ 12.1.030 - 81 „ССБГ
Електробезпека. Захистне заземлення. Занулення.”
.5 Правила пожежної безпеки
Пожежі заподіюють значний
матеріальний збиток, у ряді випадків викликають важкі травми. Заходу щодо
пожежної профілактики є складовою частиною заходів щодо охорони праці, тому що
їхня мета - попередження нещасних випадків з людьми.
Згідно ОНТП 24-86, електромеханічний
цех та дільниця з випробувань тягових двигунів відносяться до категорії - В.
Згідно з ДБН В.1.1-7-2002 будинок
електромеханічного цеху має ступінь вогнетривкості - ІІ.
Заходи щодо пожежної профілактики
зводяться до:
підтримці в справному стані електро-
і газопроводів, систем вентиляції й опалення;
своєчасному збиранню самозаймистих
матеріалів.
Пожежна безпека об'єкта
забезпечується системами запобігання пожежі і протипожежного захисту, а також
організаційно-технічними заходами.
Системи пожежної безпеки
характеризуються рівнем забезпечення пожежної безпеки людей і матеріальних
цінностей, а також економічними критеріями ефективності цих систем для
матеріальних цінностей, з урахуванням усіх стадій життєвого циклу об'єктів і
виконання вимог забезпечення пожежної безпеки людей і матеріальних цінностей
одночасно.
Причин виникнення загоряння багато.
Насамперед - короткі замикання в електропроводці, особливо в могутніх ланцюгах,
що супроводжуються виділенням великої кількості теплоти, розбризкуванням
металу. Джерелом загоряння може бути також поганий електричний контакт у місцях
з'єднання провідників.
Визначену небезпеку являють собою
промаслений спецодяг і дрантя, складені в купи. В електроустановках
використовуються пальні ізоляційні матеріали, що при короткому чи замиканні
перевантаженнях можуть запалитися.
Для запобігання утворення пального
середовища необхідно замінити в технологічному процесі пальні речовини і
матеріали негорючими, застосовувати робочу й аварійну вентиляцію.
Для запобігання загорянь необхідно
стежити за технічним станом машин, електричних апаратів, установок і іншого
устаткування, що може з'явитися джерелом запалювання, регламентувати
максимально припустиму температуру нагрівання поверхонь устаткування і
матеріалів, ліквідувати умови самозаймання.
Для гасіння загорянь і пожеж у
початковій стадії застосовуються пінні й вуглецеві вогнегасники. Місця
розміщення пожежної техніки позначаються знаками за ГОСТ 12.4.026-76. Підходи
до вогнегасників повинні бути зручні і вільні. Пожежну техніку фарбують у
червоний колір.
Для гасіння пожеж застосовують воду
і піну. Найбільш надійним способом водопостачання для нестатків пожежогасіння є
водопровід з безперебійною подачею води для виробничих потреб. Застосовуються
також спеціальні протипожежні водопроводи, водойми і ємності.
Для швидкого повідомлення служби
пожежної охорони про виникнення пожежі встановлюється електрична пожежна
сигналізація.
Робітники та службовці навчаються
правилам пожежної безпеки і правилам поведінки при пожежі. Застосовується
наочна агітація. У зручних місцях установлюються плани евакуації у випадку
пожежі.
У випадку, якщо загоряння
відбудеться під час відсутності обслуговуючого персоналу, повинна спрацювати
система пожежогасіння, розрахунок якої приведений нижче.
.6 Розрахунок захисного заземлювача
Модернізацію вагонів метрополітену
передбачається проводити при поточному ремонті в цехах по ремонту вагонів. За
правилами техніки безпеки при проведенні робіт на вагонах метрополітена
необхідно застосовувати захисні заземлювачі.
Захисним заземлювачем називають
навмисне електричне з’єднання з землею чи еквівалентних металевих
неструмоведучих частин, що можуть виявитися під напругою. Воно призначене для
усунення небезпеки ураження електричним струмом у випадках дотику людини до
корпуса і інших неструмоведучих частин електроустановок, які опинилися під
напругою.
Потрібно розрахувати заземляючий
контур цехового обладнання.
Вихідні данні: напруга в мережі -
380 В, система з ізольованою нейтраллю трансформатора.
В відповідності з ГОСТ 12.1.030 - 81
„ССБГ Електробезпека. Захистне заземлення. Занулення”опір системи заземлення rз
£ 10 Ом.
Приймаємо в якості заземлювачів
труби стальні довжиною l = 2 м, діаметром d = 4 см, розташування по контуру на
відстані друг від друга а = 90 см. Грунт - чернозем, кліматична зона - ІІІ.
Опір розтікання струма від
одиночного заземлювача (труби):

, (5.1)
де r
- удільний опір грунта, Ом ´ м;= h +
l
- глибина закладення труби, м.= 0,9 +
´
2 = 1,9 м.
Значення остальних, які
входять в формулу величин, вказані вище. Підставляючи ці данні в формулу (.1),
отримаємо:
Необхідна кількість
труб-заземлювачів визначаються з виразу (5.2)
де hс
- коефіцієент сезонності;
hет - коефіцієнт
екранування (використання) труби;з - опір заземлення за нормою, Ом.
Підставляючи величини в
формулу (2) отримаємо:
Довжина з’єднувальної
полоси:
= 1,05 ´
a ´
n, (5.3)
де а - відстань між
трубами, м.= 1,05 ´ 4 ´ 18 = 75,6 м.
Опір розтікання струма
від полоси визначається за формулою:
(5.4)
де в = 35 мм - ширина
полоси.
З урахуванням
коефіцієнта сезонності [20]:
= Kc ´
Rn (5.5)
= 2 ´
6,35 = 12,7 Ом.
Опір системи заземлення,
яка складається з труб та об’єднуючої полоси визначається за формулою:
(5.6)
де hе.п
- коефіцієнт екранування (використання) полоси.
Підставляючи значення
знаходимо:
Отриманий опір контура
заземлення не перевищує 10 Ом, тобто розрахунок виконан вірно.
За результатами
розрахунків отримане значення опору заземлювача 6,12 Ом задовольняє вимогам
охорони праці і його можна застосовувати при модернізації вагону метрополітену.
Висновок
У даному дипломному
проекті виконана модернізація тягового електроприводу електропоїзда
метрополитену серії 81-717 і 81-714 системою імпульсного управління тяговими
двигунами.
Основна властивість
імпульсного управління вагонів метрополітену - можливість плавного регулювання
напруги тягових двигунів, дозволяє отримати будь-яку кількість тягових і
гальмівних характеристик будь-якого вигляду. Робота електропоїзда по цих
характеристиках обмежується гранично допустимими режимами, більшість яких
аналогічно граничним режимам при контакторно-реостатному управлінні.
Застосування сучасних
напівпровідникових приладів (IGBT модулів) в системі управління тяговими
двигунами дасть можливість скоротити витрати на електроспоживання.
В дипломному проекті
розглянуто розміщення обладнання в вагонах метрополітену серії 81-117. Був
проведений аналіз і розроблена блок схеми модернізованого тягового приводу,
розроблена блок-схеми системи керування імпульсним перетворювачем.
В дипломному проекті
була розрахована система керування імпульсним перетворювачем, яка включає в
себе такі елементи, як: обмежувач напруги, задаючий генератор, компаратор,
формувач імпульсів. Зроблено вибір та обґрунтування силової схеми вагону
метрополітену.
В економічному розділі
визначили економічний ефект від модернізації вагонів метрополітену серії 81-717
системою імпульсного управління тяговими двигунами.
В розділі з охорони
праці зроблено аналіз потенційних небезпек на об’єкті засоби техніки безпеки
локомотивних бригад при роботі на електропоїзді, а також засоби по створенню
безпечних умов праці. Приведено розрахунок захисного заземлювача.
Список використаних
джерел
1. Руководство по
эксплуатации вагонов метрополитена моделей 81-714.5 и 81-717.5 / Акционерное
общество «Метровагонмаш».- М.: Транспорт, 1995. - 447 с.
2. Исаков Ю.А и др.
Основы промышленной электротехники. - «Техника», 1976 - с.544
. Чебовский О.Г.
и др. Силовые полупроводниковые приборы. Справочник-М: Енергоатомиздат. 1987. -
с.623
. Кучинский Г.С.и
др. Электрические конденсаторы и конденсаторные установки. Справочник- М:
Энергоатомиздат, 1987 - с.654
. Исаков Ю.А.,
Платонов А.П. Тиристорные преобразователи повышенной частоты- Киев, «Техника».
1976 - с.132
. Глазенко Т.А.,
Гончаренко Р.Б. Полупроводниковые преобразователи частоты в электроприводах -Л:
« Энергия», 1969 - с.184
. В.С.Гутников
“Применение операционных усилителей в измерительной технике” Ленинград
“Энергия” 1975 г.
. “Основы
промышленной электроники” под ред. Г.Герасимова Москва “Высшая школа” 1986 г.
. “Импульсные
устройства” Ю.Н.Ерофеев Москва 1989 г.
. “Справочник по
импульсной технике” под ред. Яковлева, Москва 1972 г.
. Ротанов Н.Я.
Преобразовательные полупроводниковые устройства ЭПС. М.: Транспорт, 1982. - 478
с.
. Методические
рекомендации по определению экономической эффективности мероприятий
научно-технического прогресса на железнодорожном транспорте. М.: Транспорт,
1991. - 239 с.
. Сибаров Ю.Г.
Охрана труда на железнодорожном транспорте. М.: 1981. - 421 с.