Розрахунок приймача АМ-сигналів на інтегральних мікросхемах
Вступ
В сьогоденні уявити наше життя без радіо дуже складно. Ще сто
років тому, це був дивовижний винахід у який не вірили, та вважали обманом.
Сьогодні принцип радіозв’язку так тісно увійшов у наше життя, що став
невід’ємним атрибутом спілкування, обміну інформації, дистанційного керування
та інших аспектів сьогодення.Радіоприймальним пристроєм називають сукупність
взаємопов’язуючих елементів, за допомогою яких проходить приймання сигналів,
перетворення їх форм з одночасним збільшенням потужності і виділенням закладеної
інформації. Достовірність
відтвореного радіоприймальним пристроєм повідомлення залежить від спотворень,
які впливають на радіосигнал при проходженні в системі радіозв’язку. Ці
спотворення обумовлені неоднорідністю середовища в якому проходить
розповсюдження радіосигналу, а також заважаючою дією як зовнішніх перешкод
(атмосферних, промислових), так і внутрішніх шумів елементів самого
радіоприймача (рис.1).
Структурна схема системи радіозв’язку зображена на рисунку 1.
Рисунок 1 - Структурна схема системи радіозв’язку
Радіопередавач випромінює електромагнітні
коливання, які вловлюються приймальною антеною радіоприймача. Антена
радіоприймача перетворює ці коливання в електричний сигнал. Схема радіоприймача
здійснює основну функцію - перетворює електричний сигнал, одержаний від антени,
і підсилює його. В радіоприймачах супергетеродинного типу проводиться
перетворення прийнятого сигналу по частоті за допомогою перетворювача частоти
(ПЧ), який має змішувач частоти (ЗМ) і малопотужний генератор - гетеродин (Г)
(рис. 2).
Структурна схема супергетеродинного радіоприймача зображена
на рисунку 2.
Рисунок 2 - Структурна схема радіоприймача супергетеродинного
типу
Тракт радіочастоти (ТРЧ) в такій схемі радіоприймача має
преселектор, куди входить вхідне коло (ВК) і підсилювач радіочастоти (ПРЧ), а
також тракт проміжної частоти (ТПЧ), який в своєму складі має перетворювач
частоти (ПЧ) і підсилювач проміжної частоти (ППЧ). Суть супергетеродинного
прийому полягає в тому, що після проходження сигналу fс через
преселектор він подається на перетворювач частоти. Подача fс i fг
від гетеродина на змішувач частоти дозволяє на його виході одержати так звану
проміжну частоту fпр = fг - fс яка, як правило,
менша, ніж частота прийнятого сигналу fс. Сигнал після проходження
демодулятора амплітудно модульованих коливань (ДАМ) відновлюється. Далі
звуковий сигнал з частотою F підсилюється підсилювачем звукової частоти (ПЗЧ) і
відтворюється гучномовцем (Гм). Супергетеродинний прийом на сьогоднішній день
залишається основним, оскільки він, на відміну від схеми радіоприймача прямого
підсилення, дозволяє знизити частоту прийому fс до порівняно низької
частоти fпр, коли фактично проблеми її підсилення до необхідного
рівня відсутні. Крім того, постійність fпр в тракті проміжної
частоти дозволяє використати високодобротні фільтри і здійснити успішне
заглушення заважаючих сигналів.В данному суперегеретодинному радіоприймачі
використовується амплітудна модуляція(АМ). Амплітудна модуляція - це вид
модуляції, при якій змінним параметром сигналу є його амплітуда. Перший досвід
передачі мови і музики по радіо методом амплітудної модуляції здійснив в 1906
році американський інженер Р. Фессенден. Несуча частота 50 кГц радіопередавача
вироблялася машинним генератором (альтернатором), для її модуляції між
генератором і антеною включався вугільний мікрофон, що змінює загасання сигналу
в ланцюзі. З 1920 року замість альтернаторів стали використовуватися генератори
на електронних лампах. У другій половині 1930-х років, у міру освоєння
ультракоротких хвиль, амплітуда модуляція поступово почала витіснятися з
радіомовлення і радіозв'язку на УКХ частотною модуляцією. З середини XX
століття в службової та аматорського радіозв'язку на всіх частотах
впроваджується модуляція з однією бічною смугою (ОЧП), яка має ряд важливих
переваг перед АМ. Порушувалося питання про переведення на ОЧП і радіомовлення,
однак це вимагало б заміни всіх радіомовних приймачів на більш складні і
дорогі, тому не було здійснено. Наприкінці XX століття почався перехід до
цифрового радіомовлення з використанням сигналів з амплітудною
модуляцією.Сучасні радіоприймальні пристрої будуються, як правило, по
супергетеродина схемою з одним або двома перетворювачами частоти. Подвійне
перетворення частоти, характерно для професійних радіоприймальних пристроїв,
дозволяє за рахунок високої першої проміжної частоти суттєво збільшити
придушення дзеркальної перешкоди, а за рахунок низької другої проміжної частоти
отримати хорошу вибірковість по сусідньому каналу. Для сучасних радіомовних
приймачів найбільш характерні такі особливості: поліпшення основних показників
якості, відмова від механічних і електромеханічних вузлів і деталей,
застосування цифрових систем управління, підвищення вимог до дизайну. Розробка
нових симетричних варикапних матриць з зустрічним включенням варикапів
дозволила збільшити лінійність перелаштовуючих контурів. Поліпшення якісних
показників радіоприймачів досягається застосуванням в них всіляких пристроїв придушення
перешкод: пристроїв безшумної настройки, що пригнічують шуми і перешкоди при
перебудові приймача з однієї станції на іншу або при припиненні роботи
радіостанції, на яку приймач був налаштований; різних атенюаторів і фільтрів
для придушення перешкод в преселекторі, систем придушення імпульсних і
флуктуаційних перешкод.
радіоприймач частотний регулятор каскад
1. Розрахунок
структурної схеми радіоприймача
.1 Розподiл частотних спотворень мiж
трактами радiоприймача
Частотнi спотворення, що зумовлюють нерiвномiрне
пiдсилення в смузi пропускання частот, утворюються усiма каскадами
радiоприймача. В каскадах з резонансними контурами, наприклад, в вхiдному колi
(ВК), пiдсилювачах радiочастоти (ПРЧ) або пiдсилювачах промiжної частоти (ППЧ)
їх поява пояснюється тим, що характеристика контурiв зумовлює рiзний коефiцiєнт
передачi для пар бiчних частот спектру, неоднаково вiддалених вiд несучої
частоти. В ПЗЧ радiоприймача завал крайнiх частот спектру, як вiдомо,
визначається сталими часу каскадiв в областi низьких та високих частот та
зумовленi типом каскаду. Тому загальний коефiцiєнт частотних спотворень Мзаг(дБ), зумовлений ТЗ,
визначається, як властивостями каскадiв ПЗЧ Мпзч(дБ), так i високочастотною
частиною Мвч(дБ) радiоприймача:
Мзаг(дБ) = Мпзч(дБ) + Мвч(дБ)
При побудовi схеми ПЗЧ радiоприймача необхiдно
передбачити частотнi спотворення, що вiдводяться на ПЗЧ. Частотнi спотворення
ПЗЧ, що визначають складнiсть його схеми, можуть бути прийнятi порядка
(1...3)дБ, виберемо частотнi спотворення Мпзч = 2 дБ. Тодi доля частотних
спотворень, що вноситься високочастотною частиною радiоприймача, буде:
Мвч(дБ) = Мзаг(дБ) - Мпзч(дБ) = 14 - 2 = 12 дБ
В подальшому необхiдно провести розподiл
частотних спотворень високочастотної частини радiоприймача на преселектор Мпр(дБ) i тракт промiжної
частоти Мпч(дБ) з таким розрахунком, щоб:
Мпр(дБ) + Мпч(дБ) = Мвч(дБ)
Жорсткi вимоги пред'являються до нерiвномiрностi
резонансної характеристики високочастотного тракту радiоприймачiв амплітудної
модуляції сигналу (АМ), що являється причиною появи нелінійних спотворень.
Оскільки преселектор буде мати прості
перестроювані контури з широкою смугою пропускання і незначною нерівномірністю
підсилення прийнятого сигналу, то доцільно на преселектор виділити невелике
значення спотворень: Mвк= 2 дБ, Мпрч = 2 дБ, то Мпр= 4 дБ.
Тракт проміжної частоти буде мати нерівномірність підсилення Мпч,
який визначається таким чином:
Мпч(дБ) = Мвч(дБ) - Мпр(дБ) = 12 - 4 = 8 дБ
.2 Розподіл нелінійних спотворень між трактами
радіоприймача
В основному нелiнiйнi спотворення сигналу в
радіоприймачі утворюються детектором i каскадами ПЗЧ. Тому загальна величина
нелiнiйних спотворень:
Кн заг = Кн дет + Кн
пзч
Орієнтовно величина нелiнiйних спотворень, що
утворюються амплітудним детектором,
рiвна 1 %, тому:
Кн пзч = Кн заг - Кн
дет = 2,2
- 1 = 1,2 %
Тобто в данному випадку рівень нелінійних
спотворень буде близько 1,2 %.
1.3 Розрахунок структурної схеми ПЗЧ
Вихідні дані:
− номінальна вихідна потужність 1,6 Вт;
− частотні спотворення - М н = М
в = 2 дБ;
− нелінійні спотворення 2,2 %.
− смуга робочих частот 1,59 - 3,35 МГц;
− чутливість ПЗЧ 6,8 мВ;
− вхідний опір ПЗЧ 4,7 кОм;
В схемі необхідно передбачити послідовне роздільне
регулювання тембру ± 25дБ .
.3.1 Вибір гучномовців
Порівнюючи дані таблиці 2[3] з визначеною
технічним завданням смугою частот і коефіцієнтом спотворень дану схему можна
віднести до першого класу, для якого коефіцієнт запаса гучномовців Кг =5. тоді
потужність гучномовців
РГ= К Г*Р вих. = 5*1,6 = 8
Вт
За таблицею1 проводиться вибір гучномовця 10ГД-36 , який має
опір 8 Ом, потужність 10Вт, і смугу частот 63...20000Гц, яка перекриває задану
ТЗ смугу частот.
Визначається напруга джерела живлення підсилювача потужності
і всього приймача. Для вихідної потужності 1,6 Вт величина залишкової напруги
може бути визначена: Uзал для Р вих. до 2 Вт визначається в
межах 1,1…2 В . Тому Uзал = 2 В [3].
Тому напруга живлення визначається:
;
Оскільки в ТЗ задано напругу живлення то Еж=12 В
Проводиться вибір схеми підсилювача потужності
ПЗЧ
Використання підсилювача в режимі класу А недоцільне через
його незадовільні показники. Трансформаторний каскад недоцільний через значну
вартість трансформатора, його габарити і вагу. Крім того трансформатор зносить
затухання в смузі ВЧ. Двотактний режим класу В усуває ці недоліки, тому він
може бути використаний в схемі, отже вигляді схеми ПЗЧ може бути використана
мікросхема К174УН5, яка представляє собою безтрансформаторний підсилювач
потужності (БПП) каскади якого реалізовані на БТ, перший підсилювальний каскад
представляє собою диференціальний ППС, сигнал з якого поступає на слідуючі
підсилювальні каскади, які реалізовані на складених БТ та ввімкнені по
каскадній схемі.
Мікросхема має такі параметри:
− вихідна потужність Рвих = 2 Вт;
− опір навантаження R н = 8 Ом;
− напруга живлення Е МС = 12 В;
− коефіцієнт нелінійних спотворень К н
= 1 % при вихідній потужності 1,6 Вт (на що вказує графік залежності
коефіцієнта нелінійних спотворень від вихідної потужності мікросхеми ;
− смуга робочих частот Δ F = 30 Гц…20000Гц;
− мінімальний коефіцієнт підсилення за
напругою КU min = 30;
− вхідний опір мікросхеми R вх =10
кОм;
− частотні спотворення мікросхеми на краях
смуги пропускання М н = 2 дБ і М в =0,5 дБ;
Вказані параметри свідчать про те, що мікросхема
дійсно задовольняє вимогам схеми ПЗЧ і може бути використана.
Рис.3
а - залежність вихідної потужності від напруги
живлення,
в - залежність коефіцієнта нелінійних спотворень
від вихідної потужності мікросхеми К174УН5
Проводиться вибір попереднього підсилювального
каскаду
В вигляді попереднього каскаду підсилення для
вибраної мікросхеми може бути вибрана також мікросхема. Для чого з таблиці 6[3]
вибирається мікросхема
КР119УН1, яка представляє собою п’яти каскадну
схему в якій каскади ввімкнені за схемою ЗЕ, параметри якої такі:
− напруга живлення Е МС =
+6,3…+12,6 В;
− вхідна напруга U вх =
0,3 В;
− смуга робочих частот Δ F = 50 Гц…20000Гц;
− вхідний опір мікросхеми R вх
=5 кОм;
− вихідний опір мікросхеми R вих.
=1500 Ом;
− мінімальний коефіцієнт підсилення за
напругою КU min =3,2.
− частотні спотворення мікросхеми на краях
смуги пропускання М н = М в = 0,5 дБ;
Визначається загальна величина коефіцієнта підсилення ПЗЧ за
потужністю
;
де
;
де, а1-
поправочний коефіцієнт, що враховує введення НЗЗ, яким буде охоплено мікросхему
ПЗЧ . А1 = 6, тому а1 = А12 = 36.
а2 - поправочний коефіцієнт, що враховує введення НЗЗ в
мікросхему попереднього підсилення сигналу А2 = 7, тому а2 =
А22 = 49.
а3 - поправочний коефіцієнт, що враховує затухання
сигналу в схемі регулятора тембру: оскільки величина затухання N = ± 25дБ (17,7 раз) , то величина а3 = 17,72
= 313,2.
Визначення загальної кількості каскадів ПЗЧ
Число каскадів визначається виходячи з
необхідного загального коефіцієнта підсилення за потужністю Кp заг , таким
чином щоб:
Кp заг(дБ) = Кр1(дБ)+ Кp мс1(дБ)+…+
Кp мсN(дБ)+ Кp ПП(дБ) , де
Кр1, Кp мс, Кp мсN, Кp
ПП − коефіцієнти підсилення за потужністю першого (узгодуючого)
каскаду ПЗЧ, першої N-ї мікросхеми попереднього підсилення і підсилювача
потужності. Для розраховуваної схеми Кp заг буде рівним:
Кp заг(дБ) = КрЕП (дБ) + Кp МС1(дБ)+
Кp ПП(дБ) ,
і його розрахунок проводиться таким чином :
− Визначається коефіцієнт підсилення за
потужністю вибраної мікросхеми підсилювача потужності :
;
Оскільки Кp ПП < Кp заг ,
то проводиться вибір мікросхеми попереднього підсилення і розрахунок її
коефіцієнта підсилення за потужністю:
;
Визначається тип узгоджуючого каскада і його
коєфіцієнт підсилення за потужністю
Оскільки Кp заг більший від суми
коефіцієнтів підсилення за потужністю підсилювача потужності і мікросхеми
попереднього підсилення: Кpзаг>Кp ПП + Кp МС1 то
потрібно використати узгоджуючий каскад з відповідним вхідним опором який
дорівнює вхідному опору ПЗЧ . Оскільки RвхПЗЧ в розрахованій схемі
дорівнює 4,7 кОм, тому в вигляді узгоджуючого каскаду може використовуватися
тільки схема еміторного повторювача. Тому за таблицею5[3] проводиться вибір
малопотужного низькочастотного біполярного транзистора КТ361А з такими
параметрами:
− величина допустимої потжності на стоці Рс
доп= 150мВт;
− допустимий стоковий струм Іс доп =
0,005А;
− крутість транзистора Sо = 60*10-3
А/В.
Для еміторного повторювача коефіцієнт підсилення за
потужністю обчисляється:
; де Rвих ЕП - вихідний опір ЕП , що приблизно обчислюється:
Rвих ЕП
≈ 1/S0 ≈ 1/(65* 10-3 ) Ом ;
КU ЕП - коефіцієнт за напругою схеми ЕП, лежить в межах
0,8...0,95 ;
Rвх ЕП
= Rвх ПЗЧ = 4,7 кОм;
Визначення коефіцієнта підсилення за потужністю ПЗЧ
Отже визначений коефіцієнт пісилення за потужністю дорівнює :
К p заг (дБ) = К p ПП(дБ) + Кp
МС1(дБ) + Кp ЕП(дБ) = 132,89дБ ;
Отриманий коефіцієнт підсилення за потужністю задовольняє вимогам
схеми, оскільки більший розрахованого. Отже не потрібно підібрати ще одну
мікросхему.
Це значення коефіцієнта підсилення за потужністю ПЗЧ
відповідає вимогам схеми, оскільки визначене значення КрПЗЧ не
більше розрахованого, ніж на 10 % .
Розподіл частотних спотворень у схемі ПЗЧ
Розподіл частотних спотворень у схемі ПЗЧ проводиться окремо
для області вищих і нижчих частот.
Частотні спотворення в області вищих частот становлять
− для схеми еміторного повторювача Мв ЕП
= 0,4дБ;
− для мікросхеми підсилювача потужності Мв
ПП= 0,5дБ;
− для першої мікросхеми попереднього підсилення Мв
МС1 = 0,5дБ;
Величина частотних спотворень в області вищих частот всього
ПЗЧ дорівнює сумі частотних спотворень всіх каскадів ПЗЧ у децибелах:
Мв заг(дБ) = Мв ПП(дб)+МвМС1(дб)+
МвЕП(дб) = 0,5 + 0,5 + 0,4 = 1,4дБ;
Враховуючи НЗЗ, яким було охоплено мікросхему підсилювача
потужності , її частотні спотворення будуть дорівнювати , при А 1 =
6 :
;
Враховуючи НЗЗ, яким було охоплено попередній каскад
підсилення , на двох мікросхемах, його частотні спотворення будуть дорівнювати
, при А2 =7:
;
Отже, величина частотних спотворень в області вищих частот всього
ПЗЧ з урахуванням НЗЗ дорівнює:
МвПЗЧ(дБ) =МвβПП(дБ) +МвβМС(дБ) + МвЕП(дБ) =0,066 + 0,06 + 0,4
= 1,12 дБ;
Отримане значення частотних спотворень в області вищих частот
цілком підходить по ТЗ.
Частотні спотворення в області нижчих частот
становлять
− для схеми еміторного повторювача Мн ЕП
= 1дБ;
− для мікросхеми підсилювача потужності Мн
ПП= 2дБ;
− для першої мікросхеми попереднього підсилення Мн
МС1 = 0,5дБ;
Величина частотних спотворень в області нижчих частот всього
ПЗЧ дорівнює
Мн заг(дБ) = Мн ПП(дб)+МнМС1(дб)+
МнЕП(дб) = 2 + 0,5 + 1 + = 3,5дБ (без НЗЗ).
Враховуючи НЗЗ, яким було охоплено мікросхему підсилювача
потужності, її частотні спотворення в області нижчих частот будуть дорівнювати,
при А 1 = 6:
.
Враховуючи НЗЗ, яким було охоплено попередній каскад підсилення ,
на двох мікросхемах, його частотні спотворення в області нижчих частот будуть
дорівнювати, при А2 =7 :
.
Отже, величина частотних спотворень в області нижчих частот всього
ПЗЧ з урахуванням НЗЗ дорівнює:
МнПЗЧ(дБ) =МнβПП(дБ) +МнβМС(дБ) + МнЕП(дБ) =0,34 + 0,06 + 1 =
1,4 дБ;
Отримане значення частотних спотворень в області нижчих частот
цілком підходить по ТЗ.
Розподіл нелінійних спотворень в схемі ПЗЧ
− нелінійні спотворення в схемі ПЗЧ
розподіляються так Нелінійні спотворення, які вносить мікросхема підсилювача
потужності КнПП =1 %;
− нелінійні спотворення, які вносить перша
мікросхема попереднього підсилювального каскаду КнМС1 = 0,3 %;
− нелінійні спотворення, які вносить схема
витокового повторювача КнEП = 0,2%.
Отже, сумарна величина нелінійних спотворень ПЗЧ без
використання НЗЗ складає :
КнПЗЧ = КнПП + КнМС1 + КнEП
= 1+ 0,3 + 0,2 = 1,5 % ;
Враховуючи НЗЗ, яким було охоплено мікросхему підсилювача
потужності, її нелінійні спотворення будуть дорівнювати, при А 1 =
6:
;
Враховуючи НЗЗ, яким було охоплено першу мікросхему попереднього
каскаду підсилення, його нелінійні спотворення будуть дорівнювати, при А2 =
7:
КнМС = КнМС1 =0,3%;
;
Отже , величина нелінійних спотворень всього ПЗЧ з
урахуванням НЗЗ дорівнює :
КнПЗЧ =КнβПП +КнβМС +КнEП = 0,16
+ 0,042+ 0,2 = 0,402 % ;
Отже, розрахунок нелінійних спотворень виконаний правильно.
Вибір схеми регулятора тембра
Оскільки в схемі ПЗЧ повинне бути передбачене
роздільне регулювання тембра, тому в якості схеми регулятора тембра, щоб
забезпечити достатню глибину регулювання, варто використати схему регулятора
тембра з послідовним ввімкненням регулюючих потенціометрів на мікросхемі (МС). Для чого використовується
МС К118УД1, яка представляє собою диференційний підсилювач.
Вибір схеми регулятора підсилення
Оскільки технічним завданням передбачається
регулювання підсиленням з тонкомпенсацією вибираэмо схему регулятора підсилення
з тонкмпенсацією .
Структурна схема ПЗЧ показана на рисунку 3.
Рисунок 4 - Структурна схема ПЗЧ
.4 Визначення смуги пропускання високочастотного тракту
радіоприймача
При амплітуній модуляції приймаємого сигналу, ширина спектра
для верхньої частоти при FВ = 12,4 кГц
Fсп = 2 FВ = 12,4·2=24,8 кГц ;
Допустима неточність спряження контурів радіоприймача
визначається:
− для середньохвильового діапазону - 4…5 кГц ;
Приймаємо
= 5 кГц
Можливе відхилення частоти гетеродина для радіомовних приймачів:
FГ = (0,5...1)·10-3 · fcmax =
1·10-3·3,35 · 106 = 3,35 кГц ;
Необхідна смуга пропускання радіоприймача дорівнює:
= 24,8 + 5 + 3,35 = 33,15 кГц ;
Розрахунки показують, що при необхідності такої широкої смуги
пропускання послаблення завади сусіднього каналу при заданій в ТЗ абсолютній
розстройці Δf = 57,6 кГц фактично
неможливе, тому необхідно ввести в схему радіоприймача автоматичне підстроєння
частоти гетеродина (АПЧГ). При жорстких вимогах до точності настройки, найбільш
зручним є застосування системи ФАПЧ, тому смуга пропускання радіоприймача
визначається:
;
1.5 Вибір проміжної частоти радіоприймача
1.5.1 Вибір схеми преселектора і визначення
еквівалентного зтухання його контурів
Враховуючи вибірність за дзеркальним каналом (Sдз = 70 дБ),
визначаємо орієнтовну кількість контурів преселектора, враховуючи, що один
поодинокий контур забезпечує вибірність Sдз1 = 20...25дБ:
, приймаємо
nc = 3.
Таким чином, в схемі повинно бути використано три ланки
контура (одна ВК і дві ПРЧ ) для реалізації умов ТЗ. Для визначення кількості
каскадів преселектора по таблиці 3[3] визначимо для діапазону частот технічного
завдання еквівалентне затухання сигналу в контурах. Воно складає d0= 0,02. Для підвищення
чутливості буде вибрана мікросхема на біполярних транзисторах, тому величина
параметра, що знаходиться у зворотній пропорційній залежності від коефіцієнту
шунтування контуру, дорівнює q= 2.
Знайдемо еквівалентне згасання сигналу контуру преселектора:
dес = q · d0 = 1,8 · 0,015 = 0,027.
Визначаємо фактичне послаблення сигналу в преселекторі на
межі смуги пропускання
;
Значення Мпрес вийшло меншим, ніж розраховане в,
тому схема преселектора вибрана вірно.
1.5.2 Визначення кiлькостi перетворень
Для забезпечення заданого послаблення сигналу “дзеркального”
каналу Sдзк = 70 дБ (3162 раза), при верхній настройці гетеродина,
величина першої проміжної частоти fпр1 повинна задовольняти умові:
;
fпр1 ≥ 33,82 кГц.
Для забезпечення заданої смуги пропускання
F трактом ПЧ визначаємо значення другої
проміжної частоти, при цьому враховуємо втрати у вибірній системі ПЧ .
Оскільки передбачається, що ця проміжна частина буде лежати в
короткохвильовому діапазоні, то згідно з табл.3[3] визначаються величини qпр
і δ0пр. Оскільки передбачається, що в тракті ПЧ
будуть використані мікросхеми на біполярних транзисторах то qпр =
1,5; δ0 = 0,01. Тоді δ0пр = 1,8 · 0,02 = 0,015. Виходячи з даної вибірності за
сусіднім каналом Sск = 69 дБ(1258), видно, що її можна забезпечити
чотирма смуговими фільтрами, для яких вибірність кожного визначається приблизно
15...20дБ.
Для цих вибірних систем за табл. 4[3] визначається ψ(m)
= 1,07.
;
Якщо в результаті розрахунків виявиться, що fпр2 > fпр1 ,то значення проміжної частоти може бути
визначено в проміжку між fпр1
та fпр2 в результаті маємо одне перетворення
частоти.
пр
= 465 кГц.;
Оскільки в радіоприймачі з одиничним
перетворенням частоти гетеродин реалізований за схемою високостабільного за
частотою генератора, а системою ФАПЧ гетеродина першого перетворювача.
.6 Розбивка діапазону робочих частот на
піддіапазони
Метод розбивки діапазону робочих частот на
піддіапазони визначається виходячи з того, що радіоприймач потребує точного
встановлення значення частоти прийнятого сигналу. Тому тут доцільно
використати метод рівних коефіцієнтів перекриття, так як приймач проектується
професійним. Цей метод дозволяє отримати точну настройку на станцію, що
приймається, а також має більш рівномірну шкалу настройки радіоприймача.
Висхідними даними для розрахунку є:c min = 1,59
МГц - мінімальна частота прийнятого сигналу;c max = 3,35 МГц - максимальна
частота прийнятого сигналу;
Кд max = 2- найменше значення коефіцієнту
перекриття для даного діапазону частот, вибирається з таблиці 5[3].
При методі рівних частотних інтервалів розрахунок
параметрів піддіапазонів проводиться:
1.6.1 Визначається коефіцієнт перекриття діапазону Кд
.
.6.2 Проводиться порівняння одержаної величини Кд і Кд
max
При Кд > Кд max проводиться розбивка на
піддіапазони.
Оскільки 2,1 > 2, то радіоприймач буде мати кілька
піддіапазонів.
.6.3 Визначається необхідна кількість піддіапазонів N
Ця величина округлюється до цілого більшого числа і визначається,
що радіоприймач буде мати три піддіапазони, тобто N = 2.
1.6.4 Визначається фактичний коефіцієнт піддіапазонів
.
.
1.6.5 Визначається інтервал частот кожного .
І піддіапазон:
ІI піддіапазон:
Результати розрахунків зручно занести в таблицю 1.
Таблиця 1 - Результати розрахунків частот під діапазонів.
|
Піддіапозони
|
Мінімальна частота піддіапазону, МГц
|
Максимальна частота піддіапазону, МГц
|
Коефіцієнт перекриття піддіапазону
|
|
I піддіапазон
|
1,55
|
2,33
|
1,5
|
|
II піддіапазон
|
3,36
|
1,5
|
Дані про фактичний коеф. перекриття кожного
пiддiапазону можуть бути отримані лише після вибору елемента настроєння
радіоприймача.
Вибір елемента настройки
В сучасних схемах радіоприймачів широко використовуєть
варикапи і варикапні матриці. Це дозволяє різко зменшити габарити
радіоприймача, створити конструкцію елемента настроєння. Тому для
радіоприймача, що проектується, вибирається три варикапи, які будуть ввімкненні
в коло ВК, ПРЧ і гетеродина і напруга, що буде подаватися на них, синхронно
буде змінюватися, змінюючи і ємність варикапа. Згідно з рекомендаціями табл. 9
[3] для СХ - діапазону орієнтовно визначається мінімальна (8...12 пФ) і максимальна
(150...250 пФ) величина ємності варикапа і проводиться вибір його типу: варикап
КВ116А з параметрами: Екер = 1...10 В, таким чином Cк min
при напрузі Еж = 12 В буде дорівнювати приблизно 12 пФ. Отже Cк
min= 12 пФ; Cк max= 160 пФ.
Проводиться перевірка коефіцієнта перекриття піддіапазонів
при допомозі зіміни ємності варикапа:
де Ссх = См + СL + Cвн
;
Ємність См і власна ємність контурної котушки
індуктивності СL визначається за табл. 10 [3] і для СХ - діапазону
вибираються: См =10 пФ, СL = 10 пФ. Рекомендована
величина Cвн для мікросхеми з першим каскадом на біполярному
транзисторі може бути прийнята Cвн = 10 пФ, тому:
Ссх = 10 + 10 + 10 = 30 пФ;
;
Оскільки найбільша величина коефіцієнта перекриття піддіапазону Кпд
= 1,5 (вона визначена табл. 1), а фактична величина його при зміні ємності
варикапа Кпд = 2,12, тому в схемі преселектора необхідно провести
“розтяжку” піддіапазонів. Тому в схемі кожного контуру преселектора треба ввімкнути
паралельний конденсатор Спар ≤ Ск max і послідовний
конденсатор Спосл ≥ Ск min.
Якщо визначити Спар ≤ 0.1 Ск max ≤
4,7 пФ, а Спосл ≥ 10 Ск min. ≥ 200 пФ;
Стандартні значення величин ємностей цих конденсаторів можуть бути
прийнятні: Спар = 4,7 пФ, Спосл = 200 пФ. З врахуванням
використання підстроювального конденсатора Спк = 6 пФ максимальна і
мінімальна ємності контура будуть дорівнювати:
Спар: К10-17-50 В - М1500 - 4,7 пФ ±10% ;
Спосл: К10-17-50 В - М1500 - 200 пФ ±10% ;
Дійсна величина коефіцієнта перекриття піддіапазона дорівнює:
;
Це значення Кпд є близьким до необхідної величини 1,5
тому вибір елементів “розтяжки” здійснено вірно.
1.7 Вибір мікросхем радiотракта приймача
При розрахунку величини проміжних частот
радіоприймача передбачалося, що вхідний каскад мікросхеми ПРЧ буде виконано на
біполярному транзисторі, і мікросхеми тракту проміжної частоти також на
біполярних транзисторах.
Орієнтуючись на величину максимальної частоти прийнятого
сигналу
= 3,36 МГц, для схеми ПРЧ зручно вибрати
мікросхему К2УС242 на БТ з каскодним ввімкненням ЗЕ-ЗБ.Дана мікросхема
передбачає заведення напруги АРП.
Основні параметри цієї мікросхеми:
− гранична робоча частота 30 МГц ;
− величина коефіцієнту підсилення 10
... 20 ;
− вхідний опір ПРЧ 150 Ом ;
− зміна крутості вхідного сигналу Smin
… Smax = 3 ... 25 (мА/В) при зміні напруги на першій базі від 0,2 до
1 В ;
− живлення мікросхеми ЕМС
= (3,6…9) В < ЕЖ = 9 В ;
В тракті проміжної частоти на вхід першого перетворювача
подається сигнал з частотою
= 65,93 МГц, тому тут доцільно
використати високочастотну мікросхему К2ЖА242, що має в своєму складі змішувач
на біполярному транзисторі з окремим гетеродином. В мікросхемі передбачено
введення автоматичної підстройки частоти гетеродина. Мікросхема К2ЖА241 має
такі параметри:
− гранична робоча частота 30МГц ;
− напруга живлення +(3...5)В ;
− коефіцієнт підсилення Кзм1=
8...20 ;
1.8 Визначення типу і числа вибірних систем
радіоприймача
.8.1 Визначення типу і числа вибірних систем преселектора
При даній вибірності по дзеркальному каналу SДЗК = 70дБ перевірка
вибірності виконується на максимальній частоті кожного піддіапазона з перевіркою
послаблення на його мінімальній частоті.
Для кожного піддіапазону визначається його дзеркальна частота
для крайніх частотах:
піддіапазон:
з min = f’min1 + 2·fПР = 1,55 + 0,93 = 2,48 МГц ;з max =
f’max1 + 2·fПР = 2,33 + 0,93 = 3,26 МГц ;
піддіапазон:
з min = f’min2 + 2·fПР = 2,2 +0,93 = 3,13 МГц ;з max =
f’max2 + 2·fПР = 3,36+ 0,93 = 4,29 МГц ;
Для кожного піддіапазону визначається необхідна добротність
контурів преселектора (QП), яка забезречує необхідне послаблення
сигналу на краях смуги пропускання.
QпN=
;
піддіапазон:п1=
;
2 піддіапазон:
Qп2=
;
Для кожного піддіапазону при індуктивному зв’язку у контурах ВК і
ПРЧ визначається необхідна добротність контурів преселектора Qв, яка забезпечує
необхідну вибірність по дзеркальному каналу (Sдзк = 70 дБ (1623 раза)).
QВN
піддіапазон:
QВ1
;
піддіапазон:
QВ2
;
1.8.2 Визначення еквівалентної добротності контурів
преселектора
Використовуючи дані таблиці 10[3] визначається приблизна
величина добротності Qк = 100 для СХ діапазону . Враховуючи те, що в ПРЧ
використані мікросхеми на БТ, то величина коефіцієнта шунтування контура
біполярним транзистором мікросхем така - ψ =
0,6 .
Тоді :
екв = ψ ·
Qк = 0,6 · 100 = 60 ;
З розрахунків видно, що Qв< Qп і Qв
< Qекв , тому для кожного під діапазону визначається
величина добротності Q з того ,що Qв<Q<Qекв ;
Визначені значення добротності приймаємо на максимальній
частоті піддіапазона Q=Qmax
1 піддіапазон: Qmax = 30 ;
піддіапазон: Qmax = 40 ;
Визначаю добротність контурів в преселекторі Qmin
на мінімальній частоті кожного піддіапазону по формулі
;
піддіапазон:
1min = 43,1 .
піддіапазон:
2min = 50,6 .
З розрахунків видно що кожне одержане значення Qmin
відповідає умові
в < Qmin< Qекв ;
Для кожного піддіапазону на його мінімальній частоті
визначається вибірність по сусідньому каналу Sск min, послаблення
сигналу Мпрес min, а також вибірність по первому дзеркальному каналу
Sзк min

;
;
піддіапазон:
;
;
;
2 піддіапазон:
;
;
;
Для кожного піддіапазона на його максимальній частоті визначається
вибірність по сусідньому каналу Sск max, послаблення сингалу Мпрес
max, а також вибірність по першому дзеркальному каналу Sдзк max .
;
;
;
піддіапазон:
;
;
;
3 піддіапазон:
;
;
;
Визначення вибірності радіоприймача за проміжною частотою
Оскільки проміжна частота - fпр =465
кГц то такий розрахунок доцільно провести лише для мінімальної частоти першого
піддіапазону:
;
Таким чином , подавлення першої проміжної чистоти
преселектором значно більше величини вибірності за сусіднім каналом - Sск = 62 дБ ,тому
на інших піддіапазонах розрахунки вибірності за проміжною частотою проводити немає
рації. В схемі радіоприймача не потрібно вмикати загороджуючи фільтри для
подавлення першої проміжної частоти.
Визначення типу і кількості вибірних систем тракту проміжної
частоти
При заданій вибірності за сусіднім каналом SСК =
62 дБ і послаблення в межах смуги пропускання тракту проміжної частоти МПЧ
= 8 дБ раніше вибрали тип і кількість вибірних систем тракта ПЧ - чотири
коливальні системи .
Оскільки в радіоприймачі використовується одиничне перетворення частоти ,
то вибірні системи потрібно визначити за типом і розділити їх в тракті
проміжної частоти .
Найбільш доцільним є використання, в тракті проміжної частоти
двох
ланок
ФЗС, які будуть ввімкнені у
вигляді навантаження першого змішувача Зм і ПРЧ .
Визначається вибірність за сусіднім каналом і
послаблення на краях смуги пропускання, що забезпечуються одним ФЗС
Задаються значення відносної розтройки на границях смуги
пропускання αn=0.8
і визначається розрахункова смуга пропускання ФЗС
Визначається необхідна мінімальна добротність контурів ФЗС
Qn
.
Необхідно, щоб величина Qn була меншою вибраної
конструктивної добротності контурів ФЗС Qк=100...300, в противному
разі реалізація ФЗС неможлива тому вибирається Qк=200.
Визначається величина відносної розстройки αск
для сусіднього каналу:
Визначається узагальнена величина затухання ФЗС
.
Розрахована величина β округляється до близького меншого
числа (тобто β=0,1),
по визначених раніше величинах αn і αск відповідно визначаються
послаблення на краях смуги пропускання М’ПЧ, що обумовлюється одним контуром
ФЗС і вибірність одного контура ФЗС S’ск. По величині β=0,1 і значеннях αn=0,8,
αск =1,93
визначаються величини М’пч=0,5дБ, а S’ск=10,2дБ.
Визначається кількість ланок одного ФЗС, що необхідна для
забезпечення вибірності за сусіднім каналом
Одного ФЗС, що обумовлює необхідне затухання сигналу на
краях смуги пропускання
Реальна кількість ланок одного ФЗС
Оскільки умова nст > nск (8 >
6,07) виконується, то значення nск= 6,07 округляється до цілого
більшого числа і визначається n = 7.
Визначається фактична вибірність тракту проміжної частоти
за сусіднім каналом і фактичне послаблення сигналу на краях смуги пропускання:
ск(ДБ) = nФЗС · n · S’ск =
2 · 6 · 10,2 = 122,4 дБ;
МПЧ(ДБ) = nФЗС · n · М’ск =
2 · 6 · 0,4 = 6 дБ.
З розрахунків видно, що фактично величина вибірності за
сусіднім каналом Sск= 122,4 дБ більше величини вибірності 62 дБ.
Значення фактичного послаблення сигналу на краях смуги пропускання МПЧ =
6 дБ менша величини 8 дБ. Тому розрахунок ФЗС здійснено правильно.
Визначається вибірність за “дзеркальним” каналом
Створення другого “дзеркального” канала обумовлено наявністю комбінаційної
завади fзав=fс±2fпр , із-за малого
частотного інтервалу від основного прийнятого сигналу fс подавлення її
преселектором практично неможливе.
Сигнал такої завади в тракті першої проміжної
частоти перетворюється в частоту другого “дзеркального” каналу.
fг-fзав=Fг -
(fс±2fпр) = (fг-fc) ± 2fпр=fпр ± 2 fпр ;
При “верхньому “ настроєні частоти гетеродина в радіоприймачі з
подвійним перетворенням частоти подавлення завади другого “дзеркального” каналу здійснюється
трактом першої проміжної частоти на частоті
fдз+2fпр=2*465=930кГц,
;
Як видно з розрахунків, вибірність за другим “дзеркальним” каналом більша заданої технічним
завданням величини Sдз = 70дБ, тому вибір проміжних
частот здійснено правильно.
1.9 Розрахунок числа каскадiв радiотракта i вибiр його
каскадiв
1.9.1 Здійснюється вибір схеми амплітудного детектора
При використанні амплітудного детектора в схемі
радіоприймача доцільно вибрати мікросхему К2УС353, яка представляє собою: схему
опорної напруги, яка виробляє необхідну опорну напругу для схеми.
Параметри мікросхеми такі :
− живлення + 6,3 В.
− верхня гранична частота - 150 МГц.
− вхiдну напругу максимальну -
0,1…2В.
− коефiцiснт передачі - 2.
Тому величина вхідної напруги фазового
детектора визначається:
Uвх ад=
;
.9.2 Визначається потрiбний коефiцiснт пiдсилення до
детектора
При прийомi на зовнiшню антену потрiбне пiдсилення
радiотракту
розраховусться:
;
З метою забезпечення запасу по пiдсиленню на розкид
параметрiв транзисторiв потрiбне пiдсилення необхiдно збiльшити:
Кзаг=(1,4…2)К =
;
.9.3 Визначається велечина коефiцiєнта передачi вхiдного
кола
Використовуючi данi таблицi 14 [3] можна задатися даною
величиною
коефіцієнтом передачi Квк= 5.
Коефіцієнт шунтування m2 контурів ВК
вхідним опором БТ мікросхеми ПРЧ дорівнює:
;
Тодi:
К'вк=
;
.10 Вибiр регулюємих ланок АРП радiоприймача, розрахунок
виконання заданоi ефективності
.10.1 Визначається неохiдна змiна коефіцієнта пiдсилення
регулюємих каскадiв при при заданiй величинi змiни сигнала на входi (а = 26 дБ)
та змiни рiвня сигнала на виходi (b = 5 дБ).
АРП(дБ) = а(дБ)-b(дБ) = 26 -
5 = 40,99 дБ ;
1.10.2 Проводиться вибiр мікросхеми регулювання
АРП
При використаннi в ПРЧ мiкросхеми К2УС242 на БТ,
яка має змiну крутостi вхiдного каскаду Smin ... Smax = 3 ... 25 мА/В, при
змiнi напруги керування АРП (яка подається на базу транзистора) Umax ...
Umin вiд 0,2 до 1В визначається фактична глибина регулювання МС:
δКрк=
;
Так як мікросхема ППЧ К2УС242 має такіж самі параметри по
крутості, то їх можна не враховувати.
1.10.3 Визначається потрiбна напруга керування
DEрег=Umax-Umin=3-1,8=1,2
В ;
.10.4 Визначається кiлькість регульованих
каскадiв
N=
;
Отже, для заданої ефективностi регулювання потрiбно завести
напругу АРП на два каскади схеми, на ПРЧ1 і ППЧ1.
.10.5 Визначається потрiбна напруга керування, яка
знiмається з виходу детектора АРП
В схемі АРП доцільно використовувати транзисторний детектор
АРП,тобто мікросхему АМ детектора сигналів 1ДА191А, яка має такі параметри:
− FB max=1МГц;
− коефіцієнт підсилення за напругою Кu арп=0,6;
− напруга живлення мікросхеми Еж=
-6,3В±10% ;
− що задовольняє умову детектування частоти fпр= 6,5 МГц ;
Для збільшення напруги керування Uкер в схемі доцільно
використовувати підсилену АРП з використанням схеми ППС. З цією метою після
схеми згладжуючого RC-фільтра вмикається МС диференціального підсилювача К118УД1А з
такими параметрами:
− FB max=5МГц;
− вхідний опір мікросхеми Rвх=3кОм ;
− коефіцієнт підсилення ППС Кппс=100 ;
− напруга живлення мікросхеми Еж=6,3В±10% ;
Тоді реальна величина Екер буде дорівнювати:
DEкер = Uвих
дет арп · (b-1) = 75,4 · 10-3 · (1,77-1) = 58мВ ;
.10.6 Проводиться перевiрка спiввiдношень
потрiбної напруги регулювання i напруги керування
кер>=(1,3…1,7)·Eрег ;
Оскільки 0,058 >1,3 · 1,2 = 1,56 В, то розрахунок АРП не
виконаний правильно.
Проводиться додаткове підсилення
DEкер = 75,4 ·
10-3 ·0,6·50· (1,77-1) = 1,74В ;
Оскільки 1,74>1,3 · 1,2 = 1,56 В, то розрахунок АРП виконаний правильно.
1.10.7 Проводиться перевiрка перетворювача
частоти на перевантаження
Оскільки схемою АРП охоплюється лише схема ПРЧ,
то в схемі проходить перевантаження лише перший перетворювач частоти, для чого
використовується формула:
Uвх Змч max=Eа··К'вк·Кпрч·b·δkрк ;
яка визначає величину напруги на першому
змiшувачi радiоприймача.
вхЗм max = 95 · 10-6 ·
0,065 · 10 · 1,77 · 12 = 1,3 мВ ;
Цей рiвень допустимий, по визначенню. Отже,
розрахунок схеми АРП проведений вiрно.
.11 Проводиться вибір схеми АПЧГ
Оскільки в радіоприймачі передбачена система
ФАПЧ, то необхідно провести вибір каскадів цієї схеми. Напругу з вихода ППЧ
доцільно подати через розв’язуючий каскад на МС К218УЕ2 ( яка представляє собою
ЕП) з вхідним опором 20кОм ввімкненим по схемі ЗЕ, що усуває шунтування
контурів ППЧ1.
Отже в радіоприймачі буде використана одна
мікросхема ФД 235ПC2 це зменшить
складність схеми. Крім цих каскадів, система ФАПЧ повинна мати згладжуючий RC-фільтр і
підсилювач постійного струму на мікросхемі К140УД1А, з виходу якого подається
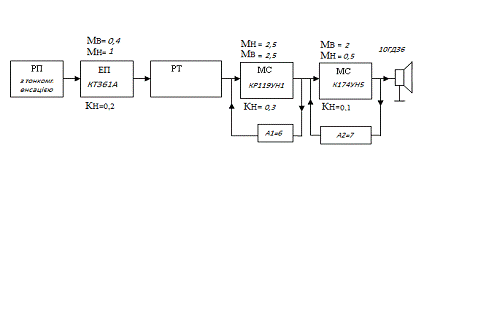
постійна напруга на варикап першого гетеродина. Тому структурна схема
радіоприймача зображена на рисунку 4 буде мати вигляд:
Рисунок 5 - Структурна схема супергетеродинного
радіоприймача.
2. Електричний розрахунок
2.1 Електричний розрахунок схеми послідовного роздільного
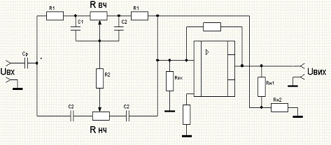
регулятора тембру (РТ).
Рисунок 6 - Схема послідовного роздільного РТ.
Вихідні дані для розрахунку:
вища частота діапазону - Fв = 12,4кГц.
нижча частота діапазону - Fн = 55 Гц.
вхідний опір Rвх = 4,7 кОм.
коефіцієнт K0 = 20.
-опір навантаження RH = 5 кОм.
опір резистора навантаження RH1 =10 кОм.
опір резистора навантаження RH2 = 10 кОм.
частота спотворень каскаду в області нижчих
частот Мн = 1 дб.
частота спотворень каскаду в області вищих частот
Мв = 0,4 дб.
Порядок розрахунку: вводимо початкові дані для
розрахунку у відповідне вікно програми Lion після цього переконуємося
у правильності введення даних н атискаємо кнопку "Розрахувати",
див. рис. 6
Рисунок 7 - Електричний розрахунок послідовного
роздільного РТ
Рисунок 7 продовження.
Проведений електричний розрахунок, дозволив
отримати розрахункові значення елементів схеми. За рахунок цього можна провести
моделювання розрахованої схеми в комп’ютерному симуляторі MicroCap
.1.1 Моделювання схеми послідовного роздільного
РТ
Для проведення моделювання послідовного
роздільного РТ схему в програмі MicroCap (Рис. 8)
Рисунок 8 - Схема послідовного роздільного РТ
складена в програмі MicroCap
Проведемо частотний аналіз зібраної схеми. Для
цього виберемо меню "Частотний аналіз" і в графі "установки
частотного аналізу" введемо умови моделювання (рис. 8)
Рисунок 8 - Установки частотного аналізу
В результаті натиснення на кнопку
"Запустить" отримаємо АЧХ і ФЧХ досліджуваного підсилювача (рис. 9)
Рисунок 9 - АЧХ і ФЧХ досліджуваного підсилювача
Проведемо аналіз перехідних процесів зібраної
схеми. Для цього виберемо меню "Аналіз перехідних процесів" і в графі
"установки аналізу перехідних процесів" введемо умови моделювання
(рис. 10)
Рисунок 10 - Установки аналізу перехідних
процесів
В результаті натиснення на кнопку
"Запустить" отримаємо осцилограми досліджуваного підсилювача (рис.
11)
Рисунок 11 - Осцилограми досліджуваного
підсилювача
Результат моделювань відповідає розрахункам отже
розрахунки проведені правильно.