|
Тип
двигателя
|
Номинальная
мощность, кВт
|
Номинальная
частота вращения, об\мин
|
КПД,
%
|
Коэффициент
мощности
|
Номинальный
ток при 380 В, А
|
Номинальный
момент, Нм
|
Индекс
механической характеристики,
|
Отношение
пускового момента к номинальному
|
Отношение
пускового тока к номинальному
|
Отношение
максимального момента к номинальному
|
Динамический
момент инерции ротора, кг*м2
|
Масса,
кг
|
|
5АМ250М2
|
90
|
2955
|
93,5
|
0,93
|
157
|
290
|
II
|
1,8
|
7,0
|
2,7
|
0,52
|
505
|
Произведем расчеты параметров двигателя с
данными параметрами:
Номинальная частота ротора

Номинальный момент

Пусковой момент

Критический момент

Номинальный ток статора

Номинальное скольжение
Критическое скольжение
Активное сопротивление статора
Активное сопротивление ротора

Реактивное сопротивление статора

Реактивное сопротивление ротора

Сопротивление взаимоиндукции

Полная индуктивность статора

Полная индуктивность ротора

Взаимная индуктивность статора и ротора

Коэффициент магнитной связи статора
Коэффициент магнитной связи ротора
Коэффициент рассеяния машины
Для создания модели применим момент инерции
механизма:

Расчет базисных значений








После расчетов всех величин, входящую в
структурную схему необходимо произвести моделирование векторной системы
управления.
Рис.1. Модель векторной системы управления в Scilab
двигатель статор ротор векторный
Рис.2. Графики переходных процессов при пуске
двигателя в Scilab
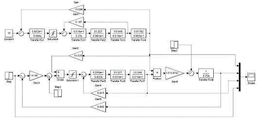
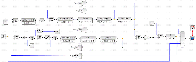
Рис.3. Модель векторной системы управления в Matlab
Рис.4. Графики переходных процессов при пуске
двигателя в Matlab
Вывод: Обычно при пуске системы управления
электроприводом, в составе которой есть преобразователь частоты с векторной
системой управления, сначала подается номинальное задание по потокосцеплению.
Когда потокосцепление достигает заданного значения, подают задание по скорости
и механизм приводится в движение, что и видно из рисунка 2.
Пересчет в относительные единицы в данной работе
не рассматривается. Обычно пересчет в относительные единицы не составляет
сложности.