Разработка универсального рефрижератора на базе стандартного морского контейнера

  • Вид работы:
    Дипломная (ВКР)
  • Предмет:
    Другое
  • Язык:
    Русский
    ,
    Формат файла:
    MS Word
    1,31 Мб
  • Опубликовано:
    2015-08-02
Вы можете узнать стоимость помощи в написании студенческой работы.
Помощь в написании работы, которую точно примут!

Разработка универсального рефрижератора на базе стандартного морского контейнера

Содержание

Введение

. Аналитическая часть

.1 Общие принципы холодильной техники

.1.1 Охлаждение

.1.2 Замораживание

.1.3 Хранение

.2 Классификация холодильной техники

.2.1 Холодильники компрессионного типа

.2.2 Холодильники абсорбционного типа

.2.3 Термоэлектрический холодильник

.2.4 Холодильники на вихревых охладителях

.3 Особенности авторефрижераторов

.3.1 Привод от двигателя автомобиля

.3.2 Электродвигатель

.3.3 Дизельный двигатель

.3.4 Дизель-электрические приводы

.3.5 Эвтектоидные авторефрижераторы

.4 Обзор существующих моделей авторефрижераторов и их конструктивных особенностей

.5 Обзор существующих решений по холодильной технике на вихревых трубах

. Конструкторская часть

.1 Разработка структурной схемы

.2 Определение тепловой мощности

.3 Расчет вихревого охладителя

.4 Аспекты эксплуатации вихревых охладителей в автотранспорте

. Маркетинговая часть

.1 Обзор рынка

.2 Расчетная часть

.2.1 Расчет трудоемкости проектирования и изготовления разрабатываемого устройства

.2.2 Расчет заработной платы

.2.3 Определение затрат на машинное время

.2.4 Определение затрат на материальные ресурсы

.2.5 Расчет накладных расходов

.2.6 Расчет себестоимости разрабатываемого устройства

.2.7 Определение исходной цены

.2.8 Определение критического объема производства

Заключение

Список литературы

Введение

Холодильная техника является одной из важнейших составляющих современного общества. Благодаря возможности принудительного охлаждения существует возможность сохранения, транспортировки бесчисленного множества продуктов и веществ.

Одним из факторов развития общества является эффективное использование окружающей среды. Проблемы, стоящие на пути эффективного использования окружающей среды в холодильной технике, а особенно в транспорте, а особенно автотранспорте являются использование неэффективных методов получения холода. Использование компрессионных холодильных установок приводит к созданию сложных, трудно обслуживаемых установок.

Для развития отрасли связанной с доставкой в условиях пониженных относительно окружающей среды грузов, необходима разработка и создание перспективных охлаждающих устройств, применимых с учетом использования на серийно выпускаемых автомобилях.

Одним из направлений является создание охлаждающих устройств на базе вихревых труб.

Преимуществами являются отсутствие хладагентов, а как следствие повышение экологичности, смягчение требований безопасной эксплуатации.

Возможность использования не только в качестве холодильной установки, но и в качестве отопителя. Что позволяет использовать один комплекс для решения большого спектра задач транспортировки.

Холодильные установки на базе вихревых труб за счет отсутствию более холодных рабочих поверхностей по отношению к среде не подвержены образованию конденсата и наледи, что соответствует использованию системы NoFrost.

Равномерное охлаждение всего объема за счет циркуляции охлажденного воздуха позволяет эффективно охлаждать транспортируемый груз.

Простота изготовления, ремонта и обслуживания снижающие затраты как на этапе внедрения так и последующей эксплуатации благоприятно сказываются на потенциальные возможности применения.

Возможность эксплуатации в широком диапазоне температур с обеспечением требуемых режимов охлаждения нагревания, а так же возможность эксплуатации вне рамок расчетного диапазона с соответствующим смещением температур внутри контейнера позволяют эксплуатировать систему в экстремальных условиях.

Универсализованная система, построенная на базе стандартного морского контейнера (расчет по максимальному типоразмеру) позволяет использовать на контейнерах меньшего типоразмера, с запасом по производительности. А так же за счет использования системы контейнерного типа использовать систему, как в автотранспорте, так и в железнодорожном и морском, без необходимости модернизации средств доставки. Так же немаловажным является тот факт, что благодаря уже развитой инфраструктуре контейнерных перевозок сократятся время на погрузочно-разгрузочные работы (так как необходимо лишь погрузить контейнер и подключить входной вал вариатора).

1. Аналитическая часть

.1 Общие принципы холодильной техники

.1.1 Охлаждение

Для того чтобы понять устройство холодильных установок для размещения в грузовом транспорте, рассмотрим их принцип работы [1].

Для начала, укажем суть процесса, называемого охлаждением.

Охлаждением называют процесс понижения температуры продукта не ниже температуры, при которой начинается выпадение твердой фазы, или кристаллов, из жидкости в тканях продукта.

В описываемом процессе наблюдаются различные метаболические процессы, такие, как структурное изменение клеток и образование других веществ. Данные процессы экзотермические. Так же, пока происходит охлаждение, продукты лишаются тканевой жидкости. Испарение воды идёт через поверхность продукта. Этот процесс называется усушкой. Таким образом продукты теряют клеточную жидкость.

Продукты охлаждают для возможности более длительного употребления, а так же как подготовку к последующему замораживанию продуктов.

.1.2 Замораживание

Если при охлаждении жидкость в тканях продукта не кристаллизуется, то при замораживании наблюдается иная картина.

Замораживанием называют процесс частичного или полного превращения тканевой жидкости продукта в лед. Для того, чтобы заморозка произошла, требуется обязательное присутствие фазового перехода. Влага, отвердевающая в описываемом процессе, называется вымороженной. Обычно при замораживании только часть жидкости продукта превращается в вымороженную.

Продукты морозят для возможности более длительного хранения или при процессе приготовления особых продуктов (таких, как, например, мороженое). Замораживание так же применяют как часть иных технологических процессов. Самое распространённое применение заморозки - как подготовка продуктов для длительного хранения.

В любом случае при заморозке пищи тепло рассеивается с поверхности продукта, а внутренние ткани всегда оказываются нагреты сильнее, чем поверхностные. Такое различие температуры останется и в конце процесса заморозки. Но температуру можно относительно выровнять, помещая продукт в специальную камеру хранения с низкой температурой. Тогда, после долгого времени внутренняя и наружная температура продукта выровняется за счёт процессов внутреннего теплообмена. Такую температуру принято называть конечной температурой замораживания.

Способы замораживания классифицируют следующим образом: замораживание в воздушной среде, жидких теплоносителях и криогенных жидкостях.

Замораживание в воздушной среде более всего распространено из-за максимальной простоты и доступности среды. Теплоносителем в данном случае служит воздух. Продукты морозят в специальных морозильных камерах или туннелях. Теплоноситель приобретает температуру -30 … -40°С и с определённой скоростью (1-2 м/с) осуществляется обдув объектов замораживания. Продукты, нуждающиеся в придании особой формы, (например, лёд для напитков, желе), подвергаются обработке с целью заморозки в специальных лотках.

При заморозке используют значительно более технологичного и мощного оборудования, чем простой процесс охлаждения. Процесс так же более долгий и потребляет значительно большее количество энергии. Таким образом, если сравнивать себестоимость замороженных и охлаждённых продуктов, у замороженных она получается гораздо выше [2].

1.1.3 Хранение

Охлаждение и замораживание есть подготовка пищевых продуктов перед основным процессом - процессом длительного хранения. В последнем процессе стараются по возможности снизить скорость течения вредных для данной цели биохимических процессов в продукте. К тому же, в процессе хранения обеспечивается сохранность полезных и пищевых свойств продукта, товарного вида и качества.

Требования для достижения качественного хранения продуктов должны быть следующими.

хранение только продуктов надлежащего качества;

соблюдение требуемых температур при хранении;

определённая влажность в условиях хранения;

группа санитарно-гигиенических требований.

Охлажденные скоропортящиеся продукты хранят в холодильных камерах при температурах, близких к криоскопическим, а относительную влажность воздуха поддерживают в пределах 80-85%.

Криоскопической принято называть такую температуру, при которой начинается выпадение твердой фазы, или кристаллов, из жидкости в тканях продукта.

Температурный режим хранения продуктов, подвергнутых заморозке, определяют в соответствии с требуемым сроком хранения. При малом сроке можно допускать температуру в камерах примерно -8 … -12°С. Если требуется более долгий срок хранения продукта, их хранят при температурах -18°С. Применяются и более низкие температуры, в том случае, когда они требуются для сохранения некоторых типов продуктов (некоторые виды рыбы).

Если продукты размещать в камерах хранения без герметичных упаковок, они неизбежно теряют в массе. Это происходит из-за того, что влага испаряется с поверхности продуктов. Пищевая ценность их снижается. Поверхность становится пористой, впитывает ненужные запахи, приобретает лежалый специфический привкус.

Так же жидкость с поверхности оседает на воздухоохладителях, образуя иней, и это ухудшает эксплуатационные качества оборудования.

Этот процесс - рассмотренная выше усушка.

Для её частичного устранения надо использовать максимально герметичные упаковки, некоторые пищевые покрытия (глазирование, желатиновые покрытия для мороженного мяса и пр.), упаковывать продукты материалами, увлажнять камеры хранения.

Хранение пищевых продуктов должно осуществляться в соответствии с действующей нормативной и технической документацией при соответствующих параметрах температуры, влажности и светового режима для каждого вида продукции.

Продукты с запахом (рыба, мясо и т.д.), необходимо хранить отдельно от продуктов, впитывающих запахи. Нельзя хранить в одной камере сырые продукты и полуфабрикаты с готовыми пищевыми продуктами, так же не стоит хранить просроченные, порченые продукты вместе с нормальными.

Холодильник - это теплоизолированный шкаф заводского изготовления с одной или несколькими камерами подходящего объема и конструкции для бытового применения, охлаждаемый естественной конвекцией или системой без инея (nofrost), где холод вырабатывается одним или несколькими системами охлаждения [3].

Холодильник предназначен для хранения пищевых продуктов.

Холодильные приборы в соответствии со стандартом делят на четыре климатических класса или по диапазону классов (Таблица 1). Диапазон температур окружающей среды, при которых предполагается использовать холодильные приборы и при которых должны быть соблюдены требуемые температуры хранения, приведён в таблице 1.1.

Таблица 1.1 - Климатические классы

Класс

Обозначение

Температура окружающей среды, °С

Умеренно холодный

SN

От +10 до +32

Нормальный

N

От +16 до +32

Субтропический

ST

От +16 до +38

Тропический

Т

От +16 до +43


.2 Классификация холодильной техники

Классификация холодильной техники приведена в ГОСТ 16317-87 Приборы холодильные электрические бытовые. Общие технические условия [4].

Согласно этому ГОСТУ, классификации следующие.

В зависимости от конструкции и принципа действия бытовые холодильники делятся на:

компрессионные;

адсорбционные;

термоэлектрические;

холодильники на вихревых охладителях.

По назначению на:

холодильники;

морозильники;

холодильники-морозильники.

По способу установки на:

напольные типа шкафа;

напольные типа стола.

По числу камер на:

однокамерные;

двухкамерные;

трехкамерные.

По способности работать при максимальных температурах окружающей среды холодильные приборы подразделяют на классы:

SN, N - не выше 32°С;

SТ - не выше 38°С;

Т - не выше 43°С.

Камеры холодильных приборов по назначению подразделяют на:

камеру для хранения свежих овощей и фруктов;

холодильную камеру для охлаждения и хранения охлажденных продуктов;

низкотемпературную камеру для хранения замороженных продуктов (НТК);

морозильную камеру для замораживания и хранения замороженных продуктов (МК);

универсальную камеру для хранения продуктов в свежем, охлажденном или замороженном состоянии.

Однокамерные холодильники подразделяют по наличию низкотемпературного отделения (НТО) на:

однокамерные с НТО;

однокамерные без НТО.

.2.1 Холодильники компрессионного типа

Автохолодильники такого типа работают аналогично бытовым. Они используют то, что вещество, когда испаряется, поглощает тепло. Хладагент кипит в испарителе, и внутренняя среда камеры охлаждается. После чего хладагент снова необходимо перевести в жидкую фазу. Таким образом, завершается цикл.

В конденсаторе посредством компрессора повышается давление, и на этом конденсаторе при этом рассеивается тепло.

Конденсаторы в виде решётки могут находиться сзади холодильника, но так же быть и закрытыми - защищёнными специальной пластиной, а для лучшего теплообмена делаются отверстия для вентиляции.

Кроме того, некоторые производители размещают конденсатор в боковых стенках, что позволяет устанавливать холодильник впритык к стене.

Рисунок 1.1 - Компрессор

Достоинства:

Простота

Дешевизна

Безопасность при использовании в быту.

Недостатки

Шум при работе компрессора. Необходимо применять средства подавления шума.

На рисунке 1.2 показаны основные узлы бытового холодильника, согласно типовым схемам и описаниям ремонта бытового холодильника [5]. В верхней части холодильника расположен испаритель (1). Он изготавливается из двух слоев алюминия, между которыми проходит множество желобков. По ним циркулирует холодильный агент (хладон) - сжиженный газ, который способен кипеть при низкой температуре. Пары сжиженного газа из испарителя засасываются по одной из трубок (5) компрессором (2) и сжимаются. В результате повышения давления (в 6-10 раз больше атмосферного) их температура возрастает и становится на 15-20°С выше температуры окружающей среды. Далее хладон поступает в конденсатор (3). Это зигзагообразная трубка, укрепленная снаружи на задней стенке холодильника. Здесь хладон отдает свое тепло окружающему воздуху (по существу, греет комнату) и, остывая, конденсируется - превращается в жидкость. Но кипеть он здесь не может - мешает высокое давление. Дальше хладон пропускают через тонкую трубку-капилляр (6), где давление его резко снижается, становясь почти равным атмосферному. Поступая затем в испаритель, хладон начинает кипеть и испаряться при минусовой температуре благодаря низкому давлению. Снижению давления способствует работа компрессора, отсасывающего пары хладона из испарителя. На кипение и испарение холодильного агента расходуется тепло, отбираемое из холодильной камеры, - и продукты охлаждаются. Цикл регулярно повторяется.

Обычно применяются модели холодильников с одним и с двумя компрессорами. В случае двух компрессоров конструкция реализована подобным образом: в каждой камере (холодильной и морозильной) реализована автономная система охлаждения, что позволяет независимо регулировать температуру и отключать неиспользуемые камеры.

Для чего это делается? Если холодильник приходится оставлять на долгий срок без присмотра, можно отключить любую камеру независимо, оставив работать только одну.

В холодильниках с одним компрессором для раздельного управления работой камер используется электромагнитный клапан, регулирующий подачу хладагента к испарителям.

В этом случае в бытовом применении не будет ощущаться разница между однокомпрессорными и двухкомпрессорными холодильниками. Но при этом отключить только одну из камер, оставив работать вторую, будет нельзя.

Недостатки двухкомпрессорных моделей по сравнению с однокомпрессорными:

Дороговизна.

Меньшая надёжность. Больше компонентов и межкомпонентных связей означает меньшую надёжность и вероятность безотказной работы.

Достоинства:

Предполагается, что при отказе одного компрессора, второй будет работать и не приведёт к поломке холодильника.

Рисунок 1.2 - Компрессионный холодильник

Проанализировав данные сведения, я делаю вывод, что данное преимущество ничтожно. Получается наполовину неисправный холодильник, одна из камер которого не работает. Для достижения вышеуказанной цели стоило бы обеспечивать работу второго компрессора при поломке первого на обе камеры сразу, по принципу резервирования.

Что касается разрабатываемого устройства, можно сказать: такие автохолодильники быстрее всего набирают холод, но наименее энергоемки. Таким образом, они нуждаются в дополнительном питании, не от общей автомобильной сети.

.2.2 Холодильники абсорбционного типа

Принцип действия абсорбционного холодильника можно сказать, похож на принцип действия компрессионного. Охлаждение тоже происходит через испарение хладагента.

Но существует принципиальное отличие. Процесс циркуляции хладагента происходит путём растворения его в какой-либо жидкости, в наиболее простом варианте - воде.

Достоинства абсорбционных холодильников:

Бесшумность.

Нет подвижных элементов, следовательно, трения, соприкосновения контактов и т.п. Это значительно снижает механический износ.

Можно отнести к плюсам работу от тепла, получаемого при сжигании некого топлива.

Компактность. Его легко разместить даже в небольших автомобилях.

Экономичность.

Возможность автономной работы.

Возможность использования в любых условиях.

Недостатки абсорбционных холодильников:

Чувствительность к положению в пространстве очень сильная. Это не позволяет использовать их в качестве холодильного агрегата для автохолодильника.

Тем не менее, для общей информации и создания целостной картины, разберём так же работу и этих холодильных агрегатов.

Так же холодильники абсорбционного типа имеют невысокие показатели по холодопроизводительности.

Используют как хладагент ядовитый для потребителя и окружающей среды аммиак.

Холодильники абсорбционного типа мало используются в бытовых целях. Их чаще применяют на промышленных предприятиях, из-за экономичности во многих случаях процесса генерации энергии при горении топлива по сравнении с электроэнергией.

Рассмотрим принцип работы абсорбционных холодильных машин. Согласно руководствам по ремонту бытовых холодильников, их устройство и принцип работы такие [5].

Опишем конструкцию абсорбционного холодильника.

Основные узлы агрегата:

генератор - выработка аммиачного пара и подъем слабого раствора на высоту слива в абсорбер;

конденсатор - конденсация паров аммиака;

испаритель - испарение жидкого аммиака с образованием холода;

абсорбер - поглощение пара аммиака водоаммиачным раствором (процесс абсорбции);

электронагреватель - нагрев водоаммиачного раствора в генераторе.

Принцип работы холодильного агрегата абсорбционного типа заключается в следующем. Концентрированный раствор постоянно нагревается в кипятильнике 1 (рисунок 3.1) до температуры кипения каким-либо источником тепла (электрическим, газовым и т.д.).

Рисунок 1.3 - Схема холодильного агрегата абсорбционного типа:

- кипятильник: 2 - дефлегматор: 3 - конденсатор: 4 - испаритель; 5 - абсорбер

Так как температура кипения хладагента значительно ниже температуры кипения растворителя абсорбента), то в процессе выпаривания концентрированного раствора из кипятильника выходят концентрированные пары хладагента с небольшим количеством растворителя. На пути движения к конденсатору концентрированные пары хладагента проходят специальный теплообменный аппарат (дефлегматор 2), в котором происходит частичная конденсация концентрированных паров. При этом образовавшийся конденсат стекает в слабый раствор, входящий из кипятильника, а более концентрированные пары хладагента поступают в конденсатор 3. Высококонцентрированный жидкий хладагент из конденсатора поступает в испаритель 4, где он закипает при отрицательной температуре, отбирая тепло из холодильной камеры. Слабый раствор из кипятильника поступает в абсорбер 5 и охлаждается окружающей средой до температуры начала абсорбции. Выходящие из испарителя пары хладагента также поступают в абсорбер навстречу движущемуся охлажденному слабому раствору. В абсорбере происходит процесс поглощения (абсорбции) паров хладагента слабым раствором. При этом выделяется некоторое количество теплоты абсорбции (смешения) в окружающую среду Образовавшийся в абсорбере концентрированный раствор термонасосом передается в кипятильник.

Циркуляция раствора и хладагента осуществляется непрерывно, пока работают кипятильник и термонасос, обогреваемые одним источником тепла. Таким образом, в абсорбционном холодильном агрегате непрерывного действия роль всасывающей части механического компрессора выполняется абсорбером, а нагнетательной - термонасосом.

Для повышения эффективности холодильного цикла абсорбционной холодильной машины используют также теплообменники жидкостные и паровые, которые сокращают непроизводительные потери тепла.

.2.3 Термоэлектрический холодильник

Работа термоэлектрического холодильника обеспечивается элементами Пельтье.

Согласно Большой Советской Энциклопедии, эффект Пельтье есть выделение или поглощение тепла при прохождении электрического тока через контакт (спай) двух различных проводников. Выделение тепла сменяется поглощением при изменении направления тока.

Согласно описаниям ремонта типовых термоэлектрических холодильников, охлаждение на элементах Пельтье можно рассматривать по следующей схеме.

Рисунок 1.4 - Схема термоэлектрического холодильника (а) и схема работы термоэлемента (б)

Термобатарея, состоящая из двух различных полупроводниковых термоэлементов n и р, размещается в толщине одной из стенок холодильной камеры так, чтобы холодные спаи были обращены в холодильную камеру, а горячие - в более теплую окружающую среду. Спаи термоэлементов выполняются в виде коммутационных пластин, хорошо проводящих электрический ток. Эти пластины обычно соединяются с ребристыми радиаторами которые увеличивают поверхность и, следовательно, интенсивность передачи тепла холодным спаям из холодильной камеры и от горячих спаев в окружающую среду.

К конечным элементам термобатареи подключается источник постоянного тока. При этом в зависимости от назначения холодильника в качестве источника постоянного тока может служить электрический аккумулятор (батарея) или генератор постоянного тока. В стационарных условиях эксплуатации постоянный ток питания термобатареи получается обычно с использованием выпрямителя, подключаемого к сети переменного тока.

При направлении постоянного тока, указанном на рисунке 1 б) стрелками, ток со стороны холодных спаев термобатареи оказывается направленным от термоэлемента n к термоэлементу р, а со стороны горячих спаев наоборот - от р к n. Разность направления движения зарядов постоянного тока через два термоэлемента из различных материалов и вызывает перепад температур на их концах.

Если направление постоянного тока изменить на противоположное, то в верхних спаях термобатареи ток будет идти от р к n и они будут уже нагреваться, а не охлаждаться, как ранее. Таким образом, изменяя направление питающего постоянного тока, можно легко изменить режим работы термобатареи с охлаждения на нагревание воздуха в среде ограниченного объема.

Аппарат термоэлектрического охлаждения представляет собой батарею, состоящую из отдельных последовательно спаянных между собой полупроводниковых термоэлементов.

Холодильник на элементах Пельтье часто используют в качестве переносных, автомобильных холодильников, а так же в кулерах для охлаждения воды.

Преимущества холодильников на элементах Пельтье:

Низкая чувствительность к вибрации и изменению положения;

Малый уровень шума;

Возможность не только охлаждения, но и нагревания.

Надёжность

Недостатки:

Малый объем;

Долгое время выхода на рабочий режим;

Дороговизна;

Малая эффективность.

.2.4 Холодильники на вихревых охладителях

Принцип действия холодильников на вихревых охладителях основан на эффекте Ранка-Хильша. Охлаждение происходит посредством расширения воздуха в вихревой трубе. Воздух предварительно сжимается специальными воздушными компрессорами.

Достоинства холодильников на вихревых охладителях:

Электробезопасность конструкции;

Механическая безопасность и надёжность. Нет износа в результете трения движущихся элементов.

Химическая безопасность. Отсутствуют химически активные вещества и соединения, основную работу хладагента выполняет воздух.

Высокая экологичность, опять-таки из-за отсутствия активных химических соединений. Нет ни опасности загрязнения окружающей среды, ни особых условий утилизации.

Недостатки вихревых охладителей для холодильных машин:

Необходимости подвода сжатого воздуха;

Высокий расход сжатого воздуха;

Невысокий КПД;

Высокий уровень шума.

Данный недостаток решается методами шумоизоляции и шумоподавления. Но в авторефрижераторной технике не настолько актуальна малошумная работа, так как шум происходит из-за двигателей машин, движения по дорогам, так же высокий уровень городского шума. Однако преимущество безопасности и экологичности актуально из-за более тяжёлых последствий аварий обычных авторефрижераторов вследствие высокой химической опасности тех.

Опишем принцип действия холодильника на вихревых трубах [7].

Вихревой эффект (эффект Ранка-Хильша) наблюдается в вихревых трубах (рисунок 1.5).

Воздух с массовым расходом Gвх при температуре окружающей среды и давлении 0,3-0,8 МПа поступает в цилиндрическую трубу через тангенциальное сопло по касательной к внутренней поверхности. Поступивший в трубу воздух совершает вращательное движение в пространстве, которое с одной стороны ограничено диафрагмой с центральным отверстием, а с другой - дроссельным вентилем.

Рисунок 1.5 - Принципиальная схема вихревой трубы:

- дроссельный вентиль; 2 - холодный конец; 3 - сопло; 4 - диафрагма; 5 - теплый конец

С термодинамической точки зрения процессы, происходящие в вихревой трубе, сводятся к тому, что воздух, находящийся вблизи оси трубы и имеющий меньшую линейную скорость, отдает кинетическую энергию остальной массе воздуха и поэтому охлаждается. Другая часть воздуха, находящаяся на периферии вблизи стенок трубы, воспринимает эту энергию и нагревается. Холодный воздух в количестве Gх выходит через центральное отверстие в диафрагме, а с другой стороны трубы через дроссельный вентиль выходит теплый воздух в количестве

т = Gвх - Gх.

Количество воздуха в теплом и холодном потоках можно регулировать дроссельным вентилем. При этом изменяются не только доли теплого и холодного потоков воздуха, но и их температуры. Температуру холодного воздуха можно получить на 30-80 градусов ниже начальной температуры. Наиболее низкие температуры холодного потока наблюдаются при доле холодного воздуха около 30%.

Большие необратимые потери при расширении в вихревой трубе предопределяют большие энергетические затраты, которые значительно превышают затраты при изоэнтропном расширении с совершением внешней работы. Простота конструкции вихревой трубы обусловила ее практическое применение в ряде случаев, когда энергетическая сторона вопроса не столь существенна, например, при периодической потребности в охлаждении. Данный способ получения низких температур применяется в вихревых холодильных машинах.

.3 Особенности авторефрижераторов

Авторефрижераторы предназначены для транспортировки замороженного и охлажденного груза. Они представляют собой транспорт с большим контейнером, который оборудован холодильной установкой [8].

Стандартные холодильные установки в авторефрижераторах могут поддерживать температуру внутри контейнера от +20 до -25°С. Реализуется это автоматически, посредством термостатирования. Управление авторефрижератором осуществляется двумя способами.

Первый, более старый и простой, - с помощью электромеханической системы управления. Этот способ надёжнее и проще.

Второй, более новый и современный - с помощью микроконтроллера. Так обеспечивается более высокая точность, скорость реакции на внешние изменения и гораздо большая функциональность.

Последний способ управления позволяет точно настроить температуру в соответствии с актуальными требованиями, установить нужные показатели.

Как правило, авторефрижераторы приобретаются и эксплуатируются производственными предприятиями для транспортировки товара.

Разновидности авторефрижераторов могут быть следующими.

Авторефрижераторы классифицируются на:

мультитемпературные;

однообъемные;

многодверные;

изделия, оснащённые стеллажами;

конструкции, предназначенные для транспортировки тушек;

изделия, оборудованные профилем для фиксации груза и т.д.

Для каждого вида продукции используется определённый вид контейнера. Также его параметры учитываются, исходя из вида транспортного средства, которое будет применено для перевозки.

Рассмотрим конструкцию существующих авторефрижераторов.

Обычно авторефрижераторы включают в себя два основных компонента: собственно холодильную установку и изотермический корпус.

Холодильные установки - типичные, из рассмотренных выше типов.

Корпус представляет собой контейнер с хорошей теплоизоляцией.

Холодильные установки используются в контейнерах разного класса и габаритов. Мощность требуемой холодильной установки зависит от многих параметров, таких, как размеры фургона, требуемый режим (охлаждение, заморозка), эффективность теплоизоляции.

В стандартных авторефрижераторах используют компрессионные холодильные агрегаты.

Компрессор может приводиться во вращение несколькими способами. В основном это:

Сам двигатель автомобиля;

Электродвигатель.

Отдельный дизельный двигатель. Он устанавливается в самом авторефрижераторном фургоне.

Гидропривод. Он используется очень ограниченно.

На испарителе устанавливаются вентиляторы. Они осуществляют охлаждение авторефрижераторного фургона.

Чтобы хладагент в конденсаторе лучше охлаждался, обычно, на нём тоже ставят вентиляторы.

Рассмотрим подробнее популярные виды установок.

.3.1 Привод от двигателя автомобиля

Такие агрегаты называют авторефрижераторами с прямым приводом.

В их конструкцию входит приводной ремень, посредством которого вращается компрессор. Ремень может быть клиновидный или эластичный. Работают они так: на валу компрессора размещается электромагнитная муфта сцепления. Она переключается во время переключения холодильного агрегата. Вентиляторы конденсатора и испарителя работают от электричества автомобиля.

Примеры: Carrier модельных рядов ZEPHYR, INTEGRA, XARIOS, VIENTO, Thermo King - Vx00.

.3.2 Электродвигатель

В качестве привода компрессора может быть электродвигатель постоянного тока (обычно 12 или 24 Вольт).

Их достоинства:

простота установки;

занимают мало места;

нет привязки размещения компрессора к двигателю автомобиля.

Пример - Carrier Neos 100В

.3.3 Дизельный двигатель

Дизель через центробежную муфту вращает компрессор и далее через сеть ременных передач - турбины испарителя и конденсатора, а также генератор для подзарядки аккумулятора. В некоторых случаях они могут работать от стояночного электродвигателя. Примеры: Carrier Transicold SUPRA, OASIS, ULTRA, MAXIMA, GENESIS и Thermo King KD, MD, RD, URD, TS, SB, SMX, SL.

.3.4 Дизель-электрические приводы

Дизель приводит во вращение генератор переменного трёхфазного тока, а вся холодильная установка питается него. Вентиляторы воздухоохладителя и конденсатора - электрические, оттайка производится ТЭН-ами.

Примеры: Carrier Transicold VECTOR или различные модификации Frigoblock и TRS.

.3.5 Эвтектоидные авторефрижераторы

Компрессор во время движения транспортного средства не работает. Привод - только электрический. Холодоотдача происходит за счет аккумулирования холода в специальных плитах заполненных жидкостью, например антифризом или тосолом, во время работы холодильной машины.

.4 Обзор существующих моделей авторефрижераторов и их конструктивных особенностей

Рассмотрим различные варианты моделей авторефрижераторов на основе патентов [7].

Рисунок 1.6

Рисунок 1.7 а)


Рисунок 1.7 б)

Рисунок 1.8

Рисунок 1.9 а)

Рисунок 1.9 б)

Рисунок 1.10



Рисунок 1.11 а)

Рисунок 1.11 б

Рисунок 1.11 в)

Рисунок 1.11 г)

Рисунок 1.12

.5 Обзор существующих решений по холодильной технике на вихревых трубах

Рисунок 1.13

Рисунок 1.14

Рисунок 1.15

Рисунок 1.15

Рисунок 1.16

2. Конструкторская часть

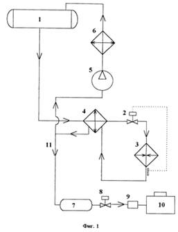
.1 Разработка структурной схемы

Для реализации авторефрижератора на базе охладителя поостренного на использовании вихревой трубы, с обеспечением возможности как охлаждения так и нагревания необходимо использовать:

) Камера с теплоизоляционным материалом

Для автотранспортных средств наиболее частым является использование рефконтейнеров; термоконтейнеров.

Определим характеристики термоконтейнера исходя из таблицы типовых размеров контейнеров

Для определение предельных характеристик рассмотрим контейнеры, обладающие максимальным объемом перевозимых грузов - стандартный контейнер 40 футов.

Таблица 2.1. Типовые размеры контейнеров


Стандартный контейнер (Dry Cube)

Высокий (High Cube)

Термо- рефконтейнер (Dry Cube)

Термо- рефконтейнер (High Cube)

Размеры контейнера футов:

40

40

40

40


внешние

внутренние

внешние

внешние

внешние

внутренние

внешние

внутренние

12192

12093

12192

12192

12192

11658

12192

11658

Ширина, мм

2438

2350

2438

2438

2438

2282

2438

2282

Высота, мм

2591

2372

2896

2591

2591

2252

2896

2557

Размеры дверного проёма:





Ширина, мм

2336

2340

2336

2340

Высота, мм

2291

2597

2291

2597

Весовые параметры:

Максимальная масса, т

28

32



Собственный вес тары (нетто), т

3,6

3,7

4,5

4,8

Грузоподъемность, т

24,4

28,3

23,5

27,2

Полезный объем куб. м.

67,4

77,0

60,0

68,0



Основные технические характеристики термо- рефконтейнеров:

Температурный режим - от -25С до +25С

Теплоизоляция - пенополиуретан ≈80 мм

Внутренняя обшивка - пищевая нержавеющая сталь

) Вихревой охладитель

) Компрессор

) Система клапанов для обеспечения возможности переключения режимов обогрев/охлаждение

) Система передачи мощности от двигателя/бортовой электросети к компрессору

.2 Определение тепловой мощности

Для расчета необходимой мощности установки определим тепловой поток через обшивку рефконтейнера [9].

 (2.1)

где F - площадь теплообмена, м2Г - температура горячего телаХ - температура холодного тела’ - термическое сопротивление на единицу площади

 ( 2.2)

где α - коэффициенты теплоотдачи - толщины материалов, м

λ - коэффициент теплопроводности

При определении коэффициента теплоотдачи следует учитывать что процесс передачи тепла является сложной комбинацией процессов придачи теплоты конвекцией, процессов излучения тепла,.

Для технических расчетов принято определять основной процесс передачи и проводить расчет согласно, основного процесса теплопереноса.

При рассмотрении авторефконтейнеров следует рассмотреть следующие аспекты.

Рефконтейнеры изготавливаются с применением листов нержавеющей стали внутри. Нержавеющая сталь обладает высоким коэффициентом отражения вследствие чего основным фактором переноса теплоты будет перенос теплоты посредством теплопроводности.

Внутренний слой теплоизолирующего материалы (как правило используется пенополиуретан, обладающего пористой структурой имеющей одновременно теплоизолирующими свойствами как по направлению передачи излучением так и передачи посредством теплопроводности, в технических расчетах подобных материалов основным направлением расчета принято рассматривать теплопередачу посредством теплопроводности.

Наружные стенки рефкойнтейнеров изготавливаются из конструкционных сталей. Т.к. стенки кроме оградительной функции выполняют роль несущего каркаса. Для повышения прочностных характеристик которого применяются профилированный металлопрокат , являющийся основной несущей конструкцией, и профилированные стенки обладающий повешенной жесткостью. Типовым считается применение светлых тонов при окраске наружных поверхностей, исключением является использование цветографических схем спецавтотранспорта и торгово-транспортных сетей.

Вследствие чего основным фактором также слетается принять перенос теплоты посредством теплопроводности.

При рассмотрении системы авторефконтейнера при движении автотранспортного средства возникает также вопрос анализа влияния воздушных потоков на тепловые характеристики. При проектировании универсального теплоизоляционного контейнера который можно использовать на различных марках и моделях автотранспортных средств (пример использование как непосредственно на автомобилях различных категорий, так и на прицепных устройствах различного строения). рассмотрение этого вопроса чрезмерно усложняет процесс проектирования при незначительных улучшениях характерных для определенных моделей при определенных условиях внешней среды. По этой причине рассмотрение данного вопроса при проектирование авторефконтейнеров считается нецелесообразным.

Основными формулами расчета принимаются формулы 2.1-2.2.

Коэффициент теплоотдачи для рассматриваемой системы при максимальной разнице температур Δ60°С (+30 °С забортная, -30°С внутренняя). Является равным 7,125

Сталь конструкционная

коэффициент теплопроводности 58

толщина 2 мм (2*10-3 м)

Сталь нержавеющая

Сталь конструкционная

коэффициент теплопроводности 17,5

толщина 2 мм (2*10-3 м)

Пенополиуретан

коэффициент теплопроводности 0,029

толщина 80 мм (8*10-2 м)


Рассчитаем максимальную площадь теплопередачи (расчёт максимальной площади необходим для рассмотрения наиболее худших условий эксплуатации определяющих максимальную требуемую холодопроизводительности системы охлаждения).

Таблица 2.2

Длина, мм

Ширина/высота, мм

Количество поверхностей, ед.

Площадь поверхности, м2

11658

2282

2

53,20711

11658

2557

2

59,61901

2282

2557

2

11,67015



Итого

124,4963


Таким образом максимальная площадь термо- рефконтейнера участвующая в процессе переноса теплоты составляет 124,5 м2.


Таким образом, количество тепла поступающее через поверхность авторефконтейнера составляет 2457,664 Вт в час.

Следовательно мощность охлаждающей системы должна обеспечивать хладопроизводительность не менее 2457,664 Вт.

С учетом коээфициента запаса компенсирующего незначительные отклонения характеристик, условий эксплуатации равным 1,5 получим


Примем расчетной мощностью хладоустановки мощность 3700 Вт.

2.3 Расчет вихревого охладителя

В качестве исходных данных для расчёта размеров вихревой камеры принимались: диаметр вихревой зоны - Dvz, мм; удельный массовый расход холодного потока - µ; давление сжатого воздуха на входе вихревой камеры - Р0, Па; температура входного воздуха - Т0, °С. Расчётные зависимости были получены в результате выполненных ранее предварительных исследований работы вихревой трубы и с учётом рекомендаций [10].

Площадь сопла для ввода сжатого воздуха, мм2:

 (2.3)

Высота сопла, мм:

. (2.4)

Ширина сопла, мм:

. (2.5)

Диаметр диафрагмы для выхода холодного потока воздуха из вихревой зоны, мм:

. (2.6)

Диаметр диафрагмы для выхода горячего потока воздуха из вихревой зоны, мм:

. (2.7)

холодильный замораживание рефрижераторный вихревой

Длина вихревой зоны трубы, мм:

. (2.8)

Расход сжатого воздуха, кг/с:

. (2.9)

Снижение температуры холодного воздуха относительно температуры воздуха на входе вихревой камеры при сухом воздухе, К:

 (2.10)

где η - температурная эффективность (для µ =0,25 - η=0,5; для µ=0,5 - η=0,3; для µ=0,75- η=0,26);  - степень расширения воздуха; Рк - давление холодного потока воздуха, Па.

Массовый расход холодного потока воздуха, кг/с:

. (2.11)

Средняя хододопроизводительность, Вт:

. (2.12)

В качестве исходных данных для расчёта вихревой трубы по заданной величине холодопроизводительности принимается: удельный массовый расход холодного потока - µ; требуемую величину холодопроизводительности - Qк, Вт; давление на входе вихревой камеры - P0, атм; температуру входного воздуха - Т0, К. Расчёт производится с использованием зависимостей (2.3-2.12) в следующем порядке.

Ориентировочная величина снижения температуры холодного воздуха относительно температуры воздуха на входе вихревой камеры определяется по формуле (2.10).

Расход сжатого воздуха, кг/с:

 (2.13)

Площадь сопла для ввода сжатого воздуха, мм2:

 (2.14)

Высота сопла определяется по формуле (2.4).

Ширина сопла определяется по формуле (2.5).

Диаметр штуцера для ввода сжатого воздуха, мм:

 (2.15)

Диаметр вихревой зоны, мм:

 (2.16)

Длина вихревой трубы определяется по формуле (2.8). Диаметр диафрагмы для выхода холодного потока воздуха из вихревой зоны определяется по формуле (2.6). Диаметр диафрагмы для выхода горячего потока воздуха из вихревой зоны определяется по формуле (2.17).

Диаметр штуцера для выхода холодного потока воздуха, мм:

 (2.17)

Диаметр штуцера для выхода горячего потока воздуха, мм:

 (2.18)

Определение необходимого давления компрессора


Согласно 2.10


Рк= 15 154 538,31 Па

Расход сжатого воздуха, кг/с


Площадь сопла для ввода сжатого воздуха, м2


Высота сопла, м


Ширина сопла, м:


Диаметр штуцера для ввода сжатого воздуха, м:


Диаметр вихревой зоны, м:


Длина вихревой зоны трубы, м:

Диаметр диафрагмы для выхода холодного потока воздуха из вихревой зоны, м:

.

Диаметр штуцера для выхода холодного потока воздуха, м:


Диаметр диафрагмы для выхода горячего потока воздуха из вихревой зоны, м:

.

Диаметр штуцера для выхода горячего потока воздуха, м:


Таким образом, для работы системы необходим компрессор с рабочим давлением

154 538,31 Па/101,3кПа=149,6 атм

И производительностью по воздуху

,082кг / 29 г/моль *22,4моль/л=63,337 л

Что соответствует 0,063 м3.

Используем компрессор высокого давления CompAir Reavellмодель HA10

Информация о компрессоре - HAI10

Модель HAI10 Hz 50

Серия Reavell

Описание Технический воздух для, Технический воздух и газ, Оборонные применения

Сжатый газ воздуха

Производительность подачи воздуха, при номинальном давлении (m3/min) 0.121 до 0.136

Максимальное или номинальное рабочее давление (bar g) 150 до 350

Мощность двигателя (kW) 4 до 6

Длина (mm) 1020

Ширина (mm) 490

Высота (mm) 640

Вес (kg) 120

Тип двигателя Petrol

Система охлаждения Воздушное охлаждение

Номинальное давление: 150 Bar g,

Производительность подачи воздуха = 0.136 m3/min

Мощность двигателя (кВт) 6

Дополнительная информация:Petrol Engine Package

На рисунке, представлено изображение опцию, для использования в дыхательных системах - Конфигурация, для подачи технического воздуха является аналогичной, за исключением установки шлангов.

Входное давление = 1 Бар, если иначе не указано

Рисунок 2.1 - Компрессор высокого давления CompAir Reavell модель HA10

Таким образом, для функционирования данного компрессора необходимо обеспечить подвод мощности равной 6 кВт или 8,16 л.с. при 3600 об-1.

Для обеспечения стабильного подведения данной мощности при сохранении указанного числа оборотов входного вала при отборе мощности от двигателя автомобиля необходимо использовать редуктор с переменным коэффициентом передачи. Наиболее эффективно использование вариаторов позволяющих бесступенчато изменять коэффициент передачи.

Для регулировки подачи нагретого/охлажденного воздуха в рефконтейнер используем сервовентиль.

Для обеспечения функционирования системы необходимо использовать 5 сервовентилей.

Для управления сервовентилями используем дешифратор PCA 9538, позволяющий посредством 1 подключения по шине I2C (2 проводная шина), управлять всеми вентилями, сохраняя минимальное колличество подключений.

В качестве сервовентелей используем сервовентиль, управляемый шаговым электродвигателем DN-10-10.010.126 sds - PA66 G1/2 производства A.u.K. Muller. Для управления сервовентилем при использовании демультиплексора - дешифратора PCA 9538, используем цифровые транзисторы DTC114ES, т.к. мощность выходного сигнала демультиплексора недостаточна для непосредственного управления. После установления на выходах уровней соответствующих коду, полученному по I2C интерфейсу на выходе INT (инверсный) лог "0" открывается pnp цифровой транзистор DTC143TS - разрешающий работу управляющих сервовентилем выходов посредством передачи управляющего сигнала на соответствующие транзисторы.

Схема включения представлена на рисунке 2.3.

Для контроля температуры используем SPI/I2C Compatible, Temperature Sensor, Four Channel ADC and Quad Voltage Output DAC 7518 - термодатчик Analog Devices со встроенным аналого-цифровым преобразователем позволяющим подключать его напрямую по интерфейсам I2C и SPI. Используем интерфейс I2C позволяющий подключать все термодатчики по единой 2-х проводной шине к микроконтроллеру, благодаря чему можно разместить любое количество термодатчиков в авторефконтейнере.

Рисунок 2.2 - Блок управления сервовентелем DN-10-10.010.126 sds - PA66 G1/2

.4 Аспекты эксплуатации вихревых охладителей в автотранспорте

Таким образом спроектированная холодильная установка может применяться при создании рефрижераторов как на базе стандартных рефконтейнеров, с типовыми масо-габаритными характеристиками, позволяющими использовать их как в наземном авто и железнодорожный транспорт так и в морском транспорте. Таким образом, обеспечивая любую заданную температуру в диапазоне от +30°С до -30°С, внутри рефконтейнера за счет возможности подачи как охлажденного, так и нагретого воздуха, при температуре окружающей среды от +30°С до -30°С, что перекрывает стандартный диапазон от +25°С до -25°С, без возможности поддержания положительных температур при отрицательной температуре окружающего воздуха неограниченно долго..

Разработанная система охлаждения позволяет использовать ее при построении рефрижераторов с полезным объемом до 68 куб. м., энергетическая потребность составила 8,16 л.с. Данная мощность приемлема при построении автохолодильников как на базе грузового автотранспорта среднего и тяжелого класса (т.е. применимо как к небольшим автомобилям типа "Газель" или "Ford Trasit", так и к грузовым автомобилям типа "Камаз", "Scania" как с непосредственным размещение рефконтейнера, так и с отдельным размещение рефконтейнера на прицепах и полу-прицепах.

С точки зрения эксплуатационных характеристик, переход к системе в которой отсутствуют жидкости и сжиженные газы, повышает ее надежность и безопасность как с точки зрения сохранности груза, так по аспекту экологического воздействия на среду.

При работе системы охлаждения/нагрева воздуха отсутствуют более холодные поверхности, участвующие в непосредственном охлаждении, и как следствие система не подвержена образованию инея, при этом отсутствует необходимость в так называемых" циклах оттаивания" системы применяемых в бытовых и промышленных холодильных установках оборудованных системой "NoFrost".

Путями модернизации разработанного устройства является использование резервных источников сжатого воздуха (баллоны высокого давления), и/или использование электрических компрессоров. При проектировании авторефрижератора использование баллонов высокого давления не является критичным, исключая случаев доставки особо ценных грузов, таких как медикаменты, химреактивы. Использование электропитания создаст высокую нагрузку на бортовую сеть автотранспорта при напряжении бортовой сети 12В 500А, 24В 250А, такие токи не являются приемлемыми как с точки зрения автотранспорта, так и по безопасности.

Порядок проведения погрузочно-разгрузочных работ.

Погрузочно-разгрузочные работы производить 1) в непосредственно установленный рефконтейнер на транспортном средстве 2) погрузка в отдельно стоящий рефконтейнер. При погрузке товара необходимо обеспечить свободное прохождение воздушного потока вдоль всего товара. После проведения погрузки варианта 2 контейнер закрывается соответствующими задвижками, Производится погрузка либо специализированным погрузчиком контейнеров, либо автокраном. После погрузки необходимо зафиксировать контейнер специализированными крепежными элементами twistlock и перевести крепление в фиксирующее положение. После установки рефконтейнера необходимо подключить входной вал вариатора к валу отбора мощности автомобиля. Произвести запуск двигателя автомобиля, убедиться что вращение вала передается в рефконтейнер, проверить поступает ли воздух с компрессора, выбрать требуемое положение сервоклапанов для обеспечения нагревания или охлаждения груза, проверить поступает ли нагреты или охлажденный в зависимости от выставленных настроек воздух в рефконтейнер, зарыть и опечатать входные двери.

Разгрузку проводить в обратном порядке.

Поддерживаются оба варианта разгрузки как со снятием рефконтейнера с транспортного средства так и без.

3. Маркетинговая часть

.1 Обзор рынка

Рассмотрим некоторые авторефрижераторы, выпускаемые различными компаниями.

Авторефрижераторы "РЕФ ОРИГИНАЛ" компании РЕФ. Например, холодильная установка REF-600Z для поддержания температуры -18°C круглый год, в изотермическом фургоне объемом до 36 м3, или для поддержания температуры +5°C для версии REF-600Z круглый год, в изотермическом фургоне объемом до 50 м3. Средняя цена такой установки составляет 145 000 руб. Холодильная установка REF-100х или REF-100хт для поддержания температуры -10°C для версии REF-100х или -10°C - + 8°C для версии REF-100хт круглый год, в изотермическом фургоне объемом до 10 м3. Средняя цена составляет 75 000 руб. [11].

Завод автофургонов "Пеликан вэн" производит, например, Carrier Viento 200 R404a. Этот фургон поддерживает 0°С в фургоне при температуре окружающей среды 30°С; -20°С в фургоне при температуре окружающей среды 30°С. Его средняя цена составляет от 168500 руб [12].

Авторефрижератор ЭЛИНЖ Серия-1 предназначен для охлаждения грузов в изотермическом фургоне объемом 6-10 м3. Монтируется на автомобили ГАЗель с фургоном 10-11 м3. Холодопроизводительность системы достаточна для охлаждения грузов в фургоне ГАЗели до температуры 0°С. Также установка может использоваться для охлаждения продуктов в изотермическом фургона объёмом 6 м3 до температуры -20°С. Его стоимость может составлять 96000 руб [13].UFZ 348 - Холодильный агрегат с прямым приводом компрессора от двигателя автомобиля. Предназначен для автоматического поддержания температурного режима при транспортировке скоропортящихся продуктов в изотермических кузовах объемом от 35 до 62 куб.м. -20°С в фургоне при температуре окружающей среды 30°С. Его стоимость начинается от 510900 руб. [14].

Стоимость приведена только самой авторефрижераторной установки. Она зависит от многих факторов. Основной из них - это холодопроизводительность при определённом объёме кузова. Нетрудно заметить, что модельные ряды множества компаний различны и включают различные типы авторефрижераторных установок.

Каждый модельный ряд требует отдельных расчётов и собственных производственных линий.

Разрабатываемая установка может применяться для широких пределов объёмов контейнеров. Простота конструкции, одно из основных достоинств вихревых охладителей, позволяет в значительной степени типизировать и удешевить производственные процессы.

Второй аспект, позволяющий внедрять разрабатываемую установку - акцент на импортозамещение в производстве. Заметим, что вихревые трубы наиболее активно исследовались и применялись именно в Советском Союзе.

Для этого приведём некоторые сведения из истории вихревых труб.

Вихревая труба была изобретена Ж. Ранке, французским инженером, ещё в конце 20-х годов XX века. Уже в конце 1931 г. Ранке подаёт заявку на изобретенное устройство, названное им "вихревой трубой". Но получить патент ему удаётся только в 1934 г. в Америке (Патент США №1952281). Более 20-ти лет открытие Ранке игнорировалось. И лишь в 1946 г. немецкий физик Р. Хильш опубликовал работу об экспериментальных исследованиях вихревой трубы, в которой дал рекомендации для конструирования таких устройств.

Но ещё в 1937 г. советский ученый К. Страхович, не зная об опытах Ранке, в курсе лекций по прикладной газодинамике теоретически доказывал, что во вращающихся потоках газа должны возникать разности температур. Однако только после второй мировой войны началось широкое применение вихревого эффекта.

Для нас наиболее интересны работы ленинградца В.Е. Финько, который обратил внимание на ряд парадоксов вихревой трубы, разрабатывая вихревой охладитель газов для получения сверхнизких температур. Это потом помогло разобраться и с работой вихревого теплогенератора Потапову.

Юрий Семёнович Потапов в 1987 г. возглавляет в г. Кишинёве негосударственную Научно-техническую и внедренческую фирму "ВИЗИР". В 1988 г. к фирме обращаются пожарные с просьбой разработать компактное устройство для охлаждения пожарных скафандров. Потапов в качестве такого устройства выбирает трубку Ранке. Труба успешно внедряется в производство, но патент Потапов получает только в 1995 г. Теплогенераторы конструкции Ю.С. Потапова - ЮСМАР были первыми серийно выпускаемыми и внедренными в эксплуатацию. Кроме ЮСМАР, малыми сериями изготавливались и поставлялись потребителям теплогенераторы: Палевича А.Ф. (патент RU 2129689 от 06.04.98 г.), Мустафаева Р.И. (патент RU 2132517 от 27.06.99 г.), Калиниченко А.Б. (патент RU 2223452 от 10.02.04 г.) и близкий по конструкции инжекторный термогенератор Курносова Н.Е (патент RU 2177591 от 27.12.01 г.), где для ускорения жидкости вместо циклона используется тангенциальное сопло.

Не имеющие аналогов первые в мире транспортные холодильники с встроенной вихревой трубой появились как серийно изготавливаемое комплектующее изделие для кабин мощных экспортных тепловозов и как средство улучшения условий труда машиниста в кабинах пригородных пассажирских дизель-поездов (а также в кабинах трактора, комбайна, авто- буса и др.) Это был проект 1968 года А.И. Азарова. В 1970-е годы вихревые трубы нового класса - неадиабатные - применены для развития испытательной базы заводами химического и нефтегазового машиностроения, а также в металлургии и энергетике. К концу 1990 г. в 160 городах число заводов-пользователей вихревой трубы превысило 1000.

Таким образом, в настоящее время существуют множество патентов и разработок российских учёных и конструкций на их основе, а так же серийно выпускающиеся устройства для охлаждения воздуха на вихревых трубах.

.2 Расчетная часть

.2.1 Расчет трудоемкости проектирования и изготовления разрабатываемого устройства

Затраты времени на проектирование конструкторской части диплома состоят из двух частей, так как конструкторская документация включает в себя графическую и текстовую части. Нормы времени на один графический документ вычисляются по формуле:

, (3.1),

где К1 - коэффициент, учитывающий формат чертежа;

К2 - коэффициент, учитывающий тип производства;

К3 - коэффициент, учитывающий масштаб изображения;

К4 - коэффициент применения аппликации;

К5 - используется при выполнении документации на экспорт.

ТР.ТАБЛ - табличное значение нормы времени на данный документ.

Нормы времени на проект. Графическая часть.

Нормы времени на разработку двух сборочных чертежей: ТР.ТАБЛ = 27,2 ч.

На разработку чертежа общего вида: ТР.ТАБЛ = 24,2.

На разработку принципиальной схемы: ТР.ТАБЛ = 15 ч.

На разработку структурной схемы: ТР.ТАБЛ = 12 ч.

К1= 1 для форматов А1.

Для серийного производства К2 = 1,1.

К3 = 1 для схем и приведённых чертежей. К4 = 1.


Нормы времени на разработку текстовой документации.

Поправочный коэффициент к типовым нормам времени для серийного производства равен 1,1.

Техническое задание: Тр = 0,5 ч.

Пояснительная записка: Тр = 4 ч.

Тробщ = 82,9 ч.

.2.2 Расчет заработной платы

Основную заработную плату проектировщика вычисляют по формуле:

, (3.2)

где Тp и Тpm - соответственно общая трудоемкость проектирования конструкторской части разрабатываемого устройства и трудоемкость проектирования с использованием ПЭВМ, час;

Оp и Оpm - соответственно оклады разработчика и программиста, руб.;и Fpm - соответственно месячный эффективный фонд времени для разработчика и программиста, час;

Все расчёты и проектирование на современном предприятии выполняется с использованием ЭВМ.


Основная заработная плата при изготовлении разрабатываемого устройства:

 или (3.3)

, (3.4)

где Оu - оклад специалиста, осуществляющего сборку и монтаж разрабатываемого устройства;

Тu - трудоемкость сборки и монтажа устройства, час;- месячный эффективный фонд времени специалиста, час;

Чu - часовая тарифная ставка, час.

 = 178,57

Дополнительная заработная плата:

, (3.5)

где КД - коэффициент, учитывающий дополнительную заработную плату на предприятии.

Доплата по районному коэффициенту:

, 3.6)

Начисления на заработную плату:

, (3.7)

где Ко - коэффициент, учитывающий отчисления на социальное страхование.

Для разработчика:

= 888,2

Для сборщика:

= 32,14


.2.3 Определение затрат на машинное время

Затраты на машинное время рассчитываются по следующей формуле:

,(3.8)

где ЗПЭВМ - стоимость одного часа работы на ПЭВМ для конкретного предприятия, руб.


Затраты на машинное время при разработке конструкторской документации 331,6 рублей.

.2.4 Определение затрат на материальные ресурсы

Затраты на листы и ватманы, а также на канцелярские принадлежности рассчитываются по формуле:

, (3.9)

где СЛ - цена одного листа;Л - количество листов;

СВ - цена одного ватмана;В - количество ватманов;

Х - непредвиденные расходы.

 руб.

Итого на проектирование конструкторской документации требуется 222,5 рублей.

Сырьё, основные материалы. Здесь учитывается затраты на основные материалы, пошедшие на изготовление продукции. Различают основные и вспомогательные материалы. Основные - те, которые непосредственно пойдут на данную продукцию, вспомогательные используются для обеспечения нормального хода технологического процесса. Затраты на сырьё и основные материалы рассчитываются по формуле 3.11.

 (3.10)

где Зм - расходы на материалы,

Ри - расход материала и-го вида,

Ци - цена материала и-го вида.

Согласно требуемой технологии производства, затраты составляют 300 рублей.

Комплектующие и полуфабрикаты. Расходы на покупаемые полуфабрикаты и комплектующие, пошедшие на изготовление данной продукции рассчитываются по формуле 3.12.

 (3.11)

где Зк - расходы на материалы,- число комплектов i-го вида,

Цi - цена комплекта i-го вида.

Общие затраты на материалы составляют 55311 руб.

.2.5 Расчет накладных расходов

Накладные расходы составляют 10% от цены спроса: НР =10000

Распределение накладных расходов определяется по трудоемкости. Общее время, потраченное на производство устройства, вычисляют по формуле:

, (3.12)

где слагаемые соответственно время проектирования и изготовления.


Накладные расходы на выполнение работ:

, (3.13)

Накладные расходы на проектирование:


На изготовление:


.2.6 Расчет себестоимости разрабатываемого устройства

На основании выполненных выше расчетов составляется таблица 3.1.

Таблица 3.1.

Себестоимость устройства

Затраты, руб.

Проектирование конструкторской части

Изготовление

1. Затраты на материалы

-

55311

2. Затраты на машинное время

331,6

-

3. Основная заработная плата

178,57

4. Дополнительная заработная плата

987

35,71

5. Доплата по районному коэффициенту

888,2

32,14

6. Начисления на заработную плату

87,73

7. Накладные расходы

9650,76

352

Итого

19216,31

55997,15

Себестоимость разрабатываемого устройства вычисляют по формуле:

,(3.14)

где Q - объем спроса устройства, шт.

 = 56381,5 руб.

3.2.7 Определение исходной цены

Для предприятия значение цены - наиболее важный показатель.

Уровень цен определяется потребителем. Существуют различные методики определения цен на товары. В дипломном проекте цены определяются по следующим методикам.

Первое значение цены соответствует себестоимости:

 (3.16)

Второе значение цены соответствует сумме себестоимости и величине налогов:

,(3.17)

где Н - рассчитанная величина всех налогов в соответствии с существующем в стране налогооблажением.

Материальные затраты на единицу изделия определяют по формуле

 (3.18)

где МПР и МИ - материальные затраты при проектировании и при изготовлении;

ОПР - затраты на машинное время при проектировании;- объем спроса;

Налог на добавленную стоимость вычисляют по формуле

=177,3

Выручку с единицы изделия вычисляют по формуле:

 (3.19)


Налог Н1 состоит из 1% от выручки и отчисляется в дорожный фонд.

Налог Н1 вычисляют по формуле

 (3.20)

Налог Н2 состоит из 3% налога на содержание милиции

Сумма налогов без учета НДС составляет:

 (3.21)

Значение второй цены равно:

 (3.22)

Прибыль

П=В-С-Н (3.23)

П=-1361,58 руб.

Налог на прибыль

Нп=0,35П (3.24)

Нп = -476,554руб.

Третье значение цены соответствует цене спроса:

, (3.25)

где Цс - цена спроса на разрабатываемое устройство, руб.

НДС = 7447,1 руб.

В = 92552,9 руб.

Н1 = 925,5 руб.

Н2 = 2776,6 руб.

П = 33533,22 руб.

Нп = 11736,6 руб.

Четвертое значение цены определяется произведением цены аналога на индекс технического уровня:

.(3.26)

НДС = 32430,4 руб.

В = 217469,6 руб.

Н1 = 2174,7 руб.

Н2 = 6524,1 руб.

П = 153453,2 руб.

Нп = 53708,6 руб.

Пятое значение цены определяется с учетом инфляции:

,(3.27)

где K1 и K2 - соответственно удельные веса материальных затрат и заработной платы в себестоимости разрабатываемого устройства;= 0,79= 0,19и k2 - соответственно инфляционные коэффициенты по материальным ресурсам и заработной плате.

руб.

НДС= 18289,7 руб.

В = 146766,3 руб.

Н1= 1467,7 руб.

Н2= 4403 руб.

Прибыль П =85578,02 руб.

Налог на прибыль Нп=29952,31 руб.

Таблица 3.2 - Налоги и прибыль

Цена, руб.

Налог, Н1

Налог, Н2

НДС

Налог на прибыль

Прибыль (без учета налога на прибыль)

56381,5

-

-

-

-

-

58807

562,042

1686,13

177,3

-476,554

-1361,58

100000

925,5

2776,6

7447,1

11736,6

33533,22

249900

2174,7

6524,1

32430,4

53708,6

153453,2

165056

1467,7

4403

18289,7

29952,31

85578,02


График зависимостей величин цены, прибыли, налогов.

Рисунок 3.1 - Соотношение цена-прибыль-налог

.2.8 Определение критического объема производства

Для каждого значения исходной цены определяется величина минимального объема производства:

,(3.25)

Где

Зпост - затраты постоянные, руб.;

Зпер - переменные затраты на единицу разрабатываемого устройства, руб.

Величина критического объема показывает, какой объем производства разрабатываемого устройства должен быть, чтобы покрыть только затраты на проектирование и изготовление при определенной цене.

, (3.26)

где T1 - затраты на проектирование конструкторской части;

Т2 - затраты на программное обеспечение;

Т3 - затраты на изготовление;

Т4 - материалы на изготовление;- сумма всех налогов;

Ц - цена;

ЗПЕР=Т4.

Для первого значения цены:

 22150,6руб.

Для второго значения цены:

Для третьего значения цены:

Для четвёртого значения цены:

Для пятого значения цены:

Вывод: выполнены расчеты цен. Себестоимость составляет 56381,5 руб. Анализ цен показал, что при возрастании цены спроса можно увеличить прибыль и соотношение налогов и прибыли.

Величина критического объема в зависимости от цены изменяется от 21 до 1 при минимальной и максимальной цене. Для пятого значения цены (165056) получаем минимальный критический объём. Это говорит о том, что продажа по пятой цене наиболее эффективна. При реализации разработанного устройства по данной цене можно получить прибыль в размере 85578,02 рубля.

Таким образом, наиболее выгодна цена реализации 165056 рублей.

Заключение

В выпускной квалификационной работе разработан универсальный рефрижератор на базе стандартного морского контейнера. Он может использоваться на контейнерах широкого диапазона типоразмеров.

В качестве охлаждающего устройства использована вихревая труба. Преимуществом её является экологичность и безопасность вследствие отсутствия хладагентов, эффективность, простота изготовления, ремонта и обслуживания.

Установка может использоваться не только в автомобильном транспорте, но так же и в морском и железнодорожном без особенной модернизации.

В первой главе выпускной квалификационной работы описаны виды холодильной техники и различные принципы её работы. Так же рассмотрены требования к хранению и замораживанию, особенности автомобильной холодильной техники и приведены примеры рефрижераторных установок. Проведён обзор существующего рефрижераторного оборудования.

Во второй главе разработана структурная схема устройства, определена тепловая мощность и, в соответствии с этим рассчитан вихревой охладитель. показано его применение в автотранспорте.

Третья глава описывает обзор рынка авторефрижераторов и показывает выгодность производства и применения рефрижераторов на вихревых охладителях на базе установки, разработанной в выпускной квалификационной работе.

Список литературы

1.       Родин А.А. Современные холодильники. - М.: Солон-Пресс, 2008 - 243с.

.         Лепаев Д.А., Коляда В.В. Ремонт холодильников. М.: Солон-Р, 2000 - 432 с.

.         ГОСТ 16317-87 Приборы холодильные электрические бытовые.

.         ГОСТ Р МЭК 62552-2011 Приборы бытовые холодильные. Характеристики и методы испытаний.

.         Cамостоятельный ремонт бытовой техники / [Электронный ресурс] / Режим доступа: http://www.elremont.ru/

.         Открытые реестры / Сайт Роспатента / [Электронный ресурс] / Режим доступа: http://www.fips.ru

.         В.М. Столетов Теоретические основы холодильной техники. Конспект лекций для студентов вузов // Режим доступа: http://gendocs.ru/v8625

.         Транспортно-Логистическая Компания "TBN company" / [Электронный ресурс] / Режим доступа: http://tbncom.com/

.         Х. Уонг Основные формулы и данные по теплообмену для инженеров. - Справочник. - М.: Атомиздат, 1979 - 216 с.

.         Меркулов А.П. Вихревой эффект и его применение в технике. - М.: Машиностроение, 1997 - 341с.

.         Официальный сайт авторефрижератора "РЕФ ОРИГИНАЛ" / [Электронный ресурс] / Режим доступа: http://www.transclimat.ru

.         Производство изотермических фургонов и рефрижераторов / [Электронный ресурс] / Режим доступа: http://pelican-van.com

.         ООО "КлиматСервис" / Режим доступа: http://klimatservis-rb.ru/eling

.         Компания Zanotti / [Электронный ресурс] / Режим доступа: http://www.zanotti.com/ru/

Похожие работы на - Разработка универсального рефрижератора на базе стандартного морского контейнера

 

Не нашли материал для своей работы?
Поможем написать уникальную работу
Без плагиата!
Без нейросетей!