Расчет бортовой радиолокационной системы обнаружения скоростных низколетящих целей (крылатых ракет)
Министерство
образования и науки РФ
Казанский
национальный исследовательский технический университет им. А.Н. Туполева (КАИ)
Кафедра
радиотехнических и телекоммуникационных систем
Курсовая
работа
Расчет
бортовой радиолокационной системы обнаружения скоростных низколетящих целей
(крылатых ракет)
Казань
2015 г.
Аннотация
В курсовой работе по дисциплине "Основы
радиолокации и навигации в радио и оптических диапазонах" рассматривается
тема "Бортовая радиолокационная станция обнаружения скоростных
низколетящих целей (крылатых ракет)".
Выполнен аналитический обзор по данной теме по
открытым источникам.
Выбраны основные тактико-технические
характеристики радиолокационной станции, произведен расчет основных параметров
радиолокационной станции, ее энергетического баланса.
Содержание
Введение
.
Аналитический обзор аэродромных обзорных радиолокаторов
1.1 Аэродромный радиолокационный комплекс
"Лира-А10"
.2 Аэродромный обзорный радиолокатор АОРЛ-85
"Экран"
1.3 Аэродромный обзорный первично-вторичный
радиолокатор АОРЛ-1АС
Выводы
Задание
2.
Расчет тактико-технических характеристик
2.1
Выбор длины волны
.2
Определение периода следования зондирующего импульса
.3
Выбор метода обзора рабочей зоны. Расчет параметров обзора
.4
Определение числа разрешающих объемов
.5
Определение числа импульсов в пачке
.6
Расчет энергетического баланса
.7
Функциональная схема некогерентной одноканальной радиолокационной станции
Заключение
Список
использованных источников
Введение
В современном мире темп жизни постоянно
ускоряется. Становится все более значимым ресурс времени. Авиация на
сегодняшний день - самый быстрый вид транспорта. Сейчас уже трудно себе
представить активного человека, не пользующегося авиационным транспортом.
Глобализация межгосударственных и межнациональных отношений, укрепление
экономических связей, развитие туризма - это далеко неполный список областей,
где авиация играет важнейшую роль. С каждым годом количество воздушных
перевозок растет. Появляются новые аэропорты, открываются новые рейсы. Одновременно
в небе по все миру находится до восьми тысяч воздушных судов [4]. По прогнозам,
к 2030 году мировой воздушный пассажирский флот вырастет вдвое [5]. При этом
нагрузка на аэропорты постоянно растет. В этих условиях важно сохранять уровень
безопасности полетов.
Аэродромные обзорные радиолокаторы (ОРЛ-А)
вариантов В1, В2 и В3 предназначены для контроля и управления воздушным
движением в районе аэродрома и для вывода воздушных судов в зону действия
посадочного радиолокатора. Информация, получаемая с помощью ОРЛ-А, используется
диспетчерами аэродромных центров автоматизированной системы управления
воздушным движением (АС УВД), диспетчерами пунктов подхода, главных
диспетчерских пунктов подхода, диспетчерских пунктов круга, диспетчерских
пунктов системы посадки и местных диспетчерских пунктов.
Технические характеристики ОРЛ-А должны
обеспечивать разрешающую способность и точность определения координат воздушных
судов в соответствии с нормами ИКАО и УВД. Кроме того, они должны иметь
средства подавления сигналов, отраженных от местных предметов и гидрометеоров.
ОРЛ-А должны обнаруживать и определять местоположение целей, находящихся на
небольших высотах и на близком удалении от радиолокаторов. Требования к
максимальной дальности действия ОРЛ-А дифференцируются в зависимости от
конкретного назначения и класса аэропорта. Для крупных аэропортов со сложной
организацией воздушного пространства и большой интенсивностью полетов
необходимо использовать ОРЛ-А варианта В1 с максимальной дальностью действия ≈
160 км. Эти РЛ обслуживают аэродромные центры АС УВД.
В менее крупных аэропортах целесообразно
устанавливать ОРЛ-А варианта В2 с максимальной дальностью действия ≈ 100
км. Для того, чтобы обеспечить необходимой информацией только диспетчера круга,
достаточно в соответствии с рекомендациями ИКАО иметь радиолокаторы варианта В3
с дальностью действия 46 км. Их функции в гражданской авиации обычно выполняют
обзорные ОРЛ-А вариантов В1 и В2.
ОРЛ-А, оборудуемые на российских аэродромах,
должны обеспечивать получение и трансляцию на диспетчерские пункты УВД
радиолокационной информации о местонахождении воздушного судна с отражающей
поверхностью 15 кв.м и более в воздушном пространстве аэродрома с вероятностью
обнаружения не менее 0.8 для первичных радиолокаторов и 0.9 для вторичных [6,
с. 51].
. Аналитический обзор аэродромных обзорных
радиолокаторов
.1 Аэродромный радиолокационный
комплекс "Лира-А10"
Аэродромный радиолокационный комплекс
10-сантиметрового диапазона "Лира-А10" предназначен для использования
в качестве источника радиолокационной информации о воздушной обстановке в зоне
аэропортов для автоматизированных и неавтоматизированных систем управления
воздушным движением. В состав комплекса "Лира-А10" входят: первичный
радиолокатор с аппаратурой обработки и объединения радиолокационной информации
от ПРЛ и ВРЛ и выдачи радиолокационной информации (РЛИ) потребителю, встроенный
вторичный радиолокатор любого типа или аппаратура сопряжения с автономным ВРЛ
(по заказу потребителя).
Табл. 1.1. Основные характеристики
|
Диапазон
частот, МГц
|
2700-2900
|
|
Зона
обзора по самолету с Q =5 кв. м, Роб=0,9, Рлт=10-6 со скоростью движения от
40 до 1500 км/ч: по дальности, км ПРЛ ВРЛ по азимуту, град. по углу места,
град. по высоте, км
|
1,0-160
1,0-360 360 до 45 10
|
|
Точность
определения координат (СКО): по дальности, м по азимуту, мин.
|
50
6
|
|
Разрешающая
способность: по дальности, м по азимуту, град.
|
225
1,5
|
|
Темп
обновления информации, сек.
|
5
или 4
|
|
Коэффициент
подавления отражений от неподвижных местных предметов, дБ, не менее
|
50
|
|
Количество
сопровождаемых трасс
|
1000
|
|
Потребляемая
мощность (без аппаратуры освещения и кондиционирования), кВт, не более
Среднее время наработки на отказ, час.
|
20
10000
|
1.2 Аэродромный обзорный радиолокатор АОРЛ-85
"Экран"
Аэродромный обзорный радиолокатор АОРЛ-85
"Экран" предназначен для обнаружения и измерения координат воздушного
судна (азимут-дальность), осуществления диспетчерскими пунктами контроля и
управления воздушным движением в районе аэродрома.
Аэродромный обзорный радиолокатор:
антенная система первичного и вторичного (по
запросу/ответу) каналов;
отражатель с двойной кривизной (размеры 7,5 м х
4 м) и двумя облучателями: нижний луч, верхний луч;
угол обзора в вертикальной плоскости - 45
градусов;
потребляемая мощность не менее 30 кВА;
перерыв в выдачи радиолокационной информации при
пропадании сети до 2 с - не более 12 с;
трансляция радиолокационной информации по
широкополосной кабельной линии связи на удаление до 3 км;
резервирование (два комплекта аппаратуры с двумя
антеннами) - 100%;
среднее время наработки на отказ более 1000
часов;
среднее время восстановления менее 60 минут
элементная база - микросхемы, микросборки,
полупроводниковые устройства, модуляторные и генераторные лампы (ЛБВ,
амплитрон), плоские СВЧ устройства
Изделие может поставляться с автономной
электростанцией ЭСДА-100.
Основные характеристики
|
Первичный
канал
|
|
Диапазон
частот, МГц
|
1216…1278
|
|
Количество
рабочих частот
|
8
|
|
Дальность
действия по ВС с ЭОП 10 м2 (ТУ134, АН-72, ЯК-40) при Робн=0,8 РЛТ=10-6 на
высотах от 3000 м до 7500 м, км
|
100
|
|
Минимальная
дальность, км
|
3
|
|
Ширина
дианраммы направленности антенны в горизонтальной плоскости
|
2º5'
|
|
Скорость
вращения антенны, об./мин
|
9…11
|
|
Мощность
излучаемых сигналов: импульсная, кВт
|
35
|
|
Мощность
излучаемых сигналов: средняя, кВт
|
0,45
|
|
Длительность
излучаемого сигнала, мкс
|
25
|
|
Коэффициент
подавления СДЦ, дБ
|
28
|
|
Коэффициент
подпомеховой видимости, дБ
|
18
|
|
Неравномерность
скоростоной характеристики СДЦ, дБ
|
10
|
|
Точные
измерения координат по выходу АПОИ: по азимуту
|
15'
|
|
Точные
измерения координат по выходу АПОИ: по дальности, м
|
250
|
|
Вторичный
канал
|
|
Диапазон
частот: запрос, МГц
|
1030
|
|
Диапазон
частот: прием, МГц
|
1090,
740
|
|
Дальность
действия максимальная на высотах от 3000 м до 7500 м, км
|
120…180
|
|
Дальность
действия максимальная на высотах 1000 м, км
|
90
|
|
Разрешающая
способность: по дальности, км
|
1
|
|
Разрешающая
способность: по азимуту
|
15'
|
|
Точность
определения координат по АПОИ: по дальности, м
|
250
|
|
Точность
определения координат по АПОИ: по азимуту
|
15'
|
|
Вероятность
получения дополнительной информации
|
0,98
|
|
Угол
обзора в вертикальной плоскости
|
45º
|
1.3 Аэродромный обзорный первично-вторичный
радиолокатор АОРЛ-1АС
Первично-вторичный ОРЛ-А с передатчиками на
транзисторах, с режимами "УВД" и "RBS", со 100%
резервированием для установки в аэропортах с любой интенсивностью полетов.
Основные особенности:
одна антенная система и два комплекта
аппаратуры;
два одновременно работающих датчика углового
положения антенны (100% горячих резервов);
возможность передачи информации в цифровом и
аналоговом виде;
аппаратура контроля с автоматическим переходом с
одного комплекта на другой при отказе.
аэродромный радиолокатор ракета
зондирующий
Табл. 1.3
Основные тактико-технические характеристики
|
Первичный
канал
|
|
Максимальня
дальность обнаружения при площади 5 кв.м, вероятностью правильного
обнаружения 0,8 и вероятностью ложной тревоги 10-6, км
|
160
|
|
Минимальная
дальность обнаружения, км
|
1
|
|
Угол
обзора в вертикальной плоскости, º
|
45
|
|
Коэффициент
усиления антенны, дБ
|
|
Ширина
диаграммы направленности в горизонтальной плоскости
|
2º15’
|
|
Скорость
вращения антенной системы, об/мин
|
12
|
|
Диапазон
рабочих частот, МГц
|
1215-1279
|
|
Выходная
импульсная мощность, кВт
|
10
|
|
Длительность
излучаемых импульсов, нс
|
88
и 6
|
|
Шум-фактор
входного усилителя, дБ
|
1,3
|
|
Динамический
диапазон входного устройства, дБ
|
50
|
|
Коэффициент
подавления помех от местных предметов, не менее, дБ
|
48
|
|
Разрешающая
способность по цифровому выходу: - по дальности, м - по азимуту, º
|
350
3,5
|
|
Точность
измерения координат по ПК, не хуже - по дальности, м - по азимуту, º
|
40
8
|
|
Вторичный
канал
|
|
вероятностью
правильного обнаружения 0,8 и вероятностью ложной тревоги 10-6, км
|
400
|
|
Минимальная
дальность обнаружения, км
|
1
|
|
Угол
обзора в вертикальной плоскости, º
|
45
|
|
Диапазон
рабочих частот, МГц - RBS-передача - RBS-прием - УВД-прием
|
1030
1090 740
|
|
Разрешающая
способность по цифровому выходу: - по дальности, м - по азимуту, º
|
225
1,1
|
|
Точность
измерения координат по, не хуже - по дальности, м - по азимуту, º
|
40
8
|
Выводы
Оценивая совершенствование РЛС целеуказания
третьего поколения, начавшееся с середины 80-х годов, можно отметить эволюцию
пространственной и временной обработки сигналов.
В качестве антенных систем получили должное
развитие активные фазированные решётки, осуществляющие оптимальную
пространственную обработку сигналов за счёт раздельного управления амплитудой и
фазой в каждой точке раскрытия антенны.
К достоинствам АФАР относятся:
возможность многофункциональной работы РЛС с
гибким управлением пространственными характеристиками и высоким энергетическим
потенциалом (возможность формировать: провалы в ДН в направлении постановщика
помех; несколько лучей ДН;
независимые ДН на передачу и приём и эффективно
сочетать режимы обнаружения и сопровождения целей);
адаптация к быстроменяющимся условиям и сложной
помеховой обстановке;
высокая надёжность, обеспечиваемая наличием
большого количества излучателей и их функциональными возможностями (наработка
на отказ твёрдотельных усилителей составляет 104-105 ч; АФАР - 8-12·103 ч;
передатчика на ЛБВ - 300-500 ч; причём, можно отметить, что отказ в
твёрдотельном передатчике не наступает мгновенно, и неисправности накапливаются
постепенно);
простота эксплуатации твёрдотельных АФАР
вследствие отсутствия высокого напряжения (питающие напряжения активных модулей
достаточно низкие - 24-30 В);
отсутствие необходимости регулировки усилителей
в процессе эксплуатации вследствие их высокой фазовой стабильности;
малые массогабаритные характеристики
твёрдотельных приёмо-передающих модулей (ППМ) АФАР;
работа в широкой полосе рабочих частот и секторе
сканирования с управляемой поляризацией, что позволяет обнаруживать
малоразмерные цели и осуществлять идентификацию объектов.
В качестве дополнительных достоинств АФАР перед
антеннами с механическим сканированием в части обработки РЛИ можно отметить
отсутствие дополнительной модуляции сигналов во времени и изменение
коэффициента усиления антенны вследствие её механического вращения, что
позволяет упростить когерентную обработку радиолокационных сигналов.
Задание
. Спроектировать функциональную (структурную)
схему импульсной бортовой некогерентной РЛС, описание принципа ее работы.
. Обосновать, выбрать и рассчитать
тактико-технические параметры РЛС.
. Произвести расчет энергетического баланса РЛС.
Исходные данные
Рабочая область:
Максимальная дальность - Dmax ≥ 60 км =
6*104 м
Минимальная дальность - Dmin ≤ 0,6 км =
6*102 м
Сектор обзора по азимуту и углу места - Фаз
= Фум ≤ ± 20 º
Период обзора рабочей области - Тобз ≤ 5 с
Разрешающие способности РЛС:
по дальности - δD
≤ 50 м
по угловым координатам - δθ
≤
1º
Тип целей:
крылатые ракеты
Характеристики обнаружения:
вероятность правильного обнаружения PD = 0,85
вероятность ложной тревоги PF = 3*10-3
Параметры антенны
диаметр da ≤ 1,65 м
уровень боковых лепестков δУБЛ
≤ - 21 дБ
шумовая температура ТШ = 900 К
Параметры приемника
шумовая температура входных цепей Тпрм ≥
290 К
флуктуации амплитуд - дружные
Характеристика среды распространения ЭМ волн:
осадки - слабый дождь
протяженность полосы дождя lос =1,5 км = 1,5*103
м
на всей трассе поглощение ЭМ энергии парами воды
и кислородом воздуха.
2. Расчет тактико-технических характеристик
.1 Выбор длины волны
При проектировании бортовой радиолокационной
станции необходимо обеспечить наименьшую допустимую энергию излучения Eλ
при
выполнении требования по максимальной дальности действия.
При распространении электромагнитного излучения
в атмосфере происходит потеря энергии на рассеяние капельками воды в виде
тумана и дождя и ее поглощение парами воды и молекулярным. Причем потеря
энергии излучения зависит от длины волны излучения [1, с. 257].
Рис. 2.1
Из рис. 1.1 видно, что для максимальной
дальности действия Dmax = 60 км наименьшее поглощение энергии излучения
происходит на длине волны λ=3 см.
Причем при длине волны ниже 3 см потери энергии возрастают значительно сильнее,
чем при превышении этого значения. Следовательно, следует выбирать несущую
длину волны излучения, равную или больше 3 см.
Ширина диаграммы направленности антенны
радиолокационной станции прямо пропорциональна длине волны и зависит от
распределения поля в раскрыве антенны, как и уровень боковых лепестков [1, с.
99].
Для требуемого максимального уровня боковых
лепестков δУБЛ = - 21 дБ
выберем закон изменения амплитуды поля, описываемый функцией
F(2x/a)=cos(πx/a),
при котором δУБЛ
= -23 дБ.
При таком распределении поля в раскрыве ширина
диаграммы направленности по уровню половинной мощности θ0,5
определяется по формуле:
, (2.1)
где da - диаметр антенны, м.
Следует учесть, что реальная разрешающая
способность всегда меньше ширины луча [1, 159]:
,
откуда следует:
(2.2)
где Ку - коэффициент ухудшения, принимающий
значения от 1.5 до 3.
Подставляя сюда (1.1), получим:
(2.3)
Подставим числовые значения в (1.3), приняв Ку
равным 1,5:
Частоту несущей волны находим по формуле:
.2 Определение периода следования зондирующего
импульса
За период следования импульс должен пройти 2
расстояния максимальной дальности - дойти до цели в точке максимальной
дальности, отразиться от нее и вернуться. До возвращения отраженного импульса
очередной сигнал не будет отправлен, для избежания накладывания друг на друга
импульсов:
Частота повторения импульсов обратна периоду:
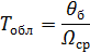
.3 Выбор метода обзора рабочей зоны. Расчет
параметров обзора
Секторы обзора по азимуту и углу места
радиолокационной станции равны, поэтому выберем иглообразную диаграмму
направленности ее антенны. Ширина диаграмм направленности по азимуту и углу
места иглообразного луча одинакова:
Для последовательно обзора иглообразным лучом
зоны с равными секторами по азимуту и углу места наиболее эффективно применять
метод строчного (телевизионного) обзора. За направление медленного обзора
примем движение луча по азимуту. Период обзора определяется по формуле [1, с.
104]:
, (2.4)
Фм, Фб - секторы обзора в направлении медленного
и быстрого перемещения луча, ⁰;
θм - угловой размер
луча в направлении медленного перемещения, ⁰;
ψм - шаг луча в
направлении медленного перемещения, ⁰;
Ωср - среднее
значение угловой скорости быстрого перемещения луча, ⁰/с.
Подставив численные значения в (2.4), можно
найти минимальную и максимальную среднюю скорость перемещения луча:
Время облучения - время с момента начала
излучения в направлении цели до конца приема сигналов от этой цели.
.4 Определение числа разрешающих объемов
δаз = D δаз
рад - разрешающая способность по азимуту, рад
δум = D δум
рад - разрешающая способность по углу места, рад
δV = (6∙104-6∙10-2)3
∙ 1802 ∙ 12 / π2 =7.091∙1017

Допустимое время облучения составит:

.5 Определение числа импульсов в пачке
Число импульсов в пачке n - количество
импульсов, отправленных за время облучения Tобл с частотой повторения импульсов
fи:
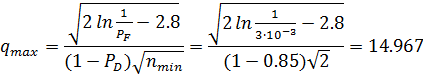
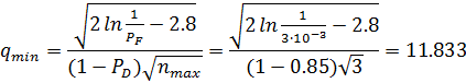
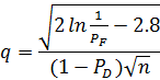
.6 Расчет энергетического баланса
Пороговое отношение сигнал/шум q при обнаружении
пачки n некогерентных импульсов с дружно флуктуирующими амплитудами
определяется соотношением:
Подставив числовые значения, получим минимальное
и максимальное значения отношения сигнал/шум:
Коэффициент шума приемника показывает, насколько
ухудшается чувствительность приемника под действием собственных шумов.
Собственный шум создается элементами схемы приемника и определяется шумовой
температурой приемника:
Найдем спектральную плотность шума:
, где
КБ - коэффициент Больцмана, КБ = 1.38∙10-23
Вт∙с/К.
Пороговая энергия на выходе приемного тракта определяется
по формуле:
,
ϰраз - коэффициент потерь в
приемном тракте в разах.
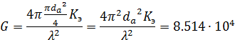
Найдем коэффициент усиления антенны:
, (2.5)
эф - эффективная площадь антенны, м2.
, (2.6)
SГ - геометрическая площадь антенны, м2;
Kэ - коэффициент эффективности антенны, который зависит от распределения поля в
раскрыве антенны [1, с. 99]. В нашем случае, Kэ = 0.810.
(2.7)
Подставляя (2.6) и (2.7) в (2.5), получим:
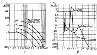
Вычислим потери энергии на трассе
распространения сигнала:
, (2.8)
сп - дальность в свободном пространстве, м;
νпот - коэффициент
потерь энергии электромагнитного излучения в атмосфере.
, (2.9)
- коэффициент
селективного поглощения в молекулах кислорода, дБ/км;
- коэффициент
селективного поглощения в парах воды, дБ/км;
- длина полосы
осадков, км;
- коэффициент
затухания в дожде, мм/ч.
Рис. 2.2. Зависимость коэффициента затухания
радиоволн от длины волны: а - затухание в дожде и тумане, б - селективное
поглощение
Из графиков на рис. 2.2 [2, с. 70] можно
определить, что для волны длиной 1.6 см коэффициент селективного поглощения в
парах воды будет равен 0.05, а коэффициент селективного поглощения кислородом -
0,01.
Интенсивность слабого дождя примем равной 1 мм/ч
[1, с. 154]. Тогда из первого графика на рис. 2.2 видно, что коэффициент
затухания на длине волны 1.6 см равен 0,08.
Подставим полученные значения в (2.9) и (2.8):
дБ/км
Требуемую мощность излучения будем рассчитывать,
принимая максимальную дальность равной 92.08 км.
Требуемую мощность можно найти из основного
уравнения радиолокации:
(2.10)
Учтем, что
, (2.11)
,
И найдем из уравнения (2.10) Eзонд:
δэпр,кр = 0.01…0.1 -
эффективная площадь рассеяния крылатой ракеты, м2.
Чтобы найти мощность, необходимо определить
длительность импульса. Пренебрегая задержками в приемнике и индикаторе, можно
считать:
Допустимая мощность:
, [Вт],
причем длина волны учитывается в сантиметрах.
Т.к. мощность излучения больше предельно
допустимой мощности, необходимо использовать зондирующие сигналы сложной формы.
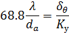
Требуемая полоса пропускания:
Коэффициент сжатия:
Погрешность местоопределения:
.7 Функциональная схема некогерентной
одноканальной радиолокационной станции
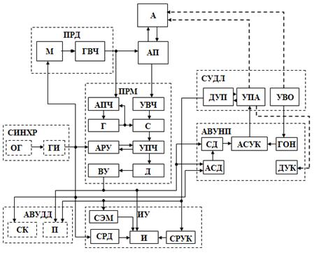
Функциональная схема приведена на рис. 2.3. [3,
с. 335]
Синхронизатор (СИНХР) - устройство,
обеспечивающее согласование узлов и элементов РЛС во времени. Состоит из
высокостабильного опорного генератора (ОГ) и генератора пусковых импульсов
(ГИ).
Модулятор (М) передатчика (ПРД) генерирует
импульсы, определяющие длительность и частоту повторения высокочастотных
импульсов генератора высокой частоты (ГВЧ).
Антенный переключатель (АП) во время излучения
блокирует вход приемника (ПРМ), защищая его от мощного сигнала передатчика.
Принятый антенной сигнал усиливается в усилителе
высокой частоты (УВЧ) и поступает на вход смесителя (С). Смеситель переносит
сигнал на промежуточную частоту, генерируемую гетеродином (Г.) Схема
автоматической подстройки частоты (АПЧ) компенсирует недостаточную стабильность
ГВЧ.
Основное усиление сигнала производит усилитель
промежуточной частоты (УПЧ). Схемы автоматического регулирования усиления
меняют коэффициент усиления УПЧ. Детектор (Д) выделяет огибающую импульсов и
подает ее на усилитель видеосигнала (ВУ).
Индикаторное устройство (ИУ) состоит их схем
разверток дальности (СРД), угловых координат (СРУК), электронных меток (ЭМ) и
из индикатора (И) - электронно-лучевой трубки. Электронные метки могут
указывать прохождение антенной определенного направления, формировать
электронную шкалу дальностей и т.д.
Накопление видеоимпульсов в индикаторном
устройстве производится экраном электронно-лучевой трубки, в автоматическом
выходном устройстве дискретного действия (АВУДД) - схемами преселектора (П), в
автоматическом выходном устройстве непрерывного действия (АВУНД) -
интегрирующими звеньями систем автоматического сопровождения по дальности (АСП)
и по угловым координатам (АСУК).
Информация о координатах цели параллельно
считывается оператором с экрана электронно-лучевой трубки, преобразуется в
цифровую системой кодирования (СК) автоматического выводного устройства
дискретного действия для передачи на ЭВМ и выдается в виде напряжений,
пропорциональных измеряемым параметрам автоматическим выходным устройством
непрерывного действия.
Система управления движением луча антенны (СУДЛ)
обеспечивает требуемую скорость и закономерность обзора.
Она состоит из датчика углового положения (ДУП),
устройства поворота антенны (УПА) и устройства вращения облучателя или
рефлектора (УВО). Угловое положение луча антенны передается в выводные
устройства.
Рис. 2.3. Функциональная схема одноканальной
импульсной РЛС
Заключение
В данном курсовом проекте был произведен расчет
бортовой некогерентной импульсной радиолокационной станции по исходным данным.
Спроектирована функциональная схема импульсной бортовой некогерентной
радиолокационной станции, описан принцип ее работы, обоснованы, выбраны и
рассчитаны тактико-технические параметры радиолокационной станции, произведен
расчет энергетического баланса.
Тактико-технические параметры:
длина несущей волны - 1.6 см;
период следования импульсов - 4 мс;
число импульсов в пачке - 2;
метод обзора рабочей зоны - строчный;
минимальное время облучения - 0.7 мс;
минимальная эффективная площадь рассеяния цели -
0.01 м2;
коэффициент усиления антенны - 8.514∙104;
максимальная мощность излучения - 77 кВт;
длительность одиночного импульса - 0.38 мс;
погрешность местоопределения - от 50 м до 1 км.
Список использованных источников
1. Васин
В.В. и Степанов Б.М. Справочник-задачник по радиолокации. - М.: "Советское
радио", 1977. - 320 с.
. Грудинская
Г.П. Распространение радиоволн. - М.: "Высшая школа", 1967. - 244 с.
. Радиолокационные
устройства (теория и принципы построения) / В.В. Васин, О.В. Власов, В.В.
Григорин-Рябов, П.И. Дудник, Б.М. Степанов. - М., "Советское радио",
1970. - 680 с.
. www.Flightradar24.com
. Количество
самолетов в небе увеличится
вдвое://top.rbc.ru/economics/13/11/2012/824793.shtml
. Авиационные
правила. Часть 139. Сертификация аэродромов (АП-139). Том II