Разработка устройства, выполняющего функцию усилителя-распределителя цифрового сигнала и цифро-аналогового преобразователя

  • Вид работы:
    Дипломная (ВКР)
  • Предмет:
    Информатика, ВТ, телекоммуникации
  • Язык:
    Русский
    ,
    Формат файла:
    MS Word
    272,83 Кб
  • Опубликовано:
    2015-10-19
Вы можете узнать стоимость помощи в написании студенческой работы.
Помощь в написании работы, которую точно примут!

Разработка устройства, выполняющего функцию усилителя-распределителя цифрового сигнала и цифро-аналогового преобразователя

АННОТАЦИЯ

В настоящем дипломном проекте освещены некоторые основные принципы цифрового телевидения, строение и использование, а так же применение цифровой техники в передвижных телевизионных станциях. Рассматривается цифровой стандарт SDI, его преобразование в аналоговый сигнал системы PAL.

Разрабатывается устройство, выполняющее функцию усилителя-распределителя цифрового сигнала и цифро-аналогового преобразователя.

Содержание

Введение

.        Обзор существующих ПТС

.        Обоснование основных технических характеристик

.1      Требования к декодеру

.2      Цифровой интерфейс

.3      Сигнал SDI. Основные параметры цифрового потока формата 4:2:2

.4 Сигнал PAL. Основные параметры

.        Разработка структурной схемы

.        Разработка принципиальной электрической схемы.

.1 Демультиплексор

.2 Цифро-аналоговый преобразователь

.3 Фильтр нижних частот

.4 Усилитель аналогового сигнала

.5 Выходной каскад

.6 Кодер системы PAL

.7 Принципиальная электрическая схема

.8 Спецификация

.        Разработка топологии печатной платы

.        Технико-экономическое обоснование проекта

.1      Организационные факторы экономической эффективности применения ЦАП на ПТС в городе Москве

.2      Расчет капитальных и эксплуатационных затрат связанных с внедрением и разработкой ЦАП

.3 Показатели надежности блоков операционного усилителя и эмиттерного повторителя

. Вопросы экологии и безопасности жизнедеятельности

. Заключение

. Список литературы

Введение

Вещательное телевидение, по определению, означает доставку движущихся изображений и звукового сопровождения большим массам зрителей. Оно выполняет три основные задачи: информировать, просвещать и развлекать. Эти социальные функции ТВ вещания реализуются через технологию создания и доставки ТВ программ. Технологические процессы состоят из отдельных операций, таких как кино- или видеосъемка, монтаж, озвучивание, и т.д. Основной частью телевизионного вещания является тракт формирования программ. Организационной формой тракта формирования программ служат телевизионные центры. В каждом телецентре имеются две крупные структуры - творческая (художественная) и техническая, тесно связанные между собой. В первую входят редакции и другие творческие объединения, специализированные по видам вещания, дикторская группа, группа звукорежиссеров, отдел выпуска, отдел координации и некоторые другие, во вторую, всевозможные технические службы. Творческие и технические подразделения предназначены для подготовки и исполнения частей, входящих в программы вещания, формирования, записи и передачи в последующие части тракта телевизионных сигналов, отображающих вещательные программы.

Телевизионный центр - мощная инфраструктура, которая обеспечивает внутренние связи между аппаратными и передачу сигналов на наземные сети и спутниковые каналы связи. Коммуникационные возможности телецентра делают его уникальным центром приема и передачи и распределения различных электронных видов информации.

Но возможности такого центра были бы неполными, если бы не существовали всевозможные передвижные средства формирования, передачи, приема и обеспечения программ. На телецентре, в Технической дирекции Комплекса телетехники существует множество таких отделов. Отделы, связанные с передвижной техникой находятся либо в самом ТВ центре, либо в отдельном гараже. Обычно это отделы: передвижных ТВ станций (ОПТС), передвижных радиорелейных станций (ОПРС), видеожурналистского комплекса (ОТЖК), мобильной группы (ОМГ), отделы обеспечения.

В ОПТС входит одна или несколько передвижек, обслуживаемых обычно сменным персоналом, состоящим из начальника смены, ведущего инженера, инженеров (их количество зависит от типа, размера ПТС), механиков и водителей - механиков.

В данном дипломном проекте будет подробно описана передвижная ТВ станция и рассчитан один из основных блоков ее видеотракта.

Передвижная телевизионная станция (ПТС) - смонтированный в автобусе комплекс аппаратуры для проведения внестудийных телевизионных передач. Высокая мобильность ПТС и возможность с её помощью вести передачу (или запись передачи) вне телевизионной студии определили широкий диапазон использования ПТС для прямой трансляции с мест крупных политических событий, спортивных мероприятий и соревнований, театральных и концертных представлений, для репортажных передач с различных массовых мероприятий, с выставок и из музеев и т.п.

ПТС делят на типовые и репортажные. В состав типовой ПТС обычно входят: телевизионная аппаратура, смонтированная в автобусе; выносные ТПК; усилительная аппаратура звукового сопровождения передачи, в том числе выносные микрофоны; аппаратура технологической связи (технической и режиссёрской) с телецентром и между несколькими ПТС; радиорелейное оборудование для передачи сигналов телевизионного изображения и звукового сопровождения от ПТС в радиоприёмную аппаратную телецентра; аппаратура электропитания от сети переменного тока или от автономного генератора. ПТС обычно имеют до 20 ТПК и 10-40 микрофонных входов. ТПК соединены с аппаратурой в автобусе камерным кабелем <#"864321.files/image001.jpg">

Рис 2.4.1. Кодер PAL.

Нужно заметить, что для работы сигнал PAL подходит как нельзя лучше, поэтому на ПТС, да и на всем телевидении в целом, давно уде работают именно с ним. Создание программ, конечно же, ведется в цифровом формате, как и запись, но такие вещи, как подсмотр на мониторах второго плана, технические записи, раздача видеосигнала на внешние воспроизводящие устройства в основном на всех ПТС ведется в системе PAL. Передача изображения от ПТС на ПРС тоже осуществляется в этом формате, хотя некоторые телевизионные компании полностью переходят на цифровой тракт.

3. Разработка структурной схемы

Входом декодера является входное согласующее устройство - интерфейс. Основная функция интерфейса обеспечивать быстрое и надежное соединение двух приборов при передаче данных, не требующее подстройки параметров. Интерфейс предусматривает спецификацию соединения между устройствами цифровой аппаратуры, включая при этом как тип (коаксиальный кабель), число и функции таких соединений, так и основные характеристики передаваемых по ним сигналов.

Следующим блоком является усилитель-распределитель цифрового сигнала. На его вход поступает цифровой поток SDI, затем сигнал повторяется и поступает на два цифровых выхода устройства, а один из сигналов поступает на демультиплексор.

Демультиплексор раскладывает цифровой поток на три составляющих, яркостной и два цветоразностных сигнала, и преобразует эти цифровые потоки из последовательной формы в параллельную. На выходе демультиплексора цифровой компонентный сигнал. Каждая из трех составляющих этого сигнала проходит цифро-аналоговый преобразователь, фильтр нижних частот, усилитель, выходной каскад.

ЦАП преобразует сигнал в аналоговую форму. На выходе цифро-аналогового преобразователя сигнал имеет ступенчатый вид. Сгладить сигнал позволяет фильтр нижних частот. Его назначение убрать из спектров сигналов тактовую частоту и фронты дискретизации. Усилитель усиливает сигнал в два раза. Выходной каскад согласует сигнал с коаксиальными кабелями, подключенными к выходам устройства, далее компонентный

Сигнал поступает на отдельную плату кодера PAL.

Более подробно назначение элементов структурной схемы будет рассмотрено далее.

Структурная схема студийного декодера приведена на рис.3.1.















Рис. 3.1. Структурная схема декодера.

4. Разработка принципиальной электрической схемы

4.1    Демультиплексор

На вход демультиплексора поступает цифровой поток SDI. Демультиплексор преобразует поток в отдельные яркостной и цветоразностные сигналы, представленные в параллельной форме.

В стыке 4:2:2 видеоданные обычно передаются в мультиплексированной форме со скоростью 27 Mбайт/с ( период тактовых импульсов равен 37 нс). Цифровые видеоданные состоят из трех независимых составляющих: отсчетов Y, поступающих с частотой 13.5 МГц, отсчетов Cb, поступающих с частотой 6.75 МГц, и отсчетов Cr с частотой 6.75 МГц. Мультиплексирование трех потоков данных с кратными скоростями передачи - довольно легкая задача. Ее выполняет четырехвходовый переключатель, поочередно подающий на выход данные Cb, Y, Cr, Y. Весь цикл занимает два периода тактовой частоты канала яркости. Группа (триада) Cb, Y, Cr начинается с передачи сигнала Cb и представляет собой значения сигнала яркости и цветоразностных сигналов для одного элемента изображения; для следующего за ним элемента передается только значение яркости (без цветоразностных сигналов).

Для надежного демультиплексирования получающегося потока данных на приемной стороне необходимо внедрить в поток данных какие-либо специальные "форматные метки", обозначающие начало (и/или окончание) цикла передачи. Их роль играют два синхросигнала (TRS - Timing Reference Signals): один в начале каждого блока видеоданных (SAV - Start of Active Video) и другой в конце каждого блока видеоданных (EAV - End of Active Video). В интервале времени между этими двумя сигналами передаются видеоданные цифровой активной строки, образующие блок из 1440 кодовых слов мультиплексированных видеоданных, разбитых на 360 групп по четыре отсчета: Cb, Y, Cr, Y, Cb, Y.... Границы групп Cb, Y, Cr, Y внутри этого блока никак не обозначены - они определяются демультиплексором путем счета тактов относительно SAV.

Рис. 4.2.1. Формат данных и синхросигналы

Поскольку на практике употребляются как 8-битные, так и 10-битные данные, стандартом предусмотрены особые правила преобразования 8-битных байтов видеоданных в 10-битные и обратно. В частности, двум зарезервированным кодовым словам 8-битной системы соответствуют восемь "запретных" кодовых комбинаций 10-битной системы. Таким образом, коды 000h-003h и 3FCh-3FFh должны считаться эквивалентами кодов 00h и FFh, соответственно.

В 10-битовом представлении принято обозначение старшего бита (MSB) бита - D9, а младшего бита данных (LSB) - D0. При передаче 8-битных видеоданных старший бит остается тем же самым (D9), но младшие 2 бита просто обнуляются.

Цифровые синхросигналы (TRS) состоят из четырех байтов, первые три из которых представляют собой простую последовательность зарезервированных кодов. Четвертый байт состоит из двух полубайтов, обозначаемых PQ или XY. В таблице показаны шестнадцатеричные значения этих байтов:

№ байта

8-битное представление

10-битное представление

1

FF

3FF

2

00

000

3

00

000

4

PQ

XYZ

Примечание: XYZ - это данные PQ, сдвинутые на два бита влево с обнулением младших разрядов D1 и D0

Старший полубайт Q является управляющим, а младший полубайт P служит для обнаружения и коррекции ошибок передачи полубайта Q. Четыре бита полубайта Q обозначаются D7- D4 и имеют следующие функции:

·   D7 - всегда равен 1

·   D6 - бит четности поля (F):

·   F = 0 - нечетное поле, F = 1- четное поле

·   D5 - флаг активной части кадра (V):

·   V = 0 внутри цифровой активной части изображения, V = 1 внутри вертикального гасящего интервала

·   D4 - флаг цифровой активной части строки (H):

·   H = 0 - начало активной части (SAV), H = 1 - конец активной части (EAV)

Для формирования и проверки полубайта P используются определенные стандартом просмотровые таблицы (LUT) сравнительно небольшого объема. При этом обнаруживаются и исправляются одиночные ошибки передачи , а парные ошибки - только обнаруживаются.

Рассмотрим структура цифрового потока формата 4:2:2.

Рис. 4.2.2. Структура цифрового птока формата 4:2:2

Из 864 отсчетов яркости 720 отсчетов относятся к цифровой активной части строки, но только 702 из них входят в аналоговую активную часть. Полная строка начинается с отсчета Y0 и заканчивается отсчетом Y719. Отсчет Y732 должен совпадать с серединой фронта синхроимпульса аналогового сигнала (с моментом 0h). 10 отсчетов слева и 8 отсчетов справа от аналоговой активной части обеспечивают защитный интервал, предотвращающий проникновение нежелательных цифровых краевых эффектов в видимую зрителем часть строки. Восемнадцать крайних отсчетов не гасятся в цифровых трактах, но подлежат гашению при цифро-аналоговом преобразовании. В оптимальном варианте гашение происходит методом плавного двустороннего ограничения (dynamic clipping) с соблюдением предусмотренной стандартом длительности фронтов гашения, однако во многих реальных устройствах эта операция выполняется более грубыми методами.

Структура дискретизации - это двумерный или трехмерный узор, образуемый точками взятия отсчетов. Например в случае цифрового композитного сигнала PAL, дискретизируемого с частотой 4fsc, решетка дискретизации скошена (неортогональная дискретизация) из-за наличия 25-Гц офсета цветовой поднесущей PAL. Для компонентных видеосигналов 4:2:2 применяется прямая (ортогональная) решетка. Каждый второй отсчет сигнала яркости Y (четный, поскольку нумерация отсчетов начинается с нуля) совпадает в пространстве с отсчетами Cb и Cr.

По вертикали ТВ экрана цифровая активная часть кадра также несколько больше аналоговой активной части. Каждое цифровое поле содержит целое и одинаковое число активных строк - 288, в отличие от аналогового представления с 287.5 активными строками. Активными являются цифровые строки с 23-й по 310-ю и с 336-й по 623-ю. Нумерация цифровых строк изменяется синхронно с окончанием кода цифровой синхронизации, т.е. несколько ранее момента 0h, используемого для аналоговой нумерации строк.

Шкалы квантования сигналов выбирались в результате компромисса между относительном уровнем ошибок квантования (шума квантования) и величиной запаса по динамическому диапазону.

Рис. 4.2.3. Шкала квантования 4:2:2

Строго говоря, ошибки квантования не являются случайными, и к ним не применимы методы статического анализа. Тем не менее, для целей сравнения с другими источниками искажений можно считать, что среднеквадратическое значение уровня шума квантования составляет около 35% от величины шага квантования. Нетрудно вычислить, что 8-битовое кодирование 100% сигнала посредством 220 шагов квантования дает значение отношения сигнал/шум 56.8 дБ. Однако реальный мешающий эффект ошибок квантования намного больше из-за повышенной заметности ложных контуров, возникающих на плавных переходах яркости изображения.

Запас шкалы квантования в канале яркости относительно невелик - 19 уровней 8-битовой шкалы (8.6%) над уровнем белого и 14 уровней (6.4%) ниже уровня черного. Этого запаса достаточно для передачи точно отрегулированных студийных сигналов, однако во внестудийных условиях приходится надеяться только на защитное ограничение уровней аналогового сигнала перед подачей его на вход АЦП. Кроме того, малая величина запаса не позволяет передавать через стыки формата 4:2:2 некоторые испытательные сигналы, - например сигнал пилы с насадкой, традиционно применяемый для измерения нелинейных искажений. Запас в канале цветоразностных сигналов составляет по 14 уровней (6.3%) с каждой стороны, однако он практически ни на что не влияет, поскольку в реальных условиях сигналы с насыщенностью более 100% почти не встречаются.

10-битовое кодирование отсчетов существенно (в 4 раза, т.е. на 12 дБ) улучшает ситуацию с ошибками квантования, но никак не влияет на относительную величину запаса по динамическому диапазону.

Для обозначения уровней квантования применяются различные способы записи:

·   десятичный - с уровнями от 0 до 255 в 8-битовом варианте или от 0 до 1023 в 10-битовом варианте

·   шестнадцатеричный (hexadecimal - "hex") - с уровнями от 0 до FF в 8-битовом варианте или от 0 до 3FF в 10-битовом варианте.

В Европе также применяется довольно удобный способ записи в дробно-десятичном представлении 8/10 бит. Цифры до десятичной точки означают восемь старших разрядов, а цифры после десятичной точки означают два младших разряда с шагом 0.25. Например, число

.75 означает 10-битовый код 879, который в двоичном представлении записывается как 1101101111, а в шестнадцатеричном - 36F.

Переход от 8-битового кодирования к 10-битовому не представляет большой проблемы - два младших разряда устанавливаются на нулевые значения и получается 10-битовый код. Обратный переход возможен несколькими способами - с округлением или отбрасыванием младших разрядов. Запатентованный фирмой Quantel метод динамического округления (dynamic rounding) позволяет частично преодолевать недостатки 8-битовой обработки 10-битовых видеосигналов. Этот метод напоминает метод промежуточных цветов (dithering) применяемый в компьютерной технике для имитации цветов, отсутствующих в текущей палитре видеоадаптера.

Цифровое декодирование композитных сигналов

При декодировании сигналов наибольшее влияние на качество результирующего изображения оказывает способ разделения составляющих яркости и цветности. Должно обеспечиваться такое качество разделения, при котором уровень остаточного сигнала цветности в канале яркости не превышает минус 46 дБ на ровных участках изображения.

Самым простым и надежным способом разделения яркости и цветности является применение вилки фильтров ФНЧ/ФВЧ. Этот способ и сейчас широко применяется в бытовой аппаратуре. Однако, этот способ приводит к существенному снижению качества декодированного изображения. Вследствие неполного разделения сигналов яркости и цветности он приводит к пониженной четкости яркостной составляющей и высокому уровню перекрестных помех яркость-цветность (cross-colour) и цветность-яркость (cross-luminance).

Перекрестная помеха "яркость-цветность" - это дефект декодированного ТВ изображения, который проявляется в виде паразитных цветных узоров на высокочастотных текстурах яркости. Цветные муары появляются, например, на неокрашенном клетчатом пиджаке вследствие биений этой яркостной текстуры с цветовой поднесущей. Перекрестная помеха "цветность-яркость" проявляется в виде мелких точек вблизи резких или движущихся цветовых переходов на краях объектов с высокой насыщенностью.

В профессиональной технике применяются более сложные методы разделения сигнала на отдельные составляющие. Строчный гребенчатый фильтр использует для разделения составляющих яркости и цветности композитные сигналы по меньшей мере двух (обычно трех) пространственно соседних строк в одном ТВ поле. При этом удается полностью выделять чисто вертикальные яркостные структуры, не создавая каких-либо перекрестных помех. Однако данный тип фильтра принципиально не способен отличать диагональные яркостные структуры от сигнала цветности, поэтому такие составляющие изображения оказываются пораженными перекрестной помехой яркость-цветность.

Многие декодеры имеют переключаемую (вручную, или автоматически, т.е. адаптивно) конфигурацию гребенчатого фильтра. Например, декодер может имеет два режима работы. В одном из них его апертура может быть конфигурирована для обработки трех смежных полей, что дает очень четкие изображения при задержке декодера, равной одному ТВ кадру. В режиме минимальной задержки для получения четкого декодированного изображения используются данные лишь двух смежных полей, но задержка составляет всего две ТВ строки с подстройкой в пределах до половины строки. В обоих режимах ошибки гребенчатого фильтра минимизируются благодаря использованию усовершенствованного алгоритма адаптации по оси времени.

При любом способе разделения всегда остаются такие структуры яркостной составляющей изображения, которые принципиально невозможно отличить от сигнала цветности. Примером являются движущиеся с определенной скоростью диагональные текстуры. Если их пространственная частота и скорость перемещения оказываются близкими к параметрам цветовой поднесущей, то даже самый совершенный декодер неизбежно направляет их в канал цветности. Различие между качественным декодером и низкокачественным декодером состоит, прежде всего, в том, насколько близкими к параметрам цветности должны быть параметры яркостной структуры, чтобы декодер перестал их различать. Для студийных сигналов наилучшие результаты достигаются при применении многоотсчетного адаптивного полевого гребенчатого фильтра.

4.2 Цифро-аналоговый преобразователь

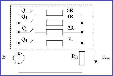
Цифро-аналоговые преобразователи (ЦАП) служат для преобразования информации из цифровой формы в аналоговый сигнал. Схемотехника цифро-аналоговых преобразователей весьма разнообразна. На рис. 4.2.1 представлена классификационная схема ЦАП по схемотехническим признакам. Кроме этого, интегральные микросхемы (ИМС) цифро-аналоговых преобразователей классифицируются по следующим признакам:

o     По виду выходного сигнала: с токовым выходом и выходом в виде напряжения.

o     По типу цифрового интерфейса: с последовательным вводом и с параллельным вводом входного кода.

o     По числу ЦАП на кристалле: одноканальные и многоканальные.

o     По быстродействию: умеренного и высокого быстродействия.

Рис. 4.2.1. Классификация ЦАП

Принцип работы ЦАП состоит в суммировании аналоговых сигналов, пропорциональных весам разрядов входного цифрового кода, с коэффициентами, равными нулю или единице в зависимости от значения соответствующего разряда кода. ЦАП преобразует цифровой двоичный код Q10Q9Q8Q7Q6Q5Q4Q3Q2Q1 в аналоговую величину, обычно напряжение Uвых.. Каждый разряд двоичного кода имеет определенный вес i-го разряда вдвое больше, чем вес (i-1)-го. Работу ЦАП можно описать следующей формулой:

вых=e*(Q1 1+Q2*2+Q3*4+Q4*8+…+ Q10*1024) (4.2.1)

где e - напряжение, соответствующее весу младшего разряда, Qi - значение i -го разряда двоичного кода (0 или 1).

Например, числу 1001 соответствуетвых=у*(1*1+0*2+0*4+1*8)=9*e, а числу 1100вых=e*(0*1+0*2+1*4+1*8)=12*e.

Рис. 4.2.2. Схема цифро-аналогового преобразователя

Упрощенная схема реализации ЦАП представлена на рис 4.2.2. В схеме i - й ключ замкнут при Qi=1, при Qi=0 - разомкнут. Регистры подобраны таким образом, что R>>Rн. Эквивалентное сопротивление обведенного пунктиром двухполюсника Rэк и сопротивление нагрузки Rн образуют делитель напряжения, тогда

вых = E Rн / Rэк + Rн » E*Rн / Rэк (4.2.2)

Проводимость двухполюсника 1 / Rэк равна сумме проводимостей ветвей (при Qi=1 i - ветвь включена, при Qi=0 - отключена):

/ Rэк = Q1 / 8R + Q2 / 4R + Q3 / 2R + Q4 / R (4.2.3)

Подставив (4.2.3) в (4.2.2), получаем выражение, идентичное (4.2.1)

вых = (8Е Rн / R)*( Q1*1 + Q2*2 + Q3*4 + Q4*8 )

Очевидно, что е = 8Е Rн / R. Выбором е можно установить требуемый масштаб аналоговой величины.

Иными словами ЦАП преобразует числа, определенного в виде двоичного кода, в напряжение или ток, пропорциональные значению цифрового кода. В десятиразрядном ЦАП имеется набор источников фиксированных напряжений, соответствующих каждому из 10 разрядов, и устройство для синхронного подключения (или отключения) этих напряжений к сумматору в зависимости от поступающих символов. Напряжение на выходе ЦАП максимальное, когда со всех элементов поступают единицы. Для десятиразрядного кода число дискретных уровней равно:

L = 2^10 = 1024 ,

Максимальный размах цифровых яркостного и цветоразностных сигналов составляет 800 мВ.

Тогда цены разрядов начиная с самого младшего равны

/1024 мВ, 800/512 мВ, 800/256 мВ, … , 800/2 мВ.

При кодовом слове, поступающем на вход ЦАП в виде 0,111111111111, напряжение на выходе будет максимально и равно

/2 + 800/4 + 800/8 +…+ 800/512 + 800/1024 = 700 мВ,

а при слове 0,00000000001 напряжение будет минимально и равно

/1024 = 0,78 мВ.

Рассмотрим статические параметры ЦАП.

При последовательном возрастании значений входного цифрового сигнала D(t) от 0 до 2N-1 через единицу младшего разряда (ЕМР) выходной сигнал Uвых(t) образует ступенчатую кривую. Такую зависимость называют обычно характеристикой преобразования ЦАП. В отсутствие аппаратных погрешностей средние точки ступенек расположены на идеальной прямой 1 (рис. 22), которой соответствует идеальная характеристика преобразования. Реальная характеристика преобразования может существенно отличаться от идеальной размерами и формой ступенек, а также расположением на плоскости координат. Для количественного описания этих различий существует целый ряд параметров.


Разрешающая способность - приращение Uвых при преобразовании смежных значений Dj, т.е. отличающихся на ЕМР. Это приращение является шагом квантования. Для двоичных кодов преобразования номинальное значение шага квантования h=Uпш/(2N-1), где Uпш - номинальное максимальное выходное напряжение ЦАП (напряжение полной шкалы), N - разрядность ЦАП. Чем больше разрядность преобразователя, тем выше его разрешающая способность.

Погрешность полной шкалы - относительная разность между реальным и идеальным значениями предела шкалы преобразования при отсутствии смещения нуля.

.

Является мультипликативной составляющей полной погрешности. Иногда указывается соответствующим числом ЕМР.

Погрешность смещения нуля - значение Uвых, когда входной код ЦАП равен нулю. Является аддитивной составляющей полной погрешности. Обычно указывается в милливольтах или в процентах от полной шкалы:

.

Нелинейность - максимальное отклонение реальной характеристики преобразования Uвых(D) от оптимальной (линия 2 на рис. 22). Оптимальная характеристика находится эмпирически так, чтобы минимизировать значение погрешности нелинейности. Нелинейность обычно определяется в относительных единицах, но в справочных данных приводится также и в ЕМР. Для характеристики, приведенной на рис. 22

.

Дифференциальная погрешность - максимальное изменение (с учетом знака) отклонения реальной характеристики преобразования Uвых(D) от оптимальной при переходе от одного значения входного кода к другому смежному значению. Обычно определяется в относительных единицах или в ЕМР. Для характеристики, приведенной на рис. 22,

.

Монотонность характеристики преобразования - возрастание (уменьшение) выходного напряжения ЦАП Uвых при возрастании (уменьшении) входного кода D. Если дифференциальная нелинейность больше относительного шага квантования h/Uпш, то характеристика преобразователя немонотонна.

Температурная нестабильность ЦА-преобразователя характеризуется температурными коэффициентами погрешности полной шкалы и погрешности смещения нуля.

Погрешности полной шкалы и смещения нуля могут быть устранены калибровкой (подстройкой). Погрешности нелинейности простыми средствами устранить нельзя.

Динамические параметры ЦАП определяются по изменению выходного сигнала при скачкообразном изменении входного кода, обычно от величины "все нули" до "все единицы" (рис. 23).

Время установления - интервал времени от момента изменения входного кода (на рис. 23 t=0) до момента, когда в последний раз выполняется равенство

|Uвых-Uпш|=d/2,

причем d/2 обычно соответствует ЕМР.

Скорость нарастания - максимальная скорость изменения Uвых(t) во время переходного процесса. Определяется как отношение приращения Uвых ко времени t, за которое произошло это приращение. Обычно указывается в технических характеристиках ЦАП с выходным сигналом в виде напряжения. У ЦАП с токовым выходом этот параметр в большой степени зависит от типа выходного ОУ.

Для перемножающих ЦАП с выходом в виде напряжения часто указываются частота единичного усиления и мощностная полоса пропускания, которые в основном определяются свойствами выходного усилителя.

Шумы ЦАП

Шум на выходе ЦАП может появляться по различным причинам, вызываемым физическими процессами, происходящими в полупроводниковых устройствах. Для оценки качества ЦАП с высокой разрешающей способностью принято использовать понятие среднеквадратического значения шума. Измеряются обычно в нВ/Гц)1/2 в заданной полосе частот.

Выбросы (импульсные помехи) - крутые короткие всплески или провалы в выходном напряжении, возникающие во время смены значений выходного кода за счет несинхронности размыкания и замыкания аналоговых ключей в разных разрядах ЦАП. Например, если при переходе от значения кода 011...111 к значению 100...000 ключ самого старшего разряда ЦА-преобразователя с суммированием весовых токов откроется позже, чем закроются ключи младших разрядов, то на выходе ЦАП некоторое время будет существовать сигнал, соответствующий коду 000...000.

Выбросы характерны для быстродействующих ЦАП, где сведены к минимуму емкости, которые могли бы их сгладить. Радикальным способом подавления выбросов является использование устройств выборки-хранения. Выбросы оцениваются по их площади (в пВ*с).

Важную часть цифро-аналогового преобразователя составляет цифровой интерфейс, т.е. схемы, обеспечивающие связь управляющих входов ключей с источниками цифровых сигналов. Структура цифрового интерфейса определяет способ подключения ЦАП к источнику входного кода, например, микропроцессору или микроконтроллеру. Свойства цифрового интерфейса непосредственно влияют и на форму кривой сигнала на выходе ЦАП. Так, неодновременность поступления битов входного слова на управляющие входы ключей преобразователя приводит к появлению узких выбросов, "иголок", в выходном сигнале при смене кода.

При управлении ЦАП от цифровых устройств с жесткой логикой управляющие входы ключей ЦАП могут быть непосредственно подключены к выходам цифровых устройств, поэтому во многих моделях ИМС ЦАП, особенно ранних (572ПА1, 594ПА1, 1108ПА1, AD565А и др.), сколь-нибудь существенная цифровая часть отсутствует. Если же ЦАП входит в состав микропроцессорной системы и получает входной код от шины данных, то он должен быть снабжен устройствами, позволяющими принимать входное слово от шины данных, коммутировать в соответствии с этим словом ключи ЦАП и хранить его до получения другого слова. Для управления процессом загрузки входного слова ЦАП должен иметь соответствующие управляющие входы и схему управления. В зависимости от способа загрузки входного слова в ЦАП различают преобразователи с последовательным и параллельным интерфейсами входных данных.

Для данного устройства выберем микросхему К572ПА1А. /13/ Микросхема К572ПА1А является набором универсальных функциональных элементов для построения 10-разрядных умножающих ЦАП последовательных приближений, управляемых делителей токов и напряжений, а также других сложнофункциональных схем. Зарубежным аналогом этой микросхемы является AD7520. Микросхема К572ПА1А осуществляет преобразование входного двоичного параллельного цифрового кода в выходной ток, пропорциональный значению кода и (или) опорного напряжения. Обладает возможностью реализации полного двух- и четырехквадратного умножения сигналов, малой потребляемой мощностью. Выполнена на комплементарных МОП-транзисторах с поликремневыми затворами и поликремневых прецизионных резисторах, не требующих лазерной подгонки, и содержит 144 интегральных элемента. Конструктивно оформлена в металлокерамическом корпусе типа 201.16-8 или 201.16-17. Масса микросхемы не более 2г.

Для функционирования микросхемы необходимы также внешние микросхемы источника опорного напряжения (ИОН) и операционного усилителя (ОУ).

К572ПА1А

Назначение выводов: 1 - аналоговый выход 1; 2 - аналоговый выход2; 3 - общий вывод; 4 - цифровой вход 1 (старший); 5 - цифровой вход 2; 6 - цифровой вход 3; 7 - цифровой вход 4; 8 - цифровой вход 5; 9 - цифровой вход 6; 10 - цифровой вход 7; 11 - цифровой вход 8; 12 - цифровой вход 9; 13 - цифровой вход 10 (младший); 14 - напряжение источника питания (Uп); 15 - опорное напряжение (Uоп); 16 - вывод резистора обратной связи.

Основные параметры

Номинальное напряжение питания (вывод 14)………..…………. 15 В

Номинальное опорное напряжение (вывод 15)………………….. 10,24 В

Ток потребления по выводу 14 при Uп=15В, Uоп=10,24 В, Uвх1 = 3,6…15 В, Т = -10…+70 С, не более ………………………………….… 2 мА

Дифференциальная нелинейность (в % от полной шкалы) при Uп = 15 В, Uоп = 10,24 В,

Uвх1 = 3,6…15 В, Uвх0 = 0…0,8 В, Т = -10…+70 0С…….. -0,1…0,1 %

Нелинейность (в % от полной шкалы) при Uп=15В, Uоп=10,24 В, Uвх1 = 3,6…15 В,

Т = -10…+70 0………………………….С…………………… -0,1…0,1 %

Абсолютная погрешность преобразования в конечной точке (при тех же условиях) ……………………………..…………………………… -3…5%

Выходной ток смещения нуля …………………………………… 100 нА

Время установления выходного тока, не менее ……...…………… 5 мкс

Число разрядов, не менее ……………………………….…………….. 10

Дополнительные параметры

Входной ток по цифровым входам …………….………………... 1 мкА

Выходной ток при Uоп = 22,5 В ………………………….……… 4,5 мкА

Рассеиваемая мощность при Uоп = 10 В ……………..………….. 20 мВт

Температурный коэффициент дифференциальной нелинейности 3,5*10-61/ 0С

Температурный коэффициент абсолютной погрешности преобразования в конечной точке шкалы ………………...…….15*10-51/ 0С

Предельные эксплуатационные данные

Напряжение питания ……………………………………. 13,5…16,8 В

Опорное напряжение …………….………………………. -22,5…22,5 В

Входное напряжение низкого уровня …………..…………….. 0…0,8 В

Входное напряжение высокого уровня ………….………… 3,6 В … Uп

4.3 Фильтр нижних частот

Фильтром называется устройство, устанавливаемое между выводами электрической цепи с целью изменения соотношения между частотными составляющими спектра проходящего через него сигнала. Фильтры могут работать в диапазоне частот от 0 (постоянный ток) до 10 ГГц. Они различаются по типу (например, LC-фильтры, кристаллические фильтры, активные и др.), форме амплитудно-частотной характеристики и диапазону частот.

Фильтр низких частот (ФНЧ) пропускает только низкочастотные составляющие спектра сигнала - обычно от постоянной составляющей и до частоты, которая называется частотой среза и определяется в исходных данных для расчета фильтра. Все спектральные составляющие сигнала с частотой среза ФНЧ подавляет.

Приведенное определение характеризует так называемые идеальные фильтры. В реальных устройствах между полосой пропускания и полосой с высоким затуханием (полосой задержания) сигнала всегда существует некоторая переходная область.

Частота среза. Частота среза определяет границу полосы пропускания фильтра и в реальных устройствах обычно соответствует уровню затухания 3 дБ.

Граничная частота полосы задержания (Fs). Между полосой пропускания и полосой задержания располагается переходная область. Частота Fs - это такая частота в этой зоне, для которой задается гарантированный уровень затухания спектральных составляющих сигнала.

Вносимые потери (IL). Это измеренное в децибелах падение уровня сигнала на выходе фильтра по отношению к уровню сигнала на входе.

Активные фильтры.

Главными элементами фильтра являются реактивные элементы, которые можно реализовать в различных физических устройствах - катушках индуктивности, конденсаторах, кристаллах и механических резонаторах. В активных фильтрах в качестве элементов используются операционные усилители, конденсаторы и резисторы. Выбор типа элемента в фильтре в основном зависит от требуемых значений его параметров, поскольку каждый тип фильтра имеет свои ограниченные области применения.

Активные фильтры. Использование операционных усилителей, резисторов, конденсаторов в активных фильтрах позволяет обеспечить характеристики, сравнимые с соответствующими характеристиками LC-фильтров. С помощью специальных методов расчета размеры элементов схемы могут быть сведены к минимуму. Рассчитанные схемы собирают по микроэлектронной технологии с применением пленочных резисторов и конденсаторов, а также твердотельных операционных усилителей. Если в дальнейшем требуется регулировка параметров схемы, то может применяться лазерная подгонка значений сопротивлений пленочных резисторов. Для активных фильтров характерным параметром является значение добротности порядка нескольких сотен у нижней границы рабочего диапазона, где операционные усилители обладают очень высоким коэффициентом усиления при разомкнутой цепи обратной связи. На более высоких частотах качество операционных усилителей ухудшается, в результате чего снижается добротность фильтра Qо. Использование при разработке аппаратуры активных фильтров значительно облегчает работу конструкторам по сравнению с теми случаями, когда в их распоряжении находились только LC-фильтры. Это связано с тем, что независимо от диапазона частот с помощью активных фильтров удается обеспечить требуемые значения входного и выходного полного сопротивлений, а также выбрать коэффициент усиления по напряжению.

Основные типы фильтров.

Фильтр Баттерворта. Это устройство получило очень широкое распространение. Фильтр имеет АЧХ, которая в середине полосы пропускания очень близка к плоской и несколько закругляется в окрестности частоты среза. За пределами полосы пропускания скорость затухания увеличивается и в некоторых случаях достигает 6 n децибел на октаву, где n - порядок фильтра.

Например, ФНЧ третьего порядка увеличивал бы затухание в полосе задержания на 18 дБ всякий раз при удвоении частоты. Фильтры Баттерворта очень просты в изготовлении, поскольку к параметрам элементов схемы не предъявляется никаких особых требований. Нормированные кривые затухания фильтров различного порядка имеют различные области определения, соответствующие полосе пропускания и полосе задержания.

(55)Фильтр Чебышева пропускает без затухания все компоненты от постоянной составляющей до 1 рад, а вне полосы обеспечивает бесконечное затухание.

В области частот среза АЧХ фильтра Чебышева является почти прямоугольной, а скорость ее спуска к полосе задержания более крутой. Однако существуют и недостатки. Это неравномерность АЧХ в полосе пропускания. Чем больше пульсация в полосе пропускания фильтра Чебышева, тем круче АЧХ в области частоты среза для данного порядка n фильтра и чувствительнее к изменению параметров элементов становится схема фильтра. В первой октаве затухание превосходит 6 n дБ.

Методика расчета фильтров

Основной характеристикой любого фильтра, определяющей его спектральные свойства, является передаточная функция. Используемый метод расчета фильтров основан на применении табулированных значений параметров элементов схемы. Все искомые параметры элементов схемы вычисляются с помощью передаточной функции.

Для расчета фильтров используем правило нормирования исходных данных. Оно требует, чтобы все кривые, описывающие передаточную функцию ФНЧ, пересекали уровень затухания 3 дБ на нормированной частоте 1 рад (ω =1). Такой фильтр и его АЧХ являются нормированными к 1 рад. Используемый метод основан на том, что каждая нормированная АЧХ однозначно определяется набором значений параметров элементов схемы. Поэтому важным элементом расчета фильтра является преобразование его исходных данных к виду, позволяющему воспользоваться нормированными АЧХ ФНЧ. Далее производится сравнение полученной нормированной АЧХ с набором кривых, описывающих нормированные ФНЧ различного порядка, и выбирается та из них, которая наилучшим образом соответствует нормированным исходным данным. Затем по таблицам, соответствующим выбранному порядку фильтра, определяются значения параметров элементов схемы. Полученные значения масштабируются для того, чтобы обеспечить требуемое положение АЧХ на оси частот. Для этого значения параметров всех реактивных элементов фильтра необходимо поделить на частотный масштабный множитель (FSF), тогда АЧХ нового фильтра будет аналогична АЧХ первичного фильтра, но окажется сдвинутой в другой частотный диапазон. В качестве частотного масштабного множителя используется отношение двух частот, соответствующих в АЧХ нового (Fn) и старого (Fo) фильтров одинаковому уровню затухания.

 = Fn / Fo (4.3.1)

Обычно такой характерной частотой для ФНЧ является частота среза полосы пропускания. При этом необходимо, чтобы и числитель, и знаменатель в соотношении (1) были выражены в одинаковых единицах: либо в герцах, либо в радианах. Переход от герц к радианам осуществляется умножением частоты, выраженной в герцах, на 2π. Если в качестве первичного (масштабируемого) используется нормированный ФНЧ, то частотный масштабный множитель определяется пересчетом требуемой частоты среза полосы пропускания из герц в радианы, т.е.

 = 2 π Fc (4.3.2)

где Fc характеризует параметры искомого фильтра.

При увеличении полного сопротивления схемы фильтра в Z раз, его АЧХ остается прежней. Сопротивления резисторов умножаются на Z, а емкости конденсаторов с целью обеспечения столь же кратного увеличения их импеданса делятся на Z.

При расчете фильтров масштабирование по частоте и импедансу обычно производится одновременно:

’ = Z R , (4.3.3)’ = C / FSF*Z , (4.3.4)

где R’ и C’ элементы схемы фильтра после его масштабирования по частоте и импедансу.

Использование приведенных правил масштабирования позволяет, применяя таблицы с заранее известными значениями элементов схем нормированных фильтров, рассчитывать активные фильтры.

Требования к ФНЧ и расчет электрической схемы.

ФНЧ1 (яркостной сигнал)

частота среза Fc1 = 6 МГц

граничная частота полосы задержания Fs1 = 13,5 МГц

гарантированное затухание 50 дБ

ФНЧ2 и ФНЧ3 (цветоразностные сигналы)

частота среза Fc2 = 3 МГц

граничная частота полосы задержания Fs2 = 6,75 МГц

гарантированное затухание 50 дБ

Нормирование АЧХ ФНЧ.

Чтобы нормировать параметры АЧХ требуемых ФНЧ к 1 рад., т.е. перейти к новым переменным, в которых АЧХ ФНЧ будет проходить через уровень затухания 3 дБ на частоте 1 рад, необходимо вычислить крутизну характеристики As. Она представляет собой отношение граничной частоты полосы задержания Fs к частоте среза искомого фильтра Fc:

 = Fs / Fc (4.3.5)

Далее по графикам нормированных кривых ФНЧ различного порядка выбирают такой фильтр, который при As обеспечивал бы гарантированное затухание в полосе задержания не менее заданного.

Вычислим крутизну АЧХ:

1 = Fs1 / Fc1 = 13,5/6 = 2,25 для яркостного сигнала

As2 = Fs2/ Fc2 = 6,75/3 = 2,25 для цветоразностных сигналов

Выбираем фильтр Чебышева, так как он обеспечивает гарантированное затухание при меньшем порядке фильтра. По нормированным кривым затухания (КАУФ 57) находим, что при 2,25 рад гарантированное затухание 50 дБ обеспечивается фильтром Чебышева пятого порядка (n = 5) с уровнем пульсации 0,5 дБ.

Значения параметров нормированного ФНЧ взяты из [10].

Таблица 4.3.1.

Параметры нормированного активного ФНЧ Чебышева с уровнем пульсации 0,5 дБ.

Порядок фильтра N

C1

C2

C3

5

1,010 1,041

0,8712 0,3100

0,3095 -


Проводим масштабирование по частоте и импедансу схемы нормированного активного ФНЧ. Для этого вычисляем:

1 = 2π * Fc1 = 2 * 3,14 * 6 * 106 = 37,68 * 106

FSF2 = 2π * Fc2 = 2 * 3,14 * 3 * 106 = 18,84 * 106

Выбираем Z:

Z1 = 500 Ом

Z2 = 1 кОм

Определяем C' и R' для ФНЧ1 по формулам (4) и (3):

С’1 = 46,22 * 10-12 = 46,22 пФ

Выбираем конденсатор типа КМ-4-П33-47пФ±10%

С’2 = 53,58 * 10-12 = 53,58 пФ

Выбираем конденсатор типа КМ-4-П33-56пФ±10%

С’3 = 16,42 * 10-12 = 16,42 пФ

Выбираем конденсатор типа КМ-4-П33-16пФ±10%

С’6 = 55,23 * 10-12 = 55,23 пФ

Выбираем конденсатор типа КМ-4-П33-56пФ±10%

С’7 = 16,45 * 10-12 = 16,45 пФ

Выбираем конденсатор типа КМ-4-П33-16пФ±10%

’1 = R’2 = R’3 = R’4 = R’5 = 500 Ом

Выбираем резисторы типа МЛТ-0.125-510Ом±10%

Согласно рекомендации по применению операционных усилителей выбираем тип конденсаторов С4’, С5’, С8’, С9’ КМ-6-Н90-0,1мкФ±10%.

Выбираем операционные усилители DA1 и DA2 типа К1407УД1.

Определяем C'' и R'' для ФНЧ2 и ФНЧ3 по формулам (4) и (3):

С’’1 = 46,22 * 10-12 = 46,22 пФ

Выбираем конденсатор типа КМ-4-П33-47пФ±10%

С’’2 = 53,58 * 10-12 = 53,58 пФ

Выбираем конденсатор типа КМ-4-П33-56пФ±10%

С’’3 = 16,42 * 10-12 = 16,42 пФ

Выбираем конденсатор типа КМ-4-П33-16пФ±10%

С’’6 = 55,23 * 10-12 = 55,23 пФ

Выбираем конденсатор типа КМ-4-П33-56пФ±10%

С’’7 = 16,45 * 10-12 = 16,45 пФ

Выбираем конденсатор типа КМ-4-П33-16пФ±10%

’’1 = R’’2 = R’’3 = R’’4 = R’’5 = 1 кОм

Выбираем резисторы типа МЛТ-0.125-1кОм±10%

Согласно рекомендации по применению операционных усилителей выбираем тип конденсаторов С4’’, С5’’, С8’’, С9’’ КМ-6-Н90-0,1мкФ±10%.

Выбираем операционные усилители DA1’’ и DA2’’ типа К1407УД1.

Рис.4.3.3 ФНЧ1.


4.4 Усилитель аналогового сигнала

Операционные усилители представляют собой усилители постоянного тока с низкими значениями напряжения смещения нуля и входных токов и с высоким коэффициентом усиления. По размерам и цене они практически не отличаются от отдельного транзистора. В то же время, преобразование сигнала схемой на ОУ почти исключительно определяется свойствами цепей обратных связей усилителя и отличается высокой стабильностью и воспроизводимостью. Кроме того, благодаря практически идеальным характеристикам ОУ реализация различных электронных схем на их основе оказывается значительно проще, чем на отдельных транзисторах. Поэтому операционные усилители почти полностью вытеснили отдельные транзисторы в качестве элементов схем ("кирпичиков") во многих областях аналоговой схемотехники.

На рис.4.4.1 дано схемное обозначение операционного усилителя. Входной каскад его выполняется в виде дифференциального усилителя, так что операционный усилитель имеет два входа. В дальнейшем будем, при необходимости, обозначать неинвертирующий вход буквой p (positive - положительный), а инвертирующий - буквой n (negative - отрицательный). Выходное напряжение Uвых находится в одной фазе с разностью входных напряжений:

вых = U1 - U2




Рис. 4.4.1. Обозначение ОУ

Чтобы обеспечить возможность работы операционного усилителя как с положительными, так и с отрицательными входными сигналами, следует использовать двухполярное питающее напряжение. Для этого нужно предусмотреть два источника постоянного тока, которые, как это показано на рис. 1, подключаются к соответствующим внешним выводам ОУ. Обычно интегральные операционные усилители работают с напряжением питания +/-5 В.

Операционный усилитель почти всегда охвачен глубокой отрицательной обратной связью, свойства которой и определяют свойства схемы с ОУ.

Принцип введения отрицательной обратной связи иллюстрируется рис. 4.4.2.

Рис. 4.4.2. Принцип отрицательной обратной связи

Часть выходного напряжения возвращается через цепь обратной связи ко входу усилителя. Если, как это показано на рис. 4.4.2, напряжение обратной связи вычитается из входного напряжения, обратная связь называется отрицательной.

Для физического анализа схемы, представленной на рис. 4.4.2, допустим, что входное напряжение изменилось от нуля до некоторого положительного значения Uвх. В первый момент выходное напряжение Uвых, а следовательно, и напряжение обратной связи bUвых также равны нулю. При этом напряжение, приложенное ко входу операционного усилителя, составит Uд = Uвх. Так как это напряжение усиливается усилителем с большим коэффициентом усиления KU, то величина Uвых быстро возрастет до некоторого положительного значения и вместе с ней возрастет также величина bUвых. Это приведет к уменьшению напряжения Uд, приложенного ко входу усилителя. Тот факт, что выходное напряжение воздействует на входное напряжение, причем так, что это влияние направлено в сторону, противоположную изменениям входной величины и есть проявление отрицательной обратной связи. После достижения устойчивого состояния выходное напряжение ОУ

вых = KU UД = KU (Uвх - β Uвых) (4.4.1)

Решив это уравнение относительно Uвых, получим:

= Uвых / Uвх = KU / (1 + β KU) (4.4.2)

При β KU >>1 коэффициент усиления ОУ, охваченного обратной связью составит

K = 1/ β (4.4.3)

Таким образом, из этого соотношения следует, что коэффициент усиления ОУ с обратной связью определяется почти исключительно только обратной связью и мало зависит от параметров самого усилителя. В простейшем случае цепь обратной связи представляет собой резистивный делитель напряжения. При этом схема с ОУ работает как линейный усилитель, коэффициент усиления которого определяется только коэффициентом ослабления цепи обратной связи. Если в качестве цепи обратной связи применяется RC-цепь, то образуется активный фильтр. Наконец, включение в цепь обратной связи ОУ диодов и транзисторов позволяет реализовать нелинейные преобразования сигналов с высокой точностью.

Динамические и эксплуатационные параметры операционного усилителя

Параметры, характеризующие быстродействие ОУ, можно разделить на параметры для малого и большого сигналов. К первой группе динамических параметров относятся полоса пропускания fп, частота единичного усиления fт и время установления tу. Эти параметры называются малосигнальными, т.к. они измеряются в линейном режиме работы каскадов ОУ (DUвых <1В). Ко второй группе относятся скорость нарастания выходного напряжения r и мощностная полоса пропускания fр. Эти параметры измеряются при большом дифференциальном входном сигнале ОУ (более 50 мВ). Время установления отсчитывается от момента подачи на вход ОУ ступеньки входного напряжения до момента, когда в последний раз станет справедливым равенство |Uвых.уст - Uвых(t)| = d, где Uвых.уст - установившееся значение выходного напряжения, d - допустимая ошибка.

Мощностная полоса пропускания ОУ определяется по виду амплитудно-частотной характеристики, снятой при максимально возможной амплитуде неискаженного выходного сигнала. Вначале на низких частотах устанавливают такую амплитуду сигнала от генератора гармонических колебаний, чтобы амплитуда выходного сигнала Uвых.макс немного не доходила до границ насыщения усилителя. Затем увеличивают частоту входного сигнала. Мощностная полоса пропускания fр соответствует значению Uвых.макс равному 0,707 от первоначального значения. Величина мощностной полосы пропускания снижается при увеличении емкости корректирующего конденсатора.

Эксплуатационные параметры ОУ определяют допустимые режимы работы его входных и выходных цепей и требования к источникам питания, а также температурный диапазон работы усилителя. Ограничения эксплуатационных параметров обусловлены конечными значениями пробивных напряжений и допустимыми токами через транзисторы ОУ. К основным эксплуатационным параметрам относятся: номинальное значение питающего напряжения Uп; допустимый диапазон питающих напряжений; ток, потребляемый от источника Iпот; максимальный выходной ток Iвых.макс; максимальные значения выходного напряжения при номинальном питании; максимально-допустимые значения синфазных и дифференциальных входных напряжений.

Схемы включения ОУ

Дифференциальное включение

                                    R2

                R1

w ∞ m

+U                                     

U2 U1 R4 -U Uвых

Рис. 4.4.3. Дифференциальное включение ОУ

На рис.4.4.3 приведена схема дифференциального включения ОУ. Найдем зависимость выходного напряжения ОУ от входных напряжений. Вследствие свойства а) идеального операционного усилителя разность потенциалов между его входами p и n равна нулю. Соотношение между входным напряжением U1 и напряжением Up между неинвертирующим входом и общей шиной определяется коэффициентом деления делителя на резисторах R3 и R4:

= U1 R4 / (R3+R4) (4.4.4)

Поскольку напряжение между инвертирующим входом и общей шиной Un = Up, ток I1 определится соотношением:

= (U2 - Up) / R1 (4.4.5)

Вследствие свойства идеального ОУ I1=I2. Выходное напряжение усилителя в таком случае равно:

вых = Up - I1R2 (4.4.6)

Подставив (4.4.4) и (4.4.5) в (4.4.6), получим (4.4.7):


При выполнении соотношения R1R4 = R2R3,

вых = (U1 - U2)R2 / R1 (4.4.8)

Соотношения (4.4.7), (4.4.8) справедливы и в случае, если вместо резисторов R1 и R2 включены двухполюсники, содержащие в общем случае конденсаторы и катушки индуктивности, с операторным входным сопротивлением, соответственно, Z1(s) и Z2(s).

Инвертирующее включение

При инвертирующем включении неинвертирующий вход ОУ соединяется с общей шиной (рис. 4.4.4).

Рис. 4.4.4. Инвертирующее включение ОУ


Таким образом, выходное напряжение усилителя в инвертирующем включении находится в противофазе по отношению ко входному. Коэффициент усиления входного сигнала по напряжению этой схемы в зависимости от соотношения сопротивлений резисторов может быть как больше, так и меньше единицы.

Найдем входное сопротивление схемы. Поскольку напряжение на неинвертирующем входе относительно общей шины равно нулю, согласно свойству а) идеального ОУ входной ток схемы I1 = U2 / R1. Следовательно, входное сопротивление схемы Rвх = R1. Поскольку напряжение на неинвертирующем входе усилителя равно нулю, а согласно свойству а) идеального ОУ разность потенциалов между его входами равна нулю, то инвертирующий вход в этой схеме иногда называют виртуальным (т.е. воображаемым) нулем.

Неинвертирующее включение

При неинвертирующем включении входной сигнал подается на неинвертирующий вход ОУ, а на инвертирующий вход через делитель на резисторах R1 и R2 поступает сигнал с выхода усилителя (рис. 4.4.6). Здесь коэффициент усиления схемы K найдем, положив в (4.4.6) U2 = 0, R3 = 0, R4 бесконечно велико. Получим (4.4.9):










Рис. 4.4.6. Неинвертирующее включение ОУ

Здесь выходной сигнал синфазен входному. Коэффициент усиления по напряжению не может быть меньше единицы. В предельном случае, если выход ОУ накоротко соединен с инвертирующим входом, этот коэффициент равен единице. Такие схемы называют неинвертирующими повторителями и изготавливают серийно в виде отдельных ИМС по нескольку усилителей в одном корпусе. Входное сопротивление этой схемы в идеале - бесконечно. Ниже будет показано, что у повторителя на реальном операционном усилителе это сопротивление конечно, хотя и весьма велико.

Типы операционных усилителей

В настоящее время в мире изготавливаются сотни наименований интегральных ОУ. Все это многообразие можно разделить на группы, объединенные общей технологией и схемотехникой, точностными, динамическими или эксплуатационными характеристиками, причем эти группы могут пересекаться, т.е. включать общие элементы.

С точки зрения внутренней схемотехники операционные усилители можно разделить на биполярные, биполярно-полевые и КМОП (на комплементарных полевых транзисторах с изолированным затвором). В биполярно-полевых ОУ полевые транзисторы с управляющим p-n переходом или МОП-транзисторы обычно используются в качестве входных в дифференциальном входном каскаде. За счет этого достигается высокое входное сопротивление и малые входные токи.

Большая часть номенклатуры ОУ относится к усилителям общего назначения. Это дешевые усилители среднего быстродействия, невысокой точности и малой выходной мощности. Обычные параметры: KU = 20 000 - 200 000; Uсм = 0,1 - 20 мВ; fт = 0,1 - 10 МГц. Типичные примеры: 140УД6, 140УД8, 153УД6, LF411.

Быстродействующие усилители при средних точностных параметрах имеют высокие динамические характеристики (fт = 20 - 1000 МГц, r = 10 - 1000 В/мкс). Быстродействие ОУ ограничивает два обстоятельства. Во-первых, в состав входного дифференциального усилителя входят p-n-p-транзисторы, относительно низкочастотные из-за меньшей подвижности дырок по сравнению со свободными электронами. Во-вторых, скорость нарастания ограничена скоростью заряда корректирующего конденсатора Ск. Влияние первого фактора устраняют, используя во входном каскаде более быстродействующие р-канальные полевые транзисторы. Увеличить скорость заряда Ск можно либо увеличив ток дифференциального каскада, либо уменьшив емкость Ск. В первом случае увеличивается ток потребления ОУ, а во втором ухудшается устойчивость. Повысить устойчивость можно, вводя дополнительные фазоопережающие звенья в схему усилителя или вне его. Как следствие, быстродействующие ОУ склонны к неустойчивости. Типичные примеры: 140УД10, 574УД3, 154УД4, ОРА634.

Прецизионные усилители имеют высокий дифференциальный коэффициент усиления по напряжению, малое напряжение смещения нуля и малый входной ток обычно при низком или среднем быстродействии. Увеличение KU возможно путем усовершенствования каскадов усиления по напряжению или применением трехкаскадной схемы (например, 551УД1), что усложняет частотную коррекцию. Радикально уменьшить смещение нуля позволяет применение модуляции-демодуляции (МДМ), либо периодическая компенсация дрейфа (прерывание). Типичные примеры: 140УД26, МАХ400М, ОРА227 (без прерывания), ICL7652, 140УД24, МАХ430 (с прерыванием).

Микромощные усилители используются в приборах, получающих питание от гальванических или аккумуляторных батарей. Эти усилители потребляют очень малый ток от источников питания (например, ОУ МАХ406 потребляет ток не более 1,2 мкА). Все другие параметры (особенно быстродействие) у них обычно невысокие. Для того, чтобы дать возможность проектировщику найти компромисс между малым потреблением и низким быстродействием некоторые модели микромощных ОУ выполняют программируемыми. Программируемый ОУ имеет специальный вывод, который через внешний резистор соединяется с общей точкой или источником питания определенной полярности. Сопротивление резистора задает ток системы токовых зеркал усилителя, которые выполняют функции генераторов стабильного тока и динамической нагрузки каскадов усилителя. Уменьшение этого резистора приводит к увеличению быстродействия ОУ и увеличению потребляемого тока. Увеличение - к обратному результату. Типичные примеры: 140УД12, 1407УД2, ОР22. Обычная величина тока потребления для микромощных и программируемых ОУ - десятки микроампер. Микромощные ОУ, как правило, допускают питание от весьма низких напряжений. Например, ОУ типа МАХ480 допускает работу от источников с напряжением от +/-0,8 до +/-18 В при токе потребления 15 мкА.

Если источник сигнала - однополярный (например, фотодиод), целесообразно использовать операционный усилитель с однополярным питанием. Это позволит питать усилитель от одной батареи или даже элемента, например, от литиевого элемента напряжением 3 вольта. Основное требование, предъявляемое к ОУ с однополярным питанием, - диапазон входного синфазного сигнала должен простираться ниже отрицательного напряжения питания (обычно привязанного к потенциалу земли), а размах выходного напряжения должен быть ограничен снизу практически напряжением питания (потенциалом земли). Существуют усилители, диапазоны входных и выходных напряжений которых почти достигают и верхней и нижней границы питания (так называемые, rail-to-rail вход и выход), причем входные напряжения могут даже заходить за эти границы. Типичные примеры: МАХ495, потребляющий от однополярного источника ток 150 мкА, LMV321, потребляющий ток 145 мкА, от источника 1,8 В.

Многие фирмы выпускают многоканальные усилители. Это микросхемы, имеющие на одном кристалле два, три или четыре однотипных ОУ. Например, ИМС типа 140УД20 имеет в своем составе два ОУ 140УД7. Микросхемы МАХ406/407/409 и ОРА227/2227/4227 включают, соответственно, один, два и четыре однотипных усилителя.

Операционные усилители общего применения обычно допускают выходной ток до 5 мА. Для управления мощной нагрузкой применяются мощные ОУ. К мощным обычно относят усилители, допускающие выходной ток свыше 500 мА. Примером полупроводникового интегрального мощного ОУ может служить LM12 с выходным током до 10 А и рассеиваемой мощностью до 90 Вт. Фирма Apex Microtechnology выпускает сверхмощный гибридный ОУ РА30, допускающий выходной ток до 100 А и способный отдать в нагрузку мощность до 2000 Вт при жидкостном охлаждении. Дальнейшее увеличение выходной мощности усилителей возможно путем использования режима класса D (ключевой режим). Рекордными являются характеристики гибридного усилителя фирмы Apex SA08 с широтно-импульсной модуляцией на частоте 22 кГц: 10 кВт при напряжении до 500 В и токе до 20 А. При этом КПД усилителя достигает 98%.

В качестве операционных усилителей будем использоватьтри микросхемы К1407УД1. Микросхема К1407УД1 представляет собой широкополосный операционный усилитель выполненный на биполярных транзисторах с изоляцией элементов диэлектриком. Предназначена для применения в качестве чувствительного усилителя, рассчитана на работу с низкоомными генераторами сигналов от 100 Ом до 1 кОм, обеспечивает возможность регулировки тока управления от 250 мкА до 1 мА, имеет широкую полосу пропускания (6 МГц, типовое значение) при КУ,U = 80.

Корпус микросхемы К1407УД1 типа 2101.8-1. Масса микросхемы в корпусе не более 0,7 г.

Рис.4.4.7. Операционный усилитель К1407УД1

Назначение выводов:

1 коррекция 1 (баланс);

2 инвертирующий вход усилителя;

3 неинвертирующий вход усилителя;

4 питание (+Uп);

5 коррекция 2 (баланс);

6 выход усилителя;

7 питание (-Uп);

8 ток управления.

Электрические параметры

Номинальное напряжение питания …………………………………. ± 5 В

Ток потребления при Uп = ± 5 В, Iупр = 0,9 мА:

при Т = + 25 0С, не более…………………………………………. 8мА

типовое значение …………………………………………………… 5 мА

при Т = - 45 и +70 0С, не более…………………………………. 10мА

типовое значение ……………………………….……………… 5,5 мА

Максимальное выходное напряжение при Uп = ± 5 В, Iупр = 0,9 мА, Rн = 20 кОм, Т = + 25 0С, не менее ………………………………...…… +3 … -2 В

Напряжение смещения при Uп = ± 5 В, Iупр = 0,9 мА, Т = + 25 0С, не более ….…...….. 10 мВ

типовое значение …………………………………………………… 1 мВ

Входной ток при Uп = ± 5 В, Iупр = 0,9 мА, Т = + 25 0С, не более 10 мкА

типовое значение …………………..……………………….… 2,5 мкА

Разность входных токов при Uп = ± 5 В, Iупр = 0,9 мА, Т = + 25 0С, не более ….…….. 2 мкА

типовое значение …………………………………………...… 0,5 мкА

Коэффициент усиления напряжения при Uп = ± 5 В, Iупр = 0,9 мА:

при Т = + 25 0С, не менее ………………………………………….. 104

типовое значение ……………………………………...………….. 5 * 104

при Т = - 45 и +70 0С, не менее ………………………….…… 8 * 103

типовое значение …………………………………………...….. 4 * 104

Коэффициент ослабления синфазных входных напряжений при Uп = ± 5 В, Iупр = 0,9 мА, Т = + 25 0С, не менее ……………………………. 70 дБ

типовое значение ………………………………………….…….. 90 дБ

Скорость нарастания выходного напряжения при Uп = ± 5 В, Iупр = 0,9 мА, К = -100, Т = + 25 0С, не менее …………………………………… 10 В/мкс

типовое значение ………………………………………….… 25 В/мкс

Температурный дрейф напряжения смещения при Uп = ± 5 В, Iупр = 0,9 мА, Т = - 45 … + 70 0С, не более ……………………………….. 50 мкВ/ 0С

типовое значение ………………………………………..….. 5 мкВ/ 0С

Предельные эксплуатационные данные

Напряжение питания…………………………………..……± 3…± 12 В

Максимальное входное дифференциальное напряжение……… ± 2,5 В

Максимальное входное синфазное напряжение……………..|Uп - 1,5| В

Максимальный ток нагрузки……………………………………… 5 мА

Максимальная емкость нагрузки………………………………… 25 пФ

Температура окружающей среды …………………… - 45 … + 70 0С

Будем использовать неинвентирующее включение операционного усилителя. Определим значения элементов схемы.

Коэффициент усиления должен быть равен 2.

Кус = Roc / R +1 = R8 / R7 +1

Возмем значения R8 и R7 равные 1 кОм.

Выбираем резисторы R6,R7, R8 типа МЛТ-0.125-1кОм±10%.

Согласно рекомендации по применению операционных усилителей выбираем тип конденсаторов С11, С12 КМ-6-Н90-0,1мкФ±10%, а С12 КМ-4-П33-30пФ±10%.

Рис.4.4.8. Электрическая схема операционного усилителя.

4.5 Выходной каскад

Эмиттерный повторитель применяется в телевизионной аппаратуре в оконечных каскадах видеоусилителей, работающих на коаксиальный кабель. Кроме того, эмиттерный повторитель применяется как входной каскад видеоусилителя, работающего от источника сигнала с большим внутренним сопротивлением. Каскад имеет малую входную динамическую емкость, высокое входное и низкое выходное сопротивления, хорошую форму частотной и фазовой характеристик.

На рис.1 изображена схема эмитерного повторителя.


Эмиттерный повторитель является оконечным каскадом устройства. К разъемам устройства подсоединяются два коаксиальных кабеля, нагруженных на 75 Ом. Таким образом, сопротивление каждой из двух ветвей эмиттерного повторителя 150 Ом. Эквивалентное сопротивление двух параллельных ветвей 75 Ом. Обозначим его Rн.

Выберем резисторы R1 и R2 типа МЛТ-0.125-75Ом±10%.

Определим значение сопротивления R1:

1 = U1 / I1 = (Eп - Uн) / I1

I1 = Uн / Rн= (Eп - Uн) Rн / Uн

1 = (5-1)*75 / 1 = 300,75 Ом

Выбираем резистор типа МЛТ-0.125-300Ом±10%

Определим основные параметры эмиттерного повторителя для значений сигнала соответствующих уровню белого и уровню черного.

Для уровня черного значение тока эмиттера будет равно:

э = Uп / R1 = 5 / 300 = 16,6 мА

Тогда мощность, рассеиваемая на транзисторе равна:

Ртр = (Еп - Uэ) Iэ

Уровню черного соответствует значение напряжения равное 0В, поэтому:

Ртр = (5 - 0)* 0,0166 = 83,3 мВт.

Для уровня белого значение тока эмиттера будет равно:

э = Uп / R1 = 5 / 300 = 16,6 мА

Тогда мощность, рассеиваемая на транзисторе равна:

Ртр = (Еп - Uэ) Iэ

Уровню белого соответствует значение напряжения на эмиттере равное -1В, поэтому:

Ртр = (5 - (-1))* 0,0166 = 99,6 мВт.

Определим требования предъявляемые к транзистору:

Мощность, рассеиваемая на транзисторе, максимальна, когда значение напряжения достигает уровня белого и равна 99,6 мВт. Возьмем запас по мощности 30%, тогда максимальная мощность рассеиваемая на транзисторе должна быть не меньше 130 мВт.

Значение полосы пропускания транзистора должно быть не менее удвоенного значения полосы пропускания яркостного сигнала, т.е.:

fmax > 12 МГц.

Этим требованиям удовлетворяет транзистор КТ315Б. Этот транзистор предназначен для работы в схемах усилителей высокой, промежуточной и низкой частоты. Выпускается в пластмассовом корпусе с гибкими выводами. Масса транзистора не более 0,18 г.

Электрические параметры

Граничное напряжение при Iэ = 5 мА не менее………….……..…15 В

Напряжение насыщения коллектор-эмиттер

при Iк = 20 мА, Iб = 2 мА не более ………………………….……. 0,4 В

Насыщение база-эмиттер при Iк = 20 мА, Iб = 2 мА не более …… 1,1 В

Статический коэффициент передачи тока в схеме с общим эмиттером

при Uкэ = 10 В, Iк = 1 мА:……………….………..…………… 50-350

Постоянная времени цепи обратной связи на высокой частоте

при Uкб = 10 В, Iэ = 5 мА не более:…………………………… 500 нс

Модуль коэффициента передачи тока при Uкэ = 10 В, Iк = 1 мА, f = 100 МГц не менее:………………………………………………………………. 2,5

Емкость коллекторного перехода при Uкб = 10 В не более:…….… 7 пФ

Входное сопротивление при Uкэ = 10 В, Iк = 1 мА не менее:.…. 40 Ом

Выходная проводимость при Uкэ = 10 В, Iк = 1 мА не более:…0,3 мкСм

Обратный ток коллектора при Uкб = 10 В не более:………..….. 1 мкА

Обратный ток коллектор-эмиттер при Rбэ = 10 кОм,Uкэ = Uкэmax не более:... 1мкА

Обратный ток эмиттера при Uбэ = 5 В не более:…………….30 мкА

Предельные эксплуатационные параметры

Постоянное напряжение коллектор-эмиттер при Rбэ = 10 кОм:…... 20 В

Постоянное напряжение база-эмиттер:………………………………. 6 В

Постоянный ток коллектора:…………………………………... 100 мА

Постоянная рассеиваемая мощность крллектора при Т=213 - 298 К 150 мВт

Температура перехода……………………………………….……… 393 К

Температура окружающей среды …………….……… от 213 до 373 К

Постоянная рассеиваемая мощность коллектора, мВТ, при Т = 298-373 К определяется по формуле РКмакс =(393 - Т) / 0,67.

Допускается эксплуатация транзистора в режиме Рк = 250 мВт при Uкб = 12,5 В, Iк = 20 мА.

Пайка выводов допускается на расстоянии не менее 2 мм от корпуса транзистора.

4.6 Кодер системы PAL

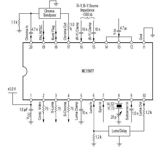
Компонентный аналоговый сигнал Y,U,V должен попасть на вход кодера. В качестве кодера используем микросхему МС13077 - высококачественный видео кодер способный преобразовывать компонентные аналоговые сигналы RGB или YUV в сигнал стандарта PAL или NTSC. ИС состоит из матрицы яркости и цветоразности, модуляторов, осциллятора поднесущей частоты, и логики, которая позволяет кодировать компонентный сигнал в композитный в соответствии с телевизионными стандартами. Кодер потребляет менее 75мА, что делает его удобным в использовании в портативных устройствах.

Кодер выполнен в 20-ти выводном корпусе DIP или SOIC. Для его работы требуются дополнительно только пассивные компоненты. ИС работает автономно без управления по цифровой шине I2C. Изготовлена на основе процесса MOSAICE фирмы Моторола. Особенности:

• Напряжение питания 5В

• Композитный выход PAL/NTSC

• Использование внешней или внутренней поднесущей частоты

• Рабочая температура TA = 0° to +70°C

Микросхема располагается на отдельной плате и соединяется с устройством преобразования сигнала SDI в сигнал YUV с помощью коаксиальных переходников.

Рис. 4.6.1 Микросхема МС13077.

Назначение выводов: 1 - Vcc, напряжение источника питания, 2 - аналоговый выход (PAL, NTSC), 3 - выход сигнала яркости S-Video, 4 - выход сигнала цветности S-Video, 5 - корпус, 6 - вход сигнала яркости с линии задержки, 7 - композитный вход сигнала синхронизации (вход имеет порог 1,4 В), 8 - связь с резонансным генератором, 9 - вход для сигналов управления, 10 - выход сигнала яркости на линию задержки (для сравнения с сигналом цветности), 11 - земля, 12,13,14 - в нашем случае вход сигнала Y, 15 - вход сигнала U, 16 - вход сигнала V, 17 - выход сигнала яркости, 18 - импульс сигнала цветовой синхронизации, 19 - (мультипроцессорная) система с перекрестной коммутацией (процессоров), 20 - вход сигнала цветности после обработки.

4.7 Принципиальная электрическая схема


.8 Спецификация

Поз. обозначение

Наименование

Количество

R1 - R5

МЛТ-0.125-510Ом±10%

5

R6 - R8, R12 - R19, R23 - R30

МЛТ-0.125-1кОм±10%

19

R10, R11, R21, R22, R32, R33

МЛТ-0.125-75Ом±10%

6

R9, R20, R31

МЛТ-0.125-300Ом±10%

3

С1, C13, C25

КМ-4-П33-47пФ±10%

3

C2, C6, C14, C18, C26, C30

КМ-4-П33-56пФ±10%

6

C3, C7, C15, C19, C27, C31

КМ-4-П33-16пФ±10%

6

C10, C22, C34

КМ-4-П33-30пФ±10%

3

C16, C17, C20 - C24, C28, C29, C32, C33, C35, C36, C39, C40

КМ-6-Н90-0,1мкФ±10%

21

C37, C38

К50-16-470мкФ10В

2

DA1- DA9

К1407УД1

9

VT1 - VT3

КТ315Б

3


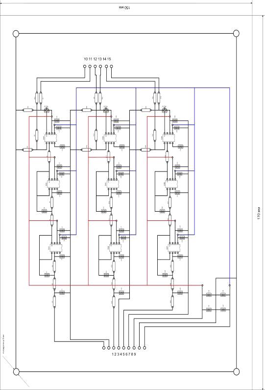
5.  Разработка топологии печатной платы

При формировании рисунка печатной платы каскада фильтра нижних частот и операционного усилителя должна быть сначала просчитана монтажная схема. На монтажной схеме должны быть отображены места размещения элементов крепления печатной платы к корпусу (напрямую или через вспомогательные приспособления), разъемы сочленения ее с другими печатными платами устройства (блока) или завязки с внешней аппаратурой. Рассмотрим изготовление печатной платы каскада фильтра нижних частот и операционного усилителя.

Печатная плата изготавливаются из стеклотекстолита марки СФ-2Н-50-2, а печатный рисунок выполняется комбинированным способом.

Плата каскада закрывается защитным экраном. Он выполнен из мягкой листовой жести и заземлен на корпус, для предотвращения наводок на его элементы.

Диаметр отверстий в печатной плате должен быть больше диаметра вставляемого в него вывода соответствующего элемента. Это обеспечивает возможность свободной установки элемента на плате.

При диаметре вывода до 0.8 мм диаметр не металлизированного отверстия делают на 0.2 мм больше диаметра вывода; при диаметре вывода более 0.8 мм - на 0.3 мм больше.

В качестве материала для изготовления печатной платы взят фольгированый стеклотекстолит.

При размещении элементов радиоэлектроники на печатной плате необходимо учитывать следующие тонкости:

-         полупроводниковые приборы и микросхемы не следует располагать близко к элементам, выделяющим большое количество тепла;

-        должна быть предусмотрена возможность конвекции воздуха в зоне расположения элементов, выделяющих большое количество тепла;

         должна быть предусмотрена возможность легкого доступа к элементам.

Стеклотекстолит должен обладать следующими характеристиками:

-         объемное удельное сопротивление, порядка - 5…10 (Ом×см);

-        тангенс угла диэлектрических потерь, не более - 0.03;

Чтобы обеспечить надежное соединение металлизированного отверстия с печатным проводником, вокруг отверстия делают контактную площадку. Диаметр контактной площадки равен: DK = D + 2B + С , где D - диаметр отверстия; 2В - необходимая минимальная радиальная толщина контактной площадки; С - коэффициент, учитывающий влияние разброса межцентрального расстояния;

Обычно, В = 0.15×D; С = (0.4…0.5)×D.

Чертеж общего вида печатной платы с соединением проводников печатным способом приведен рис.5.1. Черным цветом обозначена разводка проводников лицевой стороны, а цветными линиями - разводка обратной стороны печатной платы. Притом красным цветом обозначено питание +5 В, синим цветом -5В.

Рис.5.1. Топология печатной платы.

6. Технико-экономическое обоснование проекта

.1 Организационные факторы экономической эффективности применения ЦАП на ПТС в городе Москве

За последние несколько лет в Москве происходит интенсивное внедрение цифровых технологий в производство телевизионных передач. Многие крупнейшие телевизионные центры переходят на цифровое телепроизводство. Однако невозможно полностью отказаться от аналоговой техники.

Данный декодер позволяет совместное использование аналоговой и цифровой телевизионной техники. Это устройство служит не только усилителем-распределителем цифрового сигнала, но и преобразует его в аналоговый сигнал. Аналоговый сигнал можно использовать для контроля, т.е. для визуального контроля на мониторе и измерений на осциллографе.

Таким образом, при перестроении передвижных телевизионных станций с аналоговых стандартов на цифровые, экономически выгоднее приобрести декодеры, нежели приобретать цифровые мониторы и цифровую измерительную аппаратуру. Это обосновано и с технической точки зрения, т.к. несмотря на то, что многие телецентры переходят на цифровые стандарты производства, эфирное вещание остается аналоговым, а следовательно, более правильно контролировать и измерять аналоговый сигнал.

6.2 Расчет капитальных и эксплуатационных затрат связанных с внедрением и разработкой ЦАП

Конкурентоспособность отрасли, ее экономические показатели, финансовое положение во многом определяются состоянием материально-технической базы, уровнем соответствия средств связи требованиям научно-технического прогресса (НТП).

Капитальные вложения - это совокупность затрат на строительство новых, расширение, реконструкцию и техническое перевооружение действующих систем связи. Они включают стоимость строительно-монтажных работ, нового оборудования, кабельной продукции, затраты на их транспортировку, хранение и др.

Объем капитальных вложений определяется на:

·   основе сметной стоимости;

·   удельных капитальных вложений и мощности строящегося объекта или систем связи;

·   стоимости типового проекта.

Объем капитальных вложений на основе их удельных показателей рассчитывается:

К = Куд * М,

где Куд - удельные капитальные вложения (в расчете на единицу производственной мощности).

М - производственная мощность оборудования или строящегося объекта в соответствующих единицах измерения.

Себестоимость в общем виде характеризует объем производственных издержек (эксплуатационных расходов), необходимых для производства всего объема услуг (обслуживания технических устройств).

В данном дипломе разрабатывались блоки фильтров нижних частот, операционных усилителей, эмиттерных повторителей.

Полную себестоимость изделия определим по формуле (1):

С = ( П + М + 3×(1+))×(1 + ) )

Где П - стоимость покупных изделий и полуфабрикатов;

М - стоимость основных материалов;

3 - заработная плата основных рабочих;

 - коэффициент, учитывающий ценовые и общезаводские расходы производственных затрат, т.е. накладные расходы;

- коэффициент, учитывающий внепроизводственные расходы.

Для определения стоимости покупных изделий П разработанных блоков составим таблицу 1.

Таблица 1.

Обозначение

Наименование

Общее число, шт.

Цена за 1 шт., руб.

Всего, руб.

Конденсаторы

С1, С1’, C1’’

КМ-4-П33-47ПФ

3

3,50

10,50

C2, C2’, C2”, С6, С6’, C6’’,

КМ-4-П33-56ПФ

6

3,50

21

C3, C3’, C3’’, C7, C7’, C7’’

КМ-4-П33-16ПФ

6

3,50

21

C4, C4’, C4’’, C5, C5’, C5’’, C8, C8’, C8’’, C9, C9’, C9’’, C12, C12’, C12’’, C13, C13’,C13’’

КМ-6-Н90-0,1МКФ

18

4

72

С10, C10’, C10”

КД-2-МПО-15Ф

3

4,50

13,50

C11, C11’, C11’’

КД-2-МПО-4.7Ф

3

4,50

13,50

Резисторы

R1, R2, R3, R4, R5

МЛТ-0.125-510ОМ

5

0,50

2,50

R1’, R1’’, R2’, R2’’, R3’, R3’’, R4’, R4’’, R5’, R5’’

МЛТ-0.125-1кОМ

10

0,50

5

R6, R6’, R6’’

МЛТ-0.125-3КОМ

3

0,50

1,50

R7, R7’, R7’’, R8, R8’, R8’’

МЛТ-0.125-75ОМ

6

0,50

3

R9, R9’, R9’’

МЛТ-0.125-300ОМ

3

0,50

1,50

Операционные усилители

DA1, DA1’, DA1’’, DA2, DA2’, DA2’’, DA3, DA3’, DA3’’

К1407УД1

9

8

72

Транзисторы

VT1, VT1’, VT1’’

КТ315Б

3

5

15

Печатная плата

1

5

5

Итого:

255

Транспортные расходы

5-10%

15

Всего:

270


Установим структуру производственных затрат, характерную для производства телевизионной аппаратуры:

1) Материалы Ym = 15 %

2) Покупные изделия Yп = 55 %

3) Заработная плата Уз = 30 %

Стоимость покупных изделий составляет (таблица 1):

П = 270 руб.

Стоимость основных материалов cоставит:

 = (П / Yп) × Ym

Подставим значения

M = (270 / 55)×15

М = 73.64 руб.

Заработная плата основных производственных рабочих составит:

Подставив значения, получим :

З= П / Yп×Yз

з=(270/55)×30

Iз = 147.27 руб.

Заработная плата рассчитывается с учетом единого социального налога (ЕСН), который составляет 26%, поэтому:

Iз=147.27×(1+0.26)=185.56 руб.

При мелкосерийном производстве значение коэффициента накладных расходов α равно 2.6, а коэффициента внепроизводственных расходов β = 0.015. Полная себестоимость составляет:

С = (270+ 73.64+ 185.56×(1+ 2.6))×(1+ 0.015) = 1026.83 руб.

Для определения первоначальной цены изделия Цо к себестоимости изделия прибавляется желаемый уровень рентабельности Р, который составляет 10-15%. Кроме того необходимо учесть налог на добавленную стоимость (НДС) в соответствии с действующей ставкой налога (18%):

Цо= 1026.83× (1+0.15)×(1+0.18) = 1393.41 руб.

6.3 Показатели надежности блоков операционного усилителя и эмиттерного повторителя

Надежность - это свойство изделия выполнять заданные функции, сохраняя во времени значения установленных эксплутационных показателей в заданных пределах, соответствующих заданным режимам и условиям использования.

Требуемые свойства объекта определяются совокупностью норм, правил, технических условий.

В телевизионном вещании процессы производства и потребления неотъемлемы друг от друга. Поэтому основными показателя качества являются те или иные показатели надежности: число нарушений нормальной работы, их средняя продолжительность и др. Надежность аппаратуры (узлов, блоков, приборов) зависит от надежности элементов, образующих сложную систему и определяется по формуле:


где, k- количество групп элементов с одинаковой интенсивностью отказов;

 - интенсивность отказов i-го элемента;

ni - количество i-x элементов с одинаковой интенсивностью отказов.

Для определения надежности разработанных блоков составим таблицу 3

Таблица 3.

Наименование

Количество

Интенсивность отказа

Интенсивность

Деталей

N (шт.)

одного элемента

отказа группы



 1/чЭлементов





 1/ч

Сопротивления

12

0,003

0,036

Конденсаторы

12

0,04

0.48

Микросхемы

2

0,05

0,1

Пайка

134

0,01

Итого



 1/ч


Для разработанного варианта определим наработку на отказ блоков. Подставив значения, получим:

То = 41666 часов.

Вероятность безотказной работы рассчитываем по формуле :


Результаты вычислений сведены в таблицу 4.

Зависимости вероятности безотказной работы блоков от времени.

Таблица 4.

tp, час

0

200

400

600

800

P(tp)

1

0,992

0,985

0,977

0,970


tp, час100010000200003000041666






P(tp)

0,963

0,684

0,468

0,320

0,205


По результатам расчета составим итоговую таблицу 5.

Таблица 5.

Наименование показателя

Обозначения

Единицы измерений

Сумма

Покупные изделия

П

руб.

270

Себестоимость

С

руб.

453

Оптовая цена

Цо

руб.

520

Надежность аппаратуры

час.41666



Вероятность безотказной работы

для tp=1000 часов

0,963



Себестоимость блоков операционного усилителя и эмиттерного повторителя достаточно низкая, что видно из расчетов, а значит, приемлема для заказчика. Себестоимость так же можно уменьшить за счет замены предлагаемых элементов более дешевыми, но это приведет к потерям надежности. Верно и обратное, попытки увеличить надежность приведут к увеличению себестоимости блоков.

Следует отметить, что полученное в ходе расчетов время безотказной работы удовлетворяет требованиям на время безотказной работы элементов теле- и радио аппаратуры, и даже значительно превосходит его, следовательно, рассчитанный вариант с экономической точки зрения очень выгоден.

7. Вопросы экологии и безопасности жизнедеятельности

Мероприятия по охране труда при изготовлении печатной платы преобразователя видео сигнала.

Темой данного дипломного проекта является разработка преобразователя видео сигнала. Устройство конструктивно выполнено на печатной плате. Рассмотрим вопросы, связанные с мероприятиями по охране труда при изготовлении печатной платы устройства.

Операции по сборке и монтажу радиоаппаратуры, в которой электрические соединения выполнены монтажными проводами, очень трудоемки. Для снижения трудоемкости работ применяют групповые методы монтажа, одним из которых является печатный монтаж. Печатным монтажом называется система печатных проводников, обеспечивающих электрическое соединение элементов схемы, экранирование, заземление. Получают печатный электрический монтаж, нанося тем или иным способом на изоляционное основание (плату) токопроводящие покрытия (проводники).

Проводники представляют собой узкие и тонкие полоски металла, выполняющие функции монтажных проводов. Печатные проводники могут быть нанесены на обе стороны изоляционного основания. Техника печатания предусматривает возможность нанесения не только соединительных проводников. Этим способом могут быть изготовлены также элементы схем (резисторы, емкости, индуктивности), однако получить с заданными параметрами их технологически сложно, поэтому этот способ применяют только для печатания проводников. Конденсаторы, резисторы, полупроводниковые элементы и другие детали, и элементы схем закрепляют в определенных точках печатных проводников, а затем припаивают к ним. Применительно к технике печатного монтажа такие детали и элементы получили название навесных.

Печатная плата представляет собой изоляционное основание с печатным монтажом или печатной схемой. Рассмотрим печатную плату применительно к этому дипломному проекту.

Конструктивно разработанное устройство выполнено на отдельной печатной плате из фольгированного текстолита или гетенакса, с применением односторонней печати. Печатная плата изготовлена сеточно-химическим способом. Данный метод обладает максимальной производительностью по сравнению с остальными методами, применяется при крупносерийном производстве при малой номенклатуре односторонних несложных печатных плат. При этом производится печатание кислостойкой краской позитивного изображения печатного монтажа через сетчатый трафарет на фольгированный диэлектрик. Пайка выводов деталей может, производится радиомонтажником.

Применение печатных схем не только снижает трудоемкость монтажно-сборочных и регулировочных работ, но и позволяет сократить габаритные размеры и массу радиоаппаратуры, уменьшить количество ошибок при монтаже и число контрольных испытаний, которые необходимы при обычных методах изготовления аппаратуры. Технология печатного монтажа обеспечивает возможность автоматизации и механизации процессов производства. Радиоаппаратура с монтажом, выполненным печатным способом, отличается стабильностью электрических и радиотехнических параметров, а также высокой механической прочностью, поскольку все детали прочно связаны с основанием - изоляционной платой.

Изоляционные основания печатных плат изготавливают из электротехнического или фольгированного гетинакса, фольгированного стеклотекстолита или других изоляционных материалов. Для предохранения плат печатного монтажа от воздействия влаги, а также повышения электроизоляционных свойств схемы, платы покрывают различными лаками и компаундами.

Разновидности схем

Пленочные интегральные схемы. Пленочными интегральными схемами называют микросхемы, элементы которых выполнены в виде тонких пленок. Параметры и функции микросхем определяются материалом, а также размером и формой пленок, наносимых на основание (подложку). При изготовлении микросхем в качестве подложки используют специальные марки стекла (С-41-1,С-48-3), а также ситалл (СТ-1, СТ-50-1).

Функциональные узлы электронных схем получают нанесением на подложки тонких пленок проводниковых диэлектрических, магнитных, магнитодиэлектрических и других материалов. Хотя экспериментально получены активные элементы (полупроводниковые приборы) методом тонкопленочной технологии, изготовление их с заданными параметрами связано с большими трудностями. Поэтому в качестве этих элементов используют объемные.

Похожие работы на - Разработка устройства, выполняющего функцию усилителя-распределителя цифрового сигнала и цифро-аналогового преобразователя

 

Не нашли материал для своей работы?
Поможем написать уникальную работу
Без плагиата!
Без нейросетей!