Разработка мультисервисной сети Бурлинского района Алтайского края
Введение
На сегодняшний день телекоммуникационным операторам
приходится удовлетворять потребности клиентов в передаче разнообразного трафика
и предоставлении клиентам большого спектра услуг. Среди них наиболее
востребованными являются:
- передача традиционного трафика телефонии;
- организация доступа в Интернет и
передача трафика Интернет по магистральным каналам;
- передача трафика корпоративных сетей,
объединение локальных сетей;
- организация видеоконференций и
передача трафика IP-телефонии.
Между тем, каналы передачи данных, подходящие для
предоставления одной услуги, не всегда подходят для предоставления другой.
Увеличение объемов предоставляемых услуг заставляет операторов и провайдеров
параллельно развивать несколько различных сетей. Это требует больших затрат и
часто сопряжено со значительными техническими трудностями.
В то же время существенно возросла конкуренция между
операторами и интернет-провайдерами, предоставляющими эти услуги.
Неудивительно, что в последнее время все большую популярность приобретают
мультисервисные сети.
Мультисервисная сеть - это инфраструктура,
использующая единый канал для передачи данных разных типов трафика. Она
позволяет уменьшить разнообразие типов оборудования, применять единые стандарты
и единую кабельную систему, централизованно управлять коммуникационной средой
для предоставления наиболее полного спектра услуг.
Услуги такой сети в первую очередь предназначены для
компаний, ориентированных на интенсивное развитие бизнеса, оптимизацию затрат,
автоматизацию бизнес-процессов, современные методы управления и обеспечение
информационной безопасности. Наиболее эффективное применение мультисервисные
сети могут найти у традиционных телекоммуникационных операторов, которые таким
образом, значительно расширяют гамму предоставляемых услуг. Для корпоративного
рынка объединение всех удаленных подразделений в единую мультисервисную сеть на
порядок увеличивает оперативность обмена информацией, обеспечивая доступность
данных в любое время. Благодаря возможности обмениваться большими объемами
данных между офисами, можно устраивать селекторные совещания и проводить
видеоконференции с отдаленными подразделениями. Все это ускоряет реакцию на
изменения, происходящие в компании, и обеспечивает оптимальное управление всеми
процессами в реальном масштабе времени.
При создании мультисервисной сети достигается:
‒ сокращение расходов на каналы связи;
‒ сокращение расходов на администрирование и поддержание
работоспособности сети, уменьшение совокупной стоимости владения;
‒ возможность проведения единой административно-технической
политики в области информационного обмена;
‒ увеличение конкурентоспособности организации за счет
введения в операционную деятельность новых корпоративных сервисов и приложений
и, как следствие, повышения производительности труда сотрудников.
‒ независимость от технологий услуг связи и
гибкость получения набора, объема и качества услуг;
Мультисервисные сети поддерживают такие виды услуг,
как:
- телефонная и факсимильная связь;
- выделенные цифровые каналы с
постоянной скоростью передачи;
- пакетная передача данных (FR) с
требуемым качеством сервиса;
- передача изображений,
видеоконференцсвязь;
- телевидение;
- услуги по требованию (On-Demand);
- IP-телефония;
- широкополосный доступ в Интернет;
- создание виртуальных корпоративных
сетей, коммутируемых и управляемых пользователем.
Министерством связи утверждены "Концептуальные положения по
построению мультисервисных сетей на ВСС России", согласно которым под
мультисервисной понимается сеть связи, построенная в соответствии с концепцией
сети следующего поколения (NGN),
позволяющая предоставлять неограниченный набор услуг и обладающая гибкой
возможностью по их управлению, персонализации и созданию новых услуг. Основными
характеристиками сети NGN являются пакетный способ передачи, широкополосная
инфраструктура и интеллект сети, высокая степень готовности, качество услуг,
необходимое для отдельных видов услуг, более производительное терминальное
оборудование, низкие затраты на передачу единицы контента, а также открытая
архитектура, которая обеспечивает конвергентные услуги с быстрой динамикой
развития.
Данным дипломным проектом предусмотрена разработка мультисервисной сети
Бурлинского района Алтайского края с заменой коммутационного и транспортного
оборудования на современное, обеспечивающее услуги NGN.
.
Характеристика существующей телефонной сети Бурлинского района
.1 Краткая
географическая и социально-экономическая характеристика района
Бурлинский район находится в северо-западной части Алтайского края,
граничит на юго-западе с республикой Казахстан, на севере и северо-западе с
Новосибирской областью, на юге со Славгородским районом Алтайского края. На
территории района расположено 25 сел, наиболее крупные - с.Устьянка,
с.Михайловка и с.Новопесчаное. Районным центром является село Бурла. Расстояние
до краевого центра г.Барнаула составляет 500 км. Общая площадь муниципального
образования Бурлинский район 2746 кв.м. Общая численность населения составляет
почти 11 тысяч человек.
Территория Бурллинского района является частью Кулундинской степи. Здесь
расположены низовья реки Бурлы с обширными озерами, степными пространствами,
колками, солончаками и солонцами. Типичным ландшафтом являются степи,
характерно участие в ландшафте березовых, реже осиновых колков. Богатство
Бурлинского района - уникальные пресные озера, кроме пресных в районе есть и
бессточные озера различной степени солености, 11% территории района расположено
под водой. На территории района протекает река Бурла, образуя сеть пресноводных
озер - Хорошее, Кабанье, Хомутиное, Песчаное, Травяное, Кривое и Малое
Топольное.
Основное направление экономики - сельское хозяйство: развито зерновое
производство, животноводство, овцеводство. На территории района находятся
рыбхоз, элеватор. Имеются общеобразовательные школы, детские дошкольные
учреждения, больницы. Сельское хозяйство района представлено 36 крестьянскими
(фермерскими хозяйствами и 6 сельхопредприятиями).
Выпуском промышленной продукции занимается 2 предприятия по
теплоснабжению - МУП "Бурлинские тепловые сети", МУП "Михайловское
жилищно-коммунальное хозяйство". Кроме того, производством промышленной
продукции занимаются некоторые сельскохозяйственные предприятия (помол муки,
забой КРС), ОАО "Бурлинский рыбхоз", ДРСУ, сельсоветы, несколько
индивидуальных предпринимателей (выпечка кондитерских изделий, хлеба и
хлебобулочных изделий).
На территории муниципального образования в достаточном количестве имеются
общераспространенные полезные ископаемые (глина, сырье для производства
красного кирпича), что предполагает возможность развития производства
строительных материалов. Район богат водой, в основном озерной. Единственная
река - Бурла, которая берет начало в Крутихинском районе, протекает по
территории Панкрушихинского, Хабарского и Бурлинского районов и впадает в озеро
Топольное. В нижнем течении образуется Бурлинская озерно-речная система, в
которую входят 10 озер. Площадь озер Бурлинской системы составляет 27,2 тыс. га
или 9,9 % общей площади района. В озерах обитают различные виды рыб: щука,
плотва, язь, карась, сазан, окунь и т.д. Высокий рекреационный потенциал,
сочетающий в себе наличие пресных озер, экологическую чистоту территории, а
также развитая транспортная инфраструктура создают уникальные возможности для
развития рекреационной зоны.
По территории Бурлинского района проходит Западно-Сибирская железная
дорога. В торговую сеть Бурлинского района входят 6 предприятий розничной
торговли.
Система образовательных учреждений района объединяет в себе 13 школ, 8
детских садов, одну детскую юношескую спортивную школу и Центр внешкольной
работы. К учреждениям здравоохранения Бурлинского района относятся КГБУЗ
"Бурлинская центральная районная больница", 15 ФАПов, 2
амбулаторно-поликлинических учреждений.
Электросвязь в районе обеспечивает Бурлинский районный узел связи
Алтайского филиала электросвязи ОАО "Ростелеком".
1.2
Характеристика существующей СТС Бурлинского района
Сельская телефонная сеть представляет собой совокупность коммутационных
станций и узлов, линий, оконечных абонентских устройств, предназначенных для
обеспечения телефонной связью абонентов сельского административного района.
Особенностью СТС является наличие мелких абонентских групп, удаленных от
райцентра на значительные расстояния. В связи с этим на СТС применяются АТС
различной емкости и типов:
- аналоговая телефонная станция координатная АТСК 50/200;
- цифровая автоматическая телефонная станция SI2000;
- цифровая автоматическая телефонная станция SI3000;
- цифровая автоматическая телефонная станция АТС
"Квант";
- аналоговая телефонная станция координатная АТСК 100/2000.
Телефонная сеть Бурлинского района построена, по принципу типичной СТС,
по радиальному принципу. В с.Бурла находится SI3000 емкостью 2626 номеров, выполняющая функции центральной
станции для СТС.
В настоящее время емкость центральной станции задействована на 2620
номеров. Через ЦС абоненты СТС имеют непосредственный выход на АМТС, а так же
имеют доступ к спецслужбам. У абонентов с.Бурла после реконструкции ЦС
появилась возможность пользоваться услугами широкополосного доступа в сеть
Интернет для передачи данных, видео, речи.
В населенных пунктах, входящих в состав Бурлинского района находятся 10
АТС включенных ЦС, из них:
- 3 - цифровые автоматические телефонные станции типа SI2000 емкостью - 235; 265 и 285
номеров;
- 1 - автоматическая телефонная станция типа АТС "Квант" емкостью
53 номера;
- 1 - автоматическая телефонная станция координатного типа АТСК 100/2000
емкостью 239 номеров;
- 5 - автоматических телефонных станций координатного типа АТСК
50/200 емкостью - 139; 150; 96; 102 и 99 номеров.
Магистральная и межстанционная сети организованы по кабельным линиям
связи кабелями марки КСПП 1*4*0,9, ВОЛС ДПС-008Т08-04-10,0/0,6, ВОЛС ОГЦ-8Е-7.
КСПП-1*4*0,9 - кабели местной связи высокочастотные с медными жилами с
полиэтиленовой изоляцией и полиэтиленовой оболочкой предназначены для линий
межстанционной и абонентской связи с системами передачи с временным делением
каналов и импульсно-кодовой модуляцией со скоростью передачи данных до 2048
кБит/с при напряжении дистанционного питания 500 В постоянного тока.
ДПС-008Т08-04-10,0/0,6 - оптический кабель марки ДПС используется для
прокладки в кабельной канализации, в трубах, блоках, а также в грунтах всех
категорий, по мостам и эстакадам.
Д - модульный, с диэлектрическим центральным силовым элементом
П - полиэтиленовая оболочка
С - с однослойной броней из стальных проволок и ПЭ оболочкой
- в кабеле 8 волокон
Т - с периферийными диэлектрическими силовыми элементами и ПЭ оболочкой
- максимальное количество оптических волокон в модуле или пучке
,0/0,6 - допустимое статическое растягивающее / раздавливающее усилие **,
kH
ОГЦ-8Е-7 - оптический кабель с центральным модулем содержащим 8
одномодовых оптических волокон, с внутренней оболочкой из полиэтилена, с
бронепокровом из повива стальных оцинкованных проволок, с наружной оболочкой из
полиэтилена, растягивающее усилие 7кН.
Структура существующей СТС Бурлинского района, требующая реконструкции
приведена на рисунке 1.1
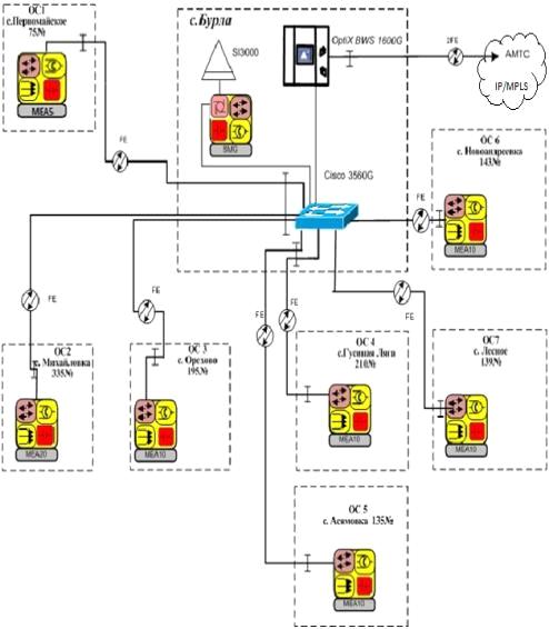
Схема организации межстанционной связи существующей сети Бурлинского
района приведена на рисунке 1.2.
Рисунок 1.1 - Структура существующей телефонной сети Бурлинского района
требующая реконструкции
Рисунок 1.2 - Схема организации межстанционной связи существующей сети
Бурлинского района
В качестве узла коммутации на ЦС используется оборудование SI3000, в которое включены ОС.
Выход на внутризоновую, междугородную, международную связь осуществляется
через ЦС, находящуюся в селе Бурла. Телефонная сеть построена по радиальному
принципу. Соединительные линии межстанционной связи организованы по кабельным и
оптоволоконным линиям. Подробное описание назначения оборудования используемого
в схеме приведено в приложении А.
Структура существующей СТС Бурлинского района приведена в таблице 1.1.
Таблица 1.1 - Структура существующей СТС Бурлинского
района
|
Статус станции
|
Населенный пункт
|
Тип оборудования
|
Ввод в эксплуатацию
|
Емкость оборудования
|
|
|
|
|
Монтированная
|
Задействованная
|
|
1
|
2
|
3
|
4
|
5
|
6
|
|
ЦС
|
с. Бурла
|
SI3000
|
2004
|
2626
|
2620
|
|
ОС1
|
с. Новосельское
|
SI2000
|
2006
|
235
|
230
|
|
ОС2
|
с. Первомайское
|
АТС "Квант"
|
1979
|
53
|
52
|
|
ОС3
|
с. Михайловка
|
АТСК 100/2000
|
2003
|
239
|
220
|
|
ОС4
|
с. Орехово
|
АТСК 50/200
|
1988
|
139
|
126
|
|
ОС5
|
с. Гусиная Ляга
|
АТСК 50/200
|
1979
|
150
|
69
|
|
ОС6
|
с. Новопесчаное
|
SI2000
|
2006
|
265
|
198
|
|
ОС7
|
с. Асямовка
|
АТСК 50/200
|
1978
|
96
|
94
|
|
ОС8
|
с. Новоандреевка
|
АТСК 50/200
|
1985
|
102
|
99
|
|
ОС9
|
с. Устьянка
|
SI2000
|
2006
|
285
|
263
|
|
ОС10
|
с. Лесное
|
АТСК 50/200
|
2003
|
99
|
89
|
|
ИТОГО:
|
4199
|
4060
|
В настоящее время основная деятельность компании «Ростелеком» заключается
не только в предоставлении доступа к традиционной телефонии, но и к услугам
широкополосного доступа. Для широкополосного доступа в сеть Internet на каждой АТС установлено
соответствующее оборудование (DSLAM).
В качестве коммутаторов используются Catalist 2960.
Коммутатор делит сеть на независимые подсети, изолируя трафик одной
подсети от трафика другой подсети с целью уменьшения возможности
несанкционированного доступа к данным. Семейство многоуровневых коммутаторов Cisco Catalist 2960 предназначено для
инфраструктуры сетей Ethernet. Коммутатор передает полученные пакеты не на все порты, а
непосредственно получателю. Сетевой коммутатор Ethernet увеличивает производительность сети
и обеспечивает большой уровень безопасности.
Подробное описание назначения оборудования используемого в схеме
существующей сети широкополосного доступа Бурлинского района приведено в
приложении Б.
Схема существующей сети широкополосного доступа Бурлинского района
изображена на рисунке 1.3.
Рисунок 1.3 - Схема существующей сети широкополосного доступа Бурлинского
района
Количество монтированных и задействованных портов технологии ADSL на СТС Бурлинского района приведено
в таблице 1.2.
Таблица 1.2 - Количество монтированных и задействованных портов
технологии АDSL на СТС Бурлинского района
|
Местоположение
|
Количество
|
Количество
|
|
АТС
|
монтированных портов ADSL
|
задействованных портов ADSL
|
|
1
|
2
|
3
|
|
с.Бурла
|
1920
|
1859
|
|
с.Новосельское
|
64
|
63
|
|
с.Михайловка
|
44
|
44
|
|
с.Орехово
|
28
|
28
|
|
с.Новопесчаное
|
64
|
64
|
|
с.Устьянка
|
48
|
45
|
.3 Нумерация
абонентских линий на СТС Бурлинского района
Нумерация на СТС должна быть согласованна с системой
нумерации на Общегосударственной сети. Согласно этой системе междугородний
номер, присваиваемый каждой абонентской линии (АЛ) для связи между абонентами разных
зон семизначной нумерации, содержит десять знаков и имеет следующую структуру:
ABCabxxxxx, где, ABC - трехзначный код зоны семизначной нумерации;
ab - двухзначный код стотысячной группы абонентов на Зоновой
сети;
ххххх - пятизначный номер АЛ на местной сети.
Часть междугороднего номера abxxxxx является Зоновым номером АЛ. В качестве а можно
использовать все цифры, кроме 8 и 0, а в качестве b - любые цифры.
Из общей номерной емкости Зоновой сети каждой СТС
выделяется одна 100-тысячная номерная группа и ей присваивается двухзначный код
ab. Следовательно, нумерация АЛ на СТС
должна быть пятизначной. В качестве первого знака пятизначного номера нельзя
использовать цифру 8 (индекс выхода на АМТС) и 0 (первая цифра номера
экстренных и справочных служб). Поэтому емкость каждой СТС не должна превышать
80 тысяч номеров.
На сельских телефонных сетях может применяться как
открытая, так и закрытая системы нумерации (открытая система нумерации с
индексом выхода и без индекса выхода).
Закрытой считается такая нумерация, при которой для
установления соединения требуемый абонент вызывается набором одного и того же
числа знаков, независимо от местоположения вызывающего пункта.
Нумерация, при которой число знаков в номере
вызываемого абонента зависит от местоположения вызывающего пункта, называется
открытой. При открытой нумерации для выхода с одной телефонной станции на
другие, набирается индекс выхода.
Нумерация на сети СТС Бурлинского района: пятизначная, закрытая. Однако,
на станции АТСК50/200 используются трехзначные абонентские регистры. Села в
которых оборудованы АТС координатного типа (АТСК50/200), такие как с.Орехово,
с.Гусиная Ляга, с.Асямовка, с.Новоандреевка и с.Лесное модернизированы изделием
СИЭТ.6750 "Каскад", с целью введения функций, свойственным электронным
АТС, существенного облегчения и удешевления эксплуатации. После проведения
такой модернизации станция обеспечила работу при любой системе нумерации и при
любой ее значности.
Существующая нумерация СТС Бурлинского района приведена в таблице 1.2.
Таблица 1.2 - Существующая нумерация СТС Бурлинского района
|
Статус станции
|
Тип оборудования
|
Емкость
|
Нумерация АЛ на сети
|
Код АТС
|
|
1
|
2
|
3
|
4
|
5
|
|
ЦС
|
SI3000
|
2626
|
20000÷22625
|
2
|
|
ОС1
|
SI2000
|
235
|
30000÷30234
|
30
|
|
ОС2
|
АТС "Квант"
|
53
|
31000÷31052
|
310
|
|
ОС3
|
АТСК 100/2000
|
239
|
32000÷32238
|
32
|
|
ОС4
|
АТСК 50/200
|
139
|
35000÷35138
|
35
|
|
ОС5
|
АТСК 50/200
|
150
|
51000÷51149
|
51
|
|
ОС6
|
SI2000
|
265
|
56000÷56264
|
56
|
|
ОС7
|
АТСК 50/200
|
96
|
31200÷31295
|
312
|
|
ОС8
|
АТСК 50/200
|
102
|
57000÷57101
|
57
|
|
ОС9
|
SI2000
|
285
|
55000÷55284
|
55
|
|
ОС10
|
АТСК 50/200
|
99
|
31500÷31598
|
315
|
1.4
Обоснование необходимости реконструкции существующей СТС Бурлинского района
Одна из важнейших экономических и социальных задач
развития российских инфокоммуникаций - радикальное улучшение системы связи в
сельской местности. Решение этой задачи невозможно без использования новых
технологий, позволяющих реализовать мультисервисные сети, которые будут
эффективно поддерживать весь спектр инфокоммуникационных услуг.
Сельские телефонные сети в России строились для
передачи только речевого трафика. На современном этапе развития общества этого
недостаточно. Новые технологии с их ориентацией на дополнительные услуги
должны, в первую очередь решать проблему телефонизации, одновременно
предоставляя новые качественные услуги связи.
Оборудование оконечных станций устарело физически и морально. Техническое
состояние ухудшается, несмотря на проведение ремонтных и профилактических
работ. Возрастает количество повреждений и снижается качество предоставляемых
услуг. Требуется всё больше финансовых затрат на ремонт, а также трудозатрат
персонала. Наличие у операторов связи АТС координатного типа серьезно
ограничивает возможности внедрения ими новых услуг и снижает возможности
получения дополнительных доходов.
В настоящее время Интернет играет огромную роль в обществе, образовании,
здравоохранении, культуре, экономике, поэтому основная задача заключается не
только в предоставлении доступа к традиционной телефонии, но и к услугам
широкополосного доступа. Потребность в предоставлении ШПД с каждым днем
продолжает расти, а в некоторых населенных пунктах отсутствует широкополосный
доступ. Поэтому актуальным является замена линейного оборудования на
волоконно-оптическое, разработка сетей с использованием оборудования,
позволяющего предоставлять мультисервисные услуги.
Преимуществами цифровых систем коммутации являются:
‒ неограниченное число направлений, организуемых в цифровом
коммутационном поле;
‒ создание полнодоступных пучков линий в направлениях;
‒ за счет меньших габаритных размеров станционного
оборудования требуется меньшая производственная площадь помещений для
размещения, данного оборудования;
‒ повышение надежности оборудования за счет элементной базы
высокой степени интеграции;
‒ сокращение штата технического персонала за счет
автоматизации контроля работоспособности станционного оборудования;
‒ использование необслуживаемых выносных абонентских
концентраторов;
‒ повышение качества передачи и коммутации;
‒ возможность организации ДВО.
‒ При проекте мультисервисной сети необходимо
учитывать то, что сельская местность представляет собой сложную среду:
‒ неблагоприятные климатические и
географические условия предъявляют повышенные требования к надежности работы
сети;
‒ нестабильность и ненадежность
энергетической сети требует использования систем с малым потреблением электроэнергии;
‒ рассредоточенность оборудования
вызывает необходимость в дистанционном обслуживании.
. Разработка
предложений организации мультисервисной сети Бурлинского района
2.1 Выбор
типа проектируемого оборудования
Внедрение новых привлекательных услуг, увеличение объемов предоставления
голосовых услуг и услуг передачи данных - все это ведет к унификации самих
сетей и систем управления ими. Переход к сетям следующего поколения (NGN, Next
Generation Network) обусловлен практическими и, прежде всего, экономическими
соображениями. Для данных, голосового и видео трафика, передававшихся ранее
раздельно, в сетях NGN используется общая транспортная инфраструктура. NGN
представляет собой универсальную мультисервисную сеть, разработанную для
обеспечения возможности передачи голоса, видео и данных на основе технологии
пакетной коммутации. Сеть обеспечивает необходимое QoS для различных типов
трафика.
Основные требования к работе современного оборудования доступа в сети NGN:
‒ поддержка любой сетевой топологии («точка-точка», «цепь»,
«звезда», «кольцо»);
‒ поддержка различных сред передачи (медный кабель,
оптоволокно, радиолинии);
‒ поддержка различных интерфейсов и протоколов связи с ТфОП:
‒ 64кбит/с (G.703);
‒ Е1 (с сигнализацией 2ВСК ИЛИ EDSS1 PRI,
Е&М, V5.1, V5.2;
‒ BRI (EDSS1);
‒ 2-проводный аналоговый;
‒ ОКС№7 и др.
‒ поддержка различных интерфейсов сетей передачи данных (IP, 10/100 Ethernet, ATM, GE, Frame Relay, ADSL, G.SHDSL и др.);
‒ поддержка различных протоколов сети NGN (SIP, H.323,
MEGACO/H.248, MGCP, SIGTRAN и др.);
‒ поддержка различных абонентских интерфейсов (аналоговые
линии ТфОП, BRI ISDN (EDSS1),
FXS\FXO, HDSL, ADSL, SHDSL,
VDSL, беспроводной доступ и др.).
Для обеспечения эффективности использования средств доступа к
транспортной сети будем использовать мультисервисный узел абонентского доступа SI2000 MSAN, фирмы ИскраУралТел. SI2000 MSAN - это мультисервисная платформа для создания узлов,
которая характеризуется высокой производительностью, надежностью и доступностью
и является одним из самых современных устройств операторского класса. SI2000
MSAN позволяет предложить широкий диапазон высокоприбыльных услуг передачи
речи, данных и видео. Функция встроенного программного коммутатора
позиционирует SI2000 MSAN как передовой продукт для построения интеллектуальных
мультисервисных сетей. Он обеспечивает возможность плавной модернизации
существующей инфраструктуры ТфОП и упрощает переход и интеграцию в сети
следующего поколения.
В универсальном узле абонентского доступа SI2000 MSAN объединены технологии
широкополосного и узкополосного доступа. SI2000 MSAN размещается в сети доступа
и обеспечивает для пользователей возможность получения индивидуальных
персонализированных услуг вне зависимости от их типа. Некоторым абонентам могут
предоставляться все мультисервисные услуги (triple-play) на базе
широкополосного доступа, другим - только услуги передачи данных или видео,
тогда как третьи абоненты могут пользоваться только традиционными услугами
POTS.
Ядром этой системы является секция МЕА, предназначенная для установки
модулей и агрегирующие Ethernet-коммутаторы. Эти компоненты создают топологию
двойной звезды, повышая тем самым надежность системы. Секции МЕА различаются по
количеству плат, которые в них можно дополнительно устанавливать, варианту монтажа
и возможности установки второго агрегирующего Ethernet-коммутатора.
Установив в секцию MEA различные модули, можно получить:
- программный коммутатор (софтсвич);
- шлюз доступа по каналам Е;
- оптический и медный Ethernet-коммутатор;
- узел доступа xDSL;
- узел доступа WiMax;
- узел доступа аналоговой и IP-телефонии.
При этом в рамках одного конструктива возможно сочетать модули различных
типов, получая тем самым универсальный узел под конкретные поставленные задачи.
IDC -
Агрегирующий коммутатор Ethernet (GbEthernet Aggregation Switch) производимый компанией Iskratel,
представляет собой плату управляемого коммутатора, работающую на уровне 2
эталонной модели OSI. Этот коммутатор обеспечивает подключение различных плат к
интерфейсам Ethernet, контролируемую связь между ними, а также подключение
стороны уровня доступа к вышестоящему уровню операторской сети Ethernet. IDC поддерживает различные телекоммуникационные услуги и
обеспечивает их обработку.
Узел доступа SAK - образует интерфейс услуг для передачи голоса,
базирующийся на IP-сети.DSL Blade
разработан для доставки услуг triple-play конечным
пользователям. Оборудование SI2000 DSL Blade имеет широкополосные абонентские интерфейсы ADSL2+, g.SHDSL и VDSL.
Шлюз доступа обеспечивает для речевых услуг интерфейс с сетью ТфОП по
восходящему каналу V5.2. Он выполняет преобразование среды между сетями с
коммутацией каналов и коммутацией пакетов, а также обеспечивает взаимодействие
сигнализации между ТфОП и интерфейсом H.323,MGCP или NCS.
Плата оптоволоконных интерфейсов представляет собой плату широкополосного
абонентского доступа, оснащенную 24 оптическими интерфейсами оптического
абонентского доступа (или 12 на плате одинарной ширины) со скоростью 100
Мбит/с.
SI2000 MSAN обеспечивает:
- масштабируемость: SI2000
MSAN покрывает городские, пригородные и
сельские районы, поддерживая требуемые услуги;
- универсальность: различные варианты применения для различных
требований;
- модульность: гибкое планирование сетевой топологии и трафика;
- наличие уникальной функции интегрированного программного
коммутатора iCS для подключения существующего
коммутационного оборудования TDM и
оборудования TDM к NGN;
- централизованное управление для повышения эффективности и
оптимизации затрат.
Подробное описание назначения данного оборудования приведено в приложении
В.
2.2 Выбор
технологии проектируемой сети
2.2.1
Технология SDH
В настоящее время остро стоит проблема модернизации транспортной сети.
Основными причинами этого являются: появление новых приложений, требующих
большую полосу пропускания (например, передача мультимедийного трафика в
реальном времени), постоянно увеличивающийся объем передачи через сеть данных,
увеличивающееся число пользователей сети, появление новых офисов компании и
т.д. для увеличения пропускной способности локальных и глобальных сетей
применяются разные технологии.
Технология SDH (Synchronous Digital Hierarchy) обозначает стандарт для транспорта
трафика. Стандарт определяет уровни скорости прохождения сигнала синхронного
транспортного модуля (Synchronous Transport Module, STM).
Стандарт определяет физический (оптический) уровень, необходимый для
совместимости оборудования от различных производителей.
Основная скорость передачи - 155, 250Мбит/с (STM-1). Более высокие скорости определяются как кратные STM-1:
‒ STM-4 - 622 Мбит/с;
‒ STM-16 - 2488, 32 Мбит/с;
‒ STM-64 - 9953, 28 Мбит/с.
Технология предполагает использование метода временного
мультиплексирования (TDM) и
кросс-коммутации тайм-слотов. При этом оконечное оборудование SDH оперирует потоками Е1 (2,048
Мбит/с), к которым подключается клиентское оборудование. Основными устройствами
сети являются SDH-мультиплексоры.
Важной особенностью сетей SDH
является необходимость синхронизации временных интервалов трафика между всеми
элементами сети. Обычно мультиплексор может синхронизироваться с любым внешним
сигналом, с опорным тактовым сигналом (PRC) или с собственным внутренним генератором
синхронизирующих импульсов.
При построении сетей SDH
обычно используется топология сети типа - «кольцо» с двумя контурами. По одному
из контуров передаётся синхронизирующая и сигнальная информация, по-другому -
основной трафик. Имеются специальные механизмы резервирования сети на случай
выхода из строя одного из контуров.
Централизованное управление сетью обеспечивает полный мониторинг
состояния каналов и узлов (мультиплексоров). Использование кольцевых топологий
создаёт возможность автоматического переключения каналов при любых аварийных
ситуациях на резервный путь.
Преимущества топологии SDH:
- простая технология мультиплексирования/ демультиплексирования;
- доступ к низкоскоростным сигналам без необходимости
мультиплексирования /демультиплексирования всего высокоскоростного канала. Это
позволяет достаточно просто осуществлять подключение клиентского оборудования и
производить кросс-коммутацию потоков;
- наличие механизмов резервирования на случай отказов каналов
связи или оборудования;
- возможность создания «прозрачных» каналов связи, необходимых для решения
определённых задач,- например, для передачи голосового трафика, между выносами
АТС или передачи телеметрии;
- возможность наращивания решения;
- совместимость оборудования от различных производителей;
- относительно низкие цены оборудования;
- быстрота настройки и конфигурирования устройств;
Недостатки технологии SDH:
- использование одного из каналов полностью под служебный трафик;
- неэффективное использование пропускной способности каналов
связи;
- необходимость использовать дополнительное оборудование
(зачастую от других производителей), чтобы обеспечить передачу различных типов
трафика (данные, голос) по опорной сети [11];
Технологию SDH можно
рекомендовать для использования в задачах построения опорных сетей при
следующих условиях:
- загрузка каналов далека от предельной;
- имеется необходимость предоставлять «прозрачные» каналы
связи,- например, для передачи голосового трафика между АТС;
- в коммерческом плане более выгодно и удобно предоставлять
клиентам каналы с фиксированной пропускной способностью, а не определять
стоимость услуг по количеству переданного трафика и по качеству
предоставляемого сервиса.
2.2.2
Технология MPLS
MPLS (MultiProtocol Label Switching) - это технология быстрой коммутации
пакетов в многопротокольных сетях, основанная на использовании
меток.разрабатывается и позиционируется как способ построения высокоскоростных
IP-магистралей, однако область её применения не ограничивается протоколом IP, а
распространяется на трафик любого маршрутизируемого сетевого протокола.
Главными
требованиями, предъявляемыми к технологии магистральной сети, были высокая пропускная
способность, малое значение задержки и хорошая масштабируемость. Теперь
поставщику услуг недостаточно просто предоставлять доступ к своей
IP-магистрали. Изменившиеся потребности пользователей включают в себя и доступ
к интегрированным сервисам сети, и организацию виртуальных частных сетей (VPN
<#"864117.files/image004.gif">
Плата сервера приложений AS
Плата
сигнального и медиа-шлюза SMG
Плата
сервера управления MN
|
Плата интегрированного
коммутатора iCS
|
|
|
|
Плата аналоговых линий POTS
(SAK) Плата оптоволоконных линий Fast Ethernet Плата цифровых абонентских линий ADSL2+
(SGN) Плата коммутатора Ethernet (IDC)
Плата WiMAX
|
|
|
Плата электропитания DC
|
Рисунок 2.1 - Обозначения и сокращения принятые в схемах
Рисунок 2.2 - Структура соединительного тракта между абонентом и SI2000
MSAN
Рисунок 2.3 - Структурная схема проектируемой сети связи Бурлинского
района
2.6
Разработка нумерации сети
телефонный сеть мультисервисный нумерация
В России изменилась нумерация телефонов экстренных служб - они стали
трехзначными благодаря добавлению единицы к старому номеру. 27 января 2014 года
вступил в силу приказ Министерства связи и массовых коммуникаций РФ от 20
ноября 2013 г. №360. Согласно документу для вызова службы пожарной охраны и
реагирования в чрезвычайных ситуациях помимо единого номера 112 используется
номер 101. За полицией резервируется номер 102, за службой скорой медпомощи -
103, а за аварийной службой газовой сети - 104.
Приказ ввел также новый номер единой службы поддержки граждан для
консультаций при получении государственных и муниципальных услуг в электронном
виде - 115. Поменялся и применявшийся ранее номер 122 для доступа к телефонной
линии «Ребенок в опасности». Для этого выделены два новых номера - 121 и 123.
При рекомендации сети общие принципы нумерации не изменились. В связи с
увеличением монтированной ёмкости после реконструкции расширим существующую
нумерацию на станциях. Нумерация на сети СТС Бурлинского района: пятизначная,
закрытая.
Нумерация АЛ на сети Бурлинского района после реконструкции приведена в
таблице 2.2.
Таблица 2.2 - Проектируемая нумерация Бурлинского района
|
Статус станции
|
Тип оборудования
|
Емкость
|
Нумерация АЛ на сети
|
Код АТС
|
|
1
|
2
|
3
|
4
|
5
|
|
ОС1 Первомайское
|
SI2000 MЕА5
|
75
|
31000÷31074
|
310
|
|
ОС2 Михайловка
|
SI2000 MЕА20
|
335
|
32000÷32334
|
32
|
|
ОС3 Орехово
|
SI2000 MЕА10
|
195
|
35000÷35194
|
35
|
|
ОС4 Гусиная Ляга
|
SI2000 MЕА10
|
210
|
51000÷51209
|
51
|
|
ОС5 Асямовка
|
SI2000 MЕА10
|
135
|
31200÷31334
|
312;313
|
|
ОС6 Новоандреевка
|
SI2000 MЕА10
|
143
|
57000÷57142
|
57
|
|
ОС7 Лесное
|
SI2000 MЕА10
|
139
|
31500÷31638
|
315;316
|
. Расчет и
распределение нагрузки на сети
3.1
Распределение структурного состава абонентов
Возникающую нагрузку создают вызовы (заявки на обслуживание), поступающие
от абонентов (источников) и занимающие на некоторое время различные
соединительные устройства сети и станций.
В нашем случае всю возникающую нагрузку можно разделить на две части:
- широкополосный сервис и передача данных;
- традиционные услуги голосовой связи.
Абоненты проектируемой сети Бурлинского района, включённые в оборудование
SI3000, делятся на следующие категории,
различающиеся удельной нагрузкой:
- народно-хозяйственный сектор;
- квартирный сектор;
- оконечные устройства передачи данных.
Необходимо учитывать, что согласно нормам технологического проектирования
следует различать следующие категории источников нагрузки:
NКВ -
количество абонентов квартирного сектора;
NНХ -
количество абонентов народно-хозяйственного сектора;
NТу -
количество универсальных таксофонов;
NхDSL - число оконечных устройств передачи
данных.
По статистическим данным, представленным техническим отделом Алтайского
филиала электросвязи ОАО "Ростелеком", на сети сельской связи
Бурлинского района действует следующий структурный состав абонентов:
административный сектор - 12%
народно-хозяйственный сектор - 36%
квартирный сектор - 52%
Статистические данные, предоставленные отделом по работе с абонентами по
спросу населения на услуги широкополосного доступа примерно 56% абонентов
хотели бы пользоваться услугами ADSL2+
(основной спрос на скоростные тарифы - 2048 кбит/с, 4096кбит/с, 8192кбит/с).
Согласно статистическим данным, распределение структурного состава
абонентов ОС представлено в таблице 3.1.
Таблица 3.1 - Структурный состав абонентов
|
Населённый пункт
|
Монтированная емкость
|
Распределение структурного
состава абонента
|
|
|
Процентное %
|
Численное
|
|
|
Nа
|
Nнх
|
Nкв
|
Nа
|
Nнх
|
Nкв
|
Nadsl
|
|
1
|
2
|
3
|
4
|
5
|
6
|
7
|
8
|
9
|
|
Первомайское
|
75
|
20
|
37,5
|
42,5
|
15
|
28
|
32
|
42
|
|
Михайловка
|
335
|
10
|
39,5
|
50,5
|
34
|
132
|
169
|
188
|
|
Орехово
|
195
|
12
|
39,5
|
48,5
|
23
|
77
|
95
|
110
|
|
Гусиная Ляга
|
210
|
12
|
39,5
|
48,5
|
25
|
83
|
102
|
118
|
|
Асямовка
|
135
|
15
|
39
|
46
|
20
|
53
|
62
|
76
|
|
Новоандреевка
|
143
|
14
|
39
|
47
|
20
|
56
|
67
|
81
|
|
Лесное
|
139
|
14,5
|
39
|
46,5
|
20
|
54
|
65
|
78
|
3.2 Расчет
интенсивностей нагрузок: исходящей и входящей
Определим интенсивности нагрузок, поступающих на все пучки соединительных
устройств, проектируемых АТС, воспользовавшись проектируемой схемой и данным по
ёмкости и типам действующих АТС.
До расчёта нагрузки на сети произведём прогнозирование абонентской
телефонной нагрузки. Каждая индивидуальная абонентская линия i-й категории характеризуется в ЧНН
интенсивностями трёх удельных нагрузок:
УИ - исходящая внешняя нагрузка;
УВН - внутристанционная нагрузка;
УВ - входящая внешняя нагрузка.
В величину уи входит также интенсивность нагрузки к спецслужбам, а в ув -
интенсивность нагрузки от остальных станций сети. Составляющие этих нагрузок
зависит от ёмкости сети и номерной ёмкости АТС. Интенсивности удельных нагрузок
представлены в таблице 1.6 [1].
Интенсивности удельных нагрузок к спецслужбам для абонентов ОС (успс)
задаются без учёта категорийной принадлежности. Их значения принимаются
равными: успс=0,0005 Эрл.
Интенсивность удельной нагрузки универсальных таксофонов уут=0,65 Эрл.
На проектируемой сети абоненты имеют выход на АМТС. Соответствующие
значения интенсивностей удельных исходящих и входящих нагрузок для абонентов
различных категорий определяются в соответствии с таблицей 2.7[1].
Расчёт интенсивностей нагрузок производится по методу удельных нагрузок
следующим образом:
.2.1 Для
каждой j-ой оконечной станции (ОСj) определяется исходящая местная
нагрузка Аи осj
Эта нагрузка поступает на соединительные линии в направлении к ЦС, а
затем распределяется по направлениям в пределах сети. Для каждой ОСj исходящая местная нагрузка
определяется по формуле:
Аим осj = ( Nа*Yиам)осj + ( Nнх*Yинхм)осj + ( Nк*Yикм)осj , Эрл (3.1)
где N - число абонентов заданной
категории;
Y -
удельная исходящая нагрузка от абонентов i-ой категории, которая определяется по таблице 1.6 [1]. Все
расчеты произведем с помощью программы Excel.
Результаты расчётов входящей местной нагрузки сведены в таблицу 3.2.
Результаты расчётов исходящей местной нагрузки сведены в таблицу 3.3.
Таблица 3.2 - Результаты расчёта местной входящей нагрузки, Эрл
|
Населённый
|
Местная нагрузка
|
|
пункт
|
Входящая
|
|
Nа
|
Yвам
|
NНХ
|
YВНХМ
|
NKВ
|
YВКМ
|
АВМ
|
|
1
|
2
|
3
|
4
|
5
|
6
|
7
|
8
|
|
Первомайское
|
15
|
0,027
|
28
|
0,008
|
32
|
0,0025
|
0,709
|
|
Михайловка
|
34
|
0,027
|
132
|
0,009
|
169
|
0,003
|
2,613
|
|
Орехово
|
23
|
0,027
|
77
|
0,009
|
95
|
0,0025
|
1,5515
|
|
Гусиная Ляга
|
25
|
0,027
|
83
|
0,009
|
102
|
0,0025
|
1,677
|
|
Асямовка
|
20
|
0,027
|
53
|
0,009
|
62
|
0,0025
|
1,172
|
|
Новоандреевка
|
20
|
0,027
|
56
|
0,009
|
67
|
0,0025
|
1,2115
|
|
Лесное
|
20
|
0,027
|
54
|
0,009
|
65
|
0,0025
|
1,1885
|
Таблица 3.3 - Результаты расчёта местной исходящей нагрузки, Эрл
|
Населённый
|
Местная нагрузка
|
|
|
пункт
|
Исходящая
|
|
|
Nа
|
YИам
|
NНХ
|
YИНХМ
|
NKВ
|
YИКМ
|
АИМ
|
|
|
1
|
2
|
3
|
4
|
5
|
6
|
7
|
8
|
|
|
Первомайское
|
15
|
0,044
|
28
|
0,013
|
32
|
0,004
|
1,152
|
|
|
Михайловка
|
34
|
0,044
|
132
|
0,012
|
169
|
0,0035
|
3,6715
|
|
|
Орехово
|
23
|
0,044
|
77
|
0,012
|
95
|
0,0035
|
2,2685
|
|
|
Гусиная Ляга
|
25
|
0,044
|
83
|
0,012
|
102
|
0,0035
|
2,453
|
|
|
Асямовка
|
20
|
0,044
|
53
|
0,013
|
62
|
0,0035
|
1,786
|
|
|
Новоандреевка
|
20
|
0,044
|
56
|
0,013
|
67
|
0,0035
|
1,8425
|
|
Лесное
|
20
|
0,044
|
54
|
0,013
|
65
|
0,0035
|
1,8095
|
|
|
|
|
|
|
|
|
|
|
Так как для абонентов сети предусмотрен выход на АМТС, то интенсивность
нагрузки на пучок СЛ от ОС к ЦС увеличивается на величину исходящей нагрузки на
АМТС:
АиАМ осj = (Nа*YиаАМ)осj + (Nнх*YинхАМ)осj + (Nк*YикАМ)осj,Эрл (3.2)
где АиАМ осj - исходящая междугородняя нагрузка к АМТС от абонентов ОСj;
Nа,
Nнх, Nк - число абонентов всех категорий ОСj имеющих право выхода на АМТС;
YикАМ,
Yинхм, Yикм, Yитм - удалённые исходящие нагрузки от абонентов всех категорий,
определяемые по таблице 1.7[1].
Результат расчётов исходящей междугородной нагрузки сведены в таблицу
3.4.
Таблица 3.4 - Результаты расчёта исходящей междугородной нагрузки, Эрл
|
Населённый
|
Nа
|
Yиа АМ
|
Nнх
|
Yинх АМ
|
Nк
|
Yик АМ
|
Аи АМ
|
|
|
|
|
|
|
|
|
1
|
2
|
3
|
4
|
5
|
6
|
7
|
8
|
|
Первомайское
|
15
|
0,005
|
28
|
0,002
|
32
|
0,001
|
0,163
|
|
Михайловка
|
34
|
0,005
|
132
|
0,002
|
169
|
0,001
|
0,603
|
|
Орехово
|
23
|
0,005
|
77
|
0,002
|
95
|
0,001
|
0,364
|
|
Гусиная Ляга
|
25
|
0,005
|
83
|
0,002
|
102
|
0,001
|
0,393
|
|
Асямовка
|
20
|
0,005
|
53
|
0,002
|
62
|
0,001
|
0,268
|
|
Новоандреевка
|
20
|
0,005
|
56
|
0,002
|
67
|
0,001
|
0,279
|
|
Лесное
|
20
|
0,005
|
54
|
0,002
|
65
|
0,001
|
0,273
|
Внутристанционная нагрузка:
Авн осj=(Nа*Yвн а)осj+(Nнх*Yвн
нх)осj+(Nк*Yвн к)осj, Эрл (3.3)
Результат расчётов внутристанционной нагрузки сведены в таблицу 3.5
Таблица 3.5 - Результаты расчётов внутристанционной нагрузки, Эрл
|
Населённый
|
Nа
|
Yвн а
|
Nнх
|
Yвн нх
|
Nк
|
Yвн к
|
Aвн
|
|
пункт
|
|
|
|
|
|
|
|
|
1
|
2
|
3
|
4
|
5
|
6
|
7
|
8
|
|
Первомайское
|
15
|
0,038
|
28
|
0,011
|
32
|
0,005
|
1,038
|
|
Михайловка
|
34
|
0,038
|
132
|
0,014
|
169
|
0,008
|
4,492
|
|
Орехово
|
23
|
0,038
|
77
|
0,013
|
95
|
0,006
|
2,445
|
|
Гусиная Ляга
|
25
|
0,038
|
83
|
0,013
|
102
|
0,006
|
2,641
|
|
Асямовка
|
20
|
0,038
|
53
|
0,011
|
62
|
0,006
|
1,715
|
|
Новоандреевка
|
20
|
0,038
|
56
|
0,011
|
67
|
0,006
|
1,778
|
|
Лесное
|
20
|
0,038
|
54
|
0,011
|
65
|
0,006
|
1,744
|
Так как внутристанционная нагрузка не уходит на соединительные линии, то
есть не влияет на их количество, то в расчёте суммарной исходящей нагрузки она
не учитывается.
Суммарная исходящая нагрузка от ОС определяется следующим образом:
Аи осj = Аим осj + Аи ам осj +
Аисс осj , Эрл (3.4)
Результат расчёта сведён в таблицу 3.8
3.2.2
Определение входящей нагрузки к абонентам ОСj по пучкам соединительных линий от ЦС
Эта нагрузка включает в себя нагрузку от абонентов остальных станций
сети, а также междугородную нагрузку от АМТС:
Ав осj = Авм осj + Ав ам осj,
Эрл, (3.5)
где Авм осj - входящая местная
нагрузка к абонентам ОСj;
Ав ам осj - входящая междугородная нагрузка к
абонентам ОСj.
Авм осj = (Nа*Yв а м)осj +(Nнх*Yв нх
м)осj + (Nк*Yв к м)осj , Эрл (3.6)
Ав ам осj = (Nа*Yв а м)осj + (Nнх*Yв нх
ам)осj + (Nк*Yв к ам)осj , Эрл (3.7)
где N - число абонентов заданной
категории;
Yв j м, Yв j ам - удельные
нагрузки (входящая местная и входящая междугородная) к абонентам i-ой категории, которая определяется
по таблице 1.6 [1].
Результаты расчётов представлены в таблице 3.8, 3.2, 3.6.
Расчёт нагрузки к узлу спецслужб представлен в таблице 3.7.
Таблица 3.6 - Результаты расчёта входящей междугородней нагрузки, Эрл
|
Населённый
|
Nа
|
Yв а АМ
|
Nнх
|
Yв нх АМ
|
Nк
|
Yв к АМ
|
Ав АМ
|
|
пункт
|
|
|
|
|
|
|
|
|
1
|
2
|
3
|
4
|
5
|
6
|
7
|
8
|
|
Первомайское
|
15
|
0,003
|
28
|
0,001
|
32
|
0,001
|
0,105
|
|
Михайловка
|
34
|
0,003
|
132
|
0,001
|
169
|
0,001
|
0,403
|
|
Орехово
|
23
|
0,003
|
77
|
0,001
|
95
|
0,001
|
0,241
|
|
Гусиная Ляга
|
25
|
0,003
|
83
|
0,001
|
102
|
0,001
|
0,26
|
|
Асямовка
|
20
|
0,003
|
53
|
0,001
|
62
|
0,001
|
0,175
|
|
Новоандреевка
|
20
|
0,003
|
56
|
0,001
|
67
|
0,001
|
0,183
|
|
Лесное
|
20
|
0,003
|
54
|
0,001
|
65
|
0,001
|
0,179
|
Таблица 3.7 - Нагрузки на линии спецслужб, Эрл
|
Населённый пункт
|
Nаб
|
Yсс
|
Асс
|
|
1
|
2
|
3
|
4
|
|
Первомайское
|
75
|
0,0005
|
0,0375
|
|
Михайловка
|
335
|
0,0005
|
0,1675
|
|
Орехово
|
195
|
0,0005
|
0,0975
|
|
Гусиная Ляга
|
210
|
0,0005
|
0,105
|
|
Асямовка
|
135
|
0,0005
|
0,0675
|
|
Новоандреевка
|
143
|
0,0005
|
0,0715
|
|
Лесное
|
139
|
0,0005
|
0,0695
|
Таблица 3.8 - Результаты расчётов суммарных нагрузок, Эрл
|
Населённый
|
Аи М
|
Аи АМ
|
Аи СС
|
А∑исх
|
Ав М
|
Ав АМ
|
А∑вх
|
Yрасч
|
|
пункт
|
|
|
|
|
|
|
|
|
|
1
|
2
|
3
|
4
|
5
|
6
|
7
|
8
|
9
|
|
Первомайское
|
1,152
|
0,163
|
0,0375
|
1,3525
|
0,709
|
0,105
|
0,814
|
3,559
|
|
Михайловка
|
3,6715
|
0,603
|
0,1675
|
4,442
|
2,613
|
0,403
|
3,016
|
10,050
|
|
Орехово
|
2,2685
|
0,364
|
0,0975
|
2,73
|
1,5515
|
0,241
|
1,7925
|
6,539
|
|
Гусиная Ляга
|
2,453
|
0,393
|
0,105
|
2,951
|
1,677
|
0,26
|
1,937
|
6,984
|
|
Асямовка
|
1,786
|
0,268
|
0,0675
|
2,1215
|
1,172
|
0,175
|
1,347
|
5,233
|
|
Новоандреевка
|
1,8425
|
0,279
|
0,0715
|
2,193
|
1,2115
|
0,183
|
1,3945
|
5,382
|
|
Лесное
|
1,8095
|
0,273
|
0,0695
|
2,152
|
1,1885
|
0,179
|
1,3675
|
5,297
|
Для дальнейших расчётов величины рассчитанных интенсивностей исходящих и
входящих нагрузок нужно перевести в расчётные по формуле:
Расчёт суммарных исходящей и входящей нагрузок представлен в таблице 3.8.
.3 Расчет
пропускной способности Ethernet
Пропускная способность определяется по укрупнённым показателям и заключается
в расчёте скорости передачи информации. К MSAN подключены как аналоговые абоненты, так и
пользователи ШПД.
Для предоставления ШПД мы используем технологию ADSL2+, т.к. технология ADSL2+ удваивает (по сравнению с
ADSL2) полосу пропускания с 1,1 до 2,2 МГц. Максимальная битовая скорость, по
телефонной линии, при этом увеличиваются до 20 Мбит/с на расстояние до 1500 м.
«Восходящая» битовая скорость ADSL2+ равна примерно 1 Мбит/с в зависимости от
состоянии линии. ADSL2+ позволяет операторам модернизировать свои сети для
поддержки расширенного спектра услуг, например, гибкой доставки видео в рамках
единого решения для коротких и длинных линий связи. Технологию ADSL2+ можно
применять для снижения перекрёстных наводок, так как она позволяет использовать
только тоновые сигналы между 1,1 и 2,2 МГц за счёт маскирования нисходящих
частот менее 1,1 МГц.
Абоненты разных ОС, желающие получить доступ к сети Интернет по
технологии ADSL2+, предъявляют разные требования по
скорости передачи. Это объясняется разной платёжеспособностью абонентов. ОАО
«Ростелеком» на сегодняшний день предлагает абонентам сельских станций скорость
передачи от 512 кбит/с до 24 Мбит/с. Поскольку данные о количестве
пользователей ADSL2+, запрашивающих разную скорость
передачи данных отсутствуют, то примем следующие процентные соотношения от
общего количества пользователей ADSL2+
:
% -512 кбит/с;
% - 1024 кбит/с;
% - 2048 кбит/с;
% - 4096 кбит/с;
% - 8192 кбит/с;
3% - 24576 кбит/с.
В таблице 3.9 приведено количество пользователей ADSL2+ в зависимости от максимальной скорости
предоставления услуги.
Скорость передачи информации определяется по формуле:
(3.9)
где
1,25 - коэффициент запаса пропускной способности (Кизб);
С
- скорость передачи информации в направлении пакетной сети;
Y - значение
нагрузки, создаваемой аналоговыми абонентами;
Vcod - принятая
в проекте скорость кодека. Тип кодека G711 (64кбит/с);
RхDSL -
максимальная требуемая скорость пользователей xDSL;
PV = 0,7 -
вероятность предоставления пользователю требуемой скор;
D = 0,15 - доля
пользователей xDSL, одновременно пользующихся связью.
Результаты
расчёта пропускной способности представлены в таблице 3.10
Таблица
3.9 - Количество пользователей ШПД в зависимости от максимальной скорости
предоставления услуг
|
Населённый пункт
|
0,5 Мбит/с
|
1 Мбит/с
|
2 Мбит/с
|
4 Мбит/с
|
8 Мбит/с
|
24 Мбит/с
|
Количество пользователей
ШПД
|
|
1
|
2
|
3
|
4
|
5
|
6
|
7
|
8
|
|
Первомайское
|
4
|
4
|
8
|
15
|
10
|
1
|
42
|
|
Михайловка
|
19
|
19
|
37
|
66
|
41
|
6
|
188
|
|
Орехово
|
11
|
11
|
22
|
39
|
24
|
3
|
110
|
|
Гусиная Ляга
|
12
|
12
|
24
|
41
|
26
|
3
|
118
|
|
Асямовка
|
8
|
8
|
15
|
26
|
17
|
2
|
76
|
|
Новоандреевка
|
8
|
8
|
16
|
28
|
18
|
3
|
81
|
|
Лесное
|
8
|
8
|
16
|
27
|
17
|
2
|
78
|
|
ИТОГО
|
69
|
69
|
138
|
242
|
153
|
21
|
693
|
Учитывая статистические данные по сети, данные таблицы 3.9, рассчитаем
пропускную способность линий связи по направлениям. Результаты расчёта
приведены в таблице 3.10.
Таблица 3.10 - Расчёт пропускной способности по направлениям
|
Населённый пункт
|
Yрасч, ЭРЛ
|
0,5 Мбит/с
|
1 Мбит/с
|
2 Мбит/с
|
4 Мбит/с
|
8 Мбит/с
|
24 Мбит/с
|
С, Мбит/с
|
|
|
|
|
|
|
|
|
|
|
1
|
2
|
3
|
4
|
5
|
6
|
7
|
8
|
9
|
|
Первомайское
|
3,559
|
4
|
4
|
8
|
15
|
10
|
1
|
19,8080
|
|
Михайловка
|
10,050
|
19
|
19
|
37
|
66
|
41
|
6
|
88,8277
|
|
Орехово
|
6,539
|
11
|
11
|
22
|
39
|
24
|
3
|
50,9634
|
|
Гусиная Ляга
|
6,984
|
12
|
12
|
24
|
41
|
26
|
3
|
54,0956
|
|
Асямовка
|
5,233
|
8
|
8
|
15
|
26
|
17
|
2
|
35,0588
|
|
Новоандреевка
|
5,382
|
8
|
8
|
16
|
28
|
18
|
3
|
39,4805
|
|
Михайловка
|
5,297
|
8
|
8
|
16
|
27
|
17
|
2
|
35,6938
|
|
ИТОГО
|
|
69
|
69
|
138
|
242
|
153
|
21
|
322,9275
|
На основании рассчитанной скорости следует выбрать технологию передачи
пакетной информации Fast Ethernet (FE), работающей на скорости 100Мбит/с описание в приложении Д.
. Расчет
объема оборудования проектируемой сети
4.1 Расчет
емкости пучков соединительных линий
Рассчитаем количество соединительных линий, необходимых для связи
проектируемого оборудования к центральной станции. При расчёте ёмкости пучка
соединительных линий следует учитывать:
‒ нормы потерь (качество обслуживания вызовов) в направлении
связи;
‒ величину нагрузки на заданном направлении связи;
‒ структуру коммутационного поля узла автоматической
коммутации (ЦС, АМТС);
‒ тип пучка соединительных линий (односторонние или
двусторонние);
Исходными данными для расчёта числа соединительных линий являются
величины нагрузок, поступающих на пучки соединительных линий и нормы
вероятности потерь.
Расчёт ёмкости пучка соединительных линий производится по первой формуле
Эрланга (таблица Пальма, таблицы 3.1 и 3.2 [1]), т.к. пучки соединительных
линий мультисервисной сети доступа можно считать полнодоступными.
Расчётные значения числа соединительных линий, рассчитанные по формуле
4.1 сводим в таблицу 4.1.
(4.1)
Таблица 4.1 - Расчётные значения числа соединительных линий
|
Населённый пункт
|
Расчётное значение
нагрузки, YЭрл
|
Нормы вероятности потерь
|
Число СЛ (каналов)
|
|
|
|
|
|
1
|
2
|
3
|
4
|
|
Первомайское
|
3,559
|
Р=0,001
|
11
|
|
Михайловка
|
10,050
|
Р=0,001
|
21
|
|
Орехово
|
6,539
|
Р=0,001
|
16
|
|
Гусиная Ляга
|
6,984
|
Р=0,001
|
17
|
|
Асямовка
|
5,233
|
Р=0,001
|
14
|
|
Новоандреевка
|
5,382
|
Р=0,001
|
14
|
|
Лесное
|
5,297
|
Р=0,001
|
14
|
4.2 Расчет
числа цифровых потоков Е1
Для расчёта количества цифровых потоков типа Е1, необходимых для
реализации пучков соединительных линий (каналов) между различными станциями
сети, следует учитывать:
.Число соединительных линий в направлении связи;
2.Тип используемых соединительных линий (односторонние или двусторонние);
.Тип используемой системы сигнализации.
При использовании двухсторонних пучков и централизованной системы
сигнализации (ОКС№7) воспользуемся формулой:
(4.2)
где
Nij - требуемое число цифровых потоков Е1 от i-ой
станции к j-ой станции;
Vсл - число
соединительных линий (каналов) между от i-ой и j-ой
станциями.
Расчёты
числа соединительных линий и цифровых потоков Е1 сведены в таблицу 4.2
Таблица
4.2 - Расчётные значения числа цифровых потоков Е1
|
Населённый пункт
|
Число СЛ (каналов)
|
Количество потоков Е1
|
|
1
|
2
|
3
|
|
Первомайское
|
11
|
1
|
|
Михайловка
|
21
|
1
|
|
Орехово
|
16
|
1
|
|
Гусиная Ляга
|
17
|
1
|
|
Асямовка
|
14
|
1
|
|
Новоандреевка
|
14
|
1
|
|
Лесное
|
14
|
1
|
4.3 Расчет
числа сигнальных каналов ОКС№7
Сеть сигнализации может строиться по одному из трёх способов:
- связанному;
- несвязанному;
- квазисвязанному.
При построении сигнальной сети по связанному способу конфигурация её
повторяет конфигурацию сети информационных каналов для передачи речевой
информации или данных.
Рассчитаем число каналов ОКС для пучка MSAN ЦС с учётом резервирования.
(4.3)
где
Eп - знак округления до целого числа в большую сторону;
,05
- коэффициент, учитывающий производительность процессора, связанную с затратами
на эксплуатационно-техническое обслуживание ОКС;
Мi↔
j - среднее число сообщений в прямом и обратном направлении по ОКС при
установлении соединений в ЧНН в направлении связи i↔ j;
-
максимальное число сообщений в секунду, которое может быть передано по одному
сигнальному каналу системы ОКС.
Величина
Мi↔ j рассчитывается по формуле 4.4:
(4.4)
где
Аi↔jр - расчетное значение общей нагрузки между i-ой и
j-ой станцией (исходящей и входящей) в ЧНН;
tср - средняя
продолжительность одного занятия, в телефонии 120 с (таблица 3.12 [1])
-
среднее число сообщений, передаваемых по каналу сигнализации в прямом и
обратном направлении при обслуживании одного вызова.
Из
двух звеньев одно является основным и одно - резервным.
Результат
расчёта сигнальных каналов ОКС№7 сведён в таблицу 4.3
Таблица
4.3 - Количество сигнальных каналов ОКС№7
|
Населённый пункт
|
Суммарная нагрузка Ai-j,
Эрл
|
Число сообщений в
секунду,Мi
|
Число сигнальных каналов
ОКС№7, Vi-j
|
Число сигнальных каналов
ОКС№7 + 1 резервный
|
|
|
|
|
|
|
1
|
2
|
3
|
4
|
5
|
|
Первомайское
|
2,167
|
0,2167
|
1,001
|
2
|
|
Михайловка
|
7,458
|
0,7458
|
1,005
|
2
|
|
Орехово
|
4,523
|
0,4523
|
1,003
|
2
|
|
Гусиная Ляга
|
4,888
|
0,4888
|
1,003
|
2
|
|
Асямовка
|
3,469
|
0,3469
|
1,002
|
2
|
|
Новоандреевка
|
3,588
|
0,3588
|
1,002
|
2
|
|
Лесное
|
3,520
|
0,352
|
1,002
|
2
|
.4 Расчет
проектируемого оборудования
В линейке оборудования SI2000
предлагаются различные варианты сервисных плат в зависимости от услуг,
предоставляемых пользователям (SAK, ADSL2+, VDSL, SHDSL,
и др.). Их описание представлено в приложении В.
На основании таблиц 2.2 и 4.4 произведём расчёт количества необходимого
оборудования на каждый УМСД.
Таблица 4.4 - Количество абонентских аналоговых линий и портов ADSL проектируемого оборудования
|
Населённый пункт
|
Количество АЛ
|
Количество ШПД
|
|
1
|
2
|
3
|
75
|
58
|
|
Михайловка
|
335
|
235
|
|
Орехово
|
195
|
137
|
|
Гусиная Ляга
|
210
|
147
|
|
Асямовка
|
135
|
95
|
|
Новоандреевка
|
143
|
100
|
|
Михайловка
|
139
|
98
|
|
Итого
|
1232
|
870
|
Для подключения аналоговых абонентов используются платы SAK. Рассчитаем количество плат,
необходимых для реализации доступа аналоговых абонентов. Одна плата SAK предназначена для подключения 64
аналоговых абонентских линий (ААЛ).
Рассчитаем количество плат SAK
для каждой УМСД по формуле:
(4.5)
где
NААЛ - количество аналоговых абонентских линий,
включённых в MSAN.
Пользователи
услуги ADSL подключаются к плате ADSL2+, которая
рассчитана на подключение 48 линий.
Рассчитаем
количество плат ADSL2+ по формуле:
(4.6)
Данные
расчётов сведены в таблицу 4.5
Модуль
MEA имеет несколько вариантов конструктивного исполнения,
при этом любую плату можно устанавливать в любой модуль MEA.
Все платы работают с совместным использованием ресурсов для обеспечения
максимальной ёмкости доступа.
Кроме
абонентских плат и плат ADSL2+, в каждой секции МЕА необходимо разместить платы Ethernet
коммутатора (IDC). Каждая плата Ethernet
коммутатора укомплектована SFP модулем для подключения к транспортной IP-сети
по оптическому кабелю. Кроме того, в каждой секции МЕА размещена плата питания
(DC).
Таблица
4.5 - Количество и тип печатных плат линейных модулей SI2000 MSAN
|
Населённый пункт
|
SAK
|
РОТS/ADSL
|
SGN
|
AGW
|
IDC
|
DC
|
Количество плат (миним.)
|
Тип используемой платформы
МЕА
|
Количество секций
|
|
|
|
|
|
|
|
|
|
|
|
1
|
2
|
3
|
4
|
5
|
6
|
7
|
8
|
9
|
10
|
|
Первомайское
|
2
|
-
|
2
|
-
|
1
|
|
5
|
SI2000 MЕА5
|
1
|
|
Михайловка
|
6
|
-
|
5
|
-
|
1
|
|
12
|
SI2000 MЕА20
|
1
|
|
Орехово
|
4
|
-
|
3
|
-
|
1
|
|
8
|
SI2000 MЕА10
|
1
|
|
Гусиная Ляга
|
4
|
-
|
4
|
-
|
1
|
|
9
|
SI2000 MЕА10
|
1
|
|
Асямовка
|
3
|
-
|
2
|
-
|
1
|
|
6
|
SI2000 MЕА10
|
1
|
|
Новоандреевка
|
3
|
|
3
|
-
|
1
|
|
7
|
SI2000 MЕА10
|
1
|
|
Лесное
|
3
|
|
3
|
-
|
1
|
|
7
|
SI2000 MЕА10
|
1
|
.5 Расчет
оборудования электропитания
Питание корпусов МЕА MSAN
оборудования SI2000 осуществляется от систем
электропитания входным батарейным напряжением постоянного тока. Величина
рабочего напряжения может составлять от -36 В до -72 В. Для организации
необходимого электропитания могут использоваться системы электропитания MPS (Modulator Power-supply System - Модульная
система электропитания) Iskratel или сторонних производителей.
Описание и технические характеристики систем MPS Iskratel представлены в приложении В.
Для обеспечения бесперебойного резервного питания на объектах проектируемой
мультисервисной сети устанавливаются герметизированные
аккумуляторные батареи (АБ), которые могут находиться в одном помещении с
телекоммуникационным оборудованием или в отдельном специально предусмотренном
помещении. Основная система электропитания должна поддерживать аккумуляторную
батарею на предусмотренном рабочем напряжении в зависимости от температуры
окружающей среды. Для контроля выполнения этих условий могут использоваться
температурные датчики в окружении батареи.
Максимальное токопотребление различных плат и модулей продуктов линейки SI2000 при использовании рабочего
напряжения -48 В представлено в таблице 4.6
Таблица 4.6 - Токопотребление продуктов линейки Si2000
|
Блок
|
Ток, А
|
Мощность, Вт
|
|
1
|
2
|
3
|
|
Центральная секция МЕА20 (1
вентиляторный блок с 8 вентиляторами)
|
1,92
|
92
|
|
Центральная секция МЕА20 (2
вентиляторных блока по 8 вентиляторов)
|
3,78
|
182
|
|
Центральная секция МЕА10 (4
вентилятора)
|
1,00
|
48
|
|
Центральная секция МЕА5 (2
вентилятора)
|
0,55
|
26
|
|
Плата ES(IDC)
|
0,5
|
24
|
|
Плата ADSL2+(SGN)
|
1
|
48
|
|
Плата POTS(SAK)
|
0,45
|
22
|
|
Плата SMG
|
0,55
|
26
|
|
Плата iCS-MEA
|
1
|
48
|
|
Плата MN-MEA
|
1
|
48
|
Так как предлагаемые решения по проектированию мультисервисной сети
предусматривают использование на объектах существующих систем электропитания,
то задача при расчете оборудования электропитания сводится к расчету объема
дополнительной нагрузки на систему электропитания и проверки ее расширения.
На основании таблицы 4.6 произведем расчет величины
потребления тока оборудованием SI2000
для каждого MSAN проектируемой сети. Результат
расчета приведен в таблице 4.7.
При расчёте суммарной нагрузки на выпрямительные устройства необходимо
учитывать величину тока заряда аккумуляторных батарей, который составляет 10%
от ёмкости аккумуляторной батареи. В общем случае величина суммарного тока,
потребляемая оборудованием, должна быть меньше величины максимально возможного
выходного тока системы электропитания. Максимально возможный ток системы
зависит от количества установленных выпрямителей. Системы электропитания, на
узлах доступа, полностью укомплектованы выпрямителями и поэтому они могут
обеспечивать максимальный выходной ток согласно заявленным техническим
характеристикам.
Аккумуляторные батареи должны обеспечивать
электропитание оборудования в течение 10 часов.
Определим ёмкость CH аккумуляторной батареи по формуле:
Сн = IпотрMSAN ∙ Tразр./
Кi ∙(1+0,006∙(tср.)), (4.7)
где IпотрMSAN - ток потребляемый оборудованием MSAN;
Tразр. - время работы оборудования в аварийном режиме = 10ч;
Кi = 0,92 - коэффициент отдачи ёмкости,
в зависимости от величины разрядного тока, согласно.
tср. - средняя температура элемента в градусах =+10oC, отсюда:
Сн = 3,95 ∙ 10/ 0,92 ∙(1+0,006∙(+10))≈ 45 А/ч, -
расчет для с. Первомайское.
Аналогично рассчитываем для других населенных пунктов.
Результаты расчета занесены в таблицу 4.7
Таблица 4.7 - Токопотребление оборудования SI2000 на проектируемой сети
|
Населённый пункт
|
Ток, А
|
Мощность, Вт
|
Емкость аккумуляторной
батареи, Ач
|
|
|
|
|
|
|
|
|
|
1
|
2
|
3
|
4
|
|
Первомайское
|
3,95
|
190
|
45,5
|
|
Михайловка
|
10,12
|
488
|
116,6
|
|
Орехово
|
6,3
|
304
|
72,6
|
|
Гусиная Ляга
|
7,3
|
352
|
84,1
|
|
Асямовка
|
4,85
|
234
|
55,9
|
|
Новоандреевка
|
5,85
|
282
|
67,4
|
|
Лесное
|
5,85
|
282
|
67,4
|
Для десятичасового резервного питания будут использоваться существующие
аккумуляторные батареи.
Тип оборудования и аккумуляторных батарей представлен в таблице 4.8.
Таблица 4.8 - Системы электропитания
|
Населённый пункт
|
Тип оборудования
электропитания
|
Выход по току max,
А
|
Тип аккумуляторной батареи
|
Выход по току, А
|
|
1
|
2
|
3
|
4
|
5
|
|
Первомайское
|
СБЭП 48/160
|
162
|
DJM12150
|
150
|
|
Михайловка
|
СБЭП 48/160
|
162
|
DJM12120
|
120
|
|
Орехово
|
MPS-100
|
100
|
6GFM100C
|
100
|
|
Гусиная Ляга
|
СБЭП 48/160
|
162
|
DJM12150
|
150
|
|
Асямовка
|
СБЭП 48/160
|
162
|
DJM1250
|
50
|
|
Новоандреевка
|
СБЭП 48/160
|
162
|
DJM12120
|
120
|
|
Лесное
|
СБЭП 48/160
|
162
|
DJM12100
|
100
|
4.6