Разработка конструкции и технологии изготовления радиомикрофона

  • Вид работы:
    Курсовая работа (т)
  • Предмет:
    Информатика, ВТ, телекоммуникации
  • Язык:
    Русский
    ,
    Формат файла:
    MS Word
    359,65 Кб
  • Опубликовано:
    2016-02-13
Вы можете узнать стоимость помощи в написании студенческой работы.
Помощь в написании работы, которую точно примут!

Разработка конструкции и технологии изготовления радиомикрофона












Расчетно-пояснительная записка к курсовому проекту

по дисциплине: «Основы конструирования и проектирования РЭС»

на тему:

Разработка конструкции и технологии изготовления радиомикрофона



Оглавление

1. Техническое задание на разработку радиомикрофона

1.1 Наименование и область применения

1.2    Основание для разработки

.3      Цель и задачи разработки

.4      Источник разработки

.5      Технические требования

.6      Стадии разработки

.7      Комплектность документации, порядок приёмки, сроки

2. Схемотехническая отработка конструкции

2.1 Описание принципа работы радиомикрофона.

2.2    Конструкторско-технологический анализ элементной базы

.3      Разукрупнение схемы электрической принципиальной

3. Разработка конструкции радиомикрофона.

3.1 Обоснование компоновочной схемы радиомикрофона

3.2    Выбор системы охлаждения радиомикрофона

.3      Выбор материалов конструкции

3.3.1 Выбор материала для основания печатной платы

3.4 Выбор материала для корпуса радиомикрофона

3.5    Разработка конструкции ФЯ

.6      Разработка конструкции субблока

.7      Описание конструкции субблока

4. Расчет показателей качества конструкции

4.1 Расчет среднеповерхностной температуры корпуса

4.2    Расчет среднеповерхностной температуры нагретой зоны

.3      Расчет показателей вибропрочности конструкции

5. Качественная оценка технологичности конструкции

6.      Количественная оценка технологичности конструкции

6.1 Расчет конструкторских показателей технологичности

6.2    Расчет производственных показателей технологичности

7. Комплексная оценка технологичности

8.      Разработка технологической схемы сборки

.        Заключение

Литература


. Техническое задание на разработку радиомикрофона.

.1 Наименование изделия и область применения

Наименование изделия - радиомикрофон, используют для беспроводной передачи речевых сообщений.

Область применения: ведение коммерческой разведки, в качестве радио-няни.

.2 Основание для разработки

Основанием для разработки радиомикрофона служит задание по подготовке курсового проекта, выданного кафедрой 404 и утверждённое 14.09.2012 г.

.3 Цель и задачи разработки

Целью разработки является создание конструкторско-технологической документации на изготовление радиомикрофона.

Задачами разработки являются:

) схемотехническая отработка конструкции;

) разработка конструкции изделия;

) расчет показателей качества;

) расчет технологичности;

) разработка технологической схемы сборки

.4 Источники разработки

Перечень литературных источников

Разработка изделия производится на основе следующих литературных источников:

) Журнал «Радио» - начинающим, стр. 54-55, №1, 2012 г;

) Гоноровский И.С. Радиотехнические цепи и сигналы: учебник для ВУЗов;

) Борисов, А. Назаров - Учебное пособие по курсовому и дипломному проектированию.

Конструкторские аналоги

Разрабатываемый радиомикрофон беспроводной, поэтому при сравнении с проводными аналогами он удобнее в использовании.

.5 Технические требования

Состав изделия и требования к его конструкции

Радиомикрофон состоит из:

блока, в котором размещена ФЯ, состоящая из печатной платы и радиоэлементов расположенных на ней.

Параметры корпуса:

габаритные размеры - диаметр не белее 40 мм, длина не более 100 мм. (100× d40);

материал корпуса - алюминий;

масса модуля не более 300 г.

Показатели назначения

Изделие в заданных условиях эксплуатации должно обеспечивать следующие значение функциональных показателей:

диапазон рабочих частот передачи - от 88…..108 МГц;

напряжение питания - 3В;

ток потребления - 2,5 мА.

Требования к надёжности

Вероятность безотказной работы изделия за 8 часов должна быть не ниже 0.99.

Среднее время наработки на отказ изделия должно быть не менее 1000 ч.

Требования к уровню унификации и стандартизации

Уровни стандартизации и унификации изделия, определяемые коэффициентами стандартизации и унификации должны быть не менее 0,7.

Требования к безопасности

Изделие должно быть электробезопасным в условиях производства, эксплуатации, обслуживания и ремонта.

Эстетические, эргономические требования

Устройство должно отвечать современным требованиям эргономики и технической эстетики предъявляемым к радиомикрофону.

Условия эксплуатации (использования)

Функциональные показатели, приводимые в разделе 1.5.2. должны быть обеспечены в следующих условиях эксплуатации:

диапазон рабочих температур от минус 10°С до +55˚С;

относительная влажность до 80% при Т = 25˚С;

диапазон вибрационных частот от 10 до 30 Гц;

виброускорение 19,6 м/с2;

пониженное атмосферное давление до 61 кПа.

Дополнительные требования

Дополнительные требования к изделию не предъявляются.

Требования к транспортировке и хранению

Транспортировка изделия допускается автомобильным транспортом без ограничения расстояния в заводской упаковке, исключающей повреждение изделия при транспортировке.

Хранение должно производиться в капитальном, отапливаемом помещении на стеллажах в заводской упаковке.

1.6 Стадии разработки

Разработка должна быть выполнена в соответствии с календарным планом, представленным в таблице 1.1.

Таблица 1.1

Содержание работ

Дата завершения

1

Оформление технических требований, схемотехническая отработка конструкции

28.09.12

2

Разработка конструкции изделия

10.10.12

3

Расчет показателей качества конструкции

09.11.12

4

Расчет технологичности конструкции

30.11.12

5

Оформление конструкторской документации



.7 Комплектность документации, порядок приёмки, сроки

Комплект документов должен включать:

расчетно-пояснительная записка;

графический материал;

2. Схемотехническая отработка конструкции

.1 Описание принципа работы радиомикрофона

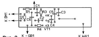
Основа устройства (рис. 2.1) LC-гeнератор, собранный на транзисторе VТ1 по схеме "ёмкостной, трёхточки"

Рисунок 2.1

Номиналы конденсаторов C3C5 и топология катушки индуктивности L 1 выбраны такими, чтобы частота генерации составила около 100 МГц, т. е. примерно в середине УКВ ЧМ диапазона 88...108 МГц. Конденсатор С1 соединяет базу транзистора с линией питания по высокой частоте.

Электретный микрофон ВМ 1 преобразует звуковой сигнал в электрический, который через резистор А2 и конденсатор С2 поступает на базу транзистора VТ1. В результате ток через тpaнзистор изменяется, что при водит к изменению частоты и амплитуды генерируемого сигнала, т.е. осуществляется eгo амплитудная и частотная модуляция звуковым сигналом. К отводу катушки L 1 подключают антенну отрезок изолированного провода толщиной 0.5...1 мм и длиной 30...40 см. Сигнал гeнepaтopa можно принимать на радиовещательный УКВ приёмник указанного выше диапазона на расстоянии нескольких десятков метров. Все элементы кроме выключателя и батареи питания, монтируют на печатной плате из односторонне фольгированного стеклотекстолита толщиной 1...1,5 мм, чертёж которой показан на рис. 2.2

Рисунок 2.2

Смонтированная плата показана на рис. 2.3.

Рисунок 2.3

Питать устройство можно от батареи, состоящей из двух гальванических элементов типоразмера АА. ААА, AG 13 напряжением по 1,5 В каждый или одного литиевого элемента серии САхххх с напряжением 3 В. Применены резисторы МЛ-Т: C2-23, Р1 4, конденсаторы К10-17, причём конденсаторы C3-C5 должны иметь ТКЕ ПЗЗ, МПО или МЗЗ это повысит стабильность частоты гeнepaтopa, ТКЕ остальных может быть любым. Замена тpaнзистора S9014С любым ceрий КТ368, КТ399, 2SC9014, S9018 с коэффициентом передачи тока коллектора не менее 50. Можно применить транзисторы серий КТ326, КТ363, но в этом случае необходимо изменить на противоположные полярности подключения питающего напряжения и микрофона. Выключатель питания малогабаритный, например, В3009, В3037. Электретный микрофон любой с двумя выводами, но лучшие результаты получены с указанным на схеме.

Налаживание начинают с установки потребляемого тока 1,5...2,5 мА подборкой резистора А3.

Затем, перестраивая УКВ радиоприёмник вблизи частоты 96 МГц, настраиваются на сигнал радиомикрофона. Частоту гeнepaтopa можно изменять подборкой конденсатора С3, уменьшение eгo ёмкости приводит к росту частоты генератора, и наоборот. Изменение частоты потребуется, если приёму будет мешать сигнал радиовещательной станции. Установку частоты можно упростить, заменив конденсатор С3 на два соединённых параллельно. Один постоянной ёмкости (20...22 пФ), eгo устанавливают на место С3, второй подстроечный (4...20 пФ), eгo можно установить со стороны печатных проводников. Подойдут подстроечные конденсаторы КТ4-21б, КТ4-25б с номинальным напряжением 100В (диаметр корпуса 5 мм). Приёмник настраивают на частоту, свободную от сигналов радиостанций, и подстроечным конденсатором перестраивают на эту частоту генератор.

.2 Конструкторско-технологический анализ элементной базы

Выбор элементной базы производится на основе качественного анализа групп резисторов, конденсаторов, транзистора, микросхем и т.д. по справочным данным на эти элементы.

Таблица 2.1

Тип элемента

Обозн.

К-во шт.

Масса не более г.

Установочные размеры

Темпер. диапазон ˚С

Диапазон вибровоз-действий Гц

Вибропе-регрузка, g






Площадь мм2

Объем мм3




1

Конденсатор K10-17б- 1000пФ-50В

C1

1

1.0

33,75

168,75

от -60 до +125

1-3000

20

2

Конденсатор K10-17б-0,1мкФ-50В

C2

1

1.0

33,75

168,75

от -60 до +125

1-3000

20

3

Конденсатор К10-17б-33пФ

C3

1

0.5

16,8

67.2

от -60 до +125

1-3000

40

4

Конденсатор K10-17б-10пФ-50В

C4

1

0.5

16,8

67.2

от -60 до +125

1-3000

40

5

Конденсатор K10-17б-47пФ

C5

1

0.5

16,8

67.2

от -60 до +125

1-3000

40

6

Конденсатор К10-17б-0.1мкФ-50В

C6

1

1.0

33,75

168,75

от -60 до +125

1-3000

20

7

Микрофон CZN-15E

ВМ1

1

15.0

73.9

495.12

от -25 до +60

1-3000

40

8

Транзистор S9014C

VT1

1

14.0

20.98

80.97

от -55 до +150

1-3000

40

9

Переключатель В3009-125В

SA1

1

28.0

18.2

123.76

от -50 до +60

1-3000

20

10

Батарея CR123A-3В

GB1

1

17.0

201.06

7238.23

от -30 до +65

1-5000

40

11

Резистор С2-23-0-250 -1.5кОм-

R1

1

0.12

4.15

24.93

от -55 до +125

1-3000

40

12

Резистор С2-23-0-250 -10кОм

R2

1

0,12

4.15

24.93

от -55 до +125

1-3000

40

13

Резистор С2-23-0 -36кОм

R3

1

0,12

4.15

24.93

от -55 до +125

1-3000

40

14

Резистор С2-23-0-56Ом

R4

1

0.12

4.15

24.93

от -55 до +125

1-3000

40


Всего на плате


14

78,98

482,39

8745,65





По данным таблицы 2.1 рассчитаем суммарную установочную массу элементов mpэ, суммарную установочную площадь элементов Spэ и суммарный установочный объем элементов Vpэ.

1) Считаем суммарные значения массы, установочной площади и объёма:

Суммарная масса всех радиоэлеменетов составляет: mpэ = 78,98 г

Суммарная площадь: Spэ = 482,39 мм2

Суммарный объём:Vpэ = 8745,65 мм2

Коэффициенты дезинтеграции характеризуют относительное изменение материальных показателей конструкции в целом (массы, объема, площади) по сравнению с соответствующими показателями элементной базы при создании конструкции

Коэффициенты дезинтеграции

Из таблицы 2.2 возьмем значения относительных показателей качества для ФЯ.

Таблица 2.2

Коэффициент дезинтеграции массы ФЯ: 1,33

Коэффициент дезинтеграции объёма ФЯ: 3,67

Коэффициент дезинтеграции площади ФЯ: 2,51

Произведем оценку массогабаритных характеристик изделия с учетом коэффициентов дезинтеграции:

Ожидаемая масса  105,04 г.

Ожидаемый объем 21951,58 мм3

Ожидаемая площадь 1770,38 мм2

Ожидаемая площадь для платы управления Sрэ = 1770,39 мм2

Площадь платы по ТЗ Sпл = 2400 мм2

Ожидаемый объем 21951,58 мм3

Объем платы по ТЗ Vпл = 24000 мм3

Все элементы смогут быть размещены на плате с выбранными геометрическими размерами.

Сравнив полученные данные с требованиями технического задания к конструкции, можно сделать вывод о том, что данная элементная база подходит для создания конструкции, имеющей массогабаритные показатели, удовлетворяющие требованиям технического задания.

Определим виброперегрузку:

Так как по ТЗ виброускорение составляет 19,6 м/с2, то виброперегрузка будет равна

19,6/9,8 = 2

где а - виброускорение [м/с2]

g - ускорение свободного падения.

Вывод:

Каждый элемент в отдельности в предельных условиях эксплуатации имеет виброперегрузку большую 2g и минимальный диапазон вибрационных воздействий от 1 до 600Гц. Значит виброперегрузка и диапазон виброчастот указанные по предельным условиям эксплуатации для каждого элемента из выбранной элементной базы удовлетворяют техническому заданию. Все элементы технологически совместимы, так как, для всех применен способ монтажа в отверстие. Все элементы конструктивно совместимы, так как элементы примерно одинакового типоразмера.

.3 Разукрупнение схемы электрической принципиальной

Независимо от назначения и функциональной сложности изделия разукрупнение РЭС на конструктивно-технологические единицы (КТЕ) имеет ряд общих принципов, главными из которых являются:

конструктивная и функциональная законченность КТЕ;

минимальное количество внешних электрических соединений при условии выполнения конструктивной и функциональной законченности;

максимальная сложность КТЕ на низших структурных уровнях, причем функциональная сложность ограничивается технологией производства процентом выхода годных изделий и стоимостью.

Оценка разукрупнения

Рассмотрим два варианта компоновки:

Рисунок 2.4

Оценку разукрупнения производим по формализованному показателю разукрупнения:


Вариант 1

Компоновка на одной КТЕ

Вариант 2

Компоновка на двух КТЕ

По теории лучший вариант будет тот, у которого формализованный показатель качества больше.

Наибольшее значения показателя  = 3,2,поэтому выбираем вариант 1.


3. Разработка конструкции модуля радиомикрофона

3.2 Выбор системы охлаждения модуля радиомикрофона

Поскольку способ охлаждения в значительной мере определяет структуру конструкции РЭС, уже на ранних стадиях разработки важно правильно выбрать способ охлаждения. Способ охлаждения выберем с помощью диаграммы (Рисунок 3.1).

Допустимый перегрев конструкции

75 - 55 = 20°С

min температура РЭ

 - поверхностная плотность теплового потока

Где S площадь модуля


- поправочный коэффициент на давление окружающей среды

 

Р = РПОТР (1-η) = 3∙ 0.0025(1- 0,4) = 0,0045 Вт.

Берем десятичный логарифм от Pos

Далее по диаграмме определяем способ охлаждения. Подставляя полученную точку (0,78; 5) (участок 1), можно утверждать, что рассчитываемая конструкция обеспечивает нормальный тепловой режим при естественном воздушном охлаждении.

Рисунок 3.1

Указанные на рисунке 3.1 зоны относятся к следующим способам охлаждения:

- естественное воздушное;

- естественное и принудительное воздушное;

- принудительное воздушное;

- принудительное воздушное или жидкостное;

- принудительное жидкостное;

.3 Выбор материалов конструкции

Выбор материала основания печатной платы

Выбор материала для управляющей части радиомикрофона производить среди основных материалов для производства ПП - гетинакс и стеклотекстолит.

Выбор печатный платы произведен на основании комплексного показателя качества.

Комплексный показатель качества представляет собой сумму взвешенных дифференциальных и нормированных показателей качества


весовой коэффициент

нормированный показатель качества

Для рассчетов используются следующие показатели качества приведенные в таблице 3.1

Таблица 3.1

№ п/п

Материал

Плотность материала кг/м3

Разрушающее напряжение при изгибе перпендикулярно слоями не менее МПа

Разрушающее напряжение при растяжении, не менее МПа

Значение допустимого рабочего напряжения при ширине зазора 0,5 мм В

1.

Стеклотекстолит ГОСТ 12652-74

1600

350

220

350

2.

Гетинакс ГОСТ 2718-74

1300

135

120

250


Произведём выравнивание влияния дифференциальных показателей. При увеличении пробивного, разрушающего и допустимого рабочего напряжения качество материала платы повышается. А при увеличении плотности материала качество ухудшается, так как это ведет к увеличению массы платы в целом и напрямую отразится на показателе вибропрочности. Поэтому показатель плотности заменим обратной величиной. Данные заносим в таблицу

Таблица 3.2

Материал

(кг/м3)-1

МПа

МПа

В

Стеклотекстолит

0,00063

350

220

350

Гетинакс

0,00077

135

120

250


Выполним нормирование значений показателей качества путём деления каждого на максимальное значение своего подпункта.

Таблица 3.3

Материал

(кг/м3)-1

МПа

МПа

В

Стеклотекстолит

0,82

1

1

1

Гетинакс

1

0,39

0,55

0,71


Введем весовые коэффициенты по десятибальной шкале:

плотность материала -2

разрушающее напряжение при растяжении - 2

разрушающее напряжение при растяжении - 2

значение допустимого рабочего напряжения - 4

Рассчитываем значение комплексного показателя качества для каждого материала.

Стеклотекстолит:

Гетинакс:

Так как при выравнивании влияния дифференциальных параметров выбрана тенденция на увеличение показателей (чем больше, тем лучше), то лучшим вариантом будет показатель с наибольшим значением, то есть стеклотекстолит.

Для основания печатной платы выбираем 2-х слойный стеклотекстолит.

Выбор материала для корпуса модуля радиомикрофона

Выбор материала для корпуса радиомикрофона производить среди алюминия и меди

Выбор корпуса произведен на основании комплексного показателя качества.

Для расчетов используются следующие показатели качества приведенные в таблице 3.4

Таблица 3.4

№ п/п

Материал

Плотность материала кг/ м3

Удельное сопротивление 10-7,Ом∙м

Модуль упругости МПа

Удельная теплоемкость кал/г∙°С

1.

Алюминий

2700

0,279

70

0,22

2.

Медь

8960

0,169

115

0,09


Произведём выравнивание влияния дифференциальных показателей. При увеличении удельной теплоемкости качество материала платы повышается. А при увеличении плотности материала качество ухудшается, так как это ведет к увеличению массы платы в целом и напрямую отразится на показателе вибропрочности. Поэтому показатель плотности заменим обратной величиной. Данные заносим в таблицу

Таблица 3.5

Материал

(кг/м3)-1

10-7, (Ом∙м)-1

МПа

кал/г°С

Алюминий

0,00037

0,279

70

0,22

Медь

0,00011

0,169

115

0,09


Выполним нормирование значений показателей качества путём деления каждого на максимальное значение своего подпункта.

Таблица 3.6

Материал

(кг/м3)-1

10-7,(Ом∙м) -1

МПа

кал/г∙°С

Алюминий

1

1

0,6

1

Медь

0,3

0,6

1

0,4


Введем весовые коэффициенты по десятибальной шкале:

плотность материала - 4;

удельное сопротивление - 2;

модуль упругости - 2;

удельная теплоемкость - 2.

Рассчитываем значение комплексного показателя качества для каждого материала.

Алюминий:

Медь:

Так как при выравнивании влияния дифференциальных параметров выбрана тенденция на увеличение показателей (чем больше, тем лучше), то лучшим вариантом будет показатель с наибольшим значением, то есть алюминий.

Определение геометрических размеров печатной платы

Чтобы определить геометрические размеры ПП необходимо учитывать:

. X1 = X2 = Y1 = Y2 = δ,

где δ - толщина печатной платы

. Наличе разъемов

Из условий ТЗ печатная плата имеет прямоугольную форму, на ПП должны быть размещены РЭ и краевые поля, показанные на рисунке 3.2

Y1

    6   32     32     23     33

Х1    Х2    Y2

Рисунок 3.2

Расчет:

Х1 = Х2 = δпл = 1.5мм

Размер по Х:

Lх = Lплх+2 δпл = 55+2∙1.5 = 58 мм

Y1 = Y2 = 2мм

Размер по Y:

Ly = Lплy+2Y = 32+2∙2 = 36мм

Нормальный ряд

Lх +L y = 60×40мм

Ожидаемая площадь для платы управления Sрэ = 1770,39 мм2

Площадь платы по ТЗ Sпл = 2400 мм2

Все элементы смогут быть размещены на плате с выбранными геометрическими размерами

Расчет элементов печатной платы

Расчету подлежат диаметры монтажных отверстий и переходных площадок, минимальная ширина проводников на падение напряжений на проводниках, обусловленные сопротивлением проводников. Расчеты геометрических размеров элементов проводятся с целью коррекции изменения размеров элемента в процессе изготовления платы - техническая погрешность.

Выбор класса точности обусловлен, прежде всего элементной базой. Элемент с наименьшим расстоянием между выводами VD4 и оно составляет 2,54 мм. Следовательно, оптимальным будет выбор 1класса точности.

. Минимальный диаметр переходного отверстия dпо

dпо≥Kдт∙hпл

hпл - толщина ПП

hдт = 0,5 - отношение диаметра металлизированного отверстия к толщине платы, для ПП 1-го класса точности.

dпо≥0,5∙1,5 = 0,75 мм

. Диаметр монтажного отверстия:

dмо≥ dв+2hr+Δ+δд

где dв - диаметры выводов равные 0,53 мм.

hr = 0.05мм - толщина гальванического осаждения меди в отверстия,

Δ = 0,5мм - необходимый зазор между выводом радиоэлемента и поверхностью отверстия,

δд = 0,12мм - погрешность диаметра монтажного отверстия,

dмо = 1,25мм, выбираем dмо = 1,5 мм.

. Минимальный диаметр контактной площадки:


где bн = 0,3мм - ширина пояска контактной площадки,

δо = 0,07мм - погрешность расположения отверстия,

δкп = 0,15мм - погрешность расположения контактной площадки,

δф = 0,06 - погрешность фотошаблона,

hф = 0,05мм - толщина фольги,

dкп = 2,425 мм

. Минимальная ширина проводника:

bп.р ≥ t+ δф +1.5∙hф = 0,735, выбираем 0,75 мм

где t = 0,6 ширина проводника соответствующая 1-му классу точности.

. Минимальное расстояние между проводниками:

S = lо.л -(bп.р+2∙δс.п) = 0,115 мм

где lо.л = 0,5мм - расстояние между осевыми линиями проводников, предусмотренное топологией печатной платы,

δс.п = 0,05мм - погрешность смещения проводников.

. Расчет показателей качества конструкции

ФЯ размещена в корпусе и закрепляется с помощью установочных элементов на направляющие блока. Поверхности корпуса и нагретой зоны приняты за изометрические с температурами tк и tз. Суммарную мощность источников тепла обозначим P,Вт. Тепло с поверхности нагретой зоны конвекцией σзк, теплопроводностью через элементы крепления σзт и излучением через воздушные промежутки σзл передаётся на стенки корпуса σст. Передача тепла с корпуса окружающей среде tс осуществляется за счет конвекции σкк и излучения σкл.

tнз - температура нагретой зоны (температура на поверхности печатной платы);

tс - температура окружающей среды;

tвк - температура внутри корпуса;

tк - температура корпуса;

σэк - конвективная проводимость нагретой зоны;

σзт - кондуктивная проводимость нагретой зоны;

σэл - лучевая проводимость нагретой зоны;

σст - проводимость стенки корпуса;

σкк - конвективная проводимость корпуса;

σкл - лучевая проводимость корпуса.

Для расчета теплового режима необходимо перейти от реального изделия к тепловой модели. Тепловая модель показана на рисунке 4.1

2

Рисунок 4.1; 1 - ФЯ, 2 - корпус, 3 - крепеж

Воспользуемся принципом электротепловой аналогии и перейдем от тепловой модели к тепловой схеме. Тепловая схема показана на рисунке 4.2

Рисунок 4.2

tнз - температура нагретой зоны (температура на поверхности печатной платы);

tс - температура окружающей среды;

tвк - температура внутри корпуса;

tк - температура корпуса;

σэк - конвективная проводимость нагретой зоны;

σзт - кондуктивная проводимость нагретой зоны;

σэл - лучевая проводимость нагретой зоны;

σст - проводимость стенки корпуса;

σкк - конвективная проводимость корпуса;

σкл - лучевая проводимость корпуса.

.1 Расчет среднеповерхностной температуры корпуса.

. Расчет ведется методом последовательных приближений.

 м2

. Характерный размер:

0,129м = 129 мм

. Произвольный перегрев в первом приближении:

∆t׳ = 10˚C.

.Температура на поверхности корпуса:

tк׳ = tс + ∆t׳ = 55 + 10 = 65˚C

.Средняя температура окружающей среды:

tср׳ = 0,5∙( tс + tк׳) = 0,5∙(55 + 65) = 60˚C.

. Значения теплофизических параметров носителя по таблице [1]

коэффициент теплопроводности: λ = 2,9∙10 -2 [];

коэффициент кинематической вязкости: ν = 18,97∙10 -6 [];

коэффициент объемного расширения:

β =  =  = 3∙10 -3 [˚C -1]

. Критерий Грасгофа:

Gr׳ = β∙g ∙  ∙( tк׳ - tс ) = 3∙10 -3 ∙ 9,8 ∙  ∙ (65 - 55) = 175,38 ∙104

где g = 9,8 [] - ускорение свободного падения.

. Произведение Грасгофа на Прандтля:

Pr = 0,7 - критерий Прандтля.

(Gr׳∙Pr) = 175,38 ∙104 ∙ 0,7 = 122,766 ∙104.

. Значения коэффициентов, характеризующих движение теплоносителя из таблицы 4.2:

Коэффициент, отвечающий за форму тела: C = 0,54.

Коэффициент, отвечающий за тип обтекания: n = 0,25.

Таблица 4.2


. Критерий Нуссельта:

Nu = C∙(Gr∙Pr)n = 0,54∙(122,766 ∙104)0,25 = 17.9

. Конвективный коэффициент теплопередачи при естественной вентиляции в неограниченном пространстве в первом приближении:

αк׳ = Nu = 17,9∙  = 4,024 []

. Лучевой коэффициент теплопередачи в первом приближении по номограмме [2]

αлн׳ = 6,8 []

Так как номограмма построена для степени черноты равной 0,8, необходима корректировка результата:

. αл׳ = αлн׳,

где εпр - приведенная степень черноты в неограниченном пространстве:

14. εпр =  =  = 0,92

ε1 = 0,92 - для красок различных цветов;

ε2 = 1- для воздуха.

Отсюда лучевой коэффициент теплопередачи в первом приближении:

15.αл׳ = 6,8∙  = 7,82 []

16. Тепловая проводимость корпуса

конвективная проводимость корпуса:

σкк׳ = Sкор ∙ αк׳ = 0,1005 ∙4,024 = 0,404[];

. Лучевая проводимость корпуса:

σкл׳ = Sкор ∙ αл׳ = 0,1005∙ 7,82 = 0,785 [];

. Суммарная тепловая проводимость корпуса:

σкс׳ = σкк׳ + σкл׳ = 0,404 + 0,785 = 1,187 []

. Расчетное значение перегрева в первом приближении:

∆tрсч׳ =  =  = 0,003˚C

. Проверка условия выполнения расчета:

|∆tрсч׳ - ∆t׳| = |0,003 - 10| = 9,997≤ 1-2˚C = > условие не выполнено, расчет продолжается.

Значение перегрева во втором приближении: ∆t׳׳ = ∆tрсч׳ = 0,003˚C.

. Температура корпуса:

tк׳׳ = ∆t׳׳ + tс = 0,003 + 55 = 55,003˚C

. Средняя температура окружающей среды:

. tср׳׳ = 0,5∙(tс + tк׳׳) = 0,5∙(55 + 55,003) = 55,0015˚C

Значения теплофизических параметров [1]:

λ = 2,865∙10 -2 [  ]; ν = 18,475∙10 -6 [ ];

β =  =  = 3,048∙10 -3 [ ˚C -1 ].

. Критерий Грасгофа во втором приближении:

Gr׳׳ = β∙g ∙  ∙ ( tк׳׳ - tс )

Gr׳׳ = 3,048∙10 -3 ∙ 9,8 ∙  ∙ ( 55,003 - 55 ) = 0,56∙104

. Произведение Грасгофа на Прандтля:

(Gr׳׳ ∙ Pr) = 0,56∙104 ∙ 0,7 = 3,92∙ 103

. Значения коэффициентов, характеризующих движение теплоносителя по таблице 4.2:

C = 0,54; n = 0,25.

. Критерий Нуссельта:

Nu = C∙(Gr׳׳ ∙ Pr)n = 0,54∙(3,92∙103)0,25 = 4,27.

. Конвективный коэффициент теплопередачи при естественной вентиляции в неограниченном пространстве во втором приближении:

αк׳׳ = Nu = 4,27 ∙  = 0,948 [  ].

. Лучевой коэффициент теплопередачи по номограмме [2]

αлн׳׳ = 6,5 []

. Лучевой коэффициент теплопередачи во втором приближении:

αл׳׳ = αлн׳׳ = 6,5 ∙  = 7,475 [  ].

. Тепловая проводимость корпуса:

σкк׳׳ = Sкор ∙ αк׳׳ = 0,1005 ∙ 0,948 = 0,0952 [  ];

10. σкл׳׳ = Sкор ∙ αл׳׳ = 0,1005 ∙ 7,475 = 0,751 [  ];

11. σкс׳׳ = σкк׳׳ + σкл׳׳ = 0,0952 + 0,751 = 0,846 [  ].

. Расчетное значение перегрева во втором приближении:

конструкторский технологический схемотехнический радиомикрофон

∆tрсч׳׳ =  =  = 0,053˚C

. Проверка условия выполнения расчета:

|∆tрсч׳׳ - ∆t׳ | = |0,053 - 0,003| = 0,05 ≤ 1-2˚C = > условие выполнено, расчет закончен.

. Среднеповерхностная температура корпуса:

tк = tс + ∆tрсч׳׳ = 55 + 0,053 = 55,053˚C.

.2 Расчет среднеповерхностной температуры нагретой зоны.

Метод тепловой характеристики.

Необходимо построить график зависимости Δtк от Р, эта зависимость как правило линейна и поэтому строят её лишь по двум точкам. Первая точка (0;0) и присутствует всегда.

. Находим площадь поверхности нагретой зоны

 = 2·(60·40+60·5+5·40) = 0,006 м2

где: Lx = 60мм

Ly = 40мм

Lz = 5мм

геометрические размеры печатной платы с ЭРЭ.

. Определяем характерный размер:

м

3. Находим средний зазор между нагретой зоной и корпусом, при этом толщину стенки учитывать не будем:

мм

. Произведем оценку соотношений:


. Задаём перегрев нагретой зоны


. Температура нагретой зоны

˚C

. Находим среднюю температуру воздуха внутри корпуса

˚C

. Определяем теплофизические параметры теплоносителей

Коэффициент объёмного расширения воздуха

 °С-1

. Находим критерий Грасгофа


. Определим произведение Грасгофа на Прандтля

Pr = 0.7, Gr ∙Pr = 14,425∙0,7 = 10,1

. Рассчитываем конвективно-кондуктивный коэффициент


где k - коэффициент учитывающий влияние конвекции

k = 1; при  и Gr·Pr≤103

k = 0.18∙(Gr∙Pr)n; при  и Gr·Pr≤103

где: n - коэффициент, отвечающий за тип обтекания.

10,1)0.25 = 0,32

0.001 = 9,184Вт/м2˚С

. Определим конвективную проводимость нагретой зоны:


13. Определим приведенную степень черноты для ограниченного пространства


. Определим коэффициент теплопередачи по номограмме  Вт/м2˚С, т.к. номограмма построена для , введем коррекцию


. Находим лучевую проводимость между нагретой зоной и корпусом


. Определим проводимость без установочных элементов


. Определяем кондуктивную проводимость втулок, на которых расположена печатная плата:


где: Sст = (1.5∙60) = 90мм2 = 0,09м2

Суммарная проводимость

 0,213+0,83+0,013+ 23,94 = 24,996 Вт

Мощность, которую при выбранном значении перегрева, корпус может рассеять:


Координаты второй точки (0,149;0,006)

0                0.005                            0,15 P,                Âò

Ðèñóíîê 4.3

Òàê êàê ïî çàäàíèþ ìîùíîñòü 0,0045 Âò, òî ïî ãðàôèêó çàâèñèìîñòè âèäíî, ÷òî ïåðåãðåâ íàãðåòîé çîíû

Òåìïåðàòóðà íàãðåòîé çîíû áóäåò ðàâíà:

˚C

Âûâîä: Èçäåëèå ðàáîòàåò â íîðìàëüíîì òåïëîâîì ðåæèìå òàê t í.ç íèæå òåìïåðàòóðû íàèìåíåå òåïëîñòîéêîãî ýëåìåíòà.

.2 Îïðåäåëèì âèáðîïåðåãðóçêó

 ïðîöåññå èçãîòîâëåíèÿ, òðàíñïîðòèðîâêè è ýêñïëóàòàöèè ÐÝÑ ïîäâåðãàþòñÿ ðàçëè÷íûì ìåõàíè÷åñêèì âîçäåéñòâèÿì: ëèíåéíûì óñêîðåíèÿì, âèáðàöèÿì è óäàðàì.

Àïïàðàòóðà ñ÷èòàåòñÿ âèáðîïðî÷íîé, åñëè îíà ñîõðàíÿåò ðàáîòîñïîñîáíîñòü ïîñëå âîçäåéñòâèÿ ìåõàíè÷åñêèõ íàãðóçîê. Äëÿ âèáðîóñòîé÷èâîé (âèáðîïðî÷íîé) àïïàðàòóðû ïðè ëþáûõ îãîâîðåííûõ â òåõíè÷åñêîì çàäàíèè âíåøíèõ ìåõàíè÷åñêèõ âîçäåéñòâèÿõ äîëæíû âûïîëíÿòüñÿ ñëåäóþùèå äâà óñëîâèÿ:

- îòñóòñòâèå ðåçîíàíñà â èçäåëèè äëÿ íàèìåíåå ñòîéêîãî ýëåìåíòà (>2);

äîïóñòèìûå âèáðîöèîííûå ïåðåãðóçêè íà ðåçîíàíñíîé ÷àñòîòå íå äîëæíû ïðåâûøàòü âèáðîïåðåãðóçêó ïðèâåäåííóþ â èçäåëèè.

 êà÷åñòâå ýëåìåíòà êîíñòðóêöèè ñ ìèíèìàëüíîé ðåçîíàíñíîé ÷àñòîòîé, ñëåäóåò âûáðàòü ïå÷àòíóþ ïëàòó, òàê êàê å¸ ïðî÷íîñòü çíà÷èòåëüíî ìåíüøå äðóãèõ ýëåìåíòîâ êîíñòðóêöèè.

Äëÿ ðàñ÷åòà èñïîëüçóåì ìîäåëü ïëàñòèíû ñ ðàâíîìåðíî ðàñïðåäåëåííîé ìàññîé, çàêðåïëåííóþ íà ÷åòûðåõ ñòîéêàõ (ðèñóíîê 4.4). Ïðèíÿòûé ñïîñîá çàêðåïëåíèÿ îáîñíîâûâàåòñÿ òåì, ÷òî ïðè èçãèáàþùèõ êîëåáàíèÿõ îñíîâíîãî òåëà, âäîëü êàæäîé ñòîðîíû ïëàòû óêëàäûâàåòñÿ ïîëîâèíà âîëíû, óçëû ïåðåìåùåíèÿ ñîâïàäàþò ñ òî÷êàìè çàêðåïëåíèÿ ïëàòû. Ïîýòîìó íàëè÷èå òî÷åê çàêðåïëåíèÿ íå ñêàçûâàåòñÿ íà ïàðàìåòðàõ êîëåáàíèé.


Ìîäåëü Ïëàòà

Ðèñóíîê 4.4

Òàê ïî ÒÇ âèáðîóñêîðåíèå ñîñòîâëÿåò 19.6 ì/ñ2, òî âèáðîïåðåãðóçêà áóäåò ðàâíà


Ãäå a - âèáðîóñêîðåíèå [ì/ñ2]

g - óñêîðåíèå ñâîáîäíîãî ïàäåíèÿ

a,b - ðàçìåðû ïëàòû, mïë,mýë - ìàññà ïëàòû è ñóììà ýëåìåíòîâ.

. mïë = (a∙b∙h)∙ρ = (5,8∙3,5∙0,15)∙1,85 = 5,63 ã.

ãäå: a = 5,8 ñì - äëèíà ïëàñòèíû;

b = 3,5 ñì - øèðèíà ïëàñòèíû;

h = 0,15 ñì - âûñîòà ïëàñòèíû;

ρ = 1,85 ã/ñì3 - ïëîòíîñòü ìàòåðèàëà.

 ã.

. Îïðåäåëÿåì öèëèíäðè÷åñêóþ æ¸ñòêîñòü ïëàñòèíû:

ãäå: E = 30.2∙109 Í/ì2 - ìîäóëü óïðóãîñòè;

ε = 0.22 - êîýôôèöèåíò Ïóàññîíà.

Å è  - òàáëè÷íûå ïàðàìåòðû ìàòåðèàëà ïëàòû (ÑÔ1-35-1.5);

. Êîýôôèöèåíò, ó÷èòûâàþùèé óñëîâèÿ íà ñòîðîíàõ:


ãäå p = 0, q = 0,514, r = 5,14 - êîýôôèöèåíòû èç òàáëèöû.

. Ïëîùàäü ïëàñòèíû:

Sï = a∙b = 0,058∙0,035 = 0,00203 ì2.

. Ñîáñòâåííàÿ ÷àñòîòà êîëåáàíèé ïå÷àòíîé ïëàòû

 Ãö

. Ïðîâåðèì âûïîëíåíèå óñëîâèÿ:

> 2

> 60

Óñëîâèÿ âûïîëíÿþòñÿ.

Ðàññ÷èòàåì äîïóñòèìóþ âèáðîïåðåãðóçêó è ñðàâíèì ñ ÒÇ.

. Äîïóñòèìûé ñòàòèñòè÷åñêèé ïåðåãèá ïå÷àòíîé ïëàòûäîï = δ∙l2min = 0,011∙0,00122 = 0,000013 ìì

. Âèáðîñêîðîñòü

= 2π∙f0 ∙ Zäîï = 2∙3,14∙833∙0,000013 = 0,068ì/c

. Âèáðîóñêîðåíèå

à = 2π∙f0∙V = 2∙3,14∙0,068∙833 = 358,2ì/ñ2

. Äîïóñòèìàÿ âèáðîïåðåãðóçêà íà ðåçîíàíñíîé ÷àñòîòå

= à/g = 358,2/9,8 = 36,5

. Óñëîâèÿ âèáðîïðî÷íîñòèò.ç = 19,6/9,8 = 2 = 36,5>n ò.ç

36,5>2

Óñëîâèå âûïîëíÿåòñÿ.

Âûâîä: Òàê êàê ïî ÒÇ äèàïàçîí ÷àñòîò âèáðàöèîííûõ âîçäåéñòâèé îò 10 äî 30 Ãö, òî ñðàâíèâàÿ ÷àñòîòó ñâîáîäíûõ êîëåáàíèé ñ ÷àñòîòîé ðåçîíàíñà, äåëàåì âûâîä î òîì, ÷òî ïî äàííîìó êðèòåðèþ èçäåëèå ÿâëÿåòñÿ âèáðîïðî÷íûì. Äîïóñòèìàÿ âèáðîïåðåãðóçêà áîëüøå ÷åì â ÒÇ, ò.å óñëîâèÿ âûïîëíÿþòñÿ.

Òàê êàê îáà êðèòåðèÿ âûïîëíÿþòñÿ, çíà÷èò íàøà êîíñòðóêöèÿ óäîâëåòâîðÿåò òðåáîâàíèÿì âèáðîïðî÷íîñòè ïî òåõíè÷åñêîìó çàäàíèþ.


5. Êà÷åñòâåííàÿ îöåíêà òåõíîëîãè÷íîñòè êîíñòðóêöèè

Êà÷åñòâåííàÿ îöåíêà õàðàêòåðèçóåò òåõíîëîãè÷íîñòü êîíñòðóêöèè â îáùåì âèäå, èñïîëüçóåòñÿ ñ öåëüþ ëó÷øåãî èíæåíåðíîãî ðåøåíèÿ, íå òðåáóþùåãî êîëè÷åñòâåííîé îöåíêè. Äëÿ ïðîâåäåíèÿ êà÷åñòâåííîé îöåíêè òåõíîëîãè÷íîñòè íåîáõîäèìî ðàññìîòðåòü êà÷åñòâåííûå ïîêàçàòåëè.

Îñíîâíûå ïîêàçàòåëè.

)   Îòñóòñòâèå äåôèöèòíûõ è äðàãîöåííûõ ìàòåðèàëîâ îãðàíè÷åííîãî ïðèìåíåíèÿ;  èçäåëèè îòñóòñòâóþò äåôèöèòíûå è äðàãîöåííûå ìàòåðèàëû îãðàíè÷åííîãî ïðèìåíåíèÿ

2)      Áîëüøèíñòâî äåòàëåé, êîìïîíåíòîâ, ìèêðîñõåì, ðàäèîýëåìåíòîâ íîðìàëèçîâàíû è ñòàíäàðòíû;

)         èçäåëèè èñïîëüçóþòñÿ çàãîòîâêè, òðåáóþùèå ìèíèìàëüíîé îáðàáîòêè äëÿ ïîëó÷åíèÿ íóæíîé äåòàëè;

)        Ïðèìåíåíèå ìèíèìàëüíîãî êîëè÷åñòâà ìàðîê íîìåíêëàòóð ïîêóïíûõ èçäåëèé;

)        Îòñóòñòâèå èçëèøíå âûñîêèõ êëàññîâ òî÷íîñòè è ÷èñòîòû îáðàáîòêè ïîâåðõíîñòè;

)        Âîçìîæíîñòü ïðèìåíåíèÿ ñðåäñòâ ìåõàíèçàöèè è àâòîìàòèçàöèè ñ èñïîëüçîâàíèåì ïðîãðåññèâíûõ ìåòîäîâ ïðîèçâîäñòâà;

)        Ìàêñèìàëüíîå èñïîëüçîâàíèå òèïîâûõ, ãðóïïîâûõ èëè ðàíåå îñâîåííûõ ìåòîäîâ ïðîèçâîäñòâà;

)        Îáåñïå÷åíèå ñáîðêè èçäåëèÿ áåç ïîäãîíêè, ïîäáîðà èëè äîïîëíèòåëüíîé îáðàáîòêè;

)        Âîçìîæíîñòü íåçàâèñèìîé ïàðàëëåëüíîé ñáîðêè è ìîíòàæà èçäåëèÿ;

)        Îïòèìàëüíûå çàòðàòû íà ñïåöèàëüíóþ òåõíè÷åñêóþ îñíàñòêó;

)        Ìèíèìàëüíûå çàòðàòû âðåìåíè è ñðåäñòâ íà òåõíè÷åñêîå îáñëóæèâàíèå è ðåìîíò ïðè ýêñïëóàòàöèè.

1.  èçäåëèè îòñóòñòâóþò äåôèöèòíûå è äðàãîöåííûå ìàòåðèàëû îãðàíè÷åííîãî ïðèìåíåíèÿ.

. Äåòàëè è êîìïîíåíòû ðàäèîýëåìåíòîâ íîðìàëèçîâàíû è ñòàíäàðòíû.

.  èçäåëèè íå èñïîëüçóþòñÿ çàãîòîâêè, òðåáóþùèå ìèíèìàëüíîé îáðàáîòêè äëÿ ïîëó÷åíèÿ íóæíîé äåòàëè.

. Ìèíèìàëüíîå êîëè÷åñòâî ìàðîê ïðèìåíÿåìûõ â èçäåëèè ðàâíî 7.

. Èçëèøíå âûñîêèå êëàññû òî÷íîñòè è ÷èñòîòû îáðàáîòêè ïîâåðõíîñòè îòñóòñòâóþò.

. Ïðèìåíåíèå ñðåäñòâ ìåõàíèçàöèè è àâòîìàòèçàöèè ñ èñïîëüçîâàíèåì ïðîãðåññèâíûõ ìåòîäîâ ïðîèçâîäñòâà âîçìîæíî.

. Ìàêñèìàëüíîå èñïîëüçîâàíèå òèïîâûõ ãðóïïîâûõ èëè ðàíåå îñâîåííûõ ìåòîäîâ ïðîèçâîäñòâà ðàâíî 4.

. Ñáîðêà èçäåëèÿ íå òðåáóåò ïîäãîíêè,ïîäáîðà èëè äîïîëíèòåëüíîé îáðàáîòêè.

. Íåçàâèñèìàÿ ïàðàëëåëüíàÿ ñáîðêà è ìîíòàæà èçäåëèÿ îòñóòñòâóþò.

. Çàòðàòû íà ñïåöèàëüíóþ òåõíè÷åñêóþ îñíàñòêó îòñóòñòâóþò.

. Ìèíèìàëüíûå çàòðàòû âðåìåíè íà òåõíè÷åñêîå îáñëóæèâàíèå è ðåìîíò ïðè ýêñïëóàòàöèè ðàâíî 2 ìèíóòû.


6. Êîëè÷åñòâåííàÿ îöåíêà òåõíîëîãè÷íîñòè êîíñòðóêöèè

Êîëè÷åñòâåííàÿ îöåíêà òåõíîëîãè÷íîñòè îñóùåñòâëÿåòñÿ ñ ïîìîùüþ ñèñòåìû êîíñòðóêòîðñêèõ è ïðîèçâîäñòâåííûõ ïîêàçàòåëåé, ÷èñëåííûå çíà÷åíèÿ êîòîðûõ õàðàêòåðèçóåò ñòåïåíü óäîâëåòâîðåííîñòè òðåáîâàíèé òåõíîëîãè÷íîñòè êîíñòðóêöèè.

Äëÿ ðàñ÷åòà íåîáõîäèìû ñëåäóþùèå äàííûå â òàáëèöå 6.1

Òàáëèöà 6.1

Îáîçíà÷åíèå

Íàèìåíîâàíèå

×èñëåííîå çíà÷åíèå

nòêì

Êîëè÷åñòâî òèïîðàçìåðîâ êîìïîíåíòîâ è ìèêðîñáîðîê.

8

nêì

Îáùåå êîëè÷åñòâî êîìïîíåíòîâ, ìèêðîñõåì è ìèêðîñáîðîê.

16

nìì

Êîëè÷åñòâî ìàðîê ìàòåðèàëîâ, ïðèìåíÿåìûõ â èçäåëèè.

3

N

Îáùåå êîëè÷åñòâî ÝÐÝ è ìèêðîñáîðîê.

16

nóð

Êîëè÷åñòâî óñòàíîâî÷íûõ ðàçìåðîâ ÝÐÝ, ìèêðîñõåì è êîìïîíåíòîâ.

7

nîð

Êîëè÷åñòâî îðèãèíàëüíûõ (íåñòàíäàðòíûõ) ÝÐÝ è êîíñòðóêòèâíûõ ýëåìåíòîâ.

2

níàèì

×èñëî íàèìåíîâàíèé ìèêðîñõåì, ìèêðîñáîðîê, ÝÐÝ, êîíñòðóêòèâîâ ïî ñïåöèôèêàöèè èçäåëèÿ.

16

εýê

Ïëîùàäü, çàíèìàåìàÿ ýëåìåíòàìè êîìïîíåíòàìè, êîíòàêòíûìè ïëîùàäêàìè è ñîåäèíèòåëüíûìè ïðîâîäíèêàìè â ìì2.

1770

εêï

Ïëîùàäü êîììóòàöèîííîé ïëàòû â ìì2.

2400

nãâ

Êîëè÷åñòâî ìîíòàæíûõ ñîåäèíåíèé, âûïîëíÿåìûõ ñ èñïîëüçîâàíèåì ãèáêèõ âûâîäîâ è ïðîâîëî÷íûõ ïåðåìû÷åê.

6

nìñ

Îáùåå êîëè÷åñòâî ìîíòàæíûõ ñîåäèíåíèé.

32

nâñ

×èñëî âèäîâ ñîåäèíåíèé ñ ó÷åòîì êîíêðåòíîãî ñïîñîáà èõ âûïîëíåíèÿ.

13

nïñ

×èñëî ïàð, ñîåäèíÿåìûõ (ëþáûì âèäîì ñîåäèíåíèé) êîíñòðóêòèâíûõ ýëåìåíòîâ èçäåëèÿ.

14

nîï

Îáùåå ÷èñëî îïåðàöèé.

50

nãì

×èñëî îïåðàöèé òåõíîëîãè÷åñêîãî ïðîöåññà, ïðåäóñìàòðèâàþùèõ èñïîëüçîâàíèå ãðóïïîâûõ ìåòîäîâ îáðàáîòêè.

0

nàì

Êîëè÷åñòâî ìîíòàæíûõ ñîåäèíåíèé, êîòîðûå ìîãóò âûïîëíÿòüñÿ ìåõàíèçèðîâàíû è àâòîìàòèçèðîâàíû.

22

nàê

Êîëè÷åñòâî îïåðàöèé êîíòðîëÿ è íàñòðîéêè, êîòîðûå ìîãóò âûïîëíÿòüñÿ ìåõàíèçèðîâàíî è àâòîìàòèçèðîâàíî.

0

Nê

Îáùåå êîëè÷åñòâî îïåðàöèé êîíòðîëÿ è íàñòðîéêè.

60

nòòï

Êîëè÷åñòâî îïåðàöèé âûïîëíÿåìûõ ïî òèïîâûì òåõíîëîãè÷åñêèì ïðîöåññàì.

40


.1 Ðàñ÷åò êîíñòðóêòîðñêèõ ïîêàçàòåëåé òåõíîëîãè÷íîñòè

. Êîýôôèöèåíò ïîâòîðÿåìîñòè êîìïîíåíòîâ è ìèêðîñáîðîê:

Êïîâ. ìñ = 1 -  = 1 -  = 0,5

. Êîýôôèöèåíò ïîâòîðÿåìîñòè ìàòåðèàëîâ:

Êïîâ. ì = 1 -  = 1 -  = 0,25

. Êîýôôèöèåíò èñïîëüçîâàíèÿ ìèêðîñõåì è ìèêðîñáîðîê:

Êèñï. ìñ = 1 -  = 1 -  = 0,5

. Êîýôôèöèåíò óñòàíîâî÷íûõ ðàçìåðîâ (øàãîâ) ÝÐÝ, êîìïîíåíòîâ è ìèêðîñõåì:

Êóð = 1 -  = 1 -  = 0,53

. Êîýôôèöèåíò ñòàíäàðòèçàöèè êîíñòðóêöèè:

Êñ = 1 -  = 1 -  = 0,875

. Êîýôôèöèåíò èñïîëüçîâàíèÿ ïëîùàäè êîììóòàöèîííîé ïëàòû:

Êèï = 1 -  = 1 -  = 0,263

.2 Ðàñ÷åò ïðîèçâîäñòâåííûõ ïîêàçàòåëåé òåõíîëîãè÷íîñòè

. Êîýôôèöèåíò ïðîñòîòû âûïîëíåíèÿ ìîíòàæíûõ ñîåäèíåíèé:

Êïìñ = 1 -  = 1 -  = 0,812

. Êîýôôèöèåíò îãðàíè÷åíèÿ ÷èñëà âèäîâ ñáîðî÷íî-ìîíòàæíûõ ñîåäèíåíèé:

Êîâñ = 1 -  = 1 -  = 0,72

. Êîýôôèöèåíò èñïîëüçîâàíèÿ ãðóïïîâûõ ìåòîäîâ îáðàáîòêè:

Êèãì =  =  = 0

. Êîýôôèöèåíò àâòîìàòèçàöèè è ìåõàíèçàöèè óñòàíîâêè è ìîíòàæà èçäåëèé:

Êàì =  = 22/32 = 0,688

. Êîýôôèöèåíò àâòîìàòèçàöèè è ìåõàíèçàöèè îïåðàöèé êîíòðîëÿ è íàñòðîéêè ýëåêòðè÷åñêèõ ïàðàìåòðîâ:

Êàê =  =  = 0

. Êîýôôèöèåíò ïðèìåíåíèÿ òèïîâûõ òåõíîëîãè÷åñêèõ ïðîöåññîâ:

Êòòï =  =  = 0,8


7. Êîìïëåêñíàÿ îöåíêà òåõíîëîãè÷íîñòè êîíñòðóêöèè

Êîìïëåêñíàÿ îöåíêà òåõíîëîãè÷íîñòè ïðîèçâîäèòñÿ ïî ïÿòèáàëüíîé ñèñòåìå.

×èñëåííûå çíà÷åíèÿ ÷àñòíûõ ïîêàçàòåëåé òåõíîëîãè÷íîñòè ïåðåâîäÿòñÿ ïðè ýòîì â áàëëüíóþ îöåíêó:

Ái = 4 - ;

ãäå: Êi - ðàñ÷åòíîå çíà÷åíèå ïîêàçàòåëÿ ðàçðàáàòûâàåìîãî èçäåëèÿ;

ÊHi - íîðìàòèâíîå çíà÷åíèå ïîêàçàòåëÿ íà äàííîì óðîâíå ðàçâèòèÿ òåõíèêè è òåõíîëîãèè;

∆Êi - ýêâèâàëåíò îäíîãî áàëëà.

Ïðèìå÷àíèå: çíà÷åíèÿ ÊHi è ∆Êi âçÿòû èç «Ìåòîäè÷åñêèõ óêàçàíèé ê âûïîëíåíèþ òåõíîëîãè÷åñêîé ÷àñòè äèïëîìíîãî ïðîåêòà ïî ðàäèîòåõíè÷åñêèì ñïåöèàëüíîñòÿì» ïîä ðåäàêöèåé Þ.È. Áî÷åíêîâà.

Ïîëó÷åííûå áàëüíûå çíà÷åíèÿ ïîêàçàòåëåé òåõíîëîãè÷íîñòè ñëåäóåò ñðàâíèòü ñ ðåêîìåíäóåìûì çíà÷åíèåì - 4 áàëëà.

Êîíñòðóêòîðñêèå ïîêàçàòåëè:

Áïîâ. ìñ = 4 -  = 4 -  = 1,75

Áïîâ. ì = 4 -  = 4 -  = 2,2

Áèñï. ìñ = 4 -  = 4 -  = 1,5

Áóð = 4 -  = 4 -  = 2,72

Áñ = 4 -  = 4 -  = 3,9

Áèï = 4 -  = 4 -  = 0,63

)   Ïðîèçâîäñòâåííûå ïîêàçàòåëè:

Áïìñ = 4 -  = 4 -  = 3,925

Áîâñ = 4 -  = 4 -  = 2,2

Áèãì = 4 -  = 4 -  = 2,4

Áàì = 4 -  = 4 -  = 3,4

Áàê = 4 -  = 4 -  = 0,15

Áòòï = 4 -  = 4 -  = 3,55

Ðåçóëüòàòû ðàñ÷åòà òåõíîëîãè÷íîñòè êîíñòðóêöèè ðàäèîìèêðîôîíà çàíîñÿòñÿ â òàáëèöó 6.2

Òàáëèöà 6.2


Íàèìåíîâàíèå ïîêàçàòåëÿ

Îáîçíà÷. Êi

Çíà÷åíèå íîðìàòèâí. ïîê-ëÿ ÊÍi

Ýêâèâàëåíò îäíîãî áàëëà, ∆Êi

Ðàñ÷åòí. ÷àñòíûé ïîê-ëü, Êð

Áàëëüíûé ïîê-ëü, Á

Êîíñòðóêòîðñêèå ïîêàçàòåëè òåõíîëîãè÷íîñòè

1.

Êîýôôèöèåíò ïîâòîðÿåìîñòè êîìïîíåíòîâ è ìèêðîñáîðîê

Êïîâ. ìñ

0,95

0,2

0,5

1,75

2.

Êîýôôèöèåíò ïîâòîðÿåìîñòè ìàòåðèàëîâ

Êïîâ. ì

0,7

0,25

0,25

2,2

3.

Êîýôôèöèåíò èñïîëüçîâàíèÿ ìèêðîñõåì è ìèêðîñáîðîê

Êèñï. ìñ

0,8

0,12

0,5

1,5

4.

Êîýôôèöèåíò óñòàíîâî÷íûõ ðàçìåðîâ (øàãîâ) ÝÐÝ,êîìïîíåíòîâ è ìèêðîñõåì

Êóð

0,85

0,25

0,53

2,72

5.

Êîýôôèöèåíò ñòàíäàðòèçàöèè êîíñòðóêöèè

Êñ

0,85

0,25

0,875

3,9

6.

Êîýôôèöèåíò èñïîëüçîâàíèÿ ïëîùàäè êîììóòàöèîííîé ïëàòû

Êèï

0,6

0,1

0,263

0,63

Ïðîèçâîäñòâåííûå ïîêàçàòåëè òåõíîëîãè÷íîñòè

1.

Êîýôôèöèåíò ïðîñòîòû âûïîëíåíèÿ ìîíòàæíûõ ñîåäèíåíèé

Êïìñ

0,6

0,15

0,812

3,925

2.

Êîýôôèöèåíò îãðàíè÷åíèÿ ÷èñëà âèäîâ ñáîðî÷íî-ìîíòàæíûõ ñîåäèíåíèé

Êîâñ

0,9

0,1

0,72

2,2

3.

Êîýôôèöèåíò èñïîëüçîâàíèÿ ãðóïïîâûõ ìåòîäîâ îáðàáîòêè

Êèãì

0,4

0,25

0

2,4

4.

Êîýôôèöèåíò àâòîìàòèçàöèè è ìåõàíèçàöèè óñòàíîâêè è ìîíòàæà èçäåëèé

Êàì

0,87

0,3

0,688

3,4

5.

Êîýôôèöèåíò àâòîìàòèçàöèè è ìåõàíèçàöèè îïåðàöèé êîíòðîëÿ è íàñòðîéêè

Êàê

0,5

0,13

0

0,15

6.

Êîýôôèöèåíò ïðèìåíåíèÿ òèïîâûõ òåõíîëîãè÷åñêèõ ïðîöåññîâ

Êòòï

0,6

0,15

0,8

3,55


Ñðåäíåáàëëüíûé ïîêàçàòåëü òåõíîëîãè÷íîñòè:

Áñð = , ãäå N - êîëè÷åñòâî ïîêàçàòåëåé, ó÷àñòâóþùèõ â îöåíêå.

Áñð =  = 2,8


8. Ðàçðàáîòêà òåõíîëîãè÷åñêîé ñõåìû ñáîðêè

Òåõíîëîãè÷åñêàÿ ñõåìà ñáîðêè ñîñòàâëÿåòñÿ äëÿ âûÿâëåíèÿ âñåãî ñîñòàâà ñáîðî÷íûõ ýëåìåíòîâ, îíà âûÿâëÿåò îòíîñèòåëüíóþ ïîñëåäîâàòåëüíîñòü âûïîëíåíèÿ ñáîðî÷íûõ ðàáîò è äðóãèõ âçàèìîñâÿçàííûõ îïåðàöèé, à òàêæå îòðàæàåò õàðàêòåð âûïîëíÿåìûõ ñáîðî÷íûõ ñîåäèíåíèé. Íà òåõíîëîãè÷åñêîé ñõåìå êàæäûé ýëåìåíò èçäåëèÿ óñëîâíî îáîçíà÷àåòñÿ ïðÿìîóãîëüíèêîì, ðàçäåëåííûì íà òðè ÷àñòè.  ëåâîé ÷àñòè óêàçûâàåòñÿ íîìåð ýëåìåíòà ïî ñïåöèôèêàöèè, â ñðåäíåé - íàèìåíîâàíèå ýëåìåíòà, â ïðàâîé - êîëè÷åñòâî îäíîòèïíûõ ýëåìåíòîâ.


Çàêëþ÷åíèå

.  õîäå ðàáîòû áûëà ïðîâåäåíà òåõíè÷åñêàÿ ðàçðàáîòêà çàäàíèÿ.  ðåçóëüòàòå áûëè îïðåäåëåíû òðåáîâàíèÿ ê òåõíè÷åñêèì õàðàêòåðèñòèêàì áóäóùåãî èçäåëèÿ.

. Áûëà ïðîèçâåäåíà ñõåìîòåõíè÷åñêàÿ îòðàáîòêà êîíñòðóêöèè. Êîíñòðóêòîðñêî-òåõíîëîãè÷åñêèé àíàëèç ýëåìåíòàðíîé áàçû ïîêàçàë, ÷òî òåìïåðàòóðíûé äèàïàçîí ýêñïëóàòàöèè ðàäèîìèêðîôîíà ìèíóñ 10°Ñ äî +55˚Ñ,ëåæèò âíóòðè òåìïåðàòóðíîãî äèàïàçîíà ýêñïëóàòàöèè âñåõ ðàäèîýëåìåíòîâ, âèáðàöèîííûå õàðàêòåðèñòèêè óñòðîéñòâà, òàêæå óäîâëåòâîðÿþò òðåáîâàíèÿì òåõíè÷åñêîãî çàäàíèÿ.

. Áûë ïðîèçâåäåí âûáîð ìàòåðèàëîâ ïî êîìïëåêñíîìó ïîêàçàòåëþ êà÷åñòâà.  êà÷åñòâå ìàòåðèàëà äëÿ êîììóòàöèîííîãî îñíîâàíèÿ áûë âçÿò ôîëüãèðîâàííûé ñòåêëîòåêñòîëèò ìàðêè ÑÔ2-2-35, à êîðïóñ àëþìèíèåâûé.

. Áûë ïðîèçâåäåí ðàñ÷åò ïîêàçàòåëåé òåïëîâîãî ðåæèìà. Ñðåäíåïîâåðõíîñòíàÿ òåìïåðàòóðà êîðïóñà ñîñòàâëÿåò tê = 55,053˚C, à ñðåäíåïîâåðõíîñòíàÿ òåìïåðàòóðà íàãðåòîé çîíû ðàâíà t í.ç = 55,113˚C

. Áûë ïðîèçâåäåí ðàñ÷åò âèáðîïðî÷íîñòè êîíñòðóêöèè. Êîíñòðóêöèÿ ÿâëÿåòñÿ âèáðîïðî÷íîé

×àñòîòà ñâîáîäíûõ êîëåáàíèé ñîñòàâëÿåò f0 = 833Ãö. Äîïóñòèìûå çíà÷åíèÿ âèáðîïåðåãðóçêè ïðåâûøàþò çíà÷åíèÿ ïî ÒÇ.


Ëèòåðàòóðà

1. Æóðíàë «Ðàäèî» - íà÷èíàþùèì, ñòð. 54-55, ¹1, 2012 ã;

. Ãîíîðîâñêèé È.Ñ. Ðàäèîòåõíè÷åñêèå öåïè è ñèãíàëû: ó÷åáíèê äëÿ ÂÓÇîâ;

. Áîðèñîâ, À. Íàçàðîâ - Ó÷åáíîå ïîñîáèå ïî êóðñîâîìó è äèïëîìíîìó ïðîåêòèðîâàíèþ 2014 ã.

. «Ìåòîäè÷åñêèå óêàçàíèÿ ê âûïîëíåíèþ òåõíîëîãè÷åñêîé ÷àñòè äèïëîìíîãî ïðîåêòà ïî ðàäèîòåõíè÷åñêèì ñïåöèàëüíîñòÿì», ïîä ðåäàêöèåé Þ.È. Áî÷åíêîâà - ÌÀÈ, 2011 ã.

Ðàçìåùåíî íà Allbest.ru

Похожие работы на - Разработка конструкции и технологии изготовления радиомикрофона

 

Не нашли материал для своей работы?
Поможем написать уникальную работу
Без плагиата!
Без нейросетей!