Проектирование детектора природного газа
Министерство образования и науки
Российской Федерации
Федеральное государственное бюджетное
образовательное учреждение высшего профессионального образования
Оренбургский государственный
университет
Электроэнергетический факультет
Кафедра промышленной электроники и
информационно-измерительной техники
ДИПЛОМНЫЙ ПРОЕКТ
Тема:
Проектирование детектора природного
газа
Оренбург 2015
Содержание
Введение
1. Анализ
технического задания, рассмотрение аналогов
. Разработка
функциональной схемы и технические решения
.1
Функциональная схема взаимодействия
.2 Разработка
основных функциональных узлов
2.3
Обоснование выбора типа микропроцессорной системы
. Реализация
основных узлов
.1 Узел
управления и обработки
.1.1 Расчёт
частоты синхроимпульсов МК
.1.2 Расчёт
световой индикации
.1.3 Цепь
питания
.2 Узел
интерфейса RS-232
.3 Узел
преобразователя уровней напряжения TTL/LVTTL
.4 Разработка
конструкции
.
Безопасность труда
.1 Анализ
вредных производственных факторов и обеспечение безопасных условий труда
.1.1
Производственная пыль и ее влияние на человека
.1.2
Электробезопасность
4.1.3. Шум и вибрация
4.1.4
Эргономика рабочего места
.1.5
Производственное освещение
.2 Инженерный
расчет производственного освещения
.2.1 Расчет
естественного освещения
.2.2 Расчет
искусственного освещения
4.3 Возможные
чрезвычайные ситуации
4.3.1 Расчет
времени эвакуации сотрудников лаборатории при пожаре
.3.2
Моделирование ЧС в зоне 3 километров от лаборатории
.3.3 Оценка
химической обстановки на объекте в результате аварийного разлива 25 т хлора на
расстоянии 1.2 км
Заключение
Список
использованных источников
Приложения
Введение
Детектор - это устройство, предназначенное для обнаружения в потоке
газа-носителя анализируемых веществ по какому-либо физико-химическому свойству.
Отклик осуществляется за счет преобразования свойств в электрический сигнал.
Детекторы подразделяются на интегральные и дифференциальные. Интегральный
детектор регистрирует изменение во времени суммарного количества выходящих из
колонки компонентов.
Хроматограмма представляет собой ряд ступеней. Из-за низкой
чувствительности, большой инертности и недостаточной универсальности эти
детекторы имеют ограниченное применение. Все серийно выпускаемые
газохроматографические детекторы являются дифференциальными. Сигнал таких
детекторов пропорционален мгновенному изменению значения какого-либо свойства
газового потока, а его аналоговая запись имеет вид пика.
Хроматограмма, полученная с таким детектором, представляет ряд пиков,
причем количество каждого компонента пропорционально площади соответствующего
пика.
В процессе детектирования химическая природа молекулы анализируемого
вещества может изменяться или нет. Если природа молекулы изменяется (процесс
разрушения молекулы), то она может быть зарегистрирована лишь однократно. Если
же природа молекулы не изменяется, то такая молекула может быть
зарегистрирована детектором многократно. Детекторы, в которых возможна
многократная регистрация молекул, называются концентрационными, т.к. их сигнал
пропорционален концентрации вещества в газе-носителе. Примером
концентрационного детектора является детектор по теплопроводности (ДТП), в
котором процесс отвода теплоты от чувствительных элементов не разрушает молекул
анализируемых веществ. Детекторы, в которых возможна лишь однократная
регистрация молекул, называются потоковыми, т.к. их сигнал пропорционален
потоку вещества. В качестве типичного примера потокового детектора можно
привести ионизационно-пламенный детектор (ДИП), в котором происходит сгорание
органических веществ.
Исходя из цели анализа и условий его проведения, следует выбирать такой
детектор, характеристики которого соответствуют им в наибольшей степени.
Критерии оценки детекторов общеприняты для всех систем детектирования; к ним
относятся:
чувствительность;
минимально детектируемая концентрация (предел обнаружения);
фоновый сигнал;
уровень шума;
скорость дрейфа нулевой линии;
диапазон линейности детектора;
эффективный объем и время отклика (быстродействие);
селективность.
Чувствительность отражает степень взаимодействия анализируемого вещества
с детектором и определяет величину сигнала, соответствующего содержанию
(концентрации и потоку) вещества в газе-носителе. На практике чувствительность
чаще всего определяют по площади сигнала детектора в зависимости от типа детектора.
Применение микронасадочных и капиллярных колонок требует
высокочувствительные детекторы (например, ДИП), а при работе с насадочными
колонками - средней чувствительности (ДТП, детектор по плотности). Сигнал,
который дает детектор хроматографа, работающего в каком-либо режиме, в
отсутствие анализируемых веществ, называется фоновым. Графическим отражением
фонового сигнала является нулевая линия, регистрируемая самописцем. Фоновый
сигнал - это реакция детектора на состав газового потока, поступающего в детектор.
Фоновый сигнал есть у каждого детектора, однако, нельзя измерить фоновый сигнал
ДТП, т.к. его измерительная схема построена на разностном (компенсационном)
принципе и на выходе детектора регистрируется результат сравнения сигналов двух
линий. Из-за естественной нестабильности параметров хроматографического режима
и воздействия на сигнал детектора различных помех, фоновый сигнал детектора
проявляет различной степени нестабильность, что отражается на качестве нулевой
линии.
Целью данного дипломного проекта является разработка проекта детектора
природного газа.
Для достижения поставленной цели были решены следующие задачи:
- проведён анализ технического задания, рассмотрены аналоги;
разработана функциональная схема и технические решения;
разработано программное обеспечение для данного проекта;
приведено технико-экономическое обоснование проекта;
рассмотрены вопросы безопасности труда;
подведены итоги о проделанной работе.
. Анализ технического задания, рассмотрение аналогов
В соответствии с техническим заданием необходимо спроектировать детектор
природного газа.
Данный детектор относится к газовым детекторам с низким
энергопотреблением, в особенности для применений в областях, в которых
существует опасность взрыва газа. Детекторная система для обнаружения или
определения, по меньшей мере, одного конкретного газа в газовой смеси содержит,
по меньшей мере, один первый детектор (DLP), который непрерывно
осуществляет мониторинг газовой смеси для обнаружения изменения в составе
смеси. Детекторная система также содержит, по меньшей мере, один второй
детектор (DHP), способный определять концентрацию, по меньшей мере,
одного конкретного газа в газовой смеси. При этом второй детектор (DHP)
выполнен с возможностью активации (С), когда первый детектор (DLP)
обнаруживает изменение. Также детекторная система содержит управляющее
устройство (УУ), которое выполнено с возможностью деактивации второго детектора
(DHP), когда сигнал об измерении концентрации представляет собой
концентрацию, по меньшей мере, одного конкретного газа, которая лежит ниже
предварительно заданного значения. Техническим результатом данного проекта
является повышение точности и надежности обнаружения газов, а также без
потребления слишком большого количества энергии.
На нефтедобывающих платформах и на промышленных предприятиях, на которых
работают с углеводородами и обрабатывают их, важно иметь возможность как можно
быстрее обнаружить присутствие горючих газов из-за утечки. Фактически более 50%
утечек газов, повторяющихся на нефтяных платформах, сегодня обнаруживают
вручную. Такое обнаружение носит случайный характер и показывает, что
существует необходимость в установке большего количества газовых детекторов.
Газовые детекторы, используемые на нефтяных платформах, должны удовлетворять
строгим техническим требованиям. Они должны быть чрезвычайно надежными,
чувствительными, получить одобрение EX и должны быть способны существовать в
суровых климатических условиях с течением времени. Существует
высокотехнологичное оборудование, которое может соответствовать требованиям, но
по чрезвычайно высокой цене за один детектор и при значительной стоимости
установки, среди прочего, вызванной тем, что они должны быть соединены с
центральным постом с помощью фиксированной разводки. Это ограничивает площадь
покрытия. Целесообразны более дешевые типы газовых детекторов.
Таким образом, преимуществом является схема расположения беспроводного
типа, в частности, из-за стоимости установки. Затем в то же время интересно
использовать раздельное энергообеспечение для каждого устройства обнаружения,
например питание от батареи. Но в то же время необходимо, чтобы детектор был
включен непрерывно, и традиционные газовые детекторы типично потребляют так
много электричества, что использование батарей становится непрактичным или
невозможным.
В частности газовые детекторы такого типа, который способен выполнять
точное определение концентрации газа определенного типа, например детектор
метана, обладает значительно более высоким энергопотреблением, чем более
«неспецифичный» детектор, который может обнаруживать изменения в газовой смеси,
но не может точно определить, какой газ был добавлен в смесь.
Примерами детекторов неспецифичного типа являются акустические датчики с
электростатической, электромагнитной или пьезоэлектрической активацией. Примерами
детекторов специфического типа являются фотоакустические датчики и другие
инфракрасные датчики, которые могут быть изготовлены, например, специально для
природного газа.
Другими интересующими областями в отношении расположения газового
детектора являются ограниченные пространства внутри колодцев или резервуаров на
суднах и внизу в шахтах, где существует нехватка электрических и информационных
коммуникаций и где не могут быть установлены фиксированные детекторы.
Таким образом, существует необходимость в детекторе, который является
по-настоящему энергосберегающим и который дает хорошие измерения для конкретных
газов, которые считаются опасными в данной области.
Пример существующей области техники раскрыт в европейской заявке на
патент №1316799 A2, где газовый детектор для конкретного газа используют для
наблюдения за вентиляционной системой. По большей части эта публикация
относится к алгоритму вычисления пороговых значений для активации.
Международная патентная заявка WO 00/16091 A1 описывает группу газовых
датчиков для множества конкретных газов, в которой управляющие устройства для
отдельных газовых датчиков выключаются и включаются мультиплексором во
избежание перекрестных помех от сигналов отдельных датчиков. В патентных
заявках US-2004065140 A1, GB-2364807 A, JP-2002109656 A и US-6321588 B1
показаны системы и способы, используемые для наблюдения за изменениями
концентраций газов или утечками газов в труднодоступных местах на промышленных
предприятиях. Они включают в себя, по меньшей мере, один датчик и способы
энергосбережения с помощью датчиков и других компонентов, которые можно
выключить или использовать импульсные батареи.
Эти примеры существующей области техники в данной области не решают
вышеописанных проблем. Настоящее устройство стремится удовлетворить
вышеуказанную потребность в газовых детекторах с низким энергопотреблением и с
разумной ценой.
Чтобы решить вышеуказанные проблемы предоставлена детекторная система для
обнаружения или определения, по меньшей мере, одного конкретного газа в газовой
смеси, в которой специализированность детекторной системы состоит в том, что
она содержит:
по меньшей мере, один первый детектор, который непрерывно следит за
газовой смесью для обнаружения изменения в составе смеси, и
по меньшей мере, один второй детектор со способностью определять
концентрацию, по меньшей мере, одного конкретного газа в газовой смеси, где
второй детектор скомпонован так, чтобы активироваться, когда первый детектор
обнаруживает изменение.
В своем втором аспекте данное устройство осуществляется посредством
способа для обнаружения или определения, по меньшей мере, одного конкретного
газа в газовой смеси, и особые свойства способа состоят в том, что он содержит
следующие стадии:
наблюдение за газовой смесью происходит непрерывно, по меньшей мере, с
помощью одного первого детектора для обнаружения изменения в составе смеси,
по меньшей мере, один второй детектор активируется, когда первый детектор
обнаруживает изменение, и
второй детектор выполняет определение концентрации, по меньшей мере, конкретного
газа в газовой смеси.
На рисунке 1 показана блок-схема принципиального варианта осуществления
детекторной системы.
Рисунок 1 - Блок-схема принципиального варианта осуществления детекторной
системы
На рисунке 1 показана блок-схема первого варианта осуществления
устройства. Основные блоки представляют собой первый газовый детектор DLP
с необходимым оборудованием в виде электроники и датчика и расположенный близко
к DLP второй газовый детектор DHP с соответствующим
необходимым оборудованием.
Для
DLP требуется небольшое энергоснабжение PL от источника
энергии <#"863425.files/image002.jpg">
Рисунок
2 - Конкретный вариант осуществления детекторной системы с отдельным
контроллером
Здесь
«канал» между первым детектором DLP и вторым детектором DHP
введен в форме контроллера УУ2. Этот контроллер УУ2, содержащий микропроцессор
и приемопередающее оборудование, которое выбрано в качестве беспроводного
канала между блоками (например, радиостанция с малым радиусом действия), может
иметь задачу по сортировке входящих сигналов от отдельного первого детектора DLP
для принятия решения о том, какой конкретный газ будет использован для
определения концентрации с помощью всех вторых детекторов DHP или с
помощью отдельных специфических детекторов из этих вторых детекторов DHP.
УУ2, которое предпочтительно может быть расположено на центральном посту,
содержит общую схему расположения каждого отдельного детектора в системе и
может быть перепрограммировано персоналом в соответствии с изменениями,
например, в расположении новых детекторов, изменениями пороговых уровней и т.д.
Предполагается, что все детекторы оснащены приемопередающим оборудованием.
Как
можно видеть на рисунке 1, в простом варианте осуществления данного устройства
с двумя близкорасположенными детекторами DLP и DHP оба
они снабжаются энергией от обыкновенной батареи B. Она является типичной для
источника энергии <#"863425.files/image003.jpg">
Рисунок 3 - Функциональная схема взаимодействия между детекторами в
системе
На рисунке 3 показана схема работы детекторной системы. Неспецифический
детектор с датчиком SLP в левой части фигуры с низким
энергопотреблением в бесконечном цикле наблюдает за газовой смесью, которая
может быть окружающей атмосферой, а также газовой смесью в трубопроводе или
чем-то подобном, и проверяет, остается ли состав смеси постоянным или он
меняется. Возможно, он может наблюдать за уровнем концентрации конкретного
газа, как указано выше. Поскольку состав остается неизменным, детектор будет
продолжать это наблюдение без каких-либо дополнительных действий. Однако если
состав изменился на обнаружимое значение, датчик SHP активируется - Пробуждается
- в детекторе в правой части фигуры, который выполняет специфический анализ при
повышенном энергопотреблении. Если результат этого анализа, например,
показывает, что процентное содержание углеводородов HC в газовой смеси ниже или
равно 2500 мд, это обозначает, что датчик SLP выполнил ложное
измерение, или что обнаруженное изменение в составе газовой смеси связано с
чем-то другим, а не со снижением HC, или, в конечном счете, что имело место
изменение HC, которое не превышает предела, который считается опасным. Правый
детектор изменяет собственное электроснабжение для снижения электропотребления
всей системы. Однако если оценка левого детектора подтверждается посредством
измерения концентраций углеводородов, например, выше чем 2500 мд, то подается
сигнал тревоги.
2.2 Разработка основных функциональных узлов
Так как в микроконтроллере мы используем модуль USB, то для стабильной работы модуля необходим
конденсатор С3 номиналом 470 пФ. Резистор R1 номиналом 1 кОм обеспечивает включение микроконтроллера.
Узел микроконтроллера изображен на рисунке 4.
Рисунок 4 - Схема узла микроконтроллера
Питание микроконтроллера осуществляется от стабилизированного источника
питания с напряжением 5 В. Плюс подводится к выводу 20 (VDD), а минус к выводам 8, 19 (VSS). Это же напряжения будет задано в
качестве опорного напряжения UОПОР для встроенного аналого-цифрового
преобразователя.
К микроконтроллеру подключены: разъем X2 для внутрисхемного программирования и разъем X3, который будет подключаться к USB порту компьютера, для передачи
данных.
Уровень сигнала с выхода датчиков нагрузки и перемещения очень мал и
составляет единицы милливольт. Для того чтобы измерения производились с
требуемой точностью, необходимо чтобы на входе АЦП сигнал достигал уровня до 5
вольт. Для этого необходимо воспользоваться масштабирующим усилителем. Данный
узел построен на основе 2 операционных усилителей (ОУ), который обеспечивает
согласование сигнала, поступающего от датчиков к АЦП.
Требования, предъявляемые к ОУ: низкое напряжение смещения (десятки мкВ);
малый температурный коэффициент напряжения смещения нуля; высокое входное
сопротивление (десятки МОм).
После проведенных сравнений операционных усилителей, были выбраны ОУ OPA177 и OP07, которые являются прецизионными. Их основные параметры
приводятся в таблицах 2.1 и 2.2.
Таблица 2.1
Основные параметры ОУ OPA177
|
Параметр
|
Значение
|
|
Напряжение питания Uпит, В
|
±15
|
|
Потребляемый ток Iпот, мА
|
1,5
|
|
Напряжение смещения Uсм , мкВ
|
25
|
|
Температурный коэффициент
напряжения смещения нуля TKUсм,
мкВ/°С
|
0,3
|
|
Коэффициент ослабления
синфазного сигнала Ku, дБ
|
140
|
|
Входное сопротивление Rвх, МОм
|
45
|
|
Наибольшая амплитуда
выходного сигнала Uвыхmax, В
|
12,5
|
Таблица 2.2
Основные параметры ОУ OP07
|
Параметр
|
Значение
|
|
Напряжение питания Uпит, В
|
±15
|
|
Потребляемый ток Iпот, мА
|
1,5
|
|
Напряжение смещения Uсм , мкВ
|
30
|
|
Температурный коэффициент
напряжения смещения нуля TKUсм,
мкВ/°С
|
0,3
|
|
Коэффициент ослабления
синфазного сигнала Ku, дБ
|
123
|
|
Входное сопротивление Rвх, МОм
|
50
|
|
Наибольшая амплитуда
выходного сигнала Uвыхmax, В
|
12
|
Расположение и назначение выводов операционных усилителей одинаковое и
изображено на рисунке 5.
Рисунок 5 - Расположение выводов ОУ
Зададимся следующими параметрами:
- Коэффициент передачи первого каскада К1 =50;
- Коэффициент передачи второго каскада К2 =9.
Тензодатчики имеют сопротивление 200 Ом, соответственно у резисторов R1 и R2 номинал 200 Ом. Цепь из резисторов R3 и R4
обеспечивает настройку нуля на выходе усилителя при отсутствии воздействия.
Резисторы R5, R6 и R7
необходимы для регулирования напряжения смещения нуля. Номиналы резисторов R5 и R7 равны 5 кОм, резистор R6 подстроечный номиналом 10 кОм, в сумме дающие сопротивление
20 кОм.
Номиналы резисторов R8 - R11 необходимо рассчитать исходя из
коэффициентов передачи.
Коэффициент передачи первого каскада определяется выражением:
Отсюда
определим сопротивление резистора R8:
Ом
Узел стабилизации напряжения обеспечивает стабильное питание
микроконтроллера, операционных усилителей и тензодатчиков. Микроконтроллер
питается напряжением 5В, которое необходимо подавать на Vdd вывод 20. Операционные усилители
питаются от двуполярного напряжения. Плюс 15В подаются на 7-е выводы ОУ, минус
15В подаются на 4-е выводы ОУ.
У стабилизаторов L7805
и L7815 входом является 1 ножка, выходом
3 ножка, а вывод 2 - общий. У стабилизатора L7915 входом является 2 ножка, выходом 3 ножка, а вывод 1 -
общий.
Микросхемы включены по типовой схеме включения представленной на рисунке
6.
Рисунок 6 - Схема включения стабилизатора напряжения
2.3 Обоснование выбора типа микропроцессорной системы
МПС возможно реализовать следующими путями:
- на основе самостоятельного высокопроизводительного микропроцессора (МП),
управляющего внешней оперативной памятью и периферийным интерфейсом USB;
- на основе микроконтроллера (МК), в который указанные блоки
интегрированы, а также может быть интегрирован и АЦП. Таковые МК производятся
[сослаться на .pdf в списке
литературы].
Стоимость МП на сегодняшний день на порядок выше МК с указанным выше
набором устройств. Кроме того, остаются память (стоимость того же порядка) и
интерфейс USB. Поэтому в МПС разрабатываемой
системы целесообразнее применение МК (рисунок 7).
Рисунок 7 - Структурная схема разрабатываемого устройства
Д1, Д2 - тензо-датчики усилия и деформации; МУ1, МУ2 - масштабирующие
усилители; М - мультиплексор; АЦП - аналого-цифровой преобразователь; МК -
микроконтроллер.
Предварительно для АЦП необходимо определить:
. Разрядность.
2. Тип связи с МПС (последовательный или параллелный).
Для
обеспечения требуемой в ТЗ малости погрешности измерений
, суммарная погрешность преобразования АЦП
должна быть в три раза меньше
. В среднем максимальные погрешности АЦП -
дифференциальная нелинейность
,
интегральная нелинейность
и погрешность полной шкалы
- составляют порядка одной единицы младшего значащего
разряда (МЗР). Таким образом, суммарная относительная погрешность
преобразования АЦП с разрядностью N определиться выражением:
. (1)
Так
при N = 10 -
,
при
N = 12 -
.
Таким
образом, двенадцатиразрядный АЦП предпочтительней.
Что
касается АЦП с последовательным интерфейсом связи с МПС - на сегодняшний день
производятся таковые с полным временем преобразования и передачи
. Поэтому вариант АЦП с последовательным интерфейсом
нас может устроить.
Анализируя технические характеристики производимых на сегодняшний день
МК, выбор осуществляли по следующим критериям:
. Наличие внутреннего аппаратного интерфейса USB.
2. Производительность МК должна обеспечивать необходимую скорость
измерения и сохранения в ОЗУ измеренных отсчётов:
,
где
- длительность полного программного цикла измерения и
сохранения в ОЗУ.
.
Количество линий ввода-вывода
. По
предварительному приближению нам требуются следующие линии:
- две линии данных USB;
- две линии синхронизации (к кварцу);
- четыре линии сопряжения с АЦП - линия последовательных
данных, «Пуск», «готовность АЦП» и «синхронизация».
- линия управления мультиплексором М. Итого - 9 линий.
3.
Реализация основных узлов
3.1
Узел управления и обработки
Основным узлом отладчика является блок управления и обработки. Основными
задачами данного узла являются:
¾ обмен данными между ПК и отладчиком;
¾ преобразование команд IDE AVR Studio в команды JTAG;
¾ обмен данными между отладчиком и отлаживаемым устройством.
Для решения данных задач необходимо использовать микроконтроллер (МК)
который имеет в своем составе минимальный набор периферийных устройств, но в то
же время достаточных для выполнения выше указанных операций.
Одним из главных критериев в выборе марки МК является наличие в нём
универсального асинхронного приемопередатчика UART, благодаря которому возможна организация обмена
данных между ПК и отладчиком по интерфейсу RS232, и последовательного периферийного интерфейса SPI, позволяющего организовать обмен
данных между отладчиком и отлаживаемым устройством. Преобразование команд IDE AVR Studio в команды JTAG осуществляется программно. Код программы распространяется бесплатно и
записывается через интерфейс SPI во
внутреннюю память программ МК. Исходя из выше изложенного, наиболее подходящим
для проекта является МК марки ATmega16
/2/. Данный МК является наиболее простым в своём семействе и имеет в своем
составе нужные нам интерфейсы (SPI,UART).
На рисунке 3.1 представлены корпуса МК этого семейства. Как видно из
рисунка, фирма Atmel производит
корпуса в двух исполнениях: форматы PDIP (40 ножек) и TQFP(44 ножки).
Корпус TQFP обладает меньшими габаритами, но
контактные ножки могут располагаться только на одной из сторон печатной платы.
Для проекта нам подойдет корпус PDIP,так
как контактные ножки крепятся одновременно на двух сторонах печатной платы, что
очень удобно при монтаже.
Микроконтроллер производится по технологии высокоплотной энергонезависимой
памяти компании Atmel. Встроенная внутрисистемно программируемая флэш-память
позволяет перепрограммировать память программ непосредственно внутри системы
через последовательный интерфейс SPI с помощью простого программатора или с
помощью автономной программы в загрузочном секторе. Загрузочная программа может
использовать любой интерфейс для загрузки прикладной программы во флэш-память.
Рисунок 3.1- Виды корпусов и расположение выводов ATmega16
Программа в загрузочном секторе продолжает работу в процессе обновления
прикладной секции флэш-памяти, тем самым поддерживая двухоперационность: чтение
во время записи. За счет сочетания 8-разр. RISC ЦПУ с внутрисистемно
самопрограммируемой флэш-памятью в одной микросхеме ATmega16 является мощным
микроконтроллером, позволяющим достичь высокой степени гибкости и эффективной
стоимости при проектировании большинства приложений встроенного
управления.поддерживается полным набором программных и аппаратных средств для
проектирования, в т.ч.: Си-компиляторы, макроассемблеры, программные
отладчики/симуляторы, внутрисистемные эмуляторы и оценочные наборы.
Рассмотрим подробнее МК ATmega16.
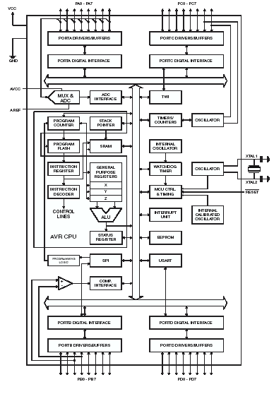
На рисунке 3.2 представлена структурная схема МК ATmega16. На схеме видно, что микросхема имеет 4 порта
общего назначения, микропроцессорную часть, память программ и данных, а также
обширный набор периферийных устройств.
Ниже приведены основные характеристики данного МК:
¾ 8-разрядный высокопроизводительный AVR микроконтроллер с
малым потреблением;
¾ прогрессивная RISC архитектура;
¾ 130 высокопроизводительных команд, большинство команд
выполняется за один тактовый цикл;
¾ 32 8-разрядных рабочих регистра общего назначения;
¾ полностью статическая работа;
¾ 8-канальный 10-разрядный аналого-цифровой преобразователь;
¾ 8 несимметричных каналов;
¾ 7 дифференциальных каналов (только в корпусе TQFP);
¾ 2 дифференциальных канала с программируемым усилением в 1, 10
или 200 крат (только в корпусе TQFP);
¾ байт-ориентированный 2-проводный последовательный интерфейс;
¾ программируемый последовательный USART;
¾ специальные микроконтроллерные функции;
¾ сброс по подаче питания и программируемый детектор
кратковременного снижения напряжения питания;
¾ встроенный калиброванный RC-генератор;
¾ внутренние и внешние источники прерываний;
¾ шесть режимов пониженного потребления: Idle, Power-save,
Power-down, Standby, Extended Standby и снижения шумов ADC;
¾ выводы I/O и корпуса;
¾ 32 программируемые линии ввода/вывода;
¾ 40-выводной корпус PDIP и 44-выводной корпус TQFP;
¾ рабочее напряжение 4,5 - 5,5 В;
¾ рабочая частота 0 - 8 МГц .
3.1.1 Расчёт частоты синхроимпульсов МК
Для работы МК необходимо рассчитать тактовую частоту, с которой он будет
нормально функционировать. МК может тактироваться как встроенным RC-генератора, так и внешним.
Остановимся на последнем, так как внешние кварцевые резонаторы обладают высокой
временной точностью.
Изучив документацию фирменного внутрисхемного отладчика AVR JTAGICE /3/, было найдено, что устройство согласовано с
персональным компьютером по скорости обмена данных - 115200 бит/сек. В
документации МК ATmega16 указана
расчётная формула для выбора внешней частоты синхронизации. Вычислим частоту
кварцевого генератора:
; (1)
Гц,
где
BAUD - скорость обмена данными по UART;
UBRR - регистр
скорости передачи UART
Значение UBRR берётся из
таблицы 3.1. Интерфейс UART
имеет 2 типа скорости обмена в асинхронном режиме - это нормальный режим и
режим двойной скорости (за это отвечает бит U2X регистра UCSRA). Множитель «16» в формуле (1)
берётся исходя из того, что был выбран нормальный режим работы UART.
Рисунок 3.2- Структурная схема МК ATmega16
Как видно из таблицы 3.1, при скорости обмена данных 115200 бит/сек можно
выбрать 3 типа частоты кварцевого генератора- 3.6864 МГц, 4 МГц и 7.3728 МГц.
Выбор производился по следующим критериям -то максимальное быстродействие и
минимальная погрешность работы МК. Наиболее всего подходит частота 7.3728 МГц,
так как с этой частотой МК будет работать с нулевой ошибкой и с максимальным
быстродействием.
На рисунке 3.3 показана схема включения кварца. Конденсаторы С1 и С2
увеличивают стабильность работы кварцевого генератора, но при этом несколько
увеличивают время его запуска. Номиналы емкостей конденсаторов в схеме
определяются производителем микроконтроллера для конкретной резонансной частоты
кварца. Для данной схемы они равны C1=С2=12÷22 пФ.
Таблица 3.1
Соотношение частоты кварца и скорости обмена данных
Таким образом, для обеспечения нормального функционирования нашего
отладчика, выбираем кварцевый генератор с частотой 7.3728 МГц.
Рисунок 3.3- Схема включения кварцевого генератора
3.1.2 Расчёт световой индикации
В фирменном отладчике присутствует световая индикация, выполненная на
светодиодах. Их роль заключается, во-первых - наглядно показать пользователю о
наличии питания отладчика, во-вторых - сигнализировать процесс обмена данных
между персональным компьютером (ПК) и отлаживаемым устройством.
Заранее условимся о том, что зелёный светодиод (HL2) будет являться индикатором напряжения питания отладчика, а
желтый цвет (HL1) будет являться индикатором о
процессе обмена данных.
Произведём расчет номиналов резисторов, которые ограничивают ток
светодиодов.
Для проекта были выбраны светодиоды марки L-483 с характеристиками:
¾ Максимальное прямое напряжение Umax = 2.5 В;
¾ Максимальный прямой ток Imax=30 мВ;
¾ Максимальное обратное напряжение Umaxr = 5 В.
Примем рабочее прямое напряжение диода Uд = 2 В, рабочий прямой ток Iд=10 мА, напряжения питания Uп=+5 В, тогда сопротивление резистора рассчитывается по
следующей формуле:
, (2)
Ом
Подключение
светодиодов производится следующим образом. Анод красного светодиодов
соединяется через ограничительный резистор непосредственно к цепи питания +5В,
катод соединен с землёй. Анализируя дизассемблированную прошивку для МК, было
установлено, что жёлтый светодиод должен соединяться с МК через четвёртый вывод
микросхемы (PB3- третий бит порта B).
Окончательная
схема включения индикации показана на рисунке 3.4
Рисунок
3.4 - Схема включения светодиодных индикаторов
3.1.3
Цепь питания
На
рисунке 3.5 указана стандартная схема включения цепи питания МК ATmega16.
Вся информация была взята из официальной документации данного типа МК.
Конденсаторы С6-С9 образуют фильтр, предохраняющие МК от помех в сети и бросков
тока. К выводу 10 подводится стабилизированное напряжение в 5 Вольт, к выводу
11 - общая земля.
Производитель
МК рекомендует также заземлить контакты 23-25 через резисторы R9-R11,
а вывод 22 запитать через резистор R8 напряжением в 5 В. Делается
это из-за не использования интерфейсов JTAG и TWI.
Схема рекомендованных включений показана на рисунке 3.6.
Рисунок
3.5 - Схема цепи питания МК ATmega16
Рисунок 3.6 - Схема включения не задействованных интерфейсов JTAG и TWI
.2 Узел интерфейса RS-232
Для реализации интерфейса RS-232 /4/ необходимо обеспечить преобразование
логических уровней ТТЛ в уровни ±12 В, принятые в данном интерфейсе. Были
рассмотрены следующие варианты:
преобразователи уровней напряжения на дискретных элементах (требуют
дополнительного питания ±12 В);
преобразователи уровней с оптронной развязкой;
преобразователи уровней на специализированных микросхемах.
Было принято решение выбрать последний вариант и применить микросхему
фирмы MAXIM МAX232ACPE /5/ включенную по стандартной схеме включения
(рисунок 3.7). Микросхема MAX232ACPE представляет собой 2-ух канальный
приёмо-передатчик, который преобразовывает уровни TTL в формат RS232
Сформированная принципиальная схема узла интерфейса RS-232 приведена на
рисунке 3.8. Конденсаторы C2-С5 установлены в соответствии со стандартной
схемой включения и имеют емкость 0,1 мкФ. Выводы 10 и 12 соединяются с выводами
14 и 15 микроконтроллера.
Рисунок 3.7 - Структура MAX232ACPE
Рисунок 3.8 - Схема узла интерфейса RS-232
микропроцессорный преобразователь синхроимпульс индикатор
3.3 Узел преобразователя уровней напряжения TTL/LVTTL
Узел преобразователя уровней напряжений нужен для того, чтобы отладка
могла выполняться при напряжении питания отлаживаемого устройства в пределах от
1.8 до 5.5В. Сделано это для удобства, например при отладке вне лабораторных
условиях. Упоминание об этом элементе указывается в документации по JTAGICE.
Данный преобразователь можно собрать двумя способами:
¾ преобразователь уровней напряжения на полевых транзисторах;
¾ преобразователь уровней на специализированных микросхемах.
Было принято решение использовать специализированную микросхему марки 74LVT245B /6/ в корпусе DIP20,
с напряжением питания 3.3В. Его функция является преобразования уровней TTL в уровни LVTTL На рисунке 3.9 представлена электрическая схема
преобразователя уровней. Как видно из рисунка выводы 2-6 и 14-18
зарезервированы под линии JTAG
интерфейса, на ножку 1(DIR)
подается 3.3В (задаётся направление данных), выводы 7-9 и 11-13 не используем,
поэтому первые нужно заземлить, а вторые оставить в «подвешенном» состоянии.
Конденсатор С14 рекомендован производителем микросхемы 74LVT245B для защиты от бросков тока в цепи питания, резисторы R15,R20-R23
взяты из официальной документации по JTAGICE и выбираются номиналом в 47Ом, резисторы R16-R19 и R24
являются подтягивающими.
.4 Разработка конструкции
Печатная плата устройства сбора информации разработана в среде САПР P-CAD 2002. Разработка включала следующие основные этапы:
– анализ принципиальной схемы;
– создание библиотек графических обозначений и посадочных мест
используемых электрорадиоэлементов посредством программ Symbol и Pattern Editor соответственно;
– упаковка выводов конструктивных элементов с помощью
администратора библиотек Library Executive;
– формирование и редактирование принципиальной схемы с помощью
графического редактора электрических схем Schematic;
– проверка созданной схемы на наличие синтаксических ошибок
утилитой ERC;
– размещение конструктивных элементов с помощью редактора PCB;
– трассировка проводников печатной платы также с помощью PCB.
Рисунок 3.9 - Схема проектируемого детектора природного газа
Для получения более оптимального варианта размещение элементов
выполнялось в ручном режиме. Критериями оценки результата при этом служили
длина и плотность электрических связей.
Трассировка печатных проводников также выполнялась в ручном режиме в
соответствии с ГОСТ 23751-86; был выбран второй класс точности. При этом
учитывалась длина и толщина создаваемых проводников, количество изломов,
переходных отверстий, а также величина зазоров между соседними элементами всего
печатного рисунка. Трассировка выполнена в двух слоях с шагом 2.5 мм. При
разработке платы разнесены цепи питания и аналоговая земля.
4. Безопасность труда
.1 Анализ вредных производственных факторов и обеспечение
безопасных условий труда
Государственный стандарт 12.0.002-80 «ССБТ. Термины и
определения» определяет условия труда как совокупность факторов
производственной среды, оказывающих влияние на здоровье и работоспособность
человека в процессе труда. Настоящий стандарт устанавливает применяемые в
науке, технике и производстве термины и определения основных понятий в области
безопасности труда.
Термины, устанавливаемые данным стандартом,
обязательны для применения в документации всех видов: научно-технической,
учебной и справочной литературе. Согласно стандарта, безопасные условия труда -
это состояние условий труда, при которых воздействие на работающего опасных и
вредных производственных факторов исключено или воздействие вредных производственных
факторов не превышает предельно допустимых значений.
Опасный фактор - производственный фактор, воздействие которого на
работающего, в определенных условиях, приводит к травме или внезапному резкому
ухудшению состояния здоровья. Если же производственный фактор приводит к
заболеванию или снижению работоспособности, то его считают вредным (по ГОСТ
12.0.002-80).
ГОСТ 12.0.003-74(1999) «Система стандартов безопасности труда. Опасные и
вредные производственные факторы. Классификация» распространяется на опасные и
вредные производственные факторы, устанавливает их классификацию и содержит
особенности разработки стандартов ССБТ на требования и нормы по видам опасных и
вредных производственных факторов.
Опасные и вредные производственные факторы подразделяются по природе
действия на следующие группы:
физические;
химические;
биологические;
психофизологические.
Физические опасные и вредные производственные факторы, в свою очередь,
подразделяются на:
повышенная запыленность и загазованность воздуха рабочей зоны;
повышенная или пониженная температура поверхностей оборудования,
материалов;
повышенная или пониженная температура воздуха рабочей зоны;
повышенный уровень шума на рабочем месте;
повышенный уровень вибрации;
повышенная или пониженная влажность воздуха;
повышенный уровень электромагнитных излучений;
отсутствие или недостаток естественного света;
недостаточная освещенность рабочей зоны;
повышенная яркость света;
пониженная контрастность;
расположение рабочего места на значительной высоте относительно поверхности
земли (пола) и т.д.
Химические опасные и вредные производственные факторы подразделяются:
по характеру воздействия на организм человека:
токсические;
раздражающие;
сенсибилизирующие;
канцерогенные;
мутагенные и т.д.
Биологические опасные и вредные производственные факторы включают
следующие биологические объекты:
патогенные микроорганизмы (бактерии, вирусы, риккетсии, спирохеты, грибы,
простейшие) и продукты их жизнедеятельности.
Психофизиологические опасные и вредные производственные факторы по
характеру действия подразделяются на следующие:
физические перегрузки;
нервно-психические перегрузки.
Однако, в нашем случае, биологические опасные и вредные производственные
факторы в лаборатории отсутствуют.
Исследование и анализ условий труда был проведен на основе сравнения
фактических условий с нормированными в соответствии с санитарными правилами и
нормами (СанПиН 2.2.2/2.4.1340-03) по следующим параметрам:
- требования к персональным электронно-вычислительным машинам (ПЭВМ);
требования к помещениям для эксплуатации ПЭВМ;
требования к микроклимату, содержанию химических веществ в воздухе;
требования к шуму и вибрации;
требования к освещению помещений и рабочих мест;
требования к организации и оборудованию рабочих мест (эргономика);
требования к организации режима труда и отдыха.
4.1.1 Производственная пыль и ее влияние на человека
Производственная пыль является одним из широко распространенных
неблагоприятных факторов, оказывающих негативное влияние на здоровье
работающих. Производственной пылью называют взвешенные в воздухе, медленно
оседающие твердые частицы размерами от нескольких десятков до долей микрона.
Многие виды производственной пыли представляют собой аэрозоль. Согласно
классификации по ГОСТ 12.0.003-74 все виды производственной пыли подразделяются
на:
органические;
неорганические;
смешанные.
По размеру частиц (дисперсности) различают:
видимую пыль размером более 10 мкм,
микроскопическую - от 0,25 до 10 мкм,
ультрамикроскопическую - менее 0,25 мкм.
Неблагоприятное воздействие пыли на организм может быть причиной
возникновения заболеваний. Обычно различают специфические (пневмокониозы,
аллергические болезни) и неспецифические (хронические заболевания органов
дыхания, заболевания глаз и кожи) пылевые поражения.
Производственная пыль может оказывать вредное влияние и на верхние
дыхательные пути. Установлено, что в результате многолетней работы в условиях
значительного запыления воздуха происходит постепенное истончение слизистой
оболочки носа и задней стенки глотки. При очень высоких концентрациях пыли отмечается
выраженная атрофия носовых раковин, особенно нижних, а также сухость и атрофия
слизистой оболочки верхних дыхательных путей. Действие пыли на глаза также
вызывает возникновение конъюнктивитов. Понижение чувствительности роговицы
обусловливает позднюю обращаемость рабочих по поводу попадания в глаз мелких
осколков металла и других инородных тел.
Меры профилактики пылевых заболеваний это эффективная профилактика
профессиональных пылевых болезней предполагает гигиеническое нормирование,
технологические мероприятия, санитарно-гигиенические мероприятия,
индивидуальные средства защиты и лечебно-профилактические мероприятия.
Основой проведения мероприятий по борьбе с производственной пылью
является гигиеническое нормирование. Соблюдение установленных ГОСТом
12.1.005-88 ССБТ. Общие санитарно-гигиенические требования к воздуху рабочей
зоны предельно допустимых концентраций (ПДК) - основное требование при
проведении предупредительного и текущего санитарного надзора. Систематический
контроль за состоянием уровня запыленности осуществляют лаборатории центров
санэпиднадзора, заводские санитарно-химические лаборатории. На администрацию
предприятий возложена ответственность за поддержание условий, препятствующих
превышению ПДК пыли в воздушной среде.
Электробезопасность - система организационных мероприятий и технических
средств, предотвращающих вредное и опасное воздействие на работающих
электрического тока и электрической дуги. Электробезопасность включает в себя
правовые, социально-экономические, организационно-технические,
санитарно-гигиенические, лечебно-профилактические, реабилитационные и иные
мероприятия. Правила электробезопасности регламентируются правовыми и
техническими документами, нормативно-технической базой. Знание основ электробезопасности
обязательно для персонала, обслуживающего электроустановки и
электрооборудование.
Положения, которые определяют общие понятия и регулируют систему
мероприятий, отражены в ГОСТ 12.1.019-79 «Электробезопасность. Общие требования
и номенклатура видов защиты». Настоящий стандарт распространяется на
электроустановки производственного и бытового назначения на стадиях
проектирования, изготовления, монтажа, наладки, испытаний и эксплуатации и
устанавливает общие требования по предотвращению опасного и вредного
воздействия на людей электрического тока, электрической дуги и
электромагнитного поля, а также номенклатуру видов защиты работающих от
воздействия указанных факторов.
Опасное и вредное воздействия на людей электрического тока, электрической
дуги и электромагнитных полей проявляются в виде электротравм и
профессиональных заболеваний. Степень опасного и вредного воздействия на
человека электрического тока, электрической дуги и электромагнитных полей
зависит от:
- рода и величины напряжения и тока;
частоты электрического тока;
пути тока через тело человека;
продолжительности воздействия электрического тока или
электромагнитного поля на организм человека;
условий внешней среды.
Требования электробезопасности при воздействии
электрических полей промышленной частоты по ГОСТ 12.1.002-84, при воздействии
электромагнитных полей радиочастот по ГОСТ 12.1.006-84. Электробезопасность
должна обеспечиваться:
конструкцией электроустановок;
техническими способами и средствами защиты;
организационными и техническими мероприятиями.
Электроустановки и их части должны быть выполнены
таким образом, чтобы работающие не подвергались опасным и вредным воздействиям
электрического тока и электромагнитных полей, и соответствовать требованиям
электробезопасности. Для обеспечения защиты от поражения электрическим током
при прикосновении к металлическим нетоковедущим частям, которые могут оказаться
под напряжением в результате повреждения изоляции, применяют следующие способы:
защитное заземление;
зануление;
выравнивание потенциала;
система защитных проводов;
защитное отключение;
изоляцию нетоковедущих частей;
электрическое разделение сети;
малое напряжение;
контроль изоляции;
компенсация токов замыкания на землю;
средства индивидуальной защиты.
Технические способы и средства применяют раздельно или в сочетании друг с
другом так, чтобы обеспечивалась оптимальная защита. Питание лабораторного
оборудования производится от сети напряжения 220 В. Электропитание и заземление
выполнены по правилам ПУЭ.
4.1.3 Шум и вибрация
Шум - сочетание различных по частоте и силе звуков. Длительное
воздействие интенсивного шума (выше 80 дБ (А*)) на слух человека приводит к его
частичной или полной потере. Также, шум воздействует на внутренние органы
человека, приводя к значительным изменениям в функциональном состоянии
организма, влияет на психическое состояние чела, вызывая чувство беспокойства и
раздражения. При импульсных и нерегулярных шумах степень воздействия шума
повышается.
Основные нормативные документы, регулирующие основные положения:
ГОСТ
12.1.003-83 ССБТ
<#"863425.files/image038.gif"> (4.1)
где: е - нормированное значение коэффициента
естественной освещенности;
т - коэффициент светового климата.
ен =1.5*0.9=1.35.
При определении достаточности естественного освещения
на стадии проектирования производственного помещения для правильной расстановки
оборудования и размещения рабочих мест необходимо рассчитать площадь остекления
световых проемов.
При боковом освещении помещений расчет площади
световых проемов ведется по формуле:
(4.2)
где:
- площадь световых проемов;
Sn -
площадь пола помещения, м2;
ен
- нормированное значение коэффициента естественной освещенности, %;
Кз
- коэффициент запаса;
-
световая характеристика окон;
Кзд
- коэффициент, учитывающий затенение окон противостоящими зданиями;
- общий
коэффициент светопропускания;
-
коэффициент, учитывающий влияние отраженного света.

Вывод:
Расчетная площадь световых проемов составляет 25,2
, а фактическая площадь 10.5
, что говорит о недостаточности естественного
освещения. Отсюда следует, что придется использовать искусственное освещение.
4.2.2
Расчет искусственного освещения
Освещенность
на поверхности стола в зоне размещения рабочего документа должна быть 300-500
лк. В качестве источников света при искусственном освещении в лаборатории
использованы люминесцентные лампы типа ЛБ-65. Световой поток от одной такой
лампы равен 4550 лм.
Освещение
на рабочем месте должно быть таким, чтобы человек мог без напряжения зрения
выполнять свою работу. Утомляемость органов зрения зависит от ряда причин:
недостаточность
освещенности;
чрезмерная
освещенность;
неправильное
направление света.
Иногда,
процесс работы осуществляется в таких условиях, когда естественное освещение
недостаточно или отсутствует. Исходя из этого, рассчитаем параметры
искусственного освещения.
Искусственное
освещение выполняется посредством электрических источников света двух видов:
ламп накаливания и люминесцентных ламп. Как уже было отмечено, в аудитории
используются люминесцентные лампы, которые по сравнению с лампами накаливания
имеют существенные преимущества:
по
спектральному составу света они близки к дневному, естественному освещению;
обладают
более высоким КПД (в 1,5-2 раза выше, чем КПД ламп накаливания);
обладают
повышенной светоотдачей (в 3-4 раза выше, чем у ламп накаливания);
имеют
более длительный срок службы.
Рассчитаем,
каким должен быть световой поток от одной лампы в аудитории, и сравним со
значением светового потока для лампы ЛБ-65, которая применяется в аудитории.
Расчет
освещения производится для комнаты площадью 70 м2, ширина которой 7
м, длина 10 м, высота - 4 м и высотой рабочей поверхности - 0,75 м. Число
светильников в комнате равно 12, а в каждом светильнике по две лампы.
Воспользуемся
методом коэффициента использования светового потока, учитывающим световой
поток, отраженный от потолка и стен. Световой поток лампы рассчитывается по
формуле:
, (4.3)
откуда:
, (4.4)
где
Ф - рассчитываемый световой поток, лм;
ЕН
- нормированная минимальная освещенность, лк;- площадь освещаемого
помещения, м2;
z - коэффициент
неравномерности освещения;
kЗ - коэффициент запаса, учитывающий уменьшение светового
потока лампы в результате загрязнения светильников в процессе эксплуатации;
N - число
светильников, шт;
n - число ламп в
светильнике, шт;
u- коэффициент
использования светового потока.
Коэффициент
неравномерности z зависит от светораспределения светильников и их
расположения в пространстве. Он учитывает, что в реальных условиях неизбежна
некоторая неравномерность освещения поверхности. При расположении светильников
близком к наилучшему, его можно принять
.
Коэффициент
запаса kЗ учитывает
снижение освещенности из-за загрязнения и старения лампы. Так как будут
использованы люминесцентные лампы в помещениях, при запыленности менее 5 мг/м3,
.
Для
определения коэффициент использования светового потока
находится индекс помещения
и предположительно оцениваются коэффициенты отражения
поверхностей помещения: потолка -
, стен -
, стола -
.
Для
данного помещения
%,
%,
%.
Индекс
помещения находится по формуле:
, (4.5)
где
Нр - высота светильника над расчетной поверхностью, м;
А
- ширина помещения, м;
В
- длина помещения, м.
Подставив
значения, получим:
Зная
индекс помещения
,
и
, по таблице находим
.
Подставим
все значения в формулу для определения освещенности:
(лк).
Вывод:
согласно проведенным расчетам система освещения в лаборатории создает на
рабочих местах освещенность, равную 373 лк, а нормированная минимальная
освещенность составляет 300 лк.
4.3 Возможные чрезвычайные ситуации
В соответствии с ГОСТ Р 22.0.02-94 приняты следующие определения.
Чрезвычайная ситуация (ЧС) - состояние, при котором в результате
возникновения источника чрезвычайной ситуации на объекте, определенной территории
или акватории нарушаются нормальные условия жизни и деятельности людей,
возникает угроза их жизни и здоровью, наносится ущерб имуществу населения,
народному хозяйству и окружающей природной среде.
Риск возникновения ЧС - вероятность или частота возникновения источника
ЧС, определяемая соответствующими показателями риска.
Источник ЧС - опасное природное явление, авария или опасное техногенное
происшествие, широко распространенная инфекционная болезнь людей,
сельскохозяйственных животных и растений, а также применение современных
средств поражения, в результате чего произошла или может возникнуть ЧС.
Безопасность в ЧС - состояние защищенности населения, объектов народного
хозяйства и окружающей природной среды от опасностей в ЧС.
Защищенность в ЧС - состояние, при котором предотвращают, преодолевают
или предельно снижают негативные последствия возникновения потенциальных
опасностей в ЧС для населения, объектов народного хозяйства и окружающей
природной среды.
Зона ЧС - территория или акватория, на которой в результате возникновения
источника ЧС или распространения его последствий из других районов возникла
зона ЧС.
Причинами возникновения ЧС являются: стихийные бедствия, техногенные
аварии и катастрофы, антропогенные катастрофы, применение средств массового
поражения и т.д.
Наиболее вероятной чрезвычайной ситуацией в лаборатории может быть пожар,
в связи с чем, смоделируем данную ситуацию и рассчитаем время эвакуации.
4.3.1 Расчет времени эвакуации сотрудников лаборатории при
пожаре
Также наиболее вероятной чрезвычайной ситуацией в лаборатории может быть
пожар. Для организаций, оснащенных вычислительной техникой, наиболее частые
причины возникновения пожаров - причины электрического характера:
короткие замыкания, перегрузки, искрения от нарушения изоляции, что
приводит к нагреванию проводников до температуры воспламенения изоляции;
электрическая дуга, возникающая между контактами коммутационных
аппаратов, не предназначенных для отключения больших токов нагрузки;
неудовлетворительные контакты в местах соединения проводов и их сильный
нагрев вследствие большого переходного сопротивления при протекании
электрического тока;
искрение в электрических аппаратах и машинах, а также искрение в
результате электростатических разрядов и ударов молнии;
неисправность (замыкания) в обмотках электрических машин при отсутствии
надлежащей защиты.
В связи с большой пожароопасностью необходимо применять профилактические
меры. Пожарная профилактика при эксплуатации электронных приборов и устройств
заключается в следующих мероприятиях:
поддержания сопротивления изоляции токоведущих частей не ниже величин,
регламентированных правилами техники безопасности;
защите изоляции от теплового, механического и агрессивного воздействия
окружающей среды посредством прокладки проводов в трубах, исключении
повреждения изоляции проводов и кабелей от вибрации, тряски и при движении;
защита открытых токоведущих частей (ограждениями) от попадания на них
посторонних предметов;
устройство механических и электрических блокировок для исключения
ошибочных действий при выполнении оперативных переключений.
Для предотвращения пожаров должны строго соблюдаться правила пожарной
безопасности. Необходимо тщательно проверять состояние контактов, так как
ослабление контактов в местах присоединения может привести к местному нагреву,
а затем к нагреву провода и к нагреву изоляции выше допустимых температур.
Особое внимание следует обращать на временные электропроводки, которые часто
плохо изолируются в местах соединения, подвергаются скручиванию и ударам, что
нарушает изоляцию проводов, и вызывает короткое замыкание. Надежность работы
радиоэлектронных изделий гарантируется только в определенных интервалах
температуры, влажности, тока и напряжения. Из-за возможных отклонений
электрических и климатических параметров эти изделия являются нередко
источниками открытого пламени и высоких температур. Причиной этого является
небрежное исполнение радиотехнических изделий с элементами нарушения правил
пожарной безопасности.
Для ликвидации начинающихся очагов пожара силами персонала помещения
должны быть обеспечены по действующим нормам (НПБ 105-95) первичными средствами
пожаротушения, пожарным ручным инструментом и пожарным инвентарем. Для тушения
электроустановок под напряжением до 1 кВ необходимо применять углекислотные
(ОУ-2, ОУ-5, ОУ-8), углекислотно-бромэтиловые огнетушители (ОУБ-3, ОУБ-7) или
порошковые огнетушители (ОП-3, ОП -5), так как струя не электропроводна.
Необходимо оборудовать помещения охранно-пожарной сигнализацией,
извещающей органы пожарной охраны о пожаре и месте его возникновения -
обеспечивается автоматической (нажатием кнопки) пожарной сигнализацией, а также
при помощи телефонной связи.
В соответствии с требованиями НПБ 105-95 в здании предусмотрена
автоматическая система оповещения людей о пожаре по второму типу. Запуск
средств оповещения должен происходить автоматически при срабатывании любого
пожарного извещателя. Система оповещения людей при пожаре должна быть
рассчитана на круглосуточную работу, и обеспечить оповещение всех одновременно
во всех местах постоянного и временного пребывания людей.
Шлейфы системы оповещения выполнены проводом при открытой параллельной
прокладке, расстояние между проводами шлейфов сигнализации, силовыми и
осветительными приборами - не менее 0,5 м.
Расчетное время эвакуации людей из помещений и зданий устанавливается по
расчету времени движения одного или нескольких людских потоков. Расчет ведется
в соответствии с ГОСТ 12.1.004-91. При расчете путь движения людского потока
делится на участки длинной li и шириной bi. В
таблице 5.1 указано значение скорости людского потока.
Расчетное время эвакуации людей Т, мин определяется по формуле:
(4.6)
где
ti - время движения людского потока на i-м
участке, мин;
n - количество
участков эвакуации.
Плотность
людского потока Di, чел/м2 на i-м участке пути
определяется по формуле:
, (5.7)
где
Ni -
число людей на i-м участке;
f - средняя
площадь горизонтальной проекции человека, м2 (f=0,125
м2);
li -
длина i-го участка, м;
bi -
ширина i-го участка, м.
Время
движения на участке пути ti, мин следует определять по формуле:
ti = li/vi ,
(5.8)
где
vi -
значение скорости движения людского потока на участке в зависимости от Di.
Tаблица 4.1
Значение скорости движения людского потока на участке в зависимости от
плотности потока
|
Плотность потока, D, Горизонтальный путьДверной проемЛестница вниз
|
|
|
|
|
Скорость, v,
м/мин
|
Интенсивность, q,
чел/мин
|
Интенсивность,q,
чел/мин
|
Скорость, v,
м/мин
|
Интенсивность, q,
чел/мин
|
|
0,01
|
100
|
1
|
1
|
100
|
1
|
|
0,05
|
100
|
5
|
5
|
100
|
5
|
|
0,1
|
80
|
8
|
8,7
|
95
|
9,5
|
|
0,2
|
60
|
12
|
13,4
|
68
|
13,6
|
|
0,3
|
47
|
14,1
|
16,5
|
52
|
16,6
|
|
0,4
|
40
|
16
|
18,4
|
40
|
16
|
|
0,8
|
19
|
15,2
|
17,3
|
13
|
10,4
|
|
0,9 и более
|
15
|
13,5
|
8,5
|
8
|
7,2
|
Результаты расчета времени эвакуации людей сведены в таблицу 4.2.
Таблица 4.2
Результаты расчета времени эвакуации людей
|
Участок
|
Длина, li, м
|
Ширина bi, м
|
Число людей, Ni
|
Плотность потока, Di,
Интенсивность, qi, чел/мин
|
Скорость, vi,
м/мин
|
Время, ti,
мин
|
|
|
А
|
10
|
7
|
9
|
0,016
|
1
|
100
|
0,1
|
|
Б
|
3
|
3
|
9
|
0,125
|
8,7
|
80
|
0,0375
|
|
В
|
4
|
6
|
45
|
0,234
|
12
|
60
|
0,067
|
|
Г
|
15
|
6
|
45
|
0,0625
|
5
|
100
|
0,15
|
|
Д
|
24
|
3
|
45
|
0,078
|
9,5
|
95
|
0,25
|
Расчетное время эвакуации людей:
Т = 0,1 + 0,0375 + 0,067 + 0,15 + 0,25 = 0,6045 (мин)
Таким образом, расчетное время эвакуации из помещения составляет 0,6045
мин или 36,27 сек. Время эвакуации по лестничным участкам не должно превышать 5
мин, а время эвакуации из помещения между лестничными клетками 1 мин. Расчетное
время не превышает допустимого.
4.3.2 Моделирование ЧС в зоне 3 километров от лаборатории
Аварийно-химически опасные вещества - это обращающиеся в больших
количествах в промышленности и на транспорте токсические химические вещества,
способные в случае разрушений (аварий) на объектах легко переходить в атмосферу
и вызывать массовые поражения людей.
Последствия химически опасных аварий характеризуются масштабом, степенью
опасности и продолжительностью химического заражения.
Масштаб химического заражения характеризуется:
радиусом и площадью района аварии:
глубиной и площадью зон распространения первичного и вторичного облака
АХОВ:
глубиной и площадью заражения местности АХОВ с опасными плотностями.
Степенью опасности химического заражения характеризуется:
возможным количеством поражений в зоне аварий и в зонах распространения
АХОВ:
временем естественной дегазации местности, техники, оборудования:
времени химического заражения открытых водоисточников.
Очагом химического загрязнения называют территорию, на которой
образовался источник химического загрязнения - участок аварийного разлива АХОВ
или непосредственного применения отравляющих веществ.
Под зоной химического загрязнения понимается территория, в пределах которой
создается опасность химического загрязнения. Эта зона включает в себя очаг
загрязнения и территорию, над которой распространилось облако загрязненного
воздуха с опасными концентрациями АХОВ или ОВ. Внешние границы зоны химического
загрязнения обычно соответствуют пороговому значению токсодозы АХОВ при
ингаляционном воздействии на человека.
Проведем анализ ситуации, а также расчет оценки возможной зоны заражения
с выбросом АХОВ.
В непосредственной близости от предприятия возможна чрезвычайная ситуация
в результате выброса аварийно химически опасного вещества (АХОВ) при аварии
поезда с цистерной, перевозящего 25 тонн хлора.
Хлор - при нормальных условиях, это газ желто-зеленого цвета с резким
запахом, при обычном давлении затвердевает при температуре минус 101 0С,
и сжижается при температуре минус 34 0С. Плотность газообразного
хлора примерно в два с половиной раза больше плотности воздуха, вследствие чего
хлор стелется по земле, скапливается в низинах, подвалах, колодцах, тоннелях,
по берегам рек, озер. Используется он в производстве хлорорганических
соединений, применяется для отбеливания тканей и бумажной массы,
обеззараживания питьевой воды, как дезинфицирующее средство и в других отраслях
промышленности.
Следует помнить, что предельно допустимые концентрации (ПДК) хлора в
атмосферном воздухе следующие:
среднесуточная концентрация вещества в атмосфере населенных мест-0,03
мг/м3;
предельно-допустимая максимальная разовая концентрация вещества в
атмосфере населенных мест - 0,1 мг/м3;
ориентировочный безопасный уровень воздействия веществ в воздухе рабочей
зоны - 1 мг/м3.
Поражение хлором возможно, в основном, через дыхательные пути, в меньшей
степени - вследствие попадания капель на незащищенную кожу и слизистые
оболочки. Оказывает сильное раздражающее действие на слизистую верхних
дыхательных путей. В легких случаях пораженные жалуются на першение в горле,
жжение и чувство стеснения в груди, охриплость голоса, сухой кашель,
затрудненное дыхание, легкая синюшность губ, резь в глазах, слезоточение.
При отравлениях средней тяжести наблюдается выраженная синюшность,
дыхание учащенное, мучительный сухой лающий кашель, в легких сухие и влажные
хрипы.
В тяжелых случаях возможно развитие бронхита, бронхопневмонии; общее
состояние тяжелое, выраженная синюшность, кашель, одышка, повышение
температуры. Наибольшую опасность представляет возможность развитие отека
легких: увеличивается одышка, дыхание клокочущее, отделение слизистой мокроты,
и пенистой жидкости желтовато-розового цвета, учащенное сердцебиение, в легких
большое количество влажных хрипов.
В очень тяжелых условиях отравления может наступить молниеносная смерть в
результате рефлекторной остановки дыхания. Иногда дыхание останавливалось через
5-25 минут после вдыхания газа нередко смерть наступает от химического ожога
легких.
Первая медицинская помощь в очаге поражения, осуществляемая в порядке
само- и взаимопомощи:
промыть глаза водой, лучше 2% раствором питьевой соды;
надеть противогаз или ватно-марлевую повязку, смоченную 2 % раствором
питьевой соды;
обработать пораженные участки кожи мыльным раствором;
немедленно покинуть очаг поражения, лучше транспортными средствами.
4.3.3 Оценка химической обстановки на объекте в результате
аварийного разлива 25 т хлора на расстоянии 1.2 км
Проведем анализ ситуации, а также расчет оценки
возможной зоны заражения с выбросом АХОВ.
Данные для расчета: Время суток: день; состояние
погоды: ясно; скорость ветра: 1 м/с. По рисунку 5.4 находим степень
вертикальной устойчивости воздуха по данным прогноза погоды. Из него видно, что
степенью вертикальной устойчивости атмосферы является конвекция.
Рисунок 4.4 - График зависимости степени вертикальной
устойчивости воздуха по данным прогноза погоды
Определим глубину распространения облака зараженного воздуха
на открытой местности при скорости ветра 1м/с по данным таблицы 5.3. (Г = 78
км).
Рассчитаем глубину распространения облака зараженного
воздуха, (Г) с учетом скорости ветра - умножением на коэффициент из таблицы
5.4.
Таблица 4.3
Глубина распространения облаков зараженного воздуха на
открытой местности, при скорости ветра 1м/с
|
Состояние атмосферы
|
Глубина распространения
(Г). км
|
|
Инверсия
|
103
|
|
Изотермия
|
85
|
|
Конвекция
|
78
|
Таблица 4.4
Поправочные коэффициенты
|
Состояние атмосферы
|
Скорость ветра, м/с
|
|
1
|
2
|
3
|
4
|
5
|
6
|
|
Инверсия
|
1
|
0,6
|
0,45
|
0,38
|
-
|
-
|
|
Изотермия
|
1
|
0,71
|
0,55
|
0,5
|
0,45
|
0,41
|
|
Конвекция
|
1
|
0,7
|
0,62
|
0,55
|
-
|
-
|
Для скорости ветра 1м/с поправочный коэффициента равен
1. Г = 78км.
Определим ширину зоны заражения (Ш), км по соотношению
(4.9)
где
Г - глубина распространения облака зараженного воздуха, км
Рассчитаем
площадь зоны заражения по формуле:
(4.10)
где
S - площадь зоны заражения, км2;
Г
- глубина распространения облака зараженного воздуха, км;
Ш
- ширина распространения облака зараженного воздуха, км.
(4.11)
Для
полной оценки обстановки аварии необходимо знать время (t),
мин, в течение которого облако зараженного воздуха достигнет определенного
населенного пункта и в нем возникнет угроза отравления людей. Это время
определяется делением расстоянием от места аварии до данного населенного пункта
R (в моем случае здания ОГУ - Аппаратный завод) на
среднюю скорость переноса облака воздушным потоком, νср, м/с. Средняя скорость, в свою очередь, зависит от
расстояния, метеорологических условий и скорости ветра, и определяется таблицей
4.5.
Таблица 4
Зависимость средней скорости воздушного потока от
расстояния, метеорологических условий
Расчет времени, за которое зараженное облако достигнет
аппаратного завода
Таким образом, в данном разделе, произведен анализ безопасных условий
труда, произведен расчет производственного освещения, а также выявлены
последствия при возможных чрезвычайных ситуациях.
Список использованных источников
1
Агранович Б.Л.,
Щербанский Л.М. Вопросы оценки разности фаз импульсных радиосигналов в
двухканальных системах // Способы построения и анализ погрешностей
фазометрических устройств: Сб. статей по фазовой радиотехнике. - Томск: Изд-во
Томского ун-та, 1972. С. 10 - 21.
2
Азизов А.М.,
Гордов А.Н. Точность измерительных преобразователей. - Л.: Энергия, 1975.
3
Айзинов М.М.
Анализ и синтез линейных радиотехнических цепей в переходном режиме. - Л.:
Энергия, 1968.- 376 с.: ил.
4
Айзинов М.М.
Избранные вопросы теории сигналов и теории цепей. - М.: Связь, 1971. - 349 с.:
ил.
5
Александров И.А.,
Соболев В.В. Аналитические функции комплексного переменного: Учеб. пособие для
физ. мат. спец. вузов. - М.: Высш. шк., 1984. - 192 с.
6
Алексенко А.Г.,
Коломбет Е.А., Стародуб Г.И. Применение прецизионных аналоговых ИС - М.: Радио
и связь, 1981. - 224 с.: ил.
7
Альтшуллер Г.Б.,
Елфимов Н.Н., Шакулин В.Г. Кварцевые генераторы: Справ. пособие. - М.: Радио и
связь, 1984. - 232 с.: ил.
8
Альтшуллер Г.В.
Управление частотой кварцевых генераторов. 2-е изд., перераб. и доп. - М.:
Связь, 1975. - 304 с.
9
Амплитудно-фазовая
конверсия / Г.М. Крылов, В.З. Прудкин, Е.А. Богатырев и др.; Под ред. Г.М.
Крылова. - М.: Связь, 1979. - 256 с.: ил.
10 Аналоговые и цифровые интегральные
микросхемы: Справочное пособие / С.В. Якубовский, Н.А. Берканов, Л.И.
Ниссельсон и др.; Под ред. С.В. Якубовского. - 2-ое изд., пер ераб. и доп. -
М.: Радио и связь, 1984. - 432 с.
11 Anderson H., Hiscocks.
Switching multiplier is accurate at low frequencies // Electronics. - 1978. -
February 2, Vol. 51, No. 3. - pp. 114 - 117.
12 Андре Анго. Математика для электро- и
радиоинженеров: Пер. с фр. / Под ред. К.С. Шифрина. - М.: Наука, Гл. ред.
физ.-мат. лит., 1967.
13 Апорович А.Ф., Чердынцев В.А.
Радиотехнические системы передачи информации: Учеб. пособие для вузов. - Минск:
Вышэйшая школа, 1985.
14 Арутюнов П.А. Теория и применение
алгоритмических измерений. - М.: Энергоатомиздат, 1990.- 256 с.: ил.
15 Атабеков Г.И. Основы теории цепей.
Учебник для вузов. - М.: Энергия, 1969. - 424 с.: ил.
16 Балякин И.А., Егоров Ю.М., Родзивилов
В.А. Приборы с переносом заряда в радиотехнических устройствах обработки
информации. - М.: Радио и связь, 1987. - 176 с.: ил.
17 Баранов Л.А. Квантование по уровню и
временная дискретизация в цифровых системах управления. - М.: Энергоатомиздат,
1990. - 304 с.: ил.
18 Барсуков Ф.И., Русанов Ю.Б. Элементы
и устройства радиотелеметрических систем. - М.: Энергия, 1973. - 256 с.
19 Белоглазов И.П., Тарасенко В.П.
Корреляционно-экстремальные системы. - М.: Сов. радио, 1974. - 392 с.: ил.
20 Белых В.Н., Мельникова В.А., Пашев
Г.П. Динамика систем АПЧ с частотно-фазовым детектором // Радиотехника и
электроника. - 1983. -Вып. 9. - Т. 26. - С. 1772-1777.
22 Булатов В.Н. Использование свойств
спектров широтно-импульсно-модулированных сигналов для увеличения точности
задания коэффициента модуляции / Оренбургский политехн. ин-т. - Оренбург, 1994.
Деп. в ВИНИТИ 15.04.94. №898-694.
23 Булатов В.Н. Спектрально-временной
метод оценки методической погрешности трансформации фазового спектра в широкополосных
системах // Методы и средства измерений физических величин: Тезисы докладов
Всероссийской научно-технической конференции. - Н. Новгород, 1999. - Ч.5. -
С.17- 18.
24 Булатов В.Н., Охременко А.В. Метод
машинного определения методической погрешности трансформации фазового спектра
на основе перемножителя с релейной характеристикой // Методы и средства
измерений физических величин: Тезисы докладов Всероссийской научно-технической
конференции. - Н. Новгород, 1999. - Ч.6. - С.38.
25 Глинченко А.С., Чмых М.К. Цифровой
фазометр с перекрытием с расширенным диапазоном измеряемых фазовых сдвигов //
Фазоизмерительные системы и устройства: Сб. статей. - Томск: Изд-во Томского
ун-та, 1974. - С. 106 - 111.
26 Гмурман В.Е. Теория вероятностей и
математическая статистика. 5-е изд., перераб. и доп. - М.: Высш. школа, 1977. -
479 с.: ил.
27 Гоноровский И.С. Радиотехнические
цепи и сигналы: Учебник для вузов. - 2-ое изд., перераб. и доп. - М.: Сов.
радио, 1977. - 672 с.: ил.
28 Горлач А.А., М.Я. Минц, В.Н. Чинков. Цифровая
обработка сигналов в измерительной технике. - Киев, 1985. - 151 с.
29 Градштейн И.С., Рыжик И.М. Таблицы
интегралов, сумм, рядов и произведений. - М.: Физматгиз, 1962.
30 Гуткин Л.С. Современная
радиоэлектроника и ее проблемы. - М.: Советское радио, 1968.
31 Гутников В.С. Интегральная
электроника в измерительных устройствах. - 2-е изд., перераб. и доп. - Л.:
Энергоатомиздат, 1988. - 304 с.: ил.
32 Гутников В.С. Фильтрация
измерительных сигналов. - Л.: Энергоатомиздат, 1990. - 192 с.: ил.
33 Епанешников А.М., Епанешников В.А.
Программирование в среде Turbo Pascal 7.0. - 3-е изд., стер. - М.: Диалог-МИФИ,
1996. - 288 с.
34 Заездный А.М., Окунев Ю.Б., Рахович
Л.М. Фазоразностная модуляция для передачи дискретной информации. - М.: Связь,
1967.
35 Заездный А.М. Гармонический синтез в
радиотехнике и электросвязи.- Л.: Энергия, 1971. - 528 с.: ил.
36 Зильбер М.Б. Измерение паразитной
фазовой модуляции в радиолинии // Измерение параметров формы и спектра
радиотехнических сигналов: Тез. докл. 2-й Всесоюз. научно-технической конф. -
Харьков, 1989. - С. 45 - 46.
37 Измерение параметров формы и спектра
радиотехнических сигналов: Сб. научн. тр. ВНИИМ / Под ред. Ю.Ф. Павленко. - Л.:
НПО ВНИИМ, 1988. - 107 с.: ил.
38 Измерители флуктуаций сигналов
диапазона частот 5 - 1070 МГц / П.Е. Бравичев, И.В. Ковальчук, В.Н. Копусов,
В.М. Панковский и др. // Измерение параметров формы и спектра радиотехнических
сигналов: Тез. докл. 2-й Всесоюз. научно-технической конф. - Харьков, 1989. -
С. 191 - 192.
39 Измерения в электронике: Справочник /
В.А. Кузнецов, В.А. Долгов, В.М. Коневских и др.; Под ред. В.А. Кузнецова. -
М.: Энергоатомиздат, 1987. - 512 с.: ил.
40 Измерение сдвига фаз / Гличенко А.С.,
Кузнецкий С.С., Флинштейн А.М., Чмых М.К. - Новосибирск: Наука, 1979. - 288 с.
41 Ильин В.А. Телеуправление и
телеизмерение. 2-е изд., перераб. и доп. - М.: Энергия, 1974. - 408 с.: ил.
42 Карамов З.С., Фомин А.В. Элементы и
узлы аналоговых радиотехнических систем. - М.: Энергия, 1966. - 352 с.: ил.
43 Каратаева Н.А., Штарев Н.Н. Анализ
фазо-амплитудных погрешностей широкополосных преобразователей разности фаз //
Способы построения и анализ погрешностей фазометрических устройств: Сб. статей
по фазовой радиотехнике. - Томск: Изд-во Томского ун-та, 1972. С. 103 - 116.
44 Карташев В.Г. Основы теории
дискретных сигналов и цифровых фильтров: Учебн. пособие для вузов. - М.: Высш.
школа, 1982.
45 Кислюк Л.Д. Анализ дисперсии ошибки
цифровой системы ФАПЧ //Вопросы радиоэлектроники. Сер. Техника радиосвязи.
Вып.6, 1974. -С.65 - 74.
46 Клюев В.И. Частотно-временные
преобразования и прием дискретных сигналов в системах связи. - М.: Радио и
связь, 1990. - 208 с.: ил.
47 Колмогоров А.Н., Фомин С.В. Элементы
теории функций и функционального анализа. - М.: Наука, Гл. ред. физ. мат. лит.,
1987.
48 Корн Г., Корн Т. Справочник по
математике: Пер. с англ. / Под ред. И.Г. Арамановича. - М.: Наука, Гл. ред.
физ.-мат. лит., 1978. - 832 с.: ил.
49 Кочемасов В.Н. Белов Л.А.,
Оконешников В.С. Формирование сигналов с линейной частотной модуляцией. - М.:
Радио и связь, 1983.
50 Кравченко С.А. Аналитический обзор
современных методов воспроизведения сдвига фаз // Фазоизмерительные системы и
устройства: Сб. статей. - Томск: Изд-во Томского ун-та, 1974. - С. 175-180.
51 Краснов М.Л., Макаренко Г.И., Киселев
А.И. Вариационное исчисление. - М.: Наука. Гл. ред. физ. мат. лит., 1973. - 191
с.
52 Краус М., Вошни Э. Измерительные
информационные системы: Пер. с нем. / Под ред. Я.В. Малкова. - М.: Мир, 1975. -
310 с.
53 Куликовский Л.Ф. Автоматические
информационные измерительные приборы. - М.: Энергия, 1966. - 424 с.: ил.
54 Куликовский Л.Ф., Морозов В.К. Основы
информационной техники. - М.: Высш. школа, 1977. - 360 с.
55 Курзнер А.Б., Ибрагимов И.Х. Анализ
погрешности определения фазы дискретным Фурье-преобразованием // Фазоизмерительные
системы и устройства: Сб. статей. - Томск: Изд-во Томского ун-та, 1974. С. 47 -
52.
56 Куропаткин П.В. Теория
автоматического управления. - М.: Высш. школа, 1973. - 528 с.: ил.
57 Кучеренко Г.Н. Общая классификация в
фазометрии // Измерительная техника, 1969. - №5.
58 Кушнир Ф.В. Электрорадиоизмерения:
Учебн. пособие для вузов. - Л.: Энергоатомиздат, Ленингр. отд-ние, 1983. - 320
с.: ил.
59 Левин Б.Р. Теоретические основы
статистической радиотехники. - М.: Сов. радио, 1966.
60 Литюк В.И. Цифровой последовательный
анализ спектра // Радиоэлектроника (Изв. высш. учебн. заведений). - 1985. - Т.
28, № 1. - С. 78 - 83.
61 Маевский С.М. Фазометр для
радиочастот // Автоматический контроль и методы электрических измерений: Тр.
4-й конф. - Новосибирск, 1964. - Т.1.
62 Манассевич В. Синтезаторы частот
(Теория и проектирование): Пер. с англ. / Под ред. А.С. Галина. - М.: Связь,
1979. - 384 с.
63 Марпл.-мл. С.Л. Цифровой спектральный
анализ и его приложения: Пер. с англ. - М.: Мир, 1990. - 584 с.: ил.
64 Мартынов В.А. Формирование сетки
опорных частот с малым уровнем фазовых шумов // Измерение параметров формы и
спектра радиотехнических сигналов: Тез. докл. 2-й Всесоюз. научно-технической
конф. - Харьков, 1989. - С. 171.
65 Матханов П.Н. Основы анализа
электрических цепей. Линейные цепи: Учебник для вузов. - 2-ое изд., перераб. и
доп. - М.: Высш. школа, 1981. - 344 с.: ил.
66 Матханов П.Н. Основы анализа
электрических цепей. Нелинейные цепи: Учебник для вузов. - 2-ое изд., перераб.
и доп. - М.: Высш. школа, 1986. - 352 с.: ил.
67 Матханов П.Н. Основы синтеза линейных
цепей. Учеб. пособие для радиотехн. и электротехн. специальностей вузов. - М.:
Высш. школа, 1976. - 208.: ил.
68 Мельников А.А., Рыжевский А.Г.,
Трифонов Е.Ф. Обработка частотных и временных импульсных сигналов. - М.:
Энергия, 1976.
69 Метод воспроизведения угла фазового
сдвига с использованием особенностей спектров импульсов / В.Д. Шевеленко, В.И.
Кутузов, В.Н. Булатов и др. // Метрология. - 1984. - №4. - С. 37 - 44.
70 Методы электрических измерений:
Учебное пособие для вузов / Л.Г. Журавин, М.А. Мариненко, Е.И. Семенов и др.;
Под ред. Э.И. Цветкова. - Л.: Энергоатомиздат. Ленингр. отд-ние, 1990. - 288
с.: ил.
71 Микропроцессоры: В 3-х кн. / В.Д.
Вернер, Н.В. Воробьев, А.В. Горячев и др.; Под ред. Л.Н. Преснухина. - Мн.:
Выш. шк., 1987. - Кн.2: Средства сопряжения. Контролирующие и
информационно-управляющие системы. - 303 с.: ил.
72 Мицельмагер Э.Е. Периодические
фазо-манипулированные локально-оптимальные сигналы // Радиоэлектроника (Изв.
высш. учебн. заведений). - 1985. - Т. 28. - №1. - С. 25 - 31.
73 Мовшович Е.М. Полупроводниковые
преобразователи частоты. Л.: Энергия, 1968. - 264 с.: ил.
74 Молебный В.В. Некоторые вопросы
измерения быстрых изменений фазы // Автоматический контроль и методы электрических
измерений: Тр. 5-й конф. - Новосибирск, 1965. - Т.1.
75 Мусонов В.М., Кузнецкий С.С., Чмых
М.К. Новые идеи в построении цифровых фазометров без преобразования частоты //
Фазоизмерительные системы и устройства: Сб. статей. - Томск: Изд-во Томского
ун-та, 1974. - С. 90-106.
76 Мячин Ю.А. 180 аналоговых микросхем
(справочник). - М.: Патриот, 1993. - 152 с.: ил.
77 Новоселов О.Н., Фомин А.Ф. Основы
теории и расчета информационно-измерительных систем. - М.: Машиностроение,
1980. - 280 с.: ил.
78 Об измерении фазового скачка
фазо-манипулированного сигнала спектральным методом / П.А. Шпаньон, Е.Н.
Ваксман, А.М. Назаренко и др. // Тр. метролог. ин.тов СССР. Исследования в
области радиоизмерений. - 1972. - №9. - С. 5.
79 Основы метрологии и электрические
измерения / Б.Я. Авдеев, Е.М. Антонюк, Е.М. Душин и др.; Под ред. Е.М. Душина.
- 6-е изд., перераб. и доп. - Л.: Энергоатомиздат. Ленингр. отд-ние, 1987. -
480 с.: ил.
80 Особенности построения цифровых
инфранизкочастотных фазометров / Н.П. Болтачев, А.С. Верзаков, А.П. Зубцов и
др. // Фазоизмерительные системы и устройства: Сб. статей. - Томск: Изд-во
Томского ун-та, 1974. - С. 115 - 119.
81 Осьминкин А.А., М.Я. Мактас.
Измерение фазовых сдвигов при двухканальной схеме измерительного преобразования
фаза-интервал времени // Фазоизмерительные системы и устройства: Сб. статей. -
Томск: Изд-во Томского ун-та, 1974. - С. 137 - 142.
82 Орнатский П.П. Теоретические основы
информационно-измерительной техники. - 2-е изд., перераб. и доп. - Киев: Вища
школа, 1983. - 455 с.
83 Орнатский П.П. Автоматические
измерения и приборы (аналоговые и цифровые). - 5-е изд., перераб. и доп. - К.:
Вища шк., 1986. - 504 с.: ил.
84 Павленко Ю.Ф., Шпаньон П.А. Измерение
параметров частотно-модулированных колебаний. - М.: Радио и связь, 1986. - 208
с.: ил.
85 Паллю де Ла Барьер. Курс
автоматического управления: Пер. с фр. / Под ред. П.И. Кузнецова. - М.:
Машиностроение, 1973. - 396 с.
86 Панфилов И.П., Козаченко М.Т.
Повышение помехоустойчивостиканалов связи АСУТП. - К.: Тэхника, 1991. - 165 с.
87 Перельман Б.Л. Полупроводниковые
приборы: Справочник. - М.: Солон, Микротех, 1996. - 176 с.: ил.
88 Петрович Н.Т. Передача дискретной
информации в каналах с фазовой манипуляцией. - М.: Сов. радио, 1965.
89 Поздняков И.К. Методы самоповерки в
фазометрии // Вопросы радиоэлектроники. - Серия VI, Вып. 3. - 1962.
90 Поиск, обнаружение и измерение
параметров сигналов в радионавигационных системах / В.П. Ипатов, Ю.М.
Казаринов, Ю.А. Коломенский и др.; Под ред. Ю.М. Казаринова. - М.: Советское
радио, 1975.
91 Пестряков В.В. Фазовые
радиотехнические системы. - М.: Советское радио, 1968.
92 Помехоустойчивость и эффективность
систем передачи информации / А.Г. Зюко, А.И. Фалько, И.П. Панфилов, В.Л. Банкет
и др.; Под ред. А.Г. Зюко. - М.: Радио и связь, 1985. - 272 с.: ил.
93 Привалов И.И. Введение в теорию
функций комплексного переменного. - Изд 13-е. - М.: Наука, Гл. ред. физ. мат.
лит., 1984. - 432 с.: ил.
94 Применение свойств фазовых спектров
логически перемножаемых сигналов в фазометрии / С.А. Климентов, В.Н. Булатов,
В.И. Кутузов и др. // Измерение параметров формы и спектра радиотехнических
сигналов: Тез. докл. 2-й Всесоюз. научно-технической конф. - Харьков, 1989. -
С. 252.
95 Прудников А.П., Брычков Ю.А., Маричев
О.И. Интегралы и ряды. Специальные Функции. - М.: Наука. Гл. ред. физ.-мат.
лит., 1983. - 752 с.
96 Пухальский Г.И., Новосельцева Т.Я.
Проектирование дискретных устройств на интегральных микросхемах: Справочник. -
М.: Радио и связь, 1990. - 304 с.: ил.
97 Пятин С.И., Рудых В.Д. Преобразование
радиоимпульсов для фазовых измерений // Радиотехнические измерения в физических
исследованиях. - М.: Наука, 1977. - С. 32 -44.
98 Тверской В.И. Дисперсионно-временные
методы измерений спектров сигналов. - М.: Сов. радио, 1974. - 240 с.: ил.
99 Титце У., Шенк К. Полупроводниковая
схемотехника (Справочное руководство): Пер. с нем. - М.: Мир, 1982. - 512 с.:
ил.
100Тихонов В.И.
Статистическая радиотехника. - М.: Сов. радио, 1966. - 676 с.
101Трахтман А.М.
Введение в обобщенную спектральную теорию сигналов. - М.: Советское радио,
1972. - 352 с.: ил.
102Трифонов А.П.,
Манелис В.Б., Нечаев Е.П. Требование к точности синхронизации при использовании
время-импульсной модуляции сигналов с несинусоидальной несущей. //
Радиоэлектроника (Изв. высш. учеб. заведений). - 1985. - Т. 28. - №1. - С. 39 -
43.
103Фазовые
характеристики усилительных устройств / Г.М. Крылов, В.И. Панов, В.И. Королев и
др. - М.: Энергия, 1975. - 185 с.: ил.
104Финкельштейн
М.И. Гребенчатые фильтры. - М.: Сов. радио,1969.
105Харкевич А.А.
Спектры и анализ. - М.: Физматгиз, 1962. - 236 с.
106Харкевич А.А.
Линейные и нелинейные системы: Избранные тр. в 3-х т. - М.: Наука, 1973. - Т.
2.
107Харкевич А.А.
Борьба с помехами. - М.: Физматгиз, 1963. - 276 с.
108Хейнлейн В.Е.,
Холмс В.Х. Активные фильтры для интегральных схем. Основы и методы
проектирования: Пер. с англ. / Под ред. Н.Н. Слепова и И.Н. Теплюка. - М.:
Связь, 1980. - 656 с.: ил.
109Цапенко М.П.
Измерительные информационные системы: Структуры и алгоритмы, схемотехническое
проектирование.: Учеб. пособие для вузов. - 2-е изд., перераб. и доп. - М.:
Энергоатомиздат, 1985.
110Цветков Э.И.
Процессорные измерительные средства. - Л.: Энергоатомиздат. Ленингр. отд-ние,
1989. - 224 с.: ил:
111Цыпкин А.Г.,
Цыпкин Г.Г. Математические формулы. Алгебра. Геометрия. Математический анализ:
Справочник. - М.: Наука,Гл. ред. физ.-мат. лит., 1985. - 128 с.
112Цифровые
анализаторы спектра / В.Н. Плотников, А.В. Белинский, В.А. Суханов и др. - М.:
Радио и связь, 1990. - 184 с.: ил.
113Шахгильдян
В.В., Ляховкин А.А. Системы фазовой автоподстройки частоты. - Изд. 2-е, доп. и
перераб. - М.: Связь, 1972. - 320 с.: ил.
114Шахгильдян
В.В., Карякин В.Л. Астатическая аналого-цифровая система фазовой автоподстройки
частоты // Радиотехника. - Т.32. - 1974. - №5.- С.36 - 41.
115Шахгильдян
В.В., Карякин В.Л. Исследование влияния шума на работу аналогово-цифровой
фазовой автоподстройки // Тр. учеб. ин-тов связи. - 1977. - Вып. 82 .- С.51 -
57.
116Шахтарин Б.И.
Квазигармонический метод и его применение к анализу нелинейных фазовых систем.
- М.: Энергоатомиздат, 1987. - 192 с.
117Шляндин В.М.
Цифровые измерительные устройства. - М.: Высш. шк., 1981. - 335 с.
118Шпаньон П.А.,
Дейч З.П. Об одном методе измерения коэффициента АЧ и индекса ФМ // Измерение
параметров формы и спектра радиотехнических сигналов: Сб. научн. тр. - М.: ВНИИ
ФТРИ, 1985. - С. 25 - 34.
119Эдвардс Р. Ряды
Фурье в современном изложении: В 2-х т.: Пер. с англ. - М.: Мир, 1985. - Т. 1.
120Электронные
промышленные устройства: Учеб. для студ. вузов спец. “Пром. электрон.” / В.И.
Васильев, Ю.М. Гусев, В.Н. Миронов и др. -М.: Высш. шк., 1988. - 303 с.: ил.
121А.с. 1396085
СССР, МПК G 01 R 25/00. Способ воспроизведения дискретных фазовых
сдвигов / В.Н. Булатов, В.А. Деревяшкин, В.И. Кутузов и др. - 4118827/24-21;
Заявлено 23.06.86; Опубл. 15.05.88, Бюл. 40.
122А.с. 1408383
СССР, МПК G 01 R 25/00. Способ измерения угла сдвига фаз между двумя
гармоническими сигналами / В.Н. Булатов, В.И. Кутузов, В.А. Власов и др. -
4112696/24-21; Заявлено 23.06.86; Опубл. 07.07.88, Бюл. 25.
123А.с. 1626187
СССР, МПК G 01 R 25/00. Способ измерения угла сдвига фаз между двумя
гармоническими сигналами / В.Н. Булатов, С.А. Климентов, В.Н. Кутузов и др. -
4662640/24-21; Заявлено 27.12.88; Опубл. 07.02.91, Бюл. 5.
124А.с. 1688400
СССР, МПК H 03 K 7/08. Способ задания глубины модуляции
широтно-импульсно-модулированного сигнала / В.Н. Булатов, С.А. Климентов, В.И.
Кутузов и др. - 4646537/24-21; Заявлено 03.02.89; Опубл. 01.07.91, Бюл. 40.
125А.с. 1120817
СССР, МПК G 01 R 25/00. Способ измерения изменений угла фазового сдвига между
радиоимпульсами / Шевеленко В.Д., Булатов В.Н., Кутузов В.И. и др. -
3558513/24-21; Заявлено 01.03.83; Зарег. в реестре изобр. 22.06.84.
126А.с. 229495
СССР, МПК H 03 L 7/18. Синтезатор частот / Булатов В.Н., Деревяшкин В.А.,
Кутузов В.Н. и др. - 3092451/24-21; Заявлено 26.06.84; Зарег. в реестре изобр.
02.12.85.
127А.с. 327698
СССР, МПК G 01 R 25/00. Способ измерения фазовых флюктуаций / Булатов В.Н.,
Луковенко С.А., Сенилов Л.Г. и др. - 4517701/24-21; Заявлено 10.07.89; Зарег. в
реестре изобр. 09.07.91.
128Калибратор фазы
Ф1-4 // Техническое описание и инструкция по эксплуатации. - 1982.
129Опорный
генератор “Гиацинт-М” // Этикетка ИГ272107003 ЭТ.
130Усилитель
селективный У2-8 // Техническое описание и инструкция по эксплуатации. - 1983.