Проект информационно вычислительного комплекса, обеспечивающего проверку состояния поездной радиосвязи
СОДЕРЖАНИЕ
ВВЕДЕНИЕ
. ИЗМЕРИТЕЛЬНЫЕ КОМПЛЕКСЫ. ОСНОВЫ РАДИОСВЯЗИ
.1 Информационно- вычислительные комплексы. Виды и классификация
.2 Распространение радиоволн. Антенны. Способы расчета антенн. Модуляция
сигналов.
.2.1 Распространение электромагнитных волн
.2.2 Энергетические характеристики антенн
.2.3 Измерение диаграмм направленности
.2.4 Виды модуляции
.3 Выводы по первой главе
. ПОЕЗДНАЯ РАДИОСВЯЗЬ
.1 Назначение поездной радиосвязи
.2 Принцип построения и основные параметры поездной радиосвязи
.2 Рекомендации по применению стационарных антенн в поездной радиосвязи.
.3 Типы радиостанций применяемых при организации поездной радиосвязи
.4 Особенности приемно-передающей аппаратуры поездной радиосвязи
.5 Метод определения источника радиопомех вдоль трассы железнодорожного
полотна
.6 Выводы по второй главе
. РАЗРАБОТКА УСТРОЙСТВ ПО АВТОМАТИЗАЦИИ ПРОЦЕССА ИЗМЕРЕНИЯ ПАРАМЕТРОВ
ПОЕЗДНОЙ РАДИОСВЯЗИ
.1 Организация работы по проверке поездной радиосвязи в
вагоне-лаборатории
.2 Структурная схема разрабатываемой системы
.3. Разработка принципиальной схемы устройства декодирования кодоых
сигналов
.4 Реализация решающей схемы на жесткой логике
.5 Реализация временных задержек в схемах на жесткой логике
.6 Реализация решающего устройства на базе однокристального микроконтроллера
К1816ВЕ51
.7 Выводы по третьей главе
. ТЕХНИКО-ЭКОНОМИЧЕСКИЙ РАСЧЕТ
. ОБЕСПЕЧЕНИЕ БЕЗОПАСНОСТИ ПРИ ОБСЛУЖИВАНИИ УСТРОЙСТЫ ПО ПРОВЕРКЕ
ПАРАМЕТРОВ ПОЕЗДНОЙ РАДИОСВЯЗИ В ВАГОН-ЛАБОРАТОРИИ АВТОМАТИКИ ТЕЛЕМЕХАНИКИ И
СВЯЗИ
ЗАКЛЮЧЕНИЕ
ЛИТЕРАТУРА
ВВЕДЕНИЕ
Для устранения трудности работы маневровых локомотивов
и ускорения обработки составов на сортировочных станциях широко используется
стационарная радиосвязь, которая позволяет повысить простоту выполнения
технологического процесса работы железнодорожных станций. Выполнению графика
движения поездов содействует поездная радиосвязь, которая повышает безопасность
движения.
Технологическая радиосвязь с подвижными объектами
позволяет не только значительно повысить производительность труда и
безопасность работ, но и эффективно использовать технические средства и в
первую очередь локомотивный и вагонный парки. Оперативность руководства
непосредственно в низовом исполнительском звене позволяет своевременно
реагировать на возникшие отклонения от установленной технологии и принимать
меры по их устранению.
Радиосвязь создает реальные предпосылки для выполнения
перевозочного процесса в оптимальном режиме. Поэтому непрерывно расширяется
сфера ее применения в различных хозяйствах железнодорожного транспорта.
Радиосвязью пользуются около пятидесяти различных абонентов, устройствами
поездной радиосвязи оборудовано около 95% эксплуатационной длинны железных
дорог, а стационарной - практически все станции, имеющие маневровую работу.
Потребность в переговорах по поездной радиосвязи
существенно зависит от напряженностью работы поездного диспетчера, размера
движения, количества раздельных пунктов на участке и степени их отклонения от
предусмотренной по графику. Использование радиосвязи в поездной работе
уменьшает простой поездов, увеличивает техническую скорость, сокращает затраты
энергетических ресурсов на тягу поездов за счет более рационального режима
вождения поездов. Использование радиосвязи в станционной работе улучшает
технологию обработки вагонов, благодаря чему сокращается время простоя
локомотивов. Использование радиосвязи при ремонте и обслуживании линейных
устройств сокращает число дополнительных сигналистов ограждения при работах в
условиях плохой видимости и слышимости.
Основная задача радиосвязи на железнодорожном транспорте
- обеспечение безопасности движения поездов и маневровой работы, что и указано
в Правилах технической эксплуатации железных дорог.
Целью данного дипломного проекта является создание на
базе аппаратуры, по проверке состояния поездной радиосвязи, находящейся в вагон
лаборатории автоматики и телемеханики Белорусской железной дороги принципиально
нового информационно вычислительного комплекса, обеспечивающего проверку
состояния поездной радиосвязи без участия ДСП, и с возможностью
автоматизированной обработки результатов измерения и сбора статистической
информации о них.
1. ИЗМЕРИТЕЛЬНЫЕ КОМПЛЕКСЫ. ОСНОВЫ
РАДИОСВЯЗИ
1.1 Информационно- вычислительные
комплексы. Виды и классификация
Измерительная техника - один из важнейших факторов
научно- технического прогресса практически во всех отраслях народного
хозяйства.
При описании явлений и процессов используются
различные физические величины: электрические, магнитные, пространственные,
временные и др. При этом указанные величины отличаются не только качественно,
но и количественно и оцениваются различными числовыми значениями.
Установление числового значения физической величины
осуществляется путем измерения. Нахождение числового значения измеряемой
величины возможно лишь опытным путем, т.е. в процессе физического эксперимента.
На практике при измерении физических величин
применяются электрические и неэлектрические методы.
Электрические методы измерений получили наиболее
широкое распространение, так как с их помощью достаточно просто осуществлять
преобразование, передачу, хранение, представление и ввод измерительной
информации в ЭВМ.
Технические средства и различные методы измерений
составляют основу измерительной техники. Любой производственный процесс
характеризуется большим числом параметров, изменяющихся в широких пределах. Для
поддержания требуемого режима технологической установки необходимо измерение
указанных параметров. При этом, чем достовернее осуществляется измерение
технологических параметров, тем лучше качество целевого продукта.[1.,c.4]
Наука, предметом которой являются измерения, их
результат, точность, погрешность и средства измерения и т. д., носит название
метрология.
Метрология- это учение о мерах, это наука о методах и
средствах обеспечения единства измерений и способах достижения требуемой точности.
Мера предназначена для воспроизведения физической величины.
Понятия и определения, используемые в измерительной
технике, регламентируются ГОСТ 16263-70.
Измерение- это информационный процесс получения
опытным путем численного отношения между данной физической величиной и
некоторым ее значением, принятым за единицу сравнения.
Результат измерения - именованное число, найденное
путем измерения физической величины. Результат измерения может быть принят как
действительное значение измеряемой величины. Одна из основных задач измерения -
оценка степени приближения или разности между истинным и действительным
значениями измеряемой величины - погрешность измерения.
Погрешность измерения - это отклонение результата
измерения от истинного значения измеряемой величины. Погрешность измерения
является непосредственной характеристикой точности измерения.
Точность измерения - степень близости результата
измерения к истинному значению измеряемой величины.
Средство измерений - это техническое устройство,
используемое в измерительном эксперименте и имеющее нормированные
характеристики точности.
В измерительной технике встречается большое число
величин, подлежащих измерению, при этом имеются различные схемы их реализации.
Все измерения подразделяются на четыре вида: прямые,
косвенные, совокупные и совместные.
При прямом измерении искомую величину находят
непосредственно по результатам опыта y=x, т.е. цель и объект измерения
совпадают. Здесь y - выходная
величина средства измерения. Примером использования прямого метода являются
приборы стрелочного типа.
При косвенном измерении искомую величину находят на
основе прямого измерения ряда параметров при известной функциональной связи
между ними. Уравнение измерения имеет вид y=F1(x1,x2,x3,…,xn). Примером косвенного измерения может
служить измерение сопротивления с помощью амперметра и вольтметра.
Косвенное измерение применяют в тех случаях, когда не
применим прямой метод измерения, либо когда оно обеспечивает получение более
высокой точности измерения.
При совокупном методе измерения происходит
одновременное измерение одноименных величин. В этом случае искомые величины
определяются на основе решения системы уравнений, число которых должно быть
равно или больше числа неизвестных величин.
Совместное измерение аналогично совокупному измерению
для неоднородных величин. Основные уравнения связи при совокупном и совместном
измерении имеют вид (см. выражение 1.1).
F1(y1,…,yn,x1(1),…,xm(1))=0;
F2(y1,…,yn,x1(2),…,xm(2))=0; (1.1)
Fn(y1,…,yn,x1(n),…,xm(n))=0;
Различают также статические и динамические виды
измерений. Совокупность приемов использования, принципов и средств измерения
представляет собой метод измерения. Существуют следующие методы измерения:
непосредственной оценки, сравнения с мерой, дифференциальный, нулевой,
замещения, совпадения.
При методе непосредственной оценки результат измерения
определяется по отсчетному устройству СИ. Этот метод наиболее широко
распространен в измерительной технике, на нем основаны все стрелочные
устройства, но он имеет наиболее низкую точность, так как в этих приборах
применяются меры ограниченной точности.
При методе сравнения с мерой измеряемую величину время
от времени или в каждом опыте сравнивают с мерой. Результат измерения
оценивается по сравнивающему устройству, например измерение массы на весах с
помощью гирь или измерение с помощью компенсационных приборов, в которых
периодически устанавливается точное значение меры.
При дифференциальном методе на вход средства измерения
подается разносный сигнал между измеряемой величиной и мерой. Это очень точный
метод, как правило, используется в поверочных схемах и установках.
При нулевом методе разность между измеряемой величиной
и мерой с помощью специального устройства доводят до нулевого значения по
сравнивающему устройству.
При методе замещения измеряемая величена, определяется
путем замещения ее известной мерой.
Метод совпадения (или метод «нониуса») применяется в
тех случаях, когда измеряемая величена меньше цены деления заданной меры. При
этом применяются две меры с разными ценами деления, которые отличаются на
размер оцениваемого разряда отсчетов.
Измерительная информационная система (ИИС) в
соответствии с ГОСТ 8.437-81 представляет собой совокупность функционально
объединенных измерительных, вычислительных и других вспомогательных технических
средств для получения измерительной информации, ее преобразования, обработки с
целью представления потребителю (в том числе для АСУ) в требуемом виде, либо
автоматического осуществления логических функций контроля, диагностики,
идентификации.
В зависимости от выполняемых функций ИИС реализуется в
виде измерительных систем (ИС), систем автоматического контроля (САК),
технической диагностики (СТД), распознавания (идентификации) образов (СРО). В
СТД, САК и СРО измерительная система входит как подсистема.
Информация, характеризующая объект измерения,
воспринимается ИИС, обрабатывается по некоторому алгоритму, в результате чего
на выходе системы получается количественная информация, отражающая состояние
данного объекта. Использование информации для управления не входит в функции
ИИС, хотя информация, получаемая на выходе ИИС, может использоваться для
принятия каких-либо решений, например для управления, конкретным экспериментом.
Каждому конкретному виду ИИС присущи многочисленные
особенности, определяемые узким назначением систем и их технологически
конструктивным исполнение. Ввиду многообразия видов ИИС до настоящего времени
не существует общепринятой классификации ИИС [1.,c.226].
По характеру взаимодействия системы с объектом
исследования и обмена информацией между ними ИИС могут быть разделены на
активные и на пассивные.
Пассивные системы только воспринимают информацию от
объекта, а активные, действуя на объект через устройство внешних воздействий,
позволяют автоматически и наиболее полно за короткое время изучить его
поведение.
В зависимости от характера обмена информацией между
объектами и активными ИИС различают ИС без обратной связи и с обратной связью
по воздействию. Воздействие на объект может осуществляться по заранее
установленной жесткой программе либо по программе, учитывающей реакцию объекта.
В первом случае реакция объекта не влияет на характер воздействия, а,
следовательно, и на ход эксперимента.
Эффективность научных исследований, испытательных,
поверочных работ, организации управления технологическими процессами с
применением ИИС в значительной мере определяется методами обработки
измерительной информации.
Операция обработки измерительной информации
выполняются в устройствах, в качестве которых используются специализированные
либо универсальные ЭВМ. В некоторых случаях функции обработки результатов
измерения могут, осуществляется непосредственно в тракте, т.е. измерительными
устройствами в реальном масштабе времени.
В системах, которые содержат вычислительные
устройства, обработка информации может, производится как в реальном масштабе
времени, так и с предварительным накоплением информации в ЭВМ, т.е. со сдвигом
во времени.
В зависимости от функционального назначения структуры
ИИС подразделяются по принципу построения.
Собственно измерительные системы используются для
различного рода комплексных исследований научного характера. Они предназначены
для работы с объектами, Характеризующимися до начала эксперимента минимум
априорной информации. Цель создания таких систем заключается в получении
максимального количества достоверной измерительной информации об объекте для
составления алгоритмического описания его поведения.
Обратная связь системы с объектом отсутствует или
носит вспомогательный характер. Как отмечалось, информация на выходе ИИС, может
использоваться для принятия каких-либо решений, состояния возмущающих
воздействий, но не для управления объектом. ИИС предназначена для создания
дополнительных условий проведения эксперимента, для изучения реакции объекта на
эти воздействия. Следовательно, использование информации не входит в функции
ИИС. Эта информация представляется человеку-оператору и поступает в средства
автоматической обработки информации.
Для измерительных систем характерны:
·
Более высокие по
отношению к системам другого вида требования к метрологическим характеристикам;
·
Более широкий
спектр измеряемых физических величин и в особенности их количество (число
измерительных каналов);
·
Необходимость в
средствах представления информации; это связано с тем, что основной массив
информации с выхода систем передается человеку для принятия им решения об
изменении условий проведения эксперимента, его продолжении и прекращении.
Поэтому определяющим требованием является неискаженное, наглядное и оперативное
представление текущей информации с учетом динамики ее обновления и
быстродействия системы, обеспечивающее удобство восприятия и анализа человеком;
·
Большой объем
внешней памяти для систем, в которых обработка и анализ результатов выполняются
после завершения процесса эксперимента с помощью набора различных средств
обработки и представления информации.
Разновидности измерений представлены на рис.1.1.
Входными в ИС для прямых измерений являются величины,
воспринимаемые датчиками или другими входными устройствами системы. Задача
таких ИС заключаются в выполнении аналого-цифровых преобразований множества
величин и выдаче полученных результатов измерения.
1.2 Распространение радиоволн.
Антенны. Способы расчета антенн. Модуляция сигналов.
антенна поездной радиосвязь модуляция
Распространение электромагнитных волн
Электромагнитные волны распространяются со скоростью,
близкой к скорости света. В отличие от звуковых, электромагнитные волны могут
распространяться и в безвоздушном пространстве. При этом они теряют часть своей
энергии и постепенно затухают, и степень этого затухания зависит от длинны
волны.
Таблица 1.1 Диапазоны радиоволн
|
Наименование Диапазона
|
Длина волны
|
Частота
|
|
ДВ
|
735,3…2000м
|
408…150кГц
|
|
СВ
|
186,9…571,4 м
|
1605…525кГц
|
|
КВ
|
24,8…75,5м
|
12,1…3,95МГц
|
|
УКВ
|
4,11…4,56м
|
73…65,8 МГц
|
Длиной электромагнитной волны называют расстояние, на
которое она распространяется за период T одного колебания тока в антенне, т.е. l =CT.
Зная длину волны, можно определить частоту колебаний
тока в антенне: f=C/l.
В зависимости от особенностей распространения
радиоволн различной длинны (или частоты) их условно подразделяют на несколько
диапазонов: длинные (ДВ), средние (СВ), короткие (КВ) и ультракороткие (УКВ).
Длина радиоволн и их частота, используемые при работе радиостанций в этих
диапазонах, имеет значения приведенные в табл.1.1 [3.,c.71].
Энергетические характеристики антенн
Являясь важнейшим звеном радиолинии, антенны в
значительной мере определяют ее потенциальные свойства, т.е. отношение сигнал
шум и следующие из него вероятностные характеристики выполнения требуемой
задачи. В этом плане представляют особенный интерес так называемые
энергетические характеристики антенн - коэффициент направленного действия,
коэффициент усиления, коэффициент полезного действия, шумовая температура.
Антенны служат для перераспределения в пространстве
излученной мощности с целью увеличения ее плотности потока в требуемом
направлении. Приемные антенны соответствующим образом перераспределяют
чувствительность приемника относительно направлений, с которых поступает на
антенну поток мощности, излучаемый удаленными источниками.
Направленные свойства антенн определяются видом их
диаграмм направленности. Численная характеристика направленных свойств антенны
выражается коэффициентом направленного действия (КНД) и коэффициентом усиления.
Для оценки этих характеристик сравнивают свойства направленной антенны и
гипотетического изотопного, т.е. всенаправленного, излучателя.
Введем характеристику излучения антенны-k -относительную плотность потока
мощности, приходящуюся на единицу телесного угла, которая совпадает с
диаграммой направленности по мощности, нормированной к полной излученной
мощности. Для направленной антенны:
(1.2)
где,P(j,s)-ненормированная диаграмма направленности по мощности;
Q-полная мощность, равная интегралу по мощности по полному
телесному углу.
Для изотопной антенны:
K=P0/Q=-1/4p (1.3)
Величина равная отношению выходной мощности (т.е.
излученной в пространство) к мощности на входе антенны, называется
коэффициентом полезного действия (КПД) антенны. Учет потерь является важным
фактором при оценке реальных свойств направленных антенн [6.,c.97].
Коэффициент усиления показывает, во сколько раз
мощность антенны без потерь, должна превышать полую мощность на входе антенны с
потерями для получения равных значений излученной в направлении s,j, мощности, отнесенной к единице телесного угла.
Всякая радиолиния как система, предназначенная для
передачи информации от излучателя электромагнитных колебаний к удаленному от
него приемнику сигналов, содержит антенны, т. е. радиотехнические устройства,
согласующие передатчик и приемник со свободным пространством. Кроме
согласования антенны также повышают эффективность радиолинии, соответствующим
образом перераспределяя в пространстве излученные радиоволны и увеличивая
чувствительность приемника в нужном направлении.
Передающая антенна является преобразователем энергии
тока высокой частоты поступающего от передатчика, в энергию электромагнитных
волн, излучаемых в заданных направлениях. Приемная антенна является обратным
преобразователем.
В реальных антеннах ток вдоль антенны распределен
неравномерно. Антенну, получающую питание в основании от передатчика, совместно
с ее зеркальным изображением можно рассматривать как отрезок развернутой линии,
разомкнутой на конце.
Действующей длинной антенны
(1.4)
называют такую длину антенны с равномерным
распределением тока Iн, которая создает такую же
напряженность поля, как и реальная антенна с неравномерным распределением тока.
В этой формуле l1 полная длинна
антенны. При малой длине антенны (меньше четверти длинны волны)
(1.5)
Не вся мощность, передаваемая антенне, расходуется на
излучение. Часть ее теряется в активном сопротивлении проводов, изоляторах и
т.д. все виды потерь характеризуются мощностью потерь Pn.
При организации радиосвязи в диапазонах декаметровых
волн и УКВ целесообразна максимальная концентрация излучения в сторону приемной
станции за счет применения остронаправленных антенн. Зависимость напряженности
поля излучения от направления называют характеристикой, или функцией
направленности антенны, а представленную на графике зависимость диаграммой
направленности.
Основные параметры и характеристики передающей
антенны:
Сопротивление излучения RS - коэффициент пропорциональности
между мощностью излучения PS и квадратом действующего значения тока в основании антенны.
PS=RSI2 (1.6)
Сопротивление излучения характеризуется способностью
антенны отдавать энергию в пространство.
Сопротивление потерь Rп - коэффициент пропорциональности между мощностью,
расходуемой на нагревание проводов антенны и теряемой в изоляторах, мачтах и
оттяжках, земле, и квадратом тока у основания (или в пучности).
Коэффициент полезного действия:
h=PS/(PS+Pn)=RS/(RS+Rn); (1.7)
Входное сопротивление Rвх - сопротивление между точками подключения антенны к передатчику.
На железнодорожном транспорте применяются направленные антенны. Если мощность
излучателя оставить неизменной, то напряженность поля в месте приема при
направленной антенне будет больше, чем при ненаправленной. Направленная антенна
концентрирует энергию подобно прожектору.
Коэффициент направленности D - отношение плотности потока энергии волн, движущихся в
направлении максимального излучения, к плотности потока энергии изотропного
излучателя при той же мощности излучения.
D=Smax/Sср (1.8)
Коэффициент усиления - произведение коэффициентов
направленности и полезного действия.
Простейшей антенной для диапазонов километровых и
гектометровых волн является вертикальный провод с горизонтальной частью (Г- или
Т -образные антенны).
Любую антенну можно рассматривать как заданную в
пространстве систему переменных во времени токов (или зарядов), амплитуды и
фазы, возбуждения которых выбирают из условия выполнения требуемого
пространственного распределения излучения генератора или чувствительности
приемника. Если невзаимные элементы отсутствуют, имеет место эквивалентность
приемных и передающих антенн и свойства любой из них можно рассматривать при ее
работе либо на излучение, либо на прием, в зависимости от удобства.
Излученное антенной поле можно определить непосредственно
интегрированием по системе заданных токов (для вибраторных, щелевых антенн,
антенн бегущей волны и т. д.) либо суммированием полей дискретных излучателей
(для фазированных антенных решеток).
В других случаях удобнее рассматривать систему векторных
электрических и магнитных полей, формируемую на излучающей поверхности антенны,
называемой апертурой или раскрыв ом. К апертурным относят антенны оптического
(зеркальные, линзовые) и акустического (рупорные) типов, в непосредственной
близости, от которых можно выделить участок плоской поверхности (раскрыв) с
заданным распределением поля. Эффективный плоский раскрыв можно выделить и для
неапертурных антенн, однако, для них анализ формируемых на нем полей
значительно усложняется [6.,c.237].
Если в некотором объеме V задана система электрических
токов j, поле излучения этих токов удобно
представить через некоторый вспомогательный вектор П, называемый электрическим
вектором Герца:
(1.9)
Измерение диаграмм направленности
Измерение методом вышки в дальней зоне наиболее
распространено при разработке облучающих устройств крупногабаритных антенн,
испытания антенн на моделях, исследованиях антенн, не слишком больших по
сравнению с длинной волны, размеров.
Данный метод измерений является одним из основных.
Диаграммой направленности антенны называется
распределение по угловым координатам характеристик излучаемых антенной (либо
поглощаемой ею падающей плоской волны) электромагнитного поля W модуля и фазы комплексной амплитуды,
плотности потока мощности.
При этом обычно под диаграммой направленности
понимается графическая зависимость этих характеристик от угловых координат. При
этом антенна помещается на вышку и, изменяя ее положение, определяют некоторый
характерный уровень диаграммы, главный максимум. Затем, изменяя угловое
положение, определяют диаграмму направленности в данном сечении. Методы
измерения характеристик антенн в ближней зоне разработаны для преодоления
технических трудностей, связанных с удаленностью источника излучения от
испытуемой антенны[6.,c.221].
Виды модуляции
Для передачи информации на расстояние применяются
сигналы, эффективно излучаемые с помощью антенных устройств, обладающие
способностью распространения радиоволн в среде, разделяющей отправителя и получателя
информации. Такими сигналами являются высокочастотные колебания. Передаваемая
информация должна быть тем или иным способом заложена в высокочастотное
колебание, называемое несущим. Частота w0
этого колебания выбирается в зависимости от расстояния, на которое должна
передаваться информация, от условий распространения радиоволн и рада других
технических и экономических факторов. Но в любом случае частота w0 должна быть велика по сравнению с наивысшей частотой
спектра передаваемого сообщения.
В самом общем случае радиосигнал, несущий в себе
информацию, можно представить в виде:
(1.10)
в котором амплитуда A или фаза q изменяются по закону передаваемого
сообщения.
Если A и q - постоянные величины, то выражение (1.10) описывает простое
гармоническое колебание, не содержащее в себе никакой информации. Если A и q (следовательно, и y) подвергаются принудительному изменению для передачи
сообщения, то колебание становиться модулированным.
В зависимости от того, какой из двух параметров
изменяется - амплитуда A или
угол q - различают два основных вида
модуляции: амплитудную и угловую. Угловая модуляция, в свою очередь,
подразделяется на два вида: частотную (ЧМ) и фазовую (ФМ). Эти два вида
модуляции между собой тесно связаны, и различие между ними проявляется лишь в
характере изменения во времени угла y при одной и той же модулирующей функции[2.,c.134].
Сигналы с амплитудной модуляцией
Амплитудная модуляция является наиболее простым и
очень распространенным в радиотехнике способом заложения информации в
высокочастотное колебание. При амплитудной модуляции огибающая амплитуд
несущего колебания изменяется по закону, совпадающему с законом изменения
передаваемого сообщения, частота же и начальная фаза колебания поддерживается
неизменными. Поэтому для амплитудно-модулированного сигнала общее выражение
(1.11) можно заменить следующим:
(1.11)
Характер огибающей A(t) определяется
видом передаваемого сообщения. Огибающая A(t) изменяется по
закону, воспроизводящему сообщение S(t).
Основным параметром амплитудно-модулированного
колебания является глубина модуляции.
Определение этого понятия особенно наглядно для
тональной модуляции, когда модулирующая функция является гармоническим
колебанием.
(1.12)
огибающую модулированного колебания при этом можно
представить в виде:
(1.13)
где, W- частота модуляции;g- начальная фаза огибающей; кам - коэффициент
пропорциональности; Aам - амплитудные изменения огибающей;
Отношение:
М=DАm/A0 (1.14)
Носит название коэффициента модуляции, спектральная
диаграмма колебания при тональной модуляции представлена на рис.1.2.
Ширина спектра в этом случае равна удвоенной частоте
модуляции 2W, а амплитудные
колебания боковых частот не могут превышать половины немодулированного
колебания (при М£1).
Сигналы с угловой модуляцией
Сигналы с угловой модуляцией это радиосигналы, которые
получаются за счет того, что в несущем гармоническом колебании
(1.15)
передаваемое сообщение S(t) изменяет либо
частоту w, либо начальную фазу j; амплитуда Um остается неизменной, поскольку
аргумент гармонического колебания
, называемый полной фазой, определяет
текущее значение фазового угла, такие сигналы получили название сигналов с
угловой модуляцией.
Для рассмотрения видов угловой модуляции предположим,
что полная фаза y(t) связана с сигналом S(t) зависимостью.
Сигналы с угловой модуляцией это радиосигналы, которые
получаются за счет того, что в несущем гармоническом колебании Uнес(t)=Umcos(wt+j) передаваемое сообщение S(t) изменяет либо
частоту w, либо начальную фазу j; амплитуда Um остается неизменной. Поскольку
аргумент гармонического колебания y(t)=wt+j, называемый полной фазой, определяет текущее значение
фазового угла, такие сигналы получили название сигналов с угловой модуляцией.
Для рассмотрения видов угловой модуляции предположим в начале, что полная фаза y(t) связана с сигналом S(t) зависимостью:
y(t)=w0t+ks(t) (1.16)
где, w0 - значение
частоты в отсутствии полезного сигнала; k - некоторый коэффициент пропорциональности;
модуляцию, отвечающую соотношению (2.1.) называют
фазовой модуляцией (ФМ).
Uфм(е)=Umcos [w0t+ks (t)] (1.17)
Если сигнал S(t)=0, то ФМ - колебание является
простым гармоническим колебанием. С увеличением значения сигнала S(t) полная фаза y(t) растет во
времени быстрее, чем по линейному закону. При уменьшении значений модулирующего
сигнала происходит спад во времени j(t).
В момент времени, когда сигнал S(t) достигает экстремальных значений, абсолютный фазовый сдвиг
между ФМ - сигналом и немодулированным гармоническим колебанием оказывается
наибольшим. Предельное значение этого фазового сдвига называется девиацией фазы
Dy. В общем случае одно-тонального
сигнала ЧМ- сигнала мгновенная частота:
w(t)=w0+Dwcos(Wt+F0)
(1.18)
где, Dw- девиация частоты сигнала.
(1.19)
где,j0 -некоторый
постоянный фазовый угол.
Отсюда видно, что величина
(1.20)
называется индексом одна тональной модуляции,
представляет собой девиацию фазы такого сигнала, выраженную в радианах.
Рассмотрим спектральное разложение ФМ - сигналов.
Задачу о представлении сигналов с угловой модуляцией посредством суммы
гармонических колебаний решается следующим образом, представим, что индекс
угловой модуляции во много раз меньше 1 (m«1). Поэтому:
U(t)=Umcos(w0t+msinWt)=Umcos(msinWt)cosw0t-Umsin(msinWt)sinw0t (1.21)
Поскольку индекс угловой модуляции мал, воспользуемся
приближенными равенствами:
cos (msinWt)»1; sin (msinWt)» msinWt
на основании равенства (2.5) получаем:
(1.22)
таким образом, показано, что при m<< 1 в спектре сигнала с угловой
модуляцией содержаться несущие колебания и две боковые составляющие (верхняя и нижняя)
на частотах w0+W и w0-W. Индекс m играет здесь такую же роль, как и коэффициент амплитудной
модуляции М. Однако можно обнаружить и существенное различие спектров АМ -
сигнала и колебания с угловой. Для спектральной диаграммы (рис.1.3) построенной
по формуле (1.22) характерно то, что нижние боковое колебание имеет
дополнительный фазовый сдвиг на 1800.
Более точный вид спектральной диаграммы можно
получить, воспользовавшись двумя членами ряда в разложении гармонических
функций малого аргумента. При этом формула (1.23) будет выглядеть так:
(1.23)
Эта формула свидетельствует о том, что в спектре
сигнала с одно-тональной угловой модуляцией, помимо известных составляющих,
содержаться так же верхние и нижние боковые колебания, соответствующие
гармоникам частоты модуляции. Поэтому спектр такого сигнала сложнее спектра
аналогичного АМ - сигнала. Отметим так же, что возникновение новых спектральных
составляющих приводит к перераспределению энергии по спектру.
Сигналы с частотной модуляцией
При частотной модуляции частота несущего колебания
изменяется прямо пропорционально значению передаваемого сообщения, фаза сигнала
изменяется по другому закону:
Uн=Um0cos (w0t+j0) (1.24)
Это выражение представляет собой сигнал переносчик.
Ниже представлено сообщение, которое поступает на вход частотного модулятора.
Ul(t)=Uml cosWt (1.25)
Предположив, что w0-высокочастотный сигнал, а W- низкочастотный, и проведя
математические преобразования, получим:
Uчм(t)=Um0cos((w0+w1(t))t+j0) (1.26)
где w1(t)- составляющая частоты, которая
изменяется пропорционально мгновенному значению передаваемого сообщения.
w=w0+w1(t)=w0+kUmlcosWt (1.27)
w1(t)=kUmlcosWt+KUml(t)
w=w0+DwcosWt
где выражение Dw= kUml есть ничто иное, как отклонение
частоты от среднего значения, т.е. девиация частоты. Однако при частотной
модуляции происходит изменение и фазы сигнала.
(1.28)
где, W - индекс фазовой модуляции при частотной модуляции.
(1.29)
Выражение (1.29) представляет собой пиковый индекс ЧМ,
от него зависит занимаемая полоса ЧМ сигнала и помехоустойчивость систем связи.
Он показывает, на сколько девиация частоты больше, полосы занимаемой сообщением.
В зависимости от значения М различают узкополосную (при Мчмп<1) и широкополосную (при Мчмп>1) частотную модуляцию.
В общем, виде спектры ЧМ и ФМ сигналов являются
подобными (похожими). Они занимают бесконечную полосу частот и находятся с
помощью функции Бесселя. Ширина спектров сигнала зависит от индекса частотной
модуляции. Для простейшего модулированного сообщения имеющего только одну
частоту, спектр ЧМ сигнала имеет несколько боковых частот верхних и нижних.
Однако составляющие, номер которых превышает значение индекса модуляции можно
пренебречь.
На практике пользуются понятием эффективной полосы
частот, под которой понимается полоса частот, в которой размещается 90% полной
энергии ЧМ сигнала и обозначается Dfэфчм.
(1.30)
где, Dfд - девиация частоты сигнала.
Если сообщение является полосовым, то появляются в
спектре сигнала боковые полосы частот. В этом случае ширина спектра ЧМ сигнала
находится по упрощенной формуле:
Dfэфчм=2fв(Мчмп+1)
(1.40)
Однако во многих системах связи применяется
узкополосная частотная модуляция, с Мчмп<1, Dfэфчм»2fв.
Таким образом, ЧМ сигнал занимает полосу частот такую
же, как и сигнал амплитудной модуляции и имеет только 2 боковые полосы частот
[4.,c.98].
Применение узкополосной модуляции позволяет
организовать большее число каналов при заданной полосе частот. Достоинством ЧМ
является высокая помехоустойчивость приема сообщения, поэтому она применяется в
системах связи, которые работают в условиях действия сильных помех.
1.3 Выводы по первой главе
В первой главе были рассмотрены виды и структуры
информационно-вычислительных комплексов, их особенности достоинства и
недостатки, рассмотрели параметры распространения радиоволн, основные виды
модуляции применяемые в радиомеханике и средствах связи, были проведены их
спектральные характеристики, а также, рассмотрели способы расчета и определения
вида диаграмм направленности.
Исходя из всего вышеизложенного, можно сделать вывод,
что проектирование и эксплуатация радиосвязи требует очень мощного
математического и физического аппарата. От ее надежности и стабильности зависит
безопасность движения на железной дороге, а, следовательно, процесс проверки
поездной радиосвязи, на предмет наличия «мертвых зон» и уровня сигнала является
обязательной процедурой. Процедурой трудоемкой, и имеющей очень важное
значение.
2. ПОЕЗДНАЯ РАДИОСВЯЗЬ
.1 Назначение поездной радиосвязи
Поездная радиосвязь ПРС предназначена для служебных
переговоров поездного и локомотивного диспетчеров, дежурных по станциям и
других работников, связанных с движением поездов, с машинистами поездных
локомотивов, а также между собой машинистов и дежурных по станциям.
Поездная радиосвязь построена по принципу линейной
радиосвязи. Вдоль пути следования поезда располагаются стационарные
радиостанции РС, соединенные между собой и распорядительной станцией каналом
связи образованным по воздушной кабельной или радиорелейной линии. ПРС делят на
диспетчерские круги, в пределах которых диспетчер руководит движением поездов.
Связь поездного диспетчера с машинистами локомотивов комбинированная.
Система ПРС предназначена для оперативного управления
перевозочным процессом и повышения безопасности движения поездов. Ею пользуются
работники, участвующие в перевозочном процесс, обеспечивающие безопасность
движения и находящиеся на стационарных пунктах, в поездах и на перегонах вдоль
пути следования поезда.
Диспетчерские участки в зависимости от технической
оснащенности и размеров движения оборудуются системой ПРС, организованной в
следующих диапазонах волн: гектометровом, метровом и дециметровом;
гектометровом и метровом; метровом и дециметровом; гектометровом.
Радиосети, организованные в гектометровом и метровом
диапазонах волн, работают в симплексном режиме, в дециметровом - в дуплексном
режиме.
При оснащении диспетчерских участков радиостанциями
трех диапазонов дециметровый и гектометровый диапазоны волн используются для
организации линейных радиосетей, причем дециметровый диапазон служит для
организации основного канала связи, а гектометровый для резервного.
Гектометровый диапазон используется в линейных и зонных радиосетях для
радиосвязи с локомотивами, не оборудованными радиостанциями дециметрового
диапазона. Метровый диапазон предназначен для организации зонных радиосетей
[7.,c.7].
При оснащении диспетчерских участков двухпозиционными
радиостанциями, работающими в гектометровом, метровом или дециметровом
диапазонах волн, дециметровый диапазон используется для организации линейных
радиосетей, гектометровый - линейных и линейно-зонных, метровый - зонных.
При оснащении диспетчерских участков однодиапозонными
радиостанциями гектометрового диапазона волн линейные и зонные радиосети
организуются в одном диапазоне (линейно-зонные радиосети).
Симплексные линейные радиосети ПРС-С обеспечивают:
·
Взаимный
групповой вызов и ведение переговоров между поездным (ДНЦ) диспетчером,
локомотивным (ТНЦ) диспетчером, энергодиспетчером (ЭЧЦ) и машинистами поездных
локомотивов (ТЧМ) находящимся в любой точке диспетчерского участка;
·
Возможность
документированной регистрации всех ведущихся переговоров с помощью магнитофона
и регистрацией текущего времени;
·
Автоматический и
ручной диагностический контроль стационарной и возимой аппаратуры с визуальным
отображением результатов (при использовании аппаратуры системы транспорт).
·
Радиосредствами
линейных радиосетей могут пользоваться дежурные по станции (ДПС).
Дуплексные линейные радиосети ПРС_Д в пределах
диспетчерского участка обеспечивают:
·
.взаимный вызов с
применением индивидуального, группового и циркулярного вызова и ведение
переговоров между ТЧМ, ДНЦ, ТНЦ, ЭЧЦ;
·
передачу с
отображением на индикаторном табло команд и сообщений (команды передаются от
диспетчера к машинистам, сообщения от машинистов к диспетчеру);
·
передачу в
необходимых случаях поездным диспетчером команды экстренной остановки поезда и
передачу машинистом аварийного вызова диспетчера при занятости канала
радиосвязи;
·
автоматическую
передачу данных между управляющими вычислительными машинами диспетчерского
пункта управления и локомотива;
·
автоматическую ил
ручную передачу номера поезда или локомотива из специально установленных
локальных зон или при входе поезда в пределы диспетчерского контроля.
.2 Принцип построения и основные
параметры поездной радиосвязи
Поездная радиосвязь ПРС предназначена для служебных
переговоров поездного и локомотивного диспетчеров, дежурных по станциям и
других работников, связанных с движением поездов, с машинистами поездных
локомотивов, а также между собой машинистов и соседних дежурных по станциям.
ПРС построена по принципу линейной радиосвязи. Вдоль
пути следования поезда располагают стационарные радиостанции PC, соединенные между собой и с
распорядительной станцией каналом связи, организованном по воздушной, кабельной
или радиорелейной линии. ПРС делят на диспетчерские круги, в пределах которых
диспетчер руководит движением поездов. Связь поездного диспетчера ДНЦ с
машинистами локомотивов, оборудованных локомотивными радиостанциями ЛР,
комбинированная: от ДНЦ до ближайшей к локомотиву PC по проводам (или каналам РРЛ) и от PC до РЛ по радио, так как протяженность диспетчерского круга
достигает 120-160 км, а радиус действия радиостанций составляет 7-15 км. Для
нормального функционирования системы ПРС одновременно могут работать только две
радиостанции: PC и РЛ (переговоры между ДНЦ и
машинистом). Передатчики остальных радиостанций выключены для исключения
мешающих воздействий других радиостанций (интерференции).
При вызове машиниста диспетчер ДНЦ должен подключить к
линии нужную PC в зависимости от местоположения
вызываемого поезда, так, как ему известно, на каком перегоне и ближе к какой
станции находится в данный момент, интересующий его поезд. При вызове ДНЦ со
стороны машиниста сигнал вызова могут принять несколько PC, поэтому необходимо выбрать и
подключить к линии одну из них, уровень сигнала на входе которой наибольший.
Принцип работы устройства автоматического выбора
стационарной радиостанции заключается в следующем. При приеме вызова от РЛ
несколькими PC в них начинается отсчет времени,
длительность которого зависит от уровня приходящего сигнала. Чем больше уровень
сигнала на входе приемника СР, тем быстрее подключается PC к линии с одновременной посылкой
сигнала, блокирующего подключения остальных PC.
При организации поездной радиосвязи на радиостанциях
ЖР-ЗМ. у диспетчера устанавливают устройства, обеспечивающие посылку сигналов
вызова машинистов и управления радиостанциями промежуточных пунктов при ведении
переговоров; блок распорядительной поездной радиосвязи БРПС-62М (плату поездной
радиосвязи ППРС), а на промежуточных железнодорожных станциях - шкафы
радиопроводной связи ШРПС-62М с пультами управления дежурного по станции. На
локомотивах монтируют радиостанции ЖР-ЗМ. Нормально радиостанции, находящиеся в
шкафу ШРПС-62, отключены от проводной цепи поездной диспетчерской связи ПДС.
Стационарные радиостанции к диспетчерской цепи подключаются радиопроводными
переходными устройствами.
Аппаратура ШРПС обеспечивает: совместную работу
каналов радиосвязи и существующей поездной диспетчерской связи; избирательное
подключение стационарных радиостанций к цепи ПДС, осуществляемое с
распорядительной станции при совместном использовании для этой цели
существующих устройств избирательного вызова поездной диспетчерской связи;
получение акустического или светового контроля на распорядительной станции о
подключении стационарной радиостанции к цепи ПДС; дистанционное управление
режимами работы стационарных радиостанций (прием и передача), осуществляемое со
стороны распорядительного пункта; вызов диспетчера с локомотивной радиостанции
и получение при этом на локомотиве контрольного сигнала о прохождении вызова на
распорядительную станцию; автоматическое или неавтоматические отключение
стационарных радиостанций от цепи ПДС по окончании переговоров.
Абоненты поездной радиосвязи вызывают друг друга
посылкой сигналов различных тональных частот: машинистов локомотивов - сигналом
частотой 1000 Гц, дежурных по станциям - 1400 Гц и диспетчера - 700 Гц. При
приеме стационарной радиостанцией сигнала частотой 700 Гц, переданного с
локомотивной радиостанции, к цепи ПДС подключается аппаратура ШРПС-62М.
Подключить к цепи ПДС и отключить от нее аппаратуру ШРПС-62М могут диспетчер и
дежурный по станции. Предусмотрено также автоматическое отключение ШРПС-62М от
цепи ПДС через определенное заранее установленное время после окончания
переговоров. В течение всего времени подключения ШРПС-62М к цепи ПДС диспетчер
прослушивает тональные посылки длительностью 0,25-0,5 с через каждые 4-6 с.
Машинист имеет возможность вызвать диспетчера без
участия дежурного по станции, а также через дежурного по станции. При приеме
диспетчером вызывного сигнала машинист получает акустический контроль
прохождения вызова. Для установления связи с вызывающим машинистом диспетчер
кратковременно нажимает кнопку «Радио» и в линию посылается импульс тональной
частоты. Под действием этого импульса к линии подключается стационарная
радиостанция, к которой был послан вызов машинистом. Дежурного по станции
машинист вызывает также посылкой сигнала тональной частоты с последующим
вызовом голосом (групповой избирательный вызов)-
Для надежной радиосвязи диспетчера с машинистами
локомотивов дальность действия каждой стационарной радиостанции должна быть не
меньше половины длины прилегающего к ней наибольшего перегона.
В зависимости от протяженности перегонов на
промежуточных пунктах для передачи электромагнитной энергии применяют различные
устройства: антенны «Наклонный луч» и Г-образные, а также устройства,
канализирующие высокочастотную энергию вдоль железнодорожного полотна. К
последним относятся воздушные линии связи, имеющие в своем составе цветные
цепи, а на участках с электрической тягой - волноводный провод, подвешиваемый
на опорах контактной сети, и провода продольного электроснабжения потребителей
(провода ДПР). Это так называемый индуктивный способ передачи электромагнитной
энергии, при котором "энергия передатчиков не излучается в пространство, а
подводится к направляющим линиям, идущим вдоль полотна железной дороги
[9.,с.218].
Дальность удовлетворительной связи между стационарной
и локомотивной радиостанциями с антеннами «Наклонный луч» на промежуточных
пунктах участков с автономной и тепловозной тягой достигает 8-9 км, а на
электрифицированных участках - 2-3 км.
На участках с автономной тягой дальность действия
радиосвязи с использованием воздушных линий связи может достигать 30 км при
удалении их от железнодорожного полотна на расстояние 11 м и 25 км при удалении
на 20 м. На участках без скоростного движения с электротягой на постоянном токе
дальность действия радиосвязи может составлять 18 км при расстоянии между
воздушной линией и осью пути не более 10 м и 15 км, если это расстояние не
превышает 20 м.
Пучок проводов воздушной линии связи канализирует
высокочастотную энергию вдоль железнодорожного полотна, уменьшает затухание ее
на участке промежуточный пункт - локомотив и благодаря этому увеличивается
радиус действия стационарных радиостанций. Дальность действия связи между
стационарными и локомотивными радиостанциями при использовании пучка проводов
воздушной линии связи с цветными цепями может быть 15-30 км в зависимости от
удаления линии связи от железнодорожного полотна на перегонах, а также от
расстояния между линией связи и помещением, где находится радиостанция.
Дальность действия радиосвязи при применении
волноводного провода на электрифицированных участках и скоростном движении
поездов достигает 12 км, на участках с электротягой на переменном токе без
скоростного движения поездов-до 18 км, на участках с электротягой на постоянном
токе без скоростного движения - до 20 км.
При организации ПРС на радиостанциях ЖРУ на
распорядительной станции у ДНЦ устанавливают пульт поездной радиосвязи ППР-2,
шкаф РСПР, микрофон М и громкоговоритель Гр, на промежуточных станциях у ДСП -
стационарную радиостанцию ЖР-У-СП с приемником избирательного подключения.
Принцип действия ПРС здесь тот же, что и с радиостанциями ЖР-ЗМ.
2.3 Рекомендации по применению
стационарных антенн в поездной радиосвязи
При выборе стационарной антенны для организации
поездной радиосвязи необходимо исходить из условий получения требуемой
дальности радиосвязи, обеспечения электромагнитной совместимости с другими
радиосредствами и возможности установки на требуемой высоте.
Непосредственно на дальность радиосвязи влияет такой
параметр антенны, как коэффициент усиления, поэтому с целью увеличения
дальности радиосвязи желательно применять антенны с более высокими значениями
этого коэффициента.
Диаграммы направленности применяемых антенн должны,
возможно, лучше соответствовать плану железнодорожных путей района,
охватываемого радиосвязью. Например, однонаправленные антенны целесообразно
применять на тупиковых станциях с разделением диспетчерских кругов. В этих
случаях основная часть высокочастотной энергии будет излучаться антенной вдоль
железнодорожных перегонов, обслуживаемых каждым из диспетчеров.
Двунаправленные антенны следует применять на
большинстве промежуточных пунктов. Если трасса железной дороги достаточна,
прямолинейна, то следует устанавливать антенны с диаграммой направленности в
форме «восьмерки».
На криволинейных участках, которые характерны для
горной местности, следует применять двунаправленные синфазные антенны с
управляемыми диаграммами направленности (например, антенны типа АС-4). При этом
юстировка обеих половин антенны должна производиться из условия получения
максимального излучения вдоль соответствующего перегона, примыкающего к
станции.
На узловых станциях может оказаться, что применение
двунаправленной или однонаправленной антенны не обеспечивает радиосвязью
примыкающие перегоны. В этом случае целесообразно использовать антенны с
круговыми диаграммами направленности.
2.4 Типы радиостанций применяемых при
организации поездной радиосвязи
Поездную радиосвязь организуют на радиостанциях ЖР-ЗМ,
работающих в гектометровом диапазоне на фиксированных частотах, а также на
стационарных радиостанциях ЖР-УК-СП и локомотивной ЖР-УК-ЛП, работающих в
метровом и гектометровом диапазонах. Две первые буквы ведомственного шифра
обозначают железнодорожную радиостанцию, одна или две последующие - диапазоны,
в которых работает радиостанция (У-УКВ и К - коротковолновый, т. е.
гектометровый), предпоследняя буква-место установки станции, (С - стационарная,
Л - локомотивная), последняя буква - назначение (П - для поездной, С - для
станционной радиосвязи). Радиостанции железнодорожной технологической
радиосвязи иногда обозначают как, комплекс ЖРУ (железнодорожные радиостанции
унифицированные). Унификация сводится к использованию отдельных блоков в
локомотивных и стационарных радиостанциях поездной и станционной радиосвязи.
Станционную радиосвязь организуют на радиостанциях
ЖР-У-ЛС, «Пальма», «Сирена», «Тюльпан», «Кактус» и «Ласточка» (33- 46 МГц).
Все радиостанции работают в симплексном режиме
(передатчик и приемник работают попеременно) на одной частоте с одной антенной
для приема и передачи.
Радиостанции ЖР-У-ЛС и ЖР-У-ЛП конструктивно идентичны
и состоят из трех блоков (приемопередатчика, блока низкой частоты и блока
питания), а также из одного или двух пультов управления (по одному в кабине
локомотива) и антенно-фидерных устройств. ЖР-У-ЛП отличаются от ЖР-К-ЛП
приемниками (в первой радиостанции приемник метрового, а во второй
гектометрового диапазонов) и антенно-фидерными устройствами. Радиостанцию
ЖР-У-ЛС устанавливают на маневровых и горочных локомотивах, она получает
электропитание от аккумуляторных батарей локомотива напряжением 50 или 75В±20%.
Блоки размещают на двух амортизационных рамах, укрепленных на стене кабины или
кузове локомотива. Радиостанцию ЖР-УК-ЛП устанавливают на поездных локомотивах,
она состоит из двух полукомплектов радиостанций метрового и гектометрового
диапазонов (шесть блоков), антенн и четырех пультов управления (по два в
кабине). Такая комплектация позволяет использовать их на участках, оснащенных
радиостанциями ЖР-ЗМ и ЖР-5М или ЖРУ.
Стационарные радиостанции поездной радиосвязи ЖР-УК-СП
обеспечивают возможность передачи дискретной информации телеуправления и
телесигнализации, состоят они из двух идентичных полу комплекте в (шкафов)
ЖР-У-СП и ЖР-К-СП [9.,с.230].
Стационарные радиостанции станционной радиосвязи
ЖР-У-СС останавливают в служебных помещениях, они получают электропитание от
сети переменного тока частотой 50 Гц напряжением 127 или 220 В или
аккумуляторной батареи напряжением 24 В.
Носимые радиостанции «Сирена» являются УКВ
радиотелефонным станциями с частотной модуляцией, применяют их для различных
видов связи на станциях, перегонах и в парках. Радиостанции "Сирена"
и «Тюльпан» работают с однотипными носимыми радиостанциями, а также с ЖР-У-СС и
ЖР-У-ЛС. В состав носимых радиостанций входят приемопередатчик, блок питания,
манипулятор, антенна и сумка для переноски.
2.5 Особенности приемно-передающей
аппаратуры поездной радиосвязи
Во всех железнодорожных радиостанциях используется
частотная модуляция ЧМ. Для работы радиопередатчиков на нескольких |частотах
применяют соответствующее число кварцевых генераторов Г (рис.2.1) или формируют
сетки частот различными методами с помощью синтезаторов частоты.
Частотную модуляцию получают косвенным методом, при
котором 'задающий кварцевый генератор КГ вырабатывает колебания стабильной
частоты, но фаза их изменяется фазовым модулятором ФМ. Для превращения фазовой
модуляции ФМ в частотную ЧМ используют корректирующее звено КЗ, на которое
поступает сигнал от микрофона М через компрессор К. Получение рабочей частоты и
заданного значения девиации (которая в ФМ незначительна) достигается
последующим умножением частоты. С выхода умножителя частоты УЧ сигнал поступает
на усилитель мощности УМ и затем в антенну Л.
На приемной стороне сигнал из антенны А приходит в
аттенюатор Ат. В радиостанции ЖР-ЗМ предусмотрена плавная регулировка
чувствительности приемника. В приемниках ЖР-УК-СП и ЖР-УК-ЛП используют
аттенюатор со ступенчатой регулировкой чувствительности. Преселектор П
обеспечивает предварительное усиление н избирательность приемника, он содержит
один или два каскада усилителей высокой частоты с одиночными контурами или
двухконтурными фильтрами. Характеристики преселектора определяют перекрестную
модуляцию, интермодуляцию и блокирование полезного сигнала при наличии
мешающего. Преобразователь частоты ПЧ1 обеспечивает минимальный относительный
уровень комбинационных продуктов преобразования. На ПЧ1 одновременно с сигналом
с вывода преселектора П подается напряжение от гетеродина П. Напряжение первой
промежуточной частоты 24 МГц поступает на усилитель первой промежуточной
частоты УПЧ1, который усиливает полосу частот, пропускаемую фильтром
сосредоточенной селекции, и затем подается на вход преобразователя частоты ПЧ2,
на другой вход которого поступает напряжение от гетеродина Г2. Вторым
преобразователем частоты достигаются минимальный уровень комбинационных
продуктов преобразования и узкополосность системы. Усилитель второй
промежуточной частоты УПЧ2 обеспечивает основную избирательность и в основном
все необходимое усиление до демодулятора Дм. В гетеродинах Г1 и Г2 используют
опорные кварцевые генераторы для образования сетки частоты (синтезатор).
В приемниках комплекта радиостанций «Пальма»,
«Сирена», «Тюльпан» преобразователь и усилитель первой промежуточной частоты
имеют усиление около 20-40 дБ, а усилитель второй промежуточной частоты -
80-100 дБ. Ширина полосы пропускания преселектора примерно 2,5 МГц, УПЧ1 - 250
кГц и УПЧ2 -"28 кГц.
Демодулятор Дм выделяет полезный сигнал, который
усилителем низкой частоты УНЧ усиливается до необходимого уровня. Демодуляция
ЧМ колебаний осуществляется преобразованием ЧМ в AM с последующим детектированием AM колебаний в амплитудных детекторах. Широкое распространение
получил детектор отношений, или дробный детектор.
В состав радиостанций входит шумоподавитель Ш,
запирающий ^тракт низкой частоты при отсутствии полезного сигнала. Это
устройство предусмотрено для облегчения условий работы оператора, избавляя его
от прослушивания шумов в громкоговорителе или телефоне при отсутствии полезного
сигнала на входе приемника. В выпускаемых железнодорожных радиостанциях в
шумоподавителях реализован принцип анализа напряжения в тракте промежуточной
частоты. Основной задачей здесь является различение сигнала и помехи, поскольку
последняя в тракте усиления промежуточной частоты вызывает колебательный
процесс с амплитудой, определяемой уровнями и характером помех. Устройство
различения сигнала от помехи УР (рис. 19.4) включено в тракт усилителя второй
промежуточной частоты УПЧ2 до ограничителя Огр. С выхода УР напряжение
поступает на пороговый элемент ПЭ. В качестве УР используют интегрирующее звено
с различными постоянными времени заряда Тз и разряда Тр. Для эффективного
различения сигнала и помехи т,» Тр в качестве ПЭ применяют схему, работа
которой основана на срыве генерации колебаний, которые после выпрямления
поступают на усилитель низкой частоты УНЧ, на входе которого включен частотный
детектор ЧД, и закрывают его. Эффективность шумоподавителя показывает, во
сколько раз уменьшается уровень шумов на выходе приемника при закрытом тракте
низкой частоты по сравнению с шумом при открытом тракте.
2.6 Метод определения источника
радиопомех вдоль трассы железнодорожного полотна
По результатам многолетних наблюдений и измерений
радиопомех с помощью измерительного комплекса вагона-лаборатории определены
следующие среднестатистические уровни на участках электротяги переменного тока
напряжением 27кВ: для гектометрового диапазона - 46дБ, для ультракоротковолнового
- 12 дБ.
Основные причины внешних радиопомех - неисправности
устройств энергоснабжения и хорошее прохождение радиосигналов от дальних
радиостанций. Наиболее часто приходится иметь дело с радиопомехами
индустриального происхождения. Они создаются в результате, как правило,
неудовлетворительной работы сравнительно близко расположенных к приемникам
радиостанций различных промышленных электроустановок, высоковольтных линий
энергоснабжения и контактной сети. Чаще всего причинами возникновения этих
радиопомех является неудовлетворительное состояние разъединителей и изоляторов
высоковольтных линий энергоснабжения и контактной сети железнодорожного
транспорта. Кроме того, радиопомехи возникают из-за несовершенства конструкций
элементов и устройств энергоснабжения, а также загрязнения их химическими
веществами, содержащимися в выбросах в атмосферу промышленных предприятий.
При ежегодных плановых проверках радиосвязи постоянно
контролируется уровень радиопомех, и фиксируются участки железнодорожных станций
и перегонов с уровнем, превышающим среднестатистический.
2.7 Выводы по второй главе
Из всего выше изложенного можно сделать вывод, что
поездная радиосвязь принадлежит к числу устройств и систем, применяемых на
железнодорожном транспорте, от надежности и качества, работы которых зависит не
только удобство работы персонала обслуживающего перевозочный процесс, но и
безопасность движения. Следовательно, измерение параметров поездной радиосвязи
является очень сложным и ответственным процессом. Как показывает практика
последних лет, на качество радиосвязи применяемой на железнодорожном транспорте
большое влияние оказывают внешние помехи. Во многом этому способствует,
оформившаяся в последнее время, тенденция к увеличению числа радиостанций у
различных служб и ведомств. Поэтому автоматизация процесса измерения радиосвязи
позволит проводить измерения более качественно, чаще по времени, что должно в
конечном итоге привести к улучшению ее работы.
3. РАЗРАБОТКА УСТРОЙСТВ ПО
АВТОМАТИЗАЦИИ ПРОЦЕССА ИЗМЕРЕНИЯ ПАРАМЕТРОВ ПОЕЗДНОЙ РАДИОСВЯЗИ
3.1 Организация работы по проверке
поездной радиосвязи в вагоне-лаборатории
Работа по проверке состояния поездной радиосвязи на
железнодорожном участке осуществляется бригадой по проверке радиосвязи в
вагоне- лаборатории железнодорожной автоматики и телемеханики. При движении
вагона по перегону оператор связи в зависимости от пройденного пути, время от
времени запрашивает по рации дежурных по станции прилегающих к перегону.
Определение пройденного расстояния определяется с помощью системы контроль,
расположенной в соседней лаборатории вагона. Оператор заранее знает длину
перегона (расстояние до соседней станции), выставив это расстояние на датчике
расстояния, он следит за его изменением. В лаборатории находятся приборы,
обеспечивающие замер уровня сигнала и его девиацию. Для определения уровня
сигнала используется цифровой вольтметр СМВ-11, для определения девиации
измеритель модуляции СК3-45, а для измерения частоты посылок частотомер
Ч3-63.1. После того, как оператор запросил диспетчера, он просит у него
сообщить о том, как хорошо его слышно, и соответственно так же оценивает и
сигнал полученный от диспетчера. В процессе разговора замеряется уровень
сигнала и его девиация, а также, километр на котором производился замер. Как
правило, эту операцию должны выполнять два человека, и сложность ее состоит в
том, что необходимо очень быстро и четко снимать показания с приборов.
Создаваемая система позволит упростить эту процедуру. В основу идеи положено,
исключение человеческого фактора на процесс измерения. Как правило, оператор не
может с большой степенью точности определить показания приборов, а ответы
поездного диспетчера могут быть не разборчивыми, а запросы к нему по рации
отвлекают его от непосредственной работы.
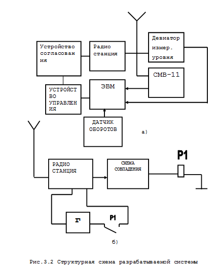
3.2 Структурная схема разрабатываемой
системы
В основу идеи модернизации процесса измерения
параметров поездной радиосвязи, положена возможность, радиостанций
регистрировать частотные посылки трех диапазонов частот: 700Гц,1000Гц,1200Гц.
Стационарная радиостанция РС-6 имеет в своем составе три цифровых выхода,
каждый соответствует одной из воспринимаемых радиостанцией рабочих частот.
Приемная радиостанция переключается в рабочее состояние (на прием) при
поступлении частотного сигнала, длительностью не менее 500 мс, а любой другой
сигнал с меньшей длительностью восприниматься как помеха, но радиостанция
регистрирует его появление на соответствующем выходе. Эта особенность и дает
возможность организовать включение радиостанции в рабочее состояние
последовательностью разно частотных импульсов (см.рис.3.1).
Из рисунка видно, что длительность одного импульса не
должна превышать 100мс, а вся серия импульсов не должна длиться более 1
секунды.
Уровень сигнала на выходах радиостанции соответствует
ТТЛ логики (U0=0.4, U1=10В), что позволяет использовать для
построения блока широко используемые микросхемы, а так же микроЭВМ.
Разрабатываемая система имеет следующую структурную
схему (см. рис.3.2). На рис.3.2а изображена структурная схема устройства находящегося
в вагон лаборатории. В него входят следующие структурные элементы:
Радиостанция - (стандартная радиостанция, применяемая
в настоящее время в вагон лаборатории).
Устройство управления, ЭВМ, устройство согласования -
это устройства вычислительного комплекса, позволяющие использовать в работе
ПЭВМ, и обеспечивающие ее интерфейс с радиостанцией. При помощи этих элементов
можно максимально автоматизировать процесс измерения параметров радиосвязи,
когда все формирование всех запросов, а так же и расшифровку полученных данных
осуществляет компьютер.
Датчик оборотов является структурной составляющей
системы контроль, находящейся в соседнем помещении, и равнозначно используемым
обеими системами.
СМВ-11- милливольтметр, применяется для определения
уровня сигнала. Милливольтметр СМВ-11 имеет в своей структуре аналоговый выход,
на котором в момент измерения появляется сигнал пропорциональный измеряемому,
таким образом оцифровав этот сигнал с помощью АЦП, мы можем использовать для
регистрации результатов ЭВМ.
Помимо милливольтметра в вычислительный комплекс
входят так же и измеритель уровня модуляции и частотомер. Данные с этих
приборов так же легко могут быть преобразованы в цифровое выражение для
дальнейшего использования.
На рис.3.2б представлена структурная схема устройства,
которое устанавливается на все стационарные радиостанции. В состав его входят
радиостанция аналогичная той, которая установлена в вагоне лаборатории, а также
разрабатываемый нами блок «схема совпадения», в задачи которого входит
декодировать частотные посылки и в случае их совпадения включать в цепь
радиостанции генератор тестового сигнала.
3.3 Разработка принципиальной схемы
устройства декодирования кодовых сигналов
Блок управления стационарной радиостанцией, может быть
активизирован, т.е. включен в процесс, когда он переводит радиостанцию в
рабочий режим (на передачу) при помощи серии импульсов различной частоты,
причем количество этих импульсов может быть различным и их комбинации могут,
изменятся в произвольном порядке. Но для каждой радиостанции кодовая посылка
заранее определена и аппаратно закреплена за ней. В данном дипломом проекте
рассматривается два варианта таких кодовых посылок: двух- и трехчастотные.
Возможные комбинации частот в кодовых посылках приведены в таблицах (табл.3.1
для двухчастотного варианта, и табл.3.2 для трехчастотного варианта).
Таблица 3.1 Варианты двухчастотного кода
|
Первая частота
|
Вторая частота
|
|
F1
|
F2
|
|
F2
|
F1
|
|
F1
|
F1
|
|
F2
|
F1
|
Таблица 3.2 Варианты трехчастотного кода
|
Первая частота
|
Вторая частота
|
Третья частота
|
|
F1
|
F3
|
F2
|
|
F2
|
F1
|
F3
|
|
F2
|
F3
|
F1
|
|
F3
|
F1
|
F2
|
|
F3
|
F2
|
F1
|
|
F1
|
F2
|
F3
|
Каждая радиостанция, расположенная вдоль перегона
оснащается индивидуальным частотным кодом. Лишь при наличии на входе
соответствующей комбинации система включается на передачу. Рассмотрим виды
декодирующих блоков для обоих случаев кодовых слов, причем реализуем схемы, как
на жесткой логике, так и на однокристальном микроконтроллере.
3.4 Реализация решающей схемы на
жесткой логике
Синтеза заданной схемы представляет собой синтез
асинхронного автомата. Используем для синтеза графический метод. В качестве
элементов памяти в автомате будем использовать RS-триггеры. На рис.3.3 представлен граф автомата для случая
двухчастотного кода с возможностью использования различных частот.
На рис.3.3 представлен граф абстрактного автомата. На
нем проставлены лишь входные и выходные воздействия.
Рис.3.4 Структурный граф автомата для двухчастотного
кода с различными частотами
Для структурного автомата необходимо определить
количество элементов памяти. Так как у нас состояний элементов всего два то для
их кодирования нам будет достаточно и двух разрядов, а, следовательно, двух
триггеров. Закодируем внутренние состояния и входные и выходные воздействия
(см.таб. 3.3, таб.3.3, таб.3.5).
Таблица 3.3 Внутренние состояния
Таблица 3.4 Входные воздействия
|
X1
|
X2
|
|
Z1
|
0
|
0
|
|
Z2
|
1
|
0
|
|
Z3
|
0
|
1
|
|
Z4
|
1
|
1
|
Таблица 3.5 Выходные воздействия
|
Y1
|
Y2
|
|
W1
|
0
|
0
|
|
W2
|
1
|
0
|
|
W3
|
1
|
1
|
Далее нарисуем граф структурного автомата (рис.3.4).
Затем на графе проставляются переходы состояний элементов памяти, т.е.
осуществляется кодировка внутренней связи автомата. Для этого рассматриваются
поразрядные переходы элементов памяти из одного состояния в другое. Имеется,
введу переходы триггеров из одного состояния в другое. При этом на входы
установки и сброса триггера устанавливаются различные сигналы [8.,с.36].
Рис.3.5 Граф абстрактного автомата для случая
одночастотной посылки
Так как схемы будем строить для прямых входов (тогда
инверсные легко получить) в дальнейшем на графе не будут проставляться функции
инверсных
Рис.3.6 Граф структурного автомата для случая
одночастотной посылки переходов.
Таким образом, на структурном графе должны быть
проставлены:
1.
Закодированные
входы, выходы и внутренние состояния.
2.
Функции
переходов, для заданных по условиям задачи элементов памяти.
По полученному графу далее записываются функции
переходов и функции выходов, т.е. определяются логические функции, по которым
элементы памяти соединяются в комбинационной схеме. Иначе говоря, составляется
комбинационная схема. Первыми определяются функции выходов. Согласно кодировки
у нас два выхода Y1 и Y2. Функция, получается, по следующим
соображениям. Так как функция выхода зависит от состояния схемы в данный момент
времени (вершина из которой выходит дуга) и то выходного воздействия (выходного
сигнала поставленного на этой дуге) то для получения формулы необходимо
определить эти величины для каждой дуги содержащей данный выходной сигнал.
Минимизировав полученные выражения, получим комбинационную схему для выходных
функций.
Далее определяем функции возбуждения триггеров, т.е.
находим взаимосвязь между комбинационной схемой и элементами памяти. Принцип
получения этих формул такой же, как и для функций выходов.
После всех проведенных операций проведем операцию
минимизации полученных функций, при помощи законов алгебры логики.
Таким образом, для случая одночастотной посылки
получим:
B=0
Для случая двухчастотной посылки получим:
Для реализации устройства на жесткой логике для
варианта трехчастотной посылки применяем такие же методы. В этом случае таблицы
внутренних состояний, входных и выходных воздействий примут вид (см. таб.3.6,
таб.3.7, таб.3.8).
Таблица 3.6 Внутренние состояния системы
|
A
|
B
|
|
A0
|
0
|
0
|
|
A1
|
0
|
1
|
|
A2
|
1
|
0
|
|
A3
|
1
|
1
|
Таблица 3.7 Входные воздействия системы
|
X1
|
X2
|
X3
|
|
Z1
|
0
|
0
|
0
|
|
Z2
|
0
|
0
|
1
|
|
Z3
|
0
|
1
|
0
|
|
Z4
|
0
|
1
|
1
|
|
Z5
|
1
|
0
|
0
|
|
Z6
|
1
|
0
|
1
|
|
Z7
|
1
|
1
|
0
|
|
Z8
|
1
|
1
|
1
|
Таблица 3.8 Выходные воздействия системы
|
Y1
|
Y2
|
|
W1
|
0
|
0
|
|
W2
|
1
|
0
|
|
W3
|
1
|
1
|
Графы абстрактного и структурного автоматов строятся
по описанным ранее принципам (см. рис.3.7, рис.3.8).
По полученным графам определяем формулы выходов и
возбуждения триггеров. Для случая трехчастотной посылки они будут иметь вид:
По полученным формулам строим схемы. Схема для
двухчастотного варианта с посылкой из одинаковых частот представлена в
приложении рис.П1.1, а для посылки с различными частотами на рис.П1.2. В случае
если кодовая посылка будет строиться из трех частот, можно будет использовать
схему представленную на рис.П1.3.
.5 Реализация временных задержек в
схемах на жесткой логике
Для реализации временных задержек в
схемах используется микросхема К155АГ3. Эта схема содержит в себе два ждущих
мультивибратора с возможностью перезапуска. Условное обозначение и цоколевка
приведены на рис.3.8.

Имеющей три входа: вход сброса R (Активный уровень низкий) и два
входа запуска А и В. Вход, а инверсный с активным низким уровнем, а вход В
прямой с активным высоким уровнем напряжения. К входам микросхемы подключаются
резисторы и конденсаторы, предназначенные для задания временных параметров. В
разрабатываемой системе данные одновибраторы выполняют роль таймеров отмеряющих
интервалы времени размером в одну секунду и пять секунд. Расчет номиналов
резисторов и конденсаторов производится по формуле.
tИ.ВЫХ=0.28CtRt(1+0/7/R); (3.1)
Подставляя в выражение (3.1) параметры времени
подберем параметры элементов [10.,с.78].
Для временного интервала в одну секунду номиналы
элементов составят: R=100кОм, C=40мкФ.
Для временного интервала в пять секунд эти же элементы
примут значение: R=500кОм, C=40мкФ.
Марки микросхем и элементов представлены в
спецификации.
3.6 Реализация решающего устройства
на базе однокристального микроконтроллера К1816ВЕ51
Поставленную задачу так же с успехом можно решить,
применив в качестве базового устройства однокристальный микроконтроллер.
Алгоритм функционирования такого микроконтроллера представлен на рис.3.9.
Данный алгоритм справедлив как для случая с двухчастотным кодом, так и для
случая с трехчастотным. Для решения поставленной задачи может быть применен
однокристальный микроконтроллер К1816ВЕ51.
В состав однокристального МК ВЕ51 входит, 8-разрядный
центральный процессор, управляющее ПЗУ, внутреннее ОЗУ данных, 32- линии
прямого ВВ, четыре тестируемых входа, канал последовательного ВВ, два
и-16-разрядных таймера/счетчика и логика двухуровневой системы прерываний с
пятью или шестью источниками запросов. Эти средства образуют резидентную часть
МК, размещенную непосредственно на кристалле. Базовая организация предоставляет
встроенные средства расширения своих ресурсов, которые предусматривают либо
реализацию вне кристалла всей памяти программ, либо расширение памяти,
имеющейся внутри кристалла до 64К байт. Имеется возможность подключения
дополнительной внешней памяти данных в 64К байт. Дальнейшее расширение ресурсов
может быть выполнено только с помощью внешних средств.
Для сокращения ширины физического интерфейса
большинство логических линий совмещаются. Так, при обращениях к внешней памяти
порт РО выполняет роль совмещенной шины адреса/данных, а Р2-шины старшей части
адреса. Все выводы порта РЗ выполняют роль линий управления и специального ВВ.
В архитектуре ВЕ51 и ее модификациях использован
стандартный для МК принцип независимости сред для хранения.
Приборы семейства ВЕ51/8052 размещаются в стандартных
40-выводных корпусах, для их работы требуется единственный источник питания +5
В. Встроенный в схему генератор рассчитан на работу с кварцевым резонатором
(диапазон частот 3,5-12 МГц), подключенным к выводам XTAL1 и XTAL2. Возможно также использование
внешнего ГТИ с подачей тактовых импульсов на вывод XTAL1.
Рис.3.9 Алгоритм функционирования системы
Подсистема ВВ микроконтроллера ВЕ51 размещается
непосредственно на кристалле. Для ВВ данных и управления процессом их передачи
в состав МК введен ряд портов данных и регистров управления/состояния,
совокупность которых образует набор специальных регистров. Физическая система
ВВ микроконтроллера ВЕ51 состоит из четырех двунаправленных 8-разрядных портов
РО-РЗ. Все порты ВВ отображены в пространстве внутренней памяти DSEG по адресам 80Н, 90Н, ОАОН, ОВОН и
ничем не отличаются от обычных ячеек памяти. Отказ от изолированного
пространства ВВ, позволил увеличить вычислительную эффективность МС
интенсивного ВВ, привел к более регулярной структуре набора команд ВЕ51. Если
ранее для увеличения возможностей арифметико-логической обработки данных ВВ
было необходимо вводить ряд новых команд.
К стандартным средствам поддержки режима реального
времени относятся таймеры/счетчики и подсистема прерываний. Если таймеры
необходимы для организации системных меток реального времени и отработки
временных интервалов, то подсистема прерываний обеспечивает своевременную
реакцию МК на асинхронные события, происходящие как внутри МС, так и вне ее.
В состав ВЕ51 входят два 16-разрядных таймера/счетчика
СТО, СТ1. Еще один (СТ2) добавлен в архитектуре 8052. Состояние
таймеров/счетчиков отражается программно-доступными регистровыми парами (THO, TLO), (TH1, TL1) и (ТН2, TL2) соответственно, размещенными в пространстве DSEG по адресам (8СН, 8АН), (8DH, 8ВН) и (OCDH, ОССН).
Таймеры/счетчики СТО-СТ2 могут быть запрограммированы
для работы либо в качестве таймера, либо в качестве счетчика. Функция таймера
состоит в счете числа машинных циклов, следующих с частотой OSC/12. Функция счетчика заключается в
отслеживании числа переходов из 1 в 0 на соответствующих входах ТО, Tl, T2 [11.,с.121].
Управление режимом работы СТО, СТ1 осуществляет
регистр TMOD (Timer/Counter Mode), который
расположен по адресу 89Н. Регистр разбит на два 4-разрядных подрегистра TOMOD и T1MOD, которые
ответственны за управление СТО и СТ1 соответственно.
Электрические, принципиальные схемы включения
микроконтроллера приведены в приложении (см. рис.П2.1,П2.2,П2.3).
Определим временные задержки, которые будет
отсчитывать контроллер за время своей работы. В процессе работы контроллер
получает частотную посылку, которая длиться не более одной секунды, как только
контроллер получает первую частоту из трех или двух, он перейдет в режим ожидания,
который длиться не более одной секунды. Это необходимо для того чтобы отличить
помеху от полезного сигнала. Вторым временным интервалом, отмеряемым
контроллером является длительность тестового импульса (сигнала). Время выдачи
тестовой посылки составляет не более пяти секунд.
Определим константы времени для таймеров. В качестве
внешнего тактового генератора выбран кварцевый резонатор с частотой работы
12Мгц. Таймеры контроллера работают во втором режиме. В этом режиме таймер
считает импульсы, поступающие от тактового генератора с предварительным
делением их на двенадцать. Таймер представляет собой счетчик, который на каждом
такте своей работы инкрементирует свое состояние, следовательно, окончание
счета является его переполнение. Объем счетчика составляет шестнадцать бит.
Ниже приводиться листинг программ для контроллера с
комментариями.
Программа определения кодовой комбинации при
двухчастотной посылке для варианта различных частот (F1, F2).:
MOV IE,#00H;запрет всех прерыванийP0,0FFH; установка портов в рабочее
состояние
MOV P1,00H;WORK;000B: MOV A,R0; точка выхода
прерывания таймераINIT; блок цикла для таймера
DEC R0;W3;INIT;
WORK: MOV P0,0FFH; опрос начала первой рабочей
посылкиP0.0,WORK;: MOV P0,0FFH; ожидание окончания посылкиP0.0,W1;IE,#80H;
разрешение прерываний: MOV R0,#0FH;: MOV TMOD,#02H;режим работы
таймераTL0,#00;загрузка таймераTH0,#00;TCON,#10H; запуск таймера: MOV P0,0FFH;
подготовка портаP0.1,WORK1; ожидание второй кодовой
посылкиR0,4DH;TCON,#00H;остановка счетаP1.0; сигнал включения системы: MOV
TMOD,02H; определение режима работы таймераTL0,#00H; загрузка
таймераTH0,#00H;TCON,#10H;A,R0; определение временного параметра дляINIT;
работы таймераR0;W4
Программа определения кодовой комбинации при
двухчастотной посылке для варианта одинаковых частот (F1, F1).:
MOV IE,#00H;запрет всех прерыванийP0,0FFH; установка портов в рабочее состояние
MOV P1,00H;WORK;000B: MOV A,R0;точка выхода
прерывания таймераINIT; блок цикла для таймера
DEC R0;W3;INIT;
WORK: MOV P0,0FFH; опрос начала первой рабочей
посылкиP0.0,WORK;: MOV P0,0FFH; ожидание окончания посылкиP0.0,W1;IE,#80H;
разрешение прерываний: MOV R0,#0FH;: MOV TMOD,#02H;режим работы
таймераTL0,#00;загрузка таймераTH0,#00;TCON,#10H; запуск таймера: MOV P0,0FFH;
подготовка портаP0.0,WORK1; ожидание второй кодовой
посылкиR0,4DH;TCON,#00H;остановка счетаP1.0; сигнал включения системы: MOV
TMOD,02H; определение режима работы таймераTL0,#00H; загрузка
таймераTH0,#00H;TCON,#10H;A,R0; определение временного параметра дляINIT;
работы таймераR0;W4
Программа определения кодовой комбинации для варианта
трехчастотной посылки (F1,F2,F3): MOV IE,#00H;запрет всех прерыванийP0,0FFH; установка
портов в рабочее состояниеP1,00H;WORK
T000B: MOV A,R0; точка выхода прерывания таймераINIT; блок
цикла для таймера
DEC R0;W3;INIT;
WORK: MOV P0,0FFH; опрос начала первой рабочей
посылкиP0.0,WORK;IE,#80H; разрешение прерываний: MOV R0,#0FH;: MOV
TMOD,#02H;установка режима работы счетчикаTL0,#00; загрузка
таймераTH0,#00;TCON,#10H; запуск таймера: MOV P0,0FFH; опрос второй кодовой
посылкиP0.1,WORK1;: MOV P0,0FFH;ожидание третьей кодовой посылки
JNB P0.2,WORK2;R0,4DH;
MOV TCON,#00H;остановка таймераP1.0; выдача
управляющего воздействия: MOV TMOD,02H; загрузка таймера
MOV TL0,#00H;TH0,#00H;TCON,#10H;запуск таймераA,R0;INIT;R0;W4;
Алгоритм работы контроллера реализован на языке
Ассемблер-51 при помощи программы ассемблера фирмы Natural Software System-A51, и
отлажена на эмуляторе отладчике ОМК ВЕ51-FD51. Листинги отлаженных и откомпилированных файлов приведены
в приложении.
3.7 Выводы по третьей главе
В третьей главе данного дипломного проекта были
рассмотрены данные о разрабатываемой системе. Для решения поставленных задач
может использоваться электронный блок на базе элементов жесткой логики, или
устройство, построенное с применением однокристального микроконтроллера
К1816ВЕ51. И тот, и другой способ может с успехом применяться при построении
подобных устройств. Оба способа реализации решающего устройства имеют свои
достоинства и недостатки. Блок на жесткой логике более прост в реализации, но
менее надежен. Блок на микроконтроллере более надежен, но требует больших
затрат.
Главным условием при построении подобных устройств
является их простота и надежность. Необходимо быть уверенным, что устройство
будет способным принять кодовую посылку и выдать ответный сигнал, поскольку
отказ устройства может привести к ошибочным заключениям о состоянии радиосвязи
в данной точке перегона. Устройство должно быть простым в установке и
демонтаже, так как его обслуживанием могут заниматься малоквалифицированные
служащие.
Разработанные устройства отвечают всем перечисленным
требованиям.
4. ТЕХНИКО-ЭКОНОМИЧЕСКИЙ РАСЧЕТ
Хозяйство автоматики, телемеханики и связи играет
большую роль в обеспечении безопасного и четкого движения поездов, повышения
скорости и пропускной способности дорог, бесперебойной связи между всеми
подразделениями железнодорожного транспорта, своевременной передачи информации,
указаний и распоряжений. От развития устройств автоматики, телемеханики и связи
во многом зависит культура перевозок и эффективное использование подвижного
состава и постоянных устройств ряда других отраслей транспортного хозяйства.
Применение на железнодорожном транспорте поездной
радиосвязи и ее модернизация, относится к мероприятиям, связанным с повышением
надежности работы информационно-управляющих систем, научной организацией
производства, совершенствованием и модернизацией технических средств,
внедрением изобретательских и рационализаторских предложений, дополнительными
мерами по улучшению условий и облегчению труда, применением новых методов
ремонта и новых, более прогрессивных технологических процессов.
Эти мероприятия имеют большое значение для повышения
эффективности ведения хозяйства и в то же время требуют менее значительных
капитальных затрат, чем мероприятия строительства и организации работы отрасли
в целом. Финансирование этих мероприятий осуществляется за счет фондов развития
производства, кредитов банка и внутренних резервов предприятий.
Определение экономической эффективности мероприятий
данной группы требует менее сложных расчетов и чаще всего ограничивается
расчетами прямого эффекта, проявляемого в различных показателях с учетом
снижения эксплуатационных расходов и роста производительности труда.
Среди показателей, определяющих и анализирующих экономическую
эффективность, при применении поездной радиосвязи, наиболее весомыми являются:
1. Производственно - эксплуатационные и
натуральные показатели:
1
Надежность. Так как источник радиостанция
поездной радиосвязи реализована на микросхемах большой степени интеграции с
минимальным применением коммутирующих цепей, с применением современных
компонентов, его надежность значительно выше ранее разработанных приборов.
Здесь стоит упомянуть о надежности передачи информации.
2
Срок службы. Является производным показателем
надежности;
3
Качество
продукции. При
применении интегральных микросхем и современной элементной базы достигается
значительно более высокое качество производства источника бесперебойного
питания;
4
Производительность
труда. Этот
показатель является одним из основных, который достаточно точно характеризует
эффективность применения поездной радиосвязи в отрасли железнодорожного
транспорта. Производительность труда резко повышается в связи с улучшением
технических характеристик оборудования;
5
Условия труда. Санитарно-гигиенические условия
труда также повышаются. Это обеспечивается автономностью работ по проверке
работоспособности устройств поездной радиосвязи
1. Стоимостные показатели:
1
Эксплуатационные
расходы. Расходы на
эксплуатацию модернизированной поездной радиосвязи снижаются, что
обеспечивается его техническими характеристиками;
2
Затраты на
производство. Затраты на производство поездной радиосвязи могут быть рассчитаны
исходя из стоимости применяемых компонентов и стоимости труда.
Расчеты экономической эффективности любого мероприятия
основаны на соизмерении затрат с полученными результатами от их внедрения.
Экономическая эффективность базируется на параметрах техники,
технико-экономических показателях и является обобщающей. Поэтому обоснование
вариантов называют технико-экономическими, определяют технико-экономическую
эффективность.
Технико-экономическая эффективность характеризуется
отношением технического эффекта в виде улучшения технического параметра или
качественного показателя к трудовым или стоимостным затратам. В качестве
улучшения технического параметра можно рассматривать повышение надежности
работы поездной радиосвязи. При этом следует учитывать тот факт, что внезапное
отключение поездной радиосвязи может не только принести неудобства в работе, но
и привести к крушению.
Определим стоимость разработки модернизированного
блока поездной радиосвязи. Существует методика расчета цен по
научно-техническим разработкам и изготовлению продукции. Эта методика
устанавливает единый подход к назначению договорных цен по научно-техническим
разработкам продукции. Основывается данная методика на следующих
нормативно-технических документах:
3
основные
положения по планированию, учету и калькулированию затрат на НИОКР;
4
методические
указания о порядке исчисления налога на добавленную стоимость;
5
методические
указания о порядке исчисления и уплаты в бюджет чрезвычайного налога;
6
уплата дорожного
налога;
7
постановление РБ
о размере отчислений в Государственный фонд содействия занятости;
8
другие
постановления правительства и документы, принятые на их основе.
Цена на продукцию определяется по формуле:
Ц = С + П + НДС + НФЗ + ЧН + НДФ +
ФНИОКР
которая включает следующие показатели:
Первая составляющая цены C - себестоимость
продукции:
С = М + Р + О + Пп,
где М - расходы на закупку материалов и
комплектующих по данной разработке;
Мi = åni*Элi,
где ni- количество однотипных элементов i;
Элi - стоимость одного элемента i.
Таблица 4.1 Стоимость комплектующих
|
Элементы
|
|
Элi у.е
|
Мi У.е
|
|
1.Резисторы 2.Конденсаторы
3.Кварцевый резонатор 4.Реле 5.Предохранители 6. Кнопка 7.Микросхемы
К155ЛН1 К155ЛИ1 К155ЛИ3 К155ЛП5 К155ЛД3 К155ЛП2 К155ЛЕ1 К155АГ3 8.
Разъем 9 выв. Розетка 9. КОМПЬЮТЕР (Р-233) ВСЕГО
|
5 3 1 1 1 1 1 3 2 1 3 1 1 2
1 1
|
0.02 0.18 1.74 0.51 0.5 0.6
0.25 0.23 0.43 0.54 0.46 0.46 0.30 0.61 2.03 473
|
0.1 0.54 1.74 0.51 0.5 0.6
0.25 0.69 0.86 0.54 1.38 0.46 0.30 1.22 2.03 473 483,72
|
В таблице представлены типы, количество и цены
комплектующих, использованных для построения усовершенствованного блока для
поездной радиосвязи. Необходимо учесть, что приобретаемый компьютер будет
использоваться равнозначно тремя подразделениями лаборатории, поэтому затраты
на его приобретение для данного случая составят треть его реальной стоимости.
Затраты на приобретение микросхем будут исчисляться с учетом того, что
разрабатываемый блок должен устанавливаться на каждой радиостанции на железной
дороге. Так как на Белорусской железной дороге шесть отделений, а в каждом
отделении порядка сорока станций то полученную сумму необходимо умножить на
двести сорок.
Итого получаем
М = åм = 2970,08 у.е.,
Р - расходы на оплату труда,
Р = å Чi × ti × Чсти
где Чсти - часовая ставка;
Чi - численность штата, Чi = 1;- время
разработки, ti= 500 час.
Чсти = З-та × 3/170 =40 ·2,9 = 118,8 у.е.,
где З-та - заработная плата, З-та = 10 у.е.;
- среднее рабочее время за месяц.
Таким образом, расходы на оплату труда составят:
Р = 3×40×2,9 = 356 у.е.,
О - отчисления на соцстрах составляют 35% от расходов на оплату труда
О = Р × 0,35 = 356 × 0,35 = 124,6 у.е.,
Пп -прочие расходы, т.е. непредвиденные
расходы, составляют 5 -10% от
Р
Пп = Р× 0,1 = 356 × 0,1 = 35,6 у.е.,
Себестоимость продукции С составит:
С = 2970,08 + 356 + 124.6 + 35,6 =
3486,28 у.е.,
Вторая составляющая цены П - прибыль
П = Р × К × Нр,
где К - коэффициент отношения общих расходов на
оплату труда работников основной деятельности к расходам на оплату труда
работников подразделений;
К=1,27 (устанавливается Советом предприятия).
Нр- норматив рентабельности (устанавливается Советом
предприятия)
Нр = 40,1% + 6,5% = 46,6% = 0,466,
где 6,5% - объем отчисление на содержание дошкольных
учреждений, установленный Гомельским Горсоветом.
Таким образом, прибыль составит:
П = Р × 1,27 × 0,466 = 356 × 1,27 × 0,466 = 210,69 у.е.,
Третья составляющая цены НДС - налог на
добавленную стоимость:
НДС = (Р + С + П) × 0,25 = (356+ 516,2 + 210,69) × 0,25 = 270,7 у.е.,
где 0,25 - ставка налога на добавленную стоимость,
определяемая Правительством РБ.
Четвертая составляющая цены НФЗ - налог в фонд
занятости:
НФЗ = Р × К × 0,01 = 356 × 1,27 × 0,01 = 4,5 у.е.,
где 0,01 - норматив отчислений в фонд занятости,
установленный Правительством РБ;
Пятая составляющая цены ЧН - чрезвычайный
налог:
ЧН = Р × К × 0,08 = 356 × 1,27 × 0,08 = 36,17 у.е.,
где 0,8 - норматив, установленный правительством РБ.
Шестая составляющая цены НДФ - налог на
дорожный фонд:
НДФ = (С + П) × 0,01 = (3486,28 + 210,69) × 0,01= 36,97 у.е.,
где 0,01 - норматив налога в дорожный фонд,
установленный правительством РБ;
Седьмая составляющая цены ФНИОКР - фонд НИОКР:
ФНИОКР = C × 0,015 =3486,28 × 0,015 = 52,29 у.е.,
где 0,015 - норматив от стоимости работ в фонд НИОКР
установлен Госкомпромом РБ.
Таким образом, цена на проектированный блок радиосвязи
составит:
Ц = С + П + НДС + НФЗ + ЧН + НДФ +
ФНИОКР = 3486,28 + 210,69 + 270,7 + 4,5 + 36,17 +36,97 + 52,29 = 4097,6 у.е.,
Данный расчет наглядно демонстрирует, во сколько
обойдется разработка устройства усовершенствования проверки поездной
радиосвязи. Т.е. при разработке потребуется затратить с учетом всех налогов
4097,6 у.е.
Определим срок окупаемости данной системы. Данный
расчет производится следующим образом. Определим, сколько будет экономить
дорожная лаборатория после внедрения этой системы, если до ее внедрения
операцию по проверке работоспособности системы радиосвязи выполняло два
человека. Экономический эффект от внедрения этой системы составит экономия
заработной платы этого работника.
Определим срок окупаемости данной системы. Данный
расчет производится следующим образом. Определим, сколько будет экономить
дорожная лаборатория после внедрения этой системы, если до ее внедрения
операцию по проверке работоспособности системы радиосвязи выполняло два
человека. Экономический эффект от внедрения этой системы составит экономия
заработной платы этого работника. заработная плата работника составит зарплату
разработчика, без учета НДС, и составит 69.89 у.е. Для определения срока
окупаемости разделим полученное число затрат на сумму экономии:
Окуп=Затр/Эконом=4097,6/838,68»4,8 лет;
5.
ОБЕСПЕЧЕНИЕ БЕЗОПАСНОСТИ ПРИ ОБСЛУЖИВАНИИ УСТРОЙСТЫ ПО ПРОВЕРКЕ ПАРАМЕТРОВ
ПОЕЗДНОЙ РАДИОСВЯЗИ В ВАГОН-ЛАБОРАТОРИИ АВТОМАТИКИ ТЕЛЕМЕХАНИКИ И СВЯЗИ
Основной задачей транспорта является полное и
своевременное удовлетворение потребностей народного хозяйства и населения в
перевозках, повышение эффективности качества работы транспортной системы. В
области пассажирских перевозок перед транспортом поставлены задачи
значительного улучшения обслуживания пассажиров.
Не маловажным остается и тот факт, что на сегодняшний
день самым безопасным остается железнодорожный транспорт. Этому во многом
способствуют те системы обеспечения безопасности движения, к которым относиться
и поездная радиосвязь.
Поездная радиосвязь является наиболее уязвимым звеном
во всей этой системе. На качество ее работы влияют как внешние, так и
внутренние факторы, к которым можно отнести неисправность самой системы, ошибки
в проектировании и обслуживании. К внешним факторам можно отнести
увеличивающееся в последнее время число радиостанций используемых различными
службами и ведомствами, что вносит соответствующее неудобство в работу.
От качества и надежности поездной радиосвязи, в
конечном счете, зависит безопасность движения, поэтому проверка ее
работоспособности является очень сложным и ответственным технологическим
процессом.
Проверка состояния поездной радиосвязи, производиться
вагоном-лабораторией автоматики телемеханики и связи при движении этого вагона
по перегону.
Целью данного дипломного проекта является попытка
максимально автоматизировать процесс измерения параметров радиосвязи. На
рис.5.1 представлено схематическое расположение помещений в вагоне-лаборатории.
На рисунке:
1
спальные купе
2
холл
3
лаборатории
Вагон-лаборатория представляет собой пассажирский
вагон, переделанный под нужды службы автоматики и телемеханики. Он имеет как
подсобные помещения, или места отдыха, так и рабочие места (лаборатории). В
лабораториях вагона помимо измерения параметров поездной радиосвязи
производиться измерение параметров устройств АЛСН и ПОНАБ.
На рис 5.2 представлено расположение объектов в
лаборатории по измерению параметров поездной радиосвязи до модернизации
системы.
На рисунке:
1
места
радиоинженеров поездной радиосвязи
2
рабочий стол
3
частотомер
4
счетчик оборотов
колесной пары
5
микровольтметр
6
измеритель уровня
модуляции
7
радиостанция
После модернизации системы на рабочем столе инженеров
появиться персональный компьютер и универсальный измеритель спектра
(спектральный анализатор). После введения в систему персонального компьютера
работа станет менее напряженной, поэтому для ее выполнения потребуется лишь
один человек. Схема лаборатории после модернизации представлена на рис.5.3.
На рисунке:
-рабочее место оператора
-рабочий стол
-анализатор спектра
-радиостанция
-компьютер
При движении вагона в пассажирском составе вагон
испытывает вибрацию, что может негативно сказаться на работе персонального
компьютера. Поэтому в качестве ПЭВМ в вагоне используется NOTEBOOK. Электронные устройства находящиеся
внутри него жестко скреплены с корпусом, что позволяет не опасаться за их
повреждение в процессе движения. Во избежание падения компьютера во время
движения используется лоток, жестко скрепленный с рабочим столом. Размеры лотка
и внешний вид изображены на рисунке (см.рис.5.4.).
В ходе работ по проверке поездной радиосвязи в вагоне
немаловажную роль играет освещение вагона. Так как свою работу
вагон-лаборатория осуществляет в основном в ночное время суток, это происходит
из-за дневной загруженности перегона, то правильная освещенность рабочего места
оказывает положительный эффект на процесс измерения результатов.
В вагоне установлено стандартное для пассажирских
вагонов освещение. Но по своему классу вагон должен относиться к первой группе
помещений по освещенности, т.к. он является лабораторией.
Расчет электрического освещения вагонов
(светотехнический расчет) заключается в выборе типа светильника и высоты его
подвеса, числа светильников и размещения их по помещению, определение светового
потока, мощности лампы осветительной установки, для обеспечения заданных норм
освещенности рабочих поверхностей. Светотехнический расчет может производиться
тремя методами: по коэффициенту использования светового потока, по удельной
мощности и точечным методом.
Электрические схемы осветительных установок
пассажирских вагонов должны обеспечивать возможность управления электрическим
освещением из служебного отделения, а в купированных и мягких вагонах так же из
пассажирских помещений. Кроме того, должна быть предусмотрена возможность
включения частичной или полной осветительной нагрузки.
На рабочий стол инженера радиомеханика после
модернизации системы будет установлена настольная лампа. В лаборатории будет
установлено комбинированное освещение.
При комбинированном освещении в помещениях
предусматривают общее освещение, как правило, с равномерным размещением
светильников, и местное освещение светильниками, установленными на рабочих
местах. При необходимости и другие лаборатории вагона могут быть оснащены
такими переносными светильниками.
К переносным светильникам и лампам накаливания предъявляются
следующие требования:
·
корпуса и
рукоятки должны быть сделаны из теплостойких и влагостойких изолирующих
материалов большой механической прочности; токоведущие части их должны быть
закрыты достаточно прочным защитным покрытием от случайного прикосновения;
·
провода в местах
присоединений не должны испытывать натяжения;
·
патроны с
выключателем не допускаются;
·
ввод проводов
должен быть устроен так, чтобы возможность излома их в месте ввода была бы
исключена;
·
металлические
защитные сетки, рефлекторы, крючки или дужки для подвешивания должны
укрепляться на изолирующих частях ручных светильников;
·
конструкция
патрона должна исключать возможность прикосновения к токоведущим частям.
Заменять лампы разрешается только после отключения светильника из сети
[12.,с.261].
В ходе работы по проверке параметров поездной
радиосвязи был произведен анализ вредных факторов производства. Данные по этому
анализу сведены в таб.П1.1.
ЗАКЛЮЧЕНИЕ
В ходе выполнения данного дипломного проекта были
поставлены следующие задачи: необходимо было разработать устройство, которое
могло бы воспринимать кодовый сигнал, поступающий из стационарной радиостанции
поездной радиосвязи, и при условии совпадения полученного кода и собственного
кода, замыкать радиостанцию на передачу, выдавая в эфир тестовый сигнал.
Поставленная задача была решена двумя способами,
построением системы на жесткой логике и при помощи однокристального
микроконтроллера К1816ВЕ51.
Оба варианта могут быть с успехом применены на
практике.
Преимуществом разработанных устройств является
простота их использования. Они не требуют дополнительных разработок и могут
быть размещены в корпусе радиостанции. При неисправности устройства
восстановление работоспособности должно производится при помощи смены блока,
что позволяет обслуживать подобные устройства и не высококвалифицированным
специалистам.
Введение в эксплуатацию данной разработки позволит
упростить процесс проверки параметров поездной радиосвязи, практически
устранить из данного процесса поездного диспетчера и дежурного по станции, а,
следовательно, устранить человеческий фактор. Устройство позволит максимально
увеличить число опросов радиостанций при движении по перегону, что в свою
очередь позволит судить о параметрах радиосвязи с более точной привязкой к местности.
Наибольших результатов в данной случае можно достичь если использовать в
качестве генератора и приемника запросов ПЭВМ. В заключении дипломного проекта
были рассчитаны затраты на внедрение создаваемого устройства и рассмотрены
мероприятия по проектированию рабочего места инженера.
ЛИТЕРАТУРА
1.
Алиев Т.М.,
Тер-Хачатуров А.А. Измерительная техника: Учебное пособие для технических
ВУЗов:М.:Высш.школа.,1991.-334с.
2.
Баскаков С.И.
Радиотехнические цепи и сигналы: Учебник для Вузов по спец. Радиотехника. - 2-е
изд., перераб. и доп. -М.:Высш. Шк.,1988-488с.
3.
Галкин В.И.
Начинающему радиолюбителю.-3-е изд., перераб. и доп.-Мн.:Полымя,1995.-412с.
4.
Гоноровский И.С.
Радиотехнические цепи и сигналы: Учебник для Вузов.Изд. 3-е перераб. и допю.М:,
Сов. Радио, 1977.-478с.
5.
Горбунов В.Л.,
Панфилов Д.И., Преснухин Д.Л. Справочное пособие по микропроцессорам и
микроЭВМ:- М.: Высш.школа.,1988.-272с.
6.
Методы измерения
характеристик антенн СВЧ/ Л.Н. Захарьев, А.А. Леманский и др. Под. Ред.Н.М.
Цейтлина.-М.: Радио и связь,1985.-368с.
7.
Правила
организации и расчета сетей поездной радиосвязи: Главное управление
сигнализации, связи и вычислительной техники: под ред. Э.Б. Каменева и др.М.:
Транспорт,1991.с.91
8.
Пухальский Г.И.,
Новосельцева Т.Я., Проектирование дискретных устройств на интегральных
микросхемах: Справочник.-М.: Радио и связь,1990-304с.
9.
Устинский А.А.
Степенский Б.М. Автоматика телемеханника и связь на ж/д танспорте: Учебник для
ВУЗов ж.-д.трансп. М.:Транспорт,1985-439с.
10.Цифролвые
интегральные микросхемы: Справ./М.И. Богданович, И.Н.
Прохоренко.-Мн.:Беларусь,1991.-493с.
11.Щелкунов
Н.Н., Дианов А.П. Микропроцессорные средства и системы: М.: Радио и
связь,1989.-288с.
12.Электрооборудование
вагонов: Учебник для Вузов ж.-д. Трансп./А.Е. Захорович, А.А Кремеров и др. -
М.: Транспорт,1982.367с.