Производство и проектирование станковой оснастки для токарной и сверлильной обработки крышки в техпроцессе изготовления
Производство и проектирование
станковой оснастки для токарной и сверлильной обработки крышки в техпроцессе
изготовления
Введение
станочный заготовка крышка приспособление
Научно-технический прогресс в машиностроении в значительной степени определяет
развитие и совершенствование всего народного хозяйства страны. Важнейшими
условиями ускорения научно - технического прогресса является рост
производительности труда и улучшение качества продукции.
Совершенствование технологических методов изготовления машин имеет при
этом первостепенное значение. Качество машины, надежность, долговечность и
экономичность в эксплуатации зависит не только от совершенства конструкции, но
и от совершенства ее технологии производства. Применение прогрессивных высокопроизводительных
методов обработки, обеспечивает высокую точность и качество поверхностей
деталей машин, методов упрочнения рабочих поверхностей, повышающих ресурс
работы деталей и машины, эффективное использование современных автоматических и
поточных линий, станков с программным управлением и другой новой техники,
применение прогрессивных форм организации производства и экономики
производственных процессов все это направлено на решение главных задач:
повышение эффективности производства и качества продукции.
Технический прогресс машиностроения характеризуется как
улучшением конструкции машин, так и непрерывным совершенствованием технологии
их производства. Основная задача изготовить машину заданного качества и в
нужном количестве при наименьших затратах материалов, машиностроительной
себестоимости и высокой производительности.
Успешное решение задач, поставленных перед промышленностью,
возможно лишь на основе глубокой специализации производства, повышения
эффективности технологического и экономического руководства с полным учетом
особенности каждой отрасли.
Значительное место в решении этих задач отводятся технологии
машиностроения науке, устанавливающей определенные закономерности повышения
производительности и экономичности технологических процессов обработки
заготовок и сборки деталей машин и механизмов. Основной задачей является
усовершенствование ранее разработанных, а также разработка новых решений в
данных областях, позволяющих с максимальной экономией сил и средств добиться
высокой точности при обработке изделий, а также выполнения всех технологических
и эксплуатационных характеристик.
Молоты, представляющие собой наиболее древний и широко распространенный
вид кузнечного оборудования, в процессе работы деформируют металл за счет
кинетической энергии падающих частей со скоростью в момент удара 3-8 м/с.
Характерной особенностью молотов является простота конструкции, надежность
работы и легкость в обслуживании. Недостаток их - ударный характер работы.
Удары вызывают сотрясения фундамента и грунта, воздействуя тем самым на
соседнее оборудование и само здание, неблагоприятно сказываются и на здоровье
работающих.
Амортизатор служит для поглощения ударных нагрузок на манипулятор в
устройствах для механической подачи и поворота поковок на больших прессах и
молотах.
1.
Проектирование станочного приспособления
1.1 Анализ конструкции детали
станочный заготовка крышка приспособление
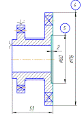
Деталь
«Крышка» - является элементом сборочной единицы «Амортизатор». Конструкция
детали представляет собой цилиндр диаметром 53 мм, длиной 51 мм с двумя
фланцами диаметром 
,
толщиной по 10 мм, и 4 ребрами жесткости.
Имеются
четыре отверстия диаметром 6мм и шесть отверстий диаметром 12мм, которые
предназначены для крепления крышки к корпусу амортизатора. Центрирование детали
происходит по цилиндрической поверхности диаметром
33мм и
торцевой выточки.
Отсюда
можно сказать, что крышка выполняет роль опоры при работе других деталей в
сборочном узле.
Количество партии деталей 31000 шт/год
Материал заготовки - СЧ 15 ГОСТ 1412-79
1.2 Анализ технологического процесса, включая выполняемую операцию
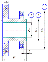
005 Токарная операция
Токарно-винторезный станок 16К20
1. Установить, выверить и закрепить заготовку
. Подрезать торец, выдерживая размеры «1» согласно чертежу
-0005 Резец ВК6 ГОСТ 18880-73
Штангенциркуль ШЦК-Т-I-150-0,1 ГОСТ 166-89
. Подрезать торец, выдерживая размер «2» согласно чертежу
-0005 Резец ВК6 ГОСТ 18880-73
Штангенциркуль ШЦК-Т-I-150-0,1 ГОСТ 166-89
. Расточить сквозное отверстие, выдерживая размер «3» согласно чертежу
-0011 Резец ВК6М ГОСТ 18062-73
Штангенциркуль ШЦК-Т-I-150-0,1 ГОСТ 166-89
. Переустановить, выверить и закрепить заготовку
. Подрезать торец, выдерживая размеры «4» согласно чертежу
-0005 Резец ВК6 ГОСТ 18880-73 T07
Штангенциркуль ШЦК-Т-I-150-0,1 ГОСТ 166-89 О08
. Расточить выточку, выдерживая размеры «5» согласно чертежу
-0005 Резец ВК6 ГОСТ 18880-73
Штангенциркуль ШЦК-Т-I-150-0,1 ГОСТ 166-89
.Снять заготовку
.Измерить размеры
Штангенциркуль ШЦК-Т-I-150-0,1 ГОСТ 166-89
010 Вертикально-сверлильная
Вертикально-сверлильный станок 2Н125
.Установить, выверить и закрепить заготовку в приспособлении
. Сверлить 6 сквозных отверстий, выдерживая размеры согласно чертежу
2301-0403
Сверло 
12 Р6М5
ГОСТ 2092-77
Штангенциркуль
ШЦЦ-I-300-0,01 ГОСТ 166-89
.
Переустановить, выверить и закрепить заготовку в приспособлении
.
Сверлить 4 сквозных отверстий, выдерживая размеры согласно чертежу 2300-1024
Сверло 
6 Р6М5
ГОСТ 19544-74
Штангенциркуль
ШЦЦ-I-300-0,01 ГОСТ 166-89
.
Снять деталь
.
Измерить размеры
Контрольная
1.3 Станочный парк
Токарно-винторезный станок 16К20
|
Наименование
параметров
|
Ед.изм.
|
Величины
|
|
Класс точности
|
|
Н
|
|
Наибольший диаметр
обрабатываемой заготовки над станиной
|
мм
|
400
|
мм
|
220
|
|
Наибольший
диаметр обрабатываемого прутка
|
мм
|
50
|
|
Наибольшая
длинна обрабатываемого изделия
|
мм
|
710, 1000,
1400, 2000
|
|
Предел числа
оборотов шпинделя
|
об/мин
|
12,5-1600
|
|
Пределы подач
|
|
|
|
- продольных
|
мм/об
|
0,05-2,8
|
|
- поперечных
|
мм/об
|
0,025-1,4
|
|
Наибольшее
усилие допускаемое механизмом подач на упоре
|
|
|
|
- продольное
|
кгс
|
800
|
|
- поперечное
|
кгс
|
460
|
|
Наибольшее
усилие допускаемое механизмом подач на резце
|
|
|
|
- продольное
|
кгс
|
600
|
|
- поперечное
|
кгс
|
360
|
|
Мощность
электродвигателя главного движения
|
кВт
|
11
|
|
Габариты станка
(Длинна)
|
|
|
|
- длинна
|
мм
|
2505, 2795,
3195, 3795
|
|
- ширина
|
мм
|
1190
|
|
- высота
|
мм
|
1500
|
|
Масса станка
|
кг
|
2835, 3005,
3225, 3685
|
Вертикально-сверлильный станок-2Н125
|
Наименование
параметров
|
Ед.изм.
|
Величины
|
|
Наибольший
диаметр сверления в стали 45 ГОСТ 1050-74
|
мм
|
25
|
|
Размеры конуса
шпинделя по ГОСТ 25557-82
|
|
Морзе 3
|
|
Расстояние от
оси шпинделя до направляющих колоны
|
мм
|
250
|
|
Наибольший ход
шпинделя
|
мм
|
200
|
|
Расстояние от
торца шпинделя до стола
|
60-700
|
|
Расстояние от
торца шпинделя до плиты
|
мм
|
690-1080
|
|
Наибольшее
(установочное) перемещение сверлильной головки
|
мм
|
170
|
|
Перемещение
шпинделя за один оборот штурвала
|
мм
|
122, 46
|
|
Рабочая
поверхность стола
|
мм
|
400х450
|
|
Наибольший ход
стола
|
мм
|
270
|
|
Установочный
размер центрального Т-образного паза в столе по ГОСТ 1574-75
|
мм
|
14H9
|
|
Установочный
размер крайних Т-образных пазов в столе по ГОСТ 1574-75
|
мм
|
14H11
|
|
Расстояние
между двумя Т-образными пазами по ГОСТ 6569-75
|
мм
|
180
|
|
Количество
скоростей шпинделя
|
|
12
|
|
Пределы чисел
оборотов шпинделя
|
об/мин
|
45-2000
|
|
Количество
подач
|
|
9
|
|
Пределы подач
|
мм/об
|
0,1-1,6
|
|
Наибольшее
количество нарезаемых отверстий в час
|
|
60
|
|
Управление
циклами работы
|
|
ручное
|
|
Род тока
питающей сети
|
|
трёхфазный
|
|
Напряжение
питающей сети
|
В
|
380/220
|
|
Тип двигателя
главного движения
|
|
4АM90L4
|
|
Мощность
двигателя главного движения
|
кВт
|
2,2
|
|
Тип
электронасоса охлаждения
|
|
Х14-22М
|
|
Мощность
двигателя электронасоса охлаждения
|
кВт
|
0,12
|
|
Производительность
электронасоса охлаждения
|
л/мин
|
22
|
|
Высота станка
|
мм
|
2350
|
|
Ширина станка
|
мм
|
785
|
|
Длина станка
|
мм
|
915
|
|
Масса станка
|
кг
|
880
|
1.4 Выбор элементов базирования и зажима заготовки
После переустановки детали
При сверлильной операции заготовка будет закреплена в сверлильном
приспособлении.
2.Расчет силы зажима
Расчет требуемой силы закрепления при токарной обработке
Кулачковые патроны применяются для закрепления различных деталей,
обрабатываемых на токарных и шлифовальных станках. В кулачковых патронах
обрабатываемые заготовки устанавливаются по наружной или внутренней
поверхности.
При обработке на заготовку действуют силы резания Px, Py, Pz.
Сила Px создаёт на заготовку осевой сдвиг,
сила Py - опрокидывающий момент, Pz - крутящий момент Мрез.
Момент резания Мрез определяется по формуле:

где
Pz - сила
резания, действующая на заготовку при обр-ке [Н];
Добр.
- наружный (обрабатывающий) диаметр заготовки [мм].
Определяется
Pz:


= 243 -
постоянный коэффициент для токарной обработки;
x = 0,15 - показатель
степени для глубины резания;
y = 0,40 -
показатель степени для подачи;
n = 0,20 -
показатель степени для скорости резания;= 10*243*30,15*0,80,40*145,6960,20=6495,39
H (2)
QUOTE
рез
=Pz*
обр
2
[Н*м] (1)
Сначала
определяется сила закрепления заготовки одним кулачком: (требуемая сила
закрепления)
Сила
закрепления 
в
основном зависит от крутящего момента Мрез и
коэффициента
трения (сцепления) f между поверхностями
обрабатываемой
детали и кулачками патрона.
Z = количество
прутков патрона;
f = 0,2 -
коэффициент трения в контакте кулачков с заготовкой;
r = 42.5- радиус
зажатой кулачками детали; (т.е. заготовки)
Кз
= коэффициент заготовки (1.3 - 1.6)
з=
1*0,2*42,5=66,48

(3)
Расчет требуемой силы закрепления при сверлении
Приспособления, служащие для обработки заготовок на сверлильных станках и
имеющих кондукторные втулки для направления режущего инструмента.
Для сверления сквозного отверстия диаметром 12 мм и 6 мм рекомендуется
изготовить или заказать так называемые кондуктор. Он будет абсолютно прост в
изготовлении и использовании, необходимо что бы он повторял контур детали и на
необходимом месте у него была втулка для направления режущего инструмента. Он
будет ложиться сверху заготовки.
При сверлении на заготовки действуют силы:
Ро - сила,действующая в направлении оси вращения сверла
Р2- тангенциальная сила, касательная к поверхности резания
Ру-радиальная сила, направление перпендикулярно к оси
отверстия обработки заготовки.
Крутящий момент Мкт. Стремится повернуть заготовку вокруг оси.
Для того , чтобы предотвратить поворот заготовки , к ней необходимо
приложить силу закрепления Qз,
определяется сила закрепления заготовки,
Qз=
= 
[H],
где
f=0,2-коэффициент трения в контакте поверхностей
заготовки и зажимного элемента;
K=(1,3-1,6)-коэффициент
запаса;
D-диаметр
отверстия;
Mkp-крутящий
момент на сверле [H*m];
Крутящий
момент рассчитывается по формуле (2):

[H
m]=
,
где
См=0,0345-постоянный
коэффициент при сверлении;
D=12-диаметр
сверла;
Дм=2,0-показатель
степени для диаметра сверла;
Ум=0,8-показатель
степени для диаметра сверла;
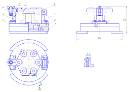
Разработка
специального приспособления
Конструкция
и работа приспособления.
Кондуктор
для сверления отверстий в детали-крышка, состоит: из основания (1) на которой
закреплен корпус (2) со стойками (3,4) на которых располагается откидывающиеся
кондукторная планка (6) в которую запресованны кондукторные втулки (7).
Деталь-крышка
устанавливается через центральное отверстие 
на
центрирующий выступ (5) расположенный в центре приспособления. Кондукторная
планка при помощи шарнирного и болтового соединения (8,9) прижимает деталь к
приспособлению что дает нам возможность просверлить отверстия в детали. Для
фиксации поворота приспособления предусмотрен механизм режима фиксации.
При
переустановки детали меняем кондукторную планку и кондукторные втулки.
Выводы
по конструкции приспособления
· Увеличивает производительность труда
· Уменьшает себестоимость
· Приспособление по конструкции удобно в эксплуатации.
· Приспособление обеспечит качественное выполнение данной
операции обработки детали
Литература
1.Методическое пособие выданное учителем.
.Справочник технолога-машиностроителя А.Г. Косиловой и Р.К.
Мещерякова