Организация беспроводного доступа в сельском районе с использованием технологии LTE

  • Вид работы:
    Дипломная (ВКР)
  • Предмет:
    Информатика, ВТ, телекоммуникации
  • Язык:
    Русский
    ,
    Формат файла:
    MS Word
    3,11 Мб
  • Опубликовано:
    2015-07-16
Вы можете узнать стоимость помощи в написании студенческой работы.
Помощь в написании работы, которую точно примут!

Организация беспроводного доступа в сельском районе с использованием технологии LTE














Дипломной проект

на тему

Организация беспроводного доступа в сельском районе с использованием технологии LTE

Список сокращений


GGP - объединение по разработке стандартов мобильной связи 3-го поколения

Cdma 2000 - стандарт мобильной связи 3-го поколения в эволюционном развитии сетей IS - 95

eNB - базовая станция стандарта LTE

E-UTRAN - сеть радиодоступа стандарта LTE

ETSI - европейский институт телекоммуникационных технологий

FDD - дуплекс с частотным разделением направлений

GERAN - сеть радиодоступа стандарта GSM/EDGE

GSM - глобальная система мобильной связи

HSPA - технология беспроводной широкополосной радиосвязи, использующая пакетную передачу данных в сетях WCDMA/UMTS

IMS - мультимедийная система передачи данных на основе протокола IP

MIMO - технология передачи данных с помощью N антенн и их приема M антеннами

OFDM - технология мультиплексирования с ортогональным частотным разделением каналов

SAE - архитектура ядра сети, разработанная для стандарта LTE

SC-FDMA - множественный доступ с мультиплексированием с частотным разнесением передачи на одной несущей

TDD - дуплекс с временным разделением направлений

UMTS - универсальная мобильная телекоммуникационная система

WCDMA - широкополосный множественный доступ с кодовым разделением каналов

СМР - строительно-монтажные работы

ЧНН - час наибольшей нагрузки

ЦП - циклический префикс

ВВЕДЕНИЕ


Бурное развитие различных технологий связи, как фиксированной, так и мобильной, вызвано, в первую очередь, повышенным интересом людей к сети Интернет. Огромная роль сети Интернет в современном мире обмена информации неоспорима и не нуждается в подтверждении. С помощью глобальной сети люди имеют возможность работать, учиться, общаться, обмениваться данными, просматривать потоковые видеофайлы, прослушивать аудиозаписи, а также пользоваться в режиме онлайн всевозможными услугами коммерческих компаний и государственных учреждений.

В России распространение доступа к сети Интернет вызывает трудности, в первую очередь, по причине обширности территории. В городах нашей страны к глобальной сети может подключиться любой желающий, исходя из своих потребностей, выбрав удовлетворяющий его тариф. При чем у городского жителя есть выбор между проводным и беспроводным доступом. Но в сельской местности дело обстоит намного хуже. Операторы связи не стремятся телефонизировать села и обеспечивать услуги доступа в Интернет, а та связь, что предоставляется, за частую вызывает нарекания. Обеспечение сельской местности высокоскоростным выходом в сеть Интернет является одним из аспектов Федеральной целевой программы «Социальное развитие села до 2015 года». Решение этой задачи приведет к еще более бурному развитию агропромышленного комплекса, повышению качества образования в сельской местности, а так же способствует притоку молодых специалистов всех сфер деятельности в село.

Для решения этой проблемы можно пойти разными путями. Можно использовать для доступа в сеть Интернет спутниковую связь, организовать доступ с помощью проводных линий связи или с помощью мобильной связи. Спутниковый доступ не удовлетворяет скоростью и слишком дорог. Доступ с помощью проводных линий возможен только при наличии на селе цифровых АТС, но по данным Федеральной службы государственной статистики за осень 2011 года цифровизация сельской местности страны составила не более 63% и продвигается медленными темпами. Доступ с помощью мобильной связи стал возможен с приходом стандартов EDGE/GSM и UMTS/HSPA, но скорость первого слишком мала для комфортной работы в сети Интернет, а действие второго зачастую не распространяется на сельскую местность по двум причинам: во-первых, мобильные операторы, в первую очередь, стараются охватить городскую местность и, во-вторых, дальность действия сигнала в диапазоне 1920-2100 МГц не высока, поэтому, чтобы охватить большие территории придется строить огромное количество базовых станций, что экономически не выгодно.

Одним из перспективных вариантов обеспечения сельской местности высокоскоростным доступом в сеть Интернет - это построение сетей сотовой подвижной радиосвязи четвертого поколения (4G). Самым подходящим стандартом 4G для решения этой задачи является технология беспроводного доступа LTE.

LTE (от англ. Long Term Evolution - эволюция в долгосрочной перспективе) - технология построения сетей беспроводной связи, созданная в рамках проекта сотрудничества в создании сетей третьего поколения 3GPP (3G Partnership Project). Основными целями разработки технологии LTE являются: снижение стоимости передачи данных, увеличение скорости передачи данных, возможность предоставления большего спектра услуг по более низкой цене, повышение гибкости сети и использование уже существующих систем мобильной связи. Главное отличие стандарта LTE от других технологий мобильной связи заключается в полном построении сети на базе IP-технологий. Радиоинтерфейс LTE обеспечивает улучшенные технические характеристики, включая максимальную скорость передачи данных более 300 Мбит/с, время задержки пересылки пакетов менее 5 мс, а также значительно более высокую спектральную эффективность по сравнению с существующими стандартами беспроводного мобильного доступа третьего поколения (3G).

В дипломном проекте территориальным объектом, в котором предполагается планировать сеть LTE, я выбрал район ……. республики. Целью данного дипломного проекта является обеспечение большинства населенных пунктов …… района ……. республики устойчивым радиосигналом сети LTE и предоставление жителям высокоскоростного мобильного доступа в сеть Интернет.

В дипломном проекте будут использованы два варианта планирования беспроводных сетей: формирование максимальной площади покрытия и обеспечение требуемой емкости.

1. ОБЗОР И ОСНОВНЫЕ ХАРАКТЕРИСТИКИ ТЕХНОЛОГИИ LTE

зона радиопокрытие оптический кабель

1.1 Развитие технологии LTE


Разработка технологии LTE как стандарта официально началась в конце 2004 года. Перед исследователями встал вопрос о выборе технологии физического уровня, которая бы обеспечила высокую скорость передачи данных. Были предложены два варианта: W-CDMA, уже использующуюся в сетях HSPA, и OFDM - новая технология радиоинтерфейса. После проведенных исследований было решено использовать технологию OFDM (Orthogonal frequency-division multiplexing) - мультиплексирование с ортогональным частотным разделением каналов.

В мае 2006 года в рамках проекта 3GPP была создана первая спецификация на радиоинтерфейс E-UTRA (Evolved UMTS Terrestrial Radio Access). Эта спецификация вошла в основу 3GPP Release 7. В декабре 2008 года была утверждена версия стандартов 3GPP Release 8, которая фиксировала архитектурные и функциональные требования к системам LTE. В середине 2009 года появились первые опытные системы на основе LTE. В конце 2009 года шведская телекоммуникационная компания Telia Sonera, совместно с Ericsson объявила о запуске первой в мире коммерческой сети в Стокгольме и Осло.

На сегодняшний день сети стандарта LTE развернуты в более чем 80 странах мира и их число быстро увеличивается.

В России построение сетей стандарта LTE заторможено трудностями в распределении частотного ресурса компаниям-операторам мобильной связи. 20 декабря 2011 г. компания «Скартел» запустила первую в России сеть LTE в городе Новосибирске. Компания «МТС» планирует запустить сеть LTE в городе Москве в июне 2012 г., используя сеть пассивных ВОЛС.

1.2 Краткое рассмотрение основных параметров технологии LTE


Стандарт LTE представляет собой обладающий большой гибкостью эфирный интерфейс. Тип сети носит название E-UTRAN - Evolved Universal Terrestrial Radio Access Network (развивающаяся универсальная наземная сеть радиодоступа). Ниже приведены основные параметры технологии LTE.

.        Технология множественного доступа:

·        прямой канал (Downlink - DL) - OFDMA;

·        обратный канал (Uplink - UL) - SC-FDMA;

.        Рабочий диапазон частот: 450 МГц; 700 МГц; 800 МГц;

МГц; 2,1 ГГц; 2,4 - 2,5 ГГц; 2,6 - 2,7 ГГц.

.        Битовая скорость:

·        прямой канал (DL) MIMO 2TX×2RX: 100 - 300 Мбит/с;

·        обратный канал (UL): 50 - 172,8 Мбит/с.

.        Ширина полосы радиоканала: 1,4 - 20 МГц.

.        Радиус ячейки: 5 - 30 км.

.        Емкость ячейки (количество обслуживаемых абонентов):

·        более 200 пользователей при полосе 5 МГц;

·        более 400 пользователей при полосе больше 5 МГц.

.        Мобильность: скорость перемещения до 250 км/ч.

.        Параметры MIMO:

·        прямой канал (DL): 2TX×2RX, 4TX×4RX;

·        обратный канал (UL): 2TX×2RX.

.        Заначение задержки (latency): 5мс.

.        Спектральная эффективность: 5 бит/сек/Гц.

.        Поддерживаемые типы модуляции:

·        прямой канал (DL): 64 QAM, QPSK, 16 QAM.

·        обратный канал (UL): QPSK, 16 QAM.

.        Дуплексное разделение каналов: FDD, TDD.

1.3 Сетевая архитектура стандарта LTE


Архитектура сети LTE разработана таким образом, чтобы обеспечить поддержку пакетного трафика с «бесшовной» мобильностью, минимальными задержками доставки пакетов и высокими показателями качества обслуживания. Основной целью разработчиков стандарта LTE были максимально возможное упрощение структуры сети и исключение дублирующих функций сетевых протоколов, характерных для системы 3G UMTS.

Рисунок 1.1- Обобщенная структура сети LTE

В архитектуре стандарта LTE все сетевое взаимодействие происходит между двумя узлами: базовой станцией (eNB) и блоком управления мобильностью (MME), который включает в себя сетевой шлюз GW (Gateway).

На физическом уровне сеть LTE состоит из двух компонентов: сети радиодоступа E-UTRAN и базовой сети SAE (System Architecture Evolution).

Сеть E-UTRAN состоит из базовых станций eNB. Базовые станции являются элементами полносвязной сети и соединены между собой по принципу «каждый с каждым». Каждая eNB имеет интерфейс S1 с базовой сетью SAE, построенной по принципу коммутации пакетов. На eNB в сетях LTE возложены следующие функции: управление радиоресурсами, шифрование потока пользовательских данных, маршрутизация в пользовательской плоскости пакетов данных по направлению к обслуживающему шлюзу, диспетчеризация и передача вызывной и вещательной информации, измерение и составление отчетов для управления мобильностью.

Рисунок 1.2 - Архитектура базовой сети SAE

Базовая сеть SAE, называемая еще EPC (Evolved Packet Core), содержит узлы MME/UPE, состоящие из логических элементов ММЕ и UPE. Логический элемент MME (Mobility Management Entity) отвечает за решение задач управления мобильностью абонентского терминала и взаимодействует с базовыми станциями с помощью протоколов плоскости управления C-plane. Кроме этого, MME распределяет сообщения вызова (paging) к eNB, управляет протоколами плоскости управления, назначает идентификаторы абонентским терминалам, обеспечивает безопасность сети, проверяет подлинность сообщений абонентов и управляет роумингом.

Логический элемент UPE (User Plane Entity) отвечает за передачу данных пользователей согласно протоколам плоскости пользователя U-plane. Элемент UPE выполняет следующие функции: сжатие заголовков IP-протоколов, шифрование потоков данных, терминацию пакетов данных.

Архитектура базовой сети SAE представляет собой пакетный PS-домен системы LTE, который предоставляет как голосовые, так и всю совокупность IP-услуг на основе технологий пакетной коммутации данных. В основу базовой сети SAE положена концепция «все через IP» и то обстоятельство, что доступ к ней может осуществляться как через сети радиодоступа второго и третьего поколений (UTRAN/GERAN), так и через сети не-3GPP (WiMAX, Wi-Fi), а так же через сети, использующие проводные IP-технологии (ADSL+, FTTH).

1.4 Радиоинтерфейс сети LTE


Радиоинтерфейс сети LTE E-UTRAN поддерживает оба метода дуплексного разнесения каналов: частотный FDD и временной TDD. Функционирование сетей LTE может осуществляться в частотных диапазонах с различной шириной. Сигналы нисходящего и восходящего направлений могут занимать полосы от 1,4 до 20 МГц в зависимости от количества активных ресурсных блоков. Передача информации в восходящем и нисходящем направлениях организована в кадрах, длительность которых равна 10 мс. Кадры подразделяются на более мелкие временные структуры - слоты.

В режиме с частотным разнесением FDD кадр делится на 20 слотов, нумеруемые от нулевого до 19-го, каждый из которых имеет длительность 0,5 мс. В режиме FDD временной ресурс в пределах кадра разделен пополам для передачи в противоположных направлениях. Физические каналы в режиме FDD в противоположных направлениях имеют обязательный дуплексный разнос. Режим временного разнесения каналов TDD имеет асинхронную природу. Передача данных в режиме TDD происходит одновременно в обоих направлениях в одном диапазоне частот.

Особенностью радиоинтерфейса в линии «вниз» сети E-UTRAN является использование технологии множественного доступа OFDMA - мультиплексирование с ортогональным частотным разделением. Одна из основных целей использования технологии OFDMA является борьба с помехами, вызванных многолучевым распространением сигнала, так как OFDM-сигнал рассматривается как множество медленно модулируемых узкополосных сигналов, а не как один быстро модулируемый широкополосный сигнал. Технология OFDM основана на формировании многочастотного сигнала, состоящего из множества поднесущих частот. При формировании OFDM-сигнала поток последовательных информационных символов длительностью Ти/N разбивается на блоки, содержащие N символов; Ти - длительность одного символа. Блок последовательных информационных символов преобразуется в блок параллельных символов, в котором каждый информационный символ соответствует определенной частоте многочастотного сигнала.

Рисунок 1.3 - Структурная схема формирования OFDM-сигнала

В линии «вниз» сети E-UTRAN применяют следующие виды модуляции: QPSK, 16 QAM, 64 QAM. При формировании OFDM/QAM-сигнала используется дискретное обратное быстрое преобразование Фурье(ОБПФ). Формирование OFDM-сигнала в передатчике базовой станции сети LTE E-UTRAN показано на рисунке 1.3.

Для борьбы с межсимвольной интерференцией используются циклические префиксы ЦП (СР). Применяют короткие и длинные префиксы, длительность которых 4,7 мкс и 16,7 мкс соответственно.

Для линии «вниз» сети E-UTRAN определены три физические и четыре транспортных каналов:

·        PDCCH (Physical Downlink Control Channel) - физический канал управления «вниз»;

·        PDSCH (Physical Downlink Shared Channel) - общий транспортный физический канал линии «вниз», предназначенный для передачи данных и мультимедиа с высокой скоростью;

·        ССРСН (Common Control Physical Channels) - общий физический канал управления, передает служебную информацию;

·        ВСН (Broadcast Cannel) - транспортный вещательный канал;

·        РСН (Paging Cannel) - транспортный канал вызова (пейджинга);

·        DL-SCH (Downlink Shared Channel) - общий транспортный канал линии «вниз»;

·        MCH ( Multicast Channel) - транспортный канал вещания в группе.

В линии «вверх» радиоинтерфейса сети LTE E-UTRAN используется технология SC-FDMA (Single Carrier-Frequency Division Multiple Access) - множественный доступ с мультиплексированием с частотным разнесением передачи на одной несущей. Схема передачи данных с помощью технологии SC-FDMA показана на рисунке 1.4.

Рисунок 1.4 - Передача данных с помощью технологии SC-FDMA

Для исключения взаимного влияния пользователей в линии «вверх» сети E-UTRAN вводятся циклические префиксы, а также используются эффективные эквалайзеры в приемных устройствах.

Распределение частотного ресурса между абонентами осуществляется ресурсными блоками, каждому из которых соответствует полоса частот 180 кГц, что при разносе между соседними поднесущими частотами в 15 кГц соответствует 12 поднесущим.

Максимальное количество доступных ресурсных блоков зависит от выделения системе диапазона частот, значение которого может доходить до 20 МГц. В линии «вверх» сети LTE E-UTRAN используются три физических и два транспортных каналов:

·  PRACH (Physical Random Access Channel) - физический канал произвольного доступа;

·        PUCCH (Physical Uplink Control Channel) - физический канал управления «вверх»;

·        PUSCH (Physical Uplink Shared Channel) - физический распределительный транспортный канал линии «вверх»;

·        RACH (Random Access Channel) - транспортный канал случайного доступа;

·        UL-SCH (Uplink Shared Channel) - совмещенный канал линии «вверх».

1.5 Радиочастотный спектр технологии LTE


Рабочими группами Партнерского проекта 3GPP и ETSI в технических спецификациях для LTE определены 17 полос радиочастот для режима частотного дуплекса FDD и 8 полос для режима временного дуплекса TDD, которые показаны в таблице 1.1.

Таблица 1.1- Диапазоны частот для сети радиодоступа E-UTRA

Номера рабочих диапазонов

Диапазон частот, МГц

Вид дуплекса


Линия «вверх» (UL)

Линия «вниз» (DL)


1

1920 - 1980

2110 - 2170

FDD

2

1850 - 1910

1930 - 1990

FDD

3

1710 - 1785

1805 - 1880

FDD

4

1710 - 1755

2110 - 2155

FDD

5

824 - 849

869 - 894

FDD

6

830 - 840

875 - 885

FDD

7

2500 - 2570

2620 - 2690

FDD

8

880 - 915

925 - 960

FDD

9

1749,9 - 1784,9

1844,9 - 1879,9

FDD

10

1710 - 1770

2110 - 2170

FDD

11

1427,9 - 1452,9

1475 - 1500,9

FDD

12

698 - 716

728 - 746

FDD

13

777 - 787

746 - 756

FDD

14

788 - 798

758 - 768

FDD

17

704 - 716

734 - 746

FDD

18

815 - 830

860 - 875

FDD

19

830 - 845

875 - 890

FDD

33

1900 - 1920

TDD

34

2010 - 2025

TDD

35

1850 - 1910

TDD

36

1930 - 1990

TDD

37

1910 - 1930

TDD

38

2570 - 2620

TDD

39

1880 - 1920

TDD

40

2300 - 2400

TDD


Из таблицы видно, что диапазоны, предназначенные для развития сетей LTE, уже освоены или осваиваются в России для работы сетей мобильной связи и беспроводного доступа различных технологий. Поэтому, создание в России LTE-сетей сопровождается трудностями с выбором и получением разрешения на использование частотного диапазона. Таким образом, будущее внедрения сетей LTE в России связано с необходимостью реформирования использования радиочастотного спектра на основе национальных процедур его высвобождения и перепланирования.

Распоряжением Правительства Российской Федерации от 21 января 2011 года № 57-р распределены полосы частот для перспективных радиотехнологий, включая LTE. Это диапазоны 800 - 900 МГц; 2,3 - 2,4 ГГц; 2,5 - 2,7 ГГц. 8 сентября 2011 года на заседании Государственной комиссии по радиочастотам (ГКРЧ) полосы радиочастот 791 - 862 МГц,

- 2690 МГц, 2300 - 2400 МГц определены для создания на территории Российской Федерации сетей связи LTE и последующих его модификаций.

1.6 Взаимодействие стандарта LTE с UMTS/GSM и стандартами не-3GPP


Поддержка мобильности абонентского терминала при его перемещении из зоны обслуживания одной сети в зону обслуживания другой - является важной задачей, возникающей при взаимодействии сети LTE с сетями мобильной связи стандартов 3GPP (UMTS/GSM/HSPA+). Взаимодействие сети LTE с сетями 3GPP заключается в обеспечении дискретной мобильности (роуминга) и обеспечения непрерывной мобильной связи (хэндовера).

Основными интерфейсами взаимодействия сети LTE с сетями 3GPP являются интерфейсы S3, S4 и S12. Данные интерфейсы обеспечивают взаимодействие логического элемента управления мобильностью MME и шлюза S-GW сети LTE с сервисным узлом SGSN сетей 3G с помощью туннельного протокола GTP (GPRS Tunnelling Protoсol). Протокол GTP предназначен для передачи данных плоскости управления (протокол GTP-C) и для передачи данных плоскости пользователя (протокол GTP-U). В условиях роуминга шлюз S-GW визитной сети взаимодействует с шлюзом

P-GW (шлюз взаимодействия с пакетными сетями) домашней сети.

Взаимодействие сети LTE с другими 3GPP для оказания традиционных услуг телефонии осуществляется с помощью как традиционной технологии коммутации каналов (TDM), так и технологии коммутации пакетов на базе сервисной подсистемы IMS.

Хэндовер между сетью LTE и другой сетью 3GPP при осуществлении голосового вызова происходит с помощью взаимодействия логического элемента MME с сервером MSC по интерфейсу Sv в случае вызовов из сети LTE в традиционный домен коммутации каналов (CS-домен); и с помощью взаимодействия логического элемента MME с узлом SGSN по интерфейсу S3 в случак голосового вызова из сети LTE в домен коммутации пакетов (PS-домен).

Взаимодействие сети LTE с сетями не-3GPP разделяется на взаимодействие с сетями с гарантированной безопасностью - «надежными» и взаимодействие с сетями с негарантированной безопасностью - «ненадежными». В качестве «надежных» сетей могут выступать присоединенные сети других стандартов (cdma2000, WiMAX), в качестве «ненадежных» - публичные IP-сети Интернета. Взаимодействие сети LTE с «надежными» сетями стандартов не-3GPP осуществляется посредством шлюза P-GW, взаимодействие с «ненадежными» сетями - посредством шлюза ePDG.

С учетом концепции построения базовой сети EPC «все через IP» мобильность абонентского терминала при взаимодействии сети LTE с сетями не-3GPP основана на протоколах управления мобильностью в IP-сетях:

·        протоколы управления мобильностью на базе хостов - HBM (Host Based Mobility) - MIPv4, DSMIPv6;

·        протоколы управления мобильностью на базе сети - NBM (Network Based Mobility) - PMIPv6.

Идентификация абонентского терминала по IP-адресу и маршрутизация осуществляется так же как в IP-сетях.

1.7 Использование технологии MIMO в сетях LTE


Технология MIMO в сетях LTE играет одну из важных ролей в обеспечении высоких скоростей передачи данных.

MIMO (Multiple Input Multiple Output - множественный вход - множественный выход) - технология, которая представляет собой беспроводной доступ, предусматривающая использование нескольких передатчиков и приемников для одновременной передачи большего количества данных. Технология MIMO использует эффект передачи радиоволн, называемый многолучевым распространением, когда передаваемые сигналы отражаются от множества объектов и препятствий и принимающая антенна воспринимает сигналы под разными углами и в разное время. С применением технологии MIMO становится возможным увеличить помехоустойчивость каналов связи, уменьшить относительное число битов, принятых с ошибкой. Работа систем MIMO может быть организована по двум принципам: по принципу пространственного уплотнения и по принципу пространственно-временного кодирования.

В первом случае различные передающие антенны передают различные части блока информационных символов или различные информационные блоки. Передача данных ведется параллельно с двух или с четырех антенн. На приемной стороне производится прием и разделение сигналов различных антенн. Во втором случае, со всех передающих антенн осуществляется передача одного и того же потока данных с использованием схем предварительного кодирования.

Антенные конфигурации технологии MIMO могут принимать симметричные (2×2, 4×4) и несимметричные (1×2, 2×4) значения. На рисунке 1.4 показана структурная схема MIMO-системы с двумя передающими и двумя принимающими антеннами, реализованная по принципу пространственно-временного кодирования.

Рисунок 1.5 Структурная схема MIMO-системы 2×2

 

1.8 Спектр услуг, предоставляемых сетями LTE


Услуги, предоставляемые сетями LTE, имеют более широкий спектр по сравнению с сетями 2G/3G. В первую очередь это связано с высокой пропускной способностью сети и повышенной скоростью передачи данных, а так же с переходом на концепцию «все через IP». Основными услугами, предоставляемых сетью LTE являются следующие:

·        пакетная передача речи;

·        передача Интернет-файлов;

·        доставка электронной почты;

·        передача мультимедийных сообщений;

·        мультимедийное вещание, включающее в себя потоковые услуги, услуги по загрузке файлов, телевизионные услуги;

·        потоковое видео;

·        VoIP и высококачественные видеоконференции;

·        онлайн-игры через мобильные и фиксированные терминалы различных типов;

·        мобильные платежи с высокой передачей реквизитов и идентификационной информации.

2. Технико-экономическое обоснование построения сети LTE в …… районе


При планировании сети LTE, в первую очередь, необходимо определить каким образом будут реализованы решения построения транспортной сети и сети радиодоступа E-UTRA. Примером построения сети LTE может служить схема, показанная на рисунке 2.1.

Рисунок 2.1 - Архитектура распределительной сети LTE

Для сравнения выберем три основных варианта организации связи:

.        Построение сети LTE «с чистого листа». В этом случае компания-оператор связи осуществляет строительство полностью всех объектов связи, которые будут включены в сеть LTE.

.        Построение сети LTE способом аренды всех компонентов связи у сторонних операторов, за исключением оборудования базовых станций. Арендуемыми объектами будут: вышки для базовых станций и все компоненты транспортной сети.

.        Построение сети LTE универсальным способом. Этот вариант включает в себя оба способа построения сети, приведенные выше.

Предположим, что оператором связи, осуществляющим проектирование сети LTE является компания, которая уже занимается предоставлением услуг фиксированной связи и имеющая развитую транспортную сеть в районе планирования. Такой компанией-оператором в ……. районе может выступать ОАО «Ростелеком». В этом случае идеально подходит универсальный способ построения сети LTE.

С учетом собранных данных о наличии существующих линий транспортной сети компании ОАО «Ростелеком» в ….. районе основные затраты на построение сети для различных вариантов организации связи представлены в таблице 2.1.

Таблица 2.1 - Основные затраты на построение сети LTE для различных вариантов организации связи

Вариант организации связи

1

2

3

1. Затраты на строительство ВОЛС




а) протяженность линии

~75 км

~75 км

~50 км

б) стоимость ОКБ

45000 руб./км 45000×75 = 3,375 млн. руб.

Стоимость аренды: 28000 руб./мес./10 км

45000 руб./км 45000×50 = 2,25 млн. руб.

в) стоимость СМР

300000 руб./км 300000×75 = 22,5 млн. руб.

-

300000 руб./км 300000×50 = 15 млн. руб.

Итого

25,875 млн. руб.

2,688 млн.руб./год

15 млн. руб.

2. Затраты на строительство сети радиодоступа E-UTRA




а) примерное количество eNB в сети

7

7

7

б) стоимость eNB

~0,45 млн. руб. 1,35×7 = 9,45 млн. руб.

~0,45 млн. руб. 1,35×7 = 9,45 млн. руб.

~0,45 млн. руб. 1,35×7 = 9,45 млн. руб.

в) стоимость вышки для базовой станции

~1,8 млн. руб. 1,8×7 = 12,6 млн. руб.

Аренда 1 места подвеса: 0,3 млн. руб./год 0,3×7 = 2,1 млн. руб.

Аренда 1 места подвеса: 0,3 млн. руб./год 0,3×7 = 2,1 млн. руб.

г) стоимость СМР

0,2 млн. руб. 0,2×7 = 1,4 млн. руб.

-

-

Итого

23,45 млн. руб.

2,1 млн.руб./год + 9,45 млн. руб.

2,1 млн.руб./год + 9,45 млн. руб.

Общая стоимость

49,5 млн. руб.

Аренда: 4,8 млн. руб./год +стоимость eNB 9,45 млн. руб.

Аренда: 2,1 млн. руб./год + 24,45 млн. руб.


Из таблицы 2.1 видно, что третий вариант имеет превосходство над другими в плане экономии.

 


3. РАСЧЕТ ПРОПУСКНОЙ СПОСОБНОСТИ СЕТИ, РАСЧЕТ КОЛИЧЕСТВА ПОТЕНЦИАЛЬНЫХ АБОНЕНТОВ, ВЫБОР ОБОРУДОВАНИЯ ТРАНСПОРТНОЙ СЕТИ


В процессе планирования радиосетей LTE имеется ряд отличий от процесса планирования других технологий беспроводного радиодоступа. Главное отличие - это использование нового типа многостанционного доступа на базе технологии OFDM, в связи с чем появляются новые понятия и изменяются алгоритмы проектирования. Процесс планирования радиосети состоит из двух этапов:

·        формирование максимальной площади покрытия;

·        обеспечение требуемой емкости.

Планирование радиосети LTE будет производиться в сельской местности, а это значит, что плотность абонентов будет невысока и базовые станции должны устанавливаться на максимальном удалении друг от друга с целью закрыть каждой eNB как можно большую территорию. В связи с этим нужно подобрать соответствующий частотный диапазон. В данном случае нужно руководствоваться правилом, что чем ниже частота, тем дальше распространение радиосигнала. Частотный диапазон 791 - 862 МГц вполне подойдет для выполнения этой задачи. Тип дуплекса выберем частотный - FDD.

 

3.1 Расчет пропускной способности сети. Расчет количества потенциальных абонентов


Пропускную способность, или емкость, сети оценивают, базируясь на средних значениях спектральной эффективности соты в определенных условиях.

Спектральная эффективность систем мобильной связи представляет собой показатель, вычисляемый как отношение скорости передачи данных на 1 Гц используемой полосы частот (бит/с/Гц). Спектральная эффективность является показателем эффективности использования частотного ресурса, а также характеризует скорость передачи информации в заданной полосе частот.

Спектральная эффективность может рассчитываться как отношение скорости передачи данных всех абонентов сети в определенной географической области (соте, зоне) на 1 Гц полосы частот (бит/с/Гц/сота), а также как отношение максимальной пропускной способности сети к ширине полосы одного частотного канала.

Средняя спектральная эффективность для сети LTE, ширина полосы частот которой равна 20 МГц, для частотного типа дуплекса FDD на основании 3GPP Release 9 для разных конфигураций MIMO, представлена в таблице 3.1.

Таблица 3.1 - Средняя спектральная эффективность для сети LTE

Линия

Схема MIMO

Средняя спектральная эффективность (бит/с/Гц)

UL

1×2 1×4

1,254 1,829

DL

2×2 4×2 4×4

2,93 3,43 4,48


Для системы FDD средняя пропускная способность 1 сектора eNB может быть получена путем прямого умножения ширины канала на спектральную эффективность канала:

                                                                                       (3.1)

где S - средняя спектральная эффективность (бит/с/Гц);

W - ширина канала (МГц); W = 10 МГц.

Для линии DL:

RDL = 3,43 · 10 = 34,3 Мбит/с.

Для линии UL:

RUL = 1,829 · 10 = 18,29 Мбит/с.

Средняя пропускная способность базовой станции ReNB вычисляется путем умножения пропускной способности одного сектора на количество секторов базовой станции; число секторов eNB примем равное 3, тогда:

                                                                          (3.2)

Для линии DL:

ReNB.DL = 34,3 · 3 = 102,9 Мбит/с.

Для линии UL:

ReNB.UL = 18,29 · 3 = 54,87 Мбит/с.

Следующим этапом будет определение количества сот в планируемой сети LTE.

Для расчета числа сот в сети необходимо определить общее число каналов, выделяемых для развертывания проектируемой сети LTE. Общее число каналов Nк рассчитывается по формуле:

                                                                                               (3.3)

где Δf∑ - полоса частот, выделенная для работы сети и равная 71 МГц;

Δfк - полоса частот одного радиоканала; под радиоканалом в сетях LTE определяется такое понятие как ресурсный блок РБ, который имеет ширину 180 кГц, Δfк = 180 кГц.

 

Далее определим число каналов Nк.сек, которое необходимо использовать для обслуживания абонентов в одном секторе одной соты:

                                                                          (3.4)

где Nк - общее число каналов;

Nкл - размерность кластера, выбираемое с учетом количества секторов eNB, примем равным 3;

Mсек - количество секторов eNB, принятое 3.

 

Далее определим число каналов трафика в одном секторе одной соты Nкт.сек. Число каналов трафика рассчитывается по формуле:

                                                                     (3.5)

где Nкт1 - число каналов трафика в одном радиоканале, определяемое стандартом радиодоступа (для OFDMA Nкт1 = 1...3); для сети LTE выберем Nкт1 = 1.

 

В соответствии с моделью Эрланга, представленной в виде графика на рисунке 3.1, определим допустимую нагрузку в секторе одной соты Асек при допустимом значении вероятности блокировки равной 1% и рассчитанным выше значении Nкт.сек. Определим, что Асек = 50 Эрл.

Рисунок 3.1 - Зависимость допустимой нагрузки в секторе от числа каналов трафика и вероятности блокировки

Число абонентов, которое будет обслуживаться одной eNB, определяется по формуле:

                                                                     (3.6)

где A1 - средняя по всем видам трафика абонентская нагрузка от одного абонента; значение A1 может составлять (0,04...0,2) Эрл. Так как проектируемая сеть планируется использоваться для высокоскоростного обмена информацией, то значение A1 примем равным 0,2 Эрл. Таким образом:

 

Число базовых станций eNB в проектируемой сети LTE найдем по формуле:

                                                                        (3.7)

где Nаб - количество потенциальных абонентов. Количество потенциальных абонентов определим как 20% от общего числа жителей. Общее число жителей ……. района составляет 24500 человек. Таким образом, количество потенциальных абонентов составит 4900 человек, тогда:

 

Среднюю планируемую пропускную способность RN проектируемой сети определим путем умножения количества eNB на среднюю пропускную способность eNB. Формула примет вид:

,                                                   (3.8)

RN = (102,9 + 54,87) · 7 ≈ 1104,39 (Мбит/с).

Далее дадим проверочную оценку емкости проектируемой сети и сравним с рассчитанной. Определим усредненный трафик одного абонента в ЧНН:

                                                                              (3.9)

где Тт - средний трафик одного абонента в месяц, Тт = 30 Гбайт/мес;

q - коэффициент для сельской местности, q = 2;

NЧНН - число ЧНН в день, NЧНН = 7;

Nд - число дней в месяце, Nд = 30.

(Мбит/с)

Определим общий трафик проектируемой сети в ЧНН Rобщ./ЧНН по формуле:


где Nакт.аб - число активных абонентов в сети; определим число активных абонентов в сети как 80% от общего числа потенциальных абонентов Nаб, то есть Nакт.аб = 3920 абонентов.

Rобщ./ЧНН = 0,28 · 3920 = 1097,6 (Мбит/с).

Таким образом, RN > Rобщ./ЧНН. Это условие показывает, что проектируемая сеть не будет подвергаться перегрузкам в ЧНН.

3.2 Выбор оборудования транспортной сети

Основными отличиями технологии LTE от предшествующих технологий мобильной связи 2G и 3G являются:

·        организация связи, как голосовой, так и передачи данных по IP-протоколу;

·        высокие скорости передачи данных;

·        упрощенная архитектура сети.

Оборудование транспортной сети следует выбирать, в первую очередь руководствуясь особенностями технологии LTE, а так же, чтобы данное оборудование отвечало требованиям надежности, отличалось эффективностью, гибкостью, компактностью, обладало широким набором функций и удовлетворяло понятию «цена - качество». Главным условием при выборе оборудования транспортной сети является надежная передача данных пользователей согласно рассчитанной пропускной способности сети LTE.

Транспортная сеть проектируемой сети LTE будет реализована с помощью оптоволоконных линий передач по технологии Ethernet. В технологии Ethernet (стандарт IEEE 802.3) определены следующие скорости: Ethernet на скорости 10 Мбит/с, Fast Ethernet на скорости 100 Мбит/с, Gigabit Ethernet на скорости 1 Гбит/с и 10 Gigabit Ethernet на скорости 10 Гбит/с. Скорости в 1 и 10 Гбит/с подходят для транспортной сети. Существенным преимуществом систем Ethernet является широкая масштабируемость и максимальная приближенность к стеку протоколов IP.

В мире проектирования мобильных сетей существуют различные решения выбора оборудования как сети радиодоступа, так и транспортной сети. Компании - производители оборудования для сетей мобильной связи предоставляют операторам пакеты готовых решений, состоящих из подобранного по различным показателям стека аппаратуры. В пакеты готовых решений для реализации транспортной сети мобильного оператора могут входить рабочие станции, коммутаторы, маршрутизаторы, мультисервисные станции, а также специализированное оборудование для управления сетью.

На сегодняшний день среди всех решений различных компаний-производителей коммутационного оборудования для реализации транспортной сети LTE выделяются решения двух компаний: «Cisco Systems» и «Alcatel - Lucent». Произведем краткий анализ решений этих компаний и сведем данные в таблицу 3.2.

Таблица 3.2 - Данные анализа решений для реализации транспортной сети LTE компаний «Cisco System» и «Alcatel - Lucent»

Коммутационное оборудование транспортной сети LTE

Компании - производители


«Cisco Systems»

«Alcatel - Lucent»

1. Коммутационное оборудование сети радиодоступа E-UTRAN

Коммутатор «МЕ 3600 СХ24С»: универсальный, с возможностью подключения до трех eNB; 24 1 GEthernet порта; высокая цена; протоколы передачи - OSPF, RIPv2, EIGRP, BGP; время наработки на отказ 7 лет; протокол управления - SNMP; IP маршрутизация

Сервисный маршрутизатор «7750 SR»: подходит для крупномасштабных сетей в мегаполисах; IP маршрутизация; 10 портов 10 GEthernet; высокая цена; для подключения ОВ используются дополнительные модули SPF; протоколы передачи - OSPF, BGP

2. Коммутационное оборудование сети интеллектуальной агрегации

Оптический сервисный маршрутизатор «7603 OSR»: производительность 240 Гбит/с; 48 портов GBASE-LX; 4 порта 10GBASE-ER; высокая цена; масштабируемость; протоколы передачи - OSPF, RIPv2, EIGRP, BGP; время наработки на отказ 7 лет; протокол управления - SNMP; IP маршрутизация

Маршрутизатор сервисной агрегации «7705 SAR»: 6 портов 10/100 Ethernet BASE-T; 2 порта GE BASE-TX с модулями SPF; низкая цена, низкая производительность; IP маршрутизация; протоколы передачи - OSPF, BGP

3. Оборудование для реализации EPC LTE, управления услугами

Мультисервисная оптическая платформа «ASR 5000»: производительность 320 Гбит/с; интерфейсы - GE, 10GE; высокая цена; масштабируемость; протоколы передачи - OSPF, RIPv2, EIGRP, BGP; время наработки на отказ 7 лет; протокол управления - SNMP; IP маршрутизация

Система управления сетью «5620 SAM»: включает в себя несколько коммутаторов и маршрутизаторов; поддержка Ethernet, ATM; IP маршрутизация; протоколы передачи - OSPF, BGP


Из таблицы 3.2 видно, что решение компании «Cisco Systems» для реализации транспортной сети LTE является лучшим по многим параметрам, и, хотя цена на оборудование данного производителя больше, зато высокое качество исполнения и высокий уровень технической поддержки позволяют сделать выбор именно в пользу данной продукции.

Компания «Cisco Systems» на сегодняшний день является безусловным лидером производства коммутационного оборудования в мире. Продукцию данной компании используют в своих сетях свыше 250 операторов мобильной связи более чем в 75 странах мира. В России свое предпочтение коммутационному оборудованию компании «Cisco Systems» отдали такие операторы мобильной связи, как ОАО «ВымпелКом», ОАО «Мобильные Теле Системы» и ОАО «Мегафон». Продукция выпускаемая компанией «Cisco Systems» обладает такими качествами как надежность, производительность, многофункциональность, масштабируемость и безопасность. В данном дипломном проекте при выборе транспортного оборудования сети LTE предпочтение отдадим оборудованию компании «Cisco Systems». Оборудование транспортной сети для передачи данных по технологии LTE делится на:

.        Транспортное оборудование сети радиодоступа.

.        Транспортное оборудование интеллектуальной агрегации.

У компании «Cisco Systems» имеются готовые решения построения транспортной сети для мобильных операторов. Воспользуемся одним из них.

В качестве транспортного оборудования сети радиодоступа выберем коммутатор «Cisco ME 3600 X 24CX». Данная модель реализована с учетом огромного опыта работы компании «Cisco Systems» с операторами мобильной связи; данная модель обладает аппаратным ускорением, неблокируемой производительностью, низкими задержками и джиттером.

Чипсет коммутатора «Cisco ME 3600 X 24CX» разработан специально для сетей Carrier Ethernet. Краткая техническая характеристика коммутатора «Cisco ME 3600 X 24CX»:

·        количество оптоволоконных портов: 6;

·        организация IP-маршрутизации;

·        поддерживаемые скорости: 10/100/1000 Мбит/с;

·        размеры (ш×г×в): 444×516×43;

·        вес: 6570 грамм;

·        протокол управления: SNMP;

·        протоколы передачи данных: OSPF, IS-IS, EIGRP, RIPv2;

·        оперативная память: 1024 МБ;

·        тип оперативной памяти: DRAM;

·        потребляемая мощность: 228 Вт;

·        частота входного сигнала: 50/60 Гц;

·        входное напряжение: перем. 100-240 В, пост. 48 В;

·        пропускная способность: 65 Mpps;

·        максимальная скорость передачи данных: 44 Гбит/с;

·        fiber ethernet cabling technology: 1000 Base-LX, 100 Base-BX, 100 Base-FX, 100 Base-LX;

·        fiber optic connector: LC, LX-5;

·        дистанция передачи по оптико-волоконному кабелю: 80 км;

·        длина волны: 1310/1550 нм.

Коммутатор «Cisco ME 3600 X 24CX» не исключает возможности подключения к нему нескольких базовых станций eNB.

В качестве транспортного оборудования интеллектуальной агрегации выберем оптический сервисный маршрутизатор «Cisco 7603 OSR» (Optical Service Router). Оптический маршрутизатор «Cisco 7603 OSR» предназначен для построения территориально распределенных (WAN) и городских (MAN) сетей. Основной задачей данного маршрутизатора является обеспечение работы критичных IP приложений на скорости оптических каналов связи.

Основные возможности и технические характеристики маршрутизатора «Cisco 7603 OSR»:

·        поддержка полного спектра функций ПО Cisco IOS;

·        шасси, совместимое со стандартом NEBS;

·        высокая доступность платформы благодаря резервированию блоков питания, управляющих модулей и программных возможностей ПО Cisco IOS - Global Resilience IP;








Рисунок 3.2 - Схема организации связи транспортной сети

·    аппаратное ускорение сетевых услуг благодаря технологии Cisco PXF;

·        поддержка технологии MPLS/IP;

·        имеет 24 порта 10 Base-FL, 24 порта 10Base-FX, 48 портов 1000 Base-LX, 4 порта 10 GBase-ER;

·        максимальная производительность: 240 Гбит/с, 30 млн. пакетов/с;

·        пропускная способность шины: 32 Гб/с;

·        размеры (в×ш×д): 17,78×44,12×55,25;

·        вес: 12,25 кг;

·        питание: АС 110 - 240 В, DC 48 - 60 В;

·        среднее время наработки на отказ: 7 лет;

·        условия эксплуатации: температурный режим 0 - 40 °С, влажность 10 - 85%.

Согласно сделанному выбору транспортного оборудования на следующем этапе дипломного проектирования составим схему организации связи транспортной сети. Схема организации связи транспортной сети показана на рисунке 3.4.

3.3 Выбор оптического кабеля. Определение суммарного затухания на участке


Оптические кабели представляют собой среду передачи, близкую к идеальной. По объемам и скорости передачи информации, надежности и дальности ее доставки оптические кабели значительно опережают другие технологические решения. Поэтому, на сегодняшний день альтернативы им нет. Классификация существующих оптических кабелей по своему назначению показана на рисунке 3.3.

Основным элементом оптического кабеля является оптическое волокно (световод), выполненное в виде тонкого стеклянного волокна цилиндрической формы, по которому передаются световые сигналы с длинами волны 0,85…1,6 мкм. Световод имеет двухслойную конструкцию и состоит из сердцевины и оболочки с разными показателями преломления.

Рисунок 3.3 - Типы оптических кабелей связи

Сердцевина служит для передачи электромагнитной энергии.

Назначение оболочки - создание лучших условий отражения на границе «сердцевина - оболочка» и защита от помех из окружающего пространства. В существующих конструкциях оптических кабелей применяются световоды двух типов: многомодовые (ступенчатые и градиентные) и одномодовые. По частотно - пропускной способности и дальности передачи лучшими являются одномодовые световоды.

Все многообразие существующих типов кабелей можно разделить на три группы:

·        кабели с повивной концентрической скруткой;

·        кабели с фигурным сердечником;

·        плоские кабели ленточного типа.

В оптических кабелях кроме оптического волокна, как правило, имеются следующие элементы:

·        силовые упрочняющие стержни, которые воспринимают на себя продольную нагрузку на разрыв;

·        армирующие элементы, повышающие стойкость кабеля при механических воздействиях;

·        заполнители в виде сплошных пластмассовых нитей;

·        наружные защитные оболочки, предохраняющие кабель от проникновения влаги, паров вредных веществ и внешних механических воздействий.

В настоящее время оптические кабели выпускаются как отечественными, так и зарубежными компаниями. В России крупными производителями оптических кабелей являются: ЗАО «Москабель - Фуджикура», ЗАО НФ «Электропровод», ЗАО «Самарская оптическая кабельная компания» и ОАО «Завод Сарансккабель».

В данном дипломном проекте для реализации транспортной сети будут использованы три типа оптических кабелей: для прокладки в грунте, подвесной и для прокладки в канализации. Предпочтение в выборе производителя оптического кабеля отдано продукции ЗАО НФ «Электропровод». Основные параметры выбранных оптических кабелей для строительства транспортной сети показаны в таблице 3.3.

Таблица 3.3 - Основные параметры оптических кабелей

Параметры

Тип прокладки кабеля


в канализации

в грунте

подвесной

1

2

3

4

Марка кабеля

ОКС-М

ОКБ-Т

ОКА-Т

Число оптических волокон

4 - 72

4 - 24

4 - 24

Компания - производитель волокна

Fujikura

Fujikura

Fujikura

Тип волокна

ОМ

ОМ

ОМ

Число пластмассовых (металлических) модулей

6 - 12

1 (метал.)

1 (метал.)

Диаметр трубки модуля, мм

2

3,0 - 6,0

3,0 - 6,0

Число/диаметр корделей

-/2,0

-/3,0 - 6,0

-/3,0 - 6,0

Внешний диаметр кабеля, мм

15,0

18,5

18,5

Масса кабеля, кг/км

190

436

540

Рабочая температура окружающей среды, °С

-40 - +50

-40 - +50

-60 - +60

Минимальный радиус изгиба кабеля, мм

250

250

300

Допустимое растягивающее усилие, кН

1,5

7,0

3,5 - 7,0

Длина поставки, км

2,0

2,0

2,0


На следующем этапе дипломного проектирования определим суммарное затухание на одном из участков проектируемой транспортной сети между коммутатором «Cisco ME 3600X 24CX» и маршрутизатором «Cisco 7603 OSR».Суммарные потери a∑ на участке сети рассчитываются по формуле:

a∑ = nрс · aрс + nнс · aнс + at +aв                                                (3.11)

где nрс - количество разъемных соединителей, nрс ≈ 3;

aрс - потери в разъемных соединениях, aрс ≈ 0,6 дБ;

nнс - количество неразъемных соединений;

aнс - потери в неразъемных соединениях, aнс ≈ 0,02 дБ;

at - допуск на температурные изменения затухания оптического волокна, at = 1 дБ;

aв - допуск на изменение характеристик компонентов на участке со временем, aв ≈ 5 дБ.

Количество неразъемных соединений рассчитывается по формуле:

                                                                                   (3.12)

где Lуч - длина участка, Lуч ≈ 9 км;

lсд - строительная длина кабеля, согласно таблице 3.1 lсд = 2 км.

 

a∑ = 3 · 0,6 + 3 · 0,02 + 1 +5 ≈ 7,8 (дБ)

Суммарное затухание на одном из участков проектируемой транспортной сети между коммутатором «Cisco ME 3600X 24CX» и маршрутизатором «Cisco 7603 OSR» составило примерно 7,8 дБ.

4. ВЫБОР ОБОРУДОВАНИЯ СЕТИ LTE


4.1 Выбор управляющего оборудования сети LTE


Управление абонентскими сессиями и услугами в сетях LTE осуществляется с помощью базовой пакетной сети EPC (Evolved Packet Core). Сеть ЕРС содержит следующие узлы и логические элементы:

·        ММЕ (Mobility Management Entity) - узел управления мобильностью - отвечает за решение задач управления мобильностью абонентского терминала, управления безопасностью мобильной связи (NAS Security), управления службой передачи данных;

·        SGW (Serving Gateway) - обслуживающий шлюз сети LTE - отвечает за обработку и маршрутизацию пакетных данных поступающих из/в подсистему базовых станций;

·        PGW (Public Data Network Gateway) - шлюз от/к сетей других операторов - отвечает за передачу голоса и данных из/в сети оператора LTE в другие сети 2G, 3G, не-3GPP и Internet;

·        HSS (Home Subscriber Server) - сервер абонентских данных;

·        PCRF (Policy and Charging Rules Function) - узел выставления счетов абонентам за оказанные услуги;

·        DHCP/DNS - сервер выделения IP-адресов.

Решения по реализации сети EPC LTE разработаны компанией «Cisco Systems». Основой идеи реализации стало совмещение функций MME, SGW и PGW в одном шасси мультисервисной платформы «Cisco ASR 5000 PCS3», как показано на рисунках 3.4 и 4.1.

Маршрутизатор «Cisco ASR 5000 PCS3» специально разработан для мобильных широкополосных сетей. Он отличается распределенной архитектурой, встроенными интеллектуальными функциями, масштабируемостью и надежностью.

Рисунок 4.1 - Решение компании "Cisco Systems" по объединению функций сети ЕРС на базе одной платформы "Сisco ASR 5000 PCS3"

«Cisco ASR 5000 PCS3» позволяет оператору связи наращивать производительность и емкость без массовых закупок дополнительного оборудования. Маршрутизатор «Cisco ASR 5000 PCS3» в своих сетях используют более 250 операторов мобильной связи в мире.

Достоинства платформы «Cisco ASR 5000 PCS3»:

·    интегрированные сетевые функции, встроенные сервисы с высокой пропускной способностью;

·        резервирование всех компонент;

·        автоматическое восстановление абонентских сессий в рамках одного шасси;

·        функция копирования процессов и их состояний;

·        доступность платформы 99,9999%;

·        восстановление сессий не превышает 2 сек.;

·        отсутствие специализированных выделенных сервисных плат и модулей;

·        процессорные ресурсы автоматически адаптируются к потребностям системы;

·        защита памяти для отдельных процессов;

·        общее программное обеспечение;

·        обновление программного обеспечения осуществляется без прерывания сервисов;

·        программные функции распределены по всей платформе.

Архитектура платформы «Cisco ASR 5000 PCS3» показана на рисунке 4.2.

Рисунок 4.2 - Архитектура платформы «Cisco ASR 5000 PCS3»

Главным отличием платформы «Cisco ASR 5000 PCS3» является наличие встроенных сервисов «In-line Services»:

·  DPI - глубокая инспекция пакетов - позволяет анализировать трафик и персонифицировать услуги, предоставляя абонентам различные качество обслуживания и гибкие правила тарификации в зависимости от типа трафика;

·        обнаружение трафика одноранговых протоколов в реальном масштабе времени; определяет различные правила: пропуск или блокировка, специфическая тарификация, контроль потребляемой полосы пропускания;

·        фильтрация контента на основе анализа URL в запросах НТТР от мобильных абонентов;

·        персональный NAT/Firewall.

Краткая техническая характеристика платформы «Cisco ASR 5000 PCS3»:

·  пропускная способность: 320 Гбит/с;

·        количество сессий: 4 млн.;

·        сетевые интерфейсы: 10/100/1000 Ethernet, 10 Гбит/с Ethernet, OLC/CLC Line Cards (ATM, POS, Frame Relay);

·        входное напряжение: DC 40 - 60 В;

·        размеры (в×ш×г): 63,23×44,45×60,95 мм;

·        полная масса: 139,25 кг;

·        максимальная мощность: 800 Вт;

·        допускается установка до трех «Cisco ASR 5000 PCS3» в стойку 42 RU.

4.2 Выбор оборудования базовой станции eNode Band LTE


Основные поставщики оборудования базовой станции eNB LTE в России будут компании «Nokia Siemens Networks», «Huawei» и «Ericsson». В конце 2011 года в нашей стране было запущено собственное производство оборудования eNB LTE на базе научно-производственной фирмы «Микран» под контролем компании «Nokia Siemens Networks» в городе Томске.

При выборе оборудования базовой станции eNB LTE нужно руководствоваться, в первую очередь, способностью поддержки данным оборудованием других стандартов мобильной связи. Так же не стоит забывать о запланированной выходной мощности приемопередатчика TRX и других технических характеристиках.

Для планируемой сети, учитывая ее особенности, можно сделать выбор в пользу оборудования компании «Nokia Siemens Networks». В качестве оборудования радиодоступа предлагается использовать базовую станцию «Flexi Multiradio».

По данным НПФ «Микран», мультистандартная базовая станция «Flexi Multiradio» предлагает уникальные возможности по построению сайтов. При использовании данной eNB гарантируется низкое электропотребление, соответствие требованиям емкости при постоянно растущем мобильном трафике и высокая спектральная эффективность.

Антенная система «Flexi Multiradio» основана на технологии активных антенн, которая объединяет антенну и радиооборудование в единый функциональный блок, имеющий отдельные усилители мощности для каждого элемента антенны. Активная антенна позволяет осуществлять формирование лучей - фокусировку отдельного радиоподключения и его направление на конкретного пользователя.

Базовая станция «Flexi Multiradio» установлена и функционирует у более чем 200 операторов мобильной связи в мире и удостоена ряда наград за программное управление радиосетью и энергоэффективность.

Базовая станция «Flexi Multiradio» состоит из двух основных элементов: системного модуля для цифровой обработки сигналов и радиомодуля с тремя приемопередатчиками.

Базовая станция «Flexi Multiradio» показана на рисунке 4.3.

Рисунок 4.3 - Базовая станция "Flexi Multiradio" компании «Nokia Siemens Networks»

Радиочастотный модуль с тремя приемопередатчиками показан на рисунке 4.4. Полное наименование продукта: «Flexi RF Module Triple 90 W». Радиомодуль отвечает за обработку радиочастотных сигналов. Универсальный радиомодуль «Flexi Multiradio» можно использовать при любом типе установки, в частности, при установке внутри и вовне помещений, при распределительной установке, установке на опорах мачт.

Мощность выходного сигнала радиомодуля из расчета на один сектор может достигать 240 Вт; так же радиомодуль может обеспечивать подачу выходного сигнала мощностью 80 Вт на каждый из трех секторов. Модуль способен распределять несущие в диапазоне 60 МГц. Радиомодуль поддерживает любое сочетание технологий GSM, 3G, LTE и LTE+.

Достоинства eNB «Flexi Multiradio»:

·    легкое конструирование сайта и легкая установка, стоимость инсталляции снижена на 25%;

·        встроенные интерфейсы системного модуля Е1 и GEthernet;

·        сниженные требования к начальным вложениям за счет возможности быстрого развертывания сети;

·        низкое энергопотребление;

·        сокращение длины необходимых антенных кабелей, что вдвое улучшает радиопараметры станции;

·        гибкий дизайн;

·        на 20% компактнее и легче типовой базовой станции;

·        исполнение, позволяющее использовать ее вне помещений в любых погодных условиях;

·        модульная, масштабируемая и наиболее компактная базовая станция в отрасли.

Технические характеристики радиомодуля «Flexi RF Module Triple 90 W»:

·    может использоваться внутри и вне помещений, с установкой на полу, на стене, на шесте, на мачте, в распределенных и безфидерных конфигурациях площадки;

·    частотные диапазоны: 700, 800, 850, 900, 1800, 1900, 1700/2100, 2100, 2300 и 2600 МГц;

·        емкость: до 6+6+6 каналов GSM, до 4+4+4 каналов WCDMA, 1+1+1 каналов LTE с полосой 20 МГц;

·        технология усилителя мощности радиосигнала: мультистандартный усилитель мощности с множественными несущими;

·        размеры: 133×447×560 мм; возможность установки в стойку 19 дюймов;

·        объем: 25 литров;

·        вес: 25 кг;

·        диапазон температур: - 35°С до 55°С (охлаждается вентиляторами, скорость регулируется автоматически. Использование принудительной вентиляции повышает надежность станции за счет стабилизации температуры полупроводников);

·        источники питания: 40,5 - 57 В постоянного тока - для системного модуля, 184 - 276 В переменного тока - для радиомодуля;

·        требования мощности: 790 Вт;

·        выходная мощность: 180 Вт с каждого радиомодуля или 60 Вт с удаленной радиоголовки (RRH);

·        класс защиты от влажности: IP 65.

4.3 Выбор оборудования электропитания


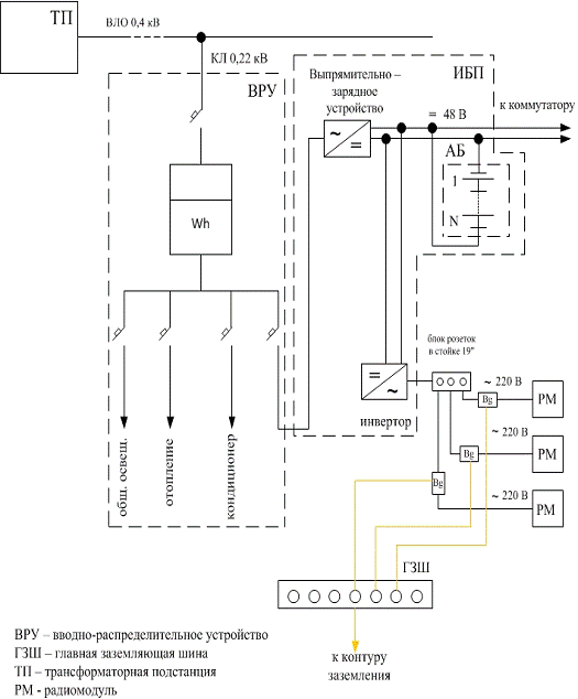
Электропитание оборудования базовой станции осуществляется от сети переменного тока напряжением 220 В. Питающее напряжение 220 В взято с трансформаторной подстанции (ТП) и заведено в помещение для размещения оборудования базовой станции.

Питающее напряжение поступает в вводно-распределительное устройство, откуда питание подается на контур общего освещения, систему отопления, кондиционер и источник бесперебойного питания (ИБП) переменного тока.

ИПБ переменного тока включает в себя выпрямительно-зарядное устройство, блок аккумуляторных батарей и инвертор. От выпрямительно-зарядного устройства питание постоянного тока 48 В подается на коммутатор «Cisco ME 3600 X 24CX», подзарядку аккумуляторных батарей и инвертор. Аккумуляторная батарея включается в работу в случае прекращения подачи питания от ТП. Инвертор преобразует постоянный ток напряжением 48 В в переменный ток напряжением 220 В и питает радиомодули «Flеxi Multiradio» (РМ).

Для защиты внутреннего оборудования от перенапряжения в разрыв питающего кабеля ставятся грозоразрядники, соединенные с «землей» через заземляющую шину (ГЗШ).

Схема электропитания базовой станции показана на рисунке 4.4.

Рисунок 4.4 - Схема электропитания базовой станции

Произведем расчеты мощности потребляемой оборудованием для определения типа автоматических выключателей, группы учета электроэнергии и ИБП переменного тока.

4.3.1 Расчет потребляемой мощности

Чтобы найти мощность по переменному току (РАС), нужно мощность по постоянному току (РDC) разделить на коэффициент полезного действия (КПД) выпрямительных устройств (0,8 - 0,9).

Исходные данные для расчета потребляемой мощности приведены в таблице 4.1.

Таблица 4.1 - Исходные данные для расчета мощности

Оборудование

Количество, шт.

Потребляемая мощность, Вт

РАС/РDC

Радиомодуль «Flexi Multiradio» (РМ)

3

790

РАС

Коммутатор «Cisco ME 3600 X 24CX» (КОМ)

1

228

РDC


Мощность по переменному току определяется по формуле:

РАС = РDC/0,8                                                                              (4.1)

РКОМ = 228/0,8 = 285 (Вт).

Для того, чтобы найти суммарную мощность РСУМ потребляемую оборудованием, воспользуемся следующей формулой:

РСУМ = РРМ + РКОМ                                                                           (4.2)

РСУМ = 790 + 285 = 1075 (Вт).

Значение тока нагрузки IH рассчитывается по формуле:

IH = РСУМ/UПИТ                                                                         (4.3)

где UПИТ - значение питающего напряжения, UПИТ = 220 В.

IH = 1075/220 = 4,8 (А).

4.3.2 Расчет источника бесперебойного питания переменного тока

Проектируемая схема связи относится ко второй категории электропитания. Ко второй категории относятся системы связи, перерыв в электроснабжении которых может приводить к нарушению нормальной деятельности значительного количества жителей.

Для систем связи второй категории электропитания требования к надежности электроснабжения по допустимому времени восстановления питания и допустимому отклонению напряжения питания от номинального не столь существенны, как для систем связи первой категории электропитания. Поэтому для них меры по дополнительному питанию от источников бесперебойного питания на время восстановления и меры по стабилизации напряжения не проводятся.

Принимается, что источник бесперебойного питания должен обеспечивать автономную работу оборудования в течение четырех часов.

В данной схеме электропитания базовой станции применяется источник бесперебойного питания переменного тока с постоянным включением батареи аккумуляторов (On Line). В данных ИПБ входное напряжение выпрямляется и понижается до величины аккумуляторной батареи. Это же напряжение поступает на вход инвертора, с помощью которого путем широтно-импульсной модуляции формируется стабилизированное синусоидальное напряжение.

Вычислим необходимую емкость аккумуляторов (), приведенную к условному четырехчасовому режиму разряда и температуре среды 200С по формуле

                                                       (4.4)

где  - номинальная емкость аккумулятора;

 - ток нагрузки (разряда);

 - время разряда;

 - коэффициент отдачи по емкости;

 - температура электролита;

 - температурный коэффициент емкости аккумулятора.

Определим ток разряда (Ip) по формуле:

Ip = IH = 4,8                                                                                   (4.5)

Коэффициент отдачи по емкости  определяем из таблицы 4.2.

Таблица 4.2 - Значения коэффициента отдачи по емкости

,ч.10987654321











10,970,940,910,890,830,80,750,610,51












Так как время разряда составляет 4 часа, соответственно  = 0,8.

Вычислим емкость аккумулятора ():

(Ач).

В таблице 4.3 представлены технические характеристики различных однофазных ИБП малой мощности переменного тока, которые могут подходить для реализации данной схемы электропитания.

Исходя из полученных результатов выбирается источник бесперебойного питания «UPStation GTX» от производителя «Liebert» с емкостью аккумуляторной батареи 9 Ач и потребляемой мощностью 1050 Вт.

Таблица 4.3 - Технические характеристики различных ИБП

Модель

ДПК

UPStation GXT

PW9120

ULTimate

Производитель

Тэнси-Техно

Liebert

Invensys

Powercom

Мощность, кВА

1,0; 3,0

0,7; 1,0; 1,5

2,0; 3,0

0,7; 1,0; 1,5; 2,0; 3,0

0,7; 1,0; 1,5; 2,0; 3,0

Диапазон входного напряжения, В

220 -27%,+25%

220 ±27%

220 -20%,+27%

220 -27%,+25%

220 -27%,+25%

Точность выходного напряжения, В

220 ±3%

220 ±3%

220 ±3%

220 ±3%

220 ±2%

Коэффициент мощности по входу

0,95

0,95

0,95

0,97

0,98

Коэффициент мощности по выходу

0,7

0,7

0,7

0,7

0,7


Технические характеристики ИБП «GTX2 - 1500RT230» приведены в таблице 4.4.

Таблица 4.4 - Технические характеристики ИБП «GTX2 - 1500RT230»

Наименование параметра

Технические характеристики

GXT2 - 1500RX230

Номинальная мощность

1050 Вт

Размеры (ш×г×в)

87×547×430

Масса

23,2 кг

Параметры входного питания переменного тока: · нагрузка 100% - 90 % · нагрузка 70% - 30% · частота

 176В переем. тока/280 В перем. тока 139В переем. тока/280 В перем. тока 40 - 70 Гц; автоматическая настройка

Параметры выходного питания переменного тока: · напряжение · частота · форма сигнала

 280/220/230/240 В перем. тока 50 или 60 Гц синусоидальная

Параметры батареи: · тип   · количество/напряжение/емкость · время заряда батареи

 герметичные, необслуживаемые свинцовокислотные, пожаробезопасные 4/12 В/7,2 Ач 5 часов до 95% емкости после полного разряда на 100% нагрузку

Параметры окружающей среды

от 0°С до +40°С


4.3.3 Расчет автоматических выключателей и группы учета

Проектом предусмотрено четыре группы оборудования. Исходные для расчета автоматических выключателей и группы учета представлены в таблице 4.5.

Таблица 4.5 - Исходные данные

Номер группы

Состав оборудования

Потребляемая мощность, Вт

Ток нагрузки IH, А

1

ИПБ переем. тока

1050

4,8

2

освещение

300

1,4

3

кондиционер

300

1,4

4

отопление

400

1,8


Суммарный ток нагрузки IСУМ вычисляется по формуле:

IСУМ = IH1 + IH2 + IH3 + IH4                                                     (4.6)

IСУМ = 4,8+1,4+1,4+1,8 = 9,4 (А).

Таким образом, выбирается счетчик с максимальным током 50 А.

Ток срабатывания автоматического выключателя выбирается в 1,25 раза большим, чем ток нагрузки и вычисляется по формуле:

Iсраб = IH · 1,25                                                                            (4.7)

Iсраб.1 = 4,8 · 1,25 = 3,25 (А)

Iсраб.2 = 1,4 · 1,25 = 1,75 (А)

Iсраб.3 = 1,4 · 1,25 = 1,75 (А)

Iсраб.4 = 1,8 · 1,25 = 2,25 (А)

Исходя из полученных значений, выбираем тип автоматических выключателей, представленных в таблице 4.6.

Таблица 4.6 - Типы автоматических выключателей

Номер группы

Тип автоматического выключателя

1

ВА47 - 29 1Р 8А

2

ВА47 - 29 1Р 2А

3

ВА47 - 29 1Р 2А

4

ВА47 - 29 1Р 3А


4.4 Расчет контура заземления


Целью расчета защитного заземления является определение количества электродов заземления для обеспечения соответствующей нормы сопротивления заземления.

Норма сопротивления защитного заземления не должна превышать 4 Ом для грунтов с удельным сопротивлением до 100 Ом ´м ( = 100 Ом´м, для суглинка).

Для обеспечения данной нормы применяются одиночные многоэлектродные заземляющие устройства из угловой стали сечением 50х50х5 и длиной 5 м.

Если сопротивление одиночного заземлителя превышает норму, то используется многоэлектродный заземлитель.

Для определения сопротивления заземляющего устройства по формуле 4.8 рассчитывается сопротивление одиночного заземлителя Rво:

,      (4.8)

где  - расчетное удельное сопротивление грунта для вертикального заземлителя, Ом´м;

 и  - длина и диаметр стержня соответственно, м;

t - заглубление электрода (расстояние от поверхности земли до середины электрода), м.

Расчетное удельное сопротивление грунта для вертикального заземлителя определяется по формуле:

,             (4.9)

где - коэффициент сезонности вертикальных электродов (=1,8);

 Ом´м.

Для уменьшения влияния климатических условий на сопротивление заземления верхнюю часть заземлителя размещают в грунте на глубину не менее 0,7 м. Следовательно, заглубление стержня можно определить по формуле:

T = (l/2) + t,                                                                                   (4.10)

= (5/2) + 0,7 = 3,2 м

По формуле (4.8) рассчитываем сопротивление Rво одного вертикального электрода (длину принимаем 5 м; = 0,05 м):

Ом

Находим приблизительное число вертикальных электродов из выражения 4.11 без учета сопротивления соединительной полосы:

, (4.11)

где - коэффициент использования вертикальных электродов(=0,85);

 - нормируемое сопротивление растеканию тока заземляющего устройства (= 4 Ом ).

Тогда приблизительное число вертикальных электродов равно:

Определим длину соединительной полосы (расстояние а между вертикальными заземлителями примем 5 метров) по формуле:

                                                                                   (4.12)

(м).

Сопротивление заземлителя из стальной полосы прямоугольного сечения, уложенной горизонтально, определяется по формуле:

,                                                                   (4.13)

где - расчетное удельное сопротивление для горизонтального заземлителя (полосы), Ом м;

lП - длина полосы, м;-ширина полосы, м (b=0,02 м);

t - глубина заглубления полосы, м.

По формуле (4.14) определим расчетное удельное сопротивление для горизонтального заземлителя:

,                                                                               (4.14)

где  - коэффициент сезонности горизонтальных электродов (=4,5).

 (Ом´м).

Тогда сопротивление горизонтального заземлителя (полосы) примет значение:

 (Ом).

Определяем общее сопротивление ряда заземляющего устройства, состоящего из вертикальных электродов и соединительных полос по формуле:

                                                                (4.15)

где RП - сопротивление горизонтальной полосы (стержня);

RВО- сопротивление вертикального электрода (стержня);

- количество вертикальных электродов (стержней);

- коэффициент использования вертикального заземлителя (0,85).

- коэффициент использования горизонтального заземлителя (0,80).

Общее сопротивление ряда заземляющего устройства, состоящего из вертикальных электродов и соединительных полос будет равно:

(Ом).

В данном разделе произведен расчет заземляющего контура, а именно: рассчитано количество вертикальных заземлителей, произведен расчет сопротивления контура с учетом вертикальных заземлителей и соединительной полосы. Общее сопротивление контура RОБЩ не превышает нормированного значения RН (3,3 Ом < 4 Ом), следовательно проектируемые объекты не создадут опасности для здоровья обслуживающего персонала.

5 РАСЧЕТ ЗОН РАДИОПОКРЫТИЯ ДЛЯ СЕТИ LTE НА ТЕРРИТОРИИ ВОТКИНСКОГО РАЙОНА


В процессе планирования радиосетей LTE имеется ряд отличий от процесса планирования других технологий беспроводного радиодоступа. Главное отличие - это использование нового типа многостанционного доступа на базе технологии OFDM, в связи с чем появляются новые понятия и изменяются алгоритмы проектирования.

Планирование радиосети LTE будет производиться в сельской местности, а это значит, что плотность абонентов будет невысока и базовые станции должны устанавливаться на максимальном удалении друг от друга с целью закрыть каждой eNB как можно большую территорию. В связи с этим нужно подобрать соответствующий частотный диапазон. В данном случае нужно руководствоваться правилом, что чем ниже частота, тем дальше распространение радиосигнала. Частотный диапазон 791 - 862 МГц вполне подойдет для выполнения этой задачи. Тип дуплекса выберем частотный - FDD.

5.1 Анализ радиопокрытия


Анализ радиопокрытия начнем с вычисления максимально допустимых потерь на линии (МДП). МДП расчитывается как разность между эквивалентной изотропной излучаемой мощностью передатчика (ЭИИМ) и минимально необходимой мощностью сигнала на входе приемника сопряженной стороны, при которой с учетом всех потерь в канале связи обеспечивается нормальная демодуляция сигнала в приемнике.

Принцип расчета МДП показан на рисунке 5.1.

Рисунок 5.1 - Принцип расчета МДП

При расчетах будем использовать следующие параметры:

·        системная полоса: 20 МГц; для FDD = 10/10 (DL/UL);

·        eNB - на каждом секторе один TRX, выходная мощность

TRX = 40 Вт (46 дБм); работает на линии DL в режиме MIMO 2×2;

·        UE - абонентский терминал - USB-модем, класс 4 - ЭИИМ 33 дБм;

·        соотношение длительности кадров DL/UL: 100%/100%.

Расчет максимально допустимых потерь производится по формуле:

(5.1)

где Pэиим.прд - эквивалентная излучаемая мощность передатчика;

Sч.пр - чувствительность приемника;

GА.прд - коэффициент усиления антенны передатчика, GА.прд: DL = 18 дБи, UL = 0 дБи;

LФ.прд - потери в фидерном тракте передатчика, LФ.прд: DL = 0,3 дБ;

Мпрон - запас на проникновение сигнала в помещение для сельской местности, Мпрон = 12 дБ;

Mпом - запас на помехи. Мпом определяется по результатам моделирования системного уровня в зависимости от нагрузки в соседних сотах; значение Мпом соответствует нагрузке в соседних сотах 70%. Mпом: DL = 6,4 дБ; UL = 2,8 дБ;

Gхо - выигрыш от хэндовера. Значение выигрыша от хэндовера - результат того, что при возникновении глубоких замираний в обслуживаемой соте, абонентский терминал может осуществить хэндовер в соту с лучшими характеристиками приема. Gхо = 1,7 дБ.

Pэиим.прд рассчитывается по формуле:

                                                (5.2)

где Рвых.прд - выходная мощность передатчика. Рвых.прд в линии «вниз» (DL) в LTE зависит от ширины полосы частот сайта, которая может колебаться от 1,4 до 20 МГц. В пределах до 5 МГц рационально выбрать передатчики TRX мощностью 20 Вт (43 дБм), а свыше 5 МГц - 40 Вт (46 дБм). Рвых.прд: DL = 46 дБм, UL = 33 дБм.

Для линии DL:

Pэиим.прд = 46 + 18 - 0,3 = 63,7 (дБм),

Для линии UL:

Рэиим.прд = 33 (дБм).

Sч.пр рассчитывается по формуле:

                                                                   (5.3)

где Ртш.пр - мощность теплового шума приемника, Ртш.пр: DL = -174,4 дБм, UL = -104,4 дБм;

Мосш.пр - требуемое отношение сигнал/шум приемника. Значение Мосш.пр взято для модели канала «Enhanced Pedestrian A5». Мосш.пр: DL = -0,24 дБ; UL = 0,61 дБ;

Lпр - коэффициент шума приемника, Lпр: DL = 7 дБ, UL = 2,5 дБ;

Для линии DL:

Sч.пр = -174,4 + (-0,24) + 7 = -167,64 (дБм),

Для линии UL:

Sч.пр = -104,4 + 0,61 + 2,5 = -101,29 (дБм).

С учетом полученных результатов по формулам (5.2) и (5.3), рассчитаем значение МДП:

Для линии DL:

LМДП = 63,7 - (-167,64) - 12 - 6,4 - 8,7 - 1,7 = 205,94 (дБ),

Для линии UL:

LМДП = 33 - (-101,29) + 18 - 0,4 - 12 - 6,4 - 8,7 + 1,7 = 126,5 (дБ).

Из двух значений МДП, полученных для линий DL и UL выбираем минимальное, чтобы вести последующие расчеты дальности связи и радиуса соты. Ограничивающей линией по дальности связи, как правило, является линия вверх.

Для расчета дальности связи воспользуемся эмпирической моделью распространения радиоволн Okumura - Hata. Данная модель является обобщением опытных фактов, в котором учтено много условий и видов сред. В модели Okumura - Hata предлагается следующее выражение для определения среднего затухания радиосигнала в городских условиях:

(5.4)

Для сельской местности выражение примет вид с поправкой:

                                    (5.5)

где fc - частота от 150 до 1500 МГц;

ht - высота передающей антенны (подвеса eNB) от 30 до 300 метров;

hr - высота принимающей антенны (антенны мобильного устройства) от 1 до 10 метров;

d - радиус соты от 1 до 20 км;

A(hr) - поправочный коэффициент для высоты антенны подвижного объекта, зависящий от типа местности.

Произведем выбор параметров для расчетов:

·        fc = 800 МГц;

·        ht = 72 метра;

·        hr = 3 метра.

Найдем поправочный коэффициент A(hr) для сельской местности по формуле:

                     (5.6)

 

Вычислив из формул (5.4) и (5.5) радиус соты, получим, что d ≈ 9 км.

Рассчитаем площадь SeNB покрытия трехсекторного сайта по формуле:

                                                                                      (5.7)

 

 

.2 Частотно-территориальное деление и ситуационное расположение eNB на территории …… района


Основным этапом проектирования сетей подвижной радиосвязи абонентского доступа является этап частотно-территориального планирования, в ходе которого выбирается структура сети, места размещения базовых станций, разрабатывается план распределения радиоканалов для базовых станций, выполняется адаптация планов к условиям территориальных и частотных ограничений планируемой зоны обслуживания.

В первую очередь, нужно составить ситуационный план размещения базовых станций eNB на территории района планирования сети. Целью проектирования не является полный радиоохват территории района. Главное в данном проекте - это обеспечение устойчивым радиосигналом густонаселенных сельских районов. Исходя их этого условия, а так же учитывая особенности рельефа местности, выполним размещение базовых станций. Ситуационный план размещения eNB показан на рисунке 5.2.

Минимальное количество базовых станций eNB, необходимых для обеспечения устойчивым радиосигналом густонаселенных районов на территории планирования составляет 7 штук. Таким образом, строится сеть, все eNB которой имеют следующие характеристики:

·        мощность каждого предатчика - 40 Вт;

·        высота подвеса антенны - 72 метра;

·        число приемопередатчиков TRX - 3 (по одному на каждый сектор);

·        системная полоса для одного сектора - 20 МГц (10 МГц для линии «вверх» и 10 МГц для линии «вниз»);

·        линия «вниз» поддерживает технологию MIMO 4×2;

·        пропускная способность: линия «вниз» - 102,9 Мбит/с, линия «вверх» - 54,87 Мбит/с.

Составим частотный план. Планируемой сети выделена полоса частот 791-862 МГц, ширина частотного спектра составляет 71 МГц. Каждому сектору eNB нужно выделить 20 МГц. Таким образом, имеющаяся ширина спектра разделится на 3 части по 20 МГц, плюс защитные частотные полосы для избежания перекрытия сигналов разных секторов. Присвоим каждой из трех частей спектра условный номер и результаты составления частотного плана сведем в таблицу 5.1.

Таблица 5.1 - Частотный план сети LTE в ….. районе

Номер eNB

Сектор

Азимут

Радиус зоны обслуживания, км

Условный номер части частотного спектра

1

1.1 1.2 1.3

0 120 240

9 9 9

1 2 3

2

2.1 2.2 2.3

0 120 240

9 9 9

1 2 3

3

3.1 3.2 3.3

0 120 240

9 9 9

1 2 3

4

4.1 4.2 4.3

0 120 240

9 9 9

1 2 3

5

5.1 5.2 5.3

0 120 240

9 9 9

1 2 3

6

6.1 6.2 6.3

0 120 240

9 9 9

1 3 2

7

7.1 7.2 7.3

0 120 240

9 9 9

1 3 2


После введения данной сети LTE в эксплуатацию, наступает этап оптимизации сети, в ходе которого может происходить корректирование выполненного планирования, а именно: увеличение пропускной способности сети, изменение высоты подвеса радиомодулей, понижение или повышение излучаемой мощности радиомодулей.

6. ПРОЕКТИРУЕМАЯ СХЕМА ОРГАНИЗАЦИИ СВЯЗИ СЕТИ LTE В ВОТКИНСКОМ РАЙОНЕ [7, 17, 18, 19]

Согласно рассчитанной емкости сети, информационной нагрузке о определению зон радиопокрытия, для организации широкополосного доступа по технологии LTE в ….. районе потребуется 7 базовых станций. Пропускная способность каждой eNB на начальном этапе функционирования сети составит 158 Мбит/с, а всей сети LTE в ….. районе 1,106 Гбит/с. После запуска сети в работу наступает этап оптимизации сети, в ходе которого пропускная способность базовых станций может быть увеличена способом размещения дополнительных радиомодулей «Flaxi Multiradio» компании «Nokia Siemens Network».

Каждая базовая станция отдает трафик коммутатору «Cisco ME 3600 X 24 CX» посредством оптоволоконной линии передачи по стандарту «Gigabit Ethernet 1000 BASE-LX» (IEEE 802.3z). К коммутатору «Cisco ME 3600 X 24 CX» имеется возможность подключения до 3 базовых станций. Коммутатор «Cisco ME 3600 X 24 CX» размещается непосредственно в помещении для размещения оборудования базовой станции.

От коммутаторов «Cisco ME 3600 X 24 CX» сетевой трафик направляется к маршрутизатору «Cisco 7603 OSR», который размещается на одном из объектов связи компании ОАО «Ростелеком» в г……. Соединение между «Cisco ME 3600 X 24 CX» и «Cisco 7603 OSR» осуществляется с помощью оптоволоконной линии передачи по стандарту «Gigabit Ethernet 1000 BASE-LX» (IEEE 802.3z).

Далее сетевой трафик направляется к сети EPC LTE, которая реализована с помощью мультисервисной платформы «Cisco ASR 5000 PCS3» и размещается в г. …. на одном из объектов связи компании ОАО «Ростелеком».

Соединение между маршрутизатором «Cisco 7603 OSR» и платформой «Cisco ASR 5000 PCS3» осуществляется с помощью оптоволоконной линии связи по стандарту «10 Gigabit Ethernet 10 BASE-ER» (IEEE 802.3ae). Сеть EPC LTE управляет сетью, организует абонентские сессии, управляет услугами, осуществляет тарификацию и соединяется через определенные интерфейсы и шлюзы с внешними сетями: 2G, 3G, не-3GPP, Intrnet, ISDN, IMT.

Краткое описание стандартов Ethernet, использующихся в организации связи проектируемой сети:

·        1000 BASE-LX - стандарт, использующий одномодовое оптическое волокно; дальность прохождения сигнала без повторителя зависит от типа используемых приемопередатчиков и составляет от 5 до 60 км. Скорость передачи данных до 1 Гбит/с;

·        10 GBASE-ER - стандарт, использующий одномодовое оптическое волокно; дальность прохождения сигнала до 50 км. Скорость передачи данных до 10 Гбит/с.

Весь сетевой трафик предается по IP-протоколу.

Проектируемая схема организации связи сети LTE в …… районе представлена на рисунке 6.1.

 

Рисунок 6.1- Проектируемая схема организации связи сети LTE в …………. районе

7. ЭКОЛОГИЧНОСТЬ ПРОЕКТА [8, 13]

 

7.1 Электромагнитные излучения, их воздействие на организм человека и принципы гигиенического нормирования и защиты


Среди различных физических факторов окружающей среды, которые могут оказывать неблагоприятное воздействие на человека и биологические объекты, большую сложность представляют электромагнитные поля неионизирующей природы, особенно относящиеся к радиочастотному излучению.

Электромагнитные поля - это особая форма существования материи, характеризующаяся совокупностью электрических и магнитных свойств. Основными параметрами, характеризующими электромагнитное поле, являются: частота, длина волны и скорость распространения.

Природные источники электромагнитных полей делят на две группы. Первая - поле Земли - постоянное электрическое и постоянное магнитное поле. Вторая группа - радиоволны, генерируемые космическими источниками (Солнце, звезды и т.д.), атмосферные процессы - разряды молний и т.д.

Естественное электрическое поле Земли создается избыточным отрицательным зарядом на поверхности; его напряженность обычно от 100 до 500 В/м. Грозовые облака могут увеличивать напряженность поля до десятков, а то и сотен кВ/м.

Антропогенные источники делятся на 2 группы:

1.      Источники низкочастотных излучений (0 - 3 кГц). Эта группа включает в себя все системы производства, передачи и распределения электроэнергии (линии электропередачи, трансформаторные подстанции, электростанции, различные кабельные системы), домашнюю и офисную электро- и электронную технику, в том числе и мониторы ПК, транспорт на электроприводе, ж/д транспорт и его инфраструктуру, а также метро, троллейбусный и трамвайный транспорт.

.        Источники высокочастотных излучений (от 3 кГц до 300 ГГц). К этой группе относятся функциональные передатчики - источники электромагнитного поля в целях передачи или получения информации. Это коммерческие передатчики (радио, телевидение), радиотелефоны (авто-, радиотелефоны, радио СВ, любительские радиопередатчики, производственные радиотелефоны), направленная радиосвязь (спутниковая радиосвязь, наземные релейные станции), навигация (воздушное сообщение, судоходство, радиоточка), локаторы (воздушное сообщение, судоходство, транспортные локаторы, контроль за воздушным транспортом). Сюда же относится различное технологическое оборудование, использующее СВЧ-излучение, переменные (50 Гц - 1 МГц) и импульсные поля, бытовое оборудование (СВЧ-печи), средства визуального отображения информации на электронно-лучевых трубках (мониторы ПК, телевизоры и пр.).

Степень биологического воздействия электромагнитных полей на организм человека зависит от частоты колебаний, напряженности и интенсивности поля, режима его генерации (импульсное, непрерывное), длительности воздействия.

Биологическое воздействие полей разных диапазонов неодинаково. Чем короче длина волны, тем большей энергией она обладает. Высокочастотные излучения могут ионизировать атомы или молекулы в соматических клетках - и т.о. нарушать идущие в них процессы. А электромагнитные колебания длинноволнового спектра хоть и не выбивают электроны из внешних оболочек атомов и молекул, но способны нагревать органику, приводить молекулы в тепловое движение. Причем тепло это внутреннее - находящиеся на коже чувствительные датчики его не регистрируют. Чем меньше тело, тем лучше оно воспринимает коротковолновое излучение, чем больше - тем лучше воспринимает длинноволновое.

Особенно чувствительны к неблагоприятному воздействию электромагнетизма эмбрионы и дети.

Первичным проявлением действия электромагнитной энергии является нагрев, который может привести к изменениям и даже к повреждениям тканей и органов. Механизм поглощения энергии достаточно сложен. Наиболее чувствительными к действию электромагнитных полей являются центральная нервная система (субъективные ощущения при этом - повышенная утомляемость, головные боли и т. п) и нейроэндокринная система.

С нарушением нейроэндокринной регуляции связывают эффект со стороны сердечно-сосудистой системы, системы крови, иммунитета, обменных процессов, воспроизводительной функции и др. Влияние на иммунную систему выражается в снижении фагоцитарной активности нейтрофилов, изменениях комплиментарной активности сыворотки крови, нарушении белкового обмена, угнетении Т-лимфоцитов. Возможны также изменение частоты пульса, сосудистых реакций. Описаны изменения кроветворения, нарушения со стороны эндокринной системы, метаболических процессов, заболевания органов зрения. Было установлено, что клинические проявления воздействия радиоволн наиболее часто характеризуются астеническими, астеновегетативными и гипоталамическими синдромами :

1.      Астенический синдром. Этот синдром, как правило, наблюдается в начальных стадиях заболевания и проявляется жалобами на головную боль, повышенную утомляемость, раздражительность, нарушение сна, периодически возникающие боли в области сердца.

2. Астеновегетативный или синдром нейроциркулярной дистонии. Этот синдром характеризуется ваготонической направленностью реакций (гипотония, брадикардия и др.).

. Гипоталамический синдром. Больные повышенно возбудимы, эмоционально лабильны, в отдельных случаях обнаруживаются признаки раннего атеросклероза, ишемической болезни сердца, гипертонической болезни.

Поля сверхвысоких частот могут оказывать воздействие на глаза, приводящее к возникновению катаракты (помутнению хрусталика), а умеренных - к изменению сетчатки глаза по типу ангиопатии.

В результате длительного пребывания в зоне действия электромагнитных полей наступают преждевременная утомляемость, сонливость или нарушение сна, появляются частые головные боли, наступает расстройство нервной системы и др.

Многократные повторные облучения малой интенсивности могут приводить к стойким функциональным расстройствам центральной нервной системы, стойким нервно-психическим заболеваниям, изменению кровяного давления, замедлению пульса, трофическим явлениям (выпадению волос, ломкости ногтей и т. п.).

В зависимости от диапазона частот в основу гигиенического нормирования электромагнитных излучений положены разные принципы. Критерием безопасности для человека, находящегося в электрическом поле промышленной частоты, принята напряжённость этого поля. Гигиенические нормы для персонала, который систематически находится в этой зоне, установлены ГОСТ 12.3.002-75 («ССБТ. Процессы производственные.Общие требования безопасности»).

Для постоянного магнитного поля предельно-допустимым уровнем на рабочем месте является напряжённость, которая не должна превышать 8 кА/м.

Защита организма человека от действия электромагнитных излучений предполагает снижение их интенсивности до уровней, не превышающих предельно допустимые. Защита обеспечивается выбором конкретных методов и средств, учетом их экономических показателей, простотой и надежностью эксплуатации.

7.2 Методы защиты здоровья людей от электромагнитного воздействия


Существуют следующие методы защиты людей от электромагнитного воздействия:

1.      Защита временем. Применяется, когда нет возможности снизить интенсивность излучения в данной точке до предельно допустимого уровня. Путем обозначения, оповещения и т.п. ограничивается время нахождения людей в зоне выраженного воздействия электромагнитного поля. В действующих нормативных документах предусмотрена зависимость между интенсивностью плотности потока энергии и временем облучения.

.        Защита расстоянием. Применяется, если невозможно ослабить воздействие другими мерами, в том числе и защитой временем. Метод основан на падении интенсивности излучения, пропорциональном квадрату расстояния до источника.

Защита расстоянием положена в основу нормирования санитарно-защитных зон - необходимого разрыва между источниками поля и жилыми домами, служебными помещениями и т.п. Границы зон определяются расчетами для каждого конкретного случая размещения излучающей установки при работе её на максимальную мощность излучения.

3.      Инженерные мероприятия по защите людей от электромагнитного воздействия. Инженерные защитные мероприятия строятся на использовании явления экранирования электромагнитных полей, либо на ограничении эмиссионных параметров источника поля (снижении интенсивности излучения). При этом второй метод применяется в основном на этапе проектирования излучающего объекта.

Для защиты населения от воздействия электромагнитных излучений могут применяться специальные строительные конструкции: металлическая сетка, металлический лист или любое другое проводящее покрытие, а также специально разработанные строительные материалы.

Индивидуальные средства защиты предназначены для предотвращения воздействия на организм человека ЭМИ с уровнями, превышающими предельно допустимые, когда применение иных средств невозможно или нецелесообразно. Они могут обеспечить общую защиту, либо защиту отдельных частей тела (локальная защита).

7.3 Общие положения оценки ЭМС


Оценка ЭМС РЭС включает расчет численных значений необходимых разносов по частоте и расстоянию потенциально несовместимых РПД и РМП, при которых в условиях воздействия РП обеспечивается функционирование РЭС с требуемым качеством. Результаты, полученные для конкретных РЭС с учетом принятой модели распространения радиоволн, представляют собой верхние значения без учета влияния рельефа местности.

Расчет уровней плотности потока мощности (ППМ) электромагнитного поля (ЭМП) от базовой станции БС радиодоступа выполняется в соответствии с «Федеральными санитарными правилами, нормами и гигиеническими нормативами», утвержденными постановлением Госкомсанэпидемнадзора России 08.05.96г. (СанПиН 2.24/2.1.8.055-96), «Методическими указаниями по определению уровней электромагнитного поля в местах размещения средств телевидения и ЧМ-радиовещания» утвержденными Главным Государственным санитарным врачом Российской Федерации 02.02.96г., МУК 4.3.045-96 и «Методическими указаниями по определению уровней электромагнитного поля в местах размещения средств и объектов сухопутной подвижной радиосвязи ОВЧ и УВЧ диапазонов», утвержденными Главным Государственным санитарным врачом Российской Федерации 02.02.96г., МУК 4.3.046-96 (для БС).

В целях защиты населения от воздействия электромагнитных излучений радиочастотного диапазона (ЭМИ РЧ), создаваемых ПРТО, устанавливаются санитарно-защитные зоны и зоны ограничения застройки. Санитарно-защитной зоной (СЗЗ) является площадь, примыкающая к территории ПРТО. Внешняя граница санитарно-защитной зоны определяется на высоте 2м от поверхности земли по предельно допустимому уровню (ПДУ) ЭМИ РЧ, который для всех групп населения на территории жилой застройки и мест общего пользования составляет 10мкВт/см2 (согласно таблице 3.4 СанПиН 12.2.4/2.1.8.055-96).

Санитарно-защитная зона устанавливается с учетом перспективного развития объекта и населенного пункта, и отсчитывается от антенны.

Зоной ограничения застройки (ЗОЗ) является территория, где на высоте более двух метров от поверхности земли интенсивность ЭМИ РЧ превышает ПДУ, который для всех групп населения составляет 10мкВт/см2 (согласно таблице 3.4 СанПиН 2.2.4/2.1. 8.055-96). Внешняя граница зоны ограничения застройки определяется по максимальной высоте зданий перспективной застройки, на высоте верхнего этажа которых интенсивность ЭМИ РЧ не превышает ПДУ. Санитарно-защитная зона и зона ограничения застройки определяются расчетным путем и уточняются путем измерений плотности потока мощности электромагнитного поля.

Территорию ЗОЗ разрешается использовать для размещения застройки функционального различного назначения только при условии соблюдения предельно-допустимых уровней в местах пребывания людей.

Расчеты выполнялись на основании исходных данных и технических характеристик оборудования мультистандартной базовой станции «Flexi Multiradio» компании «Nokia Siemens Network».

7.4 Расчет границ санитарно-защитной зоны и зоны ограничения застройки


Исходные данные для расчета СЗЗ и ЗОЗ для оборудования мультистандартной базовой станции «Flexi Multiradio» компании «Nokia Siemens Network» представлены в таблице 7.1.

Таблица 7.1 - Исходные данные для eNB «Flexi Multiradio»

1

Тип передающей антенны

секторная

2

Диапазон рабочих частот

791 - 862 МГц

3

Эквивалентная изотропно-излучаемая мощность (ЭИИМ)

63,7 дБм

4

Коэффициент усиления антенны

18дБи

5

Азимуты ориентации антенны диаграммы направленности

секторная

6

Высота подвеса антенны от уровня земли

72 м

7

Ширина диаграммы направленности: в горизонтальной плоскости в вертикальной плоскости

 60о 2,5о


Расчет электрической составляющей ЭМП БС сухопутной радиосвязи производится в соответствии с методическими указаниями МУК 4.3.045-96.

Границы СЗЗ и ЗОЗ определяются на основе санитарных норм по известному распределению ЭМП.

Пересчет электрической составляющей ЭМП в плотность потока мощности (ППМ) производится по формуле 7.1:

   ,                                                                 (7.1)

где Е (В/м.) - значение электрической составляющей напряженности ЭМП, которое определяется по формуле 7.2:

                                                    (7.2)

Р - мощность на входе антенно-фидерного тракта, Вт;

G - коэффициент усиления антенны относительно изотропного излучателя, определяемый в направлении максимального излучения;

Пафт - коэффициент потерь в антенно-фидерном тракте ;

R - расстояние от геометрического центра антенны до точки наблюдения в м;

F(a) - нормированная ДН в горизонтальной плоскости;

F(j) - нормированная ДН в вертикальной плоскости;

Кф- множитель ослабления, учитывающий влияние отражающих поверхностей в условиях городской застройки (Кф = 0,15…0,4; т.к. радиомодули расположены на высотной башне Кф = 0,3).

В соответствии с исходными данными параметры Р и Пафт определяются эквивалентной изотропно-излучаемой мощностью (ЭИИМ). Таким образом, формула 7.2 примет вид 7.3:

                                                     (7.3)

Подставляя выражение для электрической составляющей ЭМП БС в формулу для ППМ ЭМП получаем следующее выражение 7.4:

                                                        (7.4)

При F(a) = 1, рассматривается распределение ППМ в горизонтальной плоскости ДН.

При F(j) = 1, рассматривается распределение ППМ в вертикальной плоскости ДН.

Предельно допустимый уровень (ПДУ) ППМ ЭМП для данного диапазона составляет 10мкВт/см2, следовательно, из формулы (7.5) можно определить расстояние в максимуме ДН, на котором этот уровень превышается:

                                                     (7.5)

где ПДУ - предельно допустимый уровень ППМ ЭМП для данного диапазона (10мкВт/см2).

Подставив свои значения, получим расстояние в максимуме ДН для кластера точек доступа:

В результате вычислений граница зоны ограничения застройки для кластера базовой станции «Flexi Multiradio» по предельно допустимому уровню (10мкВт/см2) в направлении максимума ДН составит R=25,3м.

Результаты расчетов и построений показывают:

·  внешняя граница ЗОЗ по высоте 72 м от земли для приемо-передающих антенн составит 25,3 м.

·        СЗЗ от работы приемо-передающих антенн отсутствует.

Результаты расчетов интенсивности ЭМИ РЧ на прилегающей к приемо-передающим радиомодулям позволяют сделать следующие выводы:

·  максимальная протяженность зон ограничения застройки составляет: 25,3 м.

·  вновь устанавливаемые конструкции на башне, где размещены антенны, не должны попадать в зоны ограничения застройки.

·        работа проектируемой системы не создает опасности для здоровья населения и обслуживающего персонала на прилегающей к ПРТО территории, поскольку уровни ЭМИ РЧ в местах возможного их нахождения будут существенно ниже допустимых норм.

·        проведение ремонтных и настроечных работ антенн допускается только при выключенных передатчиках базовой станций.

Вредные выбросы от технологического оборудования отсутствуют. Это позволяет сделать вывод о безопасности проектируемого оборудования.

 


8. БЕЗОПАСНОСТЬ ПРОЕКТА [8]


8.1 Охрана труда при строительно-монтажных работах оборудования связи


Радиомодули «Flaxi Multiradio» компании «Nokia Siemens Network», а также оборудование компании «Cisco Systems», используемое в дипломном проекте имеет сертификат соответствия, содержащий требования безопасности.

Согласно СН и П 12-03-01 «Безопасность труда в строительстве. Часть1. Общие требования» запрещается размещать оборудование и производить его монтаж и настройку в помещениях, где не закончены ремонтно-строительные работы.

В производственных помещениях распаковка оборудования запрещается. Распаковка должна производиться в помещении, расположенном смежном или поблизости от производственных помещений. Для распаковки может быть использован коридор или другое помещение.

В соответствии с требованиями ПУЭ, ГОСТ 12.2.007.0-75 («ССБТ. Изделия электротехнические. Общие требования безопасности».) металлические части оборудования, которые вследствие повреждения изоляции могут оказаться под электрическим напряжением выше 42 В переменного тока и выше 110 В постоянного тока, должны быть заземлены.

При проведении строительно-монтажных работ должен использоваться электроинструмент с напряжением 42 В. При работах на высоте используются стремянки. При обслуживании и ремонте электроустановок запрещается применение металлических стремянок.

Все работы должны производиться согласно документу «Правила по охране труда при работах на телефонных станциях и телеграфах» ПОТ РО-45-007-96.

8.2 Требования безопасности при эксплуатации антенно-мачтовых сооружений


В данном проекте предусматривается установка антенн на радиобашни, высота которых находится в диапазоне 80-90 м.

К работам на высоте допускаются лица, которым разрешена работа на высоте. Работы на конструкциях, не имеющих ограждения, а также работы, связанные с выходом за пределы ограждений, должны выполняться верхолазами. К самостоятельным верхолазным работам допускаются, лица (рабочие и инженерно-технические работники) не моложе 18 лет, прошедшие медицинский осмотр и признанные годными, имеющие стаж верхолазных работ не менее одного года и тарифный разряд не ниже третьего.

Верхолазными считаются работы, выполняемые на высоте более 5 м от поверхности земли, перекрытия или рабочего настила, над которыми производятся работы непосредственно с конструкций при монтаже или ремонте, при этом основным средством, предохраняющим работающих от падения с высоты, является предохранительный пояс.

Подъем людей на антенно-мачтовые сооружения запрещается:

· при неснятом напряжении свыше 42 В;

·        во время грозы и при ее приближении;

·        при гололеде, сильном дожде, снегопаде или тумане;

·        при не пристегнутом к люльке карабине предохранительного пояса;

·        при скорости ветра выше 12 м/с, в темное время;

·        на подъемном устройстве, срок очередного испытания которого истек;

·        на бракованных канатах; при неисправной лебедке;

·        без защитной каски и предохранительного пояса.

Антенщику - мачтовику разрешается выполнять ремонтные работы на опоре лишь после того, как он прикрепится к ее конструкциям предохранительным поясом. Красить опоры следует с лестниц, подмостей или с люльки.

Антенщики-мачтовики должны работать в защитных касках и специальной обуви (сапоги, ботинки без металлических гвоздей и подковок и с нескользящими подошвами).

Работы на АМС должны выполняться не менее чем двумя мачтовиками, один из которых является наблюдающим. Наблюдающий должен находиться от центра основания опоры на расстоянии не ближе одной трети ее высоты и иметь при себе монтерский пояс, а в случае работ на деревянных опорах - и когти.

Сварочные работы разрешается производить с инвентарной люльки подъемного устройства при условии подвески люльки к грузовому канату.

Во время грозы и при ее приближении запрещается находиться около заземлителей. Работы на антенном поле необходимо прекратить, а людей перевести в помещение. На местах установки заземлителей должны быть установлены предупредительные плакаты «Стой! Напряжение».

8.3 Молниезащита


Молниезащита - целый комплекс технических решений и специальных приспособлений. Молниезащита нужна для защиты от прямого удара молнии в здание, защиты от вторичных её проявлений, таких как перенапряжения (наводки, возникающие в электрических цепях при грозовом разряде).

Молниезащита разделяется на внешнюю и внутреннюю.

Внешняя молниезащита представляет собой систему, обеспечивающую перехват молнии и отвод её в землю, тем самым, защищая от повреждения и пожара.

Внутренняя молниезащиты представляет собой комплекс мер и устройств (УЗИП) предназначенных для уравнивания потенциалов: исключает возможность возникновения опасного напряжения в электрических цепях и трубопроводах входящих в здание.

Состав внешней молниезащиты:

Молниеприемник - устройство, перехватывающее разряд молнии (громоотвод).

Тоководы (спуски) это часть системы молниезащиты, предназначенная для отвода тока молнии от молниеприемника к заземлителю.

Заземлитель - металлический проводник в заглубленный в почву, обеспечивающий растекание тока молнии в землю.

Внутренняя молниезащита состоит из устройств защиты от импульсных перенапряжений (УЗИП) и эффективной системы заземления.

Все компоненты системы молниезащиты должны быть спроектированы и смонтированы с соблюдением требований нормативных документов, таких как: СО 153-34.21.122-2003 и РД 34.21.122-87.

8.4 Электробезопасность


Электробезопасность - система организационных и технических мероприятий и средств, обеспечивающих защиту людей от вредного и опасного воздействия электрического тока, электрической дуги, электромагнитного поля и статического электричества.

Обслуживание электроустановок поручается лицам, прошедшим медицинский осмотр и специальное обучение.

Первая доврачебная помощь при несчастных случаях от электрического тока состоит из двух этапов: освобождение пострадавшего от действия тока и оказание ему медицинской помощи.

Основными мерами защиты от поражения током являются:

·  обеспечение недоступности токоведущих частей, находящихся под напряжением, для случайного прикосновения; электрическое разделение сети;

·        устранение опасности поражения при появлении напряжения на корпусах и других частях электрооборудования, что достигается применением малых напряжений, использованием двойной изоляции, выравниванием потенциала, защитным заземлением, защитным отключением.

Недоступность токоведущих частей электроустановок для случайного прикосновения может быть обеспечена рядом способов: изоляцией токоведущих частей, размещением их на недоступной высоте, ограждением.

8.5 Пожаробезопасность


Под пожарной безопасностью понимается такое состояние объекта, при котором с большой вероятностью предотвращается возможность возникновение пожара, а в случае его возникновения обеспечивается эффективная защита людей от опасных и вредных факторов пожара и спасение материальных ценностей.

Пожарная безопасность производственных объектов обеспечивается разработкой и осуществлением систем предотвращение пожаров и систем пожарной защиты. Помещения должны быть оборудованы противопожарными средствами для тушения возгорания (огнетушителями). Эта задача решается как на стадии проектирования оборудования, так и в процессе его эксплуатации.

Факторами, вызывающими возгорание, являются компьютеры и другие электрические приборы. Весьма распространённым источником пожара является курение в недозволенных местах и неосторожное обращение с огнем персонала. Распространение и источники зажигания, связанны с использованием электрической энергии. Это, прежде всего короткие замыкания, которые сопровождаются большим тепловыделением, образованием в зоне замыкания дуги с разбрызгиванием металла.

Поскольку в рассматриваемом случае при возгораниях электроустройства могут находиться под напряжением, то использовать воду и пену для тушения пожара недопустимо, поскольку это может привести к электрическим травмам. Поэтому для тушения пожаров в рассматриваемом помещении можно использовать либо порошковые составы, либо установки углекислотного тушения. Но поскольку последние предназначены только для тушения небольших очагов возгорания, то область их применения ограничена. Поэтому для тушения пожаров в данном случае применяются порошковые составы, так как они обладают следующими свойствами: диэлектрики, практически не токсичны, не оказывают коррозийного воздействия на металлы, не разрушают диэлектрические лаки.

Установки порошкового пожаротушения могут быть как переносными, так и стационарными, причем стационарные могут быть с ручным, дистанционным и автоматическим включением. В настоящее время освоены модульные порошковые установки ОПА-50, ОПА-100, УАПП.

8.6 Организация и улучшение условий труда на рабочем месте


Организация работы по охране труда возлагается на начальника, главного инженера и заместителей начальника, которые несут ответственность за соблюдение действующего законодательства по охране труда, выполнение правил, норм, инструкций и решений вышестоящих организаций по охране труда.

Организация и улучшение условий труда на рабочем месте является одним из важнейших резервов производительности труда и экономической эффективности производства, а также дальнейшего развития самого работающего человека. В этом главное проявление социального и экономического значения организации и улучшения условий труда.

Для поддержания длительной работоспособности человека большое значение имеет режим труда и отдыха. Под рациональным физиологически обоснованным режимом труда и отдыха подразумевается такое чередование периодов работы с периодом отдыха, при котором достигается высокая эффективность общественно-полезной деятельности человека, хорошее состояние здоровья, высокий уровень работоспособности и производительности труда.

После установления нормального производственного процесса, сменный режим труда и отдыха рабочих становится фактором ритмизации труда, эффективным средством предупреждения утомления работающих.

Для поддержания длительной работоспособности человека имеет большое значение не только суточный и недельный режим труда и отдыха, но и месячный, поэтому законодательством о труде предусмотрен еженедельный непрерывный отдых продолжительностью не менее сорока двух часов. А рациональный годовой режим труда и отдыха обеспечивается ежегодным отпуском.

Для создания оптимальных условий труда на рабочем месте необходимо, чтобы на предприятии были установлены оптимальные показатели этих условий для каждого вида производства, состоящие из данных, характеризующих производственную среду. Для получения доступа к работе все принимаемые должны проверить состояние здоровья, т.е. пройти медицинский профотбор.

9. ТЕХНИКО - ЭКОНОМИЧЕСКОЕ ОБОСНОВАНИЕ ПРОЕКТА

В данной главе дипломного проекта проводится технико-экономическое обоснование организации беспроводного доступа в …… районе с использованием технологии LTE.

Построение сети LTE в ….. районе потребует вложения существенных денежных средств, поэтому строительство сети будет разумнее реализовать в два этапа. Первый этап реализует одну часть сети. В дальнейшем, при получении доходов от предоставления услуг связи можно будет начать второй этап, в процессе реализации которого будут достроены оставшиеся объекты проектируемой сети.

При разработке проектной документации и расчете экономических и финансовых показателей развития связи рассчитываются следующие основные технико-экономические показатели:

·  капитальные вложения;

·        эксплуатационные расходы;

·        тарифные доходы;

·        фондоотдача, себестоимость услуг и рентабельность проекта;

·        прибыль и срок окупаемости проекта.

9.1 Первый этап строительства сети LTE в …… районе

Перед началом расчета экономических и финансовых показателей развития сети нужно дать оценку существующей инфраструктуре связи ОАО «Ростелеком» в ….. районе, часть которой можно будет использовать в процессе реализации данного проекта. В распоряжении ОАО «Ростелеком» в ….. районе имеются проложенные оптоволоконные линии связи на участках: ……………………………… . На первом этапе строительства сети LTE в ………. районе планируется реализовать схему строительства (рисунок 9.1) и следующие мероприятия:

·  строительство радиобашни, установка БС, установка контейнера для размещения оборудования БС, ввод в эксплуатацию БС в с. …..;

·        строительство радиобашни, установка БС, установка контейнера для размещения оборудования БС, ввод в эксплуатацию БС в районе д. ……….;

·        строительство волоконно-оптической линии связи на участках: …………………………………………………………………;

·        установка маршрутизатора «Cisco 7603 OSR» в помещении АТС- ……………;

·        установка мультисервисной платформы «Cisco ASR 5000 PCS3» в помещении ОПТС ……………. , подключение сети EPC LTE к внешним сетям;

·        аренда мест подвеса на радиобашнях операторов подвижной сотовой связи в населенных пунктах: д. ……… (ОАО «МТС»), …………………. (ОАО «Вымпел Коммуникации»), д. ……………(башня ООО «ПермТрансГаз»).

9.1.1 Расчет капитальных вложений на первом этапе

Капитальные вложения и ввод в эксплуатацию нового оборудования складываются из следующих составляющих:

·        стоимость оборудования;

·        установка и монтаж оборудования;

·        стоимость строительно-монтажных работ (СМР);

·        транспортные расходы.

В данном проекте все затраты по финансированию ввода в эксплуатацию сети LTE предусматривается за счет собственных средств ОАО «Ростелеком».

Определим затраты на прокладку кабеля.

Затраты на прокладку кабеля (СΣ) рассчитаем по формуле:

СΣ = (Сок + Ссмр) · Lок                                                               (9.1)

где Сок - цена 1 км оптического кабеля, Сок = 45000 руб.;

Ссмр - стоимость прокладки кабеля в грунт за 1 км, Ссмр = 300000 руб.;

Lок - длина прокладываемого оптического кабеля, Lок = 31 км.

СΣ = (45000+300000) ·31 = 10695000 (руб.).

Расчет капитальных вложений на первом этапе приведен в таблице 9.1.

Таблица 9.1 - Расчет капитальных вложений на первом этапе

Наименование и техническая характеристика оборудования, типы выполняемых работ

Количество

Цена единицы с НДС 18%, руб.

Стоимость с НДС 18%, руб.

Сетевое оборудование

Базовая станция «Flexi RF Module Triple 90W», производитель «Nokia Siemens Network»

5

450000

2250000

Коммутатор «Cisco ME 3600X 24CX»

5

177000

885000

Маршрутизатор «Cisco 7603 OSR»

1

465000

465000

Мультисервисная платформа «Cisco ASR 5000 PCS3»

1

1650000

1650000

Итого

5250000

Тара и упаковка


0,5%

26250

Транспортные расходы


4%

210000

Заготовительно-складские расходы


1%

52500

Установка и настройка


18%

945000

Сумма

1233750

Дополнительное оборудование

Радиобашня для установки eNB

2

1800000

3600000

Контейнер цельнометаллический для размещения оборудования eNB, производитель ООО «ПМК»

2

103000

206000

ИБП Liebert «GXT2-1500 RT230»

5

28000

140000

Блок грозозащиты

15

674

10110

Сплит-система «Hitachi Luxury RAS/RAC-0,8 LH1/LH2»

2

18000

36000

Конвектор «Timit W4CT 1104D 1500W»

2

2350

4700

Итого

3996810

Тара и упаковка


0,5%

19984

Транспортные расходы


4%

159872

Заготовительно-складские расходы


1%

39968

СМР


15%

599520

Сумма

819344

ИТОГО

11299990

Неучтенное оборудование


10%

1129990

СΣ



10695000

Покупка «Nokia Internet Modem RD3»

2500

1500

3750000

ВСЕГО

26874894


Стоимость установки и настройки оборудования рассчитывается в процентах от итога стоимости сетевого оборудования. Стоимость СМР дополнительного оборудования рассчитывается в процентах от итога стоимости дополнительного оборудования. Интервал определяется в зависимости от сложности работ (15 - 30%).

Тара и упаковка составляют 0,5%, транспортные расходы - 4%, заготовительно-складские расходы - 1% от стоимости оборудования. Стоимость неучтенного оборудования - 10% от общей стоимости оборудования.

Общие капитальные вложения на организацию сети связи на первом этапе составляют К = 26874894 руб.

9.1.2 Расчет годовых эксплуатационных расходов

Эксплуатационными расходами (Рэк) называются текущие расходы предприятия на производство услуг связи. В состав эксплуатационных расходов входят все расходы на содержание и обслуживание сети. Эксплуатационные расходы по своей экономической сущности выражают себестоимость услуг связи в денежном выражении. В связи эксплуатационные расходы рассчитываются на основе группировки затрат по экономическим элементам, принятой для всех отраслей экономики предприятий всех форм собственности:

·        затраты на оплату труда работников;

·        страховые взносы в государственные внебюджетные фонды;

·        амортизационные отчисления;

·        материальные затраты;

·        прочие расходы;

·        отчисления на НИОКР.

Затраты на оплату труда

Для расчета годового фонда заработной платы необходимо определить численность штата производственного персонала. Выбранное в дипломном проекте оборудование не требует постоянного присутствия обслуживающего персонала. Поэтому вся группа по обслуживанию оборудования будет состоять из ниже перечисленных специалистов для аварийно-профилактических работ. В таблице 9.2 приведен рекомендуемый состав обслуживающего персонала.

Таблица 9.2 - Состав обслуживающего персонала

Наименование должностей

Оклад, руб.

Количество, чел.

Сумма з/п, руб.

Ведущий инженер

25000

1

25000

Инженер по обслуживанию сети

20000

1

20000

Электромеханик

15000

1

15000

Антенщик-мачтовик

13000

2

26000

Итого (ФЗП)

5

86000


Величину общего годового фонда оплаты труда (ФОТг) можно рассчитать по формуле:

ФОТг = ФЗП · Nм · Пр · Кр · Квр                                                         (9.2)

где ФЗП - основной фонд заработной платы, ФЗП = 86000 руб.;

Nм - количество месяцев в году, Nм = 12;

Пр - размер премии, Пр = 1,25 (25%);

Кр - районный коэффициент, Кр = 1,15;

Квр - коэффициент, учитывающий доплату за работу с вредными условиями труда, Квр = 1,04.

ФОТг = 86000 · 12 · 1,25 · 1,15 · 1,04 = 1542840 (руб.).

Страховые взносы (СВ) в государственные внебюджетные фонды составляет 30% от ФОТ:

CВ = ФОТг · 0,3                                                                            (9.3)

СВ = 1542840 · 0,3 = 462852 (руб.)

Амортизационные отчисления.

Амортизационные отчисления (А) на полное восстановление производственных фондов определяются по формуле:

А = Косн.i · На.i                                                                            (9.5)

где Косн.i - первоначальная стоимость основных фондов (Косн.i приравнивается к капитальным вложениям);

На.i - норма амортизационных отчислений основных фондов, На.i = 5%.

А = 26874894 · 0,05 = 1343745 (руб.).

Материальные затраты.

Величина материальных затрат (Мз) включает в себя оплату электроэнергии для производственных нужд, затраты на материалы и запасные части. Составляющие материальных затрат определяются по формуле:

Мз = Зэн + Зм                                                                                (9.6)

где Зэн - затраты на оплату электроэнергии;

Зм - затраты на материалы и запасные части.

Затраты на оплату электроэнергии определяются в зависимости от мощности оборудования по формуле:

Зэн = Т · 24 · 365 · Р                                                                     (9.7)

где Т - тариф на электроэнергию, Т = 3,17руб./кВт/час;

Р - мощность оборудования, для eNB Р = 1,075 кВт.

Зэн = 3,17 · 24 · 365 · 1,075 = 29851,89 (руб.).

Затраты на материалы и запасные части составляют 3,5% от капитальных вложений К и определяется по формуле:

Зм = К · 0,035                                                                                (9.8)

Зм = 26874894 · 0,035 = 904621 (руб.).

Величина общих материальных затрат составит:

Мз = 29851,89 + 940621 = 970472,89 (руб.).

Аренда места подвеса для базовой станции на радиобашне у операторов подвижной сотовой связи. Общая стоимость аренды мест подвеса определяется по формуле:

Зобщ. ар. = Зар · Nар                                                                   (9.9)

где Зар - стоимость одного места подвеса в год, Зар = 300000 руб.

Nар - количество арендуемых мест подвеса, Nар = 3.

Зобщ. ар. = 300000 · 3 = 900000 (руб.).

Прочие расходы.

Прочие расходы предусматривают общие производственные и эксплуатационно-хозяйственные расходы, ремонт и обслуживание зданий, некоторые виды налогов, страхование имущества, расходы на рекламу, аудит и представительские расходы. Прочие расходы рассчитываются по формуле:

Зпр = 0,4 · ФОТ                                                                             (9.10)

Зпр = 0,4 · 1943978 = 777591 (руб.).

Отчисления на научно-исследовательские и опытно-конструкторские работы (НИОКР) составляют 1,5% от всей суммы расходов.

Результаты годовых эксплуатационных расходов приведены в таблице 9.3.

Таблица 9.3 - Годовые эксплуатационные расходы

Виды расходов

Сумма расходов, руб.

Фонд оплаты труда годовой (ФОТг)

1542840

Страховые взносы в государственные внебюджетные фонды (СВ)

462852

Амортизационные отчисления (А)

1343745

Материальные затраты (Мз)

959455

Аренда мест подвеса БС (Зобщ.ар)

900000

Прочие расходы (Зпр)

777591

Итого

5924769

НИОКР

88872

ВСЕГО

6013640


Таким образом, общие эксплуатационные расходы равны 6013640 руб.

9.1.3 Расчет тарифных доходов

Данная сеть LTE проектируется исходя из принципа, что к ней подключится максимальное количество абонентов. Проектируемая сеть LTE будет предоставлять абонентам услуги голосовой связи, видеосвязи, передачу SMS, MMS, услуги доступа в сеть Интернет.

По данным Фонда «Общественное мнение» (ФОМ) проникновение сети Интернет в сельской местности России с каждым годом растет. В зимний период 2011 - 2012 гг. суточная аудитория пользователей сети Интернет в сельской местности составила 38% от числа населения. На рисунке 9.1 показана диаграмма проникновения сети Интернет в сельской местности России в период с 2009 г. по 2012 г. (по данным ФОМ).

Рисунок 9.1 - Проникновение сети Интернет в сельскую местность России (по данным ФОМ)

Согласно диаграмме, показанной на рисунке 9.2, прирост пользователей сети Интернет в сельской местности России составляет в среднем значении около 6% в год.

В идеальном случае предположим, что в первый год работы к проектируемой сети LTE в …………. районе для получения доступа к сети Интернет подключатся 38% от общего числа населения района, а прирост пользователей будет около 5% в год. Но так как две eNB на первом этапе строительства сети в эксплуатацию не вводятся, то прирост пользователей учитывать не будем.

Население ………….. района составляет 24500 человек. Рассчитаем примерное количество подключившихся абонентов к проектируемой сети для доступа к сети Интернет через USB-LTE модем (Nаб.инт):

Nаб.инт = 24500 · 0,38 = 9310 (человек)                                               (9.11)

Так как USB-LTE модем обычно покупается один на семью, а семья состоит в среднем из четырех человек, то Nаб.инт примет следующее значение:

Nаб.инт = 9310/4 = 2328 (человек).

Предполагаемые тарифные планы по предоставлению доступа в сеть Интернет с помощью USB-LTE модемов показаны в таблице 9.4.

Таблица 9.4 - Предполагаемые тарифные планы и их стоимость

Тарифный план

Скорость подключения

Стоимость тарифа, руб./мес.

Порог

Доля абонентов от Nаб.инт, %

Примерное число подключившихся пользователей

Т1

до 500 кбит/с

300

-

25

582

Т2

до 1 Мбит/с

350

-

25

582

Т3

до 2 Мбит/с

400

-

20

466

Т4

до 4 Мбит/с

500

50 Гб

15

350

Т5

до 6 Мбит/с

550

70 Гб

15

350


Суммарный тарифный доход от предоставления услуги доступа в сеть Интернет с помощью USB-LTE модема (D1) определяется по формуле:

,                                                                          (9.12)

где Ti - стоимость тарифного плана;

Ni - предполагаемое количество абонентов, подключенных к данному тарифному плану.

D1 = [300·585+350·582+400·466+500·350+550·350]·12=10636800 (руб.)

Доход от продажи USB-LTE модемов (D2) находим по формуле:

D2 = Nаб.инт·(Zп - Zз)                                                                  (9.13)

где Zп - стоимость продажи одного USB-LTE модема, Zп = 2990 руб.;

Zз - закупочная цена одного USB-LTE модема, Zз = 1500 руб.

D2 = 2328 · (2990 - 1500) = 3468720 (руб.).

Далее рассчитаем доход от предоставления услуг голосовой связи, передачи SMS, MMS и доступа к сети Интернет с помощью мобильного терминала.

По данным ФОМ сотовой связью в сельской местности России на начало 2012 г. пользуются 48% населения. В соответствии с этими данными, в ……….. районе число абонентов составляет 11760 человек. Основываясь на проделанном анализе предоставления услуг связи в разделе 2.3 можно сказать, что в ……… районе осуществляют работу четыре компании-оператора мобильной связи. Следовательно, пятой компанией-оператором мобильной связи, осуществляющей работу в ……… районе будет ОАО «Ростелеком». Условно поделим абонентов сотовой связи в ………. районе между компаниями операторами поровну. Тогда количество абонентов мобильной связи проектируемой сети LTE в ………. районе составит: Nаб.моб = 11760/5 = 2352 человека.

Предполагаемые цены на предоставление услуг мобильной связи показаны в таблице 9.5.

Таблица 9.5 - Предполагаемые цены на предоставление услуг мобильной связи

Услуга

Размер оплаты, руб.

1 минута входящего звонка

0

1 минута исходящего звонка на номера других операторов мобильной связи

К1 = 0,6

1 минута исходящего звонка на мобильные номера «Ростелеком»

К2 = 0,3

1 минута исходящего звонка на телефонные номера фиксированной связи

К3 = 0,3

1 SMS, MMS

К4 = 2

1 МБ трафика

К5 = 3


По данным ФОМ, среднестатистический абонент мобильной связи использует 20 SMS/MMS, 10 МБ трафика и 200 минут разговора в месяц. Предположим, что соотношение исходящего разговорного времени одного абонента в процентах составляет: 45% (90 минут) на номера других мобильных операторов, 45% (90 минут) на мобильные номера «Ростелеком», 10% на телефонные номера фиксированной связи.

Суммарный тарифный доход от предоставления услуг мобильной связи (D3) определим по формуле:

D3 = [K1·90+K2·90+K3·20+K4·20+K5·10]· Nаб.моб·12            (9.14)

D3 = [0,6·90+0,3·90+0,3·20+2·20+3·10]·2352·12=4431168 (руб.)

Общий тарифный доход от услуг связи сети LTE в ………. районе рассчитывается по формуле:

Dобщ = D1+D2+D3                                                                       (9.15)


9.1.4 Оценка показателей экономической эффективности проекта в первый год эксплуатации

Себестоимость.

Себестоимость показывает, во что конкретно обходится предприятию производство услуги связи.

На предприятиях связи применяется относительный показатель себестоимости, характеризующий годовые эксплуатационные расходы предприятия, приходящиеся на 100 рублей доходов от основной деятельности. Показатель себестоимости определяется по формуле:

С = (Рэк / Dобщ )· 100                                                                   (9.16)

где Рэк - годовые эксплуатационные расходы;

Dобщ - тарифные доходы от основной деятельности.

С = (6013640/18536688) · 100 = 33 (руб.).

Фондоотдача.

Коэффициент фондоотдачи от использования основных фондов (KФ) определяется по формуле:

KФ = Dобщ /Фср                                                                                    (9.17)

где Фср - среднегодовая стоимость основных фондов (для вновь вводимых фондов Фср приравнивается к капитальным вложениям).

KФ = 18536688/26874894 = 0,69.

Прибыль и срок окупаемости.

Прибыль от реализации проекта (или прибыль от основной деятельности) представляет собой разницу между тарифными доходами и эксплуатационными расходами и рассчитывается по формуле:

Пр = Dобщ - Рэк                                                                            (9.18)

Пр = 18536688 - 6013640 = 12523048 (руб.).

Чистая прибыль характеризует прибыль, остающуюся в распоряжении предприятия: она определяется путем исключения из прибыли от реализации проекта суммы налога на прибыль. Размер налога на прибыль равен 20%. Чистая прибыль (Пч) определяется по формуле:

Пч = Пр - 0,2·Пр                                                                                    (9.19)

Пч = 12523048 - 0,2 · 12523048 = 10018439 (руб.).

Срок окупаемости капитальных вложений определяется по формуле:

Т = К / Пч                                                                                      (9.20)

Т = 26874894/10018439 = 2,6 (лет).

Капитальные вложения в организацию сети на первом этапе окупятся через 2 года 6 месяцев.

Рентабельность (R) проекта определяется по формуле:

R = (Пч/К) · 100%                                                                         (9.21)

R = (10018439/26874894) · 100% = 38%.

9.2 Второй этап строительства сети LTE в ………… районе

На втором этапе строительства сети LTE в ………… районе будут реализованы следующие мероприятия:

·    строительство радиобашни, установка контейнера для размещения оборудования БС, ввод в эксплуатацию БС в населенных пунктах:………………………………………...

·        строительство волоконно-оптической линии связи на участке……………………..

9.2.1 Оценка инвестиционных составляющих по второму этапу

Расчет стоимости капитальных вложений на втором этапе строительства сети LTE в ……… районе ведется аналогично разделу 9.1.1, а результаты сведены в таблицу 9.6.

Таблица 9.6 - Расчет стоимости капитальных вложений на втором этапе

Наименование и технические характеристика оборудования, типы выполняемых работ

Коли - чество

Цена единицы с НДС 18%, руб.

Стоимость с НДС 18%, руб.

Сетевое оборудование

Базовая станция «Flaxi RF Module Triple 90W»

2

450000

900000

Коммутатор «Cisco ME 3600 X 24CX»

2

177000

354000

Итого

1254000

Тара и упаковка


0,5%

6270

Транспортные расходы


4%

54160

Заготовительно-складские расходы


1%

12540

Установка и настройка


18%

225720

Сумма

298690

Дополнительное оборудование

Радиобашня для установки БС

5

1800000

9000000

Контейнер цельнометаллический для размещения оборудования БС, производитель ООО «ПМК»

5

103000

515000

ИБП Liebert «GXT2-1500 RT230»

2

28000

56000

Блок грозозащиты

6

674

4044

Сплит-система Hitachi Luxury «RAS/RAC - 0,8 LH1/LH2»

5

18000

90000

Конвектор «Timit W4CT 1104 D1500W»

5

2350

11750

Итого

9676794

Тара и упаковка


0,5%

48383

Транспортные расходы


4%

387071

Заготовительно-складские расходы


1%

96767

СМР


15%

1451510

Сумма

1983710

ИТОГО

12213000

Неучтенное оборудование


10%

1221300

Затраты на прокладку кабеля (СΣ)



6500000

ВСЕГО (К)

20934494


Расчет годовых эксплуатационных расходов на втором этапе проводится по формулам (9.2 - 9.10), а полученные данные сведены в таблицу 9.7. Состав обслуживающего персонала остается тот же.

.7 - Расчет годовых эксплуатационных расходов на втором этапе строительства сети LTE в …………. районе

Виды расходов

Сумма расходов, руб.

Фонд оплаты труда (ФОТ)

1542840

Страховые взносы в государственные внебюджетные фонды (СВ)

462852

Амортизационные расходы (А)

1071715

Материальные затраты (Мз)

882038

Прочие расходы (Зпр)

61713

НИОКР

59391

Годовые эксплуатационные расходы (Рэк)

4018835


Расчет тарифных доходов производится по формулам (9.11 - 9.15), а полученные данные сведены в таблицу 9.8. При расчете допустим, что стоимость тарифных планов не изменилась, а прирост числа абонентов, пользующихся услугой доступа в сеть Интернет с помощью USB-LTE модема составил 6%; число абонентов мобильной связи не изменилось.

Таблица 9.8 - Расчет тарифных доходов на втором этапе строительства сети LTE в ………… районе

Виды доходов

Количество абонентов, чел.

Сумма доходов, руб.

Суммарный тарифный доход от предоставления услуг доступа в сеть Интернет с помощью USB-LTE модема (D1)

Nаб.инт2 = Nаб.инт + (Nаб.инт· ·0,06) = 2328 + (2328 · 0,06)= = 2467

11845800

Доход от продажи USB-LTE модемов «Nokia Internet Modem RD3» (D2)

Nаб.инт2- Nаб.инт=2467 -2328 = =139

207110

Доход от предоставления услуг голосовой связи, передачи SMS, MMS, мобильного трафика (D3)

2352

4431168

ИТОГО

16484078


Расчет оценочных показателей экономической эффективности проведен по формулам (9.16 - 9.21) на каждый год и сведен в таблицу 9.9.

Таблица 9.9 - Погодовой расчет оценочных показателей экономической эффективности

Этап

Первый

Второй

Год

1

2

3

4

5

6

Общая численность персонала

5

5

5

5

5

5

Капитальные вложения за год (Кг), руб.

26874894

-

20934494

-

-

-

Капитальные вложения общие (Кобщ), руб.

26874894

26874894

47809388

47809388

47809388

47809388

Годовые эксплуатационные расходы (Рэк), руб.

6013640

6013640

4018835

4018835

4018835

4018835

Общий тарифный доход за год (Dобщ), руб.

18536688

15068688

16484078

16276968

16276968

16276968

Общий тарифный доход (Dобщ), руб.

18536688

33605376

50089454

66366422

82643390

98920358

Прибыль от услуг связи за год (Прг), руб.

12583048

9055048

12435243

12258133

12258133

12258133

Чистая прибыль за год (Пч.г), руб.

10018439

7244039

9948195

9806507

9806507

9806507

Чистая прибыль общая (Пч.общ), руб.

10018439

17262478

27210673

37017180

46823687

56630264

Себестоимость (С), руб./100 руб.

33

19

24

24

24

24

Срок окупаемости капитальных затрат (Т), лет






5 лет 2 месяца

Рентабельность по чистой прибыли (R), %

38

27

47

45

45

45


Из таблицы 9.9 видно, что затраты на строительство проектируемой сети LTE в ……….. районе окупятся полностью через 5 лет 2 месяца.

Для лучшего восприятия основные данные представлены в виде диаграммы, показанной на рисунке 9.2.

Рисунок 9.2 - Структура основных экономических показателей

Результаты произведённых расчётов технико-экономических показателей сводим в таблице 9.10.

Таблица 9.10 - Технико-экономические показатели

Показатели

Значение


1 этап

2 этап

1. Емкость сети (USB/моб.), абонентов

2328/2352

2467/2352

2. Пропускная способность сети, Гбит/с

1,104

1,104

3. Количество базовых станций стандарта LTE, шт.

5

7

4. Капитальные вложения за год, руб.

26874894

20934494

5. Капитальные вложения общие, руб.

47809388

6. Годовые эксплуатационные расходы руб.

6013640

4018835

7. Общий тарифный доход, руб.

98920358

8. Чистая прибыль общая, руб.

56630264

9. Себестоимость, руб.

25

24

10. Срок окупаемости капитальных затрат, лет

5 лет 2 месяца

11. Рентабельность по чистой прибыли, %

45

12. Численность персонала, человек

5

5


Полученные технико-экономические показатели свидетельствуют о том, что данный проект по предоставлению беспроводного доступа по технологии LTE в Воткинском районе является экономически эффективным и его реализация целесообразна.

ЗАКЛЮЧЕНИЕ


В дипломном проекте был затронут вопрос организации беспроводного доступа в ………. районе с использованием технологии LTE. Отмечалась важность развития инновационных технологий беспроводной связи и проникновение доступа в сеть Интернет в сельскую местность.

В дипломном проекте дана общая характеристика района планирования сети LTE - ……….. района. Приведено краткое технико-экономическое обоснование планирования сети LTE в ………. районе, в ходе которого выбран «универсальный» вариант строительства сети. Также проведен краткий анализ ситуации предоставления услуг связи жителям ………. района по разным технологиям.

Основу транспортной сети проектируемой сети LTE составляет IP-протокол, который служит для транспортировки трафика сети.

В третьей главе проведен расчет пропускной способности сети. Главным исходным значением расчета явилась спектральная эффективность технологии LTE, которая заявлена в 3GPP Release 9. Пропускная способность планируемой сети составила 1,104 Гбит/с. Частотный диапазон для планируемой сети выбран 791 - 862 МГц, тип дуплекса - частотный FDD. Также проведен расчет количества абонентов, которое сможет обслужить планируемая сеть. В этой же главе проведен выбор оборудования транспортной сети, в ходе которого предпочтение отдалось решению компании «Cisco Systems» для сетей LTE. Транспортная сеть проектируемой сети LTE реализована с помощью оптоволоконных линий передач по технологии Ethernet.

Сделан выбор оптического кабеля. Предпочтение отдано продукции ЗАО НФ «Электропровод». В дипломном проекте используются три вида оптических кабелей: для прокладки в грунте, подвесной и для прокладки в канализации.

В четвертой главе проведен выбор оборудования сети LTE. В качестве управляющего оборудования сети LTE выбрано решение компании «Cisco Systems», которое реализуется с помощью мультисервисной платформы «Cisco ASR 5000 PCS3». В качестве оборудования радиодоступа выбрана базовая станция «Flexi Multiradio» компании «Nokia Siemens Network», которая является наиболее универсальной из тех, что предлагают другие компании-производители базовых станций для сетей LTE. Также проведен выбор оборудования электропитания, в ходе которого произведены расчеты: потребляемой мощности БС, ИБП переменного тока, автоматических выключателей и группы учета, а также расчет контура заземления БС.

Для организации радиодоступа по технологии LTE в ………… районе дипломным проектом проведен расчет зон покрытия радиосвязью. Радиус соты составил примерно 9 км, а площадь покрытия трехсекторного сайта составила примерно 157 км2. Проведено частотно-территориальное деление и показано ситуационное расположение базовых станций на территории ……….. района.

В целях защиты населения от воздействия электромагнитных излучений радиочастотного диапазона в дипломном проекте были рассчитаны границы зон ограничения застройки, максимальная протяженность зон ограничения застройки составила 25,3 м. Санитарно-защитные зоны отсутствуют.

В экономической части дипломного проекта проведен расчет капитальных вложений, которые составили 47809388 рублей, чистая прибыль в год составит 9806505 рублей, рентабельность - 40%. Строительство сети планируется провести в два этапа. Срок окупаемости капитальных затрат составит 5 лет 2 месяца.

В дипломном проекте рассмотрены вопросы экологии, охраны труда и техники безопасности персонала, обслуживающего оборудование беспроводного доступа.

Развитие беспроводных технологий связи за последние десять лет сделало огромный скачок вперед. Скорость предоставления беспроводного доступа возросла в десятки раз. Широкий спектр услуг, высокое качество обслуживания, достаточно высокая мобильность - вот чем отличаются современные беспроводные сети связи. Разработка технологии LTE, я считаю, сделала первый шаг на пути к полному отказу от фиксированной связи в сельской местности.

Строительство сети LTE в ………… районе позволит ОАО «Ростелеком» стать крупнейшим оператором, предоставляющим услуги беспроводного доступа в районе, а также сэкономить значительные денежные средства, так как в будущем отпадет необходимость в модернизации сети фиксированной связи.

СПИСОК ИСПОЛЬЗУЕМЫХ ИСТОЧНИКОВ


1.      Бабаков В. Ю., Вознюк М. А., Михайлов П. А. Сети мобильной связи. Частотно-территориальное планирование. Учебное пособие для ВУЗов. - М: Горячая линия - Телеком, 2007.

.        Вишневский В. М., Портной С. Л., Шахнович И. В. Энциклопедия WiMAX. Путь к 4G. - М.: Техносфера, 2009.

.        Гельгор А. Л. Технология LTE мобильной передачи данных: учебное пособие. - СПб.: Изд-во Политехн. ун-та, 2011.

.        Гольдштейн Б. С., Соколов Н. А., Яновский Г. Г. Сети связи: Учебник для ВУЗов. - СПб.: БХВ - Петербург, 2010.

.        Кааринен Х. Сети UMTS. Архитектура, мобильность, сервисы. - М.: Техносфера, 2007.

.        Печаткин А. В. Системы мобильной связи. Часть 1. - РГАТА, Рыбинск, 2008.

.        Тихвинский В. О., Терентьев С. В., Юрчук А. Б. Сети мобильной связи LTE: технология и архитектура. - М.: Эко-Трендз, 2010.

.        Севастьянов Б.В., Лисина Е.Б. Учебно-методическое пособие для выполнения раздела «Безопасность и экологичность проекта» в дипломном проектировании. - Ижевск: Изд-во ИжГТУ, 2002. - 61 с.

.        Девицына С. Н. Методическое указание по дипломному проектированию по специальностям: «Сети связи и системы коммуникаций». Ижевск.: Изд-во ИжГТУ, 2006.

.        Трибушная В.Х. Учебно-методическое пособие для выполнения раздела «Технико-экономическое обоснование дипломного проекта» - Ижевск: Изд-во ИжГТУ, 2002. - 25 с.

.        Бейли Д., Райт Э. Волоконная оптика, теория и практика. - М.: Кудиц - Пресс, 2008.

.        ГОСТ 464-79, «Заземления для стационарных установок проводной связи, радиорелейных станций, радиотрансляционных узлов и антенн систем коллективного приема телевидения».

.        РД 45.162-2001. Комплексы сетей сотовой и спутниковой подвижной связи общего пользования.

.        Абдул Базит. Расчет сетей LTE. - Хельсинский технологический университет, 2009.

15.    Farooq Khan. LTE for 4G Mobile Broadband. Air Interface Technologies and Perfomance. - Cambridge University Press, 2009.

.        Harri Holma, Antti Toskala. LTE for UMTS. OFDMA and CS-FDMA Based Radio Access. - John Wiley Ltd, 2009.

.        Stefania Sesia. LTE. The UMTS Long Term Evilution. From Theory to Practice. - John Wiley Ltd, 2009.

.        3GPP TS 36 104: «E-UTRA Base Station (BS) radio transmission and reception» (Release 9). April 2011.

Похожие работы на - Организация беспроводного доступа в сельском районе с использованием технологии LTE

 

Не нашли материал для своей работы?
Поможем написать уникальную работу
Без плагиата!
Без нейросетей!