Кинематический анализ зубофрезерного станка модели 5М324А
СОДЕРЖАНИЕ:
Задание...........................................................................................................................с. 3
1. Общий вид
станка с указанием основных узлов, техническая характеристика станка и его
назначение................................................................................................с.4
2.
Принципиальные схемы нарезания колёс и соответствующие частные кинематические
структуры. Анализ кинематических структур. Общая кинемати- ческая структура
станка................................................................................................с.5
3.
Кинематическая схема станка и её анализ с выводом расчётных формул настройки
кинематических цепей.............................................................................с. 15
4. Настройка
кинематических цепей станка при нарезании колёс по заданным..параметрам.................................................................................................с.17
Список используемой литературы.............................................................................с.19
Задание
1К4
Выполнить кинематический анализ зубофрезерного станка
модели 5М324А и произвести его настройку на нарезание цилиндрического
прямозубого, косозубого колеса и червячного колеса.
Содержание задания
1. Дать
общий вид станка с указанием основных узлов, привести техническую
характеристику и определить его назначение.
2. Дать принципиальные схемы нарезания
колес и привести соответствующие частные
кинематические структуры.
Выполнить анализ кинематических структур. Привести
общую кинематическую
структуру станка.
3. Выполнить кинематическую схему станка и произвести ее
анализ с выводом расчетных
формул настройки кинематических цепей.
4. Произвести
настройку кинематических цепей станка при нарезании колес по
следующим данным:
Прямозубое цилиндрическое колесо
|
Номер
|
Модуль
|
Число
|
Диаметр
|
Число
|
Угол
|
Направле
|
Скорость
|
Подача
|
|
варианта
|
m,мм
|
зубьев,
|
фрезы
|
заходов
|
подъема
|
ние
|
резания V,
|
Sb,
|
|
|
Z
|
Dфр, мм
|
фрезы
|
Витков
|
витков
|
м/мин
|
мм/об
|
|
|
|
|
К
|
фрезы, a
|
фрезы
|
|
|
|
4
|
1,25
|
45
|
71
|
2
|
2°08'
|
левое
|
41
|
1,6
|
1.
Назначение: зубофрезерный полуавтомат мод 5М324А предназначен для нарезания
цилиндрических колес с прямыми и винтовыми зубьями и червячных колес в условиях
крупносерийного и серийного производства.
Техническая
характеристика станка
Наибольший диаметр
нарезания прямозубых колес, мм...................................................... 500
Наибольший модуль колес,
мм.................................................................................................... 8
Наибольшая длина зуба прямозубых
колес, мм.................................................................... 350
Наибольший угол наклона зубьев, град................................................................................. ±60
Наибольшие размеры червячной фрезы, мм
диаметр.......................................................................................................................... 180
длина.............................................................................................................................. 200
Пределы частот вращения фрезы, мин ............................................................................ 50-315
Пределы вертикальных подач фрезы, мм
/об............................................................... 0,68-6,10
Пределы радиальных подач фрезы, мм/об...................................................................... 0,35-2,2
Мощность главного
электродвигателя, кВт........................................................................... 7,5
Рисунок 1-Зуборезный станок мод. 5М324А:
1-станина; 2-салазки; 3-стол; 4-неподвижная стойка;
5-суппорт; 6-фреза; 7-подвижная стойка; 8-кронштейн (люнет) для поддержки
оправки с заготовкой.
2. Принципиальные схемы
нарезания колес и соответствующие частные кинематические структуры. Анализ кинематических
структур. Общая кинематическая структура станка.

Рисунок 3-Кинематическая структура на нарезание
цилиндрического прямозубого колеса
Таблица 1 - Анализ кинематической структуры станка при
нарезании цилиндрического
прямозубого колеса.
|
Обрабатываемая деталь
|
цилиндрическое колесо с прямым зубом
|
|
Структурная схема
|
Рисунок
3
|
|
Анализируемые параметры
|
Результат анализа
|
|
1.Образуемая
поверхность
|
|
|
1.1 Форма
поверхности
|
эвольвента
|
|
1.2Форма производящих линий:
|
|
|
1.2.1
Образующей
|
эвольвента
|
|
1.2.2Направляющей
|
прямая
|
|
|
|
|
|
1 .3 Методы
получения производящих линий
1.3.1
Образующей
|
обкат
|
|
1.3.2Направляющей
|
касание
|
|
2Условная запись движений
|
|
|
2.1
Формообразования
|
|
|
2.1.1 Скорость
резания
|
Фv(В1В2)
|
|
2.1.2Подачи
|
Фs(П3)
|
|
2.2 Деления
|
нет
|
|
2.3Врезания
|
нет
|
|
3 Класс
структуры
|
К23
|
|
4Структура кинематических групп
|
|
4.1 Группа
движения скорости резания
|
|
|
4.1.1
Внутренняя связь
|
B1-3-2-ix-4-5-B2
|
|
4.1 2 Внешняя
связь
|
M-l-iv P1-2
|
|
4.2 Группа движения подачи
|
|
|
4.2.1
Внутренняя связь
|
Нет
|
|
4.2.2 Внешняя связь
|
M-l-iv-P1-2-ix-4-is-P2-6-BB-П3
|
|
5 Настройка движений по параметрам
|
|
|
5.1 Движение
скорости резания
|
|
|
5.1.1 На
траекторию
|
Гитара
ix
|
|
5.1.2 На путь
|
нет
|
|
5.1.3На скорость
|
Гитара
iv
|
|
5.1.4 На
направление
|
Реверс
P1
|
|
5.1.5 На
исходное положение
|
нет
|
|
5.2 Движение
подачи
|
|
|
5.2.1 На
траекторию
|
Нет
|
|
5.2.2 На путь
|
Упор В
|
|
5.2.3На скорость
|
Гитара
is
|
|
5.2.4 На
направление
|
Реверс Р2
|
|
5.2.5 На
исходное положение
|
Упор Н
|
|
|
|
Рисунок 4-Принципиальная схема
нарезания косозубого цилиндрического колеса
Рисунок
5-Кинематическая структура на нарезание цилиндрического колеса с винтовыми зубьями
Таблица
2-Анализ кинематической структуры станка при нарезании цилиндрического колеса с винтовым
зубом.
|
Обрабатываемая деталь
|
цилиндрическое колесо с винтовым зубом
|
|
Структурная схема
|
Рисунок
5
|
|
Анализируемые параметры
|
Результат анализа
|
|
1. Образуемая
поверхность
|
|
|
1.1 Форма
поверхности
|
винтовая
|
|
1.2Форма производящих линий:
|
|
|
1.2.10бразующей
|
эвольвента
|
|
1.2.2Направляющей
|
винтовая
|
|
1 .ЗМетоды
получения производящих линий
|
|
|
1.3.1
Образующей
|
обкат
|
|
1.3.2Направляющей
|
касание
|
|
2Условная запись движений
|
|
|
2.1
Формообразования
|
|
|
2.1. 1Скорость
резания
|
Фv(В,В2)
|
|
2.1.2Подачи
|
Фs(П3В4)
|
|
2.2Деления
|
Нет
|
|
2.3Врезания
|
Нет
|
|
3 Класс структуры
|
С24
|
|
4Структура кинематических трупп
|
|
|
4.1Группа движения скорости резания
|
|
|
4.1.1 Внутренняя связь
|
B1-3-2-4-S-5-ix-6-7-8-B2
|
|
4.1.2Внешняяя связь
|
M-l-iv-P1-2
|
|
4.2Группа движения подачи
|
|
|
4.2.1 Внутренняя связь
|
П3-ВВ-9-Р2-4-S-5- ix-6-7-8-B4
|
|
|
|
4.2.2Внешняяя связь
|
M-l-iv-P1-2-4-S-5- ix-6-is-P3-9
|
|
5Настройка движений по параметрам
|
|
|
5.1 Движение скорости резания
|
|
|
5.1.1 На траекторию
|
Гитара ix
|
|
5.1.2 На путь
|
Нет
|
|
5.1.3На скорость
|
Гитара iv
|
|
5.1.4 На направление
|
Реверс P1
|
|
5.1.5 На исходное положение
|
нет
|
|
5.2 Движение подачи
|
|
|
5.2.1 На траекторию
|
гитарой iy, реверс Р2
|
|
5.2.2 На путь
|
упор В
|
|
5.2.3На скорость
|
гитара is
|
|
5.2.4 На направление
|
реверс Р3
|
|
5.2.5 На исходное положение
|
Упор Н
|
|
|
|
|
|
|
 |
|
 |
|
а. б.
а) нарезание червячного
колеса методом тангенсальной подачи;
б) нарезание червячного колеса методом радиального
врезания.
Рисунок 7-Кинематическая структура на нарезание червячного
колеса методом
радиального врезания
Таблица
3-Анализ кинематической структуры станка при нарезании червячного колеса методом
радиального врезания.
|
Обрабатываемая деталь
|
Червячное колесо
|
|
|
Структурная схема
|
Рисунок
7
|
|
|
Анализируемые параметры
|
Результат анализа
|
|
|
1. Образуемая поверхность
1.1 Форма поверхности
1.2Форма
производящих линий:
1.2.1 Образующей
1.2.2Направляющей
1.3Методы
получения производящих линий 1.3.1 Образующей
1.3.2Направляющей
2Условная запись движений
2.1 Формообразования
2.1.1 Скорость резания
|
винтовая
эвольвента
винтовая
обкат
след
Фv(В1В2)
|
|
|
2.1.2Подачи
|
Нет
|
|
2.2 Деления
|
Нет
|
|
2.3 Врезания
|
Вр(Пз)
|
|
|
|
3Класс структуры
|
С12
|
|
4Структура кинематических групп
|
|
|
4.1 Группа движения скорости резания
|
|
|
4.1.1 Внутренняя связь
|
B1-3-2-ix-4-5-B2
|
|
4.1.2Внешняяя связь
|
M-l-iv-P1-2
|
|
4.2Группа движения подачи
|
нет
|
|
4.3Группа движения врезания
|
|
|
4.3.1 Внутренняя связь
|
нет
|
|
4.3.2Внешняяя связь
|
M-l-iv-P1-2-ix-4-i5-P2-6-ВР-П3
|
|
5Настройка движений по параметрам
|
|
|
5 Л Движение скорости резания
|
|
|
5.1.1 На траекторию
|
Гитара ix
|
|
5.1.2 На путь
|
Нет
|
|
5.1.3 На скорость
|
Гитара iv
|
|
5.1.4 На направление
|
Реверс P1
|
|
5.1.5 На исходное положение
|
нет
|
|
5.2 Движение врезания
|
|
|
5.2.1 На траекторию
|
Гитара iv,
реверс P1
|
|
5.2.2 На путь
|
упоры
|
|
5.2.3На скорость
|
Гитара is
|
|
5.2.4 На направление
|
Реверс Р2
|
Упоры
|
Рисунок 8-Кинематическая структура на нарезание червячного
колеса методом
тангенсального врезания
Таблица 4- Анализ кинематической структуры
станка при нарезании червячных
колес методом
тангенсального врезания.
|
Обрабатываемая деталь
|
Червячное колесо
|
|
Структурная схема
|
Рисунок 8
|
|
Анализируемые параметры
|
Результат анализа
|
|
1. Образуемая поверхность
1.1 Форма поверхности
1.2Форма производящих
линий:
1.2.1Образующей
1.2.2Направляющей
1.3Методы получения
производящих линий 1.3.1Образующей
1.3.2Направляющей
2Условная запись движений
2.1 Формообразования
2.1.1 Скорость резания
2.1.2Подачи
2.2Деления
|
винтовая
эвольвента
винтовая
обкат
след
Фv(В1В2)
Фs(П5В6)
Нет
|
|
2.3Врезания
|
Нет
|
|
3Класс структуры
|
С24
|
|
4Структура кинематических групп
|
|
|
4.1 Группа
движения скорости резания
|
|
|
4.1.1 Внутренняя связь
|
B1-3-2-4-S-5-ix-6-7-8-9-B2
|
|
4.1 2Внешняяя
связь
|
M-l-iv-P1-2
|
|
4.2Группа движения подачи
|
|
|
4.2.1 Внутренняя
связь
|
П5-BT-12-10-P2-iy-l
l-S-5- ix-6-7-8-9-B6
|
|
4.2.2Внешняяя связь
|
M-1-iv-P1-2-4-S-5- ix-6- is-P3-10
|
|
5Настройка движений по параметрам
|
|
|
5.1 Движение
скорости резания
|
|
|
5.1.1 На
траекторию
|
Гитара
ix
|
|
5.1.2 На путь
|
Heт
|
|
5.1.3На скорость
|
Гитара
iv
|
|
5.1.4 На
направление
|
Реверс
P1
|
|
5.1.5 На
исходное положение
|
Нет
|
|
5.2 Движение
подачи
|
|
|
5.2.1 На
траекторию
|
Гитара
iv, реверс P1
|
|
5.2.2 На путь
|
Упоры
|
|
5.2.3На
скорость
|
Гитара
is
|
|
5.2.4 На
направление
|
Реверс Р3
|
|
5.2.5 На
исходное положение
|
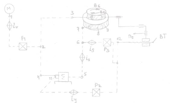
Рисунок 8-Общая кинематическая структура станка
3. Анализ
кинематической схемы станка