Предпринимательская деятельность в Республике Казахстан и ее совершенствование

  • Вид работы:
    Дипломная (ВКР)
  • Предмет:
    Эктеория
  • Язык:
    Русский
    ,
    Формат файла:
    MS Word
    179,13 Кб
  • Опубликовано:
    2015-01-01
Вы можете узнать стоимость помощи в написании студенческой работы.
Помощь в написании работы, которую точно примут!

Предпринимательская деятельность в Республике Казахстан и ее совершенствование

Министерство образования и науки Республики Казахстан












ДИПЛОМНАЯ РАБОТА

На тему: «Предпринимательская деятельность в РК и ее совершенствование»


Выполнил

Арыстанбаев А.Е.





Костанай

Содержание

Введение

. Теоретические аспекты организации производственного процесса на предприятии

.1 Типы, формы и методы организации производства

.2 Сущность организации производства хлебобулочных изделий и показатели его эффективности

.3 Риски в производстве

. Организация производства хлебобулочных изделий в ИП Ерёмина Ляна Николаевна

.1 Краткая экономическая характеристика ИП Ерёмина Ляна Николаевна

.2 Технология производства хлебобулочных изделий ИП Ерёмина Ляна Николаевна

.3 Анализ ассортимента хлебобулочных изделий ИП Ерёмина Ляна Николаевна

.4 Организация труда и его оплата

. Совершенствование организации производства хлебобулочных изделий на ИП Ерёмина Ляна Николаевна

.1 Управление рисками на ИП Ерёмина Ляна Николаевна и пути их снижения

.2 Пути совершенствования организации производства хлебобулочных изделий ИП Ерёмина Ляна Николаевна

Заключение

Список использованной литературы

Приложения

Введение

Хлеб издавна был основой продовольственного обеспечения человечества. И сейчас около одной трети дневной нормы пищи люди удовлетворяют хлебными изделиями и крупами. Ежедневное повсеместное потребление хлеба позволяет считать его одним из важнейших продуктов питания, пищевая ценность которого имеет первостепенное значение. Он обеспечивает более 50% суточной потребности в энергии и до 75% потребности в растительном белке.

В производстве хлебобулочных изделий предприятие ориентируется на удовлетворение потребностей покупателей в высококачественной свежей и разнообразной продукции во всех ценовых сегментах - от экономичного до элитного.

Полноценное питание - залог здоровья, работоспособности и долголетия человека. Продукты питания должны удовлетворять физиологические потребности организма человека в энергии и основных питательных веществах, которые обеспечивают полноценное функционирование организма - белках, углеводах, жирах, витаминах, минеральных веществах, и их усвояемость. В рационе питания населения хлебопродукты составляют до 40% калорийности потребляемого продовольствия. За счет потребления хлеба покрывается до 20-30% потребности организма в белках и наполовину в углеводах. Поэтому по количеству предприятий, объему и значимости продукции, стоимости основных производственных фондов хлебопекарная промышленность является одной из ведущих отраслей пищевой промышленности Республики Беларусь. Хлебопекарную промышленность отличает высокая концентрация и специализация производства, широкое распространение непрерывного трехсменного режима работы, что определяет высокую стабильность технологических параметров.

Одной из самых сложных проблем хлебопекарной промышленности является отсталость материально-технической базы, ее износ. Современное состояние хлебопекарного производства требует технического обновления, т.к. количество полностью амортизированной техники на хлебозаводах составляет 65-75%, что постепенно делается на предприятиях хлебопекарной промышленности. Совершенствование хлебопечения на современном этапе идет в следующих направлениях:

развитие традиционных и создание новых технологий, стабилизация качества продукции;

обновление технической базы отрасли;

рационализация структуры и организации управления;

уменьшение энергопотребления;

улучшение экологии и условий труда.

Следует отметить, что наряду с заменой устаревшего оборудования на предприятиях хлебопекарной промышленности необходимо совершенствовать и организацию труда, особенно в цехе основного производства, т.к. от правильно и рационально организованной работы предприятия зависит четкая, слаженная и бесперебойная работа предприятия. Именно поэтому необходимо полно проводить работу по организации производственного потока: расчет загрузки ведущей машины и производственного задания рабочим местам потока, определение ритма потока и каждого рабочего места, установление числа рабочих и количества машин на поточной линии.

В переходный период созданы предпосылки для кардинальной модернизации технической базы хлебопечения, повышения пищевой ценности и вкусовых достоинств хлеба. В настоящее время хлебозаводы имеют возможность приобретать любые виды сырья, материалов, пищевых добавок, улучшителей; располагают хорошо подготовленными кадрами руководителей, специалистов, рабочих; способны (при наличии инвестиционных ресурсов) в сжатые сроки устанавливать современное технологическое оборудование.

Развитие предприятий хлебобулочного производства возможно только на основе технического перевооружения, активизации производственных процессов: внедрении в производство продовольственных товаров современных технологий, новейших разработок, соответствующих или превосходящих мировой уровень. Решение данных задач невозможно без регулирования производственной деятельности, как со стороны предприятия, отрасли, так и государства.

Регулирование производственной деятельности на уровне предприятия хлебобулочного производства должно происходить на базе формирования стратегии развития и внедрения новых проектов с учетом технотронного развития экономики, которые должны обеспечить устойчивость дальнейшего развития и функционирования в перспективе. Стратегия развития предприятий хлебобулочного производства должна быть взаимосвязана со стратегией развития хлебобулочного производства пищевой промышленности региона и со Стратегией индустриально-инновационного развития РК на 2003-2015 гг.

Правильно выбранная стратегия развития позволит обеспечить хлебобулочным предприятиям гибкость в использовании ресурсов, соответствие требованиям рынка и устойчивость развития. В связи с вышеизложенным, исследуемая тема дипломной работы является весьма актуальной в разрезе приоритетов развития Республики Казахстан на ближайшие годы.

Однако в настоящее время хлебопекарные предприятия сталкиваются и с серьезными проблемами, тормозящими их развитие. Это и удорожание сырьевых ресурсов, и невозможность обновления оборудования в связи с их дороговизной, а также рост цен на электроэнергию и воду, высокий уровень налогообложения и т.д. Все эти факторы ведут к увеличению себестоимости выпускаемой продукции и хлебопекарные предприятия вынуждены повышать цены на хлеб и хлебобулочные изделия. Страдает также и качество продукции, так как многие предприятия для увеличения своей прибыли от реализации продукции или используют более дешевое, но низкого качества сырье, или нарушают правила технологического процесса производства хлеба - что отрицательно сказывается на качестве готовой продукции, а следовательно, и на здоровье населения.

Цель данной дипломной работы - выявление основных путей совершенствования производства хлебобулочных изделий. Для выполнения поставленной цели дипломной работы, необходимо решить следующие задачи:

изучить теоретические аспекты организации производственного процесса;

рассмотреть организационно-экономическую характеристику предприятия;

провести анализ современного состояния предприятия;

дать оценку рисков предприятий - производителей хлебобулочных изделий;

наметить основные направления по увеличению производства хлебобулочных изделий.

Объектом исследования данной работы является Мини-пекарня ИП Еремина Ляна Николаевна. Сфера деятельности данной фирмы - производство хлебобулочных изделий.

Теоретическая и методологическая база исследования - научные труды зарубежных и отечественных экономистов, официально-документальные издания, материалы экономических научно-практических конференций. Информационной основой послужили справочные материалы Агентства по статистике РК. Были использованы монографии, брошюры, научные статьи, опубликованные в различных изданиях, материалы Государственной агропродовольственной программы, Стратегического плана развития Республики Казахстан, Стратегии индустриально-инновационного развития РК на 2003-2015 гг., данных первичного и производственного учёта ИП Ерёмина Ляна Николаевна.

Нормативной базой исследования являются Указы Президента РК, Постановления Правительства РК, законодательные акты РК, отчетные и статистические данные Агентства РК по статистике, Министерства экономики и бюджетного планирования РК.

экономический хлебобулочный управление

1. Теоретические аспекты организации производственного процесса на предприятии

.1 Типы, формы и методы организации производства

Производственный процесс - совокупность взаимосвязанных процессов труда и естественных процессов, в результате которых исходные материалы превращаются в готовые изделия. [1]

Тип производства определяется комплексной характеристикой технических, организационных и экономических особенностей производства, обусловленных широтой номенклатуры, регулярностью, стабильностью и объемом выпуска продукции. Основным показателем, характеризующим тип производства, является коэффициент закрепления операций Кз. Коэффициент закрепления операций для группы рабочих мест определяется как отношение числа всех различных технологических операций, выполненных или подлежащих выполнению в течение месяца, к числу рабочих мест:

(1)

где Копi - число операций, выполняемых на i-м рабочем месте;

Кр.м - количество рабочих мест на участке или в цехе.

Различают три типа производства: единичное, серийное, массовое.

Единичное производство характеризуется малым объемом выпуска одинаковых изделий, повторное изготовление и ремонт которых, как правило, не предусматриваются. Коэффициент закрепления операций для единичного производства обычно выше 40.

Серийное производство характеризуется изготовлением или ремонтом изделий периодически повторяющимися партиями. В зависимости от количества изделий в партии или серии и значения коэффициента закрепления операций различают мелкосерийное, среднесерийное и крупносерийное производство.

Для мелкосерийного производства коэффициент закрепления операций от 21 до 40 (включительно), для среднесерийного производства - от 11 до 20 (включительно), для крупносерийного производства - от 1 до 10 (включительно).

Массовое производство характеризуется большим объемом выпуска изделий, непрерывно изготовляемых или ремонтируемых продолжительное время, в течение которого на большинстве рабочих мест выполняется одна рабочая операция. Коэффициент закрепления операций для массового производства принимается равным 1.

Рассмотрим технико-экономические характеристики каждого из типов производства.

Единичное и близкое к нему мелкосерийное производства характеризуются изготовлением деталей большой номенклатуры на рабочих местах, не имеющих определенной специализации. Это производство должно быть достаточно гибким и приспособленным к выполнению различных производственных заказов.

Технологические процессы в условиях единичного производства разрабатываются укрупнено в виде маршрутных карт на обработку деталей по каждому заказу; участки оснащаются универсальным оборудованием и оснасткой, обеспечивающей изготовление деталей широкой номенклатуры. Большое разнообразие работ, которые приходится выполнять многим рабочим, требует от них различных профессиональных навыков, поэтому на операциях используются рабочие-универсалы высокой квалификации. На многих участках, особенно в опытном производстве, практикуется совмещение профессий.

Организация производства в условиях единичного производства имеет свои особенности. Ввиду разнообразия деталей, порядка и способов их обработки производственные участки строятся по технологическому принципу с расстановкой оборудования по однородным группам. При такой организации производства детали в процессе изготовления проходят через различные участки. Поэтому при передаче их на каждую последующую операцию (участок) необходимо тщательно проработать вопросы контроля качества обработки, транспортирования, определения рабочих мест для выполнения следующей операции. Особенности оперативного планирования и управления заключаются в своевременных комплектации и выполнении заказов, контроле за продвижением каждой детали по операциям, обеспечении планомерной загрузки участков и рабочих мест. Большие сложности возникают в организации материально-технического снабжения. Широкая номенклатура изготовляемой продукции, применение укрупненных норм расхода материалов создают трудности в бесперебойном снабжении, из-за чего на предприятиях накапливаются большие запасы материалов, а это ведет, в свою очередь, к омертвлению оборотных средств.

Особенности организации единичного производства сказываются на экономических показателях. Для предприятий с преобладанием единичного типа производства характерны относительно высокая трудоемкость изделий и большой объем незавершенного производства вследствие длительного прослеживания деталей между операциями. Структура себестоимости изделий отличается высокой долей затрат на заработную плату. Эта доля, как правило, составляет 20-25 %. [2]

Основные возможности улучшения технико-экономических показателей единичного производства связаны с приближением его по технико-организационному уровню к серийному. Применение серийных методов производства возможно при сужении номенклатуры изготовляемых деталей общемашиностроительного применения, унификации деталей и узлов, что позволяет перейти к организации предметных участков; расширении конструктивной преемственности для увеличения партий запуска деталей; группировании близких по конструкции и порядку изготовления деталей для сокращения времени на подготовку производства и улучшения использования оборудования.

Серийное производство характеризуется изготовлением ограниченной номенклатуры деталей партиями, повторяющимися через определенные промежутки времени. Это позволяет использовать наряду с универсальным специальное оборудование. При проектировании технологических процессов предусматривают порядок выполнения и оснастку каждой операции. [3]

Для организации серийного производства характерны следующие черты. Цехи, как правило, имеют в своем составе предметнозамкнутые участки, оборудование на которых расставляется по ходу типового технологического процесса. В результате возникают сравнительно простые связи между рабочими местами и создаются предпосылки для организации прямоточного перемещения деталей в процессе их изготовления.

Предметная специализация участков делает целесообразной обработку партии деталей параллельно на нескольких станках, выполняющих следующие друг за другом операции. Как только на предыдущей операции заканчивается обработка нескольких первых деталей, они передаются на следующую операцию до окончания обработки всей партии. Таким образом, в условиях серийного производства становится возможной параллельно-последовательная организация производственного процесса. Это его отличительная особенность.

Применение той или иной формы организации в условиях серийного производства зависит от трудоемкости и объема выпуска закрепленных за участком изделий. Так, крупные, трудоемкие детали, изготовляемые в большом количестве и имеющие сходный технологический процесс, закрепляют за одним участком с организацией на нем переменно-поточного производства. Детали средних размеров, многооперационные и менее трудоемкие объединяют в партии. Если запуск их в производство регулярно повторяется, организуются участки групповой обработки. Мелкие, малотрудоемкие детали, например нормализованные шпильки, болты, закрепляют за одним специализированным участком. В этом случае возможна организация прямоточного производства.

Для предприятий серийного производства характерны значительно меньшие, чем в единичном, трудоемкость и себестоимость изготовления изделий. В серийном производстве, по сравнению с единичным, изделия обрабатываются с меньшими перерывами, что снижает объемы незавершенного производства. [4]

С точки зрения организации основным резервом роста производительности труда в серийном производстве является внедрение методов поточного производства.

Массовое производство отличается наибольшей специализацией и характеризуется изготовлением ограниченной номенклатуры деталей в больших количествах. Цехи массового производства оснащаются наиболее совершенным оборудованием, позволяющим почти полностью автоматизировать изготовление деталей. Большое распространение получили здесь автоматические поточные линии.

Технологические процессы механической обработки разрабатываются более тщательно, по переходам. За каждым станком закрепляется относительно небольшое количество операций, что обеспечивает наиболее полную загрузку рабочих мест. Оборудование располагается цепочкой по ходу технологического процесса отдельных деталей. Рабочие специализируются на выполнении одной-двух операций. Детали с операции на операцию передаются поштучно. В условиях массового производства возрастает значение организации межоперационной транспортировки, технического обслуживания рабочих мест. Постоянный контроль за состоянием режущего инструмента, приспособлений, оборудования - одно из условий обеспечения непрерывности процесса производства, без которого неизбежно нарушается ритмичность работы на участках и в цехах. Необходимость поддержания заданного ритма во всех звеньях производства становится отличительной особенностью организации процессов при массовом производстве.

Массовое производство обеспечивает наиболее полное использование оборудования, высокий общий уровень производительности труда, самую низкую себестоимость изготовления продукции. В таблице 1 представлены данные по сравнительной характеристике различных типов производства.

Форма организации производства представляет собой определенное сочетание во времени и в пространстве элементов производственного процесса при соответствующем уровне его интеграции, выраженное системой устойчивых связей.

Различные временные и пространственные структурные построения образуют совокупность основных форм организации производства. Временная структура организации производства определяется составом элементов производственного процесса и порядком их взаимодействия во времени. По виду временной структуры различают формы организации с последовательной, параллельной и параллельно-последовательной передачей предметов труда в производстве.

Форма организации производства с последовательной передачей предметов труда представляет собой такое сочетание элементов производственного процесса, при котором обеспечивается движение обрабатываемых изделий по всем производственным участкам партиями произвольной величины. Предметы труда на каждую последующую операцию передаются лишь после окончания обработки всей партии на предшествующей операции. Данная форма является наиболее гибкой по отношению к изменениям, возникающим в производственной программе, позволяет достаточно полно использовать оборудование, что дает возможность снизить затраты на его приобретение. Недостаток такой формы организации производства заключается в относительно большой длительности производственного цикла, так как каждая деталь перед выполнением последующей операции пролеживает в ожидании обработки всей партии.

Таблица 1. Сравнительная характеристика различных типов производства


Форма организации производства с параллельной передачей предметов труда основана на таком сочетании элементов производственного процесса, которое позволяет запускать, обрабатывать и передавать предметы труда с операции на операцию поштучно и без ожидания. Такая организация производственного процесса приводит к уменьшению количества деталей, находящихся в обработке, сокращению потребностей в площадях, необходимых для складирования и проходов. Ее недостаток - в возможных простоях оборудования (рабочих мест) вследствие различий в длительности операций.

Форма организации производства с параллельно-последовательной передачей предметов труда является промежуточной между последовательной и параллельной формами и частично устраняет присущие им недостатки. Изделия с операции на операцию передаются транспортными партиями. При этом обеспечивается непрерывность использования оборудования и рабочей силы, возможно частично параллельное прохождение партии деталей по операциям технологического процесса. [5]

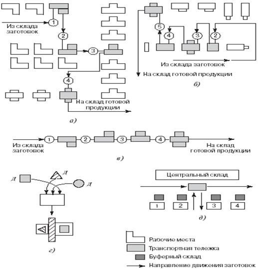
Пространственная структура организации производства определяется количеством технологического оборудования, сосредоточенного на рабочей площадке (числом рабочих мест), и расположением его относительно направления движения предметов труда в окружающем пространстве. В зависимости от количества технологического оборудования (рабочих мест) различают однозвенную производственную систему и соответствующую ей структуру обособленного рабочего места и многозвенную систему с цеховой, линейной или ячеистой структурой. Возможные варианты пространственной структуры организации производства представлены на рисунок 1. Цеховая структура характеризуется созданием участков, на которых оборудование (рабочие места) расположено параллельно потоку заготовок, что предполагает их специализацию по признаку технологической однородности. В этом случае партия деталей, поступающая на участок, направляется на одно из свободных рабочих мест, где проходит необходимый цикл обработки, после чего передается на другой участок (в цех).

На участке с линейной пространственной структурой оборудование (рабочие места) располагается по ходу технологического процесса и партия деталей, обрабатываемая на участке, передается с одного рабочего места на другое последовательно. [5]

Ячеистая структура организации производства объединяет признаки линейной и цеховой. Комбинация пространственной и временной структур производственного процесса при определенном уровне интеграции частичных процессов обусловливает различные формы организации производства: технологическую, предметную, прямоточную, точечную, интегрированную (рисунок 2). Рассмотрим характерные черты каждой из них.

Технологическая форма организации производственного процесса характеризуется цеховой структурой с последовательной передачей предметов труда. Такая форма организации широко распространена на машиностроительных заводах, поскольку обеспечивает максимальную загрузку оборудования в условиях мелкосерийного производства и приспособлена к частым изменениям в технологическом процессе. В то же время применение технологической формы организации производственного процесса имеет ряд отрицательных последствий. Большое количество деталей и их многократное перемещение в процессе обработки приводят к росту объема незавершенного производства и увеличению числа пунктов промежуточного складирования. Значительную часть производственного цикла составляют потери времени, обусловленные сложной межучастковой связью. [5]

Рисунок 1. Варианты пространственной структуры производственного процесса

Рисунок 2. Формы организации производства

Предметная форма организации производства имеет ячеистую структуру с параллельно-последовательной (последовательной) передачей предметов труда в производстве. На предметном участке устанавливается, как правило, все оборудование, необходимое для обработки группы деталей с начала и до конца технологического процесса. Если технологический цикл обработки замыкается в пределах участка, он называется предметно-замкнутым. [6]

Предметное построение участков обеспечивает прямоточность и уменьшает длительность производственного цикла изготовления деталей. В сравнении с технологической формой предметная позволяет снизить общие расходы на транспортировку деталей, потребность в производственных площадях на единицу продукции. Вместе с тем данная форма организации производства имеет и недостатки. Главный из них в том, что при определении состава оборудования, устанавливаемого на участке, на первый план выдвигается необходимость проведения определенных видов обработки деталей, что не всегда обеспечивает полную загрузку оборудования.

Кроме того, расширение номенклатуры выпускаемой продукции, ее обновление требуют периодической перепланировки производственных участков, изменения структуры парка оборудования. Прямоточная форма организации производства характеризуется линейной структурой с поштучной передачей предметов труда. Такая форма обеспечивает реализацию ряда принципов организации: специализации, прямоточности, непрерывности, параллельности. Ее применение приводит к сокращению длительности производственного цикла, более эффективному использованию рабочей силы за счет большей специализации труда, уменьшению объема незавершенного производства.

При точечной форме организации производства работа полностью выполняется на одном рабочем месте. Изделие изготовляется там, где находится его основная часть. Примером служит сборка изделия с перемещением рабочего вокруг него. Организация точечного производства имеет ряд достоинств: обеспечивается возможность частых изменений конструкции изделий и последовательности обработки, изготовления изделий разнообразной номенклатуры в количестве, определяемом потребностями производства; снижаются затраты, связанные с изменением расположения оборудования, повышается гибкость производства.

Интегрированная форма организации производства предполагает объединение основных и вспомогательных операций в единый интегрированный производственный процесс с ячеистой или линейной структурой при последовательной, параллельной или параллельно-последовательной передаче предметов труда в производстве. В отличие от существующей практики раздельного проектирования процессов складирования, транспортировки, управления, обработки на участках с интегрированной формой организации требуется увязать эти частичные процессы в единый производственный процесс. Это достигается путем объединения всех рабочих мест с помощью автоматического транспортно-складского комплекса, который представляет собой совокупность взаимосвязанных, автоматических и складских устройств, средств вычислительной техники, предназначенных для организации хранения и перемещения предметов труда между отдельными рабочими местами.

Управление ходом производственного процесса здесь осуществляется с помощью ЭВМ, что обеспечивает функционирование всех элементов производственного процесса на участке по следующей схеме: поиск необходимой заготовки на складе - транспортировка заготовки к станку - обработка - возвращение детали на склад. Для компенсации отклонений во времени при транспортировке и обработке деталей на отдельных рабочих местах создаются буферные склады межоперационного и страхового заделов. Создание интегрированных производственных участков связано с относительно высокими единовременными затратами, вызванными интеграцией и автоматизацией производственного процесса.

Экономический эффект при переходе к интегрированной форме организации производства достигается за счет сокращения длительности производственного цикла изготовления деталей, увеличения времени загрузки станков, улучшения регулирования и контроля процессов производства. На рисунке 3 изображены схемы расположения оборудования на участках с различной формой организации производства. [7]

В зависимости от способности к переналадке на выпуск новых изделий перечисленные выше формы организации производства условно можно разделить на гибкие (переналаживаемые) и жесткие (непереналаживаемые). Жесткие формы организации производства предполагают обработку деталей одного наименования.

Изменение в номенклатуре выпускаемой продукции и переход на выпуск конструктивно новой серии изделий требуют перепланировки участка, замены оборудования и оснастки. К числу жестких относится поточная форма организации производственного процесса.

Гибкие формы позволяют обеспечить переход на выпуск новых изделий без изменения состава компонентов производственного процесса при незначительных затратах времени и труда.

Наибольшее распространение на машиностроительных предприятиях в настоящее время получили такие формы организации производства, как гибкое точечное производство, гибкие предметная и поточная формы.

Гибкое точечное производство предполагает пространственную структуру обособленного рабочего места без дальнейшей передачи предметов труда в процессе производства. Деталь полностью обрабатывается на одной позиции. Приспособленность к выпуску новых изделий осуществляется за счет изменения рабочего состояния системы. Гибкая предметная форма организации производства характеризуется возможностью автоматической обработки деталей в пределах определенной номенклатуры без пpерывания на переналадку. Переход к выпуску новых изделий осуществляется путем переналаживания технических средств, перепрограммирования системы управления. Гибкая предметная форма охватывает область последовательной и параллельно-последовательной передачи предметов труда в сочетании с комбинированной пространственной структурой.

Гибкая прямолинейная форма организации производства характеризуется быстрой переналадкой на обработку новых деталей в пределах заданной номенклатуры путем замены инструментальной оснастки и приспособлений, перепрограммирования системы управления. Она основана на рядном расположении оборудования, строго соответствующем технологическому процессу с поштучной передачей предметов труда. [8]

Развитие форм организации производства в современных условиях Под влиянием научно-технического прогресса в технике и технологии машиностроения происходят существенные изменения, обусловленные механизацией и автоматизацией производственных процессов. Это создает объективные предпосылки развития новых форм организации производства. Одной из таких форм, получившей применение при внедрении средств гибкой автоматизации в производственный процесс, является блочно-модульная форма.

Рисунок 3. Схемы расположения оборудования (рабочих мест) на участках с различной формой организации производства: а) технологическая; б) предметная; в) прямоточная: г) точечная (для случая сборки); д) интегрированная

Создание производств с блочно-модульной формой организации производства осуществляется путем концентрации на участке всего комплекса технологического оборудования, необходимого для непрерывного производства ограниченной номенклатуры изделий, и объединения группы рабочих на выпуске конечной продукции с передачей им части функций по планированию и управлению производством на участке. Экономической основой создания таких производств являются коллективные формы организации труда. Работа в этом случае строится на принципах самоуправления и коллективной ответственности за результаты труда. Основными требованиями, предъявляемыми к организации процесса производства и труда в этом случае, являются: создание автономной системы технического и инструментального обслуживания производства; достижение непрерывности процесса производства на основе расчета рациональной потребности в ресурсах с указанием интервалов и сроков поставок; обеспечение сопряженности по мощности механообрабатывающих и сборочных подразделений; учет установленных норм управляемости при определении количества работающих; подбор группы работающих с учетом полной взаимозаменяемости. Реализация указанных требований возможна только при комплексном решении вопросов организации труда, производства и управления.

На стадии структурного проектирования определяются состав и взаимосвязи основных компонентов производственного процесса.

На стадии организационно-экономического проектирования объединяются технические и организационные решения, намечаются пути реализации принципов коллективного подряда и самоуправления в автономных бригадах. Вторым направлением развития форм организации производства является переход на сборку сложных агрегатов стендовым методом, отказ от конвейерной сборки за счет организации минипотока. Впервые мини-поток был внедрен шведской автомобильной фирмой "Вольво".

Другим решением организации поточного производства является сохранение конвейерной системы с включением в нее и подготовительных операций. В таком случае сборщики по собственному усмотрению работают то на основных, то на подготовительных операциях. Указанные подходы в развитии поточной формы организации производства не только обеспечивают рост производительности труда и повышение качества, но и дают сборщикам чувство удовлетворения от работы, исключают монотонность труда.

Методы организации производства представляют собой совокупность способов, приемов и правил рационального сочетания основных элементов производственного процесса в пространстве и во времени на стадиях функционирования, проектирования и совершенствования организации производства. [9]

Метод организации индивидуального производства используется в условиях единичного выпуска продукции или ее производства малыми сериями и предполагает: отсутствие специализации на рабочих местах; применение широкоуниверсального оборудования, расположение его группами по функциональному назначению; последовательное перемещение деталей с операции на операцию партиями. Условия обслуживания рабочих мест отличаются тем, что рабочие почти постоянно пользуются одним набором инструментов и небольшим количеством универсальных приспособлений, требуется лишь периодическая замена затупившегося или изношенного инструмента. В противоположность этому подвозка деталей к рабочим местам и оправка деталей при выдаче новой и приемке законченной работы происходят несколько раз в течение смены. Поэтому возникает необходимость в гибкой организации транспортного обслуживания рабочих мест.

Таким образом, производственный процесс организуется в зависимости от вида продукции. В следующем параграфе рассмотрим организацию производства хлебобулочных изделий.

.2 Сущность организации производства хлебобулочных изделий и показатели его эффективности

Предприятие в рыночной экономике выступает на различных рынках: производственных ресурсов и готовой продукции; ориентируется на локальный, национальный или даже международный рынок. Предприятие в рыночном механизме выступает агентом спроса и агентом предложения, предлагает свои цены потребителям и поставщикам и одновременно учитывает сложившийся на рынке уровень цен, реализует свои интересы и предложения и учитывает (в той или иной степени) предложения других рыночных агентов, строит свою рыночную стратегию и тактику в соответствии с существующим типом рыночной структуры и текущей ситуацией.

Эффективность функционирования предприятия, независимо от организационно-правовой формы и видов его деятельности в условиях рынка определяется способностью предприятия приносить достаточный доход или прибыль. Прибыль - это конечный результат работы предприятия, стимулирующий дальнейшую производственную деятельность и создающий основу для её расширения. Чем больше предприятие реализует рентабельной продукции, тем больше получит прибыли, тем лучше его финансовое состояние. [10]

Пищевая и перерабатывающая промышленность - одна из стратегических отраслей экономики, призванная обеспечивать устойчивое снабжение населения необходимыми качественными продуктами питания.

Хлеб был и остается одним из основных продуктов питания населения нашей страны. Ежедневное повсеместное потребление хлеба позволяет считать его одним из важнейших продуктов питания, пищевая ценность которого имеет первостепенное значение.

Как известно, хлеб - всему голова, необходимый и полезный продукт, употребляемый каждым человеком изо дня в день. Хлеб постоянно пользуется спросом, и его производство является очень выгодным делом во все времена.

Хлеб употребляется в пищу ежедневно, поэтому очень важно, что он был не только вкусным, но и полезным. Кому-то может показаться, что хлеб он и есть хлеб, трудно что-то придумать оригинальное.

Свойство товара - это его объективная особенность, т.е. то, что отличает один товар от другого. Каждому товару присущи многие свойства, которые могут проявляться при его формировании, потреблении.

Хлеб является основным продуктом питания, потребляемым ежедневно. За всю жизнь человек съедает в общей сложности 15 тонн хлеба, причем основная его часть потребляется не отдельно, а заодно с другими продуктами питания. Качество продовольственных товаров - совокупность свойств, отражающих способность товара обеспечить органолептические характеристики, потребность организма в пищевых веществах, безопасности его здоровью, надежность при производстве и хранении.

Товар - это продукт труда, предназначенный для обмена путём купли-продажи. Всякий товар обладает двумя свойствами: потребительной стоимостью и стоимостью. Помимо двух основных свойств, всякий товар должен обладать такой характеристикой как качество продукции. «Качество продукции», «качество» является одним из тех слов, которыми мы пользуемся, не задумываясь, но которые трудно поддаются точному определению. Качество хлеба может характеризоваться следующими свойствами: вкусовые качества, срок хранения хлеба, в течении которого хлеб не теряет своих качеств, энергетическая ценность, полезность (содержание полезных витаминов, минералов).

Энергетическая ценность хлеба зависит от содержания влаги (чем больше влаги, тем она ниже) и от количества отдельных компонентов сухого вещества. Хлебобулочные изделия имеют высокую энергетическую ценность и вместе с зерновыми продуктами восполняют более 40% суточной потребности организма в энергии.

Пищевая ценность хлеба тем выше, чем полнее он удовлетворяет потребности организма в пищевых веществах и чем точнее химический состав отвечает формуле сбалансированного питания. Хлебобулочные изделия обеспечивают одну треть потребности организма в белке и значительную часть потребности в углеводах и витаминах группы В.

Вместе с тем белки хлеба не являются полноценными: в них мало незаменимых аминокислот лизина и метионина. Поэтому в процессе производства хлеба его белковую ценность повышают путем обогащения молочными продуктами, белками бобовых и масличных культур (сои, подсолнечника). Таким образом, хлеб является источником многих незаменимых для организма человека аминокислот: посредством его удовлетворяется потребность в лизине на 19-21%, в метионине на 20-22%, в триптофане на 36-40%.

Минеральная и витаминная ценность хлеба зависит от сорта муки: чем больше выход муки, тем она выше. [11]

В хлебопечении - одной из старейших отраслей пищевой промышленности - к настоящему времени исторически сложилась терминология и основные группы товаров. Со временем эти понятия и определения перешагнули рамки производства и теперь широко используются не только в технологических руководствах, но и в нормативных документах.

Предложенная ниже классификация включает не только простой перечень ассортимента хлебобулочных изделий, но и круг характеризующих их признаков, включающий в себя вес, основные составляющие рецептуры, особенности способов обработки.

Хлеб - изделия с массой не более 0,5 кг, в рецептуру которых входит обычно только основное сырье. Группа включает формовой и подовый хлеб из ржаной, пшеничной муки и их смесей.

Булочные изделия - из пшеничной муки с массой не более 0,5 кг, в рецептуру которых, помимо основного сырья, обычно входят сахар и жиры в суммарном количестве, не превышающем 14%, а также другие виды дополнительного сырья. Группа включает батоны, булки, халы, плетенки, сайки, калачи, ситники и др.

Сдобные изделия - из пшеничной муки высшего и первого сорта; в рецептуру входят сахар и жиры в суммарном количестве не менее 14%, а также другие виды дополнительного сырья. Группа включает сдобу, булочную смесь, батончики, лепешки, слоеные изделия и др. Изделия группы резко различаются по видам дополнительного сырья и содержанию сахара (от 7 до 30%) и жира (от 7 до 25%), имеют присущую виду (сорту) форму и отделку.

Пирожковые изделия - из пшеничной муки; при формовании добавляется начинка. Группа включает пироги (масса изделия не менее 200 г), открытые и закрытые, и пирожки (масса изделия не более 200 г). [12]

Основными видами производственной деятельность ИП Еремина Л.Н. является выработка хлебобулочной, кондитерской и продукции, а также оптовая и розничная торговля своей продукции и сопутствующими товарами.

Хлебобулочные изделия занимают одно из ведущих мест в питании населения нашей страны. Расширение ассортимента этой новой конкурентоспособной продукции в современных условиях является важной народно-хозяйственной задачей. Наиболее эффективно ее можно решить за счет использования современных технологий, рекомендуемых к применению на предприятиях общественного питания или пищевой промышленности, позволяющих получить продукт высокого качества при низких затратах на его производство.

Применительно к выпуску хлебобулочных изделий это означает использование интенсивных технологий, позволяющих увеличить объем производимой продукции, расширение ассортимента, повышение качества, снижение стоимости продукции за счет сокращения длительных стадий тестоприготовления.

Основная организационная особенность хлебопекарного производства заключается в том, что все предприятия, выпускают продукцию в соответствии с ежедневно изменяющимися заказами, причем срок выполнения каждого заказа как по количеству, так и по ассортименту исчисляется часами и всегда меньше одних суток. План производства каждого предприятия органически связан с планом сбыта, так как выработанная, но не реализованная в тот же день продукция представляет собой возвратные отходы производства. Другой особенностью является то, Что непрерывность технологического процесса и недопустимость длительного хранения готовой продукции исключают возможность образования каких-либо маневренных резервов незавершенного производства.

Эти основные особенности хлебопекарного производства оказывают решающее влияние на все стороны хозяйственной деятельности предприятия. При наличии широкого ассортимента массовых сортов продукции становится практически нецелесообразной узкая специализация предприятий.

Среди основных трудностей, испытываемых предприятиями хлебопечения в настоящее время, выделены следующие наиболее острые проблемы: высокий уровень налогообложения и высокие тарифы на энергоносители, а также существует проблема неразвитости инфраструктуры рынка, особенно при снабжении хлебом отдаленных населенных пунктов. Этот сектор рынка еще не освоен вследствие непривлекательности из-за высоких транспортных расходов, необустроенности мест продажи (многие магазины в небольших населенных пунктах в настоящее время закрыты) и т.п. Несмотря на отсутствие специальных мер по демонополизации такой отрасли, как хлебопечение, процесс развития конкуренции рынка хлеба активизируется. Положительными последствиями можно считать появление новых хозяйствующих субъектов, выпекающих качественный хлеб и составляющих конкуренцию хлебозаводам, увеличение ассортимента и наличие хлеба в течение всего дня, отсутствие очередей за хлебом, улучшение обслуживания покупателей - появление большого количества торговых точек. Однако положительные изменения на рынке хлеба сопровождаются негативными моментами: высокие темпы роста цен на хлеб по сравнению с другими продовольственными товарами, и то, что хлеб в основном приобретается в палатках, где зачастую не соблюдаются санитарные нормы, а не в булочных или магазинах. Для улучшения снабжения хлебом в отдаленных населенных пунктах необходимо предоставлять льготы хозяйствующим субъектам. Цены на хлеб должны быть свободными, отражающими все затраты на его производство, начиная от сельхозпроизводителей и заканчивая хлебопекарной промышленностью и торговлей.

Хлебопекарная промышленность относится к числу наиболее материалоемких подотраслей агропромышленного комплекса, что существенно увеличивает значимость мероприятий по рациональному использованию всех видов сырьевых ресурсов.

Экономное расходование ресурсов в хлебопечении всегда было приоритетной задачей отрасли и научных исследований.

В общих чертах расходование хлебных ресурсов определяется следующими факторами:

общим объемом производства хлеба и хлебобулочных изделий;

ассортиментом вырабатываемой продукции;

массой (развесом) единицы продукции;

содержанием влаги в хлебобулочных изделиях;

технологическими затратами и потерями;

применением добавок.

Названные факторы в принципе известны всем хлебопекам, и они их всегда учитывают при организации производства.

Приоритетными направлениями научных исследованиях для решения главной задачи являются:

разработка ассортимента продукции повышенной пищевой и биологической ценности;

применение нетрадиционного сырья и пищевых добавок;

создание новых прогрессивных ресурсосберегающих технологий.

Учитывая изменения структуры хлебопекарной отрасли промышленности и развитие рыночных отношений, появилась возможность расширить ассортимент хлебобулочных изделий с целью оздоровления рациона питания населения Казахстана. [13]

Хлебобулочные изделия, пользующиеся повышенным ежедневным спросом в обществе, должны удовлетворять более жестким требованиям, т.е. быть не только полноценными (содержать все необходимые нутриенты), привлекательными на вид и вкусными, но и полезными, что помимо их экологической чистоты подразумевает наличие диетических и лечебно-профилактических свойств. Решение этой проблемы современная пищевая технология связывает с созданием комбинированных продуктов питания, отвечающих всем традиционным и недавно сформировавшимся требованиям к пище.

Хлеб и хлебобулочные изделия - основные продукты питания людей, они содержат почти все, что необходимо человеку длят питания и нормальной жизнедеятельности. Потребляя хлеб и хлебобулочные изделия, человек удовлетворяет свои энергетические потребности на 40-50%, потребности в белке на 30-40%, в витаминах группы В на 50-60% и витамина Е до 80%.

В настоящее время хлебозаводы имеют возможность приобретать любые виды сырья, материалов, пищевых добавок, улучшителей; располагают хорошо подготовленными кадрами руководителей, специалистов, рабочих; способны (при наличии инвестиционных ресурсов) в сжатые сроки устанавливать современное технологическое оборудование.

В переходный период созданы предпосылки для кардинальной модернизации технической базы хлебопечения, повышения пищевой ценности и вкусовых достоинств хлеба. В настоящее время хлебозаводы имеют возможность приобретать любые виды сырья, материалов, пищевых добавок, улучшителей; располагают хорошо подготовленными кадрами руководителей, специалистов, рабочих; способны (при наличии инвестиционных ресурсов) в сжатые сроки устанавливать современное технологическое оборудование.

Однако в настоящее время хлебопекарные предприятия сталкиваются и с серьезными проблемами, тормозящими их развитие. Это и удорожание сырьевых ресурсов, и невозможность обновления оборудования в связи с их дороговизной, а также рост цен на электроэнергию и воду, высокий уровень налогообложения и т.д. Все эти факторы ведут к увеличению себестоимости выпускаемой продукции, и хлебопекарные предприятия вынуждены повышать цены на хлеб и хлебобулочные изделия. Страдает также и качество продукции, так как многие предприятия для увеличения своей прибыли от реализации продукции или используют более дешевое, но низкого качества сырье, или нарушают правила технологического процесса производства хлеба - что отрицательно сказывается на качестве готовой продукции, следовательно, и на здоровье населения.

Правильная организация производства хлебобулочных изделий и экономное расходование ресурсов в хлебопечении являются приоритетными задачами отрасли, от решения которых зависит и качество продукции, и уменьшение ее себестоимости, следовательно, рост прибыли хлебопекарных предприятий, их конкурентоспособность, возможность внедрения в производство нового прогрессивного оборудования и способность выхода на новые потребительские рынки.

Таким образом, так как хлебобулочная продукция пользуется постоянным и повсеместным спросом у населения, то хлебозаводы имеют благоприятные условия для увеличения объемов производства. Однако, только правильно организовав производство хлебобулочных изделий, предприятие может получить положительные результаты.

В производстве хлебобулочных изделий предприятие ориентируется на удовлетворение потребностей покупателей в высококачественной свежей и разнообразной продукции во всех ценовых сегментах - от экономичного до элитного. Кроме этого, при разработке и постановке на производство нового ассортимента предприятие делает упор на развитие сегмента продукции для здорового питания покупателей - это хлебобулочные изделия с использованием богатых витаминно-минеральным комплексом смесей, злаков и сухофруктов, а также диетические и диабетические изделия. [14]

Продукция мини-пекарни пользуется большим спросом. В условиях, когда крупные хлебокомбинаты с трудом справляются с потребностями населения, мини-пекарни все с большим успехом завоевывают долю рынка в этой области, дело в том, что крупные хлебокомбинаты трудно поддаются реконструкции и с большим трудом могут реагировать на изменения в спросе на хлебобулочные изделия.

Для крупных предприятий дело осложняется еще и тем, что они не могут обслуживать мелкие булочные, потому что, как правило, комбинаты развозят хлеб своим транспортом, и они стараются найти наиболее крупных заказчиков продукции. Таким образом, мелкие булочные остаются вне сферы их внимания, в то время как мини-пекарни преимущественно стараются поставлять хлеб в близлежащие магазины, и для них не очень важен объем поставок. Задача мини-пекарни в этом вопросе заключается в том, чтобы обеспечить сбыт всей произведенной продукции.

Еще одна особенность мини-пекарен в том, что поскольку все магазины находятся близко от пекарни, хлеб, как правило, поступает в них почти сразу после выпечки, что способствует его хорошей реализации.

Кроме того, в силу небольших объемов производства, у мини-пекарни не очень много магазинов, в которые она поставляет продукцию. Это позволяет постоянно изучать спрос на свою продукцию, производя опрос работников магазинов. В результате таких опросов делается предпочтение тем или иным видам хлебобулочных изделий, что опять же увеличивает привлекательность мини-пекарни с точки зрения магазинов.

Еще одной очень важной причиной является тот факт, что хлеб - это товар с очень высоким коэффициентом оборачиваемости средств. В силу своих физических характеристик, хлебобулочные изделия должны быть реализованы в течение 24 часов с момента выпечки. По этой причине срок реализации, т.е. промежуток времени с момента отгрузки товара до момента поступления денег на расчетный счет пекарни, ограничивается одной неделей.

Есть еще одна положительная особенность в работе пекарни. Вся произведенная продукция реализовывается через розничную торговую сеть.

Основная организационная особенность хлебопекарного производства заключается в том, что все предприятия, за исключением специализированных по выработке баранок, сухарей и пряников, выпускают продукцию в соответствии с ежедневно изменяющимися заказами, причем срок выполнения каждого заказа как по количеству, так и по ассортименту исчисляется часами и всегда меньше одних суток. План производства каждого предприятия органически связан с планом сбыта, так как выработанная, но не реализованная в тот же день продукция представляет собой возвратные отходы производства. Другой особенностью является то, Что непрерывность технологического процесса и недопустимость длительного хранения готовой продукции исключают возможность образования каких-либо маневренных резервов незавершенного производства.

Эти основные особенности хлебопекарного производства оказывают решающее влияние на все стороны хозяйственной деятельности предприятия. При наличии широкого ассортимента массовых сортов продукции становится практически нецелесообразной узкая специализация предприятий.

Одна из отличительных особенностей технического состояния хлебопекарной промышленности - наличие большого числа предприятий, введенных в строй в довоенные и первые послевоенные годы. Средний возраст хлебопекарного оборудования - 20,3 года - один из самых высоких в группе перерабатывающих отраслей агропромышленного комплекса. Для большинства хлебопекарных предприятий характерны низкие темпы технического перевооружения производства.

Внедрение комплексно-механизированных линий позволяет максимально механизировать процессы приготовления теста - разделки, формовки и расстойки тестовых добавок.

Широкое применение в отрасли находят тестомесильные машины интенсивного замеса, тесторазделочные агрегаты, которые снабжены тестоделителями повышенной точности, тестоокруглители, механизмы предварительной расстойки тестовых заготовок, тестозакаточные машины. Автоматизация управления этим комплексом машин обеспечивает стабильность и надежность их работы.

Применение в промышленности машин, оборудования, средств автоматики и интенсифицированных технологических процессов приготовления теста создает реальную возможность перехода от механизации участков и цехов к массовой комплексной механизации и автоматизации хлебозаводов. [15]

Необходимость постоянного обновления всего парка оборудования - непременный фактор стабильного развития производства, поскольку наличие свободных мощностей совершенно не означает, что отпадает необходимость их совершенствования и замены. Вследствие изменений в ведении технологического процесса, невозможности работы в непрерывном цикле, просто износа оборудования возникает естественная потребность в замене и модернизации старого оборудования.

Переход от непрерывного процесса замеса к порционному требует установки современных тестомесильных машин. Существенны проблемы и в печном хозяйстве. Печи большой мощности, как правило, загружены не полностью. Особое значение приобретают технико-экономические характеристики печей - расход топлива на производство одной тонны продукции, возможность регулировки температуры по зонам, величина упека и др. То есть, необходимы печи средней мощности, мобильные, малоаккумулятивные с широким диапазоном возможностей. До сих пор такого оборудования, отвечающего всем этим требованиям отечественных производителей, нет. Существующие аналоги импортного оборудования весьма дороги и недоступны для хлебопекарных предприятий. То же самое относится и к упаковочному оборудованию. Кроме того, крайне высокие цены на упаковочные материалы приводят к резкому удорожанию продукции, а, следовательно, к их недоступности для всех категорий населения. В результате продукция российского товаропроизводителя становится неконкуренто-способной. Вот почему наши хлебопеки вынуждены за валюту приобретать зарубежное оборудование - дорогое, но надежное, по качеству продукции и производительности значительно превосходящее аналогичное отечественное. Эти проблемы требуют первоочередного решения, чтобы отрасль могла стабильно и планомерно развиваться. [16]

Хлебобулочная и кондитерская продукция постоянно востребована, не требует особой рекламы. Однако потребители предъявляют повышенные требования к качеству, что заставляет производителей совершенствовать ассортимент с учетом потребностей в изделиях диетического и лечебно-профилактического назначения.

Разработаны технологии производства множества хлебобулочных и кондитерских изделий с пищевыми добавками, позволяющими влиять на резистентность потребителей к условиям окружающей среды, воздействовать на организм с лечебно-профилактическим эффектом.

В современных условиях, когда показателями качества выступают и экономические факторы, производители совершенствуют технологический процесс, чтобы не ухудшая органолептических и физико-химических показателей качества, добиться успеха в экономике своего предприятия. А это зависит от многих факторов разной направленности, и в первую очередь от качества поступающего сырья. [17]

В условиях конкуренции вопрос повышения качества муки имеет приоритетное значение. По оценкам специалистов, потребность хлебопекарной промышленности России в муке удовлетворяется полностью. А вот ее качество часто не соответствует требованиям стандарта по клейковине, зачастую отличается повышенной ферментативной активностью.

Повышение пищевой ценности хлеба и булочных изделий осуществляется в настоящее время по четырем направлениям: - создание способов производства хлеба из целого зерна; выработка тонкодиспергированной муки из целого зерна пшеницы и использование ее в хлебопечении позволит обогатить хлеб естественными витаминами и минеральными веществами; - использование различных полезных пищевых добавок; в качестве обогатителей в хлебопекарной промышленности широко применяют молочные продукты (молоко натуральное и сухое, молочную пахту и сыворотку), перспективным белковым обогатителем служат соевая и гороховая мука; - получение принципиально новых хлебных продуктов из нетрадиционного сырья хлебопекарного производства (использование картофельного, кукурузного крахмала и других продуктов) ; - создание специализированных диетических изделий с заранее заданной пищевой ценностью и определенным химическим составом для людей, страдающих различными заболеваниями. [17]

Хлебопекарная промышленность относится к числу наиболее материалоемких подотраслей агропромышленного комплекса, что существенно увеличивает значимость мероприятий по рациональному использованию всех видов сырьевых ресурсов.

Экономное расходование ресурсов в хлебопечении всегда было приоритетной задачей отрасли и научных исследований.

В общих чертах расходование хлебных ресурсов определяется следующими факторами:

общим объемом производства хлеба и хлебобулочных изделий;

ассортиментом вырабатываемой продукции;

массой (развесом) единицы продукции;

содержанием влаги в хлебобулочных изделиях;

технологическими затратами и потерями;

применением добавок. [18]

Названные факторы в принципе известны всем хлебопекам, и они их всегда учитывают при организации производства.

Приоритетными направлениями научных исследования для решения главной задачи являются:

разработка ассортимента продукции повышенной пищевой и биологической ценности;

применение нетрадиционного сырья и пищевых добавок;

создание новых прогрессивных ресурсосберегающих технологий.

Учитывая изменения структуры хлебопекарной отрасли промышленности и развитие рыночных отношений, появилась возможность расширить ассортимент хлебобулочных изделий с целью оздоровления рациона питания населения. [19]

С большой долей вероятности можно утверждать, что каждый хлебозавод и пекарня имеют все условия для выработки хлеба и хлебобулочных изделий хорошего, стабильного качества. Для этого требуется, прежде всего, добросовестное отношение пекарей к своему труду, их квалифицированный подбор, с учетом условий предприятия и качества, технологического режима и выбора его оптимальных параметров с использованием всех инструкций и рекомендаций, которые наработаны наукой и практикой.

Вне сомнения, компьютеризация и автоматизация производственных процессов существенно облегчат решение задачи, но квалификация пекаря и технолога всегда играет превалирующую роль, особенно в условиях поставок сырья нестабильного качества, в которых предприятию самому приходится жестко контролировать качество поступающей муки и другого дополнительного сырья, тщательно подбирать поставщиков. Ведь безопасность и качество сырья - это основа безопасности и хорошего качества готовой продукции. [20]

Решение основных проблем хлебопекарной промышленности, связанных с качеством, ассортиментом, технической оснащенностью предприятий, определяет сегодня современные приоритеты их научного обеспечения. Эти проблемы резко обострились и требуют новых подходов к их решению.

В любой стране, где хлеб является одним из основных продуктов питания, рациональным является сбалансирование химического состава и энергетической ценности хлебобулочных изделий. С учетом этого создание широкого ассортимента новых продуктов хлебопекарного производства пониженной энергетической ценности, имеющих профилактическое значение, очень актуально.

Одним из путей разработки ассортимента хлеба и хлебобулочных изделий пониженной энергетической ценности служит применение различных видов сырья, вводимого в рецептуру хлебобулочных изделий при одновременном исключении жирового продукта. При этом используемые виды сырья должны обеспечивать ряд технологических и функциональных свойств жирового продукта: способствовать достижению оптимальных структурно-механических свойств теста в процессе замеса и созревания, оказывать положительное влияние на органолептические, физико-химические и дополнительные показатели качества хлеба. Также они должны влиять на сохранение свежести хлебобулочных изделий вследствие замедления определенных изменений в микроструктуре мякиша, связанных, главным образом, с изменениями в состоянии крахмала в готовом хлебе. К таким видам сырья относятся модифицированные крахмалы, различные виды эмульгаторов, белоксодержащие (соевые) продукты, пектин, целлюлоза, одни из которых усваиваются организмом человека, а другие способствуют улучшению обменных процессов в организме и обладают пониженной энергетической ценностью. [21]

Хлебобулочная и кондитерская продукция постоянно востребована, не требует особой рекламы. Однако потребители предъявляют повышенные требования к качеству, что заставляет производителей совершенствовать ассортимент с учетом потребностей в изделиях диетического и лечебно-профилактического назначения.

Разработаны технологии производства множества хлебобулочных и кондитерских изделий с пищевыми добавками, позволяющими влиять на резистентность потребителей к условиям окружающей среды, воздействовать на организм с лечебно-профилактическим эффектом.

В современных условиях, когда показателями качества выступают и экономические факторы, производители совершенствуют технологический процесс, чтобы не ухудшая органолептических и физико-химических показателей качества, добиться успеха в экономике своего предприятия. А это зависит от многих факторов разной направленности, и в первую очередь от качества поступающего сырья. [21]

В связи с переводом экономики на рыночные отношения хлебопекарные предприятия были акционированы и приватизированы. При этом имевшаяся на этих предприятиях служба производственного контроля за качеством сырья и готовой продукции, соблюдением правил ведения технологических процессов была сокращена до минимума, а в ряде случаев полностью ликвидирована. Еще хуже обстоит дело на предприятиях малого бизнеса, где лаборатории вообще отсутствуют, поэтому качество сырья и готовой продукции не оценивается.

Основными причинами нестандартной продукции на хлебопекарных предприятиях являются нарушения правил ведения технологического процесса, использование более дешевой, но низкого качества муки, бесконтрольное применение улучшителей качества хлеба и хлебобулочных изделий. На последних необходимо остановиться особо. При использовании для хлебопечения муки пониженного качества правильное применение улучшителей позволяет повысить качество хлеба. Однако в силу своей некомпетентности или в целях извлечения большей прибыли от реализации хлеба дозировку улучшителей и длительность брожения и созревания теста нарушают. В результате получается хлеб хорошего товарного вида и объемной формы, но внутри крошащийся мякиш; такой хлеб невозможно резать ножом, вкус оставляет желать лучшего.

Нередко также получается, что, несмотря на достаточно проверенные на практике рецептуры и полноценные продукты, получить хлеб хорошего качества не удастся. Все неудачи, как правило, связаны с нарушением температурного режима при подготовке теста и его выпечке. Поэтому необходимо строго придерживаться рецептур и приведенных режимов, а расходуемые продукты точно отмеривать и взвешивать - только тогда можно гарантировать высокое качество хлеба. [21]

В настоящее время перед мини-пекарней стоит основная задача: наиболее рационально построить свою деятельность и получить от нее максимальный экономический эффект. Неоценимую помощь в решении этой задачи может и должна оказать разработка стратегии развития, которая опирается на более низкие издержки, может привлечь покупателей относительной дешевизной своих товаров по сравнению с аналогичными изделиями других производителей.

Выбор наиболее подходящей стратегии развития зависит от того, какими возможностями располагает мини пекарня. Есть на мини пекарне оборудование, благодаря которому можно принять на вооружение стратегию в зависимости от того, сколь широкую номенклатуру товаров способна производить мини пекарня. Можно попытаться достичь развития за счет организации выпуска новых товаров, который оправдает спрос покупателей. Если деятельность мини пекарни началась с освоения выпуска одного-двух хлебобулочных изделий, доступных покупателям, далее можно начать подготовку к другой стратегии, при этом идти по пути расширения своего ассортимента, сохраняя столь же низкие цены, оправдывающие не особенно высокий уровень качества, то придет к стратегии, которая позволит мини пекарне резко увеличить и объемы реализации, расширить штаг и резкое увеличение суммы получаемой ей прибыли, при довольно умеренной рентабельности, т.е. не слишком высоком отношении прибыли к сумме вложенных в дело собственных и заемных средств. Исходя из этого на текущий год была поставлена следующая задача: расширить торговый ассортимент, который позволит повысить развитие мини пекарни на рынке хлебобулочных изделий.

Уменьшение потребления хлеба может быть следствием следующих факторов:

снижение сырьевых ресурсов хлебопекарной промышленности;

«недопотребление», в связи со значительным снижением уровня жизни населения, при котором невозможно даже приобретение в необходимом количестве товаров повседневного спроса для поддержания жизнедеятельности организма;

переход части населения страны на домашнее хлебопечение (например, в ряде районов Омской области автомашина, развозящая товар по сельским магазинам, привозит вместо хлеба мешки с мукой);

рост среднедушевых денежных доходов, переориентация спроса населения на приобретение более дорогих и полноценных продуктов питания. [22]

Во все времена динамика потребления хлеба и хлебопродуктов считалась индикатором уровня жизни народа. С одной стороны, если потребление сокращалось, это свидетельствовало о том, что население стало более рационально питаться. С другой стороны, фактически сложившаяся величина потребления хлеба не может быть чрезвычайно низкой в ситуации, когда «очень многие только и могут себе позволить хлеб да картошку, или хлеб и чай».

Напротив, снижение уровня жизни населения приводит к росту потребления хлебобулочной продукции. Хлеб и хлебобулочные изделия имеют, как правило, неэластичный спрос, а тем более, в условиях падения доходов населения, наблюдается эффект Гиффина: с повышением цены товара спрос на него растет при уменьшении доходов.

Данные противоречия развивают мысль об искажении данных статистического учета и отчетности, несоответствии их реалиям сегодняшнего момента, о легальном функционировании так называемой «теневой» экономики.

Логично предположить возможность нелегального производства анализируемой продукции в рамках промышленного и малого хлебопечения. Эту точку зрения разделяют многие специалисты.

Нелегальное производство хлебобулочной продукции возможно в виде:

нарушения технологических операций хлебопекарного производства (недозакладка основного и вспомогательного сырья, подмена высококачественных компонентов низкосортными, неконтролируемый расход воды при замесе теста, занижение выходов продукции);

применение технологий, ускоряющих технологический процесс (превышение операций выпечки над нормативными, установленными для рабочего дня);

искажение статистической и бухгалтерской отчетности (сокрытие части средств, полученных от производства продукции, представление заведомо ложных данных об объемах выпечки хлеба, завышение данных о производственных затратах, установление в калькуляции завышенной нормы рентабельности);

отсутствие документов лицензионно-разрешительного характера (отсутствие лицензий на производство хлебной продукции, заключений, подтверждающих санитарно-гигиеническое благополучие, право-устанавливающих документов на возможность осуществления хозяйственной деятельности, несертифицированный выпуск продукции).

Более латентным к производству нелегальной продукции являются хлебопекарные предприятия малой мощности. Это связано с возможностью использования «непрозрачных», по сравнению с крупными хлебозаводами, схем функционирования. [23]

Последние годы ознаменовались значительными изменениями в структуре ассортимента хлебопекарной продукции, вырабатываемой в стране. Значительное увеличение доли хлебопекарной продукции, вырабатываемой предприятиями малой мощности (пекарнями), по сравнению с долей продукции, вырабатываемой хлебозаводами, рассматриваемое поначалу как положительное явление, несет с собой и негативные последствия. К числу нежелательных последствий, связанных с уменьшением доли продукции, вырабатываемой крупными хлебозаводами, следует отнести сокращение производства изделий из ржаной муки. Несомненно, что создание совершенных технологий приготовления ржаных и ржано-пшеничных полуфабрикатов является значительным достижением отечественного хлебопечения. Однако целиком воспроизвести эти технологии представляется возможным в условиях достаточно крупных предприятий.

В промышленном хлебопечении работают квалифицированные технологи, установлены специализированные технологические линии для выработки ржаного хлеба, применяются технологии с использованием биологических заквасок, которые готовят с применением чистых культур молочнокислых бактерий, а также дрожжей. Эти преимущества предопределяют выпуск ржаного хлеба с привычными для российского потребителя характеристиками, особенно вкусом и ароматом.

В пекарнях, которые оснащены, как правило, оборудованием для выработки изделий из пшеничной муки, вырабатывать ржаной хлеб с привычными для потребителя характеристиками достаточно трудно. Причинами этих трудностей являются конструктивные особенности оборудования, недостаточность производственных площадей, сложность технологии, отсутствие квалифицированных специалистов. Следует также отметить недостаточную проработку нормативной документации на хлеб из ржаной и смеси ржаной и пшеничной муки, вырабатываемый в условиях предприятий малой мощности.

В условиях конкуренции вопрос повышения качества муки имеет приоритетное значение. По оценкам специалистов, потребность хлебопекарной промышленности России в муке удовлетворяется полностью. А вот ее качество часто не соответствует требованиям стандарта по клейковине, зачастую отличается повышенной ферментативной активностью.

Себестоимость продукции является важнейшим показателем экономической эффективности производства. В нем синтезируются все стороны хозяйственной деятельности, суммируются результаты использования всех производственных ресурсов. Снижение себестоимости является одной из первоочередных и актуальных задач любого предприятия. От уровня себестоимости продукции зависит сумма прибыли и уровень рентабельности, финансовое состояние предприятия и его платежеспособные размеры, отчисления в фонды накопления и потребления.

Расчеты фактической себестоимости осуществляются по следующей формуле:

Фс = Нс ± Он ± Ин, (2)

где Фс - фактическая себестоимость;

Нс - нормативная себестоимость;

Он - отклонения от норм (экономия или перерасход);

Ин - изменения норм (в сторону их увеличения или уменьшения).

Издержками производства (обращения) принято называть затраты живого и овеществленного труда на изготовление продукции, товара (выполнение работ, оказание услуг) и их продажу. На практике для характеристики всех издержек производства за определенный период применяют термин «затраты на производство». Издержки, относящиеся к выпущенной продукции, выполненным работам, оказанным услугам, выражаются в себестоимости продукции (работ, услуг).

Рентабельность - это показатель, характеризующий доходность, прибыльность, эффективность производства. Рентабельность показывает, сколько прибыли имеет предприятие с каждого рубля затраченного на производство продукции. Она может рассчитываться в целом по предприятию, отдельным его подразделениям и видам продукции.

Рентабельность производственной деятельности (окупаемость издержек) исчисляется путем отношения валовой продукции или чистой прибыли к сумме затрат по реализованной или производственной продукции.

=Прп/З (3)=ЧП/Зп (4)

где: R - рентабельность,

Прп - валовая прибыль, тыс. тг.

ЧП - чистая прибыль, тыс. тг.

З - сумма затрат по реализованной продукции

Зп - сумма затрат по произведенной продукции, тыс. тг.

Степень глубины специализации предприятия на производстве тех или иных видов продукции характеризует коэффициент специализации, при исчислении которого учитываются не только удельный вес каждой из товарных отраслей в общей стоимости товарной продукции, но и их количество.

Коэффициент специализации рассчитаем по формуле:

,

где 100 - сумма удельных весов товарной продукции;

У - удельный вес каждого вида товарной продукции;- порядковый номер вида продукции.

Организация любого производства связана с рисками. Что такое риски, на интуитивном уровне понимает любой предприниматель. Однако далеко не во всех отраслях предприниматели уделяют должное внимание этим вопросам и уж тем более прибегают к помощи профессиональных консультантов. В промышленности до относительно недавнего времени контроль рисков зачастую сводился к технике безопасности. С какими рисками сталкивается предприниматель при организации производства хлебобулочных изделий, мы рассмотрим в следующем параграфе.

.3 Риски в производстве

Риск - это неопределенность в отношении возможных потерь на пути к цели. Риск присущ любой сфере человеческой деятельности, что связано с множеством условий и факторов, влияющих на положительный исход принимаемых людьми решений. Восприятие риска зависит от каждого конкретного человека с его характером, складом ума, психологическими особенностями, уровнем знаний в области его деятельности. Для одного предпринимателя данная величина риска является приемлемой, тогда как для другого - неприемлемой.

Предпринимательский риск заключается в возможности не достижения цели, ожидаемых результатов реализации принятого решения или осуществления запланированной деятельности вследствие объективно существующей неопределенности. Риск реализуется через потерю предпринимателем своих ресурсов, недополучение доходов или появление дополнительных расходов.

Эффективность организации управления предпринимательским риском в значительной мере определяется классификацией факторов риска, под которой понимается их распределение на конкретные группы, по определенным признакам для достижения поставленных целей. Классификация позволяет определить место риска в их системе и создает возможности для эффективного применения впоследствии соответствующих методов управления риском.

Всю совокупность рисков можно разделить на две основные группы. Причем первую группу образуют внешние риски, т.е. риски, возникающие во внешней среде организации. Ко второй группе относятся внутренние риски, соответственно возникающие во внутриорганизационной среде.

Среди внешних рисков выделяют:

политические - связаны с политической обстановкой в стране и деятельностью органов государственной власти (революция, военные действия, национализация частной собственности, конфискация имущества и др.);

законодательные - изменение действующих норм с выходом новых законодательных и нормативных актов, например, ухудшающих положение компании (введение новых налогов, отмена налоговых льгот, повышение налоговых ставок и др.);

природные - связаны с возможными стихийными бедствиями и загрязнением окружающей среды (наводнения, пожары, землетрясения и т. п.);

региональные - обусловлены состоянием отдельных регионов, их законодательством и т.д.;

отраслевые - зависят от тенденций развития отрасли;

макроэкономические - обусловлены развитием экономических процессов в стране и в мире в целом. В свою очередь, макроэкономические риски включают инфляционные (дефляционные), валютные, процентные и структурные риски.

Внутренние риски подразделяются на три вида:

производственные, связанные с особенностями технологического процесса на конкретном предприятии, уровнем квалификации работников, организацией поставок сырья и материалов и осуществлением транспортных перевозок;

инвестиционные, несущие потенциальную угрозу неполучения запланированного результата;

коммерческие, обусловленные обычно неправильно проведенными маркетинговыми исследованиями, в результате которых компания не может реализовать весь объем произведенной продукции, недооценкой конкурентов на товарном рынке, ошибочной ценовой политикой и др.

Из основных групп рисков деятельности организации, прежде всего, следует выделить хозяйственные риски: производственный риск, риск нанесения ущерба собственности организации, коммерческие риски.

Входящий в группу хозяйственных рисков производственный риск проявляется в возможности уменьшения объема выпуска продукции, снижения её качества, роста издержек производства и уменьшения производительности труда, возникновении убытков в результате простоя производства, потерь рабочего времени, недопоставок исходных материалов, сырья, энергии и т.д.

Риск нанесения ущерба собственности предприятия, его движимому и недвижимому имуществу (машинам и оборудованию, компьютерным базам данных, запасам сырья и материалов, готовой продукции на складе, грузам, денежным средствам и т.п.) обусловлен возможностью кражи, диверсии, халатности, перенапряжения технической и технологической систем, аварии, пожара, наводнения, механического либо радиационного воздействия и другими причинами.

Коммерческий риск связан с процессом реализации товаров и услуг, производимых или закупаемых предприятием, и проявляется в снижении объема реализации товаров вследствие изменения рыночной конъюнктуры и неблагоприятного изменения цен, повышении издержек обращения, потерях товара в процессе его обращения и др.

В последние годы отмечается значительное повышение для российских предприятий значимости финансовых рисков, которые связаны с вероятностью потерь финансовых ресурсов. В группу финансовых рисков входят риски, связанные с покупательной способностью денег и инвестиционные риски.

К рискам, связанным с покупательной способностью денег, относятся инфляционный и валютный риски. Наличие инфляционного риска свидетельствует о том, что полученные доходы в результате инфляции обесцениваются быстрее, чем растут. Валютный риск связан с возможными потерями в результате изменения валютных курсов. Этот вид риска чаще всего сопровождает внешнеторговые операции.

Входящий в группу инвестиционных рисков - риски предпринимательских инвестиций связаны с рисками прямого вложения средств в осуществление того или иного конкретного инвестиционного проекта. Для предприятия наиболее существенными в этой группе могут быт риски заказчика строительных работ, кредитный риск заемщика, риск ущерба в результате ошибок или упущений, связанных с оформлением права собственности на приобретаемый для предпринимательских целей объект, и т.д. Риск финансовых инвестиций проявляется в результате приобретения предприятием активов в виде ценных бумаг.

Управленческие риски включают риск отсутствия стратегического подхода к планированию и управлению на предприятии, риск ошибок в определении целей предприятия, прогнозировании развития внешней среды в стратегическом планировании, риск несоответствия системы управления предприятия масштабам и характеру его деятельности и др. Управленческие риски в значительной мере носят субъективный характер. Ведь именно предприниматель определяет цели предпринимательской деятельности, оценивает ситуацию, формирует варианты решений, делает выбор приемлемого решения. Управленческие риски двояко влияют на совокупный предпринимательский риск: наряду с прямым воздействием, они могут влиять опосредованно, порождая или, наоборот, устраняя ли снижая отдельные хозяйственные и финансовые риски. Таким образом, управленческие риски занимают главенствующую позицию в совокупности основных групп рисков деятельности предприятия.

В зависимости от возможного экономического результата выделяют чистые и спекулятивные риски. Чистые риски отражают возможность получения отрицательного или нулевого результата. К этой группе относятся большинство рисков деятельности промышленного предприятия исходя из специфики производства. Спекулятивные риски означают возможность получения как положительного, так и отрицательного результата. К ним относятся риски, связанные с покупательной способностью денег, и инвестиционные финансовые риски.

Риск всегда связан с продолжительностью предпринимательского проекта, поэтому его оценка должна быть привязана к конкретному этапу выполнения работ, конкретному периоду внутри финансового года при осуществлении производственной программы. В связи с этим уместно выделить расчетные и текущие риски. Расчетный риск можно оценить на стадии подготовки проекта. Текущий риск оценивается в ходе работы, в процессе осуществления проекта. При неблагоприятном стечении обстоятельств текущий риск может не только превысить расчетный, но и превзойти предельные ограничения, что, в свою очередь, приведет к необходимости отказа от данного проекта либо даже от осуществления конкретного вида предпринимательской деятельности. Часто по фактору времени риск подразделяют на долгосрочный и краткосрочный. При этом долгосрочный риск связан с развитием на перспективу, а краткосрочный - с оперативными, конъюнктурными причинами.

Поскольку важнейшей задачей любого предпринимателя, осуществляющего предпринимательскую деятельность в нестабильной среде, является недопущение банкротства организации, в целях управления риском следует выделять, допустимый, критический и катастрофический риски. Допустимый риск - это угроза возникновения потерь, сопоставимых с потерей прибыли от реализации проекта или от предпринимательской деятельности в целом. Критический риск - это опасность потерь, сопоставимых с суммой выручки от реализации продукции (услуг). Под катастрофическим понимается риск, который характеризуется опасностью потерь в размере, равном или превышающем собственный капитал предприятия. Катастрофический риск, как правило, приводит к банкротству предприятия.

Фактически любой вид деятельности компании связан с разными видами риска, риск выступает необходимой составной частью любого бизнеса. Виды предпринимательского риска компании порождаются действиями всех тех субъектов, кто так или иначе связан с ее деятельностью: акционерами, кредиторами, клиентами, поставщиками, персоналом и правительством. При этом компания может с помощью финансовой системы переносить риск, с которым она сталкивается, на других участников. Специальные финансовые компании, например страховые, выполняют услуги по объединению и переносу риска. В целом можно сказать, что все виды риска, с которыми имеет дело компания, порождаются людьми.

Рассмотрим, например, виды риска, связанные с производством хлебобулочных изделий. Пекарни, как и компании, работающие в других областях деятельности, сталкиваются со следующими категориями риска.

Риск, связанный с производством. Это риск того, что техника (печи, грузовики для доставки продукции и т.д.) выйдет из строя, что доставка исходных продуктов (мука, яйца и пр.) не будет выполнена в срок, что на рынке труда не окажется нужных работников или что из-за внедрения новых технологий имеющееся у компании оборудование морально устареет.

Риск, связанный с изменением цен на выпускаемую продукцию. Это риск того, что спрос на выпеченные изделия, производимые данной компанией, неожиданно изменится вследствие внезапного изменения вкусов потребителей (например, в ресторанах вместо хлеба станет модно подавать сельдерей), и рыночные цены на выпеченный изделия снизятся. Может также обостриться конкуренция, вследствие чего данная компания будет вынуждена снизить цены.

Риск, связанный с изменением цен на факторы производства. Это риск того, что цены на какие-то факторы производства внезапно изменятся. Например, подорожает мука или повысятся ставки заработной платы. Если пекарня для финансирования своей деятельности взяла кредит на условиях плавающей процентной ставки, то она подвергает себя риску ее повышения.

Риск ведения бизнеса ложится на плечи не только владельцев пекарни. Часть риска принимают на себя также менеджеры (если в этом качестве не выступают владельцы компании) и персонал компании. Если доходность компании невелика или если изменится технология производства, они рискуют потерять в зарплате, а возможно, и вовсе лишится работы.

Для профессионального руководства пекарней необходим определенный опыт управления риском. Менеджеры пекарни могут управлять возможными видами риска с помощью ряда приемов: например, хранить на складе запас муки, чтобы обезопасить себя на случай задержек в ее доставке. Они могут держать наготове запчасти для оборудования или стать постоянным клиентом маркетинговых фирм, составляющих прогнозы спроса на их продукцию. Можно также приобрести страховой полис от некоторых видов риска, например на случай производственных травм персонала или кражи оборудования. Есть и другие способы уменьшения некоторых видов риска: заключение непосредственно с потребителями и поставщиками контрактов о фиксированных ценах или заключение на форвардном, фьючерсном и опционном рынках соответствующих контрактов на товары, иностранную валюту и процентные ставки. Умение сбалансировать расходы на эти меры по уменьшению риска и выгоды от них - важнейшая часть управления пекарней.

Размер и организационная структура компании сами по себе тоже могут подвергаться риску. Пекарни бывают самых разных размеров и типов. С одной стороны, это - небольшие пекарни и магазинчики, которыми владеют и управляют отдельные лица или семьи. С другой - огромные корпорации, в которых трудятся тысячи людей, а акционеров еще больше. Одна из целей (и обычно не единственная) масштабных организаций типа крупных корпораций заключается в улучшении управления производственными, потребительскими и ценовыми рисками при ведении бизнеса.

2. Организация производства хлебобулочных изделий в ИП Ерёмина Ляна Николаевна

.1 Краткая экономическая характеристика ИП Ерёмина Ляна Николаевна

Полное наименование: ИП Еремина Ляна Николаевна. Юридический и фактический адрес: Костанайская область п. Геофизик ул. Геологическая 2А. Частный предприниматель Еремина Л.Н. оформила свидетельство на предпринимательскую деятельность без образования юридического лица в 1993 году. Еремина Ляна Николаевна является индивидуальным предпринимателем без образования юридического лица занимающейся коммерческой деятельностью. Предприятие имеет свою печать, свой товарный знак, расчетный счет в банке.

Является самостоятельной хозяйственной единицей, действующей на основе полного хозяйственного расчета, самофинансирования и самоокупаемости.

Основной вид деятельности данного предприятия заключается в производстве хлебобулочных изделий.

В производстве хлебобулочных изделий предприятие ориентируется на удовлетворение потребностей покупателей в высококачественной свежей и разнообразной продукции во всех ценовых сегментах - от экономичного до элитного. Кроме этого, при разработке и постановке на производство нового ассортимента предприятие делает упор на развитие сегмента продукции для здорового питания покупателей - это хлебобулочные изделия с использованием богатых витаминно-минеральным комплексом смесей, злаков и сухофруктов, а также диетические и диабетические изделия. Предприятие создано в целях удовлетворения общественных потребностей в результатах его деятельности и получения прибыли. Для достижения этих целей предприятие осуществляет: - выпуск хлеба, булочных, кондитерских изделий. 70 % продукции выпускается в упакованном виде.

Цели и предмет деятельности:

выпуск и реализация продуктов питания

оптово-розничная торговля

коммерческая деятельность.

К факторам успеха пекарни можно отнести следующие:

- качество продуктов, в особенности, свежесть и сроки хранения,

ассортимент продуктов,

постоянность продуктов предложенных к продаже.

Пункты реализации продукции находятся на территории города Костаная.

Предприятие имеет в своей собственности:

мини-пекарню;

5 автомобилей, которые используются для вывоза готовой продукции;

гараж, имеющий в своем составе 5 единиц автотранспорта;

3 склада:

·      - первый склад для хранения муки;

·        - второй - для хранения сырья;

·        - третий - для хранения готовой продукции.

Финансовые ресурсы предприятия формируются за счет прибыли от его деятельности.

Практическая эффективность стратегии развития зависит от правильной оценки и анализа внешних факторов, повлиять на которые предприятие сразу не сможет, а также изменение внутренних факторов.

Внешними ограничениями могут выступать законодательные органы, инфляция, конкуренты, изменение экономической конъюнктуры и уровня дохода населения и многое другое. Внутренними ограничениями могут быть принципы, цель, миссия предприятия, уровень издержек, производственные мощности, состояние маркетинга и управленческого потенциала, научно-техническое состояние производства и тому подобное

Продукция мини-пекарни представлена богатым ассортиментом хлеба и хлебобулочных изделий. В мини-пекарне выпекают такие основные виды хлеба как: Баварский, Бородинский, Раменский, молочно-отрубной и т.д.

Для каждого сорта хлеба и хлебобулочных изделий, вырабатываемых по государственным стандартам, существуют утвержденные рецептуры, в которых указываются сорт муки и расход каждого вида сырья (кг на 100 кг муки). На основании утвержденной рецептуры управляющий производством мини-пекарни составляет производственную рецептуру, в которой указывается количество муки, воды и другого сырья с учетом применяемой на данном предприятии технологии и оборудования, а также технологический режим приготовления изделий (температура, влажность, кислотность полуфабрикатов, продолжительность брожения и другие параметры).

Товарная продукция представляет собой объем готовой продукции, в денежном выражении, подготовленной для реализации. По структуре товарной продукции определяют специализацию предприятия.

Под специализацией предприятия принимается сосредоточение его деятельности на производство определенного вида продукции, для создания условий для увеличения прибыли, достижения более высокой производительности труда, увеличения производства продукции, улучшения ее качества.

Специализация как форма общественного труда выражается в преимущественном производстве определенных видов продукции. Специализация характеризует производственное направление и отраслевую структуру предприятия.

Анализ структуры товарной продукции можно произвести, рассмотрев определенные ее виды в стоимостном выражении.

Данные о структуре товарной продукции в стоимостном выражении приведены в таблице 2.

Таблица 2. Структура стоимости товарной продукции в ИП Еремина Л.Н.

Виды продукции

годы

Отклонения (+,-)


2008

2009

2010



Стоим., тыс.тг.

уд. вес (%)

Стоим., тыс.тг.

уд. вес (%)

Стоим., тыс.тг.

уд. вес (%)


Хлеб

1721,6

62,9

2162,2

65,5

2778,7

66,9

+ 1057,1

Булочки

413,7

15,1

450,3

13,7

518,5

12,5

+ 104,8

Батоны

335,4

341,3

10,4

428,4

10,3

+ 93

Кексы

177,4

6,5

244,7

7,4

315,4

7,6

+ 138

Пирожное

85,8

3,1

98,6

3,0

111,2

2,7

+ 25,4

ИТОГО

2733,9

100

3297,1

100

4152,2

100

+ 1418,3


Анализируя данные таблицы 2 отметим, что в структуре товарной продукции хлебобулочных изделии наибольший удельный вес занимает хлеб. Можно сделать вывод, что предприятие имеет высокий уровень специализации, и с каждым годом он увеличивается. Если сравнить структуру ассортимента продукции 2008, 2009, 2010 годов, то следует отметить, что хлеб пользуется наибольшим спросом, чем другие хлебобулочные изделия.

Степень глубины специализации предприятия на производстве тех или иных видов продукции характеризует коэффициент специализации, при исчислении которого учитываются не только удельный вес каждой из товарных отраслей в общей стоимости товарной продукции, но и их количество.

Рисунок 4 Стоимость товарной продукции в ИП Еремина Л.Н. за 2008 - 2010 годы

Коэффициент специализации рассчитаем по формуле:

,

где 100 - сумма удельных весов товарной продукции;

У - удельный вес каждого вида товарной продукции;- порядковый номер вида продукции.

Из того, что коэффициент специализации равен 0,4, можно сделать следующий вывод: предприятие является специализированным. Производство булочек, батонов, кексов и пирожных можно считать как дополнительные отрасли.

Оптимальный размер производства зависит от производственного направления предприятия и особенности его производства, а также природных и экономических условий района, в котором оно расположено. Для определения размеров предприятия используется ряд показателей.

Основными показателями характеризующими размер предприятия является стоимость валовой и товарной продукции.

Дополнительные показатели:

стоимость основных производственных фондов,

площадь предприятия,

численность работников.

Размеры производства предприятия влияют на внедрение современной организации труда, повышение его производительности, а также себестоимости продукции.

Данные о размерах производства представлены в таблице 3.

Таблица 3. Размеры производства ИП Еремина Л.Н.

 Показатели

Годы

Отклонения (+,-)


2008

2009

2010


Стоимость валовой продукции, тыс.тг

2733,9

3297,1

4152,2

+ 1418,3

Стоимость товарной продукции, тыс.тг

2733,9

3297,1

4152,2

+ 1418,3

Стоимость основных производственных средств, тыс.тг

252,0

271,6

385,7

+ 133,7

Среднегодовая численность работников, чел.

47

47

54

+ 7


Данные таблицы 3 свидетельствуют о том, что за 3 года стоимость валовой продукции возросла на 1418,3 тыс.тг., что связано с ростом объемов производства, а также ростом цен на выпускаемую продукцию и сырье. При этом среднегодовая стоимость основных производственных средств увеличилась на 133,7 тыс.тг., за счет приобретения предприятием машин и оборудования. Среднегодовая численность работников изменилась по сравнению с 2008 годом незначительно, увеличилось на 7 человек, что связано с увеличением объема производства.

Целью деятельности любого предприятия является получение прибыли. Прибыль является обобщающим показателем хозяйственной деятельности предприятия. Часть прибыли используется для выполнения обязательств перед бюджетом и банком.

Рисунок 5. Стоимость валовой продукции, тыс.тг

Рисунок 6. Стоимость товарной продукции, тыс.тг

Другая часть остается в его полном распоряжении и вместе со средствами на оплату труда является источником производственной деятельности предприятия. Чтобы управлять прибылью, необходимо проводить объективный системный анализ формирования, распределения и использования прибыли, так как этом показателе находят свое отражение уровень организации производства, эффективность использования ресурсов, экономические взаимоотношения между предприятием и государством, покупателями и поставщиками.

Рисунок 7. Стоимость основных производственных средств, тыс.тг

Рисунок 8. Среднегодовая численность работников, чел.

Рентабельность - важнейшая экономическая категория, означающая доходность, прибыльность предприятия.

Показатели рентабельности необходимы для оценки экономической эффективности хозяйствования и использования ресурсов предприятия: чем выше рентабельность производства, тем больше возможностей осуществить научно-технический прогресс, всестороннюю интенсификацию производства, решать социальные проблемы и повышать размеры материального стимулирования работников предприятия. Показатели рентабельности характеризуют эффективность работы предприятия в целом, доходность различных направлений деятельности, окупаемости затрат. Они более полно, чем прибыль характеризуют окончательный результат хозяйственной деятельности, потому как их величина показывает соотношение эффекта с наличными или использованными ресурсами.

Рентабельность производственной деятельности (окупаемость издержек) исчисляется путем отношения валовой продукции или чистой прибыли к сумме затрат по реализованной или производственной продукции.

=Прп/З=ЧП/Зп

где: R - рентабельность,

Прп - валовая прибыль, тыс. тг.

ЧП - чистая прибыль, тыс. тг.

З - сумма затрат по реализованной продукции

Зп - сумма затрат по произведенной продукции, тыс. тг.

Рентабельность показывает, сколько прибыли имеет предприятие с каждого тенге затраченного на производство продукции. Она может рассчитываться в целом по предприятию, отдельным его подразделениям и видам продукции.

Полученную прибыль необходимо сопоставить с произведенными затратами. Для этих целей используется относительный показатель - уровень рентабельности, под которым понимается процентное отношение прибыли к сумме материальных и трудовых затрат, связанных с производством и реализацией продукции. Этот показатель характеризует окупаемость производственных затрат, а также эффективность производства и реализации отдельных видов продукции.

В таблице 4 представлены финансовые результаты производственной деятельности предприятия, характеризующие экономическую эффективность производства продукции.

Из таблицы 4 видно, что выручка от реализации продукции в 2010 году по сравнению с 2008 годом возросла на 1418,3 тыс. тг., при этом полная себестоимость реализованной продукции возросла на 1181,7 тыс. тг.; прибыль увеличилась на 236,6 тыс. тг.. Уровень рентабельности в динамике за 3 года вырос на 5,5%.

Таблица 4. Экономическая эффективность производства ИП Еремина Л.Н.

Показатели

Годы

Отклонения (+,-)


2008

2009

2010


Выручка от реализации продукции, тыс. тг.

2733,9

3297,1

4152,2

+ 1418,3

Полная себестоимость реализованной продукции, тыс. тг.

2683,3

3221,8

3865,0

+ 1181,7

Прибыль от реализации продукции, тыс. тг.

+50,6

+75,3

+287,2

+ 236,6

Уровень рентабельности, %

1,9

2,3

7,4

+ 5,5


Рисунок 9. Выручка от реализации продукции, тыс. тг.

Рисунок 10. Полная себестоимость реализованной продукции, тыс. тг.

Рисунок 11. Прибыль от реализации продукции, тыс. тг.

Рисунок 12. Уровень рентабельности, %

Таким образом, можно сделать вывод, что небольшое по своим размерам предприятие развивается достаточно интенсивно; ежегодно имеет положительный финансовый результат, то есть прибыль, что отражает эффективность управления предприятием.

Организация реализует только сертифицированную продукцию в соответствии с действующим законодательством и несёт ответственность за реализацию продукции, причиняющих вред потребителям.

Сертификация продукции представляет собой ряд требований к производству и продаже определенных товаров. Сертификация продукции - это процедура подтверждения соответствия, посредством которой независимая от изготовителя и потребителя организация удостоверяет в письменной форме, что продукция соответствует установленным требованиям.

Сертифицированные товары пользуются большим спросом на рынке, чем несертифицированные, что позволяет производителям выжить в конкурентной борьбе. При сертификации устанавливается, что продукция, процесс или услуга соответствуют требованиям стандарта или других нормативных документов.

Предприятие имеет у себя комплекты нормативных документов на каждый вид вырабатываемой продукции. Комплект нормативной документации включает ГОСТ, рецептуру и технологическую инструкцию, утвержденные в установленном порядке.

Кроме комплекта нормативной документации, на каждый вид выпускаемой продукции получен сертификат соответствия этой продукции требованиям нормативной документации по показателям имеется запись: «Обязательные требования, направленные на обеспечение безопасности для жизни и здоровья населения, изложены в пунктах» и перечислены пункты, в которых записаны требования к безопасности сырья и готовой продукции, а также указаны порядок и методы контроля соответствующих показателей.

Структура системы управления организацией - упорядоченная совокупность взаимосвязанных элементов, находящихся между собой в устойчивых отношениях, обеспечивающих их функционирование и развитие как единого целого. Структура системы управления является формой разделения и кооперации управленческой деятельности, в рамках которой происходит процесс управления, направленный на достижение поставленных целей организации.

Заместитель директора по коммерческой деятельности осуществляет руководство хозяйственно-финансовой деятельностью предприятия в области материально-технического снабжения, заготовки и хранения сырья, сбыта продукции. Организует участие подчиненных ему служб и структурных подразделений в составлении планов производства и реализации продукции, а также в разработке стандартов по материально-техническому обеспечению качества продукции, организации хранения и транспортирования сырья, сбыту готовой продукции. Обеспечивает выполнение обязательств по поставкам продукции (по количеству, номенклатуре, ассортименту, качеству, срокам). Осуществляет контроль за выполнением плана реализации продукции, прекращение производства продукции, не имеющей сбыта. Организует работу складского хозяйства по использованию и реализации вторичных ресурсов и побочных продуктов. Обеспечивает своевременное составление продукции.

К важнейшим отделам службы относится бухгалтерия, подчиняющаяся непосредственно директору.

Она осуществляет учет денежных расходов предприятия, основных и оборотных средств, заработной платы; составляет бухгалтерский отчет и баланс; осуществляет планирование, учет и анализ финансов, определяет расходы и доходы предприятия, осуществляет оперативную финансовую работу по обеспечению предприятия денежными средствами.

Кассиром ведется кассовая книга, ведет прием, хранение и регистрирует расходование наличных денег предприятия, а также ведет счета на расчетном счете предприятия.

Мастер-технолог - разрабатывает технологические процессы и режимы производства на виды продукции, обеспечивает соответствие разрабатываемых проектов техническим заданиям и действующим нормативным документам по проектированию, соблюдению высокого качества продукции, сокращению материальных и трудовых затрат на ее изготовление. Устанавливает пооперационный маршрут прохождения изделий в процессе их изготовления и контроль по всем операциям технологической последовательности. Составляет технологическую документацию. Принимает участие в разработке технически обоснованных норм времени. Контролирует соблюдение технологической дисциплины и правил эксплуатации оборудования, в проведении экспериментальных работ по проверке и освоению проектируемых технологических процессов и режимов производства.

Пекари - обеспечивает выполнение плана выпуска продукции собственного производства высокого качества. Подготавливает заявку на необходимые продовольственные товары, полуфабрикаты, обеспечивает их своевременное получение со склада. Постоянно контролирует качество сырья, поступающего в производство, строгое соблюдение технологии приготовления, норм закладки сырья н санитарных правил. Осуществляет правильную организацию производственного процесса, обеспечивает применение нового оборудования и прогрессивной технологии, принимает меры по повышению производительности труда и эффективному использованию оборудования.

Продавец - обслуживает покупателя, предлагает и показывает товар. Консультирует покупателей о свойствах, вкусовых особенностях и питательной ценности отдельных видов товаров. Предлагает новые товары, товары сопутствующего спроса. Работает за кассовым аппаратом. Контролирует своевременное пополнение рабочего запаса товаров и сроки реализации. Получает товар и подготавливает его к продаже. Подсчитывает выручку и сдает ее в установленном порядке. Подготавливает товар к инвентаризации.

Кладовщик - определяет требование к материальным ресурсам, а также соответствие их качества стандартам, техническим условиям и другим нормативным документам. Следит за наличием материальных ресурсов и готовой продукции на складах, осуществляет связь с поставщиками и потребителями, своевременно оформляет документы на отгрузку продукции. Участвует в разработке и внедрении стандартов по сбыту, контролю качества продукции, материально-техническому снабжению, организации транспортировки и хранения сырья и готовых изделий. Ведет оперативный учет. Участвует в проведении инвентаризации. Осуществляет контроль за соблюдением правил хранения товарно-материальных ценностей на складах, подготовкой готовых изделий к реализации. Оформляет необходимые документы, составляет отчетность по установленной форме.

Хозяйственник - убирает помещения и содержит их в чистоте и порядке соответственно гигиеническим требованиям. Осматривает объект, проверяет запоры, освещение, охранопожарную сигнализацию.

Разнорабочие выполняют вспомогательную работу, такую как разгрузка муки, сахара и других составляющих теста, погрузка хлеба в машину для отправки в магазины, мелкие наладочные работы, уборка помещений и другую необходимую работу.

В обязанности водителя входит доставка готовой продукции в магазины, с которыми заключены договора на поставку. Также он имеет право получать наличные деньги за реализованную продукцию в магазинах.

На сегодняшний день ИП Ерёмина Л.Н. кроме занятия розничной торговлей хлебобулочных изделий, участвует в государственных закупках (см. Приложения Б, В, Г). Участие в государственных закупках подтверждает конкурентоспособность фирмы на сегодняшний день, т.к. для участия в таких процедурах фирме необходимо обладать определёнными параметрами.

Процесс государственных закупок включает в себя:

) планирование номенклатуры товаров, работ, услуг;

) разработку и утверждение годового плана государственных закупок;

) выбор поставщика и заключение с ним договора о государственных закупках;

) исполнение договора о государственных закупках.

Планируемая номенклатура товаров, работ, услуг ежегодно разрабатывается и утверждается заказчиком и должна содержать следующие сведения:

) наименование товара, работы, услуги со ссылкой на соответствующий стандарт Республики Казахстан при наличии такого стандарта, а также, при необходимости, стандарты других стран;

) количество товаров, объемы выполняемых работ, оказываемых услуг, цену за единицу, а также планируемые суммы денег для осуществления государственных закупок.

На основании утвержденных планируемой номенклатуры товаров, работ, услуг и соответствующего бюджета (бизнес - плана, сметы доходов и расходов) заказчик разрабатывает и утверждает годовой план государственных закупок в порядке и форме, определенных правилами осуществления государственных закупок.

Годовой план государственных закупок утверждается заказчиком в течение десяти рабочих дней со дня утверждения соответствующего бюджета (бизнес - плана, сметы доходов и расходов) и должен содержать следующие сведения:

) планируемую номенклатуру товаров, работ, услуг, включая суммы, выделенные для осуществления государственных закупок;

2) способ, за исключением случаев, предусмотренных статьей <#"823891.files/image017.gif">

Рисунок 13. Технологическая схема производства хлебобулочных изделий

Сырье поступает на предприятие партиями. Под партией понимают определенное количество сырья одного вида и сорта, одной даты выработки, предназначенных к одновременной сдаче-приемке по одной накладной. Каждая партия сырья должна сопровождаться специальным удостоверением или другим документом, характеризующим его качество. Сырье поступает на предприятие тарным и бестарным способом.

Сырье, как основное, так и дополнительное, доставляемое в таре, подлежит обязательному осмотру. Тщательно осматривают упаковку и маркировку сырья и проверяют ее соответствие нормативной документации.

Мука по возможности должна храниться тарно - в мешках. Мешки должны быть уложены в небольшие штабели. Между штабелями должны быть свободные проходы. Это обеспечивает доступ к сырью, а также его вентиляцию. Мучной склад должен быть сухим, отапливаемым и хорошо вентилируемым. Температура на складе должна быть не ниже 8 - 12 градусов по Цельсию. Это важно особенно зимой, чтобы мука поступаемая в производство была в прогретом состоянии. Влажность должна составлять 60 - 65%. В муке должны протекать биохимические и микробиологические процессы. Также не допускается подмочка муки. В подмоченном состоянии мука самопроизвольно нагревается до 50-60 градусов. И при этом происходит плеснивение муки. Дрожжи хранят в сухом помещении при температуре от 0 до 4 градусов. Поваренную соль хранят в сухом помещении в мешках или насыпью в закрытых деревянных ларях.

Сахар хранят в мешках в сухом, хорошо вентилируемом помещении.

Второй этап включает операции по подготовке сырья к пуску в производство (вмешивание, растворение, растворение, фильтрование и др.).

Сырье, хранящееся на складе, перед замесом полуфабрикатов должно пройти определенную подготовку, при которой улучшается его санитарное состояние. В процессе подготовки для предупреждения загрязнения продуктов и попадания посторонних примесей необходимо соблюдать следующие правила санитарии:

мешки с сыпучими продуктами предварительно очищают с поверхности щеткой, аккуратно вспарывают, обрывки шпагата помещают в специальный сборник;

ящики, бочки, корзины с сырьем вскрывают в отдельном помещении, наблюдая, чтобы стружки, гвозди и проволока не попали в продукты;

бочки, банки и бутылки перед вскрытием протирают тряпкой или омывают.

Подготовка муки состоит из смешивания, просеивания и отделения от нее металлических примесей. Смешивание муки различных сортов производится в соответствии с рецептурой изделия. Просеивание муки на пекарнях производится для отделения от нее посторонних примесей и ее аэрации, поэтому используются крупные металлические сита.

Воду фильтруют или отстаивают и проверяют ее санитарное состояние. Перед замесом опары или теста воду доводят до требуемой температуры смешиванием холодной и горячей воды. Для получения опары или теста с заданной начальной температурой вода должна быть нагрета тем больше, чем ниже температура сырья. Прессованные дрожжи для лучшего распределения в опаре или тесте предварительно разводятся в воде в соотношении 1:2 - 1:4. Температура воды не должна превышать 30 градусов по Цельсию. Замороженные дрожжи медленно оттаивают при температуре 4 - 6 градусов, но не выше 8 градусов. Для лучшего распределения соли в тесте и отделения механических примесей ее растворяют в воде, фильтруют и отстаивают в посуде из пищевого алюминия или нержавеющей стали. Раствор должен иметь плотность 1,18 - 1,20, что соответствует 24 - 26 % концентрации.

Пищевые характеристики некоторых видов выпускаемой продукции приведены в таблице 5.

Таблица 5. Пищевые характеристики некоторых видов выпускаемой продукции

Хлеб

Вкусовые качества в баллах (1-5)

Срок хранения, дней

Энергетическая ценность хлеба на 100 гр, ккал

Полезность (витамины) * на 100 гр, мг

“Столичный”

4

1-2

170

0.96

“Дарницкий”

3

2

160

0.85

“Особый”

5

3

285

2.21

Мучные изделия являются удобным объектом для обогащения их белками с высокой биологической ценностью (молочными, соевыми и др.) и рядом необходимых питательных веществ, в частности микронутриентами (витаминами и микроэлементами). Поэтому исследование пищевой ценности данного вида продуктов является важной задачей.

Состав некоторых видов выпускаемой продукции приведен в таблице 6.

Таблица 6. Состав некоторых видов выпускаемой продукции

Хлеб

 “Столичный” 0,8 кг

 “Дарницкий” 0,8 кг

 “Особый” 0,45кг

Мука ржаная в/с

Мука ржаная 1с

Мука пшеничная в/с

Соль

Соль

Соль

Дрожжи

Дрожжи

Дрожжи



Сахар



Маргарин



Улучшитель "Экстра"


Третий этап включает технологические операции по приготовлению теста.

Приготовление теста - это важнейший и наиболее длительный этап технологического процесса производства хлеба. Он включает следующие операции: дозирование сырья, замес полуфабрикатов и теста, брожение полуфабрикатов и теста, обминки.

Приготовление теста ведут в соответствии с технологическим планом, разработанным на предприятии для каждого сорта изделия. В технологическом плане указываются характеристика оборудования, производственная рецептура, расчеты расхода сырья, показатели технологического процесса производства.

Тесто - это полуфабрикат хлебопекарного производства, полученный путем замеса из муки, воды, дрожжей, опары или закваски и дополнительного сырья в соответствии с рецептурой и технологическим режимом, служащий для приготовления хлебобулочных изделий.

К полуфабрикатам хлебопекарного производства относят все продукты, предшествующие готовым изделиям, то есть нуждающиеся в дальнейшей обработке для превращения в готовые изделия. Это - различные заварки, жидкие дрожжи, закваски (густые, жидкие, сухие), опары (густые, большие густые, жидкие, жидкие соленые), тесто. Кроме того, к полуфабрикатам хлебопекарного производства относят тестовые заготовки, отделочные полуфабрикаты, хлебную и сухарную крошку.

Тестообразование и созревание - две основные стадии приготовления теста. На стадии замеса при смешивании рецептурных компонентов происходит тестообразование. При этом частицы муки быстро впитывают воду и набухают. Нерастворимые в воде белковые вещества, образующие клейковину, в тесте связывают воду не только адсорбционно, но и осмотически. Именно водонерастворимые белки способствуют образованию в тесте трехмерной губчато-сетчатой непрерывной структурной основы, которая обусловливает структурно-механические свойства теста - растяжимость и упругость.

Созревание теста зависит от вида изделий, дозировки дрожжей, температуры, способов разрыхления и других параметров процесса.

После замеса тесто представляет собой дисперсную систему, состоящую из твердой, жидкой и газообразной фаз. Соотношением различных фаз можно варьировать, влияя на свойства последует соответственно увеличивать. Количество вводимых в тесто дрожжей оказывает влияние на способ его приготовления и длительность процесса брожения.

В результате интенсивного протекания в тестовой заготовке биохимических, микробиологических, коллоидных и теплофизических процессов она переходит в состояние готового выпеченного хлеба, т.е. образуется эластичный, сухой на ощупь мякиш, накапливаются вкусовые и ароматические вещества, формируется характерная окраска корки.

Для каждого сорта хлеба и хлебобулочных изделий, вырабатываемых по государственным стандартам, существуют утвержденные рецептуры, в которых указываются сорт муки и расход каждого вида сырья (кг на 100 кг муки). На основании утвержденной рецептуры управляющий производством мини-пекарни составляет производственную рецептуру, в которой указывается количество муки, воды и другого сырья с учетом применяемой на данном предприятии технологии и оборудования, а также технологический режим приготовления изделий (температура, влажность, кислотность полуфабрикатов, продолжительность брожения и другие параметры). Пример производственной рецептуры и режима приготовления хлеба муки высшего сорта приведен в таблице 7.

Таблица 7. Производственная рецептура и режим приготовления хлеба из муки высшего сорта, массой 0,5 кг

Наименование сырья, полуфабрикатов и показателей процесса

Расход сырья (кг) на 100 кг готовой продукции и параметры процесса по стадиям


опара

тесто

Мука пшеничная хлебопекарная высшего сорта

25,2

35,2

Дрожжи хлебопекарные прессованные

0,6

-

Соль поваренная пищевая


0,9

Сахар-песок


2,4

Маргарин столовый (содержание жира не менее 82%)


2,1

Вода

14-19

по расчету

Опара


вся

Температура начальная, ºС

28-30

28-30

Продолжительность брожения, мин.

210-240

60-90

Кислотность конечная опары, град.

3,0-4,0


Кислотность конечная теста, град, не более


3,5


В этой связи разработка новых рецептур изделий из дрожжевого теста должна вестись с учетом всех показателей качества используемого сырья и научно обоснованного их регулирования. Перспективным направлением в производстве дрожжевого теста является разработка способов его интенсификации и обогащения биологически активными веществами.

Четвертый этап - разделка теста включает следующие технологические операции: деление теста на куски (осуществляется на тестоделительных машинах с целью получения тестовых заготовок заданной массы), округление кусков теста (осуществляется на тестоокруглительных машинах с целью улучшения структуры и придания формы), предварительная расстойка тестовых заготовок (осуществляется в условиях цеха на транспортерах, столах, в шкафах с целью придания кускам теста свойств, оптимальных для формирования), формование тестовых заготовок (осуществляется на закаточных машинах или вручную с целью придания тестовым заготовкам определенной формы), окончательная расстойка тестовых заготовок (осуществляется в специальных расстойных шкафах при температуре 35-40 градусов С и относительной влажности 80-85%; продолжительность расстойки от 20 до 120 минут). Цель окончательной расстойки - приведение тестовой заготовки в состояние, оптимальное для выпечки по объему заготовки и содержанию в ней веществ, необходимых для получения хлеба наилучшего качества.

Пятый этап - выпечка включает операции надрезки тестовых заготовок и выпечки. Надрезка тестовых заготовок осуществляется с целью придания изделиям специального вида, требуемого ГОСТом и исключения образования подрывов трещин на поверхности корки при выпечке.

Выпечка - заключительная стадия производства хлебных изделий, окончательно формирующая качество хлеба. Все изменения и процессы, превращающие тесто в готовый хлеб, происходят в результате прогревания тестовых заготовок и увлажнения их поверхности во время выпечки. Хлебные изделия выпекают в пекарных камерах печей, на жидком топливе. Каждая пекарная камера печи работает автономно с помощью установленной системы автоматического поддерживания температуры в пекарной камере, и следовательно нагрев камеры. Во всех случаях перед началом выпечки необходимо проверять готовность теста, находящегося в расстойке. Перед посадкой в печь изделия опрыскивают водой.

Выпечка тестовых заготовок осуществляется в хлебопекарных печах с целью превращения тестовой заготовки в хлеб. Температура выпечки - от 220 до 240 0С; продолжительность выпечки зависит от массы и формы заготовок и составляет 15-60 мин.

Режимы выпечки определяются степенью увлажнения теста, температуры в различных зонах продолжительностью процесса. Режим зависит от сорта, вида, качества хлеба, свойств муки и от конструкции печи. Решающим фактором является масса тестовой заготовки. Продолжительность выпечки колеблется от 8 - 10 минут для мелкоштучных изделий до 1 ч для ржаного хлеба массой 1 кг.

Для большинства изделий режим включает 3 периода:

) выпечка протекает при высокой относительной влажности (до 80%) и сравнительно низкой температуры пекарной камеры (110-120 оС), и длится 3 - 4 мин. За это время тесто увеличивается в объеме, а пар конденсируясь улучшает состояние ее поверхности. В конце 1- го периода необходим интенсивный подвод тепла до 240-250 оС.

) период идет при высокой температуре и пониженной относительной влажности, при этом образуется корка, закрепляется объем и форма изделия.

) период завершающий. Характеризуется менее интенсивным подводом тепла, около 180 ºС, что приводит к снижению упёка.

Упёк - потери массы теста в % при выпечке, которые выражаются разностью между массами теста и горячего хлеба, отнесенной к массе теста. Около 95% этих потерь приходятся на влагу, а остальная часть на спирт, диоксид углерода, кислоты. Упек составляет примерно от 6 до 50% и зависит от формы хлеба.

Хранение выпеченных изделий до отпуска их в торговую сеть является последней стадией процесса производства хлеба и осуществляется в остывочном отделении предприятия.

Готовый хлеб хранят в чистых специализированных помещениях без сквозняков. При температуре 18 - 25 С; относительной влажности 70 - 85 % в течение 48 часов - на предприятии до 12 часов и в торговле до 36 часов.

В настоящее время широко применяют упаковку хлебных изделий в различные виды мягкой тары (целлофан, полиэтиленовую, полипропиленовую, термоусадочную и другую синтетическую пленку).

Все упаковочные материалы должны быть безвредными, не реагировать с веществами хлеба, быть непроницаемыми для паров и газа. Перед упаковкой изделия охлаждают, в термоусадочную пленку изделия упаковывают горячими. Упаковка не только задерживает очерствение изделий на 4-5 суток, но и позволяет хранить и транспортировать их в хорошем санитарном состоянии.[15]

После выпечки хлеб отправляют в хлебохранилище для охлаждения, а затем на эксплуатацию. Во время остывания происходит перераспределение влаги. Часть ее испаряется, а влажность корки и слоев, лежащих под ней и в центре изделия выравнивается. В результате влагообмена масса хлеба уменьшается на 2-4% по сравнению с массой горячего хлеба. Этот вид потерь называется усушкой. Для снижения усушки хлеб стремятся как можно быстрее охладить. Для этого снижают температуру и влажность в хлебохранилищах, уменьшает плотность кладки теста, обдувают воздухом пониженной температуры. На усушку также влияет влажность мякиша. У подового хлеба усушка хлеба меньше.

В остывочном отделении осуществляются учет выработанной продукции, сортировка и органолептическая оценка. После выпечки хлеб и хлебобулочные изделия помещаются для остывания на лотки, укладывание производится в один ряд на боковую или нижнюю корки. Для укладки изделий большой массы используются трехбортные лотки с решетчатым дном, а для мелкоштучных булочных и сдобных изделий - четырехбортные со сплошным дном.

Готовая продукция - это продукция, полностью законченная обработкой, соответствующая действующим стандартам или утвержденным техническим условиям, принята на склад или заказчиком, снабжена сертификатом или другим документом, удостоверяющим качество.

Доставка готовой продукции торгующим организациям и фирмам осуществлялась на основании заключенных долгосрочных договоров поставки. Реализация продукции ИП Еремина Л.Н. проходила по городу Костанай и ближайшим поселкам (п. Красный Партизан, п. Затобольск, п. Заречный, п. Дружба).

Реализация готовой продукции происходит своим автотранспортом, привлеченным автотранспортом и самовывозом (рисунок 16).

По данным можно сделать вывод: что в 2010 году объемы вывоза продукции составили:

Собственным автотранспортом ИП Еремина Л.Н. - 67% от объемов продаж;

Привлеченным автотранспортом - 8% от объемов продаж;

Самовывозом - 25% от объемов продаж.

По данным, представленным на рисунке, можно сделать вывод: что в 2010 году объемы вывоза продукции составили:

Собственным автотранспортом ИП Еремина Л.Н. - 67% от объемов продаж;

Привлеченным автотранспортом - 8% от объемов продаж;

Самовывозом - 25% от объемов продаж.

ИП Ерёмина Л.Н. старается избегать вывоз продукции привлечённым автотранспортом, так как возрастают затраты, тем самым, снижается прибыль.

Большее количество продукции вывозится на собственном автотранспорте ИП Еремина Л.Н., это объясняется тем, что покупателям очень удобно, что им доставляют продукции.

Хлебобулочные изделия ИП Еремина Л.Н. вырабатывают в соответствии с требованиями нормативно-технической документации, утвержденными по рецептурам и технологической инструкции, разработанной на предприятии.

Качество хлеба обусловлено составом и свойствами компонентов, входящих в его состав, а также процессами, протекающими в тесте при его созревании и выпечке тестовых заготовок. Усвояемость хлеба в значительной мере связана с его органолептическими показателями, в первую очередь такими, как вкус, аромат, разрыхленность мякиша, которые формируют понятие качества хлеба.

Наибольшее значение для потребителя имеет свежесть хлеба. Хороший вкус и запах свежего хлеба возбуждают аппетит и способствуют пищеварению.

Пищевая ценность во многом зависит от сорта муки и рецептуры хлеба. Чем ниже сорт муки, тем больше в ней содержится полезных веществ (минерало, витаминов, клетчатки и т.д.), и чем выше сорт муки, тем больше в ней крахмала и меньше витаминов и минеральных элементов, что сказывается на пищевой ценности хлеба.

Таблица 8. Органолептические показатели хлебобулочных изделий

Наименование показателя

Характеристика

Внешний вид


форма и поверхность

Соответствующие виду изделия

цвет

От светло-желтого до темно-коричневого

Состояние мякиша

Пропеченный, не влажный на ощупь, без следов непромеса. Для рогликовых изделий - мякиш слоистый в изломе, для слоеных изделий - с отделимыми друг от друга слоями; для изделий с начинкой - слой основы, соприкасающийся с начинкой, может быть увлажнен

Вкус

Свойственный изделию данного вида, без постороннего привкуса. При использовании пищевкусовых добавок - привкус, свойственный внесенным добавкам

Запах

Свойственный изделию данного вида, без постороннего запаха. При использовании ароматических добавок - запах, свойственный внесенным добавкам


В результате введения в рецептуру теста жиров, сахара, молока и других компонентов снижается пищевая ценность хлеба, но увеличивается питательная.

Химический состав муки определяет ее пищевую ценность и хлебопекарные свойства.

Однако было бы совершенно неправильно оценивать пищевую ценность хлеба лишь с точки зрения его химического состава, не принимая во внимание такие свойства, как вкус, аромат, пористость мякиша и внешний вид хлеба, так как по словам Павлова, только та еда полезна, которая приятна. Наконец, хлеб обладает одним важным качеством, по-видимому, обычно недостаточно учитываемым.

Регулярный прием хлеба вместе с пищей имеет большой физиологический смысл, так как хлеб придает массе поглощаемой пищи благоприятную консистенцию и структуру, способствующую наиболее эффективной работе пищеварительного тракта и наиболее полному смачиванию пищи пищеварительными соками.

Наконец, с хлебом человек усваивает супы, масло, икру, сыр, различные соусы, джемы, варенье и прочее.

Таким образом, хлеб в нашей диете служит не только источником калорий и дополнительных факторов питания, но также играет важнейшую роль во всей физиологии питания.

Рассмотрим средний химический состав хлеба (в % на сухой вес), данные представлены в таблице 9.

Таблица 9. Средний химический состав хлеба (в% на сухой вес)

Хлеб

Влага

Жир

Белок

Клетчатка

Зола

Сахар

Крахмал

Пшеничный в/с

35,8

0,39

17,00

0,33

1,67

0,62

79,5

Из обойной пшенич. муки

42,1

0,94

20,71

0,98

2,38

1,23

73,12

Ржаной пеклев.

43,8

0,39

11,72

0,99

2,55

1,12

82,69

Ржаной интенд.

40,6

1,10

2,44

2,19

2,10

75,06


При учете пищевой ценности любого продукта, особенно продукта такой первостепенной важности, как хлеб, необходимо учитывать не только общее содержание в нем белка, но также и его качественный состав, т.е. содержание в белке незаменимых аминокислот. Таблица 10 показывает содержание незаменимых аминокислот в пшеничном хлебе из муки разного выхода (в г на 100 г).

Таблица 10. Содержание незаменимых аминокислот в пшеничном хлебе из муки разного выхода (в г на 100 г)

Амино кислота

Мука 100% выхода

Мука в/с

Амино кислота

Мука 100% выхода

Мука в/с

Лизин

0,24

0,21

Валин

0,41

0,35

Лейцин

1,08

1,24

Аргинин

0,28

0,39

Изолейцин

0,41

0,38

Гистидин

0,17

0,22

Треонин

0,29

0,28

Метионин



Триптофан

0,08

0,09

+ цистин

0,41

0,50


Содержание витамина в хлебе зависит прежде всего от содержания его в муке. Зерно пшеницы и ржи, а следовательно и получаемая из них мука, фактически лишены витаминов А, С и D, и чем мука беднее отрубями и частичками зародыша, тем беднее она и витаминами группы В и токоферолами. Поэтому естественно, что белый хлеб, получаемый из муки низких выходов, чрезвычайно беден витаминами, в то время как хлеб из обойной муки или муки 100% выхода содержит их гораздо больше.

Таблица 11. Среднее содержание витаминов в хлебе из муки различных сортов (в мг на 100 г продукта)

Хлеб

В1

В2

РР

Ржаной из обойной муки

0,15

0,13

0,45

Пшеничный из муки 100% выхода

0,26

0,12

3,10

Пшеничный из муки 85% выхода

0,20

0,08

1,60

Батоны из муки пшеничной 72% выхода

0,10

0,07

0,67

Булки городские из муки 72% выхода

0,12

0,10

0,70


Хлеб выступает как источник минеральных веществ. С точки зрения физиологии питания наибольшее значение среди минеральных компонентов зерна имеют кальций, а также фосфор и железо, усвояемость которых в значительной степени снижается из-за образования нерастворимых солей фитиновой кислоты. В таблице 12 приведены данные, характеризующие покрытие суточной потребности человека в отдельных минеральных веществах при потреблении 500 г хлеба:

Таблица 12. Покрытие суточной потребности человека в отдельных минеральных веществах при потреблении 500 г хлеба

Хлеб

Покрытие потребности (в %) в


Са

Р

Мg

Fe

Формовой из ржаной обойной муки

20,0

56,3

49,3

70,0

Формовой из пшеничной обойной муки

16,9

60,6

48,6

70,0

Формовой из пшеничной муки второго сорта

15,0

51,2

31,4

56,7

Формовой из пшеничной муки первого сорта

12,5

30,9

21,4

46,7

Батоны из пшеничной муки первого сорта

13,1

32,5

22,8

50,0

Городские булки из пшеничной муки первого сорта

13,1

32,1

22,1

50,0


Обращает на себя внимание недостаточность хлеба из любой муки в кальции и вместе с тем значительное содержание в хлебе фосфора и особенно железа.

Особое значение для понимания роли минеральных веществ зерна в питании человека имеет вопрос о соотношении кальция и фосфора. Недостаточное снабжение кальцием взрослого человеческого организма, и особенно детского, приводит, как известно, к нежелательным последствиям, выражающимся в недостаточном отложении кальциевых солей в костях. Наилучшая форма кальция, особенно легко усваиваемая человеческим организмом, - это кальций молока и различных молочных продуктов. В молоке соотношение фосфорной кислоты и кальция 3:2, что является почти оптимальным, в то время как в хлебе это соотношение примерно 7:1.

В этом случае единственный метод обогащения хлеба кальцием, который может считаться идеальным, это введение обезжиренного молока - натурального продукта, содержащего все минеральные вещества, витамины и белки.

Для нашего питания необходимы вещества органические и минеральные; между первыми из них различают вещества, содержащие в себе азот, напр., белок куриного яйца, мясо, творог и т. п., и вещества, не содержащие в себе, азота, напр., крахмал, сахар и жир; азотистые органические вещества считаются более питательными, чем безазотистые; отношение между теми и другими, необходимое для правильного питания, принимается 1:5.

Повышение пищевой ценности хлеба можно осуществлять регулированием химического состава изделий в результате использования традиционного для хлебопечения сырья и введением биологически активных добавок (БАД), позволяющих получать готовые изделия, обладающие функциональными свойствами и предназначенные для лечебного и профилактического питания. В качестве биологически активных добавок (БАД) можно использовать как нутрицевтики, позволяющие корректировать химический состав изделий и тем самым оптимизировать их пищевую ценность, так и парафармацевтики, внесение которых в рецептуру изделий придаст им диетические свойства, направленные на регуляцию функциональной активности органов и систем организма человека.

Качество хлеба зависит от используемого основного и вспомогательного сырья, а также технологического процесса приготовления, от способов хранения.

Хранение выпеченных изделий до отпуска их в торговую сеть является последней стадией процесса производства хлеба и осуществляется в остывочных отделениях предприятий.

После выпечки хлеб и хлебобулочные изделия помещаются для остывания на лотки, укладывание производится в один ряд на боковую или нижнюю корки.

Для укладки изделий большой массы используются трехбортные лотки с решетчатым дном, а для мелкоштучных булочных и сдобных изделий - четырехбортные со сплошным дном.

В настоящее время широко применяют пластмассовые лотки. Они достаточно легкие и хорошо поддаются санитарной обработке.

.3 Анализ ассортимента хлебобулочных изделий ИП Ерёмина Ляна Николаевна

Предприятие ИП Ерёмина Ляна Николаевна предлагает к продаже традиционные и новые виды хлебобулочных изделий. Ассортимент хлебобулочных изделий отразим в таблице.

В ассортименте продукции изделий ИП Ерёмина Ляна Николаевна наибольший удельный вес по количеству представленных наименований занимают булочные изделия, в том числе сдобные - 70,7%, хлеб занимает лишь 29,3%.

Если анализировать ассортимент ИП Ерёмина Ляна Николаевна по объему продаж то, структура совершенно иная: наибольший удельный вес в объеме продаж занимает хлеб 75,7% и только 24,3% булочные изделия. Это объясняется тем, что хлеб употребляют чаще и в большем объеме, чем сдобные и другие виды булочных изделий. Структуру ассортимента хлебобулочных изделий по объему продаж представим на рисунке 18.

Проанализируем динамику изменения структуры ассортимента ИП Ерёмина Ляна Николаевна за 2008-2010 годы. Результаты анализа отобразим в таблице 13.

Из данных расчетов таблицы 13 видно, что продажа продукции в 2009 г. составила 2378,2 т., а в 2010 г. - 2328,1 т., и очевидно, что продажа продукции увеличилась на 49,9 т., в процентном соотношении это равно 2,1%. Следовательно, продукция пользуется спросом у населения, т.к. это продукты первой необходимости.

Таблица 13. Структура ассортимента хлебобулочной продукции ИП Ерёмина Ляна Николаевна

Ассортимент

2008

2009г.

2010г.

Изменения 2009 к 2010 г.


Продажа продукции

в % к итогу

Продажа продукции

в % к итогу

Продажа продукции

в % к итогу

по абсол.

в








значен,

%








тонн


хлеб

17 40,90

75,3

17 90,90

75,83

1580,2

73,80

-210,7

13,2

из него подовый

6 06,60

25,4

6 04,60

25,4

593,90

19,28

-10,70

-1,8

формовой круглый

5 92,50

25

5 95,50

25

5 60,80

20,40

-34,70

-5,6

формовой прямоугольный

5 31,90

24,6

5 85,90

24,6

421,3

33,92

-164,6

28,0

хлеб молочно-отрубной

4,50

0,21

4,90

0,21

4,2

0,20

-0,7

-14,2

Булочные изделия в т.ч.:

585,20

24,7

587,20

24,17

520,2

26,2

-67

-11,4

батон в/с

266,20

11,3

269,20

11,3

233,50

11,72

-35,7

-13,2

батон 1с

210,40

8,8

210,40

8,8

207,30

10,86

-3,1

-1,4

Сдобные изделия

106,60

4,51

107,60

4,51

80,5

2,8

-27,1

-25,2

Итого хлеб и хлебобулочные изделия

2328,2

100,0

2378,1

100,0

2100,4

100,0

277,7

-132,2

Продажа рассматриваемой продукции в 2010 году составила 2100,4 тонны, что на 277,7 тон или 13,2% меньше, чем в 2009 г. Продажа хлеба подового в 2009г. - 604,60 т., а в 2010г. - 593,9 т. уменьшилась на 10,7тонн. Это связано с тем, что затраты на его производство более высокие, чем на формовой, а следовательно и цена на него соответствующая. Продажа хлеба "формовой круглый" в 2009 г. - 595,5 т., а в 2010 г. - 560,7 т., уменьшилась на 34,7 тонны.

Продажа хлеба "Молочно-отрубной" в 2009 г. - 4,9 тонн, в 2010 г. 4,2 тонны, уменьшилась на 0,7 тонн.

Сделав анализ ассортимента хлебобулочных изделий, а в частности хлеба, мы видим, что продажа по всему хлебу за 2010 год уменьшилась на 210,7 тонн или на 13,2%.

Теперь посмотрим, как изменяется объем продаж булочной продукции, представленной в ИП Ерёмина Ляна Николаевна. Из таблицы 13 видно, что объем продаж по батону первого сорта в 2009г. в натуральном выражении составил 210,4 т., а в 2010г. - 207,3 т., т.е. он уменьшился на 3,1 т. или на 1,4%. Объем продаж батона высшего сорта в 2009г. составила - 269,2 т., в 2010 г. - 233,5 т., он уменьшился на 12,3 %. Объем продаж сдобных изделий в 2009 г. составил 107,6 тонн, а в 2010г. - 80,5 тонн, он уменьшился на 27,1 тонн или на 25,2%.

Проведя анализ ассортимента булочных изделий, мы также видим, что общая их продажа уменьшилась на 67 тонн или на 11,4%.

По производству в 2010 году наблюдается тенденция снижения объема продаж хлебобулочных изделий. Спад объема продаж исследуемой продукции обусловлен конкуренцией со стороны частных предпринимателей, реализующих в своих магазинах и павильонах продукцию других хлебопекарных предприятий и расширения ассортиментной базы выпуска хлебобулочных изделий ИП Ерёмина Ляна Николаевна.

Экспертиза качества хлеба проводится на основе определения органолептических и физико-химических показателей методами, изложенными в государственных стандартах. Определение органолептических показателей проводится по ГОСТу «Хлеб и хлебобулочные изделия». Правила приемки, методы отбора образцов, методы определения органолептических показателей и массы изделий".

Внешний вид изделий (форму, поверхность, окраску корки) определяют, осматривая их при дневном рассеянном свете или при достаточном искусственном. Результаты осмотра внешнего вида сравнивают с рисунками, образцами или с описанием в стандартах.

Для определения состояния мякиша изделие разрезают по ширине и определяют пропеченность, прикасаясь кончиками пальцев к поверхности мякиша в центре изделия. У пропеченных изделий мякиш сухой, у недостаточно пропеченных - влажный, сырой и может прилипать к пальцам.

Промес и пористость устанавливают, осматривая поверхность мякиша и сравнивая ее с поверхностью установленных образцов, рисунками или с описанием в стандартах.

Эластичность определяют двумя способами: легким надавливанием большим пальцем на поверхность мякиша до его уплотнения на 5-10 мм в разных местах на расстоянии не менее 2-3 см от корки или непродолжительным сдавливанием (2-3 с) разрезанного изделия обеими руками. После прекращения надавливания наблюдают, насколько быстро и полно мякиш приобретает первоначальное состояние. У остывших изделий мякиш с хорошей эластичностью легко вдавливается на 10 мм и более и по окончании надавливания быстро приобретает первоначальное состояние. Мякиш не эластичный заминается и претерпевает существенные изменения.

Запах определяют путем 2-3-разового глубокого вдыхания воздуха через нос как можно с большей поверхности вначале целого, а затем разрезанного изделия сразу же после его разрезания. Запах хлеба сравнивают с описаниями в стандартах. Хлебные изделия должны иметь свойственный им запах, без затхлости, других посторонних запахов.

При определении вкуса от пяти изделий отрезают ломтики толщиной примерно 6-8 мм. Пробу (мякиш и корку), 1-2 г, разжевывают в течение 3-5 с и вкусовые ощущения сравнивают с описанием в стандарте. После каждого определения рот прополаскивают питьевой водой.

Согласно стандарту, вкус хлеба должен быть свойственным виду, без признаков горечи, других посторонних привкусов.

Определение физико-химических показателей проводят: по ГОСТу - содержание массовой доли влаги; по ГОСТу - пористость; по ГОСТу - кислотность хлебных изделий. На предприятии принята декларация соответствия, изделия изготавливаются в соответствии действующими стандартами и утвержденными рецептурами.

Для исследования были отобраны следующие образцы хлебобулочных изделий:

хлеб "Деревенский"

рулетик с изюмом

булочка с маком

Проведем органолептическую оценку качества хлебобулочных изделий в соответствии с ГОСТу - Изделия хлебобулочные сдобные. Общие технические условия, ГОСТа Хлеб из пшеничной муки. Общие технические условия и рецептурами утвержденными на предприятии. Данные приведем в виде таблицы 14.

Образцы № 1. Хлеб Деревенский, №2 рулетик с изюмом, № 3 булочка с маком получил оценку: "отлично". Все органолептические показания соответствуют стандарту.

Образец №4. Батон высшего сорта также имеет достаточно высокие показатели по всем исследуемым параметрам - полученная оценка "очень хорошие". Единственный недостаток - небольшая крошливость.

Таблица 14. Органолептические показатели качества хлебобулочных изделий

форма

цвет

Состояние поверхности изделия

Запах

Состояние мякиша

1

Соответствует наименованию

Светло-коричневый

Слегка шероховатая

Вкус и аромат приятные, свойственные виду и сорту изделия;

хорошо пропеченный, не липкий, не влажный, не сухой, не крошлнвый и не черствый, эластичный, с хорошо развитой равномерной пористостью, без комочков, следов непромеса, пустот и закала

2

Соответствует наименованию

Светло-коричневый

ровная, глянцевая, отделана белковой глазурью.

Вкус и аромат приятные, свойственные виду и сорту изделия;

хорошо пропеченный, не липкий, не влажный, эластичный, с хорошо развитой равномерной пористостью

3

Соответствует наименованию

Светло-желтый

ровная, глянцевая, посыпана маком

Вкус и аромат приятные, свойственные виду и сорту изделия;

хорошо пропеченный, не липкий, не влажный, эластичный, с хорошо развитой равномерной пористостью

4

Соответствует наименованию

Светло-коричневый

ровная, глянцевая, смазанная яйцом равномерно

Вкус и аромат приятные, свойственные виду и сорту изделия;

хорошо пропеченный, не липкий, не влажный, не сухой, слегка крошлнвый, без комочков, следов непромеса, пустот.


Вывод по исследованным образцам. Все исследованные образцы соответствуют стандарту по тем параметрам, по которым проводилось исследование. Некоторые нарекания к качеству образца 4 соответствуют допустимым стандартом отклонениям.

.4 Организация труда и его оплата

В процессе производственно-хозяйственной деятельности предприятия возникают взаимоотношения с членами трудового коллектива и лицами, работающими на основании трудовых договоров, по совместительству, трудовым соглашениям и договорам гражданско-правового характера по оплате труда за выполненную работу и оказанные услуги.

Оплата труда работников - это цена трудовых ресурсов, задействованных в производственном процессе. В значительной степени она определяется количеством и качеством затраченного труда, однако, на нее воздействуют и чисто рыночные факторы: конъюнктура, территориальные аспекты, спрос и предложение труда, законодательные нормы.

С одной стороны, оплата должна компенсировать расход физических и интеллектуальных сил работника, с другой стороны, работник не должен чувствовать себя ущербным, сравнивая оплату своего труда с оплатой аналогичного труда на родственном предприятии.

Учет труда и заработной платы по праву занимает одно из центральных мест во всей системе учета на предприятии.

Основным элементом оплаты труда работников предприятия является заработная плата, представляющая собой денежную форму вознаграждения за труд и его конечные результаты и выплачиваемая работнику за счет доходов предприятия по заранее установленным тарифам и нормативам в соответствии с трудовым договором (контрактом).

Заработная плата в условиях рыночных отношений выражает цену рабочей силы, зависящую от спроса и предложения, и выполняет ряд функций:

воспроизводственная функция означает, что заработная плата возмещает стоимость рабочей силы, благодаря чему обеспечивается ее участие в процессе производства и на рынке труда;

стимулирующая функция означает, что заработная плата является побудительным фактором к повышению затрат труда работника, поскольку оплата труда производится в соответствии с количеством и качеством затраченного труда;

регулирующая функция означает взаимосвязь и взаимовлияние рыночного спроса, уровня заработной платы и цен на предметы потребления и услуги.

Распорядок дня на предприятии следующий: рабочее время управленческого персонала с 8:00 до 17:00, обед с 12:30 до 13:00. Выходные дни - суббота и воскресенье. Для наиболее быстрой окупаемости затрат и получения максимальной прибыли необходимо более интенсивное использование оборудования. Рабочий цех работает круглосуточно и без выходных, рабочие в цехе работают посменно. Рабочие работает в три смены, семь дней в неделю.

Организация заработной платы на предприятии определяется тремя взаимосвязанными и взаимозависимыми элементами, а именно тарифной системой, нормированием труда и формами оплаты труда. То есть, другими словами, на каждом предприятия имеется своя организация труда и свои системы оплаты труда.

Единственным фактором, обеспечивающим создание прибавочного продукта и расширенное воспроизводство, является живой человеческий труд, представляющий собой целесообразную деятельность, направленную на видоизменение и приспособление предметов природы для удовлетворения человеком своих потребностей.

В состав трудовых ресурсов включается рабочая сила - совокупность физических и духовных способностей, которыми обладает человек, и которые могут быть им использованы в производственном процессе. К рабочей силе также относится та часть населения, которая не принимает участия в процессе производства, но при определенных условиях может быть привлечена для участия в производстве.

Возможность повышения экономической эффективности производства продукции в значительной степени зависит от обеспеченности предприятия трудовыми ресурсами, уровня производительности и оплаты труда. Рациональное использование трудовых ресурсов позволяет получить максимум валовой продукции, способствует росту производительности труда и рентабельности производства.

Эффективность использования трудовых ресурсов проявляется в производительности труда: чем больше производится товарной продукции на один человеко-час или одного среднегодового работника, тем выше эффективность производства.

Показатели производительности труда представлены в таблице 15.

Таблица 15. Производительность труда

Показатели

Годы

Отклонение, (+;-)


2008

2009

2010


Произведено валовой продукции на 1 среднегодового работника, тыс. тг.

58,17

70,15

76,89

+ 18,72

Произведено валовой продукции, на 1 чел.-ч., тг.

26,78

31,37

35,73

+ 8,95

Оплата труда с соц. выплатами - всего, тыс.тг:

449,1

638,8

905,4

+ 456,3

на 1 среднегодового работника, тг.

9555

13591

16767

+ 7212


Из таблицы 15 видно, что произошло увеличение всех показателей. Показатели производства валовой продукции, на один человеко-час и на одного среднегодового работника в 2010 году возросли по сравнению с 2008 годом на 8,95 и 18,72 тг. соответственно, что говорит о повышении производительности труда. Оплата труда на одного среднегодового работника за 3 года увеличилась на 7212 тг.

Трудовые отношения регулируются действующим законодательством о труде. Работники принимаются на работу и увольняются с работы директором в соответствии со штатным расписанием.

Работники подлежат социальному и медицинскому обеспечению в порядке и на условиях, установленных действующим законодательством. Предприятие обеспечивает своим работникам безопасные условия труда и несет ответственность за ущерб, причиненный их здоровью и трудоспособности.

Система оплаты труда - это совокупность отдельных элементов оплаты труда, взаимодействующих между собой по установленным правилам с целью отражения в размере оплаты труда особенностей данного предприятия и конкретного трудового коллектива.

Основным элементом оплаты труда работников предприятия является заработная плата, представляющая собой денежную форму вознаграждения за труд и его конечные результаты и выплачиваемая работнику за счет доходов предприятия по заранее установленным тарифам и нормативам в соответствии с трудовым договором (контрактом).

Организация заработной платы имеет важное значение для эффективной деятельности предприятий, она должна обеспечивать:

зависимость оплаты труда от его количества, качества, сложности и важности;

ориентацию на конечные показатели производства, повышение качества продукции, ресурсосбережение;

усиление заинтересованности работников в использовании производственных резервов, внедрении научно-технических достижений, снижении себестоимости продукции, повышении квалификации.

Важнейшим элементом организации труда, в том числе и заработной платы, является нормирование - установление обоснованных затрат и результатов труда отдельных работников или групп работников при изготовлении продукции или выполнении работы в определенных организационно - технических условиях.

Нормы труда необходимы при разработке различных планов и программ, определении потребности в оборудовании и рабочей силе, расчете производственных мощностей, совершенствовании технологических процессов, рационализации организационной структуры предприятия, организации заработной платы.

Сущность технического нормирования состоит в определении предельно допустимой продолжительности всех элементов каждой операции и установлении на основе этих оценок нормы времени.

Объектом нормирования труда является деятельность работника при выполнении производственной операции, являющейся частью производственного процесса. Операция рассматривается как основной элемент разделения труда на производстве, а следовательно, и основной объект нормирования. Анализ производственной операции предполагает расчленение ее на последовательно уменьшающиеся элементы: комплекс приемов, отдельные приемы, трудовые действия и движения.

Основой нормирования труда является изучение и нормирование рабочего времени. Анализ его использования позволяет выявить уровень загрузки работника и резервы рабочего времени.

Под рабочим временем понимается часть суток (месяца, года), когда работник выполняет трудовые функции. Рабочее время выражается в продолжительности рабочего дня или рабочей смены. Продолжительность рабочего дня устанавливается законодательством о труде. Продолжительность и число смен устанавливаются коллективным договором и правилами внутреннего распорядка.

Одним из важнейших условий обеспечивающих высокие темпы развития производства является стимулирование труда. Оплата труда, материальное поощрение и материально-бытовое обслуживание работников предприятия производится за счет средств фонда оплаты труда.

В ИП Еремина Л.Н. применяются две системы оплаты труда: сдельно-премиальная и повременно-премиальная.

Сдельно-премиальная - когда оплата труда включает премирование за перевыполнение норм выработки, достижение определенных качественных показателей: сдачу работ с первого предъявления, отсутствие брака, рекламации, экономию материалов. Как правило, устанавливается не более двух-трёх основных показателей и условий для премирования.

Механизм ее начисления следующий: администрация предприятия разрабатывает расценки за выполнение каждого вида изделий, которые отражаются в нарядах на выполнение сдельных работ. Сумма начисленной заработной платы получается путем умножения сдельной расценки на количество произведенных деталей и прибавления премии. Премия начисляется при условии перевыполнения работником норм или достижения других показателей, дающих право на ее получение (отсутствие брака и т.п.). Размер премии устанавливается администрацией в процентном отношении к заработной плате, начисленной по сдельным расценкам.

При повременно-премиальной оплате труда к сумме заработка по тарифу прибавляется премия, которая устанавливается в процентном отношении к тарифной ставке.

Механизм начисления повременно-премиальной формы оплаты труда следующий: администрация предприятия совместно с профкомом разрабатывает тарифную сетку, которая в связи с инфляцией регулярно корректируется. В этой сетке указывается стоимость одного часа работы для работника каждого конкретного разряда. Чем выше разряд, тем больше ставка. Сумма начисленной заработной платы получается путем умножения часовой тарифной ставки на количество отработанных часов и прибавления премии.

Сущность этой системы заключается в том, что в заработную плату работника сверх тарифа (оклада или ставки) за фактически отработанное время включается премия за конкретные достижения в работе по заранее установленным показателям.

Вопрос о распределении прибыли для поощрения коллектива решается администрацией предприятия.

Оплата труда конкретного работника предприятия состоит из нескольких элементов:

тарифной части, включающей оплату по тарифным ставкам и окладам в соответствии со сложностью, ответственностью и результативностью труда;

компенсаций, учитывающих влияние не зависящих от предприятия факторов;

надбавок, представляющих собой регулярную в течение установленного периода в одинаковом размере оплату за добросовестное отношение к труду, повышение качества продукции и эффективности производства, выполнение ответственных заданий;

премий, представляющих собой нерегулярную (разовую) и переменную плату, учитывающую личные достижения в труде при выполнении конкретных работ или функциональных обязанностей.

Тарифная часть, надбавки и премии отражают профессионально-квалификационные характеристики работника, качество и результаты его труда. Доплаты и компенсации отражают производственные и социально-экономические особенности труда, не зависящие от трудовой деятельности работника.

По повременно-премиальным системам оплачивается труд значительной части рабочих, а также преобладающей части руководящих работников и служащих.

Экономическое обоснование повременно-премиальной системы такое же, как и сдельно-премиальной, и состоит в проведении дополнительных расчетов, устанавливающих тот размер дополнительной оплаты, при котором исключается возможность повышения себестоимости продукции в результате выплаты премий.

Экономическая эффективность систем премирования за экономию материальных ресурсов зависит от соблюдения ряда условий:

Премируются работники, непосредственно связанные с расходованием и экономией материальных ценностей, при этом должны быть выполнены установленные им задания как количественные, так и качественные;

Необходим строгий учет расходования материальных ресурсов, в том числе с использованием измерительной аппаратуры;

Размер премирования должен быть установлен в прямой зависимости от фактически полученной прибыли (до 75% достигнутой экономии).

Эти условия обеспечат возможность снижения себестоимости продукции и заинтересуют рабочих в экономии материальных ценностей.

Экономическое обоснование размера премирования рабочих за выполнение и перевыполнение планового задания сложнее. При любой системе премирования (повременно-премиальной или сдельно-премиальной), при перевыполнении плана расход зарплаты на единицу изделия, продукции возрастает за счет выплаты премий. Однако одновременно происходит и сокращение условно-постоянных расходов на единицу продукции.

Оплата труда руководителей, специалистов и служащих ИП Еремина Л.Н. производится по повременно-премиальной системе на основе должностных окладов. Они устанавливаются директором предприятия в соответствии с должностью и квалификацией работника.

Дополнительная оплата труда на предприятии существует в виде премий. Руководитель предприятия каждый месяц своим приказом устанавливает премии за перевыполнение нормы или сокращение сроков работ с учетом их качества по категориям работников и видам работ. Вид, система оплаты труда, размеры тарифных ставок, окладов, премий и других поощрительных выплат, а также соотношение в их размерах между отдельными категориями персонала определяет администрация предприятия на основе нормативных актов, документов и инструкций и фиксирует их в Положении об оплате труда.

Заработная плата руководителей структурных подразделений предприятия, заведующих складами, и всех остальных работников предприятия, не занятых прямо в процессе производства, но и не относящихся к администрации определяется путем умножения средней заработной платы по предприятию на специальный коэффициент и прибавления к полученной сумме премии при условии ее начисления.

Для правильного начисления оплаты труда рабочим большое значение имеет учет отступлений от нормальных условий работы, которые требуют дополнительных затрат труда. Это:

Оплата часов ночной работы (с 22 до 6 часов). Час ночной работы оплачивается в повышенном размере, предусмотренном коллективным договором организации, но не ниже размеров, установленных законодательством. Продолжительность ночной работы (смены) сокращается на 1 час.

Оплата часов сверхурочной работы. Сверхурочные работы допускаются в исключительных случаях и с решения профкома организации. Работа в сверхурочное время оплачивается за первые 2 часа не менее чем в полуторном размере, а за последующие часы - не менее чем в двойном размере за каждый час сверхурочной работы. Сверхурочные работы не должны превышать для каждого работника 4 часа в течение 2 дней подряд и 120 часов в год. Компенсация сверхурочных часов отгулом не допускается. К сверхурочным работам и работе в ночное время не допускаются беременные женщины и женщины, имеющие детей в возрасте до 3 лет, работники моложе 18 лет, работники других категорий, установленных законодательством.

Оплата работы в выходные и праздничные дни. Работа в выходные и праздничные дни компенсируется работнику предоставлением другого дня отдыха или, по соглашению сторон, в денежной форме. Работа в выходные и праздничные дни оплачивается не менее чем в двойном размере.

Оплата очередных отпусков. Право на отпуск работникам предоставляется по истечению 11 месяцев непрерывной работы на данном предприятии. За работником, находящимся в отпуске, сохраняют его средний заработок.

Оплата за время выполнения государственных и общественных обязанностей. За время выполнения государственных и общественных обязанностей (участие в судебных заседаниях в качестве народных заседателей, общественных обвинителей, экспертов или свидетелей; осуществление избирательного права и так далее) работники получают свой средний заработок по месту работы.

Трудовые доходы каждого работника определяются по личным вкладам, с учетом конечных результатов предприятия, регулируются налогами и максимальными размерами не ограничиваются. Минимальный размер оплаты труда работников предприятий всех организационно - правовых форм устанавливается законодательством.

Учет труда и заработной платы по праву занимает одно из центральных мест во всей систему учета на предприятии.

В новых условиях хозяйствования важнейшими его задачами являются:

в установленные сроки производить расчеты с персоналом по оплате труда (начисление зарплаты и прочих выплат, сумм к удержанию и выдаче на руки),

своевременно и правильно относить в себестоимость продукции (работ, услуг) суммы начисленной заработной платы и отчислений органам социального страхования,

собирать и группировать показатели по труду и заработной плате для целей оперативного руководства и составления необходимой отчетности, а также расчетов с органами социального страхования, Пенсионным фондом и фондом занятости.

Учет труда и заработной платы должен обеспечить оперативный контроль за количеством и качеством труда, за использованием средств, включаемых в фонд заработной платы и выплаты социального характера.

Оплата труда базируется на сложившейся практике и предполагает ежемесячную оплату труда исходя из объемов выполненных работ, количества полученной продукции, затраченного времени, часовых тарифных ставок и расценок, а также должностных окладов, установленных для ИП Ерёмина Ляна Николаевна, специалистов и служащих с использованием применяемой на предприятии системы оплаты труда, с применением системы премирования при условии наличия положительного финансового результата - прибыли и корректировки премиальных выплат с учетом трудового вклада через КТУ.

В ИП Ерёмина Ляна Николаевна устанавливаются надбавки рабочим за высокое профессиональное мастерство:

для 3-го разряда - до 12%;

для 4-го разряда - до 16%;

для 5-го разряда - до 20%;

для 6-го разряда - до 24% к тарифной ставке работника. Показателями оценки уровня профессионального мастерства для установления надбавок являются:

стабильное высокое качество выпускаемой продукции и выполняемых работ;

строгое соблюдение технологической дисциплины, правил охраны труда и техники безопасности;

выполнение производственных заданий (норм выработки, нормированных заданий);

бережное отношение к оборудованию, экономное расходование сырья и материалов;

освоение смежных профессий и совмещение функций;

применение в своей работе и распространение передовых приемов и методов труда.

Для специалистов и служащих устанавливают надбавки за высокие достижения в труде, сложность и напряженность труда, выполнение особо важных работ на срок их проведения. Персональные надбавки устанавливаются работникам за высокие творческие, производственные достижения в работе на основе учета объема и сложности выполненных обязанностей, предусмотренных должностными инструкциями, сроков и качества их выполнения, а также критериев, характеризующих квалификацию работника, его компетентность, ответственность и инициативность в работе.

Руководители и специалисты управления сбыта, маркетинга и фирменной торговли премируются за основные результаты хозяйственной деятельности ежемесячно в размере до 10% должностного оклада с учетом выполнения показателей премирования.

Премия за основные результаты хозяйственной деятельности выплачивается:

За выполнение основных показателей общих для всех служащих управления сбыта, маркетинга и фирменной торговли в размере до 40% от общего процента премии.

За выполнение индивидуальных показателей структурным подразделений управления сбыта, маркетинга и фирменной торговли в размере до 60% от % премии. Оценка выполнения показателей премирования производится за учетный период рабочего месяца.

Определяющим фактором премии за выполнение планов продаж каждому работнику является % перевыполнения индивидуальных месячных планов продаж.

3. Совершенствование организации производства хлебобулочных изделий на ИП Ерёмина Ляна Николаевна

.1 Управление рисками на ИП Ерёмина Ляна Николаевна и пути их снижения

Для любого действующего производства риски означают вероятность наступления неблагоприятного события, которое приводит к потере части ресурсов, недополучению доходов или появлению дополнительных незапланированных расходов. Современная экономическая ситуация в Казахстане плохо предсказуема, поэтому руководству ИП Ерёмина Ляна Николаевна необходимо учитывают возможные изменения на рынке и прогнозировать изменения на перспективу.

При анализе возможных рисков необходимо определить, к какой области относится деятельность фирмы. Деятельность ИП Ерёмина Ляна Николаевна относится к области невысокого риска с небольшой прибылью.

Для профессионального руководства производства хлебобулочных изделий необходим определенный опыт управления риском. Менеджеры пекарни управляют возможными видами риска с помощью ряда приемов: например, хранят на складе запас муки, чтобы обезопасить себя на случай задержек в ее доставке. Они держат наготове запчасти для оборудования или могут стать постоянным клиентом маркетинговых фирм, составляющих прогнозы спроса на их продукцию. Можно также приобрести страховой полис от некоторых видов риска, например на случай производственных травм персонала или кражи оборудования. Есть и другие способы уменьшения некоторых видов риска: заключение непосредственно с потребителями и поставщиками контрактов о фиксированных ценах или заключение на форвардном, фьючерсном и опционном рынках соответствующих контрактов на товары, иностранную валюту и процентные ставки. Умение сбалансировать расходы на эти меры по уменьшению риска и выгоды от них - важнейшая часть управления пекарней.

Размер и организационная структура компании сами по себе тоже могут подвергаться риску. Пекарни бывают самых разных размеров и типов. С одной стороны, это - небольшие пекарни и магазинчики, которыми владеют и управляют отдельные лица или семьи. С другой - огромные корпорации, в которых трудятся тысячи людей, а акционеров еще больше. Одна из целей (и обычно не единственная) масштабных организаций типа крупных корпораций заключается в улучшении управления производственными, потребительскими и ценовыми рисками при ведении бизнеса.

Чтобы оперативно реагировать на любые значимые изменения в условиях функционирования, предприятие должно сформировать систему управления, основанную на предпринимательском стиле поведения. Для этого в общую систему управления предприятием (фирмой) включается система управления рисками (риск-менеджмент).

Управление рисками - это та часть деятельности руководителей фирмы (управленческий или административный процесс), которая направлена на экономически эффективную защиту фирмы от нежелательных сознательных и случайных обстоятельств, в конечном счете наносящих материальный ущерб фирме.

Объектом управления в риск-менеджменте является риск, рисковые вложения капитала и экономические отношения между субъектами предпринимательства в процессе реализации риска. Субъект управления - это группа руководителей и специалистов, которая посредством различных приемов и способов осуществляет целенаправленное воздействие на объект управления.

Риск-менеджмент, рассматриваемый как система управления риском и экономическими отношениями, возникающими в процессе этого управления, включает стратегию и тактику управленческих действий. Под стратегией управления понимаются направления и способы использования средств для достижения поставленной цели. В соответствии со стратегией выбираются варианты управленческих решений и концентрируются усилия на осуществлении этих вариантов. При достижении поставленной цели определенная стратегия утрачивает своё значение. Новые цели требуют разработки новой стратегии. Тактика - это конкретные приемы и методы, которые служат достижению поставленной цели в реальных условиях. Задачей тактики управления является выбор оптимального решения, приемов и методов управления, наиболее соответствующих конкретной хозяйственной ситуации.

В управлении рисками предприятий следует различать два относительно автономных блока действий - организация борьбы непосредственно с опасностями (рисками) и организация борьбы с экономическими последствиями реализации этих опасностей (рисков). Борьба с опасностями с технической точки зрения может носить характер предупреждения (превенции) и пресечения (репрессии). На предупреждение опасностей направлены такие действия, как приобретение (сбор) и анализ необходимой информации о риске, прогнозирование развития внешней среды, активный маркетинг и стратегическое планирование деятельности предприятия, обучение персонала и его инструктирование, увольнение некомпетентных сотрудников, осуществление противоаварийных, противопожарных и других предупредительных мероприятий.

Репрессивная деятельность направлена на сокращение экономических последствий уже реализовавшегося риска. Ее успех на предприятии предопределяется готовностью к принятию экстренных мер, подкрепленной материальными и финансовыми ресурсами. Пресечение уже возникших опасностей реализуется через такие меры, как расторжение договоров с ненадежными партнерами, сокращение численности персонала, ликвидация убыточных филиалов, работа пожарных команд по тушению пожаров, действия по проведению спасательных работ, ремонту поврежденных линий электропередачи, гидротехнических сооружений, путепроводов и т.д. Во многих случаях успешность репрессивных мер зависит от возможности оперативного принятия управленческих решений.

Даже при самой эффективной организации превентивной и репрессивной деятельности полностью избежать ущерба от реализации опасностей (рисков) невозможно.

Поскольку многие методы управления рисками являются не только взаимодополняющими, но и альтернативными, исходя из конкретной ситуации каждое предприятие должно сделать наиболее оправданный с экономической точки зрения выбор между ними.

В казахстанской практике наиболее распространены методы избежание и локализации риска. Этими методами пользуются руководители многих производственных предприятий.

Хозяйствующие субъекты, использующие методы избежания риска, отказываются от инновационных и иных проектов, эффективность которых вызывает хотя бы незначительные сомнения. Сдаче в аренду неиспользуемых площадей и оборудования они предпочитают их консервацию, страхованию - поиск гарантов. Метод «поиска гарантов» широко применяется как мелкими, так и крупными предприятиями. При этом первые используют гарантии различных фондов (поддержки малого предпринимательства, рыночных реформ и т.д.), вторые - органов государственного и местного управления. Выдача подобных гарантий в определенной мере способствует развитию коррупции и не заинтересовывает предприятия в принятии мер по снижению риска.

Методы локализации риска позволяют предприятию выделить наиболее финансово опасный этап или участок деятельности в обособленное структурное подразделение или дочернюю фирму (обычно малое предприятие). Этот метод также допускает реализацию рисковых инвестиционных проектов через механизм договоров о совместной деятельности. Производственные предприятия применяют методы локализации риска через выделение в самостоятельные дочерние предприятия своих торговых отделов (развившихся в силу необходимости реализации товаров, полученных по бартеру), транспортным и ремонтно-строительных подразделений.

Методы диверсификации риска представляют собой более гибкие, но во многих случаях трудноприменимые инструменты управления, находящиеся в определенном противоречии с методами избегания риска. Под диверсификацией понимается инвестирование финансовых средств в более чем один вид активов, т.е. это процесс распределения инвестируемых средств между различными объектами вложения, которые непосредственно не связаны между собой. Фирма в своей хозяйственной деятельности, предвидя падение спроса или заказов на основной вид работ, готовит запасные фронты работ или переориентирует производство на выпуск другой продукции.

Диверсификация предусматривает два основных способа управления рисками - активный и пассивный. Активное управление представляет собой составление прогноза размера возможных доходов по основной хозяйственной деятельности от реализации нескольких инвестиционных проектов. Активная тактика фирмы по продвижению продукции предполагает, с одной стороны, пристальное отслеживание, изучение и реализацию наиболее эффективных инвестиционных проектов, захват значительной доли рынка со специализацией по однородному выпуску продукции, а с другой стороны, - максимально быструю переориентацию одного вида работ на другой, включая возможную передислокацию на другую территорию, рынок.

Пассивное управление предусматривает создание неизменного рынка товаров с определенным уровнем риска и стабильное удерживание своих позиций в отрасли. Пассивное управление характеризуется низким оборотом, минимальным уровнем концентрации объемов работ.

Основными приемами ограничения и снижения экономических последствий риска являются лимитирование, самострахование и страхование.

Лимитирование (установление предельных сумм расходов по одной сделке, норм инвестирования в один объект, пределов компетенции в принятии финансовых решений отдельными работниками и т.п.) должно применяться для снижения возможных экономических последствий реализации риска, особенно при достаточно сложной и разветвленной структуре управления крупными объектами, имеющими филиалы и дочерние структуры.

Самострахование - это страхование, проводимое внутри предприятия. В этом случае на предприятии создаются страховые запасы сырья, материалов и комплектующих, резервные фонды денежных средств, формируются планы их использования в кризисных ситуациях, не задействуются свободные мощности, создается база данных о возможных поставщиках и покупателях, заключивших с предприятием договоры о намерениях к сотрудничеству. Основная задача самострахования заключается в оперативном преодолении временных затруднений финансово-хозяйственной деятельности.

Страхование часто рассматривается в литературе как основной прием риск-менеджмент. Однако, по своей сущности, страхование не может быть альтернативой другим мерам, направленным на снижение риска деятельности предприятия.

Страхование представляет собой отношения по защите имущественных интересов хозяйствующих субъектов и граждан при наступлении определенных событий (страховых случаев) за счет денежных средств, формируемых из уплачиваемых ими страховых взносов (премий). Суть страхования состоит во временной и пространственной раскладке ущерба на всех участников страхования в рамках созданной ими перераспределительной системы.

В процессе страхования участвуют два субъекта: страхователь и страховщик.

Страхователь - это хозяйствующий субъект или гражданин, уплачивающий страховые взносы и вступающий в конкретные страховые отношения со страховщиком. Страхователем признается лицо, заключившее со страховщиком договоры страхования или являющееся страхователем в силу закона.

Страховщиком является юридическое лицо, созданное для осуществления страховой деятельности, проводящее страхование и ведающее созданием и расходованием страхового фонда. Страховщиком признается хозяйствующий субъект любой организационно-правовой формы, созданной для осуществления страховой деятельности, получивший лицензию на осуществление страховой деятельности.

По различиям в объектах законодательством Республики Казахстан определены две отрасли страхования: личное и имущественное страхование. В системе страхования экономических рисков преимущественное распространение получило имущественное страхование.

Имущественное страхование - это отрасль страхования, в которой объектом страховых отношений может выступать имущественный интерес страхователя, связанный с различным видом имущества (строения, оборудование, транспортные средства, сырье, материалы, продукция и т.п.), с обязанностью возместить вред, причиненный имущественным интересам других лиц, с осуществлением предпринимательской деятельности. Чаще всего имущество страхуется на случай его уничтожения или повреждения в результате стихийных бедствий, пожаров, аварий, краж и т.п.

Другие имущественные интересы страхуются на случай недополучения прибыли или доходов (упущенной выгоды), неплатежа по счетам продавца продукции, простоев оборудования, изменения валютных курсов и др., а также на случай причинения вреда имущественным интересам третьих лиц.

При формировании программы страхования, необходимой для конкретного хозяйствующего субъекта, прежде всего, необходимо проанализировать деятельность компании и выделить характерные для нее риски. Они, в свою очередь, подразделяются на риски, которые компания готова принять на себя, и риски, от которых необходимо застраховаться. В большинстве случаев страховая программа включает страхование:

строительно-монтажных, пусконаладочных рисков и гарантийных обязательств;

имущества;

оборудования от поломок;

гражданской ответственности;

жизни и здоровья ведущих сотрудников.

Страховые компании традиционно осуществляют страхование по всем перечисленным видам. Принципиально новыми подходами к страхованию предпринимательского риска для российского рынка стали страхование от рисков неисполнения договорных обязательств и страхование от перерывов в производстве.

Принципиальные особенности этого вида страхования следующие:

страхование перерыва процесса производства и страхование от огня и сопутствующих рисков распространяется на одни и те же объекты имущества, принятого на страхование;

страхование перерыва производства практически никогда не представляется в качестве отдельного страхового продукта, а только как бонус к страхованию имущества;

в страховании имущества возмещаются прямой ущерб и расходы, связанные с гибелью, повреждением, уничтожением объектов, принятых на страхование, т.е. материальный ущерб, а в страховании перерыва процесса производства возмещается финансовый ущерб, возникший как следствие материального ущерба;

материальный ущерб можно оценить сразу после наступления страхового случая, финансовый же ущерб, связанный с потерей ожидаемого дохода и несением расходов по восстановлению производства, устанавливается в неопределенном будущем.

В ответственность страховщика могут быть включены потери, вызванные различными факторами, например, недопоставка электроэнергии, топлива, неподачи воды вследствие аварий, происшедших у страхователя и т.д., а также дополнительные убытки, связанные с увеличением затрат, направленных на сокращение времени остановки производства. Например, увеличение расходов на заработную плату при проведении работ в ночное время или при аккордной, подрядной оплате труда; применение дополнительной техники сторонних организаций. Особенность данного вида страхования - это размер ущерба, который во многом зависит от срока перерыва производства.

В зависимости от этапа решения в предпринимательской деятельности выделяют риск в сфере принятия решений и в сфере их реализации. На этапах разработки и принятия решений в них можно внести необходимые коррективы. В процессе реализации сделать это значительно сложнее. Для смягчения последствий риска на разных периодах деятельности предпринимателя (фирмы) в разное время важно различать риски по природе их возникновения. Поэтому, в частности, различают хозяйственный (производственный) риск; риск, связанный с личностью предпринимателя; риск, обусловленный недостатком информации (о партнерах, заказчиках или поставщиках, их финансовом положении, деловой репутации и пр.).

По масштабам проявления выделяют:

глобальный риск, который является отражением экономической ситуации в мире, стране, отдельных отраслях, регионах;

локальный риск возникает на уровне фирмы.

Оба вида риска тесно связаны между собой и в то же время в известной степени автономны. Так, повышение розничных цен на энергоносители и (например, бензин) неизбежно вызовет повышение цены, например, на хлебобулочные изделия. Поэтому риски классифицируются еще по сферам возникновения. Так, источником возникновения внешних рисков для предпринимателя являются элементы внешней сферы, непосредственно не связанные с предпринимательской деятельностью. Это потери, которые могут возникнуть из-за политических или экономических ситуаций (экономический, финансовый или валютный кризис, высокий уровень инфляции, военный конфликт, национализация, природные и техногенные явления и др.). Естественно, источником внутренних рисков является деятельность самого предпринимателя - его профессиональная подготовка, компетентность, успешный менеджмент, квалифицированная маркетинговая политика.

По продолжительности (времени действия) предпринимательские риски обычно подразделяются на:

кратковременные риски, которые действуют в определенный временной период производственной операции или сделки. Например, риски платежей, возврата кредита, транспортные расходы;

постоянные риски, к которым относят те, что непрерывно угрожают предпринимательской деятельности в определенной сфере экономики, регионе страны. Например, несовершенство нормативно-правовой базы, защищенность предпринимателей, общий риск неплатежей в стране и пр.

Поскольку вероятность потерпеть неудачу у предпринимателя присутствует всегда, то по степени обоснованности выделяют оправданный (правомерный) и неоправданный (неправомерный) риски. При способах минимизации риска всегда важно определить и обозначить степень его допустимости. Для ответа на эти вопросы нужно количественно определить риск, что позволит сравнить величину различных вариантов и остановиться на приемлемом. Это будет соответствовать выбранной предпринимателем стратегии риска. Угроза неполной прибыли связана с допустимым риском. Критический риск характеризуется не только потерей прибыли, но и невозмещением затрат. Катастрофический риск, как правило, приводит к несостоятельности (банкротству) предпринимательской структуры.

Заметим, что существуют еще такие степени измерения риска, как высокий, средний или низкий уровень риска Они различаются по сферам приложения капитала, но всегда рассчитываются относительно полученных результатов предпринимательской деятельности и затрат. Измеряются в относительном исчислении (в процентах, разах) или денежном выражении.

Предпринимательские риски подразделяются на следующие основные виды:

производственный риск связан с производством и реализацией товаров (работ, услуг), т.е. осуществлением любых видов предпринимательской деятельности. На этот вид риска наибольшее влияние оказывают сокращение намеченного объема производства и реализации продукции, превышение плановых материальных и трудовых затрат, брак, дефекты изделий, уплата повышенных отчислений и налогов и другие причины;

коммерческий риск возникает в процессе реализации товаров и услуг, произведенных или запущенных предпринимателем. В коммерческой сделке необходимо учитывать такие факторы, как невыгодное изменение (повышение) цены закупаемых средств производства, снижение цены реализуемой продукции, повышение издержек обращения, потеря товара и др.;

финансовый (кредитный) риск может возникнуть при осуществлении финансового предпринимательства или при совершении финансовых (денежных) сделок. Для этого вида риска наряду с причинами, присущими другим видам рисков, характерны такие, как высокая доля заемных средств и обязательства перед инвестором, неплатежеспособность одной из сторон финансовой сделки;

инвестиционный риск связан со спецификой вложений предпринимателем (фирмой) денежных средств в различные проекты. Одной из главных причин этого вида риска может быть обесценивание инвестиционно-финансового портфеля фирмы, состоящего из собственных и приобретенных ценных бумаг, а также риск нововведений;

валютный риск возникает, как правило, с вероятностью потерь в результате изменения курса валют в период заключения сделки до фактического осуществления расчетов по ней.

Помимо этого в учебной литературе можно встретить и иную классификацию рисков.

чистые риски. Они означают возможность получения убытков или нулевого результата. К ним, как правило, относят производственные и инвестиционные риски;

спекулятивные риски выражаются в получении как положительного, так и отрицательного результата у предпринимателя. К ним обычно относятся финансовые риски;

динамический риск связан с непредусмотренными управленческими решениями или изменениями, происшедшими во внешней среде и не подконтрольными предпринимателю. Такая динамика также может привести как к потерям, так и к дополнительным доходам;

статический риск - это риск потерь за счет нанесения ущерба собственности, а также потерь доходов из-за недееспособности предпринимательской структуры;

абсолютный риск оценивается в денежных единицах, относительный - в процентах или долях.

Предпринимательские риски возникают в результате взаимодействия ряда факторов. Часть из них относится к внешним (объективным) факторам, а другие - к внутренним, или субъективным.

К внешним факторам относятся те элементы воздействия внешней среды, влияние которых предприниматель не в силах изменить, но должен учитывать в своей деятельности. Причем некоторые из этих факторов оказывают прямое действие на уровень рисков, а часть - косвенное (политическая и экономическая ситуация в стране, отрасли, международная обстановка). Таким образом, среди наиболее важных внешних факторов можно назвать следующие:

постоянный и неравномерный рост цен на сырье, комплектующие изделия, энергоносители, материалы, транспортные и иные услуги;

высокие размеры налогов и обязательных платежей;

резкое увеличение аппарата управления на федеральном и местном уровнях;

рост криминализации общества, зависимость предпринимателей от уголовного мира;

нечеткость и изменяемость законодательных и нормативных актов, регулирующих предпринимательскую деятельность;

недобросовестная конкуренция;

изменение банковских процентных ставок, условий кредитования;

необеспеченность и безответственность хозяйственных субъектов;

высокие темпы инфляции и т.д.

Проявление внутренних факторов риска связано с действиями, ошибками руководства предпринимательской организации и ее персонала:

личностные характеристики предпринимателя как собственника фирмы, его профессионализм и компетентность;

состав партнеров, создающих дело;

состав наемных работников, их квалификация и стимулы к работе;

организация управления и производства;

качество производимой продукции (товаров, работ, услуг);

уровень предпринимательской культуры и пр.

При желании можно продолжить перечень причин, влияющих на степени риска в деятельности предпринимателей. И даже установить их приоритетность по уровню значимости, ту потенциальную и реальную опасность, которые они несут для предпринимателя. Оценка предпринимательских рисков и действия по разработке программ их снижения или способом избегания называется управление рисками. Это часть повседневной работы по управлению, одна из функций системы корпоративного менеджмента. Действия предпринимателя по управлению рисками именуется политикой риска. Под этим понимается совокупность мероприятий по снижению опасности принятия ошибочных решений, уменьшения возможных негативных последствий этих нежелательных решений.

Очевидно, что большую часть рисков предприниматель берет на себя. Поэтому важное место в процессе управления рисками, его постоянном мониторинге занимает анализ и прогнозирование потерь, которые могу возникнуть при наступлении разных видов риска. Виды потерь бываю разные. Рассмотрим некоторые из них.

Материальные потери - это дополнительные затраты, не предусмотренные предпринимательским проектом, или прямые потери материальных объектов в виде зданий, сооружений, оборудования, имущества, продукции, материалов, сырья, видов энергии. Эти виды потерь имеют различные единицы измерения: в физических единицах массы, объема, площади, длины или в штуках, в объектах. Чтобы потери свести воедино, их исчисляют в стоимостном выражении. Для этого потери в физическом измерении переводятся в стоимостное измерение путем умножения на цену единицы соответствующего материального ресурса.

Трудовые потери представляют потери рабочего времени, вызванные случайными, непреднамеренными обстоятельствами. Они измеряются в часах, человеко-часах, человеко-днях. В стоимостное выражение переводятся путем умножения человеко-часов на стоимость (цену) одного часа.

Финансовые потери имеют место при наличии денежного ущерба, связанного с перерасходом денежных средств вследствие непредусмотренных платежей, выплатой штрафов, уплатой дополнительных налогов, потерей денег, порче и утере ценных бумаг, невозврата долгов, уменьшения прибыли за счет снижения цен на продукцию. Особые виды потерь возникают в связи с инфляцией, применением валютного курса рубля, дополнительным изъятием средств предпринимателя (фирмы) в государственный и местный бюджеты.

Потери времени возникают в том случае, когда процесс предпринимательской деятельности идет медленнее запланированного, с запаздыванием. Напрямую эти потери измеряются в часах, днях, неделях, месяцах. Для перевода потерь в стоимостное измерение необходимо установить, к каким потерям дохода или прибыли от предпринимательства приведут потери времени.

Специальные виды потерь проявляются в виде нанесения ущерба здоровью и жизни людей, вреда окружающей среде, престижу предпринимателя, а также событий, имеющих неблагоприятные социальные и морально-психологические последствия. Эти виды потерь трудно определить качественно и крайне сложно оценить в стоимостном выражении.

Вероятные потери в зависимости от величины подразделяются на допустимые (соответствуют расчетной прибыли), критические (их величина больше расчетных, теряется прибыль и не возмещаются издержки производства) и катастрофические (потери превышают финансовые и имущественные возможности предпринимателя). Также целесообразно классифицировать потери на определяющие и побочные (второстепенные). Необходимо для оценки риска учитывать и случайные потери, которые не поддаются расчетам и трудно прогнозируются. Такие потери, например, обуславливаются неожиданными политическими событиями или природными стихийными бедствиями. Особое место занимают потери, связанные с недобросовестностью или несостоятельностью партнеров.

Развитие рынка хлеба и хлебобулочных изделий тесно связано с состоянием рынка зерна. В последние годы сократилось количество посевных площадей, что привело к уменьшению общего сбора зерна. Данное обстоятельство отрицательно повлияло на деятельность сельхозпредприятий, а в конечном звене и на деятельность предприятий хлебопечения.

К отраслевым рискам нужно отнести тот факт, что хлеб является социально важным товаром. Поэтому торговые надбавки на него стремится устанавливать государство - торговая надбавка на так называемые «массовые сорта хлеба», изготовленные из дешевой муки, произведенной из зерна из государственного продовольственного резерва и государственного материального резерва), что приводит к снижению прибылей пекарен. Впрочем, пекарни сейчас могут выбирать, работать им на муке из госрезервов. Однако ситуация в сфере регулирования торговых надбавок на хлебобулочные изделия может часто меняться, поэтому долгосрочное планирование в области достаточно сложная.

В практике существует множество видов риска и все предусмотреть невозможно, поэтому в проекте отражены самые важные из них.

По источнику возникновения различают риски собственно-хозяйственные, связанные с человеческим фактором, обусловленные природными явлениями.

По причине возникновения выделяют риски неопределенности будущего, риски непредсказуемости поведения партнеров, риски недостатка информации.

В деятельности ИП Ерёмина Ляна Николаевна из вышеперечисленных существуют следующие:

риск неопределенности будущего,

риск непредсказуемости поведения партнеров,

риск недостатка информации.

Коммерческий риск возникает в процессе реализации товаров и услуг, произведенных или закупленных предпринимателем. Истоки этого риска - снижение объема реализации вследствие негативного изменения конъюнктуры рынка, повышение закупочной цены товаров, рост издержек обращения, потери товара в процессе обращения. В деятельности ИП Ерёмина Ляна Николаевна данный риск может проявляться только как снижение объема реализации вследствие негативного изменения конъюнктуры рынка, а также повышения закупочной цены материалов.

Финансовый риск возникает в области отношений предприятия с банками и другими кредиторами. Финансовый риск деятельности компании определяется отношением заемных средств к собственным. Чем выше это отношение, тем выше финансовый риск, поскольку ограничение, прекращение кредитования или ужесточение условий кредита влечет за собой остановку производства из-за отсутствия сырья, материалов и т.д. Данный риск для ИП Ерёмина Ляна Николаевна отсутствует, т.к. проект, предоставленный в следующем параграфе будет финансироваться полностью за счет собственных средств, но вполне возможно, что в дальнейшей деятельности пекарне придется прибегнуть к кредиту и тогда данный риск будет присутствовать и подлежать количественной оценке.

В деятельности ИП Ерёмина Ляна Николаевна будет присутствовать инфляционный риск - риск обесценивания денег, риск упущенной выгоды.

Производственный риск связан непосредственно с производством продукции. Среди причин возникновения такого риска - снижение размеров производства, рост материальных и других затрат, уплата повышенных процентов, налогов и отчислений.

Для снижения возможных рисков можно использовать различные способы: диверсификация, страхование, лимитирование, резервирование средств на покрытие непредвиденных расходов, получение информации.

Диверсификация - распределение капитала между разными видами деятельности, результаты которых не связаны между собой.

Страхование - передача определенных рисков страховой компании.

Лимитирование - установление лимита или определенных сумм расходов по отделам и подразделениям, продажи товаров в кредит, вложения капитала.

Резервирование средств - предполагает установление соотношения между потенциальными рисками и размерами расходов, необходимыми для преодоления последствий этих рисков. В общем случае резерв используется для финансирования дополнительных работ, компенсации непредвиденных затрат, накладных затрат и иных затрат, возникающих в ходе реализации проекта.

Получение информации - любое управленческое решение принимается в условиях, когда результаты не определены и информация ограничена. Следовательно, чем полнее информация, тем больше шансов сделать лучший прогноз и снизить риск.

Из вышесказанного можно сделать следующие вывод, что основными принципами снижения риска являются следующие:

не рисковать больше чем собственным капиталом,

не забывать о последствиях рисков,

не рисковать всем ради малого.

Однако, даже в условиях кризиса, только 7% жителей Казахстана старались меньше покупать хлеб и хлебобулочные изделия. Хлеб относится к категории товаров, на которых казахстанцы не собираются экономить - 65% потребителей не станут пытаться урезать свои расходы за счет этой важной категории продуктов питания. На втором месте - молочные продукты - 43%.

.2 Пути совершенствования организации производства хлебобулочных изделий ИП Ерёмина Ляна Николаевна

Основным мероприятием по увеличению производства хлебобулочных изделий является более рациональное использование производственной мощности.

Под производственной мощностью предприятия понимается «расчетный максимально возможный в определенных условиях объем выпуска продукции в единицу времени». Производственная мощность рассчитывается как максимально возможный в определенных условиях годовой (суточный, сменный) выпуск продукции в номенклатуре и ассортименте, предусматриваемых планом, при полном использовании производственного оборудования и производственных площадей, с учетом применения передовой технологии и организации труда и в соответствии со сложившейся специализацией, кооперированием производства и режимом работы предприятия.

Производственная мощность предприятия определяется в тех же натуральных единицах измерения, в которых планируется и учитывается производство продукции на данном предприятии: тоннах.

Производственная мощность рассчитывается в соответствии с «Основными положениями по расчету производственных мощностей действующих предприятий, производственных объединений (комбинатов)».

Фонд времени работы оборудования принимается максимально возможным и рассчитывается исходя из:

числа календарных дней в году;

времени выходных и праздничных дней (вычитается);

количества рабочих часов в сутки (24 часа в сутки для предприятий с непрерывным процессом производства);

установленной продолжительности смен в часах;

нерабочего времени в сокращенные смены в предпраздничные и предвыходные дни (вычитается);

нормативного времени, необходимого для проведения плановопредупредительных ремонтов, проверок и осмотров оборудования (вычитается).

Использование производственной мощности на предприятии представлено в таблице 16.

Таблица 16. Использование производственной мощности

Показатели

Годы

План 2011г.

План в % к 2010 г.


2008

2009

2010



Производственная мощность предприятия, т

600

600

600

600

100

Фактический выпуск продукции, т

231,6

281,3

334,8

480

134,2

Использование производственной мощности, %

38,6

46,9

55,8

80

+20,4


Из приведенных данных видно, что производственная мощность используется с каждым годом все лучше и процент использования ее в 2009 году составил 55,8 %.

Для того, чтобы реализовывать дополнительную продукцию, полученную за счет увеличения использования производственной мощности, необходимо искать и дополнительные рынки сбыта.

В настоящее время предприятие реализует продукцию преимущественно через магазины города и через собственную торговую сеть.

Выбор каналов реализации сказывается на расходах и прибылях. Предприятие берущее на себя все функции, должно их и оплачивать, соответственно оно и получает все доходы.

Расчетные данные по каналам реализации представлены в таблице 17.

Таблица 17. Каналы реализации хлебобулочных изделий

Исходные и расчетные данные

Магазины города

Собственная торговая сеть

1. Производственная себестоимость 1 т, тг.

9776

9776

2. Затраты на перевозку 1 т, тг.

98

162

3. Арендная плата 1 т, тг.

64

64

4. Заработная плата продавцам 1 т, тг.

-

500

5. Цена реализации 1 т, тг.

10972

10972

6. Коммерческая себестоимость 1 т, тг.

9938

10502

7. Прибыль 1 т, тг.

+1034

+470

8. Рентабельность 1 т, %

10,4

4,5


Как видно из таблицы 10 наиболее прибыльным и рентабельным вариантом является тот, по которому хлебобулочные изделия реализуются через магазины города.

Канал распределения - это совокупность взаимозависимых организаций, которые делают товар или услугу доступной для использования или потребления.

Роль канала распределения заключается в перемещении товаров от производителей к потребителям. Благодаря каналу устраняются разрывы во времени, месте и праве собственности, отделяющие товары и услуги от тех, кто хотел бы ими воспользоваться.

Участники канала распределения выполняют несколько очень важных функций.

Информационную: сбор и распространение информации, полученной в ходе маркетинговых исследований, об имеющихся и потенциальных покупателях, конкурентах и других субъектах и факторах маркетинговой среды.

Продвижения: разработка и распространение обращений к покупателям.

Ведения переговоров: достижение согласия по ценовым и другим вопросам для обеспечения передачи прав владения и распоряжения товаром.

Заказа: заключение соглашений с другими участниками канала на предмет приобретения товаров у производителя.

Финансирования: изыскание и распределение средств, необходимых для покрытия издержек, возникающих на различных уровнях канала.

Принятия риска: принятие на себя ответственности за функционирование канала.

Владения товаром: последовательное хранение и перемещение продуктов, от склада производителя до конечных потребителей.

Оплаты: перевод денег покупателя по счетам продавца через банки и другие финансовые учреждения.

Производителю, выпускающему всего лишь один продукт, обычно необходимы три канала: торговый, транспортный (канал доставки) и сервисный. Эти функции могут выполняться несколькими компаниями. Каждый из трех каналов улучшается с развитием технологии.

Главный вопрос состоит не в том, должны ли каналы распределения выполнять различные функции (безусловно должны), а в том, кто будет их осуществлять. Всем этим функциям присущи три общих свойства: используемые ресурсы ограничены; эффективность исполнения повышается благодаря специализации; они выполняются различными членами канала.

Если часть функций берет на себя производитель, его издержки увеличиваются, а следовательно, возрастают и цены на товары. При передаче некоторых функций посредникам затраты и цены производителя уменьшаются, даже с учетом того, что посредник взимает за свои услуги определенную плату. Следовательно, если посредники способны действовать более эффективно, чем производитель, конечная цена товара для потребителя снижается.

Так что ответ на вопрос о том, на кого возлагаются функции продвижения по каналам распределения, зависит от того, кто более эффективно и результативно выполняет их.

Увеличение производства продукции приведет и к изменениям в структуре себестоимости хлебобулочных изделий. С увеличением производства доля постоянных расходов на единицу продукции уменьшится, что приведет к снижению себестоимости продукции.

Планируемая структура себестоимости одной тонны хлебобулочных изделий представлена в таблице 18.

Таблица 18. Структура себестоимости 1 т хлебобулочных изделий

Статьи затрат

2010 г.

План 2011 г.

План к 2010 г., %


тг.

%

тг.

%


Сырье и материалы

4194,1

42,9

4194

47,8

100

Затраты на оплату труда с начислениями

1681,5

17,2

1682

19,2

100

Затраты на содержание основных средств

166,3

1,7

124

1,4

74,6

Затраты на организацию производства и управление

3734,5

38,2

2782

31,6

74,5

Итого

9776,4

100

8782

100

89,8


Из таблицы 18 видно, что планируемая себестоимость снизится на 10,2% и составит 8782 тенге за одну тонну хлебобулочных изделий. Снижение произойдет за счет уменьшения расходов на содержание основных средств и затрат на организацию производства и управление.

Определим полную или коммерческую себестоимость одной тонны хлебобулочных изделий на перспективу.

Производственная себестоимость - 8782 тг.

Затраты на реализацию - 3% - 263 тг.

Инфляция 11% - 995 тг.

Итого - 10040 тг.

Экономическая эффективность планируемых мероприятий представлена в таблице 19.

Таблица 19. Экономическая эффективность планируемых мероприятий

Показатели

В среднем за 5 лет

2010г.

План 2011 г.

План к 2010 г., %

Объем производства, т

294,4

357,7

480

134,2

Использование производственной мощности, %

49,1

59,6

80

+20,4

Средняя цена реализации 1 т, тг.

10116

10972

12180

111

Полная себестоимость 1 т, тг.

9553

10089

10040

99,5

Выручка от реализации продукции, тыс. тг.

2978,2

3924,7

5846

149

Полная себестоимость продукции, тыс. тг.

2812,3

3608,9

4819

133,5

Прибыль от реализации продукции, тыс. тг.

+165,9

+315,8

+1027

в 3,3 р.

Уровень рентабельности, %

5,9

8,8

21,3

+12,5


Данные таблицы 19 показывают, что в результате намеченных мероприятий объем производства хлебобулочных изделий возрастет до 480 тонн, на 20,4% увеличится использование производственной мощности. Средняя цена реализации возрастет на 11%. Планируется незначительное снижение себестоимости одной тонны хлебобулочных изделий всего на 0,5%. За счет роста производства и цены реализации выручка от реализации увеличится на 49%. Полная себестоимость возрастет на 33,5%, а прибыль увеличится в 3,3 раза. Уровень рентабельности возрастет на 12,5% и составит 21,3%.

Заключение

В настоящее время Республика Казахстан является одним из крупнейших производителей и экспортером сельскохозяйственных продуктов. Приоритетными направлениями для привлечения инвестиций являются: промышленное, обрабатывающее производство и сельское хозяйство. Одной из приоритетных отраслей обрабатывающей промышленности является пищевая отрасль. Производство хлеба и хлебобулочных изделий - одна из самых динамично развивающихся отраслей в пищевой промышленности. В условиях рыночных преобразований большое внимание оказывается развитию хлебобулочного производства.

Костанайская область характеризуется как одна из динамично развивающихся областей и входит в пятерку лидеров республики по объему промышленного производства. Она занимает выгодное положение для экспорта продукции, но в тоже время эти позиции невыгодны для рынка товаров общественного потребления, так как поступаемый импорт продуктов зачастую более конкурентоспособен.

Повышение цен на хлебопродукты негативно влияют на развитие предприятий хлебобулочного производства. Эффективность производства понижается. В связи с этим необходимо при формировании стратегии развития предприятия учесть различные пути выхода из кризисной ситуации.

Костанайский рынок хлебобулочных изделий является намного более перспективным, чем о нем принято думать. Его перспективность заключается в том, что он является рынком продуктов, но не брендов. Все это дает основание полагать, что основным движущим рычагом в развитии будет являться создание узнаваемых торговых марок хлебобулочных изделий.

Анализ современного состояния производства хлебобулочных изделий показывает: объем производства увеличился в 1,3 раза. Использование производственной мощности в связи с этим возросло на 15,2% и составило в 2010 году 59,6%. На 13% произошел рост производственной себестоимости одной тонны, что связано в основном с удорожанием сырья и материалов.

Выручка от реализации растет более быстрыми темпами, чем полная себестоимость, в связи с этим предприятие от реализации хлебобулочных изделий постоянно получает прибыль, которая за анализируемый период возросла в 6,6 раза и составила в 2010 году 315,8 тыс. тенге против 47,8 тыс. тенге. в 2008 году. На 6,7% увеличился уровень рентабельности с 2,1% в 2008 году до 8,8% в 2010 году.

В результате намеченных мероприятий в дипломной работе планируется на перспективу довести объем производства хлебобулочных изделий до 480 т или увеличить его на 34,2% к уровню 2010 года, за счет увеличения использования производственной мощности на 20,4%.

Реализовывать дополнительно произведенную продукцию предлагается через посредников. За счет роста производства и цены реализации выручка от реализации увеличится на 49%, на 33,5% возрастет себестоимость, в 3,3 раза увеличится прибыль и уровень рентабельности составит 21,3%.

В настоящее время хлебопекарные предприятия сталкиваются с серьезными проблемами, тормозящими их развитие. Это и удорожание сырьевых ресурсов, и невозможность обновления оборудования в связи с их дороговизной, а также рост цен на электроэнергию и воду, высокий уровень налогообложения.

Все эти факторы ведут к увеличению себестоимости выпускаемой продукции и хлебопекарные предприятия вынуждены повышать цены на хлебобулочные изделия. Страдает также и качество продукции, так как многие предприятия для увеличения своей прибыли или используют более дешевое сырье и низкого качества, или нарушают правила технологического процесса производства хлеба - что отрицательно сказывается на качестве готовой продукции.

Правильная организация производства хлебобулочных изделий и экономное расходование ресурсов в хлебопечении являются приоритетными задачами отрасли, от решения которых зависит и качество продукции, и уменьшение ее себестоимости, а следовательно, рост прибыли хлебопекарных предприятий, их конкурентоспособность, возможность внедрения в производство нового прогрессивного оборудования и способность выхода на новые потребительские рынки.

Направления развития ИП Ерёмина Ляна Николаевна заключаются в следующем:

своевременно регулировать структуру ассортимента выпускаемой продукции;

определение оптимальной структуры выпускаемой продукции, мобилизация производственных и инвестиционных ресурсов для развития наиболее перспективных направлений инновационной и производственной деятельности;

производство высококачественных продуктов, поддержание имиджа и собственной товарной марки, способных обеспечить высокое качество выпускаемой продукции;

использование в производственном процессе высокотехнологического инновационного оборудования;

информатизация и применение новых компьютерных программ в расчете эффективности производственных процессов;

организация новых производств профильной фасованной продукции с длительным сроком хранения;

создание стабильного коллектива из наиболее квалифицированных и компетентных специалистов для выполнения задач, стоящих перед предприятием.

Политика предприятия ИП Ерёмина Ляна Николаевна на наш взгляд должна быть направлена на увеличение производства принципиально новых видов продукции и технологий, улучшение качества производимых хлебобулочных, макаронных и кондитерских изделий и расширение рынка сбыта, а это требует отражения в стратегии предприятия.

Предлагаемое своевременное регулирование структуры ассортимента выпускаемой продукции позволит ИП Ерёмина Ляна Николаевна его значительно расширить и выйти в смежные высокорентабельные секторы производства, свободные от жесткой конкуренции.

Стратегия внедрения на рынок новых товаров должна стать одним из подразделов стратегии предприятия ИП Ерёмина Ляна Николаевна. После изучения запросов потенциальных потребителей, конкурентной среды, характеристики товара (потребительская стоимость, удовлетворяющая те или иные потребности покупателя) пришли к выводу о необходимости повышения конкурентоспособности предприятия. Конкурентное преимущество на наш взгляд может быть достигнуто за счет выпуска на рынок уникальной, единственной в своем роде продукции, основанной на собственных конструкторских разработках, так как для уничтожения такого преимущества конкурентам надо либо разработать аналогичную продукцию, либо придумать что-то лучше, либо заполучить секреты производства товара с наименьшими затратами. Все эти пути требуют у конкурентов дополнительных затрат и времени. При этом достигается еще одно очень важное преимущество на рынке - репутация предприятия.

Основной целью развития ИП Ерёмина Ляна Николаевна должен являться выпуск конкурентоспособной продукции. Для увеличения объемов спроса на реализуемую конкурентоспособную продукцию стратегия должна базироваться на четыре составляющие: производство, инвестиции, обновление и модернизация производственных и непроизводственных фондов, развитие и расширение научно-технического потенциала.

Проанализировав деятельность ИП Ерёмина Ляна Николаевна, предлагаем следующие направления по ее совершенствованию:

ориентация на клиента. Предприятие, заключившее договор с ИП Ерёмина Ляна Николаевна должно получить рыночное преимущество по сравнению с магазином, не имеющим такого договора в виде удобства работы, широкого ассортимента, надежной доставки, гибкой, удобной схемы расчетов. Политикой предприятия должно являться налаживание и поддержание тесного контакта с клиентами;

широкий ассортимент недорогих, качественных продуктов с длительным сроком годности. Позволяет повысить привлекательность предприятия как партнера, а также увеличивает прибыль за счет увеличения объемов продаж;

постоянное расширение и обновление ассортимента. Производится за счет освоения выпуска новых видов изделий в современной упаковки и длительным сроком хранения с возможностью их реализации по всей республике и ближнему зарубежью;

жесткий постоянный контроль качества выпускаемой продукции. Сквозной контроль качества, начиная от входного контроля сырья и заканчивая контролем качества готовой продукции;

повышение эффективности производства за счет снижения затрат. Работа по снижению затрат имеет постоянный характер и должна касаться всех подразделений и этапов производства, но при этом экономия не должна становиться тормозом развития производства;

хорошо поставленная работа производственного департамента, включающая в себя маркетинговый отдел. Необходимо произвести изменение структуры производственной службы ИП Ерёмина Ляна Николаевна, включив в нее позицию - инновационный менеджер;

рекламная поддержка. Для осуществления успешных продаж ИП Ерёмина Ляна Николаевна необходима рекламная поддержка, в особенности кондитерских изделий, сухариков, киселей. Целесообразнее рекламировать не каждый вид продукции в отдельности, а раскручивать общую торговую марку ИП Ерёмина Ляна Николаевна;

постоянное реагирование на изменение рыночной ситуации. Вся деятельность производственно - технологической службы должна быть построена на готовности к своевременной нейтрализации негативных факторов и более полном использовании выгодных возможностей;

Вышеуказанные направления совершенствования экономической деятельности ИП Ерёмина Ляна Николаевна являются персональными. Их выполнение позволит повысить не только общую привлекательность предприятия, но и выйти на новый уровень развития. Но данными направлениями развития деятельности могут воспользоваться и другие предприятия хлебобулочного производства с учетом специфика их развития.

Список использованной литературы

1        Крейнина М.Н. Методы оценки платежеспособности предприятия // Экономика и жизнь. 2003. - № 12. - С. 9.

2       Крейнина М.Н. Финансовое состояние предприятий. Методика оценки.1. М.: ИКЦ «ДИС», 1997.

         Ворст И., Ривентлоу П. Экономика фирмы: Пер. с дат. - М.: Прогресс, 1994.-214 с.

         Баканов М.И., Шеремет А.Д. Теория экономического анализа: Учебник. -3-е издание, перераб. - М.: Финансы и статистика, 1999. - 288 с.

         Балабанов И.Т. Основы финансового менеджмента. Как управлять капиталом? М.: Финансы и статистика, 2003. - 384 с.

         Балабанов И.Т. Риск менеджмент.- М.: Финансы и статистика, 2002.-186с.

         Мазур И.И., Шапиро В.Д. Эффективный менеджмент. Учебное пособие для вузов. - М.: Высшая школа, 2003. 228 с.

         Маккарти М.П., Тимоти П.Ф. Риск: Управление риском на уровне топ-менеджеров и советов директоров: Пер. с англ. М.: Альпина, 2002. - 233 с.

         Жабин А.П. Герасимов Б.Н. Функциональный подход в управлении организацией // Известия самарского научного центра российской академии наук. Из-во Самарск.научн.центра РАН, 2003, с.245-255.

         Жданов С.А. Механизмы экономического управления предприятием. - М.: ЮНИТИ, 2002. 190 с.

         Жизнин С.З. Как стать предпринимателем. М.: «Новости», 2000.

         Половинкин П., Зозулюк А. Предпринимательские риски и управление ими // Российский экономический журнал. 2002. - № 9. - С. 70-79.

         Фидельман Г.Н., Адлер Ю.П., Дедиков С.В. Альтернативный менеджмент: путь к глобальной конкурентоспособности. - М.: Альпина Бизнес Букс, 2005.- 186 с.

         Фомичев А.Н. Риск-менеджмент. Учебное пособие для вузов. - М.: Дашков и Ко, 2002. - 310 с.

         Хорин А.Н. Оценка предпринимательского риска /Бухгалтерский учет. - 1994. - №5. - С. 15-21.

         Цай Т.Н., Грабовый П.Г., Марашда Б.С. Конкуренция и управление рисками на предприятиях в условиях рынка. М.: "Алане", 2000. - 288 с.

         Конституция Республики Казахстан. "Казахстанская правда", 8 сентября 1995.

         Гражданский кодекс Республики Казахстан. "Казахстанская правда", 1-9 сентября 1995.

         Указ Президента Республики Казахстан «О приватизации». "Казахстанская правда", 4 января 1996.

         Указ Президента Республики «О мерах по государственной поддержке и активизации малого предпринимательства» от 6 июня 1997.

         Казахстан и его регионы. Ежеквартальный журнал.№3 2010. Алматы.: Нацстатагенство РК.

         Республика Казахстан 2007. Статистический справочник. Алматы. Статкомитет, 2008.-120 с

         Статистическое обозрение Казахстана. Ежеквартальный журнал. №1 2000 г. Алматы.: Нацстатагенство РК.

         Статистические и бухгалтерские документы, отражающие результат деятельности ИП Ерёмина Ляна Николаевна за 2008-2010 гг.

25      Амбрамишвили Г.Г, Война В.А., Трусов Ю.Ф. Операция «Маркетинг», стратегия тактика конкурентной борьбы монополий. - М.: Международные отношения, 1976. -356 с.

26     Аванесов Ю.А. Прогнозирование спроса в розничной торговле. - М.: Экономика, 1975. -103 с.

         Алмазов Б.А. «Хлеб насущный». М.: Экономика, 1991. - 224 с.

         Развитие мукомольной отрасли республики как обеспечение пищевой безопасности страны // Вестник УМБ. - Алматы, 2008. - №3(9). - С. 29-31.

         Экономические аспекты необходимости внедрения обогащения муки // Исследования, результаты. Вестник КазНАУ. - Алматы, 2008. - №1. - С. 306-308.

         Инновационная составляющая производственных мощностей промышленных предприятий республики Казахстан. Материалы международной научно - практической конференции «Проблемы экологии и экологического образования в современных условиях». - Актобе, 2008. - С. 502-504.

31      Академия рынка: маркетинг / Пер. с франц. - М.: Экономика, 1993. -572 с,

32     Гришин А.С., Ильинская Т.Н. Современное хлебопекарное производство. - М.: Пищепроиздат, 1973. -150 с.

         Гутенберг Е. Основы учения об организации производства. Т 2, Сбыт, 17е издание. Бермен, 1984.-513 с.

         Дарбинян М.М. Формирование ассортимента и товарные запасы в торговле. - М.; Экономика, 1974. -268 с.

         Дурович А.П. Маркетинг в предпринимательской деятельности. - Минск: Финансы, учет, аудит, 1997.464 с.

         Завьялов П.С., Демидов В.Е. Формула успеха: Маркетинг (сто вопросов - сто ответов о том, как эффективно действовать на внешнем рынке). 2-е изд., перераб. и доп. - М.: Международные отношения, 1991. - 416 с.

         Зайцева О.П., Смагова Ю.В. Антикризисное управление в потребительской кооперации: Учебное пособие для вузов / Центросоюз РФ. Сиб УПК - Новосибирск, 1999.-93.

         Ильющенко Е.В. Маркетинг на предприятии. Минск: Экоперспектива, 2000. -207 с.

         Ильенкова Н.Д. Спрос: анализ и управления: Учеб. пособие / Под ред. И.К. Беляевского. - М.: Финансы и статистика, 1997. - 160 с.

         Капелюк 3.А. Оплата труда работников торговли: Учебное пособие для вузов / Центросоюз РФ. Новосибирск: СибУПК, 1998 - 78 с.

         Курс предпринимательства / Под ред В.Я. Горфинкеля, В.А. Швандара. -М.: ЮНИТИ, 1997. 346 с.

         Котлер Ф. Основы маркетинга. - М.: Прогресс, 1990. -736 с.

         Костоглодов Д.Д., Саввиди И И. Маркетинг предприятия. М.: «Контур», 1998 - 112 с.

         Костоглодов Д.Д и др. Маркетинг и логистика фирмы. М.: Приор, 2000. -127с.

         Мадзиньский К.П. Маркетинг в планировании производства и сбыта дорожно-строительной техники в ПНР: Дисертация канд. экон. наук. - М., 1989.

         Мамыров Н.К. Менеджмент и рынок: казахстанская модель. - Алматы: "Казак энциклопедиясы", 1998. -432 с.

         Маркова В.Д. Маркетинг услуг. - М.: Финансы и статистика, 1996. -128 с.

         Насковец М. Хлеб и нефть в антикризисном маркетинге. Азия экономика и жизнь. №11 март 1998. с. 14.

         Насырова А. Зерновой экспорт. Когда настанут лучшие времена. Деловая неделя. №25(303) 26 июля 1996. с. 4-5

         Оспанов М.Т., Аутов А.Р., Ертазин X.К. Теория и практика агобизнеса. - Алматы, 1997. - 78 с.

         Проблемы менеджмента в условиях перехода к рынку. Алматы: Гылым, 1995. - 150 с.

         Радаев В.В., Бузгалин А.В. Экономика переходного периода. М.: МГУ, 1995. -210 с.

         Раицкий К.А. Экономика предприятия. - М. 1999. -520 с.

         Хлеб и зерновой бизнес. Прошлое, настоящее, перспективы в Казахстане. Караван. 21 ноября 1997. - с12-13.

         Хершген X., Ханс. Маркетинг: основы профессионального успеха: Учебник для вузов; Пер. с нем. - М.: Инфра -М, 2000. -324 с.

         Хруцкий В. Современный маркетинг: настольная книга по исследованию рынка: Учебное пособие. - М.: Финансы и статистика. 1992. -528с.

         Эванс Дж., Берман Б. Маркетинг. - М.: Экономика, 1993. - 335 с.

         Цацулин А. Н. Цены и ценообразование в системе маркетинга. Учебное пособие.

59      Улучшение использования производственной мощности промышленных предприятий РК в условиях рыночной экономики. Материалы 5-й республиканской научной конференции молодых ученых. - Актобе, 2003. - С. 94-96.

60     Проблемы кредитования агропромышленного комплекса республики Казахстан. Материалы научно-практической конференции «Батыс Қазақстан аймағының экономикасы: өзекті шешу жолдары». - Ақтөбе, Қ.Жұбанов атындағы Ақтөбе мемлекеттік университеті, 2001. - С. 273-276.

Приложение А

Организационная структура ИП Еремина Л.Н.

Должность

Функции

Количество сотрудников

директор

управление организацией и персоналом

1

Коммерческий директор

планирование и контроль производства

1

Бухгалтер

Ведение з/п, подотчетных сумм, касса, банк.

2

Кассир

Расчеты с покупателями и поставщиками

1

Пекари

- выпечка - содержание оборудования

15

Упаковщицы


6

Сотрудник по работе с персоналом

Работа с персоналом

1

Главный технолог

- планирование и контроль производства - управление производственным персоналом

1

Продавцы

Обслуживание покупателей

3

Подсобные рабочие - кладовщик - хозяйственник

- хранение и продажа сырья - содержание и охрана помещений

 3 3

Водители-экспедиторы

Развозят и реализуют продукцию

6

Грузчики

- разгрузка сырья и т.п.

3

Уборщики

Уборка помещений

2

Сторож

охрана помещений

3

Всего


51


Приложение Б

Решение об утверждении итогов государственных закупок способом запроса ценовых предложений №1079962

Хабарландыру / Объявления

№ 1115466

Сатып алу атауы

хлеб 1 сорт

Наименование закупки

хлеб 1 сорт

Басталу мерзімі / Дата начала приема заявок

2010-09-28 10:00:00

Аяқталу мерзімі / Дата окончания приема заявок

2010-10-04 10:00:00

Тапсырыш берушi / Заказчик

Государственное коммунальное казенное предприятие "Ясли-сад № 44 акимата города Костаная отдела образования акимата города Костаная"

Тапсырыш берушi мекен-жайы / Адрес заказчика

КАЗАХСТАН,Костанайская область,г.Костанай,Аль Фараби,90 а

Ұйымдастырушы / Организатор

Государственное коммунальное казенное предприятие "Ясли-сад № 44 акимата города Костаная отдела образования акимата города Костаная"

Ұйымдастырушының мекен-жайы / Адрес организатора

КАЗАХСТАН,Костанайская область,г.Костанай,Аль Фараби,90 а


Жеңімпаздан кейін, баға ұсыныстары ең артық көрінетін жабдықтаушы Поставщик, ценовое предложение, которого является самым предпочтительным, после победителя.

Товарищество с ограниченной ответственностью "Ласточка" СТН/РНН: 391700061021 БСН/БИН: 990540002018 ЖСН/ИИН:  Банктік деректемелер / Банковские реквизиты БИК/БСН: 190201125,  Новый БИК/Жаңа БСН: NBRKKZKX,  ИИК/ЖСК: 010467188,  Новый ИИК/Жаңа ЖСК: 010467188  Банктің аты: "Қазақстан Республикасының Ұлттық Банкі" ММ Алматы қаласы,  ӘАОК: 751410000, Мекен-жайы: Алматы қ., Бостандық ауданы  Название банка: г. Алматы ГУ Национальный Банк РК,  КАТО: 751410000, Адрес: г.Алматы, Бостандыкский район  Контактная информация / Байланыс ақпараты  ФИО/ТАӘ: ВОРОНЦОВ ПАВЕЛ ВЛАДИМИРОВИЧ, Рабочий телефон / Жұмыс телефоны: 87142538587, Мобильный телефон / Ұялы телефон:


Приложение В

Решение об утверждении итогов государственных закупок способом запроса ценовых предложений

№1217224

Хабарландыру / Объявления

№ 1263800 <https://goszakup.gov.kz/app/index.php/ru/publictrade/showbuy/1263800>

Басталу мерзімі / Дата начала приема заявок

2010-11-12 10:00:00

Аяқталу мерзімі / Дата окончания приема заявок

2010-11-18 10:00:00

Тапсырыш берушi / Заказчик

Государственное учреждение "Костанайский областной детский дом" Управления образования акимата Костанайской области

Тапсырыш берушi мекен-жайы / Адрес заказчика

Казахстан, Костанай, Улица КАИРБЕКОВА Г, Дом 397

Ұйымдастырушы / Организатор

Государственное учреждение "Костанайский областной детский дом" Управления образования акимата Костанайской области

Ұйымдастырушының мекен-жайы / Адрес организатора

Казахстан, Костанай, Улица КАИРБЕКОВА Г, Дом 397


Лот № 3950328

Лоттың атауы

Торт және кондитер өнімдері; Тәттілендіретін заттар қосылған өзге де нан-тоқаш өнімдері

Наименование лота

бублик с маком, 100 гр

Бірлік бағасы/Цена за единицу

35

Жоспарланған сома / Запланированная сумма

35000

Өлшем бірлігі

Дана

Единица измерения

Штука

Саны, көлем / Количество

1000


Приложение Г

Решение об утверждении итогов государственных закупок способом запроса ценовых предложений №1365201

Хабарландыру / Объявления

№ 1409173 <https://goszakup.gov.kz/app/index.php/ru/publictrade/showbuy/1409173>

Сатып алу атауы

Нан

Наименование закупки

Хлеб свежий

Басталу мерзімі / Дата начала приема заявок

2011-01-17 01:00:00

Аяқталу мерзімі / Дата окончания приема заявок

2011-01-22 08:00:00

Тапсырыш берушi / Заказчик

Государственное коммунальное казенное предприятие "Ясли сад №6 акимата города Костаная отдела образования акимата города Костаная"

Тапсырыш берушi мекен-жайы / Адрес заказчика

КАЗАХСТАН,Костанайская область,г.Костанай,Текстильщиков,4/2

Ұйымдастырушы / Организатор

Государственное коммунальное казенное предприятие "Ясли сад №6 акимата города Костаная отдела образования акимата города Костаная"

Ұйымдастырушының мекен-жайы / Адрес организатора

КАЗАХСТАН,Костанайская область,г.Костанай,Текстильщиков,4/2


Лот № 4390818

Лоттың атауы

Жаңа піскен нан жоғары сапалы ұннан, салмағы 600 гр.

Наименование лота

Хлеб свежий, белый из муки высшего сорта, вес 1 булки 600 гр.казахстанского производителя

Бірлік бағасы/Цена за единицу

70

Жоспарланған сома / Запланированная сумма

77000

Өлшем бірлігі

Килограмм

Единица измерения

Килограмм

Саны, көлем / Количество

1100


Приложение Д

Ассортимент хлебобулочных изделий, реализуемых ИП Ерёмина Ляна Николаевна и список потребителей

Таблица Д1. Цены на хлебобулочные изделия, выпускаемые ИП Ерёмина Ляна Николаевна

Хлеб Бородинский

53

Хлеб Бородинский

36

Хлеб Раменский

43

Хлеб Столичный

50

Хлеб Дарнийкий

50

Хлеб 1 с

36

хлеб 1 с. садики

35

Хлеб Карельский

38

Хлеб молочно-отрубной

35

 Батон Чесночный

35

Хлеб Бородинский

49

Батон Особый в/с

43

Ромашка в/с

43

Плетенка с маком в/с

43

Калач в/с

43

Плюшка Ново -Московская

28

Витушка Столичная в/с

29

Рожки Алтайские в/с

28

Хлеб Гречишный

38

Булочка Крабик

25

Гребешок

22

Кекс

31

Булочка с кокосом в/с

26

Булочка сдобная в/с

26

Батон с изюмом в/с

43

Хлеб Баварский

50

Хлеб с кунжутом

40

Ассорти

50

Хлеб Московский

56

Малютка

18

Коржик в/с

26

Сочни

33

Хлеб Орловский

56

Хлеб Полезный

45

Хлеб Луковый

38

Ватрушка

22

Лепешка кукурузная

40

Фитненский

85

Хлеб марьинский

50

Поминальная

20

Булочка ореховая 0,1

25


Таблица Д2. Список потребителей продукции, выпускаемой ИП Ерёминой Ляны Николаевны

Юдина А.Н. (складская)

Оптово-розничный ценрт Костанай

Магазин Дастархан

Бородинский магазин

Астыкжан

СМ Маркет

Казахско турейкий лицей

Д / САД №40

Д / САД №14

Ясли Сад № 4

Д / САД №54

Ясли Сад № 27

Ясли Сад № 5

Гор Больница №2

Тазалык

ГУ "Кост обл. псих. больница"

Ясли сад №61

Ясли сад № 16

Ясли сад № 8

Ясли сад № 69

Школа интернат ОЗАТ

Я/с №44

Дет.Дом Каирбекова

Розница

Приложение Е

Ассортимент хлеба из ржаной обойной, обдирной, сеяной муки или смеси различных сортов, выпускаемого хлебозаводом ИП Ерёмина Ляна Николаевна

Наименование продукции

Масса

хлеб ржаной простой подовый и формовой весовой

1,0

хлеб ржаной простой подовый

1,0

хлеб ржаной простой формовой

1,0

хлеб ржаной заварной формовой

0,9

хлеб бородинский подовый штучный

хлеб бородинский формовой

0,4

хлеб ржаной московский формовой

0,8

хлеб ржано-пшеничный простой

0,8

хлеб ржано-пшеничный простой подовый

- 0,75-1,00;

хлеб ржано-пшеничный простой формовой

- 0,75-1,45;

хлеб ржано-пшеничный заварной формовой

-0,70-1,00;

хлеб пшенично-ржаной простой подовый

- не более 2,00

хлеб пшенично-ржаной простой подовый

- 0,75-1,00;

хлеб пшенично-ржаной простой формовой

-0,75-1,45;

хлеб пшенично-ржаной заварной формовой

- 0,70-1,00;

хлеб ржаной из обдирной муки подовый

- не более 2,00;

хлеб ржаной из обдирной муки подовый

- 0,75-1,45;

хлеб ржаной из обдирной муки формовой

- 0,75-1,00;

хлеб житный подовый и формовой штучный

- не более 2,00;

хлеб украинский подовый весовой

- 0,75-,00;

хлеб украинский подовый и формовой

-0,75-,25;

хлеб украинский новый подовый штучный

-0,70-, 10;

хлеб украинский новый формовой штучный

-0,70-,00;

хлеб орловский подовый штучный

-0,75-,00;

хлеб орловский формовой штучный

- 0,75-,00;

хлеб подмосковный формовой штучный

- 0,70-,00;

хлеб столовый подовый штучный

- 0,75-1,00;

хлеб столовый формовой штучный

- 0,70-1,00;

хлеб славянский подовый штучный

- 0,80-0,90;

хлеб славянский формовой штучный

- 0,65-0,85;

хлеб пеклеванный "Виру" подовый штучный

- не более 2,00;

хлеб ржаной из сеяной муки подовый

- 0,75-1,00;

хлеб ржаной из сеяной муки подовый штучный

- 0,70-1,00;

хлеб ржаной из сеяной муки формовой

- 0,40-0,80;

хлеб минский подовый штучный

- 0,50-0,80.


Похожие работы на - Предпринимательская деятельность в Республике Казахстан и ее совершенствование

 

Не нашли материал для своей работы?
Поможем написать уникальную работу
Без плагиата!
Без нейросетей!