Разработка коалесцентно-мембранного метода разделения водо-масляных эмульсий

  • Вид работы:
    Дипломная (ВКР)
  • Предмет:
    Химия
  • Язык:
    Русский
    ,
    Формат файла:
    MS Word
    3,04 Мб
  • Опубликовано:
    2015-03-22
Вы можете узнать стоимость помощи в написании студенческой работы.
Помощь в написании работы, которую точно примут!

Разработка коалесцентно-мембранного метода разделения водо-масляных эмульсий

Оглавление

1.       Введение

.         Литературный обзор

.1       Загрязнение вод нефтепродуктами

.2       Общие сведения о эмульсиях

.2.1 Виды и классификация эмульсий

.2.2 Устойчивость эмульсий

.2.3 Деэмульгирование

.3       Коалесцентный метод

.3.1 Механизм протекания коалесценции

.3.2 Математическая модель коалесценции

.3.3 Сорбционно-коалисцирующий материал

.2.4 Мембранный метод

2.4.1 Мембранные методы: достоинства и недостатки

2.4.2 Ультрафильтрация для удаления нефтепродуктов

2.4.3 Природа мембраны и среды для ультрафильтрации

.4.4 Коалесценция на мембране

2.5    Вывод

3. Методическая часть

.1 Описание экспериментальной установки

.1.1 Общая схема установки

.1.2 Мембранно-коалесцентный установка

.2 Используемые материалы и рективы

.2.2 Моторное масло

.2.3 Мембраны

.2.4 Сорбционно - коалесцирующий материал

.3 Методика экспериментальной работы

.3.1 Методика приготовления стабильной эмульсии

.3.2 Методика определения концентрации нефтепродуктов в воде

.4 Методика расчетов

. Экспериментальная часть

.1 Основные параметры процесса

.2 Устойчивость эмульсии

.3 Разделение эмульсии при комбинации "Мегасорба" и мембран в "Мегасорбе"

.4 Разделение эмульсии на мембранах

.5 Сравнение производительности установок

. Выводы

. Список используемой литературы

1.     
Введение

С каждым годом потребность в водных ресурсах увеличивается, что приводит к значительной роли очистки вод от загрязнений. Основными источниками загрязнения и засорения водоемов являются недостаточно очищенные сточные воды промышленных нефтеперерабатывающих, нефтехимических, металлургических, машиностроительных и многих других предприятий. По данным ЮНЕСКО нефть входит в десятку наиболее опасных для окружающей среды веществ.

Для решения проблемы очистки вод от нефтепродуктов в настоящее время принимают массу традиционных методов (отстаивание, механическая чистка и т.д.), но они, ориентируясь на более грубоэмульгированные нефтепродукты, оставляют после себя малоконцентрированные стабилизированные эмульсии. По нормативам предельно допустимая концентрация (ПДК) нефти и нефтепродуктов в воде должна составлять от 0,05 мг/дм3, поэтому для более глубокой очистки от нефтепродуктов необходимо проводить процесс в две стадии, тем самым совмещая в себе грубодисперсную и тонкодисперсную степень очистки. Первая стадия механический метод разеления и вторая стадия коалесценсный или мембранный метод разделения.

Данная дипломная работа посвящена разделению водомасляных эмульсий коалесценстно-мембранным методом, с учетом погружения мембран в коалисцирующий материал с целью меньшего замасливания мембран. Предполагается степень очистки соответствующая нормам ПДК и наиболее высокая производительность.

2. Литературный обзор

.1 Загрязнение вод нефтепродуктами

На сегодняшний день загрязнения вод нефтью и нефтепродуктами достигло колоссальных размеров и требует должного внимания, поскольку является продуктом техногенного происхождения. Другими словами нефть и нефтепродукты-это своего рода яд, участвующий в окислительных процессах, вследствие которых уменьшается содержание в воде кислорода, тем самом ухудшая органолептические показатели воды.

К нефтепродуктам обычно относят различные углеводородные фракции, получаемые из нефтей. Но в более широком смысле понятие "нефтепродукты" принято трактовать в двух значениях - техническом (бензины, керосины, дизельные топлива, котельные топлива, масла разнообразного назначения, мазуты). и аналитическом. (топлива, растворители и смазочные масла, кроме тяжелых смол и асфальтенов нефтей и битумов). Технические нефтепродукты - это товарные сырые нефти, прошедшие первичную подготовку на промысле, и продукты переработки нефти, используемые в различных видах хозяйственной деятельности: Основные компоненты этих нефтепродуктов - углеводороды и содержатся соединения с атомами S, N и О. К аналитические нефтепродуктам относят неполярные и малополярные соединения, растворимые в гексане. [1]

Нефтепродукты в сточных водах чаще всего находятся в трех основных состояниях: в молекулярно-растворенном, с крупностью частиц 105>d>107м; эмульгированном, с крупностью частиц 103>d>105 м; дисперсном, с крупностью частиц d>103 м [2]. И растворимость нефтяных загрязнений в воде увеличивается следующим образом: алканы < циклоалканы < ароматические углеводороды, то есть с увеличением атома углерода.в молекуле. Поэтому при выборе метода извлечения нефтепродуктов необходимо учитывать их многокомпонентность и агрегативную устойчивость.[2]

Давно известно, что всего лишь 12 г нефти делают непригодной для употребления тонну воды, а со сточными водами в окружающую среду попадает около 2500 т нефтепродуктов и объемы стоков увеличиваются, что происходит в результате сброса неочищенных нефтесодержащих сточных вод, неорганизованного отвода ливневых и талых вод с территории, содержащей различные масла и нефтепродукты. [3]

В крупных городах загрязнению способствует производственные стоки предприятий нефтеперерабатывающей и нефтехимической промышленности, металлургии, машиностроения, ливневые стоки, автомойки, автозаправочные станции, а так же свыше 75% нефтяных загрязнений попадают в гидросферу в следствии технологического несовершенства используемых технологий при нормальной работе и это лишь часть причин загрязнения.

2.2 Общие сведения о эмульсиях и их устойчивость

.2.1 Типы и классификация эмульсии

Как известно, эмульсия - это дисперсная система, состоящая из микроскопических капель жидкости диаметром 0,1 - 100 мкм (дисперсной фазы), распределенных в другой жидкости (дисперсионной среде). Так же эмульсии образованы двумя любыми несмешивающимися жидкостями; в большинстве случаев одной из фаз эмульсий является вода, а другой - вещество, состоящее из слабополярных молекул.

Выделяют несколько классификаций эмульсий:

по агрегативной устойчивости ( микроэмульсии и макроэмульсии)

по типу (прямые, обратные, бинепрерывные и множественные)

по концентрации (разбавленные, концентрированные и высококонцентрированные).

Микроэмульсии являются лиофильными дисперсными системами, термодинамические устойчивы и образуются самопроизвольно путем диспергирования массы жидкости до капель размером 10 - 50 нм, что обеспечивает большую кривизну на межфазной границце. В лиофильных коллоидах частицы дисперсной фазы интенсивно взаимодействуют с молекулами окружающей их жидкости, поскольку поверхность частиц сильно сольватирована и удельная свободная поверхностная энергия (поверхностное натяжение) на границе раздела фаз чрезвычайно мала, составляет менее 1 мДж/м2. Кроме того лиофильные коллоиды не разрушаются во времени при сохранении условий их возникновения. [4]

Большенство эмульсий имеют обсалютно противоположные характеристики и их относят к лиофобным системам (макроэмульсии). Макроэмульсии, в отличии от микроэмульсии, термодинамически неустойчивы, не могут образовываться самопроизвольно, существовать длительное время и нуждаются в стабилизации. Размер частиц в макроэмульсии на порядок выше и лежит в интервале 1-100 мкм. Величина межфазного натяжения на границе жидкость - жидкость составляет 10-20 мДж/м2

На рисунке 2.2.1. изображена эмульсии по типу образования:

прямые эмульсии - дисперсионная среда более полярна, чем дисперсная фаза;

обратные эмульсии - менее полярна дисперсионная среда;

множественные - капли дисперсной среды содержат в своем объеме более мелкие капли дисперсионной среды;

бинепрерывные эмульсии.

 

 

Рис. 2.2.1. Типы эмульсии

Когда происходит диспергирование двух несмешивающихся жидкостей. образуется эмульсия прямого или обратного типа. Для определения эмульсии было предложено[5] отношение меры способности системы к обращению фаз:

, (1)

где - время "жизни" капель масла в воде и - время "жизни" капель воды в масле.

При β>1 образуются эмульсии прямого типа (М/В), а при β<1, эмульсии типа В/М (β=0 на практике встречаются крайне редко).

Так же изменение соотношения объёмов фаз вызывает изменение концентрации эмульсии, то есть способность системы к образованию эмульсии типа М/В возрастает с повышением величины γ:

 , (2)

где  и  - соответственно объёмы водной и масляной фаз.

И последняя классификация эмульсии по разбавленности делится на два типа: концентрированная (единицы и десятки) и высококонцентрированные ( объемная доля дисперсной фазы может достигать 99% и более).

.2.2 Устойчивость эмульсии

Устойчивость эмульсий - это способность их не разрушаться и не разделяться на дисперсную фазу и дисперсионную среду в течение определенного промежутка времени. [5,6]

Устойчивость эмульсии зависит от многих факторов, например, поверхностного натяжения, вязкости дисперсионной среды, температуры, дисперсности частиц и т.д. Но из всего перечисленного главный фактор устойчивости эмульсии это крупность эмульгированных частиц, то есть ее дисперснность. При уменьшении размеров капелек действие гравитационных сил убывает и начинают превалировать силы, удерживающие их в стабильно взвешенном состоянии. [7]

Для оценки стойкости эмульсий следует различать три понятия:

Кинетическая (седиментационная) устойчивость определяет устойчивость дисперсной системы против осаждения. Она характерна для тонкодисперсных систем и обусловленная тепловым (броуновским) движением частиц. Поэтому при малом содержании в эмульсии эмульгированной фазы для получения устойчивых разбавленных эмульсий достаточно просто интенсивного перемешивания [7] Кинетическая устойчивость определяется в основном массой капелек дисперсной фазы и определяется скоростью седиментации в гравитационном поле, которая выражается из Архимедовой силы и уравнения Стокса[8]:

, (3)

где g -ускорение свободного падения, м/сек2, r - радиус частиц, м,

ρ1-плотность дисперсной фазы, кг/м3, р0 - плотность дисперсионной среды, кг/м3, η-вязкость дисперсионной среды, Па×с.

Таким образом скорость седиментации тем больше, чем больше размер (радиус) капелек, разность плотностей дисперсной фазы и дисперсионной среды и меньше вязкость дисперсионной среды. Согласно уравнению (3), если ρ10 происходит оседание частиц, ρ10- всплывание частиц и если ρ10- система устойчива.

Агрегативная устойчивость характеризует способность системы сохранять свою степень дисперсности. Нарушение агрегативной устойчивости ведет к нарушению седиментационнной устойчивости, что определяется формулой:[9]

, (4)

где  содержание дисперсной фазы в анализируемой эмульсии;  количество дисперсной фазы, расслоившейся в процессе центрифугирования.

К причинам, обуславливающим агрегативную устойчивость эмульсий, относят:

•        образование структурно-механического слоя эмульгаторов на межфазной границе глобул. Таковые являются коллоидные адсорбционные слои, которые образуют белки, щелочные мыла, крахмал для прямых эмульсий.Одни и те же твердые частицы могут стабилизировать эмульсию разного типа в зависимости от того, в какой среде они первоначально присутствовали, в итоге одна из эмульсий получается устойчивей другой. Данное свойство твердых стабилизаторов лежит в основе технологии разрушения "ловушечных" эмульсий.

• образование двойного электрического слоя (ДЭС) на поверхности, обуславливающего возникновение энергетического барьера, который препятствует сближению глобул на расстоянии, где действуют интенсивные молекулярные силы притяжения.

ДЭС основывается на уравнении энергии отталкивания двух капель масла[9]:

, (5)

где  и  - концентрации одновалентных электролитов в масле и воде,  и - диэлектрическая постоянная масла и воды,  и - падение потенциала в масляной фазе и водной фазе, r- радиус.

Из уравнения (5) следует, что энергия отталкивания двух капель воды в масле намного меньше, чем энергия отталкивания двух капель масла в воде, так как обычно намного меньше.

• термодинамические процессы, протекающие на поверхности глобул дисперсной фазы, которые исключают слипание частиц при соударении, как в результате своих упругих свойств, так и вследствие того, что на границе глобул и свободной среды отсутствует поверхностное напряжение.

•        расклинивающее давление, препятствующего утоньшению пленок жидкости. Б.В.Дерягиным разработана теория "расклинивающего давления" - энергетического барьера [10]:

Джиллеспи и Райдил установили, что из двух несмешивающихся жидкостей с обычными физическими свойствами, вероятность разрыва пленки дисперсионной среды при сближении капель дисперсной фазы обратно пропорциональна ее толщине и, наступает при утоньшении пленки до 10-5 мкм. Для выражения скорости коалесценции капель было предложено уравнение

 (6)

где - общее число капель, взятых для изучения; N - число капель, не успевших коалесцировать за время τ. - время коалесценции; k - константа, связанная с физическими свойствами системы зависимостью:

 (7)

где - коэффициент, характеризующий флуктуации в системе; σ - межфазное натяжение; η - вязкость дисперсионной среды; r - радиус капли.

А.А.Петров и С.А.Блатова установили, что сопротивление выдавливанию с уменьшением толщины прослойки (h) сначала имеет почти постоянное значение 0 - 0,05 H/м2, а начиная с толщины около 200 - 250 мкм, резко возрастает, достигая максимального значения 0,2 H/м2 при толщине около 100 мкм. При дальнейшем утоньшении пленок сопротивление выдавливанию резко падает (иногда переходит даже в область отрицательных значений), что соответствует процессу разрыва пленки. [10]

Обращение фаз (инверсия) - изменение типа эмульсии от в/м к м/в и наоборот. На инверсию влияют соотношение фаз, природа, концентрация и гидрофильно - липофильный баланс эмульгаторов, способ приготавления эмульсии.

.2.3 Деэмульгирование

Для очистки сточных вод от нефтепродуктов проводят процессы деэмульгирования. Деэмульгирование - это процесс, обратный эмульгированию, который приводит к полному или частичному расслоению образующих эмульсию жидкостей. Как правило деэмульгирование происходит, когда действие стабилизаторов эмульсий перестаёт быть эффективным, то есть образуемые ими на поверхности капель защитные оболочки разрушаются, в результате капли эмульсии укрупняются вследствие коалесценции (слияния) в процессе броуновского движения, седиментации (оседания) или перемешивания. Степень очистки сточных вод от нефтепродуктов, достигаемая на различных сооружениях приведена в таблице 2.2.3.1.[11]

Таблица 2.2.3.1.

Степень очистки сточных вод от нефтепродуктов на различных сооружениях

Сооружение

Содержание нефтепродуктов в воде, мг/л


поступающей в сооружения

очищенной

Нефтеловушка

400-15000

50-100

Флотационная установка (с коагуляцией)

50-100

15-20

Пруд-отстойник

50-100

15-30

Станция биологической очистки

20-50

5-10

Установка озонирования (две ступени)

10-15

1-3


Существует несколько методов деэмульгирования. [12]

Наиболее экономичен и высоковостребован механический метод.очистки. Для производственных сточных вод механическая очистка обеспечивает удаление взвешенных веществ до 90-95%, причем механическая очистка служит первой ступенью очистки сточных вод. Такие процессы как отстаивание, центрифугирование и фильтрование достаточно развиты и широко применяются в очистки сточных вод. [13,14]

Для выделения из сточной воды взвешенных веществ используют отстаивание, основываясь на разности плотностей, при этом тяжелые частицы оседают, а легкие всплывают, что помогает достаточно осветлить воду. Отстаивание сточных вод происходит в резервуарах (отстойниках), где под действием гравитационной силы примеси всплывают на его поверхности. Отстойники могут работать в динамическом (наполнение и опорожнение резервуара происходят одновременно) и статитеском (по трем циклам: наполнение, отстаивание, опорожнени) режимах. [15]

Разрушают эмульсию под действием центробежного поля такие аппараты как, центрифуги, где вращение жидкости передается от вращающихся элементов, но они получили весьма ограниченное применение ввиду большой стоимости и требования высококвалифицированного обслуживания. Поэтому более экономичным вариантом является использование циклонов и гидроциклонов, где вращение жидкости возникает при тангенциальном вводе потока в аппарат. [14]

Фильтрование применяют для задержания более мелких частиц уже осветленной воды после отстойника. Основные характеристики фильтра скорость фильтрации и качество очистки зависят от характера загрузки и фильтрующего материала (крупность, форма, порозность, высота).[16]

Для улавливания нефтепродуктов в основном используют каркасные фильтры с материальными загрузками такими как пористые зернистые материалы, обладающие адгезионными свойствами (кварцевый песок, керамзит, антрацит, пенополистирол, котельные и металлургические шлаки и др.), волокнистые и эластичные материалы, обладающие сорбционными свойствами и высокой нефтеемкостью (нетканые синтетические материалы, пенополиуретан и др.); и волокнистые материалы для укрупнения эмульгированных частиц нефтепродуктов (коалесцирующие фильтры).с зернистым слоем.

Первые два метода объединяет период фильтроцикла,а для коалесцирующего фильтра характерен отрыв пленки нефтепродуктов от поверхности фильтрующего слоя в виде капель с диаметром несколько миллиметров и их всплывание. Коалесцирующие фильтры имеют весьма существенные достоинства: высокие эффективность разделения эмульсий, удельная производительность, простота изготовления, эксплуатации и автоматизации и длительный межрегенерационный период. Именно поэтому конструктивно коалесцирующие фильтры практически всегда объединяются с отстойниками, где нашли применение в нефтяной промышленности и на судах морского флота для очистки нефтесодержащих сточных вод. [13-16]

Физико-химическая очистка характеризуются такими методами как коагуляция, флокуляция, флотация и сорбция. Обычно данный метод используют для более глубокой очистки после механической. [13]

В качестве коагулянтов при коагуляционном методе используют соли железа и аллюминия, в воде они образуют хлопья гидроксидов металлов, которые быстро оседают под действием силы тяжести. Хлопья обладают способностью улавливать коллоидные и взвешенные частицы и агрегировать их. В отличие от коагуляции при флокуляции агрегация происходит не только при непосредственном контакте частиц, но и в результате взаимодействия молекул адсорбированного на частицах флокулянта Флокуляцию проводят для интенсификации процесса образования хлопьев с целью повышения скорости их осаждения. Использование флокулянтов позволяет снизить дозы коагулянтов, уменьшить продолжительность процесса коагуляций и повысить скорость осаждения образующихся хлопьев. Для очистки сточных вод используют природные(крахмал, декстрин, эфиры, целлюлозы) и синтетические флокулянты. [13,14] Затем хлопья выделяются в процессе отстаивания, фильтрования или флотации. Флотацию в основном применяют для нерастворимых диспергированных примесей, которые самопроизвольно плохо отстаиваются. Процесс заключается в создании комплекса частица-пузырек воздуха, всплывании этого комплекса и удалении образовавшегося пенного слоя. Эффект взаимодействия пузырьков газа с дисперсной фазой определяется их адгезионно-поверхностными свойствами, что даёт возможность удалять из воды как твёрдую, так и жидкую тонкодисперсную взвесь. Эффективность очистки методом флотации достигает 90%, а при использовании коагулянтов и флокулянтов флотация обеспечивает высокоэффективную очистку сточных вод − до 95-98%.[17] В зависимости от способа получения пузырьков в воде существуют следующие способы флотационной очистки:флотация пузырьками, образующимися путем механического дробления воздуха (механическими турбинами-импеллерами, форсунками, с помощью пористых пластин и каскад-ными методами);флотация пузырьками, образующимися из пересыщенных растворов воздуха в воде(вакуумная,напорная); электрофлотация. Достоинствами флотации, по сравнению с отстаиванием, является большая скорость процесса, высокая степень очистки,'остаточная концентрация нефтепродуктов составляет 5-7 мг/дм3.[18]

Для более глубокой чистки от тонкоэмульгированных и растворенных нефтепродуктов применяют сорбцию. Процесс поглощения происходит всей структурой, поэтому качество сорбента определяют по степени гидрофобности к звгрязняющему веществу.[19]Данный метод позволяет достичь очистки до 0,05 мг/дм3 содержания нефти. [18]

Сорбенты подразделяются на неорганические(песок, цеолиты, туфы), органические (активированные угли) и синтетические(полипропиленовые волокна, полиуретан)[20] В работах [21,22] показана возможность применения отходов полимерных материалов и поливинилхлорида для очистки сточных вод от нефтяных загрязнений, приведены результаты и исследований. Процесс сорбции может осуществляться как в статических условиях, где частица жидкости не перемещается относительно частицы сорбента ( аппараты с преремешивающими устройствами), так и в динамических условиях, где частица жидкости перемещается относительно сорбента (фильтры, аппараты с псевдоподвижным слоем).

Все химические методы очистки базируются на процессах химического окисления с применением озона и хлора. Наиболее широкое применение озонный метод, поскольку озон обладает высокой окислительной способностью и при нормальной температуре разрушает вещества. С помощью озонирования можно достичь до 0,05 мг/дм3 концентрации нефтепродуктов и даже ниже[18,23] В процессе исследований установлено, что предварительное озонирование позволяет существенно уменьшить дозу коагулянта. В качестве примера в таблице 2.2.3.2 представлены данные качества неозонированной и озонированной (Доз = 1,5 мг/л) воды, очищенной при различных дозах коагулянта. При сравнении полученных данных видно, что без предварительного озонирования качество очищенной воды даже при дозе коагулянта 2,3 мг/л ниже, чем с предварительным озонированием и дозой коагулянта 1,0-1,2 мг/л.[24]

Таблица 2.2.3.2.

Влияние озонирования на качество очищенной воды[24]

Доза реагентов, мг/л

Мутность, мг/л

Цветность, Град

Остаточный алюминий, мг/л

Коагулянт

Озон




2,3

0 1,5

0,9 0,2

12 7

0,3 0,2

2

0 1,5

0,8 0,8

12 8

0,36 0,31

1,2

0 1,5

1,1 1

13 10

0,27 0,18

1

0 1,5

1,3 0,9

13 9

0,42 0,2


Проектирование и расчет озонаторных установок производятся в соответствии с [25] исходя из состава обрабатываемой воды, удельного расхода озона на единицу окисляемых веществ (1,5−5 мг/мг нефтепродуктов) и его содержания в озоно-воздушной смеси генераторов озона 15-25 мг/дм3, а также на основании технологических испытаний для каждого конкретного случая. [26].

Биологическая очистка основана на жизнедеятельности микроорганизмов, которые способствуют окислению или восстановлению органических веществ, находящихся в сточных водах в виде тонких суспензий, коллоидов, в растворе и являются для микроорганизмов источником питания, в результате чего и происходит очистка сточных вод от загрязнения. Задачей биологической очистки является превращение органических загрязнений в безвредные продукты окисления - H2O, CO2, NO3-, SO42- и др. Этот способ является самым эффективным по степени очистки от нефти и других загрязняющих веществ (см. таблицу 2.2.3.3.), но сложность строгого соблюдения технологического режима, токсическое действие на микроорганизмы некоторых органических соединений и дальнейшей утилизации отработанного активного ила, затрудняет использование метода.[18]

Таблица 2.2.3.3.

Допустимые максимальные концентрации вредных веществ в сточных водах, для которых возможно биологическое их окисление[13]

Вещество

Допустимая концентрация вредных веществ в сточных водах, мг/л

Степень удаления в процессе полной биологической очистки, %

Нефть и нефтепродукты

25

85 - 90

биологически мягкие (окисляющиеся на сооружениях биологической очистки) анионные

20

80

то же, неионогенные

50

90

Промежуточные анионные

20

60

то же, неионогенные

20

75

Формальдегид

25

80

Сульфиды

1

99,5

Медь

0,5

80

Никель

0,5

50

Кадмий

0,1

60

Хром (трехвалентный)

2,5

80

Цинк

1

70

Сернистые красители

25

90

Мышьяк

0,1

50

Свинец

0,1

50

Кобальт

1

50


Очистные сооружения биологической очистки можно разделить на два основных типа: сооружения, в которых очистка происходит в условиях, близких к естественным(поля орошения, биологические пруды) и сооружения, в которых очистка происходит в искусственно созданных условиях (аэротенках, биофильтрах и аэрофильтрах).[13-16] В работах [27,28] разработан биосорбционный метод для удаления биоразлагаемых и биорезистентных загрязняющих веществ (нефтепродукты, хлорорганические и фосфорорганические соединения, соединения азота и др.), что не достигается традиционными методами биологической очистки и отдельно мемрбанными методами. Исключить эти недостатки помогло создание гибридных биосорбционно - мембранных технологий, но появились другие - снижение производительности вследствие биологического обрастания поверхности мембран.[29-31]

Коалесцентный и мембранный методы встречается довольно часто поэтому рассмотрим их более подробно.

.3 Коалесценция эмульсии

.3.1 Механизм протекания коалесценции

Коалесценция - это укрупление мелких капель при их слипании, вплоть до образования сплошной пленки, что приводит к расслоению фаз. Если плотность дисперсной фазы меньше плотности дисперсионной среды

(<), то коалесценсия стимулирует процесс всплывания дисперсной фазы, а в противном случае происходит процесс седиментации капель (>). Благодаря коалесценсии дисперсная система становится седиментационно неустойчивой, стремясь уменьшить свою межфазную поверхность.

Мерой неустойчивости является избыточная энергия Гельмгольца ( ) дисперсной системы, которая уменьшается при коагуляции:[8]

, (8)

где  - поверхностное натяжение на границе дисперсной фазы со средой, Дж/м2,  - удельная поверхность, м2, - общая масса дисперсных частиц, мг.

На рисунке 2.3.1.1.изображен процесс протекания коалесценции в три стадии. Первая стадия является лимитируещей - сближение двух капель друг с другом. Вторая стадия, образование "перешейка" возле точки касания, связана с увеличением общей поверхности и кинетической энергии капель.

Скорость капель определяется коэффициентом диффузии сферической дисперсной частицы и радиусом r, определяется уравнением Эйнштейна:

, (9)

где  - постоянная Больцмана, равная 1,38*1023 Дж/К, Т-температура, К,  - вязкость дисперсионной среды, Па*с.

Третья стадия - перетекание жидкости из одной капли в другую, благодаря разности капиллярных давлений и зависит от радиусов капель. Капля с меньшим радиусом перетекает в каплю с большим радиусом, всвязи с большим каппилярным давлением. По мере протекания разность капиллярных давлений увеличивается, поэтому перетекание идет с нарастающей скоростью и слияние капель маловязких жидкостей происходит очень быстро.

Рис 2.3.1. Стадии коалесценсии

Кинетику коалесценсии можно описать как реакцию второго порядка. Константу скорости коалесценсии К можно рассчитать по уравнению:

, (10)

где  - число капель, шт,  - число капель в единице объема исходной эмульсии, шт, - время после начала процесса, с.

Поскольку скорость быстрой коалесценсии капель определяется частотой их столкновений, то большое влияние оказывает вязкость дисперсионной среды, а именно при ее увеличении сближение капель замедляется.

.3.2 Математическая модель коалесценции

Принципиальное отличие коалесцирующих фильтров состоит в осаждении и коалесценции дисперсной фазы на поверхности и в зазорах загрузки фильтра, где образуют непрерывную фазу, способную удаляться из объема фильтра под действием гравитационных сил. Принудительное движение эмульсии через загрузку в зависимости от направления осредненного движения может как способствовать так и препятствовать удалению дисперсной фазы из фильтра. Так же отличие и в гидродинамическом факторе, заключается в перемещении частиц из потока на поверхность покрывающей их дисперсной фазы. С учетом малых радиусов каналов осаждение в основном осуществляется за счет седиментации, но в силу неоднородности гидродинамического поля каналов, происходит градиентная коалесценция капель между собой. В итоге осредненная скорость седиментации капель, пропорциональная квадрату диаметра капель, увеличивается. [32] В результате вышеизложенного можно сделать вывод о работе коалесцирующего фильтра в три стадии:

изменение дисперсного состава капель в результате их коалесценции в неоднородном гидродинамическом поле в поровом пространстве фильтра,

осаждение капель из потока на поверхность гранулфильтрующей загрузки, покрытой масляной пленкой за счет действия гидродинамических, гравитационных и поверхностных сил,

удаление пленки осадка с поверхности гранул за счет гравитационных сил и гидродинамического выдувания. [33]

Для описания коалесцентного разделения при прохождении через фильтр пользуются капиллярной моделью порового пространства[32] Так же коалесценция определяется периодом утоньшения пленки дисперсионной среды, гидродинамической силы потока нефтяных частиц и разность сил Архимеда, тяжести и сопротивления среды, приводящей к перемещению во внутреннюю поверхность порового канала, где возможна коалесценция и вероятное удаление из потока. На состояние нефтяных частиц вляют так же процессы, проходящие в межфазных пограничных слоях элементов загрузочного материала. На рис 2.3.2.1.изображен пограничный слой у поверхности коалесцентов, состоящий из двух слоев: турбулентный, где частички образуют эллиптическую форму в поровом канале загрузки и ламинарный, где приобретают гантелеобразную форму. [34]

Рис 2.3.2.1 Схема трансформации нефтяных частич в пограничном слое коалесцирующего фильтра: 1-ламинарный поток водонефтяной эмульсии, 2-пограничный турбудентный слой, 3-ламинарный пограничный слой с повышенной плотностью, 4-нефтяные частицы,5- шейка нефтяных частич, 6-точка контакта нефтяных частиц с поверхностью коалесцента, 7- поверхность коалесцирующего фильтра

Из всего вышеперчисленного можно выделить два процесса протекающих в коалесцирующих фильтрах- коалесценция между каплями эмульсий (контактную) и между каплей и поверхностью загрузки (гидродинамическую). Разработана математическая модель процессов гидродинамической коалесценции и дробления капель нефти в фильтрационном потоке коалесцирующей насадки [35], но модель предназначена для достаточно концентрированных и грубодисперсных эмульсий. В работах других авторов[36] предпринята попытка создать коллоидно-гидродинамическую теорию разделения прямых эмульсий методом контактной коалесценции, учитывающую изменение состава эмульсии сточных вод в результате межкапельной коалесценции в поровых каналах фильтрующей загрузки и эвакуацию пленки из поровых каналов. Но рассмотрен только стационарный режим работы фильтра, когда очистная способность фильтра зависит от времени его работы из-за нарастания на гранулах пленки нефтепродуктов и в реальных условиях нефтесодержащие воды полидисперсны. Поэтому возникла необходимость получения уравнений для определения степени очистки воды от нефтепродуктов и толщины текущей пленки нефтепродуктов, которые позволили бы получить зависимость этих параметров от времени работы фильтра и тем самым оценить его параметры в динамике. С данной задачей справились авторы работы [37], где предлагается математическая модель разделения эмульсии в фильтре с коалесцирующей загрузкой и методика проектирования сепарационных установок.

На основе дифференциальных уравнений процесса коалесценции нефтесодержащих вод в тканевых фильтрах в работе [38] определены гидродинамические критерии и комплексы подобия, после постановки экспериментов получено уравнение гидродинамического подобия исследуемого процесса, которое позволяет моделировать и оптимизировать процесс очистки нефтесодержащих вод в тканевых фильтрах

Уравнение гидродинамического подобия процесса коалесценции нефтесодержащих вод в тканевых фильтрах

, (11)

где , (12)

,(13)

, (14)

, (15)

где - концентрация нефтепродуктов в воде после тканевого фильтра, как параметр оптимизации эффективности процесса коалесценции нефте-содержащих вод в тканевом фильтре, Р - давление, нефтеводяной эмульсии перед тканевым фильтром; ρ - плотность эмульсии; ∆Р - разность плотностей воды и нефти; - кинематическая вязкость эмульсии; -поверхностное натяжение на границе нефть-вода ; а - размер ячейки фильтрующей ткани;  - диаметр нити фильтрующей ткани; - число слоев фильтрующей ткани; - концентрация исходной нефтеводяной эмульсии.

Комплекс Vi (14) представляет собой отношение адгезионных сил, способствующих процессу коалесценции на поверхности коалесцирующей ткани к силам внутреннего трения, оказывающим сопротивление движению нефтеводяной эмульсии через фильтрующую ткань, и силам гидродинамического увлечения капли потоком эмульсии, что так же способствуют процессу коалесценции.

Проанализировав уравнения (11) можно сделать вывод, что сила адгезии капелек нефти к фильтрующей ткани прямопропорциональна поверхностному натяжению на границе нефть-вода, а также зависит от параметров самой ткани и увеличивается при уменьшении размера ячеек и увеличении диаметра нити и числа слоев фильтрующей ткани, которые определяют ее толщину. [38]

Комплекс Se (15) характеризует свободное движение частиц нефти вследствие разности плотностей воды и нефти и представляет собой отношение адгезионных сил к подъемной силе, действующей на капельки нефти, находящиеся в объеме ячейки фильтрующей ткани.

В работе [39] приведены соотношения для критического диаметра капель эмульсии и длины трубопровода в струйном аппарате, необходимой для коалесценции капель эмульсии:

.3.3 Сорбционно-коалесцирующий материал

В качестве сорбционно-коалесцирующего материала в данной работе будет использоваться сорбент "Мегасорб", состоящий из сорбирующего материала в виде объемно гофрированного нетканого полотна из полимерных волокон с гидрофобной поверхностью и из коалесцирующего слоя из гидрофильного супертонкого волокна, с диэлектрической проницаемостью больше, чем у гидрофобной поверхности. Коалесцирующий материал представлет собой послойную композицию из супертонкого базальтового волокна и стеклянного волокна толщиной 10-15 мкм в сочетании с полипропиленовыми и полиэфирными волокнами, что обеспечило формирование ДЭС в процессе фильтрации.[40]

. Схема двойного электрического слоя в процессе разделения эмульсии изображена на рисунке 2.3.3.1.в несколько стадий:

переход ДЭС с частиц нефтепродукта в ДЭС на границе раздела слоев материала;

коалесценцию частиц;

выведение скоалесцированного нефтепродукта с фильтрующей поверхности под действием сил гравитации по полым каналам гофрированного полимерного нетканого материала;

отделение накопившейся пленки нефтепродукта и вывод очищенной водной фазы;

дополнительную очистку водной фазы в слое гидрофильного материала.

Рис.2.3.3.1. Схема двойного электрического слоя в процессе разделения эмульсии: 1 - двойной электрический слой, сформированный на поверхности раздела двух материалов с различной диэлектрической проницаемостью, 2 - скоалесцированные частицы эмульгированной нефти, 3 - эмульгированная частица нефти, покрытая двойным электрическим слоем.

.4 Мембранный метод

.4.1 Мембранные методы: достоинства и недостатки

В качестве перспективного современного метода для утилизации водно-масляных растворов в различных отраслях промышленности вот уже более 20 лет используются мембранные методы разделения.[41] Широко мембранный метод используют для обработки воды и водных растворов, очистки сточных вод, для регенерации отработанных моющих и обезжиривающих растворов, для улавливания и концентрирования масел и нефтепродуктов постов мойки автотранспортных средств, трюмовых (льяльных) вод судов, балластных вод танкеров

Востребованность мембранного метода обусловлена в эффективности удаления высодисперсных, тонкоэмульгированных и стабильных эмульсий. Мало того считается этот метод безреагентный и полностью автоматизированый, что уменьшает действия рабочей силы.

Наряду с неоспоримыми достоинствами, мембранные технологии имеют ряд значительных недостатков, таких как относительно высокая стоимость мембран, высокие требования к уровню автоматизации, наличие жестких требований к составу и качеству воды, подаваемой на мембраны. Но несмотря на это большенство технологических проектов по очистке воды завершает мембранная стадия.

.4.2 Ультрафильтрация для удаления нефтепродуктов

Для удаления нефтепродуктов из сточных вод используются различные мембранные методы: микрофильтрация, ультрафильтрация, обратный осмос, первопорация, нанофильтрация с трубчатыми, плоскими и половолоконными мембранами из поливинилидендифторида (ПВДФ), полиэфирсульфона (PES) [41-47] Наиболее достоверными методами считается ультрафильтрация и микрофильтрация.

Ультрафильтрация - это процесс мембранного разделения растворов высокомолекулярных и низкомолекулярных соединений. Движущей силой процесса является разность давлений по обе стороны мембраны (рабочее давление)[41] Преимущества ультрафильтрации заключается в ситовом механизме, где любая частица, размер которой превышает размер пор, отсекается, то есть происходит отделения загрязнений на поверхности мембраны.

Поток воды в ультрафильтрации направляется прямо через мембрану или поперечным током, при этом порция входящей воды течет по поверхности мембраны для удаления большинства коллоидных частиц. Более востребована считается поперечная ультрафильтрация водомасляных эмульсий с использованием недорогих керамических [48], полисульфоновых[49], поливиниловый спирт(PVA), поливинилиденфторидовых (PVDF)[40,49] мембран. Исследование показало, что, с увеличением скорости поперечного потока, производительность значительно увеличивается, но задерживание масла показывает тенденцию к снижению. [49] Концентрационная поляризация и адсорбции на поверхности мембраны так же можно убрать увеличением скорости поперечного потока .[51] На рисунке 2.4.2.1.представлены эксперименты в диапазоне скоростей потока 1.08-2.01 м / с давлении 0,10 МПа, температура 25 ° С и концентрация масла 242,25 мг / л. С увеличением скорости увеличивается производительность и степень очистки, что объясняется уменьшением концентрации каплей масла на поверхности мембраны и ослабляет эффект концентрационной поляризации. [43]

Рис.2.4.2.1. Влияние скорости поперечного потока на производительность и степень очистки.

Следовательно на процесс разделения эмульсии влияет мембранный материал, размер пор и трансмембранное давление. Не все типы мембран являются эффективными в разрушении эмульсии вода-в-масле. .Деэмульгация возможна с мембраной, имеющей поры размер меньше диаметра эмульсии капелек. Чем меньше размер пор, тем лучше деэмульгация эффективность. Тем не менее, небольшие поры в сочетании с более низким трансмембранным давлением приведет к низкой производительности.Толщина мембраны не играет существенной роли[43] Эффект трансмембранного давления на производительность и степень очистки при температуре 25 ° С, скоростью 2,01 м / с и концентрацией масла 242.25 мг / л, представлен на рисунке 2.4.2.2. Наблюдаемая производительность и степень очистки увеличивается с ростом трансмембранное давление. Это можно объяснить тем, что чем выше давление, тем капли воды быстро проходят через поры мембраны, в то же время, поверхность становится плотнее, так что задержка масла увеличивается.[43]

Рис.2.4.2.2.Влияние давления на производительность и степень очистки

Кроме того влияют на ультрафильтрацию факторы такие как концентрации масла и температура. Производительность возрастает вместе с увеличением температуры, но падает с ростом концентрация масла. [44] На рисунке. 2.4.2.3. показано влияние концентрации нефти на поток мембраны и удержание масла при температуре 25 ° С, скорости поперечного потока 2,01 м / с и давлении 0,20 МПа. Результаты показывают, что чем более высокая концентрация масла, тем меньше производительность. Причиной может быть то, что капли масла образуют гидрофобную пленку на поверхности мембраны, известной как "концентрационная поляризация"[43]

Рис.2.4.2.3. Влияние концентрации нефти на производительность и степень очистки.

На рисунке 2.4.2.4. показывает влияние температуры на производительность мембран и степень очистки при давлении 0,10 МПа, скорость 2,01 м / с и концентрации нефти 242.25 мг / л Повышение температуры приводит к увеличении производительность, но ухудшению степени очистки, что соответствует обычному правилу ультрафильтрации. [43]

Рис.2.4.2.4. Влияние температуры на производительность и степень очистки.

.4.3 Природа мембраны и среды для ультрафильтрации

Селективность, производительность, проницаемость мембран и срок их службы во многом зависит от такого явления как замасливание мембран. Важный фактор играет как природа мембран, то есть ее гидрофильность или гидрофобность, так и среда, в которой происходит разделение. На рисунке 2.4.3.1.показан механизм дестабилизации эмульсии на гидрофильной мембране

Рис. 2.4.3.1.Механизмы дестабилизации эмульсии на гидрофильной мембране: а - отложения капелек нефти на поверхности мембраны., b - изменение концентрации нефти на расстоянии y от поверхности мембран, с,d,e - постепенная коалесценция капелек нефти на поверхности мембран..

Найдено, что изменение морфологических свойств мембран вследствие добавления поливинилпирролидона оказывает значительное влияние на скорость потока пермеата и, следовательно, на извлечение масла. Удерживания масла у всех мембран >90%, а концентрация масла в пермеате <10 мг/л, что отвечает требованию к сбросу. [49] Мембрана PVA при ультрафильтрации очищала до 95% . результаты показали, что мембрана из PVA обладает противообрастающими свойствами от нефти[44]

В работах [50] показана модификация гидрофильной мембраны, которая способна избавляться от углеводородов из воды эмульсий с высокой выносливостью . Мембраны стабильны при рН от 2 до 12 , нет зависимости от давления, что не искажает ткань. Модификация обусловлена алюмоксановыми наночастицами , сульфонил и амин фрагментами и ионные аддукты, что позволяет склеивать водород в водных капель. Это взаимодействие позволяет формирование водного слоя на поверхности фильтра , который помогает предотвратить загрязнения и, что важнее, предоставляет энтропийный барьер для которого капли масла, содержащиеся в эмульсии, не может пересечь. Мениск водного слоя может уменьшать размер пор для гидрофобного материала.

Исследовании были успешно проведены для разделения нефти с тремя керамических мембранами, подготовленный с тремя различными композициями из недорогих неорганических соединений и глин. Все мембраны обладали хорошей коррозионной стойкость, хорошее сочетание селективности и производительности [48]

В работе [45] мембрану Al2O3 успешно модифицировали гидрофильным покрытием наноразмерного ZrO2 с толщиной около 100 нм.. Нанопокрытие способствовало сокращению мембраны загрязнение масла капли.

Значительное влияние на разделение эмульсии и замасливание мембран оказывают дополнительные дестабилизаторы. На рисунке 4.3.3.2 изображено влияние трансмембранного давления на эффект деэмульсации, где капли покрыты поверхностно ПАВ, который стабилизирует эмульсии и предотвращает их слипание [46]

Рис.4.3.2.2. Схема процесса деэмульсации эмульсии через поры мембраны: (а) давление ниже критического давления, где капли большие, чем размер пор мембраны сохраняются; (б) давление почти равно критическому давлению, деформированные капельки входят в отверстие, где они вступают в тесном контакте со стенками пор и капли воды адсорбируются х на стенках пор; (в) давление выше критического, где капли сливаются.

В работах других авторов [51] были использованы керамические мембраны с нанесением (ZrO2/TiO2). Эксперименты проводились при значениях рН ниже изоэлектрической точки, благодаря чему поверхность заряжается положительно (ZrOH2+/TiOH2+) и происходит адсобция анионных ПАВ. Гидрофильные глава анионного ПАВ подходит к положительно заряженной поверхности мембраны,а гидрофобные хвосты ориентированы к объемной фазе, то есть поверхность из гидрофильной становится гидрофобной, что способствует замасливанию мембран. При значениях рН выше изоэлектрической точки, поверхность мембраны заряжена отрицательно (ZrO−/TiO−) и не происходит адсорбции ПАВ, в результате чего снижается гидрофобность мембраны. Добавки, такие как поливинилпирролидон (PVP) и полиэтиленгликоль (PEG) на полисульфоновую мембрану, снижают краевой угол смачивания воды от 75° до 53,5 ° и 66 °.[52]

Новый класс гидрофильных нанокомпозитных мембран через покрытие трех наноструктур , а именно ; пара-аминобензоат алюмоксан (PAB-A), бемит -эпоксид и поликитрат алюмоксан (PC-А). представлены в работе [53] дают отличные возможности разделения нефти / воды

.4.4 Коалесценция на мембране

В работах авторов [54] был рассмотрен процесс коалесценции на самой мембране. На рисунке 2.4.4.1.изображен процесс коалесценции на мембране со временем. Капля может перейти от самой узкой части активной поры к ее расширению на поверхность, где вступает в контакт со смежной порой, далее две такие капли сливаются и распространяются по поверхности, создавая заново каплю гораздо большего диаметра, что приводит к явлению полидисперсности капелек.

Рис.2.4.4.1. Схема мембранной коалесценции

Рис.2.4.4.2.Схема формирования двух капель двумя соседними порами

На рисунке 2.4.4.2. объяснен механизм формирования двух капель, исходя из оценки количества активных пор на радиусе dd / 2. Если nactive (dd / 2) < 2 , то есть имеется только одна активная пора, то слияния не образуется .Если nactive (dd / 2) ≥ 2, наличие по крайней мере двух активных пор, происходит слияние. [54]

.5 Выводы

Как уже упоминалось выше, нефтепродукты относятся к наиболее опасным органическим загрязнениям водоемов. Обладая малой растворимостью в воде, они разлагаются естественным образом крайне медленно и находятся в сточных водах в разнообразных состояниях. Поэтому исходя из состояния нефтепродуктов необходимо подобрать более простой, но эффективный способ и средство очистки. На рисунке 2.5.1 представлены результаты исследования состояния нефтепродуктов в сточных водах и выбор метода очистки сточных вод. Области эффективного применения различных методов очистки характеризуются различием состояния нефтепродуктов в сточных водах

Рис.2.5.1 Выбор метода очистки сточных вод в зависимости от состояния нефтепродуктов

Но, исходя из полидисперсности нефтесодержащих сточных, использовать только один метод очистки для получения воды нужного качества не удается. Поэтому, очистка происходит в несколько стадий, избавляясь сначала от грубоэмульгированных частиц затем переходя к тонкоэмульгированным частицам.

3. Методическая часть

.1 Описание экспериментальной установки

.1.1Общая схема установки

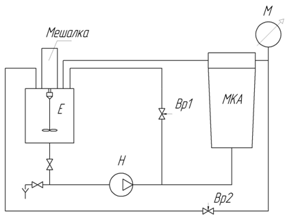
Технологическая схема лабораторной установки для разделения водо-маслянных эмульсий представлена на рисунке 3.1.1.1.

Рис. 3.1.1.1. Схема лабораторной установки: Е - емкость; Н - насос; МКА - мембранно-коалесцентный аппарат; М - манометр; Вр1-2 - вентиль регулирующий.

Исходная эмульсия из емкости Е подается насосом Н в мембранно-коалесцентный аппарат МКА. Емкость Е снабжена мешалкой для постоянного перемешивания водо-маслянной эмульсии, во избежание потери ею агрегативной устойчивости (дисперсности), что приведет к ее расслоению.

С помощью регулировочного вентиля Вр2 в мембраннокоалесцентном аппарате МКА создается давление, измеряемое манометром М. Для регулирования расхода исходной водо-маслянной эмульсии в лабораторной установке предусмотрена байпасирующая линия, расход которой регулируется вентилем Вр1.

В мембранно-коалесцентном аппарате МКА происходит разделение водо-маслянной эмульсии на два потока: очищенную воду (практически не содержащую масла) и концентрированный раствор. Оба потока возвращаются в исходную емкость Е. Также в лабораторной установке предусмотрен вентиль для отбора пробы.

нефтепродукт коалесценция ультрафильтрация мембранный

3.1.2 Мембранно-коалесцентный аппарат

Основном элементом лабораторной установки для очистки нефтесодержащих сточных вод (разделения водо-маслянных эмульсий) является мембранно-коалесцентный аппарат, сочетающий в себе два наиболее эффективных метода очистки воды от нефти и нефтепродуктов: коалесценцию и мембранный метод.

Схема мембранно-коалесцентного аппарата приведена на рисунке 3.1.2.1.

Исходный поток подается в мембранно-коалесцентный аппарат через перфорированную распределительную трубку, предназначенную для равномерного распределения исходного потока. Исходный поток (водо-маслянная эмульсия) подается на сорбционно-коалесцирующий материал "Мегасорб" на котором одновременно происходят процессы сорбции и коалесценции.

Рис. 3.1.2.1.Схема мембранно-коалесцентного аппарата.

На материале "Мегасорб" происходит частичная очистка воды от масла за счет слияния и укрупнения капель масла. Потеря дисперсности эмульсии приводит к ее расслаиванию и капли масла поднимаются к крышке аппарата в выводятся из аппарата в виде концентрата.

Частично очищенная водо-маслянная эмульсия подается на керамические мембраны, закрепленные на трубной решетке. На мембранах происходит разделение на 2 потока: пермеат - очищенная от масла вода и концентрат, концентрированная водо-маслянная эмульсия. Также предусмотрена работа аппарата в "тупиковом" режиме.

.2 Используемые материалы и рективы

.2.1 Моторное масло

Для приготовления водо-маслянных эмульсий использовалось моторное масло ОЙЛРАЙТ М - 63/14Г Классик, являющееся универсальным всесезонным минеральным маслом с классом вязкости SAE 15W - 40. С состав масла входит высококачественные минеральные масла и комплекс универсальных присадок.

Как известно в обеих вязкостных классификациях (ГОСТ, SAE), чем меньше цифра в числителе с индексом "3" (ГОСТ) или перед буквой "w" (SAE), тем меньше вязкость масла при низкой температуре и чем больше цифра, стоящая в знаменателе (ГОСТ) или после дефиса (SAE), тем больше вязкость масла при высокой температуре.

Масло Ойлрайт М-63/14Г получено на минеральной основе (т.е. путём очистки соответствующей фракции нефти). Его получают смешением остаточного и дистиллятного компонентов и введением многофункциональных присадок. Так же масло Ойлрайт М-63/14Г проявляет высокие эксплуатационные свойства (в таблице 3.2.1.1. приведены технические характеристики), поэтому является универсальным и может применяться для смазывания в тяжело нагруженных цилиндрических, спирально-конических и гиппоидных передачах легковых и грузовых автомобилей.

Таблица 3.2.1.1.

Технические характеристики моторного масла Ойлрайт М-63/14Г.

Наименование показателя

Норма по ГОСТу (ТУ)

Массовая доля, % - кальция - цинка - механических примесей, не более

 0,23 0,10 0,015

Щелочное число, мг КОН на 1 г масла, не менее

7,5

Плотность при 20ºС, г/см3, не более

0,900

Температура, ºС - вспышки в открытом тигле, не ниже - застывания, не выше

Вязкость кинематическая, мм2/с: - при 100ºС, не мене

 12

Вязкость динамическая, мПа×с, не более: - при минус 15ºС

 4500

Индекс вязкости, не менее

115

Ниже приведена многокомпонентность минерального масла

Групповой химический состав минерального масла, % (об.)

Нафтены:

•      Моноциклические………………………………………………18,4

•      Бициклические…………………………………………………….,9

•      три- (и более) циклические…………………………………….16,5

Ароматические углеводороды с нафтеновыми кольцами:

•      Моноциклические………………………………………………10.5

•      Дициклические……………………………………………………..,1

•      Трициклические……………………………………………………,6

•      Полициклические с большим числом колец……………………..,0

•      Парафины………………………………………………………... 13,7

•      Изопарафины………………………………………………………,3

.2.2 Мембраны

В лабораторной установке для проведения процесса мембранного разделения выбраны керамические микрофильтрационные мембраны КМФЭ-1 производства НПО "Керамикфильтр" с внешним селективным слоем.

Выбор типа мембраны обосновывается рядом конкурентных преимуществ керамических мембран по сравнению с другими типами мембран для проведения данного процесса:

высокая производительность;

биологическая резистивность;

термическая устойчивость в агрессивных средах;

механическая прочность;

технологичность мойки;

низкие эксплуатационные расходы;

длительный срок эксплуатации.

Характеристики используемых керамических мембранных элементов:

Число каналов - 1;

Размер пор - 1,5 - 0,1 мкм;

Диаметр наружный - 10,0 мм

Диаметр канала - 6,0 мм

Длина - 800 мм

.2.3 Сорбционно - коалесцирующие материалы

В качестве материала, обладающего сорбционно - коалесцирующими свойствами использовался сорбент "Мегасорб".

Сорбент "Мегасорб" представляет собой нетканое термоскрепленое полотно, получаемое путем прокатывания или иглопрокалывания, сформированное в единую объемную гофрированную структуру по технологии Struto. Вырабатывается данный материал из смеси гидрофобных полимерных волокон на основе полипропилена и полиэтилена (ПП - 2,2 текс 50%, ПЭ - 1,7 текс 30%, ТПВ - 0,48 текс 20%). Для термофиксации нетканого холста используются бикомпонентные волокна. При таком способе формования образуются вертикально ориентированные каналы, по которым капли нефти всплывают после их отрыва от материала при превышении некоторого критического объема. Благодаря упругой структуре, возникающей за счет чередующихся плотных слоев материала и пустот, "Мегасорб" обладает большим временным ресурсом в режиме коалесценции. Характеристики сорбента "Мегасорб" приведены в таблице 3.2.3.1.

Таблица 3.2.3.1..

Технические характеристики сорбента "Мегасорб" .

Характеристики

Значение

Поверхностная плотность, кг/м3

0,5 - 0,55

Толщина, мм

25 - 50

Нефтеемкость: - при сборе с поверхности воды - режим фильтрования

 35 - 40 10 - 12

Расход сорбента для сбора 1 т нефти, кг/т

0,085

Водопоглощение, кг/кг

2 - 4

Грязеемкость, кг/м3

5 - 7

Рабочий диапазон температур воды, ºС

от +4 до +50

Количество циклов регенерации отжимом

500

Нефтеотдача при отжиме, %

70 - 75

Скорость сорбции, кг/мин/кг

3 - 4

Скорость фильтрации, м/час - рабочий режим - форсированный режим

 5 - 7 8 - 10

Степень очистки воды от нефтепродуктов, %

97,5 - 98

Способ отжима

Пресс, центрифуга, валки

Содержание НП в очищаемой воде, мг/л

до 1000

.3 Методика экспериментальной работы

.3.1 Методика приготовления эмульсий

Эмульсии (водомасляными смеси) приготавливали путем интенсивного перемешивания масла с водой в мешалках при скорости вращения лопастей 100 - 1000 об/мин. Такого перемешивания достаточно для образования грубодисперсной смеси. Стабильность водомасляных смесей определяется их концентрацией, также на стабильность эмульсий большое влияние оказывает жесткость воды и присутствие в ней умягчителей.

Усредненный состав воды для г. Москвы приведен в таблице 3.3.1.1. (по данным ОАО Мосводоканал #"822709.files/image063.gif">

Рис.3.3.2.1. Установка для экспресс - контроля нефтепродуктов "Лилия - 1"

Установка предназначена для измерения массовой концентрации нефтепродуктов (дизтопливо, моторные, трансмиссионные, индустриальные масла, сырая нефть) в воде. Измерение выполняется непосредственно в месте выполнения пробоотбора воды. Технические данные приведены в таблице 3.3.2.1.

Таблица. 3.3.2.1.

Технические данные установки "Лилия - 1"

Наименование показателя

Технические данные

Диапазон измерений, мг/дм3

0,05-0,6 0,5-6 5-50

Предел относительной погрешности, в диапазоне измерений, % от 0,05 до 0,3 мг/дм3 от 0,3 до 50 мг/дм3

 ±35 ±25

Диапазон рабочих температур окружающего воздуха, ºС

 0 - 50

Масса установки в снаряженном состоянии, кг, не более

8

Габаритные размеры установки в транспортном положении, м, не более: длина ширина высота

 0,5 0,46 0,145


В состав установки входят: дозатор - 5, дозатор - 50 и дозатор - 350, груша, вскрыватель для патронов, соединительные трубки, комплект индикаторных средств КИС - НП (индикаторные, поглотительные и ампульные патроны), рассчитанный на выполнение 120 измерений.

Принцип действия установки. За счет разрежения в установке происходит просос анализируемой воды через поглотительный патрон (ПП). Дозирование анализируемой воды осуществляется поплавком и клапаном. Нефтепродукты, сорбированные ПП, экстрагируют растворителем, в качестве которого используется гексан, и пропускают через индикаторную трубку. По длине окрашенного столба наполнителя индикаторного патрона в миллиметрах, умножив ее на коэффициент преобразования, определяют концентрацию нефтепродуктов в воде, т.е. анализ проводим линейно - колористическим методом.

Порядок проведения анализа:

1.      Вскрыть поглотительный патрон (ПП) с двух сторон с помощью вскрывателя патронов;

.        Соединить ПП в зависимости от исходной концентрации нефтепродуктов с дозатором на 5, 50 или 350 мл (в таблице 3.3.2.2.);

.        Присоединить дозатор к насосу и начать прокачивать анализируемую воду, контроль разряжения, определяя по вакуумметру насоса. В зависимости от исходной концентрации анализируемой воды прокачивают различные объемы жидкости:

Таблица 3.3.2.2.

Соотношения объемов прокачиваемой жидкости и содержания НП

Концентрация анализируемой воды, мг/дм3

Объем, который требуется прокачать через ПП

0,05 - 0,6

350 мл

0,5 - 6

50 мл

5-50

5 мл


.        После завершения прокачивания (отсутствие пузырьков воздуха в ПП) вскрыть индикаторный патрон (ИП) с двух сторон и с помощью соединительной трубки соединить его с поглотительным патроном;

.        Вскрыть ампульный патрон и присоединить его к поглотительному и индикаторному патрону (см. рис.3.3.2.2.);

.        Прокачать растворитель через ПП и ИП и измерить цвет изменившегося ИП в миллиметрах;

.        Определяем концентрацию нефтепродуктов в мг/дм3 .

Рис. 3.3.2.2.Последовательное расположение патронов при анализе

3.4 Методика расчетов

Концентрацию нефтепродуктов (мг/дм3) в анализируемой воде вычисляем, используя формулу:

С = K · L (11)

где С - концентрация нефтепродуктов в анализируемой пробе воды, мг/дм3;

К - коэффициент преобразования, мг/(дм3× мм); L - длина окрашенного индикаторного слоя ИТ - НП, мм.

Таблица 3.4.1.

Коэффициенты преобразования для различных диапазонов

Диапазон измерения

Коэффициент преобразования

0,05 - 0,6 мг/дм3

0,026

0,5 - 6 мг/дм3

0,18

5 - 50 мг/дм3

1,8

Для определения размеров капель в водомасляной эмульсии использовался микроскоп Levenhuk 40L и цифровая камера DCM-35 с разрешением 0,3 МПикс. (размер кадра - 640х480 Пикс.). Микроскоп подключался к компьютеру через программу ScopePHoto и делался кадр, затем производился расчет размера капель в программе Excel.

При расчете значений удельной производительности мембраны и селективности используются следующие формулы:

 (12)

где Q - производительность при давлении 3 бара; n - количество мембран (n = 4); r - радиус мембраны (r = 5 мм), h-высота мембран(h=800 мм)

Для расчета коэффициента очистки при сорбционно - коалесцентном разделении используем формулу:

 

. (13)

где Кф. - коэффициент очистки; С - концентрация масла в пермеате, мг/л; Сисх - концентрация масла в исходной эмульсии, мг/л.

4. Экспериментальная часть

.1 Основные параметры процесса

В результате исследований на лабораторной установке были выявлены основные параметры процесса.

Эксперименты по определению оптимального рабочего давления проводились при комбинации "Мегасорба" и мембран. В результате экспериментов оптимальное давление выбрано 3 бара и удельная производительность мембран при заданном давлении составляет:

,

где Q - производительность при давлении 3 бара; n - количество мембран (n = 4); r - радиус мембраны (r = 5 мм), h-высота мембран(h=800 мм)

Эксперименты по определению оптимальной производительности проводились только на "Мегасорбе". В результате экспериментов была выбрана производительность 52 л/ч.

Скорость в аппарате при данной производительности равна:


где Q - выбранная оптимальная производительность - 52 л/ч; d - диаметр аппарата, d = 150 мм = 0,15 м.

При исследовании процесса разделения водо-маслянных эмульсий необходимо изучение зависимостей производительности, концентрации пермеата и коэффициента разделения от времени проведения эксперимента при различных концентрациях исходных эмульсий 2 мг/л, 5 мг/л и 20 мг/л.

.2 Устойчивость эмульсий

При исследовании процесса разделения водо-маслянных эмульсий необходимо убедиться в устойчивости эмульсии.

При помощи программы измеряли размер и количество капель эмульсии масло в воде в течении времени при концентрациях 5 и 20 мг/л.

Ниже представлены графики зависимости количества капель эмульсии от размера частиц в разные периоды времени при исходной концентрации 5мг/л.

Рис.4.2.1.Зависимость количества капель от размера частиц при t=30мин и Сисх= 5мг/л

Рис.4.2.2.Зависимость количества капель от размера частиц при t=60мин и Сисх= 5мг/л

Рис.4.2.3.Зависимость количества капель от размера частиц при t=120мин и Сисх= 5мг/л

Рис.4.2.4.Зависимость количества капель от размера частиц при t=180мин и Сисх= 5мг/л

Рис.4.2.5.Зависимость количества капель от размера частиц при t=240мин и Сисх= 5мг/л

Рис.4.2.6.Зависимость количества капель от размера частиц при t=3,5суток и Сисх= 5мг/л

Объединив выше указанные графики на рисунке 4.2.7. показана зависимость размера капель эмульсии с концентрацией 5 мг/л от времени

Рис. 4.2.7. Зависимость размера капель эмульсии с концентрацией 5 мг/л от времени.

Ниже представлены графики зависимости количества капель эмульсии от размера частиц в разные периоды времени при исходной концентрации 20мг/л.

Рис.4.2.8.Зависимость количества капель от размера частиц при t=30мин и Сисх= 20мг/л

Рис.4.2.9.Зависимость количества капель от размера частиц при t=60мин и Сисх= 20мг/л

Рис.4.2.10.Зависимость количества капель от размера частиц при t=120мин и Сисх= 20мг/л

Рис.4.2.11.Зависимость количества капель от размера частиц при t=180мин и Сисх= 20мг/л

Рис.4.2.12.Зависимость количества капель от размера частиц при t=230мин и Сисх= 20мг/л

Рис.4.2.13.Зависимость количества капель от размера частиц при t=3,5суток и Сисх= 20мг/л

Объединив выше указанные графики на рисунке 4.2.14. показана зависимость размера капель эмульсии с концентрацией 20 мг/л от времени

Рис.4.2.15.Зависимость размера капель эмульсии с концентрацией 20 мг/л от времени

В результате исследований можно сделать вывод о достаточной устойчивости эмульсии, что дает нам возможность работать с данной эмульсией.

.3 Разделение эмульсии при комбинации "Мегасорба" и мембран в "Мегасорбе"

Исследуем параметры работы лабораторной установки в зависимости от времени при исходной концентрации 2, 5 и 20 мг/л при комбинации "Мегасорба" и мембран в "Мегасорбе"

Наполняем бак 20-тью литрами водопроводной воды и добавляем 2 мг/л моторного масла ОЙЛРАЙТ М - 63/14Г, затем 5 и 20 мг/л.

Замеряем расход, температуру и концентрацию пермиата с помощью установки "Лилия-1".

Таблица 4.3.1.

Параметры работы лабораторной установки в зависимости от времени при исходной концентрации 2 мг/л при комбинации "Мегасорба" и мембран в "Мегасорбе"

t, мин

Qперм, л/ч

С, мг/л

Кф

J,м3/ч м2

60

16,2

0,18

10,9

0,162

120

10

0,077

25,9

1

150

9,6

0,067

29,8

0,096

180

9,1

0,045

44,4

0,091


Исходя из таблицы 4.3.1. на рисунке 4.3.1. приведена зависимость производительности установки от времени работы и на рисунке 4.3.2. зависимость коэффициента очистки от времени работы при исходной концентрации 2 мг/л

Рис 4.3.1. Зависимость производительности установки от времени работы при исходной концентрации 2 мг/л

Рис 4.3.2. Зависимость коэффициента очистки от времени работы при исходной концентрации 2 мг/л

Таблица 4.3.2.

Параметры работы лабораторной установки в зависимости от времени при исходной концентрации 5 мг/л при комбинации "Мегасорба" и мембран в "Мегасорбе"

t, минQперм, л/чС, мг/лКфJ,м3/ч м2





60

82,7

1,2

4,06

0,83

120

82,3

1

4,85

0,82

150

74,8

0,9

5,44

0,75

180

61,9

0,5

9,47

0,62


Исходя из таблицы 4.3.2.на рисунке 4.3.3. приведена зависимость производительности установки от времени работы и на рисунке 4.3.4. зависимость коэффициента очистки от времени работы при исходной концентрации 5 мг/л

Рис 4.3.3. Зависимость производительности установки от времени работы при исходной концентрации 5 мг/л

Рис. 4.3.4. Зависимость коэффициента очистки от времени работы при исходной концентрации 5 мг/л

Таблица 4.3.3.

Параметры работы лабораторной установки в зависимости от времени при исходной концентрации 20 мг/л при комбинации "Мегасорба" и мембран в "Мегасорбе"

t, мин

Qперм, л/ч

С, мг/л

Кф

J,м3/ч м2

60

8,7

1,8

11,86

0,087

120

6,9

1

21,16

0,069

150

6

0,5

43,33

0,06

180

4,8

0,4

50,55

0,048


Исходя из таблицы 4.3.3.на рисунке 4.3.5. приведена зависимость производительности установки от времени работы и на рисунке 4.3.6. зависимость коэффициента очистки от времени работы при исходной концентрации 20 мг/л

Рис 4.3.5.Зависимость производительности установки от времени работы при исходной концентрации 20 мг/л

Рис 4.3.6. Зависимость коэффициента очистки от времени работы при исходной концентрации 20 мг/л

.4 Разделение эмульсии на мембранах

Исследуем параметры работы лабораторной установки в зависимости от времени при исходной концентрации 2, 5 и 20 мг/л при работе только мембран.

Таблица 4.4.1.

Параметры работы лабораторной установки в зависимости от времени при исходной концентрации 2 мг/л при работе мембран

t, мин

Qперм, л/ч

J,м3/ч м2

10

16,9

0,169

30

15,2

0,152

60

14,1

0,141

90

10,9

0,1

120

9,3

0,093

150

9,2

0,092

180

9,2

0,092


На рисунке 4.3.7.,основываясь на данных таблицы 4.4.1. приведена зависимость производительности установки от времени работы при исходной концентрации 2 мг/л

Рис 4.4.1.Зависимость производительности установки от времени работы при исходной концентрации 2 мг/л

Таблица 4.4.2.

Параметры работы лабораторной установки в зависимости от времени при исходной концентрации 5 мг/л при работе мембран

t, минQперм, л/чJ,м3/ч м2



10

49,5

0,495

30

48,7

0,487

60

44,5

0,445

90

42,2

0,422

120

41,9

0,419

150

38,3

0,383

180

38

0,38


На рисунке 4.4.2., основываясь на данных таблицы 4.4.2., приведена зависимость производительности установки от времени работы при исходной концентрации 5 мг/л

Рис 4.4.2.Зависимость производительности установки от времени работы при исходной концентрации 5 мг/л

Таблица 4.4.3.

Параметры работы лабораторной установки в зависимости от времени при исходной концентрации 20 мг/л при работе мембран

t, минQперм, л/чJ,м3/ч м2



10

9,8

0,098

30

8,2

0,082

60

7,4

0,074

90

7,4

120

6,3

0,063

150

5,2

0,052

180

4,2

0,042


На рисунке 4.4.3. приведена зависимость производительности установки от времени работы при исходной концентрации 20 мг/л

Рис 4.4.3.Зависимость производительности установки от времени работы при исходной концентрации 20 мг/л

.5 Сравнение производительности установок

Для сравнения производительности установок работающих только на мембранах и при комбинации "Мегасорб" и мембрана, на рисунках 4.5.1.-4.5.3. приведена совмещенная зависимость производительности установки от времени работы при исходных концентрациях 2, 5 и 20 мг/л.

Рис. 4.5.1. Совмещенная зависимость производительности установки от времени работы при исходной концентрации 2 мг/л..

Рис. 4.5.2. Совмещенная зависимость производительности установки от времени работы при исходной концентрации 5 мг/л

Рис.4.5.3.Совмещенная зависимость производительности установки от времени работы при исходной концентрации 20 мг/л.

Из вышеизложенного можно сделать вывод, что при комбинированным методе (сочетание работы "Мегасорба" и мембран) улучшает производительность по сравнению с работой только мембран

5. Вывод

·        В процессе экспериментальной работы была исследована и доказана устойчивость эмульсии масло-вода при концентрациях 5 и 20 мг/л.

·        Комбинация "Мегасорб" и мембраны в "Мегасорбе" при разделении водомасляной эмульсии с исходной концентрацией масла порядка 2, 5 и 20 мг/л, позволяет добиться высокой эффективности очистки и наиболее низкой степенью замасливания мембран.

·        В результате экспериментов для осуществления последней стадии очистки воды использовалась керамическая микрофильтрационная мембрана КМФЭ-1. Мембрана обладала высокой селективностью разделения > 99%, высокой удельной производительностью и устойчивостью к замасливанию.

·        .В работе доказано, что комбинация "Мегасорб" и мембраны в "Мегасорбе" обладает более высокой производительностью, селективностью и устойчивостью к замасливанию мембран по сравнению с разделением эмульсии только на мембранах. Этот эффект достигнут благодаря дополнительной коалесценции на "Мегасорбе", который обволакивает мембраны со всех сторон.

Список литературы

1.Техногенное загрязнение природных вод углеводородами и его экологические последствия / В.М. Гольберг, В.П. Зверев, А.И. Арбузов [и др.]. - М.: Наука, 2001. - 125 с.

Косач П. В. Формирование и очистка поверхностных и моечных сточных вод (на примере Москвы) / П.В. Косач, Е.В. Алексеев // Сантехника.- 2001. - № 3. - С. 50-53.

. Анапольский В.Н., Олиферук С.В., Романенко А.П. Очистка нефтесодержащих сточных вод // С.О.К. ("Сантехника. Отопление. Кондиционирование"). - 2011. - № 1. - C. 27-31.

. Шерман Ф. Эмульсии. М.: Мир, 1972

. Позднышев Г.Н. Стабилизация и разрушение эмульсий. М., Недра, 1982. -222 с.

. Клейтон В. Эмульсии. Их теория и технические применения / пер. с англ. под ред. акад. П. А. Ребиндера. - М. : ИЗИНЛ, 1950. - 680 с.

. Киреев В.А. Краткий курс физической химии. Изд. 5-е, стереотипное.-М.:Химия, 1978. 624 с., ил

. Фролов Ю.Г. Курс коллоидной химии. М., Химия, 2006.

. Новиков М. А. Структурные особенности природных водонефтяных эмульсий Диссертация на соискание учёной степени магистра техники и технологии Москва - 2007

Виноградов В.М.,Винокуров В.А. Образование, свойства и методы разрушения нефтяных эмульсий Москва 2007

. Р.З. Сафиева, Л.А. Магадова, Л.З. Климова, О.А. Борисова. Физико-химические свойства нефтяных дисперсных систем. Под ред. проф. В.Н.Кошелева - М.: Изд. РГУ нефти и газа им.И.М.Губкина, 2001. - 60 с.

Карелин Я.А., Попова И.А., Евсеева Л.А. и др. Очистка сточных вод нефтеперерабатывающих заводов, М., Стройиздат, 1982

Роев Г.А., Юфин В.А. Очистка сточных вод и вторичное использование нефтепродуктов, М., Недра, 1987

Стахов Е.А. Очистка нефтесодержащих сточных вод предприятий хранения и транспорта нефтепродуктов, Л., Недра, 1983

Роев Г.А. Очистные сооружения. Охрана окружающей среды, М., Недра, 1993

М.Б. Хаскельберг, Л.Н. Шиян, Я.И. Корнев, А.И. Галанов, Н.А. Титова, Д.C. Девянин// Повышение эффективности удаления нефтепродуктов из сточных вод, Томский политехнический университет, 2010

Д.В.Алексеев, Н.А.Николаев, А.Г.Лаптев Комплексная очистка стоков промышленных предприятий методом струйной флотации Казань: КГТУ. 2005. - 156 с.

Пашаян А.А. Проблемы очистки загрязненных нефтью вод и пути их решения / А.А. Пашаян, А.В. Нестеров // Экология и промышленность России. - 2008. - №5. - С. 32-35

Арес В.Ж., Гридин О.М. Эффективные сорбенты для ликвидации нефтяных разливов// Экология и промышленность России.-1997.-С.32-37.

Артемов А.В, Пинкин А.В. Сорбционные технологии очистки воды от нефтяных загрязнений//Вода: Химия и экология.-2008.-№1.-С.18-24.

Стрепетов И.В., Москвичева Е.В. Использование сорбентов на основе отходов полимерных материалов для очистки сточных вод от нефтяных загрязнений// http/www.vestnik.vgasu.ru/attachments/strepetov.pdf.-2006.-С.1-6

Халилова Х.Х., Мамедов М.К. Способ очистки воды от нефтяных загрязнений// Химия и технология воды.-2008.-№3.-С.339-344.

Трусова В.В.Очистка оборотных и сточных вод предприятий от нефтепродуктов сорбентом на основе бурых углей. Иркуцк 2013

Драгинский В.Л., Алексеева .Л.П. роль озонирования в свете новых требований к качеству питьевой воды// Научно-исследовательский институт коммунального водоснабжения и очистки воды, г. Москва 2012

СНиП 2.04.02−84. Водоснабжение. Наружные сети и сооружения. − М., 1996

Долина Л.Ф. Современная технология и сооружения для очистки нефтесодержащих сточных вод. Днепропетровск2005

Швецов В.Н. и др. Очистка нефтесодержащих сточных вод биомембранными методами / В.Н. Швецов, К.М. Морозова, М.Ю. Семенов,М.Ю. Пушников, А.С. Степанов, С.Е. Никифоров // Водоснабжение и санитарная техника. - 2008. - № 3. - С. 39-42.

Швецов В.Н. Биосорберы - перспективные сооружения для глубокой очистки природных и сточных вод / В.Н. Швецов, К.М. Морозова //Водоснабжение и санитарная техника. - 1994. - № 1. - С. 8-11.

Степанов С.В. Биологическая и биомемрбанная очистка сточных вод нефтехимического производства / С.В. Степанов, А.К. Стрелков, А.С. Степанов, В.Н. Швецов, К.М. Морозова, В.А. Каленюк // Водоснабжение и санитарная техника. - 2009. - № 7. - С. 55-72.

. Глубокая очистка городских сточных вод с применением мембранной технологии / Е.А. Олейник, Г.А. Забелина // Наука и молодежь: проблемы, поиски, решения: Труды Всероссийской научной конференции студентов, аспирантов и молодых ученых. - Новокузнецк: Сибирский государственный индустриальный университет, 2008. - Вып. 12. - Ч. V.Технические науки. - С. 244-247.

.Шарафутдинова Г.М. Повышение экологичности нефтеперерабатывающих предприятий созданием ресурсосберегающих химико-технологических водных систем на основе мембранных процессов автореферат диссертации кандидата технических наук: 03.00.16, 05.17.08 /Шарафутдинова Гульнара Минигаяновна. - Уфа - 2008. - 24 с.

Рулев Н.Н., Седлухо Ю.П. Роль гидродинамического и гравитационного механизмов в работе коалесцирующего фильтра // Химия и технология воды. - 1990. - т. 12. - № 5. - с. 393-398.

Рулев Н.Н., Седлухо Ю.П. Коллоидно-гидродинамическая теория разделения фаз масляно-водяных эмульсий коалесцирующим фильтром // Химия и технология воды. - 1990. - т. 12. - №9. - с. 219-223.

Кулалаева Н. В.Повышение эффективности очистки водонефтяных эмульсий формированием организованной среды в межфазных пограничных

Адельшин А.Б. Использование гидродинамических насадок с

крупнозернистой загрузкой для интенсификации очистки нефтесодержащих

сточных вод / А.Б. Адельшин, Н.С. Урмитова. - Казань: Каз. гос. арх.-строит.

академия, 1997. - 251 с.

Седлухо Ю.П. Моделирование гидродинамических условий процесса

коалесценции эмульгированных в воде нефтепродуктов в слое зернистой загрузки коалесцирующих фильтров / Ю.П. Седлухо, А.Д. Линкевич // Известия вузов. Сер.Строительство и архитектура. - 1989. - №10. - С. 88-91

Д.В. Пчелинцев, канд. техн. Наук. Методика проектирования коалесцирующих фильтров сепарационных установок УДК 629.12

Истомин В.И Уравнение подобия коалесценции нефтесодержащих вод в тканевых фильтрах. Севастопольский национальный технический университет, УДК 629.12.03 г. Севастополь 2003г

М.П. Тюрин, М.А. Апарушкина, З,Н. Османов, Н.А. Солдатова, В.Б. Сажин. Разрушение устойчивых эмульсий в струйном аппарате// Успехи в химии и хим. технол.. 2012. 26, N 5, с. 11-13. Библ. 2. Рус.; рез. англ.

40. Пат. 2361661 РФ, C2, МПК51 B01D17/022 (2006.01). Сорбирующий материал, способ его изготовления и использования / Дегтярев В. А., Лакина Т. А.; заявители и потентообладатели Дегтярев В. А., Лакина Т. А. - № 2003124478/15; заявл. 11.08.2003; опубл. 10.02.2005. - с. 6.

41.    Chakrabarty B. // Journal of Membrane Science. 2008.№325. P. 427-437.

42.    Rahimpour A. // Desalination. 2011. № 265. P. 190-198.

43.    Kocherginsky N.V. // Journal of Membrane Science.2003. № 220. P. 117-128.

44.    Wu C. // Desalination. 2008. № 225. P. 312-321.

45.    Zhou J. // Separation and Purification Technology.2010. № 75. P. 243-248.

46.    Kukizaki M. // Journal of Membrane Science. 2008.№322. P. 196-203.

. Li L. // Journal of Membrane Science. 2009. № 342.P. 70-79.

. Vasanth D., Pugazhenthi G., Uppaluri R.// Desalination. 2013. 320, с. 86-95. Англ.

. Chakrabarty B., Ghoshal A. K., Purkait M. K..// Chem. Eng. J.. 2010. 165, N 2, с. 447-456. Англ.

. Samuel J. Maguire-Boyle, Andrew R. Barron// Journal of Membrane Science382 (2011) 107- 115

51. Alberto Lobo, A´ ngel Cambiella, Jose´ Manuel Benito, Carmen Pazos, Jose´ Coca// Journal of Membrane Science 278 (2006) 328-334

-288

. Hanieh Karimnezhada, Laleh Rajabia, Ehsan Salehib,∗,Ali Ashraf Derakhshana, Sara Azimi Applied //Surface Science 293 (2014) 275- 286

. Emilie Lepercq-Bosta,b, Marie-Laurence Giorgia, Arsene Isamberta, Christophe Arnaudb //Journal of Membrane Science 357 (2010) 36-46

Похожие работы на - Разработка коалесцентно-мембранного метода разделения водо-масляных эмульсий

 

Не нашли материал для своей работы?
Поможем написать уникальную работу
Без плагиата!
Без нейросетей!