Разработка системы защиты среды обитания на предприятии деревообрабатывающей промышленности

  • Вид работы:
    Курсовая работа (т)
  • Предмет:
    Экология
  • Язык:
    Русский
    ,
    Формат файла:
    MS Word
    484,18 Кб
  • Опубликовано:
    2015-03-24
Вы можете узнать стоимость помощи в написании студенческой работы.
Помощь в написании работы, которую точно примут!

Разработка системы защиты среды обитания на предприятии деревообрабатывающей промышленности

Министерство образования и науки РФ

Федеральное государственное бюджетное образовательное учреждение

высшего профессионального образования

"БАШКИРСКИЙ ГОСУДАРСТВЕННЫЙ УНИВЕРСИТЕТ"

Институт управления и безопасности предпринимательства

Кафедра Информационной безопасности





КУРСОВАЯ РАБОТА

по дисциплине: Система защиты среды обитания

на тему: Разработка системы защиты среды обитания на предприятии деревообрабатывающей промышленности


Выполнил студент

Садыков А.Г./

Руководитель работы

Бородачук Е.Н./




Уфа -2013

Реферат

ДЕРЕВООБРАБАТЫВАЮЩИЙ ЦЕХ, ЗАЩИТА АТМОСФЕРЫ, СВОЙСТВА ПЫЛИ, МЕТОД ОЧИСТКИ, ОФОРМЛЕНИЕ, ЭФФЕКТИВНОСТЬ ПЫЛЕУЛАВЛИВАНИЯ, УТИЛИЗАЦИЯ ОТХОДОВ.

Объект исследования - Деревообрабатывающий цех.

Охарактеризован деревообрабатывающий цех как источник загрязнения окружающей среды.

Проведен и обоснован выбор геосфер для разработки системы защиты от приоритетных загрязнителей.

Проведен анализ существующих методов очистки воздуха от приоритетных загрязнителей, с патентной проработкой.

Проведен расчет аппаратов принципиальной технологической схемы очистки выбрасываемых загрязнений.

Обоснована эффективность разработанной системы защиты окружающей среды.

Пояснительная записка: 47. стр, рисунков 10, таблиц 11, библиограф 16

Содержание

Введение

. Характеристика выбросов в деревообрабатывающем цехе при шлифовании

1.1 Виды шлифовальных станков

.2 Характеристика выбросов

.2.1 Загрязнение атмосферы

.2.2 Загрязнение сточными водами

.2.3 Загрязнение почвы

.3 Обоснование выбора атмосферы

2. Проектирование защиты атмосферы, выбор метода и средств очистки выбросов

. Утилизация твердых отходов

. Аппаратно - технологическое оформление системы защиты атмосферы

Заключение

Используемая литература

выброс деревообрабатывающий утилизация атмосфера

Введение

В связи с возрастающим загрязнением атмосферы больших городов и рабочих поселков возрастает актуальность совершенствования способов очистки промышленных отходов и газов. Значительный вклад в загрязнение атмосферы вносит деревообрабатывающая промышленность.

Особенно актуальна проблема прогнозирования загрязнения окружающей среды от деревообрабатывающей промышленности, связанного с ростом потребления целлюлозно-бумажной продукции.

В связи с этим разработаны схемы очистки окружающей среды.

Так же актуальной является проблема утилизации твердых отходов. Наиболее эффективным методом утилизации твердых отходов является их переработка.

Деревообрабатывающая промышленность оказывает негативное влияние на воздух рабочей зоны предприятия. В атмосферу выбрасывается большое количество пыли, которая влияет на самочувствие рабочих, вызывая с течением времени различные хронические заболевания легких и аллергии, таких как астма, пневмокониоз. В данной работе рассматриваются вопросы нахождения наиболее эффективных методов защиты окружающей среды от загрязнения вредными веществами. [2 стр. 34]

Что касается степени вредности древесной шлифовальной пыли, то ее следует отнести к категории нетоксической пыли.

Теоретическими основами исследования послужили научные труды д-р техн. наук, В.М. Попова, В.В. Юшина, инж., С.К.Баланцев, д-р физ-мат. наук Г.А. Литвинцева.

Целью исследований является разработка систем защиты среды обитания от загрязняющих выбросов на деревообрабатывающей промышленности.

Для достижения поставленной цели решались следующие задачи:

. Описать деревообрабатывающий цех как источник вредных выбросов;

. Разработать систему защиты атмосферы.

. Разработка схемы утилизации отходов.

Объектом исследования является деревообрабатывающий цех.

Деревообрабатывающий цех предназначен для выпуска пиломатериалов из бревен и изготовления изделий из древесины. Такие цеха часто входят в состав различных предприятий, в которых по технологии предусмотрено использование древесных материалов и изделий из нее (мебельные фабрики, предприятия строительной индустрии, выпуск товаров народного потребления, модельные цеха литейных производств и другие).

Предметом исследования является защита окружающей среды от предприятия деревообрабатывающей промышленности.

Рассеивание вредностей в атмосфере является наиболее простым и дешевым способом защиты окружающей среды. Однако его можно использовать лишь в том случае, если концентрация выбрасываемых вредностей не превышает ПДК. В случае же если превышает применим фильтры и циклоны.

Информационной базой исследования послужили методические указания по расчету выбросов загрязняющих веществ в атмосферный воздух предприятиями деревообрабатывающей промышленности (издание второе, переработанное и дополненное). Город Петрозаводск, 1992 год.

1. Характеристика выбросов в деревообрабатывающем цехе при шлифовании

По признакам выпускаемой продукции и технологии ее выработки деревообрабатывающая промышленность делится на следующие производства: лесопильное, шлифование, слоистой клееной древесины и древесноволокнистых плит, деревообрабатывающее и специальные. В лесопильном производстве бревна и кряжи перерабатываются на пиломатериалы и заготовки. Для технологии лесопильного производства характерна механическая обработка древесины резанием. В последнее время в технологические процессы лесопильных предприятий стали включаться операции склеивания и выработки клееных заготовок.

В производстве слоистой клееной древесины и плит бревна и кряжи перерабатываются на клееные листовые материалы (фанеру, слоистую клееную древесину и древесноволокнистые плиты). Для технологии этого производства характерны процессы гидротермической обработки, резания древесины на тонкие листы, дробления и склеивания [8 стр. 75].

Деревообрабатывающее производство в качестве сырья использует пиломатериалы, фанеру, плиты и вырабатывает готовые изделия (оконные и дверные блоки, мебель, деревянные музыкальные инструменты, спортивный инвентарь, футляры радиоприемников, телевизоров и приборов, деревянные части автомашин, вагонов).

Для технологии таких производств характерно применение столярных соединений и склеивания, механическая обработка древесины резанием и отделка древесины лакокрасочными материалами. В специальную группу деревообрабатывающих производств входят производства, выпускающие специализированную продукцию: обозное, бондарное, колодочное, стандартного домостроения (за исключением окон и дверей), лыжное, древесностружечных плит и др.

Сырьем для специальных производства служат полуфабрикаты лесопильного и фанерного производства, иногда бревна и кряжи, а для изготовления древесностружечных плит - отходы лесопиления и деревообработки. В технологических процессах специальных производств встречаются разнообразные операции по обработке древесины: резание, гидротермическая обработка, гнутье, склеивание и др.

Специализированные лесопильные предприятия - лесозаводы. Располагаются они в пунктах концентрации пиловочного сырья. Основным видом продукции являются пиломатериалы и заготовки. Эти предприятия могут кооперироваться с целлюлозно-бумажными и гидролизными предприятиями, передавая последним сопутствующую продукцию своего производства в виде технологической щепы.

В технологии лесопильного и деревообрабатывающих производств все более широкое распространение получает агрегатный метод переработки пиловочного сырья на пиломатериалы и технологическую щепу. Внедряется технология и оборудование для пакетного метода обращения в производстве и при перевозках пилопродукции [10 cтр. 153].

Механическая обработка, при которой обеспечивается получение необходимых деталей и изделии за счет изменения формы и размеров обрабатываемой древесины, осуществляется резанием, раскалыванием, давлением, дроблением.

Резание получило преимущественное применение среди других методов механической обработки древесины. Резанием древесины называется процесс, при котором разрушаются связи между частицами древесины в заданном направлении и часть обрабатываемого материала отделяется. Цель процесса - получение из древесины деталей и изделий требуемой формы, размеров и качества.

Резание может происходить с образованием стружки, в которую превращается отделяемая резцом часть древесины, и без нее (например, при делении ножницами листов шпона). Стружечное резание - один из основных методов механической обработки древесины. Другие ее методы, такие, как раскалывание и дробление, не обеспечивают заданной формы объектов обработки, поэтому применяются в основном либо на подготовительных операциях (раскалывание), либо при ударном дроблении древесины. Обработка давлением применяется редко в связи с малой пластичностью древесины. Для резания древесины используют различные инструменты, основным элементом которых является резец в форме клина. На современном рынке лесопильного оборудования представлен достаточно широкий ассортимент лесопильных станков. Но выбор оборудования, максимально отвечающего технологической направленности производства, позволяющего получать высококачественные пиломатериалы, становится все более непростым по многим объективным и субъективным причинам [4 стр. 345].

Первичным видом сырья в деревообработке являются круглые сортименты от лесозаготовительных производств - пиловочник, шпальник, балансы, дрова и т.п., на базе которых выделились специфичные производства - лесопиление, шпалопиление, производство фанеры, плит, спичек.

Вторичным видом сырья в деревообработке являются пиломатериалы, фанера, плиты, на базе которых выделились производства - мебельное, лыжное, тарное, а также производство столярно-строительных изделий и комплектов деревянных домов. Каждое из перечисленных производств является специфичным по присущей ему технологии и оборудованию. Многие из этих производств обеспечены справочной и нормативной литературой.

Для дальнейшей обработки древесного материала используют шлифование. Любые неровности (фиски, сколы, вырывы, ворсистость, мшистость), полученные от инструментов при механической обработке древесины, характеризуют ее шероховатость. Требования к шероховатости поверхности древесины установлены ГОСТ 7016 "Древесина. Шероховатость поверхности. Параметры и характеристики". Припуски на первичную и повторную механическую обработку по толщине, ширине и длине при изготовлении деталей из пиломатериалов и заготовок хвойных и лиственных пород, сборочных единиц типа щитов, рамок, коробок и ящиков, а также деталей из облицованных и необлицованных столярных плит установлены ГОСТ 7307.


1.1 Виды шлифовальных станков

Шлифовальный станок применяется для того, чтобы очистить поверхность изделия от ненужных слоев. В основном он предназначен для древесных материалов. Металлорежущий станок для обработки заготовок абразивным инструментом это и есть шлифовальный станок. Используя шлифовальный станок, выполняют обдирку, резку и отрезку заготовок, точную обработку поверхностей заготовок, поверхностей вращения, зубьев колес, заточку инструмента и т.п.

По принятой классификации группу станков, работающих абразивным инструментом, обозначают цифрой 3 (первая цифра в обозначении модели). Вторая цифра указывает тип станка: 1 - круглошлифовальные станки; 2 - внутришлифовальные станки; 3 - обдирочно-шлифовальные, 4 - специализированные шлифовальные станки; 5 - продольно - шлифовальные; 6 - заточные; 7 - плоскошлифовальные с прямоугольным или круглым столом; 8 - притирочные и полировальные станки, 9 - разные станки, работающие абразивным инструментом. Если необходимо указать что рассматриваемая конструкция станка усовершенствована, т.е. принадлежит к новому поколению станков, то в условное обозначение вводят букву, например А (3А64).

Для облегчения работы по шлифованию древесины можно применять шлифовальные машины:

дисковые;

ленточные;

эксцентриковые.

Шлифованием называют резание древесины абразивными кругами. При шлифовании главным движением резания является движения инструмента. Различают шлифование периферией абразивного круга и торцом круга, в первом случае режущей частью является наружная поверхность круга, а во втором случае - торец круга.

В зависимости от расположения и формы обрабатываемой заготовки шлифование подразделяют на следующие виды: наружное, когда обрабатывается наружная поверхность заготовки, внутреннее, когда обрабатывается внутренняя поверхность заготовки, плоское, когда обрабатывается плоская поверхность, профильная, когда обрабатывается поверхность, образующая которой представляет кривую или ломаную линию.

Шлифование поверхности вращения называют круглым шлифованием, сферической поверхности - сферошлифованием, боковых поверхностей зубьев зубчатых колес - зубошлифованием, боковых сторон и впадин профиля резьбы - резьбошлифованием, шлицевых поверхностей - шлицешлифованием. Различают также шлифование в центрах (если заготовку крепят в центрах) и в патроне (если заготовку крепят в патроне). В машиностроении наиболее часто применяют круглое (наружное и внутреннее) и плоское шлифование.

Шлифовальный круг представляет собою пористое тело, состоящее из большого количества мелких зерен, абразивного материала, соединенных между собою клеящим веществом - связкой керамической, вулканитовой или металлической. Процесс шлифования состоит в том, что вращающийся шлифовальный круг, соприкасаясь с металлом острыми гранями абразивных зерен, снимает с поверхности заготовки слой металла [16 стр. 126].

Для шлифовальной обработки применяются круги, размеры которых соответствуют ГОСТ 2424-83, а абразивный материал техническим условиям с повышенными требованиями к его однородности. Размеры круга, его форма и характеристики, обычно заранее определены в технологических картах обработки.

Существуют следующие виды шлифовальных станков:

I) Круглошлифовальные станки.

1-корпус;2- подшипник скольжения; 3- крышка; 4- шкив; 5- клиноременная передача; 6- направляющее качение; 7- станина; 8- контргайка; 9- гайка;10 и 12- кольца; 11- обойма;13- шлифовальный круг; 14- шпиндель.

Рисунок 1.1 - Шлифовальная бабка круглошлифовального станка

Для продольного и врезного шлифования наружных цилиндрических, пологих конических и торцовых поверхностей с установкой заготовок в центрах или патроне применяют круглошлифовальные центровые станки. Таким шлифовальным станкам отдается наибольшее предпочтение.

II) Плоскошлифовальные станки.

Плоское шлифование часто применяют вместо чистового строгания, чистового фрезерования и шабрения. Плоские поверхности можно шлифовать периферией и торцом круга. Разновидностью плоского шлифования является профильное шлифование, выполняемое на плоскошлифовальных станках.

а-ж - с прямоугольным столом; б - с круглым столом, торцом шлифовального круга; в - с прямоугольным столом: г - с круглым столом; д - с двумя вертикальными шпинделями и круглым столом; е - с двумя горизонтально расположенными шпинделями при одновременном шлифовании двух торцов заготовки; 1 - заготовка; 2 - верхняя линейка; J работе периферией круга на станках с прямоугольным столом припуск снимают следующими способами.

Рисунок 1.2 - Схемы обработки поверхностей при плоском шлифовании периферией и торцом шлифовального круга

Шлифование поперечными рабочими ходами, при этом поперечная подача круга (детали) вдоль оси шпинделя осуществляется за каждый ход стола; круг снимает слой материала толщиной, равной глубине резания, а шириной, равной поперечной подаче круга за один ход стола. После рабочего хода вдоль всей шлифуемой поверхности круг устанавливают на определенную глубину и снимают следующий слой. Рабочие ходы повторяются до полного удаления припуска. При глубинном шлифовании круг снимает основную часть припуска за каждый ход стола; после каждого хода стола круг (стол) перемещается вдоль оси шпинделя на расстояние (3/4-4/5) H; оставшуюся часть припуска (0,01...0,02 мм) снимают предыдущим способом.

При шлифовании ступенчатым кругом основная часть припуска распределяется между отдельными ступенями круга и снимается за один рабочий ход; последняя ступень снимает небольшой слой материала; затем выполняют чистовое шлифование поперечными рабочими ходами.

Плоскошлифовальные станки по принципу работы делят на станки для шлифования периферией и торцом круга; по форме стола и характеру его движения - на станки с возвратно-поступательным и вращательным движением стола; по степени универсальности - на универсальные, полуавтоматические и автоматические. Плоскошлифовальные станки с прямоугольным столом выпускают с горизонтальным и вертикальным шпинделем; неавтоматизированные и полуавтоматические станки - с приборами активного контроля.

- пульт управления; 2, 12 - передняя и задняя бабки; 3 - тахометр; 4 - гидростанция; 5 - отсчетно-командное устройство; 6 - суперфинишная головка; 7 - рукоятки управления усилием пружин брусков; 8 - механизм осциллирования; 9 - электрошкаф; 10- абразивные бруски; 11 - обрабатываемая заготовка.

Рисунок 1.3 - Центровой суперфинишный автомат

В полировальных автоматах предназначенных для декоративной отделки и чистовой обработки фасонных поверхностей используют абразивный инструмент на эластичной основе. Он обеспечивает малые давления резания (0,03...0,2 ГПа) независимо от изменений формы обрабатываемых поверхностей. В качестве абразивного инструмента при полировании применяют эластичные круги и абразивные ленты 7 В притирочных (доводочных) автоматах производится окончательная абразивная обработка деталей, обеспечивающая высокое качество поверхностного слоя (параметр шероховатости поверхности до Rz = 0,05...0,1 мкм, отклонения формы обработанных поверхностей до 0,05...0,03 мкм). В зависимости от типа инструмента притира различают доводку незакрепленными зернами абразива в составе абразивных паст и доводку закрепленными зернами абразива (шаржированными притирками и абразивными кругами).

На результаты доводочных, операций существенное влияние оказывают притиры. Их изготовляют из стали, чугуна, меди, бронзы, твердых и вязких пород дерева и др.

В притирочных (доводочных) автоматах производится окончательная абразивная обработка деталей, обеспечивающая высокое качество поверхностного слоя (параметр шероховатости поверхности до Rz = 0,05...0,1 мкм, отклонения формы обработанных поверхностей до 0,05...0,03 мкм). В зависимости от типа инструмента притира различают доводку незакрепленными зернами абразива в составе абразивных паст и доводку закрепленными зернами абразива (шаржированными притирками и абразивными кругами).

III) Ленточный шлифовальный станок

Ленточно-шлифовальный станок ECO широко известен в России по аббревиатуре ШлПС - станок шлифовально-ленточный с подвижным столом. И действительно, данный деревообрабатывающий станок имеет рамную конструкцию, где рабочий орган (абразивная бесконечная лента) вращается над столом, который в свою очередь может перемещаться вместе с заготовкой. Довольно распространенный тип станков на наших деревообрабатывающих предприятиях. ECO шлифует плоскости и даже прямые кромки на заготовках при производстве дверей, окон, лестниц, мебельного щита, стульев, столов, корпусной мебели, элементов мягкой мебели, да любой столярной продукции.

1 и 3 - контактные ролики; 2- шлифовальная лента.

Рисунок 1.4 - Схема Ленточного шлифовального станка

При шлифовании на одноагрегатных калибровальных станках припуск снимается с одной стороны детали, и она обрабатывается, как правило, в два прохода - сначала с верхней, а затем и с нижней пласти. При таком способе калибрования неизбежно несимметричное распределение припуска между пластями - основной припуск сошлифовывается на первом проходе. Поскольку композиционные древесные материалы имеют анизотропное строение (наружные слои в первую очередь у прессованных плитных материалов более плотные, чем внутренние), снятие несимметричных припусков с верхней и нижней пластей приводит к короблению деталей после калибрования [14 стр. 24].

1.2 Характеристика выбросов механической обработки древесины

Механическая обработка древесины связана с выделением загрязняющих веществ (древесная пыль, опилки, стружка).

Пылью (аэрозолем) называются измельченные или полученные иным путем мелкие частицы твердых веществ, витающие (находящиеся в движении) некоторое время в воздухе. Такое витание происходит вследствие малых размеров этих частиц (пылинок) под действием движения самого воздуха. Это может представлять определенную опасность для работающих. В подобных случаях находящаяся в воздухе пыль становится одним из факторов производственной среды, определяющих условия труда работающих; она получила название промышленной пыли.

Пыли образуются вследствие дробления или шлифования, испарения с последующей конденсацией в твердые частицы. [1]

ПМОД - первичная механическая обработка материалов.

Рисунок 1.5 - Классификация источников загрязнения газопылевых выбросов предприятий механической обработки древесины

Источниками выделения древесной пыли являются циркульные пилы, торцовочные станки, станки фуговальные, рейсмусовые, сверлильные, фрезерные, строгальные, шипорезные, шлифовальные и др.

Таблица1.1 - Пылеобразование при механической обработке древесины


При производстве этих операций образуется пыль различной крупности.

Таблица 1.2 - Дисперсный состав пыли, образующейся при основных процессах механической обработки древесины

Технологический процесс

Содержание пыли, в % при ее дисперсном составе: мкм


200 - 100

100 - 75

75 - 53

53 - 40

40

Пиление

16

68

10

3

3

Фрезерование

40

53

4,5

2

0,5

Сверление

45,5

4,5

2,5

1,5

Строгание

52

43

3

1,2

0,8

Шлифование

21

28

17,5

12

21,5


Содержание пыли в отходах при различных технологических процессах обработки древесины .

Валовое выделение древесной пыли представляет собой сумму выделений от всех технологических процессов и оборудования механической обработки древесины предприятия.

Мобщ. = Мп1 + Мп2 + ... + Мп

где: Мобщ. - валовые выделения пыли от всех технологических агрегатов, (т/год);

Мп1, Мп2... Мп - количество пыли, образующейся при обработке древесины на деревообрабатывающих станках, (т/год).

Пыль, образующаяся на предприятиях строительной индустрии, весьма разнообразна по дисперсному составу. Пыль, выделяющаяся при шлифовании может содержать частицы абразивного материала .Токсичные химические вещества, например формальдегид, содержат также пыль, образующуюся при обработке древесностружечных плит. Постоянное вдыхание формальдегида может привести к хроническому отравлению.

Загрязнение поверхности тела пылью приводит к гнойничковым заболеваниям и экземам. Попадание пыли в глаза вызывает воспалительный процесс слизистых оболочек - конъюнктивит.

Наибольшую опасность для человека представляют частицы пыли размером до 5 мкм. Они легко проникают в легкие и там оседают, вызывая разрастание соединительной ткани, которая не способна передавать кислород из вдыхаемого воздуха гемоглобину крови и выделять углекислый газ. Развивающиеся при этом профессиональные заболевания называют пневмо-кониозами [1 стр. 97].

1.2.1  Загрязнение атмосферы

Технологические процессы на предприятиях деревообрабатывающей промышленности связаны с выделением в атмосферу вредных веществ: пыли, паров растворителей и разбавителей, формальдегида, окиси углерода, оксидов а азота, аммиака, древесных отходов и и.

Основными источниками загрязнения атмосферного воздуха на деревообрабатывающих предприятиях является отделочные, фанерные и сушильные цеха, а также цеха механической обработки древесины с выработкой древесностружечных плит (ДСП), древесноволокнистых плит (ДВП), клееной фанеры, древесной муки, котельные, ремонтно-механические мастерские, автотранспортные средства т.д.

Таблица 1.3. Основные виды загрязнения атмосферы

Источники загрязнения

Вредные вещества, загрязняющие атмосферу

Деревообрабатывающие предприятия

Древесная пыль, оксид углерода, углеводороды, скипидар и др.

Мебельное производство

Формальдегид, пара растворителей и разбавителей, оксид азота, анилин, азот, уайт-спирит, скипидар, аммиак, древесный и лакокрасочный пыль

Производство ДСП, ДВП, клееной фанеры, ламинированных плит, слоистых пластиков

Формальдегид, фенол, аммиак, окись углерода, анилин, цианистый калий, древесный и лакокрасочный пыль, сероводород и др.

Целлюлозно-бумажное производство

Сероводород, скипидар, метанол, хлор, древесная пыль и др.

Производство древесной муки

Древесная пыль, оксид углерода и др.

Паросиловое хозяйство (котельные), ремонтно-механические цеха, помещения по ремонту автотранспортных средств

Оксид углерода, оксид азота, сернистый ангидрид, зола, сажа, аэрозоль свинца, пары горюче-смазочных материалов, абразивный и металлическая пыль и др.


Интенсивность вредных выделений обусловлена также видом материалов, применяемых в производстве, характеру технологии и режимом работы. Крупнейшими загрязнителями атмосферы являются производство древесноволокнистых плит, слоистых пластиков отделочных цехов мебельных производств и др. [8 стр. 7]

1.2.2 Загрязнение сточными водами

В результате интенсивного использования деревообрабатывающими предприятиями водных ресурсов происходит загрязнение водоемов, что в итоге приводит к значительным качественным и количественным изменениям как водного бассейна у определенного региона, так и гидросферы в целом. Большинство водоемов, рек, озер является не только источниками водоснабжения, но и бассейнами для сброса промышленных и хозяйственно-бытовых стоков. Иногда степень в чистки этих вод является неудовлетворительным, вследствие чего вода становится непригодной для потребления, гибнут водные растения, организмы, рыбы, птицы и животные.

Отработанная вода деревообрабатывающего предприятия, выводимой на его территории или направляется на обработку с целью очистки, называется сточной.

Для сточных вод деревообрабатывающих предприятий характерны четыре вида примесей.

суспензии, эмульсии и патогенные микроорганизмы, вызывающие мутность воды;

коллоидные растворы, обусловливающие окисления и изменения цвета воды;

молекулярные растворы (растворенные в воде газы, растворители, разбавители), вызывающих неприятный вкус и запах;

ионные растворы (электролиты), вызывающие минерализацию воды.

В таблице 1.4 приведены источники и виды вредных веществ, загрязняющих сточные воды деревообрабатывающих, целлюлозно-бумажных предприятий[15 стр. 25].

Таблица 1.4 Основные виды вредных веществ, загрязняющих сточные воды деревообрабатывающих предприятий

Источники загрязнения

Вредные вещества, загрязняющие сточные воды

Деревообрабатывающие предприятия

Аммиак, углекислота, карбоновые кислоты (уксусная, муравьиная, протеиновая), древесные отходы

Мебельное производство

Формальдегид, аммиак, анилин, растворители и разбавители, отходы лакокрасочных материалов, синтетических смол, клеев, древесные отходы и др.

Производство ДВП

Коллоидные растворы (целлюлоза, гемицеллюлоза, лигнин), фурфурол, спирты, альдегиды, серная кислота, красители, дубильные вещества, сульфат аммония, парафин, древесные волокна и др.

Производство ДСП, клееной фанеры, ламинированных плит, слоистых пластиков.

Формальдегид, фенол, ацетон, уксусная и муравьиная кислоты, отходы бакелитовых смол, древесные отходы

Паросиловое хозяйство (котельные), ремонтно-механические цеха, помещения по ремонту автотранспортных средств

Соединения свинца, бензин, дизельное топливо, масла, мазут, моющие средства, серная кислота, отходы тканевых материалов и др.


1.2.3 Загрязнение почвы

Одним из основных вопросов охраны окружающей среды является защита литосферы - внешней твердой оболочки Земли

Сейчас почвы и земельные ресурсы, как и водные источники и атмосфера, требуют защиты от воздействия вредных химических и физических факторов.

Почва загрязняется продуктами выбросов в атмосферу (аммиак, хлор, формальдегид, оксид азота, цианистый калий) деревообрабатывающими предприятиями, которые затем вымываются осадками или осаждаются на почву.

Почва также загрязняется твердыми не древесными отходами.


.3 Обоснование выбора атмосферы

Для того чтобы понять к какой оболочке Земли разрабатывать систему защиты, необходимо знать сколько и какие вредные вещества попадают в ту или иную оболочку от предприятия деревообрабатывающей промышленности.

Рисунок 1.6 - Схема выбросов в деревообрабатывающей промышленности

Таким образом, из вышеприведенной схемы следует, что самый большой перечень загрязняющих веществ от предприятий деревообрабатывающей промышленности поступает в атмосферу, в связи с этим в данной работе будет разработана система защиты среды обитания в атмосфере.

2. Проектирование системы защиты атмосферы

При шлифовании деревянных изделий происходит выделение древесных продуктов (стружки, опилок, древесной пыли и т. д.), загрязняющих воздушную среду. Основная часть выделяющихся вредных твердых отходов улавливается местными отсосами, остальные - растворяются системами общеобменной вентиляции.

Загрязнения, удаляемые системами вытяжной вентиляции, направляются на установки обезвреживания или рассеиваются в атмосфере.

Рассеивание вредностей в атмосфере является наиболее простым и дешевым способом защиты окружающей среды. Однако его можно использовать лишь в том случае, если расчетами будет доказано, что содержание выбрасываемых вредностей в приземном слое совместно с существующим фоном не превышает допустимого по санитарным нормам.

Для обработки древесных материалов шлифованием рекомендуется применять следующие типы установок обезвреживания загрязненного воздуха:

) очистка загрязненного воздуха при помощи вентиляции.

) прямое термообезвреживание, заключающееся в выжигании примесей в загрязненном воздухе при температуре 1000-1100 °С; несмотря на кажущуюся простоту этого метода, его из-за большого расхода топлива нужно применять только при наличии в воздухе примесей, пассивирующих работу. Из представленных методов обезвреживания загрязненного воздуха, наиболее эффективным, для очистки воздуха от древесных примесей, является метод очистки загрязненного воздуха при помощи вентиляции газов, так как прямое термообезвреживание проходит при более высокой температуре (1000-1100 °С), кроме того термообезвреживание требует большого расхода топлива.

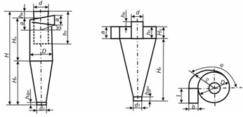
По этому для очистки воздуха применяем циклон ЦН-15

Где: Диаметр выхлопной трубы d - 0,59 м; диаметр пылевыпускного отверстия d1 - 0,3-0,4 м; диаметр входного патрубка b - 0,2 м; Длина входного патрубка l - 0,6 м; высота входного патрубка а - 0,66 м; высота выхлопной трубы (ВТ) hт - 1,74 м; высота внешней части (ВТ) hв - 0,3 м; высота цилиндрической части Нц - 2,06 м; высота конуса Нк - 2,0 м; высота установки фланца hфл - 0,1 м; общая высота циклона Н - 4,56 м.

Рисунок 2.1 - Схема циклона ЦН-15

Циклоны ЦН-15 предназначены для очистки воздуха от сухой, неслиппающейся, неволокнистой пыли, образующейся в различных помольных и дробильных установках и при транспортировании сыпучих материалов.

Степень очистки в циклоне сильно зависит от дисперсного состава частиц пыли в поступающем на очистку газе (чем больше размер частиц, тем эффективнее очистка). Для распространённых циклонов типа ЦН степень очистки может достигать:

для частиц с условным диаметром 20 микрон - 99,5% - для частиц с условным диаметром 10 микрон - 95% - для частиц с условным диаметром 5 микрон - 83%  C уменьшением диаметра циклона степень очистки возрастает, но увеличивается металлоёмкость и затраты на очистку. При больших объёмах газа и высоких требованиях к очистке газовый поток пропускают параллельно через несколько циклонов малого диаметра (100-300 мм.). Такую конструкцию называют мультициклоном или батарейным циклоном. Возможно, также применить электростатический фильтр, который, напротив, эффективен именно для малых частиц [13 стр. 72].

Существуют также фильтры по очистке воздуха, работающие, по аналогии с фильтром ЦН-15, но в отличии от ЦН-15, эти фильтры более сложные в эксплуатации и дорогостоящие. К таким фильтрам можно отнести:

1. Рукавные фильтр "СМЦ-101 А".

Предназначенный, для очистки воздуха от стружки, опилок и шлифовальной пыли. Установки оборудованы системой непрерывной выгрузки отходов в пневмотранспорт, механический транспортер или специальный бункер-накопитель отходов.

Степень очистки воздуха установками составляет 99,9%. Установки используются в качестве элемента очистки воздуха в системах аспирации и пневмотранспорта как с применением рециркуляционной схемы обращения воздуха, так и без нее.

Установка предназначена для очистки больших объемов загрязненного воздуха от древесной стружки, опилок и непрерывной выгрузки отходов деревообработки в пневмотранспорт или иной транспортер отходов до сборного бункера. Обеспечиваемая установкой степень очистки воздуха позволяет возвращать очищенный воздух в помещение, сохраняя при этом его температуру.

Установка состоит из блока фильтров с механической системой регенерации и бункера, в котором расположено устройства непрерывной выгрузки отходов, выполненных в едином корпусе. Устройство выгрузки может быть двух типов: выгрузка на базе шнекового транспортера и выгрузка на основе цепного транспортера. Установка комплектуется шкафом управления и выносным пультом управления системой выгрузки. По желанию Заказчика установка может системой подачи воды при возгорании и дублирующей системой порошкового пожаротушения.

Установка оснащена автоматическим пожаротушением, включающим в себя термодатчики и систему подачи воды в случае возгорания, обратными клапанами на входных воздуховодах, клапанами разгрузки избыточного давления.

Так же возможно применение фильтров для очищения воздуха от мелкодисперсной пыли.

Принцип действия фильтра СМЦ -101 А состоит в следующем: воздух засасывается вентилятором от источника выделения пыли через диффузор (ПВУ) и подается в блок фильтров. Здесь кассетой грубой очистки улавливаются аэрозольные частицы крупнее 3-5 мкм, а кассетой тонкой очистки более мелкие частицы. Фильтрующие материалы обеих кассет работают в режиме накопления пыли. При достижении перепада давления 260-300 Па кассета грубой очистки подлежит промывке. Складчатая фильтрующая кассета после накопления в ней ~ 6 кг пыли подлежит утилизации и замене на новую (перепад давлений 700 Па).

Допускается частичная регенерация фильтрующей кассеты тонкой очистки обратной продувкой сжатым воздухом.

Фильтр СМЦ -101 А состоит из блока инерционной очистки с контейнером для уловленной пыли, блока фильтров и блока вентилятора. Блок инерционной очистки состоит из корпуса и контейнера для сбора уловленной пыли. К корпусу снаружи крепится инерционный осадитель, через который очищаемый воздух подается в фильтр. Блок фильтров состоит из корпуса, в котором размещаются сетчатый фильтр грубой очистки воздуха, фильтр тонкой очистки на основе ультратонкого стекловолокна и химкассета (в случае комплектации ею агрегата). Фильтр грубой очистки вставляется в корпус через дверцу, остальные фильтрующие элементы вставляются и извлекаются через верхнюю часть корпуса после снятия блока вентилятора. Блок вентилятора устанавливается на блок фильтров. В блок вентилятора встроен комплект электрической пусковой аппаратуры двигателя: автоматический выключатель, магнитный пускатель, кнопки "Пуск" и "Стоп", кабель электропитания, здесь же установлен дифманометр для контроля степени загрязненности фильтра тонкой очистки. Блок вентилятора соединен с блоком фильтров четырьмя замками защелками для удобства разборки и замены фильтрующего элемента. Очищенный воздух выходит наружу через выходной патрубок, снабженный шумоглушителем.

Принцип действия фильтра СМЦ -101 А состоит в следующем: загрязненный воздух из рабочей зоны засасывается блоком вентилятора во входной патрубок блока инерционной очистки, где вследствие резкого поворота струи, расширения потока и падения его скорости происходит отделение крупных частиц пыли размером более 20-50 мкм и выпадение их в бункер фильтра. Далее очищаемый воздух поступает в сетчатый фильтр грубой очистки (улавливаются частицы от 3 мкм и более) и в фильтрующую кассету тонкой очистки воздуха (улавливаются более мелкие частицы), затем в химкассету (в случае комплектации ею агрегата) для очистки воздуха от CO, NOx, HF и других вредных веществ.

. Фильтр ФСК-1000.

Фильтр ФСК-1000 состоит из корпуса, полноповоротного вытяжного устройства и вентилятора. В корпусе фильтра размещаются: кассета грубой очистки и неразборный складчатый кассетный фильтрующий элемент тонкой очистки. Вентилятор закрыт специальным звукоизолирующим кожухом. Все основные узлы фильтра установлены на раме. Для контроля запыленности кассет грубой и тонкой очистки на корпусе фильтра установлены два дифманометра. Там же размещена пусковая арматура электродвигателя вентилятора, включающая: магнитный пускатель, автоматический выключатель, кнопки "Пуск", "Стоп". Фильтр установлен на колесах. В стационарном варианте на входе фильтра вместо ПВУ устанавливается диффузор [5 стр. 124].

Фильтр ФСК 1000 в основном предназначен для очистки воздуха от СО, NO, HF и условия эксплуатации очень строгие. А рукавный фильтр СМЦ 101 "А" также так же сложен в эксплуатации, дорогостоящий и очень большой по своим размерам, чего нельзя сказать про циклон ЦН - 15, по этому в данной работе применим именно его.

3. Утилизация отходов производства и потребления

Определение класса опасности

Древесная пыль - пыль образующаяся при шлифовании деревянных изделий.

Объем накопления (H, т/г) рассчитывается по формуле:

H= , где

M - массовый выброс вещества, г/с;

K - коэффициент бесперебойной работы (принимаем 0,2)

 (т/г)

Определение токсичности производится по следующим формулам :

Коэффициент Wi рассчитывается по одной из следующих формул:


ПДКс.с. древесной пыли равен 25 мг/м3, исходя из чего X=2

Lg W=2,33

 (мг/кг)

Показатель степени опасности компонента отхода Ki рассчитывается по формуле:

Ki = Ci/Wi,где

Ci - концентрация i-го компонента в опасном отходе (мг/кг отхода);

Wi - коэффициент степени опасности i-го компонента отхода для ОПС (мг/кг).

i - 10000 мг/м3

K=10000/215,44=46,4

Отнесение отходов к классу опасности расчетным медом по показателю степени опасности отхода для ОПС осуществляется в соответствии с таблицей 8.

Таблица 3.1 - Отнесение отхода к классу опасности

КЛАСС ОПАСНОСТИ ОТХОДА

СТЕПЕНЬ ОПАСНОСТИ ОТХОДА ДЛЯ ОПС (К)

I

106 ≥ K > 104

II

104 ≥ K > 103

III

103 ≥ K > 102

IV

102 ≥ K > 10

V

K ≤ 10


Соответственно древесная пыль относится к 4 классу опасности.

Способы утилизации отходов

Существует множество способов утилизации древесных отходов. Ниже рассмотрим их подробнее.

Древесноволокнистые плиты (ДВП)

ДВП - листовой материал, изготовляемый в процессе горячего прессования массы из древесных волокон, сформированных в виде ковра. Эти волокна получают путем пропарки и размола древесного сырья. Они представляют собой отдельные клетки тканей, их обрывки или группы клеток древесины. Сырьем ДВП служат отходы лесопиления и деревообработки, технологическая щепа и дровяная древесина. Для улучшения эксплуатационных свойств в массу добавляют упрочняющие вещества (например, синтетические смолы), гидрофобизаторы (парафин, церезин), антисептики и др. Формирование ковра может осуществляться в водной среде с получением плит односторонней гладкости (мокрый способ производства) или в воздушной среде с получением плит двусторонней гладкости (сухой способ). Растительное сырье измельчают в различных агрегатах в присутствии большого количества воды, облегчающей разделение древесины на отдельные волокна, и смешивают со специальными добавками. Далее жидкотекучую волокнистую массу передают на отливочную машину, состоящую из бесконечной металлической сетки и вакуумной установки. Здесь масса обезвоживается, уплотняется и разрезается на отдельные плиты заданного размера, которые затем подпрессовывают и сушат.

Для повышения водостойкости плит применяется парафин, а в качестве упрочняющих (связующих) добавок (только в марках Т) используются малотоксичные фенолформальдегидные смолы с содержанием свободного формальдегида не более 0,1 %.

Использование природного сырья - древесной щепы - способствует сохранению в изделиях из ДВП таких свойств древесины, как долговечность и прочность.

ДВП находит широкое применение в строительстве, производстве мебели, тары, столярных и других изделий и конструкций, защищенных от увлажнения. Это прекрасный материал для облицовки и звукоизоляции стен, полов и потолков жилых зданий, утепления кровель (особенно в деревянном домостроении), акустической отделки специальных помещений (радиостудий, машинописных бюро, концертных залов и т.п.).

Кроме того, ее можно использовать в качестве подкладочного слоя под все виды напольных покрытий: дощатого и щитового паркета, синтетических покрытий и линолеума. Плиты в зависимости от плотности, прочности и вида лицевой поверхности подразделяются на марки (твердые - Т, НТ - нормально твердые, мягкие - М), в зависимости от уровня физико-механических показателей (влагопоглащение, прочность, упругость)- на группы (А - высокие показатели и Б - менее высокие показатели), и по качеству - на сорта (1 и 2).

Наряду с достоинствами древесноволокнистые плиты имеют и недостатки. Они обладают высоким водопоглощением (до 18% в сутки), отличаются значительной гигроскопичностью (до 15 % в нормальных условиях), при изменении влажности окружающей среды меняют свои размеры, в них могут развиваться древоразрушающие грибы. Такие плиты легче воспламеняются, чем обычная древесина. С целью увеличения прочности, долговечности и огнестойкости ДВП применяют специальные добавки: водные эмульсии синтетических смол, эмульсии из парафина, канифоли, битума, антисептики и антипирены, а также асбест, глинозем и др.

Древесностружечная плита (ДСП)

Древесностружечная плита (ДСП) - листовой материал, изготовленный путем горячего прессования древесной стружки (90%), смешанной со связующим веществом (8-12%). Для изготовления ДСП применяются низкотоксичные карбамидоформальдегидные и фенолформальдегидные связующие. Древесностружечные плиты доводятся до номинальных размеров путем шлифовки. Свое применение они нашли в производстве корпусной мебели, в строительстве и других отраслях промышленности. В мебельном производстве ДСП применяют для изготовления корпусов мягкой мебели, мебельных заготовок, столешниц, детской и кухонной мебели, мебели для офиса, прихожих. В строительстве это в основном внутренняя отделка помещений, изготовление дверей, подоконников, выставочных конструкций, стеллажей, использование как основы под потолки, настил под полы. К отрицательным моментам относится низкая влагостойкость ДСП, она довольно легко крошится при обработке. Плиты следует предохранять от увлажнения.

Рисунок 3.1 - Схема производства плит на непрерывно работающем рулонном прессе

Это многослойные плиты, которые производятся из стружек. Количество опилок зависит от желаемой толщины плиты и дозируется при помощи специальных весов. На пути формовочной машине опилки методом обработки распыления смешиваются с искусственными смолами, такими как, например, мочевиноформальдегидная смола, или дианизидиндиизоцианатными клеящими веществами (изоцианатами). В формовочной машине опилки на транспортере формируются в сформованные заготовки, при этом опилки среднего слоя наносят методом набрасывания, а опилки наружного слоя - методом воздушной сепарации. Таким образом, более тонкие опилки попадают на поверхность плиты. Подаваемая непрерывная лента предварительно уплотняется в прессе, отрезается по длине и потом подается на многоэтажный пресс или постоянно движущийся рулонный пресс. Во время процесса прессования клей на основе синтетической смолы затвердевает при температуре от 170 до 190 0С и давлении около 300 Н/м2 .

Производство древесных гранул построено на другой технологии

Гранулирование древесных отходов.

Рисунок 3.2 - Схема производства топливных гранул из древесных отходов

- рубильная машина; 2 - склад с подвижным полом; 3 - транспортер; 4 - дробилка; 5 - грохот вибрационный; 6 - бункер-дозатор; 7 - питатель-дозатор; 8 - бункер теплогенератора; 9 - теплогенератор; 10 - газоход; 11 - растопочная труба; 12 - барабан сушильный; 13 -циклонная установка; 14 - выпускная труба; 15 - вентилятор-дымосос; 16 - сепаратор; 17 - дробилка; 18 - пневмотранспорт; 19 - бункер пресса-гранулятора; 20 - пресс-гранулятор; 21 - охладитель гранул; 22 - вибросито; 23 - линия упаковки; 24 - биг-бэг.

Брикетирование древесных отходов

Брикетирование - это процесс, во время которого сырье прессуется под сильным давлением. Лигнин, содержащийся в дереве под давлением выделяется и склеивает сырье в брикет. Когда поршень прессует сырье, температура существенно поднимается, при этом содержащиеся в сырье клейкие вещества выходят наружу. Однако влажность сырья должна быть минимум 6%. Влажность в сырье испаряется из-за высокой температуры. При сильном испарении могут образоваться полости для пара, что приведет к разрушению брикета из-за расширения. Наилучший процент влажности для брикетирования зависит от используемого сырья, но исходя из нашего опыта, мы рекомендуем в пределах от 6% до 16%. При влажности более 16% качество существенно будет снижено, пока брикетирование не станет вообще невозможным.

Процесс прессования мелко измельченных отходов древесины по высоким давлением без использования вяжущих веществ. Влажность брикетируемого материала не должна превышать 15% на единицу массы, а размеры должны соответствовать по величине размерам опилкам или стружкам - макс. 15 мм. Сырье с повышенной влажностью и размерами перед брикетированием необходимо размельчить и высушить. Брикетирование используется для переработки древесных отходов на высококалорийное экологическое топливо (брикеты), для изготовления индивидуального топлива, используемого круглый год, для решения проблем хранения сгораемых отходов, а также решает проблемы с отбросами, которые возникают в малых и средних столярных мастерских и лесопилках. Полученный в результате брикетирования топливный материал из-за своих высоких потребительских свойств находит широкое применение, как в домашнем хозяйстве, так и в промышленных отопительных системах.

Преимущества опилочных брикетов перед непрессованными опилками следующие:

Брикеты занимают объем в 4-5 раз меньший, чем непрессованные опилки, и это дает соответствующую экономию в складских площадях.

Брикеты, обладая большим весом, чем опилки, становятся транспортабельным топливом ( 1м3 хвойных сухих опилок весит 150-200 кг, а брикетов- 800-1100 кг).

Брикетирование позволяет повысить в 4-8 раз эффективность использования транспортных емкостей при перевозке отходов.

Пресса поставляемые нашей компанией обладают производительностью от 100 кг/ч до 2200 кг/ч. С помощью пресса превращают неликвидные отходы в брикеты, для использования как для собственных нужд, так и для дальнейшей продажи в качестве твердого топлива. Вложение денег в брикетирование надежное, и в ряде случаев является очень выгодным.

Эффективнее всего будет применение процессов изготовления ДВП и ДСП, в связи с тем, что процессы брикетирования и гранулирования очень затратные с финансовой точки зрения и сложны в эксплуатации, что нельзя сказать об изготовлении ДВП и ДСП [16 стр. 82].

4. Аппаратурно - технологическое оформление системы защиты атмосферы

Наиболее эффективным способом очистки загрязненного воздуха при данном технологическом процессе можно считать применение циклона конструкции гипродревпрома, поэтому выбираем для нашей системы очистки воздуха ЦН - 15.

Он предназначен для улавливания древесных отходов (опилок, пыли). Характеризуется удлиненным конусом и сепаратором, установленным внутри циклона на центральной трубе. Изготавливают левого и правого исполнения и устанавливают как на всасывающей, так и на нагнетательной стороне вентилятора. Скорость газа во входном патрубке составляет 12-16 м/с.

Схема работы циклона:

Твёрдые частицы, так называемой газовой смеси, войдя во входной патрубок, начинают вращаться (обозначено красным цветом). Далее они откидываются к краям внутренней поверхности циклона, как на карусели, и бьются о них. По этой причине, теряя кинетическую энергию, осыпаются в конус циклона, а затем и в бункер. Но в полости бункера появляется избыточное давление напора и, поэтому входной воздух продолжая вращаться, плавно переходит в выходной вихрь и выходит в разделительный стакан, а затем и "на свободу с чистой вытяжкой", но продолжая по прежнему вращаться. Если бункер без дырок, опилки ложаться стогом, если с дырками-подсосами--воронкой (практически всегда) и это не есть хорошо. На картинке правильно: стогом. Компоновка: бункер, циклон, вентилятор. На рисунке представлены три основных вывода чистого воздуха: улитка, колпак и отвод. Улитку используют чаще всего, когда вентилятор стоит после циклона, на вытяжку, колпак и отвод, когда вентилятор ставят перед циклоном, на нагнетание.

Рисунок 4.1 - Схема работы циклона ЦН - 15

Расчет эффективности пылеулавливания в центробежном пылеулавливателе

Исходные данные:

= 17м3/с;

Свх = 80 г/м3;

г = 1,36 кг/м3;

ч = 1650 кг/м3;

µ*106 = 22 Па*с;

η = 0,75;

Wопт = 3,5 м/с;

Рассчитываем диаметр циклона:

D =  м;

Рассчитываем действительную скорость потока в циклоне:

W = 4*Q/π*N*D2

где N - количество циклонов.

W =  м/с;

Рассчитываем коэффициент гидравлического сопротивления:

R = k1*k2*R500

где k1 и k2 - поправочные коэффициенты, зависящие от D, Свх и типа циклона; R500 - коэффициент гидравлического сопротивления при D=500 мм;

Таблица 4.1


Таблица 4.2


Таблица 4.3

 = 0,9*0,9*155=125,55

Рассчитываем значение гидравлического сопротивления:

∆Р = ½*125,55*1,36*12,39=1057,78

Определяем эффективность очистки:

η= 0,5*(1+Ф(х));

η= 0,5*(1+0,421)=0,71

где Ф(х) - табличная функция параметра х.

х = 0,8*lg

Таблица 4.4


Таблица 4.5


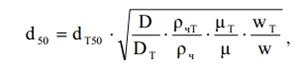
Значение d50 определяется по формуле:


где d50 - медианный размер.

d 50 = 4,5*

где ρч - плотность частицы; µ - вязкость среды; w - скорость потока; Dт=600 мм; ρчТ=1930 кг/м3; µТ=22,2·106 Па·с; wТ=3,5 м/с.

Концентрация в исходных данных равна Свх=80 мг/м3; Концентрация во много раз превышает ПДК, т.к. ПДКС.С. древесной пыли равна 25 мг/м3.

В данной работе была подсчитана эффективность работы циклона ЦН-15. Эффективность составила 71%, А это значит, что концентрация вещества после применения циклона стала 23,2 мг/м3. Таким образом была снижена концентрация загрязнителя до ПДК.

Заключение

В данном проекте был рассмотрен один из способов очистки воздуха от древесных отходов, образующихся в процессе шлифовании.

В деревообрабатывающем цехе этой курсовой концентрация загрязнителя составляла 80 мг/м3, что превышает предельно допустимую концентрацию.

С целью снижения содержания древесных отходов в воздухе рабочей зоны и в промышленных выбросах цеха деревообработки была спроектирована система, включающая в себя местное вытяжное устройство, установку циклона ЦН-15.

Предельно допустимая концентрация древесной пыли составляет 25 мг/мг3, после применения циклона концентрация составила 23,2 мг/мг3.

Таким образом, достигнуты цели данного проекта, а именно была снижена степень загрязнения атмосферы рабочей зоны шлифования и окружающей среды.

Любое предприятие отрасли заинтересовано в том, чтобы утилизация древесных отходов из статьи затрат перешла в статью доходов, и по этому в данной работе был так же предложен способ переработки и повторного использования твердых отходов.

Список используемых источников

1. Физико-химические свойства пыли: Методические указания к проведению практического занятия по дисциплинам "Экология", "Промышленная экология", "Процессы и аппараты защиты атмосферы" / Курск. гос. техн. Ун-т; Сост. В.М. Попов, В.В. Юшин. Курск, 2002

. ГОСТ 12.1.005-88. Воздух рабочей зоны. Общие санитарно-гигиенические требования. Система стандартов безопасности труда [Текст]. Введ. 1977-01-01. - М.: Издательство стандартов, 1988. - 32 с.

. Юшин В.В., В.Л. Лапин, В.М. Попов и др. Техника и технология защиты воздушной среды [Текст]: учеб. пособие для вузов / В.В. Юшин, В.М. Попов, П.П. Кукин и др. - М.: Высшая школа, 2005. - 391 с. Библиогр.: 389-390 с.

. Охрана труда в машиностроении: Учебник для Машино-строительных вузов/ Е.Я.Юдин, С.К.Баланцев и др.; Под ред. Е.Я.Юдина, С.В.Белова-2-е изд., перераб. и доп.-М.: Машиностроение, 1983,432 с.,ил.

. Катализаторы очистки газовых выбросов промышленных производств / Н.М. Попова - М.: Химия, 1991. 176с.

. Иванов А.М. Экологические аспекты химических процессов и основы промышленной экологии [Текст]: учеб. пособие химических специальностей вузов / А.М. Иванов. - Курск: КПИ, Тула, 1988. - 104 с. Библиогр.: 101 с.

. ГН 2.2.5.686-98 Предельно допустимые концентрации (пдк) вредных веществ в воздухе рабочей зоны.

. Гуревич Н.А., Аксенов В.Л. Защита воздушного бассейна деревообрабатывающих предприятий. М., 1982, с. 1 - 48 с ил. и табл. (ВНИИПИЭлеспром), Библиогр. 50 назв. Серия охрана окружающей среды.

. Доронин Ю.Г., Мирошниченко С.Н., Святкина М.М. Синтети-ческие смолы в деревообработке. М., Лесная промышленность, 1987, 220 с.

. Доронин Ю.Г., Мирошниченко С.Н., Святкина М.М. Синтетические смолы в деревообработке. М., Лесная промышленность, 1979, 207 с.

. Литвинцева Г.А., Павлов В.Ф., Медведев М.Е. Химические материалы, применяемые в мебельной промышленности. М., Лесная промышленность, 1973, 240 с.

. Стеймацкий Р.М., Красиков В.И. Справочник по шпалопилению и лесопилению. М., Лесная промышленность, 1971, 285 стр.

. Богословский В. Н., Пирумов А. И., Посохин В. Н. и др.; под ред. Павлова Н. Н. и Шиллера Ю. И. Внутренние санитарно-технические устройства. Ч. 3: в 3 ч. // Кн. 1: Вентиляция и кондиционирование воздуха. М.: Стройиздат, 1992.

. Библиографический список / Бунаков П.Ю., Стариков А.В. / Автоматизация проектирования корпусной мебели: основы, инструменты, практика / Москва / ДМК Пресс / 2009.

. Арашкевич О.В. Оценка экономического потенциала предприятий деревообрабатывающей промышленности Гомельской области / Вестник экономической интеграции / 2011 / № 8 / Москва / Интеграция.

. Переработка кусковых отходов древесины в технологическую щепу / Тимонин А.С. / Инженерно-экологический справочник. Том 3 / Калуга / Издательство Н. Бочкаревой / 2003.

Похожие работы на - Разработка системы защиты среды обитания на предприятии деревообрабатывающей промышленности

 

Не нашли материал для своей работы?
Поможем написать уникальную работу
Без плагиата!
Без нейросетей!