Очистка газовых выбросов предприятий от пыли

  • Вид работы:
    Курсовая работа (т)
  • Предмет:
    Экология
  • Язык:
    Русский
    ,
    Формат файла:
    MS Word
    449,71 Кб
  • Опубликовано:
    2015-02-27
Вы можете узнать стоимость помощи в написании студенческой работы.
Помощь в написании работы, которую точно примут!

Очистка газовых выбросов предприятий от пыли















Очистка газовых выбросов предприятий от пыли

Введение

пылеулавливание очистка газ

Промышленные выбросы, загрязняющие атмосферу, могут содержать твердые и жидкие частицы и вредные газообразные компоненты.

Процессы очистки выбросов от твердых или жидких частиц основаны на свойствах аэрозолей (пылей, дымов, туманов), закономерностях их движения и осаждения. Изучение процессов очистки выбросов от газовых компонентов связано с теорией массообмена, которая рассматривает условия равновесия фаз и закономерности поглощения газовых компонентов. Различие в теоретических основах процессов очистки выбросов от частиц и газовых компонентов диктуют различные способы осуществления этих процессов. Исключение составляет только мокрый способ очистки, одинаково пригодный для удаления из выбросов твердых или жидких частиц и газовых компонентов. Электростатический же способ, например, высокоэффективный для очистки выбросов от частиц, совершенно непригоден для очистки от газовых компонентов. В связи с этим вопросы очистки выбросов от частиц и от газовых компонентов рассматриваются раздельно.

1. Характеристика способов пылеулавливания и показатели работы пылеулавливающих аппаратов

1.1    Классификация пылеулавливающих аппаратов

Выбор способа очистки от пылевых частиц (в технике пылеулавливания под пылевыми частицами понимают твердые и жидкие частицы, имеющие размер от 0,1 до 100 мкм и более, независимо от способа их образования) зависит от их физических и химических свойств, требуемой эффективности пылеулавливания, особенностей основного технологического процесса и других причин.

В технике пылеулавливания все аппараты делятся на четыре вида: сухие, фильтрующие, мокрые и электростатические. Аппараты каждого вида отличаются друг от друга, прежде всего способом выделения (сепарации) частиц из запыленного газового потока. Частицы из газового потока могут удаляться либо непосредственно выводом частиц (например, в пылевых камерах), либо вследствие их осаждения на различных поверхностях и телах (капли в мокрых пылеулавливающих аппаратах, волокнах в тканевых и волокнистых фильтрах, на осадительных электродах в электрофильтрах) и последующего вывода из аппарата, что обусловлено действием различных сил (механизмов отделения частиц от газового потока).

Сухие пылеулавливающие аппараты подразделяются на гравитационные и инерционные.

К гравитационным аппаратам относятся вертикальные и горизонтальные пылевые камеры. В этих аппаратах гравитационный эффект достигается резким снижением скорости газового потока.

К инерционным аппаратам относятся различные циклоны и жалюзийные пылеуловители. В циклонах инерционный эффект создается вращательным движением запыленного газового потока. В жалюзийных пылеуловителях инерционный эффект проявляется при обтекании запыленным газовым потоком различных препятствий.

Фильтрующие аппараты в зависимости от материала поверхности осаждения можно подразделить на три типа: тканевые, волокнистые и зернистые.

В тканевых фильтрах (гибкие пористые перегородки) поверхность осаждения состоит из нитей различных шерстяных, хлопчатобумажных и синтетических тканей. Кроме того, в тканевых фильтрах частицы пыли выделяются из газового потока в то время, когда поток проходит через слой пыли, который образуется на внешней стороне ткани в начальный период работы фильтра.

В волокнистых фильтрах (полужестких пористых перегородках) поверхностью осаждения для частиц служат волокна различных волокнистых материалов.

В зернистых фильтрах (жесткие пористые перегородки) газовый поток фильтруется через песок, пористую керамику, металлы и пластмассу.

В фильтрующих аппаратах в осаждении частиц на соответствующих поверхностях, помимо действия инерционных и гравитационных сил, важную роль играют эффекты диффузии и зацепления. Провести четкую классификацию мокрых пылеулавливающих аппаратов в зависимости от того, под действием каких сил пылевые частицы отделяются от газового потока, практически невозможно, так как в этих аппаратах одновременно в том или ином соотношении могут действовать несколько сил.

Применительно к мокрым пылеулавливающим аппаратам на основании физической сущности процесса пылеулавливания более пригодна классификация их в зависимости от состояния поверхности осаждения, которую образует в аппарате орошающая жидкость и на которой осаждаются пылевые частицы из газового потока. По такой классификации мокрые пылеуловители можно разделить на три типа.

К первому типу относятся насадочные скрубберы, мокрые циклоны и др. В этих аппаратах поверхностью осаждения служит пленка жидкости, специально создаваемая на их внутренних стенках, насадке и т. д. Частицы пыли, осаждаемые на пленке жидкости, выводятся из газового потока.

Ко второму типу относятся барботажные и пенные аппараты, в которых осаждение происходит на поверхности пузырьков, образованных при движении газов через слой жидкости.

К третьему типу относятся полые скрубберы, скрубберы Вентури (турбулентные аппараты Вентури), струйные газопромыватели (эжекторные скрубберы или струйные аппараты) и т. д. В аппаратах этого типа поверхностью осаждения служат капли орошающей жидкости, распыленной в объеме аппарата.

Выделение частиц из запыленного газового потока под действием сил электрического поля происходит в электростатических аппаратах. Электростатический способ очистки газов от пыли осуществляется в электрофильтрах.

1.2    Показатели работы пылеулавливающих аппаратов

Работа пылеулавливающих аппаратов характеризуется соответствующими техническими и экономическими показателями.

К техническим относятся показатели:

. Степень очистки газов от пыли (или эффективность пылеулавливания, коэффициент полезного действия пылеулавливающего аппарата, степень пылеулавливания, коэффициент проскока пылевых частиц), измеряемая в относительных единицах или процентах. В некоторых случаях в качестве показателя работы аппарата принимают абсолютную величину концентрации частиц в очищенных газах (г/нмі; или мг/нмі; сухого газа).

. Гидравлическое сопротивление аппарата (нмІ, кгс/мІ или мм вод. ст.).

. Расход электроэнергии на очистку 1000 мі газов в час (Мдж, квт*ч).

К экономическим показателям относятся:

. Стоимость аппарата в пересчете на очистку 1000 мі газов в 1 ч в рублях.

. Стоимость очистки 1000 мі газов в 1 ч в рублях.

Степень очистки газов в аппарате в наиболее распространенном случае выражается как процентное отношение массы уловленных пылевых частиц к массе частиц, поступающих на очистку. Эта величина также называется коэффициентом полезного действия пылеуловителя или степенью пылеулавливания.

Гидравлическое сопротивление определяет энергетические затраты на транспортировку газов через аппарат.

Расход электроэнергии на очистку 1000 мі газов в 1 ч характеризует удельные эксплуатационные расходы. Этот показатель складывается из затрат электроэнергии на преодоление газами гидравлического сопротивления аппарата, на подачу, распределение или распыление орошающей жидкости в аппарате (для мокрых пылеулавливающих аппаратов), на приведение в действие встряхивающих устройств (для электрофильтров и рукавных фильтров), питания электродов (для электрофильтров) и пр.

Этот показатель особенно важен при расчете эксплуатационных расходов для высокоэффективных мокрых пылеулавливающих аппаратов, так как они требуют больших энергозатрат либо для преодоления гидравлических сопротивлений по газовому тракту, либо для интенсивного дробления орошающей жидкости в механических и пневматических форсунках или в других специальных устройствах.

Стоимость аппарата, рассчитанного на очистку 1000 мі газа в 1 ч, слагается из стоимости собственно аппарата, присоединительных газопроводов, зданий газоочистных установок, тягодутьевых устройств, насосов, контрольно-измерительных приборов и автоматики, а также из стоимости монтажных работ. Этот показатель характеризует капитальные вложения, отнесенные на очистку 1000 мі газов в 1 ч.

Стоимость очистки 1000 мі газов в 1 ч складывается из эксплуатационных расходов (затраты электроэнергии, затраты на амортизацию соответствующего оборудования и зданий, на зарплату, на воду, пар и т. д.).

Показателями работы пылеулавливающих аппаратов обусловлен выбор соответствующего типа для того или иного промышленного объекта.

При выборе способа очистки и типа пылеулавливающего аппарата необходимо также учитывать химический состав, плотность, дисперсность и другие свойства улавливаемых частиц, наличие в газах влаги и агрессивных компонентов, количество и температуру газов.

Для сухих и мокрых пылеулавливающих аппаратов повышение эффективности связано с увеличением гидравлического сопротивления аппаратов. Чем выше дисперсность частиц, улавливаемых в аппарате с хорошей эффективностью, тем больше энергозатраты на процесс очистки.

Для тканьевых фильтров и электрофильтров, улавливающих эффективно высокодисперсные частицы, энергозатраты по сравнению с мокрыми пылеулавливающими аппаратами невелики. Однако размеры этих аппаратов значительно больше, так как они эффективно работают только при низких скоростях газов. Это определяет большие капитальные вложения на создание тканьевых фильтров и электрофильтров (высокая стоимость аппарата, рассчитанного на очистку 1000 мі газов в 1 ч).

Таким образом, рекомендации по выбору пылеулавливающих аппаратов не могут быть однозначными; в каждом отдельном случае следует выбирать аппарат в соответствии с имеющимися конкретными условиями.

2.     
Аппараты сухой очистки газов от пылевых частиц

2.1    Пылевые камеры

Такие камеры представляют собой простейший тип пылеулавливающего устройства, основанного на осаждении пылевых частиц из газового потока под действием сил тяжести. Назначение этих камер - очистка газов от крупных частиц.

Наиболее распространены горизонтальные пылевые камеры (рис. 1) - кирпичные, бетонные или металлические.

Рис. 1. Пылевая камера

Скорость газового потока в пылевых камерах 1-2 м/сек; при этом осаждаются пылевые частицы размером более 30 - 40 мкм.

При прочих равных условиях минимальный размер улавливаемых частиц зависит от площади дна камеры S = BL. При увеличении площади S увеличивается продолжительность пребывания частиц в камере, а следовательно, и эффективность их оседания. Однако увеличение площади дна камеры приводит к увеличению ее габаритных размеров, т. е. к увеличению ее стоимости.

Для повышения эффективности пылеулавливания в отдельных случаях в камерах устанавливают горизонтальные полки. При этом эффективность осаждения частиц должна повыситься (без увеличения габарита камеры), так как возрастает произведение BL. На практике оказалось, что полки незначительно увеличивают эффективность осаждения частиц потому, что при удалении пыли с полок часть осевших на них частиц снова уносится газовым потоком.

2.2    Жалюзийные пылеуловители

Такой пылеуловитель (рис. 2) состоит из жалюзийной решетки и отсосного пылеуловителя. Жалюзийная решетка представляет собой набор усеченных пирамид или конусов с постепенно уменьшающимся сечением по ходу газов. Решетки устанавливают в газоходе или специальной камере. В качестве отсосного пылеуловителя может быть использован любой высокоэффективный аппарат. Движущийся в газоходе запыленный газовый поток встречает на пути жалюзийную решетку, разделяющую поток на отдельные струи, которые резко изменяют свое направление при столкновении с пластинами решетки, проходят на другую сторону решетки и движутся в прежнем направлении.

Рис. 2. Жалюзийный пылеуловитель

Когда газовый поток огибает пластины решетки, грубодисперсные пылевые частицы под действием инерционной силы стремятся сохранить свое первоначальное направление. Эти частицы ударяются о пластины и отбрасываются в сторону, противоположную движению газов через решетку (высокодисперсные пылевые частицы движутся вместе с газовым потоком). В результате газы, прошедшие через решетку, очищаются от грубодисперсной пыли. Газы же, оставшиеся внутри решетки и обогащенные грубодисперсной пылью, направляются в отсосный пылеуловитель для окончательной очистки. Ввиду малого объема этих газов (около 10% от общего объема газов, поступающих на жалюзийную решетку) размеры отсосного пылеуловителя невелики.

Эффективность очистки запыленного газового потока в жалюзийном аппарате зависит от скорости движения газового потока при подходе к пластинам решетки, размера и плотности пылевых частиц, вязкости и плотности газов, конструкции решетки.

Жалюзийные аппараты используют для очистки газов от пылевых частиц размером более 20 мкм (для пылевых частиц размером 40 мкм эффективность составляет около 85%, а для частиц размером 30 мкм - 75%). Скорость газа на входе в аппарат обычно поддерживается 12-15 м/сек. Гидравлическое сопротивление жалюзийного аппарата в зависимости от скорости газового потока находится в интервале 30-40 мм вод. ст.

2.3    Циклоны

Для очистки газовых выбросов от пылевых частиц размером более 6 мкм широко применяют циклоны. Это объясняется простотой конструкции аппарата при достаточно высокой эффективности и экономичности.

Рис. 3. Схема движения запыленного газового потока в циклоне: 1 - корпус циклона, 2 - входной патрубок, 3 - выхлопная труба, 4 - коническая часть корпуса циклона

Схема циклона приведена на рис. 3. Как видно на схеме, запыленные газы поступают в верхнюю, цилиндрическую, часть корпуса циклона через патрубок 2, установленный по касательной к окружности цилиндрической части циклона. В кольцевом пространстве, между корпусом циклона и выхлопной трубой 3 и далее, в нижней, конической, части 4 корпуса циклона возникает вращательно-поступательное движение газового потока, образуется внешний вращательный вихрь и получают развитие центробежные силы, под действием которых пылевые частицы стремятся двигаться от оси циклона к периферии, т. е. к его стенкам. Достигнув стенки корпуса циклона, частицы теряют свою скорость и под действием силы тяжести падают в коническую часть корпуса циклона, а затем в бункер для сбора пыли. Очищенный газовый поток поступает в выхлопную трубу, образуя внутренний вращающийся вихрь, и выбрасывается в атмосферу.

Факторы и их влияние на эффективность улавливания в циклоне пылевых частиц могут быть установлены на основании предположения, что движение каждой частицы к стенкам циклона является следствием равновесия центробежной силы и силы сопротивления газового потока.

Качественные характеристики влияния отдельных факторов на эффективность улавливания пылевых частиц в циклоне:

. Эффективность пылеулавливания должна повышаться по мере возрастания скорости газового потока во входном патрубке. Экспериментально установлено, что наиболее эффективно улавливание происходит при скорости газового потока во входном патрубке 20-25 м/сек. При больших скоростях эффективность улавливания снижается из-за возникновения завихрений, срывающих осевшие частицы со стенки циклона и вызывающих «вторичный унос».

. Эффективность пылеулавливания увеличивается с увеличением размера и плотности частиц.

. Эффективность пылеулавливания можно повысить путем уменьшения расстояния (зазора) между стенкой циклона и выхлопной трубой.

. Эффективность пылеулавливания в некоторых конструкциях циклонов повышается при увеличении длины погруженной части выхлопной трубы, т. е. при увеличении продолжительности пребывания запыленного газа в циклоне.

С увеличением диаметра (производительности) циклона эффективность пылеулавливания в циклоне снижается, что подтверждается практическими данными.


2.4    Батарейные циклоны

Эффективность улавливания пылевых частиц возрастает при уменьшении диаметра корпуса циклона. Однако при установке большого количества циклонов малого диаметра (менее 0,4 м) возникают, помимо других, трудности, связанные с равномерным распределением газов по отдельным аппаратам и отводом уловленной пыли. В связи с этим возникла необходимость в разработке циклонов новой конструкции.

Указанным требованиям отвечает аппарат, составленный из большого количества параллельно включенных циклонных элементов, конструктивно объединенных в одном корпусе, имеющих общий подвод и отвод газов, а также общий сборный бункер для пыли. Этот аппарат получил название батарейного циклона (рис. 4). В нем в отличие от обычных циклонов вращательное движение газа в циклонных элементах обеспечивается установкой в каждом элементе направляющего аппарата в виде винта или розетки.

Рис. 4. Элементы батарейных циклонов с направляющими аппаратами: а - "винт", б - "розетка", 1 - винт, 2 - розетка, 3 - выпадающие частицы пыли

Для лучшего газораспределения и регулирования скорости газов в циклонных элементах батарейные циклоны собирают в секции (рис. 5).

Газ, содержащий пылевые частицы, через входной патрубок 1 поступает в камеру 2, где распределяется по отдельным циклонным элементам. Далее газ движется по кольцевому зазору между корпусом элемента и выхлопной трубой 4. В этом зазоре установлен направляющий аппарат 5, с помощью которого газовый поток приобретает вращательное движение. Пылевые частицы под действием центробежных сил движутся к стенкам корпуса элемента, оседают на них и ссыпаются через пылевыпускное отверстие 6 в общий пылевой бункер 7.

Очищенные газы, продолжая вращаться, поднимаются вверх по выхлопной трубе и попадают в камеру 8 очищенного газа, откуда по выходному патрубку 9 выводятся из аппарата.

Для крепления корпусов циклонных элементов служат опорные (трубные) решетки: нижняя 10 и верхняя 11. Таким образом, батарейные циклоны наиболее распространенной конструкции имеют следующие основные узлы: циклонные элементы, корпус с бункером и трубные решетки.

Рис. 5. Секция батарейного циклона: 1 - входной патрубок; 2 - разделительная камера; 3 - кольцевой зазор; 4 - выхлопная труба; 5 - направляющий аппарат; 6 - пылевыпускное отверстие; 7 - бункер для сбора пыли; 8 - камера очищенного газа; 9 - выходной патрубок; 10 - нижняя трубная решетка; 11 - верхняя трубная решетка

Циклонный элемент обычно состоит из корпуса, выхлопной трубы и направляющего аппарата (см. рис. 4, а, б). Для создания вращательного движения газового потока в циклонном элементе применяются направляющие аппараты «Винт» с двумя винтовыми лопастями, установленными под углом 25°, или «Розетка» - с восьмью лопатками, установленными под углом 25 или 30°.

3.     
Тканевые и волокнистые фильтры

Один из наиболее эффективных способов улавливания частиц из газовых выбросов - фильтрация, основное преимущество которой заключается в возможности более высокой степени очистки газов. В фильтрах могут практически полностью улавливаться частицы всех размеров, в том числе и субмикронные.

Наиболее распространены два типа фильтрующих аппаратов: с фильтрами тканьевыми (гибкие пористые перегородки) и волокнистыми (полужесткие пористые перегородки).

Область применения тканьевых и волокнистых фильтров в последнее время значительно расширилась в связи с появлением новых материалов для фильтров, более совершенных конструкций фильтрующих аппаратов и систем регенерации фильтровальных материалов.

3.1    Тканевые фильтры

Тканьевые фильтры применяются для улавливания сухих пылей. Предпосылки для их эффективного применения - возможность регенерации фильтровальных материалов (очистка от накопившегося слоя пыли), а также механическая прочность, термическая и химическая стойкость.

В качестве фильтрующих материалов применяются тканые материалы (штапельные, из синтетических волокон, шерстяные) и нетканые (шерстяные фетры или войлоки, войлоки на основе синтетических волокон и др.). После изготовления ткань начесывают для образования ворса на ее поверхности. Исключение составляют ткани из синтетических и стеклянных волокон (филаментные). Волокна ворса образуют пористый слой, перекрывающий отверстия между нитями и способствующий лучшему улавливанию частиц пыли. Осаждение частиц при прохождении газов через фильтрующую ткань происходит в следующей последовательности.

В начальный период, когда запыленный газовый поток проходит через чистую ткань, частицы осаждаются на ворсе и нитях ткани.

В зависимости от размеров частицы осаждаются вследствие силы инерции, явления диффузии, эффекта зацепления и электростатистического взаимодействия. Проскок пыли через чистую ткань может достигать 20 - 30%.

По мере осаждения частиц размер отверстий между нитями уменьшается, затем все отверстия между нитями заполняются частицами пыли и в дальнейшем газовый поток проходит через поры в слое осевшей пыли. После накопления этого слоя, называемого первичным, эффективность осаждения частиц резко возрастает, так как соизмеримые размеры имеют поры в слое, а также обтекаемые препятствия (частицы, составляющие первичный слой) и улавливаемые частицы.

Однако при увеличении толщины слоя пыли на ткани возрастает гидравлическое сопротивление фильтра и соответственно уменьшается его пропускная способность. При длительном наращивании слоя может произойти закупорка фильтра. Во избежание этого необходимо периодически удалять часть слоя пыли, образовавшегося на ткани и в ее порах. Процесс удаления части слоя пыли, называемый регенерацией фильтра, осуществляют механическим встряхиванием, обратной продувкой ткани сжатым воздухом или очищенным газом. Эффективность очистки газов в тканьевом фильтре от частиц пыли зависит от ряда факторов и прежде всего от толщины слоя осажденной пыли.

Согласно экспериментальным данным, эффективность очистки чистой тканью значительно меньше, чем запыленной, и для тонкой ткани разница особенно велика. После регенерации ткани эффективность очистки снижается.

Таким образом, в тканьевых фильтрах сама чистая ткань не является высокоэффективной фильтрующей средой, особенно если ткани тонкие. В ряде случаев ткань выполняет роль несущей поверхности, т. е. служит основой для формирования и удержания фильтрующего пылевого слоя, причем толстые ткани выполняют эту роль значительно лучше, чем тонкие.

Эффективность очистки зависит от пористости пылевого слоя, а она в свою очередь - от размеров, формы и других свойств частиц, а также от структуры ткани. Для характеристики пористости применяют понятие плотности упаковки пылевых слоев, выражаемую в долях от единицы. Плотность зависит от пылеемкости, или загрузки фильтра, т. е. отношения массы уловленных частиц к единице площади фильтрующего материала.

На объемных тканях из штапельного волокна образуются значительно более рыхлые слои пыли. При работе на таких тканях эффективность очистки еще возрастает и вследствие большой продолжительности работы без регенерации ткани.

На эффективность очистки влияет и величина запыленности газов перед фильтром. Так как при низкой запыленности процесс образования слоя продолжителен, то лучше очищаются газы с высокой запыленностью. При этом на ткани накапливается значительный слой пыли, который при регенерации не распыляется в газе, а разрушается и осыпается в виде крупных агрегатов.

Эффективность очистки зависит от скорости фильтрации газов через ткань - нагрузки по газу. В тканьевых фильтрах целесообразно использовать небольшие нагрузки по газу - обычно 0,2 - 1,2 мі газа через 1 мІ фильтрующей поверхности в минуту. При большей нагрузке может чрезмерно уплотниться пылевой слой, особенно при применении тканых материалов неплотной структуры. Частицы пыли при этом проникают в глубь первичного слоя и ткани, нарушается пылевой слой, в результате чего возникает вторичный унос пыли, особенно из отверстий между нитями. Кроме того, при высокой скорости фильтрации требуется слишком частая регенерация фильтров.

Теория процесса фильтрации достаточно хорошо разработана при очистке газа от незначительного количества взвешенных в нем частиц пыли. Однако ее нельзя успешно применять для расчета очистки промышленных газов, имеющих значительную запыленность, так как процесс фильтрации в этих случаях происходит только на наружной поверхности ткани. Поэтому обычно расчет тканьевых фильтров сводится к определению необходимой поверхности фильтрации, периодичности регенерации и скорости фильтрации.

Гидравлическое сопротивление тканьевых фильтров по мере запыления ткани возрастает. Для поддержания производительности при заданной величине перепада давления на фильтре ткань регенерирует различными способами.

Иногда сопротивление ткани непрерывно возрастает в результате забивания или «замазывания» ткани. Это явление возникает в результате застревания частиц внутри волокнистой пряжи вследствие высокого перепада давления, химических и физических процессов, происходящих в уловленной пыли, особенно при наличии влаги в газах.

К тканям, используемым в качестве фильтровальных материалов, предъявляются следующие требования:

) высокая пылеемкость при фильтрации и способность удерживать такое количество пыли после регенерации, которое достаточно для обеспечения высокой эффективности очистки газов от высокодисперсных частиц;

) сохранение оптимально высокой воздухопроницаемости в равновесно запыленном состоянии;

) высокая механическая прочность и стойкость к истиранию при многократных изгибах, стабильность размеров и свойств при повышении температуры и агрессивном воздействии химических примесей;

) минимальное влагопоглощение и способность к легкому удалению накопленной пыли;

) низкая стоимость ткани.

В настоящее время еще не разработаны тканьевые материалы удовлетворяющие всем перечисленным требованиям. Каждый материал применяется для конкретных условий работы.

Различаются тканьевые фильтры плоские и рукавные. Наиболее широко применяют рукавные, которые могут быть разделены по следующим признакам:

) по способу подачи газов на очистку (в большинстве случаев такие фильтры работают под разрежением во избежание вредных выделений в рабочее помещение);

) по размерам фильтровальных рукавов (наиболее употребительны рукава диаметром 135-220 мм и длиной 2,2-3,4 м);

) по числу рукавов в секции фильтра; в небольших, секциях обычно 8-15 рукавов; в больших секциях, при фильтре 135-220 мм, устанавливается несколько десятков рукавов;

) по методу удаления пыли, т. е. регенерации ткани; метод зависит от типа рукавных фильтров и вида применяемой ткани; для регенерации тканей из шерсти и синтетических волокон в большинстве случаев применяют механическое встряхивание рукавов и одновременно обратную продувку; в последние годы для регенерации ткани применяют струйную продувку, т. е. концентрированную продувку сжатым воздухом;

) по типу механизмов для регенерации ткани (обычно с механическим распределительным устройством и механическим управлением клапанами и встряхиванием рукавов; применяют также механизмы с электромеханическим или пневматическим распределительным устройством и управлением клапанами и механизмом встряхивания);

) по форме корпуса фильтра (наиболее распространена прямоугольная; фильтры с круглым корпусом обычно применяют для работы под значительным разрежением или давлением).

Применяемые в настоящее время рукавные фильтры обычно работают с небольшой скоростью фильтрации (например: 0,4-1 м/мин при улавливании высокодисперсной пыли) ввиду недостаточной эффективности наиболее распространенного метода регенерации ткани - механического встряхивания с одновременной обратной продувкой.

В последнее время создана конструкция рукавных фильтров, в которых слой пыли удаляется из ткани струей сжатого воздуха, продуваемого через ткань при помощи колец или труб, движущихся вдоль рукавов (рис. 6). При таком методе регенерации ткани скорость фильтрации может быть увеличена до 3-5 м/мин. Сжатый воздух для продувки подается под давлением 490-580 кН/мІ. В рукавных фильтрах с механическим встряхиванием при регенерации ткани подачу газов в фильтр отключают, т. е. регенерируемая секция не участвует в процессе очистки. В фильтре со струйной продувкой регенерация фильтров происходит без отключения подачи газов.

Рис. 6. Схема рукавного фильтра со струйной продувкой: 1 - фильтровальный рукав, 2 - слой пыли, 3 - продувочное кольцо, 4 - бункер для сбора пыли.

3.2   
Волокнистые фильтры

Такие фильтры применяют для очистки газовых выбросов от твердых и жидких частиц. Соответственно своему назначению они делятся на сухие и мокрые.

Сухие волокнистые фильтры изготовляют из тонких волокон. В качестве фильтрующего материала используют волокна бумаги, картона или синтетические толщиной от 0,01 до 100 мкм. Для придания необходимой жесткости и постоянной структуры слои волокон закрепляют между рамами или сетками. В волокнистых фильтрах каждое из волокон принимает участие в осаждении частиц. В процессе фильтрации улавливание и накапливание частиц происходит по всей глубине слоя волокон в отличие от процесса фильтрации в тканьевых фильтрах.

Сухие волокнистые фильтры применяют для улавливания частиц размером от 5 до 0,1 мкм с эффективностью улавливания до 99,99%.

Улавливание частиц в волокнистых фильтрах происходит в основном вследствие броуновской диффузии и эффекта зацепления. Для эффективного улавливания частиц размером 0,1-0,3 мкм следует использовать волокна диаметром 0,1-0,3 мкм.

Обычно регенерация волокнистых фильтров невозможна вследствие их малой механической прочности, поэтому волокнистые фильтры используют для очистки выбросов с очень небольшой запыленностью (0,5-10 мг/мі).

Мокрые волокнистые фильтры применяют для очистки выбросов от жидких частиц (туманов, образовавшихся либо в результате дробления и уноса жидкости в мокрых пылеулавливающих или абсорбционных аппаратах, либо в результате конденсации водяных паров).

Для улавливания жидких частиц размером более 5 мкм преимущественно применяют сеточные брызгоулавливатели, которые состоят из пакетов вязаных металлических сеток, изготовляемых из проволоки диаметром 0,1-0,25 мм, с размерами ячеек 3-5 мм. Сетки гофрируют и укладывают в пакеты толщиной 100-200 мм. Для аппаратов диаметром менее 2 м сетки свертывают в цилиндрические сплошные элементы.

В сеточных брызгоуловителях улавливание жидких частиц - капель жидкости происходит вследствие инерционного столкновения и эффекта зацепления. До определенной скорости газа и концентрации капель в нем осажденные на проволоке капли в виде пленки перемещаются к точкам перекрещивания проволок, где образуют крупные капли, которые под действием силы тяжести преодолевают сопротивление восходящего потока газов и поверхностное натяжение жидкости и падают навстречу потоку газов. При превышении определенной скорости газа и концентрации жидкость заполняет большую часть ячеек и поэтому часть ее захватывается проходящими газами, т. е. возникает вторичный унос.

Допустимой называется скорость газов, при которой нет вторичного уноса. Этой скорости соответствует максимальная эффективность улавливания (сепарации) капель. Допустимая скорость газов составляет 0,9-6 м/сек.

Гидравлическое сопротивление сеточных брызгоуловителей в зависимости от скорости газов и количества жидкости в газах изменяется от 5 до 30 мм вод. ст. (от 50 до 300 Н/мІ).

4.     
Аппараты для мокрой очистки газов от пылевых частиц

4.1    Аппараты для осаждения частиц на пленке жидкости

Насадочный скруббер, представляет собой башню, заполненную слоями насадки. В качестве насадки применяют керамические кольца Рашига, кусковой кварц, кокс и т. д.

Очистка газов от пылевых частиц в насадочном скруббере может проходить достаточно эффективно (частицы размером 2-5 мкм улавливаются примерно на 70%). Однако применять насадочные скрубберы для улавливания пылевого уноса не целесообразно, так как насадка скруббера быстро забивается, особенно при улавливании труднорастворимых частиц. Возникает необходимость периодической очистки насадки - сложной и трудоемкой операции.

Мокрые циклоны. Как уже указывалось, существенным недостатком сухих циклонов является образование «вторичного уноса» в результате срыва уже осевших на стенку циклона частиц внутренними вихрями. Для более полного улавливания пылевых частиц были разработаны и внедрены в промышленность мокрые циклоны (рис. 7).

Рис. 7. Мокрый циклон ЛИОТ: 1 - корпус, 2 - входной патрубок, 3 - выходной патрубок, 4 - коллектор для подачи воды к соплам, 5 - сливное отверстие

В нашей стране мокрые циклоны впервые были предложены и исследованы в ЛИОТ. Такой циклон состоит из металлического цилиндрического корпуса с конической нижней частью. Вода подается на стенку циклона через специальные сопла, соединенные между собой общей коллекторной трубой. Запыленные газы входят в нижнюю часть циклона через входной патрубок прямоугольного сечения, расположенный тангенциально к поверхности корпуса циклона. В циклоне газы совершают вращательно-поступательное движение, направленное вверх, навстречу движению пленки воды, стекающей по стенке. Частицы пыли, содержащиеся в газах, отбрасываются центробежной силой на стенку циклона и захватываются пленкой. Сопла для подачи воды устанавливают так, что вытекающие из них струи воды направлены по касательной к внутренней поверхности циклона и в сторону вращения газов в циклоне.

В нашей стране распространены мокрые циклоны в модификации, разработанной Всесоюзным теплотехническим институтом им. Ф. Э. Дзержинского (ВТИ), центробежные скрубберы ЦС-ВТИ. В основном они применяются для очистки дымовых газов от частиц золы и поэтому внутренняя часть корпуса во избежание эрозии футерована.

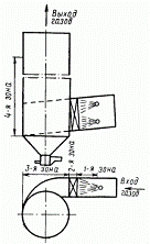
Мокропрутковый скруббер МП-ВТИ представляет усовершенствованную модификацию центробежного скруббера ЦС-ВТИ. Для увеличения эффективности пылеулавливания во входном патрубке скруббера МП-ВТИ установлена решетка из четырех или более рядов прутков. Решетка непрерывно орошается водой и поэтому прутки постоянно покрыты пленкой жидкости.

Процесс пылеулавливания в скруббере МП-ВТИ условно можно разделить на четыре зоны, которые схематически показаны на рис. 8. В 1-й зоне частицы пыли улавливаются каплями распыленной воды вследствие инерционного механизма осаждения, во 2-й - частицы осаждаются на орошаемых прутках решетки. В 3-й зоне частицы пыли улавливаются каплями воды; в 4-й - на внутренней поверхности цилиндрической части скруббера. В этой зоне эффективность улавливания соответствует эффективности работы скруббера ЦС-ВТИ.

Рис. 8. Зона улавливания частиц в скруббере МП-ВТИ

Суммарная эффективность пылеулавливания в скруббере МП-ВТИ может достигать 92-95% при улавливании частиц, имеющих средние размеры 3-5 мкм.

К недостаткам скрубберов МП-ВТИ следует отнести быстрое корродирование металлических прутков решетки, недостаточную прочность решетки, изготовленной из смеси песка и бакелита, плохую устойчивость к износу фарфоровых прутков. Кроме того, в процессе эксплуатации зола откладывается во входном патрубке на границе сухой и мокрой зон, патрубок зарастает и, как следствие, возрастает гидравлическое сопротивление скруббера.

4.2    Пенные аппараты

Пенные аппараты были предложены и детально исследованы в ЛТИ им. Ленсовета.

Принцип действия пенного аппарата основан на взаимодействии запыленного газового потока и орошающей жидкости с образованием высокоразвитой поверхности контакта между жидкостью и газом - пенного слоя. Это позволяет эффективно осуществлять как пылеулавливание, так и химическую очистку газов.

При различных нагрузках пенного аппарата по газу и жидкости на его решетках могут возникать различные гидродинамические режимы: барботажный, пенный и волновой. Пенный режим отличается от барботажного тем, что при пенном режиме линейная скорость газов выше и составляет 1,5-2,5 м/сек в расчете на полное сечение аппарата. Движение газов с такими скоростями позволяет создавать на поверхности щелевых или дырчатых решеток постоянно обновляющийся слой подвижной высокотурбулизированной газожидкостной пены.

При больших линейных скоростях в пенном аппарате возникает волновой режим. Работа пенного аппарата в этом режиме нецелесообразна ввиду резкого увеличения каплеуноса. Кроме того, возникающие при этом колебания слоя жидкости на решетке могут привести к тому, что часть отверстий в решетке не будет покрыта жидкостью. В этом случае часть запыленного газа пройдет через аппарат без контакта с орошающей жидкостью. Пенные аппараты наиболее эффективно работают при очистке промышленных газов с температурой до 400° С.

Пенные аппараты в зависимости от назначения могут быть с переливными устройствами и частичным протеканием жидкости через отверстия решетки (ПГС) (рис. 9, а) или с полным провалом жидкости через решетку (ПГП) (рис. 9, б).

Рис. 9. Пенные аппараты: 1 - с переливным устройством, 2 - с провалом воды через отверстия решетки

В аппаратах ПГС орошающая жидкость поступает на решетку из переливного короба через порог, определяющий высоту слоя пены, и стекает в приемный короб, а в аппаратах ПГП орошающая жидкость подается на решетку сверху и полностью проваливается через решетку в бункер аппарата.

Пенные аппараты с переливными устройствами позволяют работать при больших колебаниях нагрузки по газу и жидкости и с малым удельным расходом воды. Частичный провал орошающей жидкости обеспечивает смывание пыли, осевшей на решетке со стороны входа газов.

Конструкция пенных аппаратов с полным провалом воды более проста, но работают они при меньших допустимых колебаниях расхода газа и с повышенным удельным расходом воды.

Удельный расход жидкости на орошение пенных аппаратов с переливными устройствами составляет 0,2-0,3 л/мі р. г., а в аппаратах с полным провалом жидкости - 0,8-0,9 л/мі р. г.

По конструкции корпуса пенные аппараты могут быть круглого или прямоугольного сечения. Прямоугольное сечение обеспечивает более равномерное распределение жидкости, а круглое - более равномерное газораспределение. Максимальный расход газов для одного аппарата независимо от конструкции корпуса допускается до 15 мі/сек. Это вызвано необходимостью равномерной раздачи воды и газа по всему сечению аппарата. При больших объемах очищаемого газа рекомендуется устанавливать параллельно несколько пенных аппаратов.

Решеткой в пенном аппарате обычно служит перфорированный лист с равномерно расположенными отверстиями круглой или любой другой формы (свободное сечение щелевых решеток должно быть примерно на 1% меньше свободного сечения соответствующей решетки с круглыми отверстиями). Диаметр круглых отверстий должен быть от 3 до 8 мм; расстояние между отверстиями от 6 до 18 мм. Величина свободного сечения решетки зависит от назначения и режима работы пенного аппарата и составляет, как правило, 10-40% площади сечения аппарата.

Степень очистки газовых выбросов от пылевых частиц в основном зависит от их дисперсности, скорости газов в свободном сечении аппарата и высоты слоя пены.

С увеличением числа решеток эффективность пылеулавливания в пенном аппарате возрастает весьма незначительно, так как после каждой решетки повышается дисперсность пыли. Практически для пылеулавливания достаточно эффективно применение однополочных пенных аппаратов.

Повышение скорости газа в пенном аппарате оказывает положительное влияние как на эффективность пылеулавливания, так и на уменьшение его габарита. Однако при этом возрастает брызгоунос, которой начинает проявляться при скоростях газов в полном сечении аппарата более 2,5 м/сек.

4.3    Аппараты с распыленной поверхностью осаждения

В аппаратах этого типа (полых скрубберах, турбулентных аппаратах Вентури и струйных газопромывателях) пылевые частицы осаждаются в основном под действием инерционных сил на каплях орошающей жидкости, распыленной в объеме аппарата.

Полый скруббер обычно применяется для охлаждения газов, но он также может быть использован для улавливания пылевых частиц.

Для охлаждения газов полые скрубберы используются в целлюлозно-бумажном производстве после печей обжига колчедана и серных печей.

Полый скруббер представляет вертикальный цилиндр с конусным днищем и конфузорным выходом газов в верхней части аппарата. Корпус скруббера изготавливается из листовой стали. При температуре газов перед скруббером выше 500 °С его поверхность изнутри футеруется. Устройство водяной рубашки вокруг корпуса позволяет применять полые скрубберы для охлаждения газов с температурой более 1000 °С, при этом корпус аппарата может выполняться из стали.

Жидкость в объем скруббера подается через форсунки и дробится на капли. Газы в полый скруббер можно подавать в нижнюю верхнюю часть корпуса. Если газы подаются в нижнюю часть, то при противоточном движении капли промывают газовый поток, оказывая незначительное по величине сопротивление его движению. Если же газы подаются в верхнюю часть, то, кроме промывки их, происходит подсасывание газов вместе с пылевыми частицами в объем факела капель жидкости: возникает эжекционный эффект за счет относительной скорости между каплями и газовым потоком, что приводит к снижению гидравлического сопротивления скруббера.

Для орошения полого скруббера применяются форсунки различных конструкций, в большинстве случаев - цельнофакельные, позволяющие создать заполненный каплями факел жидкости, равномерно распределенный по сечению. Угол раскрытия факела небольшой и регулируется так, что направление движения капель не намного отклоняется от направления движения газов.

При распыле орошающей жидкости должны быть удовлетворены следующие требования: объем факела, образованного распыленной жидкостью, должен быть заполнен каплями; плотность орошения должна быть высокой и равномерной; должна достигаться достаточно высокая степень диспергирования жидкости на капли.

Эффективность очистки газовых выбросов от пылевых частиц в полых скрубберах невысока и составляет примерно 70% для частиц размером приблизительно 5 мкм. Удельный расход на орошение полого скруббера, предназначенного для очистки газов от пылевых частиц, доходит до 3-5 л/мі р. г. Гидравлическое сопротивление полых скрубберов невелико и составляет 98-245 н/мІ.

Турбулентный аппарат Вентури (TAB). Общее для аппаратов типа трубы Вентури - наличие двух узлов: трубы Вентури и циклона-каплеуловителя. В газоочистной технике такие аппараты получили различные названия - скруббер Вентури, турбулентный промыватель, скоростной пылеуловитель или газопромыватель и турбулентный аппарат Вентури. Последнее название, по нашему мнению, наиболее полно характеризует принцип действия и конструкцию аппарата.

Труба Вентури (рис. 10) имеет три составляющие конфузор 1 или сужающуюся часть, горловину 2 и диффузор 3, или расширяющуюся часть. Орошающая жидкость подается в трубу Вентури через устройства 4. Для отделения капель жидкости от потока газов после трубы Вентури устанавливается циклон-каплеуловитель 5.

Рис. 10. Аппарат типа трубы Вентури: 1 - конфузор, 2 - горловина, 3 - диффузор, 4 - устройства для подачи орошающей жидкости, 5 - циклон-каплеуловитель

Принцип действия аппаратов с трубой Вентури можно представить следующим образом. Струи орошающей жидкости, впрыскиваемой в объем конфузора, испытывают воздействие газового потока, который имеет высокую скорость на входе в горловину вследствие изменения сечения в конфузоре. Ввиду значительной разности между скоростями движения потока газов и струй жидкости в направлении движения газа струи жидкости дробятся на капли.

Поскольку капли, имея определенную массу, не могут мгновенно принять ту большую скорость, с которой движется поток газов, то между ними и пылевыми частицами, содержащимися в газах и имеющими скорость газового потока, создаются высокие относительные скорости. Это приводит к интенсивному столкновению частиц с каплями под действием сил инерции и улавливанию частиц каплями. В диффузоре в результате увеличения сечения скорость газового потока падает. Роль диффузора главным образом заключается в восстановлении давления. Кроме того, капли, имея различные размеры и, следовательно, обладая различными силами инерции, движутся в диффузоре с различными скоростями. Это приводит к их столкновению и слиянию. Укрупнение капель в диффузоре способствует более полному их отделению от потока газов циклоне-каплеуловителе (сюда смесь газа и капель поступает через переходный патрубок, устанавливаемый тангенциально). Капли отделяются от потока газов в циклоне-каплеуловителе под действием центробежных сил. Процесс очистки газа заканчивается удалением капель жидкости через сливное отверстие в нижней части циклона.

Практика показывает, что в зависимости от дисперсного состава частиц скорость газов в горловине должна составлять 40-120 м/сек, а удельный расход орошающей жидкости 0,25-1,5 л/мі, причем большим значениям скорости соответствуют меньшие значения удельного расхода и наоборот.

В производственных условиях количество газов, подаваемых на очистку, может подвергаться значительным колебаниям. При этом необходимое для сохранения эффективности аппарата постоянство скорости газов обычно достигается применением специальных конструкций труб Вентури с регулируемым сечением горловины.

Струйный газопромыватель (эжекторный скруббер) по конструкции и принципу осаждения пылевых частиц на каплях орошающей жидкости относится к высокоскоростным турбулентным аппаратам. Этот аппарат состоит из трубы-смесителя и каплеуловителя. Орошающая жидкость под высоким давлением поступает через распылитель, с помощью которого она дробится на капли, в объем трубы-смесителя и смешивается с газами. В каплеуловителе происходит разделение жидкости и газов.

Высокоскоростная струя орошающей жидкости движется вдоль оси трубы-смесителя (при установке нескольких распылителей струи движутся параллельно оси трубы-смесителя). Направление движения этой струи и газов совпадают, а скорость движения капель жидкости выше скорости движения газов. Поэтому в трубе-смесителе под действием потока капель жидкости газы перемещаются по тракту - возникает процесс эжекции. Интенсивность процесса эжекции характеризуется массовым коэффициентом эжекции и относительным напором.

Перемещение газов в направлении движения капель жидкости объясняется преобладающим влиянием сил, вызванных лобовым давлением этих капель на окружающий газ.

Одновременно на газовый поток воздействуют силы всасывания. Направление действия сил всасывания не совпадает с основным направлением движения двухфазного потока. Эти силы возникают в результате создания зон с пониженным давлением в кормовой области каждой капли и по поперечному сечению факела от его краев к центру, вызывая проникновение газов внутрь факела, что в свою очередь приводит к эффективному смешению газового и жидкостного потоков.

Процесс пылеулавливания в трубе-смесителе струйного газопромывателя так же, как и в других аппаратах, в которых пылевые частицы осаждаются на каплях орошающей жидкости, связан в основном с действием сил инерции.

Конструкция струйного газопромывателя аналогична турбулентному аппарату Вентури. Труба-смеситель (рис. 11) состоит из конфузора и диффузора, между которыми в ряде случаев устанавливается камера смешения (по аналогии с горловиной в трубе Вентури). Эта камера предназначена для повышения эффективности взаимодействия газового потока и потока капель орошающей жидкости, а также для выравнивания скорости газового потока, что обеспечивает его поступление в диффузор с нормальным для турбулентного движения распределением скоростей по поперечному сечению. Камера смешения позволяет более свободно выбирать место установки распылителей орошающей жидкости для того, чтобы полностью перекрыть факелом капель жидкости поперечное сечение трубы смесителя. В струйном газопромывателе применяют механические распылители типа струйновихревых или каскадных.

Рис. 11. Струйный газопромыватель: 1 - конфузор, 2 - камера смешения, 3 - диффузор, 4 - каплеуловитель

Для улавливания капель жидкости после трубы-смесителя устанавливают каплеуловители (гравитационные и инерционные). В случае грубодисперсного распыла жидкости применяют гравитационные каплеуловители - вертикальные полые башни. При высокодисперсном распыле устанавливают инерционные распылители - циклоны ЦС-ВТИ, жалюзийные и т. п.

5. Аппараты электростатической очистки газов от пылевых частиц

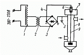
Такие аппараты состоят из электрофильтра, в котором непосредственно происходит очистка газов, и преобразовательной электрической подстанции (рис. 12). В преобразовательной подстанции установлены электрические агрегаты: регулятор напряжения 1, повысительный трансформатор 2, выпрямитель 3, которые преобразуют переменный ток напряжением 380 В в переменный ток высокого напряжения - до 100 кВ и выпрямляют ток высокого напряжения.

Выпрямленный ток по высоковольтному кабелю 4 или шинам подводится к электродам электрофильтра: коронирующим 9 и осадительным 8. Коронирующие электроды соединяются с отрицательным полюсом выпрямителя, а осадительные - с положительным.

При подаче тока высокого напряжения в пространстве электрофильтра возникает электрическое поле. Когда разность потенциалов достигнет определенного значения, возникает коронный разряд, вызывающий интенсивное направленное движение электронов и ионов газа, т. е. между электродами электрофильтра протекает ток короны.

Рис. 12. Принципиальная схема питания электрофильтра: 1 - регулятор напряжения; 2 - повысительный трансформатор; 3 - выпрямитель; 4 - высоковольтный кабель; 5 - земля; 6 - изолятор; 7 - электрофильтр; электроды: 8 - осадительный; 9 - коронирующий

Пылевые частицы, взвешенные в газе, проходящем через пространство электрофильтра, приобретают заряд в результате осаждения на них электронов или ионов (в дальнейшем носители зарядов будут обозначаться общим понятием ионы). Заряженные пылевые частицы под действием электрического поля движутся к осадительным электродам и оседают на них, а очищенные газы удаляются из электрофильтра.

.1 Классификация электрофильтров

В зависимости от места расположения коронирующих и осадительных электродов электрофильтры делятся на однозонные и двухзонные. В однозонных - коронирующие и осадительные электроды конструктивно объединены в одной камере, в двухзонных - электроды помещены раздельно: коронирующие в одной камере - ионизаторе, а осадительные в другой камере - осадителе. Для очистки промышленных газов применяют однозонные электрофильтры, для очистки вентиляционного воздуха с малой начальной запыленностью - двухзонные.

В зависимости от формы осадительных электродов электрофильтры делятся на трубчатые и пластинчатые. Особо выделяются электрофильтры с шестигранными (сотовыми) электродами.

В зависимости от направления движения газов электрофильтры бывают горизонтальные и вертикальные.

По числу последовательно расположенных электрических полей различают электрофильтры однопольные и многопольные (например, двух-, трехпольные и т. д.), а по числу секций (камер), параллельно установленных по ходу газа,- одно-многосекционные.

В зависимости - от состояния газов, поступающих на очистку, и системы удаления уловленных частиц с осадительных электродов электрофильтры бывают сухие и мокрые.

Кроме того, электрофильтры подразделяют на горячие и теплые. В горячие электрофильтры запыленные газы поступают с температурой более 250° С, а в теплые - менее 250° С.

.2 Вольтамперная характеристика

Вольтамперная характеристика электрофильтра определяется напряжением U, приложенным к электродам, и линейной плотностью тока io, протекающего в межэлектродном пространстве.

Процесс очистки газов в элекрофильтре во многом определяется напряженностью электрического поля в межэлектродном пространстве и зависит от геометрических размеров электродов, расстояния между ними и силы тока, потребляемой электрофильтром.

По мере увеличения напряжения, приложенного к электродам, ионы и электроны, находящиеся около коронирующего электрода, могут приобрести такие скорости, при которых они будут ионизировать нейтральные молекулы газа. Однако с увеличением расстояния от электрода напряженность поля быстро падает по закону гиперболы. Скорость движения ионов также уменьшается. Та начальная напряженность поля, при которой у поверхности коронирующего электрода возникает коронный разряд, называется критической напряженностью.

.3 Факторы, влияющие на величину вольтамперной характеристики электрофильтра

Влияние конструктивных факторов. На вольтамперную характеристику электрофильтра значительное влияние оказывают размер коронирующих электродов и величина межэлектродного пространства. Результаты экспериментального исследования (при температуре 20° С в воздушной среде) влияния размера коронирующих электродов на вольтамперные характеристики в трубчатых электрофильтрах показали, что линейная плотность тока при одинаковом напряжении увеличивается с уменьшением размера коронирующего электрода.

С увеличением количества коронирующих электродов сила тока возрастает, а затем резко падает. Это объясняется тем, что при увеличении числа электродов напряженность поля сначала возрастает, а затем при определенном количестве электродов электрические поля начинают экранировать друг друга. При дальнейшем увеличении числа электродов электрическое поле становится однородным и коронирование вообще прекращается.

Влияние свойств очищаемого газа. В производственных условиях в электрофильтре значительно изменяются давление, температура, плотность и влажность тазов, оказывая большое влияние на ток короны. Повышение давления газа в электрофильтре позволяет поддерживать более высокую напряженность электрического поля. С повышением температуры диапазон напряжений, при которых возможна устойчивая работа электрофильтра (без пробоя), сокращается вследствие уменьшения электрической прочности межэлектродного пространства. Ориентировочно можно принять, что пробивное напряжение электрофильтра обратно пропорционально абсолютной температуре газов. При температуре выше 250° С колебания подаваемого на электроды напряжения даже в небольших пределах вызывают значительное изменение силы тока.

Вместе с тем экспериментально установлено, что вольтамперная характеристика в основном зависит от плотности газов, в которых происходит коронный разряд, а от температуры и давления зависит лишь в той мере, в какой эти параметры влияют на плотность газов. При возрастании ее возможна устойчивая работа электрофильтра при более высоком напряжении на электродах.

Повышение влажности газов способствует возрастанию напряжения, при котором происходит пробой, а потребление тока электрофильтром снижается.

Влияние содержания в газах пылевых частиц. Сила тока в межэлектродном пространстве электрофильтра складывается из силы тока, переносимой газовыми ионами, обладающими сравнительно высокой скоростью (в среднем 60-100 м/сек), и силы тока, переносимой медленно движущимися заряженными пылевыми частицами, величина которой обычно составляет 1-2% общей силы тока в электрофильтре.

Так как скорость пылевых частиц значительно меньше скорости ионов, то наличие в газах этих частиц снижает количество зарядов, переносимых в единицу времени от коронирующего электрода к осадительному. Следовательно, заряд на пылевых частицах в поле электрофильтра уменьшает потребляемый ток, поскольку частицы действуют как заряженная решетка, подавляющая ток короны. Это означает, что с увеличением числа пылевых частиц в газе понижается ток в электрофильтре, т. е. снижается количество зарядов, переносимых в единицу времени от коронирующих к осадительным электродам.

При отсутствии пылевых частиц силовые линии непосредственно соединяют разноименные электроды, а в их присутствии большее число силовых линий соединяет заряженные частицы и осадительный электрод. С увеличением числа пылевых частиц в электрическом поле повышается заряд на частицах и может возникнуть такое состояние, когда ток в электрофильтре будет переноситься только заряженными частицами и сила тока значительно понизится. При этом улавливание частиц в электрофильтре ухудшается. Такое явление называется запиранием короны. Интенсивность этого явления увеличивается с ростом концентрации частиц.

Во избежание запирания короны перед электрофильтром в отдельных случаях устанавливают сухие или мокрые газоочистные аппараты, снижающие начальную запыленность газов.

Влияние свойств пылевых частиц. Влияние размеров частиц на работу электрофильтра проявляется прежде всего в величине заряда, получаемого частицами, и скорости их движения после зарядки к осадительным электродам. Заряд более крупных частиц и скорость их движения к осадительным электродам больше, чем мелких, поэтому крупные частицы улавливаются в электрофильтре полнее мелких. Химический состав частиц влияет на их электрическое сопротивление (проводимость).

Основная величина, характеризующая электрические свойства частиц, - удельное электрическое сопротивление.

По величине удельного электрического сопротивления частицы пыли можно разделить на три группы: менее 10І ом м, в пределах от 10І до 10&sup8; ом м и более 108 ом м.

Частицы пыли с удельным электрическим сопротивлением менее 10І ом м отличаются высокой проводимостью. При столкновении с металлической поверхностью осадительного электрода частицы почти мгновенно отдают свой заряд, приобретают заряд осадительного электрода, отталкиваются от осадительного электрода, попадая вновь в газовый поток. Затем процесс повторяется сначала и, таким образом, хорошо проводящая пылинка может пройти через весь электрофильтр не осаждаясь. Для улавливания электрофильтрами частиц с такой проводимостью необходимо применять осадительные электроды специальной конструкции, например карманные электроды.

Частицы пыли с удельным электрическим сопротивлением от 10І до 108 ом м хорошо улавливаются в электрофильтрах. Заряды частиц равномерно стекают на поверхность осадительного электрода по мере подхода новых частиц из межэлектродного пространства.

Частицы пыли с удельным электрическим сопротивлением более 108 ом м, характеризуются низкой проводимостью. Электрические заряды, поступающие непрерывно с оседающими частицами, отводятся на осадительный электрод медленно. Слой осевшей пыли, состоящей из заряженных частиц, обладает некоторым напряжением, что приводит к нарушению нормальной работы электрофильтра. Это проявляется двояко:

. Если слой пыли формируется на осадительном электроде равномерно и не имеет пор, напряжение коронного разряда снижается по сравнению с напряжением U, первоначально приложенному к электрофильтру, на величину U1 (напряжение в слое осевшей пыли). Внешний признак этого процесса - значительное снижение тока, потребляемого электрофильтром при нормальном напряжении, подаваемым на электроды, и ухудшение эффективности очистки. Повысить напряжение на электродах для компенсации его падения в слое пыли нельзя, поскольку пробивное напряжение в электрофильтре имеет вполне определенную величину и не зависит от чистоты электродов.

. Если же слой пыли на электроде неравномерный, то он в зависимости от размера частиц обычно лишь на 10-50% состоит из пыли. Остальную часть слоя составляют поры и трещины, заполненные газом.

Диэлектрическая постоянная пыли значительно выше диэлектрической постоянной газа в порах и трещинах. Поэтому в порах силовые линии сгущаются.

Наступает момент, когда напряжение поля становится больше критического и газ, находящийся в порах у осадительного электрода, начинает коронировать. В этом случае корона уже положительна - обратная корона. Из нее в пространство электрофильтра выбрасываются положительные ионы. Они движутся навстречу отрицательно заряженным частицам и ионам и нейтрализуют их. Явление обратной короны резко ухудшает эффективность улавливания пылевых частиц в электрофильтре.

Внешним признаком появления обратной короны служит увеличение потребляемого тока даже при снижении приложенного к электродам напряжения. Повысить эффективность пылеулавливания частиц с высоким удельным электрическим сопротивлением можно путем увеличения поверхностной проводимости частиц. Для этого чаще всего применяют кондиционирование газа - добавляют водяной пар или пропускают газы до их очистки в электрофильтре через мокрые пылеулавливающие аппараты.

Влияние загрязнения системы электродов. Чистота поверхностей коронирующих и осадительных электродов - одно из важнейших условий нормальной эксплуатации электрофильтров. Отложения на коронирующем электроде увеличивают его диаметр. Если образовавшийся слой состоит из хорошо проводящих частиц, при увеличении диаметра необходимо повысить начальное напряжение, подаваемое на электроды для создания коронного разряда. Если же частицы, осевшие на коронирующем электроде, обладают большим электрическим сопротивлением, электрод покрывается изолирующим слоем и коронирование может прекратиться. Эффективный метод борьбы с образованием отложений - встряхивание электродов. Встряхивать электроды следует даже при очистке газов, содержащих хорошо улавливаемые частицы. В противном случае в электрофильтре возникает вторичный унос вследствие образования толстого слоя пыли на электроде и уменьшения сил сцепления между осевшими пылевыми частицами.

Влияние полярности коронного разряда. Питание электрофильтра осуществляется только постоянным током. Подача на коронирующие электроды переменного напряжения нецелесообразна, так как направление движения заряженных частиц пыли будет непрерывно меняться и ухудшится очистка газов.

На коронирующих электродах обычно поддерживают отрицательную полярность. В этом случае коронный разряд более устойчив и пробивное напряжение значительно выше. При одном и том же напряжении, подаваемом на электроды, ток при отрицательной полярности коронирующего электрода выше, чем при положительной. Кроме того, подвижность отрицательных ионов выше. Эффективность улавливания частиц при подаче на коронирующие электроды тока отрицательной полярности составляет 95-98%, тогда как при положительной полярности - лишь 70-80%.

Влияние скорости и равномерного распределения газа в электрофильтре. Время пребывания частицы в электрическом поле электрофильтра должно быть не менее 1-2 сек, чтобы частица приобрела заряд и подошла к осадительному электроду.

При повышении скорости газового потока в электрофильтре может возникнуть вторичный унос частиц с осадительных электродов. В зависимости от свойств пыли, формы осадительных электродов и ряда других условий осевшие частицы могут срываться с поверхности осадительных электродов и уноситься из электрофильтра.

Во избежание вторичного уноса частиц, помимо отмеченного уже снижения скорости газового потока, применяются и специальные меры для снижения скорости потока у поверхности осадительных электродов.

На эффективность работы электрофильтра большое влияние оказывает равномерность распределения газа по поперечному сечению аппарата. Если скорость газов по сечению неравномерна, улучшение очистки в участках с пониженными скоростями не компенсирует, как правило, снижение эффективности осаждения частиц на участках, где скорость газов выше. Для равномерности движения газов по поперечному сечению электрофильтра применяются различные выравнивающие устройства, направляющие лопатки, распределительные решетки и т. п.

.4 Конструкции электрофильтров

Электрофильтр состоит из корпуса, осадительных и коронирующих электродов, оборудования для встряхивания электродов и удаления уловленной пыли, устройства для равномерного распределения газов по сечению электрофильтров и изоляторных коробок.

Корпус электрофильтра в зависимости от технологических условий выполняется из листовой стали, кирпича, железобетона и других материалов. При необходимости его футеруют и снабжают теплоизоляцией.

Осадительные электроды бывают разнообразных конструкций. В трубчатых электрофильтрах осадительные электроды выполняют из труб круглого, квадратного или шестиугольного сечения. В прямоугольных электрофильтрах применяют пластинчатые электроды. Осадительные электроды мокрых пластинчатых электрофильтров изготовляют из гладких пластин, электроды пластинчатых сухих электрофильтров бывают: гладкие, коробчатые и желобчатые.

Гладкие электроды изготовляют в виде пластин из листового материала, из прутков, из полос, собранных в специальные рамы, из сеток. Основное их достоинство - хорошо очищаются от осевшей пыли, а основной недостаток - при скорости более 1 м/сек наблюдается вторичный унос пыли с поверхности осадительных электродов.

Коробчатые электроды имеют внутреннюю полость для удаления пыли. Это устраняет вторичный унос пыли, и скорость газов можно повысить до 1,5 м/сек. Основной недостаток этих электрофильтров - сложность изготовления. Кроме того, если наружная поверхность осадительных электродов имеет выступающие части, электрофильтры работают при более низком напряжении и степень очистки газов снижается.

Желобчатые электроды выполняют из волнистой стали или гладких пластин с ребрами жесткости, установленными перпендикулярно плоскости пластин. Более сложной конструкции желобчатые электроды выполняют в виде вертикальных или наклонных желобов различной конфигурации: W-образные, C-образные, Z-образные. Скорость газов в электрофильтрах с желобчатыми осадительными электродами может быть 2 м/сек и более.

Коронирующие электроды бывают без фиксированных разрядных точек или с ними.

В первом случае точки разряда появляются вдоль электрода на расстоянии, зависящем от режима работы электрофильтра и состояния поверхности электрода. По конструкции такие электроды делятся на круглые диаметром 2-4 мм (иногда круглые скручивают в спираль), квадратные со стороной квадрата 3-4 мм (иногда также скручивают в спираль и ребра образуют винтовую линию), звездчатые с разным числом вершин, ленточные (из ленточного или листового металла).

Коронирующие электроды с фиксированными разрядными точками выполняют в виде колючей проволоки; штампованных зубцов, прикрепленных к круглому проводу, ленте, уголкам (так называемые игольчатые электроды).

Коронирующие электроды без фиксированных разрядных точек можно применять с осадительными электродами любой конструкции, а электроды с фиксированными разрядными точками - с осадительными электродами без острых кромок (гладкими, C-образными, Z-образными).

Устройства для удаления с электродов осевшей пыли в зависимости от типа электрофильтра бывают различных конструкций.

В мокрых электрофильтрах для смыва с электродов уловленного продукта жидкость подается брызгалами или форсунками; иногда (если промывка непрерывная) смыв осуществляется вследствие перелива через верхние концы осадительных электродов. Для смыва коронирующих электродов жидкость подается в специально надетую на них воронку.

В сухих электрофильтрах для удаления с электродов уловленного продукта применяют различные механизмы встряхивания: ударно-молотковый, пружинно-кулачковый и пневматический для встряхивания осадительных электродов; магнитно-импульсный - для встряхивания осадительных и коронирующих электродов.

На практике установлено, что электроды целесообразно встряхивать без отключения напряжения и прекращения подачи газов. Силу ударов и периодичность встряхивания определяют отдельно для каждого конкретного случая. Частота встряхивания осадительных электродов должна быть такой, при которой на поверхности электродов успевали бы образоваться агрегаты пыли таких размеров, чтобы они, находясь в газовом потоке, падали в бункер или карманы электродов, а не уносились с этим потоком.

Устройства для вывода уловленного уноса бывают различной конструкции в зависимости от типа электрофильтра.

В мокрых электрофильтрах и в сухих с мокрым дном (на дно подается жидкость для смыва уловленного продукта) для вывода жидкости применяют гидрозатворы, рассчитанные на разность давлений внутри и снаружи электрофильтра.

В сухих электрофильтрах для удаления уноса применяются устройства периодического (шиберные и дисковые затворы) и непрерывного действия (шлюзовые затворы, цепные траспортеры, пневмотранспортеры).

Газораспределительные устройства применяются для равномерного распределения газов по сечению корпуса электрофильтра. В качестве таких устройств применяют: диффузоры, направляющие лопатки, газораспределительные решетки. Их устанавливают на входе в электрофильтр. На выходе газов из электрофильтра чаще всего делают плавный переход (конфузор) от сечения электрофильтра к сечению газохода.

Изоляторные коробки служат для ввода в электрофильтр тока высокого напряжения, для подвески и установки устройства встряхивания системы коронирующих электродов. Эти коробки обычно работают в тяжелых условиях: должны выдерживать значительную механическую нагрузку и повышенную температуру и в то же время должны обладать большим электрическим сопротивлением в рабочих условиях, т. е. при загрязнении пылью или туманом кислот. Поэтому изоляторные коробки выводят из потока газа и защищают от попадания загрязняющих веществ на рабочую поверхность, предусматривают защиту от конденсации влаги и от подсосов холодного воздуха.

Конструкции изоляторных коробок бывают с масляным затвором и с проходными или опорными обогреваемыми кварцевыми изоляторами.

Изоляторные коробки с масляным затвором устанавливают на мокрых электрофильтрах для улавливания, например, тумана серной кислоты.

Изоляторные коробки с опорным обогреваемым кварцевым изолятором устанавливают на электрофильтрах, если температура газов составляет 90-110° С. Во избежание конденсации водяных паров на поверхности изоляторов их обогревают электрическими нагревателями.

Изоляторные коробки с проходными обогреваемыми кварцевыми изоляторами устанавливают на мокрых электрофильтрах для улавливания тумана серной кислоты и селена.

Применяют еще и изоляторные коробки других конструкций, которые подробно описаны в специальной литературе.

5.5    Характеристика электрооборудования электрофильтра

Для питания электрофильтров применяют электроагрегаты, которые устанавливают на преобразовательной подстанции.

Для максимальной эффективности электрофильтра рабочее напряжение необходимо поддерживать очень близким к пробивному - на максимальном уровне. Величина пробивного напряжения, зависящая от количества и влажности очищаемых газов, их запыленности, состояния поверхности электродов и т. д., обычно колеблется в значительных пределах, поэтому в электрофильтре между коронирующими и осадительными электродами часто возникают искровые разряды. Они проходят в течение очень малых промежутков времени и практически не вызывают увеличения тока, потребляемого электрофильтром, т. е. не снижают эффективности улавливания частиц и не опасны. Важно только избежать перехода искрового разряда в дуговой, для чего, в частности, и предназначены электроагрегаты для питания электрофильтров (они ограничивают и гасят электрические дуги, автоматически повторно включают электрофильтры после гашения дуги). Кроме того, электроагрегаты должны включать и отключать электрофильтры с панелей управления на месте и дистанционно, превращать, переменный электрический ток в постоянный, регулировать выходное напряжение на электрофильтры в широких пределах, поддерживать напряжение на электродах возможно более близким к пробивному.

Основные элементы электроагрегата: пульт управления, регулятор напряжения, высоковольтный трансформатор, выпрямитель, высоковольтный выключатель.

Список использованной литературы

1. Основы химической технологии: Учебник для студентов хим.-технол.спец.вузов / И.П. Мухленов, А.Е. Горштейн, Е.С. Тумаркина; Под ред. И.П.

. Мухленова. - 4-е изд., перераб. и доп. - М.: Высш. школа, 1991. - 463 с.: ил.

. Глинка Н.Л. Общая химия. Изд. 17-е, испр. - Л.: «Химия», 1975. - 728 с.:ил.

5. Кузнецов В.В., Усть-Качкинцов В.Ф. Физическая и коллоидная химия. Учеб. пособие для вузов. - М.: Высш. школа, 1976. - 277 с.: ил.

6.      Хромов С.П., Петросянц М.А. Метеорология и климатология: Учебник, 4-е изд.: перераб. и доп. - М.: Изд-во МГУ, 1994. - 520 с.: ил.

Похожие работы на - Очистка газовых выбросов предприятий от пыли

 

Не нашли материал для своей работы?
Поможем написать уникальную работу
Без плагиата!
Без нейросетей!