Разработка технического описания

  • Вид работы:
    Курсовая работа (т)
  • Предмет:
    Другое
  • Язык:
    Русский
    ,
    Формат файла:
    MS Word
    246,01 Кб
  • Опубликовано:
    2014-07-18
Вы можете узнать стоимость помощи в написании студенческой работы.
Помощь в написании работы, которую точно примут!

Разработка технического описания

АГЕНТСТВО ПО УПРАВЛЕНИЮ ГОСУДАРСТВЕННЫМИ УЧРЕЖДЕНИЯМИ ПЕРМСКОГО КРАЯ

КГАОУ СПО "ПЕРМСКИЙ РАДИОТЕХНИЧЕСКИЙ КОЛЛЕДЖ

ИМ. А.С. ПОПОВА"







КУРСОВАЯ РАБОТА

по дисциплине "МДК.02.02 Методы настройки и регулировки радиотехнических систем, устройств и блоков"

Разработка технического описания

Специальность "Техническое обслуживание и ремонт радиоэлектронной техники (по отраслям)"









Пермь - 2015

Содержание

Введение

1. Разработка технического описания радиоприёмника

1.1 Принципы построения радиоприемников

.2 Техническое описание радиоприёмника

.3 Описание радиоприемника "Селга - 402"

.4 Характеристики радиоприёмника

.5 Описание электрической принципиальной схемы

. Разработка методики регулировки радиоприёмника

2.1 Перечень измерительной аппаратуры, необходимой для проверки регулировки радиоприёмника

2.2 Методика регулировки радиоприёмника

Заключение

Список литературы

Приложение

радиоприемник электрический измерительный регулировка

Введение

Радиоприёмник является одним из наиболее распространённых радиотехнических устройств, значение которого в экономической, социальной и культурной жизни людей огромно. Радиосвязь невозможна без радиоприёмника, с изображением которого практически началась эра радио.

Радиоприёмные устройства предназначены для приёма радиовещательных станции, преобразования принятых сигналов, выделения из них аудиоинформации и воспроизведения её через встроенный громкоговоритель или внешние акустические системы.

Целью курсовой работы является разработка технического описания и методики регулировки радиоприёмника, а так же раскрытие теоретических знаний, полученных в процессе обучения в колледже.

Задачи курсовой работы:

)        Разработать техническое описание радиоприёмника

)        Выбрать необходимое электроизмерительное оборудование

)        Разработать методику регулировки радиоприемника

1. Разработка технического описания радиоприёмника

.1 Принципы построения радиоприемников

Бытовые радиоприемники, как правило, строятся по супергетеродинной схеме и прямого усиления.

Структурная схема приемника прямого усиления показана на рис. 1.

Рисунок 1 - Структурная схема приемника прямого усиления

Входная цепь представляет собой частотно-селективную электрическую цепь, которая служит для передачи принятого антенной сигнала на вход первого усилительного каскада (УРЧ1) и для предварительной фильтрации сигнала от помех. Для фильтрации сигнала во входную цепь включаются колебательные контуры (чаще всего один контур), настроенные на несущую частоту принимаемого сигнала.

Усилители радиочастоты(УРЧ) обеспечивают усиление сигнала и дальнейшую фильтрацию его от помех. Нагрузкой УРЧ служат колебательные контуры, настроенные, как и входные цепи, на несущую частоту принимаемого сигнала. Тип детектора зависит от вида модуляции принимаемого сигнала. На рис. 1.4 УЗЧ - усилитель звуковых частот. Настройка приемника на любую частоту в заданном диапазоне f0 min- f0 maxосуществляется установлением резонансных частот всех селективных цепей радиотракта равными требуемой частоте сигнала.

Недостатки приемников прямого усиления:

·        При настройке приемника прямого усиления на частоту сигнала перестраивают все селективные цепи его радиотракта.

·        сложность системы настройки РПУ при приеме сигналов в заданном диапазоне частот

·        существенное изменение основных показателей радиотракта при его перестройке

·        сложность получения большого устойчивого усиления сигнала в радиотракте

·        сложное, а следовательно, дорогостоящее устройство.

Основная особенность супергетеродинного приемника состоит в том, что в радиотракта помимо усиления сигнала происходит и преобразование частоты принятого радиоколебания. Структурная схема супергетеродинного приемника с однократным преобразованием частоты в радиотракта показана на рис 2.

Рисунок 2 - Структурная схема супергетеродинного приемника

На преобразователь частоты (ПрЧ) подается два колебания: с частотой сигнала fc с выхода УРЧ (в некоторых приемниках УРЧ может отсутствовать) и с частотой fг от местного генератора (Г), называемого гетеродином.

Выходной ток iпр преобразователя частоты содержит помимо частотной составляющей fc ряд комбинационных составляющих с частотами \fc±Kfr\, из которых используется только одна - частота fпр, чаще всего fnp=fr-fc - Именно на эту частоту fпр настроены фильтр сосредоточенной селекции (ФСС) и селективные цепи усилителя промежуточной частоты (УПЧ). Таким образом, на выходе фильтра сосредоточенной селекции преобразователя частоты образуется напряжение uпр с промежуточное частотой fnp=fr- fc.

При перестройке приемника одновременно с изменением частоты настройки резонансных цепей входной цепи и УРЧ изменяется частота гетеродина fr так, что при любой частоте fc частота остается постоянной. При этом тракт промежуточной частоты, состоящий из фильтра сосредоточенной селекции и усилителя промежуточной частоты, не перестраивается.

Преимущество супергетеродинного приемника по сравнению с приемником прямого усиления состоит в том, что, во-первых, существенно упрощается его система настройки, поскольку перестраиваются только селективные цепи входной цепи, УРЧ в гетеродина. Во-вторых, в супергетеродинном приемнике можно обеспечить значительно лучшую фильтрацию сигнала от помех. Это объясняется следующими причинами. Результирующая АЧХ радиотракта приемника определяется в основном АЧХ селективный. Цепей тракта промежуточной частоты. Этот тракт не перестраиваемы, поэтому в нем можно использовать сложные резонансный цела с АЧХ, достаточно близкой к идеальной. В-третьих, при перестройке приемника основные показатели радиотракта практически не изменяются, так как они в основном определяются показателями тракта промежуточной частоты, настроенного на постоянную частоту В-четвертых, в супергетеродинном приемнике легче обеспечить большое усиление: обычно fпр<fсг а на более низкой частоте паразитная обратная связь между выходом и входом усилителя проявляется слабее, что позволяет реализовать более высокое усиление без опасности самовозбуждения усилителя.

Основная особенность супергетеродинного приемника - это наличие так называемых комбинационных каналов приема.

1.2 Техническое описание радиоприёмника

Радиоприёмное устройство предназначено для извлечения, преобразования, усиления и использования энергии электромагнитных волн, излучаемых радиопередатчиком.

Любое радиоприёмное устройство состоит из приёмной антенны, радиоприёмника и оконечной аппаратуры.

Приёмная антенна предназначена для извлечения энергии из электромагнитного поля и преобразования её в энергию, необходимую для работы оконечной аппаратуры. Оконечная аппаратура предназначена для воспроизведения передаваемого сигнала. Чтобы принять сигнал - необходимо его выделить, усилить его во много раз по сравнению с сигналом помех. Сигнал, выделенный избирательными элементами приёмника, представляет собой высокочастотное колебание, не обеспечивающее непосредственную работу оконечной аппаратуры.

Основными характеристиками радиоприёмника являются:

Чувствительность - наименьший уровень стандартного высокочастотного сигнала, подаваемого на вход радиоприёмника, необходимый для получения заданного отношения сигнал/шум (для ЧМ-тракта 50 дБ в стереорежиме, 26 дБ в монорежиме; для АМ-тракта 20 дБ). Измеряется по напряжению поля (мВ/м) и по напряжению, подаваемому на антенный вход (мкВ), и характеризует способность принимать слабые сигналы.

Максимальная чувствительность - это величина напряжения сигнала на входе приемника при выходной мощности 5 мет (или 50 мет) без учета отношения напряжения полезного сигнала к напряжению шумов на выходе радиоприемника.

Реальная чувствительность - это величина напряжения сигнала иа входе приемника при выходной мощности 5 мв! (или 50 мВ) и отношении напряжения полезного сигнала к напряжению шумов на выходе приемника в диапазонах ДВ, СВ и КВ не менее 20 (Эб и в диапазоне УКВ не менее 26 дб.

Диапазоны принимаемых частот (волн)

ДВ - 148,5...283,5 кГц (2020,2... 1058,2 м)

СВ - 526,5...1606,5 кГц (569,8... 186,7 м)

КВ - 3,95... 26,10 МГц ( 75,9...11,5 м)

УКВ1 - 65,8...74,0 МГц ( 4,56...4,05м)

УКВ2- 100,0...108,0 МГц ( 3,08...2,78 м)

Диапазоны КВ и СВ иногда разбивают на несколько под диапазонов (полурастянутые или растянутые диапазоны).

Значения промежуточных частот - ряд частот, которые стандартизованы для супергетеродинных приемников: (0,465±0,002); (10,7± 0,01) МГц. На эти частоты настраивают каскады УПЧ.

Эффективный диапазон частот - зависимость уровня сигнала на низкочастотном выходе от частоты модуляции входного высокочастотного сигнала при неравномерности 1,5 дБ относительно уровня сигнала на частоте модуляции 1000 Гц.

Избирательность приёмника - способность выделить нужный сигнал из множества сигналов и эффективно подавлять мешающие сигналы. Избирательность обеспечивается правильным расчётом и изготовлением колебательных контуров, фильтров сосредоточенной селекции и пьезофильтров.

Различают:

¾      основной канал - приём на частоте настройки

¾      соседний канал - канал, частота которого отличается от частоты настройки на ±9 кГц

¾      зеркальный канал - канал, отличающийся от основного на удвоенное значение промежуточной частоте.

Частотными избирательными свойствами обладают и антенные устройства, и приёмник, а в некоторых случаях и оконечная аппаратура. Путь, по которому сигнал попадает на вход приёмника, называется каналом приёма.

Точность установки частоты - определяет степень трудности установления связи. При высокой точности установки частоты возможно установление связи без поиска, однако с повышением точности установки частоты усложняется схема приёмника.

Стабильность частоты настройки - определяется величиной самопроизвольного изменения частоты настройки во времени.

Диапазон рабочих частот и поддиапазоны - участок диапазона радиоволн, в пределах которого данный радиоприёмник может плавно или дискретно перестраиваться, быть настроенным на заданную частоту.

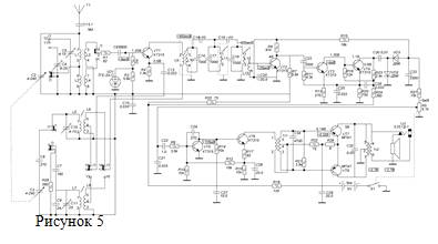
.3 Описание электрической схемы радиоприемника Селга 402

Радиоприемник "Селга-402" представляет собой малогабаритный супергетеродин IV класса переносного тина, собранный на 8 транзисторах и трех полупроводниковых диодах. Радиоприемник предназначен для приема передач радиовещательных станций с амплитудной модуляцией в диапазонах длинных и средних волн на внутреннюю магнитную антенну..Имеет следующие характеристики (таблица 1)

Рисунок 3 - Структурная схема радиоприёмника

ВЦ - входная цепь: L1, L2, L3,, C1, C2, C3, C4, C7, C9

ПРЧ - преобразователь частоты: VТ1,VT2

КГ - контура гетеродина:L4,L5

Ф - пьезокерамический фильтр:Z1

УПЧ-1 - усилитель промежуточной частоты: VТ3, VT6

УПЧ-2 - усилитель промежуточной частоты: VT3

Д - амплитудный детектор: VD1

УЗЧ - усилитель звуковой частоты: VT4,VT5

ВК - выходной каскад: VT10, VT11

1.4 Характеристики радиоприемника

Максимальная чувствительность: на длинных волнах 

300 мкВ/м

на средних волнах 

150 мкВ/м

Реальная чувствительность: на длинных волках

1.2 мВ/м

на средних полках 

0.7 мВ/м

Избирательность по соседнему каналу: на длинных волнах 

не менее 30 дБ

на средних волнах

не менее 26 дБ

Промежуточная частота

465 кГц

Ослабление зеркального канала: на длинных волнах 

не менее 30 дБ

Действие АРУ при изменении сигналя на входе приемника на 26 Дб изменение напряжения сигнала на выходе приемника .

 не более 4 дБ

Полоса воспроизводимых звуковых частот

450-3150 Гц

Номинальная выходная мощность при коэффициенте нелинейных искажений всего тракта усиления приемника не более 6%

 100 мВт

Источник питания: батарея типа "Крона" или аккумулятор типа 7Д-0.1 Напряжение питания

Ток, потребляемый приемником при отсутствии сигнала

не боле 8,5 мА

Работоспособность от батареи типа "Крона"

20-23час

от аккумулятора тина 7Д-0.1

10-12 час

Габаритные размеры (мм)

170X100X47

Масса

500 г


1.5 Описание электрической принципиальной схемы

Катушки входных контуров L1и L3и соответствующие им катушки связи L2и L4намотаны на ферритовом стержне встроенной магнитной антенны.

При работе на длинных волнах катушки L1 и L3включаются последовательно, а на средних волнах катушка L3замыкается накоротко. Связь входных контуров с базой транзистора T1преобразователя частоты - индуктивная. Наружная антенна подключается к входным контурам через конденсатор C1 ,перестраивается конденсаторомC2. Преобразователь частоты собран на транзисторе VT1 типа KT3I5Aпо схеме совмещенным гетеродином. Гетеродин собран по схеме индуктивной трех точки .Оптимальное условие преобразования частоты обеспечивается при напряжении гетеродина на эмиттере транзистора VT1 80-120 мВ. Напряжение сигнала с входных контуров с помощью катушек связи L2 или L1подается на базу транзистора VT1. В коллекторную цепь транзистора VT1 включен трехконтурный фильтр сосредоточенной селекции (ФСС), который обеспечивает избирательность приемника по соседнему каналу не менее 26 дБ. ФСС имеет ширину полосы пропускании 7.5- 8 кГц на уровне -6 дБ. Связь между контурами ФСС внешнеемкостная, а с преобразователем частоты VT1и с первым каскадом усилителя ПЧ - индуктивная. Для обеспечения стабильности работы преобразователя частоты при изменении напряжения питания, окружающей температуры.а также после замены транзистора в базовую цепь транзистора VT1 включен стабилитрон VD1 типа 7ГЕ2А-С. Режимы работы транзистора VT1 определяются величинами сопротивлений резисторов R2иR1.Максимальная чувствительность приемника по промежуточной частоте с базы транзистора VT1составляет 2-3 мкВ при выходном напряжении на нагрузке усилителя НЧ 225 мВ.

Усилитель промежуточной частоты собран на трех транзисторах VT2, VT3, и VT4, типа КТ315А по апериодической схеме. Второй и третий каскады усилителя промежуточной частотывыполнены по схеме с непосредственной связью. Режимы работы транзисторов VT3 и VT4определяются сопротивлениями резисторов R11, R12 и R14. Нагрузкой усилителя ПЧ служитрезистор R27,Детектор, выполнен двух диодах VD2 и VD3 типа Д9В по схеме удвоения напряжения. С нагрузки детектора - переменного резистора регулятора громкости сигнал звуковой частоты подается на вход усилителя НЧ. Для автоматической регулировки усиления используется постоянная составляющая тока детектора, с помощью которой регулируется ток базы первого каскада усилителя ПЧ. Напряжение АРУ с нагрузки детектора через фильтр R15, С20 подастся не базу транзистора VT2.

Трехкаскадный усилитель низкой частоты собран на транзисторах VT5 - VT6 Первые два каскада собраны на транзисторах VT5 и VT6 типа KT3I5но схеме с непосредственной связью. В коллекторную цепь транзистораVT6 включен согласующий трансформатор Тr1со вторичной обмотки которого напряжения, сдвинутые по фазе на 180o, подаются на базы транзисторов VT7 и VT8 усилителя мощности. Выходной каскад усилителя НЧ собран на транзисторах VT7 и VT8 типа МП41 по двухтактной схеме с трансформаторным выходом и работает в режиме класса АВ. Напряжение смещения на базы транзисторов VT5 и VT6снимается с резистора R22включенного в цепь коллектора транзистора VT6 Нагрузкой выходного каскада служит громкоговоритель типа 0.25ГД-1 с сопротивлением звуковой катушки 10 Ом. Два последних каскада усилителя НЧ охвачены частотнонезависимой отрицательной обратной связью. Напряжение обратной связи снимается со вторичной обмотки выходного трансформатора Тr2 и через конденсатор C21и резистор R21 подается в эмиттерную цепь транзистора VT6. Коррекция частотной характеристики в области высоких частот осуществляется с помощью конденсаторов С24. С32 и С34.

2. Разработка методики регулировки радиоприемника

.1 Перечень измерительной аппаратуры, необходимой для регулировки радиоприёмника

Настройка и проверка приёмника производится после ремонта. В некоторых случаях неисправности (ухудшение качества приёма) могут быть вызваны расстройкой отдельных функциональных узлов, связанной с изменениями параметров радиоэлементов.

Основными радиоизмерительными приборами, необходимыми для регулировки параметров радиоприемных трактов и ремонта радиоприемника являются:

.        Осциллограф 1-канальный малогабаритный 5МГц С1-73

.        Генератор сигналов высокочастотный Г4-151

.        Вольтметр универсальный портативный В7-58А

.        Измеритель нелинейных искажений С6-11

.        Дополнительное оборудование

Технические характеристики приборов:

.        Осциллограф 1-канальный малогабаритный 5МГц С1-73

·        Полоса пропускания 0…5 МГц

·        Чувствительность 10 мВ/дел

·        Режим внешней развертки (Х - Y выход)

·        Малогабаритный (ЭЛТ 60х40 мм)

·        Питание ̴ 220В или =27 В

·        Масса 3,2 кг

·        Предназначен для работы в стационарных и полевых условиях

.        Генератор сигналов высокочастотный Г4-151

·        Частотный диапазон 1…512 МГц

·        Выходной уровень до 1 В

·        Высокая точность установки частоты (0,001%)

·        Внутренняя/внешняя АМ/ЧМ/ИМ - модуляция

·        Высокая линейность выходного напряжения во всем диапазоне частот

·        Вход внешней синхронизации

·        Цифровая индикация частоты

·        Плавная/ступенчатая регулировка выходного уровня

·        Вспомогательный выход (0,1…1 В, 50 Ом)

·        Жесткие условия эксплуатации

.        Вольтметр универсальный портативный В7-58А

·        Измерение постоянного/переменного напряжения и тока, сопротивления постоянному току

·        Измерение среднеквадратичного значения переменного напряжения и тока произвольной формы В7-58

·        Измерение средневыпрямленного значения переменного напряжения и тока В7-58

·        Измерение тока до 20А

·        Высокая базовая точность по постоянному току ( от 0,15%)

·        Высокая разрешающая способность (0,1мВ/0,1мкА/0,1Ом)

·        Защита от перегрузки

·        Возможность питания от блока батарей 9В постоянного тока В7-58

·        Цифровой ЖК-дисплей с индикацией 3 разряда

·        Компактный, легкий, прочный корпус

·        Низкая стоимость

.        Измеритель нелинейных искажений С6-11

·        Измеритель нелинейных искажений автоматический С6-11 предназначен для автоматического измерения коэффициента гармоник

·        Диапазон частот: при измерении коэффициента гармоник: 20Гц - 200 кГц; при измерении напряжения: 20Гц - 1МГц

·        Пределы островной погрешности: 20 - 199.9 Гц при измерении коэффициента гармоник

·        Потребляемая мощность 95В*А

·        Габариты: 490х355х135 мм

·        Масса: 13кг

5.      Источник питания GPS-3030DD

·           Число выходов         1

·      Выходное напряжение до 60 В

·        Максимальная мощность 90 Вт

·                                    Выходной ток до 5 А

·        Масса 5 кг

.        Дополнительное оборудование:

·        Рамочная антенна

·        Магазин сопротивлений

o   Р4831 Магазин сопротивлений измерительный:

§  Класс точности магазина при использовании в качестве ММЭС: 0,02/2*10-6.

§  Количество декад 8

§  Диапазон показаний: (0,1 - 100 000 Ом)

§  Масса 5кг

§  Габариты 370*220*190 мм

2.2 Методика регулировки радиоприёмника

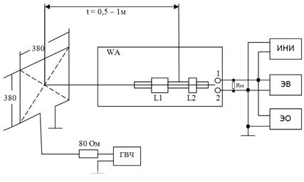
Рамочная антенна соединяется с выходом ГВЧ с помощью кабеля через резистор R. Величина напряженности поля, выраженная в мкВ/м, на расстоянии 1м от рамки произведению показания главного делителя напряжения ПЗЧ на показание его декадного делителя. На расстоянии 0,42 м от рамки напряженность поля в 10 раз больше, чем на расстоянии 1м, показанной на рисунке 4

Рисунок 4 - Схема подключения приборов.

ИНИ - измеритель нелинейных искажений

ЭВ - вольтметр

ЭО - осциллограф

ГВЧ - генератор высоких частот

Rн - нагрузка выхода

Проверка тока покоя. Одной из основных характеристик приемника является ток потребления при отсутствии входного сигнала (ток покоя). Для его измерения в разрыв провода между источником питания и монтажной платой включается миллиамперметр постоянного тока и на приемник подается номинальное напряжение питания (регулятор громкости - в выведенном положении). Если измерение покажет, что потребляемый приемником ток не превышает допустимой величины, то можно перейти к измерению режимов полупроводниковых приборов по постоянному току. Если же величина тока покоя будет больше 50 мА, то необходимо немедленно выключить приемник, найти и устранить неисправность.

Регулировка тока покоя для приемника "Селга-402" производится следующим образом:

)        ток покоя устанавливается равным 6,5-7 мА подбором резисторов R15и R21;

)        ток покоя выходного каскада УНЧ должен быть 1,5-2 мА. Для его регулировки измеряется общий ток, затем пинцетом закорачивается резистор R22,при этом наблюдается изменение общего тока, которое должно быть в пределах 1,5-2 мА.

Настройка и регулировка усилителя промежуточной частоты. Настройка и регулировка тракта усиления ПЧ производится на СВ - диапазоне при отпаянном конце катушки связи входного контура СВ-диапазона (L4)для срыва колебаний гетеродина и при установке конденсатора переменной емкости в положение максимальной емкости, а регулятора громкости - в положение максимальной громкости.

Применительно к приемнику "Селга-402" процесс настройки и регулировки УПЧ производится следующим образом. Через входную цепь (конденсатор емкостью 0,1 мкФ) сигнал от ГСС величиной 500-1000 мкВ подается на базу транзистора VT3. Вращением сердечника катушек L14,L15контур настраивается по максимальному напряжению на выходе приемника. Если при вращении сердечника этих катушек до крайних положений на выходе приемника не удается получить никакого напряжения даже при подаче на вход сигнала от ГСС величиной 50-100 мВ, то необходимо проверить исправность детекторного каскада. После настройки контура L14, С29 чувствительность второго каскада УПЧ должна быть в пределах 550-1100 мкВ при выходном напряжении 0,225 В, соответствующем выходной мощности 5 мВт.

После этого сигнал от ГСС величиной 30-60 мкВ через входную цепь подается на базу транзистора VТ2. Если чувствительность каскада ниже нормы (см. табл. 1), то необходимо найти и устранить неисправности, вызывающие понижение чувствительности. Необходимо также проверить действие конденсатора нейтрализации С26.Для этого второй каскад УПЧ точно настраивается на частоту 465 кГц.Затем сигнал от ГСС величиной 25-60 мкВ через входную цепь подается на базу транзистора VТ2 и медленным изменением частоты ГСС в обе стороны от 465 кГцпроверяется на сколько килогерц смещена резонансная частота контура L14, L15. При смещении резонансной частоты в сторону ее повышения, следует уменьшить величину емкости конденсатора С26, а при смещении в большую сторону - увеличить. Допустимым считается смещение резонансной частоты не более, чем на ± 4 кГц. При подборе емкости конденсатора С26нужно каждый раз проверять смещение резонансной частоты.

Эффективность действия АРУ проверяется путем подачи на базу транзистора VТ1 через входную цепь напряжения от ГСС величиной 500 мкВ. Изменяя частоту ГСС в небольших пределах от значения 465 кГц, необходимо добиться максимального напряжения на выходе. Регулятором громкости устанавливается Uвых. = 0,225 В (по шкале децибел вольтметра - нуль). Затем напряжение от ГСС уменьшается в 20 раз (25 мВ), при этом напряжение на выходе должно быть не менее 0,08В (уменьшается на 9 дБ). Это будет характеризовать правильность работы АРУ.

После окончания работ необходимо подпаять к переключателю диапазонов конец катушки связи входного контура диапазона СВ.

Укладка диапазонов и проверка работы гетеродина.

Для настройки диапазона СВ приемника "Селга-402" на ГСС устанавливается частота 515 кГц. Величина сигнала, подаваемого через конденсатор емкостью 0,1 мкФ на базу транзистора VT1, сначала устанавливается около 10 - 100 мВ и затем уменьшается регулятором выхода ГСС по мере настройки до такой величины, при которой напряжение на выходе приемника будет в пределах 0,225 - 0,3 В. Вращением сердечника катушек L7, L8контура гетеродина СВ добиваются получения на выходе приемника максимального выходного напряжения.

Далее на ГСС устанавливается частота 1640 кГц (верхняя частота диапазона), КПЕ переводится в положение минимальной емкости вращением ротора по часовой стрелке до упора и поворотом ротора конденсатора полупеременной емкости С6 добиваются получения максимального напряжения на выходе приемника. Настройка на верхней частоте диапазона приводит к некоторой расстройке на нижней частоте, поэтому операцию настройки на верхней частоте необходимо повторить, а затем снова проверить настройку на нижней частоте.

Настройка диапазона КВ совершенно аналогична: на нижней частоте (145 кГц) регулируются катушки L5, L6,а на верхней (415 кГц)- конденсатор С9. радиоприемник электрический измерительный регулировка

Необходимо отметить, что укладка границ диапазонов производится при неточной настройке входных цепей, поэтому может случиться, что частота настройки входной цепи окажется равной промежуточной (465 кГц) и тогда приемник будет возбуждаться. В этом случае возбуждение снимается перемещением входной катушки по стержню магнитной антенны.

Настройка входных цепей (сопряжение входных и гетеродинных контуров).Для настройки входных цепей используется генератор поля (рис. 3). Величина напряженности поля (в мкВ/м) на расстоянии 1 м от рамки равна произведению показания главного делителя напряжения ГСС на показания декадного делителя. На расстоянии 0,42 м от рамки напряженность поля в 10 раз больше, чем на расстоянии 1 м. Расстояние определяется между геометрическими центрами рамки и магнитной антенны приемника.

Перед началом настройки приемника "Селга-402" переключатель диапазонов устанавливается в положение "СВ", регулятор громкости - в положение максимальной громкости, КПЕ - максимальной емкости, конденсаторы полупеременной емкости СЗ, С4- в среднее положение.

Затем на ГСС устанавливается частота 585 кГц. Величина сигнала выбирается такой, чтобы при максимальной громкости на выходе приемника развивалось напряжение порядка 0,225 - 0,3 - и по мере приближения к положению точной настройки должна уменьшаться. Перемещением катушки L3, L4вдоль стержня магнитной антенны достигается получение максимального напряжения на выходе приемника.

Если антенную катушку приходится сдвигать на самый край стержня, то необходимо смотать несколько витков. Если антенная катушка устанавливается на середине стержня, но все равно не происходит сопряжения, то это свидетельствует о плохом качестве феррита или о малом числе витков в антенном контуре.

После настройки на нижней частоте диапазона КПЕ устанавливается в положение минимальной емкости, а на ГСС устанавливается частота 1540 кГц и вращением ротора конденсатора С3 добиваются максимального напряжения на выходе. Затем проверяется настройка на нижней частоте диапазона, потом снова на верхней. Для получения точной настройки эти операции повторяются 2 - 3 раза. Наличие точной настройки проверяется поднесением к антенне СВ индикаторной палочки. Если при поднесении того и другого наконечника выходное напряжение уменьшается, значит достигнуто сопряжение входного и гетеродинного контуров на данной частоте.

Настройка входной цепи в диапазоне КВ производится аналогично Нижняя частота сопряжения 160 кГц, верхняя - 395 кГц. На частоте 160 кГц настройка производится перемещением катушек L1, L2,а на частоте 395 кГц- конденсатором С4.

Для полной уверенности в точности настройки необходимо проверить настройку в середине диапазонов: для СВ- на частоте 1000 кГц, а для КВ - на 250 кГц. В случае неточного сопряжения нужно проверить настройку на краях диапазона и при необходимости подстроить. Неточное сопряжение на краях диапазона устраняется подбором емкостей сопрягающих конденсаторов С3 и С5. После этого операции настройки повторяются.

Следует обратить внимание на то, что сопряжение входных и гетеродинных контуров должно производиться в строго определенном порядке, а именно: сначала на СВ-диапазоне, затем на КВ-диапазоне. Это делается для исключения влияния одного диапазона на другой, так как почти, всегда входные контуры обоих диапазонов включены последовательно. Причем при настройке входных цепей выполнить сопряжение на КВ диапазон и получить нормальную чувствительность можно только в случае согласного включения обоих антенных контуров.

После окончания настройки и регулировки приемника необходимо обязательно провести проверку его основных параметров.

Заключение

В ходе курсовой роботы был рассмотрен радиоприемник ""Селга 402"" и были описаны его принципиальная и структурная схемы, основными параметрами и технические характеристики.

А так же рассмотрены возможные неисправности , и был разработан алгоритм по поиска и устранения неисправности.

И подобрана необходимая для ремонта , измерительная аппаратура с кратким техническим описанием, для надлежащей проверки и настройки.

Список литературы

1. Петров В.П. Видеотехника. Ремонт и регулировка: Учебник. -М.: Образовательно-издательский центр Академия, 2002

2. Боровик .С.С .,Бродский М.А. Ремонт и регулировка бытовой радиоэлектронной аппаратуры . -Минск: Высшая школа, 1989.

. Б.П. Хабаров, Г.В.Куликов Техническая диагностика и ремонт радиоэлектронной аппаратуры: Учебное пособие. -М.: Горячая линия-Телеком, 2004.

. А.Е. Пескин и др. Бытовая радиотелевизионная аппаратура. Устройство, техническое обслуживание, ремонт. -М.: Горячая линия-Телеком, 2006.

. Мисюль П.И, Ремонт, настройка и проверка радиотелевизионной аппаратуры. Специальная технология. Феникс, 2007.

Приложение

Похожие работы на - Разработка технического описания

 

Не нашли материал для своей работы?
Поможем написать уникальную работу
Без плагиата!
Без нейросетей!