Разработка системы автоматизации механизма передвижения сталевоза
ВВЕДЕНИЕ
Кислородно-конвертерный процесс производства стали был практически
одновременно разработан в России и Австрии. В 1952 году был введен в
эксплуатацию первый в мире кислородно-конвертерный цех в Линце, в 1965 году
переведен на кислородное дутье бессемеровский цех на заводе им. Петровского
(Украина), а в 1966 году - цех в Липецке впервые в мире с разливкой всей стали
на установках непрерывной разливки. Сочетание конвертеров с установками
непрерывной разливки стали в дальнейшем стало генеральным направлением развития
сталеплавильного производства в мире.
В мировой металлургии функционируют 257 кислородно-конвертерных цехов с
652 конвертерами, выплавляющими 70% всей производимой стали. Конвертерное
производство в России включает восемь цехов с 22 кислородными конверторами, из
них девять 300 - 350-т и 13 130 - 160-т общей мощностью 35 млн. т. стали на ОАО
«Северсталь», ОАО «Магнитогорский металлургический комбинат», ОАО
«Нижнетагильский металлургический комбинат», ОАО «Ново-Липецкий
металлургический комбинат», ОАО «Мечел», в которых в 1998 году было выплавлено
26,1 млн. т. стали. Вместе с тем кислородно-конвертерное производство России по
техническому оснащению и соответственно по технологическим возможностям
существенно отстает от лучших зарубежных производств [1].
Качество продукции конвертерного производства и его технико-экономические
показатели (материальные и энергетические затраты) во многом определяются
степенью автоматизации процесса. Автоматизация и стандартизация технологии
являются главными условиями обеспечивающими достижение стабильного качества
стали.
Используемые системы автоматического управления сильно разнятся, от
полностью автоматизированных до управления отдельными операциями. Ориентация в
автоматизации кислородно-конвертерного процесса на начальной стадии, в том
числе и в России, только на использование разных довольно сложных физических и
математических моделей не привела к желаемому результату в значительной мере
вследствие неточностей в измерении исходных показателей, ошибок в регулировке
датчиков, неточности анализа проб и т.д. Поэтому в дальнейшем разработанные
модели дополнялись разными вспомогательными приспособлениями .
В настоящее время в черной металлургии России увеличивается внимание к
техническому прогрессу, важнейшей составной частью которого является внедрение
новых разработок из области приводной электротехники и автоматизация
технологических процессов.
Автоматизация технологических процессов ведет к повышению точности
выполнения операций производственными механизмами, к повышению качества и
точности изготавливаемой продукции, выполнять различные виды работ в
неблагоприятных для человека условиях, к уменьшению численности рабочего
персонала, вследствие всего этого повышается рентабельность предприятия.
В настоящее время широко применяются транзисторные преобразователи
частоты, которые дают возможность применять электродвигатели переменного тока с
выходными регулировочными характеристиками не уступающими электродвигателям
постоянного тока, тем более, двигатели переменного тока обладают существенными
экономическими достоинствами как более дешевые и надежные.
1. ОПИСАНИЕ ТЕХНОЛОГИЧЕСКОГО ПРОЦЕССА И КРАТКАЯ ТЕХНИЧЕСКАЯ
ХАРАКТЕРИСТИКА ОБОРУДОВАНИЯ МЕХАНИЗМОВ ПЕРЕДВИЖЕНИЯ
.1 Описание технологического процесса цеха
.1.1 Сталеплавильное производство является ключевым в технологической
цепочке производства продукции на Челябинском Металлургическом Комбинате.
.1.2 Технологический процесс выплавки стали в кислородно-конвертерном
цехе (ККЦ) состоит из следующих технологических операций. После выпуска стали
конвертер, наклоненный в сторону разливочного пролета, готовят к следующей
плавке, для чего горловину очищают от прилипшего шлака. Затем конвертер
поворачивают вокруг горизонтальной оси и наклоняют в сторону разливочного
пролета. К конвертеру подают железнодорожную платформу с мульдами, нагруженную
металлом, которые расположены таким образом, что при поднятии краном заднего
конца мульды, ее содержимое ссыпается в горловину конвертора. Конвертор
является основным технологическим механизмом конверторного цеха и предназначен
для выплавки стали из чугуна посредством добавления скрапа, сыпучих и
интенсивного выжигания углерода при продувке кислородом.
.1.3 После завалки скрапа из миксерного отделения в заливочный пролет
подают ковш с расплавленным чугуном, который заливается в конвертор.
.1.4 Наполненный конвертер устанавливают в вертикальном положении, сверху
в горловину на расстоянии 600-800 мм над уровнем металла опускают
водоохлаждаемую кислородную фурму и начинают продувку. Через некоторое время в
горловину конвертера сверху загружают сыпучие материалы: известь, железную руду
и скрап, боксит. Перед загрузкой шихтовых материалов подачу кислорода временно
прекращают и фурму выводят из конвертора. Отсос газов производится мощными
дымососами.
.1.5 В кислородно-конвертерном цехе широко используют транспортные
средства рельсового типа для перевозки жидкого металла и шлака. Сталь из
конверторов сливают в ковш, установленный на сталевозной тележке. Шлак по ходу
плавки и после окончания слива металла из конвертора выпускают в шлаковый ковш,
установленный на шлаковозной тележке.
.1.6 Сталевоз самоходный предназначен для транспортировки наполненного
металлом ковша от конвертора в разливочные пролеты, а также для передачи
порожнего ковша под конвертор или другой пролет для подготовки под очередную
плавку. Сталевоз может быть использован для чистки пути под конвертором с
помощью скребка.
.1.7 Шлаковоз самоходный предназначен для транспортировки наполненного
шлаком ковша от конвертора в пролет эстакады для перестановки шлаковых чаш, а
также для передачи порожнего ковша к конвертору для приема шлака. Шлаковоз
используется также для транспортировки ремонтной тележки в район конвертора.
Уборка шлака из-под конвертора осуществляется скребком шлаковоза.
.1.8 В конце продувки конвертор наклоняют в сторону загрузочного пролета
и через горловину сливают находящийся на поверхности металла шлак в ковш на
самоходном шлаковозе. Шлаковоз подает ковш со шлаком емкостью 16м/куб в
синтетический пролет. Специальным краном ковш переставляется на железнодорожные
шлаковозы и транспортируется в цех шлакопереработки.
.1.9 При готовности стали конвертор наклоняют в сторону разливочного
пролета и выпускают сталь в сталеразливочный ковш емкостью 130 т, установленный
на самоходном сталевозе. Сталевоз подает ковш с жидкой сталью в
сталеразливочный пролет, где ковш принимается сталеразливочным краном, который
поднимает его на стенд машины непрерывного литья заготовок (МНЛЗ).
.1.10 Конвертерное отделение ККЦ состоит из шести пролетов: шихтовых
материалов; конвертерной подачи сыпучих материалов; конвертерного;
загрузочного; а также пролетов перестановки шлаковых ковшей и подготовки
сталеразливочных ковшей.
.1.11 Основа отделения - конвертерный пролет. В нем установлено три
конвертера емкостью 160 т каждый. В конвертерах выплавляются углеродистые,
конструкционные, низколегированные, легированные и обыкновенного качества
стали. Цикл работы конвертера (загрузка, плавка, введение добавок, слив стали и
шлака) составляет около 35 мин. Непосредственно у конвертера расположены машины
для футеровки конвертера, передвижные площадки для взятия проб и обслуживания
сталевыпускного отверстия, печи для нагрева ферросплавов и плавления алюминия,
механизированные совки и печи для подачи ферросплавов в конвертор. Центральный
узел конвертерного отделения состоит из загрузочного пролета, где
осуществляется загрузка в конверторы чугуна и скрапа. Чугун из чугуновозного
ковша заливается в конвертер с помощью крана.
.1.12 В цехе имеются три установки доводки металла (УДМ), расположенные
над сталевозными путями. На них производится усредняющая продувка стали в ковше
инертными газами через погруженные фурмы, а также отбор проб металла на
химический анализ, замер температуры и окисленности металла.
.1.13 В разное время в цехе были разработаны и опробованы технологии
комбинированной продувки с подачей нейтрального газа через донные фурмы, а
также технология переработки повышенной доли лома (до 100%). В перспективе
предполагается реконструкция приводов поворота
конверторов с переводом их на систему ПЧ-АД с привлечением специалистов
фирмы Siemens.
Проектная производительность цеха составляет 3.5 млн. т стали в год.
.2 Техническая характеристика оборудования механизмов передвижения
.2.1 Для привода сталевозной тележки с ковшом емкостью 130 т используют
два двигателя постоянного тока Д-808 по 47 кВт с независимым возбуждением.
Двигатели включены последовательно. Во избежание расплескивания металла
ускорение тележки ограничено величиной не более 0,2 м/с*2, что достигается снижением
пускового момента двигателя. Привод передвижения сталевоза (шлаковоза),
обслуживающего конвертор емкостью 160 т, выполняют по системе ТП-Д. Тиристорные
преобразователи КТЭ-500/460-2Р-1МДУ3 на интегральных модулях запорожского
объединения «Преобразователь» (основной и резервный) установлены в машинном
отделении цеха. От одного преобразователя питаются два двигателя по
последовательной схеме соединения. При параллельном соединении двигателей
возникла бы проблема деления нагрузок, установка дополнительной аппаратуры и
усложнение схемы регулирования. Ремонт любого из преобразователей
обеспечивается установкой резервных комплектов (на один рабочий комплект - один
резервный комплект). В состав КТЭ входят: силовой тиристорный агрегат (АТР),
шкаф регулирования, защит и сигнализации.
.2.2 В соответствии с требованиями, предъявляемыми к электроприводу
сталевоза в статических и динамических режимах работы, применена замкнутая
система автоматического регулирования. В качестве основной выбрана
отрицательная обратная связь по ЭДС двигателя, необходимая для поддержания
заданной скорости сталевоза при различных статических нагрузках. Для
ограничения ускорения и обеспечения заданного темпа разгона (торможения)
электропривода (0,2 м/с*2) используют задатчик интенсивности, подключенный на
вход системы регулирования. В схеме спользуют также регулятор деления нагрузки
на два двигателя, узел токоограничения и др.
.2.3 Конструктивно транспортные механизмы выполнены в виде неповоротной
платформы, имеющей четыре приводных колеса. Привод колес осуществляется от двух
механизмов передвижения, каждый из которых состоит из электродвигателя
постоянного тока, трехступенчатого цилиндрического редуктора, тормоза типа
ТМП-300/200 с электромагнитом МП-201, а также муфт типа МЗ и МЗП. Кинематическая
схема механизма передвижения сталевоза представлена на рисунке 1.1. При выходе
из строя одного механизма передвижения, второй должен обеспечить нормальную
работу всего механизма в течение полного технологического цикла, до остановки
конвертора на перефутеровку.
.2.4 Кроме механизмов передвижения каждый из транспортных механизмов
оборудован скребком с приводом подъема, включающим электродвигатель типа
АР-43-6 (асинхронный с к.з. ротором, ~380 В, 1,2 кВт, 870 об/мин, ПВ 100 %).
Привод скребка - реверсивный. На постах управления предусмотрена световая
сигнализация, срабатывающая при работе двигателя подъема и опускания скребка.
.2.5 Транспортные механизмы оборудованы автосцепками с дистанционным
расцеплением, в состав которых входит электромагнит типа КМП-6.
.2.6 Токоподвод к сталевозу и шлаковозу выполняется гибким кабелем. На
конструкции, также предусмотрены линейка для срабатывания конечных выключателей
КУ-706 и металлический экран для срабатывания бесконтактных датчиков.
.2.7 Управление самоходными механизмами - дистанционное со следующих
постов (рисунок 1.2):
а) с ПУС3, 1ПУВ1 и 1ПУВ3 - сталевозом;
б) с ПУШ, 1ПУВ2 и 1ПУВ3 - шлаковозом, где ПУС(Ш) - пост управления
сталевозом или шлаковозами (по одному на каждый сталевоз и общий для
шлаковозов), ПУВ - пост управления вспомогательный.
Рисунок 1.1 - Кинематическая схема механизма передвижения сталевоза
- ходовые колеса;
- редуктор ВКУ-950;
- электродвигатели;
- муфты МЗП8;
- муфты МЗ4;
- тормозные шкивы ТКП-300/200.
Рисунок 1.2 - Схема расположения постов управления
.2.8 В схемах управления шлаковозом и сталевозом предусмотрена
возможность передачи управления с поста на пост. Передача управления
сопровождается световой и звуковой сигнализацией на постах. Для точной
остановки под слив стали или шлак, а также в целях безопасности движения при
подходах механизмов к крайним участкам пути, происходит автоматическое
переключение на пониженную скорость - 30% от номинальной. Схема управления
обеспечивает возможность отключения переключателями на щите станции управления
вышедшего из строя двигателя одного механизма передвижения и продолжение работы
на одном электродвигателе. Торможение приводов рекуперативное с последующим
наложением механических тормозов. Аварийное торможение - электродинамическое. В
схемах управления сталевозом и шлаковозом предусмотрены блокировки, исключающие
столкновение сталевоза с находящимся с ним на одних путях шлаковозом. Движение
механизмов сопровождается сигналом сирен, находящихся на них. Схемами
предусмотрена возможность замены вышедших из строя рабочих комплектных
электроприводов резервными комплектными электроприводами.2. ВЫБОР
ЭЛЕКТРОДВИГАТЕЛЯ, ЭЛЕМЕНТНОЙ БАЗЫ АВТОМАТИЗАЦИИ И ПРЕОБРАЗОВАТЕЛЕЙ
ТЕХНОЛОГИЧЕСКОЙ ИНФОРМАЦИИ
.1 Исходные данные механизма
.1.1 Исходные данные механизма передвижения сталевоза сведены в таблицу
2.1
Таблица 2.1
Исходные данные механизма передвижения сталевоза
|
Наименование показателя
|
Обозначение
|
Значение
|
Единица измерения
|
|
Масса телеги
|
|
40
|
|
|
Масса телеги с порожним
ковшом
|
|
121
|
|
|
Масса телеги с максимальной
нагрузкой
|
|
240
|
|
|
Основная скорость
передвижения
|
|
1,11
|
|
|
Пониженная скорость
передвижения
|
|
0,33
|
|
|
Диаметр колеса
|
|
1
|
|
|
Диаметр ступицы колеса
|
|
0,18
|
|
|
Передаточное число редуктора
|
|
52,32
|
-
|
|
Коэффициент трения в
подшипниках колес
|
|
0,015
|
-
|
|
Коэффициент, учитывающий
трение реборд колес о рельсы
|
|
1,8
|
-
|
|
Коэффициент сцепления колес
с рельсами
|
|
0,25
|
-
|
|
Предельное ускорение
|
|
0,2
|
|
|
Сопротивление передвижению
траллеи
|
|
100
|
|
|
Коэффициент трения качения
колес
|
|
1,2
|
|
|
КПД механизма передвижения
|
|
0,85
|
-
|
|
Момент инерции муфты МЗ4
|
|
0,85
|
|
|
Момент инерции муфты МЗП8
|
|
16,5
|
|
|
Длина перемещения сталевоза
|
|
36
|
|
|
Длина перемещения сталевоза
на пониженной скорости
|
|
1
|
|
|
|
|
|
|
2.2 Расчет нагрузочной диаграммы скорости и моментов
.2.1 На базе исходных данных рассчитываются и строятся зависимости
скорости рабочей машины и моментов от времени .
Время пуска до основной скорости с допустимым ускорением:
Время
торможения от основной скорости до пониженной:
Время
торможения от пониженной скорости до остановки:
Путь,
пройденный сталевозом при разгоне до основной скорости:
Путь,
пройденный сталевозом при торможении от основной скорости до пониженной:
Путь,
пройденный сталевозом при торможении от пониженной скорости до остановки:
Путь,
пройденный сталевозом на основной скорости:
Путь,
пройденный сталевозом на основной скорости при транспортировании вышедшего из
строя самоходного шлаковоза в конверторном пролете:
Время
передвижения на основной скорости в нормальном режиме работы:
Время
передвижения на пониженной скорости в нормальном режиме работы:
Время
передвижения на пониженной скорости в аварийном режиме работы:
Суммарное
время передвижения сталевоза за половину рабочего цикла:
Суммарное
время передвижения сталевоза за половину рабочего цикла при выходе из строя
самоходного шлаковоза в конверторном пролете:
.2.2
Рассчитаем момент сил трения в подшипниках при движении сталевоза с наполненным
ковшом:
Момент
сил трения качения при движении сталевоза с наполненным ковшом:
Рассчитаем
статическое сопротивление движению с наполненным ковшом:
.2.3
Рассчитаем момент сил трения в подшипниках при движении сталевоза с порожним
ковшом:
Момент
сил трения качения при движении сталевоза с порожним ковшом:
Рассчитаем
статическое сопротивление движению с порожним ковшом:
.2.4
Для определения динамических моментов рабочей машины рассчитаем моменты
инерции:
Для
движения сталевоза с наполненным ковшом:
Для
движения сталевоза с порожним ковшом:
.2.5
При заданной величине допустимого ускорения для каждого режима рабочей машины
определим динамические моменты:
Для
движения сталевоза с наполненным ковшом:
Для
движения сталевоза с порожним ковшом:
.2.6
Полный момент рабочей машины:
Для
движения сталевоза с наполненным ковшом:
Для
движения сталевоза с порожним ковшом:
.2.7
Рассчитаем среднеквадратичное значение момента исходя из полученных выше
значений:
.2.8
Мощность двигателя определим по соотношению:
.2.9
Продолжительность включения двигателя принимаем прежнюю ПВ=40%, так как
технология не претерпела изменений:
.2.10
Зная передаточное число уже имеющегося на механизме передвижения редуктора,
можем определить требуемую номинальную скорость двигателя:
.2.11
В результате произведенных выше расчетов, был выбран асинхронный
короткозамкнутый двигатель краново-металлургической серии 4МТКМ-Ф2П 280S10 ,
технические данные которого приведены в таблице 2.2
Таблица
2.2
Основные
технические данные двигателя 4МТКМ-Ф2П 280S10
|
fн, Гц
|
Uн, В
|
Рн, кВт
|
КПД, %
|
коэф. мощн.
|
nн, об/мин
|
Iн, А
|
Мн, Н*м
|
J, кг*м2
|
m, кг
|
|
10
|
86
|
8.6
|
-
|
0.68
|
113
|
125
|
722
|
3.8
|
730
|
|
50
|
380
|
45
|
90
|
0.72
|
595
|
105
|
722
|
|
|
|
100
|
380
|
45
|
91
|
0.83
|
1185
|
90.5
|
363
|
|
|
.2.12 При дальнейшей проверке выбранного двигателя по производительности
и нагреву обнаруживается значительное превышение среднеквадратичного момента
над номинальным. Таким образом, следует произвести выбор более мощного
двигателя. Мощность можно ориентировочно определить по соотношению :
где
Рн.выб - номинальная мощность предварительно выбранного двигателя; Мсркв -
полученное значение среднеквадратичного момента в ходе проверки двигателя по
перегрузочной способности;
Мдоп
- номинальный момент двигателя.
Таким
образом:
.2.13
Выбираем новый асинхронный короткозамкнутый двигатель краново-металлургической
серии АМТК 315S6 на 110 кВт поставляемый ООО «Кранрос» . Технические
характеристики выбранного двигателя приведены в таблице 2.3
Таблица
2.3
Технические
характеристики двигателя АМТК 315S6
|
Рн, кВт
|
f, Гц
|
n, об/мин
|
КПД, %
|
коэф. мощн.
|
Iн, А
|
Мн, Н*м
|
Ммах, Н*м
|
J, кг*м2
|
m, кг
|
|
110
|
50
|
987
|
94.6
|
0.9
|
196
|
1064
|
2873
|
3.8
|
915
|
.3 Приведение статических моментов к валу двигателя
.3.1 Статические моменты рабочей машины, приведенные к валу двигателя,
рассчитаем для заданных режимов работы по формуле:
2.3.2
Статический момент на валу в двигательном режиме:
.3.3
При уточненных расчетах установившихся и переходных режимов работы
электропривода необходимо учитывать момент потерь холостого хода (момент
постоянных потерь) двигателя Мх, который рассчитывается по формуле:
Таким
образом, приведенные статические моменты системы электропривод - рабочая машина
для двух режимов работы:
При
этом в статическом моменте учитываются не только силы сопротивления движению в
рабочей машине, но также и потери в редукторе, и механические потери в
двигателе.
2.4
Расчет приведенных моментов инерции системы электропривод - рабочая машина
.4.1
Рассчитаем приведенный к валу двигателя суммарный момент инерции движущихся
исполнительных органов механизма передвижения сталевоза и связанных с ними
движущихся масс:
.4.2
Суммарный приведенный к валу двигателя момент инерции системы:
.4.3
Рассчитаем пусковые и тормозные моменты двигателя, при которых обеспечивается
возможность разгона и торможения электропривода с заданным допустимым
ускорением.
Динамический
моменты для двух режимов работы сталевоза:
Пусковые
моменты для двух режимов работы сталевоза:
Тормозные
моменты для двух режимов работы сталевоза:
Рисунок
2.1 - Зависимости М(t),V(t)
2.5
Предварительная проверка двигателя по производительности и нагреву
.5.1
Для каждого участка работы электропривода рассчитаем значения установившейся
скорости двигателя:
Передвижение
сталевоза на основной скорости:
Передвижение
сталевоза на пониженной скорости:
.5.2
Используя выбранные выше значения пусковых и тормозных моментов, скоростей
установившихся режимов, рассчитываем времена переходных процессов:
Время
разгона сталевоза до основной скорости с наполненным ковшом:
Время
торможения сталевоза до пониженной с наполненным ковшом:
Время
торможения сталевоза до остановки с наполненным ковшом:
Время
разгона сталевоза до основной скорости с порожним ковшом:
Время
торможения сталевоза до пониженной с порожним ковшом:
Время
торможения сталевоза до остановки с порожним ковшом:
2.5.3
Времена работы сталевоза в установившихся режимах принимаем те, что были
рассчитаны в пункте 2.2, так как времена переходных процессов совпадают.
Время
движения сталевоза на основной скорости:
Время
движения сталевоза на пониженной скорости:
.5.4
Проверка двигателя по производительности заключается в сравнении суммарного
фактического времени работы электропривода в цикле tф с заданным
значением времени работы tр в исходных данных для проектирования. Задание по
производительности должно быть безусловно выполнено, tф<tр.
.5.5
Предварительная проверка двигателя по нагреву осуществляется по величине
среднеквадратичного момента:
.5.6
Проверяем соблюдение необходимого условия:

2.6
Проверка двигателя по нагреву.
.6.1
Определяем допустимый ток.
Iдоп = 196 ×
.6.2
Значение относительной продолжительности включения ПВф.
.6.3
Определяем эквивалентный ток.
=
178.62 А
Iэкв ≤ 0,8
Iдоп
.62
А≤ 180 А
Ток
эквивалентный меньше допустимого, следовательно, двигатель проходит по условиям
нагрева
2.7
Выбор элементной базы автоматизации и преобразователей технологической
информации
.7.1
В данном дипломном проекте блок управления система автоматизации реализован на
программируемом контроллере OMRON CPM2A-40CDR-A.
Пульты управления системы автоматизации реализованы на сенсорном мониторе OMRON NT-21 и кнопочной станции машиниста сталевоза.
Аппаратные программные средства контроллера позволяют обеспечить выполнение
всех типовых информационных и управляющих функций: сбор технологической
информации, контроль и регулирование в соответствии с логическими уравнениями,
изображение и передачу информации.
Модули
ввода-вывода выбраны на постоянное напряжение питания 24В, это повысит
безопасность работы с элементами системы, исключит необходимость применения
нескольких блоков питания на разное напряжение.
.7.2
В качестве датчиков информации о крайних рабочих положениях сталевоза «П1»,
«П6», аварийных положениях «А1», «А2», «Автосц» и закрытых дверях проходов в
кабельную траншею «Дверь1», «Дверь2» выбраны концевые (путевые) выключатели
КУ-706. Выключатели имеют две независимые электрические цепи и могут работать
как на переменном, так и на постоянном токе в повторно-кратковременном режиме.
Выключатели КУ-706 применяются в схемах управления для ограничения линейного
передвижения механизмов с любой величиной выбега. Основные технические
характеристики выключателей КУ-706 приведены в таблице 2.1. Поскольку
планируется применение данных выключателей на переменном напряжении, то
показатели таблицы 2.1 приведены для питания переменным напряжением.
Таблица
2.1
Характеристики
выключателя КУ-706
|
Наименование характеристики
|
Величина/определение
|
|
Тип привода
|
Рычажный с роликом
|
|
Число положений
|
2
|
|
Фиксация
|
Фиксация в крайних
положениях
|
|
Номинальное напряжение
|
220 В
|
|
Включаемый ток
|
10 А
|
|
Выключаемый ток
|
50 А
|
|
Степень защиты
|
IP 44
|
|
Эксплуатационная частота
включений
|
до 600 в час
|
|
Температура окружающей
среды
|
-40С…+40С
|
|
Механическая
износостойкость
|
1000000 ВО
|
|
Масса
|
3.3 кг
|
Органом воздействия на привод выключателей служит ограничительная линейка
механизма сталевоза. Конструкцией предусмотрен любой порядок замыкания
контактов, который может быть получен путем пересборки кулачкового барабана на
месте эксплуатации.
.7.3 В качестве датчиков информации о положениях сталевоза «П2» - «П5»,
«П7» - «П9», выбраны индуктивные бесконтактные выключатели - замыкающего типа NPN - BK IC7-31-N-50-400-инд-3В-S4 [18]. Датчик срабатывает, если
объект приближается к его чувствительной поверхности. Основные технические
характеристикидатчиков приведены в таблице 2.2 Внешний вид датчиков и схема
подключения датчиков к нагрузке показаны на рисунке 2.1
Таблица 2.2
Характеристики датчика BK IC7-31-N-50-400-инд-3В-S4
|
Наименование характеристики
|
Величина
|
|
Формат, мм
|
80х80х40 (IC7)
|
|
Способ установки в металл
|
Не встраиваемый
|
|
Номинальный зазор
|
50 мм
|
|
Рабочий зазор
|
40 мм
|
|
Напряжение питания, Uраб.
|
10…30 В
|
|
Рабочий ток, Iраб.
|
400 мА
|
|
Падение напряжения при
Iраб.
|
<=2.5 В
|
|
Частота переключения, Fmax
|
100 Гц
|
|
Диапазон рабочих температур
|
-25С…+75С
|
|
Комплексная защита
|
Есть
|
|
Световая индикация
|
Есть
|
|
Материал корпуса
|
Полиамид
|
|
Присоединение
|
Разъем S19, S20
|
|
Степень защиты по ГОСТ
14254-96
|
IP 67
|
.7.4 В качестве системы управления асинхронным двигателем скребка, для
которого нет необходимости в регулировании скорости, выбран тиристорный
пускатель ПБР16-321-00 У3 .
Структурное обозначение ПБР16-321-00-У3:
а) ПБ - пускатель бесконтактный;
б) Р - реверсивный трехфазный;
в) 16 - номинальный ток, А;
г) 3 - характеристика пускателя: плавный пуск и динамическое торможение;
д) 2 - вид источника питания: внутренний;
е) 1 - вид защиты: тепловая;
ж) 00 - степень защиты по ГОСТ 14254-96: IР00;
з) У3 - климатическое исполнение и категория размещения по ГОСТ 15150-69.
Схема подключения выбранного пускателя изображена на рисунке 2.2
(а)
(б)
Рисунок 2.1 - а) Внешний вид индуктивных датчиков, б) схема подключения к
нагрузке
Рисунок 2.2 - Схема подключения пускателя ПБР16-321-00 У3
2.7.5 В качестве
системы управления выбранным тормозным электромагнитом переменного тока МО-200Б
представлен трехполюсный контактор А30-30-10 фирмы АВВ. Технические
характеристики электромагнита представлены в таблице 2.3 , контактора - в
таблице 2.4.
Таблица 2.3
Технические характеристики электромагнита МО-200Б, ПВ40%
|
Номинальный момент
электромагнита, H·м
|
Потребляемая (полная)
мощность, В·А
|
Потребляемая (активная)
мощность при втянутом якоре, Вт
|
Момент массы якоря, H·м
|
|
в момент включения
|
при втянутом якоре
|
|
|
|
39,2
|
6800
|
1350
|
450
|
3,6
|
Таблица 2.4
Технические характеристики контактора А30-30-10
|
Катушка, В
|
Номинальный рабочий ток, А
|
Вспомогательные контакты
(Н.О./Н.З.)
|
Масса, кг
|
|
220
|
32
|
1/-
|
0,71
|
.7.6 В качестве системы управления асинхронными двигателями механизма
передвижения в пункте 3 был выбран преобразователь частоты Unidrive SP фирмы Control Techniques. Схема
подключения преобразователя изображена на рисунке 2.3.
.7.7 Для обеспечения питания датчиков, сенсорного монитора, входных и
выходных модулей программируемого контроллера, модулей управления пускателя и
преобразователя частоты необходимо выбрать блок питания. Требуемая мощность
блока питания определяется суммой мощностей потребителей, нагруженных на него,
причем для оптимального использования необходимо учитывать, что не все
потребители включены одновременно. Для упрощения выбора, а также для
обеспечения запаса,
мощность блока питания выбирается по суммарной мощности всех
потребителей. В таблице 2.5 представлен расчет требуемой мощности блока
питания.
Рисунок 2.3 - Схема подключения Unidrive SP
Таблица 2.5
Расчет требуемой мощности блока питания
|
Наименование потребителя
|
Потребляемый ток, А
|
Количество потребителей, шт
|
Мощность потребления, Вт
|
|
Индуктивные датчики
|
0,025
|
4
|
2,4
|
|
Входные цепи СРМ2А
|
0,008
|
10
|
1,9
|
|
Выходные цепи СРМ2А
|
0,3
|
4
|
28,8
|
|
Сенсорный монитор NT-21
|
0,3
|
1
|
7,2
|
|
Цепи модуля управления Unidrive SP
|
0,020
|
5
|
2,4
|
|
Цепи модуля управления ПБР
|
0,020
|
1
|
0,5
|
|
Светодиоды
|
0,020
|
2
|
1
|
|
Суммарная мощность
потребления
|
44,2
|
По полученному значению суммарной потребляемой мощности выбираем блок
питания HDR-45-24 . Основные технические
характеристики представлены в таблице 2.6.
Таблица 2.6
Технические характеристики блока питания HDR-45-24
|
Параметры
|
Значения
|
|
Входное напряжение
|
85…264 В (номинальное 230
В)
|
|
Канал
|
1
|
|
Uвых
|
24 В
|
|
Iвых
|
0…2 А
|
|
Механическая подстройка Uвых
|
-10 %…+10 %
|
|
КПД
|
80 %
|
|
Диапазон рабочих температур
|
0…45 С
|
|
Защиты от
|
Короткого замыкания,
перенапряжения, перегрева
|
.7.8 Для передачи
выходных команд на системы управления используются реле контроллера.
Номинальное напряжение соответствует номинальному напряжению модуля вывода.
.7.9 Для включения питания всей системы автоматизации и аварийного ее
отключения используется силовой контактор на переменное напряжение 380 В и
рассчитанный на полный ток нагрузки всех потребителей системы.
.7.10 Для защиты от коротких замыканий и перегрузок при работе в проекте
предусмотрены защиты в виде автоматических выключателей
3. ВЫБОР КОМПЛЕКТНОГО ЭЛЕКТРОПРИВОДА
.1 Выбор преобразователя частоты
.1.1 В настоящее время в металлургической промышленности возросла
потребность в потребности высокотехнологической электроаппаратуры с отличными
техническими характеристиками для уменьшения и по возможности исключения
простоев по причине сбоев в работе электрооборудования.
.1.2 Так как с предстоящей реконструкцией и модернизацией механизмов
передвижения самоходных сталевозов и шлаковозов вопрос об окончательном выборе
комплектного электропривода еще не решен, но возможен вариант с применением
преобразователей частоты Unidrive SP,
которые уже применяются в цехе на одном из мостовых литейных кранов.
.2 Обзор преобразователя частоты Unidrive SP
3.2.1
Электроприводы серии Unidrive SP - это объединение самых важных достижений и
инноваций. Широкий диапазон напряжений (от 200 до 690 В) и мощностей (от 0.75
кВт до 1.5 МВт) позволяют использовать электропривод в том числе и для
высоковольтных решений [19]. Unidrive SP работает со всеми типами асинхронных
двигателей с короткозамкнутым ротором, вентильными и синхронными двигателями.
Unidrive SP может быть использован в качестве устройства рекуперации энергии в
сеть с коррекцией cos(
). Встроенный и наращиваемый программируемый
логический контроллер (ПЛК) позволяет максимально упростить и снизить затраты
при построении системы управления.
Привода Unidrive SP выпускаются в различных исполнениях:
а) шкафное исполнение на диапазон мощностей 90-675 кВт;
б) модульное исполнение в конфигурациях инвертор + выпрямитель, отдельно
инвертор, отдельно выпрямитель. Существует возможность подключения до 8 силовых
модулей параллельно. Это дает возможность построения системы мощностью до 1.5
МВт.
Такой подход выгоден и производителю и потребителю с точки зрения
стоимости, эксплуатации и обслуживания. Подтверждением уникальности конструкции
и дизайна шкафных электроприводов являются небольшие размеры, так например: при
высоте 2000 мм ширина электроприводов до 375 кВт составляет всего 400 мм.
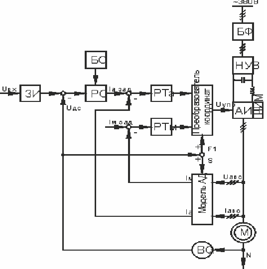
.2.2 Функциональная схема асинхронного частотнорегулируемого
электропривода с векторным управлением представлена на рисунке 3.1
Асинхронный двигатель (АД) получает питание от преобразователя частоты,
который содержит неуправляемый выпрямитель, L-C фильтр,
подключенные к автономному инвертору напряжения, выполненному на транзисторах
по трехфазной мостовой схеме.
Регулирование электромагнитного момента в АД производится на базе ПЧ в
котором выполнены регуляторы РТа активной Iа и РТм реактивной Iм составляющих тока статора. Измерение этих составляющих осуществляется
косвенным путем с помощью модели асинхронного двигателя, на вход которой
поступают мгновенные значения фазных токов, напряжений и угловой скорости
двигателя. На выходе модели - величины скольжения и составляющих токов Iа и Iм.
Управление движением электропривода производится по схеме подчиненного
регулирования скорости с задатчиком интенсивности ЗИ, ПИ-регулятором скорости
РС с блоком ограничения БО, двумя параллельно работающими каналами
регулирования токов Iа и Iм со своими регуляторами,
преобразователем координат, который вектор желаемого тока статора, полученный
регуляторами тока в двухфазной системе координат, преобразует в трехфазную
систему переменных по числу фаз асинхронного двигателя.
Как правило, фирмы-изготовители электрооборудования не считают
обязательным раскрывать алгоритмы функционирования отдельных блоков более
подробно, чем это представлено на рисунке 3.1
.2.2 Основываясь на номинальных данных асинхронного двигателя АМТК 315S6, представленных в таблице 2.3 был
выбран соответствующий преобразователь частоты Unidrive SP 6411 . Основные технические характеристики преобразователя
приведены в таблице 3.1.
Таблица 3.1
Технические характеристики Unidrive SP 6411
|
Габарит
|
Напряжение питания, В
|
Нормальный режим
|
Тяжелый режим
|
Степень защиты
|
|
|
Мощность, кВт
|
Ток,А
|
Мощность, кВт
|
Ток,А
|
|
|
6
|
380…480, +/- 10%
|
110
|
202
|
90
|
180
|
IP20
|
.3 Основные характеристики Unirive SP 6411
.3.1 Типы режимов работы привода с асинхронными двигателями:
а) вольточастотное управление в разомкнутом контуре (векторное, или с
компенсацией скольжения и фиксированной форсировкой по напряжению);
б) векторное управление в замкнутом контуре - высокоточное управление с
токовым режимом управления потоком ротора;
в)
режим рекуперации энергии с коррекцией cos(
). Привод работает в качестве ШИМ выпрямителя.
Рисунок
3.1 Функциональная схема асинхронного частотнорегулируемого электропривода с
векторным управлением
.3.2
Особенности силовой части электропривода Unidrive
SP 6411:
а)
3 фазы 380 В при f = 50 Гц;
б)
возможность управления распределением питания (встроенный электронный
выключатель);
в)
возможность работы по шине постоянного тока;
г)
дополнительное питание системы управления (24 В) при выключенной силовой части
(настройка, аварийное выключение не прерывая работы шин данных и программы
управления);
д)
настройка электропривода без наличия силового питания;
е)
бесперебойная работа системы управления с датчиками обратной связи и модулями ввода/вывода;
ж)
съемные клемные блоки.
3.3.3 Контур скорости:
а) время обновления 250 мкс, полоса пропускания 150 Гц;
б) ПИД коэффициенты в абсолютных единицах;
в) встроенные наборы параметров для работы с несколькими двигателями;
г) плавная настройка в on-line режиме;
д) выбор источника обратной связи.
.3.4 Контур тока:
а) время обновления 83 мкс, полоса пропускания 830 Гц;
б) переключение режимов векторного управления в работе;
в) управление моментом для минимизации ошибки по скорости в момент
разгона;
г) точность поддержания момента до 0.01.
.3.5 Входы/выходы:
а) аналоговые входы: 1 высокоточный дифференциальный (16 bit) и 2 общего
назначения с временем обновления 250 мкс или 4 мс;
б) аналоговые выходы 2 общего назначения с временем обновления 250 мкс;
в) цифровые входы: 1 для защитного отключения с временем обновления менее
1 мс, 6 общего назначения со временем обновления 4 мс, 2 входа из 6 с
возможностью настройки 250 мкс;
г) цифровые выходы: 3 общего назначения с частотой обновления 4 мс;
д) один выход реле с нормально-разомкнутыми контактами;
е) один выход для управления реле безопасности или катушкой контактора;
ж) возможность значительного увеличения количества входов/выходов за счет
опционного модуля SMI/O Plus.
.3.6 Управление:
а) общий интерфейс для всех моделей;
б) возможность автонастройки;
в) быстродействующие контуры управления.
.3.7 Двигатель:
а) частота на выходе до 3 кГц (до 1.2 кГц в замкнутой системе);
б) частота коммутации (несущая) до 16 кГц;
.3.8 Универсальный интерфейс обратной связи:
а) поддерживает 18 различных типов сигналов энкодеров;
б) возможность подключения резольверов;
в) одновременная работа с несколькими датчиками обратной связи.
.3.9 Модуль приложения SM-Application позволяет решать задачи управления
дополнительными механизмами без внешних ПЛК.
а) Возможности модуля приложения:
б) функциональные блоки, релейно-контакторные схемы и Паскале-подобный
язык DPL «Drive Programming Language»;
в) 32 битный RISC процессор;
г) 2 высокоскоростных входа и 2 высокоскоростных выхода (24 В);
д) синхронизация с контурами управления привода;
е) 384 кБ flash - памяти;
ж) 80 кБ RAM;
з) точность контура скорости до 0.001;
и) точность контура тока до 0.01.
.3.10 Программное обеспечение (ПО) для настройки,программирования и
пуско-наладки привода:
а) CT Soft - ПО для настройки и ввода параметров;
б) SYPT Lite - ПО для программирования внутреннего ПЛК;
в) CT Scope - ПО для снятия осциллограмм при вводе в эксплуатацию и
настройке;
г) пакет LCD Keypad Tool для настройки сенсорных панелей управления;
д) чтение/запись параметров с помощью средства Smartcard;
е) опции Profibus-DP, Ethernet и другие стандарты.
.3.11 Универсальный интерфейс пользователя:
а) цифровая светодиодная панель - SM Keypad;
б) On-line помощь;
в) русский/английский язык;
г) дистанционное управление (до 300 м);
д) вывод сообщений пользователя.
.3.12 Соединение ПК с электроприводом:
а) работа по протоколу Modbus RTU для
программирования и настройки в режиме on-line;
б) стандартный кабель SE71
для программирования внутреннего ПЛК;
в) запись и работа со Smartcard;
г) настройка ЖК панели;
д) настройка дополнительных модулей.
.3.13 Частотный преобразователь Unidrive SP имеет:
а) вход для всех типов энкодеров;
б) карту памяти для простой загрузки/выгрузки параметров;
в) встроенный электромагнитный фильтр на длину кабеля до 10 м;
г) возможность подключения внешнего электромагнитного фильтра;
д) встроенный резистор торможения;
е) возможность подключения внешнего резистора торможения.
.3.14 Условия окружающей среды:
а) степень защиты IP20
(от прикосновения к токоведущим частям);
б) рабочая температура окружающей среды от 0 до 50°C;
в) максимальная влажность 95 %.
3.4 Система управления электроприводом механизма
.4.1 Каждый электродвигатель питается от индивидуального преобразователя
частоты. Управление преобразователем осуществляется от пульта управления через
контроллер по сети Profibus.
Торможение механизма осуществляется электроприводом со сбросом энергии
торможения в резистор торможения. Принципиальная схема системы преобразователь
частоты - двигатель (ПЧ-АД) представлена на рисунке 3.2
Рисунок 3.2 - Электрическая принципиальная схема системы ПЧ-АД
3.4.2 Автоматические выключатели QF выполняют функции защиты системы от
коротких замыканий:
а) QF1 - трехполюсный вводной автомат системы автоматизации;
б) QF2 - двухполюсный автомат защиты цепей блока питания;
в) QF3 - двухполюсный автомат защиты катушек L1, L2
электромагнитного тормоза;
г) QF4, QF5 - трехполюсные автоматы защиты электроприводов скребка и
механизма передвижения соответственно.
.4.3 Блок питания G1 с
напряжением на выходе 24В запитывает основные низковольтные элементы:
индуктивные датчики SQ1 - SQ9, конечные выключатели SQ10 - SQ14, кнопки ручного
управления сталевозом SB1 - SB4, переключатель работы скребка SA1, контакты периферийных реле KV4 - KV8, реле готовности KV1 - KV3, входные и выходные цепи
контроллера А2, а также цепи управления преобразователя UZ2
.4.4 Индуктивные датчики SQ1 - SQ9 используются для получения информации
о положениях сталевоза.
.4.5 Для получения информации о положениях сталевоза за пределами рабочей
зоны используются аварийные конечные выключатели SQ11, SQ12. Конечные
выключатели SQ13, SQ14 используются для получения информации о проникновении
кого-либо в кабельную траншею.
.4.6 Релейные выходы контроллера осуществляют передачу команд с
контроллера на системы управления двигателями с гальванической развязкой тем
самым управляют преобразователем частоты и реверсивным пускателем.
.4.7 Двигатель скребка асинхронный с короткозамкнутым ротором М1 питается
от сети трехфазного переменного тока напряжением 380В через пускатель UZ1 типа ПБР-16-321-00.
.4.8 Двигатель механизма передвижения асинхронный с короткозамкнутым
ротором М2 управляется преобразователем частоты UZ2 Unidrive
SP 6411.
.4.9 Сенсорный монитор А1 подключен непосредственно к контроллеру через
последовательный порт по протоколу RS-232C.
3.4.10 Система получает питание после включения пускателя КМ1, то есть
после нажатия кнопки подачи питания SB5. Аварийное отключение осуществляется
нажатием на кнопку SB6 - размыкание в цепи пускателя. Тем самым обеспечивается
защита от самопроизвольного включения при исчезновении и последующем появлении
питания. В соответствии с требованиями безопасности для обслуживающего и
технического персонала предусмотрена кнопка аварийного отключения SB7
грибкового типа. При запитанном блоке питания постоянное напряжение 24В
подается на контроллер (должен загореться светодиод «PWR»), сенсорный монитор и
датчики технологической информации.
3.4.11 Управление приводами всех механизмов осуществляется через
программируемый контроллер посредством сенсорного монитора А1. В зависимости от
режима работы контроллер включает и отключает привода в соответствии с входными
сигналами и по заданной программе.
3.4.12 Для включения системы в автоматическом режиме работы оператору
необходимо нажать кнопку «START»
окна автоматического режима сенсорного монитора. При выполнении всех условий
для автоматической работы (готовность приводов и начальное положение
сталевоза), загорается сигнальная лампа готовности схемы «READY» на экране сенсорного монитора и
система начинает функционировать в автоматическом режиме. Сигнальные лампы
индицируют работу приводов конвертера («GS», «SL»
как в окне «STEEL», так и в окне «SLAG») и шлаковоза («CH», «FAILURE SLAG»). Назначение сигнальных ламп а также кнопок
сенсорной панели машиниста описано в пункте 8.4.
3.4.13 Для работы системы в ручном режиме оператору необходимо
воспользоваться кнопкой перехода в ручной режим работы «MANUAL» и нажатием на кнопку «STOP» сенсорного монитора прекратить
работу механизмов в автоматическом режиме. Далее с помощью кнопок пульта
управляются отдельные механизмы. При этом контроллер выдает управляющие сигналы
в систему управления приводами аналогично автоматическому режиму.
.4.14 В случае возникновения непредвиденной ситуации на участке
автоматизации возникают световой и звуковой сигналы об аварии. Для
восстановления системы в работу необходимо воспользоваться кнопкой сброса
аварии «DUMP» на сенсорном мониторе.
4. АВТОМАТИЗАЦИЯ ЭЛЕКТРОПРИВОДА
.1 Описание последовательности работы механизма и разработка алгоритма
работы автоматизации технологического процесса
.1.1 В проекте рассматривается автоматизация оборудования сталевоза -
механизма, предназначенного для транспортировки наполненного металлом ковша от
конвертера в разливочный пролет для дальнейшей его передачи на машину
непрерывного литья заготовок.
.1.2 Управление механизмами сталевоза выполняет машинист транспортировщик
горячего металла с поста управления сталевозом (ПУС) Вспомогательные посты
управления (ПУВ) располагаются на наиболее ответственных участках пути и
предназначены для корректировки перемещения сталевоза в аварийных режимах
работы или при случаях, требующих ручной доводки для точной остановки сталевоза
под слив стали. Каждый из ПУВ оборудован средством связи с ПУС для
взаимодействия сталеваров конвертера с машинистом сталевоза. ПУВ1, ПУВ2
предназначены для контроля точной остановки сталевоза под конвертером,
а ПУВ3 - для контроля транспортировки неисправного шлаковоза из-под
конвертера в тупик.
Работу всех ПУВ дублируют датчики технологической информации, что
существенно упрощает контроль над точностью перемещений сталевоза.
.1.3 В исходном состоянии тележка сталевоза находится в тупике, что соответствует
положению «П1». При установленном на телегу ковше и наличии сигнала готовности
к сливу стали из конвертера сталевоз включается на максимальную скорость
передвижения в соответствии с тахограммой (рисунок 4.1). При достижении
положения «П3» скорость снижается до пониженной для точной остановки сталевоза
под конвертером в положении «П4». В случае проскакивания сталевоза за пределы
отсечки «П5» происходит реверс двигателя механизма передвижения, после чего
сталевоз останавливается в положении «П4». При наличии сигнала о том, что
металл из конвертера слит в ковш, сталевоз включается на максимальную скорость
и транспортирует его в тупик, попутно переходя на пониженную скорость в
положении «П2» во избежание расплескивания жидкой стали.
Сталевоз приводится в движение одним из двигателей 3 или 4 (один
резервный) через редукторы 2 или 5 соответственно по одному на каждый мост
телеги. Цифрами 1 и 6 показаны тормозные шкивы на выходных валах редукторов 2 и
5 соответственно.
.1.4 Расчистка путей производится в ручном режиме работы без
установленного на сталевозе стальковша и при наличии сигнала на опускание
(поднятие) скребка.
Привод механизма скребка оборудован асинхронным короткозамкнутым
двигателем 7 марки АР-4З-6 (380 В, 1.2 кВт, 870 об/мин, 12 А, ПВ=100%), который
через редуктор 8 осуществляет подъем или опускание скребка 9.
.1.5 В тех случаях, когда перемещение шлаковоза (сталевоза) невозможно по
причине неисправностей электрооборудования, сталевоз (шлаковоз) должен
действовать с ним в сцепке выполняя роль ведущего до остановки конвертера на
ремонт.
.1.6 Система автоматизации должна обеспечивать работу в ручном и
автоматическом режимах. В ручном режиме обеспечивать управление механизмами
машинистом с пульта управления:
а) аварийная остановка работы автоматики и ее запуск;
б) переключение управления механизмами сталевоза с автоматического на
ручное;
в) ввод в работу резервного двигателя механизма передвижения;
г) ввод в работу резервного преобразователя;
д) перемещение сталевоза как вперед, так и назад;
е) перемещение скребка сталевоза как вверх, так и вниз;
ж) остановка механизмов.
Для наглядности работы автоматики на пульте управления машиниста
необходимо предусмотреть световую сигнализацию, информирующую о сигналах,
поступающих с датчиков, наличии питания, а также аварии.
.2 Разработка алгоритма работы автоматизации технологического процесса
.2.1 Алгоритм работы системы автоматизации составляется на основе
описания технологического процесса, последовательности работы механизмов
сталевоза и требований к системе автоматизации. Алгоритм может представляться
различными способами . В данном проекте это логические уравнения.
.2.2 Система автоматизации должна формировать следующие выходные команды:
а) включить двигатель скребка на опускание;
б) включить двигатель скребка на поднятие;
г) включить двигатель на передвижение сталевоза назад;
д) включить двигатель на передвижение сталевоза в медленном режиме;
е) включить тормоз механизма передвижения сталевоза.
.2.3 Кроме команд на исполнительные механизмы необходимо задействовать
выходные сигналы на индикацию и сигнализацию состояния системы для удобства
эксплуатации и устранения неполадок в системе.
а) сигнал сборки схемы;
б) сигнал готовности приводов;
в) сигнал питания датчиков;
г) сигнал аварии.
.2.4 Для управления механизмами в ручном режиме, а также пуска и
остановки системы в автоматическом режиме введен пульт управления. С него
машинист осуществляет работу в ручном режиме и может задавать следующие входные
сигналы:
а) переключение режимов: ручной, автоматический;
б) пуск автоматики;
в) остановка автоматики;
г) сброс аварии;
д) скребок вверх;
е) скребок вниз;
ж) ковш установлен;
з) сталевоз вперед;
и сталевоз медленно;
к) сталевоз назад;
л) сталевоз стоп.
.2.5 Для автоматизации работы системы необходимо иметь информацию о
состоянии производственного объекта. Таким образом, будем использовать датчики
положения.
.2.6 В таблице 4.1 сведены все сигналы и команды, используемые в системе
автоматизации, на рисунке 4.1 - циклограммы работы сталевоза.
Таблица 4.1
Сигналы и команды, используемые в системе автоматизации
|
№ п/п
|
Сигнал, команда
|
Обозначения
|
Принятое значение
логической единицы
|
|
|
|
|
|
|
|
|
|
|
|
|
Входные сигналы
|
|
|
1
|
Ручной режим
|
Руч
|
Включен
|
|
|
2
|
Автоматический режим
|
Авт
|
Включен
|
|
|
3
|
Пуск автоматики
|
ПускАвт
|
Включен
|
|
|
4
|
Остановка автоматики
|
ОстАвт
|
Выключен
|
|
|
5
|
Сброс аварии
|
СбросАв
|
Включен
|
|
|
6
|
Готовность приводов
|
ГотЭП
|
Есть
|
|
|
7
|
Питание датчиков
|
ПитД
|
Есть
|
|
|
8
|
Ковш установлен
|
КУст
|
Есть
|
|
|
9
|
Чаша установлена
|
ЧУст
|
Есть
|
|
|
10
|
Готовность к сливу стали
|
ГотСлСт
|
Есть
|
|
|
Входные сигналы
|
|
|
11
|
Готовность к сливу шлака
|
ГотСлШл
|
Есть
|
|
|
12
|
Сталь слита
|
СтСлита
|
Есть
|
|
|
13
|
Шлак слит
|
ШлСлит
|
Есть
|
|
|
14
|
Авария на шлаковозе
|
АвШл
|
Есть
|
|
|
15
|
Пуск аварийной автоматики
|
ПускАвАвт
|
Включен
|
|
|
16
|
Сработала автосцепка
|
Автосц
|
Есть
|
|
|
17
|
Опустить скребок
|
СкрН
|
Включен
|
|
|
18
|
Поднять скребок
|
СкрВ
|
Включен
|
|
|
19
|
Сталевоз вперед (ручной
режим)
|
СВр
|
Включен
|
|
|
20
|
Сталевоз назад (ручной
режим)
|
СНр
|
Включен
|
|
|
21
|
Сталевоз медленно (ручной
режим)
|
СМр
|
Включен
|
|
|
22
|
Сталевоз стоп (ручной
режим)
|
Стоп
|
Выключен
|
|
|
23
|
Нахождение сталевоза в
тупике
|
П1
|
Есть
|
|
|
24
|
Нахождение сталевоза в зоне
снижения скорости при возвращении в тупик
|
П2
|
Есть
|
|
|
25
|
Нахождение сталевоза в зоне
снижения скорости при подъезде к конвертеру
|
П3
|
Есть
|
|
|
26
|
Нахождение сталевоза в зоне
слива стали
|
П4
|
Есть
|
|
|
27
|
Нахождение сталевоза вне
зоны слива стали
|
П5
|
Есть
|
|
|
28
|
Нахождение шлаковоза в
тупике
|
П6
|
Есть
|
|
|
Входные сигналы
|
|
|
29
|
Нахождение шлаковоза в зоне
снижения скорости при возвращении в тупик
|
П7
|
Есть
|
|
|
30
|
Нахождение шлаковоза в зоне
снижения скорости при подъезде к конвертеру
|
П8
|
Есть
|
|
|
31
|
Нахождение шлаковоза вне
зоны слива шлака
|
П9
|
Есть
|
|
|
32
|
Аварийное нахождение
сталевоза за пределами сталевозного тупика
|
А1
|
Есть
|
|
|
33
|
Аварийное нахождение
сталевоза за пределами шлаковозного тупика
|
А2
|
Есть
|
|
|
34
|
Открытое положение первой
двери входа в кабельную траншею
|
Дверь1
|
Есть
|
|
|
35
|
Открытое положение второй
двери входа в кабельную траншею
|
Дверь2
|
Есть
|
|
|
Выходные сигналы
|
|
|
1
|
Опустить скребок
|
ОпустСкр
|
Есть
|
|
|
2
|
Поднять скребок
|
ПоднСкр
|
Есть
|
|
|
3
|
Сталевоз вперед
|
СВ
|
Есть
|
|
|
4
|
Сталевоз назад
|
СН
|
Есть
|
|
|
5
|
Сталевоз медленно
|
СМ
|
Есть
|
|
|
6
|
Наложить тормоз
|
Торм
|
Есть
|
|
|
7
|
Сборка схемы
|
Гот
|
Есть
|
|
|
8
|
Авария
|
Авар
|
Есть
|
|
|
Выходные сигналы
|
|
9
|
Звонок
|
Зв
|
Есть
|
|
10
|
Сталевоз стоп
|
ССтоп
|
Есть
|
|
11
|
Скребок стоп
|
СтопСкр
|
Есть
|
|
|
|
|
|
|
|
|
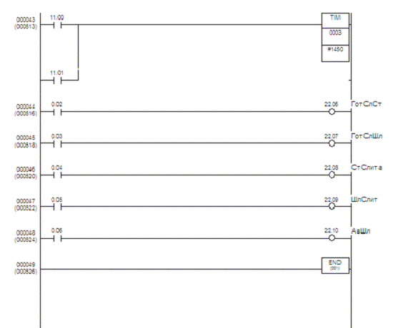
.2.7 Сигнал готовность схемы «Гот» возникает при готовности приводов
«ГотПЧ», наличии питания датчиков «ПитД» в автоматическом режиме работы «Авт»
при нажатой кнопке пуска автоматики «ПускАвт», нахождении сталевоза в положении
«П1». Сигнал готовность схемы «Гот» запоминается, пока нет сигналов об аварии
«Авар», либо об остановке работы автоматики «ОстАвт». В ручном режиме сигнал
готовность схемы «Гот» возникает при готовности приводов «ГотПЧ» и наличии
питания датчиков «ПитД»:
Гот = ГотПЧ ПитД Авт (ПускАвт П1 + Гот) Авар ОстАвт + Руч ГотПЧ × × ПитД
.2.8 Команда на опускание скребка «ОпустСкр» возникает в ручном режиме
работы «Руч» и при нажатии на кнопку скребок вниз «СкрН». Команда «ОпустСкр»
запоминается, пока не сработает таймер «Т1»:
ОпустСкр = Руч (СкрН + ОпустСкр) Т1 .
4.2.9 Команда на поднятие скребка «ПоднСкр» возникает в ручном режиме
работы «Руч» и при нажатии на кнопку скребок вверх «СкрВ». Команда «ПоднСкр»
запоминается, пока не сработает таймер «Т1»:
ПоднСкр = Руч (СкрВ + ПоднСкр) Т1 .
Рисунок 4.1 - Циклограммы работы сталевоза
4.2.10 Расчистка путей возможна в ручном режиме работы «Руч», при наличии
команды на перемещение сталевоза вперед «СВр» и при отсутствии установленного
на телеге ковша «КУст». Команда «В1» запоминается, пока не нажата какая-либо из
кнопок: «Стоп», поднять скребок «СкрВ», сталевоз назад «СНр»:
В1 = Руч (СВр КУст + В1) Стоп СкрВ СНр.
.2.11 После выполнения расчистки путей, возвращение сталевоза в тупик
выполняется также в ручном режиме работы «Руч», при наличии команды на
перемещение сталевоза назад «СНр», и при отсутствии установленного на телеге
ковша «КУст». Команда Н1 запоминается, пока не нажата какая-либо из кнопок:
«Стоп», опустить скребок «СкрН», сталевоз вперед «СВр», либо пока нет сигнала с
датчика крайнего положения «П1»:
Н1 = Руч (СНр КУст + Н1) Стоп СкрН СВр П1.
.2.12 Команда на передвижение сталевоза под слив стали «В2» возникает как
в автоматическом, так и в ручном режимах работы. В автоматическом режиме - при
наличии сигнала готовности схемы «Гот», нахождении тележки в положении «П1»,
сигнале о готовности конвертера к сливу стали «ГотСлСт» и установленном на
телегу ковше «КУст». Команда «В2» запоминается до тех пор, пока сталевоз не
достигнет положения «П4» под конвертером, либо пока не появится команда назад «CН». В ручном режиме команда «В2»
формируется при сигнале ручного режима «СВр», сигнале «КУст» и запоминается,
пока нет какого-либо из сигналов: с датчика в положении «П4», «Стоп», либо
сталевоз назад «СНр»:
В2 = Гот (П1 ГотСлСт КУст + В2) П4 CН + Руч (СВр КУст + В2) Стоп СНр П4.
.2.13 Команда вперед медленно «МВ2» возникает как в автоматическом, так и
в ручном режимах работы. В автоматическом режиме - при наличии сигнала
готовности схемы «Гот», команды вперед «В2», нахождении тележки в положении
снижения скорости «П3». Команда «МВ2» запоминается до тех пор, пока сталевоз не
достигнет положения «П4» под конвертером. В ручном режиме команда «МВ2»
формируется при наличии движения вперед «В2» сигнале ручного режима «СМр» и
запоминается, пока нет какого-либо из сигналов: с датчика в положении «П4»,
«Стоп», либо сталевоз назад «СНр»:
МВ2 = Гот В2 (П3 + МВ2) П4 + Руч В2 (СМр + МВ2) П4 Стоп СНр.
.2.14 Команда на перемещение сталевоза назад «Н2» при проскакивании
положения «П4» формируется как в ручном, так и в автоматическом режимах работы.
В автоматическом режиме - при наличии сигнала готовности схемы «Гот»,
нахождении тележки в положении «П5», сигнале о готовности конвертера к сливу
стали «ГотСлСт» и установленном на телегу ковше «КУст». Команда «Н2» запоминается
до тех пор, пока сталевоз не достигнет положения «П4» под конвертером или нет
команды на передвижение вперед «СВ». В ручном режиме команда «Н2» формируется
при сигнале ручного режима «СНр», сигнале «КУст» и запоминается, пока нет
какого-либо из сигналов: с датчика в положении «П4», «Стоп», либо сталевоз
вперед «СВр»:
Н2 = Гот (П5 КУст ГотСлСт + Н2) П4 СВ + Руч (СНр КУст + Н2) П4××Стоп СВр.
.2.15 Команда «Н2» должна выполняться на пониженной скорости с целью
точной остановки сталевоза под горловиной конвертера. В автоматическом режиме -
при наличии сигнала готовности схемы «Гот» и команды назад «Н2». В ручном
режиме команда «МН2» формируется при сигнале ручного режима «СМр», наличии
движения назад «Н2» и запоминается, пока нет какого-либо из сигналов: с датчика
в положении «П4», «Стоп», либо сталевоз вперед «СВр»:
МН2 = Гот Н2 + Руч Н2 (СМр + МН2) П4 Стоп СВр.
.2.16 Команда «Н21» на транспортировку наполненного сталью ковша в тупик
возникает как в ручном, так и в автоматическом режимах работы. В автоматическом
режиме - при наличии сигнала готовности схемы «Гот», нахождении тележки в
положении «П4», и сигнале о том, что сталь слита «СтСлита». Команда «Н21»
запоминается до тех пор, пока сталевоз не достигнет положения «П1», либо пока
не появится команда вперед «СВ». В ручном режиме команда «Н21» формируется при
сигнале ручного режима «СНр», сигнале о том, что сталь слита «СтСлита». Команда
«Н21» запоминается, пока нет какого-либо из сигналов: с датчика в положении
«П1», «Стоп», либо сталевоз вперед «СВр»:
Н21 = Гот (П4 СтСлита + Н21) П1 СВ + Руч (СНр СтСлита + Н21) П1× × Стоп СВр.
.2.17 Команда на снижение скорости при подходе к тупику «МН21» возникает
как в автоматическом, так и в ручном режимах работы. В автоматическом режиме -
при наличии сигнала готовности схемы «Гот», команды назад «СН», нахождении
тележки в положении снижения скорости «П2». Команда «МН21» запоминается до тех
пор, пока сталевоз не достигнет положения «П1». В ручном режиме команда «МН21»
формируется при наличии движения назад «СН», сигнале ручного режима «СМр» и
запоминается, пока нет какого-либо из сигналов: с датчика в положении «П1»,
«Стоп», либо сталевоз вперед «СВр»:
МН21 = Гот СН (П2 + МН21) П1 + Руч СН (СМр + МН21) П1 Стоп СВр.
.2.18 Команда на передвижение сталевоза вперед «В3» возникает как в
автоматическом, так и в ручном режимах работы. В автоматическом режиме - при
наличии сигнала готовности схемы «Гот», сигнале об аварии на шлаковозе «АвШл»,
нахождении тележки сталевоза в положении «П1», сигнале о том, что шлак из конвертера
слит «ШлСлит», шлаковая чаша установлена «ЧУст», отсутствует ковш на телеге
сталевоза «КУст» и нажата кнопка пуска аварийной автоматики «ПускАвАвт».
Команда «В3» запоминается до тех пор, пока не появится сигнал с датчика в
положении «П6». В ручном режиме команда «В3» формируется при сигнале ручного
режима «СВр», отсутствии сигнала «КУст», сигнале о том, что шлак из конвертера
слит «ШлСлит», шлаковая чаша установлена «ЧУст» и запоминается, пока нет
какого-либо из сигналов: с датчика в положении «П6», «Стоп», либо сталевоз
назад «СНр»:
В3 = Гот АвШл (П1 ШлСлит ЧУст КУст ПускАвАвт + В3) П6 +
+ Руч (СВр КУст ШлСлит ЧУст + В3) П6 Стоп СНр.
.2.19 Команда вперед медленно «МВ3» возникает как в автоматическом, так и
в ручном режимах работы. В автоматическом режиме - при наличии сигнала
готовности схемы «Гот», команды вперед «В3», сигнале об аварии на шлаковозе
«АвШл», нахождении тележки сталевоза в положении снижения скорости «П3».
Команда «МВ3» запоминается до тех пор, пока сталевоз не достигнет аварийного шлаковоза,
о чем сигнализирует срабатывание автосцепки «Автосц». В ручном режиме команда
«МВ3» формируется при наличии движения вперед «В3» и сигнале ручного режима
«СМр». Команда «МВ3» запоминается, пока нет какого-либо из сигналов: с датчика
в положении «П6», «Стоп», либо сталевоз назад «СНр»:
МВ3 = Гот В3 АвШл (П3 + МВ3) Автосц + Руч В3 (СМр + МВ3) П6× × Стоп СНр.
.2.20 Команда «Н3» возникает как в ручном, так и в автоматическом режимах
работы. В автоматическом режиме - при наличии сигнала готовности схемы «Гот»,
сигнале об аварии на шлаковозе «АвШл», нахождении сцепленных тележек в
положении «П6», и сигналах о том, что на шлаковозе отсутствует шлаковая чаша
«ЧУст», а на сталевозе - стальковш «КУст». Команда «Н3» запоминается до тех
пор, пока сталевоз не достигнет положения «П1». В ручном режиме команда «Н3»
формируется при сигнале ручного режима «СНр» и сигнале о том, что шлаковой чаши
на шлаковозе нет «ЧУст». Команда «Н3» запоминается, пока нет какого-либо из
сигналов: с датчика в положении «П1», «Стоп», либо сталевоз вперед «СВр»:
Н3 = Гот АвШл (П6 ЧУст КУст + Н3) П1 + Руч (СНр ЧУст КУст + Н3)× ×П1 Стоп СВр.
.2.21 Команда на снижение скорости при подходе к тупику «МН31» возникает
как в автоматическом, так и в ручном режимах работы. Как и дальнейшие команды
назад медленно «МН41», «МН61», «МН81» она соответствует логическому уравнению
команды «МН21»,
.2.22 Команда на передвижение сталевоза вперед «В4» возникает как в
автоматическом, так и в ручном режимах работы. В автоматическом режиме - при
наличии сигнала готовности схемы «Гот», сигнале об аварии на шлаковозе «АвШл»,
нахождении тележки сталевоза в положении «П1», сигнале о готовности слива стали
из конвертера «ГотСлСт», шлаковая чаша на шлаковозе отсутствует «ЧУст», ковш на
телеге сталевоза установлен «КУст». Команда «В4» запоминается до тех пор, пока
не появится сигнал с датчика в положении «П4», либо команда назад «СН». В
ручном режиме команда «В4» формируется при сигнале ручного режима «СВр»,
отсутствии сигнала «ЧУст», сигнале «КУст» и запоминается, пока нет какого-либо
из сигналов: с датчика в положении «П4», «Стоп», либо сталевоз назад «СНр»:
В4 = Гот АвШл (П1 ГотСлСт КУст ЧУст + В4) П4 СН + Руч (СВр× ×КУст ЧУст + В4) П4 Стоп СНр.
.2.23 Команда вперед медленно «МВ4» возникает как в автоматическом, так и
в ручном режимах работы. В автоматическом режиме - при наличии сигнала
готовности схемы «Гот», команды вперед «В4», сигнале об аварии на шлаковозе
«АвШл», нахождении тележки сталевоза в положении снижения скорости «П3».
Команда «МВ4» запоминается до тех пор, пока сталевоз не достигнет положения
«П4». В ручном режиме команда «МВ4» формируется при наличии движения вперед
«В4» и сигнале ручного режима «СМр». Команда «МВ4» запоминается, пока нет
какого-либо из сигналов: с датчика в положении «П4», «Стоп», либо сталевоз
назад «СНр»:
МВ4 = Гот В4 АвШл (П3 + МВ4) П4 + Руч В4 (СМр + МВ4) П4 Стоп × ×СНр.
.2.24 Команда на перемещение сталевоза назад «Н4» при проскакивании
положения «П4» формируется как в ручном, так и в автоматическом режимах работы.
В автоматическом режиме - при наличии сигнала готовности схемы «Гот», сигнале
об аварии на шлаковозе «АвШл», нахождении тележки в положении «П5», сигнале об
установленном ковше «КУст», готовности конвертера к сливу стали «ГотСлСт» и
отсутствии на телеге шлаковоза чаши «ЧУст». Команда «Н4» запоминается до тех
пор, пока сталевоз не достигнет положения «П4» под конвертером, либо нет
команды вперед «СВ». В ручном режиме команда «Н4» формируется при сигнале
ручного режима «СНр», сигнале «КУст», отсутствии сигнала «ЧУст» и сигнале
«ГотСлСт». Команда «Н4» запоминается, пока нет какого-либо из сигналов: с
датчика в положении «П4», «Стоп», либо сталевоз вперед «СВр»:
Н4 = Гот АвШл (П5 КУст ГотСлСт ЧУст + Н4) П4 СВ + Руч (СНр× ×КУст ЧУст ГотСлСт + Н4) П4 Стоп СВр.
.2.25 Команда «Н4» должна выполняться на пониженной скорости с целью
точной остановки сталевоза под горловиной конвертера. В автоматическом режиме -
при наличии сигнала готовности схемы «Гот» и команды назад «Н4». В ручном
режиме команда «МН4» формируется при сигнале ручного режима «СМр», наличии
движения назад «Н4» и запоминается, пока нет какого-либо из сигналов: с датчика
в положении «П4», «Стоп», либо сталевоз вперед «СВр»:
МН4 = Гот Н4 + Руч Н4 (СМр + МН4) П4 Стоп СВр.
.2.26 Команда «Н41» на транспортировку наполненного сталью ковша в тупик
возникает как в ручном, так и в автоматическом режимах работы. В автоматическом
режиме - при наличии сигнала готовности схемы «Гот», сигнале об аварии на
шлаковозе «АвШл», нахождении сталевоза в положении «П4», сигнале о том, что
сталь слита «СтСлита» и чаша на шлаковозе отсутствует «ЧУст». Команда «Н41»
запоминается до тех пор, пока сталевоз не достигнет положения «П1», либо пока
не появится команда вперед «СВ». В ручном режиме команда «Н41» формируется при
сигнале ручного режима «СНр», сигнале о том, что сталь слита «СтСлита». Команда
«Н41» запоминается, пока нет какого-либо из сигналов: с датчика в положении
«П1», «Стоп», либо сталевоз вперед «СВр»:
Н41 = Гот АвШл (П4 СтСлита ЧУст + Н41) П1 СВ + Руч (СНр ×
×СтСлита + Н41) П1 Стоп СВр.
4.2.27 Команда на перемещение сцепки вперед «В5» возникает как в
автоматическом, так и в ручном режимах работы. В автоматическом режиме - при
наличии сигнала готовности схемы «Гот», сигнале об аварии на шлаковозе «АвШл»,
нахождении тележки сталевоза в положении «П1», сигнале о том, что шлаковая чаша
на шлаковозе отсутствует «ЧУст», ковш на телеге сталевоза отсутствует «КУст».
Команда «В5» запоминается до тех пор, пока не появится сигнал с датчика в
положении «П6», либо команда назад «СН». В ручном режиме команда «В5»
формируется при сигнале ручного режима «СВр», отсутствии сигналов «ЧУст» и
«КУст», и запоминается, пока нет какого-либо из сигналов: с датчика в положении
«П6», «Стоп», либо сталевоз назад «СНр»:
В5 = Гот АвШл (П1 ЧУст КУст + В5) П6 СН + Руч (СВр ЧУст КУст + + В5) П6
Стоп СНр.
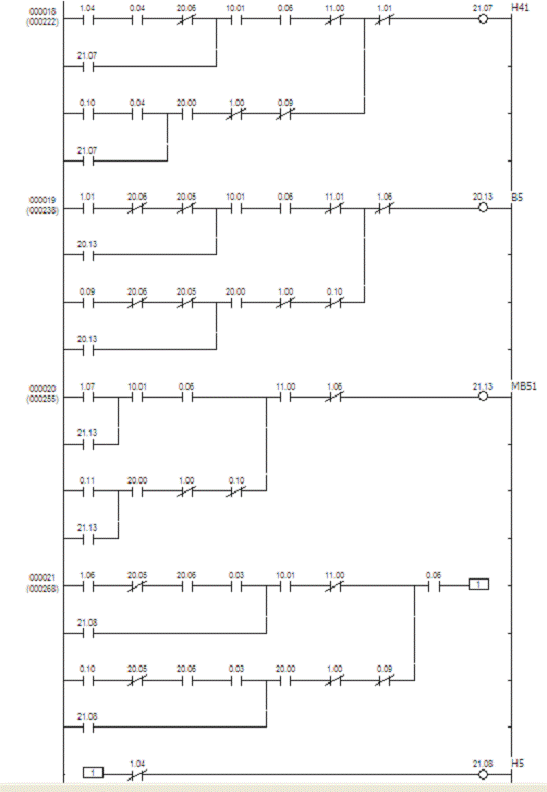
.2.28 Команда вперед медленно «МВ51» возникает как в автоматическом, так
и в ручном режимах работы. В автоматическом режиме - при наличии сигнала
готовности схемы «Гот», команды вперед «СВ», сигнале об аварии на шлаковозе
«АвШл», нахождении тележки сталевоза в положении снижения скорости при подходе
к шлаковозному тупику «П7». Команда «МВ51» запоминается до тех пор, пока
сталевоз не достигнет положения «П6». В ручном режиме команда «МВ51»
формируется при наличии движения вперед «СВ» и сигнале ручного режима «СМр».
Команда «МВ51» запоминается, пока нет какого-либо из сигналов: с датчика в
положении «П6», «Стоп», либо сталевоз назад «СНр»:
МВ51 = Гот СВ АвШл (П7 + МВ51) П6 + Руч СВ (СМр + МВ51)П6 × ×Стоп СНр.
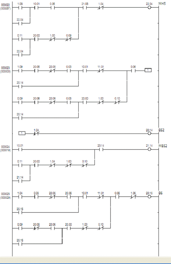
4.2.29 Команда «Н5» на транспортировку шлаковоза с порожней чашей под
слив шлака возникает как в ручном, так и в автоматическом режимах работы. В
автоматическом режиме - при наличии сигнала готовности схемы «Гот», сигнале об
аварии на шлаковозе «АвШл», сигнале с датчика в положении «П6», отсутствии
стальковша на сталевозе «КУст», при установленной чаше на шлаковозе «ЧУст» и
при сигнале готовности к сливу шлака «ГотСлШл». Команда «Н5» запоминается до
тех пор, пока сталевоз не достигнет положения «П4», либо пока не появится
команда вперед «СВ». В ручном режиме команда «Н5» формируется при сигнале об
аварии на шлаковозе «АвШл», сигнале ручного режима «СНр», без сигнала «КУст»,
наличии шлаковой чаши «ЧУст» и сигнале готовности к сливу шлака «ГотСлШл».
Команда «Н5» запоминается, пока нет какого-либо из сигналов: с датчика в
положении «П4», «Стоп», либо сталевоз вперед «СВр»:
Н5 = Гот АвШл (П6 КУст ЧУст ГотСлШл + Н5) П4 СВ + Руч АвШл (СНр КУст ЧУст
ГотСлШл + Н5) П4 Стоп СВр.
.2.30 Команда на снижение скорости сцепки при подходе к оси конвертера
«МН5» возникает как в автоматическом, так и в ручном режимах работы. В
автоматическом режиме - при наличии сигнала готовности схемы «Гот», сигнала об
аварии на шлаковозе «АвШл», команды назад «Н5» и нахождении сцепки в положении
снижения скорости «П8». Команда МН5 запоминается до тех пор, пока сталевоз не
достигнет положения «П4». В ручном режиме команда «МН5» формируется при наличии
движения назад «Н5», сигнале ручного режима «СМр» и запоминается, пока нет
какого-либо из сигналов: с датчика в положении «П4», «Стоп», либо сталевоз
вперед «СВр»:
МН5 = Гот АвШл Н5 (П8 + МН5) П4 + Руч Н5 (СМр + МН5)П4 Стоп × ×СВр.
.2.31 Команда на перемещение сталевоза вперед «В52» при проскакивании
положения «П4» формируется как в ручном, так и в автоматическом режимах работы.
В автоматическом режиме - при наличии сигнала готовности схемы «Гот», сигнала
об аварии на шлаковозе «АвШл», нахождении сцепки в положении «П9»,
установленной чаши на шлаковозе «ЧУст», отсутствии стальковша на сталевозе «КУст»
и сигнале о готовности конвертера к сливу шлака «ГотСлШл». Команда «В52»
запоминается до тех пор, пока сталевоз не достигнет положения П4 под
конвертером, либо не появится команда назад «СН». В ручном режиме команда «В52»
формируется при наличии сигнала об аварии на шлаковозе «АвШл», сигнале ручного
режима «СВр», сигнале «ЧУст», без установленного ковша на сталевозе «КУст» и
сигнале готовности к сливу шлака «ГотСлШл». Команда «В52» запоминается до тех
пор, пока нет какого-либо из сигналов: с датчика в положении «П4», «Стоп», либо
сталевоз назад «СНр»:
В52 = Гот АвШл (П9 ЧУст КУст ГотСлШл + В52) П4 СН + РучАвШл × ×(СВр ЧУст КУст ГотСлШл + В52) П4 Стоп
СНр.
.2.32 Команда «В52» должна выполняться на пониженной скорости с целью
точной остановки шлаковоза под горловиной конвертера. В автоматическом режиме -
при наличии сигнала готовности схемы «Гот» и команды вперед «В52». В ручном
режиме команда «МВ52» формируется при сигнале ручного режима «СМр», наличии
движения вперед «В52» и запоминается, пока нет какого-либо из сигналов: с
датчика в положении «П4», «Стоп», либо сталевоз назад «СНр»:
МВ52 = Гот В52 + Руч В52 (СМр + МВ52) П4 Стоп СНр.
.2.33 Команда на передвижение сцепки из-под конвертера в шлаковозный
тупик «В6» возникает как в автоматическом, так и в ручном режимах работы. В
автоматическом режиме - при наличии сигнала готовности схемы «Гот», сигнала об
аварии на шлаковозе «АвШл», нахождении тележки сталевоза в положении «П4»,
наличии сигнала о том, что шлак слит в чашу шлаковоза «ШлСлит», установленной
на шлаковозе чаше «ЧУст» и отсутствии стальковша на сталевозе «КУст». Команда
«В6» запоминается до тех пор, пока сталевоз не достигнет положения «П6», либо
пока не появится команда назад «СН». В ручном режиме команда «В6» формируется
при сигнале об аварии на шлаковозе «АвШл», сигнале ручного режима «СВр», в
отсутствии сигнала «КУст», при установленной чаше «ЧУст» и запоминается, пока
нет какого-либо из сигналов: с датчика в положении «П6», «Стоп», либо сталевоз
назад «СНр»:
В6 = Гот АвШл (П4 ШлСлит КУст ЧУст + В6) П6 СН + Руч АвШл × ×(СВр КУст ЧУст + В6) П6 Стоп СНр.
.2.34 Команда на снижение скорости при подходе сцепки к шлаковозному
тупику «МВ61» возникает как в автоматическом, так и в ручном режимах работы.
Как и дальнейшие команды вперед медленно «МВ81», «МВ101» она соответствует
логическому уравнению команды «МВ51», которое приведено в п. 5.28.
.2.35 Команда на перемещение сцепки тележек в сталевозный тупик «Н6»
возникает как в автоматическом, так и в ручном режимах работы. Как и дальнейшие
команды назад «Н8», «Н10» она соответствует логическому уравнению команды
«Н3»,.
.2.36 Команда на передвижение сталевоза вперед «В7» возникает как в
автоматическом, так и в ручном режимах работы. В автоматическом режиме - при
наличии сигнала готовности схемы «Гот», сигнале об аварии на шлаковозе «АвШл»,
нахождении тележки сталевоза в положении «П1», сигнале о готовности слива шлака
из конвертера «ГотСлШл», шлаковая чаша на шлаковозе установлена «ЧУст», ковш на
телеге сталевоза отсутствует «КУст» и нажата кнопка пуска аварийной автоматики
«ПускАвАвт». Команда «В7» запоминается до тех пор, пока не появится сигнал о
срабатывании автосцепки «Автосц», либо команда назад «СН». В ручном режиме
команда «В7» формируется при сигнале ручного режима «СВр», отсутствии сигнала «КУст»,
сигнале «ЧУст», сигнале о готовности слива шлака из конвертера «ГотСлШл» и
запоминается, пока нет какого-либо из сигналов: срабатывание автосцепки
«Автосц», «Стоп», либо сталевоз назад «СНр»:
В7 = Гот АвШл (П1 ГотСлШл ПускАвАвт КУст ЧУст + В7) Автосц ×
×СН + Руч (СВр КУст ЧУст ГотСлШл + В7)
Автосц Стоп СНр.
.2.37 Команда вперед медленно «МВ7» возникает как в автоматическом, так и
в ручном режимах работы. В автоматическом режиме - при наличии сигнала
готовности схемы «Гот», команды вперед «В7», сигнале об аварии на шлаковозе
«АвШл», нахождении тележки сталевоза в положении снижения скорости при подходе
к оси конвертера «П3». Команда МВ7 запоминается до тех пор, пока сталевоз не
достигнет аварийного шлаковоза, о чем свидетельствует сигнал срабатывания
автосцепки «Автосц». В ручном режиме команда «МВ7» формируется при наличии
движения вперед «СВ» и сигнале ручного режима «СМр». Команда «МВ7»
запоминается, пока нет какого-либо из сигналов: срабатывание автосцепки
«Автосц», «Стоп», либо сталевоз назад «СНр»:
МВ7 = Гот В7 АвШл (П3 + МВ7) Автосц + Руч СВ (СМр + МВ7) × ×Автосц Стоп СНр.
.2.38 Команда «Н7» на транспортировку аварийного шлаковоза с порожней
чашей под слив шлака возникает как в ручном, так и в автоматическом режимах
работы. В автоматическом режиме - при наличии сигнала готовности схемы «Гот»,
сигнале об аварии на шлаковозе «АвШл», сигнале готовности к сливу шлака
«ГотСлШл», сигнале срабатывания автосцепки «Автосц», отсутствии стальковша на
сталевозе «КУст» и при установленной чаше на шлаковозе «ЧУст». Команда «Н7»
запоминается до тех пор, пока сталевоз не достигнет положения «П4», либо пока
не появится команда вперед «СВ». В ручном режиме команда «Н7» формируется при
сигнале об аварии на шлаковозе «АвШл», сигнале готовности к сливу шлака «ГотСлШл»,
сигнале ручного режима «СНр», без сигнала «КУст» и наличии шлаковой чаши
«ЧУст». Команда «Н7» запоминается, пока нет какого-либо из сигналов: с датчика
в положении «П4», «Стоп», либо сталевоз вперед «СВр»:
Н7 = Гот АвШл ГотСлШл (Автосц КУст ЧУст + Н7) П4 СВ + Руч × ×АвШл ГотСлШл (СНр КУст ЧУст + Н7) П4
Стоп СВр.
.2.39 Команда на снижение скорости сцепки при подходе к оси конвертера
«МН7» возникает как в автоматическом, так и в ручном режимах работы. В
автоматическом режиме - при наличии сигнала готовности схемы «Гот», сигнала об
аварии на шлаковозе «АвШл», команды назад «Н7» и нахождении сцепки в положении
снижения скорости «П8». Команда «МН7» запоминается до тех пор, пока сталевоз не
достигнет положения «П4». В ручном режиме команда «МН7» формируется при наличии
движения назад «Н7», сигнале ручного режима «СМр» и запоминается, пока нет
какого-либо из сигналов: с датчика в положении «П4», «Стоп», либо сталевоз
вперед «СВр»:
МН7 = Гот АвШл Н7 (П8 + МН7) П4 + Руч Н7 (СМр + МН7) П4 Стоп× ×СВр.
.2.40 Команда на перемещение вперед на пониженной скорости «МВ71» при
проскакивании сцепки за ось конвертера возникает как в автоматическом, так и в
ручном режимах работы. Как и команда вперед медленно «МВ91» она соответствует
логическому уравнению команды «МВ52», которое приведено в п. 5.32.
.2.41 Команда на перемещение сцепки вперед «В8» при транспортировке
заполненной шлаком чаши в тупик возникает как в автоматическом, так и в ручном
режимах работы. Как и команда вперед «В10», она соответствует логическому уравнению
команды «В6», которое приведено в п. 5.33.
.2.42 Команда на передвижение сталевоза вперед «В9» возникает как в
автоматическом, так и в ручном режимах работы. В автоматическом режиме - при
наличии сигнала готовности схемы «Гот», сигнале об аварии на шлаковозе «АвШл»,
нахождении тележки сталевоза в положении «П1», шлаковая чаша на шлаковозе
отсутствует «ЧУст», ковш на телеге сталевоза отсутствует «КУст» и нажата кнопка
пуска аварийной автоматики «ПускАвАвт». Команда «В9» запоминается до тех пор,
пока не появится сигнал с датчика в положении «П6», либо команда назад «СН». В
ручном режиме команда «В9» формируется при сигнале ручного режима «СВр»,
отсутствии сигналов «КУст» и «ЧУст», и запоминается, пока нет какого-либо из
сигналов: с датчика в положении «П6», «Стоп», либо сталевоз назад «СНр»:
В9 = Гот АвШл (П1 КУст ЧУст ПускАвАвт + В9) П6 СН + Руч (СВр ×
×КУст ЧУст + В9) П6 Стоп СНр.
.2.43 Команда вперед медленно «МВ9» возникает как в автоматическом, так и
в ручном режимах работы. В автоматическом режиме - при наличии сигнала
готовности схемы «Гот», команды вперед «В9», сигнале об аварии на шлаковозе
«АвШл», нахождении тележки сталевоза в положении снижения скорости «П3».
Команда «МВ9» запоминается до тех пор, пока сталевоз не достигнет аварийного
шлаковоза, о чем сигнализирует срабатывание автосцепки «Автосц». В ручном
режиме команда «МВ9» формируется при наличии движения вперед «В9» и сигнале
ручного режима «СМр». Команда «МВ3» запоминается, пока нет какого-либо из
сигналов: с датчика в положении «П6», «Стоп», либо сталевоз назад «СНр»:
МВ9 = Гот В9 АвШл (П3 + МВ9) Автосц + Руч В9(СМр+ МВ9)П6× ×Стоп СНр.
.2.44 Команда на перемещение сцепки назад «Н9» при транспортировке
порожней шлаковой чаши под слив шлака из конвертера возникает как в
автоматическом, так и в ручном режимах работы. Она соответствует логическому
уравнению команды «Н5».
.2.45 Команда на снижение скорости при подходе сцепки к оси конвертера
«МН9» возникает как в автоматическом, так и в ручном режимах работы. Она
соответствует логическому уравнению команды «МН5»
.2.46 Команда на перемещение сталевоза вперед «СВ» возникает когда есть
какой-либо из сигналов: «В1», «В2», «В3», «В4», «В5», «В52», «В6», «В7», «В9»:
СВ = В1 + В2 + В3 + В4 + В5 + В52 + В6 + В7 + В9.
4.2.47 Команда на перемещение сталевоза назад «СН» возникает когда есть
какой-либо из сигналов: «Н1», «Н2», «Н21», «Н3», «Н4», «Н41», «Н5», «Н7»:
СН = Н1 + Н2 + Н21 + Н3 + Н4 + Н41 + Н5 + Н7.
.2.48 Команда на перемещение сталевоза медленно «СМ» возникает когда есть
какой-либо из сигналов: «МВ2», «МВ3», «МВ4», «МВ51», «МВ52», «МВ7», «МВ9»,
«МН2», «МН21», «МН4», «МН5», «МН7»:
СМ = МВ2 + МВ3 + МВ4 + МВ51 + МВ52 + МВ7 + МВ9 + МН2 + + МН21 + МН4 + МН5
+ МН7.
.2.49 Команда наложить тормоз «Торм» возникает тогда, когда нет команд на
перемещение сталевоза вперед «СВ», назад «СН» и сигнала об аварии «Авар».
Команда наложить тормоз «Торм» также возникает при наличии сигналов с аварийных
датчиков «А1» или «А2», или при открытых дверях «Дверь1» или «Дверь2» и
запоминается до тех пор, пока машинист не переведет сталевоз в ручной режим
работы «Руч»:
Торм = СВ СН Авар + ((А1 + А2 + Дверь1 + Дверь2) + Торм) Руч.
.2.50 Команда на включение звонка возникает тогда, когда есть команда на
перемещение сталевоза вперед «СВ», или назад «СН», или когда есть сигнал аварии
«Авар» со сбросом через установленное время:
Зв = СВ + СН + Авар Т2 .
.2.51 Сигнал об аварии «Авар» возникает в автоматическом режиме работы
при наличии готовности схемы «Гот» и в случаях, когда время необходимое на
перемещение сталевоза превысило допустимые значения, или сработали аварийные
датчики «А1», «А2», «Дверь1», «Дверь2». Сигнал об аварии запоминается, пока не
нажата кнопка сброса аварии «СбросАв», либо пока нет перехода в ручной режим
работы «Руч»:
Авар = (Гот ((СВ+СН) Т3 + А1 + А2 + Дверь1 + Дверь2) + Авар) × ×СбросАв Руч.
.2.52 Для корректной работы системы управления двигателем скребка,
необходимо предусмотреть команду остановки скребка. Команда «СтопСкр» возникает
в случае отсутствия команд на подъем-опускание скребка «ПоднСкр» и «ОпустСкр»
соответственно:
СтопСкр = ПоднСкр ОпустСкр.
.2.53 Для корректной работы системы управления двигателями механизма
передвижения (рисунок 9.3) необходимо предусмотреть команду остановки
сталевоза. Команда «ССтоп» возникает в случае отсутствия команд на передвижение
сталевоза вперед и назад «СВ» и «СН» соответственно:
Стоп = СВ СН.
.2.54 На основании полученных логических уравнений можно построить
требуемую систему автоматизации. Для этого необходимо определиться с
требованиями и возможностями представления алгоритма функционирования системы
автоматизации. Наиболее удобным в настройке, отладке и эксплуатации является
построение системы автоматизации на базе программируемого логического
контроллера (ПЛК). Использование ПЛК позволяет:
а) упростить создание системы автоматизации;
б) расширить возможности диагностирования неисправностей системы;
в) упростить переналадку системы автоматизации при изменении
технологических требований.
Наличие большого количества входных и выходных сигналов, определило
применение в данной системе автоматизации программируемого контроллера OMRON CPM2A-40CDR-A
.3 Разработка функциональной схемы автоматизации
.3.1 На основе описания технологического процесса, содержательного
описания автоматизируемого объекта, определенных входных и выходных команд, с
учетом выбора программируемого контроллера составлена схема электрическая
функциональная, представленная на рисунке 4.1.
.3.2 Система автоматизации состоит из следующих элементов:
а) пульт управления;
б) сенсорный монитор OMRON NT-21;
в) программируемый контроллер OMRON CPM2A-40CDR-D;
г) блок питания датчиков и выходных реле (БП);
д) датчики технологической информации П1 - П9, А1, А2, Дверь1, Дверь2,
Автосц;
е) двигатели механизма передвижения Мп1, Мп2;
ж) двигатель механизма подъема-опускания скребка Мс;
з) электромагнитный тормоз ТМ;
и) система управления двигателями механизма передвижения СУДп;
к) система управления двигателем скребка СУДс.
.3.3 На пульте управления расположены кнопки управления механизмом
передвижения сталевоза «Вперед», «Назад», «Медленно», «Стоп», а также
переключатель подъема-опускания скребка «Скребок».
.3.4 На сенсорном мониторе расположены следующие элементы:
а) кнопка выбора режима «AUTOMATIC/MANUAL»;
б) кнопка пуска автоматического режима работы «START»;
в) кнопка остановки автоматического режима работы «STOP»;
г) кнопка пуска автоматического режима работы «START A» при аварии на шлаковозе;
д) кнопка сброса сигнала об аварии при работе сталевоза «DUMP»;
е) кнопка на разрешение движения сталевоза под слив стали «KOVSH»;
ж) лампа готовности схемы «READY»;
Рисунок 4.1 - Функциональная схема автоматизации
з) лампа аварии «FAILURE»;
и) лампа об аварии на шлаковозе «FAILURE SLAG»;
к) лампы «GS» и «SL», сигнализирующие о готовности и
окончании слива стали «STEEL»
или шлака «SLAG» из конвертера соответственно;
л) лампа, сигнализирующая об установленной шлаковой чаше на шлаковоз «CH».
Запрограммированный экран сенсорного монитора изображен на рисунке 4.2.
.3.5 На функциональной схеме (рисунок 5.1) показана взаимосвязь отдельных
элементов системы автоматизации. Здесь электрическая часть совмещена с
кинематической схемой. Основным связующим элементом является программируемый
контроллер OMRON CPM2A-40CDR-A,
соединенный посредством витой пары с сенсорным монитором для обмена информацией.
Все сигналы с датчиков технологической информации поступают на входы
контроллера, в результате чего формируются те или иные выходные команды в
автоматическом режиме.
Для изначальной наладки системы автоматизации и последующих ремонтов
предусмотрен ручной режим управления. В ручном режиме работы все команды на
перемещение механизмов сталевоза задаются оператором с пульта управления
(рисунок 4.2б). При нажатии какой-либо из кнопок контроллер выдает конкретную
команду на систему управления двигателем того или иного механизма. Для перехода
к окну автоматического режима работы оператору необходимо нажать на кнопку «AUTOMATIC» экрана сенсорного монитора и затем
нажатием на кнопку «START» осуществить
пуск автоматики. В случае необходимости перехода из автоматического режима
работы в ручной, оператору следует остановить автоматику нажатием на кнопку «STOP» и затем перейти к окну ручного
режима нажатием кнопки «MANUAL».
Если оператор забыл остановить автоматику, но уже перешел к окну ручного
управления, работу механизмов следует остановить дублирующей кнопкой «STOP» непосредственно на экране ручного
режима.
а)
б)
При возникновении аварийной ситуации на участке системы автоматизации на
экране сенсорного монитора предусмотрена лампа, сигнализирующая об аварии «FAILURE». При загорании лампы работа системы
в автоматическом режиме прекращается до нажатия на кнопку сброса аварии «DUMP».
4.4 Разработка программного обеспечения системы автоматизации
.4.1 Перед составлением программы необходимо определить адреса входных и
выходных переменных в соответствии с их подключением к программируемому контроллеру,
а также задать адреса промежуточных переменных и используемых таймеров.
Указанная информация сведена в таблицу 4.2.
Таблица 4.2
Адресация переменных используемых в программе
|
№ п/п
|
Наименование сигнала,
команды
|
Обозначение в
содержательном описании
|
Аппарат, формирующий сигнал
|
Адрес
|
|
|
Входные сигналы
|
|
1
|
Ручной режим
|
Руч
|
А1
|
20.00
|
|
2
|
Автоматический режим
|
Авт
|
А1
|
20.01
|
|
3
|
Пуск автоматики
|
ПускАвт
|
А1
|
20.02
|
|
4
|
Остановка автоматики
|
ОстАвт
|
А1
|
20.03
|
|
5
|
Сброс аварии
|
СбросАв
|
А1
|
20.04
|
|
6
|
Готовность приводов
|
ГотЭП
|
KV1
|
0.00
|
|
7
|
Питание датчиков
|
ПитД
|
KV2
|
0.00
|
|
8
|
Ковш установлен
|
КУст
|
А1
|
20.05
|
|
9
|
Чаша установлена
|
ЧУст
|
А1
|
20.06
|
|
10
|
Готовность к сливу стали
|
ГотСлСт
|
KV3
|
0.02
|
|
11
|
Готовность к сливу шлака
|
ГотСлШл
|
KV4
|
0.03
|
|
12
|
Сталь слита
|
СтСлита
|
KV5
|
0.04
|
|
13
|
Шлак слит
|
ШлСлит
|
KV6
|
0.05
|
|
14
|
Авария на шлаковозе
|
АвШл
|
KV7
|
0.06
|
|
15
|
Пуск аварийной автоматики
|
ПускАвАвт
|
A1
|
20.07
|
|
16
|
Сработала автосцепка
|
Автосц
|
SQ10
|
1.10
|
|
Входные сигналы
|
|
17
|
Опустить скребок
|
СкрН
|
SA1
|
0.07
|
|
18
|
Поднять скребок
|
СкрВ
|
SA1
|
0.08
|
|
19
|
Сталевоз вперед (ручной
режим)
|
СВр
|
SB1
|
0.09
|
|
20
|
Сталевоз назад (ручной
режим)
|
СНр
|
SB2
|
0.10
|
|
21
|
Сталевоз медленно (ручной
режим)
|
СМр
|
SB3
|
0.11
|
|
22
|
Сталевоз стоп (ручной
режим)
|
Стоп
|
SB4
|
1.00
|
|
23
|
Нахождение сталевоза в
тупике
|
П1
|
SQ1
|
1.01
|
|
24
|
Нахождение сталевоза в зоне
снижения скорости при возвращении в тупик
|
П2
|
SQ2
|
1.02
|
|
25
|
Нахождение сталевоза в зоне
снижения скорости при подъезде к конвертеру
|
П3
|
SQ3
|
1.03
|
|
26
|
Нахождение сталевоза в зоне
слива стали
|
П4
|
SQ4
|
1.04
|
|
27
|
Нахождение сталевоза вне
зоны слива стали
|
П5
|
SQ5
|
1.05
|
|
Входные сигналы
|
|
28
|
Нахождение шлаковоза в
тупике
|
П6
|
SQ6
|
1.06
|
|
29
|
Нахождение шлаковоза в зоне
снижения скорости при возвращении в тупик
|
П7
|
SQ7
|
1.07
|
|
30
|
Нахождение шлаковоза в зоне
снижения скорости при подъезде к конвертеру
|
П8
|
SQ8
|
1.08
|
|
31
|
Нахождение шлаковоза вне
зоны слива шлака
|
П9
|
SQ9
|
1.09
|
|
32
|
Аварийное нахождение
сталевоза за пределами сталевозного тупика
|
А1
|
SQ11
|
1.11
|
|
33
|
Аварийное нахождение
сталевоза за пределами шлаковозного тупика
|
А2
|
SQ12
|
1.11
|
|
34
|
Открытое положение первой
двери входа в кабельную траншею
|
Дверь1
|
SQ13
|
0.01
|
|
35
|
Открытое положение второй
двери входа в кабельную траншею
|
Дверь2
|
SQ14
|
0.01
|
|
Выходные сигналы
|
|
1
|
Опустить скребок
|
ОпустСкр
|
A2
|
10.04
|
|
2
|
Поднять скребок
|
ПоднСкр
|
A2
|
10.05
|
|
3
|
Скребок стоп
|
СтопСкр
|
А2
|
10.06
|
|
4
|
Сталевоз вперед
|
СВ
|
A2
|
11.00
|
|
5
|
Сталевоз назад
|
СН
|
A2
|
11.01
|
|
6
|
Сталевоз медленно
|
СМ
|
A2
|
11.02
|
|
7
|
Сталевоз стоп
|
ССтоп
|
А2
|
11.03
|
|
8
|
Наложить тормоз
|
Торм
|
A2
|
10.02
|
|
9
|
Сборка схемы
|
Гот
|
A2
|
10.01
|
|
10
|
Авария
|
Авар
|
A1
|
20.08
|
|
11
|
Звонок
|
Зв
|
HA1
|
10.00
|
|
Промежуточные переменные
|
|
1
|
Сталевоз вперед 1
|
В1
|
А2
|
20.09
|
|
2
|
Сталевоз вперед 2
|
В2
|
А2
|
20.10
|
|
3
|
Сталевоз вперед 3
|
В3
|
А2
|
20.11
|
|
4
|
Сталевоз вперед 4
|
В4
|
А2
|
20.12
|
|
5
|
Сталевоз вперед 5
|
В5
|
А2
|
20.13
|
|
6
|
Сталевоз вперед 52
|
В52
|
А2
|
20.14
|
|
7
|
Сталевоз вперед 6
|
В6
|
А2
|
20.15
|
|
8
|
Сталевоз вперед 7
|
В7
|
А2
|
21.00
|
|
9
|
Сталевоз вперед 9
|
В9
|
А2
|
21.01
|
|
10
|
Сталевоз назад 1
|
Н1
|
А2
|
21.02
|
|
11
|
Сталевоз назад 2
|
Н2
|
А2
|
21.03
|
|
12
|
Сталевоз назад 21
|
Н21
|
А2
|
21.04
|
|
Промежуточные переменные
|
|
13
|
Сталевоз назад 3
|
Н3
|
А2
|
21.05
|
|
|
14
|
Сталевоз назад 4
|
Н4
|
А2
|
21.06
|
|
|
15
|
Сталевоз назад 41
|
Н41
|
А2
|
21.07
|
|
|
16
|
Сталевоз назад 5
|
Н5
|
А2
|
21.08
|
|
|
17
|
Сталевоз назад 7
|
Н7
|
А2
|
21.09
|
|
|
18
|
Сталевоз медленно вперед 2
|
МВ2
|
А2
|
21.10
|
|
|
19
|
Сталевоз медленно вперед 3
|
МВ3
|
А2
|
21.11
|
|
|
20
|
Сталевоз медленно вперед 4
|
МВ4
|
А2
|
21.12
|
|
|
21
|
Сталевоз медленно вперед 51
|
МВ51
|
А2
|
|
|
22
|
Сталевоз медленно вперед 52
|
МВ52
|
А2
|
21.14
|
|
|
23
|
Сталевоз медленно вперед 7
|
МВ7
|
А2
|
21.15
|
|
|
24
|
Сталевоз медленно вперед 9
|
МВ9
|
А2
|
22.00
|
|
|
25
|
Сталевоз медленно назад 2
|
МН2
|
А2
|
22.01
|
|
|
26
|
Сталевоз медленно назад 21
|
МН21
|
А2
|
22.02
|
|
|
Промежуточные переменные
|
|
27
|
Сталевоз медленно назад 4
|
МН4
|
А2
|
22.03
|
|
|
28
|
Сталевоз медленно назад 5
|
МН5
|
А2
|
22.04
|
|
|
29
|
Сталевоз медленно назад 7
|
МН7
|
А2
|
22.05
|
|
|
30
|
Таймер 1 контролирует время
подъема-опускания скребка
|
Т1
|
А2
|
TIM001
|
|
|
31
|
Таймер 2 контролирует время
аварии
|
Т2
|
А2
|
TIM002
|
|
|
32
|
Таймер 3 контролирует время
передвижения сталевоза вперед-назад
|
Т3
|
А2
|
TIM003
|
|
|
|
|
|
|
|
|
|
11.2 С учетом принятой адресации, составленные при разработке алгоритма
автоматизации уравнения (переписаны в виде, представленном в таблице 4.3.
Таблица 4.3
Уравнения системы автоматизации в адресах ПЛК
|
№ п/п
|
Сигнал, команда
|
Уравнения в адресах СРМ2А
|
|
1
|
Гот
|
0.00 20.01 (20.02 1.01 + 10.01) 20.08 20.03 + 20.00
0.00 = = 10.01
|
|
2
|
ОпустСкр
|
20.00 (0.07 +
10.04) TIM001 = 10.04
|
|
3
|
ПоднСкр
|
20.00 (0.08 + 10.05) TIM001
= 10.05
|
|
4
|
В1
|
20.00 (0.09 20.05 + 20.09) 1.00 0.08 0.10 = 20.09
|
|
5
|
Н1
|
20.00 (0.10
20.05 + 21.02) 1.00 0.07 0.09 1.01 = 21.02
|
|
6
|
В2
|
10.01 (1.01 0.02
20.05 + 20.10) 1.04 11.01 + 20.00 (0.09 20.05 + 20.10) 1.00 0.10 1.04 = 20.10
|
|
7
|
МВ2
|
10.01 20.10
(1.03 + 21.10) 1.04 + 20.00 20.10 (0.11 + 21.10) 1.04 1.00 0.10 = 21.10
|
|
8
|
Н2
|
10.01 (1.05
20.05 0.02 + 21.03) 1.04 11.00 + 20.00 (0.10 20.05 + 21.03) 1.04 1.00 0.09 =
21.03
|
|
9
|
МН2
|
10.01 21.03 +
20.00 21.03 (0.11 + 22.01) 1.04 1.00 0.09 = 22.01
|
|
10
|
Н21
|
10.01 (1.04 0.04
+ 21.04) 1.01 11.00 + 20.00 (0.10 0.04 + + 21.04) 1.01 1.00 0.09 = 21.04
|
|
11
|
МН21
|
10.01 11.01
(1.02 + 22.02) 1.01 + 20.00 11.01 (0.11 + 22.02) 1.01 1.00 0.09 = 22.02
|
|
12
|
В3
|
10.01 0.06 (1.01
0.05 20.06 20.05 20.07 + 20.11) 1.06 + 20.00 (0.09 20.05 0.05 20.06 + 20.11)
1.06 1.00 0.10 = 20.11
|
|
13
|
МВ3
|
10.01 20.11 0.06
(1.03 + 21.11) 1.10 + 20.00 20.11 (0.11 + + 21.11) 1.06 1.00 0.10 = 21.11
|
|
14
|
Н3
|
10.01 0.06 (1.06
20.06 20.05 + 21.05) 1.01 + 20.00 (0.10 20.06 + 21.05) 1.01 1.00 0.09 = 21.05
|
|
15
|
В4
|
10.01 0.06 (1.01
0.02 20.05 20.06 + 20.12) 1.04 11.01 + 20.00 (0.09 20.05 20.06 + 20.12) 1.04
1.00 0.10 = 20.12
|
|
16
|
МВ4
|
10.01 20.12 0.06 (1.03 + 21.12) 1.04 + 20.00
20.12 (0.11 + + 21.12) 1.04 1.00 0.10 = 21.12
|
|
17
|
Н4
|
10.01 0.06 (1.05
20.05 0.02 20.06 + 21.06) 1.04 11.00 + 20.00 (0.10 20.05 20.06 0.02 + 21.06)
1.04 1.00 0.09 = 21.06
|
|
18
|
МН4
|
10.01 21.06 + 20.00 21.06
(0.11 + 22.03) 1.04 1.00 0.09 = 22.03
|
|
19
|
Н41
|
10.01 0.06 (1.04
0.04 20.06 + 21.07) 1.01 11.00 + 20.00 (0.10 0.04 + 21.07)
1.01 1.00 0.09 = 21.07
|
|
20
|
В5
|
10.01 0.06 (1.01 20.06 20.05 + 20.13) 1.06 11.01
+ 20.00 (0.09 20.06 20.05 + 20.13) 1.06 1.00 0.10 = 20.13
|
|
21
|
МВ51
|
10.01 0.06 (1.07
+ 21.13) 1.06 + 20.00 11.00 (0.11 + 21.13) 1.06 1.00 0.10 = 21.13
|
|
22
|
Н5
|
10.01 0.06 (1.06
20.05 20.06 0.03 + 21.08) 1.04 11.00 + 20.00 0.06 (0.10 20.05 20.06 0.03 +
21.08) 1.04 1.00 0.09 = 21.08
|
|
23
|
МН5
|
10.01 0.06 21.08
(1.08 + 22.04) 1.04 + 20.00 21.08 (0.11 + + 22.04) 1.04 1.00 0.09 = 22.04
|
|
24
|
В52
|
10.01 0.06 (1.09
20.06 20.05 0.03 + 20.14) 1.04 11.01 + 20.00 0.06 (0.09 20.06 20.05 0.03 +
20.14) 1.04 1.00 0.10 = 20.14
|
|
25
|
МВ52
|
10.01 20.14 +
20.00 20.14 (0.11 + 21.14) 1.04 1.00 0.10 = 21.14
|
|
26
|
В6
|
10.01 0.06 (1.04
0.05 20.05 20.06 + 20.15) 1.06 11.01 + 20.00 0.06 (0.09 20.05 20.06 + 20.15)
1.06 1.00 0.10 = 20.15
|
|
27
|
В7
|
10.01 0.06 (1.01
0.03 20.07 20.05 20.06 + 21.00) 1.10 11.01 + + 20.00 (0.09 20.05 20.06 0.03 +
21.00) 1.10 1.00 0.10 = 21.00
|
|
28
|
МВ7
|
10.01 21.00 0.06
(1.03 + 21.15) 1.10 + 20.00 11.00 (0.11 + + 21.15) 1.10 1.00 0.10 = 21.15
|
|
29
|
Н7
|
10.01 0.06 0.03
(1.10 20.05 20.06 + 21.09) 1.04 11.00 + 20.00 0.06 0.03 (0.10 20.05 20.06 +
21.09) 1.04 1.00 0.09 = 21.09
|
|
30
|
МН7
|
10.01 0.06 21.09
(1.08 + 22.05) 1.04 + 20.00 21.09 (0.11 + + 22.05) 1.04 1.00 0.09 = 22.05
|
|
31
|
В9
|
10.01 0.06 (1.01
20.05 20.06 20.07 + 21.01) 1.06 11.01 + 20.00 (0.09 20.05 20.06 + 21.01) 1.06
1.00 0.10 = 21.01
|
|
32
|
МВ9
|
10.01 21.01 0.06
(1.03 + 22.00) 1.10 + 20.00 21.01 (0.11 + + 22.00) 1.06 1.00 0.10 = 22.00
|
|
33
|
СВ
|
20.09 + 20.10 +
20.11 + 20.12 + 20.13 + 20.14 + 20.15 + + 21.00 + 21.01 = 11.00
|
|
34
|
СН
|
21.02 + 21.03 + 21.04 +
21.05 + 21.06 + 21.07 + 21.08 +
+ 21.09 = 11.01
|
|
35
|
СМ
|
21.10 + 21.11 + 21.12 +
21.13 + 21.14 + 21.15 + 22.00 + + 22.01 + 22.02 + 22.03 + 22.04
+ 22.05 = 11.02
|
|
36
|
Торм
|
11.00 11.01 20.08 + ((1.11
+ 0.01) + 10.02) 20.00 = 10.02
|
|
37
|
Зв
|
11.00 + 11.01 + 20.08 TIM002
= 10.00
|
|
38
|
Авар
|
(10.01 ((11.00 +
11.01) TIM003 + 1.11 + 0.01) + 20.08) 20.04 20.00 = 20.08
|
|
39
|
СтопСкр
|
10.04 10.05 = 10.06
|
|
40
|
ССтоп
|
11.00 11.01 =
11.03
|
11.3 Программа, построенная на основе полученных уравнений, представлена
в приложении А. Релейно контакторная схема
Программа реализована с помощью программного обеспечения CX-Programmer 3.0 на языке релейной логики.
5. БЕЗОПАСНОСТЬ ЖИЗНИДЕЯТЕЛСТИ
.1 Анализ условий труда оператора сталевоза
.1.1 Основная цель мероприятий по охране труда - предупреждение
профессиональных заболеваний и несчастных случаев на производстве. Проведение
мероприятий по улучшению условий труда дает, снижение затрат на восстановление
утраченной трудоспособности.
Кислородно-конвертерный цех (ККЦ) относится к горячим цехам
металлургического производства с тяжелыми условиями труда. При модернизации,
автоматизации и эксплуатации предусматривается комплекс мер, которые должны
исключить или снизить вероятность возникновения травматизма, профессиональных
заболеваний, и быть направленными на создание более комфортных условий труда.
.1.2 В данном дипломном проекте рассмотрена модернизация электропривода
механизма передвижения тележки сталевоза, в ходе которого был выбран
электродвигатель переменного тока напряжением 380 В, мощностью 110 кВт.
.1.3 На путях перемещения самоходных сталевоза и шлаковоза зонами
повышенной опасности являются:
а) непосредственно самоходные тележки сталевоза и шлаковоза;
б) участки, прилегающие к стальковшам и шлаковым чашам, участвующим в
разливке. Вблизи них опасными являются выплески металла и шлака как при
разливке жидкого металла из конвертора, так и при дальнейшей его
транспортировке в тупики;
в) траншея с гибким токоподводящим кабелем под путями самоходных
сталевоза и шлаковоза.
5.2 Меры общей безопасности
.2.1 Комплекс мер по предупреждению травматизма и охране здоровья
трудящихся(оператор сталевоза)в ККЦ включает:
. Инструктажи по технике безопасности (вводный - для всех поступающих на
работу; первичный - собственно на рабочем месте; периодический - раз в три
месяца; внеочередной - при временном переводе работника на другую работу;
целевой - при работах повышенной опасности) (ГОСТ 12.0.004-90 ССБТ).
. Использование спецодежды, соответствующей характеру выполняемой работы
(костюм из огнестойких материалов для защиты от повышенных температур; ботинки
кожаные с жестким подноском; рукавицы специальные х/б; подшлемник термостойкий
под каску) и индивидуальных средств защиты (очки защитные, каска защитная
термостойкая, вкладыши противошумные, респиратор SH 2200VFFP2D).В соответствий с «Межотраслевые
правила обеспечения работников специальной одеждой,специальной обувью и другими
средствами индивидуальной защиты». утв приказом Минздравсоцразвития РФ от
01.06.09г №290
. Соблюдение установленных параметров технологических процессов и содержание
оборудования в работоспособном и безопасном состоянии.
. Механизацию тяжелых и опасных работ, дистанционное управление
механизмами в наиболее опасных зонах.
. Наличие в цехе четкой системы проходов с выделением зон для пешеходного
движения с необходимой разметкой.
. Соблюдение правил электробезопасности в соответствии со стандартами по
электробезопасности ССБТ, «Правилами устройства электроустановок» (ПУЭ), в том
числе расположения электроустановок, прокладки электросетей, устройству
заземлений, ограждений, предупредительной сигнализации, блокировок и т.д.
. Наличие эвакуационных выходов из зданий цеха и его отделений в
соответствии с требованиями СНиП 21-01-97.
. Необходимый (в соответствии с требованиями СНиП 11-92-76 и «Единых
санитарных правил для предприятий черной металлургии») уровень внутрицехового
санитарно-бытового обслуживания.
.3 Опасные и вредные производственные факторы
.3.2 Опасные производственные факторы - факторы, воздействие которых на
организм человека приводит к травме, в том числе со смертельным исходом.
К опасным производственным факторам, возникающим при работе(опрератора
сталевоза) ККЦ относятся:
а) повышенный уровень теплового и светового излучений;
б) работа на высоте;
в) выплески раскаленного металла;
г) просыпание кусковых материалов;
д) угарный газ;
е) электрический ток.
.3.3 Вредные производственные факторы - факторы, приводящие к
заболеванию. К вредным факторам относят:
а) высокий уровень шума и вибраций;
б) недостаточный уровень освещенности;
в) повышенное содержание токопроводящей пыли и газов.
Негативное воздействие оказывают психофизические факторы такие, как
умственное перенапряжение, усталость зрительных и слуховых органов,
монотонность труда, эмоциональные перегрузки, приводящие к развивающемуся
утомлению и снижению работоспособности.
5.4 Выбор и обоснование способов и средств защиты от производственных
опасностей
.4.1 Состояние окружающей воздушной среды, а также окружающая обстановка
могут увеличивать опасность поражения электрическим током. При этом при высокой
температуре окружающего воздуха понижается электрическое сопротивление тела
человека, что еще более увеличивает опасность поражения его током. Опасность
поражения человека электрическим током определяется величиной протекающего
через тело человека тока, его частотой и длительностью. Результатом воздействия
электрического тока на организм человека могут быть местные электрические
травмы в виде ожогов, разрывов тканей и общие электрические удары, приводящие к
судорогам, потере сознания, нарушению дыхания, работы сердца и т.д.
Для предотвращения электротравматизма необходимо применять средства
коллективной защиты: защитное заземление, зануление, защитное отключение,
выравнивание потенциалов и т.д. При непосредственном ведении работ на
электроустановках (ремонт, испытания, измерения и т.п.) необходимо применять
средства индивидуальной защиты: диэлектрические резиновые галоши,
диэлектрические резиновые перчатки, диэлектрические резиновые коврики и др.
Необходимо соблюдать организационно-технические мероприятия, предусматриваемые
межотраслевыми правилами по охране труда (правилами безопасности) при
эксплуатации электроустановок (ПОТ РМ-016-2001 с изменениями от 2003 года).
Все металлические корпусы и другие проводящие металлические части
электроприводов, на которых возможно появление напряжения, должны быть надежно
заземлены.
Электроснабжение механизмов самоходных сталевозов и шлаковозов ККЦ
осуществляется от сети с глухозаземленной нейтралью 380 В. В таких сетях одной
из важнейших защитных мер является заземление, которое выполняется путем
соединения корпуса электроустановки с заземляющей нулевой точкой источника
питания посредством нулевого защитного проводника в соответствии с ПУЭ .
Требования правил устройства электроустановок (ПУЭ) в отношении
заземления:
а)для заземления в электроустановках разных назначений и напряжений,
территориально сближенных, следует, как правило, применять одно общее
заземляющее устройство;
б) заземляющее устройство, используемое для заземления электроустановок
одного или разных назначений и напряжений, должно удовлетворять всем
требованиям, предъявляемым к заземлению этих электроустановок: защиты людей от
поражения электрическим током при повреждении изоляции, условиям режимов работы
сетей, защиты электрооборудования от перенапряжения и т. д. в течение всего
периода эксплуатации;
в) при выполнении отдельного заземлителя для рабочего заземления по
условиям работы информационного или другого чувствительного к воздействию помех
оборудования должны быть приняты специальные меры защиты от поражения
электрическим током, исключающие одновременное прикосновение к частям, которые
могут оказаться под опасной разностью потенциалов при повреждении изоляции;
г) для объединения заземляющих устройств разных электроустановок в одно
общее заземляющее устройство могут быть использованы естественные и
искусственные заземляющие проводники. Их число должно быть не менее двух.
С целью уравнивания потенциалов строительные и производственные
конструкции, стационарно проложенные трубопроводы всех назначений, металлические
корпуса технологического оборудования, подкрановые и железнодорожные рельсовые
пути должны быть присоединены к сети заземления или зануления.
.4.2 Сильный продолжительный шум может привести к функциональным
изменениям сердечно-сосудистой и нервной систем. Документами, устанавливающими
допустимые величины производственного шума, являются ГОСТ 12.1.003-83 ССБТ
«Шум. Общие требования безопасности» и СанПиН 2.2.4 /2.1.8.562-96 «Шум на
рабочих местах, в помещениях жилых, общественных зданий и на территории жилой
застройки».
Основными источниками шума в ККЦ являются электродвигатели, движущиеся
части приводов и трансформаторы. Повышенный шум в трансформаторах может
возникнуть из-за неплотного стягивания пакетов стального сердечника, а в
электродвигателях - при износе подшипников. ГОСТ 12.2.024-76 устанавливает
нормы допустимого шума для силовых трансформаторов и электродвигателей.
Поддержание уровня шума и вибрации осуществляется за счет снижения шума в
источнике и выбора соответствующих строительных решений и конструкций
оборудования в соответствии с ГОСТ 12.1.029-80 ССБТ «Средства и методы защиты
от шума. Классификация» и ГОСТ 12.1.012-90 ССБТ «Вибрационная безопасность.
Общие требования безопасности».
.4.3 Недостаток освещения утомляет зрение и вызывает усталость организма.
Неправильное освещение может быть также причиной травматизма. В цехе
используется искусственное освещение. Для искусственного освещения высоких
цехов применяют газоразрядные лампы, равномерно расположенные вдоль всего цеха.
Для освещения пультов управления, лабораторий, мастерских используются
люминесцентные лампы. Для освещения вспомогательных производственных участков -
лампы накаливания.
Из протокола
к карте аттестации № 765 измерений освещенности от 16 марта 2009 г.
Средства измерений и сведения о государственной поверке:
Люксметр Ю116,зав.№ 011254,дата следующей поверки 23 июня 2009г.
Люксметр Ю116, зав. №004714,дата следующей поверки 09 августа 2009 г.
. Нормативно-техническая документация, в соответствии с которой
проводились измерения и давалось заключение:
ГОСТ 24940-96 «Здания и сооружения. Методы измерения освещенности»,
СНиП 23-05-95 «Естественное и искусственное освещение»,
МУ ОТ РМ 01-98 «Оценка освещения рабочих мест»,
. Отклонения напряжения в сети от номинального не превышали 5%.
Класс условий труда для персонала обслуживающего сталевоз по фактору
«естественное освещение» - 3.1, по фактору «искусственное освещение» - 2.
Кроме рабочего освещения, в ККЦ предусматривается аварийное, которое
действует от независимого источника питания
.4.4 Отсутствие вентиляции может привести к повышенному содержанию пыли и
газов в рабочей зоне, что может привести к профессиональным хроническим
заболеваниям (бронхит, пневмосиликоз), острым отравлениям, зависящим от
состава, концентрации и длительности воздействия. Поэтому поддержание на
рабочих местах температуры, влажности и скорости движения воздуха и содержания
в нем пыли и вредных веществ ведется в соответствии с ГОСТ 12.1.005-88 ССБТ
«Общие санитарно-гигиенические требования к воздуху рабочей зоны» и ГН
2.2.5.1313-03 «Предельно допустимые концентрации (ПДК) вредных веществ в
воздухе рабочей среды». Это достигается устройством систем отопления,
аспирационных систем в местах выделения технологических вредностей (пыли,
газов, тепла и т.д.), приточного механизма вентиляции, естественной аэрацией
здания.
Класс условий труда для персонала обслуживающего сталевоз по фактору
«запыленность» - 3.3.
.4.5 Пожарная безопасность на промышленных объектах обеспечивается
системой предотвращения пожара путем организационных мероприятий и технических
средств, направленных на исключение условий возникновения пожара, а также
противопожарной защиты, направленной на предотвращение воздействия на людей
опасных факторов пожара и ограничения материального ущерба от него.
Пожарная безопасность регламентируется ГОСТ 12.1.004-91 ССБТ «Пожарная
безопасность. Общие требования», СНиП 21-01-97 «Пожарная безопасность зданий и
сооружений».
.4.6 Возможные источники пожара в цехе: трансформаторы и реакторы,
электродвигатели, кабельные линии и сооружения, система освещения. Среди
возможных причин возгорания отметим такие как короткое замыкание, нарушение
правил эксплуатации электронагревательных приборов, перегрузка
электродвигателей и электрических сетей, образование больших местных переходных
сопротивлений, от электрических искр и дуг. Категория помещения по
взрывоопасной и пожарной безопасности - В (твердые горючие и трудногорючие
вещества и материалы, способные при взаимодействии с кислородом только гореть).
Степень огнестойкости здания - 1, по опасности поражения электрическим током -
помещения с повышенной опасностью.
.4.7 Для обеспечения противопожарной безопасности проводится ряд
организационно-технических и режимных мероприятий:
а) назначаются ответственные за противопожарное состояние участков и
помещений в целом;
б) разрабатываются меры на случай возникновения пожара и план эвакуации и
имущества;
в) запрещается курить в неустановленных местах;
г) оборудуются стенды пожарной безопасности, организуется пожарная
сигнализация и автоматические системы пожаротушения;
д) не допускается загромождение проходов, мостиков и дверей;
е) план здания должен предусматривать безопасную эвакуацию людей, которые
должны покинуть здание при возникновении пожара в минимальное время. В целях
обеспечения безопасной эвакуации предусматривается не менее двух выходов.
Двери, предназначенные для эвакуации, открываются в сторону выхода из здания;
ж) на каждом участке находятся средства пожаротушения: пожарные краны или
огнетушители, а также система пожарной сигнализации. Для ликвидации возгорания
оборудования, находящегося под напряжением, для тушения небольших очагов пожара
на стендах располагаются огнетушители ОУ-5, ОУ-8. предпочтительнее
углекислотные огнетушители, так как при этом отсутствует возможность поражения
электрическим током. Кроме того, от воздействия воды или водо-химических
растворов может пострадать электрооборудование.
.4.8 В настоящем цехе для исключения возгораний на соседних сооружениях и
оборудовании при установке трансформаторов выдержаны противопожарные разрывы.
Для защиты кабельных линий сделана облицовка кабелей негорючими
теплоизолирующими материалами, а в некоторых местах сооружены разделительные
противопожарные перегородки, уплотнение прохода кабелей через перекрытия.
.4.9 Общая оценка условий труда для персонала обслуживающего
сталевоз(оператор) согласно Р 2.2.2006-05 “Руководство по гигиенической оценке
факторов рабочей среды и трудового процесса. Критерии и классификация условий
труда” - 3 класс, 1 степень.
5.5 Безопасная эксплуатация и ремонт электропривода
.5.1 Электробезопасность эксплуатации электроприводов сталевоза
обеспечивается:
. Строгим выполнением организационных и технических мероприятий,
установленных действующими «Правилами технической эксплуатации электроустановок
потребителей» (ПТЭ ЭП), «Межотраслевыми правилами по охране труда (правилами
безопасности) при эксплуатации электроустановок» (ПОТ РМ), и доплнительными
нструкциями на рабочих местах и ПУЭ.
. Соблюдением требований ПТЭ ЭП обслуживающим персоналом. В соответствии
с ПТЭ ЭП и «Межотраслевыми правилами по охране труда (правилами безопасности)
при эксплуатации электроустановок» потребителям и обслуживающему персоналу
электроустановок предъявляются следующие требования:
а) лица, не достигшие 18-летнего возраста, не могут быть допущены к
работам в электроустановках;
б) лица не должны иметь увечий и болезней, мешающих производственной
работе и усиливающих опасность воздействия тока на организм;
в) лица после соответствующей теоретической и практической подготовки
должны пройти проверку знаний и иметь удостоверение на доступ к работам в
электроустановках не ниже III
группы.
. При монтаже и эксплуатации электроустановок до 1000 В должны
выполняться соответствующие технические и организационные мероприятия, обеспечивающие
безопасное проведение работ, предусмотренные ПОТ РМ.
.5.2 При эксплуатации электрооборудования запрещается:
а) применять электрооборудование, поверхностный нагрев которого при
работе превышает температуру окружающего воздуха более чем на 40 градусов;
б) использовать провода и кабели с поврежденной изоляцией, потерявшей
свои защитные свойства;
в) оставлять под напряжением провода и кабели с неизолированными концами
жил;
г) использовать неисправное электрооборудование;
д) произвольно менять уставки защит в сторону их увеличения.
.5.3 При ремонте и обслуживании сталевоза необходимо:
а) произвести отключение силовых(силового рубильника) и оперативных цепей
;
б) выполнить остановку сталевоза в тупике вне зоны работы грузоподъемных
механизмов;
в) предупредить технологический персонал о проведении на сталевозе
ремонтных работ;
г) непосредственно при производстве работ использовать средства
индивидуальной защиты (респираторы, защитные очки, рукавицы и т.п.);
д) систематически контролировать состояние аппаратов защиты от коротких
замыканий и перегрузов;
е) производить замер сопротивления петли фаза-ноль, изоляции
электрооборудования, проводов и кабелей в сроки, установленные ПУЭ;
ж) применять в предохранителях калиброванные плавкие вставки;
з) очищать электроустановки от горючей пыли не реже одного раза в месяц;
и) пользоваться ручными светильниками, оборудованными защитными кожухами
и сетками;
к) оконцевание жил кабелей наконечниками и соединение проводов
производить используя пайку, сварку или опрессовку;
л) следить за исправным состоянием средств пожаротушения, системой
пожарной сигнализации и системой пожаротушения;
м) не допускать перегрузки электродвигателей, проводов, кабелей и другого
электрооборудования.
.5.4 Электропомещения, предназначенные для производства, преобразования и
распределения электрической энергии могут быть доступны только для
обслуживающего их электротехнического персонала.
.5.5 Электрические сети, установки, оборудование выполняются так, что их
токоведущие части, находящиеся под напряжением, недоступны для случайного
прикосновения. Недоступность токоведущих частей достигается надлежащей их
изоляцией, применений различного рода ограждений, кожухов или расположением
токоведущих частей на недопустимой высоте.
.5.6 Для создания наиболее безопасных условий труда при механизации и
автоматизации производственных и технологических процессов применяются
различные блокировки, с помощью которых при приближении человека к опасной зоне
установки происходит автоматическое снятие напряжения со всех элементов
установки, угрожающих жизни человека.
.5.7 О появлении опасного напряжения на электроустановке применяется
звуковая и световая сигнализация.
.5.8 Для обеспечения безопасной организации труда и установления
правильных производственных взаимоотношений между лицами, выполняющими работы
по эксплуатации и ремонту электрооборудования сталевоза, предусматривается
бирочная система.
В зависимости от принципа управления и конструкции электропривода в ККЦ
каждый механизм оснащается жетон-биркой или жетон-биркой и ключ-биркой.
6. ЭКОНОМИЧЕСКАЯ ЧАСТЬ
.1 Задачи экономической части
.1.1 Задачей экономической части является расчет затрат на наладку нового
оборудования сталевоза. Для этого необходимо рассчитать:
а) трудозатраты на модернизацию электропривода;
б) трудозатраты на наладочные работы;
в) общую стоимость модернизации и наладки электропривода сталевоза.
.2 Расчет трудозатрат без учета наладочных работ (оклад и премия)
.2.1 Расчет заработной платы без учета наладочных работ проведен из
следующих условий:
а) работы выполняются бригадой из трех человек:
б) два инженера-наладчика КИПиА восьмого разряда;
в) два электромонтера шестого разряда.
г) повременная оплата труда рассчитана по формуле :
где ЧТС - часовая тарифная ставка в соответствии с разрядной сеткой
принятой на ЧМК;
Тф - фактическое время отработанных смен (21 смена) с продолжительностью
8 часов 15 минут.
д) расценка по разрядам за 2012год.
.2.2 Расчет заработной платы электромонтера
Часовая тарифная ставка (ЧТС) электромонтера 6 разряда составляет 44,75
рубля в час в соответствии с разрядной сеткой принятой на предприятии и
расценкой по разрядам за 2012 год.
Согласно постановлению о премировании: основная премия (ПРосн) составляет
75%, дополнительная премия (ПРдоп) - 100%.
Оплата нерабочих праздничных дней (Знд) - 254,7 рубля.
Доплата за вредность (Звр) - 634,96 рубля.
Уральский коэффициент (Кур) - 15%.
Тогда по формуле рассчитаем повременную оплату:
С
учетом доплат получим:
Рассчитаем
основную и дополнительную премии соответственно:
Уральский
коэффициент найдем по следующей формуле:
Начисленная заработная плата рассчитывается по формуле:
Всего
отчисления на социальные нужды (единый социальный налог - ЕСН) составляют 30%
от начисленной заработной платы:
.2.3 Расчет заработной платы инженера-наладчика
Часовая тарифная ставка (ЧТС) инженера-наладчика КИПиА 8 разряда
составляет 51,31 рубля в час в соответствии с разрядной сеткой принятой на
предприятии и расценкой по разрядам за 2012 год.
Согласно постановлению о премировании: основная премия (ПРосн) составляет
75%, дополнительная премия (ПРдоп) - 100%.
Оплата нерабочих праздничных дней (Знд) - 254,7 рубля.
Доплата за вредность (Звр) - 634,96 рубля.
Уральский коэффициент (Кур) - 15%.
Тогда рассчитаем повременную оплату:
С
учетом доплат получим:
Рассчитаем
основную и дополнительную премии соответственно:
Уральский
коэффициент по формуле :
По
формуле найдем начисленную заработную плату:
По
формуле найдем отчисления на социальные нужды:
.3
Расчет трудозатрат на наладочные работы
Таблица
6.1 - Перечень элементов закупного оборудования
Кол-во, шт.
|
Стоимость, руб.
|
|
Двигатель асинхронный AMTK315S6
|
2
|
985000
|
|
Преобразователь UNIDRIVE SP
6411
|
2
|
1840000
|
|
Контроллер OMRON
CPM2A-40CDR-A
|
1
|
34800
|
|
Сенсорный монитор OMRON NT-21
|
1
|
50980
|
|
Дополнительное оборудование
и инструмент
|
150000
|
|
Итого
|
3060780
|
Заработная плата по наладке составляет 50% от зарплаты работника. Таким
образом:
Дополнительная
заработная плата на наладочные работы электромонтера 6 разряда составляет:
Дополнительная
заработная плата с учетом наладочных работ для инженера-наладчика КИПиА 8 разряда
составляет:
Отчисления
на социальные нужды для электромонтера и инженера КИПиА соответственно:
.4
Расчет себестоимости
.4.1
Себестоимость найдем по формуле:
С=Знач+
Знал + Ссоц + Ам +Собщ,
где
Знач - начисленная заработная плата бригады;
Знал
- дополнительная заработная плата с учетом наладочных работ;
Ссоц
- отчисления на социальные нужды со всех видов заработной платы;
Ам
- амортизационные отчисления за использование оборудования;
Собщ
- итоговая стоимость оборудования.
Амортизационные
отчисления вычисляются по формуле
где
СОБ - стоимость закупаемого оборудования;
NА - норма
амортизации для черной металлургии (мартеновские печи, миксеры, чугуновозы и
сталевозы) из постановления правительства РФ от 01 января 2002 г. № 1 «О
классификации основных средств, включаемых в амортизационные группы».
.4.2
Амортизационные отчисления за месяц составят :
.4.3
Себестоимость по формуле :
С=Знач+
Знал + Ссоц + Ам +Собщ ;
Рассчитанные
затраты сведены в таблицу 8.2
Таблица
6.2
Затраты
на модернизацию электроприводов сталевоза
|
Статьи затрат
|
Сумма, руб.
|
|
Основная заработная плата
|
116519,9
|
|
Дополнительная заработная
плата по наладке
|
58697,8
|
|
Отчисления на социальные
нужды
|
24598,4
|
|
Амортизационные отчисления
|
12753,2
|
|
Стоимость оборудования
|
3060780
|
|
Себестоимость
|
3301182,75
|
.5 Расчет окупаемости
Произведем расчет срока окупаемости нового электрооборудования сталевоза
за счет годовой экономии на внеплановые ремонты устаревшего.
При установке нового оборудования планируется снизить количество
внеплановых ремонтов в год с прежних 12-15 до 1-2. Стоимость одного
внепланового ремонта различна. В среднем она составляет около 135 тыс. руб.
Таким образом срок окупаемости рассчитаем по следующей формуле :
где
nрем - число внеплановых ремонтов за год, С1рем -
стоимость одного внепланового ремонта.
Срок
окупаемости составит:
Рассчитаем
коэффициент экономической эффективности:
Таким
образом, затраты на модернизацию электроприводов самоходного сталевоза
составляют 3301182,85 рублей. Срок окупаемости проекта составил 2 года,
нормативный для такого вида модернизации - 3 года, следовательно, через 2 года
проект будет приносить прибыль. Нормативный коэффициент экономической
эффективности не больше расчетного, Ер=0,5 > Ен=0,33. Таким образом, проект
экономически эффективен.
ЗАКЛЮЧЕНИЕ
автоматизация
передвижение сталевоз
В дипломном проекте произведен выбор электродвигателя и предложен к
применению преобразователь частоты Unidrive SP, разработана
система автоматизации механизма передвижения сталевоза. Для этого были
рассмотрены и проанализированы требования к работе механизмов, требования к
безопасности жизнедеятельности, а также экономические показатели.
Система автоматизации выполнена на базе программируемого контроллера OMRON CPM2A-40CDR-A в совокупности с сенсорной панелью оператора OMRON NT21. Использование контроллера позволило сократить
существующую громоздкую логическую релейную схему. Контроллер полностью удовлетворяет
всем требованиям, которые были предъявлены к системе автоматизации.
Срок окупаемости проекта за счет внеплановых ремонтных простоев составил
2 года.
В совокупности с проведенной модернизацией литейных кранов, приводов
конвертеров и самоходных механизмов транспортировки металла (сталевоза и
шлаковоза) проектная производительность кислородно-конвертерного цеха ОАО «ЧМК»
превысит 3,5 млн. т. стали в год, в сравнении с прежней максимальной 3,3 млн.
т.
БИБЛИОГРАФИЧЕСКИЙ СПИСОК
1. Лякишев, Н.П. Сравнительная характеристика состояния
кислородно-конвертерного производства стали в России и за рубежом: справ.
пособие / Н.П. Лякишев, А.Г. Шалимов - М.: ЭЛИЗ, 2000. - 64 с.
. Фотиев, М.М. Электроснабжение и электрооборудование
металлургических цехов: справ. пособие / М.М. Фотиев. - М.: Металлургия, 1979.
- 256 с.
. ВНИПИ «Тяжпромэлектропроект» имени Ф.Б. Якубовского.
Челябинское отделение: рабочие чертежи, электротехническая часть. Челябинский
металлургический завод. Конвертерный цех. Реконструкция с заменой конвертеров
на большую емкость. II очередь. -
Челябинск, 1981. - Ч.1.
. Электротехника: учебное пособие: в 3 кн. Книга II. Электрические машины. Промышленная
электроника. Теория автоматического управления / под ред. П.А. Бутырина, Р.Х.
Гафиятуллина, А.Л. Шестакова. - Челябинск: Изд-во ЮУрГУ, 2004. - 711 с.
. Драчев, Г.И. Теория электропривода: учебное пособие / Г.И.
Драчев. - Челябинск: Изд-во ЮУрГУ, 2006. - Ч. 2.- 203 с.
. Драчев, Г.И. Теория электропривода: учебное пособие к
курсовому проектированию для студентов заочного обучения спец. 180400. 2-е
издание, дополненное / Г.И. Драчев. - Челябинск: Изд-во ЮУрГУ, 2002. - 137 с.
. Борисов, А.М. Автоматизация технологических процессов
(технические средства, проектирование, лабораторный практикум): учебное пособие
/ А.М. Борисов, Н.Е. Лях. - Челябинск: Изд-во ЮУрГУ, 2001. - Ч.1. - 404 с.
. СТО ЮУрГУ 21 - 2008 Стандарт организации. Система
управления качеством образовательных процессов. Курсовая и выпускная
квалификационная работа. Требования к содержанию и оформлению / составители:
Т.И. Парубочная, Н.В. Сырейщикова, А.Е. Шевелев, Е.В. Шевелева. - Челябинск:
Изд-во ЮУрГУ, 2008. - 55 с.
. Правила устройства электроустановок. 7-е изд., перераб. и
доп. / Госэнергонадзор, Минтопэнерго РФ. - М.: Энергоатомиздат, 2003. - 288 с.
. Стукалова, О.В. Экономика предприятия: методическое пособие
/ О.В. Стукалова. - Челябинск: Полиграф-Мастер, 2003. - 47 с.
. ООО «Кранрос». Каталог продукции
#"810861.files/image169.gif">