Разработка проекта установки лифта с приставной шахтой в учебном корпусе СПГУТД
Реферат
Объектом исследования является учебный корпус СПГУТД по адресу:
Вознесенский пр., д. 46. Рассматривается возможность установки лифта с
приставной шахтой и определение его характеристик
Цель работы: разработка проекта установки лифта с приставной шахтой в
учебном корпусе СПГУТД.
В процессе работы произведен обзор типовых конструкций и кинематических
схем лифтов. Дано описание конструкции и принцип работы базового лифта, общих
требований к конструкции и параметрам лифтов. Проведен анализ пассажиропотока
на объекте исследования для определения необходимой производительности
лифтового узла. Выполнен кинематический и статический расчет механизма подъёма
лифта, на базе которого выбраны основные конструктивные параметры лебедки. В
динамическом расчете определены нагрузки, возникающие в узлах механизма подъема
кабины с учетом возникающих сил инерции, а также проверены ускорения и точность
остановки кабины на соответствие стандартам. В технологической части разработан
технологический процесс изготовления детали «Штырь», содержащий все необходимые
расчеты. В разделе охраны труда подобраны основные положения об охране труда,
включающие в себя правовые, социально-экономические,
организационно-технические, санитарно-гигиенические, лечебно-профилактические и
реабилитационные мероприятия.
Результаты работы могут быть использованы для установки лифта с выносной
шахтой в учебном корпусе университета.
Введение
Лифтом называется стационарная подъемная машина периодического действия,
предназначенная для подъема и спуска людей и (или) грузов в кабине, движущейся
по жестким прямолинейным направляющим, у которых угол наклона к вертикали не
более 15%. [2]
В настоящее время лифтовое оборудование стало неотъемлемой функциональной
частью жилых и общественных зданий средней и повышенной этажности.
Эффективность использования зданий в значительной степени зависит от качества
лифтового оборудования, которое определяется техническими характеристиками и
схемой расположения лифтов.
В ряде случаев при проектировании сложных сооружений с интенсивным
пассажиропотоком необходимость решения транспортных задач вносит существенные
коррективы в архитектуру сооружений. Архитектурные строительно-технологические
задачи органически связаны с рациональным размещением лифтов в здании и
расчетным обоснованием их технических параметров.
При проектировании новых зданий и сооружений или реконструкции старых, в
значительной мере, независимо от специалистов строительного профиля, решаются
специфические вопросы проектирования и расчетного обоснования параметров его
основных узлов и деталей, обеспечивающие надежную и безопасную работу лифта.
Учитывая то, что в настоящее время в Санкт-Петербурге порядка 70-75 %
лифтов, находящихся в эксплуатации физически и морально устарели и требуют
замены, вопросы реконструкции и модернизации существующего лифтового парка, а
так же разработка технической документации на их проведение приобретают особо
важное значение.
Данная выпускная квалификационная работа посвящена разработке проекта
реконструкции лифта в учебном корпусе СПГУТД
1.
Конструкторская часть
.1 Устройство лифта и принцип работы
.1.1 Классификация лифтов
По назначению можно выделить следующие типы лифтов:
а) пассажирский - предназначен для подъема и спуска людей;
б) грузопассажирский - предназначен для транспортировки пассажиров и
грузов, имеет увеличенные размеры площади пола и дверного проема;
в) больничный - предназначен для подъема и спуска больных, в том числе и
на специальных транспортных средствах в сопровождении медперсоналом;
г) грузовой - предназначен для подъема и спуска грузов;
д) грузовой малый - для подъема и спуска небольших грузов с размерами
кабины, исключающими возможность транспортировки людей;
е) специальный (нестандартный) - предназначенный для особых условий
применения и изготавливаемый по специально разработанным техническим условиям.
По типу привода подъемного механизма:
а) лифты электрические, с приводом от электродвигателя переменного или
постоянного тока;
б) лифты гидравлические, с приводом в виде подъемного гидроцилиндра или
лебедки с гидродвигателем вращательного типа.
По конструкции механизма передачи движения кабине:
а) лифты канатные, кабина которых перемещается посредством тяговых
канатов лебедки;
б) лифты цепные, реечные и винтовые, в которых движение кабины
осуществляется посредством тяговых цепей, системы винт-гайка или приводная
шестерня-зубчатая рейка.
По способу передачи движения от канатоведущего органа лебедки тяговым
канатам:
а) лифты с барабанной лебедкой;
б) лифты с канатоведущим шкивом (КВШ).
По способу воздействия канатов на кабину:
а) лифты с верхней канатной подвеской кабины;
б) лифты выжимные, в которых тяговые канаты охватывают кабину снизу.
По схеме запасовки тяговых канатов:
а) лифты с прямой подвеской кабины;
б) лифты с полиспастной подвеской кабины;
в) лифты с канатным мультипликатором.
По расположению машинного помещения различаются лифты:
а) лифты с верхним машинным помещением;
б) лифты с нижним машинным помещением.
По конструкции привода лебедки:
а) лифты с редукторным приводом лебедки;
б) лифты с безредукторным приводом лебедки.
По величине скорости подъема кабины:
а) лифты тихоходные - при скорости кабины до 1 м/с;
б) лифты быстроходные - при скорости кабины с 1,4 до 2 м/с;
в) лифты скоростные - при скорости движения кабины 2 м/с и более.
По точности остановки кабины:
а) лифты с системой точной остановки;
б) лифты без системы точной остановки.
1.1.2
Кинематические схемы лифтов
Схема запасовки канатов, согласно принятой в лифтостроении терминологии,
называется кинематической схемой лифта. [2]
На кинематических схемах приняты следующие обозначения: канатоведущий
орган изображается окружностью с заштрихованной средней частью, отклоняющие
блоки и контршкив - кружком малого диаметра без штриховки, кабина - большим
прямоугольником, противовес - узким прямоугольником с поперечной штриховкой,
подъемные канаты - прямой линией независимо от числа их параллельных ветвей.
Характерные кинематические схемы лифтов приведены на рисунке 1.1
а), б) схемы с барабанным канатоведущим органом; в) схема с прямой
подвеской кабины и противовеса; г) схема с отводным блоком; д) схема с
контршкивом, обеспечивающим двойной обхват КВШ канатами; е) схема с
контршкивом, расположенным под КВШ; ж) схема с полиспастной подвеской кабины;
з) схема с кабинным противовесом; и), к) схема с нижним машинным помещением
Рисунок 1.1 - Кинематические схемы лифтов
Разнообразие вариантов кинематических схем отражает тот факт, что каждая
из них обладает специфическими преимуществами.
Схемы с барабанным канатоведущим органом (рисунок 1.1 а, б) применяются
при небольшой высоте подъема, так как она лимитируется ограниченной
канатоемкостью барабана. Их применение целесообразно в специальных лифтах
повышенной грузоподъемности при небольшой высоте подъема и в тех случаях, когда
по условиям установки размещение противовеса лифта практически невозможно.
Барабанный канатоведущий орган может применяться и при наличии
противовеса и подвеске кабины на 1 или 2 канатах (рисунок 1.1 в, г), однако
каких -либо преимуществ по сравнению с КВШ не имеет.
Неотъемлемой частью большинства кинематических схем лифта является
противовес (рисунок 1.1 в - к).
Применение противовеса обусловлено экономией энергии за счет
уравновешивания силы тяжести кабины и части массы груза и обеспечением
достаточных сил сцепления канатов с ободом шкива в лебедках с КВШ.
Наилучшими технико-экономическими показателями обладают лифты с верхним
машинным помещением (рисунок 1.1 б -з).
Преимущества верхнего машинного помещения:
уменьшается нагрузка от подъемных канатов на несущие конструкции здания
(или каркас шахты);
уменьшается необходимая длина и увеличивается долговечность канатов;
увеличивается КПД подъемного механизма;
снижается стоимость лифта.
Схема с прямой подвеской кабины и противовеса (рисунок 1.1 в) является
наиболее простой и целесообразной для лифтов с верхним машинным помещением. Она
обеспечивает наиболее высокий КПД подъемного механизма и долговечность канатов,
так как исключается их перегиб на отклоняющих блоках.
При больших габаритах кабины, для обеспечения свободы перемещения
противовеса, со стороны противовесной ветви канатов устанавливается отводной
блок (рисунок 1.1 г). Отводной блок позволяет устанавливать лебедку в лифтах с
различными поперечными размерами кабин. Наличие отводного блока позволяет
уменьшить размеры и массу КВШ ценой некоторого уменьшения угла обхвата КВШ
канатом и, связанного с этим, снижения его тяговой способности.
Для компенсации этого недостатка применяется схема с контршкивом,
обеспечивающим двойной обхват КВШ канатами и одновременно выполняющим роль
отводного блока (рисунок 1.1 д). Однако дополнительный перегиб канатов на
контршкиве снижает их долговечность.
Схема с контршкивом, расположенным под КВШ, применяется при небольших
габаритах кабины и повышенной грузоподъемности лифта (рисунок 1.1 e).
Схема с полиспастной подвеской кабины применяется в тех случаях, когда,
по соображениям унификации, одна и та же лебедка используется в лифтах
различной грузоподъемности или при необходимости увеличения грузоподъемности
лифта (рисунок 1.1 ж).
Схема с кабинным противовесом (рисунок 1.1 з) применяется в тех случаях,
когда необходимо несколько уменьшить требуемое окружное усилие КВШ и, тем
самым, исключить возможность проскальзывания канатов.
Схема с нижним машинным помещением (рисунок 1.1 а, и, к) облегчает
эксплуатацию, ремонт лифтового оборудования и существенно снижает уровень
структурного шума в несущих конструкциях здания.
К недостаткам схем лифта с нижним машинным помещением следует отнести
необходимость в дополнительном блочном помещении, расположенном над шахтой;
уменьшение долговечности канатов и увеличение их количества; повышение нагрузки
на конструкцию здания и увеличение капитальных затрат. Поэтому, схемы с нижним
машинным помещением не получили широкого распространения. Они используются в
конструкции выжимных (тротуарных) лифтов и в тех случаях, когда необходимо
снизить уровень шума в зданиях и сооружениях.
1.1.3
Устройство, компоновка и взаимодействие узлов лифта
Основу конструкции лифта составляет механизм подъема на основе применения
лебедки или гидроцилиндра с канатной системой передачи движения кабине.
Пассажиры и грузы перемещаются в специально оборудованной кабине с
закрываемыми дверями, которые имеют блокировочные устройства, исключающими
возможность движения при открытых створках.
Для центрирования кабины (противовеса) в горизонтальной плоскости и
исключения поперечного раскачивания во время движения, применяются
направляющие, устанавливаемые на всю высоту шахты лифта.
Направляющие обеспечивают возможность торможения кабины (противовеса)
ловителями при аварийном превышении скорости и удерживают ее до момента снятия
с ловителей.
Пространство, в котором перемещается кабина и противовес ограждается на
полную высоту и называется шахтой.
На погрузочных площадках обслуживаемых этажей шахта имеет автоматически
запираемые двери с блокировками безопасности.
Помещение, в котором устанавливается подъемная лебедка и другое
необходимое оборудование, называется машинным помещением.
При нижнем расположении машинного помещения и, в некоторых других случаях,
над шахтой устанавливаются отводные блоки в специальном блочном помещении.
Часть шахты, расположенная ниже уровня нижней посадочной площадки,
образует приямок, в котором размещаются упоры или буферы, ограничивающие ход
кабины (противовеса) вниз и останавливающие с допустимым ускорением замедления.
Для предотвращения аварийного падения кабины (противовеса) лифт
оборудуется автоматической системой включения ловителей от ограничителя
скорости, срабатывающей при аварийном превышении скорости.
Ловители устанавливаются по боковым сторонам каркаса кабины (противовеса)
и приводятся в действие канатом, охватывающим шкив ограничителя скорости.
В приямке устанавливается натяжное устройство ограничителя скорости.
Ограничитель скорости может устанавливаться в машинном, блочном
помещении, на кабине и противовесе.
Срабатывание ограничителя скорости приводит к торможению каната
ограничителя скорости и включению ловителей.
Станция управления работой лифта, приборы и аппараты находятся в машинном
помещении.
Соединение электрического оборудования кабины со станцией управления
обеспечивается посредством подвесного кабеля и жгута проводов, смонтированного
в шахте.
Датчики замедления, шунты датчика точной остановки и устройства контроля
шахтных дверей также устанавливаются в шахте.
Схема типовой конструкции пассажирского лифта приведена на рисунке 1.2.
- монорельс; 2 - ограничитель скорости; 3 - лебедка; 4 - станция
управления; 5 - тяговые канаты; 6 - кабина; 7 - подвесной кабель; 8 - клемная
коробка; 9 - направляющие противовеса; 10 - направляющие кабины; 11 - индикатор
положения кабины; 12 - дверь шахты; 13 - вызывной аппарат; 14 - пружинный буфер
кабины; 15 - пружинный буфер противовеса; 16 - вводное устройство; 17 -
противовес; 18 - канат ограничителя скорости; 19 - натяжное устройство каната
ограничителя скорости; 20 - шунт датчика точной остановки; 21 - датчик точной
остановки; 22 - шунт датчика замедления; 23 - датчик замедления кабины; 24 -
понижающие трансформаторы
Рисунок 1.2 - Общий вид пассажирского лифта
Приведенная выше типовая конструкция пассажирского лифта не является
единственно возможным решением.
В зависимости от назначения, скорости передвижения кабины и типа привода
конструктивные решения могут отличаться большим разнообразием.
Так для скоростных лифтов характерно наличие безредукторного привода КВШ
от тихоходного двигателя постоянного тока и применение гидробуферов вместо
пружинных.
При больших скоростях в кабине применяется принудительная система
вентиляции, создающая в салоне небольшое избыточное давление.
Отличительные особенности имеет конструкция ограничителя скорости и
ловителей скоростного лифта.
На конструкции лифта оказывает влияние и расположение машинного
помещения.
Больничные лифты оборудуются глубокими кабинами и приводом,
обеспечивающим повышенную точность остановки и плавность хода кабины.
Жесткая конкуренция ведущих лифтостроительных фирм стимулирует поиск
новых прогрессивных решений не только в части совершенствования основных
функциональных узлов, но и в решении задач компоновки и размещения лифтового
оборудования.
.1.4 Общие требования к конструкции и параметрам лифтов
Безопасность применения и надежность работы - основополагающие
требования, на которых базируется проектирование, изготовление и эксплуатация
лифтового оборудования. Эти требования нашли отражения в ГОСТ и технических
условиях на проектирование лифтов.
Наряду с указанными, к лифтам предъявляются следующие дополнительные
требования:
точность остановки относительно уровня этажной площадки;
плавность движения кабины при разгоне и торможении;
комфортабельность условий транспортировки пассажиров;
общедоступность пользования лифтом;
бесшумность работы;
допустимый уровень электромагнитных помех работе систем радиосвязи и
телевидения.
Точность остановки кабины определяется величиной разности отметок пола
кабины и пола этажной площадки. Порог, образующийся в результате неточности
остановки, представляет опасность для пассажиров и затрудняет
погрузо-разгрузочные работы с применением напольного транспорта или
монорельсовой системы загрузки кабины.
Неточность остановки определяется зависимостью тормозного пути кабины от
массы груза и направления движения в момент торможения.
При торможении поднимающейся груженой кабины, остановка произойдет
несколько ниже порога разгрузочной площадки, тогда как порожняя кабина пройдет
больший путь и остановится выше этого уровня. При движении вниз будет
наблюдаться обратная картина.
Шунты датчика точной остановки кабины устанавливаются на таком
расстоянии, чтобы разница уровней пола кабины и этажной площадки была
одинаковой при остановке груженой и порожней кабины при ее движении в одном
направлении. Схематически это показано на рисунке 1.3.
Кп, Кc - точка начала торможения при подъеме
и спуске.
Рисунок 1.3 - Схема к определению точности остановки кабины
Точностью остановки принято оценивать величину полуразности тормозных
путей кабины при движении в одном направлении с грузом и порожняком:
при движении вниз
(1.1)
при движении вверх
(1.2)
где hп, hг - тормозной путь порожней и груженой кабины,
соответственно.
Согласно рекомендации Госгортехнадзора точность остановки кабины должна
выдерживаться в пределах, не превышающих: для больничных лифтов и грузовых
лифтов с монорельсом ±15 мм; для остальных - ±50 мм. При использовании
управляемого привода переменного трехфазного тока и привода постоянного тока
достигается значительно большая точность остановки.
Плавность движения кабины количественно определяется уровнем ускорения
при разгоне и торможении подъемного механизма.
По нормам ГОСТ максимальная величина ускорения (замедления) кабины в
нормальных эксплуатационных режимах не должна превышать следующих значений: для
больничных лифтов - 1 м/с2; для лифтов других типов - 2 м/с2.
Максимальная величина замедления при остановке кабины нажатием кнопки
«СТОП» - не должна превышать 9,81 м/с2.
При посадке кабины на ловители или буфер в аварийных ситуациях
допускаются ускорения до 25 м/с2.
Эффект физиологического воздействия ускорений существенно зависит от
времени их действия. Так, при времени действия ускорений менее 0,04 с,
человеческий организм удовлетворительно переносит ускорения около 30-40 м/с2.
Поэтому допускается кратковременное превышение ускорений замедления кабины.
Комфортабельность условий перевозки пассажиров определяется минимальной
величиной времени ожидания лифта на посадочной площадке, плавностью и точностью
остановки, отсутствием шума и вибрации в кабине, наличием хорошей вентиляции
салона и достаточной освещенности.
Улучшение комфортабельности способствует красивая отделка кабины с хорошо
продуманной гаммой цветов, создающей эффект увеличения объема салона кабины.
Общедоступность пользования лифтом предполагает наличие достаточно
простой и понятной системы управления движением из кабины и этажных площадок,
не требующей специальной подготовки пассажиров всех возрастных групп.
Бесшумность работы лифта обеспечиваются рядом мер по снижению уровня шума
и предотвращению его распространения по несущим конструкциям здания. С этой
целью, лебедка лифта и другие узлы оборудования лифта устанавливаются на
амортизаторы и к их конструкции предъявляются повышенные требования
относительно уровня шума и вибрации. Эти требования должны учитываться при
проведении монтажных, профилактических и ремонтных работ.
Техническими условиями на проектирование лифтов регламентируется также
предельно допустимый уровень шума в помещениях, расположенных рядом с лифтом.
Соответствующие нормативные данные зависят от назначения и технологии
использования соответствующего здания.
Снижение уровня электромагнитных помех может быть гарантировано хорошим
качеством экранировки источников помех электрооборудования лифта и установкой
высокочастотных фильтров во вводном устройстве электрической силовой цепи
питания лифта.
1.1.5 Общая
характеристика механизмов подъема и требования, предъявляемые к конструкции
Основу механизма подъема современного лифта составляет канатная система
передачи движения кабине (противовесу) в виде лебедки и устройства привода
перемещения канатов в виде лебедки или гидроцилиндра с блоком на концевой части
штока.
Наибольшее распространение в нашей стране и за ее пределами получили
электрические лифты с канатными лебедками различного конструктивного
исполнения.
В целях обеспечения безопасности применения лифта к лифтовым лебедкам
предъявляется ряд специфических требований:
Конструкция лебедки должна быть рассчитана на нагрузки, действующие в
эксплуатационных, испытательных и аварийных режимах;
В качестве лебедки лифта не допускается использование электрической тали;
Между канатоведущим органом лебедки и тормозом должна быть неразмыкаемая
кинематическая связь;
Лебедка должна оборудоваться автоматически действующим
нормально-замкнутым колодочным тормозом;
Тормозной момент должен создаваться при помощи пружин или груза;
Не допускается применение ленточных тормозов;
Допускается применение одного двухколодочного тормоза, состоящего из двух
независимых систем торможения, каждая из которых состоит из тормозной колодки,
пружины (груза) и растормаживающего электромагнита, тормозной момент,
создаваемый каждой колодкой, должен обеспечивать удержание кабины с расчетным
грузом;
Свободные концы вращающихся валов должны быть ограждены от случайного прикосновения;
Лебедка должна быть оборудована системой ручного привода движения кабины
с помощью штурвала постоянно закрепленного на валу или съемного;
В конструкции лебедки должно содержаться устройство ручного отключения
тормоза с самовозвратом в заторможенное состояние после прекращения ручного
воздействия;
На лебедке должно быть указано направление вращения штурвала для подъема
и спуска кабины лифта;
Усилие ручного воздействия на штурвал не должно превышать 235 Н при
подъеме кабины с расчетным грузом;
При снятии кабины с ловителей с помощью ручного привода прикладываемое
усилие не должно превышать 640 Н;
Лебедка с КВШ должна комплектоваться приспособлением, позволяющим
прижимать канаты к рабочей поверхности шкива с усилием, достаточным для подъема
кабины с грузом без учета разгружающего действия противовеса. Приспособление
должно обеспечивать возможность подъема противовеса без учета разгружающего
действия силы тяжести кабины.
1.1.6
Лифтовые лебедки
Лебедки лифтов имеют конструкцию в значительной степени аналогичную
конструкции электрореверсивных лебедок грузоподъемных машин производственного
назначения. Их конструкция традиционно включает канатоведущий орган, редуктор,
тормоз и электродвигатель, смонтированные на опорной раме. Однако конкретная
реализация конструкции узлов лифтовой лебедки может иметь особенности,
связанные со спецификой применения и назначением лифтового оборудования.
Конструкция лифтовой лебедки должна обеспечивать:
безопасность применения, надежность и безотказность работы;
бесшумность и низкую виброактивность;
допустимый уровень ускорений и требуемую точность остановки кабины.
В целях снижения трудоемкости технического обслуживания и ремонтных работ
конструкция лебедки должна иметь минимальную массу и габариты.
Разнообразие условий применения и широкий диапазон параметров
эксплуатационных характеристик лифтов предопределяет и значительное
разнообразие конструктивных решений лебедок.
Лифтовые лебедки можно классифицировать по следующему ряду характерных
признаков.
По типу канатоведущего органа:
барабанные;
с канатоведущими шкивами (КВШ).
По характеру кинематической связи приводного двигателя с канатоведущим
органом:
редукторные;
безредукторные.
По типу применяемого редуктора:
с глобоидными и цилиндрическими червячными передачами;
с планетарными передачами;
с волновыми передачами.
По наличию системы точной остановки:
с системой точной остановки;
без системы точной остановки.
По типу привода:
с электроприводом переменного или постоянного тока;
с приводом от гидродвигателя вращательного типа
Требования компактности делает целесообразным использование быстроходных
электродвигателей в лебедках обыкновенных лифтов массового применения.
Для передачи движения от быстроходных двигателей к канатоведущим органам
применяются зубчатые или более компактные червячные передачи.
Зубчатые передачи планетарного типа могут составить конкуренцию червячным
по компактности и КПД, несомненно уступая им по уровню шума, виброактивности и
стоимости изготовления.
В условиях применения, где не предъявляются жесткие требования по
минимизации уровня шума, но необходима повышенная компактность и КПД, успешно
используют лебедки с планетарными редукторами, встроенными в КВШ или
выполненные в виде отдельного редуктора.
В мировой и отечественной практике лифтостроения наибольшее распространение
получили конструкции лебедок с червячными передачами и КВШ.
КВШ может устанавливаться на тихоходном валу консольно, на трехопорном
или двухопорном валу с выносной опорной стойкой.
Пролетная схема установка КВШ возможна в случае применения цилиндрической
зубчатой передачи или червячного редуктора с цилиндрическим червяком. При
применении глобоидного червячного редуктора пролетная установка КВШ практически
невозможна из-за чрезвычайно высокой чувствительности этого редуктора к
точности сборки.
При использовании глобоидных червячных передач, консольная установка КВШ
является единственно возможным решением.
В настоящее время отмечается устойчивая тенденция использования лебедок с
отводным блоком, позволяющим существенно уменьшить диаметр и массу КВШ.
Наличие отводного блока позволяет проще приспосабливать лебедку к лифтам
с различным соотношением размеров кабины в плане.
Заметному снижению массы и габаритных размеров лебедки способствует
применение высокооборотных электродвигателей и системы мотор - червяк с верхним
расположением червяка.
Верхнее расположение червяка исключает возможность утечки масла, но
ухудшаются условия смазки в зацеплении при пуске после длительного бездействия
лебедки. Этот недостаток частично компенсируется применением двигателя с
повышенной частотой вращения ротора
В конструкции скоростных лифтов преимущественно применяются
безредукторные лебедки с приводом от тихоходного двигателя постоянного тока.
Основное достоинство заключается в возможности обеспечения высокой точности остановки
и плавности хода кабины при любых номинальных значениях скорости ее
передвижения.
1.1.7 Тяговый
шкив и отводной блок
В соответствии с требованиями стандартов EN 81-1 и А17.1 соотношение
между расчетным диаметром шкива или блока и номинальным диаметром подвесных
канатов, независимо от числа прядей, должно быть не менее 40. Тяговые шкивы
обычно отливаются из серого чугуна с твердостью по Бринеллю 220-230 на
поверхности ручьев шкива, отводные блоки также изготавливаются методом литья из
серого чугуна или из стали.
Отводные блоки производятся литьем без размерных ограничений. Они могут
опираться на роликовые подшипники или втулки.
Тяговые шкивы изготавливаются с окончательно готовыми ручьями для
подвесных канатов. Применение КВШ в лифтовых лебедках позволяет существенно
повысить безопасность пассажиров, практически исключая опасность обрыва
канатов, так как кабина может быть подвешена на нескольких параллельных ветвях
канатов, а высота переподъема ограничивается проскальзыванием канатов из-за
посадки противовеса на буфер. Независимость параметров лебедки с КВШ от высоты
подъема открывает широкие возможности унификации лебедок с соответствующими
технико-экономическими преимуществами.
Внешняя нагрузка КВШ, определяемая разностью натяжения канатов подвески
кабины и противовеса, уравновешивается действием сил сцепления канатов с
ободом. Эти силы зависят от угла обхвата шкива канатами и формы профиля
поперечного сечения канавок. Для обеспечения работы КВШ без проскальзывания
канатов применяются канавки специального профиля (рисунок 1.4).
а) полукруглая канавка; б) полукруглая с подрезом; в) клиновая; г)
клиновая с подрезом; ρ - центральный угол зоны контакта каната и поверхности
канавки; δ - угол подреза (угол клина); k, m, n - точки наибольшего напряжения
смятия в материале канавки
Рисунок 1.4 - Профиль поперечного сечения канавки обода КВШ
Выбор конкретной формы канавки производится с учетом требуемой силы
сцепления и технологических ограничений.
Наибольшую силу сцепления обеспечивают канавки клинового профиля, однако
их существенным недостатком является зависимость силы сцепления от степени
износа опорной поверхности.
В результате износа клиновая канавка преобразуется в полукруглую с
подрезом с заметно меньшей силой сцепления.
Канавка полукруглая с подрезом, при несколько более сложной технологии
изготовления, обеспечивает более стабильную величину силы сцепления независимо
от степени износа канавки. Однако величина силы сцепления меньше чем при
клиновой форме профиля канавки.
Максимально возможная тяга ограничена углом обхвата δ и коэффициентом трения канатов в
ручьях и, поэтому, максимальная тяга получается, когда результат произведения δ принимает максимальное значение.
Большая тяговая способность за счет увеличения коэффициента трения может
быть достигнута путем использования неметаллических вкладышей для ручьев обода.
1.2 Анализ
пассажиропотока на объекте исследования
Загрузка лифтового оборудования зданий и сооружений изменяется во времени
по случайному закону.
В зависимости от типа и назначения здания загрузка в течение дня может
иметь характерные всплески интенсивности.
В жилых домах массовой застройки утренние и вечерние всплески
интенсивности пассажиропотоков менее четко выражены.
Величину пассажиропотока принято определять числом пассажиров, следующих
в одном направлении в расчетную единицу времени.
Для сравнения интенсивности пассажиропотоков в зданиях различного
назначения служит показатель интенсивности 5 минутного потока, выражаемый в %
от общего количества людей, пользующегося лифтом.
Принимаются следующие усредненные показатели интенсивности 5 минутного
пассажиропотока: жилые дома массовой застройки - 3-6%; гостиницы - 7-15%;
административные здания - 14-20%; здания и сооружения общественного назначения
- 15-20%; учебные заведения - 20-35%.
Расчет вертикального транспорта в жилых, административных зданиях и
гостиницах производится для условия двустороннего пассажиропотока с учетом
характера размещения лифтового оборудования и наличия экспрессных зон (часть высоты
здания, где кабины движется без остановок) лифтового обслуживания.
В зданиях административного назначения и учебных заведениях график работы
и расписание учебных занятий предопределяет характерные всплески интенсивности
пассажиропотоков в начале и конце рабочего дня (рисунок 1.5).
Рисунок 1.5 - Гистограмма пассажиропотока учебного корпуса СПГУТД
(Вознесенский пр, 46)
После
статистической обработки полученных данных расчетный пятиминутный
пассажиропоток составил
чел/ 5 мин
1.3 Расчет
производительности и необходимого количества лифтов
Качество, эффективность, функционирование жилых, административных и
общественных зданий и сооружений в значительной мере определяется степенью рациональности
решения задач внутренних перевозок на основе применения лифтов.
Основными параметрами, определяющими эксплуатационные возможности и
технические характеристики лифтов, являются грузоподъемность, скорость и высота
подъема. Производительность лифта является величиной производной, которая
зависит от технических параметров и условий применения лифта.
Для зданий малой этажности дополнительная потеря времени на остановки
кабины составляет значительную долю времени кругового рейса. Поэтому увеличение
производительности за счет повышения скорости является нецелесообразным.
Рекомендуется выбирать скорость кабины в общественных и административных
зданиях до 10 эт. - 1,0 м/с, 11-20 эт. - 1,2-2 м/с, более 20 эт. - 2-4 м/с.
При расчете вертикального транспорта используются следующие понятия и
определения:
а) Круговой рейс - путь кабины лифта от основной посадочной площадки до
возвращения на этот же этаж;
б) Время кругового рейса - время, затрачиваемое кабиной на совершение
кругового рейса с учетом затрат времени связанных с пуском и остановками лифта,
открыванием и закрыванием дверей, входом и выходом пассажиров;
в) Число возможных остановок - число этажных площадок, на которых лифт
может останавливаться;
г) Число вероятных остановок - математическое ожидание случайной величины
числа остановок по приказам и числу вызовов пассажиров;
д) Вероятная высота подъема - математическое ожидание случайной величины
высоты подъема по приказам и вызовам пассажиров.
На выбор необходимого количества лифтов в здании, помимо грузоподъемности,
высоты подъема и скорости подъема, существенное влияние оказывают также:
а) назначение здания;
б) характер интенсивности пассажиропотока в заданном здании, поскольку
загрузка лифтового оборудования изменяется во времени по случайному закону.
Производительность лифта при двустороннем пассажиропотоке определяется по
формуле:
,пас/час (1.3)
где
Е - номинальная вместимость кабины, чел;
-
коэффициент заполнения кабины при движении на подъем;
- коэффициент заполнения при спуске кабины; Т - время
кругового рейса кабины.
Номинальная
вместимость кабины лифта определяется делением номинальной грузоподъемности на
расчетную массу груза с последующим округлением полученного результата до
ближайшего целого числа
(1.4)
где Q - грузоподъемность лифта, кг; Qп = 80 кг - расчетная масса 1
пассажира, кг.
Время
кругового рейса кабины при двухстороннем пассажиропотоке
, с (1.5)
где
- вероятная высота подъема лифта, м;
- путь движения кабины с неустановившейся скоростью
при разгоне и замедлении, м;
число
вероятных остановок лифта при подъеме и спуске соответственно;
- коэффициент, учитывающий дополнительные затраты
времени при работе лифта;
-
затраты времени на ускорение, замедление и пуск лифта, на открытие и закрывание
дверей кабины, с;
- затраты времени на вход и выход пассажиров, с.
Величина вероятной высоты подъема
, м (1.6)
м
Величина
пути разгона, замедления кабины и технических затрат времени зависит от
грузоподъемности и скорости движения кабины. Для пассажирского лифта
грузоподъемностью 320-1000 кг при скорости от 0,71 до 1 м/с
м;
с.
Время
входа и выхода пассажиров при движении вверх и вниз
, с (1.7)
где
- время входа и выхода одного пассажира, зависящее от
ширины дверного проема (меньшие значения соответствуют ширине проема 1000 и
более мм, а большие соответствуют ширине дверного проема меньше 1000 мм), с.
с
Число
вероятных остановок при подъеме и спуске кабины
(1.8)
(1.9)
где
- число возможных остановок кабины на этажных
площадках.
с
пас/час
Необходимое
число лифтов
(1.10)
где
- коэффициент, учитывающий нерегулярность
пассажиропотока.
.4 Кинематический
и статический расчет механизма подъема
1.4.1
Определение массы и уравновешивание подвижных частей механизма подъема
Работа механизма подъема лифта связана с перемещением массы кабины,
противовеса, тяговых канатов и подвесного кабеля.
Работа по преодолению сил тяжести подвижных частей может быть существенно
снижена, если добиться равновесия сил тяжести, действующих на канатоведущий
орган лебедки со стороны кабины и противовеса.
Так как полезный груз в кабине не остается величиной постоянной, полное
уравновешивание кабины с грузом практически исключается. Если силу тяжести
конструкции кабины можно полностью уравновесить с помощью противовеса, то груз
в кабине - только частично.
Влияние неуравновешенности канатов становится весьма ощутимым при значительной
высоте подъема лифта. Основную роль в системе уравновешивания играет
противовес. При небольшой высоте подъема масса противовеса выбирается из
условия уравновешивания кабины и среднестатистического значения массы полезного
груза. Это обеспечивает существенное снижение окружной нагрузки КВШ и
необходимой мощности привода лебедки. При высоте подъема кабины более 45 м
приходится учитывать влияние силы тяжести неуравновешенной части тяговых
канатов и применять для их уравновешивания дополнительные гибкие уравновешивающие
элементы в виде цепей или уравновешивающих канатов.
Определение массы противовеса требует предварительного определения массы
кабины лифта по исходным данным или по приближенным соотношениям,
устанавливающим зависимость между площадью пола и массой кабины.
Исходные данные
Масса
кабины пассажирского и грузопассажирского лифтов отечественного производства
приближенно определяется по формуле:
, кг (1.11)
где А, В - ширина и глубина кабины соответственно, м.
кг
Масса
противовеса определяется по формуле:
, кг (1.12)
где φ- коэффициент уравновешивания номинального груза кабины; Q - масса груза, кг.
Величина коэффициента уравновешивания принимается φ=0,5.
кг
Определение массы 1 метра тягового каната и подвесного кабеля с учетом
числа параллельных ветвей:
Масса 1 метра тягового каната
, кг/м (1.13)
Масса 1 метра подвесного кабеля
, кг/м (1.14)
где qк - масса 1 метра ветви тягового
каната, кг/м; qпк1 - масса 1 метра одного подвесного
кабеля, кг/м; m, mпк - число параллельных ветвей тягового каната и число
подвесных кабелей.
qк =
0,6 кг
qпк1 =
0,15 кг
m = 4
кг/м
кг/м
Определяется
масса:
а)
тяговых канатов
, кг (1.15)
где Н - высота подъема кабины лифта.
кг
б)
подвесного кабеля
, кг (1.16)
кг
1.4.2
Определение силы аэродинамического сопротивления движению кабины и противовеса
В скоростных лифтах возникают существенные по величине силы аэродинамического
сопротивления, зависящие от аэродинамического качества и скорости движущихся
частей.
Сила аэродинамического сопротивления движению кабины и противовеса:
, кН (1.17)
где с - коэффициент аэродинамического сопротивления обтеканию движущегося
объекта (с=0.8÷1.2) в зависимости от конструкции объекта и наличия
обтекателя для улучшения аэродинамического качества кабины. А, В - поперечные
размеры кабины (противовеса), м; V - скорость установившегося движения, м/с; ρ - плотность воздушного потока, кг/м3
(ρ = 1.1÷1.125) кг/м3.
кН
Рассмотрим
расчет более подробно с учетом расчетных схем, приведенных на рисунке 1.6.
а) схема горизонтальной проекции кабины;
б) схема вертикальной проекции кабины
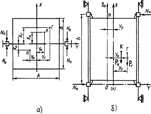
Рисунок 1.6 - Схемы к расчету опорных реакций башмаков кабины:
Приняты следующие обозначения:
А, В - ширина и глубина кабины, м; h - расстояние между башмаками по вертикали, м; П -
обозначение точки подвески кабины; Xп, Yп - продольное и поперечное смещение
точки подвески кабины относительно центра пола, м; SП - натяжение тяговых канатов, кН; К - положение центра масс
кабины; Г - положение центра масс расчетного груза; XК, YК -
продольное и поперечное смещение центра масс кабины относительно центра пола,
м; XГ, YГ - продольное и поперечное смещение центра масс расчетного
груза, м; NП, NН - нормальные реакции в зоне контакта башмаков с направляющими,
которые действуют перпендикулярно и параллельно плоскости направляющих; РК, РГ
- сила тяжести кабины и груза, соответственно, кН.
Силы нормального давления, действующие на башмаки в плоскости
направляющих и в перпендикулярном к ним направлении, определим из уравнений
равновесия кабины:
∑ Мх = 0, ∑ Му = 0 (1.18)
Из уравнений равновесия определим соответствующие нормальные реакции:
, кН (1.19)
, кН (1.20)
где Рг = Qp·10 -2 - величина
силы тяжести массы расчетного груза, кН (для пассажирского лифта Qр=0.5·Qc, где Qc -
грузоподъемность); Рк - сила тяжести массы кабины, кН; Xп, Yп -
координаты смещения точки подвески кабины принимаются по конструктивным
соображениям от 0.03 до 0.1 м; ХК, YК - величина продольного и поперечного смещения центра масс кабины,
зависящая от конструкции дверей кабины и может приниматься в пределах от 0,02
до 0,1 м; ХГ=В/6; YГ=A/6 - определяются в предположении,
что расчетный груз равномерно распределен по треугольной площадке, составляющей
50 % площади пола кабины, отделенной диагональю прямоугольного контура.
кН
кН
м
кН
кН
Нормальные
давления для кабины без груза:
, кН (1.21)
, кН (1.22)
кН
кН
Нормальные
давления для расчетного груза без учета массы кабины:
, кН (1.23)
, кН (1.24)
кН
кН
Сопротивление
движению кабины без груза:
(при
башмаках скольжения)
, кН (1.25)
где ωс = 0,12 - коэффициент сопротивления движению башмаков
скольжения.
кН
Сила
сопротивления движению расчетного груза:
(при
башмаках скольжения)
, кН (1.26)
кН
Сила
сопротивления движению противовеса:
(при
башмаках скольжения)
, кН (1.27)
кН
.4.3 Расчет
натяжения канатов подвески кабины Sk и Sп в рабочих и испытательных режимах
Режим подъема неуравновешенного груза
Груженая кабина внизу, подъем
, кН (1.28)
, кН (1.29)
кН
кН
Груженая
кабина вверху, подъем
, кН (1.30)
, кН (1.31)
кН
кН
, кН (1.32)
, кН (1.33)
кН
кН
Порожняя
кабина вверху, спуск
, кН (1.34)
, кН (1.35)
кН
кН
Перегруженная
на 10% кабина внизу, подъем; динамические испытания
;
кН (1.36)
кН
кН
Перегруженная
на 10% кабина вверху, подъем; динамические испытания
;
кН (1.37)
кН
кН
Режим
опускания неуравновешенного груза
Груженая
кабина внизу, спуск
;
кН (1.38)
кН
кН
Груженая
кабина вверху, спуск
;
кН (1.39)
кН
кН
Порожняя
кабина внизу, подъем
;
кН (1.40)
кН
кН
Порожняя
кабина вверху, подъем
;
кН (1.41)
кН
кН
Статические
испытания лифта, перегруженная на 100% кабина внизу
, кН (1.42)
, кН (1.43)
кН
кН
1.4.4 Расчет
необходимой мощности привода лебедки
, кВт (1.44)
где
Pmax - максимальное значение величины окружной нагрузки
КВШ в режиме подъема неуравновешенного груза (режимы с 1 по 4);
- КПД механизма лебедки.
, кН (1.45)
кН
кН
кН
кН
кН
кН
кН
кН
кВт
Выбирается
двигатель по каталогу [5] и определяются его основные параметры, которые
сведены в таблицу 1.1. К силовым установкам пассажирского лифта предъявляются
повышенные требования по надежности и уровню шума. Электродвигатель
представляет собой трехфазный асинхронный двухскоростной малошумный двигатель с
короткозамкнутым ротором.
Тип
электродвигателя: 4АН18OS6/18НЛБУЗ
Таблица
1.1 - Основные параметры двигателя 4АН16OS6/18НЛБУЗ
|
Число полюсов
|
Мощность на валу, кВт
|
Номинальная частота
вращения, мин-1
|
Номинальный момент, Н∙м
|
КПД, %
|
Пусковой момент, Н∙м
|
Максимальный момент, Н∙м
|
Максимальный генераторный
момент, Н∙м
|
Момент инерции ротора, кг∙м2
|
Суммарный момент инерции,
кг∙м2
|
Продолжительность включения
в цикле, с
|
Число включения (циклов) в
час
|
Форма исполнения по ГОСТ
2479-79
|
Масса, кг
|
|
6
|
4,5
|
940
|
46,7
|
85
|
110-130
|
130-155
|
-
|
0,2
|
1,35
|
9,6
|
150
|
IM3001
|
165
|
|
18
|
1,5
|
293
|
49,9
|
45
|
Не менее 90
|
125-135
|
|
|
3,6
|
|
|
|
Определение диаметра КВШ:
, м (1.46)
где Uр - табличное значение передаточного
числа редуктора лебедки;
nн -
номинальное значение частоты вращения вала двигателя, мин-1.
Значение
передаточного числа принимается
м
.5
Динамический расчет
Цель динамического расчета - определение инерционных и силовых
характеристик механизма подъема, гарантирующих обеспечение допустимого уровня
ускорений и точности остановки, долговечности и надежности работы механизма
подъема. [2]
1.5.1
Механические характеристики двухскоростного электродвигателя
Под механической характеристикой подразумевается зависимость между
частотой вращения и величиной крутящего момента вала двигателя (Рисунок 1.7).
Рисунок 1.7 - Статические механические характеристики двухскоростного
асинхронного двигателя трехфазного переменного тока
На рисунке 1.7 показаны статические механические характеристики
двухскоростного асинхронного двигателя трехфазного переменного тока и приняты
следующие дополнительные обозначения: М, n - крутящий момент и частота вращения вала двигателя; Б, М -
механическая характеристика при работе двигателя на статорной обмотке большой и
малой скорости;
Мн,
Мк, Мс - номинальный, критический момент вала двигателя на большой скорости,
приведенный момент внешних сопротивлений; Мг - генераторный момент двигателя на
малой скорости; РБД, РБГ , РМД - рабочая точка механической характеристики в
двигательном и генераторном режиме на большой и малой скорости; 
, 
- частота
вращения вала двигателя на большой и малой скорости при действии приведенного
момента внешних сил Мс; 
, 
-
синхронная частота вращения вала двигателя при работе на большой и малой
скорости, 
-
критическая частота вращения при работе двигателя на большой скорости; 1-9 -
характерные точки механических характеристик большой и малой скорости.
Рассмотрим
статические механические характеристики двухскоростного привода применительно к
задаче динамического расчета.
График
механической характеристики асинхронного двигателя трехфазного переменного тока
строится по аналитической зависимости или экспериментальным данным стендовых
испытаний.
По
оси ординат отсчитываются величина частоты вращения ротора двигателя, а по оси
абсцисс - крутящего момента. В первом квадранте располагается двигательная
часть механической характеристики, во втором - генераторная, а в 4-м тормозная
характеристика соответствующая режиму противовключения статорной обмотки.
Последняя в работе привода лифтовых лебедок не используется.
Работа
в двигательном режиме соответствует подъему неуравновешенного груза, когда
приведенный момент внешних сопротивлений действует против направления вращения
ротора. В этом случае ротор вращается медленнее магнитного поля статора.
Генераторный
режим работы двигателя возникает при опускании неуравновешенного груза, когда
приведенный к валу момент внешних сопротивлений действует в направлении
вращения магнитного поля и ротор обгоняет поле.
Механические
характеристики двигателя при работе на большой (Б) и малой (М) скорости подобны
и отличаются главным образом величиной синхронной частоты вращения ротора.
При
работе двигателя на статорной обмотке малой скорости синхронная частота
вращения в несколько раз меньше, чем при включении обмотки большой скорости,
так как величина частоты вращения определяется соотношением числа пар полюсов
соответствующих статорных обмоток.
Величина
синхронной частоты вращения ротора зависит от частоты питающего двигатель
переменного тока и числа пар полюсов статорной обмотки.
Рассмотрим
характерные точки и участки механической характеристики при работе двигателя на
большой скорости (Б) : 1 - точка начального пускового момента; 2 - критическая
точка, которой соответствует наибольший развиваемый двигателем критический
крутящий момент Мк в стопорном режиме; 4 - точка номинального режима работы
двигателя, которой соответствует номинальное, по условию нагрева статорной
обмотки, значение крутящего момента вала двигателя; 5 - точка холостого хода,
которой соответствует синхронная частота вращения ротора, равная частоте
вращения магнитного поля статора.
Участок
двигательной ветви характеристики 1-2 называется неустойчивой ветвью
механической характеристики. Участок 2-3 представляет собой криволинейную часть
перегрузочной ветви механической характеристики. Часть характеристики от точки
2 до точки 4 называется перегрузочной ветвью, где двигатель развивает момент
больше номинальной величины. Часть характеристики, лежащая во втором квадранте
на участке 5-6, называется генераторной ветвью механической характеристики.
Рассмотрим
работу привода лебедки в характерных режимах.
При
пуске двигателя на подъем груженой кабины его ротор развивает начальный
пусковой момент Мпн, соответствующий точке 1. Так как, движущий момент ротора больше
величины приведенного момента внешних сопротивлений Мс, частота его вращения
возрастает в соответствии с ходом графика на участках 1-2, 2-3, до рабочей
точки РБД, соответствующей достижению равенства движущего момента и момента
внешних сопротивлений. Далее кабина будет двигаться с установившейся большой
скоростью.
При
пуске двигателя на опускание груженой кабины разгон ротора происходит
аналогичным образом, но заканчивается в рабочей точке РБГ генераторной ветви
механической характеристики большой скорости. Ротор будет обгонять вращающееся
магнитное поле статора. Двигатель будет работать в генераторном режиме, отдавая
энергию в силовую электросеть за вычетом потерь, определяемых КПД двигателя и
достаточно низким значением обратного КПД червячного редуктора.
Работу
привода при замедлении кабины перед остановкой на этажной площадке рассмотрим
для подъема груженой кабины.
При
подходе кабины к этажной площадке сработает датчик замедления, система
управления выключит статорную обмотку большой скорости и одновременно включит
обмотку малой скорости.
Так
как работа двигателя с этого момента определяется характеристикой малой
скорости (М), его обороты будут соответствовать точке 7 генераторной ветви и
начнут падать под действием тормозного генераторного момента МГ в направлении,
обозначенном на графике стрелками.
Процесс
снижения частоты вращения закончится в точке Рмл, которой соответствует
равенство движущего момента и момента внешних сопротивлений.
Аналогичный
процесс будет происходить при замедлении опускающейся кабины. Диаграмма
изменения скорости кабины лифта с двухскоростным приводом приведена на рисунке
1.8. На диаграмме приняты следующие обозначения: VУБ, VУМ -
установившиеся значения скорости кабины при работе привода на большой и малой
скорости; tр, tв, tт - время разгона, выбега и механического торможения; tУБ, tУМ, tБ/М
- время движения кабины с установившейся большой и малой скоростью, время
перехода с большой на малую скорость; 1-7- характерные точки диаграммы
скорости.
Рисунок 1.8 - Диаграмма изменения скорости кабины при разгоне и
замедлении
Период разгона tр
характеризуется практически постоянной величиной ускорения несмотря на
криволинейный характер механической характеристики на участке разгона. Это
объясняется инерцией ротора двигателя, тормозного шкива, других вращающихся
частей и электромагнитными переходными процессами. Постоянство ускорений
предполагает постоянство момента на валу. Это позволяет существенно упростить
аналитическое выражение уравнения движения привода механизма подъема.
Остальные участки диаграммы изменения скорости отражают процесс движения
кабины с установившейся большой скоростью (tУБ), режим генераторного торможения при переходе с большой на
малую скорость (tБ/М), движение с
остановочной малой скоростью (tУМ),
период выбега (tв) и период
торможения (tТ).
1.5.2 Расчет
приведенной к ободу КВШ массы поступательно двигающихся частей лифта (для 10
эксплуатационных и испытательных режимов).
Подъем неуравновешенного груза
Груженая кабина внизу, подъем
, кг (1.47)
кг
Груженая
кабина вверху, подъем
, кг (1.48)
кг
Порожняя
кабина внизу, спуск
, кг (1.49)
кг
Порожняя
кабина вверху, спуск
, кг (1.50)
кг
Груженая
кабина внизу, спуск
, кг (1.51)
кг
Груженая кабина вверху, спуск
, кг (1.52)
кг
Порожняя кабина внизу, подъем
, кг (1.53)
кг
Порожняя
кабина вверху, подъем
, кг (1.54)
кг
1.5.3 Расчет
уточненного значения приведенного момента инерции динамической системы привода
, кг ∙
м2 (1.55)
где
- момент инерции ротора двигателя, кг ∙ м2;
- момент инерции ротора муфты, кг ∙ м2;
- приведенный момент инерции поступательно движущихся
масс в i-м режиме, кг ∙ м2.
кг ∙
м2
кг ∙
м2
кг ∙
м2
кг ∙
м2
кг ∙
м2
кг ∙
м2
кг ∙
м2
кг ∙
м2
кг ∙
м2
кг ∙
м2
1.5.4 Расчёт
ускорений при пуске
Определение момента избыточного при пуске
, Нм (1.56)
где
- приведенный момент внешних сопротивлений при пуске,
Нм. « + » - при спуске; « - » - при подъеме.
Нм
Величина
приведенного момента внешних сопротивлений при подъёме:
, Нм (1.57)
где
ηп - прямой КПД редуктора при номинальной частоте
вращения вала двигателя;
- окружная сила КВШ при подъеме неуравновешенного
груза, кН.
Нм
Нм
Нм
Нм
Величина
приведенного момента внешних сопротивлений при спуске:
, Нм (1.58)
где
η0 - обратный КПД редуктора;
- окружная сила КВШ при спуске неуравновешенного
груза, кН.
Нм
Нм
Нм
Нм
Mип1 =120-43,19
= 76,81 Нм
Mип2 =120-34,26
= 85,74 Нм
Mип3 =120-32,23=
87,77 Нм
Mип4 =120-42,39=
77,61 Нм
Mип7 =120+16,94=
136,94 Нм
Mип8 =120+10,41=
130,41 Нм
Mип9 =120+12,62=
132,62 Нм
Mип10
=120+18,94= 138,94 Нм
Ускорение пуска при подъеме (режимы с 1 по 4) и опускании (с 7 по 10) неуравновешенного
груза:
, м/с2 (1.59)
м/с2
м/с2
м/с2
м/с2
м/с2
м/с2
м/с2
м/с2
1.5.5 Расчет
ускорений при генераторном торможении
Определение момента избыточного при генераторном торможении
, Нм (1.60)
где
Мг - генераторный момент характеристики малой скорости, Нм;
- приведенный момент внешних сопротивлений при
генераторном торможении, Нм; «+» - подъем; «-» - спуск.
Приведенный
момент внешних сопротивлений при генераторном торможении:
При
подъеме
, Нм (1.61)
Нм
Нм
Нм
Нм
При
спуске
, Нм (1.62)
Нм
Нм
Нм
Нм
Миг1 = 140+ 24,29 = 164,29 Нм
Миг2 = 140+ 19,27 = 159,27 Нм
Миг3 = 140+ 18,12 = 158,12 Нм
Миг4 = 140+23,84 = 163,84 Нм
Миг7 = 140- 16,94 = 123,06 Нм
Миг8 = 140- 10,41 = 129,59 Нм
Миг9 = 140- 12,62 = 127,38 Нм
Миг10 = 140- 18,94 = 121,06 Нм
Ускорение генераторного торможения при подъеме (режимы с 1 по 4) и
опускании (с 7 по 10) неуравновешенного груза:
, м/с2 (1.63)
м/с2
м/с2
м/с2
м/с2
м/с2
м/с2
м/с2
м/с2
1.5.6 Расчет
ускорений механического торможения
Тормозной момент в расчетном эксплуатационном режиме определяется по
формуле:
, Нм (1.64)
где Ктэ = 2 - коэффициент запаса тормозного момента
Нм
По
наибольшей величине тормозного момента и соответствующему каталогу [5]
подбирается тип колодочного тормоза. Выбираем тормозной электромагнит
МП-201.
Исходя из выбора электромагнита, назначаем тормозной момент Мт=80 Нм
Определяется
величина приведенного момента при выбеге:
При
подъеме
, Нм (1.65)
где
- окружное усилие в i-м режиме
подъема кабины, кН; ηмп = 0,6 - прямой КПД редуктора на малой скорости.
Нм
Нм
Нм
Нм
При
спуске
, Нм (1.66)
где
- окружное усилие в i-м режиме
опускания кабины, кН; ηмо = 0,3 - обратный КПД редуктора на малой скорости.
Нм
Нм
Нм
Нм
Ускорение
механического торможения при подъеме (режимы с 1 по 4) и опускании (с 7 по 10)
неуравновешенного груза:
, м/с2 (1.67)
где
- расчетный тормозной момент, Нм; приведенный момент
внешних сопротивлений принимается той же величины, что и при выбеге;
«+»
- подъем; «-» - спуск.
м/с2
м/с2
м/с2
м/с2
м/с2
м/с2
м/с2
м/с2
1.6 Расчёт
точности остановки кабины
Количественной характеристикой точности остановки кабины на этажной
площадке является величина отклонения уровня пола кабины от уровня пола этажной
площадки, которая определяется полуразностью тормозных путей перемещения
гружёной и порожней кабины при движении в одном направлении.
Рисунок
1.9 - Схема к расчёту точности остановки
Расчёт
величины малой остановочной скорости кабины в i режиме:
, м/с (1.68)
где:
- синхронная частота вращения ротора на малой
скорости, мин-1;
-
номинальная частота вращения ротора на малой скорости, мин-1;
-
приведённый момент внешних сопротивлений в i режиме выбега,
Нм;
-
номинальный момент на валу двигателя при малой скорости, Нм;
= (60∙f)/2p =
333 мин-1;
= 293
мин-1;
= 49,9 Нм
м/с
м/с
м/с
м/с
м/с
м/с
м/с
м/с
Полный
тормозной путь кабины в i режиме с учетом пути выбега:
, м (1.69)
где
- время выбега, равное времени включения тормоза,
определяемое по каталогу тормозов лифтовых лебедок, с; «+» - спуск; «-» подъем.
с -
время выбега для тормоза МП-201.
Ускорение
выбега после отключения статорной обмотки малой скорости при подъеме и
опускании неуравновешенного груза ( режим с 1 по 10):
, м/с2 (1.70)
м/с2
м/с2
м/с2
м/с2
м/с2
м/с2
м/с2
м/с2
м
м
м
м
м
м
м
м
Точность
остановки кабины на этажной площадке:
, м (1.71)
, м (1.72)
, м (1.73)
, м (1.74)
, м (1.75)
, м (1.76)
, м (1.77)
, м (1.78)
При подъеме:
м
м
м
м
При
спуске:
м
м
м
м
заготовка деталь лифт
операция
2.
Технологическая часть
2.1
Назначение детали и анализ ее технологичности
Деталь «Штырь» (рисунок 2.1) имеет габаритные размеры: длину 55 мм,
максимальный диаметр 25 мм, минимальный диаметр 15мм. Масса составляет 0,1 кг.
Штырь конструктивно представляет собой тело вращения с двумя
фрезерованными лысками. На лысках находится сквозное отверстие. Деталь
изготовлена из конструкционной углеродистой качественной стали 45.
Деталь обрабатывается точением наружных поверхностей, снятием фасок,
фрезерованием лысок и сверлением сквозного отверстия.
Данная деталь изготовлена из среднесортного конструкционного проката
круглого сечения. Материал - конструкционная углеродистая качественная сталь 45
ГОСТ 1050-88. Материал заготовки при изготовлении детали обеспечит необходимую
шероховатость поверхности и необходимую точность размеров.
Деталь достаточно технологична, допускает применение
высокопроизводительных режимов обработки, имеет хорошие базовые поверхности и
проста по конструкции. Химический состав материала представлен в таблице 2.1
Таблица 2.1 - Химический состав стали 45 ГОСТ 1050-88
|
C, %(Углерод)
|
Si, % (Кремний)
|
Mn, % (Марганец)
|
Cr, % (Хром)
|
S,% (Сера)
|
P, % (Фосфор)
|
|
|
|
Не более
|
|
0,42 - 0,5
|
0,17 - 0,37
|
0,5 - 0,8
|
0.25
|
0.04
|
0.035
|
Марки этих сталей широко применяются для изготовления деталей, не
подвергающихся термообработке. Хорошо куются и для получения высоких
механических свойств подвергаются обычно улучшению.
Углеродистые качественные стали широко применяются в машиностроении и
приборостроении, так как за счет разного содержания углерода в них, а
соответственно и термической обработки можно получить широкий диапазон
механических и технологических свойств.
Применение стали 45 в основном характерно для изготовления таких видов
металлопроката как полоса, квадрат, круг, шестигранник.
Не применяется при изготовлении изделий, для которых крайне важны такие
показатели стали, как прокатываемость и свариваемость, так как сталь 45 ими не
обладает.
Физические свойства материала представлены в таблице 2.2.
Температура,
Модуль упругости первого рода
,
МПаКоэффициент линейного расширения
,
Коэффициент
теплопроводности I,
Плотность
материала
Удельная
тепло емкость
|
С,
|
|
|
|
|
|
|
20
|
2
|
|
|
7826
|
|
|
100
|
2.01
|
11.9
|
48
|
7799
|
473
|
|
200
|
1.93
|
12.7
|
47
|
7769
|
494
|
|
300
|
1.9
|
13.4
|
44
|
7735
|
515
|
|
400
|
1.72
|
14.1
|
41
|
7698
|
536
|
|
500
|
|
14.6
|
39
|
7662
|
583
|
|
600
|
|
14.9
|
36
|
7625
|
578
|
|
700
|
|
15.2
|
31
|
7587
|
611
|
|
800
|
|
|
27
|
7595
|
720
|
|
900
|
|
|
26
|
|
708
|
Крайней точкой сохранения прочности стали 45 является температура 200
градусов, при нагревании изделия выше этого показателя оно теряет прочность.
Поэтому чаще она применяется для производства неответственного режущего
инструмента. Стали заменители - 40Х, 50, 50Г2. Сталь 45 трудносвариваемая, для
получения качественных сварных соединений требуются дополнительные операции:
подогрев до 200 - 300 градусов при сварке, термообработка после сварки - отжиг.
Сталь 45 не склонна к отпускной хрупкости.
2.2
Определение типа производства
В машиностроении в зависимости от производственной программы и характера
изготовляемой продукции различают три основных вида производства: единичное,
серийное и массовое.
Так как по заданию партия равна 25 000 шт/год, а масса детали 0,1 кг, то
определяем тип производства как крупносерийное на основе данных таблицы 2.3
Таблица 2.3 - Типы производства
|
Производство
|
Число изготовляемых деталей
в год, шт.
|
|
Тяжелое (более 100 кг)
|
Среднее (от 10 до 100 кг)
|
Легкое (до 10 кг)
|
|
Единичное
|
до 5
|
до 10
|
до 100
|
|
Мелкосерийное
|
5-100
|
10-200
|
100-500
|
|
Среднесерийное
|
100-300
|
200-500
|
500-5000
|
|
Крупносерийное
|
300-1000
|
500-5000
|
5000-50000
|
|
Массовое
|
более 1000
|
более 5000
|
более 50000
|
Крупносерийное производство характеризуется изготовлением деталей
повторяющимися партиями (сериями).
В условиях крупносерийного производства представляется возможным
расположить оборудование в последовательности технологического процесса для
одной или нескольких деталей, требующих одинакового порядка обработки, со строгим
соблюдением принципов взаимозаменяемости при обработке.
При небольшой трудоемкости обработки или недостаточно большой программе
выпуска целесообразно обрабатывать заготовки партиями, с последовательным
выполнением операций, т.е. после обработки всех заготовок партии на следующей
операции. При этом время обработки на различных станках не согласовывается.
Заготовки во время работы хранят у станков, а затем транспортируют целой
партией.
2.3 Выбор и
расчет заготовки
Учитывая форму и размеры детали «Штырь», эксплуатационные условия работы,
марку материала - Сталь 45 ГОСТ 1050-88, а также тип производства
крупносерийный, возможно получение заготовки из металлопроката, так как Сталь
45 поставляется в металлопрокате, а замена материала возможна только на Сталь
40Х, 50, 50Г2
При выборе вида заготовки будет учитываться не только эксплуатационные
условия работы детали, ее размеры и форма, но и экономичность ее производства.
Способ получения заготовки должен быть наиболее экономичным при заданном объеме
выпуска деталей - 25000. Вид заготовки будет оказывать значительное влияние на
характер технологического процесса, трудоемкость и экономичность ее обработки.
Определение диаметра прутка. Номинальные значения диаметральных размеров
заготовки, соответствующие стандартизованным размерам по сортаменту,
определяются по формуле (2.1) с последующим округлением размера до
стандартизованного
, мм (2.1)
где
- наружный расчетный диаметр заготовки;
- наружный диаметр детали по чертежу;
- припуск на обработку наружной поверхности.
мм
Величины
припусков в мм Z назначены исходя из припуска на черновую обработку Z=1.5.
На
основании определенного наружного расчетного диаметра заготовки D1 проводится
выбор стандартизованных диаметров заготовки по сортаменту. При этом выдержано
условие: наружный диаметр заготовки равен или больше диаметра детали.
Исходя
из технологического маршрута, по сортаменту подходящий размер прутка диаметром
28 мм.
В
качестве заготовки выбирается круг
По
ГОСТ 2590-2006:
пруток
горячекатаный обычной точности (В1).
По
ГОСТ 1050-88:
из
стали 45 группа качества поверхности для горячей обработки давлением (3 ГП)
из
стали 45 категория механических свойств (М1)
из
стали 45 твердость (ТВ2)
Определение
длины заготовки
, мм (2.2)
где Lд - номинальная длина детали по
рабочему чертежу, мм.
мм
Выбираем
оптимальную длину проката для разделки на заготовки из расчета на некратность.
Прокат поставляется длиной 1, 2, 3, 4, 5 и 6 метров.
Потери
на зажим заготовки Lзаж принимаем 80 мм.
Заготовку
отрезают на ленточно-пильных станках. Точность резки от ±1,5 до ±5 мм. Резка проката любого профиля из стали и цветных
металлов диаметром до 250 мм. Ширина реза 0,8-1,3 мм. Это самый
производительный и дешевый способ.
Длина
торцового обрезка проката определяется из соотношения:
, мм (2.3)
где d - диаметр сечения заготовки, мм; d = 28 мм:
мм
Число
заготовок уже задано и равно 30 шт. По произведенным расчетам принятая длина
проката по стандартам будет равна 2 м.
Остаток
длины (некратность) определяется в зависимости от принятой длины проката.
из
проката длиною 2 м:
, мм (2.4)
где Lнк - остаток длины, мм; Lпр - длина проката, мм; Lоб - длина обреза, мм; Lзаж - длина зажима, мм; Lз - длина заготовки, мм; х2 - число
заготовок.
мм
Определяются
относительные потери на остаток материала
, % (2.5)
%
Потери
материала на зажим при отрезке по отношению к длине проката
, % (2.6)
%
Потери
материала на длину торцевого обрезка проката
, % (2.7)
%
Общие
потери к длине выбранного проката
, % (2.8)
%
Расход
материала на одну деталь с учетом всех технологических неизбежных потерь
определяем по формуле
, кг (2.9)
где mз-масса заготовки, кг.
кг
Определение
коэффициента использования материала
(2.10)
2.4 Маршрут
обработки поверхностей детали
Технологический маршрут обработки детали с указанием последовательности
операций, используемого оборудования, приспособлений, режущего и мерительного
инструмента, а так же базовых поверхностей представлен в таблице 2.4
Таблица 2.4 - Маршрут обработки детали
|
Содержание операции
|
Оборудование
|
Приспособление
|
Режущий инструмент
|
Мерительный инструмент
|
Базовые поверхности
|
|
005 Отрезная Отрезать
заготовку в размер L=60±0.5
|
8544
|
-
|
-
|
-
|
-
|
|
010 Токарно-винторезная 01.
Подрезать торец в размер 57,5±0,5; 02. Точить Ø25h14 с подрезкой торца на L=32±0,5 мм;
03. Точить фаску 3×45º на Ø25h14
|
16К20
|
Трехкулачковый
самоцентрирующийся патрон ГОСТ 2675-80
|
1. Резец проходной упорный
Т15К6 2. Резец проходной отогнутый 15К6
|
1.Штангенциркуль Шц-I-125-0,1
ГОСТ 166-89; 2. Шаблоны для контроля фасок
|
Диаметр 28 мм, упор в торец
|
|
015 Токарно-винторезная 01.
Подрезать торец в размер 55h14; 02. Точить Ø24,5h14 начерно с подрезкой торца на L=25
мм; 03. Точить Ø21h14 начерно с подрезкой торца на L=25
мм; 04. Точить Ø17,5h14 начерно с подрезкой торца на L=25
мм; 05. Точить Ø16h11 получисто на L=25 мм; 06.
Точить Ø15js9 начисто на L=25мм; 07.
Точить канавку Ø14,5h14; 08. Точить фаску 0,6×45º на Ø15js9
|
16К20
|
Трехкулачковый
самоцентрирующийся патрон ГОСТ 2675-80
|
1. Резец проходной упорный
Т15К6 2. Резец проходной упорный Т30К4 3. Резец проходной отогнутый Т15К6 4.
Резец канавочный Т15К6
|
1.Штангенциркуль Шц-I-125-0,1
ГОСТ 166-89; 2. Калибр-скоба ГОСТ 18360-93 3. Образцы шероховатости ГОСТ
9387-93 4. Шаблоны для контроля фасок
|
Диаметр 25 мм, упор в торец
|
|
020 Вертикально-фрезерная.
01. Фрезеровать лыску, выдерживая размер 8h14 на L=30
мм 02. Фрезеровать лыску, выдерживая размеры 8h14 и 16h14
на L=30 мм
|
6Т104
|
Универсальная делительная
головка ГОСТ 8615-89
|
Фреза торцевая Т15К6 ГОСТ
24359-80
|
1.Штангенциркуль Шц-I-125-0,1
ГОСТ 166-89;
|
Диаметр 15 мм, упор в торец
|
|
025
Вертикально-сверлильная. 01. Сверлить сквозное отверстие Ø14H14
|
2Н118
|
Универсальная делительная
головка ГОСТ 8615-89
|
Сверло спиральное Т5К10
ГОСТ 24359-80
|
1.Штангенциркуль Шц-I-125-0,1
ГОСТ 166-89;
|
Диаметр 15 мм, упор в торец
|
|
030
Контрольная.
|
Стол ОТК
|
-
|
-
|
1.Штангенциркуль Шц-I-125-0,1
ГОСТ 166-89; 2. Калибр-скоба ГОСТ 18360-93 3. Образцы шероховатости ГОСТ
9387-93 4. Шаблоны для контроля фасок
|
-
|
.5 Разработка
технологических операций
2.5.1 Выбор
оборудования
Учитывая тип производства (крупносерийный), годовую программу выпуска -
25000 штук, а так же габариты детали, выбирается следующее оборудование.
Операция 010, 015. Токарно-винторезная. Токарно-винторезный станок 16К20. Выбор
данного станка обусловлен характером обработки, размерами рабочей поверхности,
а так же его мощностью. Также выбор данного станка связан с его простотой и
универсальностью, а также его распространённостью в машиностроении.
Таблица 2.5 - Техническая характеристика станка 16К20
|
Наибольший диаметр
обрабатываемого изделия, мм:
|
|
над станиной
|
400
|
|
над суппортом
|
220
|
|
Наибольший диаметр прутка,
мм
|
53
|
|
Наибольшая длина
обрабатываемой заготовки, мм
|
710
|
|
Частота вращения шпинделя,
мин-1
|
12,5-1600
|
|
Количество инструментов
|
6
|
|
Число скоростей шпинделя
|
22
|
|
Число ступеней рабочих
подач
|
24
|
|
Наибольшее перемещение
суппорта, мм
|
|
Продольное
|
645
|
|
Поперечное
|
30
|
|
Подача суппорта, мм/об:
|
|
Продольная
|
0,05-2,8
|
|
Поперечная
|
0,025-1
|
|
Скорость быстрого
перемещения суппорта, мм/мин:
|
|
Продольная
|
3800
|
|
Поперечная
|
1900
|
|
Габаритные размеры станка,
мм
|
|
Длина
|
2505
|
|
Ширина
|
1190
|
|
Высота
|
1500
|
|
Мощность электродвигателя
главного привода, кВт
|
11
|
|
Масса, кг
|
2835
|
Операция 020. Вертикально-фрезерная. Вертикально-фрезерный станок 6Т104.
Предназначен для выполнения различных фрезерных работ на деталях разнообразной
конфигурации. Выбор данного станка обусловлен характером обработки, размерами
рабочей поверхности, а так же его мощностью. Также выбор данного станка связан
с его простотой и универсальностью, а также его распространённостью в
машиностроении.
Таблица 2.6 - Техническая характеристика станка 6Т104
|
Размеры рабочей поверхности
стола (ширина/длина), мм:
|
160/630
|
|
Наибольшее перемещение
стола, мм
|
|
Продольное
|
400
|
|
Поперечное
|
160
|
|
Вертикальное
|
320
|
|
Перемещение гильзы со
шпинделем
|
-
|
|
Наибольший угол попорота
шпиндельной головки
|
±45
|
|
Подача стола, мм/мин
|
|
Продольная и поперечная
|
11,2-500
|
|
Вертикальная
|
-
|
|
Скорость быстрого
перемещения стола, мм/мин
|
|
Продольного и поперечного
|
3800
|
|
Вертикального
|
-
|
|
Число скоростей шпинделя
|
12
|
|
Частота вращения шпинделя,
мин-1
|
63-2800
|
|
Число подач стола
|
12
|
|
Мощность электродвигателя
привода главного движения, кВт
|
2,2
|
|
Габаритные размеры, мм
|
|
Длина
|
1250
|
|
Ширина
|
1205
|
|
Высота
|
1630
|
|
Масса (без выносного
оборудования), кг
|
830
|
Операция 025. Вертикально-сверлильная. Вертикально-сверлильный станок
2Н118. Предназначен для сверления, рассверливания, зенкования, зенкерования,
подрезки торцов ножами и нарезания резьбы машинными метчиками. Выбор данного
станка обусловлен характером обработки, размерами рабочей поверхности, а так же
его мощностью. Также выбор данного станка связан с его простотой и
универсальностью, а также его распространённостью в машиностроении.
Таблица 2.7 - Техническая характеристика станка 2Н118
|
Размеры рабочей поверхности
стола, мм
|
320х360
|
|
Наибольшее вертикальное
перемещение , мм
|
|
Сверлильной головки
|
300
|
|
Стола
|
350
|
|
Наибольший условный диаметр
сверления в детали, мм
|
18
|
|
Наибольшее расстояние от
торца шпинделя до рабочей поверхности стола, мм
|
650
|
|
Наибольший ход шпинделя, мм
|
150
|
|
Вылет шпинделя, мм
|
200
|
|
Конус Морзе отверстия
шпинделя
|
2
|
|
Число скоростей шпинделя
|
9
|
|
Частота вращения шпинделя,
мин-1
|
180-2800
|
|
Число подач шпинделя
|
-
|
|
Подача шпинделя, мм/об
|
ручная
|
|
Мощность электродвигателя
привода главного движения, кВт
|
1,5
|
|
Масса, кг
|
450
|
|
Габаритные размеры, мм
|
|
Длина
|
870
|
|
Ширина
|
590
|
|
Высота
|
2080
|
2.5.2
Определение технологических базовых поверхностей и выбор приспособлений
При выборе технологических установочных баз на различном технологическом
оборудовании будут учитываться требования чертежа, соблюдаться основные
принципы базирования - постоянства и совмещения конструкторских технологических
и измерительных баз:
на первой операции будет браться за установочную технологическую базу -
черная база, а на последующих операциях - только чистая базовая поверхность;
на последующих операциях совмещают установочные технологические базы с
конструкторской базой и измерительной базой;
при обработке детали на различном технологическом оборудовании по
возможности за установочную технологическую базу будет приниматься одни и те же
базовые поверхности.
Выбор станочных приспособлений на каждую операцию будет зависеть от
формы, габаритных размеров и технических требований, предъявляемых к
обрабатываемой детали, типа производства - крупносерийное, модели станка и
выбора базовых поверхностей.
Операция 010. Токарно-винторезная. Станок токарно-винторезный модели
16К20.
База: Диаметр 28 мм, упор в торец
Используемое приспособление: Трехкулачковый самоцентрирующийся патрон
ГОСТ 2675-80.
Операция 015. Токарно-винторезная. Станок токарно-винторезный модели
16К20.
База: Диаметр 25 мм, упор в торец
Используемое приспособление: Трехкулачковый самоцентрирующийся патрон
ГОСТ 2675-80.
Операция 020. Вертикально-фрезерная. Станок вертикально-фрезерный модели
6Т104.
База: Диаметр 15 мм, упор в торец
Используемое приспособление: Универсальная делительная головка ГОСТ
8615-89.
Операция 025. Вертикально-сверлильная. Станок вертикально-сверлильный
модели 2Н118.
База: Диаметр 15 мм, упор в торец
Используемое приспособление: Универсальная делительная головка ГОСТ
8615-89.
2.5.3 Расчёт
режимов резания
Пример расчета режимов резания будет произведен для одного
технологического перехода опытно-статистическим методом [4]. Сводная таблица
режимов резания представлена в приложении А.
Операция 010. Токарно-винторезная
Установ А
Переход 02
Точить Ø25h14 с подрезкой
торца на L=32±0,5 мм
Глубина резания t =
1,5 мм.
Определение подачи
, мм/об (2.11)
где SoT = 0,45 мм/об - табличная подача,
мм/об ; Ksи =1,0 - коэффициент, зависящий от
инструментального материала; Ksp
=1,0 - коэффициент, зависящий от способа крепления пластины; Ksд = 1,0 - коэффициент, зависящий от
сечения державки резца; Ksh=
1,0 - коэффициент, зависящий от прочности режущей части; KsM= 0,8 - коэффициент, зависящий
механических свойств обрабатываемого материала;
Ksy=
0,8 - коэффициент, зависящий от схемы установки заготовки; Ksп=1,0 - коэффициент, зависящий от
состояния поверхности заготовки; ; Ksφ = 1,0 - коэффициент, зависящий от
геометрических параметров резца; Ksj =
0,75 - коэффициент, зависящий от жесткости станка.
Рассчитывается окончательно So, учитывая поправочные коэффициенты:
мм/об
Определение
скорости резания
, м/мин (2.12)
где Vт =228 м/мин - табличная скорость; Kvи = 1,0 - коэффициент, зависящий от
инструментального материала; Kvc =
1,0 - коэффициент, зависящий от группы обрабатываемости материала; Kvо = 1,0 - коэффициент, зависящий от
вида обработки; Kvj = 0,75 -
коэффициент, зависящий от жесткости; KvM = 0,7 - коэффициент, зависящий от механических свойств обрабатываемого
материала; Kvφ = 1,0 - коэффициент, зависящий от
геометрических параметров резца; Kvт =
1,0 - коэффициент, зависящий от периода стойкости режущей части; Kvж = 1,0 - коэффициент, зависящий от
наличия охлаждения
Рассчитывается окончательно V, учитывая поправочные коэффициенты:
м/мин
Определяется
мощность резания
, кВт (2.13)
где Nт = 5,7 кВт - табличная мощность; КNM= 1,2 - коэффициент, зависящий от
механических свойств обрабатываемого материала
Рассчитывается окончательно N, учитывая поправочный коэффициент:
кВт
Определение
частоты вращения шпинделя
, мин-1 (2.14)
мин-1
Частота
вращения принимается из стандартного ряда скоростей по паспорту станка nф=1250
мин-1.
2.5.4
Нормирование операций
Техническая норма времени на обработку заготовки является одним из
основных параметров для расчета стоимости изготовляемой детали, числа
производственного оборудования, заработной платы рабочих и планирования производства.
Затраты рабочего времени анализируются таким образом, по отношению к
исполнителю, чтобы имелась возможность определить загруженность рабочего,
характер его занятости в течение выполняемой работы.
Работа по своему характеру может квалифицироваться на производительную и
непроизводительную. Рабочее время делится на время работы и время перерывов.
Расчет проведен для одной операции.
Операция 010. Токарно-винторезная
Определение основного времени на переход
Черновое подрезание торца сплошного круга
, мин (2.15)
где D - диаметр обрабатываемой поверхности
мин
Черновое
обтачивание
, мин (2.16)
где L - длина обрабатываемой поверхности
мин
Точение
фаски
, мин (2.17)
мин
мин -
суммарное основное время
Определение
штучного времени на операцию
, мин (2.18)
где
1,07 - коэффициент, учитывающий время на естественные надобности и обслуживание
рабочего места (7% от суммы основного и вспомогательного времени);
- вспомогательное время на переход, включая время на
установку заготовки и настройку станка.
мин
Определение
подготовительно - заключительного времени
, мин (2.19)
где
мин - время на получение инструмента, оснастки и
документации;
мин - время на инструктаж рабочего; i -
количество инструмента;
мин - время на единицу инструмента;
мин - время, зависящее от способа крепления
заготовки.
мин
3. Охрана
труда
.1 Основные
понятия охраны труда
.1.1 Основные
понятия и определения
Охрана труда - система сохранения жизни и здоровья работников в процессе
трудовой деятельности, включающая в себя правовые, социально-экономические,
организационно-технические, санитарно-гигиенические, лечебно-профилактические,
реабилитационные и иные мероприятия.
Условия труда - совокупность факторов производственной среды и трудового
процесса, оказывающих влияние на работоспособность и здоровье работника.
Рабочее место - место, в котором работник должен находиться или в которое
ему необходимо прибыть в связи с его работой и которое прямо или косвенно
находится под контролем работодателя.
Рабочая зона - пространство высотой до 2 м над уровнем пола или площадки,
на которых находятся места постоянного или временного пребывания работающих в
процессе трудовой деятельности.
Вредный производственный фактор - производственный фактор, воздействие
которого на работника может привести к его заболеванию.
Опасный производственный фактор - производственный фактор, воздействие
которого на работника может привести к его травме.
Безопасные условия труда - условия труда, при которых воздействие на
работающих вредных и (или) опасных производственных факторов исключено. либо
уровни их воздействия не превышают установленных нормативов. [19]
3.1.2 Основные направления государственной политики в области охраны
труда
Основными направлениями государственной политики в области охраны труда
являются:
обеспечение приоритета сохранения жизни и здоровья работников;
принятие и реализация федеральных законов и иных нормативных правовых
актов Российской Федерации, законов и иных нормативных правовых актов субъектов
Российской Федерации об охране труда, а также федеральных целевых, отраслевых
целевых и территориальных целевых программ улучшения условий и охраны труда;
государственное управление охраной труда;
государственный надзор и контроль за соблюдением требований охраны труда;
содействие общественному контролю за соблюдением прав и законных
интересов работников в области охраны труда;
расследование и учет несчастных случаев на производстве и
профессиональных заболеваний;
защита законных интересов работников, пострадавших от несчастных случаев
на производстве и профессиональных заболеваний, а также членов их семей на
основе обязательного социального страхования работников от несчастных случаев
на производстве и профессиональных заболеваний;
установление компенсаций за тяжелую работу и работу с вредными и (или)
опасными условиями труда, неустранимыми при современном техническом уровне
производства и организации труда;
координация деятельности в области охраны труда, охраны окружающей
природной среды и других видов экономической и социальной деятельности;
распространение передового отечественного и зарубежного опыта работы по
улучшению условий и охраны труда;
участие государства в финансировании мероприятий по охране труда;
подготовка и повышение квалификации специалистов по охране труда;
организация государственной статистической отчетности об условиях труда,
а также о производственном травматизме, профессиональной заболеваемости и об их
материальных последствиях;
обеспечение функционирования единой информационной системы охраны труда;
международное сотрудничество в области охраны труда;
проведение эффективной налоговой политики, стимулирующей создание
безопасных условий труда, разработку и внедрение безопасных техники и
технологий, производство средств индивидуальной и коллективной защиты
работников;
установление порядка обеспечения работников средствами индивидуальной и
коллективной защиты, а также санитарно -бытовыми помещениями и устройствами,
лечебно -профилактическими средствами за счет средств работодателей.
Реализация основных направлений государственной политики в области охраны
труда обеспечивается согласованными действиями органов государственной власти
Российской Федерации, органов государственной власти субъектов Российской
Федерации и органов местного самоуправления, работодателей, объединений
работодателей, а также профессиональных союзов, их объединений и иных
уполномоченных работниками представительных органов по вопросам охраны труда. [17]
.1.3 Обязанности работодателя по обеспечению безопасных условий и охраны
труда
Обязанности по обеспечению безопасных условий и охраны труда в
организации возлагаются на работодателя.
Работодатель обязан обеспечить:
- безопасность работников при эксплуатации зданий, сооружений,
оборудования, осуществлении технологических процессов, а также применяемых в
производстве инструментов, сырья и материалов;
- применение средств индивидуальной и коллективной защиты
работников;
- соответствующие требованиям охраны труда условия труда на
каждом рабочем месте;
- режим труда и отдыха работников в соответствии с
законодательством Российской Федерации и законодательством субъектов Российской
Федерации;
- приобретение и выдачу за счет собственных средств специальной
одежды, специальной обуви и других средств индивидуальной защиты, смывающих и
обезвреживающих средств в соответствии с установленными нормами работникам,
занятым на работах с вредными и (или) опасными условиями труда, а также на
работах, выполняемых в особых температурных условиях или связанных с
загрязнением;
- обучение безопасным методам и приемам выполнения работ по
охране труда и оказанию первой помощи при несчастных случаях на производстве,
инструктаж по охране труда, стажировку на рабочем месте и проверку знаний
требований охраны труда, безопасных методов и приемов выполнения работ;
- недопущение к работе лиц, не прошедших в установленном
порядке обучение и инструктаж по охране труда, стажировку и проверку знаний
требований охраны труда;
- организацию контроля за состоянием условий труда на рабочих
местах, а также за правильностью применения работниками средств индивидуальной
и коллективной защиты;
- проведение аттестации рабочих мест по условиям труда с
последующей сертификацией работ по охране труда в организации;
- в случаях, предусмотренных трудовым Кодексом РФ, законами и
иными нормативными правовыми актами, организовывать проведение за счет
собственных средств обязательных предварительных (при поступлении на работу) и
периодических (в течение трудовой деятельности) медицинских осмотров
(обследований) работников, внеочередных медицинских осмотров (обследований)
работников по их просьбам в соответствии с медицинским заключением с
сохранением за ними места работы (должности) и среднего заработка на время
прохождения указанных медицинских осмотров (обследований);
- недопущение работников к исполнению ими трудовых обязанностей
без прохождения обязательных медицинских осмотров (обследований), а также в
случае медицинских противопоказаний;
- информирование работников об условиях и охране труда на
рабочих местах, о существующем риске повреждения здоровья и полагающихся им
компенсациях и средствах индивидуальной защиты;
- предоставление органам государственного управления охраной
труда, органам государственного надзора и контроля, органам профсоюзного
контроля за соблюдением законодательства о труде и охране труда информации и
документов, необходимых для осуществления ими своих полномочий;
- принятие мер по предотвращению аварийных ситуаций, сохранению
жизни и здоровья работников при возникновении таких ситуаций, в том числе по
оказанию пострадавшим первой помощи;
- расследование и учет в установленном трудовым Кодексом РФ и
иными нормативными правовыми актами порядке несчастных случаев на производстве
и профессиональных заболеваний;
- Санитарно-бытовое и лечебно-профилактическое обслуживание
работников в соответствии с требованиями охраны труда;
- беспрепятственный допуск должностных лиц органов
государственного управления охраной труда, органов государственного надзора и
контроля за соблюдением трудового законодательства и иных нормативных правовых
актов, содержащих нормы трудового права, органов Фонда социального страхования
Российской Федерации, а также представителей органов общественного контроля, в
целях проведения проверок условий и охраны труда в организации и расследования
несчастных случаев на производстве и профессиональных заболеваний;
- выполнение предписаний должностных лиц органов
государственного надзора и контроля за соблюдением трудового законодательства и
иных нормативных правовых актов, содержащих нормы трудового права, и
рассмотрение представлений органов общественного контроля в установленные
трудовым Кодексом РФ, иными федеральными законами сроки;
- обязательное социальное страхование работников от несчастных
случаев на производстве и профессиональных заболеваний;
- ознакомление работников с требованиями охраны труда;
- разработку и утверждение с учетом мнения выборного
профсоюзного или иного уполномоченного работниками органа инструкций по охране
труда для работников;
- наличие комплекта нормативных правовых актов, содержащих
требования охраны труда в соответствии со спецификой деятельности организации. [17]
3.1.4
Обучение и профессиональная подготовка в области охраны труда
Все работники организации, в том числе ее руководитель, обязаны проходить
обучение по охране труда и проверку знаний требований охраны труда в порядке,
установленном Правительством Российской Федерации.
Для всех поступающих на работу лиц, а также для работников, переводимых
на другую работу, работодатель или уполномоченное им лицо обязаны проводить
инструктаж по охране труда, организовывать обучение безопасным методам и
приемам выполнения работ и оказания первой помощи пострадавшим.
Работодатель обеспечивает обучение лиц, поступающих на работу с вредными
и (или) опасными условиями труда, безопасным методам и приемам выполнения работ
со стажировкой на рабочем месте и сдачей экзаменов и проведение их
периодического обучения по охране труда и проверку знаний требований охраны
труда в период работы.
Государство содействует организации обучения по охране труда в
образовательных учреждениях начального общего, основного общего, среднего
(полного) общего образования и начального профессионального, среднего
профессионального, высшего профессионального и послевузовского
профессионального образования.
Государство обеспечивает профессиональную подготовку специалистов по
охране труда в образовательных учреждениях среднего профессионального и высшего
профессионального образования.
.1.5 Финансирование мероприятий по улучшению условий и охраны труда
Финансирование мероприятий по улучшению условий и охраны труда осуществляется
за счет средств федерального бюджета, бюджетов субъектов Российской Федерации,
местных бюджетов, внебюджетных источников в порядке, установленном законами,
иными нормативными правовыми актами и актами органов местного самоуправления.
Финансирование мероприятий по улучшению условий и охраны труда может
осуществляться также за счет:
- средств от штрафов, взыскиваемых за нарушение трудового законодательства,
перечисляемых и распределяемых в соответствии с федеральным законом, а также в
порядке, установленном Правительством Российской Федерации;
- добровольных взносов организаций и физических лиц.
Финансирование мероприятий по улучшению условий и охраны труда в
организациях независимо от организационно-правовых форм (за исключением
федеральных казенных предприятий и федеральных учреждений) осуществляется в
размере не менее 0,1 процента суммы затрат на производство продукции (работ,
услуг), а в организациях, занимающихся эксплуатационной деятельностью, - в
размере не менее 0,7 процента суммы эксплуатационных расходов.
В отраслях экономики, субъектах Российской Федерации, на территориях, а
также в организациях могут создаваться фонды охраны труда в соответствии с
законодательством Российской Федерации и законодательством субъектов Российской
Федерации. Работник не несет расходов на финансирование мероприятий по
улучшению условий и охраны труда. [20]
3.1.6 Ответственность за нарушение трудового законодательства и иных
актов, содержащих нормы трудового права
Лица, виновные в нарушении трудового законодательства и иных нормативных
правовых актов, содержащих нормы трудового права, привлекаются к дисциплинарной
ответственности в порядке, установленном трудовым Кодексом РФ, иными
федеральными законами, а также привлекаются к гражданско - правовой, административной
и уголовной ответственности в порядке, установленном федеральными законами.
3.1.7
Организация службы охраны труда в организации
В целях обеспечения соблюдения требований охраны труда, осуществления
контроля за их выполнением в каждой организации, осуществляющей
производственную деятельность, с численностью более 100 работников создается
служба охраны труда или вводится должность специалиста по охране труда,
имеющего соответствующую подготовку или опыт работы в этой области.
В организации с численностью 100 работников и менее решение о создании
службы охраны труда или введении должности специалиста по охране труда
принимается работодателем с учетом специфики деятельности данной организации.
При отсутствии в организации службы охраны труда (специалиста по охране
труда) работодатель заключает договор со специалистами или с организациями,
оказывающими услуги в области охраны труда.
Структура службы охраны труда в организации и численность работников
службы охраны труда определяются работодателем с учетом рекомендаций
федерального органа исполнительной власти по труду.
.2 Основные процедуры безопасности при работе с лебедкой в машинном
помещении
3.2.1 Общие положения
а) К выполнению процедуры допускается аттестованный персонал, имеющий
группу по электробезопасности не ниже 3-й.
б) При проведении работ персонал подвергается опасности:
поражения электрическим током и электрической дугой
в) Персонал должен быть обеспечен:
средствами защиты работников от поражения электрическим током при
контакте с открытыми или скрытыми электрическими цепями, находящихся пол
напряжением: диэлектрическими перчатками, указателями напряжения, инструментами
с изолирующими рукоятками, а также защитными очками;
запирающими устройствами для источников энергии: индивидуальным замком и
переходной планкой для вводных рубильников российского производства,
индивидуальным замком и специальным запорным устройством для вводных аппаратов
импортных конструкций;
плакатами: "Не включать! Работают люди!" с наличием на обратной
стороне графы для заполнения фамилии, имя, отчества лица, запирающего источник
энергии, его подписи, даты и времени запирания.
г) В распоряжении работника должен находиться только
один ключ для каждого используемого замка. Дубликаты ключей должны находиться у
ответственного лица, назначенного приказом (распоряжением) по подразделению.
д) Перед выполнением процедуры работник должен снять
все украшения, которые способны проводить ток.
е) Лифтер, оператор (диспетчер) ОДС, а в случае если
работа проводится на заводском оборудовании - лица, непосредственно работающие
с запираемым на ключ оборудованием, должны быть предупреждены о том, что
оборудование будет отключено и заблокировано. Их также следует проинформировать
о причине отключения. [15]
3.2.2 Порядок
выполнения процедуры
- При входе в машинное помещение надеть защитные очки.
- Убедиться, что отключаемое оборудование не работает.
Убедиться в отсутствии пассажиров в кабине.
Взять управление лифтом, на себя. Переключить схему
лифта на управление из МП. Снять нагрузку с вводного устройства путем
отключения автоматических выключателей, находящихся в контроллере. (При
отсутствии переключателя режимов работы в МП, отключить вызова и привод дверей
кабины, используя тумблера в контроллере).
Проверить отсутствие механических повреждений на
диэлектрических перчатках. По штампу на перчатках убедиться, что не просрочена
дата их следующей периодической проверки.
Надеть перчатки.
Встать на диэлектрический коврик у вводного
устройства.
Отключить вводное устройство. При этом необходимо
стоять сбоку от ВУ, отвернув от него лицо.
Открыть вводное устройство. Визуально убедиться в
видимом разрыве электроцепи.
Проверить исправность указателя напряжения на
токоведущих частях, заведомо находящихся под напряжением.
После проверки указателя напряжения, не выпуская его
из рук, провести шесть контрольных замеров (между землей и каждой фазой, между
каждой фазой) на пинцетах вводного устройства для того, чтобы убедиться в
отсутствии напряжения на входной электроцепи. (При условии, если невозможно
проверить отсутствие напряжения непосредственно на вводном устройстве, проверку
провести на входящих клеммах в контроллере)
- Закрыть вводное устройство и вывесить плакат «Не
включать! Работают люди!». На обратной стороне плаката карандашом заполнить
графы Ф.И.О., проставить дату и время отключения и запирания, личную подпись.
Заблокировать вводное устройство специально
предназначенным для этого индивидуальным замком.
Если на оборудовании работают несколько человек, то
каждый работник, включая проходящих производственное обучение, обязан
установить свой индивидуальный замок на вводном устройстве и вывесить свой
плакат "Не включать! Работают люди!".
Убедиться в том, что оборудование отключено и не
функционирует путем нажатия на пусковые кнопки, выключатели или пульты управления.
Токоведущие части, оставшиеся под напряжением и к
которым возможно случайное прикосновение, должны быть закрыты защитными
экранами. В противном случае источники энергии, подающие на них напряжение,
должны быть выключены и блокированы в соответствии с данной процедурой. [15]
3.2.3 Возврат
в рабочее состояние
По окончанию работы необходимо выполнить следующие
операции для возврата оборудования в рабочее состояние:
Убрать инструменты и приспособления с места проведения
работ.
Удостовериться, что рядом с оборудованием нет
посторонних лиц, а члены бригады приняли необходимые меры защиты перед
включением оборудования.
Работник, который проводил блокировку, лично снимает
свой индивидуальный замок.
Перед уходом с рабочего места (лифта или др.
оборудования) сообщить всем ответственным лицам, что работа выполнена.
3.2.4 Правила
технической эксплуатации применяемых электродвигателей
Данная часть правил распространяется на
электродвигатели переменного и постоянного тока.
Электродвигатели, пускорегулирующие устройства и
защиты, а также все электрическое и вспомогательное оборудование к ним
выбираются и устанавливаются в соответствии с требованиями правил устройства
электроустановок.
На электродвигатели и приводимые ими механизмы должны
быть нанесены стрелки, указывающие направление вращения.
На электродвигателях и пускорегулирующих устройствах
должны быть надписи с наименованием агрегата и (или) механизма, к которому они
относятся.
Плавкие вставки предохранителей должны быть
калиброванными и иметь клеймо с указанием номинального тока, нанесенное на
заводе - изготовителе или подразделении Потребителя, имеющего соответствующее
оборудование и право на калибровку предохранителей.
При кратковременном перерыве электропитания
электродвигателей должен быть обеспечен при повторной подаче напряжения
самозапуск электродвигателей ответственных механизмов для сохранения механизмов
в работе по условиям технологического процесса и допустимости по условиям
безопасности. [15]
Перечень ответственных механизмов, участвующих в
самозапуске должен быть утвержден техническим руководителем Потребителя.
Продуваемые электродвигатели, устанавливаемые в
пыльных помещениях и помещениях с повышенной влажностью, должны быть
оборудованы устройствами подвода чистого охлаждающего воздуха, температура
которого и его количество должны соответствовать требованиям заводских
инструкций.
Плотность тракта охлаждения (корпуса электродвигателя,
воздуховодов, заслонок) должна проверяться не реже одного раза в год.
Электродвигатели с водяным охлаждением активной стали
статора и обмотки ротора, а также со встроенными водяными воздухоохладителями
должны быть оборудованы устройствами, сигнализирующими о появлении воды в
корпусе. Эксплуатация оборудования и аппаратуры систем водяного охлаждения,
качество воды должны соответствовать требованиям заводских инструкций.
На электродвигателях, имеющих принудительную смазку
подшипников, должна быть установлена защита, действующая на сигнал и отключение
электродвигателя при повышении температуры вкладышей подшипников или прекращении
поступления смазки.
Напряжение на шинах распределительных устройств должно
поддерживаться в пределах 100-105% от номинального значения. Для обеспечения
долговечности электродвигателей использовать их при напряжении выше 110 и ниже
90% от номинального не рекомендуется.
При изменении частоты питающей сети в пределах ±2,5%
от номинального значения допускается работа электродвигателей с номинальной
мощностью.
Номинальная мощность электродвигателей должна
сохраняться при одновременном отклонении напряжения до ±10% и частоты до ±2,5%
номинальных значений при условии, что при работе с повышенным напряжением и
пониженной частотой или с пониженным напряжением и повышенной частотой сумма
абсолютных значений отклонений напряжения и частоты не превышает 10%.
На групповых сборках и щитках электродвигателей должны
быть предусмотрены вольтметры или сигнальные лампы контроля наличия напряжения.
Электродвигатели механизмов, технологический процесс
которых регулируется по току статора, а также механизмов, подверженных технологической
перегрузке, должны быть оснащены амперметрами, устанавливаемыми на пусковом
щите или панели. Амперметры должны быть также включены в цепи возбуждения
синхронных электродвигателей. На шкале амперметра должна быть красная черта,
соответствующая длительно допустимому или номинальному значению тока статора
(ротора).
На электродвигателях постоянного тока, используемых
для привода ответственных механизмов, независимо от их мощности должен
контролироваться ток якоря.
Электродвигатели, длительно находящиеся в резерве,
должны быть постоянно готовы к немедленному пуску; их необходимо периодически
осматривать и опробовать вместе с механизмами по графику, утвержденному
техническим руководителем Потребителя. При этом у электродвигателей наружной
установки, не имеющих обогрева, должны проверяться сопротивление изоляции
обмотки статора и коэффициент абсорбции.
Вертикальная и поперечная составляющие вибрации
(среднеквадратичное значение виброскорости или удвоенная амплитуда колебаний),
измеренные на подшипниках электродвигателей, сочлененных с механизмами, не
должны превышать значений, указанных в заводских инструкциях.
Допускается работа агрегатов с повышенной вибрацией
подшипниками электродвигателей, сочлененных с механизмами, работающими в
тяжёлых условиях, у которых вращающиеся рабочие части быстро изнашиваются, а
также электродвигателей, сроки эксплуатации которых превышают 15 лет, в течение
времени, необходимого для устранения причины повышения вибрации.
Периодичность измерения вибрации подшипников электродвигателей
ответственных механизмов должна быть установлена графиком, утвержденным
техническим руководителем Потребителя.
Контроль за нагрузкой электродвигателей, щеточным
аппаратом, вибрацией, температурой элементов и охлаждающих сред
электродвигателя (обмотки и сердечники статора, воздуха, подшипников и т. д.),
уход за подшипниками (поддержание требуемого уровня масла) и устройствами
подвода охлаждающего воздуха, воды к воздухоохладителям и обмоткам, а также
операции по пуску и останову электродвигателя должен осуществлять персонал
подразделения, обслуживающего механизм.
Электродвигатели должны быть немедленно отключены от
сети в следующих случаях:
- при несчастных случаях с людьми;
- появлении дыма или огня из корпуса электродвигателя,
а также из его пускорегулирующей аппаратуры и устройства возбуждения;
- поломке приводного механизма;
- резком увеличении вибрации подшипников агрегата;
- нагреве подшипников сверх допустимой температуры,
установленной в инструкции завода-изготовителя.
В эксплуатационных инструкциях могут быть указаны и
другие случаи, при которых электродвигатели должны быть немедленно отключены, а
также определен порядок устранения аварийного состояния и пуска
электродвигателей.
Профилактические испытания и ремонт электродвигателей,
и съем и установку при ремонте должен проводить обученный персонал Потребителя
или подрядной организации.
Периодичность капитальных и текущих ремонтов
электродвигателей определяет технический руководитель Потребителя. Как правило,
ремонты электродвигателей должны производиться одновременно с ремонтом
приводных механизмов.
Профилактические испытания и измерения на
электродвигателях должны проводиться в соответствии с нормами испытаний
электрооборудования.
3.3 Пожарная
безопасность
3.3.1 Принцип
действия первичных средств тушения загораний и пожаров
На предприятиях применяются самые разнообразные
приспособления, приборы и установки для тушения загораний и пожаров. [19]
По принципу действия это оборудование делится на
ручные первичные средства тушения, автоматические системы и передвижные
средства пожаротушения. К ручным первичным средствам и приборам,
предназначенным для ликвидации пожара в момент его возникновения в помещении на
оборудовании и т. д., относится шанцевый инструмент (лом, багор, лопата, топор,
пожарные ведра и т. п.), которыми укомплектовывается противопожарный щит, а
также песок, асбестовые одеяла и т. д.
Важным средством, предназначенным для первичного
тушения пожара является огнетушитель.
3.3.2
Автоматические средства тушения пожаров
На предприятиях многих отраслей промышленности широкое
применение нашли автоматические средства тушения пожаров пенного и порошкового
типа, а также водяного тушения: спринклерные и дренчерные установки.
Спринклерные и дренчерные установки представляют собой разветвленную
распределительную водопроводную сеть с распылителями водяных струй в виде
спринклерных и дренчерных головок. Спринклерные головки предназначены не только
для распыления водяных струй. Они обеспечивают автоматическое включение
установки при повышении температуры воздушной среды выше допустимой.
При возникновении пожара под действием температуры
замок спринклера расплавляется и вода, находящаяся в сети под напором, орошает
очаг горения. Одновременно с этим подается сигнал тревоги.
Спринклеры изготовляются в расчете на различные
температуры срабатывания. В отапливаемых помещениях распределительные
трубопроводы системы заполняются водой, в не отапливаемых воздухом, который
после вскрытия спринклера вытесняется водой.
Дренчерные головки имеют те же основные части, что и
спринклерные, но отличаются тем, что не имеют замков. Отверстия для выпуска
воды у них всегда открыты. Вода может подаваться в дренчерную головку вручную и
автоматически от побудительного устройства. В качестве такого устройства
применяют пожарные извещатели. Дренчерные головки применяются для устройства
водяных завес в проемах зданий (дверей, окон), а также в помещениях, где
возможно быстрое распространение пожара.
Принцип работы спринклерной воздушно-водяной установки
заключается в следующем. При возникновении загорания в помещении происходит
вскрытие одного или нескольких спринклеров. В результате чего срабатывает
контрольно -сигнальный клапан и вода поступает не только к спринклерам, но и к
универсальному сигнализатору давления (СДУ), который замыкает электрическую
цепь управления насосом и электрическую пожарную сигнализацию. Замыкание цепи
приводит к автоматическому включению насоса, который подает воду к спринклерным
головкам.
При эксплуатации автоматических установок тушения
пожаров необходимо обеспечить постоянный контроль и уход за ними. Осмотр
спринклеров следует проводить не реже 1 раза в месяц, а всей сети - не реже 1
раза в десять дней. Все системы 1 раз в 5 лет подлежат промывке и чистке. Для
проверки прочности спринклеров и другого оборудования проводятся гидравлические
испытания 1 раз в два - три года. Узлы управления установки подлежат полной
разборке и чистке 1 раз в год.
Не реже 1 раза в месяц проводится проверка давления в системе по сверке с
показаниями контрольного манометра. [19]
Заключение
В конструкторской части работы был проведен обзор основных конструкций
лифтов, их кинематические схемы и технические характеристики. Проведен
кинематический и статический расчет с целью определения основных
конструкционных параметров лебедки, выбран электродвигатель, редуктор, основные
параметры КВШ и тяговых канатов. В динамическом расчете определены нагрузки,
возникающие в узлах механизма подъема в период пуска и торможения кабины с
учетом возникающих сил инерции. Оценены возникающие ускорения кабины в период
пуска, переходе с номинальной скорости на остановочную, а также в режиме
механического торможения, которые соответствуют допустимым значениям. Проведена
оценка точности остановки кабины относительно уровня этажной площадки.
В технологической части работы на деталь «Штырь» при годовой программе
25000 шт. был разработан технологический процесс обработки. При составлении
технологического процесса оценены и выбраны наименее трудоемкие и дешёвые
способы изготовления. Произведены расчеты режимов резания и норм времени,
выбрано технологическое оборудование, приспособления, режущий и мерительный
инструмент.
В разделе охраны труда были подобраны основные положения, включающие в
себя правовые, социально-экономические, организационно-технические,
санитарно-гигиенические, лечебно-профилактические, реабилитационные и иные
мероприятия.
Результаты, полученные в работе, могут быть использованы при установке
лифта в учебном корпусе СПГУТД.
Список
использованных источников
1) Антонюк,
В. Е. Справочник конструктора по расчету и проектированию станочных
приспособлений [Текст] : справочное издание/ В.Е Антонюк, В.А. Королев, С.М.
Башеев. - Минск : Беларусь, 1969. - 392с.
2) Архангельский, Г. Г. Лифты [Текст] / Г.Г. Архангельский, Д.П.
Волков, Э.А. Горбунов; под ред. Д.П. Волкова. - М.: Издательство Ассоциации
строительных вузов,1999. - 480с.
3) Балабанов,
А. Н. Краткий справочник технолога-машиностроителя [Текст] / А.Н. Балабанов. -
М.: Издательство стандартов, 1992, - 464с.
4) Барановский,
Ю. В. Режимы резания металлов [Текст]: Справочник / Под ред. Ю.В. Барановского.
- М.: Машиностроение, 1972. - 497с.
5) Волков,
Д. П. Атлас конструкций лифтов [Текст] : учебное пособие для вузов / Д.П.
Волков, А.А. Ионов, П.И. Чутчиков. - М.: АСВ, 2003. - 156с.
6) Горбацевич,
А. Ф. Курсовое проектирование по технологии машиностроения [Текст] : учебное
пособие для машиностроит. спец. ВУЗов / А.Ф. Горбацевич, В.А. Шкред. - 4-е
изд., перераб. и доп. - Мн.: Высшая школа, 1983. - 256с.
7) Горбунов,
Б. И. Обработка металлов резанием, металлорежущий инструмент и станки [Текст] :
учеб. для вузов / Б.И. Горбунов. - Киев: Машиностроение, 1981. - 287 с.
8) Добрыднев,
И. С. Курсовое проектирование по предмету «Технология Машиностроения» [Текст] /
И.С. Добрыднев - М.: Машиностроение, 1985. - 184с.
9) Дриц,
М. Е. Технология конструкционных материалов и материало-ведение [Текст] : учеб.
для вузов / М.Е. Дриц, М.А. Москалев. - М.: Высш. шк., 1990. - 447 с.
10) Колосков,
М. М. Марочник сталей и сплавов [Текст] / М.М. Колосков, Е.Т. Долбенко, Ю.В.
Каширский.; Под общ. ред А.С. Зубченко - М.: Машиностроение, 2001. - 672с.
11) Косилова,
А. Г. Справочник технолога-машиностроителя [Текст] : в 2-х т. / под ред. А.Г
Косиловой и Р.К. Мещерякова. - 4-е изд., перераб. и доп. - М.: Машиностроение,
1986. - 2т.
) Кузьмин,
В.И. Безопасность жизнедеятельности (охрана труда) [Текст] / В. И. Кузьмин.-
СПб.: СПГУТД, 2000.- 389 с.
) Миллер,
Э. Э. Техническое нормирование труда в машиностроении [Текст] : Учебное пособие
/ Э.Э. Миллер. - 3-е изд., перераб. и доп. - М.: Машиностроение, 1972, -248с.
) Нефедов,
Н. А. Сборник задач и примеров по резанию металлов и режущему инструменту
[Текст] : учеб. пособие / Н. А. Нефедов, К. А. Осипов.- 5-е изд., перераб. и
доп. - М.: Машиностроение, 1990 г. - 444с.
15) Обухов,
А. И. Монтаж лифтов и канатных дорог [Текст]: справочное издание/ Под ред. А.И.
Обухова. - М.: Стройиздат, 1983. -279с.
16) Полетаев,
А. А. Эксплуатация лифтов. Вопросы и ответы [Текст] : Справочник / А.А.
Полетаев. - 2-е изд., перераб. и доп. - М.: Стройиздат, 1991. - 197с.
17) Правила пожарной безопасности в Российской Федерации (ППБ 01-03).
М.: ВНИИПО, 2003. - 41с.
18) Соколов,
В. П. Технология машиностроения [Текст] : Методические указания по проведению
нормоконтроля в курсовом и дипломном проектировании. - Л.: ЛИТЛП им. Кирова,
1982.
19) Строительные нормы и правила. Пожарная безопасность зданий и
сооружений. СНиП 21-01-97. М.: Госстрой России, 1997г. 15 с.
20) Трудовой
кодекс Российской Федерации [Текст] : офиц. текст принят Гос. Думой 21 дек.
2001 г. - М.: НОРМА-ИНФРА*М, 2002. - 207 с.
21) Чернов,
Н. Н. Металлорежущие станки [Текст] : учеб. для вузов / Н.Н. Чернов - М.:
Машиностроение, 1988. - 416 с.
Приложение
Таблица А.1 - Сводная таблица режимов резания
|
Операция
|
Переход
|
Глубина резания t,
мм
|
Подача Sо,
мм/об
|
Подача Sм,
мм/зуб
|
Скорость резания V,
мм/мин
|
Частота вращения nпасп
, мин-1
|
|
010 Токарно-винторезная
|
01
|
2,5
|
0,34
|
-
|
88
|
1000
|
|
02
|
1,5
|
0,38
|
|
88
|
1000
|
|
03
|
3
|
0,34
|
|
79
|
1250
|
|
015 Токарно-винторезная
|
01
|
2,5
|
0,34
|
-
|
88
|
1000
|
|
02
|
1,75
|
0,38
|
|
110
|
1250
|
|
03
|
1,75
|
0,38
|
|
96
|
1250
|
|
04
|
1,75
|
0,38
|
|
106
|
1600
|
|
05
|
0,75
|
0,11
|
|
87
|
1600
|
|
06
|
0,5
|
0,05
|
|
80
|
1600
|
|
07
|
0,25
|
0,05
|
|
75
|
1600
|
|
08
|
0,6
|
0,18
|
|
75
|
1600
|
|
020 Вертикально-фрезерная
|
01
|
4,5
|
-
|
0,16
|
221
|
1405
|
|
02
|
4,5
|
|
0,16
|
221
|
1405
|
|
025 Вертикально-сверлильная
|
01
|
-
|
0,38
|
-
|
44
|
1000
|