Разработка интегрированной системы проектирования и управления колонны К-4 установки АВТ-4

  • Вид работы:
    Курсовая работа (т)
  • Предмет:
    Другое
  • Язык:
    Русский
    ,
    Формат файла:
    MS Word
    226,65 Кб
  • Опубликовано:
    2015-01-31
Вы можете узнать стоимость помощи в написании студенческой работы.
Помощь в написании работы, которую точно примут!

Разработка интегрированной системы проектирования и управления колонны К-4 установки АВТ-4












Курсовая работа

по курсу “Интегрированные системы проектирования и управления”

На тему «Разработка интегрированной системы проектирования и управления колонны К-4 установки АВТ-4»

Содержание

Задание

Введение

. Формирование требований к АС         

.1 Изучение объекта и существующей АСУТП

.2 Формирование требований пользователя к автоматизированным системам

.2.1 Требования к АСУ в целом

.2.2 Требования к функциям АСУ

.2.3 Требования к подготовленности персонала АСУ

.3 Оформление отчета о выполненной работе

. Разработка концепции АС

.1 Разработка вариантов концепции АС         

.2 Отчет о выполненной работе

. Техническое задание

. Технорабочий проект

. Ввод в действие

Заключение

Литература        

Задание


1.   изучить существующую АСУТП колонны К-4 стабилизации бензина установки АВТ-4 ООО «Новоуфимский НПЗ» (далее - Объект);

2.      выделить недостатки существующей АСУТП;

.        предложить модель новой АСУТП (далее - Система);

.        разработать технический проект РСУ, ПАЗ, привести все необходимые схемы;

.        разработать мнемосхемы технологического процесса.

.        оформить все проделанные работы согласно ГОСТ 34.601-90.

Стадии создания АС по ГОСТ 34.601-90

Данный ГОСТ предусматривает следующие стадии и этапы создания АС:

. Формирование требований к АС

.1. Обследование объекта и обоснование необходимости создания АС

.2. Формирование требований пользователя к АС

.3. Оформление отчета о выполненной работе и заявки на разработку АС (тактико-технического задания)

. Разработка концепции АС

.1. Изучение объекта

.2. Проведение необходимых научно-исследовательских работ

.3. Разработка вариантов концепции АС и выбор варианта концепции АС, удовлетворяющего требованиям пользователя

.4. Оформление отчета о выполненной работе

. Техническое задание

.1. Разработка и утверждение технического задания на создание АС

. Эскизный проект

.1. Разработка предварительных проектных решений по системе и ее частям

.2. Разработка документации на АС и ее части

. Технический проект

.1. Разработка проектных решений по системе и ее частям

.2. Разработка документации на АС и ее части

.3. Разработка и оформление документации на поставку изделий для комплектования АС и (или) технических требований (технических заданий) на их разработку

.4. Разработка заданий на проектирование в смежных частях проекта объекта автоматизации

. Рабочая документация

.1. Разработка рабочей документации на систему и ее части

.2. Разработка или адаптация программ

. Ввод в действие

.1. Подготовка объекта автоматизации к вводу АС в действие

.2. Подготовка персонала

.3. Комплектация АС поставляемая изделиями (программными и техническими средствами, программно-техническими комплексами, информационными изделиями)

.4. Строительно-монтажные работы

.5. Пусконаладочные работы

.6. Проведение предварительных испытаний

.7. Проведение опытной эксплуатации

.8. Проведение приемочных испытаний

. Сопровождение АС

.1. Выполнение работ в соответствии с гарантийными обязательствами

.2. Послегарантийное обслуживание

Данный ГОСТ также допускает:

·    исключение стадии "Эскизный проект" и отдельные этапы работ на всех стадиях;

·        объединение стадий "Технический проект" и "Рабочая документация" в одну стадию "Технорабочий проект";

·        в зависимости от специфики создаваемых АС и условий их создания, выполнение отдельных этапов работ до завершения предшествующих стадий, параллельное во времени выполнение этапов работ, включение новых этапов работ.

Согласно общему плану и приведенным допущениям, был составлен план разработки АСУТП, оптимальный для Объекта.

План разработки АСУ ТП

Формирование требований к АС

.2.     Формирование требований пользователя к АС

1.3.   Оформление отчета о выполненной работе

. Разработка концепции АС

.1. Разработка вариантов концепции АС и выбор варианта концепции АС

.2. Отчет о выполненной работе

. Техническое задание

.1. Разработка технического задания

. Технорабочий проект

. Ввод в действие

Введение


Стадия сопровождение АСУ ТП предполагает проведение следующих этапов работ:

·        Выполнение работ в соответствии с гарантийными обязательствами - осуществляются работы по устранению недостатков, выявленных при эксплуатации АСУ ТП в течение установленных гарантийных сроков, внесению необходимых изменений в документацию по АСУ ТП.

·        Послегарантийное обслуживание - осуществляют работы по:

а) анализу функционирования системы;

б) выявлению отклонений фактических эксплуатационных

характеристик АС от проектных значений;

в) установлению причин этих отклонений;

г) устранению выявленных недостатков и обеспечению стабильности эксплуатационных характеристик АСУ ТП;

д) внесению необходимых изменений в документацию на АСУ ТП.

Виды, периодичность и регламент обслуживания технических средств должны быть указаны в соответствующих инструкциях по эксплуатации. Общие требования к системам контроля, управления, сигнализации и противоаварийной защиты при эксплуатации, монтаже, наладке и ремонте определяются ПБ 09-540-03 "Общие правила взрывобезопасности для взрывопожароопасных химических, нефтехимических и нефтеперерабатывающих производств". Конкретные требования по эксплуатации КИП и СА регламентируются общезаводскими инструкциями.

1. Формирование требований к АС

1.1 Изучение объекта и существующей АСУТП


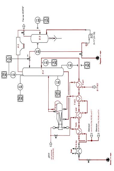
В качестве объекта был выбран блок стабилизации бензина установки АВТ-4. Стабилизатор К-4 предназначен для стабилизации прямогонного бензина путем отгонки из него углеводородных газов и сероводорода.

Блок стабилизации состоит из ректификационной колонны К-4, рибойлера Т-1, емкости Е-3, теплообменников Т-4/1-4, воздушного холодильника Х-3 и водяного холодильника Х-4.

Колонна К-4 оборудована 35 тарелками из них 15 желобчатые и 20 провального типа.

Описание работы Объекта

Нестабильный бензин прокачивается через межтрубное пространство теплообменников Т - 4/2-4, Т- 4/1 и поступает на 20 тарелку стабилизатора К-4.Температура нестабильного бензина, поступающего на 20 тарелку стабилизатора К-4, составляет 120-160°С.

С верха стабилизатора К-4 углеводородные газы и сероводород направляются в аппарат воздушного охлаждения Х-3, где конденсируются, охлаждаются до 50оС и поступают в рефлюксную емкость Е-3. Не сконденсировавшийся газ из емкости Е-3 в емкость Е-2а. Рефлюкс с Е-3 подается на орошение стабилизатора К-4, а балансовый избыток откачивается в парк высокого давления или на установки АГФУ, ГФУ.

Температура верха стабилизатора К-4 поддерживается не более 80оС. Температура паров с верха колонны К-4, после аппарата воздушного охлаждения Х-3, поддерживается не более 50оС.

Расход орошения составляет 6,0-14,0 м3/час.

При понижении уровня в емкости Е-3 ниже 20% и повышении выше 80% срабатывает сигнализация.

Температура вывода рефлюкса поддерживается не более 50оС.

При повышении давления в стабилизаторе К-4 более 9 кгс/см2 (0,9 МПа) срабатывает сигнализация.

С низа колонны К-4 бензин перетекает в рибойлер Т-1, где отпариваются легкие углеводороды и по шлемовой линии возвращаются в низ К-4, а стабильный бензин из Т-1 через межтрубное пространство теплообменников Т-4/2-4, погружной холодильник Х-4 откачивается в парк.

Температура стабильного бензина на выходе с установки поддерживается не более 50оС.

Расход стабильного бензина на выходе с установки поддерживается в пределах 20-100 м3/час.

При понижении уровня в рибойлере Т-1 ниже 20% и повышении выше 80% срабатывает сигнализация.

Температура низа колонны К-4 поддерживается не более 150-180оС.

интегрированный проектирование автоматизированный управление

Таблица 1 - Краткая характеристика технологического оборудования блока стабилизации

№ п/п

Наименование оборудования

Номер позиции на схеме

Техническая характеристика

1

Стабилизатор бензина для отгонки из бензина легких газов

К - 4

Температура - 200°С Давление - 1,05 МПа Диаметр - 1400 мм Объём - 35,4 м3 Длина цилиндрической части - 27800 мм

2

Рефлюксная ёмкость

Е - 3

Температура - 50°С Давление - 1,05 МПа Диаметр - 2400 мм Объем - 32 м3 Длина цилиндрической части - 11350 мм

3

Аппарат воздушного охлаждения для конденсации паров бензина, воды и газа, выводимых с верха колонны К-4

Х - 3

Температура - 200°С Давление - 0,2 МПа Поверхность одной секции - 1045 м2 Длина трубок - 6000 мм Мощность электродвигателя - 18 кВт Тип электродвигателя - КМР-180-М6А Число оборотов - 980 об/мин Напряжение - 380 В Тип привода - прямой

4

Рибойлер для поддержания температуры низа колонны К-4

Т - 1,1а

Температура - 200°С Давление - 1,05 МПа Диаметр - 2400 мм Длина труб - 8430 мм Поверхность - 100 м2

5

Теплообменник кожухотрубчатый с плавающей головкой нестабильный бензин-дизельное топливо ’’Л’’

Т - 4/1

Температура - 200°С Давление - 0,4 МПа Диаметр труб - 800 мм Длина труб - 5720 мм Поверхность - 130 м2 Среда: межтрубное пространство - нестабильный бензин; трубное пространство - дизельное топливо ’’Л’’

6

Теплообменник кожухотрубчатый с плавающей головкой - стабильный бензин-нестабильный бензин

Т - 4/2-4

Температура - 200°С Давление - 0,4 МПа Диаметр труб - 800 мм Длина труб - 5720 мм Поверхность - 130 м2 Среда: межтрубное пространство - нестабильный бензин; трубное пространство - стабильный бензин

 7

Теплообменник кожухо-трубчатый с плавающей головкой - стабильный бензин - нестабильный бензин 

Т-4/3÷5

Межтрубное пространство: Давление -12 кг/см2 (1,2 МПа); Температура - 200ºС; Среда - нестабильный бензин Трубное пространство: Давление - 12 кг/см2 (1,2 МПа); Температура - 200 ºС Среда - стабильный бензин Диаметр - 700 мм; Длина - 6275 мм; Поверхность - 130 м2:

8

Х - 4

Температура - 200°С Давление - 0,1 МПа Поверхность одной секции - 177 м2 Длина трубок - 6000 мм Диаметр труб - 89 мм Тип соединения труб - с помощью калачей Количество секций - 18

9  

Насос орошения К-4 и откачки рефлюкса из Е-3

Н-17

Марка насоса НК 65/125;  Температура - 50 ºС;  Напор - 105 м.вод.ст;  Производительность - 27 м3/ч;  Число оборотов - 2950 об/мин; Тип эл.дв. - ВАО 81-2/42;  Мощность эл.двигателя - 55 кВт;  Исполнение - ВЗГ;

10

 Насос орошения К-4 и откачки рефлюкса из Е-3

Н-19

Марка насоса НК-200/120;  Температура - 50 ºС;  Напор - 120 м.вод.ст;  Производительность - 110 м3/ч;  Число оборотов - 2950 об/мин; Тип эл.дв. - ВАО 81-2/42;  Мощность эл.двигателя - 55 кВт;  Исполнение - ВЗГ;

 11  

Погружные холодильники стабильного бензина

Х-4,4а

Температура - 200 ºС;  Давление - 10 кг /см2 (0,1 МПа);  Поверхность одной секции- 177 м2;  Длина трубок- 6000 мм;  Диаметр труб - 89 мм;  Тип соединения труб с помощью калачей;  Количество секций - 13.


Контроль технологических параметров процесса

Всякий технологический процесс характеризуется определенными физическими величинами (параметрами). Для оптимального хода технологического процесса некоторые его параметры требуется поддерживать постоянными, а некоторые - изменять по определенному закону. При работе того или иного объекта на него поступают различные внешние и внутренние возмущающие воздействия, нарушающие оптимальный ход технологического процесса объекта. Одной из основных задач автоматического регулирования является поддержание оптимальных условий протекания технологического процесса.

В качестве контролируемых параметров выбираются возмущения, которые важны для проведения процесса, но на них невозможно или недопустимо воздействовать. В качестве регулируемых параметров выбирают технологические параметры, изменение которых ведёт к нарушению прохождения процессов в аппарате.

Температура:

Необходимо контролировать температуру верха и низа колонны и температуру подачи сырья в колонну после теплообменников Т-4/1 для диагностики работы, проверки соответствия параметров технологическим нормам и правилам и расчета теплового баланса данных технологических аппаратов. От температуры зависит как качество конечного продукта и производительность процесса, так и его безопасность. Изменение температуры в колонне может привести к повышению давления. Необходимость контроля температуры сырья после теплообменника Т-4/1 обуславливается тем, что он должен поступать в колонну с определенной температурой.

Давление:

Для безопасной эксплуатации колонны необходимо контролировать давление в ней. Очень важно контролировать в колонне, т.к. изменение давления может привести к ухудшению качества нефтепродуктов и к взрывоопасным ситуациям на установке.

Уровень:

Необходимо контролировать уровень в ёмкости Е-3 для обеспечения непрерывности технологического процесса. Изменение уровня может привести к переполнению нефтепродуктов в ёмкости, следовательно попадание их в другие технологические аппараты.

Расход:

Расход на входных и выходных потоках необходимо контролировать для оценки эффективности работы блока и материального баланса установки. Расход влияет на качество получаемого продукта. Нарушение работы расходомера может привести к колебаниям температуры и давления в колонне.

1.1.2 Существующая АСУ

В настоящее время на установке "АВТ-4" используется система управления Centum-XL. Это программно-аппаратный комплекс фирмы Yokogawa второго поколения.

В системе Centum-XL станция оператора (EOPS) выполняет функции индикации промышленных регуляторов, а станция управления участком EFCS/EFCD производит регулирование.

Микропроцессор в EFCS/EFCD производит обработку для 80 контуров регулирования.

Функции таких стандартных аналоговых приборов, как регуляторы и индикаторы, заложены в программном обеспечении микропроцессора станции управления участком. Панели настройки всех приборов, имеющихся в виде программных алгоритмов в станции EFCS/EFCD могут быть показаны на экране. Каждая станция управления участком может содержать до 255 приборов. Выходы от регуляторов, подключаемые к участку, обрабатываются многоточечной платой аналоговых входов/выходов МАС2, многоточечной платой импульсных входов/аналоговых выходов РАС или индикаторами контуров CLDU.

Функции соединения контуров CENTUM идентичны соответствующим функциям соединения клемм приборов проводами в стандартных аналоговых устройствах (или трубками в пневматических системах). Функции соединения контуров могут, например, объединять два регулятора в каскад (для управления), соединять регулятор и селектор (для автоселекторного управления), или регулятор и блок задания соотношения (для управления соотношением).

В станциях управления участком внутренние соединения - все соединения, кроме подключения кабелей с участка к платам входа/выхода, создаются в программном обеспечении. Внутренние соединения включают в себя соединения между приборами CENTUM, a также между приборами CENTUM и платами входа/выхода.

В систему включены разнообразные функции проверки тревоги, такие как проверка на превышение порогов тревоги выше верхнего, ниже нижнего пределов, превышение верхнего и нижнего пределов тревоги, отклонение, диагностика неисправности приборов по скорости изменения сигнала.

Сигнал тревоги может сгенерировать состояние тревоги и вывести на экран сигнализаторы, вывести на печать сообщения и активизировать функции логического управления.

Операторская станция EOPS обеспечивает работу и функции наблюдения, требуемые для управления в целом системы CENTUM-XL. Расширенная емкость применения поддерживает до 16000 позиций, 300 страниц графических панелей и свыше 2300 точек записи трендов на одну операторскую станцию. Разнообразные функции записи трендов объединены с возможностями эффективного анализа производства и наблюдения. Техника развитого программного обеспечения позволяет обеспечить время доступа 1 секунда ко всем дисплеям.

Несмотря на все достоинства этой передовой для своего времени системы, в настоящее время она морально устаревает. Современные аппаратные и программные средства способны обеспечить более высокую мощность и скорость обработки сигналов, а следовательно более точное регулирование процессов, в результате чего повышается качество продуктов. Также серьезным недостатком является отсутствие совместимости системы CENTUM-XL с современным программным обеспечением, т.к. в настоящее время разработано огромное количество программ для анализа систем и происходящих в них процессов, анализа экономической эффективности этих систем и процессов.

В настоящее время, с учетом указанных недостатков разработана система третьего поколения CENTUM CS3000.

1.2 Формирование требований пользователя к автоматизированным системам.


АВТОМАТИЗИРОВАННЫЕ СИСТЕМЫ УПРАВЛЕНИЯ, ОБЩИЕ ТРЕБОВАНИЯ (ГОСТ 24.104-85)

1.2.1 Требования к АСУ в целом

·        АСУ любого вида должна соответствовать требованиям настоящего стандарта, требованиям технического задания на ее создание или развитие (далее - ТЗ на АСУ), а также требованиям нормативно-технических документов, действующих в ведомстве заказчика АСУ.

·        Ввод в действие АСУ должен приводить к полезным технико-экономическим, социальным или другим результатам, например:

снижению численности управленческого персонала;

повышению качества функционирования объекта управления;

повышению качества управления и др.

·        АСУ должна обеспечивать достижение целей ее создания (развития), установленных в ТЗ на АСУ.

·        В АСУ должна быть обеспечена совместимость между ее частями, а также с автоматизированными системами (АС), взаимосвязанными с данной АСУ.

·        АСУ в целом и все виды ее обеспечения должны быть приспособлены к модернизации, развитию и наращиванию в пределах требований, указанных в ТЗ на АСУ.

·        Надежность АСУ в целом и каждой ее автоматизированной функции должна быть достаточна для достижения установленных целей функционирования системы при заданных условиях применения.

·        Адаптивность АСУ должна быть достаточной для достижения установленных целей ее функционирования в заданном диапазоне изменений условий применения.

·        В АСУ должны быть предусмотрены контроль правильности выполнения автоматизированных функций и диагностирование, с указанием места, вида и причины возникновения нарушений, правильности функционирования АСУ.

·        В АСУ, имеющих измерительные каналы, должна быть предусмотрена возможность контроля метрологических характеристик измерительных каналов.

·        В АСУ должны быть предусмотрены меры защиты от неправильных действий персонала, приводящих к аварийному состоянию объекта или системы управления, от случайных изменений и разрушения информации и программ, а также от несанкционированного вмешательства.

·        Любая поступающая в АСУ информация вводится в систему однократно с помощью одного входного канала, если эти не приводит к невыполнению требований, установленных в ТЗ на АСУ (по надежности, достоверности и т.п.).

·        Выходная информация одного и того же смыслового содержания должна быть сформирована в АСУ однократно, независимо от числа адресатов.

·        Информация, содержащаяся в базах данных АСУ, должна быть актуализирована в соответствии с периодичностью ее использования при выполнении функций системы.

·        АСУ должна быть защищена от утечки информации если это оговорено в ТЗ на АСУ.

·        Наименование АСУ должно включать наименование вида АСУ и объекта управления.

1.2.2 Требования к функциям АСУ

·        АСУ в необходимых объемах должна автоматизированно выполнять:

сбор, обработку и анализ информации (сигналов, сообщений, документов и т.п.) о состоянии объекта управления;

выработку управляющих воздействий (программ, планов и т.п.);

передачу управляющих воздействий (сигналов, указаний, документов) на исполнение и ее контроль;

реализацию и контроль выполнения управляющих воздействий;

обмен информацией (документами, сообщениями и т.п.) с взаимосвязанными автоматизированными системами).

·        Состав автоматизированных функций (задач, комплексов задач - далее функций) АСУ должен обеспечивать возможность управления соответствующим объектом в соответствии с любой из целей, установленных в ТЗ на АСУ.

·        Состав автоматизированных функций АСУ и степень их автоматизации должны быть технико-экономически и (или) социально обоснованы с учетом необходимости освобождения персонала от выполнения повторяющихся действий и создания условий для использования его творческих способностей в процессе работы.

1.2.3 Требования к подготовленности персонала АСУ

·        Квалификация персонала АСУ должна обеспечивать эффективное функционирование системы во всех заданных режимах.

·        Персонал АСУ должен быть подготовлен к выполнению своих обязанностей в соответствии с инструкциями организационного обеспечения.

·        Каждое лицо, входящее в состав персонала АСУ, должно уметь применять соответствующие информационные модели и работать с используемыми им техническими средствами и документацией, определяющей порядок его деятельности.

1.3 Оформление отчета о выполненной работе


Примечание: пункты отчета «Характеристики объекта и результатов его функционирования», «Описание существующих средств автоматизации, и информационно-управляющей системы», «Описание требований к средствам измерений автоматизируемого технологического процесса» были рассмотрены на этапах 1.1, 1.2 и далее рассматриваться не будут.

Описание недостатков существующих средств автоматизации и информационно-управляющей системы

) использование оборудования различных отечественных и зарубежных производителей, что ухудшает совместимость частей АСУТП, затрудняет эксплуатацию и диагностику;

) информационно-управляющая система основана на устаревшей элементной базе и программном обеспечении. Последние отличает громоздкость оборудования, невысокое быстродействие, неудобный интерфейс СОТ;

) высокая погрешность измерительных каналов;

) отсутствие связи РСУ с общезаводской сетью;

) ряд важных параметров процесса контролируется только по месту, хотя уместно вести наблюдение за ними со станции оператора;

) АСУТП не выполняет целый ряд современных требований к системам подобного рода (см. далее), а имеющиеся в ней функции (например, вывод на печать отчета) выполняются очень медленно.

Обоснование необходимости совершенствования существующих средств автоматизации и информационно-управляющей системы объекта

В связи с перечисленными выше недостатками существующей АСУТП, возникает необходимость её полной реконструкции.

Цели, критерии и ограничения создания АСУТП

Цель: создать АСУТП Объекта, обеспечивающую

·    максимально возможную безопасность ведения технологического процесса;

·        функциональность, соответствующую всем современным требованиям;

·        удобство в эксплуатации.

Система должна соответствовать требованиям технологического регламента.

Критериями эффективности данной Системы будут являться количества опасных и «безопасных» отказов и связанных с ними остановов Объекта, за годовой период эксплуатации.

Ограничения, связанные с созданием Системы, делятся на

·    технологические, обусловленные требованиями технологического процесса и характеристиками оборудования. Далее в ходе разработки АСУТП они будут учитываться;

·        финансовые.

Выводы и предложения

Необходимо создать АСУТП на Объекте, удовлетворяющую всем современным требованиям безопасности и функциональности.

2. Разработка концепции АС

 

.1 Разработка вариантов концепции АС


Специфика лабораторных работ по курсу «Интегрированные системы проектирования и управления» приводит нас к выбору компании SIEMENS как к поставщику всех средств автоматизации для нашей Системы.

Обновление технических средств КИПиА проводится поэтапно:

·    1-й этап - внедрение современного оборудования РСУ и ПАЗ с использованием существующего полевого КИП и, если это необходимо, электропневмо- и пневмоэлектрических преобразователей;

·        2-й этап - замена устаревшего оборудования КИП на электронную технику.

Архитектура АСУТП представляет собой следующее:

·    полевой КИП на современной электронной технике;

·        контроллеры РСУ и ПАЗ, связанные с рабочими станциями промышленного исполнения;

·        квалифицированный персонал.

Предусматривается связь с заводской локальной и с корпоративной вычислительной сетью.

В Системе используются следующие средства автоматизации:

·    датчик перепада давления Yokogawa EJX118A (кол-во: 3)

·        датчик давления Yokogawa EJA430A

·        нормирующий преобразователь YTA70 (кол-во: 3)

·        программируемые логические контроллеры SIMATIC S7-300 (2), модули блоков питания (PS), сигнальные модули (SM), коммутационные процессоры (CP) для подключения к сети PROFIBUS;

·        аварийная панель оператора SIEMENS MP370 (1);

·        промышленные компьютеры для станций оператора (OS) и инжиниринговой станции (ES) (3);

·        промышленная сеть PROFIBUS DP для связи контроллеров с АРМ.

2.2 Отчет о выполненной работе


Обоснование выбора наиболее рационального варианта концепции и описание предлагаемой АСУТП

Предлагаемый вариант является единственным и заведомо наиболее рациональным.

Системы РСУ и ПАЗ реализованы на независимых друг от друга ПЛК S7-300. Система РСУ имеет: 7 аналоговых входных сигналов и 3 аналоговых выходных сигнала. Система ПАЗ имеет: 7 дискретных входных сигналов и 8 дискретных выходных сигналов.

На самом нижнем уровне расположены полевые устройства (КИП и исполнительные механизмы). Поскольку полевые устройства не требуют сложной диагностики либо диагностики в реальном времени, решено было отказаться от внедрения интерфейса PROFIBUS PA на полевом уровне. Передача сигнала ПЛК и ИМ (здесь это ток 4-20 мА) происходит по обыкновенным проводам.

На уровне УСО (устройств связи с объектом) расположены контролеры S7-300. Они монтируются в шкаф оборудования на профильные шины (Rack). Контроллеры имеют коммутационные процессоры CP 342-5 для подключения к сети PROFIBUS DP. Контроллер РСУ является ведомым устройством кольцевой сети PROFIBUS DP.

На верхнем уровне, в операторной располагаются две станции оператора (СОТ или OS), инженерная станция (ES) и аварийная панель MP370.

Ожидаемые результаты и эффективность реализации выбранного варианта концепции АСУТП

·    повышение надежности работы оборудования, снижение риска тяжелых аварий;

·        обеспечение автоматизированного эффективного управления технологическими процессами в нормальных, переходных, предаварийных и аварийных режимах работы;

·        защита технологического оборудования и обслуживающего персонала при угрозе аварии;

·        улучшение условий труда эксплуатационного персонала;

·        снижение затрат на эксплуатацию, диагностику и ремонт оборудования;

·        возможно сокращение количества эксплуатационного персонала установки, откуда следует снижение затрат на оплату труда;

·        засчет снижения погрешности измерительных цепей, обеспечивается более точный учет исходного сырья и конечных продуктов;

·        повышение экологичности технологического процесса, в соответствии с международными стандартами об охране окружающей среды.

Ориентировочный план реализации выбранного варианта построения АСУТП

) Замена старых МСКУ контроллерами SIEMENS S7-300, установка панели MP370.

) Замена старых промышленных компьютеров новыми моделями;

) Монтаж сигнализаторов уровня, замена датчиков давления, температуры. Для этого потребуется останов процесса.

Оценка затрат на реализацию проекта создания АСУТП

Оценим примерные затраты на оборудование (не включая промышленные компьютеры для ES и OS):

·    кабель PROFIBUS FC, стандартный - цена 1 евро за 1 метр. Для АСУТП потребуется приблизительно 400 м.

·        штекера RS485 - цена 48 евро за 1 шт. Потребуется 12 шт.

·        датчик перепада давления Yokogawa EJX118A - цена 840 евро.

·        датчик давления Yokogawa EJA430A -280 евро.

·        нормирующий преобразователь YTA70 -150 евро.

·        термопара - 100 евро.

·        ПЛК SIMATIC S7-300: блок питания (PS 307) - 100 евро, центральный процессор (CPU 312) - 300 евро, коммуникационный процессор (CP 342-5) - 700 евро, модуль ввода-вывода дискретных сигналов (SM 323) - 200 евро; модуль ввода аналоговых сигналов (SM 331) - 380 евро, модуль вывода аналоговых сигналов (SM 332) - 450 евро.

·        панель оператора SIEMENS MP370 - цена 4000 евро.

·        прочие неучтенные расходы - примем 2000 евро.

Таким образом, общая сумма затрат на оборудование составит 10876 евро.

3. Техническое задание

 

Разработка и утверждение технического задания на создание АС

Техническое задание на АСУТП разрабатывается по ГОСТ 34.602-89 и содержит следующие разделы:

. Общие сведения

.1. Полное наименование Системы

.3. Наименование Организаций - разработчиков, проектировщиков, заказчика, и их реквизиты

.4. Перечень документов, на основании которых создается Система

.5. Сроки выполнения работ

.6. Источники и порядок финансирования

.7. Порядок оформления и предъявления заказчику результатов работы

. Назначение и цели создания Системы

.1. Назначение Системы

.2. Цели создания Системы

. Характеристика объекта автоматизации

. Требования к Системе

.1. Требования к Системе в целом

.1.1. Требования к структуре и функционированию Системы

.1.2. Требования к численности и квалификации персонала

.1.3. Требования к показателям назначения

.1.4. Требования к надёжности

.1.5. Требования безопасности

.1.6. Требования по эргономике и технической эстетике

.1.7. Требования к эксплуатации, техническому обслуживанию, ремонту и хранению

.1.8. Требования к защите информации от несанкционированного доступа

.1.9. Требования по сохранности информации при авариях

.1.10. Требования к средствам защиты от внешних воздействий

.1.11. Требования к патентной чистоте

.1.12. Требования по стандартизации и унификации

.1.13. Дополнительные требования

.2. Требования к функциям, реализуемым Системой

.2.1. Перечень задач РСУ и требования к качеству их выполнения

.2.2. Перечень и критерии отказов для каждой функции РСУ

.2.3. Перечень задач системы ПАЗ

.2.4. Перечень и критерии отказов для каждой функции системы ПАЗ

.3. Требования к видам Обеспечения

.3.1. Требования к Прикладному программному обеспечению

.3.2. Требования к Информационному обеспечению

.3.3. Требования к Лингвистическому обеспечению

.3.4. Требования к Стандартному программному обеспечению

.3.5. Требования к Техническому обеспечению

.3.6. Требования к Метрологическому обеспечению

.3.7. Требования к Организационному обеспечению

. Состав и содержание работ по созданию АСУТП

.1. Первое организационное совещание

.2. Обработка исходных данных

.3. Разработка Технического проекта

.4. Рассмотрение Технического проекта

.5. Конфигурация функций контроля и управления

.6. Конфигурация функций представления информации

.7. Приемка Рабочего проекта

.8. Шефмонтаж и пусконаладка

.9. Пуск АСУТП в эксплуатацию

.10. Гарантийный срок

. Порядок контроля и приемки

. Требования к составу и содержанию работ по подготовке объекта к вводу АСУТП в действие

. Требования к документированию

. Источники разработки

. СОСТАВЛЕНО

. СОГЛАСОВАНО

4. Технорабочий проект


ФСА представлена на рис. 1.

Структура предлагаемой АСУТП представлена на рис. 2.

Сигналы входящие/выходящие:

·    аналоговые входные: уровень в колонне, уровень в емкости, температура низа колонны, температура сырья, температура верха колонны, расход сырья, давление в колонне (количество: 7)

·        аналоговые выходные: задвижки на сырье, на дистиллят, сигнал на насос Н-17 (количество: 3)

·        дискретные сигналы: максимальное давление в колонне, минимальный/ максимальный уровень в емкости, максимальный/ минимальный уровень в колонне, минимальный/максимальный уровень в рибойлере, сигнализация световая/звуковая на давление в колонне, на уровни в емкости, колонне рибойлере (количество: 7).



Рисунок 2 - Структура АСУТП

На полевом уровне расположены датчики и исполнительные механизмы, осуществляющие связь между АСУ ТП и технологическим процессом.

На нижнем уровне контроллеры АСУ ТП выполняют измерение параметров технологического процесса и управляют его протеканием. Передают, через коммуникационный сервер сетевого уровня, информацию на верхний уровень.

На верхнем уровне расположены операторские станции и сервер системы. На сервере системы располагается вся архивная информация, база данных ПО контроллеров. На операторских станциях отображается мнемосхема объекта, со всеми текущими, измеренными параметрами и оператор ведёт технологический процесс, имея всю нужную информацию на экране монитора.

В случае необходимости, основные параметры технологического процесса могут передаваться в центральную диспетчерскую, головной офис, через АСДУ по радиоканалу или телефонной линии.

Таблица 2 - Перечень технологических параметров, которые измеряются и регулируются и перечень сигнализаций и блокировок технологических параметров

Наиме-нование оборудования

Крити- ческий параметр

Величина устанавливаемого предела

Блокировка

Сигнализация

Операция по отключению, включению, переключению и другому воздействию





min

max

min

max

min

max


1

2

3

4

5

6

7

8

9

10

11

1

Давление PICAH 215

Колонна К-4

10,5 кгс/см2


8,9 кгс/см2 (0,89 МПа)




9,0 кгс/см2 (0,9 МПа)

Свет, звук

2

Уровень LICAHL 407 (LICAHL 408)

Рибойлер Т-1 (Т-1а)


21%

79%



20%

80%

Свет, звук

 3

Уровень LICAHL 416

Емкость Е-3


21%

79%



20%

80%

Свет, звук

4

Уровень LALL 457

Емкость Е-3


11%


10%


10%


Свет, звук. Остановка насоса Н-17 (Н-19)


Описание автоматических функций управления и защиты

Система ПАЗ предусматривает:

·    аварийную сигнализацию - оповещением оператора зажжением соответствующей надписи на экране мнемосхемы.

·        автоматическую блокировку позиционера;

·        предусматривается также ручная блокировка всех трех позиционеров (для этого введено специальное меню на мнемосхеме);

·        приблизительный вариант программы ПЛК ПАЗ представлен ниже. В программе использовано 2 типа блоков: блоки сравнения (CMP) и блоки установки дискретной переменной (S).

Создание программы ПЛК ПАЗ в Step 7




5. Ввод в действие


Стадия ввод в действие предполагает проведение следующих этапов работ:

·        Подготовка объекта автоматизации к вводу АСУ ТП в действие -

проводят работы по организационной подготовке объекта автоматизации к вводу АСУ ТП в действие, в том числе: реализацию проектных решений по организационной структуре АСУ ТП; обеспечение подразделений объекта управления инструктивно-методическими материалами; внедрение классификаторов информации;

·        Подготовка персонала - проводят обучение персонала и проверку его способности обеспечить функционирование АСУ ТП;

·        Комплектация АСУ ТП поставляемыми изделиями - программными и техническими средствами, программно-техническими комплексами, информационными изделиями;

·        Пусконаладочные работы - проводят автономную наладку технических и программных средств, загрузку информации в базу данных и проверку системы её ведения; комплексную наладку всех средств системы;

·        Проведение предварительных испытаний:

а) испытания АСУ ТП на работоспособность и соответствие техническому заданию в соответствии с программой и методикой предварительных испытаний;

б) устранение неисправностей и внесение изменений в документацию на АСУ ТП, в том числе эксплуатационную в соответствии с протоколом испытаний;

в) оформление акта о приёмке АСУ ТП в опытную эксплуатацию;

·        Проведение опытной эксплуатации - проводят: опытную эксплуатацию АСУ ТП; анализ результатов опытной эксплуатации АСУ ТП; доработку (при необходимости) программного обеспечения АСУ ТП; дополнительную наладку (при необходимости) технических средств АСУ ТП; оформление акта о завершении опытной эксплуатации;

·        Проведение приемочных испытаний:

а) испытания на соответствие техническому заданию в соответствии с программой и методикой приёмочных испытаний;

б) анализ результатов испытания АСУ ТП и устранение недостатков, выявленных при испытаниях;

в) оформление акта о приёмке АСУ ТП в постоянную эксплуатацию.

Заключение


Разработана концепция, архитектура АСУ ТП колонны К-4 стабилизации бензина установки АВТ-4 ООО «Новоуфимский НПЗ». Выбраны средства автоматизации фирмы SIEMENS. Составлена мнемосхема в SCADA-пакете WinCC. Составлена программа работы аварийной сигнализации и блокировки в пакете программирования ПЛК SIMATIC STEP 7. Разработанная АСУТП является современной, надежной, функциональной, удобной, и рассматривается как хорошая замена предыдущей АСУТП данного объекта.

Изучены стадии создания АС по ГОСТ 34.601-90.

Литература


1.      Анищенко, В.С. Динамические системы / В.С. Анищенко // Соросовский образовательный журнал. - 2009. - №11. - М. - С. 77--84

.        Васильков, Ю.В. Компьютерные технологии моделирования: учеб. пособие / Ю. В. Васильков - М.: Финансы и статистика, 2010. - 256 с.

.        Введение в математическое моделирование: учебное пособие / под ред. П.В. Трусова; рецензенты: А.Р. Абдулаев, В. П. Матвиенко; Министерство образования РФ.- М.: Логос, 2004.- 440 с..

.        Данилов, Ю.А. Лекции по нелинейной динамике. Элементарное введение: учеб. пособие / Ю.А. Данилов.; - 2-е изд. - М.: КомКнига, 2011. - 208 с.

.        Новик, И.Б. О философских вопросах кибернетического моделирования / И.Б. Новик - М.: Знание, 2010.

Похожие работы на - Разработка интегрированной системы проектирования и управления колонны К-4 установки АВТ-4

 

Не нашли материал для своей работы?
Поможем написать уникальную работу
Без плагиата!
Без нейросетей!