|
Направление
базирования
|
Варианты
баз
|
Тип
приспособления
|
Погрешность
установки (мм)
|
№
операций и заданная точность размеров и радиальных биений
|
|
|
|
|
005/12
|
010/12
|
015/12
|
020/10
|
025/14
|
030/14
|
035
|
040
|
|
1.
|
2.
|
3.
|
4.
|
5.
|
6.
|
7.
|
8.
|
9.
|
10.
|
11.
|
12.
|
|
осевое
|
8
|
3-х
кулачковый патрон
|
0,08
|
8
|
|
|
|
|
|
|
|
|
12
|
|
0,08
|
12
|
|
|
|
|
|
|
|
|
5
|
3-х
кулачковый патрон
|
0,08
|
|
5
|
5
|
|
|
|
|
|
|
2
|
|
0,08
|
|
2
|
2
|
|
|
|
|
|
|
7
|
Патрон
|
0,07
|
|
|
|
7
|
7
|
7
|
|
|
|
10
|
|
0,07
|
|
|
|
10
|
|
|
|
|
При разработке технологического процесса допуски
линейных размеров выдерживаются. Это осуществляется совмещением технологических
и измерительных баз.
Расчет линейных технологических размеров и
назначение допусков.
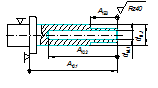
Рис. 3.2. Схема обработки золотника.
Рис. 3.3.. Граф технологических линейных
размерных цепей.
4.1 Проектирование технологической операции
.1 Обоснование содержания и структуры операции
- 1 - формообразование заготовки:
типового технологического процесса на данном
этапе является изменение заготовки с «прутка» на «штамповку». В типовом
технологическом процессе заготовка бралась из прутка. Для предлагаемого
технологического процесса данный метод заготовки не подходит вследствие
большого расхода материала (КИМ), предлагаемый метод получения заготовки -
штамповка (КГШП) наиболее приближает, для данного типа производства, форму
заготовки.
- 2 - подготовка черновых баз:
Данный этап не соответствует типовому
технологическому процессу. Введение нового этапа в разрабатываемый
технологический процесс. После изменения заготовки несколько ухудшилось
качество поверхностей, в том числе и поверхностей используемых для базирования.
Также появилось коробления поверхностей, что также неблагоприятно сказывается
на точности обработку. Для улучшения установочной базы на последующей операции
и как следствие обеспечения необходимой точности и повышения качества на
последующих обработках была введена данная операция.
- 3 - предварительная обработка детали:
Данный этап не соответствует типовому
технологическому процессу. На данном этапе происходит черновая обработка детали
и предварительное формообразование детали. В отличие от типового
технологического процесса данную деталь на данном этапе невозможно будет
обработать за одну операцию с обеспечением заданной по чертежу точности.
Вследствие этого операция 015 - токарная была разбита на 2 операции.
- 4 - формообразование детали, повышение
качества поверхностей:
Данный этап не соответствует типовому
технологическому процессу вследствие разъединения операции для повышения
требуемого качества и необходимой точности согласно чертежу детали.
- 5 - окончательное формообразование
детали;
Данный этап не соответствует типовому
технологическому процессу. В предлагаемый технологический процесс были введены
дополнительные переходы согласно требованиям чертежа.
- 6 - обеспечение требований чертежа:
Данный этап не соответствует типовому
технологическому процессу. Данный этап заключается во введении дополнительной
операции вследствие изменения конструкции детали.
- 7 - обеспечение требований чертежа:
Данный этап не соответствует типовому
технологическому процессу. Данный этап заключается во введении дополнительной
операции вследствие изменения конструкции детали.
- 8 - упрочнение и коррозионная защита
детали:
Данный этап не соответствует типовому
технологическому процессу. В типовом технологическом процессе данный этап
располагается в конце технологического процесса, что нежелательно для детали
«золотник». В детали «золотник», необходимо наносить покрытие с обеспечением
шероховатости Rа1,6, т.е. до
финишных операций (шлифования).
- 9 - обеспечение требований чертежа:
Данный этап соответствует предлагаемому
технологическому процессу.
4.2 Расчет режимов резания, технических норм
времени, определение разряда работ
Расчет режимов резания для операции 005
Рис. 4.1. Эскиз операции 005 - токарной.
.3 Расчет режимов резания для продольного
точения (d5.1) Ø18
Глубина резания, t:
при черновом точении и отсутствии ограничений по мощности оборудования,
жесткости системы СПИД принимается равной припуску на обработку.
t = 1 мм.
Подача для черного точения:
Sтабл = 0,3¸0,4
мм/об (табл.11,стр266) [2];
Принимаем Sприн
= 0,4 мм/об.
Скорость резания при наружном продольном и
поперечном точении и растачивании, в м/мин, рассчитывают по формуле:
Vрасч =
×Kv,
Где Cv = 350; x = 0,15; y = 0,35; m = 0,2
(табл. 17, стр. 269) [2];
Т - период стойкости инструмента, =
30мин;
S - подача,
= 0,4;
Kv =
Kmv×Knv×Kиv,
гдеKmv -
коэффициент, учитывающий влияние материала заготовки (табл. 1-4, стр. 261) [2],
определяется по формуле:
Kmv = Kr×
,
гдеsв - предел прочности обрабатываемого материала =
760 мПа;
Kr -
коэффициент для материала инструмента = 1,0;
n -
показатель степени при обработке резцами = 1,0
Kmv = 1,0×
= 0,98
Knv -
коэффициент учитывающий состояние поверхности, = 0,8 (табл. 5, стр. 263) [2];
Kиv -
коэффициент учитывающий влияние материала инструмента, = 1,0 (табл. 6, стр.
263) [2].
Kv = 0,98 ×
0,8 × 0,65 = 0,5096
Vрасч =
× 0,5096 =
112,4 м/мин
- Частота вращения шпинделя или заготовки, в
об/мин, определяется по формуле:
nрасч =
=
= 1988,67
об/мин
По паспорту станка выбираем nприн = 1800 об/мин.
Корректируем скорость резания вследствие
изменения частоты вращения шпинделя:
Vприн =
=
= 101,79
м/мин
Силу резания, в Н, определяют по
формуле:
Pz,y,x
= 10×Cp×tx×Sy×Vn×Kp,
где(Pz)
Сp = 300; x
= 1,0; y = 0,75; n
= -0,15; (табл. 22, стр. 273) [2];
(Py)
Сp = 243; x
= 0,9; y = 0,6; n
= -0,3; (табл. 22, стр. 273) [2];
(Px)
Сp = 339; x
= 1,0; y = 0,5; n
= -0,4; (табл. 22, стр. 273) [2];
Поправочный коэффициент Кр, определяется по
формуле:
Kp = Kmp
× Kφp × Kγp
× Kλp × Krp
,
гдеКмр - коэффициент, учитывающий влияние
качества обрабатываемого материала на силовые зависимости, определяется по
формуле (табл. 9, стр. 264) [2]:
Kmp =
,
гдеsв - предел прочности материала, = 760 мПа;
n -
показатель степени для твердого сплава, = 0,75
Kmp =
= 1
Кφр = 1,0(Pz); = 1,0(Py); = 1,0(Px); (табл.
23, стр. 275) [2];
Кγр = 1,0(Pz); = 1,0(Py); = 1,0(Px); (табл.
23, стр. 275) [2];
Кλр = 1,0(Pz); = 1,0(Py); = 1,0(Px); (табл.
23, стр. 275) [2];
Кrр = 0,93(Pz); = 0,82(Py); = 1,0(Px); (табл.
23, стр. 275) [2];
Kp(Pz) = 1 ×
1× 1 × 1 × 0,93 = 0,93
Kp(Py) = 1× 1
× 1 × 0,82 = 0,82
Kp(Px) = 1× 1
× 1 × 1 = 1
Pz = 10 ×
300 × 11,0 × 0,40,75 × 101,79 -0,15 × 0,93 = 701,44 Н
Py = 10 ×
243 × 10,9 × 0,40,6 × 101,79 -0,3 × 0,82 = 287,31 Н
Px = 10 ×
339 × 11,0 × 0,40,5 × 101,79 -0,4 × 1 = 337,4 Н
Мощность резания, кВт,
рассчитывается по формуле:
Nрез =
,
Nрез =
= 1,17 кВт
- Проверка требуемой мощности электродвигателя:
Nэд =
,
гдеК1 - коэффициент использования
станков по мощности, » 0,8;
К2 - коэффициент перегрузки, » 1,25;
h
- КПД привода, » 0,7¸0,75.
Nэд =
= 0,9984
кВт
Т.к. по паспарту станка 1А616 Nэл = 4 кВт,
то данные режимы резанья удовлетворяют требованиям для продольного точения.
- Основное машинное время для токарных работ
(обтачивание и растачивание цилиндрических поверхностей), в мин, определяется
по формуле:
То =
× i,
гдеi - число
проходов инструмента, = 1
L - расчетная
длина рабочего хода инструмента, принимаемая для определения основного
(технологического) времени, в мин, определяется по формуле:
L = l + l1 + l2,
гдеl - длина
обрабатываемой поверхности, в мм. = А5.1;
l1 - величина
врезания инструмента, в мм. (стр.620, табл.2) [7] = 2;
l2 - величина
перебега инструмента (при точении в упор = 0), в мм..
L = 19,37 + 2
= 21,37 мм.
То =
× 1 = 0,033 мин.
.4 Расчет режимов резания для поперечного
точения (А5.1) Ø18
t = 0,83 мм -
выбираем из расчета (Z5.1).
Подача для черного точения:
Sтабл = 0,3¸0,4
мм/об (табл. 11, стр. 266) [2];
Принимаем Sприн
= 0,4 мм/об.
Скорость резания при наружном продольном и
поперечном точении и растачивании, в м/мин, рассчитывают по формуле:
Vрасч =
×Kv,
Kv = Kmv×Knv×KиvKv = 0,98 ×
0,8 × 0,65
= 0,5096
Vрасч =
× 0,5096 =
115,59 м/мин
- Частота вращения шпинделя или заготовки, в
об/мин, определяется по формуле:
nрасч =
=
= 1870,42
об/мин
По паспорту станка выбираем nприн = 1800 об/мин.
Корректируем скорость резания вследствие
изменения частоты вращения шпинделя:
Vприн =
=
= 101,79
м/мин
Силу резания, в Н, определяют по
формуле:
Pz,y,x
= 10×Cp×tx×Sy×Vn×Kp,
Поправочный коэффициент Кр, определяется по
формуле:
Kp = Kmp
× Kφp × Kγp
× Kλp × Krp
,
Kp(Pz)
= 1 × 1× 1 × 1 × 0,93 = 0,93
Kp(Py)
= 1× 1 × 1 × 0,82 = 0,82
Kp(Px)
= 1× 1 × 1 × 1 = 1
Pz = 10 ×
300 × 0,831,0 × 0,40,75 × 101,79 -0,15 × 0,93 = 1052,17
Н
Py = 10 ×
243 × 0,830,9 × 0,40,6 × 101,79 -0,3 × 0,82 = 413,83 Н
Px = 10 ×
339 × 0,831,0 × 0,40,5 × 101,79 -0,4 × 1 = 506,1 Н
Мощность резания, кВт, рассчитывается по
формуле:
Nрез =
,
Nрез =
= 1,75 кВт
- Проверка требуемой мощности электродвигателя:
Nэд =
= 1,493 кВт
Т.к. по паспарту станка Nэл = 4 кВт,
то данные режимы резанья удовлетворяют требованиям для поперечного точения.
- Основное машинное время для токарных работ
(точение торцевой поверхности А5.1), в мин, определяется по формуле:
То =
× i,
гдеi = 1;
L =
= 9 мм.
То =
× 1 = 0,014 мин.
4.5 Расчет режимов резания для поперечного
точения (Z5.2) Ø30
t = 0,53 мм -
выбираем из расчета.
Подача для черного точения:
Sтабл = 0,3¸0,4
мм/об (табл. 11, стр. 266) [2];
Принимаем Sприн
= 0,4 мм/об.
Скорость резания при наружном продольном и
поперечном точении и растачивании, в м/мин, рассчитывают по формуле:
Vрасч =
×Kv,
Kv = 0,98 ×
0,8 × 0,65 = 0,5096
Vрасч =
× 0,5096 =
123,63 м/мин
- Частота вращения шпинделя или заготовки, в
об/мин, определяется по формуле:
nрасч =
=
= 1312,42
об/мин
По паспорту станка выбираем nприн = 1120 об/мин.
Корректируем скорость резания вследствие
изменения частоты вращения шпинделя:
Vприн =
=
= 105,4
м/мин
Силу резания, в Н, определяют по
формуле:
Pz,y,x
= 10×Cp×tx×Sy×Vn×Kp,
где(Pz)
Сp = 300; x
= 1,0; y = 0,75; n
= -0,15; (табл. 22 стр. 273) [2];
(Py)
Сp = 243; x
= 0,9; y = 0,6; n
= -0,3; (табл. 22 стр. 273) [2];
(Px)
Сp = 339; x
= 1,0; y = 0,5; n
= -0,4; (табл. 22 стр. 273) [2];
Поправочный коэффициент Кр, определяется по
формуле:
Kp = Kmp
× Kφp × Kγp
× Kλp × Krp
,
Кφр
= 1,0(Pz); = 1,0(Py);
= 1,0(Px); (табл. 23
стр. 275) [2];
Кγр
= 1,0(Pz); = 1,0(Py);
= 1,0(Px); (табл. 23
стр. 275) [2];
Кλр
= 1,0(Pz); = 1,0(Py);
= 1,0(Px); (табл. 23
стр. 275) [2];
Кrр
= 0,93(Pz); = 0,82(Py);
= 1,0(Px); (табл. 23
стр. 275) [2];
Kp(Pz)
= 1 × 1× 1 × 1 × 0,93 = 0,93
Kp(Py)
= 1× 1 × 1 × 0,82 = 0,82
Kp(Px)
= 1× 1 × 1 × 1 = 1
Pz = 10 ×
300 × 0,531,0 × 0,40,75 × 105,4-0,15 × 0,93 = 148,44 Н
Py = 10 ×
243 × 0,530,9 × 0,40,6 × 105,4-0,3 × 0,82 = 68,04
Н
Px = 10 ×
339 × 0,531,0 × 0,40,5 × 105,4-0,4 × 1 = 66,93 Н
Мощность резания, кВт, рассчитывается по
формуле:
Nрез =
,
Nрез =
= 0,32 кВт
- Проверка требуемой мощности электродвигателя:
Nэд =
= 0,27 кВт
Т.к. по паспарту станка Nэл = 4 кВт,
то данные режимы резанья удовлетворяют требованиям для поперечного точения.
- Основное машинное время для токарных работ
(точение торцевой поверхности А5.2), в мин, определяется по формуле:
То =
× i,
L =
=
= 6 мм.,
То =
× 1 = 0,013 мин.
Расчет технической нормы времени для операции
005.
Норма штучного времени, в мин., определяется по
формуле:
Тшт = То + Тв + То + Тот,
гдеТо - основное (машинное) время для токарной
операции 015, в мин., определяется по формуле:
То =
= 0,033 + 0,014 + 0,013 = 0,06 мин.
Тв - вспомогательное время, в мин,
состоит из из затрат времени на отдельные приемы:
Тв = Ту.с + Тз.о + Туп + Тиз,
Где Ту.с - время на установку и
снятие детали, в мин. (прил.5.1, стр.197) [8] = 0,06 мин.;
Тз.о - время на закрепление и
открепление детали, в мин. (прил.5.7, стр.201) [8] = 0,024 мин.;
Туп - время на приемы управления, в
мин. (прил.5.8, стр.202) [8] = 0,01 +0,04+0,025 = 0,075 мин.;
Тиз - время на измерение детали, в
мин. (прил.5.12(5.15), стр.197(209)) [8] = 0,03 + 0,16 = 0,19 мин.
Тв = 0,06 + 0,024 + 0,075 + 0,19 =
0,349 мин.
Тоб - время на обслуживание рабочего
места, в мин, слагается из времени на организационное обслуживание:
Тоб = Ттех + Торг,
гдеТтех - время на техническое
обслуживание рабочего места, в мин. определяется по следующей формуле:
Ттех = Тo × Птех / Т,
Где Птех - затраты на техническое
обслуживание рабочего места в процентах от основного, в % = 4% (прил.5.20,
стр.212) [8];
Т - период стойкости при работе
одним инструментом, в мин.
Ттех = 0,06 × 4 / 50 =
0,048 мин.
Торг - время на организационное
обслуживание рабочего места, в мин, определяется как:
Торг = Тoп × Порг,
гдеТоп - оперативное время,
находится как сумма основного и вспомогательного времени, в мин.;
Порг - затраты на организационное
обслуживание рабочего места, в % = 4% (прил.5.21, стр.212) [8] = 1,4%.
Торг = (0,06 + 0,349) × 1,4% =
0,0058 мин.
Тоб = 0,048 + 0,0058 = 0,0538 мин.
Тот - время перерывов на отдых и
личные надобности, в мин, при нормировании находится:
Тот = Тoп × Пот,
Где Пот - затраты времени на отдых,
в %, (прил.5.22, стр.213) [8] = 6%.
Тот = 0,409 × 6% =
0,024 мин.
Тшт = 0,06 + 0,349 + 0,0538 + 0,024
= 0,4868 мин.
Расчет режимов резания для операции
025.
Рис. 4.2. Эскиз операции 025 - сверлильной.
Глубина резания t,
мм, определяется по формуле:
t = 0,5×D,
гдеD
- диаметр отверстия, мм.
t = 0,5×8 =4 мм
Выбираем максимально допустимую по прочности
сверла подачу (табл.25, стр.277);
S = 0,25 мм/об (по
паспорту станка S = 0,25
мм/об)
Скорость резания V,
мм, определяется по формуле:
V =
,
Где Cv = 9,8; q = 0,4; y = 0,5; m = 0,2
(табл.28, стр.278);
Т - период стойкости, мин Т = 25
(табл.30, стр.279);
Kv - общий
поправочный коэффициент на скорость резания.
Kv = Kmv×Kиv×Klv,
Где Kmv -
коэффициент на обрабатываемый материал, 0,98 (табл.2, стр.262);
Kиv -
коэффициент на инструментальный материал, 0,8 (табл.6, стр.263);
Klv -
коэффициент, учитывающий глубину резания, 1 (табл.31, стр.280).
Kv = 0,98 ×
0,8 × 1 = 0,5096
V =
= 26,11
м/мин
- Частота вращения инструмента, в об/мин,
определяется по формуле:
nрасч =
=
= 1039,42
об/мин
По паспорту станка выбираем nприн = 750 об/мин.
Корректируем скорость резания вследствие
изменения частоты вращения шпинделя:
Vприн =
=
= 27,632
м/мин
Крутящий момент Мкр, в Н·м и осевая сила Ро, в
Н, определяются по формулам:
Мкр = 10×См×Dq×Sy×Кр,
Ро = 10×Ср×Dq×Sy×Кр
,
гдеСм = 0,0345; q
= 2; y = 0,8 (табл.32,
стр.281);
Ср = 68; q
= 1,0; y = 0,7 (табл.32,
стр.281);
Кр - коэффициент, учитывающий фактические
условия обработки; Кр = Кмр,
Где Кмр - поправочный коэффициент, учитывающий
влияния качества обрабатываемого материала на силовые зависимости:
Кмр =
,
гдеσв - предел
прочности обрабатываемого материала , 760 мПа;
n -
показатель степени, = 0,75 (табл. 9 стр. 264).
Kmp =
= 1
Мкр = 10×0,0345×82×0,250,8×1
= 5,7 Н·м,
Мощность резания Ne, к Вт,
определяется по формуле:
Ne =
=
= 0,64 кВт.
- Проверка требуемой мощности электродвигателя:
Nэд =
= 0,55 кВт
Т.к. по паспарту станка (2Н118) Nэл = 1,5
кВт, то данные режимы резанья удовлетворяют требованиям для поперечного
точения.
Расчет технической нормы времени для операции
045.
Норма штучного времени, в мин., определяется по
формуле:
Тшт = То + Тв + То + Тот,
Где То - основное (машинное) время для
сверлильных работ (сверление напроход), в мин, определяется по формуле:
То =
× i,
гдеi - число
проходов инструмента, = 1
L - расчетная
длина рабочего хода инструмента, принимаемая для определения основного
(технологического) времени, в мин, определяется по формуле:
L = l + l1 + l2,
гдеl - длина обрабатываемой
поверхности, в мм.;
l1 + l2 -
(стр.620, табл.3) [7] = 5;
L = 18 + 5 =
23 мм.
То =
× 1 = 0,123 мин.
Тв - вспомогательное время, в мин,
состоит из из затрат времени на отдельные приемы:
Тв = Ту.с + Тз.о + Туп + Тиз,
Где Ту.с - время на установку и
снятие детали, в мин. (прил.5.6, стр.199) [8] = 0,068 мин.;
Тз.о - время на закрепление и
открепление детали, в мин. (прил.5.7, стр.201) [8] = 0,03 мин.;
Туп - время на приемы управления, в
мин. (прил.5.8, стр.202) [8] = 0,01 +0,035+0,05+0,01 = 0,105 мин.;
Тиз - время на измерение детали, в
мин. (прил.5.12, стр.197) [8] = 0,06 мин.
Тв = 0,068 + 0,03 + 0,105 + 0,06 =
0,263 мин.
Тоб - время на обслуживание рабочего
места, в мин, слагается из времени на организационное обслуживание:
Тоб = Ттех + Торг,
гдеТтех - время на техническое
обслуживание рабочего места, в мин. определяется по следующей формуле:
Ттех = Тo × Птех / Т,
гдеПтех - затраты на техническое
обслуживание рабочего места в процентах от основного, в % = 4% (прил.5.20,
стр.212) [8];
Т - период стойкости при работе
одним инструментом, в мин.
Ттех = 0,123 × 4 / 50 = 0,01 мин.
Торг - время на организационное
обслуживание рабочего места, в мин, определяется как:
Торг = Тoп × Порг,
гдеТоп - оперативное время,
находится как сумма основного и вспомогательного времени, в мин.;
Порг - затраты на организационное
обслуживание рабочего места, в %
Торг = (0,123 + 0,263) × 1% =
0,0037 мин.
Тоб = 0,01 + 0,0037 = 0,0137 мин.
Тот - время перерывов на отдых и
личные надобности, в мин, при нормировании находится:
Тот = Тoп × Пот,
Где Пот - затраты времени на отдых,
в %, (прил.5.22, стр.213) [8] = 7%.
Тот = 0,386 × 7% =
0,027 мин.
Тшт = 0,123 + 0,263 + 0,0137 + 0,027
= 0,427 мин.
Список используемой литературы
1. Справочник
технолога-машиностроителя /Под ред. А.Г.Косиловой и Р.К.Мещярекова. 4-е изд.,
перераб. и доп. М.: Машиностроение, 1985. - Т.1. - 656с.
2. Справочник
технолога-машиностроителя /Под ред. А.Г.Косиловой и Р.К.Мещярекова. 4-е изд.,
перераб. и доп. М.: Машиностроение, 1985. - Т.2. - 496с.
. Справочник
конструктора-машиностроителя /Под ред. В.И.Анурьева. 5-е изд., перераб. и доп.
- М.: Машиностроение, 1979. - 728 с.
. Справочник
конструктора-машиностроителя /Под ред. В.И.Анурьева. 6-е изд., перераб. и доп.
- М.: Машиностроение, 1982. - 584 с.
. Справочник
конструктора-машиностроителя /Под ред. В.И.Анурьева. 5-е изд., перераб. и доп.
- М.: Машиностроение, 1978. - 557 с.
. ГОСТ 7505-89. Поковки
стальные штампованные. Москва - 1990г
. Обработка металлов резанием
/Под ред. А.А.Панова. - М.: Машиностроение. 1988. - 736 с.: ил.
. Курсовое проектирование по
технологии машиностроения: [Учеб. пособие для машиностроит. спец. вузов]. /Под
ред. А.Ф.Горбацевича., В.А.Шкреда. - 4-е изд., перераб. и доп. - Мн.: Выш.
школа, 1983. - 256 с., ил.
. Технология металлов и
других конструкционных материалов /Под ред. Н.П.Дубинина. 2-е изд., перераб. и
доп. Учебник для машиностроит. специальностей вузов. М., «Высшая школа», 1969
г. - 704 стр.: ил.
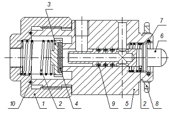
. Приспособления для
металлорежущих станков /Под ред. М.А.Ансерова. 4-е изд., исправл. и доп. Л.,
«Машиностроение», 1975 г. - 656 с.
Приложение 1
Таблица 1. Исходные данные для расчета
межоперационных технологических размеров
|
Характеристика
операции
|
Допуск
|
Припуск,
мм
|
|
№
|
Содержание
|
Обозначение
размера
|
Точностьт(JT)
|
Ориен.
величина р-ра, мм
|
Допуск
раз-ра, мм
|
Доминир.
погрешность., мм
|
Качество
поверхности
|
Припуски
|
|
|
|
|
|
|
|
Rz
|
Ток.
|
Обозначение
припуска
|
Величина
припуска
|
|
1
|
2
|
3
|
4
|
5
|
6
|
7
|
8
|
9
|
10
|
11
|
|
000
|
Заготовительная
|
А0.1
|
-
|
75
|
0,9
|
-
|
0,08
|
0,15
|
-
|
|
|
|
А0.2
|
-
|
20
|
0,8
|
-
|
0,08
|
0,15
|
-
|
-
|
|
|
А0.3
|
-
|
5
|
0,8
|
-
|
0,08
|
0,15
|
-
|
-
|
|
005
|
Токарная
|
А5.1
|
12
|
25
|
0,21
|
0,5
|
0,05
|
0,05
|
Z5.1
|
0,23
|
|
|
А5.2
|
12
|
20
|
0,21
|
-
|
0,05
|
0,05
|
Z5.2
|
0,23
|
|
010
|
Токарная
|
А10.1
|
12
|
80
|
0,3
|
-
|
0,05
|
0,05
|
Z10.1
|
0,23
|
|
015
|
Токарная
|
А15.1
|
10
|
80
|
0,12
|
-
|
0,01
|
0,025
|
Z15.1
|
0,10
|
|
|
А15.2
|
12
|
75
|
0,3
|
-
|
0,04
|
0,05
|
Z15.2
|
0,23
|
|
020
|
Токарная
|
А20.1
|
10
|
25
|
0,084
|
-
|
0,04
|
0,05
|
Z20.1
|
0,10
|
|
|
А20.2
|
10
|
20
|
0,084
|
-
|
0,04
|
0,05
|
Z20.2
|
0,10
|
Приложение 2
Таблица 1. Ожидаемая погрешность и уравнение
замыкающих звеньев для расчета линейных размеров
|
Замык.
Звенья (символы)
|
Погреш.
зам. звена
|
Заданные
значения S, z, в мм
|
Уравнение
контура размерной цепи замыкающего звена
|
Порядок
расчета размера
|
|
|
ном
|
min
|
max
|
|
|
|
S1
|
0,3
|
75±0,15
|
74,85
|
75,15
|
S1 - А15.
2 = 0
|
1
|
|
S2
|
0,384
|
100-0,87
|
99,13
|
100
|
S2 - А15.2
- А20.1
= 0
|
2
|
|
S3
|
0,168
|
5-0,3
|
4,7
|
5
|
S3 - А20.1 + А20.2 = 0
|
3
|
|
Z5.1
|
-
|
-
|
0,23
|
|
Z5.1 + А5.1 - А0.3 - А0.2 =
0
|
9
|
|
Z5.2
|
-
|
-
|
0,23
|
|
Z5.2 - А5.2 + А5.1 - А0.3 =
0
|
8
|
|
Z10.1
|
-
|
-
|
0,23
|
|
Z10.1 - А0.1 + А0.3 - А5.1 +
A5.2 + A10.1= 0
|
10
|
|
Z15.1
|
-
|
-
|
0,1
|
|
Z15.1 - А10.1 + А15.1 = 0
|
5
|
|
Z15.2
|
-
|
-
|
0,23
|
|
Z15.2 - А5.1 + А5.2 + А15.1
- A15.2 = 0
|
7
|
|
Z20.1
|
-
|
-
|
0,1
|
|
Z20.1 + А20.1 + А15.2 -
А15.1 - A5.2 = 0
|
6
|
|
Z20.2
|
-
|
-
|
0,1
|
|
Z20.2 - А20.2 + А20.1 +
А15.2 - A15.1= 0
|
4
|
Приложение 3
Таблица 1. Расчет и проверка линейных
технологических размеров
|
Расчет
|
Проверка
|
Принятый
технологич. размер, мм
|
|
Расчетный
размер
|
Уравнение
для расчета размера
|
Размер
с допуском
|
Уравнение
размерной цепи для проверки
|
Проверяемый
размер
|
|
|
№
|
Символ
|
Допуск
|
|
|
|
min, мм
|
max, мм
|
кор,
мм
|
|
|
1
|
А15.
2
|
+0,3
|
А15.
2 = S1 = 75
|
75+0,3
|
S1 = А15. 2 = 75+0,3
|
75
|
75,3
|
0,15
|
-
|
|
|
|
А15.
2 = 75 - 0,15 = 74,85
|
74,85+0,3
|
S1 = (75 - 0,15) = 74,85+0,3
|
74,85
|
75
|
-
|
74,85+0
|
|
2
|
А20.1
|
-0,084
|
А20.1
= S2 - А15.2
= 100 - 74,85 = 25,15
|
25,15-0,084
|
S2 = А20.1
+ А15.2 = 25,15-0,084 + 74,85+0,3= 100 99,761000,3-
|
|
|
|
|
|
|
|
А20.1
= 25 - 0,3 = 24,7
|
24,7-0,084
|
S2 = (100 - 0,3) = 99,7 99,46100-24,7-0,084
|
|
|
|
|
|
3
|
А20.2
|
+0,084
|
А20.2
= А20.1 - S3 = 24,7 -
5 = 19,7
|
19,7+0,084
|
S3 = А20.1 - А20.2 =
24,7-0,084 - 19,7+0,084 = 5-0,168
|
4,832
|
5
|
-
|
19,7+0,084
|
|
4
|
A15.1
|
-0,12
|
A15.1 = Z20.2 -
А20.2 + А20.1 + А15.2= 0,1 - 19,7 + 25,15 + 74,85 = 80,4
|
80,4-0,12
|
Z20.2 =
А20.2 - А20.1 - А15.2 + A15.1 = 19,7+0,084 -
24,7-0,084 - 74,85+0,3 + 80,4-0,12 = 0,55 0,130,718-80,4-0,12
|
|
|
|
|
|
5
|
А10.1
|
-0,3
|
А10.1
= Z15.1 +
А15.1= 0,1+ 80,4 = 80,5
|
80,5-0,3
|
Z15.1 = А10.1 - А15.1 =
80,5-0,3 -80,4-0,12 = 0,1 - 0,20,220,3-
|
|
|
|
|
|
|
|
А10.1
= 80,5 + 0,3 = 80,8
|
80,
8-0,3
|
Z15.1 = (0,1 + 0,3) = 0,4 0,10,52-80,8-0,3
|
|
|
|
|
|
6
|
A5.2
|
+0,21
|
A5.2 = Z20.1 +
А20.1 + А15.2 - А15.1=0,1+ 24,7 + 74,85 - 80,4 = 19,25+0,21
|
19,25+0,21
|
Z20.1 = A5.2 -
А20.1 - А15.2 + А15.1 = 19,25+0,21 - 24,7-0,084 - 74,85+0,3 + 80,4-0,12 =
0,1-0,12
|
-0,02
|
0,1
|
0,12
|
-
|
|
|
|
A5.2 = 19,25+0,21 + 0,12 =
19,37
|
19,37+0,21
|
Z20.1 = (0,1 + 0,12) =
0,22-0,12
|
0,1
|
0,22
|
-
|
19,37+0,21
|
|
7
|
А5.1
|
-0,71
|
А5.1
= Z15.2 +
А5.2 + А15.1 - A15.2= 0,23 + 19,37 + 80,4 - 74,85
= 25,15
|
25,15-0,71
|
Z15.2 = A15.2 -
А15.1 +А5.1 - А5.2 = 74,85+0,3 - 80,4-0,12 + 25,15-0,71 - 19,37+0,21 = 0,23 -0,690,650,92-
|
|
|
|
|
|
|
|
А5.1
= 25,15 + 0,92 = 26,07
|
26,07-0,71
|
Z15.2 = (0,23 + 0,92) = 1,15 0,231,57-26,07-0,71
|
|
|
|
|
|
8
|
А0.3
|
А0.3 = Z5.2 - А5.2
+ А5.1= 0,23 - 19,37 + 26,07 = 6,936,93 Z5.2 = А0.3
+ А5.2 - А5.1 = 6,93 +19,37+0,21
- 26,07-0,71 = 0,23 -0,071,650,3-
|
7,23 Z5.2 =
(0,23 + 0,3) = 0,53 0,231,95-7,23
|
|
|
|
|
|
|
9
|
А0.2
|
А0.2 = Z5.1 + А5.1
- А0.3= 0,23 + 26,07 - 7,23 = 19,0719,07 Z5.1 = А0.2
- А5.1 + А0.3 = 19,07 -
26,07-0,71 + 7,23 = 0,23 -0,371,940,6-
|
|
|
|
|
|
|
|
|
|
|
А0.2
= (19,07 + 0,6) = 19,67
|
19,67 Z5.1 =
(0,23 + 0,6) = 0,83 0,232,54-19,67
|
|
|
|
|
|
|
10
|
А0.1
|
А0.1 = Z10.12 +
А0.32 - А5.12 + A5.22 + A10.12) = 0,23 +
7,23 -26,07 + 19,37 + 80,8) = 81,5681,56 Z10.1 =
А0.1 - А0.3 + А5.1 - A5.2 - A10.1 =
81,56 - 7,23 +26,07-0,71
- 19,37+0,21 - 80,8-0,3 = 0,23 -1,281,641,51-
|
|
|
|
|
|
|
|
|
|
|
А0.1
= (81,56 + 1,51) = 83,07
|
83,07 Z10.1 =
(0,23 + 1,51) = 1,74 0,233,15-83,07
|
|
|
|
|
|