Производство кручёных изделий

  • Вид работы:
    Дипломная (ВКР)
  • Предмет:
    Другое
  • Язык:
    Русский
    ,
    Формат файла:
    MS Word
    2,2 Мб
  • Опубликовано:
    2015-03-22
Вы можете узнать стоимость помощи в написании студенческой работы.
Помощь в написании работы, которую точно примут!

Производство кручёных изделий

Введение

кручёный шпагат верёвочный льняной

Кручёные изделия являются неотъемлемым орудием и предметом труда человека на протяжении тысячелетий. Они были известны ещё до изобретения ткани и, тем более, трикотажных изделий. Широчайшее применение кручёные изделия имеют и до сих пор. Без верёвок, канатов, шпагатов и шнуров не представляется в настоящее время работа морского, железнодорожного и автомобильного транспорта, пищевой и лёгкой промышленности.

Для выработки кручёных изделий применяются различные виды волокон, искусственных и синтетических нитей. Но одним из широко применяемых видов сырья при изготовлении кручёных изделий являются лубяные волокна. Поэтому дисциплина "Технология и оборудование для производства кручёных изделий" входит в ряд дисциплин, изучаемых студентами специализации "Первичная переработка и прядение лубяных волокон".

Производство кручёных изделий является конечным производством, то есть производством товарной продукции. Таким образом, оборудование для данного производства не ограничивается машинами для формирования изделий, и включает в себя некоторые специфические, отделочные и упаковочные приспособления и машины.

Канатное производство развито на много больше других крутильных производств, и представлено большим разнообразием оборудования: от канатной дороги до однопроцессных машин формирования отворотных канатов двухзонным кручением. Поэтому материалы для его изучения требуют отдельной публикации.

При изучении оборудования следует обращать особое внимание на технику безопасности.

Крутильное оборудование является одним из травмоопасных так как имеют массивные быстровращающиеся рабочие органы и составляющие кручёное изделие пряди. Поэтому перед изучением каждого вида оборудования необходимо проходить инструктаж на рабочем месте.

1. Определение кручёных изделий


Кручеными называют изделия, образованные из двух или более нитей, соединенных скручиванием.

Крученое изделие может образовываться в один или несколько этапов. В зависимости от материала и числа скручиваемых на каждом этапе элементов; числа этапов, величины и направления кручения получают изделия необходимых свойств. Если нити или крученые изделия после какого то этапа кручения соединяют способом плетения, то такое готовое изделие называют плетёным.

Плетение может быть сквозным, при котором переплетаются все элементы, участвующие в образовании готового изделия, или оплеточным, при котором плетение ведется в виде кольцевого чехла, внутри которого могут быть элементы, не участвующие в данном переплетении в виде крученого, трощеного или плетеного сердечника. Свойства, которыми должно обладать изделие, зависят от его назначения.

2. Виды кручёных изделий


Крученые изделия подразделяются на пять групп: ниточные, шпагатные, верёвочные, шнуровые и канатные. На Рисунок 1 и в таблице приложения приведены схемы построения изделия каждой из этих групп. Пряжа, формируемая в процессе прядения путем скручивания волокон, так же, как мононити и филаментные синтетические нити, является первым элементом, то есть полуфабрикатом, из которого формируются кручёные (и плетёные) изделия.

В веревочном и канатном производствах их называют каболками, Однако при соответствующих параметрах выработки однониточная пряжа иногда называется готовым крученым изделием шпагатного производства: однониточным сноповязальным шпагатом, однониточным полированным шпагатом, кабельной пряжей и т. п.

Для каждого вида однониточных кручёных изделий различны параметры выработки пряжи, определяемые соответствующими техническими условиями.

Свойства кручёных изделий изменяют подбором соответствующих волокон (льняных, пеньковых, химических), параметров выработки (конструкции, толщины, величины кручения) и видов отделки.

Применение процесса плетения в производстве шнуров и канатов обусловлено необходимостью придать изделиям такие свойства, как полная равновесность, минимальные отклонения диаметра по длине изделия, высокая гибкость и эластичность.

В каждой группе изделия классифицируют по видам в зависимости от их назначения.

Кручёные (и плетёные) изделия, как разных групп, так и внутри каждой из них различаются:

по материалу (чесаный лён или очёс и короткие льняные волокна, пенька длинная и короткая, сизаль, синтетические волокна, комбинированные);

по способу изготовления пряжи или каболки (способа сухого, полусухого или мокрого прядения);

по конструкции, то есть по числу и толщине составляющих их элементов (нитей пряжи, числу прядей), последовательности и направлению их скручивания или плетения, особенностям их взаимного пространственного расположения;

по способу отделки (полированные, вощёные, смольные или бельные, консервированные, прошедшие стабилизацию для синтетических материалов) и т. п.;

по толщине, определяемой в системе текс по величине массы, приходящейся на единицу длины.

В верёвочных, канатных, шнуровых изделиях для характеристики толщины используют также размер окружности или диаметра в мм.

Техническая характеристика, особенности конструкции, материала, отделки для изделий каждого вида определяются государственными стандартами.

3. Оборудование для производства шпагата


Шпагаты, используемые в основном как изделия разового применения, изготовляют из пряжи короткого прядения, вырабатываемой из смеси пеньковых, льняных и других лубяных волокон; из вискозных комплексных и крученых нитей; из синтетических (полипропиленовых) пленочных нитей; из синтетических (лавсановых и капроновых) комплексных нитей и бумаги (рис. 1).

Однониточный шпагат из лубяных волокон представляет собой льнопеньковую пряжу с круткой на 1 м, определяемой по формуле

, (1)

где α - коэффициент крутки в системе текс (α = 123-134);

Т - линейная плотность пряжи, ктекс.

Однониточный шпагат выпускают полированным и неполированным, перемотанным в цилиндрические бобины и клубки крестовой мотки массой от 2 до 3,5 кг.

Шпагат из вискозных нитей скручивают с коэффициентом крутки α = 100-120, полируют и также перематывают в бобины или клубки.

Рисунок 1 - Структура шпагатов

Однониточный шпагат из синтетических комплексных нитей скручивают с коэффициентом крутки α = 60-80, полипропиленовые пленочные фибриллированные нити - с = 50-60. Синтетические шпагаты не полируют. Изготовление шпагата из двух и более нитей пряжи (прядей) позволяет повысить равномерность его по линейной плотности и прочности. Двухниточный шпагат обычно имеет структуру ZS, хотя возможны и другие сочетания направлений последовательных круток - ZZ или SZ. Двухниточный шпагат из лубяных волокон и вискозных нитей полируют.

Шестиниточный шпагат получают структуры ZSZ путем скручивания трех прядей, каждая из которых представляет собой отполированный двухниточный шпагат. Затем это изделие, носящее название отбойки, полируют еще раз.

Число кручений на 1 м двух- и шестиниточного шпагата определяют по формуле

 (2)

где n - число нитей в шпагате; Т - линейная плотность нитей, ктекс; α - коэффициент крутки (для шпагата структуры ZS или SZ равен 225-250, структуры ZZ - 120-150, структуры ZSZ - 227-240).

В технологию производства полированного шпагата из двух и более нитей включают: подготовку пряжи к кручению, скручивание шпагата на крутильных машинах, отделку на полировочной машине, перемотку в бобины, упаковку шпагата.

При изготовлении шестиниточного шпагата первые три перехода остаются без изменения, а затем шестиниточный шпагат скручивают из трех двухниточных на фонарных крутильных машинах, отделывают на полировочной машине, перематывают в мотки и упаковывают.

Шпагат из бумаги вырабатывают по следующей технологии: бумагу режут на полосы определенной ширины и наматывают эти полосы, в рулончики (на резальных машинах); затем полосы скручивают и получают однониточный шпагат (бумагу перед кручением подмачивают). После этого шпагат сушат (при выпуске бумажного шпагата в суровом виде) или вощат и сушат на полировочной машине; перематывают в бобины крестовой мотки или клубки и упаковывают.

.1 Скручивание шпагата

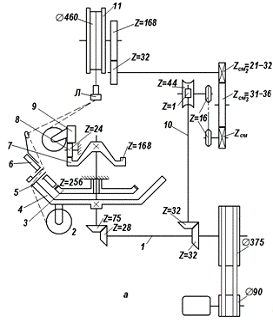
Шпагат линейной плотностью до 1,25 ктекс скручивают на кольцевых крутильных машинах К-176 или ТК-228-С.

Кольцевые крутильные машины

Кольцевые крутильные машины типа К-132, К-176-1 и К-176-2 работают по принципу принудительной подачи элементов (пряжи, нитей) в зону кручения и имеют следующие основные узлы (рис. 2): 1 - шпулярник навесной шатровый со шпильками и насадками для установки прядильных патронов, катушек, бобин и копсов с химическими нитями; 2 - питающий механизм, состоящий из двух параллельных цилиндров, размещенных вдоль машины, и индивидуальных (на каждое веретено) самогрузных валиков; 3 - механизм привода веретен; 4 - механизм подъема и опускания кольцевой планки; 5 - крутильно-мотальный механизм, включающий веретена, кольца с бегунками, установленные на кольцевой планке.

Процесс кручения на кольцевых крутильных машинах осуществляется следующим образом. Пряжа или нити сматываются с питающих паковок, огибают натяжные прутки и через направляющий валик поступают в питающий механизм. В питающем механизме нити проходят под задним цилиндром, огибают самогрузный валик и, выйдя из-под переднего цилиндра, через нитепроводник поступают в зону кручения.

Самогрузный валик в такой заправке носит название "жокей". Нитепроводник выполнен в виде фарфорового глазка или крючка, укрепленного на откидном клапане.

Выходящий из нитепроводника скрученный продукт огибает бегунок и наматывается на приемную катушку. Веретено, на котором установлена приемная катушка, получает вращение от главного барабана с помощью тесьмы.

Катушки для кольцевых крутильных машин изготовлены из выдержанного дерева, легких металлических сплавов и пластмассы. Фланцы деревянных и пластмассовых катушек имеют металлическую окантовку. Нижний фланец катушки пазом соединен с веретеном.

Процесс кручения на кольцевых крутильных машинах проходит так же, как и на кольцевых прядильных машинах. С увеличением диаметра намотки продукта на катушке частота вращения бегунка возрастает. Этим обусловлено характерное для кольцевых крутильных машин увеличение крутки по мере наработки съема на катушках или при периодическом опускании кольцевой планки в процессе наматывания початков.

Скручиваемый продукт раскладывается по высоте приемной катушки благодаря подъему и опусканию кольцевой планки. Эти перемещения вызывают периодические изменения крутки.

Действительно, если не учитывать укрутку нитей при скручивании, то

VП= VН + VK (3)

где VП - скорость продукта, поступающего в зону кручения из питающего механизма;Н - скорость намотки продукта на приемную катушку;

= πЧdHЧ(nВ - nБ);

- диаметр намотки на катушке;В - частота вращения веретена;Б - частота вращения бегунка;- скорость перемещения кольцевой планки.

Откуда

 (4)

Но поскольку крутка продукта , то, учитывая VП, (3), получим:

 (5)

При опускании кольцевой планки VK имеет знак "плюс". При подъёме - "минус". Так как VП > VК, то при опускании кольцевой планки крутка больше, чем при подъеме.

Рисунок 2 - Кольцевая крутильная машина

Натяжение продукта на кольцевых крутильных машинах регулируется массой бегунка. Сила трения бегунка о кольцо и натяжение нити зависят также от состояния бегунка и кольца, наличия смазки.

При использовании обычных крутильных колец (рис. 3, а) и латунных бегунков для создания нормальных условий работы кольцо периодически смазывают (во время съема).

В кольца с фитильной смазкой (рис. 3, б) масло подается непрерывно. Вязкость применяемого для колец масла не должна превышать 4,5° Е (градусы Энглера). Давление бегунка на кольцо во время работы доходит до 50 ДаН/см2, и его смазка является условием нормальной эксплуатации машины.

При недостаточной смазке и при использовании латунных бегунков быстро происходит так называемое омеднение колец, когда в результате износа бегунка латунь втирается в рабочую поверхность кольца. В результате сила трения между бегунком и кольцом возрастает, возрастает натяжение и увеличивается обрывность.

Для удаления слоя меди с колец их промывают в теплом (50%-ном) растворе углекислой соды, удаляя грязь и масло, а затем, протерев насухо, погружают в раствор, содержащий хромовый ангидрид (концентрации 300-350 г/л) и персульфат аммония (концентрации 100-120 г/л). Растворение меди продолжается 2 ч. Очищенные от меди кольца промывают в холодной воде, вытирают и промазывают вазелином.

В последнее время широко применяют анидные бегунки, не требующие систематической смазки. Однако анидные бегунки быстро прорезаются нитью, поэтому сейчас появились армированные полианидные бегунки, у которых место, по которому движется нить, выполнено из металла. Анидные бегунки легко надеваются на кольцо, снижают расход смазочных материалов и работают при более высоких скоростях.

Весьма эффективны бегунки из стеклонаполненного анида. Срок их службы в несколько раз превышает срок службы металлических бегунков.

Особый интерес представляют самосмазывающиеся кольца конического сечения (рис. 3, в), на которых работают бегунки с плоской спинкой. При этом уменьшается вероятность заклинивания бегунка, снижается его вибрация и увеличивается срок службы.

В крутильном производстве бегунки различают по номеру, который соответствует массе 100 шт. в граммах. Очевидно, чем больше номер бегунка, тем больше его масса и тем большее натяжение (при прочих равных условиях) он может создать.

Рисунок 3 - Крутильные кольца и бегунки:

а - обычное кольцо; б - кольцо с фитильной смазкой; в - самосмазывающееся кольцо; г - передача движения кольцевой планке.

Правильность подбора номера бегунка в каждом конкретном случае оценивается по обрывности в процессе кручения, плотности намотки на выпускную паковку, по величине и виду баллона.

В машинах отечественных конструкций движение кольцевой планке передается по двум различным схемам. На рисунке 3, г показан вариант схемы передачи движения кольцевой планке. Балансир 1 получает движение от эксцентрика 2 и цепью 3 связан с блоком 5, сидящим на поперечном валу 6. Поперечный вал несет на себе блок 4, связанный цепью 7, соединенной муфтой 9 и тягой 10 с концом секторного рычага 11, установленного на некотором расстоянии от других таких же рычагов. Секторы попарно соединены цепью 15. На лапах 13 каждого секторного рычага установлены каточки 12, на которые опираются колонки 8 кольцевых планок. Груз 14 уравновешивает систему. Величина подъема кольцевой планки регулируется установкой точки крепления цепи 3 к балансиру 1, а местоположение кольцевой планки в целом - муфтой 9.

Для регулирования намотки без вращения всех передач машины предусмотрен специальный механизм, отключающий передачу к мотальному эксцентрику от остальных шестерен и дающий возможность вручную поднимать и опускать кольцевую планку в процессе наладки машины.

На кольцевых крутильных машинах КМ-128-1, К-128-1, К-132-И установлены веретена КФ-45-2, а на машинах К-176-1, К-176-2 веретена КФ-75-2. Их выпускают скользящего и роликового типов.

Роликовое веретено отличается от веретена со скользящей втулкой только тем, что вкладыш подшипника скольжения заменен роликовым подшипником.

Каждое веретено имеет индивидуальный тормоз. При нажиме на рычаг тормоза горизонтальная ветвь тормоза с кожаной прокладкой прижимается к нижнему бортику блочка веретена и останавливает его.

Гнездо каждого веретена укреплено на веретенном брусе, причем диаметр гнезда несколько меньше отверстия в брусе, что дает возможность более точно устанавливать веретено по центру кольца.

Веретена приводятся в движение тесьмой, охватывающей одновременно четыре веретена (по два с каждой стороны). Для изменения направления вращения веретен (для получения правой и левой крутки) их ошнуровывают по-разному. При этом барабан и другие органы вращаются в ту же сторону.

Для предупреждения аварий в случае изменения направления вращения двигателя имеется специальная муфта. При правильном направлении вращения шестерни собачки муфты, упираясь в выступы втулки, приводят в движение первый подающий цилиндр. При изменении направления вращения собачки выйдут из зацепления и будут скользить по ободу втулки.

Принцип передачи движения рабочим органам у кольцевых крутильных машин различных типов почти одинаков. На рисунке 4 изображена кинематическая схема машины К-176. Кольцевые крутильные машины имеют широкий диапазон использования, их применяют для кручения различных по своим свойствам материалов. Поэтому, кроме сменной крутильной (Zк) и мотальной (Zм) шестерен, машины имеют сменные шкивы для изменения частоты вращения главного вала и сменные шестерни Zx и Zy для изменения крутки в более широких пределах.

Это дает возможность работать на машинах легкого типа с крутками в пределах 107-1197 кр./м и на машинах тяжелого типа с крутками 67-715 кр./м.

Для сохранения сцепления (постоянства расстояний между осями) сумма зубьев шестерен (Zx + Zy) на машинах К-176 равна 111.

Расчет заправки машины сводится: к установлению необходимого размера шкива двигателя, обеспечивающего заданную частоту вращения веретен; определению (по заданной величине крутки) числа зубьев сменных шестерен, способствующих ее реализации; расчету числа зубьев мотальной шестерни, обусловливающей плотность намотки.

Рисунок 4 - Кинематическая схема кольцевой крутильной машины К - 176: 1 - левые питающие цилиндры; 2 - правые питающие цилиндры

Кольцевые машины К-132 могут работать с частотой вращения веретен от 3000 до 6000 в минуту, машины К-176-2 - с частотой вращения веретен от 2560 до 3200.

Согласно кинематической схеме (см. рис. 3) частота вращения веретена

, (6)

где nВ - частота вращения веретена, мин-1; nЭЛ - частота вращения электродвигателя, мин-1; d1 и d2 - диаметр блока соответственно на валу электродвигателя и валу барабана, мм; DБ и dБЛ - диаметры барабана и блочка веретена, мм; 1,5 - толщина тесьмы, мм; kС - коэффициент скольжения передач (две гибкие передачи kС1 = kС2 =0,98; kС = k С1Чk С2 = 0,96).

Величина крутки равна

, (7)

где nБЕГ - частота вращения бегунка, мин-1; VП - скорость подачи скручиваемого продукта, м/мин; у - укрутка продукта в результате скручивания (у > I).

Пренебрегая зависимостью крутки от диаметра намотки и движения кольцевой планки, из формул 6 и 7 получим:

,' (8)

где dЦ - диаметр подающих цилиндров, м, откуда

 (9)

По мере увеличения диаметра намотки расстояние между витками уменьшается, так как скорость движения кольцевой планки и скорость выпуска в течение наработки всего съёма постоянны. Количество витков продукта по высоте катушки

, (10)

где Н - расстояние между фланцами (высота намотки), мм; h - шаг одного витка, мм.

Длина нити в одном слое, намотанном на катушке,

, (11)

где ω - угол подъема винтовой линии, образованной осью нити, намотанной на катушку и основанием катушки.

За время намотки нити такой длины мотальный эксцентрик делает Ѕ оборота, а подающие цилиндры подают в зону кручения продукт длиной LЧy.

Тогда по кинематической схеме за Ѕ оборота эксцентрика (см. Рисунок 4)

.(12)

Подставив значение L из выражения 9 и решив полученное уравнение относительно ZM, получим:

 (13)

Величину шага витка намотки обычно выбирают меньше или равной диаметру DНИТ скрученной нити.

, (14)

где Т - линейная плотность продукта, ктекс; γ - плотность продукта, г/см3 (для изделий из короткого пенькового волокна γ = 0,55-0,65; из пленочных полипропиленовых нитей γ = 0,4-0,5).

Мотальные шестерни выпускаются с интервалом в три зуба, что соответствует изменению шага витков намотки на 0,09 мм.

Производительность кольцевых крутильных машин определяют по формуле

, (15)

где П - производительность машины, кг/ч; nВ - частота вращения веретен, мин-1; m - число веретен на машине; Т - линейная плотность вырабатываемого крученого продукта, ктекс; КПВ - коэффициент полезного времени (0,8- 0,96); К - число кручений в 1 м продукта.

.2 Крутильные машины тяжелого типа для шпагатных изделий и каболок

Отечественные крутильные машины тяжелого типа К-200-П и К-280-П1 изготовляют с подвесными рогульками, которые приводятся в движение канатиками. Принцип работы крутильно-мотальных механизмов этих машин такой же, как и механизмов гребнепрядильных машин. Механизация съёма осуществляется с помощью сменных кареток с катушкодержателями.

Так как эти машины предназначены для кручения продуктов с относительно высокой линейной плотностью при большом числе сложений, они имеют выносные шпулярники большой вместимости. Это упрощает обслуживание машин и позволяет в некоторых случаях ликвидировать промежуточные тростильно-крутильные процессы.

Иногда машину К-280-П1 вместо шпулярника оборудуют специальными стойками, позволяющими устанавливать в качестве питающих паковок сновальные валики.

На рисунке 5 приведены технологическая и кинематическая схемы крутильной машины К-280-П. Питающие паковки (катушки с пряжей, нитями) устанавливают на шпулярник и через направляющий пруток в верхней части шпулярника протягивают нити к подающему устройству крутильной машины. Таким образом, зона обслуживания машины находится между шпулярником и передней сторонкой машины, а скручиваемые нити проходят над головой работницы, обслуживающей машину.

После системы нитенатяжителей скручиваемые нити поступают в подающее устройство, состоящее из двух приводных питающих цилиндров, проходящих вдоль всей машины, и индивидуальных нажимных валиков, работающих по принципу "жокея".

Из подающего устройства все скручиваемые нити поступают в зону кручения с одинаковой скоростью. Для облегчения заправки подающего устройства нажимные валики закреплены на рычагах и могут быть подняты при заправке скручиваемых нитей в каждую рогульку.

Система торможения катушек, обеспечивающая натяжение скручиваемого продукта и требуемую плотность намотки, аналогична той, которая применяется на гребнепрядильных машинах канатного производства.

Частоту вращения рогулек подсчитывают с учетом скольжения канатика на блоке рогульки.

 (16)

где nP - частота вращения рогульки, мин-1; nЭЛ - частота вращения вала электродвигателя, равная 735 об/мин; 675 - постоянное число, подсчитанное по шестеренной передаче, kC - коэффициент скольжения канатика, обычно принимаемый в пределах 0,93-0,95; DСМ - диаметр сменного шкива на главном валу машины, мм.

Число кручений К в одном метре скручиваемого продукта определяется по формуле

(17)

где у - укрутка скручиваемых элементов в продукте; 47,6 - постоянное число, подсчитанное по шестеренной передаче.

Производительность крутильных машин с подвесной рогулькой подсчитывается по формуле (15), в которую вместо nВ подставляют nР - частоту вращения рогульки, мин-1; т - число рогулек на машине.

Характерной особенностью всех рассмотренных выше крутильных машин является совмещение операций кручения и намотки, объединение крутящих и наматывающих органов. Этим обусловлены определенные ограничения габаритов и формы приемных паковок, скоростного режима.

Рисунок 5 - Схема крутильной машины К.-280-П:

а - технологическая; б - кинематическая

Рисунок 6 - Технологическая схема крутильной машины с отдающим веретеном двойного кручения.

В машинах двухзонного кручения указанных ограничений нет. На рис. 6 изображена технологическая схема машины для кручения шпагата с отдающим веретеном двойного кручения. Паковку со скручиваемым продуктом устанавливают на бобинодержателе 3. Продукт, сматываясь с бобины 2, проходит через глазок рогульки 4 и, огибая шариковый натяжитель 5, через канал бобинодержателя поступает в крутильный диск 1, получающий вращение от клиноременной передачи. Выйдя из крутильного диска через направляющий глазок 6, скрученный продукт с помощью подающего устройства 7 через компенсатор 11 направляется в мотальную головку, состоящую из фрикционного барабана 10, раскладчика 8 и приклонов с приемной паковкой 9.

Приемная паковка представляет собой бобину (коническую или цилиндрическую) крестовой прецизионной намотки высотой 280 мм, диаметром 280 мм. Частота вращения крутильного диска от 2200 до 4804 об/мин, что дает возможность получить до 9600 кр./мин.

Имеются и многоверетённые машины двухзонного кручения с питающими паковками до 15 кг для кручения изделий диаметром до 8 мм при скорости от 1000 до 6000 кр./мин.

Отделение мотального механизма от крутильных органов на машинах с отдающим веретеном позволяет проводить работы, направленные на механизацию и автоматизацию съема готовой продукции, дает возможность широко варьировать параметрами приемной паковки, исключает влияние процесса намотки на процесс кручения.

Однако применение отдающих веретен ограничено тем, что на них можно крутить только одиночный продукт или заранее сформированный из одного или нескольких компонентов (трощеный) и смотанный в одну паковку. Скручивание нитей одновременно с нескольких паковок на таких веретенах нерационально, в частности, из-за большого количества отходов, большой обрывности, связанной с несинхронным сматыванием нитей.

.3 Крутильное оборудование для свивки шестиниточного шпагата и шнуров

Особенностью формирования шестиниточного шпагата и шнуров является необходимость обеспечения уравновешенности изделия при достаточной плотности, компактности его структуры. Для этого, во-первых, необходимо скручивать шпагат или шнур из прядей в направлении, противоположном их собственной крутке (если пряди имеют крутку S, то шнур должен иметь крутку Z, и наоборот); во-вторых, нельзя допускать раскручивания прядей в процессе формирования изделия, то есть следует обеспечить прядям подкрутку.

Скручивание (свивку) шестиниточного шпагата и шнуров осуществляют на фонарных крутильных машинах.

Фонарная крутильная машина имеет 12 рогулек подвесного типа, разделенных на две секции по 6 рогулек в каждой. Привод секций независим один от другого. Машина имеет три основных узла: узел фонарных рогулек для подкрутки прядей (отличаются от рогулек машин К-280-П только тем, что продукт не наматывается, а сматывается с катушек); основной свивально-мотальный механизм (обычный рогульчатый, см. рисунок 7). Приемная катушка отстает от рогульки по мере наматывания на нее скрученного продукта. Витки по высоте укладываются благодаря равномерному перемещению каретки с катушками в вертикальной плоскости, что достигается введением в передачу цевочного круга.

Натяжение наматываемого изделия создается торможением приемной катушки о тормозные колодки, которые могут сближаться и разводиться с помощью маховика, регулирующего уровень натяжения.

Частота вращения свивальной рогульки в зависимости от линейной плотности вырабатываемого изделия принимается в пределах 850-1000 мин-1.

Рисунок 7 - Рогулечное веретено

Частота вращения подкрутки nП, сообщаемая прядям фонарными рогульками за один оборот свивальной рогульки, определяется из соотношения между частотой вращения фонарных nФ и крутильных рогулек nР

.(18)

Для того чтобы за один оборот свивальной рогульки фонарные рогульки совершили тоже один оборот, необходима ZФ ≈ 65. Величину крутки готового продукта определяют по формуле

,(19)

где V - скорость выпуска.

Недостатком фонарных машин старых типов является мягкий привод рогулек, который не обеспечивает стабильности крутки шнура и его прядей.

Производительность фонарных крутильных машин (в кг/ч) рассчитывается по формуле 12, где вместо nВ подставляют nР.

Поэтому такие машины вытесняются фонарными машинами с жестким приводом КФП-520-П (для изделий диаметром 1,6-4 мм) и КФТ-620-П (для изделий диаметром 5-7 мм), работающими с частотой вращения свивальных рогулек соответственно 1000-600 об/мин. Движение фонарным рогулькам передается с помощью винтовых шестерен.

Жесткая (без проскальзывания) передача движения крутильным органам фонарных крутильных машин гарантирует получение равномерной крутки как самого изделия, так и его прядей.

Английская фирма "Мекки" выпускает два типа двухверетенных фонарных крутильных машин, нашедших применение на многих предприятиях. Это машины с приемной катушкой 305ЧÆ203 мм для выработки изделий диаметром до 4 мм и с приёмной катушкой 330ЧÆ227 мм для шпагатов и шнуров диаметром до 6 мм. На каждую свивальную рогульку приходится по четыре фонарных рогульки.

Частота вращения свивальных рогулек у машин первого типа до 1850 об/мин, у машин второго типа - до 1600 об/мин; частота вращения фонарных рогулек соответственно до, 2200 об/мин и до 1900 об/мин.

На машинах, фирмы "Мекки" технологическая линия изогнута: пряди, выходящие из фонарных рогулек, установленных по обе стороны от свивальной рогульки, поднимаются вверх, огибают направляющие ролики и опускаются вниз в калибр крутильной трубки. Скрученный продукт проходит тянульные ролики и поступает в свивальную рогульку, с помощью которой наматывается на приемную паковку. Такая схема машины позволяет значительно сократить ее высоту, облегчить обслуживание. Качество изделий при этом несколько снижается из-за "порога крутки", образующегося в месте огибания прядями направляющих роликов, препятствующего распространению подкрутки в точку свивки.

Для свивки трех- и четырехпрядных кручёных изделий диаметром от 1 до 6 мм фирма "Сима" (Италия) выпускает одноголовочные машины K2T/N и K2T/R с отдающими (подкручивающими) и приёмным веретенами двухзонного кручения. Указанные марки машин отличаются видом и емкостью приемной паковки: у K2T/N-двухфланцевая катушка 220ЧÆ260 мм, у K2T/R - цилиндрическая бобина крестовой прецизионной намотки 254x254 мм. Питающие паковки - двухфланцевые катушки 298ЧÆ260 мм.

Частота вращения приёмного веретена до 2500 об/мин (до 5000 кр./мин) обеспечивает более высокую производительность машины по сравнению с габлировочными машинами однозонного кручения.

Однако двухзонное скручивание продукта приёмным веретеном, хотя и позволяет значительно повысить скоростной режим работы машины, в некоторой степени отрицательно влияет на ход процесса. Подкрутка, сообщаемая прядям во время свивки, рассчитывается исходя из полной крутки продукта, тогда как продукт в первой зоне скручен лишь наполовину. В связи с этим пряди, поступающие в первую зону свивки, оказываются перекрученными и могут деформироваться, образовать сукрутины и т. п.

3.4 Отделка шпагатных изделий

Цель отделки шпагатных изделий - повысить эксплуатационные характеристики, улучшить внешний вид. При этом благодаря проклеиванию, увеличению компактности структуры удается повысить разрывную нагрузку шпагатов из лубяных волокон на 10-15%.

Технологический процесс отделки шпагатных изделий состоит из следующих операций: очистки шпагата от костры и пуха (эффект очистки лучше при воздействии ножевых валиков на сухой продукт); промывки шпагата (вначале в теплой воде, затем очистка и промывка в мыльной воде, а для изделий, требующих повышенной отделки, в отбеливающих растворах); проклейки шлихтой; сушки ошлихтованного шпагата; полировки или лощения; намотки обработанного шпагата на двухфланцевые катушки.

Все указанные операции выполняют на полировочной машине.

На рисунке 9 изображена технологическая схема полировочной машины. Нити шпагата сматываются с катушек, установленных на шпулярнике 9, проходят через натяжную рамку 10 и с помощью распределительных решеток 11 строго в определенном порядке (перекрещивание не допускается) проходят чистительно-шлихтовальное устройство. Это устройство имеет три ванны. На выходе второй и третьей ванны имеется рычажный отжим 13. Между ваннами расположены быстро вращающиеся ножевые очистительные 12 и гладильные 14 валики. На очистительных валиках укреплены ножи или планки, покрытые кардной гарнитурой. Они снимают с поверхности проходящего шпагата костру и пух. Гладильные валики обвиты жесткой (преимущественно сизальской) веревкой диаметром 12,7 мм, которая заглаживает отставшие концы волокон.

Затем нити шпагата 12-17 раз огибают два сушильных барабана (рабочее давление пара в барабанах 1,5-105 Па). Нижний барабан 1 получает принудительное вращение, а верхний 4 свободно вращается нитями шпагата. Число одновременно обрабатываемых нитей шпагата 24-32 или 48 в зависимости от линейной плотности шпагата. Нити на барабанах расположены группой в том порядке, в каком они проходили чистительно-шлихтовальное устройство. Этот порядок поддерживается распределительной доской 3. Раскладка группы нитей по длине барабанов осуществляется с промежутком в 10 мм, превышающим расстояние между отдельными нитями шпагата в группе, что облегчает ориентировку при ликвидации обрывов и при заправке.

Нити, проходя по барабанам, касаются четырех лощильных валиков 2, вращающихся с частотой от 500 до 700 об/мин. Установку лощильных валиков можно регулировать на ходу, потому что их подшипники установлены на салазках, передвигаемых винтовыми тягами.

Лощильные валики на 2/3 или на 1/2 своей длины обвиты жёсткой сизальской верёвкой, а на остальной длине - мягкой льно-пеньковой веревкой, на которую наносят слой лощильной массы (примерно 70% воска, 20% парафина и 10% канифоли).

Лощильная масса должна соприкасаться с уже подсушенным шпагатом (на сыром шпагате лоска, то есть блестящей поверхности, не получится). Сойдя с барабанов, шпагат направляется на приемные катушки 6, которые вращаются благодаря трению о фланец 7 веретена 8 приемного устройства.

Рисунок 8 - Схема смещения сушильных барабанов полировочной машины ПШ - 235 - П

Рисунок 9 - Технологическая схема полировочной машины ПШ-235-П

Веретена в приемном устройстве имеют постоянную частоту вращения, поэтому по мере увеличения диаметра намотки увеличивается проскальзывание катушки относительно веретена. Таким образом, натяжение шпагата в процессе намотки определяется массой катушки и массой груза 5, который прижимает катушку к фланцу веретена.

Раскладка шпагата по высоте приемной катушки осуществляется раскладчиком в виде рейки с нитенаправителями, приводимым в движение через передачу, включающую обычный подъемный (цевочного зацепления) круг или эксцентрик.

Съемно-заправочные операции проводят поверетённо без останова машины.

Чтобы улучшить распределение нитей шпагата по поверхности сушильных барабанов, исключить возможность набегания групп и отдельных нитей друг на друга, уменьшить износ штырей распределительной доски, ось верхнего барабана смещена относительно оси нижнего (рисунок 8).

Для правильной установки барабанов необходимо знать величину смещения Р подшипников верхнего барабана относительно оси нижнего.

 (20)

где L - расстояние между центрами подшипников; t - шаг витков групп нитей на барабане (для 48-веретённой машины 154 мм, для 32-веретенной 106 мм); D - диаметр барабана (верхнего).

Из-за смещения осей барабанов длина крайних витков шпагата отличается от длины центрального витка шпагата, однако эта разница (до 1%) практически не влияет на ход процесса.

Скорость выпуска шпагата (м/мин) определяют по скорости нижнего барабана nБ.

При выбранном сушильном режиме производительность полировочной машины ПШ-235-П определяется по формуле (15), где т - число одновременно полируемых нитей шпагата.

Основными материалами, входящими в шлихту, предназначенную для отделки шпагатных изделий, являются: крахмал или мука, каолин, медный купорос. Каолин, а также применяемый рядом предприятий тальк, являются заполнителями пор, имеющихся в шпагате. Крахмал или мука при шлихтовании склеивают волокна. Некоторые предприятия используют клей, повышая клеящие свойства шлихты, но клей может придать ломкость шпагату, ухудшить его свойства. Для нейтрализации такого вредного действия клея в качестве смягчителя добавляют глицерин, который одновременно увеличивает гигроскопичность изделия. Иногда дополнительно вводят такие клеящие вещества, как декстрин (до 0,6%), а для уменьшения влагопоглощения - квасцы.

Медный купорос - антисептик, образует с жирами и содой меднистое мыло, которое придает шпагатным изделиям противогнилостные свойства.

Применяют шлихту из препарата КМЦ (карбоксиметилцел-люлозы) и шлихту из латекса СВХ.

Во время использования температуру шлихты следует поддерживать в пределах 60-65°С. На машине ПШ-235-П температуру регулируют двухпозиционным регулятором, а уровень шлихты в корыте - электронным регулятором системы ЦНИХБИ. Шлихта должна быть однородной, не разжижаться при размешивании в течение 4-5 ч; при разжатии пальцев, предварительно окунутых в шлихту, образовывать тянущуюся нить, а при высыхании - склеивать пальцы. Реакция шлихты должна быть слабощелочной.

В связи с тем, что после полного погружения шпагата в воду первых корыт последующее его поступление в ванну со шлихтой приводит к разжижению шлихты, рекомендуют ограничиться смачиванием шпагата только влажным валиком.

Шлихтовальная ванна обычно располагается перед двумя последними гладильными валиками, снимающими излишек и втирающими шлихту в нить. С увеличением частоты вращения последних гладильных валиков процент содержания шлихты снижается.

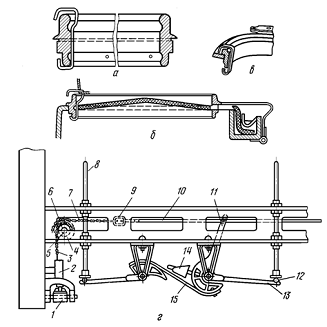
.5 Перемотка и упаковка шпагатных изделий

Шпагаты, тонкие шнуры перематывают в товарные паковки - цилиндрические клубки крестовой намотки. Изделия линейной плотностью 0,67-2,5 ктекс перематывают на крестомотальной машине КШ-3, изделия линейной плотностью от 1,25 до 3,4 ктекс - на машине КШ-4.

Обе машины имеют по шесть головок. Каждая головка состоит из четырех основных узлов: шпулярника (с устройством для торможения питающей паковки), приспособления для натяжения продукта, мотальной головки и механизма автоматического останова головки (при наработке клубка заданного диаметра). Кинематическая схема машины КШ-4 изображена на рисунке 8, а. На машине КШ-3 каждая мотальная головка наматывает одновременно по два клубка (рис. 10, б), а на машине КШ-4 наматывается по одному клубку. На машине КШ-3 получают клубки диаметром 85 мм и высотой 110 мм; на машине КШ-4 - диаметром до 190 мм, высотой 165 или 180 мм в соответствии с размахом установленного сменного эксцентрика.

На крестомотальных машинах КШ-3 и КШ-4 приемная паковка вращается с постоянной частотой вращения (соответственно 492 и 535 мин-1). При этом скорость перемотки по мере увеличения диаметра намотки возрастает. Для определения производительности таких машин необходимо знать среднюю линейную скорость намотки.

В каждый момент времени скорость намотки складывается из окружной скорости вращения приемной паковки и скорости водилки, раскладывающей продукт вдоль клубка.

Средняя по времени линейная скорость перемотки, как показали работы ЦНИИЛВ, определяется как отношение длины (L) нити на полной паковке к времени (t) намотки полной паковки.

 (21)

Рисунок 10 - Крестомотальная машина КШ-4,3:

а - кинематическая схема машины КШ-4 (1 -веретено; 2- ните-водитель); б - схема намотки бобин на машине КШ-3

В свою очередь время намотки паковки

,(22)

где l - текущая длина нити на паковке;(l) - переменная скорость нити,

;

- частота вращения паковки с наматываемой нитью, мин-1;(l) - текущий диаметр намотки;

В - высота паковки (клубка);- частота движений водилки [число двойных (туда и обратно) ходов водилки в минуту].

Если допустить, что плотность паковки не зависит от ее диаметра, то текущий диаметр намотки определяется из соотношения

 или ,(23)

где T - линейная плотность нити; d0 - внутренний диаметр паковки (диаметр шпинделя); и γ - плотность паковки.

Тогда из выражения (14) после интегрирования получим:

. (24)

Длина нити на полной паковке из соотношения (15).

, (25)

где DH - наружный диаметр полной паковки.

Учитывая два предыдущих выражения, из формулы средней линейной скорости перемотки (13) получим:

 (26)

Следовательно, средняя линейная скорость намотки равна средней арифметической скоростей намотки на пустой шпиндель (патрон) и полную паковку.

Производительность крестомотальной машины определяется по формуле

, (27)

где VCP - средняя линейная скорость намотки, м/мин; М - число головок на машине; m - число нитей шпагата, перематываемых на каждой головке; Т - линейная плотность шпагата, ктекс; КПВ - коэффициент полезного времени.

Шаг (х) намотки продукта на паковке определяется по формуле (см. рис. 8, а)

, (28)

где h - размах эксцентрика.

Для получения плотной прецизионной намотки шаг намотки выбирают таким, чтобы за один полный цикл движения водилки (туда и обратно) шпиндель совершил k минус ω оборотов, где k - целое число; ω - угол отставания, соответствующий диаметру перематываемого продукта.

Шестинйточный шпагат иногда перематывают в мотки на мотовилах. Длина мотков в сложенном виде 900 мм.

Определенные достоинства, особенно при расфасовке изделия малыми паковками, имеет перемотка шпагата в круглые клубки. Такой процесс осуществляется, например, на автоматических клубочных машинах фирмы "Сима" (Италия). Клубок формируется с помощью рогульки, которая, вращаясь, наматывает шпагат на шпиндель. Ось вращения шпинделя наклонна к оси рогульки. Шаг витков намотки шпагата определяется соотношением между частотой вращения рогульки и шпинделя.

4. Производство шнуров


Шнурами принято называть крученые или плетеные изделия диаметром от 1,5 до 12 мм.

В отличие от изделий шпагатной группы шнуры являются продукцией многократного пользования и предназначены для более ответственных целей: используются в авиации, для оснастки судов морского и речного флота, в рыбной промышленности для создания, орудий лова, а также при производстве спортинвентаря, для хозяйственно-бытовых нужд и т. п. Поэтому шнуры должны иметь сравнительно высокую разрывную нагрузку, лучший внешний вид и эксплуатационные характеристики.

Шнуры вырабатывают из относительно тонкой льнопеньковой пряжи (от 70 до 500текс), из льняных ниток, хлопчатобумажной пряжи и различных химических текстильных нитей.

Процесс производства крученых шнуров осуществляется в той же последовательности, что и процесс производства шестиниточного шпагата, и состоит из следующих основных операций: подготовки пряжи и скручивании каболок из химических нитей; скручивании прядей; свивки, отделки, перемотки и упаковки шнуров.

Рисунок 11 - Структура шнуровых изделий: а - кручёного; б - плетёного

4.1 Производство крученых шнуров

Коэффициент крутки готовых шнуров определяется несколько иначе, чем привычно. Обозначается коэффициент крутки для шнуров буквой "Л", и имеет величину Л = πЧdЧK, где d - диаметр шнура, м; К - число кручений в 1 м шнура, находится в пределах 0,8-0,95 для льнопеньковых шнуров; 0,95-1,1 - для капроновых шнуров.

Пряди скручивают в направлении, противоположном крутке шнура с числом кручений, составляющим 1,8-2,0 числа кручений шнура.

Для обеспечения уравновешенности структуры изделия, повышения плотности, улучшения эксплуатационных характеристик свивка шнуров осуществляется с подкруткой прядей.

Скручивание каболок и прядей шнуров осуществляется в зависимости от размеров изделий на крутильных машинах легкого типа (кольцевых К-176, ТК-228-С и т. п.) и тяжелых крутильных машинах с подвесными рогульками (К-200-П, К-280-П), машинах двухзонного кручения и других, описание устройства и работы которых приведено выше.

Операция предварительного скручивания каболок на многих предприятиях исключается, а пряди формируют за один процесс непосредственно из нитей. Для этого крутильные машины оснащают шпулярниками увеличенной вместимости со специальными насадками для установки питающих паковок (бобин и копсов).

Скручивают шнуры без подкрутки прядей на тяжелых крутильных машинах с подвесной рогулькой (К-200-П, К-280-П) и машинах двухзонного кручения с отдающим веретеном.

Свивка шнуров с подкруткой прядей осуществляется на фонарных крутильных машинах (КФП-520-П, КФТ-620-П), габлировочных машинах фирм "Мекки", "Мемминген", "Сима".

Для повышения эксплуатационных характеристик, придания лучшего внешнего вида шнуры полируют на полировочных машинах ПШ-235-П. Описание конструкции полировочных машин и процесса полировки приводится в предыдущем разделе.

Готовые льняные и льнопеньковые шнуры могут быть пропитаны водными растворами противогнилостных составов, основными компонентами которых являются соединения, содержащие медь (ортооксихинолят меди, уксуснокислая медь). Надежная защита изделий достигается при содержании консерванта в пересчете на медь в количестве не менее 0,5%.

Особенностью пропитки крученых изделий водными растворами противогнилостных составов является необходимость сушки изделий после пропитки. Процесс сушки определяет производительность пропиточного оборудования и существенно влияет на экономические показатели отделки: если процесс пропитки бухты шнура занимает 1-2 мин, то для высушивания этой бухты паром требуется 1,5 ч.

Крученые шнуры из синтетических комплексных нитей для придания им некоторых специальных свойств (повышенной плотности и стабильности структуры, износостойкости, гидрофобности и т. п.) подвергают термообработке во время пропитки в битумполимерном составе.

Пропитка осуществляется в проходном аппарате, где после прохождения ванны с расплавом битумполимерного состава с продукта удаляется избыток пропитки и он наматывается в бухту. Важным преимуществом такой пропитки является то, что она не требует сушки: битумполимерный состав быстро застывает на воздухе при комнатной температуре.

Готовые льняные и льнопеньковые шнуры перематывают в мотки массой 0,5-2 кг на мотовилах с периметром 1,6-2,3 м.

Хлопчатобумажные шнуры перематывают в клубки крестовой мотки массой 1-5 кг на крестомотальных машинах.

Шнуры диаметром более 5 мм перематывают в бухты массой до 60 кг.

Шнуры в мотках упаковывают в пачки.

Во избежание загрязнения и повреждения при транспортировке шнуры независимо от способа упаковки обшивают паковочной тканью.

.2 Производство плетеных шнуров

Плетеные шнуры представляют собой изделия несквозного плетения. Их выпускают с сердечником и без него.

Рисунок 13 - Плетеные шнуры:

а - виды переплетения оплетки шнуров; б - развертка витка оплетки на плоскости

Оплетка большинства шнуров образуется двумя равными взаимно переплетенными системами прядей, из которых одни располагаются вдоль изделия по правым винтовым линиям, другие - по левым, и пряди в обеих системах имеют равную, но противоположного направления крутку. Такая конструкция обеспечивает равновесность изделия.

Оплетки различают по виду переплетения (рис. 13, а), основными и наиболее распространенными из которых являются: через одну 1/1 (однопрядное); через две 1/2 (двухпрядное) и аналогичные усиленные переплетения 2/2 и 2/3.

Оплетка шнура характеризуется следующими параметрами: диаметр D; общее число прядей К; число каболок в пряди n; общее число каболок М = nЧК, линейная плотность каболок Т; шаг плетения Н (шаг винтовой линии, являющейся осью пряди оплетки); угол плетения φ (угол подъема винтовой линии, являющейся осью пряди оплетки); плотность плетения ψ(число витков всех прядей одной системы на длине шнура 100 мм).

Пряди оплетки шнуров получают в результате скручивания каболок или нитей на крутильных машинах или при трощении в процессе перемотки каболок (нитей) на шпули, которые являются питающими паковками шнуроплетельных машин.

По развертке на плоскости оси пряди плетеного шнура (развертка представляет собой прямую линию, рис. 13, б) определяются следующие соотношения между параметрами оплетки:

;(29)

 (30)

Если прядь плоская, сформирована трощением каболок (нитей) в один ряд, то

, (31)

где h - ширина пряди, измеренная вдоль оси шнура; δ - диаметр каболки, мм.

, (32)

Где Т - линейная плотность каболок, ктекс; и ν - плотность каболки, г/см3.

Приведенные зависимости позволяют рассчитывать заправочные параметры формирования плетеных шнуров и выбирать необходимое для этого оборудование.

Рассмотрим это на примере.

Пусть требуется выработать шнур диаметром 10 мм с шагом плетения 16 мм из капроновых комплексных нитей 93,4 тексЧ4, при плотности плетения ψ = 25. Ширину пряди определим из заданной плотности плетения.

 мм.

Число прядей в оплетке шнура вычислим из соотношения для ψ.

.

Класс шнуроплетельной машины определяется по числу прядей в оплетке. Следовательно, необходима машина класса 8.

Угол плетения получим из уравнения

,

откуда φ = 26°.

Диаметр каболки, скрученной из нитей 93,4 текс в четыре сложения, составит, исходя из ее линейной плотности, Т = 93,4Ч4Ч1,07 = 400 текс = 0,4 ктекс (1,07 - укрутка нитей в каболке),

мм.

Число каболок в пряди находим из уравнения (21).

.

Тогда общее число каболок в оплетке


Аналогично решается задача при других исходных параметрах. Например, при заданном классе оборудования, общем числе прядей в шнуре и т. п.

.2.1 Шнуроплетельные машины

В отличие от процесса свивки в процессе плетения должно происходить взаимное перемещение прядей. Причем характер получаемого переплетения зависит от того, в какой последовательности перемещаются пряди в процессе плетения. Очевидно, указанное перемещение прядей неизбежно должно сопровождаться встречным движением питающих паковок (катушек, шпуль) с прядями каждой из переплетаемых систем.

Все существующее плетельное оборудование по характеру перемещения питающих паковок можно разделить на два основных типа.

. Машины, в которых катушки (шпули) с прядями перемещаются по траекториям, обеспечивающим заданное переплетение, - это машины коклюшечного типа.

. Машины, в которых катушки с прядями каждой системы движутся по круговым траекториям навстречу друг другу, а требуемое для переплетения перемещение прядей осуществляется с помощью рычагов, раскладчиков, водилок, направляющих и т. п., то есть машины ротационного (карусельного) типа.

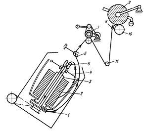
Рассмотрим устройство и работу шнуроплетельных машин коклюшечного типа. На рисунке 14, изображена машина, состоящая из плетельной головки I, шпулярника для прядей сердечника II, тягового механизма III и приемного устройства IV.

Пряди 5 оплетки, выходящие из коклюшек 4, в которых установлены питающие паковки-катушки 3, направляются в точку плетения - калибр 6. Туда же через центральное отверстие в плетельной головке могут направляться пряди 2 сердечника, которые сматываются с питающих паковок 1, установленных на шпулярнике II. Сформированный в точке плетения шнур 7, выйдя из калибра, несколько раз огибает тяговый барабан 8 и через раскладчик 9 поступает на приемное мотовило 10.

Коклюшки перемещаются по направляющим колеям платформы плетельной головки с помощью дисков-крылаток 11 (рисунок 14, б), имеющих по четыре диаметрально противоположных паза 12 и сидящих каждая на одной оси с шестернями замкнутой шестеренной передачи. Крылатки удерживают коклюшки в пазах и при вращении передают их друг другу в моменты совмещения пазов соседних крылаток. В остальное время направляющие колеи платформы не позволяют коклюшке выйти из паза крылатки.

Число крылаток при замкнутом приводе всегда четное; минимальное число крылаток - 4. Вид переплетения задается расстановкой коклюшек по пазам крылаток.

Устройство коклюшки показано на рисунке 15. На коклюшке имеются опорные диски 1 и 2, удерживающие ее в вертикальном положении на крылатках. На верхнем опорном диске 2 укреплён катушкодержатель

с подкатушечником 10 в виде храпового колеса и компенсирующее устройство 4. К нижнему опорному диску прикреплен сухарь, который скользит по колее платформы. Прядь с катушки проходит через крючок 9, огибает направляющий ролик 8, ролик 5-компенсатора и через направляющий крючок 7 поступает в точку плетения.

При движении коклюшки от периферии к центру машины ролик 5, укрепленный на салазках, опускается по направляющим под действием пружин 3 и выбирает излишек пряди.

При движении коклюшки от центра к периферии машины ролик 5 перемещается вверх. В крайнем верхнем положении салазки ролика 5 действуют на тягу 6, которая выводит из зацепления с храповиком подкатушечника круглую собачку 11, подкатушечник растормаживается, и катушка, вращаясь вместе с ним, выдает необходимую длину пряди. В результате салазки с роликом 5 опускаются и подкатушечник вновь затормаживается.

Таким образом, компенсатор на коклюшке работает как авторегулятор натяжения с обратной связью и обеспечивает натяжение пряди в пределах, не превышающих половины усилия растянутых пружин 3 в верхнем положении ролика 5.

Шаг плетения на машине регулируется путём изменения соотношения между скоростью вращения крылаток и окружной скоростью вращения тягового барабана с помощью сменных шестерен.

Характерной особенностью машин коклюшечного типа является то, что в местах перехода коклюшки с одной крылатки на другую происходит резкое изменение направления и величины центробежной силы, действующей на коклюшку, в связи с наличием в этих местах точек перегиба траектории движения коклюшки. При этом органы машины, удерживающие коклюшки, испытывают значительные знакопеременные нагрузки, вызывающие вибрации, шум, износ рабочих поверхностей. Эти факторы ограничивают скоростной.

Рисунок 14 - Шнуроплетельная коклюшечная машина:

а - общий вид машины; б - схема движения коклюшек (вид сверху).

режим работы коклюшечных машин, снижают их производительность. Частота вращения крылаток на коклюшечных шнуроплетельных машинах не превышает 250 мин-1.

Скоростной режим работы шнуроплетельных машин оценивается по числу циклов плетения, совершаемых в минуту (числу шагов плетения шнура в минуту). На коклюшечных машинах за один цикл плетения коклюшка совершает один полный оборот вокруг центра плетения.

При этом каждая крылатка совершает  оборота (m - число крылаток на машине). Если крылатки вращаются с частотой nK оборотов в минуту, то частота плетения nП (циклов в минуту) определяется по формуле

 (33)

Скорость выпуска шнура (м/мин) на машине

, (34)

где Н - шаг плетения шнура, образующийся за 1 цикл плетения, мм.

Производительность коклюшечной шнуроплетельной машины (кг/ч) определяется по формуле

, (35)

где Т - линейная плотность шнура, ктекс.

В плетельных машинах ротационного (карусельного) типа питающие паковки (катушки или бобины) с обеими переплетаемыми системами прядей вращаются вокруг точки плетения с постоянной по величине и направлению скоростью навстречу друг другу.

Переплетение создается путем перемещения прядей одной из систем с помощью специальных нитеводителей, которые также совершают круговые движения в наклонной плоскости.

Рисунок 15 - Коклюшка

Это позволяет достичь более высоких скоростей плетения (до 200 цикл/мин) по сравнению с коклюшечными машинами.

Главный вал 1 карусельной машины (рис. 16) через конические шестерни Z1 и Z2 приводит в движение ротор 4, вращающийся на пустотелой вертикальной оси 2. Над ротором укреплена неподвижная платформа 3 с зубчатым ободом. По верхней круговой направляющей платформы скользят каретки, несущие катушки с прядями одной из систем (назовем их верхними катушками). Катушки с прядями другой системы (нижние катушки) установлены на роторе и вращаются вместе с ним навстречу кареткам с той же частотой вращения.

На роторе над нижними катушками укреплены кронштейны 5, несущие на полых подшипниках шестерни 6, которые сцеплены с зубчатым ободом и катятся по нему при вращении ротора. Оси вращения этих шестерен направлены в точку плетения Л, а на периферии каждой шестерни укреплен нитеводитель с глазком.

Пряди с нижних катушек проходят через полую ось шестерни, затем - через глазок нитеводителя и направляются в точку плетения. Пряди с верхних катушек через индивидуальные глазки на каретках направляются непосредственно в точку плетения.

Рисунок 16 - Кинематическая схема карусельной плетельной машины

Глазок нитеводителя, укреплённого на шестерне 6, движется по эпициклоиде (рис. 17) и в крайнем нижнем положении опускает прядь в прорезь круговой направляющей платформы. В этот момент над прорезью проходит каретка с верхней катушкой. Затем нитеводитель вынимает прядь из прорези платформы и проводит ее над другой кареткой с верхней катушкой, движущейся навстречу. Далее цикл повторяется.

Таким образом, пряди с нижних катушек проходят то сверху, то снизу прядей с верхних катушек и взаимно переплетаются, Поскольку пряди с нижних катушек в процессе плетения обходят каретки со всех сторон, движение кареткам передается с помощью ряда малых конических шестерен 8, укрепленных по периферии платформы между прорезями. Оси вращения этих шестерен горизонтальны и направлены в центр машины; все они находятся в зацеплении с большой конической шестерней 7, соосной с ротором и вращающейся вместе с ним. На каретках имеются зубчатые рейки 9, входящие в зацепление с шестернями 8, которые последовательно передают каретки друг другу, пронося их над прорезями и передвигая по направляющей платформы. Движение вытяжному механизму передается через вертикальный вал 10 и систему передач, включающую сменные шестерни, при помощи которых можно изменять скорость выпуска. Вытяжная пара 11 представляет собой два барабана с зубчатыми ободками; движение от малого барабана передается большому.

Плетеный шнур, сформированный в точке плетения, проходит калибровую втулку и, обогнув несколько раз барабаны вытяжной пары, направляется в приемное устройство.

Рисунок 17 - Траектория движения глазка нитеводителя карусельной плетельной машины

Качество плетеного изделия зависит от равномерности натяжения сплетаемых прядей. На ротационных шнуроплетеных машинах, как и на коклюшечных, натяжение прядей осуществляется с помощью механизма, работающего по принципу авторегулятора с обратной связью: при уменьшении натяжения катушки с прядями затормаживаются, например, ленточным тормозом, при увеличении натяжения - растормаживаются. Уровень натяжения устанавливают путем закручивания спиральной пружины компенсатора длины пряди. Поскольку за время одного оборота ротора машина производит один цикл плетения, скорость плетения равна частоте вращения ротора, и производительность (кг/ч) определяется по формуле

 (36)

где nP - частота вращения ротора, мин-1;

 (37)

где nВ - частота вращения главного вала, мин-1; Н - шаг плетения шнура, мм;

 (38)

где Т - линейная плотность шнура, ктекс; КПВ - коэффициент полезного времени.

Для оплетки электропроводов и проволочных тросов предназначены ротационные оплеточные машины рычажного типа. Основным отличием их от ротационных машин карусельного типа является то, что с помощью рычагов-водилок, движущихся вертикально вверх и вниз на вращающемся роторе, пряди для образования переплетения перемещаются не по эпициклоиде, а по синусоидальной траектории.

Процесс плетения осуществляется так же, как на машинах карусельного типа.

Вертикальное перемещение водилок позволило сократить габариты машины, однако при этом потребовалась установка компенсаторов длины прядей, сматывающихся с катушек нижнего ряда. Кроме того, большое число трущихся, скользящих соединений рабочих органов машины ограничивает ее скоростные возможности.

Особенностью процесса плетения является то, что точка плетения устанавливается по высоте самопроизвольно в зависимости от шага плетения: чем больше шаг плетения, тем выше устойчивое положение точки плетения. Точка плетения стремится установиться так, чтобы угол наклона к вертикальной оси прядей, входящих в нее, был равен углу наклона прядей, залегающих в готовом плетеном шнуре, к оси изделия. Можно принудительно опустить точку плетения с помощью калибровой втулки. Однако поднять точку плетения, не меняя шаг плетения, практически невозможно.

При плетении на машинах коклюшечного типа это обстоятельство не имеет существенного значения, так как коклюшки снабжены достаточно емкими компенсаторами длины прядей. На карусельных машинах смещение точки плетения относительно точки пересечения осей вращения водков приводит к колебаниям расстояния между точкой плетения и глазком водка при его вращении и, следовательно, к колебаниям натяжения прядей. С этим связано ограничение по минимальному шагу плетения при выработке изделий на карусельных плетельных машинах.

Формирование шнуров сквозного плетения (без сердечника) основано на тех же принципах, что и формирование оплетки. Однако при числе сплетаемых прядей больше четырех сквозную структуру шнуров можно получить только при определенном виде переплетения. Чаще всего такие изделия изготовляют на коклюшечных машинах с числом коклюшек больше восьми. Шнуры, фалы, альпинистские веревки сквозного плетения - это изделия, у которых наряду с повышенной гибкостью, ровная цилиндрическая поверхность и высокая устойчивость к механическим и другим разрушающим воздействиям.

Плетеные шнуры и фалы перематывают в бухты с длиной изделия от 200 до 600 м или в мотки с длиной изделия от 25 до 200 м.

 

5. Производство верёвочных изделий


Верёвки используют в тех случаях, когда требования к прочности, износостойкости, и надежности несколько снижены.

Рисунок 18 - Структура верёвок

Веревочные изделия в основном служат в качестве упаковочного материала для обвязывания тяжелых грузов, закрепления грузов при транспортировке на платформах железнодорожного транспорта, в автомашинах, судах морского и речного флота, а также применяются в сельском хозяйстве, для специальных, нужд и в быту. Веревки должны быть гибкими, хорошо соединяться узлом, не пачкать грузы и предметы, с ними соприкасающиеся.

Все перечисленные особенности свойств и применения верёвочных изделий определяют специфику технологии их изготовления, а также устройство и работу технологического оборудования.

Кроме лубяных волокон, для производства верёвок могут быть использованы хлопчатобумажная пряжа, а также искусственные и синтетические нити, в том числе вискозные нити в жгуте, вискозные кордные нити, капроновые комплексные нити и т. п.

Наиболее распространена трехпрядная конструкция веревок тросовой свивки. Однако в некоторых случаях верёвки могут быть четырёх-, девяти- и даже двенадцатипрядными.

.1 Технология производства верёвочных изделий

Процесс производства верёвочных изделий состоит из следующих операций: подготовка пряжи - перемотка (в некоторых случаях пропитка консервантами); формирование прядей; свивка веревок; отделка веревок.

Подготовка пряжи заключается в перемотке ее с катушек прядильных машин в бобины большой вместимости (2-10 катушек в одну бобину), чтобы повысить коэффициент полезного времени прядевьющих машин, сократить число пороков пряжи, используемой в качестве каболок.

Пряжу для верёвок перематывают на крестомотальных машинах, на машинах КШ-4 или на так называемых качалочных машинах канатного производства, перематывающих пряжу в бобины крестовой мотки диаметром до 300 мм, высотой до 330 мм. В некоторых случаях пряжу для веревочных изделий пропитывают непачкающими консервирующими составами, которые придают, готовому изделию противогнилостные свойства.

Формируют пряди для веревочных изделий на прядевьющих машинах при небольшой интенсивности кручения. Понижение крутки связано с необходимостью получить более мягкое и гибкое изделие. Кроме того, при меньших крутках прядей (и прочих равных условиях) коэффициент использования прочности каболок в пряди повышается.

Число кручений в одном метре пряди для веревок определяется следующим соотношением:

 (39)

где t - число кручений в 1 м пряди; D - диаметр веревки, мм.

При формировании прядей для веревочных изделий необходимо распределять каболки послойно. Поскольку плотность пряжи для веревок меньше плотности канатной пряжи (γ=0,55-0,65 г/см3), прирост числа каболок по слоям (градация) принимается больше, чем у канатных прядей: j = 7-8 (у пеньковых канатов j = 6-7).

Когда ровнота поверхности веревок имеет особое значение, для уменьшения ворсистости пряди в процессе их формирования состригают с помощью специальных стригальных механизмов, устанавливаемых на прядевьющих машинах.

Верёвки в основном свивают так же, как и канаты. Коэффициент крутки верёвочных изделий Л = 0,92-1,2. Прядям в процессе свивки верёвок сообщается подкрутка, компенсирующая (с некоторым превышением) раскручивание прядей.

Нередко в государственных стандартах и технических условиях на верёвочные изделия вместо круток, то есть числа кручения в единице длины изделия, вводится число витков всех прядей. Число витков всех прядей Квит больше числа кручений в 1 м изделия К в число раз, равное числу прядей в верёвке.

Квит = nЧК; Квит = 3ЧК - для трёхпрядных верёвок.

К заключительным процессам производства верёвочных изделий относится процесс перемотки.

Верёвочные изделия сравнительно небольшой длины используют в сельском хозяйстве, на транспорте, в торговой сети. Поэтому большое значение имеет выпуск верёвок в малых паковках.

Тонкие верёвки перематывают в бобины крестовой мотки или в сравнительно небольшие бухты (например, плащ-палаточная верёвка), а в некоторых случаях в мотки заданной длины (перематывают на мотовилах с периметром 1,0-1,5 м).

Верёвки в готовом виде могут быть пропитаны консервирующими составами на проходных агрегатах.

.2 Оборудование для производства верёвочных изделий

Тонкие верёвочные изделия от 3 до 6 мм скручивают последовательно: пряди - на рогулечных крутильных машинах К-200-П или К-280-П, сами веревки свивают на фонарных крутильных или на верёвочных машинах сигарного типа, например, на машинах ВВ-305-П.

Прядевьющие машины ВП-305-П являются машинами однозонного кручения с продольным расположением оси приемной катушки, размещенной внутри крутящего ротора.

Рисунок 19. Схема прядевьющей верёвочной машины ВП-305-П

Пряди диаметром от 3 до 6 мм свивают при независимой подаче до 16 каболок в зону кручения.

Машина ВП-305-П имеет две самостоятельные крутильные головки с индивидуальными приводами. Особенностью их является наличие стригального устройства, обрабатывающего поверхность пряди на участке между калибром и крутильным ротором (рис. 19). Необходимо подчеркнуть, что пряди можно состригать только в тех случаях, когда они не имеют значительных утолщений.

Процесс формирования пряди осуществляется следующим образом: каболки сматываются с катушек 1, установленных на шпильках шпулярника (катушки приторможены накладными шайбами), проходят систему контрольных механизмов 2, 3, поступают в распределительное устройство 4 и собираются в калибре 5. Выйдя из калибра, сформированная прядь проходит вдоль спиральных ножей стригального устройства 6 (которое может быть отключено). Далее через крутильную трубку 7 прядь проходит в крутильный ротор 8, огибает тяговые желобчатые блочки 9 и через направляющие ролики 10 поступает на приемную катушку 11.

На ступицах желобчатых блочков 9 укреплены шестерни Z2, которые находятся в зацеплении с шестерней Z1 получающей вращение от крутильной трубки.

Поскольку блочки вращаются вместе с ротором и их шестерни обкатывают шестерню Z1 частоту вращения блочков относительно ротора (относительное вращение обеспечивает вытягивание скрученной пряди) определяют из расчета планетарного механизма.

, (40)

где nБ - частота вращения блочков относительно ротора, мин-1;- частота вращения крутильного ротора, мин-1;- частота вращения крутильной трубки (знак "+" при вращении трубки навстречу ротору), мин-1.

Крутку пряди рассчитывают по формуле

, (41)

гдеt - число кручений в 1 м пряди; V - скорость вытягивания пряди, м/мин; nP - частота вращения крутильного ротора, мин-1 (обычно nP = 1000-1200 мин-1); dБ - диаметр блочков (с учетом диаметра пряди), м (dБ ≈ 0,1 м); DCМ - диаметр сменного шкива в передаче к крутильной трубке.

Рисунок 20 - Схема свивальной веревочной машины сигарного типа ВВ-305-П

Производительность прядевьющей машины, м/ч:

, (42)

где 2 - число головок на машине; КПВ - коэффициент полезного времени.

Для изготовления прядей диаметром от 6 до 10 мм предназначены машины двухзонного (двукратного) кручения ВП-350-П. Частота вращения крутильного ротора машины ВП-350-П находится в пределах 500- 600 об/мин. При этом скорость свивки пряди составляет 1000- 1200 кр./мин.

Машины для свивки верёвок имеют ряд характерных особенностей, связанных с конструкцией крутильного механизма сигарного типа.

На машинах ВВ-305-П и ВВ-350-П использованы в качестве питающих катушки с прядевьющих машин ВП-305-П и ВП-350-П. За рубежом машины сигарного типа для производства канатно-верёвочных изделий выпускаются фирмой "Сима" (Италия) - Линия 1/3 и Линия 1/4.

На рисунке 20 изображена схема двухроторной машины ВВ-305-П сигарного типа (каждый ротор имеет самостоятельный привод и свое приемно-мотальное выносное устройство).

Внутри трехсекционного ротора (сигары) 6 установлены в люльках 8 на катушкодержателях 5 катушки с прядями 7 по одной в каждой секции. При необходимости выработки четырехпрядной верёвки четвёртую катушку с прядью устанавливают на выносном катушкодержателе.

Люльки на цапфах с подшипниками свободно висят в секциях сигары и удерживаются от вращения вместе с ротором балластом.

Пряди с катушек, установленных в люльках, проходят через отверстия люльки и по направляющему ролику проводятся через осевое отверстие цапфы сигары и далее, огибая сигару, по направляющим роликам попадают через чекмарь выходного патрона в калибр.

Из калибра свитая верёвка поступает на тяговые желобчатые блоки 4, обогнув которые несколькими витками, верёвка по блоку. 3 и далее по раскладчику 2 подводится к приёмному устройству для навивки в бухту. Приёмное устройство 1 состоит из двух дисков с конусными втулками. После того как бухта полностью намотана, работница поворачивает штурвал, разъединяя половины приемного устройства. Одну из них, наружную, отводит в сторону, после чего снимает бухту, обвязывает ее и направляет к месту складирования для испытания, маркировки и подбора в партии для отправки.

На машинах Линия 1/3 и Линия 1/4 фирмы "Сима" каждая крутильная головка имеет по два приёмных устройства. Это позволяет значительно повысить КПВ, так как обвязывать и снимать наработанную бухту веревки можно, не останавливая машины (используется резервное приемное устройство).

Особенностью машин сигарного типа является то, что это оборудование однозонного кручения, в котором ни питающие, ни приёмные паковки не участвуют в скручивающем вращении.

Верёвка свивается исключительно благодаря вращению ротора, которому сообщается сравнительно большая частота вращения.

Подкрутка прядей, которая осуществляется на машине в процессе свивки канатно-верёвочного изделия, не регулируется: за один оборот крутильного ротора прядям сообщается один оборот подкрутки.

Это становится очевидным, если рассматривать процесс свивки относительно ротора, вообразив его неподвижным: катушка с прядями и приемная катушка вращаются относительно ротора в одинаковом направлении с равным числом оборотов; если верёвка получает крутку Z, то пряди получают подкрутку S (относительно чекмаря на роторе).

Недостатком машин сигарного типа является наличие зон, при прохождении которых прядям сообщается ложная крутка.

Характеристика верёвочных машин сигарного типа дана в табл. 1.

Таблица 1

Характеристика верёвочных машин сигарного типа

Параметры

Марка машины


ВВ-305-П

ВВ-350-П

Линия 1/З;Линия 1/4

Диаметры вырабатываемых изделий, мм

6-12

12-20

6-22

Количество роторов

2

2

2

Частота вращения роторов, об/мин

1029

750

1200-1400

Размер питающей катушки, мм: диаметр высота

 254 305

 300 350

 318 359

Размер приемной паковки, мм: диаметр высота

 530 370

 700 370

 700 410

 

6. Производство ниток


К ниточной группе относятся самые тонкие крученые изделия, по построению сходные с двухниточными или многониточными шпагатами. Крученые нитки различают по материалу, из которого изготовлена исходная пряжа (чесаный лен, очес или смесь льняных и химических волокон); по способу получения исходной пряжи (сухой, мокрый, полумокрый); по виду отделки (суровые вареные, беленые, окрашенные, вощеные, лощеные и др.).

Различают мокрый, сухой и полумокрый способы кручения ниток.

По структуре нитки могут быть одинарного кручения (ZS или SZ), сформированные путем скручивания нескольких исходных одиночных пряж или нитей, и нити двукратного кручения (ZSZ или SZS), скрученные из нескольких нитей одинарного кручения.

Рисунок 21 - Структура ниточных изделий

В табл. 2 приведен основной ассортимент изделий ниточной группы, показано построение каждого вида ниток, дана краткая характеристика области применения.

Линейная плотность Т крученых ниток определяется по формуле

, (43)

где T0 - линейная плотность исходной пряжи; n1 и n2 - число сложений при первом и втором кручении; К - коэффициент потери массы при химической обработке, равен 1,08-1,15; Ky - общая укрутка исходных элементов в готовой нитке, Ky = 0,94-0,965.

Процесс производства крученых изделий ниточной группы в основном складывается из следующих переходов: подготовки одиночных нитей (пряжи) к кручению, формирования (кручения) нитей на крутильных машинах, отделки крученых нитей, сушки, перемотки в товарные паковки и упаковки.

Таблица 2

Основной ассортимент изделий ниточной группы

Вид ниток

Исходный материал и элементы

Последовательность и направление скручивания

Число сложений элементов

Вид отделки

Назначение изделия

1

2

3

4

5

6

Нитки пошивочные

Пряжа оческовая мокрая 84-170 текс

ZS (мокрое)

2; 3

Варка пряжи; по требованию потребителей - консервация

Для пошива мешков и изделий из технических тканей


Пряжа льняная мокрая 34-68 текс

ZS

2; 3; 4; 6 и 8

-

То же


Пряжа льняная сухая 220 текс

ZS

2

-

Для пошива мешков перекидным швом

Нитки ковровые

Пряжа льноджутовая суровая 280-400 текс

SZ

3-6

-

Для ковровых изделий

Нитки сетевязальные

Капроновая комплексная нить

SZS

(3-6) Ч Ч(З-6) Ч Ч(3-4)

-

Для изготовления сетей


Пряжа льняная мокрая вареная 28-68 текс

ZS (мокрое)

2-3-4-6

Консервация, умягчение

То же

Нитки парусные

Пряжа льняная сухая 220 текс

ZS (полусухое)

3-4-5-6

-

Для сшивки парусов, тентов и т. п.

Нитки для парашютной промышленности

Пряжа льняная мокрая 84 текс, полусухая 105 текс

SZ

5 6

- Крашение пряжи

Для ткачества парашютных лямок

Нитки для обуви и шорно-седельных изделий

Пряжа льняная полусухая 105-130 текс с гребнепрядильных машин повышенной ровноты

ZS или SZ

4-8

Варка (в пряже), отбелка до 1/8, беление, крашение, сушка

для пошива шорно-седельных изделий и обуви


Капроновая комплексная нить

SZS

6ЧЗ; 6Ч4; 5Ч3

-

То же

Нитки специальные (авиационные и др.)

Пряжа льняная полусухая 105 текс

ZS (полусухая) ZSZ

5-6-8 и 9 2Ч3; 2Ч5; 2Ч6; ЗЧ4

Сушка, лощение натуральным чистым воском

Для ручной прошивки тканей в самолетостроении

"Аркат" льняной

Пряжа льняная мокрая (высокой добротности 42-56 текс)

ZS (мокрое)

1ЧЗ; ЗЧЗ; 3Ч4; 4Ч4

Лощение

Для оснастки жаккардовых ткацких станков и других целей

Прочие нитки (включая кручёную пряжу для ткачества)

Пряжа льняная оческовая, хлопчатобумажная, штапельная и т. п.

ZS

2-3-4-5

-

Для разных целей, включая нитки для тканей, плетения и кручения шнуров и т.п.



.1 Подготовка пряжи к кручению ниток

Подготовка пряжи необходима для её облагораживания, повышения качества, а также для повышения производительности труда и оборудования на последующих переходах кручения. В подготовку входят: химическая обработка пряжи - беление, варка (при необходимости), и трощение - перемотка нескольких пряж в большие паковки (цилиндрические бобины крестовой намотки).

Тростильно-мотальные операции осуществляются на машинах с мотальным барабанчиком ТВ-150 и на машинах с эксцентриковым нитераскладчиком марки Т-150 (до трёх сложений), ТК-190 и Т-190 (до шести сложений); скорость перемотки от 200 до 300 м/мин.

Для производства некоторых специальных ниток (например, авиационные) и обувных ниток пряжу не тростят, а перематывают в большие паковки одинакового диаметра, из которых подбирают ставки - несколько клубков, одновременно подаваемых на крутильную машину.

.2 Формирование кручёной нити

Льняные кручёные нити вырабатывают на кольцевых крутильных машинах с принудительной подачей элементов в зону кручения. При этом преимущественно используется предварительно трощёная пряжа. Особенностью применяемых крутильных машин является наличие ванночки (корытца) для смачивания скручиваемой пряжи при мокром кручении.

Сухое кручение ниток льняных и с химическими волокнами линейной плотностью 55,6-92 текс из пряжи мокрого прядения осуществляется на аналогичных кольцевых крутильных машинах К-83, К-136-И, "Текстима" с частотой вращения веретён, соответственно, 8000, 5000 и 5500 об/мин.

Для сухого и мокрого кручения ниток льняных, льняных с химическими волокнами, очёсковых, а также ниток двукратного кручения используют кольцевые крутильные машины К-128-1 (КС-128-1), КМ-128-1 с частотой вращения веретен от 5500 до 3200 мин-1 в соответствии с линейной плотностью вырабатываемых нитей от 68 до 1000 текс.

Скручиваемая пряжа увлажняется при прохождении через корытце с водой, что способствует некоторому вытягиванию пряжи, уплотнению и выравниванию крученой нити.

Сухое скручивание оческовых льняных нитей линейной плотностью 280-1250 текс из пряжи сухого и мокрого прядения проводят на кольцевых крутильных машинах К-176-1,2 и К-132 Частота вращения веретен от 2000 до 2500 об/мин.

Нитки льняные, оческовые и нитки из химических волокон линейной плотностью 400-1700 текс скручивают на машинах ТК-228-С.

Льняные крученые нитки для машинной пошивки обуви и нити специальные изготовляют из пряжи полумокрого прядения, выработанной на гребнепрядильных машинах. Пряжу скручивают в нитку в 5-8 сложений полумокрым способом на машинах КД-152-Л (рис. 22) с подвесной рогулькой при независимой подаче элементов в зону кручения, где установлен калибр. Питание машины осуществляется с нескольких одинаковых по размеру клубков пряжи. Клубки меняют одновременно (ставками), что обеспечивает минимальную разницу между натяжениями скручиваемых пряж и, следовательно, минимальную штопорность изделия. На машине КД-152-Л скручивают также и крученые нитки соответствующих линейных плотностей из химических комплексных нитей.

Толстые крученые нитки линейной плотностью 1700-6800 текс формируют на тяжелых крутильных машинах с подвесной рогулькой К-280-П.

6.3 Отделка изделий ниточной группы

Для улучшения внешнего вида, удаления с поверхности остатков пектиновых веществ и пыли, прилипшей к волокнам в процессе мокрого прядения, и последующей сушки пряжи, придания ниткам специфических свойств проводят ряд отделочных операций. Нитки из пряжи мокрого прядения, а также нитки, прошедшие варку, мягчат путем закручивающего вращения то в одну, то в другую сторону мотка, надетого на два крюка.

Для придания поверхности ниток глянца без нанесения каких-либо веществ их полируют на специальной машине. Мотки ниток надевают на каждую из четырех пар гладких валиков. Одна сторона мотков проходит между быстро вращающимися рифлёными валиками, сделанными из дерева твёрдых пород. Рифли одного валика не заходят в рифли другого, а лишь касаются мотка ниток.

Рисунок 22 - Технологическая схема дратвенной крутильной машины КД-152-Л: 1 - натяжитель; 2 - направляющий пруток; 3 - регистр (розетка); 4 - калибр; 5 - нитепроводная трубка; 6 - тянульные блоки; 7 -, направляющий ролик; 8 - приёмная катушка; 9 - тормозной диск; 10 - шпиндель каретки.

Медленно движущаяся нитка механически полируется быстровращающимися рифлёными деревянными валиками. Для создания глянца, повышения ровноты и снижения коэффициента трения поверхности нити лощат на лощильной машине.

Мотки ниток, предварительно смоченные аппретом, содержащим раствор крахмала, щелочи, антисептика, клеящего вещества, масляную эмульсию, заправляют на медленно вращающиеся гладкие валики (скорость движения нитей 1,7 м/мин).

Барабан, состоящий из ряда продольных планок со щетками, быстро вращаясь, полирует поверхность нитки. Дополнительная сушка ниток, несмотря на нанесение аппрета, не требуется.

Вощению подвергают специальные нитки льняные вареные из пряжи полумокрого способа прядения. Их пропитывают чистым пчелиным воском и полируют щеточными барабанами в процессе перемотки (рис. 23). При этом линейная плотность нити увеличивается на 35-40%, а ее разрывная нагрузка уменьшается на 6-8%.

Химической обработке (варке, белению), как правило, подвергают ровницу, реже - пряжу. В виде исключения варят готовую скрученную нить (этот процесс аналогичен варке пряжи).

Кручёные нити сушат двумя способами: 1) в мотках, расправленных под натяжением на барабанах сушильных машин, в течение 1,5-2 ч. при температуре поверхности барабана 130°С; 2) на перфорированных патронах в сушильных машинах ПС-8-Л2 в течение 5-6 ч при постепенно снижающейся температуре воздуха внутри камеры от 11О° до 90°С. В процессе сушки следят за тем, чтобы нитки не оказались пересушенными, так как при этом они становятся жёсткими и ломкими.

С целью формирования удобных транспортабельных паковок кручёные нити всех линейных плотностей перематывают в конические (на машинах РБ-150-Л) и цилиндрические (на машинах ТК-190 и РК-210-П) бобины крестовой намотки массой от 2,1 до 3,9 кг. Скорость перемотки от 260 до 450 м/мин. Иногда нитки перематывают в мотки на мотовилах обычного типа со скоростью 140-230 м/мин.

Упаковка и маркировка ниток осуществляется подобно упаковке шпагатов и шнуров.

Рисунок 23 - Вощильная машина:

- отжимная пара; 2 - питающая катушка; 3 - выходная паковка; 4 - вытяжная пара; 5, 6,7,8 - щеточные барабаны

Литература


1. Прядение льняных и химических волокон и производство кручёных изделий: учебник / Л.Н. Гинзбург [и др.]. - Москва: Лёгкая индустрия, 1980. - 494 с.

. Справочник по прядению льна / Б.Н. Фридман [и др.]; под общ ред. С.В. Тарасова. - Москва: Лёгкая индустрия, 1979. - 376 с.

. Прядение льна / Г.И. Пиковский, С.И. Сальман. - Москва: Лёгкая индустрия, 1968. - 452 с.

Похожие работы на - Производство кручёных изделий

 

Не нашли материал для своей работы?
Поможем написать уникальную работу
Без плагиата!
Без нейросетей!