Проектирование привода к шаровой мельнице
Задание
Спроектировать привод к шаровой мельнице по следующим исходным данным:
мощность на рабочем валу……………… Nр.в.=6.2 кВт,
частота вращения рабочего вала……..nр.в.=28 об/мин
режим работы……………………………………ПВ=75%
Оптимизация и выбор привода.
Привод - устройство для приведения в действие машин от двигателя через
передаточные механизмы. Соединение вала машины с валом электродвигателя
возможно лишь в редких случаях. В основном для привода машины необходима
установка понижающей или передачи. Оптимальный тип передачи определяют с учетом
ряда факторов: эксплуатационных условий, характеристик нагрузки, срока службы,
техники безопасности, удобства расположения, обслуживания, стоимости привода.
Наибольшее распространение в промышленности получили трехфазные
асинхронные двигатели серии 4А ГОСТ 19523 - 81. Двигатели выпускаются с
синхронной частотой 3000, 1500, 1000 и 750 об/мин.
Передаточное число привода (без учета скольжения):
) uпр = 3000/28 =107,1
) uпр = 1500/28 = 53,6
) uпр = 1000/28 = 35,7
) uпр = 750/28 = 26,8
Электродвигатели с низким числом оборотов имеют большие размеры и
соответственно большую стоимость. Двигатели с большой частотой вращения (3000
об/мин) имеют меньший рабочий ресурс по сравнению с низкооборотными
двигателями.
В машинах барабанного класса, в основном, вращение от электродвигателя
передается к барабану через редуктор и открытую передачу. Открытая передача
может быть фрикционной, цепной и зубчатой.
Наиболее простая в изготовлении фрикционная передача, но она в
эксплуатации не надежна: имеет место проскальзывание. В нашем случае наиболее
целесообразно использование открытой зубчатой передачи, так как в этом случае
ведомое зубчатое колесо можно сделать бандажным и закрепит непосредственно на
цилиндрической поверхности барабана. Передаточное число открытой передачи лежит
в пределах 3÷6,3, принимаем для открытой передачи uоп = 6, тогда для редуктора
2) up = u/uоп =
35,7/6 = 6,0
) up = u/uоп =
26,8/6 = 4,5
Для одноступенчатого редуктора оптимальное значение передаточного числа
2,5÷4,5,
поэтому необходимо
использовать двухступенчатый редуктор. Окончательно выбираем вариант 2 с
цилиндрическим 2х ступенчатым редуктором с передаточным числом 8.
Рис. 1 - Кинематическая схема привода
1. Кинематический расчёт привода и выбор
электродвигателя
.1 Определим общее передаточное число привода,
об/мин
где - синхронная частота вращения вала электродвигателя, об/мин:
об/мин [1, стр.41],
nр.в -
частота вращения рабочего вала мешалки, об/мин
Определим передаточное отношение привода
1.2 Определим общий КПД привода
η = η12η2 η34
где ηззп = 0,97 - КПД зубчатой закрытой передачи [1, стр.43, табл.3.6],
ηзоп = 0,95 - КПД зубчатой открытой
передачи [1, стр.43,
табл.3.6],
ηпп = 0,995 - КПД пары подшипников [1, стр.43, табл.3.6],
η = 0,972·0,95·0,9954 = 0,876
1.3 Определим расчётную мощность
электродвигателя, КВт
где Nр.в = 6.2кВт - мощность на рабочем
валу мельницы
.4 Выбираем электродвигатель
Выбираем трёхфазный асинхронный короткозамкнутый электродвигатель
А132S4 [1c.44]:
мощность
N- 7,5 кВт синхронная частота
об/мин
номинальное
скольжение S- 2,9%
Недогрузка
электродвигателя:
.5кВт-100%
.42кВт-x%
Х=0.42*100/7.5=5.6%
Двигатель
работает с недогрузкой равной 5.6 %, которая меньше допускаемой составляющей
15%, следовательно, двигатель выбран правильно.
1.5 Определим асинхронную частоту вращения вала
электродвигателя, об/мин
.6 Уточним общее передаточное число привода
Принимаем
передаточное отношение цилиндрической зубчатой передачи
,
ГОСТ
9563-60
Уточняем передаточное число открытой передачи
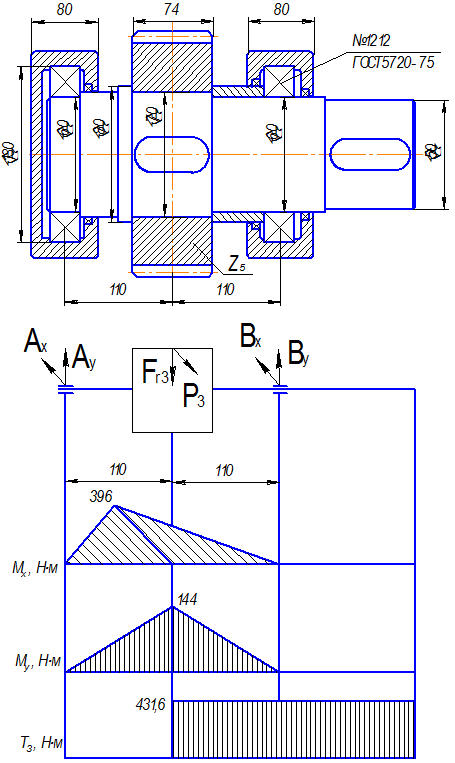
1.7 Определим моменты на валах, Н×м
Н×м
Н×м
Н×м
.8 Определим скорости валов, об/мин
1
= nдв = 1456 об/мин
Силовые и кинематические параметры привода. Таблица 1.1
|
Параметр
|
Обозначение
|
Значение
|
|
Общий КПД привода
|
0.876
|
|
|
Расчётная мощность электродвигателя, КВт
|
7.08
|
|
|
Уточненное передаточное число привода
|
52
|
|
|
Передаточное отношение
|
первой ступени  2.8
|
|
|
второй ступени 3.55
|
|
|
ОЗП  5.2
|
|
|
Вращающий
момент на валу, Нм
|
быстроходном 46.2
|
|
|
|
среднем 158.5
|
|
|
|
тихоходном 431.6
|
|
|
|
рабочем 2116
|
|
|
Частота
вращения вала, об/мин
|
быстроходного 1456
|
|
|
|
среднего 410
|
|
|
|
тихоходного 146
|
|
|
|
рабочего 28
|
|
2. Расчет закрытой цилиндрической
зубчатой передачи
подшипник
вал редуктор цилиндрический
Первая ступень
2.1 Выбираем материал для
изготовления шестерни и колеса (1,стр10)
Шестерня: сталь 45X, термообработка улучшение НВ280
Колесо: сталь 45X, термообработка улучшение НВ260
Так как твёрдость поверхности зубьев колеса меньше, чем
твёрдость поверхности зубьев шестерни, поэтому расчёт по контактным
напряжениям производим для зубчатого колеса.
2.2 Определим допускаемое
контактное напряжение, Мпа (1,стр88)
-предел
контактной выносливости поверхностей зубьев при базовом числе циклов
напряжений, МПа:
sН02 = 2НВ2+70 = 2×260+70 = 590 МПа [1, стр.88, табл.6.1]
KHL =
1 - коэффициент долговечности [1, стр.89],
SH =
1,1 - коэффициент безопасности [1, стр.89].
МПа
2.3 Определим межосевое расстояние,
мм (1,стр92)
Так
как линейная скорость на быстроходном валу больше 3-4 м/с, то принимаем для
первой ступени косозубую передачу
где Ка = 430 - для косозубых передач [1, стр.92],
КНb=1,05
-коэффициент неравномерности распределения нагрузки по ширине зубчатого венца [1, стр.93, табл.6.4]
ybа = 0,315 -коэффициент ширины венца зубчатого колеса
относительно межосевого расстояния по ГОСТ2186-66 [1, стр.92, табл.6.3],
- коэффициент ширины венца зубчатого колеса относительно
диаметра:
мм
Принимаем по ГОСТ 2185-66 [1 с. 36] a = 100 мм
2.4 Определим модуль m, мм
= (0,01 ¸ 0,02)×100 = 1,00¸ 2,0 мм
2.5 Определим суммарное число
зубьев
.6 Определим число зубьев шестерни и колеса
z2 = 98- 22 =
76;
.7 Уточним межосевое расстояние, мм
Действительное
значение угла наклона:
cosb = z*m/2a =
98×2/2×100 = 0,980 ® b =11°48`.
=
(22+76)×0.5*2/(cos11°48)` = 100 мм.
2.8 Определим расчётные контактные
напряжения, МПа
-
коэффициент формы суммарной длины контактных линий,
Ze - коэффициент
суммарной длины контактных линий,
КНa = 1,09 - коэффициент, учитывающий распределение нагрузки между
зубьями [1, стр.97, табл.6.6]
КНb = 1,08 - коэффициент распределения нагрузки по ширине венца [1,
стр.93, табл.6,4]
КНv=1,0
- коэффициент динамической нагрузки [1, стр.98, табл.6.7]
- угол
зацепления [1, стр.97]
- коэффициент суммарной длины контактных линий
- коэффициент торцового перекрытия:
-
окружная скорость передачи, м/с
Величина расчётного контактного напряжения должна быть в
пределах:
- условие расчёта по контактным напряжениям выполняется
-100%
-Х%
Х=1,9% допустимо 5 % перегрузка
2.9 Определим допускаемое
напряжение изгиба зубьев шестерни и колеса, МПа
- предел выносливости зубьев при изгибе, соответствующий
базовому числу циклов напряжений, МПа:
[1, стр.88, табл.6.1]
МПа
МПа,
-
коэффициент долговечности [1, стр.90],
- коэффициент
влияния двухстороннего приложения нагрузки [1, стр.90],
SF -
коэффициент безопасности.
SF = S`F S``F
-
коэффициент нестабильности свойств материала зубчатого колеса и
ответственности зубчатой передачи [1, стр.90],
-
коэффициент способа получения заготовки зубчатого колеса:
- [1, стр.91]
YS = 1,035 -
коэффициент градиента напряжений и чувствительности материала к концентрации
напряжений [1, стр.91, табл.6.2]
[s]F1 = 504×1×0,7×1,035/1,75 = 209 МПа
[s]F2 = 468×1×0,7×1,035/1,75 = 194 МПа
2.10 Определим расчётное напряжение
изгиба зубьев шестерни и колеса, МПа
-
коэффициент формы зуба:
;
-
МПа
МПа
так как отношение [s]F1/YF1 < [s]F2/YF2,
то дальнейший расчет ведем по зубьям шестерни.
, МПа
Yb - коэффициент наклона зуба,
Yb = 1 - b/140
= 1 - 11°48`/140
= 0,918
- коэффициент распределения нагрузки между зубьями:
для 8 ст. точности [1, стр.99],
KFb = 1,15- коэффициент неравномерности распределения нагрузки
по ширине венца [1,
стр.99, табл.6.9],
KFv =
1,3- коэффициент динамической нагрузки [1, стр.99, табл.6.10],
- ширина
венца шестерни, мм:
b1 = b2+5
= 32+5 = 37 мм;
МПа
Условие sF2
< [s]F2 выполняется
2.11 Определим силы, действующие в зацеплении
(1стр,95)
кН
кН
Радиальная
сила, кН
где
- угол зацепления [1, стр.96]
Fr = Ft*tga = 2.058*tg20° =0.74 кН
Fr = Ft*tga = 2.043*tg20° =0.73 кН
Осевая
сила:
Fa1 = Fttgb
= 2.058tg11°48` = 0.4= Fttgb = 2.043tg11°48`
= 0.4
2.12 Определим геометрические параметры (1стр,95)
Торцовый
модуль, мм
Делительный диаметр, мм
d1 = mz1/cosb = 2×22/cos11°48` = 44,90 мм,
d2 =
76×2/cos11°48` = 155,10 мм;
Диаметр вершин зубьев, мм
da1 =
d1+2m = 44,90+2×2 = 48,90 мм,
da2 =
155,10+2×2 = 159,10 мм;
Диаметр впадин зубьев, мм
df1 =
d1- 2,5m = 44,90 - 2,5×2 = 39,90 мм,
df2 =
155,10-2,5×2 = 150,10 мм;
Шаг нормальный, мм
мм
Окружная толщина зубьев, мм
, мм
Ширина впадин зубьев, мм
, мм
Высота зуба, мм
мм
Высота ножки зуба, мм
мм
Высота головки зуба
мм
Радиальный зазор, мм
мм
ширина колеса:
b2 = ybaa = 0,315×100 = 32 мм;
ширина шестерни:
b1 = b2+5 = 32+5 = 37 мм;
Геометрические
параметры цилиндрической передачи
|
Параметр
|
Обозначение
|
Значение
|
|
Межосевое расстояние, мм
|
100
|
|
|
Число зубьев
|
шестерни 22
|
|
|
колеса 76
|
|
|
Модуль зацепления нормальный, мм
|
2
|
|
|
Модуль зацепления торцовый, мм
|
2
|
|
|
Делительный диаметр, мм
|
шестерни 44.9
|
|
|
колеса 155.1
|
|
|
Диаметр вершин зубьев, мм
|
шестерни 48.9
|
|
|
колеса 159.1
|
|
|
Диаметр впадин зубьев, мм
|
шестерни 39.9
|
|
|
колеса 150.1
|
|
|
Угол наклона зубьев, град
|
11.48
|
|
|
Шаг нормальный, мм
|
6.28
|
|
|
Ширина впадин зубьев, мм
|
3.14
|
|
|
Окружная толщина зубьев, мм
|
3.14
|
|
|
Высота зуба, мм
|
4.5
|
|
|
Высота ножки зуба, мм
|
2.5
|
|
|
Высота головки зуба, мм
|
2
|
|
|
Радиальный зазор, мм
|
0.5
|
|
|
Ширина венца, мм
|
шестерни 37
|
|
|
колеса 32
|
|
|
Окружная сила, КН
|
шестерни 2.058
|
|
|
колеса 2.043
|
|
|
Радиальная сила, КН
|
шестерни 0.74
|
|
|
колеса 0.73
|
|
|
Осевая сила, КН
|
шестерни 0.4
|
|
|
колеса 0.4
|
|
Вторая ступень.
2.13 Выбираем материал для
изготовления шестерни и колеса (1,стр10)
Шестерня: сталь 45X, термообработка улучшение НВ280
Колесо: сталь 45X, термообработка улучшение НВ260
Так как твёрдость поверхности зубьев колеса меньше, чем
твёрдость поверхности зубьев шестерни, поэтому расчёт по контактным
напряжениям производим для зубчатого колеса.
2.14 Определим допускаемое
контактное напряжение, МПа
-предел
контактной выносливости поверхностей зубьев при базовом числе циклов
напряжений, МПа:
sН02 = 2НВ2+70 = 2×260+70 = 590 МПа [1, стр.88, табл.6.1]
KHL =
1 - коэффициент долговечности [1, стр.89],
SH =
1,1 - коэффициент безопасности [1, стр.89].
МПа
2.15 Определим межосевое
расстояние, мм
Ка = 430 - для косозубых передач [1, стр.92],
КНb=1,05
-коэффициент неравномерности распределения нагрузки по ширине зубчатого венца [1, стр.93, табл.6.4]
ybа = 0,315 -коэффициент ширины венца зубчатого колеса
относительно межосевого расстояния по ГОСТ2186-66 [1, стр.92, табл.6.3],
- коэффициент ширины венца зубчатого колеса относительно
диаметра:
Принимаем а=160 мм по ГОСТ 21185-66 [1, стр.94]
2.16 Определим модуль, мм
= (0,01 ¸ 0,02)×160 = 1,60¸ 3,2 мм
Принимаем
по ГОСТ 9563-60
[1, стр.93]
2.17 Определим суммарное число
зубьев
2.18.Определим число зубьев шестерни и колеса
Принимаем
42
Принимаем
118
2.19 Уточним межосевое расстояние, мм
Принимаем а=160 по ГОСТ 21185-66 [1, стр.94]
2.20 Определим расчётные контактные
напряжения, МПа
-
коэффициент формы сопряженных поверхностей зуба:
ZH=1,76 - для
прямозубой передачи
-
коэффициент торцового перекрытия:
-
коэффициент суммарной длины контактных линий
КНa = 1,0 - коэффициент, учитывающий распределение нагрузки между зубьями
для прямозубой передачи [1, стр.97, табл.6.6]
- ширина
венца зубчатого колеса, мм:
мм,
делительные
диаметры:
d3 = mz3
= 2×42 = 84 мм,
-
окружная скорость передачи, м/с
м/с,
КНv=1,05-
коэффициент динамической нагрузки, возникающей в зацеплении [1, стр.98, табл.6.7]
МПа
Величина расчётного контактного напряжения должна быть в
пределах:
условие расчёта по контактным напряжениям выполняется
-100%
-Х%
X=9.6%
<15% недогрузка
2.21 Определим допускаемое
напряжение изгиба зубьев шестерни и колеса, МПа
- предел выносливости зубьев при изгибе, соответствующий
базовому числу циклов напряжений, МПа:
[1, стр.88, табл.6.1]
МПа
МПа,
-
коэффициент долговечности [1, стр.90],
-
коэффициент влияния двухстороннего приложения нагрузки [1, стр.90],
SF -
коэффициент безопасности.
SF = S`F S``F
-
коэффициент нестабильности свойств материала зубчатого колеса и
ответственности зубчатой передачи [1, стр.90],
-
коэффициент способа получения заготовки зубчатого колеса:
- [1, стр.91]
YS = 1,035 -
коэффициент градиента напряжений и чувствительности материала к концентрации
напряжений [1, стр.91, табл.6.2]
[s]F1 = 504×1×0,7×1,035/1,75 = 209 МПа
[s]F2 = 468×1×0,7×1,035/1,75 = 194 МПа
2.22 Определим расчётное напряжение
изгиба зубьев шестерни и колеса, МПа
- коэффициент формы зуба:
;
-
МПа
МПа
так
как отношение [s]F2/YF2
< [s]F1/YF1, то дальнейший расчет ведем по зубьям колеса
, МПа
b - коэффициент наклона зуба,
Yb = 1 для прямозубой
-
коэффициент распределения нагрузки между зубьями:
для 8
ст. точности [1, стр.99],
KFb = 1,15-
коэффициент неравномерности распределения нагрузки по ширине венца [1, стр.99, табл.6.9],
KFv = 1,25-
коэффициент динамической нагрузки [1, стр.99,
табл.6.10],
- ширина
венца шестерни, мм:
b1 = b2+5
= 45+5 = 50 мм;
МПа
-
условие расчёта по изгибным напряжения выполняется
2.23 Определим силы, действующие в зацеплении
(1стр,95)
кН
кН
Радиальная
сила, кН
,
где
- угол зацепления [1, стр.96]
Fr = Ft*tga = 3.77*tg20° =1.35 кН
Fr = Ft*tga = 3.65*tg20° =1.34 кН
2.24 Определим геометрические параметры
Торцовый
модуль, мм
Делительный диаметр, мм
d1 =
2×42 = 84
мм,
d2
=118×2 = 236 мм;
Диаметр вершин зубьев, мм
1 = = 84+2×2 = 88 мм,
da2 =
236+2×2 = 240 мм;
Диаметр впадин зубьев, мм
1 = 84 - 2,5×2 = 79 мм,
df2 =
236-2,5×2 = 231 мм;
Шаг нормальный, мм
мм
Окружная толщина зубьев, мм
мм
Ширина впадин зубьев, мм
Высота зуба, мм
Высота ножки зуба, мм
Высота головки зуба
мм
Радиальный зазор, мм
ширина
колеса:
b4 = ybaa
= 0,315×160 = 50 мм;
ширина
шестерни:
b3 = b2+5
= 50+5 = 55 мм;
Геометрические
параметры цилиндрической передачи
Параметры
зубчатой цилиндрической передачи Таблица 2.1
|
Параметр
|
Обозначение
|
Значение
|
|
Межосевое расстояние, мм
|
160
|
|
|
Число зубьев
|
шестерни 42
|
|
|
колеса 118
|
|
|
Модуль зацепления нормальный, мм
|
2
|
|
|
Модуль зацепления торцовый, мм
|
2
|
|
|
Делительный диаметр, мм
|
шестерни 84
|
|
|
колеса 236
|
|
|
Диаметр вершин зубьев, мм
|
шестерни 88
|
|
|
колеса 240
|
|
|
Диаметр впадин зубьев, мм
|
шестерни 79
|
|
|
колеса 231
|
|
|
Шаг нормальный, мм
|
6,28
|
|
|
Ширина впадин зубьев, мм
|
3,14
|
|
|
Окружная толщина зубьев, мм
|
3,14
|
|
|
Высота зуба, мм
|
4,5
|
|
|
Высота ножки зуба, мм
|
2,5
|
|
|
Высота головки зуба, мм
|
2
|
|
|
Радиальный зазор, мм
|
0,5
|
|
|
Ширина венца, мм
|
шестерни 55
|
|
|
колеса 50
|
|
|
Окружная сила, Н
|
шестерни 3,77
|
|
|
колеса 3,65
|
|
|
Радиальная сила, Н
|
шестерни 1.35
|
|
|
колеса 1.34
|
|
3. Расчет и проектирование зубчатой
цилиндрической передачи открытого типа
.1 Выбираем материал для
изготовления шестерни и колеса (1,стр100)
Шестерня: сталь 45X, термообработка улучшение НВ280
Колесо: сталь 45X, термообработка улучшение НВ260
.2 Определяем число зубьев передачи
Принимаем Z5 =
30,
тогда Z6 = Z5u3 = 30∙5,2 = 156
3.3 Вычисляем допускаемые изгибные напряжения
для шестерни и колеса
- предел
выносливости зубьев при изгибе, соответствующий базовому числу циклов
напряжений, МПа:
[1, стр.88, табл.6.1]
МПа
МПа,
-
коэффициент долговечности [1, стр.90],
-
коэффициент влияния двухстороннего приложения нагрузки [1, стр.90],