Проектирование методики ультразвукового контроля деталей подвижного состава

  • Вид работы:
    Курсовая работа (т)
  • Предмет:
    Другое
  • Язык:
    Русский
    ,
    Формат файла:
    MS Word
    710,91 Кб
  • Опубликовано:
    2014-12-09
Вы можете узнать стоимость помощи в написании студенческой работы.
Помощь в написании работы, которую точно примут!

Проектирование методики ультразвукового контроля деталей подвижного состава

Введение

Ультразвуковой контроль - один из наиболее эффективных и универсальных видов неразрушающего контроля и диагностики ответственных изделий из различных металлических и неметаллических материалов, в том числе оценки их физико-механических характеристик (постоянных упругости, прочности, твердости и т.п.). Ультразвуковой контроль является наиболее приоритетным методом неразрушающего контроля.

Современный неразрушающий контроль деталей и узлов с целью выявления наиболее опасных дефектов - основа безопасной эксплуатации подвижного состава железнодорожных дорог. Неразрушающий контроль является наилучшим способом обеспечения качества эксплуатируемой продукции.

Целью курсовой работы является проектирование методики ультразвукового контроля деталей подвижного состава.

Для достижения цели поставлены следующие задачи:

) изучить основные методы НК;

) определить дефекты объекта контроля, подлежащие выявлению;

.) выбрать преобразователи, схемы контроля, провести расчёт параметров развертки;

) провести расчёт параметров перемещения преобразователя;

) спроектировать стандартные образцы для проведения ультразвукового контроля.

Курсовая работа выполнена в соответствии с СТО СГУПС 1.01СДМ.01 - 2012 [1].

1. Методы неразрушающего контроля

.1 Эхо-метод

Эхо-метод основан на анализе амплитуды сигнала, отраженного от дефекта (эхо-сигнал), и времени, пройденного волной до дефекта [2].

Признаком дефекта является появление эхо-сигнала выше порогового уровня, пример представлен на рисунке 1.

Рисунок 1 - Появление эхо-сигнала выше порогового уровня при обнаружении дефекта

ультразвуковой развертка преобразователь контроль

Дефект даёт полное отражение, если перпендикулярен АО или образует угловой дефект (отражатель), рисунок 2.

Рисунок 2 - Формирование донного и эхо-сигналов

Эхо-метод позволяет решать следующие задачи дефектоскопии:

) обнаружение и определение координат дефектов, представляющих собой нарушения сплошности и расположенных как на поверхности, так и внутри металлических и неметаллических изделий и в сварных соединениях;

) определение размеров дефектов и изделий;

) обнаружение зон крупнозернистости в металлических изделиях и заготовках.

Преимущества эхо-метода:

) односторонний доступ к изделию;

) относительно большая чувствительность к внутренним дефектам;

) высокая точность определения координат дефектов.

Недостатки эхо-метода:

) большая мёртвая зона (широкий ЗИ);

) низкая помехоустойчивость к поверхностным отражателям;

) резкая зависимость амплитуды эхо-сигнала от ориентации дефекта;

) невозможность контроля качества акустического контакта в процессе перемещения ПЭП, так как при отсутствии дефектов на выходе отсутствуют какие-либо сигналы;

) высокие требования к параллельности донной поверхности и поверхности сканирования;

) невозможность проведения контроля в случае перекрывания дефектом пучка УЗВ (ДС отсутствует);

) отсутствие ДС в случае значительного расстояния между донной поверхностью и поверхностью сканирования (большая толщина ОК).

Несмотря на указанные недостатки, эхо-метод является наиболее распространенным методом ультразвуковой дефектоскопии изделий. С его помощью обнаруживают более 90% дефектов в железнодорожных рельсах. Эхо метод используют также для измерения геометрических размеров изделий. Фиксируя время прихода донного сигнала и зная скорость ультразвука в материале, определяют толщину изделия при одностороннем доступе. Если толщина изделия известна, то по донному сигналу измеряют скорость, оценивают затухание ультразвука, а по этим параметрам определяют физико-механические свойства материалов.

Амплитуда эхо-сигнала зависит от величины отражателя, свойств его поверхности и его ориентации, а также затухания ультразвуковой волны в изделии и расстояния до дефекта.

Характеристики эхо-метода

К основным характеристикам метода относятся:

) чувствительность;

) максимальная и минимальная глубина прозвучивания («мертвая» зона);

) разрешающая способность;

) точность измерения расстояния;

5) производительность контроля.

Отличительной особенностью метода является то, что при контроле изделий регистрируются и анализируются практически все сигналы, приходящие из изделия после излучения зондирующих колебаний.

Чувствительность - минимальный размер дефекта, находящийся на максимальной глубине и четко регистрируемый прибором. Количественно ее определяют порогом чувствительности. Для эхо-метода - это минимальная площадь искусственного дефекта типа плоскодонного отверстия, который обнаруживается при контроле. Ее можно определить по отражателям другого типа, выполняя пересчет на площадь плоскодонного отверстия по формулам акустического тракта. Порог чувствительности ограничивается двумя главными факторами: чувствительностью аппаратуры и уровнем помех. В зависимости от структуры материала будет и изменяться порог чувствительности.

Максимальная глубина прозвучивания определяется максимальным расстоянием от дефекта заданного размера, на котором он четко выявляется. Она ограничивается условием, чтобы сигнал от дефекта был больше минимального сигнала, регистрируемого прибором и уровня помех. Она также определяется параметрами аппаратуры. В технических характеристиках прибора в качестве максимальной глубины прозвучивания указывают максимальную длительность развертки дефектоскопа. Достижение максимальной глубины прозвучивания ограничивается теми же факторами, которые препятствуют повышению чувствительности.

Минимальная глубина или «мертвая» зона - минимальное расстояние от преобразователя или от поверхности изделия до дефекта, на котором он четко выявляется не сливаясь с зондирующим импульсом или импульсом от поверхности ввода ультразвука.

Разрешающая способность - минимальное расстояние между двумя одинаковыми дефектами, при котором они регистрируются раздельно [3].

Точность измерения расстояния до дефекта определяется погрешностью в процентах от измеряемой величины.

Производительность контроля определяется шагом и скоростью сканирования (перемещения) преобразователя. При оценке времени контроля учитывается и время на исследование дефекта.

Виды помех, появляющихся при эхо-методе

При ультразвуковой дефектоскопии материалов и изделий, как и при других видах дефектоскопии наблюдается помехи. Их делят на несколько видов:

) помехи усилителя дефектоскопа. Эти помехи препятствуют беспредельному увеличению коэффициента усиления приемного тракта дефектоскопа и определяют граничное значение регистрируемого прибором сигнала;

) шумы преобразователя, возникающие при его работе по совмещенной схеме. Непосредственно после излучения зондирующего импульса чувствительность усилителя резко ослабляется в связи с сильным динамическим воздействием на него мощного сигнала генератора. Вследствие этого в указанной зоне резко возрастает граничное значение регистрируемого прибором сигнала. наличие многократных отражений в протекторе, призме преобразователя, контактной жидкости создает помехи, затягивающие действие зондирующего импульса. Эти помехи быстро исчезают;

) ложные сигналы, возникающие в результате отражения от выступов или выточек и других неровностей поверхности. Эти помехи мешают выявлению дефектов на отдельных участках объекта контроля;

) помехи, связанные с рассеянием ультразвука на структурных неоднородностях, зернах материала, т.е. структурной реверберацией. Сигналы от неоднородностей в зависимости от фазы ослабляют или усиливают друг друга. Они носят статистический характер.

.2 Зеркально-теневой метод

ЗТМ является комбинированным методом НК. Метод основан на анализе амплитуды ДС. Признаком дефекта является уменьшение ДС ниже порогового уровня. Чем крупнее дефект, тем существеннее данное ослабление сигнала. Критерием дефектности ОК является снижение амплитуды ДС ниже порогового уровня [4].

Рисунок 3 - Выявление дефекта ЗТМ

Особенности ЗТМ:

) отсутствие мёртвой зоны;

) выявление дефектов на любой глубине и любой ориентации;

) невозможность определения координат и размеров дефектов;

) выявление только развитых (больших) дефектов;

) параллельность поверхности сканирования и донной поверхности;

) локальное изменение акустических свойств материала (сварное соединение не контролируется);

) высокая зависимость от свойств донной поверхности;

) сильное затухание УЗВ в ОК;

) устойчивость к потере акустического контакта.

Основные положения технологии контроля

) Для настройки чувствительности не требуется специальных образцов. На объекте контроля устанавливают амплитуду донного сигнала на бездефектном участке выше уровня фиксации на величину коэффициента дефектности для настройки чувствительности;

) Зона контроля устанавливается минимальной, соответствующей положению донного сигнала;

) Если при сканировании амплитуда донного сигнала становится ниже уровня фиксации при соответствующем акустическом контакте, то изделие считается дефектным.

Преимущество зеркально-теневой метода состоит в том, что он позволяет выявлять дефекты любой ориентации и места, включая мёртвую зону [5].

К недостаткам данного метода относятся:

1) выявление только развитых дефектов (по сравнению с эхо-методом);

) невозможность определения глубины залегания дефекта;

) влияние на результат контроля параллельности поверхностей;

) наличие диффузной зеркальной поверхности и уменьшения амплитуды вследствие рассеяния на ней;

) влияние структурных неоднородностей (например: сварные соединения);

) влияние посторонних факторов на акустический контакт (наличие грязи, выбоин, вмятины, выпуклости и др.).

2. Проектирование методики контроля

.1 Определение дефектов ОК, подлежащих выявлению

В процессе изготовления или эксплуатации могут возникать следующие виды дефектов:

) несплошности (раковины, трещины);

) расслоения;

) дефекты, связанные с механическими свойствами и химическим составом (недостаточная вязкость, текучесть);

) дефекты, связанные с несоответствием геометрических размеров.

Для ОК, который рассматривается в данной курсовой работе, характерны следующие типы дефектов:

) поперечные трещины в цилиндрической части и галтельных переходах;

) трещины на внутренней и внешней поверхностях ОК;

) расслоения.

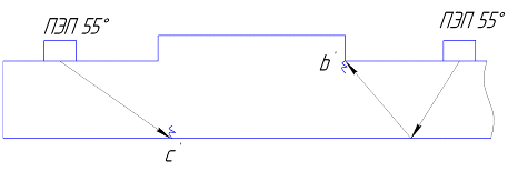
На рисунке 4 представлены возможные дефекты.

а, а*, b* - трещина в галтельном переходе; d*, c - трещина в цилиндрической части; «дефект 1» - расслоение

Рисунок 4 - Возможные дефекты в ОК

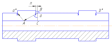
2.2 Выбор преобразователей, схем контроля и расчёт параметров развертки

Выбор ПЭП

Определим угол ввода ПЭП, рисунок 5

Рисунок 5 - Объект контроля

Рассмотрим треугольник АВС:

,

где n - стрела ПЭП, n=12 мм, тогда

 мм;

,

 мм.

,

.

Для контроля используем ПЭП с углом ввода 55.

Проверка возможности контроля со стороны ступицы

Проверка возможна при выполнении следующих условий:

;                                                (1)

;                                               (2)

;                                                (3)

 мм.

мм < 120 мм - неверно,

мм < 100 мм - неверно,

мм < 340 мм - верно.

Условие (3) является обязательным, таким образом можно сделать вывод, что дефекты а* и b* не выявляются наклонным ПЭП.

Для определения дефектов используется контроль по слоям: для контроля вырезается определенный слой, ЗИ выводится за пределы экрана.

Развёртка по слоям рассчитывается по максимальному расстоянию до дефекта.

Расчёт первой развёртки. ПЭП 55

Параметры ОК обозначены на рисунке 6.

Рисунок 6 - Параметры ОК

Расстояние до начала сигнала ОН, мм:

,                               (4)

Расстояние до конца сигнала НК, мм:

.                       (5)

где ,  - расстояния до точек начала и конца сигнала, мм, определяются по формулам (6), (7).

,                                              (6)

.                                              (7)

Время начала и конца строба , , мкс:

,                                                        (8)

,                                   (9)

где  - время задержки в призме ПЭП, мкс.

Время задержки развёртки , мкс:

,                                                (10)

где - коэффициент задержки развёртки, .

Время длительности развёртки , мкс:

.                                            (11)

Время ЗИ, , мкс:

,                                         (12)

где kпр - коэффициент преобразования в призме, ; f - частота,  МГц; kр - коэффициент реверберации, ; n - число периодов в ЗИ, .

Ширина импульса , мкс:

,                                            (13)

где  - коэффициент импульса, .

Масштаб развертки , мкс/дел:

.                                                  (14)

Определим все значения времен в делениях

,                                         (15)

.                                                      (15.1)

Определим положение сигналов на экране

Схема установки ПЭП при определении дефектов в ОК представлены на рисунке 7.

Рисунок 7 - Схема установки ПЭП при определении дефектов в ОК

Время до дефекта  , мкс

.                             (16)

Время до дефекта  , мкс

.                             (17)

Числовые значения параметров первой развертки сведены в таблицу 1.

Типичная осциллограмма при определении дефектов наклонным ПЭП представлена на рисунке 8.

Таблица 1 - Числовые значения параметров первой развёртки

ОН, мм

89

, мкс172,08, мкс58,64




НК, мм

176

, мкс64,10, мкс73,68




, мм9, мкс/дел13,60, мкс137,85






, мм12, мкс6,66, мкс3,99






, мкс136,13, дел-3,82, дел0,29






, дел0,40, дел8,34, дел5,82






, дел1,11-4,31







Рисунок 8 - Типичная осциллограмма при определении дефектов наклонным ПЭП

Развёртка вторая. Прямой ПЭП

Схема установки ПЭП при определении дефектов в ОК представлена на рисунке 9.

Рисунок 9 - Схема установки ПЭП при определении дефектов в ОК

Длина участка, контролируемого трансформированным лучом , мм:

,                                            (18)

где  - угол трансформации, .

 мм.

Выявление дефекта а* возможно при выполнении условия (19):

,

мм < 120 мм.

Условие (19) выполняется, таким образом можно сделать вывод, что дефект а* выявляется прямым ПЭП.

Рассмотрим треугольник АВС:

,

 мм.

,

 мм.

Время, пройденное поперечной и продольной волнами , , мкс:

,                                                (20)

,                                               (21)

где  мкс.

Время, пройденное трансформированным сигналом , мкс

.                                           (22)

Время ЗИ, , мкс, определяется по формуле (12):

 мкс.

Время конца строба , мкс:

.                                                        (23)

Если выполняется условие , то время начала строба  определяется по формуле (11).

Сравним  и :

,56 мкс > 1,4 мкс, следовательно,

.                                                (11)

 мкс.

Время длительности развёртки , мкс:

.                                              (24)

Ширина импульса , мкс, определяется по формуле (13).

Масштаб развертки , мкс/дел:, определяется по формуле (14).

Определим все значения времен в делениях по формуле (15.1).

Определим положение сигналов на экране

Дефект d* находится на расстоянии  2/3 от ступицы; выявляется прямым сигналом.

 мм.

Время до дефекта d* , мкс:

.                                      (25)

Дефект а* выявляется прямым и трансформированным сигналом.

Расстояние до дефекта а* , мм:

 мм.

Время до дефекта а*, пройденное прямым сигналом , мкс:

.                                        (26)

Время до дефекта а*, пройденное трансформированным сигналом , мкс:

.

Числовые значения параметров первой развертки сведены в таблицу 2.

Типичная осциллограмма при определении дефектов прямым ПЭП, контроле с торца представлена на рисунке 10.

Таблица 2 - Числовые значения параметров первой развёртки

, мкс44,17, мкс79,96, мкс42,08






, мкс28,52, мкс87,95, мкс1,54






, мкс72,69, мкс14,96, сек/дел8,80






, дел0,3, дел0,3, дел9,1






, дел0,2, дел1,7, дел4,8






, дел8,3







Рисунок 10 - Типичная осциллограмма при определении дефектов прямым ПЭП, контроль с торца

Развёртка третья. Прямой ПЭП

Схема установки ПЭП при определении дефектов в ОК представлены на рисунке 11.

Рисунок 11 - Схема установки ПЭП при определении дефектов в ОК

При использовании одновременно эхо-метода и ЗТМ определяются одновременно 2 строба (ДС, дефект).

Время ДС , с:

.                                                (27)

где  мкс.

Время начала и конца строба ЗТМ , , с:

,                                            (28)

.                                           (29)

Время развёртки , с:

.                                           (30)

Масштаб развертки , с/дел, определим по формуле (14).

Время ЗИ, , с, определим по формуле (12).

Если выполняется условие , то время начала строба эхо-сигнала  определяется по формуле (31):

.                                                (31)

Время конца строба эхо-сигнала , с:

.                                   (32)

Ширина импульса , с, определяется по формуле (13).

Определим положение сигналов на экране

На рисунке 12 представлена схема установки ПЭП и возможные дефекты.

Рисунок 12 - Схема установки ПЭП при определении дефектов

Время до дефекта , с:

,                                         (33)

где  - расстояние до дефекта, мм, определяются произвольно:

 мм,  мм.

Определим все значения времен в делениях:

.                                                    (34)

Числовые значения параметров развертки сведены в таблицу 3.

Типичная осциллограмма при определении дефектов прямым ПЭП с использованием методов ЭХО и ЗТМ представлена на рисунке 13.

Таблица 3 - Числовые значения параметров развертки

, с20,34, с28,90, с6,66






, с27,12, с20,65, с4,79






, с21,74, с/дел3,30, с8,18






, с28,52, с6,66, с3,99






, с33,02, с19,83, дел2,02






, дел6,26, дел8,76, дел2,02






, дел6,01, дел6,59, дел8,34






, дел1,45, дел2,48, дел1,21








Рисунок 13 - Типичная осциллограмма при определении дефектов прямым ПЭП с использованием методов ЭХО и ЗТМ

2.3 Расчет параметров перемещения преобразователя

При сканировании по плоской поверхности ПЭП перемещают в продольно-поперечном направлении. При контроле с торца - по круговой траектории.

ОК разбивают на секторы, каждый из которых контролируют.

Наклонные ПЭП устанавливают на цилиндрической поверхности для выявления поперечных трещин и трещин в галтельном переходе. Прямой ППЭ устанавливают на поверхности ОК для выявления наличия расслоений. Контроль с торца прямым ПЭП позволяет определить поперечные трещины и трещины в галтельонм переходе.

.4 Проектирование стандартных образцов для ультразвукового контроля

Для настройки параметров дефектоскопа и чувствительности применяются следующие виды СО:

) государственные СО (ГСО) типа СО-2, СО-3, СО-3Р - для настройки глубиномера дефектоскопа и чувствительности;

) отраслевые СО (ОСО) - для настройки чувствительности; выполняются с плоскодонными засверловками или зарубками;

) настроечные СО (НО) - образцы с заданными эталонными отражателями (пропилами, засверловками); изготавливаются из контролируемых деталей предприятием, выполняющим контроль.

Проектирование СОП для прямого ПЭП

СОП для прямого ПЭП представлен на рисунке 13.

Рисунок 13 - СОП для прямого ПЭП

I положение ПЭП

Максимальная высота СОП , мм:

                                    (35)

 мм,

мм < 100 мм,

поэтому СОП для прямого ПЭП не будет иметь положения III.

Высота зарубки , мм:

.                                                    (36)

Рассчитаем положение эхо- и донного сигналов , , мкс:

,                                                  (37)

.                                       (38)

Время начала и конца строба АСД определены в расчете третьей развертки.

Время начала строба ВРЧ равно времени начала строба АСД, конец строба ВРЧ определим по переднему фронту эхо-сигнала.

.                                          (39)

Определим все значения времен в делениях

.                                              (40)

Числовые значения параметров СОП сведены в таблицу 4.

На рисунке 14 представлена типичная осциллограмма при настройке на СОП.

Таблица 4 - Параметры СОП для прямого ПЭП

, мм20




, мкс21,74, дел.6




, мкс28,52, дел.8




, мкс20,97, дел.5,75





Рисунок 14 - Типичная осциллограмма при настройке прямого ПЭП на СОП

II положение ПЭП

Минимальная высота СОП , мм:

,                                            (41)

 мм.

Рассчитаем положение эхо- и донного сигналов , , мкс:

,                                                      (42)

,                                           (43)

где ni - номер сигнала.

Числовые значения параметров СОП сведены в таблицу 5.

Типичная осциллограмма при настройке на СОП приведена на рисунке 15.

Таблица 5 - Параметры СОП

n

1

2

3

4

5

6

, мкс6,4811,56







, дел.1,93,44,96,47,99,4







, мкс23,43







, дел.6,9








Рисунок 15 - Типичная осциллограмма при настройке прямого ПЭП на СОП

Используем численные значения параметров СОП для его проектирования.

На рисунке 16 представлен СОП для настройки прямого ПЭП.

Рисунок 16 - СОП для настройки прямого ПЭП

СОП для наклонного ПЭП представлен на рисунке 17.

Рисунок 17 - СОП для наклонного ПЭП

I положение ПЭП

Максимальное расстояние, пройденное лучом , мм:

                                               (44)

 мм,

265 мм < 50 мм, поэтому в СОП для ПЭП 55используются три плоскодонных отражателя.

Высота зарубки , мм определяется по следующей формуле

 мм.

Для точной настройки должно выполняться следующее условие:

,                                             (45)

где  - мнимая мертвая зона, определяется по формуле:

,                                          (46)

где  - мертвая зона ПЭП, для ПЭП 55 мм.

 мм.

мм > 16 мм,

равенство верно, значит, настройка будет выполнена точно.

II положение ПЭП

Минимальное расстояние, пройденное лучом , мм:

                                              (47)

II положение ПЭП

Среднее расстояние, пройденное лучом , мм:

.                                         (48)

Рассчитаем положение опорного и эхо - сигналов , , мкс:

,                                                    (49)

.                                           (50)

Определим все значения времен в делениях

.                                                        (51)

Время начала и конца строба АСД определены в расчете первой развертки.

Время начала строба ВРЧ равно времени начала строба АСД, конец строба ВРЧ определим по переднему фронту эхо-сигнала, формула:

.                                          (52)

Числовые значения параметров СОП сведены в таблицу 6.

Таблица 6 - Числовые значения параметров СОП для ПЭП 55

, мм90, мм180




, мкс172,08, дел.8,3




, мкс188,03, дел.9,5




, мкс64,71, дел.0,5




, мкс80,67, дел.1,6




, мкс119,93, дел.4,5




, мкс135,88, дел.5,9




, мкс111,52, дел.8,2





Для трех положений ПЭП на СОП приведены типичные осциллограммы на рисунках 18, 19, 20.

Рисунок 18 - Типичная осциллограмма при настройке ПЭП 55на СОП, первое положение ПЭП

Рисунок 19 - Типичная осциллограмма при настройке ПЭП 55на СОП, второе положение ПЭП

Рисунок 20 - Типичная осциллограмма при настройке ПЭП 55на СОП, третье положение ПЭП

Используем численные значения параметров СОП для его проектирования.

При проектировании СОП для наклонного ПЭП необходимо учесть то, что расстояние ОА ≥ 20 мм, СН ≥ 40 мм (рисунок 17).

Из законов геометрии следует:

,                                           (53)

 мм.

От точки С откладываем 40 мм, СН=40.

На рисунке 21 представлен СОП для настройки прямого ПЭП.

Рисунок 21 - СОП для настройки ПЭП 55

Настроечный образец

НО повторяет геометрические размеры ОК. Для настройки дефектоскопа по НО выполняется пропил (рисунок 22).

Требования к НО:

) пропилы выполняются строго перпендикулярно продольной оси детали;

) шероховатость поверхности ввода ультразвуковых волн Rz:

Rz= (20…40) мкм;

) наличие посторонних эхо-сигналов, не связанных с конструкцией детали или эталонным отражателем, не допускается;

) прозвучиваемость НО должна соответствовать средней для контролируемой детали.

Рисунок 22 - Настроечный образец для настройки прямого ПЭП

3. Методика ультразвукового контроля

.1 Общие положения

Настоящая «Методика по ультразвуковому контролю вала» распространяется на неразрушающий контроль ультразвуковым методом вала и устанавливает:

) порядок применения ультразвукового контроля (УЗК);

) перечень оборудования, материалов и вспомогательных приспособлений для УЗК;

) порядок проведения УЗК;

) общие требования к оценке качества по результатам УЗК;

) требования безопасности при проведении УЗК.

Настоящая методика контроля предназначена для выполнения УЗК вала на наличие поперечных трещин и внутренних несплошностей.

.2 Обозначения и сокращения

В настоящей методике используются следующие сокращения:

аккумуляторная батарея - АБ;

временная регулировка чувствительности - ВРЧ;

зона контроля - ЗК;

зеркально-теневой метод - ЗТМ;

настроечный образец - НО;

неразрушающий контроль - НК;

объект контроля - ОК;

пьезоэлектрический преобразователь - ПЭП;

стандартный образец - СО;

стандартный образец предприятия - СОП;

ультразвуковая волна - УЗВ;

ультразвуковой дефектоскоп - УЗД;

ультразвуковой контроль - УЗК.

В настоящей методике используются следующие обозначения:

скорость распространения продольной волны - ;

скорость распространения поперечной волны - .

.3 Термины и определения

Акустические колебания - упругие колебания частиц возле положения равновесия.

Браковочная чувствительность - значение чувствительности, при котором осуществляют сравнение амплитуды эхо-импульса от предполагаемого дефекта с пороговым уровнем, установленным в технологической документации на УЗК для принятия решения о наличии или возможном отсутствии дефекта в изделии.

Поисковая чувствительность - значение чувствительности, при котором осуществляют поиск дефектов при УЗК.

Угол акустической оси - угол между нормалью, соединяющей точку выхода лучей и акустической осью.

Акустическая ось - линия с максимальной амплитудой сигнала.

Эхо-метод - метод контроля, основанный на измерении амплитуды отраженной от дефектоскопа и времени пройденного сигнала.

Зеркально-теневой метод - метод контроля, основанный на измерении прошедшего через объект или зеркально отраженного от дна (донный сигнал) сигнала.

Стандартный образец - средство измерения, свойства и состав которого установлены при аттестации.

Стандартный образец предприятия - стандартный образец, утвержденный и зарегистрированный в порядке, установленном руководителем предприятия.

Эталонный отражатель - элемент конструкции или модель дефекта, выполненные в стандартном или контрольном образце и используемые для проверки и (или) настройки значений основных параметров аппаратуры.

3.4 Оборудование, материалы и вспомогательные приспособления

Комплект оборудования для УЗК вала включает:

) дефектоскоп ультразвуковой «PELENG» («ПЕЛЕНГ») УД2-102

) прямой ПЭП П111-К12-2,5;

) наклонный ПЭП П121-55-2,5;

) стандартные образцы СО-2 и СО-3 по ГОСТ 14782 (или СО-3Р по ГОСТ 18576), СОП, НО;

) соединительный кабель для подключения ПЭП;

) специализированный кабель для подключения дефектоскопа к ПК;

) необходимые материалы и вспомогательные инструменты: металлическая щетка, скребок, ветошь, масло трансформаторное.

Дефектоскоп должен быть укомплектован съемной или встроенной (в зависимости от модификации дефектоскопа) АБ для автономного питания и источником питания для подзаряда АБ или обеспечения электропитания дефектоскопа от сети переменного тока 220 В, 50 Гц.

.5 Подготовка к контролю

Подготовка к контролю включает:

) подготовку аппаратуры;

) подготовку ОК.

Подготовка аппаратуры заключается в проверке её целостности: отсутствии механических повреждений, влияющих на работоспособность прибора; наличии и прочности крепления органов управления, чёткости фиксации их положения, плавности вращения ручек органов настройки; чистоты соединительных разъёмов.

Подготовку аппаратуры выполняют дефектоскописты в начале смены или после замены дефектоскопа или ПЭП. Она включает в себя проверку значений параметров контроля в настройках, предназначенных для проведения УЗК ОК.

Подготовка аппаратуры

Настройки (наборы значений основных параметров) дефектоскопа создаются для каждого варианта метода УЗК и каждого ПЭП. При использовании разных ПЭП одного типа для каждого из них должна быть создана своя настройка (Приложение А).

Осуществляется настройка глубиномера (Приложение Б).

Для контроля прямым преобразователем с торца осуществляется настройка на условную чувствительность стандартного образца СО-2 (Приложение В).

Для контроля прямым преобразователем с цилиндрической поверхности и наклонным ПЭП осуществляется настройка на предельную чувствительность по плоскодонным засверловкам СОП с ВРЧ (Приложение В).

Подготовка ОК

При проведении контроля объект должен быть очищенным.

Выполняется визуальный осмотр ОК на наличие видимых трещин.

При их обнаружении сразу выполняется оценка и браковка. При необходимости выполняется зачистка поверхностей сканирования от выбоин, вмятин и т.д.

3.6 Проведение контроля

Контроль вала с торца прямым ПЭП

Контроль с торца вала по круговой траектории выполняется для выявления поверхностных трещин.

Порядок проведения контроля:

) включить дефектоскоп;

) подключить прямой ПЭП к дефектоскопу;

) создать настройку параметров контроля в соответствии с Приложением А;

) смазать контролируемую поверхность маслом;

) установить ПЭП на контролируемую поверхность;

) притереть ПЭП;

) установить поисковую чувствительность Nф выше браковочнойN0 на 6 дБ:

ф=N0+6 дБ;

) выполнить сканирование по круговой траектории непрерывно или с шагом не более 6 мм, по внешнему периметру, не выходя за него; скорость сканирования составляет не более 100 мм/с. Схема сканирования и расстановка ПЭП показаны на рисунке 23;

Рисунок 23 - Схема установки ПЭП при контроле с торца прямым ПЭП

9) в случае обнаружения сигналов, превышающих уровень фиксации в зоне контроля (середина экрана) найти максимальное значение амплитуды сигнала от дефекта и установить браковочную чувствительность (N0), уменьшив показания усиления на 6 дБ;

) установить ПЭП с диаметрально противоположной стороны, найти дефект прямым лучом;

) после проведения контроля поставить ПЭП с диаметрально противоположной стороны, провести контроль в соответствии с пунктами 1 - 10.

Оценка качества

Если амплитуда сигнала равна или превышает середину экрана (пороговый уровень) при установке браковочной чувствительности, вал считается бракованным.

На рисунке 24 представлена типичная осциллограмма при определении амплитуды эхо-сигнала на ОК.

Рисунок 24 - Типичная осциллограмма при определении амплитуды эхо-сигнала на ОК

Контроль вала наклонным ПЭП

Выполняется для выявления трещин в галтельном переходе, поперечных трещин.

Порядок проведения контроля:

) включить дефектоскоп;

) подключить ПЭП 55 к дефектоскопу;

) создать настройку параметров контроля в соответствии с Приложением А;

) смазать контролируемую поверхность маслом;

) установить ПЭП на контролируемую поверхность;

) притереть ПЭП;

) установить поисковую чувствительность Nф выше браковочнойN0 на 6 дБ:

ф=N0+6 дБ;

) выполнить продольно-поперечное сканирование с шагом сканирования hск не более 3 мм, по цилиндрической поверхности; скорость сканирования составляет не более 100 мм/с. По данным расчета часть вала под ступицей контролируется ПЭП, когда он установлен между ступицами, поэтому ПЭП перемещается по всей цилиндрической поверхности; на ступицы ПЭП не устанавливается;

Дефекты а* и b* не выявляются наклонным ПЭП (по данным расчета параметров развертки) - они контролируются прямым ПЭП.

Схема сканирования и расстановка ПЭП показаны на рисунке 25.

Рисунок 25 - Схема установки ПЭП при контроле вала ПЭП 55

9) при обнаружении сигнала от галтели необходимо отметить границы сигнала (его начало и конец), сигнал от галтели не должен входить в зону контроля, иначе необходимо уменьшить строб АСД;

) в случае обнаружения сигналов, превышающих пороговый уровень в зоне контроля (середину экрана), продольно-поперечным перемещением ПЭП найти максимальное значение амплитуды сигнала от дефекта и установить браковочную чувствительность N0, уменьшив показания усиления на 6 дБ.

Каждая из зон контроля сканируется в соответствии с пунктами 1 - 10.

Оценка качества

Если амплитуда сигнала равна или превышает середину экрана (пороговый уровень) при установке браковочной чувствительности, вал считается бракованным.

На рисунке 26 представлена типичная осциллограмма при определении амплитуды эхо-сигнала на ОК.


Рисунок 26 - Типичная осциллограмма при определении амплитуды эхо-сигнала на ОК

Контроль вала прямым ПЭП в радиальном направлении

Контроль вала прямым ПЭП в радиальном направлении выполняется для выявления расслоений. Сканирование ПЭП - по всей длине зоны контроля. В данном способе контроля реализуются одновременно методы эхо- и ЗТМ.

Порядок проведения контроля:

) включить дефектоскоп;

) подключить прямой ПЭП к дефектоскопу;

) создать настройку параметров контроля в соответствии с Приложением А;

) смазать контролируемую поверхность маслом;

) установить ПЭП на контролируемую поверхность;

) притереть ПЭП;

) установить поисковую чувствительность Nф выше браковочнойN0 на 6 дБ:

ф=N0+6 дБ;

8) выполнить продольно-поперечное сканирование с шагом сканирования hск не более 6 мм, по цилиндрической поверхности; скорость сканирования составляет не более 100 мм/с. ПЭП перемещается по всей поверхности вала, не исключая ступицы.

Схема сканирования и расстановка ПЭП показаны на рисунке 27.

Рисунок 27 - Схема установки ПЭП при контроле вала прямым ПЭП

9) в случае обнаружения сигналов, превышающих пороговый уровень в зоне контроля (середину экрана), продольно-поперечным перемещением ПЭП найти максимальное значение амплитуды сигнала от дефекта и установить браковочную чувствительность N0, уменьшив показания усиления на 6 дБ.

Если донный сигнал ниже порогового уровня (середины экрана) или если донный сигнал не наблюдается в стробе ЗТМ, необходимо проверить качество акустического контакта (наличие масла или контактной жидкости, отсутствие повреждений на поверхности сканирования) и повторить контроль дефектного участка, иначе вал не будет контролироваться, и дефект может быть пропущен.

При повторном отсутствии донного сигнала деталь бракуется.

Каждая из зон контроля сканируется в соответствии с пунктами 1 - 9.

Оценка качества

Если амплитуда сигнала равна или превышает середину экрана (пороговый уровень) при установке браковочной чувствительности, вал считается бракованным.

На рисунке 28 представлена типичная осциллограмма при определении амплитуды эхо-сигнала на ОК.

Рисунок 28 - Типичная осциллограмма при определении амплитуды эхо-сигнала на ОК

3.7 Оформление результатов контроля

Результаты ежесменной проверки основных параметров и результаты УЗК регистрируются в журнале установленной формы.

Электронные протоколы контроля передаются и хранятся в базе данных.

Заключение

Работа над курсовым проектом позволила получить новые знания о методах неразрушающего контроля, в том числе и ультразвуковом контроле, который используется для выявления дефектов в данном проекте.

Проектирование методики контроля - один из разделов курсового проекта. Для проведения контроля был выбран дефектоскоп ультразвуковой «PELENG» («ПЕЛЕНГ») УД2-102, в котором реализуются методы эхо- и ЗТМ. В данном разделе были определены основные дефекты, выявляемые при проведении контроля, выбраны преобразователи (ПЭП П111-К12-2,5 и ПЭП П121-55-2,5), схемы контроля, проведен расчёт параметров развертки; были рассчитаны параметры перемещения преобразователя, спроектированы стандартные образцы для проведения ультразвукового контроля; построены типичные осциллограммы при выявлении дефектов.

Написание методики ультразвукового контроля - заключительный этап курсового проекта. На основании теоретических данных и результатов расчетов была разработана методика ультразвукового контроля.

Список использованных источников

1. СТО СГУПС 1.01СДМ.01 - 2012. Система управления качеством. Курсовой и дипломный проекты. Требования к оформлению

. Неразрушающий контроль. Кн. 2. Акустические методы контроля: Практ. пособие / Ермолов И.И., Алешин И.П., Потапов А.И.; под. ред. Сухорукова. - М.: Высш. шк., 1991. - 283 с.

. В.Г. Щербинский, Н.П. Алешин Ультразвуковой контроль сварных соединений. - 2-е изд., перераб. и доп. - М.: Стройиздат, 1989. - 320 с. Неразрушающий контроль рельсов при их эксплуатации и ремонте. / Под ред. А.К. Гурвича. - М.: Транспорт, 1982. - 318 с.

. А.А. Марков, Д.А. Шпагин. Ультразвуковая дефектоскопия рельсов. СПб.: «Образование - культура», 1998. - 224 с.

. Неразрушающий контроль и диагностика: Справочник/В.В. Клюев, Ф.Р. Соснин, В.Н. Филинов и др. Под. ред. В.В. Клюева. М.: Машиностроение, 1995.

Похожие работы на - Проектирование методики ультразвукового контроля деталей подвижного состава

 

Не нашли материал для своей работы?
Поможем написать уникальную работу
Без плагиата!
Без нейросетей!