Проектирование дорожной одежды в Новосибирской области
Введение
Современные автомобильные дороги представляют
собой сложные инженерные сооружения. Они должны обеспечивать возможность
движения автомобилей с высокими скоростями. Одной из основных элементов
автомобильной дороги является дорожная одежда. В течение всего года дорожная
одежда должна быть прочной, противостоять динамическим нагрузкам, передающимся
на нее при движении автомобилей, а также ровной и нескользкой.
Проектирование дорожной одежды представляет
собой единый процесс конструирования и расчета дорожной конструкции (системы
дорожная одежда + рабочий слой земляного полотна) на прочность,
морозоустойчивость и осушение с технико-экономическим обоснованием вариантов с
целью выбора наиболее экономичного в данных условиях.
Район проектирования - Новосибирская область. В
регионе имеются карьеры по добыче каменных материалов различного типа. ОАО
«Новосибирское карьероуправление» - крупнейшее предприятие горнодобывающей
отрасли Сибирского региона по добыче и переработке строительного камня.
Породы строительного камня: граниты, диабазовые
и базальтовые порфириты, альбитофиры и мраморизованные известняки
Готовая продукция соответствует ГОСТ 8267-93,
ГОСТ 8736-93, ГОСТ 25607-94 и применяется в качестве: заполнителя сборного
железобетона для промышленного и гражданского строительства (колонны, ригеля,
балконные плиты, плиты перекрытия, кровли и др.); отделочного материала
(облицовочная плитка, мозаичные полы и т.д.); материала для строительства и
ремонта автодорог.
Расположен в Искитимском районе
Новосибирской области в 5,5 км на юго-восток от ст. Искитим.
Порода строительного камня:
известняк.
Качественные
показатели продукции:
• марка по дробимости -
1000-1200
• марка по истираемости - И1
• марка по морозостойкости -
F200
• удельная активность
радионуклидов - 1 класс
1. Характеристика условий
проектирования дорожной одежды
Новосибирская область расположена в III
дорожно-климатической зоне. Зона значительного увлажнения в отдельные годы.
Избыточное увлажнение осенью и весной. (Приложение 1) [1] и к III1
поддзоне
рис. П.2.2 [2].
Тип местности по увлажнению 1- поверхностный
сток обеспечен, грунтовые воды не влияют на увлажнение грунта. (Приложение 2,
таблица 1) [1].
Глубина промерзания - 130 см.
1.1 Определение схемы увлажнения
земляного полотна
автомобильный дорога прочность
цементобетонный
Дорожную одежду проектируем на участке в насыпи
высотой 1,3 м. Грунтовые воды располагаются на расстоянии 2,7 м от уровня
земли.
Насыпь тип 2.
Для обеспечения устойчивости и прочности верхней
части земляного полотна и дорожной одежды возвышение поверхности покрытия над
расчетным уровнем грунтовых вод должно соответствовать требованиям (таблицы 21)[1].
Hтреб.угв.=2,1
м.
-я схема увлажнения- Для насыпей на участках
1-го типа местности по условиям увлажнения (п. 6.3 и табл. 1 настоящего
приложения) [1]..
(Таблица 13, приложение 2)[1].
1.2 Определение категории дороги
,
где Ni
- интенсивность движения отдельных типов автомобилей, ki
- коэффициент приведения к легковому автомобилю.
|
Тип
машины
|
Ni
|
ki
|
Ni · ki
|
|
ГАЗ-53А
|
413
|
1,68
|
694
|
|
УРАЛ-4320
|
464
|
3,0
|
1392
|
|
ЗИЛ-130-76
|
1290
|
2
|
2580
|
|
ЗИЛ-ММЗ-554
|
671
|
1,75
|
1174
|
|
КрАЗ-258Б1
|
568
|
3,5
|
1988
|
|
Автобусы
|
825
|
3,5
|
2888
|
|
Легковые
автомобили
|
928
|
1
|
928
|
авт/сутки.
В соответствии
выбираем
категорию дороги II.
(Таблица 1)[1].
Расчетная скорость движения ʋ = 120 км/ч. 2
полосы движения.
Ширина полосы движения - 3,75 м. Ширина проезжей
части - 7,5 м.
Ширина обочин - 3,75 м. Ширина земляного полотна
- 15 м.
(Таблица 3, таблица 4) [1].
Грунт рабочего слоя земляного полотна - суглинки
тяжелые, пылеватые. Они подвержены процессам зимнего влагонакопления и
пучинообразования. В откосах земляного полотна легко размываются и приходят в
текучее состояние, поэтому требуется укрепление откосов.( § XIV.2) [5].
Группа грунта по степени пучинистости в
соответствии с таблицами 6,7, приложения 2[1].
Суглинки тяжелые, пылеватые - IV
группа по степени пучинистости.
Vгруппа -
сильнопучинистые, относительное морозное пучение от 7 до 10.
1.3 Определение расчетной влажности
грунта рабочего слоя.
Новосибирская область, в соответствии с картой
дорожно-климатических подзон рис. П.2.2 [2], относится к III1
подзоне.
Расчетную влажность дисперсного грунта Wp
(в долях от влажности на границе текучести Wm)
при суммарной толщине слоев дорожной одежды Z1
³
0,75 м определяют по формуле:
,
где
- среднее многолетнее значение
относительной влажности грунта, наблюдавшееся в наиболее неблагоприятный период
года в рабочем слое земляного полотна, отвечающего нормам СНиП по возвышению
над источниками увлажнения, на дорогах с усовершенствованными покрытиями и
традиционными основаниями дорожных одежд (щебень, гравий и т.п.). При суммарной
толщине одежды до 0,75 м, определяемой по табл. П.2.1[2] в зависимости от
дорожно-климатической зоны и подзоны (рис. П.2.2) [2], схемы увлажнения
земляного полотна и типа грунта,
=0,63;
- поправка на особенности рельефа
территории, устанавливаемая по табл. П.2.2[2],
= 0, т.к. новосибирская область
имеет тип местности равнинный.
- поправка на конструктивные
особенности проезжей части и обочин, устанавливаемая по табл. П.2.3[2],
= 0,02,
т.к. предусмотрено укрепление обочин, на 2/3 их ширины, щебнем.
D3 - поправка на влияние суммарной
толщины стабильных слоев дорожной одежды, устанавливаемая по графику рис.
П.2.1[2];
t -
коэффициент нормированного отклонения, принимаемый в зависимости от требуемого
уровня надежности по табл. П.4.2 Приложения 4[2], t=2,19 в
зависимости от уровня проектной надежности kн = 0,98
(таблица 3.1.) [2].
Wр=(0,63 -
0,02)*(1+0,1*2,19)=0,80Wm
Расчетные характеристики грунта
земляного полотна от расчетной влажности:
Eгр=32 МПа.
φгр=2,5
сгр=0,002
2. Проектирование нежесткой дорожной
одежды
.1 Определение типа покрытия,
материалов и конструктивных слоев нежесткой дорожной одежды
Тип дорожной одежды и вид покрытия,
конструкция одежды в целом должны удовлетворять транспортно-эксплуатационным
требованиям, предъявляемым к дороге соответствующей категории и ожидаемым в
перспективе составу и интенсивности движения с учетом изменения интенсивности
движения в течение заданных межремонтных сроков и предполагаемых условий
ремонта и содержания.
Опираясь на полученные значения в
первом разделе, (категория дороги и интенсивность движения) принимаем
усовершенствованный, капитальный тип покрытия.
В зависимости от категории дороги
принимают материалы для покрытия:
нижний слой - Горячие смеси для
пористого асфальтобетона марки I,
верхний слой - горячие смеси для
плотного асфальтобетона типов А,Б,В,Г марки I. (Таблица
32)[1].
При выборе конструкции одежды для
данных условий предпочтение следует отдавать проверенной на практике в данных
условиях типовой конструкции.
В новосибирской области используется
фракционированный, гранитный щебень, который добывается в карьере «Борок»
и карьере «Мочище».
Учитывая интенсивность движения, для
усиления основания принимаем:
верхний слой основания черный
щебень;
нижний слой основания -
фракционированный щебень устраиваемый по способу заклинки (основная фракция
щебня 40-70 мм, фракция заклинки 0-20).
Дополнительный слой основания
выполняется из мелкого песка.
Общая толщина дорожной одежды 100
см.
.2 Определение морозоустойчивости
дорожной одежды
Расчет выполняется при проверке
дорожной одежды на морозоустойчивость.
Конструкцию считают
морозоустойчивой, если соблюдено условие:
lпуч £ lдоп,
где lпуч - расчетное
(ожидаемое) пучение грунта земляного полотна;
lдоп -
допускаемое для данной конструкции пучение грунта.
|
Тип
дорожных одежд
|
Вид
покрытия
|
Допустимая
величина морозного пучения, (lдоп),
см
|
|
Капитальные
|
асфальтобетонное
|
4
|
|
Облегченные
|
асфальтобетонное
|
6
|
|
Переходные
|
переходное
|
10
|
Lдоп=
lпуч.ср.Кугв
Кпл Кгр Кнагр Квл
В соответствии с расчетами и графиками рис. 4.3
[2] lпуч ср=7,00
КУГВ=0,53 - коэффициент, учитывающий
влияние расчетной глубины залегания уровня грунтовых или длительно стоящих
поверхностных вод (Ну) (рис. 4.1) [2];
Кпл=0.8 - коэффициент, зависящий от
степени уплотнения грунта рабочего слоя (таблица 4.4) [2];
Кгр=1,3 - коэффициент, учитывающий
влияние гранулометрического состава грунта основания насыпи или выемки (таблица
4.5) [2];
Кнагр=0,85 - коэффициент, учитывающий
влияние нагрузки от собственного веса вышележащей конструкции на грунт в
промерзающем слое и зависящий от глубины промерзания (рис. 4.2) [2];
Квл=1,1 - коэффициент, зависящий от
расчетной влажности грунта (таблица 4.6) [2].
Lдоп =
7,0*0,53*0,8*1,3*0,85*1,1=3,60
,60 £ 4
следовательно, при выбранной толщине,
конструкция дорожной одежды будет морозоустойчива.
Конструктивные слои дорожной одежды.
.3 Определение расчетной нагрузки
При проектировании дорожных одежд в
качестве расчетных принимают нагрузки, соответствующие предельным нагрузкам на
ось расчетного двухосного автомобиля.
Выбираем по наиболее тяжелому
автомобилю в составе движения. Т.к. автомобиль КрАЗ-258 б1 имеет нагрузку на
покрытие от заднего, неподвижного колеса
Qн=47,1 кН,
(таблица 2, приложение 1) [3], то принимаем нагрузку группы А1 с нормативной
статической нагрузкой на поверхность покрытия от колеса расчетного автомобиля, Qрасч=50 кН и
расчетными параметрами нагрузки: Р=0,6 МПа, D=33 см.
(Приложение 1, таблица П.1.1)[2].
2.4 Определение минимального
требуемого общего модуля упругости
Величина Np приведенной
интенсивности на последний год срока службы определяют по формуле:
, ед/сут,
где fпол -
коэффициент, учитывающий число полос движения и распределение движения по ним,
определяемый по табл. 3.2[2];
n - общее
число различных марок транспортных средств в составе транспортного потока;
Nm - число
проездов в сутки в обоих направлениях транспортных средств m-й марки;
Sm cум - суммарный
коэффициент приведения воздействия на дорожную одежду транспортного средства
т-й марки к расчетной нагрузке Qрасч,
определяемый в соответствии с Приложением 1[2].
=
0,55*(413*0,2+464*1,25+1290*0,7+671*0,7+568*1,25+825*0,7+ 928*0,2) = 1929,62
ед/сут.
Суммарное расчетное число приложений
расчетной нагрузки к точке на поверхности конструкции за срок службы определяют
по формуле:
где п - число марок автомобилей;p
- приведенная интенсивность на последний год срока службы, авт/сут;
Трдг - расчетное число
расчетных дней в году, соответствующих определенному состоянию деформируемости
конструкции (определяемое в соответствии с приложением 6) [2];
kn -
коэффициент, учитывающий вероятность отклонения суммарного движения от среднего
ожидаемого (табл. 3.3) [2];
Кс - коэффициент
суммирования определяют по формуле:
,
Тсл - расчетный срок
службы (см. Приложение 6, табл. П.6.4) [2];- показатель изменения интенсивности
движения данного типа автомобиля по годам.(q = 1,01).
Kc=
ΣNр =
0,7*1929,62 *
*135*1,49 =
3 781 905,7
Величину минимального требуемого
общего модуля упругости конструкции вычисляют по эмпирической формуле:
Етiп = 98,65 [lg(SNр) - c], (МПа),
где SNр - суммарное
расчетное число приложений нагрузки за срок службы дорожной одежды,
устанавливаемое в соответствии;
с - эмпирический параметр,
принимаемый равным для расчетной нагрузки на ось 100 кН - 3,55; 110 кН - 3,25;
130 кН - 3,05.
Етiп = 98,65 [lg(3 781
905,7) - 3,55] = 299 МПа.
|
№
|
Материал
слоя
|
h слоя,
|
Расчет
по упруг.
|
Расчет
по усл.
|
Расчет
на растяжение при изгибе
|
|
|
см
|
прогибу,
Е, МПа +10 оС
|
сдвигоуст.,
Е, Па +30 оС
|
Е,
МПа
|
Ro, МПа
|
a
|
m
|
|
1.
|
Асфальтобетон
горячий, плотный I
марки, тип А
|
6
|
Таб.
П.3.2. +10 оС 2400
|
Таб.
П.3.2. +30 оС 550
|
Таб.
П.3.1. 3600
|
9,50
|
6,3
|
5,0
|
|
2.
|
Горячий,
пористый крупнозернистый асфальтобетон I
марки.
|
8
|
Таб.
П.3.2. +10 оС 1400
|
Таб.
П.3.2. +30 оС 510
|
Таб.
П.3.1. 2200
|
7,80
|
7,6
|
4,0
|
|
3.
|
Черный
щебень
|
20
|
Таб.
П.3.5. 600
|
Таб.
П.3.5. 600
|
Таб.
П.3.5. 600
|
-
|
-
|
-
|
|
4.
|
щебень,
устраиваемый по способу заклинки.
|
26
|
Таб.
П.3.9. 450
|
Таб.
П.3.9. 450
|
Таб.
П.3.9. 450
|
-
|
-
|
-
|
|
5.
|
Песок
крупный (Wр=0,80Wт)
|
40
|
Таб.
П.2.5. 100 Таб. П.2.6. сдин = 0,002; φдин=
25 сст = 0,003; φст=
11
|
Таб.
П.2.5. 100 Таб. П.2.6. сдин = 0,002; φдин=
25 сст = 0,003; φст=
11
|
Таб.
П.2.5. 100 Таб. П.2.6. сдин = 0,002; φдин=
25 сст = 0,003; φст=
11
|
-
|
-
|
-
|
|
6
|
Суглинок
тяжелый, пылеватый (Wр=0,80Wт)
|
-
|
Таб.
П.2.5. 32 Таб. П.2.4. сдин = 0,002; φдин=
2,5 сст = 0,011;
|
Таб.
П.2.5. 32 Таб. П.2.4. сдин = 0,002; φдин=
2,5 сст = 0,011;
|
Таб.
П.2.5. 32 Таб. П.2.4. сдин = 0,002; φдин=
2,5 сст = 0,011;
|
-
|
-
|
-
|
3. Расчет нежесткой дорожной одежды
на прочность
.1 Расчет по допустимому упругому
прогибу
Конструкция дорожной одежды в целом
удовлетворяет требованиям прочности и надежности по величине упругого прогиба
при условии:
³
kпр
где Еоб - общий расчетный модуль
упругости конструкции, МПа;
Етiп
- минимальный требуемый общий модуль упругости конструкции, МПа;
=1,38 - требуемый коэффициент
прочности дорожной одежды по критерию упругого прогиба, принимаемый в
зависимости от требуемого уровня надежности (см. п. 3.6 и табл. 3.1) [2].
)

=
;
=
= 1,08
по номограмме рис. 3.1. [2] находим
= 0,65;
= 65 МПа.
)
=
;
=
= 0,70
по номограмме рис. 3.1. [2] находим
= 0,344;
= 154,8 МПа.
)
=
;
=
= 0,54
по номограмме рис. 3.1. [2] находим
= 0,44;
= 264 МПа.
)
=
;
=
= 0,22
по номограмме рис. 3.1. [2] находим
= 0,249;
= 348,6 МПа.
)
=
;
=
= 0,16
по номограмме рис. 3.1. [2] находим
= 0,178;
= 427,2 МПа.
=
= 1,43 ³ kпр=1,38
следовательно, условие прочности
выполняется.
3.2 Расчет на прочность по
сдвигоустойчивости
Недопустимые деформации сдвига в
конструкции не будут накапливаться, если в грунте земляного полотна и в
малосвязных (песчаных) слоях обеспечено условие:
³ kпр
где Кр - требуемое
минимальное значение коэффициента прочности, определяемое с учетом заданного
уровня надежности (см. табл. 3.1) [2];
Тдоп - расчетное активное
напряжение сдвига (часть сдвигающего напряжения, непогашенная внутренним
трением) в расчетной (наиболее опасной) точке конструкции от действующей
временной нагрузки (п. 3.34) [2];
Трасч - предельная
величина активного напряжения сдвига (в той же точке), превышение которой
вызывает нарушение прочности на сдвиг (п. 3.35) [2].
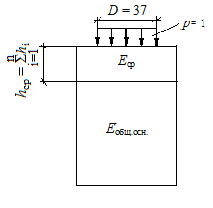
Модуль упругости верхнего слоя
модели вычисляют как средневзвешенный по формуле:
,
где п - число слоев дорожной одежды;
Ei - модуль
упругости i-го слоя;
hi - толщина i-го слоя.
Заменяем двухслойной системой:
Еобщ =
=
350,8 МПа.
=
=
10,96;
=
=
2,70; φ
= 2,5;
по номограмме рис. 3.3[2] определяем
= 0,013.
Трасч = 0,013*0,6 = 0,008
Мпа.
Предельное активное напряжение
сдвига Тпр в грунте рабочего слоя (или в песчаном материале
промежуточного слоя) определяют по формуле:
Tдоп = сNkд + 0,1gсрzопtgjСТ, (3.14)
где сN =0,002-
сцепление в грунте земляного полотна (или в промежуточном песчаном слое), Мпа,
принимаемое с учетом повторности нагрузки (Приложение 2, табл. П.2.6 или табл.
П.2.8);
kд -
коэффициент, учитывающий особенности работы конструкции на границе песчаного
слоя с нижним слоем несущего основания. При устройстве нижнего слоя из
укрепленных материалов, а также при укладке на границе “основание - песчаный
слой” разделяющей геотекстильной прослойки, следует принимать значения kд равным:
4,5 - при использовании в песчаном
слое крупного песка;
4,0 - при использовании в песчаном
слое песка средней крупности;
3,0 - при использовании в песчаном
слое мелкого песка;
1,0 - во всех остальных случаях.
Zоп = 100 см-
глубина расположения поверхности слоя, проверяемого на сдвигоустойчивость, от
верха конструкции, см;
gср = 0,003- средневзвешенный удельный
вес конструктивных слоев, расположенных выше проверяемого слоя, кг/см3;
jСТ =13 - расчетная величина угла
внутреннего трения материала проверяемого слоя при статическом действии
нагрузки.
Tдоп =
0,002*1,0+0,1*0,003*100*tg(13) = 0,009 Мпа.
=
= 1,13 ³ kпр = 1,10
Следовательно, условие прочности
выполняется.
3.3 Расчет на прочность по
сдвигоустойчивости основания из мелкого песка
³ kпр
= 65 Мпа.
Еобщ =
= 518 Мпа.
=
= 7,97;
=
=1,62; φ= 25;
по номограмме рис. 3.3[2] определяем
= 0,016.
Трасч = 0,016*0,6 = 0,009
Мпа
Tдоп = сNkд + 0,1gсрzопtgjСТ
Tдоп =
0,002*3,0+0,1*0,003*60*tg(11) = 0,01 Мпа.
=
= 1,11 ³ kпр = 1,10
Следовательно, условие прочности
выполняется.
3.4 Расчет прочности на растяжение
при изгибе
В монолитных слоях дорожной одежды
(из асфальтобетона, дегтебетона, материалов и грунтов, укрепленных комплексными
и неорганическими вяжущими и др.), возникающие при прогибе одежды напряжения
под действием повторных кратковременных нагрузок, не должны в течение заданного
срока службы приводить к образованию трещин от усталостного разрушения. Для
этого должно быть обеспечено условие:
³ kпр
RN - прочность
материала слоя на растяжение при изгибе с учетом усталостных явлений;
sr -
наибольшее растягивающее напряжение в рассматриваемом слое, устанавливаемое
расчетом.
кв - коэффициент,
учитывающий особенности напряженного состояния покрытия конструкции под
спаренным баллоном. Принимают равным 0,85 (при расчете на однобаллонное колесо
кв = 1,00);
р - расчетное давление, принимаемое
по табл. П.1.1 Приложения 1[2].
RN = Rok1k2(1 - vR×t);
Ro = 7,8-
нормативное значение предельного сопротивления растяжению (прочность) при
изгибе при расчетной низкой весенней температуре при однократном приложении
нагрузки, принимаемое по табличным данным (Приложение 3, табл. П.3.1) [2];
k1 -
коэффициент, учитывающий снижение прочности вследствие усталостных явлений при
многократном приложении нагрузки;
k2 = 0,80-
коэффициент, учитывающий снижение прочности во времени от воздействия
погодно-климатических факторов (табл. 3.6) [2];
vR = 0,1-
коэффициент вариации прочности на растяжение (Приложение 4) [2];
t = 2,19-
коэффициент нормативного отклонения (Приложение 4) [2].
где SNp - расчетное
суммарное число приложений расчетной нагрузки за срок службы монолитного
покрытия, определяемое по формуле (3.6) или (3.7) с учетом числа расчетных
суток за срок службы (см. Приложение 6) [2];
m -
показатель степени, зависящий от свойств материала рассчитываемого монолитного
слоя (Приложение 3, табл. П.3.1) [2];
a
- коэффициент, учитывающий различие в реальном и лабораторном режимах
растяжения повторной нагрузкой, а также вероятность совпадения во времени
расчетной (низкой) температуры покрытия и расчетного состояния грунта рабочего
слоя по влажности, определяемый по табл. П.3.1[2].
K1 = 0,17
заменяем двухслойной
системой:

Еобщ.осн. =264 Мпа (
пункт 3.1)
Еср =
= 2800 Мпа.
=
10,60;
=
= 0,38;
По номограмме рис. 3.4[2] определяем
= 1,5;
σ = 1,5*0,6*0,85 = 0,76.
RN =
7,8*0,17*0,80*(1-0,1*2,19) = 0,83.
=
= 1,10 ³ kпр = 1,10
Следовательно, условие прочности
выполняется.
3.5 Расчет дренирующего слоя
Дренажная конструкция (дренирующий
слой и водоотводящие устройства) необходима при традиционных конструкциях
дорожных одежд со слоями из зернистых материалов. На участках с земляным
полотном и слабофильтрующих грунтов пылеватых песков, непылеватых песков с
коэффициентом фильтрации менее 0,5 м/сут, глинистых грунтов III зоне - при
2-й и 3-й схемах, в IV и V зонах -
только при 3-й схеме (табл. 5.1) [2].
Целью расчета дренажной конструкции
является определение требуемой толщины дренирующего слоя из дискретных
материалов.
Полную толщину дренирующего слоя
определяют по формуле:
hп = hнас + hзап,
где hнас - толщина
слоя, полностью насыщенного водой, м;
hзап -
дополнительная толщина слоя, зависящая от капиллярных свойств материала и
равная для песков крупных 0,10-0,12 м, средней крупности 0,14-0,15 м и мелких
0,18-0,20 м. Во всех случаях полную толщину дренирующего слоя следует принимать
не менее 0,20 м.
Для дренирующего слоя, работающего
по принципу осушения величину hнас
устанавливают с помощью номограмм рис. 5.1 и 5.2 в зависимости от длины пути
фильтрации L и расчетной
величины притока воды в дренирующий слой на 1 м2 qp, определяемой
по формуле:
qp = qКпКгКвогКр
: 1000, [м3/м2],
где q = 3,5 -
осредненное (табличное) значение притока воды в дренирующий слой при
традиционной конструкции дорожной одежды, отнесенное к 1 м2 проезжей
части, м3/м2 (табл. 5.3) [2];
Кп = 1,6- коэффициент
“пик”, учитывающий неустановившийся режим поступления воды из-за неравномерного
оттаивания и выпадения атмосферных осадков (табл. 5.4) [2];
Кг = 1,2- коэффициент
гидрологического запаса, учитывающий снижение фильтрационной способности
дренирующего слоя в процессе эксплуатации дороги (табл. 5.4) [2];
Квог = 1,0 - коэффициент,
учитывающий накопление воды в местах изменения продольного уклона, определяемый
при одинаковом направлении участков профиля у перелома по номограмме рис.
5.3[2];
Кр = 1,0 - коэффициент,
учитывающий снижение притока воды при принятии специальных мер по регулированию
водно-теплового режима (табл. 5.5) [2].
Qp=
3,5*1,6*1,2*1,0*1,0/1000 = 0,007 [м3/м2],
hп = 0,05+0,20
= 0,25 м.
следовательно, принятая толщина
дополнительного слоя основания удовлетворят требованиям на дренажные свойства.
.1 Выбор конструктивных слоев и
материалов
Цель конструирования жесткой
дорожной одежды - выбрать материалы, определить количество слоев и их
размещение по глубине.
К жестким дорожным одеждам относят
цементобетонные и железобетонные покрытия и основания, которые хорошо
сопротивляются растягивающим напряжениям, возникающим при их прогибах под
нагрузкой от автомобилей. Прочностные и деформативные свойства таких одежд
практически не зависят от действия температуры.
При конструировании необходимо
предусматривать обеспеченность района строительными материалами и максимально
использовать их.
Для максимального использования
местных строительных материалов, в качестве дополнительного слоя основания
(который будет служить в качестве дренирующего и морозозащитного слоя)
используем доменный шлак «Новолипецкого металлургического комбината». В
соответствии с исходными и расчетными данными (интенсивностью движения, ДКЗ,
категории дороги), используя методические указания по проектированию жестких
дорожных одежд, назначаем предварительную толщину покрытия hп = 22 см.
таблица 1[6].
Согласно таблице 3[6] - для дорог II категории
принимаем цементобетонное покрытие с классом бетона по прочности на растяжение
при изгибе Btb = 4,4
(класс бетона по прочности на сжатие В35) и модулем упругости Е= 36000 МПа.
Между покрытием и основанием
укладывают выравнивающий слой, который предназначен для устранения неровностей
основания, обеспечения ровности слоев и возможности перемещения плит покрытия
при изменении температуры.
Предварительная конструкция жесткой
дорожной одежды
|
№
слоя
|
Материал
слоя и грунт земляного полотна
|
Источник
исходных данных
|
Расчет
по
|
|
|
|
упругому
прогибу, МПа
|
сопротивление
сдвигу, МПа
|
|
1
|
Бетонная
плита, толщиной 22 см
|
Таблица
П.3 Методических рекомендаций
|
36000
|
1770
|
|
|
|
Btb=4,4 В=35
М=450 Ptb50
|
|
2
|
щебеночно-песчаная
смесь, обработанная цементом М:100 25 см.
|
Таблица
П.3.6. ОДН 218-046
|
950
|
950
|
|
3
|
Шлак
38 см.
|
Таблица
П.3.7. ОДН 218-046
|
400
|
400
|
|
5
|
Грунт
земляного полотна - суглинок тяжелый, пылеватый.
|
Таблица
П.2.4. ОДН 218-046
|
32
|
32
|
|
|
|
,
МПа
|
В покрытии устраивают продольные и поперечные
швы (сжатия и расширения), делящие покрытие на плиты определенной длины и
ширины. В швах предусматривают штыревые соединения. Пазы швов заполняют
герметизирующим материалом для предотвращения проникания влаги, пыли.
Длину плит (расстояние между
поперечными швами сжатия) на укрепленном основании и на устойчивом земляном
полотне принимают по расчету, но не более 25
. Продольные швы предусматривают при
ширине покрытия более 23
.
Контрольные швы, по конструкции
аналогичные швам сжатия, обеспечивающие температурно-усадочную трещиностойкость
в раннем возрасте, устраивают через каждые 2-3 плиты.
При устройстве швов расширения
руководствуются данными табл.2.2 [3]. Ширину швов расширений (толщину
прокладки) принимают равной 3 см. Расстояние между швами расширения должно быть
кратным длине плиты.
Конструкции швов сжатия и растяжения
изображены на рис.7 и 8.
Рис.7 Конструкция шва сжатия.
Рис.8 Конструкция шва расширения.
Размеры плиты в плане и расположение
штырей в швах покрытия изображены на рис.9:
- поперечный шов сжатия; 2 - поперечный
шов расширения; 3 - продольный шов.
Рис.9 Размеры плиты в плане и
расположение штырей в швах покрытия.
4.2 Определение суммарного
расчетного числа приложений приведенной расчетной нагрузки
Приведенная интенсивность на
последний год срока службы определяют по формуле:
=
0,55*(413*0,2+464*1,25+1290*0,7+671*0,7+568*1,25+825*0,7+ 928*0,2) = 1929,62
ед/сут.
Суммарное расчетное число приложений
расчетной нагрузки к точке на поверхности конструкции за срок службы определяют
по формуле:
,
Kc=
ΣNр =
0,7*1929,62 *
*135*1,49 =
6 043 488,79
.3 Определение расчетной влажности
грунта
Расчетную влажность дисперсного
грунта Wp (в долях от
влажности на границе текучести Wm) при суммарной
толщине слоев дорожной одежды Z1 ³ 0,75 м
определяют по формуле:
,
где
=0,67- среднее многолетнее значение
относительной влажности грунта, наблюдавшееся в наиболее неблагоприятный период
года в рабочем слое земляного полотна, отвечающего нормам СНиП по возвышению
над источниками увлажнения, на дорогах с усовершенствованными покрытиями и
традиционными основаниями дорожных одежд (щебень, гравий и т.п.). При суммарной
толщине одежды до 0,75 м, определяемой по табл. П.2.1[2] в зависимости от
дорожно-климатической зоны и подзоны (рис. П.2.2) [2], схемы увлажнения
земляного полотна и типа грунта,
- поправка на особенности рельефа
территории, устанавливаемая по табл. П.2.2[2],
= 0, т.к. новосибирская область
имеет тип местности равнинный.
- поправка на конструктивные
особенности проезжей части и обочин, устанавливаемая по табл. П.2.3[2],
= 0,04,
т.к. предусмотрено укрепление обочин, на 2/3 их ширины, асфальтобетоном.
D3 - поправка на влияние суммарной
толщины стабильных слоев дорожной одежды, устанавливаемая по графику рис.
П.2.1[2];
t - коэффициент
нормированного отклонения, принимаемый в зависимости от требуемого уровня
надежности по табл. П.4.2 Приложения 4[2], t=2,19 в
зависимости от уровня проектной надежности kн = 0,98
(таблица 3.1.) [2].
Wр=(0,67 -
0,04)*(1+0,1*2,19)=0,80Wm
Расчетные характеристики грунта
земляного полотна от расчетной влажности:
Eгр=32 МПа. φгр=2,5 сгр=0,002
.4 Расчет морозоустойчивости
дорожной одежды
Грунт земляного полотна (суглинок
легкий, пылеватый) является сильнопучинистым по #M12291
1200015514ОДН 218.046-01#S (табл.4.2)
и относится к V группе
грунтов по степени пучинистости. Поэтому необходимо проводить проверку дорожной
одежды на морозозащитные свойства.
Конструкция считается морозоустойчивой, если
выполняется условие:
,
- расчетное (ожидаемое) пучение
грунта земляного полотна;
- допускаемое для данной конструкции
пучение грунта. Для цементобетонных покрытий с условиями эксплуатации по 1-й
расчетной схеме допускаемая величина общего приподнятия от пучения 3 см.
Величина возможного морозного пучения
равна:
где
- величина морозного пучения при
осредненных условиях, определяемая в зависимости от толщины дорожной одежды,
группы грунта по степени пучинистости и глубины промерзания
:
,
где
- средняя глубина промерзания для
данного района, см,
При
до 2,0 м,
устанавливается
по графикам рис.4.3 [2],
при
от 2,0 до 3,0 м,
определяется
по формуле:
,
где
- величина морозного пучения при
;
при
,
при
.
КУГВ=0,53 - коэффициент,
учитывающий влияние расчетной глубины залегания уровня грунтовых или длительно
стоящих поверхностных вод (Ну) (рис. 4.1) [2];
Кпл=1,0 - коэффициент,
зависящий от степени уплотнения грунта рабочего слоя (таблица 4.4) [2];
Кгр=1,3 - коэффициент,
учитывающий влияние гранулометрического состава грунта основания насыпи или
выемки (таблица 4.5) [2];
Кнагр=1,1 - коэффициент,
учитывающий влияние нагрузки от собственного веса вышележащей конструкции на
грунт в промерзающем слое и зависящий от глубины промерзания (рис. 4.2) [2];
Квл=1,2 - коэффициент,
зависящий от расчетной влажности грунта (таблица 4.6) [2].
, тогда
lпуч =1,58*0,53*1,0*1,3*1,1*1,2=1,43
следовательно, при выбранной
толщине, конструкция дорожной одежды будет морозоустойчива.
5. Расчет монолитных цементобетонных
покрытий
Расчёт проводим путём проверки прочности по
формуле:
где
= 1,0- коэффициент прочности,
определяемый в зависимости от категории дороги табл. 3.1 [6],
=0,95;
- расчётная прочность бетона на
растяжение при изгибе, определяемая по обязательному приложению 1 [6].
где
- класс бетона на растяжение при
изгибе,
=4,4;
- коэффициент набора прочности со
временем, для бетона естественного твердения для районов с умеренным климатом
=1,2 п.1.1.
[6].
- коэффициент усталости бетона при
повторном нагружении,
где
- суммарное расчётное число
приложения приведённой расчётной нагрузки за расчётный срок службы,
= 6 043
488,79авт.;
- коэффициент, учитывающий
воздействие попеременного замораживания-оттаивания, равный 0,95 по п.1.2. [6].
=0,399
МПа.
Напряжения растяжения при изгибе
определяем по первой расчетной схеме - применяется для определения толщины
покрытия при условия гарантированной устойчивости земляного полотна и
отсутствия неравномерных осадок или выпучивания; характеризуется наличием
полного контакта плит с основанием под всей площадью плиты. Расчётное место
приложения нагрузки в дорожном покрытии - продольный внешний край в центре по
длине плиты.
По первой расчётной схеме напряжения
(МПа)
определяем, исходя из решений теории упругости, по следующей аппроксимирующей
зависимости, отражающей наличие контакта плиты с основанием:
,
где
- расчётная нагрузка, 50 кН
т.п.2.1.[3].
- коэффициент, учитывающий влияние
места расположения нагрузки, для неармированных покрытий
=1,5;
- коэффициент, учитывающий условия
работы,
=0,66;
- коэффициент, учитывающий влияние
штыревых соединений на условия контактирования плит с основанием, при наличии в
поперечных швах штырей
=1;
h - толщина
плиты, h=22 см;
- коэффициент, учитывающий влияние
температурного коробления плит, таблица. 3.4 [6].
=0,79;
- радиус отпечатка колеса:
см,
где
- давление в шинах, принимаемое
равным 0,6 МПа;
- упругая характеристика плиты, см:
,
где Е и
- модуль
упругости и коэффициент Пуассона бетона, приложение 1 [6], Е=36000 МПа,
=0,2 п.
1.7[6];
- коэффициент Пуассона основания,
=0,25;
- эквивалентный модуль упругости
основания;
- диаметр отпечатка колеса или
площадки силового контактирования верхнего слоя с нижележащим, принимается
=50 см;
Эквивалентный модуль упругости
основания
определяется
путем последовательного приведения многослойной системы к двухслойной:
1)
=
;
=
=
0,76
по номограмме рис. 3.1. [2] находим
= 0,438;
=
175,5 МПа.
)
=
;
=
=
0,5
по номограмме рис. 3.1. [2] находим
= 0,34;
=
323 МПа.
Для нескольких значений толщин
цементобетонного покрытия строим график зависимости
, т.е.
где
- коэффициент набора прочности со
временем; для бетона естественного твердения для районов с умеренным климатом
пункт 3.11.
[3];
- коэффициент прочности,
определяемый в зависимости от категории дороги табл. 3.1 [3]
;
- коэффициент учитывающий
воздействие попеременного замораживания - оттаивания,
;
- классом бетона по прочности на
растяжение при изгибе,
- напряжения растяжения при изгибе,
возникающие в бетонном покрытии от действия нагрузки, с учетом перепада
температуры по толщине плиты;
. Толщина плиты 20 см:
см,
Мпа
. Толщина плиты 22 см:
см,
Мпа
. Толщина плиты 24 см:
см,
Мпа
Полученные данные заносим в таблицу
и строим график:
|
Значение
h,см
|
lу,
см
|
Кt
|
σpt
|
Ку
|
|
20
|
52,6
|
0,84
|
1,79
|
0,34
|
|
22
|
57,86
|
0,79
|
1,66
|
0,31
|
|
24
|
63,1
|
0,72
|
1,61
|
0,30
|
см,
Мпа
Следовательно, при толщине
цементобетонной плиты h = 20 см условие прочности
выполняется.
.1 Расчет дорожной одежды на
сдвигоустойчивость
Дорожную одежду проектируют из
расчета, чтобы под действием кратковременных или длительных нагрузок в
подстилающем грунте или малосвязных (песчаных) слоях за весь срок службы не
накапливались недопустимые остаточные деформации формоизменения. Недопустимые деформации
сдвига в конструкции не будут накапливаться, если в грунте земляного полотна и
в малосвязных (песчаных) слоях обеспечено условие:
де,
требуемое минимальное значение
коэффициента прочности, определяемое с учетом заданного уровня надежности, таб.
3.1 [2].
расчетное активное напряжение сдвига
в расчетной точке конструкции от действующей временной нагрузки.
предельная величина активного
напряжения сдвига, превышение которой вызывает нарушение прочности на сдвиг.
Для определения
предварительно
назначенную дорожную конструкцию приводим к двухслойной расчетной модели.
и
и при j = 12°; с помощью номограммы
рис.3. [2] находим удельное активное напряжение сдвига от единичной нагрузки:
= 0,011
МПа.
где,
расчетное давление от колеса на
покрытие,
где,
сцепление в грунте земляного полотна
(или в промежуточном песчаном слое), МПа, принимаемое с учетом повторности
нагрузки (Приложение 2, табл. П.2.6)[2];
коэффициент, учитывающий особенности
работы конструкции на границе песчаного слоя с нижним слоем несущего основания.
При устройстве нижнего слоя из укрепленных материалов, а также при укладке на
границе “основание - песчаный слой” разделяющей геотекстильной прослойки,
следует принимать значения kд равным:
4,5 - при использовании в песчаном
слое крупного песка;
4,0 - при использовании в песчаном
слое песка средней крупности;
3,0 - при использовании в песчаном
слое мелкого песка;
1,0 - во всех остальных случаях.
средневзвешенный удельный вес
конструктивных слоев, расположенных выше проверяемого слоя, кг/см3;
глубина расположения поверхности
слоя, проверяемого на сдвигоустойчивость, от верха конструкции, см;
расчетная величина угла внутреннего
трения материала проверяемого слоя при статическом действии нагрузки.
Следовательно, конструкция
удовлетворяет условия прочности по сдвигу.
6. Расчет параметров конструкции и
элементов деформационных швов
.1 Расчет необходимости швов
расширения
Необходимость устройства швов
расширения определяется исходя из допустимых температурных напряжений сжатия
(МПа),
которые для оценочных расчетов можно принять равным:
где
- плотность материала плиты,
(т/м3);
h - толщина
плиты, h=0,20 (м);
E - модуль
упругости покрытия, E=36000 (МПа);
Из условия сохранения прочности
бетона в зоне швов
не должно
превышать
:
Следовательно, условие выполняется.
где
- класс бетона на растяжение при
изгибе,
.
Из условия прочности швы расширения
устраивают, если допустимые напряжения
будут меньше фактических
(МПа),
определяемых по формуле:
где
- коэффициент линейной
температурной деформации бетона, 1/°С;
=0,000011/ °С;
,
- максимальная и исходная
температура бетона в середине по толщине плиты, °С (определяется по табл.4.12
приложения 4)[6].
E - модуль
упругости покрытия, E=36000 (МПа);
Так как
, 4,0>
3,17 - из условия следует, что устройство швов расширения необязательно.
6.2 Назначение размеров плиты
В покрытии устраивают продольные и
поперечные швы (сжатия и расширения), делящие покрытие на плиты определенной
длины и ширины. В конце рабочей смены или при длительных перерывах в
бетонировании (более 2-4 ч) устраивают рабочие швы по типу швов сжатия и при
необходимости швы расширения. Для предохранения покрытия от трещинообразования
в раннем возрасте часть швов сжатия устраивают как контрольные и в первую
очередь в свежеуложенном бетоне.
В швах предусматривают штыревые
соединения. Пазы швов заполняют герметизирующим материалом.
Длину плит
(расстояние
между поперечными швами сжатия) на укрепленном основании и на устойчивом
земляном полотне принимают по расчету, но не более 25
, на
земляном полотне с ожидаемыми неравномерными осадками (включая насыпи высотой
более 3 м) - 22
, а в местах
перехода из выемок в высокие насыпи, в местах примыкания к искусственным
сооружениям и в покрытиях шириной 6 м и менее - 20
.
Продольные швы предусматривают при
ширине покрытия более
.
Контрольные швы, по конструкции
аналогичные швам сжатия, обеспечивающие температурно-усадочную трещиностойкость
в раннем возрасте, устраивают через каждые 2-3 плиты.
Размер плиты покрытия:
длину плит lсж принимают
по расчету, но не более 22h.
Длина плиты при толщине покрытия
20см (при условии lсж
м и в
соответствии с табл. 29[1]) составляет 4,5м.
- ширина плиты, равная ширине
полосы движения - 3,75 м - с учетом укрепленной части обочины - 0,75 м,
принимает значение 4,5 м.
Список литературы
1.
СНиП 2.05.02-85 «Автомобильные дороги».
.
ОДН 218.046-01 «Проектирование нежестких дорожных одежд».
.
ВСН 46-83
4.
www.science-bsea.bgita.ru
<http://www.science-bsea.bgita.ru>
.
В.Ф. Бабков. «Проектирование автомобильных дорог».Ч.1 М.: Транспорт 1987-368с
.
«Методические рекомендации по проектированию жестких дорожных одежд».