Проект отделения очистки конвертированного газа от оксидов углерода

  • Вид работы:
    Курсовая работа (т)
  • Предмет:
    Другое
  • Язык:
    Русский
    ,
    Формат файла:
    MS Word
    1,07 Мб
  • Опубликовано:
    2015-07-01
Вы можете узнать стоимость помощи в написании студенческой работы.
Помощь в написании работы, которую точно примут!

Проект отделения очистки конвертированного газа от оксидов углерода

Учреждение образования «БЕЛОРУССКИЙ ГОСУДАРСТВЕННЫЙ ТЕХНОЛОГИЧЕСКИЙ УНИВЕРСИТЕТ»

Факультет Химической Технологии и Техники

Кафедра Технологии неорганических веществ и общей химической технологии

Специальность Химическая технология неорганических веществ, материалов и изделий

Специализация Технология минеральных удобрений, солей и щелочей




ПОЯСНИТЕЛЬНАЯ ЗАПИСКА КУРСОВОГО ПРОЕКТА

по дисциплине: «Химическая технология неорганических производств»

тема проекта: «Проект отделения очистки конвертированного газа от оксидов углерода»

Исполнитель: студент 6 курса группы 2

Коротельщиков Е.В.

Руководитель: профессор Шатило В.И





Минск 2014

Реферат

Объектом реконструкции является цех аммиак - 3 ОАО «Гродно Азот».

Задачами реконструкции является получение большей прибыли от реализации дополнительного количества продукции, снижение себестоимости аммиака, повышение конкурентоспособности на рынке минеральных удобрений.

Целью курсового проекта является реконструкция цеха аммиака, на основании которой можно будет повысить производительность агрегата и снизить соотношение пар: газ на входе в реактор первичного риформинга с 3,8 до 3,4, а так же повысить степень очистки от СО2.

Пояснительная записка включает аналитический обзор патентных и литературных данных, характеристику сырья и готовой продукции, физико-химические основы производства, описание технологической схемы, расчет материального и теплового балансов, расчет расходных коэффициентов, нормы технологического режима, мероприятия по охране труда и безопасности жизнедеятельности, автоматизацию производства, охрану окружающей среды.

Введение

Добыча минеральных солей и продуктов их переработки непрерывно возрастает как на мировом уровне в целом, так и в отдельных странах. Поэтому одной из важнейших задач сегодня и в перспективе на будущее является необходимость развития производства и полного обеспечения потребности народного хозяйства в минеральных удобрениях.

Аммиак служит сырьём для производства карбамида, КАС, сульфата и нитрата аммония. Потребности в сульфате аммония продолжают возрастать из-за дефицита сульфата для внесения в почву в ряде регионов мира.

Основными рынками являются:

карбамид - рынок Китая, Индии, Европы, Латинской Америки;

КАС - рынок Европы (в основном Франция, Германия) и США;

сульфат аммония - рынок Турции, Греции, Германии, стран Скандинавии, Бразилии.

Наиболее емким по карбамиду является рынок стран Юго-Восточной Азии. Закупки карбамида Индией и Китаем, в основном, диктуют условия ценообразования. В последнее время увеличиваются поставки в Южную Америку. Лучшими условиями поставок являются поставки из портов Балтийского моря.

Рынок Европы находится в сбалансированном состоянии, и поставка может осуществляться небольшими партиями по 2 500 - 3 000 тонн в сезон для внесения в почву.

Общее количество производимых азотных удобрений в РБ 2040 тыс. тонн/год. Потребление азотных удобрений сельским хозяйством РБ продолжает снижаться из-за неплатежеспособности субъектов хозяйствования и составляет на данный период 1/3 от производимых удобрений в РБ.

ОАО “Гродно Азот” имеет возможность реализации оставшихся объемов на экспорт в различные регионы, причем объемы поставок по месяцам, учитывая сезонность рынка, могут колебаться в зависимости от конъюнктуры ценообразования.

Важнейшей задачей на всех химических предприятиях является создание надежной безаварийной работы оборудования, так как зачастую аварии приводят к большому количеству выбросов химических веществ, вредных для здоровья людей и окружающей среды.

Для уменьшения таких ситуаций необходимо совершенствовать конструкции аппаратов для повышения их надежности при эксплуатации и совершенствовать технологический процесс.

Повышение надежности аппаратов приводит к увеличению сроков их работы, уменьшению времени на капитальные ремонты, снижается риск поломки оборудования и создание безаварийной работы на производстве во время эксплуатации.

Кроме этого замена старых конструкций аппаратов новыми приводит к сокращению времени простоев на ремонты, что повышает производительность предприятия.

По исходному проекту все основные агрегаты цеха (риформинг, очистка конвертированного газа от СО2, компримирование синтез-газа, синтез аммиака) были рассчитаны на суточную мощность 1360 тонн аммиака.

Агрегат аммиака на ОАО «Гродно Азот», построенный по проекту фирмы Toyo Engineering Corporation является одним из многих агрегатов основанных на технологии фирмы Kellog. Эта технология по современным критериям отличается высоким показателем энергопотребления свыше 10 Гкал/т NH3. Большая доля в общем энергопотреблении приходится на узел очистки газа от СО2 горячим раствором карбоната калия, потребляющий значительные количества тепла на регенерацию раствора.

Целью модернизации является уменьшение расхода энергии на регенерацию раствора МДЭА с улучшением степени очистки технологического газа от СО2. Модернизация узла очистки конвертированного газа от СО2 дает возможность увеличить производительность агрегата аммиака до 1500 т/сутки, а также снизить соотношение пар: газ на входе в реактор риформинга до 3,4.

В данном курсовом проекте рассматривается возможные направления совершенствования отделения очистки производства аммиака третьей очереди.

Задача является весьма актуальной, так как это производство работает длительное время (на ОАО «Гродно Азот» с 1978 года), поэтому возможна замена старых аппаратов более совершенными. Как в отношении производительности, так и в отношении энергопотребления при производстве NH3.

1. Аналитический обзор патентных и литературных данных о способах производства. Выбор технологической схемы

.1 Основные направления развития технологий производства аммиака

Производство аммиака является одним из сложнейших производств. Со времени возникновения первых предприятий по его получению технологическая схема неоднократно совершенствовалась и модернизировалась. Самые последние технологические схемы передовых компаний представлены ниже.

AMV-технология получения NH3 компании ICI

Основные характеристики процесса AMV компании ICI

Традиционные способы повышения эффективности установки заключались во внедрении дополнительных энергосберегающих приемов, например, рекуперации Н2 и дополнительного количества тепла или ужесточение режимов эксплуатации до допустимых технологией пределов (использование более высоких температур риформинга или максимального давления при синтезе). В отличие от этих способов компания ICI решила повышать эффективность путем уменьшения подводимой энергии и смягчения, а не ужесточения, условий проведения процесса [1].

Компания ICI в рамках разработки провела тщательные исследования технологии производства аммиака с целью разработки процесса, который сочетал бы в себе преимущества высокой производительности, простоты эксплуатации и стоимостной эффективности.

Процесс AMV компании ICI включает в себя усовершенствованные стадии очистки от соединений серы паровой риформинг углеводородов, конверcию CO, удаление CO2, метанирование и синтез.

В процессе AMV компании во вторичный риформер воздух подается с небольшим избытком. Обычно этот избыток на 20 % превышает стехиометрическое количество. Это влечет за собой всего лишь один незначительный нёдостаток, связанный с мощностью воздушного компрессор (менее 1 МВт для установки производительностью 1000 т/сутки), однако предоставляет ряд преимуществ:

уменьшение размеров первичного риформера;

смягчение условий риформинга;

способствует выводу инертных газов из контура синтеза.

Температура на выходе первичного риформера на 20-40 °С ниже, чем в традиционной технологии, даже несмотря на малое паровое соотношение. Это существенно снижает размер и стоимость риформера.

В таблице 1.1 приведены сравнительные характеристики типичных процессов риформинга.

Таблица 1.1 Сравнение процессов риформинга по АМV-технологии компании IСI и по традиционной технологии

Характеристика

AMV

Традиционная технология

Типичные режимы первичного риформера: Отношение пар/углерод Температура газа на выходе, °С Проскок метана, об. % в расчете на сухой газ

 2,75-3,0 780 16

 3,5 800-820 11

Типичные режимы вторичного риформера: Температура газа на выходе, °С Проскок метана, об. % в расчете на сухой газ

 950 1

 1000 0,3


По АМV-технологии синтез обычно осуществляется при давлении между 11,6-15,95 МПа. Низкое давление синтеза позволяет снизить мощность для сжатия газа, и позволяет использовать более простой компрессор синтез-газа.

Для AMV- процесса компания ICI Katalko разработала новый катализатор синтеза. Это катализатор ICI Katalko серии 74-1 - высокоактивный катализатор, наиболее подходящий для процессов низкого давления. Высокая активность и долгий срок службы этого катализатора были подтверждены.

Наличие криогенных установок рекуперации водорода, которые могли работать при давлениях, равных давлениям в контуре синтеза. Схема простой установки рекуперации водорода показана на рисунке 1.1.

Рисунок 1.1 - Установка рекуперации водорода

Установка рекуперации водорода состоит только из криогенного теплообменника и сепаратора пар/жидкость. В ней отсутствуют движущиеся части, а получаемый водород не требует дожимания. Она позволяет удалить инертные газы и избыточный азот. Такая схема обусловливает степень конверсии водорода в контуре синтеза 98-99 %.

Основные характеристики различными способами объединялись в единое целое, в результате чего был разработан уникальный процесс, выигрышный с точки зрения как эксплуатации, так и экономики. Загруженность первичного риформера сведена к минимуму за счет использования в процессе избыточного количества воздуха, а также за счет высокого проскока метана из вторичного риформера. Давление синтеза поддерживается низким, что позволяет снизить степень сжатия и реализовать работу криогенной установки рекуперации водорода из продувочных газов при давлении синтеза.

Работа криогенной установки при давлении контура синтеза позволяет без снижения производительности установки повысить расход продувочных газов в контуре синтеза. Более того, производительность криогенной установки практически не влияет на ее капитальные затраты. Следовательно, можно производительно и эффективно с точки зрения стоимости использовать больший по сравнению с обычным расход продувочных газов. Контур синтеза, таким образом, позволяет осуществлять синтез аммиака при низком давлении и высоким содержанием инертов в синтез-газе.

Стоимостная эффективность криогенной установки АМУ особенно высока, поскольку она одновременно выполняет 3 функции: рекуперация водорода, обусловливающая 98-99 % степень конверсии в контуре газа удаление инертных газов, создающее их более низкую концентрацию в контуре синтеза, а также управление количеством азота, подаваемом во вторичный риформер. Отвод избыточного азота усиливается в связи с тем, что контур синтеза работает при повышенном содержании азота. Это также снижает потребный объем катализатора синтеза, поскольку скорость реакции синтеза аммиака лимитируется адсорбцией азота на катализаторе, что, в свою очередь, определяется концентрацией азота в синтез-газе.

Традиционный процесс синтеза аммиака определяется стехиометрией реакции (смесь Н2: N2 в соотношении 3: 1), а также максимальной конверсией исходных углеводородов в водород. За счет использования избыточного воздуха и создания более высокой концентрации метана в технологическом газе перед контуром синтеза при использовании АМV-технологии эти ограничения не действуют.

Рассматриваемые критерии оптимальности и их расчетные значения приведены в таблице 1.2.

абсорбер аммиак баланс сырье

Таблица 1.2 Критерии оптимальности и их расчетные значения

Критерии оптимальности

Расчетные значения

1

2

Температура газа на выходе первичного риформера, °С

770-790

Соотношение пар/углерод

2,75-3,0

Сотношение Н2:N2 на входе в контур синтеза

2,4-2,6

Соотношение Н2:N2 на входе в колонну синтеза

2,0-2,5

Давление в контуре синтеза, МПа

12,3-15,95


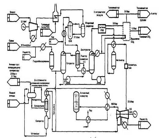
Установка AMV, работающая на заводе Terra at Lambton, Куртрайт, Онтарио [1]Технологическая схема AMV-установки производства аммиака показана на рисунке 1.2

Рисунок 1.2 - Технологическая схема AMV-установки Terra at Lambton, Куртрайт, Онтарио

Исходный природный газ смешивается с рециркулирующим водородом, нагревается и очищается от соединений серы. Газ охлаждается и подается в сатуратор, где он вступает в контакт с рециркулирующим горячим технологическим конденсатом. В сатураторе происходит добавление пара непосредственно в технологический, при этом можно использовать источники низко потенциального тепла. На установке в Ламбтоне используется паропровод давлением 23,0 МПа, при этом часть пара под давлением 23,0 МПа используется для повышения давления технологического пара, проходящего через сатуратор. Сатуратор также является эффективным средством испарения технологического конденсата.

После сатуратора газ смешивается с острым паром так, чтобы получить отношение пар/углерод порядка 2,8: 1, и предварительно нагревается в конвективной части печи риформинга. Реагенты поступают в первичный риформер, температура газов на выходе которого составляет порядка 780 °С, а затем подаются во вторичный риформер, в котором процесс риформинга продолжается в условиях избытка воздуха. Благодаря наличию источников дешевой электроэнергии более экономичным является нагревать воздух использованием большей мощности компрессора, работающего на электроэнергии, чем сжиганием большего количества газа. Таким образом, температура технологического воздуха на выходе из компрессора составляет 400 °С. Этот воздух направляется непосредственно во вторичный риформер, без предварительного нагрева. Это относится только к установке в Терре и к аналогичным случаям наличия источников дешевой электроэнергии.

Температура газов на выходе вторичного риформера составляет величину порядка 950 °С. «Риформированный» газ охлаждается в котле-утилизаторе, за которым установлен пароперегреватель, и подается на высоко- и низкотемпературную конверсию СО. Охлаждение между конвертерами СО позволяет получить тепло для сатуратора. После конверсии СО и рекуперации тепла котловой водой газ подается на извлечение СО2 с помощью процесса, получившего название Селексол (в качестве поглотителя используется диметиловый эфир). Селексол идеально соответствует требованиям Терры по ограниченному удаление СО2 с помощью процесса, потребляющего малое количество энергии.

За абсорбером Селексола следует одноступенчатый компрессор синтез-газа, а затем - метанатор. Компрессор расположен таким образом, поскольку абсорбер Селексола работает при температуре ниже температуры окружающей среды: низкая температура на линии всасывания уменьшает степень сжатия, тогда как газ на выходе из компрессора теплый и подается непосредственно в теплообменник метанатора для дальнейшего нагрева.

Метанированный газ охлаждается и сушится в сушильной установке с молекулярными ситами. Осушенный газ подается в контур синтеза аммиака низкого давления на линию всасывания циркуляционного компрессора. В контуре синтеза газ, выходящий из циркуляционного компрессора, нагревается и аксиальным потоком поступает в колонну синтеза конструкции ICI с тремя слоями катализатора с вводом холодного байпаса после первого слоя и теплообменом после второго слоя. Для того чтобы обеспечить оптимальный баланс между перепадом давлений и активностью лимитированной диффузией, был выбран относительно малый размер частиц катализатора. Газ, выходящий из колонны синтеза, охлаждается, нагревая котловую воду, а затем, нагревается, подаваемый в колонну. Этот газ охлаждается с помощью механического холодильного цикла, из него в сепараторе удаляется жидкий аммиак, после чего газ возвращается в циркуляционный компрессор.

Установка по производству аммиака Чжонжуань, Пуянь, Китай [2].

Технологическая схема установки показана на рисунке 1.3

Рисунок 1.3 - Технологическая схема установки Чжонжуань, Пуянь, Китай

Природный газ, подаваемый под низким давлением, сжимается, нагревается и очищается от соединений серы. Затем он смешивается с паром и перед тем, как попасть в первичный риформер, давление на выходе которого превышает 40 бар, нагревается теплом отходящих газов. Мягкие температуры риформинга в процессе AMV позволяют проводить риформинг под высоким давлением по традиционной "трубной" технологии.

Взятый в избытке используемый в процессе воздух перед тем, как поступить во вторичный риформер, сжимается и нагревается. Вторичный pифopмep работает при проскоке метана около 1%. Затем “реформированный” газ поступает в высоко- и низкотемпературный конвертеры СО со встроенным устройством рекуперации тепла для производства пара.

Для отвода CO2 в этой установке используется процесс Бенфильд с малым расходом тепла (с многоступенчатыми эжекторами пара). Затем газ метанируется и поступает в компрессор синтез-газа. Он представляет собой 2-х корпусный компрессор с циркуляционным колесом на корпусе высокого давления и приводится в действие паровой турбиной. Мощность сжатия циркуляции составляет всего лишь 8 МВт. Синтез-газ поступает в контур синтеза аммиака низкого давления, расположенный по технологической схеме выше холодильников. В этой установке отсутствую осушители синтез-газа. Осушители необходимы там, где при синтезе аммиака к содержанию в нем воды предъявляются жесткие требования, в противном случае существует выбор между простотой установки и ее предельной эффективностью.

В установке Пуянь используется трехслойная колонна синтеза с внутренним охлаждением. В этой колонне используется катализатор ICI Серии 74-1 синтеза аммиака при низком давлении. Давление на выходе колонны составляет 15,225 МПа. Это давление существенно выше, чем на установке в Терре, и совместимо с более высоким давлением реформинга. Степени сжатия газа во время синтеза на обеих установках очень близки. Использование более высокого давления в контуре уменьшает размеры колонны и контура, что дает небольшой выигрыш в потребляемой энергии.

Очищенный газ из контура поступает в обычную криогенную установку AMV при давлении контура для отвода инертных газов и избыточного азота. Небольшая часть очищенного газа поступает непосредственно на сгорание, что позволяет сохранить баланс соотношения NH3 и СО2 для установки по производству мочевины.

Сжатие воздуха осуществляется газовой турбиной, при этом горячий воздух с выхлопа турбины подается в зону горения печи реформера. Такая система представляет собой эффективное средство, позволяющее удовлетворить требования комплекса синтеза аммиака и мочевины по пару и энергии.

LCA-технология получения аммиака компании ICI

Применение LCA-технология получения аммиака компании ICI нашла на заводе в Севернсайде [3].

При разработке схемы нового производства ключевая задача состояла в максимально возможном упрощении процесса.

Схема процесса LCA представлена на рисунке 1.4.

Рисунок 1.4- Технологическая схема процесса LCA

Риформинг-реактор с газовым обогревом (GHR). В новой технологии тепло реакции вторичного риформинга используется для обогрева реактора первичного риформинга посредством теплопередачи через трубки с катализатором. GHR занимает площадь на порядок меньше, чем камера сгорания традиционного реактора, работающая при атмосферном давлении; высота GHR в два раза меньше. Кроме того, здесь нет длинных, сложных коммуникаций, связывающих реактор с остальными частями установки, а также газовых бойлеров высокого давления и пароперегревателей.

Конструкция и размер GHR обеспечивают очень компактную и гибкую схему, позволяют значительно снизить протяженность высокотемпературных трубопроводов в зоне реактора. В GHR нет никаких горелок, отсутствуют какие-либо требования относительно работ по графику, поэтому не нужны ни платформы, ни другие системы доступа. Отсутствие высокотемпературных сжигателей в установке первичного риформинга значительно снижает выбросы NOх в атмосферу по сравнению с традиционными риформинг-установками.

В LCA-процессе линии сырья и воздуха взаимосвязаны, при неисправности одной из них другая прекращает работу автоматически, это обеспечивает безопасную остановку производства. "Горячий" запуск LCA-процесса можно повторить уже через 2-4 часа, это позволяет восстановить работу установки после нарушений гораздо быстрее и безопаснее, чем в традиционном процессе.

Использование катализатора вторичного риформинга с низкой термической инерцией обеспечило простую конструкцию GHR. Монолитная конфигурация обеспечивает низкий общий объем катализатора и минимальный вес катализатора и носителя.

Для того, чтобы уменьшить размер установки, теплоперенос через трубы был интенсифицирован с помощью "труб-оболочек", которые окружали содержащие катализатор трубки и увеличивали теплоотдачу от горячего отходящего газа вторичного риформинга. Ребра на трубах тоже усиливали теплоотдачу.

Одностадийная конверсия СО. LCA-процесс использует один изотермический реактор конверсии СО. В этой системе вместо обычных двух используется один реактор; но для рекуперации тепла по-прежнему используется циркуляция воды. Специальный изотермический катализатор конверсии на основе меди высоко активен и стабилен, так что может работать при температурах, превышающих температуры в традиционном реакторе низкотемпературной конверсии; кроме того, этот катализатор хорошо приспосабливается к высоким концентрациям СО в технологическом газе. Катализатор на основе меди гораздо менее опасен для окружающей среды, чем хромсодержащий катализатор конверсии; он позволяет безопасно использовать низкие паровые соотношения на стадии риформинга, избегая при этом проблем "перевосстановления" катализатора.

Разделение по разности давлений. Для достижения нужного теплового баланса в GHR между выделением тепла в блоке вторичного риформинга и потреблением тепла в блоке первичного риформинга количество добавляемого воздуха превосходит стехиометрически необходимое для производства аммиака. Для удаления избыточного азота используется система разделения по разности давлений (PSS). В этом сепараторе удаляется также двуокись углерода, которую иначе все равно пришлось бы удалять в большом жидкостном скруббере. Система не имеет энергетических ограничений по удалению СО2 и успешно заменяет довольно сложную комбинацию адсорбера, регенерационной башни и жидкостных циркуляционных систем, используемую на более традиционных заводах.

Компрессор синтез-газа. Схема LCA-процесса включает маленький двухступенчатый компрессор синтез-газа. GHR может работать при давлении, превышающем нормальное давление риформинга; благодаря этому, а также низкому давлению в контуре синтеза, можно использовать компрессор простой конструкции. Весь агрегат монтировался на передвижной опоре, затем полностью собранный и проверенный блок доставляли на место; такой подход выгоден с конструкционной и эксплуатационной точек зрения.

Синтез аммиака низкого давления. ICI Katalko представила усовершенствованный железный катализатор синтеза аммиака, специально приспособленный для синтеза при низких давлениях порядка 9,0 МПа. Это позволило включить в схему контур синтеза низкого давления и, благодаря этому, снизить требования к компрессору и упростить конструкцию элементов контура синтеза.

Хотя процесс получения аммиака хорошо изучен и оптимизирован, в настоящее время активно развиваются исследования в области новых способов получения аммиака, с целью снижения энергоемкости производства.

Так в работе [4] рассматривается новый метод получения аммиака в низкотемпературной плазме. Процесс не требует больших затрат, прост в проведении, позволяет использовать природное сырье. Согласно [4] предлагается способ плазменного каталитического получения аммиака, при котором смесь водяных паров и азот в молекулярном соотношении от 100: 1 до 10: 1 пропускаются через газоразрядное пространство, заполненное формованными гранулами носителя, покрытого катализатором. В качестве катализатора используются металлы Ti, Zr, Hf, V, Nb, Pt, и др., в качестве носителя - диэлектрические керамические материалы из оксидов Ti, Al, Si, Ce, Zr, стекла,органические полимеры с сопротивлением более 106 Ом. Плазма создается электрическими, микроволновыми или коронарными разрядами в пространстве между двумя электродами, разделенными диэлектриком.

В работе [5] предложен способ получения аммиака из углеродсодержащих гетерогенных исходных материалов. Процесс включает введение кислорода в исходное сырьё для получения CO и H2; взаимодействие СO с водой и образование CO2 и H2; удаление CO2 из газовой смеси криогенным способом и получение чистого водорода; смешивание водорода с азотом в определенных соотношениях и образование аммиака.

В [6] предлагается экономичный низкотемпературный способ получения аммиака, включающий следующие операции: получение из элементарного кремния и его соединений, особенно кремневодородов, методом азотирования при низких температурах (100 - 300°С) в присутствии катализаторов (Cu, Ag, Au, CuO) нитрида кремния (Si3N4); обработка полученного продукта CO2 и H2O с получением (NH4)2CO3 и SiO2; разложение карбоната аммиака термическим путем или путем воздействия на него оснований с получением аммиака. Разложение карбоната аммиаком может производиться также его обработкой HF с образованием (NH4)2SiF6 и последующего нагревания последнего с получением NH3 и SiF4.

В работе [7] описан способ получения аммиака с применением комплексных соединений металлов, например Mo, Zn, Na, связывающих азот и способствующих взаимодействию азота с другими элементами, включая H2. Приведены механизмы реакции синтеза аммиака и других соединений азота с применением нитрогеноза, извлекаемых из микроорганизмов, и комплексных соединений указанных металлов.

В [8] предложен способ получения аммиака из N2 в присутствии соединений металла, активирующего процесс и представленного формулой M[NR1R2]3, где M - Mo, Ti, V, W, Cr; R1 и R2 - органические радикалы. Процесс проводят при температуре порядка 65 °С. Возможно использование катализатора на основе благородного металла.

Авторами [10] выполнено теоретическое и экспериментальное исследование и рассмотрен процесс очистки газового потока от примесей СО2 с применением жидкостей содержащих водные растворы алкиламинов и солей аминокислот. Отмечено, что такие жидкости не смачивают поверхность гидрофобных микропористых мембран, выполненных из полиолефинов. Рассмотрена методика и процедура проведения экспериментов, которые осуществлялись при различных парциальном давлении СО2, в широком диапазоне концентраций аминокислот в жидкости. Предложена математическая модель процессов, протекающих в мембранах из пустотелых волокон. Отмечена хорошая сходимость результатов, полученных при выполнении экспериментальных исследованиях, и соответствующих показателей, найденных расчетным путем с использованием предложенной математической модели.

Разработана конструкция абсорбера [18], включающего корпус, состоящий из цилиндрических вертикальных секций с диаметрами, уменьшающимися по высоте корпуса, с размещенной внутри секций массообменной насадкой, ороситель, размещенный над насадкой верхней секции и соединенный со штуцером ввода жидкости, штуцера ввода и вывода газа, штуцер вывода жидкости, отличающийся тем, что насадка в верхней секции выполнена из эрозионностойкого материала, а ороситель выполнен в виде усеченного конуса, ориентированного вершиной вниз, при этом боковая поверхность конуса и вершина перфорированы.

Абсорбер, отличается тем, что насадка выполнена из металла, перфорация на боковой поверхности конуса выполнена в виде однонаправленных щелевых прорезей и на боковой поверхности конуса размещена поярусно. Ороситель установлен соосно корпусу.

Задачи, решаемые полезной моделью: повышение технологической эффективности и эксплуатационной надежности абсорбера за счет предотвращения разрушения насадки и устранения уноса жидкости. Технический результат, достигаемый с использованием полезной модели, - срок службы насадки увеличивается теоретически с 1,3 года до 12 лет, а унос снижается фактически с 15 г/м3 до 0,3 г/м3.

Энергоемкость производства аммиака складывается из затрат природного газа и электроэнергии и составляет в среднем 9,5 - 10,5 Гкал на тонну аммиака (при этом расход энергии в отделениях абсорбционной очистки достигает 10 % от общей энергоемкости).

Примером возможности снижения расхода энергии на производство аммиака явилась модернизация отделения абсорбционной очистки агрегата АМ-70 на ОАО «Невинномысский Азот», проведенная 2001 году [19]. В ходе этой модернизации была произведена замена раствора моноэтаноламина (МЭА) абсорбентом на основе метилдиэтаноламина (МДЭА-модифицированный), разработанным ФГУП «НИФХИ им. Л.Я. Карпова» и произведенным на ЗАО «Химсорбент» г. Дзержинск.

Необходимо отметить, что за рубежом МДЭА уже давно используется в качестве абсорбента для очистки газов. Такие фирмы как BASF, DOW CHEMICAL, UNION CARBIDE предлагают абсорбенты на основе МДЭА и на российском рынке. Однако, зарубежные фирмы не всегда учитывают технологические особенности российских агрегатов, в результате чего простая замена раствора МЭА на МДЭА-абсорбент не дает максимально возможного снижения энергопотребления и даже может привести к возникновению серьёзных проблем в ходе эксплуатации. Кроме того, стоимость зарубежных МДЭА-абсорбентов выше отечественного аналога.

Разработанная ФГУП «НИФХИ им. Л.Я. Карпова» технология замены МЭА-раствора на отечественный МДЭА-абсорбент предусматривает целый комплекс мероприятий, позволяющих максимально снизить энергопотребление в отделении очистки и обеспечить его устойчивую работу на новом абсорбенте.

Проведенные на основе данных физико-химических свойств МДЭА-модифицированного расчёты показали, что замена МЭА-раствора на МДЭА-абсорбент в условиях технологической схемы агрегата АМ-70 позволяет снизить расход тепла на стадии очистки синтез-газа более чем на 30 % с сохранением регламентных показателей по степени очистки, производительности агрегата и качества продукционной СО2.

Выбор абсорбента является важной задачей, поскольку от его специфических свойств зависит технологическая схема и технико-экономические показатели процесса.

Неприемлемость использования водных растворов щелочи для очистки газа от кислых компонентов в том, что взаимодействие щелочи с сероводородом и диоксидом углерода сопровождается накоплением в абсорбенте нерегенерируемых соединений, что приводит к относительно быстрой отработке абсорбента и вызывает проблемы утилизации отходов производства.

Аминовые процессы обеспечивают тонкую очистку газов от сероводорода и диоксида углерода при незначительном поглощении углеводородов.

Каждый из аминовых растворителей обладает определенными физико-химическими свойствами, влияющими на процесс очистки. Выбор растворителя зависит от требуемой степени очистки газа, начального содержания примесей, а также необходимых технико-экономических показателей процесса (расход растворителя, тепла и энергии на процесс очистки).

Наиболее распространенные способы аминовой очистки.

МЭА-способ

Для МЭА-способа хемосорбентом является водный раствор моно-этаноламина с концентрацией 15-30 % масс. Более высокие концентрации МЭА применяют только при использовании высокоэффективных ингибиторов коррозии. Растворы МЭА обеспечивают тонкую очистку газа от H2S и СО2 в широком диапазоне концентраций. Моноэтаноламин по сравнению с другими аминами труднее регенерируется, но меньше поглощает углеводороды.

Существенным недостатком МЭА являются его относительно высокая реакционная способность по отношению к органическим соединениям серы, содержащимся в газе, с образованием побочных продуктов и высокая коррозионная активность его растворов. Первичные амины не следует использовать, если в очищаемом газе присутствует CS2 и СОS, так как реакция протекает с образованием труднорегенерируемых и нерегенерируемых соединений, накапливающихся в абсорбенте и снижающих его абсорбционную емкость.

ДЭА-способ

Диэтаноламин применяют в качестве хемосорбента в виде водного раствора концентрацией 25-30 %. Недостатком ДЭА-способа по сравнению с МЭА-способом являются более низкая поглотительная способность раствора и более высокий удельный расход абсорбента.

Наиболее важные преимущества ДЭА-способа по сравнению с МЭА- способом:

обеспечивается тонкая очистка газов в присутствии COS, CS2 и тяжелых углеводородов (продукты реакции ДЭА с COS и CS2 на 70-85 % гидролизуются до H2S и СО2);

выше химическая стабильность;

насыщенный абсорбент легче регенерируется вследствие меньшей прочности химических связей образующихся соединений;

диэтаноламин имеет более низкое давление насыщенных паров, что обеспечивает меньшие потери с кислым газом в десорбере;

абсорбцию можно проводить на 10-15 °С выше, чем в МЭА-процессе, что позволяет снизить вероятность вспенивания раствора при очистке газа с повышенным содержанием тяжелых углеводородов.

МДЭА-ДЭА-способ

Используют с целью улучшения технико-экономических показателей процесса очистки газа от кислых компонентов за счет снижения коррозионной активности реакционной среды. Как правило, этот способ используют для обеспечения требуемой степени извлечения (и ее регулирования) СО2 в присутствии H2S. В этом процессе используется водный раствор смеси метилдиэтаноламина (МДЭА) и диэтаноламина (ДЭА) суммарной концентрации аминов 40-50 % при массовом соотношении ДЭА: МДЭА от 1: 4 до 4: 1.

Способ ДИПА.

В качестве хемосорбента используется диизопропаноламин (ДИПА) в виде водного раствора с концентрацией до 40 %. ДИПА обеспечивает тонкую очистку газа от H2S - до 1,5 мг/м3 и СО2 - до 200 мг/м3 (до 0,01%) при низкой растворимости в нем углеводородов. При этом извлекаются до 50 % COS и RSH. ДИПА с СО2, COS и RSH образует легко регенерируемые соединения. Потери ДИПА при регенерации примерно вдвое меньше, чем МЭА. При использовании в качестве абсорбента растворов ДИПА практически отсутствует коррозия аппаратуры. Тепловой эффект реакции ДИПА СО2 и H2S ниже, чем для МЭА, и поэтому расход пара при регенерации ниже. Существенным недостатком ДИПА является его высокая стоимость.

Способ Эконамин

В качестве хемосорбента используется дигликольамин (ДГА) с концентрацией в водном растворе 60-65 % масс. ДГА - это фирменное название 2-этокси (2-амино)этанола (HO-CH2-CH2-O-CH2-CH2- NH2). ДГА обеспечивает тонкую очистку газа от H2S - ниже 5,7 мг/м3 и СО2 ниже 200 мг/м3 (до 0,01% об.). При взаимодействии ДГА с СО2, COS, СS2 и RSH образуются легко регенерируемые соединения. По сравнению с МЭА и ДЭА обладает существенно более высокой способностью извлекать меркаптаны. Степень насыщения раствора кислыми компонентами газа на 20 % больше, чем для МЭА. Недостатком ДГА являются его высокая стоимость и сравнительно большие потери при эксплуатации.

ТЭА-способ

Абсорбент - водный раствор триэтаноламина концентрации 45-53 % масс. Триэтаноламин (ТЭА), в отличие от первичных и вторичных аминов, не способен вступать в непосредственное взаимодействие с диоксидом углерода с образованием карбамата, так как в молекуле ТЭА отсутствует подвижный атом водорода у атома азота. Извлечение СО2 происходит за счет физической абсорбции (под давлением 5-7 МПа) и реакций образования карбоната и гидрокарбоната амина, имеющих низкие константы скорости. Процесс регенерации осуществляется ступенчатым испарением за счет понижения давления и повышения температуры в сепараторе, а затем в десорбционной колонне. Недостаток способа в том, что в дальнейшем газ требуется подвергать доочистке с применением алкацидного способа.

Способы ДЭТА и ЭДА

Для хемосорбции СО2 и H2S применяются полиамины. Эти способы преимущественно используют для очистки газов нефтепереработки, для очистки коксового газа. Растворы диэтилентриамина (ДЭТА) и этилендиамина (ЭДА) обладают значительно большей скоростью хемосорбции СО2 и обеспечивают более глубокую очистку газов от СО2 (до 0,01 % об.), по сравнению с моноэтаноламином. Кроме того, их поглотительная способность существенно выше.

Столь же велика хемосорбционная активность раствора ЭДА. Поглотительная способность ЭДА по отношению к сероводороду почти в 2 раза выше, чем МЭА.

Наиболее существенным недостатком полиаминов как хемосорбентов является их высокая коррозионная активность, что требует применения специального оборудования из нержавеющей стали или высокоэффективных ингибиторов коррозии.

Способ Амизол

Основан на применении в качестве хемосорбента раствора МЭА или ДЭА в метаноле. Такой абсорбент поглощает H2S, CO2, меркаптаны, углеводороды и воду. Абсорбция ведется при 35 °С, а регенерация при 80 °С. Это обусловливает низкий расход тепла на регенерацию по сравнению с водными растворами аминов. При этом процессе достигнута высокая степень очистки от H2S, COS, CO2. Побочные реакции аминов с СО2 и COS в метанольном растворе идут в 10 раз медленнее, чем в водном растворе МЭА, и в 100 раз медленнее, чем в водном растворе ДЭА. Коррозия оборудования при этом практически отсутствует.

Недостатком способа является большой унос паров метанола с потоком очищенного газа. Однако очистка газа водой после абсорбера дает возможность практически полностью улавливать метанол и после выделения и возвращать в цикл, но для этого требуется дополнительное оборудование.

В данном дипломном проекте рассматривается двухпоточная технологическая схема отделения очистки цеха аммиака третьей очереди, с применением в качестве абсорбента раствор метилдиэтаноламина.

.2 Обоснование цели реконструкции и основных технических решений

Агрегат аммиака в ОАО «ГРОДНО АЗОТ» с номинальной мощностью

т NH3 / сутки, построенный по проекту фирмы Toyo Engineering Corporation является одним из многих агрегатов основанных на технологии фирмы Kellog. Эта технология по современным критериям отличается слишком высоким показателем энергопотребления свыше 10 Гкал/т NH3. Большая доля в общем энергопотреблении приходится на узел очистки газа от СО2 горячим раствором карбоната калия, потребляющий значительные количества тепла на регенерацию раствора.

Целью модернизации является уменьшение расхода энергии на регенерацию абсорбционного раствора (на 8-10 % по сравнению с работой на растворе Бенфильд), улучшение степени очистки технологического газа от СО2 (снижение содержания СО2 от 0,1 % до 0,005 %), доведение производительности отделения очистки до мощности, эквивалентной производительности агрегата 1500 т NH3/сутки, уменьшение технологических потерь абсорбента (деградация и унос с ПГС до 0,1 кг на тонну NH3), снижение смолоотложения на поверхности теплообменной аппаратуры.

Снижение энергетических затрат в производстве NН3 является одной из наиболее актуальных задач при модернизации действующих агрегатов. Цель достигается путем замены раствора Бенфильд абсорбентом на основе метилдиэтаноламина (МДЭА).

Критерием сравнения процессов очистки газа, как и во всех других случаях, является величина приведенных затрат. Однако в каждом случае необходимо учитывать факторы, зависящие от конкретных условий и влияющие на экономику процесса.

В таблице 1.3 приведены данные, характеризующие основные технические и экономические показатели процессов метилдиэтаноламиновой и поташной очисток газа от диоксида углерода раствором метилдиэтаноламина (МДЭА) и горячего поташа, активированного диэтаноламином (П+ДЭА).

Таблица 1.3 Основные технические и экономические показатели процессов метилдиэтаноламиновой и поташной очисток

Показатель

МДЭА

«Бенфильд»

Мощность производства, т NH3/cyт

1500

1360

Давление процесса абсорбции, МПа

2,8

2,8

Содержание СО2 в газе на входе в очистку, %(об.)

17,4

17,4

Содержание СО2 в газе, на выходе из очистки % (об.)

0,005

0,01

Суммарное количество циркулирующего раствора, м3/ч

1205

1450

Температура процесса регенерации раствора, оС

105-110

110-119

Расход тепла на процесс, кДж/т NH3

435433

500728


Как видно из приведенных данных, в процессе МДЭА-очистки значительно ниже расход тепла, значительно меньше количество циркулирующего раствора.

В поташной очистке выше расход электроэнергии и ниже степень очистки газа, обусловливающая 10-тикратное увеличение расхода водорода на процесс метанирования, что вызывает прямую потерю продукции (около 7 т/сут). Кроме того, возможны дополнительные потери водорода, азота и аммиака в цикле синтеза за счет увеличения продувки, что равноценно потере дополнительно примерно 7 т аммиака в сутки. Таким образом потери из-за неполного удаления СО2 составляют около 1,1 % мощности установки.

Таким образом, процесс МДЭА-очистки, имеет определенные преимущества перед поташной очисткой.

Применение МДЭА раствора позволяет улучшить технико-экономические показатели процесса очистки газа от кислых компонентов за счет селективной абсорбции, а так же за счет большей ёмкость абсорбента на единицу объёма при поглощении СО2 .

МДЭА очистка существенно дороже поташной очистки. Однако, благодаря ряду усовершенствований (применение схем с разделенными потоками, совмещение тепло- и массообмена, увеличение степени насыщения абсорбента) показатели процесса резко улучшаются.

2. Характеристика сырья и готовой продукции

.1 Характеристика сырья и материалов

Современное производства синтетического аммиака состоит из ряда последовательных технологических стадий, сосредоточенных в отдельных блоках: сероочистки природного газа, конверсии метана, конверсии окиси углерода, очистки синтез-газа (конвертированного газа) от диоксида углерода, метанирования, компрессии, синтеза аммиака, объединенных по технологическому принципу.

Характеристика сырья и материалов представлена в таблице 2.1.

Таблица 2.1 Характеристика сырья и материалов

Наименование сырья, материалов, полупродуктов

Научно-техническая документация или методика на подготовку сырья

Показатели обязательные для проверки

Регламентируемые показатели с допустимыми отклонениями

Природный газ


Состав газа, теплота сгорания топлива, массовая концентрация серы (общая). Давление

Объемная доля компонентов в природном газе: СН4 - от 83,6 до 98,7% С2Н6 - от 0,15 до 8,4% С3Н8 - от 0,06 до 2,6% С4Н10 - от 0,02 до 0,6% С5Н12 - от 0,00 до 0,2% СО2 - от 0,06 до 2,0 % N2 __ от 0,00 до 5,0 % Массовая концентрация компонентов: серы (общая) не более 80 мг/м3 этилмеркаптана не более 45 мг/м3 сероводорода не более 20 мг/м3 органических соединений не более 15 мг/м3 теплота сгорания топлива, низшая, не менее 38 Мдж/м3 давление на входе в цех 0,7-1,6МПа

Раствор МДЭА в качестве абсорбента двуокиси углерода из конвертированного газа

ТУ 2423-001-43009543-2001 с изменением № 1.

состав

Представляет собой водный раствор: Метилдиэтаноламина СН3N (CH2CH2OH)2.  - 36-40 % ; К2СО3 - 1 - 3 %; Пиперазина  - 4 - 6 %. МДЭА раствор - бесцветная жидкость, слегка маслянистая на ощупь (при наличии смол имеет темную окраску). Плотность - 1,042 г/см3. Опасен при попадании в глаза и на кожу из-за наличия метилдиэтаноламина

Антивспениватель- эмульсия КЭ-10-34

ТУ 6-02-1323-85.


Жидкость светло - желтого цвета с отсутствием механических примесей. Не оказывает раздражающего действия на кожу, слизистые оболочки глаз и верхних дыхательных путей. Кумулятивным действием не обладает и не выделяет в воздух вредных паров и газов; взрывобезопасна, не горюча, химически инертна. Эмульсия отнесена к IV классу опасности веществ.

Азот для разогрева катализаторов и продувок аппаратов и коммуникаций

ГОСТ- 9293-74

состав

объемная доля: азота не менее 99,99 % кислорода не более 0,001 % водяной пар не более 0,0015 %

Катализатор гидрирования сернистых соединений (алюмокобальтмолибденовый) тип С49-1

ТУ-38-101-194-77

Состав, насыпная плотность

Массовая доля компонента в веществе: окиси кобальта СоO не менее 3,4 % трехокиси молибдена МоO3 не менее 14,5 % насыпная плотность от 640 до 740кг/м3

Катализатор сероочистки (окись цинка) ГИАП-10

ТУ-113-03-313-85

Состав, насыпная плотность при 200С и 101325 Па

Массовая доля компонента в веществе: окись цинка, не менее 94 % насыпная плотность от 1500 до 1900 кг/м3

Катализатор G-1- адсорбент поглощения сернистых соединений

Документация фирмы “ SUD - Chemie”

Состав, насыпная плотность, количество

Массовая доля компонента в веществе: окиси меди СuO не менее 1,5 % трехокиси молибдена МоO3 не менее 3,5 % остальное ZnO насыпная плотность 1,2 ± 0,1 кг/дм3 форма- экструдаты размер частиц -5,5 мм

Катализатор никелевый для печи первичного риформинга ГИАП-16

ТУ-6-03-352-79 Марка 2

Состав, насыпная плотность при 200С и 101325 Па

Массовая доля компонента в веществе: окиси никеля NiO___26,5 ± 1,5 % окиси вария ВаO___ 1 ± 0,2 % окиси кальция СаO___ 9 ± 2 % окиси магния МgO___ 8 ± 2 % трехокиси алюминия Al2O3_ не менее 57 % трехокиси серы SO3_ не более 0,1% насыпная плотность до 1200кг/м3

Катализатор алюмохромовый для вторичного риформинга ГИАП-14

ТУ-113-03-484-83

Состав, насыпная плотность при 200С и 101325 Па

Массовая доля компонента в веществе: оксида хрома Cr2O3___ не менее 5 % оксида серы SO3__ не более 0,005% насыпная плотность 1000 до 1250кг/м3

Катализатор железохромовый (для среднетемпературной конверсии окиси углерода)

ТУ-113-03-317-86

Состав, насыпная плотность при 200С и 101325 Па

Массовая доля компонента в веществе: оксида железа Fe2O3_ не менее 88% оксида хрома Cr2O3___ не менее 7 % оксида серы SO3___ не более 0,3 % насыпная плотность до 1300 кг/м3

Катализатор НТК-4 для низкотемпературной конверсии окиси углерода

ТУ-113-03-10-19-88

Состав, насыпная плотность при 200С и 101325 Па

Массовая доля компонента в веществе: окиси меди СuO ___ 54 ± 0,3 % оксида алюминия Al2O3_ 19.6 ± 2 % оксида хрома Cr2O3___ 14 ± 1,5 % оксида цинка ZnO___ 11 ± 1.5% насыпная плотность до 1750 кг/м3

Катализатор никелевый для метанатора НКМ-1

ТУ-113-03-398-87

Состав, насыпная плотность при 200С и 101325 Па

Массовая доля компонента в веществе: окиси никеля NiO___36 ± 3 % оксида алюминия Al2O3- не менее 47 % насыпная плотность до 1300 кг/м3

Катализатор железный для синтеза аммиака, марка АПО-1 (Китай)


Состав, насыпная плотность

Массовая доля компонента в веществе: оксида железа Fe3O4 ___ 92,18 % оксида калия К2O ___ 0,47 % оксида алюминия Al2O3___ 2,3 % оксида кальция СаO___ 0,69 % оксида магния МgO___ 0,06 % SiO2___ 0,3 % оксида ванадия V2O5___ 0,41% насыпная плотность до 3000 кг/м3



2.2 Характеристика продукта

Продуктом производства является синтетический аммиак.

Химическая формула - NН3. Относительная молекулярная масса - 17.

Жидкий аммиак (NН3) - бесцветная прозрачная жидкость с резким запахом, образуется в результате охлаждения газообразного аммиака до минус 33,4°С при атмосферном давлении. При температуре минус 78°С затвердевает в виде кристаллов кубической формы. Плотность жидкого аммиака равна 681,4 кг/м3.

Критическая температура аммиака равна 132,4°С, критическое давление 115 кгс/см2. Молярная теплоемкость аммиака при атмосферном давлении и 20°С равна 35,66 кДж/моль·град, молярная теплота испарения при минус 33,4°С составляет 22,37 кДж/моль.

Аммиак хорошо растворяется в воде, образуя гидрат окиси аммония:

Н3 + Н2О → NН4ОН + Q

При температуре 20 °С и 101325 Па в одном объеме воды растворяется 695 объемов аммиака. Водный аммиак - бесцветная прозрачная жидкость с резким запахом. Значение плотности при температуре 25 °С и давлении 101325 Па составляет 900 кг/м3.

Температура самовоспламенения в смеси с воздухом равна 650 °С. Предел взрываемости воздушной смеси с аммиаком при 20 °С и атмосферном давлении в объемных долях: нижний - 15,5 %, верхний - 27 %.

Газообразный аммиак - бесцветный газ с резким специфическим запахом. Значение плотности при 0 °С и 101325 Па - 0,771 кг/м3 [24].

Аммиак обладает токсическими свойствами. Попадание аммиака в организм вызывает головокружение, тошноту, т.е. легкое отравление, в больших количествах вызывает удушье и отек легких. Попадание жидкого аммиака на кожу вызывает сильные ожоги. Предельно допустимая массовая концентрация аммиака в рабочем помещении - 20 мг/м3 [24].

Выпускаемый товарный синтетический аммиак должен соответствовать ГОСТ 6221-90, основные технические показатели представлены в таблице 2.2.

Таблица 2.2 Выпускаемый товарный синтетический аммиак

Наименование показателя

Нормы для марок


А

Ак

Б

Массовая доля аммиака, % не менее

99,96

99,6

99,6

Массовая доля азота, % не менее

-

82

82

Массовая доля воды, % не более

0,04

0,2÷0,4

0,2÷0,4

Массовая концентрация масла, мг/дм3, не более

2

2

8

Массовая концентрация железа, мг/дм3, не более

1

1

2

Массовая концентрация общего хлора, мг/кг, не более

-

0,5

-

Массовая концентрация двуокиси углерода, мг/кг, не более

-

30±10

-


3. Физико-химические основы производства и оптимизация технологического режима

.1 Свойства МДЭА абсорбента

В производстве аммиака после конверсии метана и СО в синтез-газе содержится большое количество паров воды, СО2 и СО. Эти соединения являются каталитическими ядами катализатора синтеза аммиака, поэтому перед синтезом проводят очистку газа от этих примесей.

В качестве абсорбента используется раствор метилдиэтаноламина (МДЭА)- третичный амин. Алканоламины содержат по крайней мере одну гидроксильную и одну аминогруппу. Присутствие гидроксильной группы снижает давление насыщенных паров и повышает растворимость амина в воде, а аминогруппа придает водным растворам щелочность, необходимую для взаимодействия с СO2, которые в водной среде диссоциируют с образованием слабых кислот.

МДЭА представляет собой смесевую композицию метилдиэтаноламина, пиперазина, анилина и воды.

Внешний вид: прозрачная жидкость от бесцветного до желтоватого цвета без механических включений.

Взаимодействие водных растворов метилдиэтаноламина (МДЭА) с диоксидом углерода - обратимые процессы, которые описываются следующими реакциями:

(ОН-СН2-СН2)2NCH3 + H2O + CO2 ↔ (ОН-СН2-СН2)2NCH3CO3

[(ОН-СН2-СН2)2CO3 + H2O + CO2 ↔ 2(ОН-СН2-СН2)2NHCH3HCO3

При абсорбции двуокиси углерода раствором метилдиэтаноламина модифицированного образуются соли слабой угольной кислоты.

Метилдиэтаноламин является слабым хемосорбентом СО2 и по своим свойствам близок к физическим абсорбентам, характеризующимся меньшими затратами энергии при проведении их десорбции от СО2.

Эта же особенность МДЭА обусловливает низкую кинетику процесса абсорбции и требует применения активирующих добавок.

Зависимости константы скорости взаимодействия диоксида углерода с метилдиэталонаминами от температуры обобщены в виде уравнения:

для МДЭА lg K = 8,010 - 1240/T

Абсорбция СО2, как правило, лимитируется сопротивлением в жидкой фазе. Таким образом, используя разницу в скоростях реакции аминов с СO2, можно создать в абсорбере такие условия (минимальное время контакта газ - жидкость, и применении определенного типа поглотителей таких как третичные амины МДЭА, DIРА), при которых углекислота будет извлекаться частично, т.е. абсорбция будет протекать селективно.

Первичные (МЭА) и вторичные амины могут реагировать с СO2 с образованием карбамата (соли замещенной карбаминовой кислоты), которая трактуется как быстрая реакция второго порядка. Кроме того, с СO2 образуются карбонаты и бикарбонаты аминов, но образованию их предшествует медленная реакция растворения СO2 в воде с образованием угольной кислоты Н2СO3. Считается, что при умеренных степенях карбонизации амина (до 0,5 моль СO2/моль амина) преимущественно протекает быстрая реакция образования карбамата. Карбаматы аминов - нестойкие соединения и в слабощелочной среде они медленно разлагаются с образованием бикарбоната (на примере вторичного амина):

NCOOR2NH2 + H2O = R2NH + R2NH2HCO3

где R - HOCH2CH2

У третичного алканоламина (МДЭА) нет подвижного атома Н+ в аминовой группе ( N -), поэтому становится невозможным протекание прямой и быстрой реакции с СO2 по карбаматному типу, а взаимодействие осуществляется через предварительную и медленную стадию образования и диссоциации угольной кислоты:

СО2+Н2О = Н2СО3

Н2СО3 = Н+ +НСО3

[Амин]+ Н+ + НСО3- = [Амин · Н]+ ·НСO3

Конечными продуктами реакции являются бикарбонат и карбонат. Таким образом, разница в скоростях реакций третичных аминов с СO2 (медленная реакция) гораздо значительнее, чем для первичных и вторичных аминов. Это позволяет использовать на практике третичные амины для селективного извлечения СO2.

Селективность зависит от многих факторов: температуры и давления абсорбции, кратности циркуляции абсорбента, высоты аппарата, степени очистки газа, содержания СO2 в газе и др.

Поглощение СО2 сопровождается уменьшением его парциального давления, протекает с выделением тепла. Абсорбция, следовательно, в соответствии с принципом Ле-Шателье, проводится при повышенном давлении и пониженной температуре. Обратные реакции с выделением СО2 и высвобождением свободного метилдиэтаноламина происходят с поглощением тепла. Регенерация раствора поэтому производится при пониженном давлении и повышенной температуре. Интенсивное кипение раствора при регенерации приводит к уносу выделившейся СО2 с парами воды, что уменьшает парциальное давление СО2 над раствором и также смещает равновесие указанных реакций в сторону выделения СО2.

Карбаматы, образующиеся в результате реакции абсорбции, нестойки, причем наиболее быстрое и полное разложение достигается в кислом или в сильно щелочном растворе. В слабом щелочном растворе разложение протекает с образованием бикарбоната сравнительно медленно.

Поглотительная способность раствора, выраженная отношением моль СО2 на моль амина, называется также степенью карбонизации.

Как видно из рисунка 3.1, при одинаковой концентрации СО2 в растворе давление СО2 над растворами третичных аминов значительно ниже, чем над растворами первичных аминов (МЭА) и соответственно выше их поглотительная способность.

Рисунок 3.1 - Зависимость давления СО2 над водными растворами третичных аминов (МДЭА) и первичных аминов (МЭА) (пунктирные линии) от температуры и степени карбонизации

Так, при 50 °С и концентрации СО2 в растворе 0,31 моль СО2 на 1 моль амина давление СО2 над раствором МДЭА равно 0,15 мм рт. ст., в то время как над раствором МЭА при тех же условиях оно составляет 1 мм рт. ст. Равновесная концентрация СО2 в 2,5 н. растворе МЭА при 760 мм рт. ст. и 20 °С составляет 43 м3/м3, а в 2,5 н. растворах МДЭА - около 70 м3/м3.

Степень карбонизации раствора определяется термодинамическим равновесием. Равновесная степень карбонизации увеличивается при снижении концентрации МДЭА в растворе, уменьшении температуры и повышении парциального давления СО2. Однако влияние этих факторов невелико: даже при значительном их изменении количество СО2 в растворе может уменьшаться или увеличиваться не более чем в 1,5 раза.

На рисунке 3.2 приведена растворимость СО2 в различных растворах МДЭА.

В промышленности при извлечении СО2 из газа раствором МДЭА с концентрацией 36-40 % под давлением 2,45-2,9 МПа может быть достигнута степень карбонизации α=0,65-0,75.

Рисунок 3.2 - Растворимость СО2 в различных растворах МДЭА

Из рисунка 2.2 ви        дно, что максимальное количество СО2. растворяется в растворе МДЭА +пиперизин. Самой высокой растворимостью по СО2 обладает раствор МДЭА с концентрацией 36-40 %.

Степень очистки газа от СО2 определяется его равновесной концентрацией (равновесным парциальным давлением) над раствором МДЭА. Эта величина тем ниже, чем меньше температура и степень карбонизации раствора.

Повышение концентрации МДЭА раствора при одинаковой степени карбонизации приводит к возрастанию равновесного давления СО2 над раствором (или при заданной концентрации СО2 в растворе соответственно уменьшается степень карбонизации), при этом повышается абсолютное количество поглощенного СО2. Таким образом, увеличивая концентрацию МДЭА, уменьшаем количество циркулирующего раствора. Оптимальной концентрацией МДЭА раствора является 36-40 %. Опыт промышленной эксплуатации показал, что не следует применять растворы концентрацией выше 40 % МДЭА по следующим причинам: усиливается коррозия оборудования, возрастают потери дорогостоящего амина, увеличивается вязкость раствора, что ухудшает смачиваемость, а также снижаются коэффициенты абсорбции.

3.2 Выбор основных технологических параметров МДЭА очистки

Основным технологическими параметрами МДЭА очистки являются давление абсорбции, концентрация раствора, степень его карбонизации, давление и температура регенерации. Выбору этих параметров при производстве аммиака уделяется большое внимание, поскольку они определяют надежность и экономичность процесса. Если конвертированный газ получен под атмосферным давлением и не требуется его тонкая очистка, то абсорбция СО2 ведется под давлением, близким к атмосферному. Вести абсорбцию под повышенным давлением, например, при 1,5 или 3,0 МПа, неэкономично, т.к. в этом случае пришлось бы сжимать СО2 до этого давления и, следовательно, расходовать значительное количество электроэнергии.

При температурах выше 100°С раствор МДЭА диссоциирует, выделяя СО2. Это свойство используют для регенерации. Анализ регенерации водного раствора МДЭА при различных давлениях и температурах показывает, что регенерация при давлении 0,2-0,4 кгс/см2 и температуре 105-110°С достигается глубокая регенерация раствора МДЭА. Она эффективна в тех случаях, когда необходимо очень тонко очистить газ, например, до 0,001-0,005 % (об.) СО2.

Результаты исследований по кинетике абсорбции СО2 водными растворами этаноламинов трудно в полной мере использовать для расчета аппаратов большого размера вследствие ограниченного интервала исследованных параметров. Поэтому используют средние коэффициенты массопередачи для различных промышленных абсорберов, найденных экспериментальным путем.

Принятые параметры процесса и высокоинтенсивная конструкция абсорбера позволяют обеспечить высокую степень карбонизации этаноламинов в растворе, близкую к равновесному содержанию двуокиси углерода в растворе при заданных парциальном давлении углекислоты и температуре внизу абсорбера. Необходимым условием достижения высокой степени карбонизации является ведение процесса абсорбции при минимальном избытке орошения раствором МДЭА.

Для проведения процесса регенерации раствора МДЭА необходимо подвести тепло в количестве, которое определяется из уравнения теплового баланса регенерации. Так как количество подведенного тепла довольно велико, то в целях сокращения расхода тепла на регенерацию и удешевления стоимости очистки в промышленных установках стремятся возможно полнее рекуперировать тепло горячего регенерированного раствора и тепло диоксида углерода и водяного пара. Тепло регенерированного раствора используется для подогрева нерегенерированного раствора и его грубую регенерацию.

Абсорбент на основе МДЭА имеет ряд преимуществ по сравнению с растворами МЭА. Так меньшая потребность в тепле для регенерации раствора аМДЭА, отбираемого после модернизации из потока технологического газа, дает возможность снижения соотношения пар:газ на входе в реактор первичного риформинга с 3,8 до около 3,4.

На рисунке 3.3 представлена принципиальная схема распределения тепла при использовании различных абсорбентов.

Рисунок 3.3 - Принципиальная схема распределения тепла при использовании в качестве абсорбентов водные растворы МДЭА и МЭА

В таблице 3.1 представлены числовые показатели распределения тепла для различных абсорбентов.

Таблица 3.1 Числовые показатели распределения тепла для водных растворов МДЭА и МЭА


Q1

Q2

Q3

Q4

Q5

Q6

МЭА

5 Гкал/ч

3 Гкал/ч

47 Гкал/ч

4 Гкал/ч

7 Гкал/ч

56 Гкал/ч

МДЭА

5 Гкал/ч

3 Гкал/ч

37 Гкал/ч

2 Гкал/ч

5 Гкал/ч

42 Гкал/ч


Из таблицы 3.1 видно, что потребность в тепле для регенерации МДЭА меньше, чем для МЭА.

В результате снижения соотношения пар: газ на входе в реактор первичного риформинга уменьшается поток технологического газа, проходящего все очередные узлы линии подготовки синтез газа и создаются благоприятные условия для интенсификации агрегата аммиака.

Так, скорость дегидратации МДЭА и его коррозионная активность в растворе меньше, чем у МЭА. Применение раствора МДЭА не требует использования более стойких материалов. Результаты промышленного испытания скорости коррозии сталей в МДЭА и МЭА, проведенного заводской лабораторией ОАО «Невинномысский азот» приведены в таблице 3.2.

Использование МДЭА не приводит к образованию отходов. С другой стороны кинетика абсорбции СО2 растворами МДЭА не обеспечивает необходимую очистку синтез-газа. Этот недостаток компенсируют добавкой различных активаторов, чаще всего вторичных и первичных алканоаминов.

Таблица 3.2 Результаты промышленного испытания скорости коррозии сталей в МДЭА и МЭА


МЭА

МДЭА


1999

2002 г

2003 г

2006

09Г2С

0,024 мм/год

0,0138 мм/год

0,007 мм/год

нет данных

Сталь 20

0,025 мм/год

0,0110 мм/год

0,006 мм/год

0,003 мм/год

12Х18Н10Т

0,0021 мм/год

0,0011 мм/год

0,00006 мм/год

0,00005 мм/год


Планируемая замена абсорбента может быть реализована без изменения схемы отделения очистки, является лишь первым этапом работ по снижению энергозатрат на стадии очистки технологического газа от диоксида углерода.

Кроме того, МДЭА имеет меньшую теплоемкость, а главное - меньшую теплоту реакции с диоксидом углерода и поэтому легче регенерируется, что приводит к существенному снижению энергозатрат на процесс очистки синтез-газа. В таблице 3.3 представлены сравнительные данные по теплоте реакции и теплоемкости для МЭА и МДЭА.

Таблица 3.3 Сравнительные данные по теплоте реакции и теплоемкости для МЭА и МДЭА


Теплота реакции, кДж/кг


МЭА

МДЭА

С СО2

1919

1340

С Н2S

1511

1047


Удельная теплоемкость, кДж/ (кг * оС)


МЭА

МДЭА


2,72

2,32


При применении растворов абсорбентов на основе МЭА наблюдаются потери МЭА за счет уноса паров на стадии десорбции, где температура потоков достигает 115°С - 130 °С. При применении МДЭА, температура кипения которого (247 °С) значительно выше чем у МЭА (170 °С), унос амина при регенерации раствора, при рабочих температурах абсорберов, значительно снижается, до величины близкой к нулю.

В большинстве случаев диоксид углерода, получаемый в отделении абсорбционной очистки, используется для синтеза карбамида. Для таких производств концентрация горючих газов (водорода) является важным показателем качества продукционного диоксида углерода. Последний показатель может зависеть от растворимости водорода в абсорбенте в зависимости от температуры, таблица 3.4.

Таблица 3.4 Сравнительные данные по растворимости водорода в растворах МДЭА и МЭА в зависимости от температуры

Температура раствора, °С

40

50

60

70

80

Растворимость Н2 в растворе МДЭА

0,0148

0,0156

0,0164

0,0172

0,018

Растворимость Н2 в 40 %-ном растворе МЭА

0,015

0,0187

0,0165

0,0173

0,0182


На основании проведенных исследований можно сделать вывод о том, что при замене раствора МЭА абсорбентом на основе МДЭА увеличение содержания водорода в продукционном диоксиде углерода, получаемом в отделении абсорбционной очистке агрегата синтеза аммиака, маловероятно.

Таким образом очистка конвертированного газа от углекислоты будет осуществляться 36-40 % раствором МДЭА, при пониженной температуре (около 50 оС) и при повышенном давлении 2,8 МПа.

Схема циркуляции раствора двухпоточная с соответствующим разделением абсорбера и регенератора на две секции. Применение двухпоточной схемы дает возможность сокращения затрат тепла на регенерацию раствора за счет разделения на груборегенерированный раствор с остаточным содержанием СО2 15- 30 г/дм 3 и тонкорегенерированный раствор 2-5 г/дм3 СО2.

Регенерация проводится при пониженном давлении 0,08 МПа и повышенной температуре около 105 - 110 оС.

Замена МЭА на МДЭА обеспечит экономию материальных ресурсов на очистку газа за счет:

снижения циркуляционного расхода рабочего раствора;

повышения степени насыщения рабочего раствора;

меньшей теплоты десорбции МДЭА.

Технологический газ после очистки от углекислоты раствором МДЭА подогревается до температуры 303 ± 13 оС перед тем, как он поступает в метанатор.

Назначением метанатора является полное удаление окислов углерода из синтез-газа, поскольку эти соединения являются каталитическими ядами для катализатора синтеза аммиака, а метан ведет себя как инертный газ. В качестве катализатора для метанатора применяется окись никеля, нанесенная на глинозем. Объем катализатора в метанаторе составляет 33,7 м3, что эквивалентно объемной скорости сухого газа около 5500 ч-1.

Реакция метанирования представляет собой гидрирование окислов углерода с образованием метана и воды:

СО + 3Н2 → СН4 + Н2О + 206 кДж/моль (49,3 ккал/моль)

СО2 + 4Н2 → СН4 + 2Н2О + 165,1 кДж/моль (39,43 ккал/моль)

Остаточная объемная доля окислов углерода в газе после метанатора составляет не более 10 млн-1 каждого.

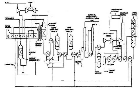
4. Описание технологической схемы производства

.1 Основные стадии производства аммиака

Производство аммиака на ОАО «Гродно Азот» выполнено в одну технологическую линию с применением прогрессивной технологии и оборудования. Технологический процесс получения аммиака основан на методе каталитического риформинга Келлога под высоким давлением.

Производство аммиака состоит из следующих стадий:

-    компримирования природного газа и воздуха;

-       гидрирования органических серосоединений, содержащихся в природном газе, на кобальто-молибденовом катализаторе до сероводорода и поглощение его окисью цинка;

-       паровой конверсии метана в трубчатой печи (первичный риформинг) до содержания объемной доли метана в газе 11% и паровоздушной конверсии остаточного метана в шахтном конверторе (вторичный риформинг);

-       двухступенчатой конверсии окиси углерода на среднетемпературном и низкотемпературном катализаторах;

-       очистки конвертированного газа от двуокиси углерода абсорбцией;

-       тонкой очистки конвертируемого газа от остаточной окиси и двуокиси углерода метанированием на никелевом катализаторе;

-       компримирования синтез-газа;

-       синтеза аммиака под давлением;

-       захолаживания продукционного аммиака.

Одной из основных стадий производства аммиака является очистка конвертированного газа от СО2, так как содержащиеся оксиды углерода в конвертируемом газе являются каталитическими ядами для катализатора синтеза аммиака.

В отделении очистки неочищенный синтез-газ подвергается переработке для очистки от двуокиси и окиси углерода с получением синтез-газа высокой чистоты. Очистка газа от СО2 совершается с использованием абсорбента МДЭА.

4.2 Отделение очистки конвертированного газа от СО2 абсорбцией

Технологический газ, покидающий низкотемпературный конвертор, с температурой 237-240 оС под давлением 2,8 МПа направляется в котел пара низкого давления 1, в который подается конденсат из сепаратора 23.

В котле поз. 1 получается пар давлением 0,55 МПа и температурой 154 оС за счет тепла технологического газа, который охлаждается до температуры 163 оС.

Охлаждение технологического газа в котле поз. 1 позволяет отводить его непосредственно в кипятильник поз. 3 и исключить впрыск конденсата в поток технологического газа за конвертором НТК.

Охлажденный в котле поз. 1 технологический газ, после отделения в сепараторе поз. 2 сконденсировавшегося конденсата, направляется в кипятильник поз. 3, где отдает остальное количество тепла, требующееся для регенерации раствора МДЭА, выходящего из куба регенератора.

Выделение первой порции конденсата из технологического газа, перед тем как газ будет направлен в кипятильник 3, дает выгодное снижение перепада давления технологического газа, проходящего через кипятильник поз. 3 и теплообменник поз. 4, и в результате возможность интенсификации агрегата аммиака.

Газ охлаждается в кипятильнике поз. 3 регенератора поз. 16 до температуры не более 130 °С. Далее конвертированный газ проходит через подогреватель питательной воды поз. 4, охлаждается до температуры не более 50 °С, освобождается от конденсата в сепараторе поз. 5 и направляется на очистку от СО2 в абсорбер поз. 6.

Очистка газа от углекислого газа производится путем поглощения СО2 активированным раствором МДЭА. Регенерация насыщенного СО2 раствора протекает при подводе тепла и снижении давления.

Очистка конвертированного газа от углекислого газа проходит в колонном двухкорпусном абсорбере поз. 6, каждый корпус которого имеет по три насадочные полки, заполненные кольцами «Паля» из нержавеющей и углеродистой стали. Газ после сепаратора поз. 5 с температурой не более 50 оС поступает в нижнюю часть корпуса абсорбера, орошаемую груборегенерированным раствором.

Объемная доля двуокиси углерода в газе после прохождения им нижнего корпуса абсорбера снижается от 17,7 до 1,1 % ( в пересчете на сухой газ).

Далее газ из верхней части первого корпуса поступает в нижнюю часть второго корпуса, орошаемого тонкорегенерированным раствором. В верхнем корпусе абсорбера происходит тонкая очистка газа от СО2 до объемной доли ее в газе не более 0,005 %. Очищенный от двуокиси углерода газ после абсорбера через сепаратор поз. 7 с температурой от 60 до 80 оC и давлением не более 2,7 МПа поступает на каталитическую очистку от окиси и двуокиси углерода (метанирование).

На выходе из сепаратора максимальная объемная доля двуокиси углерода равна 0,2 %. Отделившийся в сепараторе поз. 7 конденсат поступает в качестве флегмы в регенератор поз. 16.

Выделенный из потока технологического газа после котла поз. 1 и отсепарированный в сепараторе поз. 2 технологический конденсат отводится в коллектор и дальше вместе с отбираемым из сепараторов поз. 5, 13 конденсатом собирается в емкость конденсата поз. 26.

Весь полученный в котле поз. 1 пар низкого давления направляется в инжектор поз. 25 и дальше в регенератор поз. 16. Для производства пара в котле поз. 1 используется конденсат из сепаратора поз. 23. Конденсат подается в котел поз. 1 при помощи имеющегося насоса поз. 24. Концентраты продувки из котла отводятся в нижнюю часть регенератора поз. 16.

Избыток отбираемого из сепаратора поз. 23 конденсата МДЭА направляется имеющимся трубопроводом наверх регенератора поз. 16.

Раствор, насыщенный двуокисью углерода, из нижней части абсорбера с температурой от 68-70 оС поступает в гидравлическую турбину поз. 14 для снижения давления. Развиваемая турбиной мощность (789 кВт) используется для вращения насоса груборегенерированного раствора поз. 18, который находится на одном валу с турбиной.

Регенератор поз. 16, как и абсорбер, колонный аппарат, состоит из двух частей: верхняя имеет три насадочные полки; нижняя - одну. В качестве насадки используются кольца «Паля» из углеродистой стали, нержавеющей стали, полипропилена.

Насыщенный раствор после турбины поз. 14 поступает в рекуперативный теплообменник поз. 15, где подогревается груборегенерированным раствором, идущим в абсорбер. Подогретый раствор МДЭА до 100-105 оС поступает на распределительное устройство верхней части регенератора, откуда равномерно стекает по насадке вниз навстречу поднимающимся из нижней части (куба) регенератора парам двуокиси углерода и воды. При этом происходит превращение от 40 до 50 %, насыщенного раствора в груборегенерированный раствор.

Из куба верхней части регенератора основная часть груборегенерированного раствора с температурой не более 120 оС направляется в экспандер поз. 17.

Поступающий в экспандер поз. 17 раствор МДЭА подвергается адиабатической экспансии от давления 0,18 МПа, преобладающего в средней части регенератора, до давления 0,125 МПа, поддерживаемого над уровнем жидкости в экспандере поз. 17 при помощи инжектора поз. 25. В результате адиабатической экспансии раствора происходит резкое выделение пара 0,125 МПа, который благодаря специальной конструкции экспандера 25, практически не содержит СО2. Пар из экспандера, после сжатия в инжекторе до давления 0,18 МПа поступает в нижнюю часть регенератора поз. 16 вместе с паром из кипятильника поз. 3, а также паром для привода инжектора, отбираемым из котла поз. 1.

Груборегенерированный раствор, охлажденный до температуры 110 0С в результате адиабатической экспансии в экспандере поз. 17, поступает на охлаждение в рекуперативный теплообменник поз. 15, где сам охлаждаясь до 50-60 0С, нагревает раствор, идущий на регенерацию. Затем раствор МДЭА направляется на всасывание насоса поз. 18, с нагнетания которого подается на орошение насадки нижнего корпуса абсорбера поз. 6. Насос поз. 18 представляет собой агрегат “мотор-насос-турбина” .

Экспандер поз. 17 расположен рядом с выходом груборегенерированного раствора со средней тарелки регенератора поз. 16.

Оставшаяся часть груборегенерированного раствора перетекает в нижнюю часть регенератора, где, стекая по насадке навстречу поднимающимся парам СО2 и воды, подвергается более глубокой регенерации, т.е. в нижней части регенератора происходит превращение от 20 до 30% оставшегося груборегенериванного раствора МДЭА в тонкорегенерированный. Раствор собирается в кубовой части на “глухой” тарелке, откуда поступает в кипятильник поз. 3, где нагревается до температуры не более 123 °С конвертированным газом и за счет разности удельных весов поднимается в кубовую часть под “глухую” тарелку. Регенератор рассчитан на работу при давлении в кубе равном 0,08 МПа (0,8 кгс/см2). Выделившиеся из раствора углекислый газ и водяные пары из куба регенератора через “глухую” тарелку поднимаются вверх по насадке навстречу стекающему раствору, а освободившийся от СО2 “бедный” раствор с температурой не более 123°С поступает в теплообменник поз. 19, где охлаждается до температуры от 65-70°С, нагревая деминерализованную воду. Затем насосами поз. 20 раствор подается в воздушный холодильник поз. 21, где охлаждается до температуры от 65 до 50°С и далее поступает на орошение насадки верхней части абсорбера поз. 6.

Выделившиеся при регенерации пары углекислого газа и воды, а также унесенные ими капельки раствора МДЭА после прохождения восходящим потоком через насадку обоих корпусов регенератора проходят через три сетчатые тарелки, орошаемые флегмой, где происходит очистка СО2 от раствора и снижение его температуры.

В качестве флегмы на тарелки подается конденсат после сепаратора поз. 7. Флегма, пройдя сверху вниз три ситчатые тарелки, собирается в приемном устройстве, откуда самотеком перетекает на насадку нижнего корпуса регенератора, также возможна подача флегмы непосредственно в кубовую часть на “глухую” тарелку. После ситчатых тарелок СО2 с температурой 90 °С выходит из регенератора и направляется на охлаждение в воздушный холодильник 22, где охлаждается до температуры 65 0С.

Антипенная присадка «Ucon» или «Лапрол» готовится в баке, снабженном мешалкой и насосом, вводится в систему циркуляции в три точки: на всас насосов 20; в линию насыщенного раствора - после гидротурбины поз. 14 и на всас насосов поз. 18.

Технологический газ, очищаемый в абсорбере 6 до уровня 0,005% СО2, отводится через сепаратор в узел метанирования.

Регулирование температуры углекислого газа после воздушного холодильника поз. 22 осуществляется с помощью регулятора, который изменяет положение жалюзей на охлаждающем воздухе.

В воздушном холодильнике парогазовая смесь охлаждается до температуры от 30 до 50 °С и поступает в сепаратор поз. 23, откуда направляется в скруббер-охладитель. В скруббере-охладителе происходит дальнейшее охлаждение углекислого газа до температуры не более 40 °С. Охлажденная двуокись углерода из верхней части скруббера сбрасывается в атмосферу через шлемовую трубу, или может выдаваться потребителям (карбамид-3 и карбамид-4). Давление в системе регенерации раствора МДЭА поддерживается в пределах от 0,02 до 0,042 МПа (от 0,2 до 0,42 кгс/см2).

4.3 Каталитическая очистка технологического газа от СО и СО2

Технологический газ после очистки от углекислоты раствором МДЭА поступает в теплообменник поз. 8, где нагревается от 70 до 120 оС синтез-газом после первой ступени компрессора, затем нагревается до температуры от 290 до 316 0С в подогревателе поз. 9 газом, выходящим из котла-утилизатора, и направляется в метанатор поз. 10 для тонкой очистки газа от окислов углерода, т.к. они являются каталитическими ядами для катализатора синтеза аммиака. В качестве катализатора метанирования применяется окись никеля, нанесенная на глинозем. Объем катализатора в метанаторе поз. 10 составляет 33,7 м3. Реакция представляет собой гидрирование окислов углерода с образованием метана и воды и выделением тепла.

Газ с давлением не более 2,7 МПа (27,0 кгс/см2) и температурой 303±13 оС проходит сверху вниз через слой катализатора и с температурой не более 370 оС выходит из метанатора. Остаточная объемная доля окислов углерода (СО и СО2 ) в газе после метанатора составляет не более 10 млн-1 каждого.

После метанатора синтез-газ поступает в подогреватель питательной воды поз. 11. Максимальная температура газа 375 оС перед подогревателем поз. 11, нагревая питательную воду высокого давления от 126 до 313 оС синтез- газ охлаждается до температуры от 130 до 145 оС. Дальнейшее охлаждение синтез-газа до температуры в пределах от 35 до 50 оС и конденсация водяных паров, образовавшихся в результате реакции метанирования, происходит в воздушном холодильнике поз. 12.

Перед холодильником поз. 12 вводится жидкий аммиак для связывания двуокиси углерода.

Отделение сконденсировавшейся влаги из синтез-газа происходит в сепараторе поз. 13. Технологический конденсат выводится из сепаратора и направляется в систему разгонки газового конденсата. Синтез-газ после сепаратора поз. 13 поступает на нагнетание компрессора.

5. Расчет материальных и тепловых балансов производства

.1 Материальный баланс абсорбера

Исходные данные для расчета принимаем в соответствии с регламентом цеха аммиак-3.

Количество конвертированного газа - 230000 м3/ч

Состав газа в % об.:

Н2 - 61,89; N2 - 20,18; СО2 - 17,04; СН4 - 0,27; СО - 0,31; Ar - 0,31

Содержание диоксида углерода в очищенном газе - 0,005 % (об.)

Концентрация раствора МДЭА - 40 %.

Температура газа: на входе в абсорбер - 50 °С

на выходе из абсорбера - 70 °С

Температура раствора МДЭА: на входе в абсорбер - 50 °С

на выходе из абсорбера - 68 оС

Определяем количество и состав поступающего конвертированного газа по формулам:

,

где V - объемный расход газовой смеси, м3/ч;i - объемный расход компонента газовой смеси, м3/ч;

mi - массовый расход компонентагазовой смеси, м3/ч;i - объемная концентрация компонента газовой смеси, % об.;

Мi - мольная масса компонента газовой смеси, кг/кмоль.

Результаты расчета сведены в таблице 5.1.

Таблица 5.1 Состав технологического газа, покидающего абсорбер

Статья

Приход

Статья

Расход

Газ на очистку в т.ч.

м3/ч

% об.

Кг/ч

Газ после очистки в т.ч.

м3/ч

% об.

Кг/ч

1

2

3

4

5

6

7

8

H2

142347

61,89

12709,56

H2

142347

74,60

12709,56

N2

46414

20,18

58017,5

N2

46414

24,32

58017,5

CO

713

0,31

891,25

CO

713

0,37

891,25

CO2

39192

17,04

76984,29

CO2

11,5

0,005

22,59

CH4

621

0,27

443,57

CH4

621

0,335

443,57

Ar

713

0,31

1273,21

Ar

713

0,37

1273,21

газ на очистку

230000

100

150319,38

очищенный газ

190819,5

100

73357,68


Определяем количество поглощенного диоксида углерода. Для этого составляем баланс по диоксиду углерода, учитывая, что содержание диоксида углерода в очищенном газе составляет 0,005 %:


=11,5-0,00005Vпогл.СО2 + Vпогл.СО2

,5 = 0,99995Vпогл.СО2погл.СО2 = 39180,5/0,99995 = 39182,5 м3/ч

Количество диоксида углерода в уходящем конвертированном газе

,29 - 76961,7 = 22,59 кг/ч

Определение расхода раствора МДЭА для поглощения 39182,5 м3/ч диоксида углерода.

Поглотительная способность раствора, выраженная отношением моль СО2 на моль амина, называется также степенью карбонизации.

Принимаем поглотительную способность МДЭА:

на выходе - 0,5 кмоль СО2/кмоль МДЭА

на входе - 0,1 кмоль СО2/кмоль МДЭА

Тогда средняя степень карбонизации составит:

,5 - 0,1 = 0,4 кмоль СО2/кмоль МДЭА

Находим необходимое количество кмоль МДЭА для поглощения

,5 м3/ч диоксида углерода:

,4 кмоль СО2 ------ 1 кмоль МДЭА

,7 /44 кмоль СО2 ----- х кмоль МДЭА


Мольная масса МДЭА - 119 кг/кмоль, тогда масса 100 %-ного раствора МДЭА равна:МДЭА(100 %) = 119·4373 = 520387 кг/ч

Количество 40 %-ного раствора МДЭА:МДЭА(40 %) = 520387·100/40 = 1300967,5 кг/ч

Количество насыщенного раствора МДЭА будет равно:

,7 + 1300967,5 = 1377929,2 кг/ч

Результаты расчетов сводим в таблицу 5.2.

Таблица 5.2 Сводная таблица материального баланса абсорбера

Приход

Расход

Наименование

кг/ч

%, масс.

Наименование

кг/ч

%, масс.

Газ на очистку в т.ч.: Н2 N2 CO2 CH4 CO Ar

150319,38  12709,56 58017,5 76984,29 443,57 891,25 1273,21

  8,46 38,60 51,21 0,29 0,59 0,85

Очищенный газ, в т.ч.: Н2 N2 CO2 CH4 CO Ar

73357,68  12709,56 58017,5 22,59 443,57 891,25 1273,21

  17,33 79,09 0,03 0,60 1,21 1,74

Всего:

150319,38

100,0

Всего:

73357,68

100,0

Раствор МДЭА

1300967,6


Раствор МДЭА

1377929,2


Всего

1451286,88

100,0

Всего

1451286,88

100,0


5.2 Тепловой баланс абсорбера

Исходные данные:

Температура поступающего газа - 50 °С

Температура раствора МДЭА - 50 °С

Температура газа на выходе - 70 °С

Температура раствора МДЭА - 68 °С

Количество конвертированного газа и раствора МДЭА, в соответствии с таблицей 5.2 материального баланса абсорбера, равны 150319,38 кг/ч и

,6 кг/ч соответственно.

Количество тепла, которое подводится в абсорбер для поглощения диоксида углерода СО2 раствором МДЭА, определяется из уравнения теплового баланса абсорбера:

к.г + QМДЭА - Qр = Q'к.г + Q'МДЭА + Qпот.

где левая часть уравнения соответствует приходу тепла:к.г - тепло приносимое конвертированным газом, кВт;МДЭА - тепло, приносимое раствором МДЭА, кВт;р - тепло, затрачиваемое на растворение диоксида в растворе МДЭА, кВт.

Правая часть уравнения соответствует расходу тепла:'к.г - тепло, уносимое очищенным конвертированным газом, кВт;'МДЭА - тепло, уносимое раствором МДЭА, кВт;пот. - тепловые потери, кВт.

Тепло, вносимое конвертированным газом рассчитывается по формуле:

к.г = mк.гск.гtн(к.г)

где mк.г - масса конвертированного газа, кг/с;

ск.г - удельная теплоемкость конвертированного газа, кДж/(кг·К);н(к.г) - температура конвертированного газа на входе в абсорбер, °С.

Для газовых смесей удельная теплоемкость рассчитывается по формуле

Удельную теплоемкость компонентов конвертированного газа находим по [20], при температуре 50 °С:

 = 14,33 кДж/(кг·К);  = 0,865 кДж/(кг·К);  = 1,043 кДж/(кг·К);

 = 1,041 кДж/(кг·К);  = 2,31 кДж/(кг·К)  = 0,725 кДж/(кг·К);

к.г = (150319,38/3600)·2,076·50 = 4334,21 кВт

Тепло, приносимое раствором МДЭА рассчитывается по формуле:

МДЭА = mМДЭА· сМДЭА ·tн(МДЭА)

где mМДЭА - 1300967,6 кг/ч - количество раствора МДЭА, поступающего на абсорбцию;

сМДЭА-3,717 кДж/(кг·К) - удельная теплоемкость раствора МДЭА при начальной температуре tн(МДЭА) = 50°С [20].МДЭА = (1300967,6/3600)·3,717·50 = 67162,45 кВт

Тепло, выделяющееся при абсорбции диоксида углерода раствором МДЭА рассчитывается по формуле:

р = mСО2·q

где mСО2 - 76961,7 кг/ч - количество поглощенного диоксида углерода;= 1516,78 кДж/кг СО2 -теплота растворения диоксида углерода в растворе МДЭА [20].р = (76961,7 /3600)·1516,78 = 32426,1 кВт

Общий приход тепла:прих = 4334,21+67162,45+32426,1=103922,76 кВт

Тепло, уносимое очищенным конвертированным газом:

'к.г = m'к.г ·с'к.г ·tк(к.г)

где m'к.г - 73357,68 кг/ч - масса конвертированного газа, уходящего из абсорбера, согласно таблицы 5.2 материального баланса абсорбера;

с'к.г - удельная теплоемкость уходящего конвертированного газа при температуре газа на выходе из абсорбера tк(к.г) = 70 °С, кДж/(кг·К).

Удельную теплоемкость компонентов конвертированного газа находим по [20], при температуре 70°С:

 = 14,38 кДж/(кг·К);  = 0,885 кДж/(кг·К);  = 1,044 кДж/(кг·К);

 = 1,041 кДж/(кг·К);  = 2,36 кДж/(кг·К)  = 0,725 кДж/(кг·К).

'к.г = (73357,68/3600)·3,355·70 = 4785,57 кВт

Тепло, уносимое насыщенным раствором МДЭА

'МДЭА = m'МДЭА · с'МДЭА ·tк(МДЭА)

где m'МДЭА - 1377929,2 кг/ч - количество насыщенного раствора МДЭА, согласно таблицы 5.2 материального баланса абсорбера;

с'МДЭА = 3,734 кДж/(кг·К) - удельная теплоемкость раствора МДЭА при конечной температуре tн(МДЭА) = 68 °С [20].'МДЭА = (1377929,2 /3600)·3,734·68 = 97186,88 кВт

Общий расход тепла:

расх = 4785,57 + 97186,88 + Qпот = 101972,45 + Qпот

Из уравнения теплового баланса Qприх = Qрасх находим потери тепла:

пот = Qприх - Qрасх = 103922,76 - 101972,45 = 1950,31 кВт,

что составляет от подводимого тепла

, что не превышает 5%.

Результаты расчета сводим в табл. 5.3

Таблица 5.3 Сводная таблица теплового баланса

Приход тепла

Расход тепла

Статья

кВт

Статья

кВт

1. Тепло, приносимое конвертированным газом 2. Тепло, поступающее с раствором МДЭА 3. Теплота абсорбции

4334,21  67162,45  32426,1

1. Тепло, уносимое конвертированным газом 2. Тепло, уносимое насыщенным раствором МДЭА 3. Потери тепла

4785,57  97186,88  1950,31

Всего

103922,76

Всего

103922,76


6. Расчет расходных коэффициентов

Для производства 1 т аммиака необходимо:

водорода:


где 142347 м3/ч - количество водорода из таблицы 5.1;

т/сут.- суточная производительность производства аммиака;

ч - количество часов в сутках.


Соответственно свежего азота:


Нормы расходов сырья, материалов и энергоресурсов представлены в таблице 6.1. Учетная единица выпускаемой продукции - 1 т. аммиака.

Таблица 6.1

Нормы расхода основных видов сырья, материалов и энергоресурсов

Наименование сырья, материалов и энергоресурсов

Единица измерения

Проектная норма расхода

Природный газ. Теплота сгорания топлива, низшая не менее Q=33,41 МДж/м3 (7980 ккал/м3)

 м3 (20 0С, 101325 Па)

 1255

Электроэнергия

МДж (квт*ч)

375,84 104,4

Теплоэнергия

Гкал

0,59

Оборотная вода

м3

14,8

Речная вода

м3

13,19

Пар с давлением 1,2 МПа (12 кгс/см2)

ГДж (Гкал)

2,47 (0,59)

Азот технологический

м3 (20 0С, 101325 Па)

18,3

Раствор МДЭА:



Метилдиэтаноламин

кг

0,15

Пятиокись ванадия

кг

0,0035

Лапрол

кг

0,0023

Добавки к воде для питания котлов:



Тринатрийфосфат Гидразин- гидрат(100 %)

кг кг

0,0044 0,00034

Катализаторы :



Для метанирования НКМ-1

кг

0,02


7. Нормы технологического режима

Нормы технологического режима представлены в таблице 7.1.

Таблица 7.1 Нормы технологического режима

Наименование стадии и потоков реагентов

Скорость подачи реагентов

Температура, °С

Прочие показатели

Газ на входе в абсорбер поз. К5


не более 82°С п.и. ±3,0°С


Раствор на орошение абсорбера поз. К5

не более 1610 т/ч п.и. . ±35 т/ч

не более 90 п.и. ±2,0°С


Раствор в кубе регенератора поз. К12


не более 123 п.и. ±3,0°С


Углекислый газ на выходе из регенератора поз. К12


не более 103 п.и. ±3,0°С


Углекислый газ потребителю


не более 50 п.и. ±2,0°С

Объемная доля горючих не более 1,2%

Метанирование остаточной окиси и двуокиси углерода

Катализаторная зона в метанаторе поз. К19


от 290 до 375 п.и. ±6,0°С


Очистка технологического конденсата в отпарной колонне поз. К4

Отпаренный конденсат после насосов Н36 на выдаче

не более 90 м3/ч п.и. ±1,98 т/ч


Массовая концентрация аммиака не более 50 мг/л. Массовая концентрация органических соединений в пересчете на метанол и формальдегид не более 50 мг/л.


8. Контроль производства и управления

.1 Аналитический контроль

Технологическая схема производства аммиака представляет собой сложный комплекс отдельных процессов, тесно связанных друг с другом благодаря непрерывности и взаимозависимости материальных и энергетических потоков.

Такая взаимосвязь требует, чтобы режим каждого из процессов был подчинен условиям оптимального режима всего производства в целом. Поэтому для крупнотоннажных установок целесообразно, чтобы весь контроль и регулирование основных процессов производства осуществлялись через центральный пункт управления (ЦПУ). При этом предполагается, что все основные средства контроля и регулирования автоматизированы.

Разработка систем автоматизации базируется на учете многочисленных технических, экономических, производственных, эксплуатационных и других факторов автоматизируемого объекта, которые формируют требования к системам, в том числе к оснащению их техническими средствами (ТС).

Важную роль в производстве аммиака играет аналитический контроль сырья, полупродуктов на всех стадиях производства и готовой продукции. Регулярный аналитический контроль важен не только как средство утверждения нормального хода технологического процесса, но и как индикатор, который позволяет персоналу установить истинную причину нарушения технологического режима. Особо важное значение аналитический контроль имеет в период пуска и наладки нормального технологического режима.

Эти факторы обуславливают тип применяемых приборов, диапазон измерения, требуемую точность контроля и функциональные признаки приборов (показание, регистрация, регулирование, сигнализация).

Однако при автоматизации ряда аналитических операций лабораторный контроль не потеряет своего значения как для периодической проверки правильности работы автоматических анализаторов, так и для эпизодических анализов в узлах, где непрерывный контроль необязателен или неэкономичен.

Кроме автоматического контроля и регулирования процессов, при производстве аммиака необходим обычный аналитический контроль. Цеховая лаборатория ведет систематическую проверку установленных химических показателей технологического режима и производит дополнительные анализы, необходимость которых определяется инженерно-техническими работниками цеха. Аналитический контроль отделения очистки технологического газа представлен в таблице 8.1.

Таблица 8.1

Аналитический контроль отделения очистки технологического газа

Наименование стадии, место отбора проб

Контролируемые показатели

Частота контроля

Нормы и технологические показатели

Методы контроля

Трубопровод конвертированного газа на выходе из конвертора СО

Объемная доля СО

1 раз в сутки

 не более 0,8 %

хроматографически

Конвертированный газ по высоте абсорбера 6

Объемная доля СО2

по требованию

 от 0,005 до18 %

хроматографически

Трубопровод конвертированного газа на выходе из абсорбера 6

Объемная доля СО2

1 раз в неделю

 0,005 %

хроматографически

Трубопровод раствора МДЭА на выходе из абсорбера 6

Массовая доля: (С2Н4ОН)2NCH3 (общ.) (С2Н4ОН)2NHCH3HCO3

1 раз в сутки

 от 22 до 28 %  от 40 до 50 %

потенциометрически

Трубопровод раствора МДЭА на всасе насоса 18

Массовая доля: (С2Н4ОН)2NCH3 (общ.)

1 раз в сутки

 от 36 до 40 %

потенциометрически


К2СО3

1 р сутки

от 1до 3 %

пот-чески


пиперизин

1 раз в сутки

от 4 до 6 %

потенциометрически

Трубопровод бедного раствора в теплообменник 15

Массовая доля: (С2Н4ОН)2NCH3 (общ.)

1 раз в 8 часов

 от 36 до 40 %

потенциометрически


Массовая концентрация железа

1 раз в сутки

не более 80 мг/дм3

колориметрически


Массовая концентрация хлоридов

1 раз в сутки

 не более 100 мг/дм3

колориметрически

Раствор МДЭА по высоте регенератора 16

Массовая доля: (С2Н4ОН)2NCH3 (общ.) (С2Н4ОН)2NHCH3HCO3

по требованию

 от 22 до 28 %  от 30 до 50 %

потенциометрически

Трубопровод углекислоты на выходе из регенератора 16

Объемная доля СО2

1 раз в сутки

не менее 99 %

хроматографически


Объемная доля горючих

1 раз в сутки

не более 1,2 %

хроматографически


8.2 Контроль с использованием средств КИПиА

Автоматизация производственных процессов - одно из важнейших направлений промышленного развития любой страны. Одно из основных направлений решения производственных задач связано с широким внедрением средств автоматизации. При автоматизации повышается производительность труда, сокращается численность обслуживающего персонала, создаются условия для безопасного труда.

Исходная смесь в виде газа входит в куб абсорбера, а очищенный газ отводится сверху абсорбера.

Верхняя часть абсорбера орошается тонкорегенерированным раствором МДЭА, нижняя часть - груборегенерированным раствором МДЭА.

Насыщенный углекислотой раствор выводится из нижней части абсорбера.

Контролю и регулированию в процессе абсорбции подлежат расходы газовой и жидкой фаз, проходящих через абсорбер. Скорость подачи исходной газовой смеси является нагрузкой абсорбера.

Для регулирования состава очищенного газа на выходе из абсорбера изменяем расход абсорбента. Температура и давление влияют на процесс абсорбции. Абсорбция проводится при повышенном давлении и пониженной температуре. Обратные реакции с выделением СО2 и высвобождением свободного метилдиэтаноламина происходят с поглощением тепла. Регенерация раствора, поэтому производится при пониженном давлении и повышенной температуре. Интенсивное кипение раствора при регенерации приводит к уносу выделившейся СО2 с парами воды, что уменьшает парциальное давление СО2 над раствором и также смещает равновесие указанных реакций в сторону выделения СО2.

Для проведения процесса абсорбции с максимальной скоростью необходимо абсорбент подавать в абсорбер при возможно более низкой температуре (50 оС), а давление в абсорбере поддерживать на уровне 2,8 МПа. Важно при проведении процесса абсорбции обеспечить минимальные потери газа и производственные расходы. Для этого создается система оптимального управления. В производстве аммиака, в частности в отделении очистки технологического газа, контролю и регулированию подлежат параметры, представленные в таблице 8.2.

Таблица 8.2 Параметры, подлежащие контролю и регулированию

Наименование стадии процесса, номер позиций оборудования

Контролируемый параметр, позиция и показатель единицы измерения

Частота и способ контроля, документ, в котором регистрируются результаты

Нормы и технические показатели

Трубопровод газа после сепаратора 5

Температура TIRА-1, °С

Показания на ЦПУ с записью в рапорт 6 раз в сутки. Визуальный контроль

не более 50 п.и. ± 2,7

Абсорбер 6

Уровень LIRC-2, мм

Показания на ЦПУ с записью в рапорт 6 раз в сутки. Виз-ный контроль

от 880 до 1 400 п.и. ± 17

Трубопровод газа после абсорбера 6

Температура TIRА-3, °С

Показания на ЦПУ с записью в рапорт 6 раз в сутки. Виз-ный контроль

от 65 до 70 п.и. ± 2,7


Давление PIRCA-4, МПа (кгс/см2)

Показания на ЦПУ c записью в рапорт 6 раз в сутки. Виз-ный контроль

не более 2,7 (27) п.и. ± 0,035 (0,35)

Трубопровод насыщенного раствора МДЭА из абсорбера 6

Температура TIRА-5, °С

Показания на ЦПУ с записью в рапорт 6 раз в сутки. Виз-ный контроль

от 68 до 70 п.и. ± 1,8

Трубопровод груборегенерированного раствора МДЭА после насоса 18

Расход FIRC-6, т/ч

Регистрация на ЦПУ с записью в рапорт 6 раз в сутки. Виз-ный контроль

от 1 350 до 1 610 п.и. ± 33

Трубопровод тонкорегенерированного раствора МДЭА после холодильника 22

Температура TIRС-7, °С

Показания на ЦПУ с записью в рапорт 6 раз в сутки. Визуальный контроль

от 50 до 55 п.и. ± 2,7

Трубопровод тонкорегенерированного раствора МДЭА на абсорбер 6

Расход FIRC-8, т/ч

Регистрация на ЦПУ с записью в рапорт 6 раз в сутки. Визуальный контроль

от 680 до 900 п.и. ± 3,03


9. Охрана окружающей среды

.1 Выбросы в атмосферу

В производстве аммиака имеются постоянные выбросы, обусловленные ведением нормального технологического режима, периодические при пусках и остановках и выбросы, обусловленные нарушением нормального технологического режима.

К постоянным выбросам относятся:

·   продукты сгорания из подогревателя природного газа;

·   продукты сгорания из вытяжной трубы пускового;

·   продукты сгорания из вытяжной трубы первичного риформинга;

·   углекислый газ в атмосферу после регенерации раствора МДЭА с объемным расходом, расход выброса уменьшается при выдаче углекислого газа на производство карбамида;

·   выброс через аэрационные фонари отделения компрессии.

Периодические выбросы из аппаратов в пусковой период направляются на факел для сжигания.

Возможные выбросы газов, обусловленные нарушением технологического режима от предохранительных клапанов аппаратов выбрасываются на 3 метра выше самых высоких обслуживаемых точек производства.

Вредными веществами в постоянно и периодически сбрасываемых газах являются углекислый газ и двуокись азота, образующиеся при сжигании топлива в печи первичного риформинга и подогревателя природного газа.

9.2 Сточные воды

В производстве аммиака имеется один постоянный сброс технологического конденсата в химгрязную канализацию или выдача его в общезаводскую сеть на технологические нужды. Вышеуказанный конденсат получается следующим образом.

Для процесса конверсии метана в первичном риформинге необходимо подать от 90 до 120 т/ч пара среднего давления, также он необходим и для процесса во вторичном риформинге и в конверсии окиси углерода. Все эти процессы идут при высокой температуре. Для проведения очистки газа от углекислоты в абсорбере газ охлаждается до температуры 60÷80 0С, при этом выделяется конденсат, который содержит не более 1000 мг/л аммиака. Далее этот конденсат проходит (очистку) отгонку в отпарной колонне и насосами сбрасывается в канализацию.

В отделении очистки конвертированного газа от углекислоты раствором МДЭА, содержащим в своем составе метилдиэтаноламин, К2СО3, пиперазин, возможны аварийные ситуации, связанные с проливом раствора. С целью исключения загрязнения сточных вод в таких случаях предусмотрено:

·   емкость для хранения раствора МДЭА объемом равным 560 м3, которая при нормальной работе цеха заполнена на 20 % объема. При аварийной ситуации (разрыв трубопровода, сильный пропуск через фланцевое соединение и т.д.) раствор из системы сливается через электрозадвижку в емкость;

·   через анализные точки, дренажи и т.д. из системы раствор по дренажным трубопроводам, расположенным в технологическом канале поступает в подземную емкость, откуда насосами откачивается в емкость;

·   в случае пролива раствора МДЭА на отметку ± 0,000 м, он по технологическому каналу поступает в подземную емкость, где производится накопление его, разбавление до соответствующих концентраций и затем через ручную арматуру сбрасывается из нее в химгрязную канализацию. В технологический канал, который расположен вдоль главной эстакады блока «БГ», также поступает из автоматических газоанализаторов, из отделения синтеза возможно попадание аммиака при чистке фильтров на насосах, вода с гидрозатвора факельной установки, а также промывочная вода при уборке площадок блоков «Б», «Г», «БГ», «А», «В». Все эти стоки поступают также в емкость, откуда через ручную арматуру, направляются в химгрязную канализацию.

При нормальной работе агрегата производства аммиака постоянно сбрасывается газовый конденсат, который сбрасывается в канализацию.

В период пуско-наладочных работ сбрасывают загрязненные воды, образующиеся при промывке системы парообразования и очистки газа, оборотную воду после сепаратора факельной установки, конденсат после восстановления катализатора. Все эти сбросы сначала поступают в накопители, а затем их сбрасывают на очистные сооружения.

.3 Твёрдые отходы

В производстве аммиака твердых отходов производства, обусловленных ведением нормального технологического режима нет. Твердыми отходами являются только отработанные катализаторы при их замене в аппаратах. Почти все отработанные катализаторы используются в качестве вторичного сырья для выделения основного компонента. Отработанные катализаторы вывозятся из цеха на площадку металлолома и сдаются предприятиям Вторцветмета для переработки. Не подлежащие переработке катализаторы вывозятся на полигон ТБО (твердых бытовых отходов).

Ежегодные нормы образования отходов производства на 1 тонну аммиака представлены в таблице 9.1.

Таблица 9.1

Ежегодные нормы образования отходов производства на 1 т NH3

Наименование отхода, характеристика, состав, аппарат или стадия образования

Единицы измерения

Направление использования, метод очистки или уничтожения

Нормы образования отходов по проекту

1

2

3

4

Твердые отходы

Отработанный катализатор метанирования, НКМ-1. Стадия метанирования. Массовая доля компонента в веществе: окиси никеля NiO-36±3% оксида алюминия Al2O3 не менее 47 %

кг

Используется в качестве вторичного сырья для выделения никеля

0,02

Отработанный активированный уголь АР-А. Стадия очистки раствора МДЭА

кг

Вывозится на полигон ТБО

0,008

Жидкие отходы

Отпарной конденсат. Стадия разгонки газового конденсата. Состав: массовая концентрация аммиака не более 50 мг/л; массовая концентрация органических соединений в пересчете на метанол и формальдегид; следы Fe, Ca, Mn, Na, Zn, Cu и других металлов

м3

Отпарной конденсат выдается в общезаводскую сеть, остальная часть конденсата отводится в сеть химгрязной канализации №17 и далее поступает на биологические очистные сооружения

1,587

Сточные воды из отделения очистки газа от двуокиси углерода раствором МДЭА Состав: МДЭА СН3N (CH2CH2OH)2; К2СО3, 2(ОН-СН2-СН2)2NHCH3HCO3

м3

Грязный раствор собирается в емкости, разбавляется конденсатом, а далее сбрасывается в химгрязную канализацию.


Газообразные отходы

Углекислый газ после регенерации раствора МДЭА в процессе очистки конвертированного газа от углекислоты. Состав: объемная доля двуокиси углерода, % не более, 96,8; объемная доля метана водорода, азота, окиси углерода, не более 1,2; объемная доля воды, %, не более 2

м3

Сжигаются в печи риформинга

16,6

Пар технологический с давлением 0,35 МПа и температурой равной 147 0С.

т

В теплое время года избыток сбрасывается на глушитель пара через регулятор. В холодное время используется для подогрева речной воды

0,146


10. Охрана труда и техника безопасности

Охрана труда - система обеспечения безопасности и здоровья работников в процессе трудовой деятельности, включающие правовые, социально-экономические, организационные, технические, психофизиологические, санитарно-гигиенические, лечебно-профилактические и иные мероприятия и средства.

Цель государственной политики по охране труда является сохранение жизни и здоровья граждан в процессе трудовой деятельности.

Основные принципы государственной политики:

) приоритет жизни и здоровья работника по отношению к результатам производственной деятельности;

) обеспечение гарантий прав работника на охрану труда;

) полная ответственность руководителя за обеспечение здоровых и безопасных условий труда;

) совершенствование правоотношений в области охраны труда.

В данном подразделе рассмотрены мероприятия по охране труда, выявлены опасные и вредные факторы при реконструкции отделения очистки технологического газа от СО2 цеха аммиака-3 на ОАО «Гродно-Азот».

Целью реконструкции является уменьшение расхода энергии на регенерацию абсорбционного раствора, улучшение степени очистки технологического газа от СО2, доведение производительности отделения очистки до мощности, эквивалентной производительности агрегата 1500 т NH3/сутки, уменьшение технологических потерь абсорбента, снижение смолоотложения на поверхности теплообменной аппаратуры. Цель достигается путем замены абсорбционного раствора Бенфильд абсорбентом на основе метилдиэтаноламина (МДЭА).

Особенностью производства аммиака является наличие в системе взрыво- и пожароопасных, ядовитых газов, высоких температур и высокого давления. Основными условиями безопасного ведения процесса является соблюдение нормального технологического режима и правил техники безопасности при работе, пуске и остановке производства, а также проведение своевременных и качественных ремонтов оборудования.

В состав цеха аммиак-3 очереди входят: агрегат производства аммиака

мощностью 1360 т/сутки; изотермические хранилища жидкого аммиака емкостью 10000 т каждое; отделение водоподготовки; отделение абсорбции по производству аммиака водного особой чистоты. Основным сырьем для производства аммиака является природный газ. Продукционный жидкий аммиак выдается с температурой минус 33 оС в изотермические хранилища.

Охлаждение потоков технологических газов и растворов, а также конденсация водяного пара после турбин осуществляется в аппаратах воздушного охлаждения. Вода для охлаждения масла и подшипников машин и насосов поступает с водооборотного цикла, входящего в состав агрегата. Для сжигания токсичных и взрывоопасных газов, выбрасываемых из агрегата в пусковой период, при ремонтах и нарушениях технологического режима, предусмотрена факельная установка. Управление агрегатом сосредоточено в одном центральном пульте управления (ЦПУ). Автоматическое управление параметров процесса производится с помощью электронно-пневматических и электрических систем. Возникновение аварийных ситуаций предупреждается системами автоматических защитных блокировок, которые при необходимости переводят агрегат в безопасное состояние.

Цех по производству аммиака выполнен в одну технологическую линию с применением прогрессивной технологии и оборудования и состоит из следующих стадий:

компремирования природного газа и воздуха центробежными компрессорами с приводом от паровых турбин;

гидрирование органических серосоединений, содержащихся в природном газе, на кобальтмолибденовом катализаторе до сероводорода и поглощение его окисью цинка;

паровой конверсии метана в трубчатой печи (первичный реформинг) под давлением 3,3 МПа (33 кгс/см2) до объемной доли метана в газе не более 11 % и паровоздушной конверсии остаточного метана в шахтном реакторе, не более 0,55 % объемных (вторичный реформинг);

двухступенчатой конверсии окиси углерода на среднетемпературном и низкотемпературном катализаторах;

очистки конвертируемого газа от двуокиси углерода раствором МДЭА и выдачи газообразного СО2 в заводскую сеть;

тонкой очистки конвертируемого газа от остаточной окиси и двуокиси углерода метанированием на никелевом катализаторе;

компремирования синтез-газа до давления 27,0 МПа (270 кгс/см2 ) центробежным компрессором с приводом от паровой турбины;

синтеза аммиака под давлением;

захолаживания продукционного аммиака с помощью абсорбционно-холодильных установок (АХУ) и выдачи жидкого аммиака в изотермические хранилища и потребителям.

Во время работы отделения очистки синтез-газа оборудование и комуникации находятся под давлением горючих и ядовитых газов, поэтому при нарушении плотности в соединениях аппаратов и узлов могут иметь место:

прорыв газа с последующим возгоранием и взрывом;

образование местных взрывоопасных концентраций газов, термические ожоги при прорывах газов и водяного пара; подсос воздуха в систему.

Категорирование производственных помещений по взрыво- и пожароопасности в соответствии с НПБ 5-2005 и классификация зон по ПУЭ в соответствии с ПУЭ-86 представлено в таблице 10.1.

Таблица 10.1 Категорирование производственных помещений по взрыво- и пожароопасности, классификация зон по ПУЭ

Наименование производственных помещений

Категорирование производственных помещений по НПБ 5-2005

Классификация по ПУЭ


категория производства

вещества, определяющие категорию производства

класс помещений

вещества, определяющие класс помещений

категория и группа взрывоопасных смесей

вещества, определяющие категорию и группу взрывоопасных смесей

Сероочистка

-

-

В-1г

метан, водород

IIC, Т1

водород, метан

Конверсия метана

-

-

В-1г

метан, водород

IIC, Т1

водород, метан

Конверсия СО

-

В-1г

водород

IIC, Т1

водород

Абсорбция СО2

-

-

В-1г

водород

IIC, Т1

водород

Компрессия

А

водород, метан

В-1а

метан, водород

IIC, Т1

водород, метан

Метанирование

-

-

В-1г

водород

IIC, Т1

водород, метан

Синтез аммиака

-

-

В-1г

водород, аммиак

IIC, Т1

водород, аммиак


Степень огнестойкости зданий цеха - II. Реконструируемое отделение очистки в производстве аммиака относится ко II категории молниезащиты по

РД 34.21.122-87. По тяжести работ данное производство относится классу IIа (средней тяжести). Для основной группы работающих в цехе согласно характеристике производственных процессов (загрязнение кожных покровов) согласно

СНБ 3.02.03-03 работы относятся к категории 1б.

Исходя из того, что характеристика зрительной работы: периодическое общее наблюдение за ходом производственного процесса с периодическим пребыванием людей в помещении, то разряд зрительной работы по ТКП 45-2.04.153 -VIII-в.

В результате проведенного анализа вредных и опасных производственных факторов, в настоящем проекте предполагается разработка ряда мероприятий по охране труда и технике безопасности работающих.

На каждый вид оборудования и на каждую операцию разработаны инструкции по охране труда и технике безопасности. К работе допускаются работники, обученные безопасным приемам и методам выполнения работ, прошедшие предварительную подготовку и инструктаж по технике безопасности.

За исправностью оборудования необходимо производить постоянный контроль. В случае отказа оборудования принимаются срочные меры для устранения замеченных неисправностей. Проводить работу на неисправном оборудовании запрещается. Все вращающиеся части механизмов закрыты глухими кожухами, плотно прикрепленными к станине или другой неподвижной части механизмов.

Для обеспечения полной безопасности обслуживающего персонала, исключения тяжелого физического труда рабочих и создания нормальных условий эксплуатации производства аммиака предусмотрен целый ряд мероприятий.

Меры предотвращения отравления газами. Выделение аммиака, метана и СО2 в производственные помещения цеха возможно при нарушениях технологического режима или неисправности оборудовании, а также при неправильной организации ремонтных работ. Для создания безопасных условий труда в цехе обслуживающий персонал должен вести технологический процесс в строгом соответствии с установленным регламентом и рабочими инструкциями при постоянном контроле исправности аппаратуры, оборудования и приборов.

Одной из важнейших предпосылок к уменьшению случаев отравления аммиаком и СО2 является непрерывность технологического процесса. При этом большинство операций по управлению выполняется автоматически или дистанционно со щита из ЦПУ, что позволяет значительной части обслуживающего персонала избежать прямого контакта с газами при большом выделении в атмосферу.

Чтобы предотвратить выделение аммиака и СО2 в воздух рабочих помещений, все аппараты и коммуникации, выполнены с герметичным уплотнением типа “шип - паз” или “выступ - впадина”. На оборудовании и трубопроводах, работающих при повышенном давлении, установлены предохранительные клапаны, взрывобезопасные мембраны, что дает возможность избежать их разрывов при нарушениях условий технологического процесса.

Защита от ожогов. Химические ожоги в производстве аммиака могут быть вызваны неосторожным обращением с растворами метилдиэтаноламина.

Термические ожоги возможны при соприкосновении с изолированными горячими трубами, паровыми рубашками и обогреваемыми аппаратами, а также при разрыве паровых коммуникаций и трубопроводов с горячими жидкостями.

Основными мерами предупреждения ожогов является знание их причин и последствий, а также знание свойств перерабатываемых веществ и продуктов, выполнение правил работы с этими веществами, своевременное использование индивидуальных средств защиты, исправное состояние оборудования и коммуникаций и их изоляции.

Защита от поражения током. Нарушение изоляции и заземления работающего электрооборудования может вызвать поражение обслуживающего персонала электрическим током: электрические травмы и электрический удар, а также привести к возникновению пожара. Для защиты людей от поражения электрическим током принимаются следующие меры:

) токоведущие части производственного оборудования должны быть надежно изолированы или ограждены, либо находиться в недоступных местах;

) электрооборудование, имеющее открытые токоведущие части, должно быть размещено внутри корпусов с запирающимися дверями или закрыто защитными кожухами при расположении в доступных для людей местах;

) применение индивидуальных средств защиты работающих;

) устройство защитного заземления и отключения.

На работах, связанных с опасностью поражения электрическим током, электроперсонал должен применять средства защиты: штанги, клещи, изолирующие подставки, инструмент с изолированными ручками, диэлектрические боты, галоши, перчатки, коврики, не допускать захламления и наличия легковоспламеняющихся и горючих веществ около щитов и электрооборудования. Устройства молниезащиты должно подвергаться систематическому осмотру не реже одного раза в месяц (с апреля по октябрь) с регистрацией результатов осмотра в специальном журнале. Все электрооборудование и аппараты должны быть заземлены.

Источником пожаров и взрывов могут служить искры зарядов статического электричества. Основной мерой борьбы со статическим электричеством является заземление оборудования и коммуникаций. Одновременно заземление служит защитой и от вторичных проявлений при ударе молнии.

Нормируемым параметром шума на рабочих местах производства аммиака согласно СанПиН 2.2.4/2.1.8.10-32-2002 является уровень звука. Допустимый уровень звука в помещениях компрессии составляет 85 дБА. Снижение шума и вибрации можно достичь следующими методами:

) уменьшение шума и вибрации в источнике их образования;

) изоляция источников шума и вибрации;

) применение средств индивидуальной защиты.

Очень часто для защиты от шума используют специальные кожухи, устанавливаемые на агрегатах. Их обычно изготавливают из тонких алюминиевых, стальных или пластмассовых листов. Для защиты работающих от непосредственного (прямого) воздействия шума используют экраны, устанавливаемые между источником шума и рабочим местом.

Для защиты от вибрации применяются амортизаторы из резиновых прокладок. Для уменьшения вибрации кожухов из стальных листов на них наносят слой резины и вибропоглощающих мастик. Применяют также индивидуальные средства защиты - противошумные наушники.

Технологическая планировка и компоновка оборудования осуществляется с учетом необходимости разрывов между аппаратами, проездов и проходов.

Похожие работы на - Проект отделения очистки конвертированного газа от оксидов углерода

 

Не нашли материал для своей работы?
Поможем написать уникальную работу
Без плагиата!
Без нейросетей!