|
Загрязнитель
|
Основное действие на здоровье
|
|
Оксид углерода (CO)
|
Получается при неполном сгорании углеродистых веществ.
Превращает гемоглобин в метгемоглобин, нарушая перенос кислорода кровью,
вступает в соединение с цитохромом, с железосодержащим ферментом тканевого
дыхания, прерывая цепь окислительно-восстановительных реакций.
|
|
Диоксид серы (SO2)
|
Образуется при сжигании серы в воздухе или кислороде.
Действует раздражающе на слизистые оболочки дыхательных путей и слизистую
глаз. Хроническое воздействие приводит к возникновению бронхитов и др.
респираторных заболеваний, тем самым снижая иммунитет
|
|
Диоксид азота (NO2)
|
Оксиды азота образуются, в основном, в процессе сгорания
органического топлива при высоких температурах и затем в атмосфере трансформируются
в NO2. Взаимодействует с водой с образованием азотной кислоты и
окиси азота: 3NO2 + Н2О = 2HNO3 + NO; со
щелочами образует нитраты и нитриты. Ухудшает показатели крови и дыхательной
функции, вызывает повышенную респираторную заболеваемость.
|
|
Фтористый водород (HF)
|
Проникая в организм ингаляционным путем, поражает верхние
дыхательные пути. При остром отравлении возникает токсический ларингит,
бронхит, в более тяжелых случаях - отек легких, пневмония.
|
|
Бенз(а)пирен(С20Н12)
|
Полициклический ароматический углеводород, токсичное
вещество первого класса опасности, обладающее канцерогенными свойствами,
образуется при сгорании углеводородного жидкого, твердого и газообразного
топлива. Обладает канцерогенной активностью, которая усиливается в присутствии
диоксида серы и азота. Влияет на частоту онкологических заболеваний (кожи,
легких, желудочно-кишечного тракта).
|
|
Пыль
|
Наибольшую опасность представляет пыль с размерами частиц
0,25 до 5 мкм, глубоко проникающая в дыхательные пути и достигающая авеол.
Более крупные частицы задерживаются слизистой оболочкой верхних дыхательных
путей. Пыль органического происхождения, становясь аллергеном, вызывает
ринит, бронхит, бронхиальную астму. Наличие пыли микроорганизмов и вирусов
может приводить к инфекционным заболеваниям (бронхит, пневмония). Пыль,
содержащая химические вещества может стать причиной лучевых поражений. Смесь
пыли и сажи в виде аэрозоля приводит к развитию онкологических заболеваний.
|
Основным сырьем для производства алюминия служат бокситы, содержащие
32...60% глинозема Al2O3. Алюминий получают из оксида
алюминия Al2O3 электролитическим методом.
Основное исходное вещество для производства алюминия - оксид алюминия. Он
не проводит электрический ток и имеет очень высокую температуру плавления
(около 2050°C), поэтому требуется слишком много энергии.
Глинозем хорошо растворяется в расплавленном криолите - минерале состава
AlF3·3(NaF). Этот расплав и подвергают электролизу при температуре
всего около 950°C на алюминиевых производствах. Гидролизу подвергают
расплавленную смесь криолита Na3 (AlF6) и оксида
алюминия, что возможно при 950°C.
Электролизер для выплавки алюминия представляет собой железный кожух,
выложенный изнутри огнеупорным кирпичом. Его дно (под), собранное из блоков
спрессованного угля, служит катодом. Аноды (один или несколько) располагаются
сверху: это - алюминиевые каркасы, заполненные угольными брикетами. При
электролизе на катоде выделяется алюминий, а на аноде - кислород. Алюминий,
обладающий большей плотностью, чем исходный расплав, собирается на дне
электролизера, откуда его периодически выпускают. По мере выделения металла, в
расплав добавляют новые порции оксида алюминия. Выделяющийся при электролизе
кислород взаимодействует с углеродом анода, который выгорает, образуя CO и CO2.
Для производства анодной массы применяют малозольные углеродистые
материалы, а также (в незначительных количествах) отходы электродного и
электролизного производств. Из анодной массы формируют аноды для алюминиевых
электролизеров, служащие для подвода тока к криолит-глиноземному расплаву.
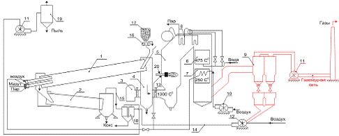
Рисунок 1.1 - Нефтянной кокс
Нефтяной кокс - это твердый пористый продукт от темно-серого до черного
цвета, получаемый при коксовании нефтяного сырья. Элементный состав сырого, или
непрокаленного, К. н. (в %): 91...99,5 С, 0,035...4 Н, 0,5...8 S, 1,3...3,8 (N
+ О), остальное - металлы.
Целью процесса прокалки кокса для производства анодной массы является
удаление из него влаги, летучих веществ и улучшение физико-химических свойств.
В прокалочном отделении расположены четыре технологические линии
прокаливания кокса. Процесс прокалки осуществляется в трубчатых вращающихся
печах диаметром 3 метра и длиной 45 метров. Производительность печи до 17,5
т/час в зависимости от вида прокаливаемых коксов. Термообработка коксов
производится в противотоке материала и газового потока, который образуется в
результате сгорания топлива (мазута), части летучих и углерода кокса. Для
обеспечения процесса сгорания топлива осуществляется организованная подача воздуха
в топку с помощью дутьевых вентиляторов. Питание прокалочных печей производится
с помощью ленточных весовых дозаторов непрерывного действия, управляемых в
дистанционном или автоматическом режиме.
Рисунок 1.2 - Прокалочная печь
Утилизация отходящих с прокалочных печей газов осуществляется в котельном
отделении, где расположены 4 котельных агрегата БГМ-35М (по одному на каждую
прокалочную печь). Котлы могут работать как в чисто утилизационном режиме, т.
е. только на отходящих газах, так и в режиме утилизации с подсветкой мазутом.
В состав объекта входит следующее технологическое оборудование:
прокалочные печи, холодильники, вентиляторы, дымососы, питатели, ленточные
весовые дозаторы, задвижки, насосы, питательные электронасосы,
редукционно-охладительные установки и т. д.
Эффективность работы существующего оборудования газоочистки батарейных
циклонов низкая - около 40% (по проекту 85%). Требуется достичь эффективности
улавливания коксовой пыли ГОУ≥90%. Приоритетом обладают сухие методы
пылеулавливания, т. к. уловленная коксовая пыль является сырьем для
производства анодной массы.
На предприятии необходимо установить новое пылеулавливающее и
газоочистное оборудование или модернизировать старое, в целях уменьшения выбросов
загрязняющих веществ в атмосферу.
1.2Методы
обеспыливания газов
Для решения задач пылеулавливания в настоящее время широко используются
различные аппараты: инерционные пылеотделители «сухой» очистки газов
(батарейные и групповые циклоны); инерционные пыле отделители «мокрой» очистки
газов (скруббер); а также электрофильтры и рукавные фильтры. Выбор конкретной
конструкции пылеуловителя и способа очистки газа определяется технологическими
условиями, экономической целесообразностью, физико-химическими свойствами и
дисперсным составом улавливаемой пыли, физико-химическими свойствами газа и т.
д.
1.2.1Мокрые
пылеуловители
При мокром пылеулавливании достигается контакт запыленного потока с
жидкостью в виде капель или пленки. Пыль, имеющая связывающую воду свойство,
прилипает к поверхности жидкости и удаляется с ней. Недостаток мокрого
пылеулавливания - образование загрязненных стоков, которые необходимо очищать.
Однако при мокром пылеулавливании достигается высокая степень очистки
(улавливаются частицы размером до 0,1 мкм). Мокрые пылеуловители целесообразно
использовать для одновременного с пылеулавливанием охлаждения или увлажнения
газа, улавливания вместе с пылью брызг и тумана, абсорбции газовых примесей.
К недостаткам мокрых пылеуловителей относятся также наличие отложений
частиц пыли на оборудовании и трубопроводах и их забивание шламом; повышенный
расход жидкости, обычно воды, вследствие брызгоуноса; необходимость защиты
оборудования и трубопроводов от коррозии, особенно в случае агрессивных газов; невозможность
работы при температурах ниже 0оС - вода замерзает; необходимость
установки дополнительных каплеуловителей для скоростных газопромывателей.
Мокрые пылеуловители классифицируются:
-по типу поверхности контакта фаз: полые оросительные, насадочные с
подвижной и неподвижной насадкой, тарельчатые (барботажные и пенные) и
пленочные (циклоны, вихревые аппараты с водяной пленкой);
по способу действия: гравитационные (оросительные), проточные
(насадочные, тарельчатые), центробежные (пленочные циклоны, вихревые аппараты),
ударно-инерционные (ротоклоны), струйные (трубы Вентури, эжекторы) и
механические (механические и динамические скрубберы) газопромыватели. К мокрым
пылеуловителям можно отнести также мокрые электрофильтры, орошаемые волокнистые
фильтры, воздушные масляные фильтры, аппараты конденсационного принципа
действия.
По затратам энергии мокрые пылеуловители разделяют на три группы:
низконапорные - с гидравлическим сопротивлением до 1500 Па (оросительные,
тарельчатые, центробежные и др.), средненапорные с сопротивлением от 1500 до
3000 Па (насадочные, механические, ударно-инерционные, эжекторы) и
высоконапорные (трубы Вентури и дезинтеграторы).
В мокрых пылеуловителях применяют распределительные устройства потока
жидкости. Для этого в основном используют форсунки и оросители. Первые
предназначены для тонкого распыления жидкости, а также для увеличения
поверхности контакта фаз; вторые - для равномерного распределения жидкости по
стенке или всему сечению аппарата.
В аппаратах мокрой пылеочистки применяют механические (центробежные,
ультразвуковые), пневматические, где распыление осуществляют подачей газа, и
электрические форсунки. Наиболее распространены механические форсунки. Они
относительно просты, стоимость их незначительна, надежны в эксплуатации, энергозатраты
на распыление 1 т жидкости 24…20 кВт, размеры капель от 0,001 до 3,5 мм.
Оросители отличаются конструктивно в зависимости от типа орошения
(точечное, зональное и сплошное). Их изготавливают в виде желобов с боковыми
прорезями или отверстиями, перфорированных труб, стаканов, дисков, торов и т.
д. [2].
Трубы Вентури- эффективные высоконапорные мокрые пылеуловители струйного
действия. Часто конструкции их геометрически различны, однако все они имеют
трубы-распылители, где запыленный поток газа движется со скоростью до 150 м/с,
распыляя при этом поток жидкости. Труба-распылитель имеет сужение, куда подают
жидкость и где наиболее интенсивно она распыляется и взаимодействует с потоком
газа (рис. 1.3). Орошение жидкостью может быть форсуночным с центральной
форсункой (рис. 1.3 а), периферийным (рис. 1.3 б), пленочным с подачей жидкости
в виде пленки в центральную зону (рис. 1.3 в) и бесфорсуночным (рис. 1.3 г).
Последнее предпочтительно при использовании сильнозагрязненной, оборотной
жидкости.
Возможно совместное пленочное и форсуночное орошение. Однако следует
отметить, что форсуночное орошение обеспечивает более тонкое диспергирование
капель и более высокую степень пылеулавливания по сравнению с пленочным.
Имеется конструкция трубы Вентури с центральным регулирующим конусом, который
перемещают вдоль оси трубы в диффузорной части [3]. Задвигая конус в сужение,
уменьшают кольцевой зазор и повышают скорость потока газа. Типоразмеры трубы
Вентури обеспечивают производительность по газу в диапазоне 2 - 500 тыс. м3/ч.
Промышленность выпускает трубу Вентури, скомпонованную с циклоном типа ЦВП
(газопромыватель КМП). Расход запыленного газа составляет от 7 до 140 тыс. м3/ч.
После трубы Вентури часто устанавливают каплеуловитель [3].
Рисунок 1.3 - Конструкции трубы Вентури
.2.2Электрические
пылеуловители
В электрофильтре очистка газов от твердых и жидких частиц происходит под
действием электрических сил. Частицам сообщается электрический заряд, и они под
действием электрического поля осаждаются из газового потока. Общий вид
электрофильтра приведен на рисунке 1.4.
- осадительный электрод; 2 - коронирующий электрод; 3 - рама; 4 -
высоковольтный изолятор; 5 - встряхивающее устройство; 6 - верхняя камера; 7 -
сборник пыли.
Рисунок 1.4 - Электрофильтр
Процесс обеспыливания в электрофильтре состоит из следующих стадий:
пылевые частицы, проходя с потоком газа через электрическое поле, получают
заряд; заряженные частицы перемещаются к электродам с противоположным знаком;
осаждаются на этих электродах; удаляется пыль, осевшая на электродах.
Зарядка частиц - первый основной шаг процесса электростатического
осаждения. Большинство частиц, с которыми приходится иметь дело при
промышленной газоочистке, сами по себе несут некоторый заряд, приобретенный в
процессе их образования, однако эти заряды слишком малы, чтобы обеспечить
эффективное осаждение. На практике зарядка частиц достигается пропусканием
частиц через корону постоянного тока между электродами электрофильтра. Можно
использовать и положительную и отрицательную корону, но для промышленной
газоочистки предпочтительнее отрицательная корона из-за большей стабильности и
возможности применения больших рабочих значений напряжения и тока. При очистке
воздуха используют только положительную корону, так как она дает меньше озона.
Основными элементами электрофильтра являются коронирующий и осадительный
электроды. Первый электрод в простейшем виде представляет собой проволоку,
натянутую в трубке или между пластинами, второй - представляет собой
поверхность трубки или пластины, окружающей коронирующий электрод (рис. 1.5).
На коронирующие электроды подается постоянный ток высокого напряжения 30
- 60 кВ. Коронирующий электрод обычно имеет отрицательную полярность, осадительный
электрод заземлен. Это объясняется тем, что корона при такой полярности более
устойчива, подвижность отрицательных ионов выше, чем положительных. Последнее
обстоятельство связано с ускорением зарядки пылевых частиц.
а
б
в
а) процесс электрического осаждения частиц; б) электрофильтр с трубчатым
электродом, в) электрофильтр с пластинчатым электродом, 1 - коронирующий
электрод; 2 - осадительный электрод; 3 - агрегат электропитания; 4 - электрон,
5 - молекула газа; 6 - осаждаемая частица
Рисунок 1.5 - Принципиальная схема работы электрофильтра
После распределительных устройств обрабатываемые газы попадают в проходы,
образованные коронирующими и осадительными электродами, называемые
межэлектродными промежутками. Сходящие с поверхности коронируюших электродов
электроны разгоняются в электрическом поле высокой напряженности и приобретают
энергию, достаточную для ионизации молекул газа. Сталкивающиеся с электронами
молекулы газов ионизируются и начинают ускоренно двигаться в направлении
электродов противоположного заряда, при соударении с которыми выбивают новые
порции электронов. В результате между электродами появляется электрический ток,
а при некоторой величине напряжения образуется коронный разряд,
интенсифицирующий процесс ионизации газов. Взвешенные частицы, перемещаясь в
зоне ионизации и сорбируя на своей поверхности ионы, приобретают в конечном
итоге положительный или отрицательный заряд и начинают под влиянием
электрических сил двигаться к электроду противоположного знака. Частицы сильно
заряжаются на первых 100…200 мм пути и смещаются к заземленным осадительным
электродам под воздействием интенсивного поля короны. Процесс в целом протекает
очень быстро, на полное осаждение частиц требуется всего несколько секунд. По
мере накопления частиц на электродах их стряхивают или смывают.
Коронный разряд характерен для неоднородных электрических полей. Для их
создания в электрофильтрах применяют системы электродов типа точка (острие) -
плоскость, линия (острая кромка, тонкая проволока) - плоскость или цилиндр. В
поле короны электрофильтра реализуются два различных механизма зарядки частиц.
Наиболее важна зарядка ионами, которые движутся к частицам под действием
внешнего электрического поля. Вторичный процесс зарядки обусловлен диффузией
ионов, скорость которой зависит от энергии теплового движения ионов, но не от
электрического поля. Зарядка в поле преобладает для частиц диаметром более 0,5
мкм, а диффузионная - для частиц мельче 0,2 мкм; в промежуточном диапазоне
(0,2…0,5 мкм) важны оба механизма.
Основными элементами электрофильтров являются: газоплотный корпус с
размещенными в нем коронирующими электродами, к которым подводится выпрямленный
ток высокого напряжения, и осадительными заземленными электродами, изоляторы
электродов, устройства для равномерного распределения потока по сечению
электрофильтра, бункера для сбора уловленных частиц, системы регенерации
электродов и электропитания.
Конструктивно электрофильтры могут быть с корпусом прямоугольной или
цилиндрической формы. Внутри корпусов смонтированы осадительные и коронирующие
электроды, а также механизмы встряхивания электродов, изоляторные узлы,
газораспределительные устройства.
Часть электрофильтра, в которой размещены электроды, называют активной
зоной (реже - активным объемом). В зависимости от числа активных зон известны
электрофильтры однозонные и двухзонные. В однозонных электрофильтрах
коронирующие и осадительные электроды в пространственном отношении,
конструктивно не разделены, В двухзонных электрофильтрах имеется четкое
разделение. Для санитарной очистки запыленных выбросов используют однозонные
конструкции с размещением коронирующих и осадительных электродов в одном
рабочем объеме. Двухзонные электрофильтры с раздельными зонами для ионизации и
осаждения взвешенных частиц применяют в основном при очистке приточного
воздуха. Связано это с тем, что в ионизационной зоне происходит выделение
озона, поступление которого не допускается в воздух, подаваемый в помещения.
В зависимости от направления движения газа электрофильтры подразделяют на
горизонтальные и вертикальные. Вертикальные аппараты занимают в плане
значительно меньше места, но при прочих равных условиях коэффициенты очистки в
них ниже. Активная длина поля вертикального электрофильтра совпадает с активной
высотой его электродов.
По мере осаждения пыли на электродах понижается эффективность
пылеулавливания. Во избежание этого явления и поддержания оптимальной
эффективности электрофильтров электроды периодически очищают от пыли
встряхиванием или промывкой. Соответственно электрофильтры подразделяются на
сухие и мокрые.
К мокрым относят аппараты, улавливающие жидкие или значительно
увлажненные твердые частицы, а также электрофильтры, электроды которых
очищаются самотеком (конденсатом уловленного жидкого аэрозоля) или посредством
смывки осевших частиц жидкостью. К сухим относят электрофильтры, улавливающие
сухие твердые частицы, которые удаляют с электродов посредством встряхивания
через определенные промежутки времени.
Все мокрые электрофильтры, нашедшие применение в промышленности, имеют
вертикальную компоновку. Сухие аппараты могут быть как вертикальными, так и
горизонтальными. Преимущественное применение среди сухих электрофильтров имеют
аппараты с горизонтальным ходом газа - горизонтальные многопольные аппараты, в
которых очищаемый газ проходит последовательно через несколько электрических
полей.
В зависимости от формы осадительных электродов известны электрофильтры
трубчатые и пластинчатые. Трубчатые электрофильтры состоят из большого числа
элементов, имеющих круглое или сотообразное сечение. По оси трубчатого элемента
расположен коронирующий электрод. В пластинчатом электрофильтре имеется большое
количество параллельных пластин. Между ними находятся натянутые коронирующие
электроды.
Формы осадительных и коронирующих электродов могут быть самыми
разнообразными. Коронирующие электроды могут набираться из тонких круглых или
толстых шестигранных стержней, стальных пилообразных полос, профилированных
лент с игольчатой выштамповкой. Иногда применяются и другие формы. Осадительные
электроды сухих фильтров выполняют в виде профилированных пластин, желобов,
реже - коробок с круглыми или сложными вырезами для лучшего удержания
осажденной пыли от вторичного уноса. В мокрых электрофильтрах проблема
вторичного уноса несущественна, поэтому электроды выполняют в виде наборов
прутков и гладких пластин, что позволяет легко смывать осадок.
Электроды сухих фильтров встряхивают соударением или при помощи специальных
ударно-молотковых механизмов. Соударения применяют в основном для встряхивания
коробчатых электродов. Остальные типы коронирующих и осадительных электродов
встряхивают ударами вращающихся молотковых механизмов по наковальням,
прикрепленным к этим электродам.
Промывка электродов в мокрых электрофильтрах может производиться
периодически или непрерывно. Для периодической промывки подают большое
количество воды или другой промывной жидкости на электроды (в активную зону)
при отключенном напряжении. На время промывки секции подачу газа прекращают.
Переток неочищенного газа мимо активной зоны даже в небольшом количестве
может заметно ухудшить степень очистки. В горизонтальных фильтрах неактивные
зоны расположены над и под электродной системой (включая бункера), а также в
промежутках между крайними осадительными электродами и корпусом. В вертикальных
пластинчатых фильтрах неактивны промежутки между осадительными электродами и
корпусом. В вертикальных трубчатых аппаратах неактивные зоны можно устранить
полностью. В пластинчатых конструкциях зазоры необходимы для встряхивания
электродов и соблюдения пробойных промежутков. Поэтому в таких электрофильтрах
предусматривают клапаны (щитки), создающие лабиринтное уплотнение и снижающие
перетоки газа.
Скорость очищаемого газа в активной зоне является одной из основных
характеристик электрофильтра. Наибольшую величину электрического заряда частицы
размером до 1 мкм получают за время нахождения в электрическом поле около 1 с.
Скорость принимают в зависимости от конструкции электрофильтра. Так, в сухих
электрофильтрах ее значение находится обычно в пределах 0,8 - 1,7 м/с. Должно
быть обеспечено равномерное распределение скорости очищаемого газа по сечению
аппарата. Для выравнивания скоростного поля в электрофильтре устанавливают
решетки, направляющие лопатки, перфорированные пластины.
Удельное электрическое сопротивление (УЭС) пыли является фактором,
который существенно влияет на процесс пылеулавливания, может затруднять или
даже исключать возможность высокоэффективного пылеулавливания.
В зависимости от УЭС пыли принято делить на три группы:
1Пыли первой группы с УЭС менее 102 Ом×м (сажа) - низкоомные пыли.
Пыли второй группы с УЭС 102 - 108 Ом×м.
Пыли третьей группы с УЭС более 108 Ом×м - высокоомные пыли.
Улавливанию в электрофильтре подлежат пыли второй группы. Пыли первой
группы мгновенно разряжаются, попадая на осадительный электрод. Пыли третьей
группы образуют пористый изолирующий слой, препятствующий работе
электрофильтра.
Широкое применение электрофильтров для улавливания твердых и жидких
частиц обусловлено их универсальностью и высокой степенью очистки газов при
сравнительно низких энергозатратах. Эффективность установок электрической
очистки газов достигает 99%, а в ряде случаев и 99,9%. Такие фильтры способны
улавливать частицы различных размеров, в том числе и субмикронные, при
концентрации частиц в газе до 50 г/м3 и выше.
Промышленные электрофильтры широко применяют в диапазоне температур до
400 - 450° С и более, а также в условиях воздействия коррозийных сред.
Электрофильтры могут работать при разрежении и под давлением очищаемых
газов. Они отличаются относительно низкими эксплуатационными затратами, однако
капитальные затраты на сооружение электрофильтров довольно высоки, так как эти
аппараты металлоемки и занимают большую площадь, а также снабжаются
специальными агрегатами для электропитания. При этом с уменьшением
производительности установок по газу удельные капитальные затраты сильно
возрастают.
Преимущественной областью применения электрофильтров с точки зрения
экономической целесообразности является очистка больших объемов газа.
К недостаткам электрофильтров наряду с их высокой стоимостью следует
отнести высокую чувствительность процесса электрической очистки газов к
отклонениям от заданного технологического режима, а также к механическим
дефектам внутреннего оборудования.
Иногда свойства газопылевого потока являются серьезным препятствием для
осуществления процесса электрогазоочистки (например, при высоком удельном
электрическом сопротивлении пыли или когда очищаемый газ представляет собой
взрывоопасную смесь).
Улавливание пыли в электрофильтрах основано на известной способности
разноименно заряженных тел притягиваться друг к другу. Пылевидным частицам
сначала сообщается электрический заряд, после чего они осаждаются на
противоположно заряженном электроде.
Преимущества электрического пылеулавливания:
возможность работы при высоких температурах до 425° С;
работа установки в среде перенасыщенной влагой;
возможность работы электрофильтра в агрессивных средах;
возможность продолжительной работы установки за пределами технологических
параметров, предусмотренными картой эксплуатации;
низкое гидравлическое сопротивление установки ~200 Па;
низкие эксплуатационные расходы;
простота в обслуживании;
высокая надежность узлов и механизмов.
1.2.3Инерционные
пылеуловители
В настоящее время существует огромное количество конструкций инерционных
пылеотделителей. Но до сих пор нет четких рекомендаций по выбору конкретных
конструкций инерционных пылеотделителей в зависимости от условий эксплуатации
аппарата, отсутствуют объяснения причин снижения эффективности сепарации частиц
при переходе от лабораторных условий к реальным производственным процессам.
Проведем обзор результатов исследований и эксплутационных показателей различных
типов инерционных пылеотделителей.
К прямоточным циклонным пылеотделителям - концентраторам, относятся
устройства с преимущественно прямоточным движением закрученного потока.
Принцип действия. В прямоточных циклонных концентраторах закрутка проводится
либо лопаточным, либо боковым (тангенциальным, улиточным) вводом. Концентрат
пыли транспортируется газом к щели, сообщающейся с приемником. Пыль попадает в
приемник через щель путем инерционного заброса крупных частиц при обтекании
щели потоком или путем транспортированием частиц малой долей потока. Очищенный
поток выходит в центральный патрубок. На рисунке 1.6 представлена схема
прямоточного циклонного батарейного пылеконцентратора с отсосом и рециркуляцией
газа.
Рисунок 1.6 - Схема прямоточного циклонного батарейного пылеконцентратора
При малых крутках потока окружная компонента скорости на оси равна нулю,
увеличивается с увеличением радиуса до максимального значения и далее
незначительно уменьшается, осевая компонента деформирована также незначительно.
При сильных крутках основной поток движется в периферийной области; за счет
эжекционных эффектов формируется обратный кольцевой поток, который
разворачивается в сторону газовыводящего патрубка, в приосевой области также
возникают возвратные течения.
Структура закрученного потока, распространяющегося в осевом направлении,
определяется числом крутки, представляющего собой отношение аксиального потока
момента количества движения к аксиальному полному количеству движения в
произвольном сечении струи или трубы.
Было обнаружено, что в образце с диметром 0,18 м часть периферийного
потока огибает циркуляционную зону, делает зигзаг, разворачиваясь в объёме
камеры, присоединяется к центральной струе и выходит наружу.
Приведём сведения об аэродинамической структуре потоков в камерах с
тангенциальным вводом среды в верхней части с разными конструктивными
соотношениями, шероховатостью стенок. Потоки направлены сверху вниз к выходной
амбразуре. В объёме циклона выделяется пять характерных кольцевых зон (рис.
1.7). Имеются два главных нисходящих несущих основную массу потока: пристенный
- 1 и приосевой - 3. В этих потоках сочетаются максимумы аксиальной и
тангенциальной скоростей. Потоки 1 и 3 разделены промежуточной зоной 2, заполненной
подъёмными турбулентными вихрями, ответвляющимися от потоков 1 и 3, при
движении и смешивании которых образуется в целом обратный ток 2. В зоне 2
образуется провал окружных скоростей и формирование отрицательных (обратных)
аксиальных скоростей. Поэтому они имеют седлообразную изменяющуюся по высоте
структуру. Вблизи сопл в зоне 4 газ течет в сторону глухого торца, тогда как на
оси в зоне 5 в сторону выходной амбразуры; в большей части циклона на оси газ
движется внутрь циклона. Существенное влияние на аэродинамику оказывает
параметр типа числа Россби, представленный как отношение площади входных сопл к
площади сечения камеры. С увеличением этого параметра в профилях аксиальных
скоростей исчезают провалы и обратные токи в зонах 4 и 5, а на их месте появляется
один мощный опускной поток. Конфигурация сопл (отношение ширины к высоте сопла)
не влияет на структуру потока, положение сопл относительно свода и пережима
изменяют соотношение мощностей подъёмного и опускного токов.
При удалении сопла от свода обратный поток 2 исчезает (рис. 1.8).
Перемещение сопл к середине приводит к увеличению значений коэффициентов
сохранения тангенциальных скоростей. По мере уменьшения выходного диаметра доля
подъёмного газа возрастает и при относительном выходном диаметре меньше 0,5 она
становится больше опускного. При относительных длинах камер больше 2,5 обратные
токи и провалы профилей аксиальных скоростей в зонах 4 и 5 отсутствуют.
Рисунок 1.7 - Принципиальная схема движения и структура газовых потоков в
циклонной камере с двумя тангенциальными вводами
Рисунок 1.8 - Принципиальная схема движения и структура газовых потоков в
циклонной камере при одном тангенциальном вводе
Эффективность обеспыливания прямоточных аппаратов по пылеулавливающей
способности не выдерживают сравнения с противоточными циклонами из-за меньшей
эффективности обеспыливания. Тем не менее, они нашли широкое применение в
качестве первых ступеней очистки в системах обеспыливания. Основные требования,
которые предъявляются к первой ступени - минимальное гидравлическое
сопротивление, простота конструкции, малые габариты и удобство компоновки. Этим
требованиям отвечают прямоточные циклоны с закручивающими аппаратами типа
винтовой розетки и с пылеотбивной шайбой. Исследовались элементы батарейного
циклона, а также блок циклонов. Диаметр элемента 350 мм, диаметр газовыводного
патрубка 245 мм, длина с закручивателем 545 мм, круговая щель между отбойной
шайбой и корпусом варьировалась в пределах 10ч16 мм. В зависимости от величины
принудительного отсоса или эжекционного самоотсоса. Коэффициент гидравлического
сопротивления равен 7 без отсоса, равен 6 при 10 %-ом отсосе и равен 8 при
эжекционном самоотсосе. Результаты фракционной эффективности в зависимости от
величины отсоса в процентах представлены в таблице 1.3.
Таблица 1.3 - Фракционная эффективность пылеулавливания при различных
величинах отвода пылеконцентрата
|
Диаметр частиц, мкм
|
10
|
20
|
30
|
|
Относительная величина отсоса, %
|
0
|
3
|
17
|
30
|
|
4
|
20
|
70
|
92
|
|
6
|
27
|
80
|
98
|
|
8
|
40
|
85
|
99
|
Коэффициент разделения резко возрастает с увеличением степени отсоса до
10 % и слабо возрастает при дальнейшем увеличении степени отсоса. Промежуточный
противоточный циклон или другой пылеуловитель значительно повышает общую
эффективность очистки. Оптимальная среднерасходная скорость в циклоне равна 7
м/с.
В делителях-концентраторах пыли, устанавливаемых в напорном тракте
мельниц [5], количество сбрасываемого сушильного агента с минимальным
содержанием пыли в горелки верхнего яруса составляет 35 %. Концентрат пыли
через четыре отвода распределяется по горелкам. При угле установки лопаток
закручивателя от осевого направления 20 градусов доля пыли в сбросном воздухе
составляла 7,5 %; при увеличении закрутки потока содержание пыли в сбросном
воздухе уменьшилось до 3 %. Повышение крутки потока приводит к уменьшению
неравномерности раздачи, которая возникает из-за образования жгутов пыли. Для
разрушения жгутов и увеличения равномерности раздачи пыли по отводам были
выполнены пережимы корпуса на различных расстояниях от завихрителя. Подбором
этого расстояния удалось снизить неравномерность раздачи в 5 раз [5].
В [5] проведен расчет турбулентного течения аэрозоля в прямоточном
циклоне. При феноменологическом подходе к исследованию дисперсного потока в
циклоне с малой концентрацией частиц используется идея условного континиума
компонент среды, что позволило применить аппарат механики сплошных сред. Для
осесимметричного течения аэрозоля уравнение движения и неразрывности среды из
частиц записаны в предположении, что диффузионные потоки частиц в тангенциальном
и аксиальном направлениях много меньше потоков частиц в осредненном движении в
тех же направлениях. Турбулентные напряжения в газе и турбулентная вязкость
определяются инерционными эффектами, которые зависят от интенсивности переноса
количества движения или момента количества движения в градиентных потоках.
Течение условно разбивается на три зоны: течение вблизи стенки, течение в
центральной области, в которой радиальная скорость приравнивается нулю, и
течение между этими областями, где радиальная скорость принимает отрицательное
значение. Полагается для этой области, что компоненты скоростей газа в среднем
определяются течением по конической поверхности. Для такого схематизированного
течения коэффициент турбулентной вязкости был определён интенсивностью
радиального переноса закрученного газа вдоль конической поверхности и выражен
через характерные геометрические соотношения, размера аппарата, скорости
потока. Процесс сепарации представляется следующим образом. При движении
аэрозоля частицы переходят с одной линии тока газа на другую к периферии,
попадают в поток с высокой концентрацией частиц и выходят из циклона с этим
потоком. Периферийная и центральная области связаны за счёт диффузионного
переноса частиц. Интенсивность разделения аэрозоля определяется соотношением
потоков частиц за счёт центробежных сил и турбулентного переноса в каждом
сечении циклона.
1.2.4Противочные
циклонные осадители-пылеуловители
К данным аппаратам относятся устройства с преимущественно возвратным
переносом закрученного потока.
Принцип действия
В этих аппаратах зона разделения частиц по крупности реализуется по
высоте. Существует большое разнообразие конструкций аппаратов - циклонных
обеспыливателей с противоточным движением аэрозоля. В циклоне НИИОГАЗ (ЦН)
(рис. 1.9) газовый поток с взвешенными в нём частицами со скоростью 15 - 25 м/c
вводится через тангенциально расположенный патрубок в корпус с винтовой
крышкой. Огибая выхлопную трубу, поток в виде вращающейся нисходящей спирали
направляется по цилиндрической, а затем конической поверхности вниз к пылевому
отверстию, большая часть потока под влиянием разности давлений направляется к
выхлопной трубе. Основная часть взвешенных в газе частиц отбрасывается к стенке
циклона, собирается в жгуты и вместе с частью газового потока движется вниз,
проходя через пылевыпускное отверстие в бункер циклона. В бункере завихренный
поток меняет своё направление и теряет скорость, вследствие чего происходит
выпадение сгустков частиц. Освобождённые от частиц газы, присоединяя к себе
части потока, отделяющиеся от нисходящей спирали, движутся по восходящей
(внутренней) спирали к выхлопной трубе. Существенное влияние на процесс очистки
оказывает турбулентность, которая во многом определяет степень очистки. Поток,
поступающий в выхлопную трубу, продолжает интенсивно вращаться. Затухание этого
вращательного движения, связанного с невосполнимыми потерями энергии,
происходит сравнительно медленно. Для устранения вращательного движения на
выходе из циклона и уменьшения гидравлических потерь иногда применяют
устройства - раскручиватели с диффузорным эффектом. Для обеспечения
эффективности следует обращать внимание на герметичность пылевого затвора. В
случае возникновения подсосов потоки в бункере усиливаются, уменьшается поток с
отсепарированными частицами в бункер и увеличивается вынос частиц из циклона.
Допускаемая концентрация пыли в очищаемых газах зависит от свойств пыли и
диаметра циклона. При очистке газов от неслипающейся пыли в циклонах диаметром
800 мм и более её содержание в газах не должно превышать 2,5 кг/м3,
для циклонов меньшего диаметра концентрация пыли в газах должна быть еще
меньше. При больших концентрациях пыли, а также в случае улавливания
слипающейся пыли, возможно забивание пыле выводного отверстия, что приводит к
нарушению нормальной работы аппарата.
При осесимметричном вводе кольцевая струя распространяется по стенке
вниз, постепенно размывается за счёт радиального оттока жидкости к центру:
примерно на половине длины камеры аксиальная скорость в два раза меньше, чем у
завихрителя. При этом струя имеет меньшую ширину, чем у завихрителя и прижата к
стенке камеры. Движущийся в радиальном направлении поток испытывает
последовательные изменения знака осевой компоненты скорости, которые
обусловлены отражениями от торцевых стенок камеры первоначальной струи,
вышедшей из завихрителя. По достижении границы отверстия осевая скорость резко
возрастает, достигает максимального значения, после чего резко уменьшается и на
оси она имеет отрицательные значения примерно до половины камеры.
Рисунок 1.9 - Циклон НИИОГАЗ (ЦН)
В значительной мере характер движения частиц определяется концентрацией
твёрдой фазы. Часть материала входит в соприкосновение со стенками камеры сразу
же на начальных участках, а весь дальнейший процесс определяется законами
скольжения и перекатывания твёрдых частиц по сухой стенке. Условия движения
материала в жгуте отличны от условий движения отдельной частицы, так как
происходит взаимодействие частиц, которое способствует образованию жгута. В результате
обработки экспериментальных исследований получено уравнение для расчёта
критической концентрации, соответствующей моменту образования жгута в
зависимости от чисел Рейнольдса и Фруда, относящимся к размерам и характерным
скоростям потока в камере. Для малых концентраций, при которых жгуты
транспортируются потоком при любом пространственном расположении циклона, можно
сделать оценки скорости, радиуса жгута, исходя из распределений скоростей газа
в области жгутов и имеющихся сведений о сопротивлении нитевидных, волокнистых
тел. Трение жгута о поверхность определяется аналогично оценке трения взвесей в
трубах. Вводится понятие минимальной скорости переноса, при которой на
поверхности нет накапливания проскальзывающих частиц. При этом динамическая скорость
(скорость трения) выражается через напряжение сдвига и плотность смеси.
1.2.5Особенности
обеспыливания дымовых газов в групповых и батарейных циклонных газоочистителях
Попытка использовать циклонные аппараты для очистки газов больших объемов
тонкодисперсных пылей привела к созданию групповых и батарейных
газоочистителей. Батарейные циклоны треста «Газоочистка» и в настоящее время
используются во многих отраслях промышленности, в том числе и в качестве
золоуловителей на тепловых электростанциях. Их широкому распространению во
многом способствовала весьма высокая степень очистки газа в элементе и удачное
компоновочное решение. Однако высокая стендовая эффективность элемента не
подтвердилась для батарейного газоочистителя в промышленных условиях вследствие
гидродинамических перекосов-перетоков между элементами.
Объяснение причин этих явлений в разверке гидравлических сопротивлений
завихрителей [2]. Один процент перетекаемого газа в элемент снижает
эффективность последнего на 4ч6%. Трудность устранения гидравлических разверок
- в невозможности выполнить входные участки элементов одинаковыми. Кроме того,
в газоочистителях данной конструкции завихрители циклонных элементов подвержены
локальному абразивному износу, в результате чего разверка увеличивается. Подверженность
элементов забиваниям пылью исключает возможность их применения для очистки
газов от угольной пыли и сильнослипающейся золы. Эксплутационная степень
очистки не превышает 80%. В связи с этим разработаны и находятся в эксплуатации
газоочистители других конструкций.
1.2.6Анализ
процессов сепарации в противоточных циклонах
Сравнительные испытания противоточных циклонов в различном конструктивном
исполнении приводятся в [12]. Работы проводились на моделях циклонов с
тангенциальным и осевым подводом запыленного воздуха. Проводились исследования
по изучению зависимости эффективности сепарации пыли в циклоне в зависимости от
количества отводимого воздуха. Сравнительным испытаниям подверглись циклоны с
диаметрами 200, 300 и 500 мм. Типы испытанных розеток показаны на рисунке 1.10.
Типы испытанных циклонов показаны на рисунке 1.11. Опыты проводились на золе,
уловленной электрофильтром ГЭС, сжигающей печорский уголь в пылевидном
состоянии.
Результаты исследований показали, что для всех размеров циклонов эффективность
улавливания золы возрастает с увеличением плановой скорости движения воздуха.
Так, для конического циклонного аппарата диаметром 300 мм и
тангенциальным подводом эффективность сепарации частиц с увеличением скорости с
5 до 10 м/с изменяется с 87% до 90%, а для того же циклона с осевым подводом с
80% до 87%.
Сравнение работы циклонов при одинаковых расходах газа показывает, что
независимо от диаметра наибольшую эффективность имеют конические циклоны с
тангенциальным подводом, а наименьшую - цилиндрические циклоны с осевым
подводом воздуха. При этом осевой подвод для обоих типов циклонов вызывает
снижение эффективности улавливания на 4% с одновременным уменьшением
гидравлического сопротивления аппарата до 25%.
Рисунок 1.10 - Типы испытанных розеток
Рисунок 1.11 - Типы испытанных циклонов
Результаты исследований показали, что для всех размеров циклонов
эффективность улавливания золы возрастает с увеличением плановой скорости движения
воздуха.
Так, для конического циклонного аппарата диаметром 300 мм и
тангенциальным подводом эффективность сепарации частиц с увеличением скорости с
5 до 10 м/с изменяется с 87% до 90%, а для того же циклона с осевым подводом с
80% до 87%.
Сравнение работы циклонов при одинаковых расходах газа показывает, что
независимо от диаметра наибольшую эффективность имеют конические циклоны с
тангенциальным подводом, а наименьшую - цилиндрические циклоны с осевым
подводом воздуха. При этом осевой подвод для обоих типов циклонов вызывает
снижение эффективности улавливания на 4% с одновременным уменьшением
гидравлического сопротивления аппарата до 25%.
При увеличении диаметра циклона увеличивается унос примерно в 2 раза.
Применение в качестве закручивающего аппарата различного типа розеток снижает
эффективность улавливания примерно на 4% с одновременным снижением
гидравлического сопротивления аппарата на 25%. Также отмечается увеличение
количества крупных частиц в уносе с увеличением диаметра циклона, причем для
осевого подвода это выражено в большей степени, чем для тангенциального.
Исследования величины продувки (до 4%) конических циклонов различных диаметров
из бункера или золоспускного патрубка не выявило прироста эффективности. Также
не выявлена зависимость изменения величины гидравлического сопротивления
циклонов от величины продувки.
Циклоны конического и цилиндро-конического типов обладают наибольшей
пылезадерживающей способностью. В сепарационном пространстве циклонного
аппарата происходит концентрирование частиц в пристенной зоне, структурирование
дисперсной фазы с образованием жгутов, которые транспортируются в приемник и
выделяются из потока. В зависимости от концентрации, дисперсности и условий
сепарации частиц применяются циклоны либо конического, либо цилиндрического
типов. Цилиндрические циклоны обладают большей устойчивостью к забиванию и
залипанию в связи с перераспределением потоков в объеме циклона таким образом,
что до 50% от исходного потока проходит в придонной области, при этом
происходит увеличение значения радиальной скорости потока, способствующей срыву
отсепарированных на стенку частиц. В конических циклонах к конусу подходит
около 10% от первоначального объема газа, что говорит о равномерном
распределении потока и радиального стока по высоте аппарата. При этом в области
пылевыводного отверстия реализуются центростремительные ускорения, которые в 30
и более раз выше, чем в цилиндрическом. При этом концентрация частиц с размером
меньше 5 мкм на периферии пылевыводного отверстия конического циклона
увеличивается в сотни раз по сравнению с цилиндрической частью. Все это
способствует ламиниризации потока, возникновению неустойчивости в виде вихрей
Тейлора-Гертлера, которые собирают пыль в жгуты.
Таким образом, конические циклоны обладают большей устойчивостью потоков,
однако в присутствии твердой фазы возникают колебания давлений и пульсации
потоков из-за воздействия образующихся жгутов на вращение потока. В конической
части циклона при повышенных концентрациях крупных частиц происходит их накапливание
и забивание пылевыводного отверстия, т. е. крупные частицы препятствуют оттоку
уловленной пыли в пылевой бункер.
Это говорит о направленной подготовке потока перед его подачей на очистку
в конический циклон. Необходимость удаления из потока крупных частиц и
понижения исходной запыленности потока обуславливается забиванием пылевыводного
отверстия конического циклона. Осуществлять целенаправленную подготовку
запыленного потока, т. е. разгружать поток от крупных примесей частиц
(фракционирование потока) с одновременным снижением исходной концентрации, что
возможно в аппаратах с большой транспортирующей способностью потока, таких как
вихревой сепаратор-осадитель, прямоточный пылеконцентратор или противоточный
цилиндрический циклон-сепаратор, способных осуществлять устойчивую разгрузку
потока при различных концентрациях и различных расходах воздуха.
1.3Основные
физико-химические свойства пыли, содержащейся в газах
Для выбора аппаратов с целью эффективной очистки газа необходимо знать
следующие основные свойства пыли, содержащейся в технологических и
вентиляционных газах: химический состав, плотность, угол естественного откоса,
удельное электрическое сопротивление, структуру частиц, дисперсность,
токсичность, воспламеняемость, смачиваемость и способность коагулировать.
Химический состав пыли. Он всегда характерен для данного производства или
технологического процесса. Например, пыль, образующаяся во время плавки
металлов, состоит из окислов этих металлов и флюсов; пыль, выделяющаяся в
процессе холодной обработки металлов, содержит мелкие частицы металлов и
абразивного инструмента; в производстве строительных материалов пыль состоит из
минеральных составляющих; текстильная пыль образуется из мельчайших частиц
перерабатываемых волокон и т.п.
По химическому составу пыли судят о ее токсичности. Зная химический
состав пыли, можно обоснованно выбрать мокрый или сухой способ очистки газа.
Если пыль содержит компоненты, способные образовывать с водой или другой
жидкостью, подаваемой на орошение аппаратов, соединения, которые при оседании
на стенках аппаратов и газоходов трудно удалить, применять мокрый способ
очистки газов нельзя. При наличии в руде серы во время металлургических
процессов в газ переходят ее оксиды, которые при мокром способе очистки
образуют кислоты. В этом случае следует принимать меры по защите аппаратов и
газоходов от коррозии и обеспечивать нейтрализацию шламовых вод. При наличии в
составе пыли окислов кремния и аналогичных им соединений принимают меры по
защите аппаратов и газоходов от механического истирания [17].
Абразивность, т. е. истирающая способность пыли, зависит не только от ее
химического состава, но и от формы частиц, их размера и плотности.
Плотность пыли играет большую роль при очистке от нее газа. Чем больше
плотность частиц пыли, тем более полно они осаждаются в аппаратах,
предназначенных для очистки газа. Обычно ее определяют с помощью пикнометра
(небольшого стеклянного сосуда) по объему жидкости, вытесненной пылью, масса
которой известна. Вследствие вакуумирования пикнометра воздух, находящийся
между частицами пыли, удаляется. Частное от деления массы пыли на объем
жидкости, вытесненной пылью, представляет собой плотность пыли [18].
Динамический угол естественного откоса представляет угол между
горизонтальной плоскостью и образующей конуса, полученного при насыпании пробы
пыли на плоскость. Определяется с помощью прибора Меринга, усовершенствованного
Барановым. Величину динамического угла естественного откоса определяют по
угломерным шкалам, нанесенным на боковые стенки, образующие прямой
пространственный угол, в который засыпается исследуемая проба. Статический
угол, или угол обрушения, определялся с помощью прибора, представляющего
стеклянный прямоугольный сосуд, одна из стенок которого съемная. После
заполнения сосуда пылью съемная стенка осторожно удаляется, часть находящейся в
сосуде пыли высыпается. У оставшейся в сосуде пыли поверхность располагается
под некоторым углом к горизонтальной плоскости, который и является статическим
углом естественного откоса [19].
Смачиваемость пыли характеризует ее способность смачиваться водой. Чем
меньше размер частиц пыли, тем меньше их способность смачиваться. Смачиванию
препятствует газовая оболочка, образующаяся вокруг мелких частиц пыли. Чем
крупнее частицы пыли и чем округлее их форма, тем слабее силы, удерживающие
газовую оболочку вокруг поверхности частиц, и, следовательно, тем больше их
способность смачиваться. Смачиваемость пыли зависит и от ее химического
состава. Смоченные частицы лучше отделяются от газа в аппаратах газоочистки. Смачиваемость
определяется путем измерения доли смоченного и погрузившегося на дно сосуда
порошка, насыпанного тонким слоем на поверхность воды.
Пыли по смачиваемости разделяют на три группы: гидрофобные (плохо
смачиваемые, менее 30%), умеренно-смачиваемые (30 - 80%), гидрофильные (хорошо
смачиваемые, 80 - 100%). В зависимости от химического состава некоторые пыли
при смачивании водой схватываются (цементируются, затвердевают). Такие пыли при
оседании на стенки аппаратов и газоходов образуют трудно удаляемые отложения,
которые уменьшают расстояние для прохода газа и ухудшают условия газоочистки
[21].
Форма и структура частиц пыли. Пыль в аэрозолях состоит из частиц самой
разнообразной формы. Возгоны большей частью имеют шарообразную или сферическую
форму. Частицы, образованные в результате механического воздействия,
представляют собой мелкие осколки различной неправильной формы. Пыль,
образованная в процессе сжигания или плавления материала, наряду с частицами
неправильной формы содержит большое количество частиц с оплавленными краями. По
структуре пыль может быть аморфной, зернистой и волокнистой. К аморфной пыли
относят частицы округлой формы и возгоны, к волокнистой - частицы, образованные
в процессе текстильного производства.
Токсичность пыли. Чем мельче частицы пыли, тем больше их способность
проникать вместе с воздухом в органы дыхания человека и вызывать различные
заболевания. Токсичность пыли зависит от материала, из которого она образованна
[24].
Воспламеняемость и взрываемость пыли. Чем меньше размеры и пористее
структура частиц пыли, тем больше их удельная поверхность, выше физическая и
химическая активность пыли. Высокая химическая активность некоторых видов пыли
является причиной ее взаимодействия с кислородом воздуха. Окисление частиц пыли
сопровождается повышением температуры. Поэтому в местах скопления пыли возможны
ее самовоспламенение и взрыв. Ввиду большой удельной поверхности возгонов и
наличия в ряде случаев в их составе неокисленных металлов, углерода и серы
возгоны более склонны к самовозгоранию. Взрывоопасность пыли увеличивается с
уменьшением ее зольности и влажности.
Коагуляция (укрупнение) пыли - это способность ее мелких частиц слипаться
между собой и образовывать более крупные частицы. На скорость коагуляции влияют
запыленность газа, размер и форма частиц, вязкость, температура и скорость
газового потока, а также другие факторы, в частности колебание газа под
воздействием звуковых волн, электрические заряды частиц. Чем больше скорость
газа, тем выше его турбулентность и вероятность столкновения и укрупнения
частиц пыли, находящихся во взвешенном состоянии в газе. Частицы пыли разного
размера укрупняются лучше, чем частицы одинакового размера.
Коагуляция частиц пыли размером более 0,1 мкм происходит вследствие их
столкновения во время движения. Более мелкие частицы коагулируют в процессе
броуновского движения под действием молекулярных сил. Частицы пыли размером
более 5 - 10 мкм почти не коагулируют в газовом потоке. [22]
Дисперсность пыли - физическая величина, характеризующая размер взвешенных
частиц в дисперсных системах. Дисперсный состав газовзвеси является одним из
важнейших параметров, определяющих процесс сепарации частиц. Крупная пыль
лучше, чем мелкая, оседает из газового потока и может быть уловлена в аппарате
простейшего типа. Для очистки газа от мелкой пыли зачастую требуется не один, а
несколько аппаратов, установленных последовательно по ходу газа. Под
дисперсностью пыли понимают совокупность размеров всех составляющих ее частиц.
Доля частиц, размеры которых находятся в определенном интервале значений,
принятых в качестве верхнего и нижнего пределов, называют фракцией. В любых
технологических газах металлургического производства в зависимости от их
физико-химических характеристик содержится пыль разнообразного дисперсного
состава.
Дисперсность пыли определяется массовым содержанием частиц меньше
заданного размера в отобранной из потока пробе. Интегральная функция для частиц
с логарифмически-нормальным распределением представлена в табл. 1.4.:
Таблица 1.4 - Интегральная функция для частиц с логарифмически-нормальным
распределением
|
Х
|
-2,5
|
-2
|
-1,5
|
-1
|
-0,5
|
0
|
0,5
|
1
|
1,5
|
2
|
2,5
|
|
Ф (Х) %
|
0,62
|
2,28
|
6.68
|
15,87
|
30,85
|
50
|
69,15
|
84,13
|
93,32
|
97,72
|
99,38
|
Здесь
,
,
- медианный размер, меньше которого вес частиц
составляет 50% от веса пробы. Величина
является
показателем крупности мелкой части частиц, т. е. во сколько раз размер ячейки,
соответствующий двухпроцентной пробе, будет меньше размера ячейки,
соответствующего медианному значению.
Определим
количество частиц в 1 см3 при концентрации с = 1 г/м3 (10-6
кг/см3). Если рассмотреть монодисперсный газозоль с одинаковыми
частицами c плотностью 2 г/см3, то в зависимости от размера их
количество n будет определяться формулой
,
расстояние между частицами
, где
- масса, значения
и
представлены
в табл. 1.5.
Таблица 1.5 - Зависимость количества частиц от размера в 1 см3
|
Размер частицы, мкм
|
1
|
10
|
100
|
|
, шт.1061031
|
|
|
|
|
, см0,010,11
|
|
|
|
Следовательно, счетное количество мелких частиц в одном и том же объеме в
большинстве случаев оказывается большим, чем крупных, хотя их массовое количество
может составлять менее процента. [23].
Электрические свойства оказывают значительное влияние на поведение
пылевых частиц. Электрические силы во многом определяют процесс коагуляции,
устойчивость пылевых агрегатов, взрывоопасность пыли, ее воздействие на живые
организмы. Электрические свойства пыли должны быть учтены при решении вопросов,
связанных с очисткой газов (воздуха) от пыли, в первую очередь, с работой
электрофильтров. Данные об электрических свойствах улавливаемой пыли могут быть
использованы для оптимизации работы электрофильтров, эффективность и
устойчивость которых непосредственно зависит от этих свойств. С их учетом при
необходимости осуществляется предварительная подготовка (кондиционирование)
газов перед очисткой в электрофильтре.
Основные электрические свойства пыли - удельное электрическое
сопротивление и электрический заряд пыли.
Электрическое сопротивление пыли обусловлено поверхностной и объемной
проводимостью. Поверхностный слой пылинок по своим электрическим свойствам
отличается от основной массы вследствие того, что на поверхности адсорбируются
влага и газы. Поверхностная проводимость повышается, сопротивление понижается.
По мере повышения температуры происходит испарение влаги и сопротивление
возрастает. Затем, при дальнейшем повышении температуры до 90 - 180° С,
благодаря тепловому возбуждению электронов вещества, происходит уменьшение
сопротивления.
УЭС пыли зависит также от химического состава, размера и упаковки частиц.
Для определения УЭС применяют приборы: ИСП-1, «Циклоном-1» и др. Работа
прибора основана на измерении сопротивления слоя пыли, сформированного в зазоре
между измерительными электродами под действием электрического поля коронного
разряда.
Электрический заряд пыли. Пылевая, как и другая аэрозольная частица,
может иметь один или несколько электрических зарядов или быть нейтральной.
Аэрозольная система может иметь в своем составе частицы, заряженные
положительно, отрицательно, нейтральные. Соотношение этих частиц определяет
суммарный заряд системы. Электрическое состояние аэрозольной системы не
остается постоянным во времени. В результате взаимодействия друг с другом и с
окружающей средой взвешенные частицы получают заряд, отдают его,
нейтрализуются.
Электрические свойства пыли оказывают определенное воздействие на устойчивость
аэрозоля, а также на характер воздействия пылевых частиц на живой организм.
Известно также, что импульсом в процессе взрывообразования может быть заряд
статического электричества. Для отведения статического электричества
предусматривается заземление оборудования, трубопроводов.
По данным некоторых гигиенистов, пылевые частицы, имеющие электрический
заряд, в два раза интенсивнее задерживаются в дыхательных путях, чем
нейтральные [13].
2.Результаты
обследования существующих систем обезпыливания газов
Проведение обследования существующих пыле- и золоулавливающих агрегатов
прокалочных печей ОАО «РУСАЛ Новокузнецк» осуществлялось с целью проектирования
высокоэффективных систем очистки газов прокалочных печей.
Задачи:
1.Определить фракционный состав пыли для оценки эффективности
пылеулавливания инерционными пылеуловителями (циклон, батарейный циклон,
разгрузитель).
.Определить удельное электрическое сопротивление пыли для оценки
эффективности пылеулавливания электрофильтрами.
.Определить смачиваемость пыли для оценки эффективности пылеулавливания
мокрыми пылеуловителями.
.Определить слипаемость пыли для оценки эффективности пылеулавливания
рукавными фильтрами.
В энерготехнологическом комплексе для прокаливания нефтяного кокса «ОАО
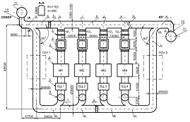
РУСАЛ Новокузнецк» установлено 4 прокалочных печи с котлами-утилизаторами для
прокалки нефтяного кокса, производительностью до 17,5 т/час по сырому коксу.
Энерготехнологическая схема комплекса для прокаливания нефтяного кокса
приведена в приложении 1. Схема газоходного тракта приведена в приложении 3. В
ходе проведения работ было проведено обследование прокалочных печей № 1 и № 3.
В качестве тягодутьевых машин используются дымососы: ДН-24/750 (печь № 1)
ДН-21/1000 (печь № 3). Очистка газов осуществляется в батарейном циклоне БЦ-250Р-64-64,
установленном до дымососа (работа под разрежением). Эффективность работы
батарейных циклонов около 17 - 43% . Количество газов на входе в установку
газоочистки - 90000 нм3/ч, температура газов - 230 - 2450° С. Состав
газов на входе в установку газоочистки при нормальных условиях: коксовая пыль,
зола и сажа - 1500 - 1700 мг/нм3; диоксид серы - 800 - 950 мг/нм3;
окислы азота - 80…100 мг/нм3; оксид углерода - 50…185 мг/нм3;
бенз(а)пирен - 0,01 мг/нм3; смолистые вещества - 0,9 - 1,1 мг/нм3,
влагосодержание - до 8000 мг/нм3. Плотность газов - 1,3 кг/нм3.
Насыпная плотность коксовой пыли - около 1 гр/см3; угол
естественного откоса - 34 град.
Значения основных параметров режима работы прокалочных печей приведены в
таблице 2.1. Схемы газоходных трактов прокалочных комплексов № 1 и № 3,
значения температуры и разрежения газов в них приведены в приложении 4.
Таблица 2.1 - Основные параметры режима работы прокалочных печей
|
Наименование параметра
|
Печь №
|
|
1
|
3
|
|
1 Расход сырого кокса в печь, т/ч 2 Расход мазута в печь,
л/ч 3 Температура в зоне прокаливания, 0С 4 Температура отходящих
из печи газов, 0С 5 Разрежение в печи, Па 6 Положение направляющих
аппаратов дымососа, % 7 Температура газов перед котлом-утилизатором, 0С
8 Расход вторичного воздуха в печь, м3/ч 9 Температура вторичного
воздуха в печь, 0С 10Прокаливаемый кокс
|
17,0 220 1240 707 87 90 1420 7860 136 ПНПЗ+ НКНПЗ+ ТуНПЗ
|
16,5 260 1255 703 84 98 1338 6170 94 ПНПЗ+ НКНПЗ+ ТуНПЗ
|
2.1Результаты
измерений запыленных газовых потоков
2.1.1Отбор
проб на входе в БЦ-250Р-64-64 печь № 1
Для определения фракционного состава золы-уноса был проведен отбор проб
запыленных газов методом внешней фильтрации по методу Василевского М.В.,
позволяющим определять дисперсный состав пыли: запыленные газы отбираются через
штуцер пробоотборника диаметром 20 мм, с размерами входного отверстия 20Ч10 мм,
поступают в пробоотборный циклон типа СК-ЦН-34 диаметром 90 мм, где пыль
улавливается и накапливается в пылеприемном бункере. Неподлежащие улавливанию
центробежными силами частицы поступают в рукавный фильтр. Давление/разрежение в
газоходах замерялось трубкой Пито-Прандтля, величина определялась по
U-образному жидкостному манометру. Температура газов определялась с помощью
термометра электронного ТМ 902С (номер DF 5292531). Масса уловленных частиц,
рукавных фильтров измерялась с помощью весов электронных AND HL-400 (номер
Н509002074). Разрежение в пробоотборной установке создавалось при помощи
воздуходувки LG В156, 16000 об/мин, 560 мм вод.ст при расходе 2,8 м3/мин,
мощность 0,6 кВт, заводской номер № 0407 46288. Отбор проб производился через
существующие технологические лючки на входе и выходе БЦ-250Р-64-64 печей № 1 и
№ 3.
Параметры запыленного потока на входе в БЦ-250Р-64-64 (печь № 1)
приведены в таблице 2.2.
Таблица 2.2 - Параметры запыленного потока на входе в БЦ-250Р-64-64
|
Измеряемые величины
|
Значение
|
|
Полный напор, мм. вод. ст.
|
-220
|
|
Динамический напор, мм. вод. ст.
|
+15
|
|
Статический напор, мм. вод. ст.
|
-235
|
|
Температура газа, 0С
|
260
|
|
Плотность газа, кг/м3
|
0,6658
|
|
Площадь газохода, м2
|
2,379
|
|
Скорость газа, м/с
|
21,013
|
|
Расход газа, м3/с
|
49,99
|
|
Расход газа, м3/час
|
179 969
|
Пояснения к определению параметров потока. Определим плотность газового
потока без учета атмосферного давления по формуле:
кг/м3,(2.1)
где
- плотность газового потока, кг/м3;
=1,3 кг/м3
- плотность газовой среды при 0 0С и 760 мм. рт. ст.;
=260 0С
- температура запыленных дымовых газов на входе в БЦ.
Определим
расход газового потока.
Динамический
напор
, (2.2)
где VЛ - скорость газов в газоходе, м/с.
Найдем линейную скорость газов в газоходе:
м/с.
Расход газов
(2.3)
м3/с
или
179,969 тыс. м3/час.
Параметры измеряемых величин в пробоотборной линии на входе в БЦ (печь №
1) приведены в таблице 2.3.
Таблица 2.3 - Параметры измеряемых величин в пробоотборной линии на входе
в БЦ (печь № 1)
|
Измеряемые величины
|
Значение
|
|
Аэродинамическое сопротивление циклона, мм. вод. ст.
|
70
|
|
Время проведения замеров, мин
|
50
|
|
Плотность отбираемого газа, кг/м3
|
0,6658
|
12,11
|
|
Объем отобранных газов, м3
|
17,8089
|
|
Масса фильтра до опыта, г
|
57
|
|
Масса фильтра после опыта, г
|
58,2
|
|
Привес фильтра, г
|
1,2
|
|
Масса уловленного пробоотборным циклоном материала, г
|
5
|
|
Массовая концентрация, г/м3
|
0,41
|
|
Эффективность циклона, %
|
|
Определим расход газового потока. Перепад на пробоотборном циклоне
(аэродинамическое сопротивление) составляет 70 мм. вод. ст., коэффициент
гидравлического сопротивления циклона 14,04, диаметр входного патрубка составляет
25 мм, площадь входа S = 0,00049 м2.
Таким образом, скорость газов во входном патрубке пробоотборного циклона
составляет
или
, (2.4)
м/с.
Количество отобранных газов, за время проведения опыта
м3,
м3.
Запыленность потока определим по формуле:
, (2.5)
где С - массовая концентрация пыли на входе в БЦ, г/м3;
МЦА - масса пыли, уловленной циклоном, г.;
МФ - масса пыли, уловленной фильтром, г.
г/м3,
Параметры запыленного потока на выходе из БЦ-250Р-64-64 (печь № 1)
приведены в таблице 2.4.
Таблица 2.4 - Параметры запыленного потока на выходе из БЦ-250Р-64-64
(печь № 1)
|
Измеряемые величины
|
Значение
|
|
Полный напор, мм. вод. ст.
|
- 430
|
|
Динамический напор, мм. вод. ст.
|
+ 20
|
|
Статический напор, мм. вод. ст.
|
- 450
|
|
Температура газа, 0С
|
240
|
|
Плотность газа, кг/м3
|
0,6918
|
|
Площадь газохода, м2
|
2,4397
|
|
Скорость газа, м/с
|
23,804
|
|
Расход газа, м3/с
|
58,074
|
|
Расход газа, м3/час
|
209 069
|
Определим плотность газового потока без учета атмосферного давления по
формуле:
кг/м3
, (2.6)
где
- плотность газового потока, кг/м3;
=1,3 кг/м3 - плотность газовой среды при 00С
и 760 мм. рт. ст.;
=2400 С - температура запыленных дымовых
газов на выходе из БЦ.
Определим
расход газового потока.
Динамический
напор
,(2.7)
где VЛ - скорость газов в газоходе, м/с.
Найдем линейную скорость газов в газоходе:
,(2.8)
м/с.
Расход газов
м3/с,
м3/с,
или
209,069 тыс. м3/час.
.1.2Отбор
проб на входе в БЦ-250Р-64-64 печь № 3
Параметры запыленного потока на входе в БЦ-250Р-64-64 (печь № 3)
приведены в таблице 2.5.
Таблица 2.5 - Параметры запыленного потока на входе в БЦ-250Р-64-64 (печь
№ 3)
|
Измеряемые величиныЗначение
|
|
|
Полный напор, мм. вод. ст.
|
-150
|
|
Динамический напор, мм. вод. ст.
|
+ 15
|
|
Статический напор, мм. вод. ст.
|
- 165
|
|
Температура газа, 0С
|
263
|
|
Плотность газа, кг/м3
|
0,6621
|
|
Площадь газохода, м2
|
2,379
|
|
Скорость газа, м/с
|
21,072
|
|
Расход газа, м3/с
|
50,13
|
|
Расход газа, м3/час
|
180 471
|
Пояснения к определению параметров потока
Определим плотность газового потока без учета атмосферного давления по
формуле:
,(2.9)
где
- плотность газового потока, кг/м3;
=1,3 кг/м3
- плотность газовой среды при 0 0С и 760 мм. рт. ст.;
=263 0С
- температура запыленных дымовых газов на входе в БЦ.
кг/м3.
Определим расход газового потока.
Динамический напор
,(2.10)
где VЛ - скорость газов в газоходе, м/с.
Из (2.8) найдем линейную скорость газов в газоходе:
м/с.
Расход
газов
(2.11)
м3/с
или 180,471 тыс. м3/час.
Параметры измеряемых величин в пробоотборной линии на входе в БЦ (печь №
3) приведены в таблице 2.6.
Таблица 2.6 - Параметры измеряемых величин в пробоотборной линии на входе
в БЦ (печь № 3)
|
Измеряемые величины
|
Значение
|
|
Аэродинамическое сопротивление циклона, мм. вод. ст.
|
100
|
|
Время проведения замеров, мин
|
60
|
|
Плотность отбираемого газа, кг/м3
|
0,6621
|
|
Скорость газа, м/с
|
14,52
|
|
Объем отобранных газов, м3
|
25,614
|
|
Масса фильтра до опыта, г
|
62,6
|
|
Масса фильтра после опыта, г
|
63,7
|
|
Привес фильтра, г
|
1,1
|
|
Масса уловленного пробоотборным циклоном материала, г
|
4,1
|
|
Массовая концентрация, г/м3
|
0,203
|
|
Эффективность циклона, %
|
|
Определим расход газового потока.
Перепад на пробоотборном циклоне (аэродинамическое сопротивление)
составляет 100 мм. вод. ст., коэффициент гидравлического сопротивления циклона
14,04, диаметр входного патрубка составляет 25 мм, площадь входа S=0,00049 м2.
Таким образом, скорость газов во входном патрубке пробоотборного циклона
составляет
,(2.12)
или
(2.13)
м/с.
Количество отобранных газов, за время проведения опыта
,
м3.
Запыленность потока определим по формуле:
,(2.14)
где С - массовая концентрация пыли на входе в БЦ, г/м3 ;
МЦА - масса пыли, уловленной циклоном, г.;
МФ - масса пыли, уловленной фильтром, г.
г/м3,
2.1.2Отбор
проб на выходе из БЦ-250Р-64-64 (печь № 3)
Параметры запыленного потока на выходе из БЦ-250Р-64-64 (печь № 3)
приведены в таблице 2.7.
Таблица 2.7 - Параметры запыленного потока на выходе из БЦ-250Р-64-64
(печь № 3)
|
Измеряемые величины
|
Значение
|
|
Полный напор, мм. вод. ст.
|
- 301
|
|
Динамический напор, мм. вод. ст.
|
+ 14
|
|
Статический напор, мм. вод. ст.
|
- 315
|
|
Температура газа, 0С
|
252
|
|
Плотность газа, кг/м3
|
0,676
|
|
Площадь газохода, м2
|
2,4397
|
|
Скорость газа, м/с
|
20,14
|
|
Расход газа, м3/с
|
49,15
|
|
Расход газа, м3/час
|
176 952
|
Пояснения к определению параметров потока
Определим плотность газового потока без учета атмосферного давления по
формуле:
,(2.15)
где
- плотность газового потока, кг/м3;
= 1,3 кг/м3 - плотность газовой среды при
0° С и 760 мм. рт. ст.;
= 2520 С - температура запыленных дымовых
газов на входе в БЦ.
кг/м3.
Определим расход газового потока.
Динамический напор
,(2.16)
где VЛ - скорость газов в газоходе, м/с.
Найдем линейную скорость газов в газоходе:
,
м/с.
Расход газов
,
м3/с,
или 176,952 тыс. м3/час.
Параметры измеряемых величин в пробоотборной линии на выходе из БЦ (печь
№ 3) приведены в таблице 2.8.
Таблица 2.8 - Параметры измеряемых величин в пробоотборной линии на
выходе из БЦ (печь № 3)
|
Измеряемые величины
|
Значение
|
|
Аэродинамическое сопротивление циклона, мм. вод. ст.
|
60
|
|
Время проведения замеров, мин
|
90
|
|
Плотность отбираемого газа, кг/м3
|
0,676
|
|
Скорость газа, м/с
|
11,131
|
|
Объем отобранных газов, м3
|
29,45
|
|
Масса фильтра до опыта, г
|
59
|
|
Масса фильтра после опыта, г
|
60,3
|
|
Привес фильтра, г
|
1,3
|
|
Масса уловленного пробоотборным циклоном материала, г
|
0,9
|
|
Массовая концентрация, г/м3
|
0,074
|
|
Эффективность циклона, %
|
|
Определим расход газового потока.
Перепад на пробоотборном циклоне (аэродинамическое сопротивление)
составляет 60 мм вод. ст., коэффициент гидравлического сопротивления циклона
14,04, диаметр входного патрубка составляет 25 мм, площадь входа S=0,00049 м2.
Таким образом, скорость газов во входном патрубке пробоотборного циклона
составляет
,(2.16)
или
,(2.17)
м/с.
Количество отобранных газов, за время проведения опыта
,(2.18)
м3.
Запыленность потока определим по формуле:
(2.19)
где С - массовая концентрация пыли на выходе из БЦ, г/м3
МЦА - масса пыли, уловленной циклоном, г.
МФ - масса пыли, уловленной фильтром, г.
г/м3.
Аэродинамические параметры БЦ-250Р-64-64
Гидравлическое сопротивление БЦ 3:
,(2.20)
мм. вод.
ст.
Гидравлическое сопротивление БЦ 1:
мм вод.
ст.
Разрежение на входе в БЦ 3: - 150 мм вод. ст.
Разрежение на выходе из БЦ 3: - 301 мм вод. ст.
Разрежение в бункере БЦ 3: - 190 мм вод. ст.
Разрежение под форм-бункером БЦ 3: - 50 мм вод. ст.
Перепад м/ду бункером БЦ 3 и дымососом: 301 - 190 = 111 мм вод. ст.
.2
Физико-химические свойства коксовой пыли
.2.1Определение
фракционного состава коксовой пыли
С целью разработки перспективных инерционных пылеуловителей с максимально
возможной эффективностью был определен фракционный состав золы-уноса
прокалочных печей. Анализировалась зола, уловленная пробоотборным циклоном при
отборе проб от БЦ № 3.
Определение фракционного состава частиц проводилось методом лазерной
дифракции с использованием анализатора размера частиц (АРЧ) «Mastersizer 2000».
В качестве размера частицы применялся объемный диаметр - это диаметр сферы, равной объему
частицы. Результаты измерений фракционного состава уловленной коксовой пыли
приведены в таблице 2.9. В столбце 2 таблицы 2.9 приведена весовая доля фракции
пыли размером менее 0,5 мкм в процентах от суммарного веса всех остальных
фракций.
Таблица 2.9 - Фракционный состав уловленной коксовой пыли
|
Расчетные параметры
|
Размер частиц, мкм
|
|
<0,5
|
0,5-10
|
10-20
|
20-30
|
30-60
|
60-90
|
>90
|
|
Фракционный состав уловленной пробоотборным циклоном золы,
уносимой дымовыми газами из печи, , % (по протоколу измерений АРЧ, до
БЦ 1)
|
19,36
|
6
|
12
|
16
|
32
|
18
|
16
|
|
Фракционный состав уловленной пробоотборным циклоном золы,
уносимой дымовыми газами из печи, , % (по протоколу измерений АРЧ, до
БЦ 3)
|
21,16
|
9
|
23
|
20
|
33
|
10
|
5
|
|
Фракционный состав уловленной пробоотборным циклоном золы,
уносимой дымовыми газами из БЦ 3 (по протоколу измерений АРЧ), , %
|
59,1
|
17
|
18
|
18
|
31
|
12
|
4
|
|
Фракционный состав золы, уловленный БЦ 3
|
|
1
|
2
|
1
|
14
|
24
|
58
|
Анализ полученного фракционного состава коксовой пыли показал, что данная
пыль имеет нормальное вероятностно-логарифмическое распределение частиц по
размерам, характерное для промышленной пыли. Однако наличие фракции менее 0,5
мкм (до 20%), неулавливаемой в циклонном аппарате, переводит ее в разряд
нетипичной пыли. Для дальнейших оценок эффективности циклонных пылеуловителей в
расчетах принимаем характеристики пыли с нормальным интегрально-логарифмическим
распределением частиц по размерам с поправкой на наличие неулавливаемой
циклонами фракции в 20%. Полученные характеристики фракционного состава
коксовой пыли представлены в таблице 2.10.
Таблица 2.10 - Характеристика фракционного состава коксовой пыли
|
Расчетные параметры
|
Размер частиц, мкм
|
|
<0,5
|
0,5-10
|
10-20
|
20-30
|
30-60
|
60-90
|
>90
|
|
1
|
2
|
3
|
4
|
5
|
6
|
7
|
8
|
|
Фракционный состав уловленной пробоотборным циклоном золы,
уносимой дымовыми газами из печи, , % (по протоколу измерений АРЧ, до
БЦ 1)19,36
|
6
|
12
|
16
|
32
|
18
|
16
|
|
|
Характеристика пыли на входе в БЦ 1
|
19,36
|
40 мкм,
|
|
Фракционный состав уловленной пробоотборным циклоном золы,
уносимой дымовыми газами из печи, , % (по протоколу измерений АРЧ, до
БЦ 3)21,16
|
9
|
23
|
20
|
33
|
10
|
5
|
|
|
Характеристика пыли на входе в БЦ 3
|
21,16
|
25 мкм,
|
*В расчетах принимается, что циклон улавливает частицы выше 0.5 мкм с
эффективностью 100 %.
Здесь
- дисперсия частиц в функции распределения
парциальных коэффициентов очистки, где
,
,
- размер
частиц, улавливаемый с эффективностью 84.1, 50 и 16% соответственно.
-
дисперсионный состав пыли, где
,
,
-
диаметр частиц, для которых суммарный вес всех частиц, имеющих размер меньше
,
и
, составляет соответственно 84.1, 50 и 16% от общего
веса пыли.
Определение
величины избыточного газа, пропускаемого через БЦ
Гидравлическое
сопротивление
.(2.21)
Гидравлическое сопротивление БЦ 1 составляет
430 -
220 = 210 мм. вод. cт.
Гидравлическое сопротивление определяем из формулы (2.13) [12]:
,(2.22)
где
=110 - коэффициент гидравлического сопротивления
циклонного элемента, табл. 2.14 [1].
= 0,676
- плотность газового потока, кг/м3;
= 4,5 -
оптимальная плановая скорость в циклонном элементе, м/сек.
При
плановой скорости в циклонном элементе на уровне 4,5 м/с, гидравлическое
сопротивление БЦ составляет 800 Па. Найдем плановую скорость в циклонном
элементе при гидравлическом сопротивлении в 2100 Па.
,(2.23)
м/с.
Найдем избыточное количество газов, пропускаемых через БЦ 1.
, (2.24)
где
- избыточное количество газов, тыс. м3/час;=
0,049 - площадь циклонного элемента, м2;
= 7,515
- 4,5 = 3,015 - разность плановых скоростей между реализуемой и оптимальной.
тыс. м3/час.
Определение величины избыточного газа, пропускаемого через БЦ 3
Гидравлическое сопротивление БЦ 3 составляет
,(2.25)
мм. вод.
ст.
Найдем плановую скорость в циклонном элементе при гидравлическом
сопротивлении в 1510 Па.
,(2.26)
м/с.
Найдем избыточное количество газов, пропускаемых через БЦ 1.
,(2.27)
где
- избыточное количество газов, тыс. м3/час;=
0,049 - площадь циклонного элемента, м2;
= 6,372
- 4,5 = 1,872 - разность плановых скоростей между реализуемой и оптимальной.
тыс. м3/час.
По результатам исследования можно сделать следующий вывод:
Гидравлическое сопротивление БЦ 1 (нагрузка 100%) составляет 2100 Па, БЦ
3 - 1510 Па, что превышает паспортные значения в 800 Па. Повышенное
сопротивление вызвано чрезмерно большим количеством газов, пропускаемых через
батарейные циклоны, по сравнению с рекомендованными в паспорте. Для снижения
гидравлического сопротивления рекомендуется дополнительно установить на каждый
БЦ пылеуловитель, производительностью не менее 70 000 м3/час.
Повышения эффективности пылеулавливания при этом не произойдет.
Возможно доведение эффективности пылеулавливания БЦ до 76%. Это возможно
в случае перевода БЦ из режима пылеулавливания в режим пылеконцентрирования.
Для этого необходимо часть газов из бункера БЦ отвести в выносной
пылеуловитель, очищенные газы из которого замкнуть на вход дымососа. При
использовании пылеуловителя с гидравлическим сопротивлением не более 1000…1200
Па, установка дополнительного дымососа не потребуется. Вариант модернизации
батарейного циклона БЦ-250Р-64-64 представлен на рисунке 1. Модернизация
батарейного циклона БЦ-250Р-64-64 по предложенной схеме (рис. 4.1) позволит
снизить общее гидравлическое сопротивление, повысит эффективность
пылеулавливания до 76%, снизит удельную пылевую нагрузку на вторую ступень
пылеулавливания.
В качестве второй ступени улавливания возможно применение скруббера
Вентури.
Проведенные исследования и практика эксплуатации электрофильтров на ряде
производств показали, что нормальная работа электрофильтров обеспечивается лишь
в определенной области УЭС: 104-107 Ом×м. При УЭС пыли более 109
Ом×м и менее 102 Ом×м очистка газов от пыли в
электрофильтрах неэффективна [12].
Были проведены исследования УЭС коксовой пыли в диапазоне температур
20…300° С при влажности газов, соответствующей точке росы t = 20° С
(влагосодержание 17,3 г/м3).
Зависимость УЭС от температуры определялась в стационарной лабораторной
установке по методике ГОСТ Р МЭК 61241-2-2-99 с использованием мегомметра
HDT-2061, заводской номер HD 4019423.
Результаты исследования показали, что УЭС пыли изменяется в области 103
Ом×м, не имеет характерного для
промышленных пылей экстремума.
По результатам исследования можно сделать следующий вывод:
Пыль относится к классу среднеомных пылей, УЭС которых находится в нижней
предельной области значений, обеспечивающих электрическую очистку газов.
Благодаря большому содержанию частиц менее 1 мкм, в т. ч. сажных частиц,
невозможно эффективное улавливание пыли в электрофильтре.
.2.3Определение
смачиваемости коксовой пыли
Смачиваемость пыли характеризует ее способность смачиваться водой. Чем
меньше размер частиц пыли, тем меньше их способность смачиваться. Смачиванию
препятствует газовая оболочка, образующаяся вокруг мелких частиц пыли. Чем
крупнее частицы пыли и чем округлее их форма, тем слабее силы, удерживающие
газовую оболочку вокруг поверхности частиц, и, следовательно, тем больше их
способность смачиваться. Смачиваемость пыли зависит и от ее химического
состава. Смоченные частицы лучше отделяются от газа в мокрых аппаратах
газоочистки. Смачиваемость определяется путем измерения доли смоченного и
погрузившегося на дно сосуда порошка, насыпанного тонким слоем на поверхность
воды.
Пыли по смачиваемости разделяют на три группы: гидрофобные (плохо
смачиваемые, менее 30%), умеренно-смачиваемые (30-80%), гидрофильные (хорошо
смачиваемые, 80-100%). В зависимости от химического состава некоторые пыли при
смачивании водой схватываются (цементируются, затвердевают). Такие пыли при
оседании на стенках аппаратов и газоходов образуют трудно удаляемые отложения.
Определение смачиваемости коксовой пыли было проведено аналогично
методике приведенной в [12]. Доля смачиваемой пыли, уловленной БЦ, составляет
не менее 95%. Доля смачиваемой пыли, уловленной пробоотборным циклоном,
уносимой дымовыми газами из печи, поступающей на вход БЦ 3, составляет не менее
90%. Представленная коксовая пыль относится к хорошо смачиваемой пыли.
По результатам исследования можно сделать следующие выводы:
Коксовая пыль относится к хорошо смачиваемой пыли.
При смачивании не образует трудноудаляемых отложении.
Коксовая пыль может эффективно улавливаться в аппаратах мокрой очистки
газов, также дополнительно будут улавливаться окислы серы, смолы (с последующей
нейтрализаций стоков).
Благодаря большому содержанию частиц менее 1 мкм, эффективное улавливание
пыли может осуществляться только в аппаратах типа скруббер с трубой Вентури, со
скоростями в трубе не менее 60…80 м/с.
.2.4Определение
слипаемости коксовой пыли
Коагуляция (укрупнение) пыли - это способность ее мелких частиц слипаться
между собой и образовывать более крупные частицы. На скорость коагуляции влияют
запыленность газа, размер и форма частиц, вязкость, температура и скорость
газового потока, а также другие факторы, в частности колебание газа под
воздействием звуковых волн, электрические заряды частиц. Чем больше скорость
газа, тем выше его турбулентность и вероятность столкновения и укрупнения
частиц пыли, находящихся во взвешенном состоянии в газе. Частицы пыли разного
размера укрупняются лучше, чем частицы одинакового размера.
Коагуляция частиц пыли размером более 0,1 мкм происходит вследствие их
столкновения во время движения. Более мелкие частицы коагулируют в процессе
броуновского движения под действием молекулярных сил. Частицы пыли размером
более 5-10 мкм почти не коагулируют в газовом потоке.
Определение слипаемости коксовой пыли было проведено по методике НИ ТПУ
[12].
По результатам исследования можно сделать следующие выводы:
Коксовая пыль, уловленная БЦ, относится к неслипающейся. Пыль, уловленная
пробоотборным циклоном, уносимая дымовыми газами из печи, поступающая на вход
БЦ 3, слабослипающаяся. Существует вероятность, что исходная коксовая пыль
сильнослипающаяся, поскольку содержит более 20% субмикронных частиц, имеет
большую относительную влажность газа, содержит смолистые вещества. В этих
условиях пыль может образовывать отложения на стенках циклонов, ткани рукавных
фильтров.
Опыт фильтрации газа через тканевый фильтр (фланель) при температурах
50…60° С показал, что на ткани фильтра образуются маслянистые отложения смолы,
содержащийся в газах, на которые осаждаются сажные частицы, что приводит к
замазыванию внутренней поверхности фильтра, повышению его гидравлического
сопротивления, усложнению регенерации ткани.
Для улавливания пыли рукавными фильтрами может быть рекомендовано
предварительное выделение смолистых веществ из потока, путем охлаждения газа в
поверхностных теплообменниках до температуры ниже точки росы, и улавливания
капель воды и смол в центробежном каплеуловителе (с последующей нейтрализацией
стоков). Данный метод не позволяет полностью удалить смолы из газов, остается
вероятность частичного отложения смол в фильтре. Поэтому, необходимо точное
определение температуры начала и конца кипения фракций углеводородов,
содержащихся в газе, с определением оптимальной температуры ведения процесса
очистки газов в рукавном фильтре без конденсации смол на его поверхности.
Данная рекомендация требует натурных испытаний и проверки в реальных условиях
эксплуатации, осложняется низкими температурами эксплуатации высокоэффективных
рукавных фильтров (около 100° С).
Выводы
1
Существующая низкая эффективность БЦ-250Р-64-64 объясняется наличием большого
содержания мелких частиц в коксовой пыли. Характеристики коксовой пыли:
медианный размер
25 мкм, дисперсия
.
Массовое содержание частиц менее 0,5мкм составляет 21,16%.
.
Работа БЦ характеризуется повышенным гидравлическим сопротивлением, объясняемым
чрезмерно большим количеством подаваемых на очистку газов. Для снижения
гидравлического сопротивления батарейных циклонов рекомендуется дополнительно
установить на каждый БЦ пылеуловитель, производительностью не менее 70 000 м3/час.
Повышения эффективности пылеулавливания при этом не произойдет.
Доведение
эффективности пылеулавливания БЦ до 76% возможно при переводе БЦ из режима
пылеулавливания в режим пылеконцентрирования. Для этого необходимо часть газов
из бункера БЦ отвести в выносной пылеуловитель. Вариант модернизации
батарейного циклона БЦ-250Р-64-64 представлен на рисунке 3.1. Модернизации
батарейного циклона БЦ-250Р-64-64 по предложенной схеме позволит снизить общее
гидравлическое сопротивление, повысит эффективность пылеулавливания до 76%,
снизит удельную пылевую нагрузку на вторую ступень пылеулавливания.
Коксовая
пыль относится к классу среднеомных пылей. В очищаемых газах содержится большое
количество влаги, газов (сернистый ангидрид), сажи. Наличие вышеперечисленных
факторов (низкое УЭС, большое содержание пыли меньше 1 мкм) обуславливает
низкую эффективность очистки газов в электрофильтре.
Коксовая
пыль относится к хорошо смачиваемой пыли. При смачивании не образует
трудноудаляемых отложении. Благодаря большому содержанию частиц менее 1 мкм, высокоэффективное
улавливание пыли может осуществляться только в аппаратах типа скруббер с трубой
Вентури, со скоростями в трубе не менее 60…80 м/с.
Коксовая
пыль, уловленная пробоотборным циклоном, относится к слабослипающейся.
Существует вероятность, что исходная коксовая пыль сильнослипающаяся, поскольку
содержит более 20% субмикронных частиц, имеет большую относительную влажность
газа, содержит смолистые вещества. Благодаря содержанию смолы в газе, возможно
затруднение регенерации рукавных фильтров. Для улавливания пыли рукавными
фильтрами может быть рекомендовано предварительное выделение смолистых веществ
из потока, путем охлаждения газа в поверхностных теплообменниках и улавливания
капель воды и смол в центробежном каплеуловителе (с последующей нейтрализацией
стоков). Данный метод не позволяет полностью удалить смолы из газов, остается
вероятность частичного отложения смол в фильтре. Поэтому, необходимо точное
определение температуры начала и конца кипения фракций углеводородов,
содержащихся в газе, с определением оптимальной температуры ведения процесса
очистки газов в рукавном фильтре без конденсации смол на его поверхности.
Данная рекомендация требует натурных испытаний и проверки в реальных условиях
эксплуатации, осложняется низкими температурами эксплуатации высокоэффективных
рукавных фильтров (около 100° С) [13].
3. Расчет
параметров пылеулавливания основного оборудования
.1Модернизации
газоочистного оборудования
При модернизации газоочистного оборудования прокалочных печей «ОАО РУСАЛ
Новокузнецк» с целью повышения эффективности пылеулавливания принята
двухступенчатая система улавливания коксовой пыли.
Для
проведения оценки работы существующего пылеуловителя был проведен отбор проб
уловленной пыли. Микроскопический анализ проб золы, проведенный в лаборатории
«Центра лабораторного анализа и технических измерений по Кемеровской области»
(ЦЛАТИ) показал, что 80% всей пыли имеют следующие характеристики:
25 мкм,
. Пыль
хорошо смачиваемая, слабослипающаяся. Удельное электрическое сопротивление пыли
находится в нижней предельной области значений, обеспечивающих электрическую
очистку газов.
Остальные
20% пыли представляют собой частицы с размером менее 1 мкм и представлены, в
основном, сажными частицами. Очистка газов от сажных частиц в электрофильтре не
осуществляется.
Для
повышения эффективности работы существующей газоочистки предлагается
осуществить вторую ступень пылеулавливания - скруббер с трубой Вентури.
С
целью повышения количества улавливания сухой коксовой пыли и снижения затрат на
ее подсушку для дальнейшего использования предлагается осуществить разгрузку
потока от основной массы пыли в инерционном сухом пылеуловителе. Существующие
пылеуловители батарейные циклоны БЦ-250Р-64-64 обладают эффективностью, не
превышающей 40%. Предлагается осуществить модернизацию существующего
батарейного циклона.
Вариант
модернизации батарейного циклона БЦ-250Р-64-64 представлен на рисунке 3.1.
Модернизация батарейного циклона БЦ-250Р-64-64 по предложенной схеме позволит
снизить общее гидравлическое сопротивление, повысит эффективность
пылеулавливания до 76%, снизит удельную пылевую нагрузку на вторую ступень
пылеулавливания.
- батарейный циклон БЦ-250Р-64-64, 2 - пылеуловитель КПЗУ, конструкции
ООО «Томскгазоочистка»
Рисунок 3.1 - Вариант модернизации батарейного циклона с использованием
КПЗУ
КПЗУ (рис. 3.2) представляет собой трехступенчатую систему очистки,
включающую в себя: разгрузитель-пылеконцентратор, конический пылеконцентратор,
выносные циклоны.

- разгрузитель-пылеконцентратор, 2 - выносной циклон
разгрузителя-пылеконцентратора, 3 - конический пылеконцентратор, 4 - выносной
циклон конического пылеконцентратор.
Рисунок 3.2 - Принципиальная схема комплекса пыле- изолоулавливания
(КПЗУ)
Первая ступень пылеуловителя, представляет собой
разгрузитель-пылеконцентратор (1). Часть пыли из разгрузителя-пылеконцентратора
с газом отводится в выносной циклон по типу ЦН-11 или СК-ЦН-34М (2),
представляющий собой вторую ступень очистки. Затем дымовые газы из
разгрузителя-пылеконцентратора поступают в третью ступень очистки,
представленную коническим пылеконцентратором (3), также снабженным выносным
циклоном по типу ЦН-11 или СК-ЦН-34М (4). Очищенные газы поступают в общий
раскручиватель дымовых газов или сразу же в дымосос. Уловленные в пылеуловителе
частицы поступают в стандартный гидрозатвор или пылевой затвор конструкции ООО
«Томскгазоочистка». В последнем случае, сброс уловленных зольных частиц может
осуществляться в бункер, на ленту, либо в шнек.
.2Определение
эффективности пылеулавливания первой ступени - БЦ-250Р-64-64 после модернизации
Общая эффективность пылеулавливания механической схемы, представленной на
рисунке 3.2, определяется выражением:
,(3.1)
где
и
- кпд
БЦ-250Р-64-64 и кпд КПЗУ соответственно.
Характеристики
циклонных элементов БЦ-250Р-64-64 диаметром 250 мм [1]:
3,85 мкм,
0,46.
Дисперсия
частиц в функции распределения парциальных коэффициентов очистки
,(3.2)
где
,
,
- размер частиц, улавливаемый с эффективностью 84.1,
50 и 16% соответственно.
Дисперсионный
состав пыли
,
где
,
,
- диаметр частиц, для которых суммарный вес
составляет соответственно 84.1, 50 и 16% от общего веса пыли.
.2.1Определение
эффективности циклонных элементов БЦ-250Р-64-64
Эффективность
БЦ является функцией интеграла вероятности и может быть записана в общем виде
, где
(3.3)
Зная характеристики пылеулавливания циклонных элементов БЦ-250Р-64-64
[12], подставим полученные значения в выражение аргумента функции интеграла
вероятности и определим теоретическую эффективность пылеулавливания коксовой
пыли циклонными элементами БЦ-250Р-64-64.
,(3.4)
*
*В расчетах принималось наихудшее значения фракционного состава пыли для
БЦ 3.
Значение выражения 1,36 соответствует эффективности улавливания 91%.
Одной из характеристик циклонных элементов является повышение эффективности
пылеулавливания, при отводе части газов через пылевыводное отверстие в выносной
пылеуловитель (режим пылеконцентрирования). Степень повышения эффективности
зависит от количества отводимых газов и дисперсного состава пыли, определяется
в результате натурных испытаний.
Для циклонных элементов БЦ-250Р-64-64 примем размер частиц, улавливаемых
на 50% при отводе части газа через пылевыводные отверстия на уровне 2 мкм.
Тогда эффективность БЦ с отсосом составит
,(3.5)
.
Значение выражения Х0 = 1.84 соответствует эффективности
пылеулавливания 96% [12]. Делая поправку на наличие неулавливаемой циклонами
фракции пыли в 20%, получим конечную эффективность пылеулавливания равную
hБЦ = 96 - 20
= 76%.
.2.2Определение
эффективности пылеуловителя КПЗУ
КПЗУ,
конструкции ООО «Томскгазоочистка», имеет следующие характеристики:
гидравлическое сопротивление 1500 Па,
мкм,
,
, где
- размер частиц, улавливаемых с эффективностью 50%,
- дисперсия частиц в функции распределения
парциальных коэффициентов очистки.
Общая
эффективность обеспыливания КПЗУ [17] аппроксимируется
интегрально-вероятностной кривой от аргумента X
,(3.6)
,
где
- дисперсионный состав пыли, где
,
,
- диаметр частиц, для которых суммарный вес всех
частиц, имеющих размер меньше
,
и
,
составляет соответственно 84.1, 50 и 16% от общего веса пыли.
Этому
значению X соответствует значение Ф(x) = 91,62%, т. е.
.
Так
как газовые потоки от БЦ-250Р-64-64 и КПЗУ суммируются, итоговая эффективность
пылеулавливания первой ступени после модернизации составит
,(3.7)
.
.3 Инженерное
оборудование
.3.1Расчет
выносного пылеуловителя
Проведем расчет выносного пылеуловителя батарейного циклона
БЦ-250Р-64-64. В качестве выносного пылеуловителя примем пылеуловитель КПЗУ-70,
производительностью 70000 м3/час.
Запыленные дымовые газы поступают в вихревой разгрузитель, где происходит
разгрузка потока от крупных частиц. Предварительно очищенный поток поступает в
циклонный пылеконцентратор на доочистку. Здесь происходит концентрация основной
массы пыли в небольшом объеме, окончательное выделение пыли из потока
осуществляется в высокоэффективных одиночных циклонах по типу ЦН-11.
3.3.1.1Техническое
обоснование выбора типоразмера вихревого разгрузителя (ВР).
Для
ВР оптимальная скорость газа на входе по рекомендации [13] составляет
= 21 м/сек.
Количество
газов поступающих на очистку составляет 70000 м3/час или 19,44 м3/с.
Необходимая площадь прямоугольного входного сечения КР одной секции
пылеуловителя
составляет:
,(3.8)
м2;
где
- объемный расход запыленных дымовых газов, м3/с
Принимаем
ширину прямоугольного входа и ширину ВР 1500 мм, тогда высота прямоугольного
входа b=600 мм.
3.3.1.2Техническое
обоснование выбора типоразмера циклонного пылеконцентратора
Плановую скорость в пылеконцентраторе принимаем равной 4 м/с. Тогда
площадь пылеконцентратора равна:
19,44/4=4,86 м2 ,
диаметр пылеконцентратора равен 2500 мм.
Гидравлическое
сопротивление установки
определяем по формуле
.(3.9)
Вихревой разгрузитель обладает повышенной транспортной способностью
потока и его гидравлическое сопротивление не превышает 500 Па.
Гидравлическое
сопротивление циклонного пылеконцентратора
определяем
по формуле:
,(3.10)
где
- коэффициент гидравлического сопротивления. По
экспериментальным данным, его величина, отнесенная к сечению входного патрубка,
составляет
=17-18;
=12 -
скорость во входном патрубке, м/сек;
-
плотность газового потока, кг/м3.
,(3.11)
кг/м3.
где
=1,3 кг/м3 - плотность газовой среды при 0°
С и 760 мм. рт. ст.;
=745 мм.
рт. ст. - барометрическое давление;
=13,4 мм.
рт. ст. - разрежение на входе в газоочистку;
=260° С -
температура запыленных дымовых газов на входе в газоочистку.
,(3.12)
Па.
Следовательно,
гидравлическое сопротивление установки
составляет
Па.
Для более устойчивой работы установки и улучшения ее работы примем
уровень отвода запыленных газов в выносные циклоны на уровне 20%.
3.3.1.3Техническое
обоснование выбора типоразмера циклона
Для циклонов типа ЦН-11 оптимальная плановая скорость газа по рекомендации
[13] составляет w = 3,5 м/сек.
Необходимая
площадь сечения циклона
, при условии, что через выносной циклон проходит не
более 20% от всего количества дымовых газов, составляет:
,(3.13)
м2.
Тогда
диаметр циклона
м в количестве 2 шт.
Для
циклонного аппарата оптимальная скорость газа на входе по рекомендации [13]
составляет
= 16,5 м/сек.
Отвод
уловленного пылеконцентрата из циклонного пылеконцентратора через выносной
циклонный аппарат осуществляется за счет создаваемого между выхлопным и
пылевыводным патрубками перепада давления. Установка специального вентилятора
для отсоса пылевого концентрата через выносные циклоны не требуется.
Расчетное
гидравлическое сопротивление первой ступени газоочистки составляет около 1300
Па.
.3.2Определим
эффективность пылеулавливания второй ступени - скруббера с трубой Вентури
В качестве второй ступени газоочистки, предназначенной для улавливания
тонкой золы, выбираем скруббер с трубой Вентури. Единственный процесс очистки
дымовых газов от серы, прошедшим все проверки и оказавшимся надежным, признан
процесс орошения отходящих газов известковым молоком. Выходящие из топки газы
пропускаются через разболтанную смесь известняка и извести с водой. Двуокись
серы поглощается этой смесью и реагирует с ней, образуя сульфит кальция и
сульфат кальция (гипс). Дымовые газы не только очищаются от двуокиси серы
(примерно на 80%), но и на 90% освобождаются от золы. Орошение жидкостью
форсуночное с центральной форсункой со скоростью запыленного потока газа до 50
м/с (рис. 1.3 а), т. к. форсуночное орошение обеспечивает более тонкое
диспергирование капель и более высокую степень пылеулавливания.
1 - скруббер Вентури, 2 - подвод жидкости, 3 - каплеосадительная камера
Рисунок 3.4 - Вторая ступень очистки
Найдем сепарационные характеристики скруббера с трубой Вентури со
следующими параметрами плотность орошения m = 1,2 л/м3; плотность
воды rж = 1000 кг/м3, поверхностное натяжение
s = 0,0725 Н/м (Дж/м2),
динамическая вязкость газа m = 22×10-6
Па×с; плотность частиц rб = 2000 кг/м3.
.3Расчет второй
ступени газоочистки
Примем скорость газа в горловине трубы Вентури Wr =50 м/с.
При m < 2 л/м3 эффективность
захвата h3 определяется по формуле:
,(3.14)
,(3.15)
где dk - диаметр капель.
Эти величины связаны между собой формулой
,(3.16)
Найдем диаметр частиц, улавливаемых с эффективностью 50%.
Из уравнения (3.14.) получим, что
,(3.17)
.
Из уравнения (3.16)
,(3.18)
100 мкм.
Из уравнения (3.15) получим выражение для определения размера частиц,
улавливаемых с эффективностью 50%.
,(3.19)
мкм.
Для определения дисперсии частиц в функции распределения парциальных
коэффициентов очистки, найдем диаметр частиц, улавливаемых с эффективностью
16%.
Из уравнения (3.14) получим, что
,(3.20)
.
Из уравнения (3.16)
,(3.21)
100 мкм.
Из уравнения (3.15) получим выражение для определения размера частиц,
улавливаемых с эффективностью 16%.
(3.21)
мкм.
,(3.22)
.
Из анализа фракционного распределения пыли на выходе из механической
системы следует, что медианный размер частиц пыли, неулавливаемой циклонами,
составляет 1 мкм, дисперсия 3.
Тогда эффективность сепарации частиц в скруббере при улавливании сажных
частиц составит
,(3.23)
.
Этому значению X соответствует значение Ф(x) = 0,66, т. е. в = 66%.
,(3.24)
Па
,(3.25)
Па,
,
(3.26)
xсух = 0,15 -
коэффициент гидравлического сопротивления сухой трубы Вентури, xЖ - коэффициент гидравлического сопротивления форсунки
,
где А = 0,63, 1+В = - 0,3.
,
,(3.27)
Па.
Расчетное гидравлическое сопротивление второй ступени газоочистки
составляет около 1188 Па. Располагаемое давление на трубе Вентури 2300 - 1300 =
1000 Па. Следовательно, необходимо снизить сопротивление первой ступени. Для
этого увеличиваем размеры КПЗУ на 10%. Это даст уменьшения сопротивления на
20%. В этом случае располагаемый напор 2300-1300∙0.8=1260 Па. Общая эффективность равна:
hУ = [1 - (1 - hмех)(1 - hв)]100
= [1 - (1 - 0,7)(1 - 0,66)]100 = 90%.
Таким образом, эффективность очистки газов модернизированной механической
установкой составляет 70%, при применении второй ступени - 90%.
Схема энерготехнологического комплекса для прокаливания нефтяного кокса
после модернизации представлена в приложении 2.
4.Технико-экономическое
обоснование проекта
4.1Расчет
себестоимости проекта
.1.1Планирование
работ по теме
Задачей планирования работ является оптимальный расчет использования
времени и ресурсов, обеспечивающих выполнение работ в срок при наименьших
затратах средств. При планировании работы составляется перечень работ,
необходимых для достижения поставленной задачи, устанавливается
продолжительность работ и строится линейный график.
Разработкой проекта занимались два человека:
-научный руководитель (Р) - 15 разряд;
инженер (И) - 9 разряд.
Данная работа проводилась на протяжении 50 дней.
Таблица 4.1 - Перечень и продолжительность работ
|
Наименование этапов
|
Количество исполнителей
|
Продолжительность, дней
|
|
Получение задания
|
И, Р
|
1
|
|
Сбор информации
|
И
|
3
|
|
Литературный обзор по данной проблеме
|
И, Р
|
2
|
|
Работа с документацией предприятия
|
И
|
7
|
|
Приобретение и освоение программного обеспечения для
реализации проекта
|
И
|
2
|
|
Реализация проекта, проведение расчетов
|
И
|
10
|
|
Технико-экономическое обоснование проекта
|
И
|
7
|
|
Безопасность и экологичность
|
И
|
5
|
|
Разработка графической части
|
И
|
7
|
|
Выводы и предложения по теме
|
И, Р
|
1
|
|
Окончательная корректировка
|
И
|
3
|
|
Завершающий этап, формирование отчета
|
И, Р
|
2
|
|
Итого
|
|
50
|
На основании таблицы 4.1. строится график занятости исполнителей.
Рисунок 4.1 - График занятости исполнителей
.1.2Расчет
затрат на разработку проекта
Затраты на проведение каких-либо работ рассчитываются согласно [10], по
следующим элементам расходов с последующим суммированием:
-материальные затраты;
затраты на оплату труда;
отчисления на социальные нужды;
амортизация основных фондов и нематериальных активов;
прочие затраты;
накладные расходы.
В элементе «Материальные затраты» отражается стоимость приобретенных со
стороны сырья и материалов, которые входят в состав вырабатываемой продукции,
образуя ее основу, или являются необходимыми компонентами при изготовлении
продукции (проведении работ, оказании услуг).
В данном случае материальными затратами на реализацию проекта являются
канцелярские товары (бумага для принтера, ватман, тетради, ручки, карандаши,
картридж для принтера) на сумму 770 рублей.
Им.з. = 770 руб.
В состав затрат на оплату труда включаются:
-выплаты заработной платы за фактически выполненную работу, исходя из
сдельных расценок, тарифных ставок и должностных окладов в соответствии с
принятыми на предприятии нормами и системами оплаты труда;
выплаты, обусловленные районным регулированием оплаты труда (выплаты по
районным коэффициентам), для Кемеровской области районный коэффициент равен
1,3;
выплаты за неотработанное время (коэффициент 8…16%).
Рассчитываем месячную заработную плату научного руководителя:
ЗПн.р.М = (ЗПмес· К1 + Д1) ·
К2 ,(4.1)
где ЗПмес - размер оплаты труда за месяц, ЗПмес=
10500 руб;
К1 - выплаты, обусловленные районным регулированием оплаты
труда (выплаты по районным коэффициентам), К1 = 1,3;
К2 - оплата в соответствии с действующим законодательством
очередных и дополнительных отпусков, К2=1,1;
Д1 - доплата за ученую степень, Д1 = 3000 руб.;
ЗПн.р.М = (10500·1,1+3000) ·1,3= 18915 руб/мес.
Рассчитываем месячную заработную плату инженера:
ЗПин.М = ЗПмес·К1· К2,
где: ЗПмес=8000 руб; К1=1,3; К2=1,1;
ЗПин.М = 8000·1,3·1,1 = 11440 руб/мес.
Рассчитываем заработную плату каждого исполнителя за отработанное время:
ЗПн.р. = n·ЗПн.р.М /21,
ЗПн.р. = 6·18915/21 = 5404,29 руб.,
где n - количество дней, затраченных на разработку проекта;
ЗПин = n·ЗПин.М/21,
ЗПин = 50·11440/21 = 27238,10 руб.,
Из/п = ЗПн.р + ЗПин ,
Из/п = 5404,29 + 27238,10 = 32642,39 руб.
Итого затраты на оплату труда на реализацию проекта (50 дней):
Из/п = 32642,39 руб.
В элементе «Отчисления на социальные нужды» отражаются обязательные
отчисления, по установленным законодательным нормам, органам государственного
социального страхования, пенсионного фонда, государственного фонда занятости и
медицинского страхования от элемента «Затраты на оплату труда» (30%).
Ис.о. = 0,30· Из/п ,(4.2)
Ис.о. = 0,30·32642,39 = 9792,72 руб.
В элементе «Амортизация основных фондов» отражаются суммарные
амортизационные отчисления на полное восстановление основных производственных
фондов.
В процессе работы используется компьютер Intel S-775 Pentium
4 820, стоимостью 25000 рублей и принтер НР LazerJet 5L, стоимостью 5000 руб., доля стоимости другого оборудования,
отнесенная на одно рабочее место (мебель, сантехника, кондиционер и др.)
составила 90000 руб. Общая стоимость оборудования составляет 120000 руб.
Иам = (Тисп / Тгод ) ·Н·аФ
,(4.3)
где Тисп - период пользования техникой, Тис =50
дней;
Тгод - количество дней в году, Тгод =365 дней;
На - норма амортизации, На= 1/Тсл = 1/5
= 0,2, Тсл = 5 лет;
Ф - стоимость оборудования, Ф = 120000 руб.
Иам = (50/365)·120000·02 = 3287,67 руб.
К элементу «Прочие затраты» себестоимости продукции (работы, услуг)
относятся налоги, сборы, отчисления в специальные внебюджетные фонды, платежи
по обязательному страхованию имущества и прочее.
Ипр =0,1·(Им.з.+ Из/п +Ис.о.+
Иам) ,(4.4)
Ипр =0,1·(770+32642,39+9792,72+3287,67) = 4649,28 руб.
К элементу «Накладные расходы» принимается коэффициент 200%.
Инакл = 2·Из/п
Инакл = 2·32642,39 =65284,78 руб.
Себестоимость проекта:
Кпроект = А. + Из/п + Ис.о +
Иам + Ипр + Инакл(4.5)
Кпроект =
770+32642,39+9792,72+3287,67+4649,28+65284,78=116426,81 руб.
.2Расчет
затрат по реализации проекта
.2.1Планирование
работ по реализации проекта
Мероаприятия по реализации проекта включают:
-выполнение проектных работ;
выбор оборудования;
приобретение оборудования (в т. ч. объявление конкурса на поставку и
заключение договора на поставку и доставка от поставщика);
монтаж оборудования;
приемка работ;
испытание и ввод в эксплуатацию.
График выполнения работ по реализации проекта показан на рисунке 4.2.
Рисунок 4.2 - Календарный план выполнения работ
.2.2Капитальные
затраты
Капитальные затраты складываются из:
-на приобретение установок Куст = 6600000 руб.
на монтаж установок Кмонт =200000 руб.
Сумма капитальных затрат составит:
К = Куст + Кмонт ,
К = 6600000+200000 = 6800000 руб.
4.2.3Эксплуатационные расходы
Эксплуатационные расходы состоят из следующих составляющих:
амортизация;
зарплата основного ремонтного персонала;
прочие расходы.
Амортизация рассчитывается линейным способом и с учетом срока полезного
использования годовые амортизационные отчисления составят:
,(4.6)
,(4.7)
руб/год.
Зарплата основного ремонтного персонала:
Для обслуживания 4 внедренных установок потребуется 2 рабочих с
фиксированной заработной платой Зраб =14 000 руб/мес. Фонд оплаты труда за год
составит:
ФОТ = 2·Зраб,(4.8)
ФОТ = 2·14000·12=336000 руб/год.
Страховой взнос в социальные фонды составляет 30% от налоговой базы (ФОТ)
Сумма налога за год составит ВСФ = 336000·0,30 = 100800 руб.
Расходы на ремонт и содержание
Зр = Срс·(ФОТ+ВСФ) ,(4.9)
где Срс = 0,35 - коэффициент удельных расходов на ремонт и
содержание.
Зр = 0,35·(100800 +336000) =152880 руб/год.
Прочие расходы:
Зпр = Спр·Зпост ,(4.10)
Где Спр = 0,2 - коэффициент, учитывающий долю прочих расходов,
Зпост - сумма основных эксплуатационных расходов.
Зпост = А + ФОТ + ЕСН + Зр ,
Зпр = Спр·(А + ФОТ + ЕСН + Зр) ,
Зпр = 0,2·(340000 + 336000 + + 100800 + 152880) = 185936
руб./год.
Сумма эксплуатационных расходов составляет:
И год= А+ФОТ+ЕСН +Зр +Зпр ,(4.11)
Игод = 340000 + 336000 + 100800 + 152880 + 185936 = 1115616
руб./ год.
.3Экономия
платежей при проведении природоохранных мероприятий
В последние годы наметилась тенденция к увеличению объёма выбросов
загрязняющих веществ в атмосферу. Одним из основных источников этих выбросов
преимущественно является промышленность (металлургическая, строительная,
химическая и т. д.). Предприятия безгранично, безвозвратно пользуются
ассимиляционным потенциалом природной среды, способностью поглощать и
переводить загрязняющие вещества в безвредные. На сегодня нагрузка на природную
среду в ходе этой деятельности превышает возможности природной среды
обезвреживать выбросы, что наносит непоправимый ущерб не только окружающей
среде, но и экономическим и социальным системам.
Федеральным законом «Об охране окружающей среды» от 10.01.2002 № 7-ФЗ
(ред. от 21.11.2011, с изм. от 07.12.2011) [1] установлены формы платы за
негативное воздействие на окружающую среду и определен порядок компенсации
вреда окружающей среде, причиненного нарушением законодательства в области
охраны окружающей среды. Определение размера вреда окружающей среде,
причиненного нарушением законодательства в области охраны окружающей среды,
осуществляется исходя из фактических затрат на восстановление нарушенного
состояния окружающей среды, с учетом понесенных убытков, в том числе упущенной
выгоды, а также в соответствии с проектами рекультивационных и иных
восстановительных работ, при их отсутствии в соответствии с таксами и
методиками исчисления размера вреда окружающей среде, утвержденными органами
исполнительной власти, осуществляющими государственное управление в области
охраны окружающей среды. На основании решения суда или арбитражного суда вред
окружающей среде, причиненный нарушением законодательства в области охраны окружающей
среды, может быть возмещен посредством возложения на ответчика обязанности по
восстановлению нарушенного состояния окружающей среды за счет его средств в
соответствии с проектом восстановительных работ.
Однако в силу реально существующих экономических условий предприятия
оказались не в состоянии платить за загрязнение окружающей среды в полном
объеме, поэтому были введены предельные размеры платы за превышение допустимых
нормативов загрязнения в процентах от прибыли, остающейся в распоряжении природопользователя,
зависящие от уровня его рентабельности. Были полностью освобождены от платы
природопользователи, деятельность которых финансируется из бюджетов любого
уровня. Частично освобождены от платы природопользователи, деятельность которых
связана с оказанием услуг населению по линии жилищно-комунального хозяйства.
Все эти послабления привели к тому, что плата за загрязнение оказалась
настолько мала, что предприятиям стало выгоднее вносить эту плату в
экологические фонды, чем осуществлять природоохранные мероприятия. Платежи за
сбросы некоторых веществ в сотни раз меньше, чем в других странах.
Таким образом, платежи, которые поступают в экологические фонды,
предназначенные для использования на природоохранные мероприятия, едва ли
хватить, чтобы компенсировать ущерб природной среде.
.3.1Экономическая
оценка экологического ущерба
Ущерб - многокомпонентная экономическая категория. Его содержание
включает потери материального, производственного, народнохозяйственного и
биологического характера, которые могут исчисляться в международном,
региональном, национальном, территориальном, производственном масштабах.
Экономическая оценка ущерба от загрязнения окружающей среды предполагает
следующую оценку негативных изменений в широком спектре последствий - ухудшение
здоровья человека, исчезновения природных ресурсов, уничтожение исторических
памятников, снижение продуктивности сельскохозяйственных угодий и т. д.
В существующих методиках используется подход, основанный на упрощенной
процедуре, базирующейся на приведении различных примесей к «монозагрязнителю»,
т. е. агрегированному виду, при этом рассчитывается приведенная масса выбросов.
Ущерб, причиненный выбросами загрязнений в атмосферный воздух,
определяется по формуле:
,(4.12)
где
- численное значение рой равно денежной оценке
единицы выбросов и на 2012 г. равна 55,7 р./усл.т.,
- показатель относительной опасности загрязнения
атмосферного воздуха, зависящий от типа загрязняемой территории (для территорий
промышленных предприятий
), f - показатель, учитывающий характер рассеивания
примесей в атмосфере в зависимости от размера частиц, скорости оседания частиц,
высоты их выбросов от земли, М - приведенная масса выброса загрязнений в
атмосферу, усл.т/год.
,(4.13)
где
- показатель относительной агрессивности примеси i-ого
вида загрязнения, усл.т/т.;
- масса
годового выброса i-ого вида загрязнения в атмосферу, т/год;
n - общее число
загрязнителей, выбрасываемых источником в атмосферу.
.3.2Порядок
определения платы за выбросы загрязняющих веществ в атмосферу
Размер платежей природопользователей определяется как сумма платежей за
загрязнение:
-в размерах, не превышающих установленные природопользователю предельно
допустимые нормативы выбросов загрязняющих веществ;
в пределах установленных лимитов;
за сверхлимитное загрязнение окружающей природной среды.
Фактическая масса годового выброса (сброса) загрязняющих веществ
указывается природопользователем в ежегодной статистической отчетности по форме
N 2-тп (воздух), составленной на основании журналов природоохранной деятельности
(ПОД), в которых учитываются результаты работы источников загрязнения атмосферы
за год.
Фактическая масса годового выброса (сброса) подразделяется:
на массу нормативных предельно допустимых выбросов (сбросов),
рассчитанных на основе «Проекта ПДВ (ПДС) предприятия» и согласованных с
территориальными органами Минприроды России;
на массу ВСВ и ВСС, разрешенного выброса по отдельным веществам (лимит),
установленного территориальным органом Минприроды России природопользователю на
период достижения ПДВ или ПДС;
на сверхлимитную массу.
Постановлением Правительства РФ от 12 июня 2003 года № 344 [15]
установлены два вида базовых нормативов платы по каждому ингредиенту
загрязняющего вещества:
-за выбросы в пределах допустимых нормативов
за выбросы в пределах установленных лимитов.
Для отдельных регионов и бассейнов рек устанавливаются коэффициенты к
базовым нормативам платы, учитывающие экологические факторы,
природно-климатические особенности территорий, значимость природных и
социально-культурных объектов.
Дифференцированные ставки платы определяются умножением базовых
нормативов платы на коэффициенты, учитывающие экологические факторы.
Расчет платы за загрязнение атмосферного воздуха стационарными
источниками осуществляется по следующим формулам:
Плата за загрязнение окружающей природной среды в размерах, не
превышающих установленные природопользователю предельно допустимые нормативы
выбросов, сбросов загрязняющих веществ, объемы размещения отходов, уровни
вредного воздействия, определяется путем умножения соответствующих ставок платы
на величину указанных видов загрязнения и суммирования полученных произведений
по видам загрязнения.
(4.14)
где i - вид загрязняющего вещества (i = 1, 2, 3...n);
Снi атм - норматив платы за выброс 1 тонны i-го загрязняющего
вещества в пределах установленных нормативов выбросов (руб./т);
Мi атм - фактическая масса выброса i-го загрязняющего вещества
(т/год);
Мнi атм - допустимый выброс i-го загрязняющего вещества в
пределах установленного норматива (т/год);
Кз атм - коэффициент учитывающий экологический фактор
состояния атмосферного воздуха в данном регионе. Отметим, что данный
коэффициент применяется с дополнительным коэффициентом 1,2 при выбросе
загрязняющих веществ в атмосферный воздух городов. Для особо охраняемых
природных территорий, в том числе лечебно-оздоровительных местностей и
курортов, а также для районов Крайнего Севера и приравненных к ним местностей,
Байкальской природной территории и зон экологического бедствия применяется
дополнительный коэффициент равный 2;
Плата за загрязнение окружающей природной среды в пределах установленных
лимитов определяется путем умножения соответствующих ставок платы на разницу
между лимитными и предельно допустимыми выбросами, сбросами загрязняющих
веществ, объемами размещения отходов, уровнями вредного воздействия и суммирования
полученных произведений по видам загрязнения.
(4.15)
где i - вид загрязняющего вещества (i = 1, 2, 3...n);
Пл атм - плата за выбросы загрязняющих веществ в пределах
установленных нормативов выбросов (руб/год);
Слi атм - норматив платы за выброс 1 тонны i-го загрязняющего
вещества в пределах установленных лимитов выбросов (руб/т);
Мi атм - фактическая масса выброса i-го загрязняющего вещества
(т/год);
Мнi атм - допустимый выброс i-го загрязняющего вещества в
пределах установленного норматива (т/год);
Млi атм - выброс i-го загрязняющего вещества в пределах лимита
(т/год);
Кз атм - коэффициент учитывающий экологический фактор
состояния атмосферного воздуха в данном регионе. Отметим, что данный
коэффициент применяется с дополнительным коэффициентом 1,2 при выбросе
загрязняющих веществ в атмосферный воздух городов. Для особо охраняемых
природных территорий, в том числе лечебно-оздоровительных местностей и
курортов, а также для районов Крайнего Севера и приравненных к ним местностей,
Байкальской природной территории и зон экологического бедствия применяется
дополнительный коэффициент равный 2;
Кин - коэффициент индексации платы за негативное воздействие
на окружающую среду.
Плата за сверхлимитное загрязнение окружающей природной среды
определяется путем умножения соответствующих ставок платы за загрязнение в
пределах установленных лимитов на величину превышения фактической массы
выбросов, сбросов загрязняющих веществ, объемов размещения отходов уровней
вредного воздействия над установленными лимитами, суммирования полученных
произведений по видам загрязнения и умножения этих сумм на пятикратный
повышающий коэффициент.
(4.16)
где Псл атм - плата за сверхлимитный выброс загрязняющих
веществ (руб./год).
Общая плата за загрязнение атмосферного воздуха определяется по формуле:
Патм = Пн атм + Пл атм + Псл атм
.(4.17)
В случае отсутствия у природопользователя оформленного в установленном
порядке разрешения на выброс загрязняющих веществ, вся масса загрязняющих
веществ учитывается как сверхлимитная.
Чтобы компенсировать ущерб, уменьшить нагрузку на атмосферу и снизить
плату за выбросы предприятие может проводить природоохранные мероприятия.
Например, системы обеспыливания улучшают санитарно-гигиеническое состояние
воздуха, оптимизируют условия труда для рабочих предприятия (социальный
фактор), а так же позволяют возвращать ценные фракции выбрасываемых материалов
в производство либо получать дополнительные доходы от реализации уловленных
продуктов другим предприятиями.
Но, перед тем как проводить природоохранные мероприятия, предприятию
необходимо определить его экономическую эффективность, насколько выгодно ему
реконструировать систему обеспыливания воздуха.
.3.3Расчет
экономии платежей за загрязнение окружающей среды на примере производства
анодной массы ОАО «РУСАЛ Новокузнецкий алюминиевый завод»
Сравнение ущербов и размера выплат за загрязнение атмосферы до и после
проведения природоохранных мероприятий рассмотрим на примере производства
анодной массы ОАО «РУСАЛ Новокузнецкий алюминиевый завод», который в 2013 г
планирует модернизацию 2 батарейных циклонов БЦ-250Р-64-64 путем усановки 2
пылеуловителей КПЗУ, конструкции ООО «Томскгазоочистка» и двух скрубберов с
трубами Вентури.
На заводе имеется 4 прокалочных печи с котлами-утилизаторами для прокалки
нефтяного кокса. В процессе работы оборудования выделяются значительные объемы
выбросов в атмосферу. Проведем расчеты выбросов по пыли неорганической (SiO2) и сажи (С).
Показатель
агрессивности выбросов
равен 100 усл.т/т [11].
Норматив
платы в пределах допустимых нормативов Снi атм = 103 руб/т.
Норматив
платы в пределах установленных лимитов Слi атм = 503 руб/т.
До
внедрения установки пылеулавливания:
Запыленность
воздуха Сдо = 0,670 г/м3;
Объем
воздуха 273242 м3/час;
После
внедрения системы обеспыливания (циклон):
Запыленность
воздуха Спосле= 0,131 г/м3;
Мл
= 241,2 т/год - выброс i-го загрязняющего вещества в пределах
установленного лимита (т/год);
Мн
= 205,2 т/год - допустимый выброс i-го загрязняющего вещества в пределах
установленного норматива (т/год);
Объем
воздуха 273242 м3/час.
.3.4Расчет
фактической массы выбросов и ущерба до и после внедрения пылеулавливающей
установки
Масса выбросов до внедрения установки обеспыливания:
Мдо = Сдо·Q·24·365·10-6,(4.18)
Мдо = 2·0,67·273242·24·365·10-6 = 1603,71 т/год.
Масса выбросов после внедрения установки обеспыливания:
Мпосле = Спосле·Q·24·365·10-6,(4.19)
Мпосле = Спосле·Q = 2 · 0,134·273242·24·365·10-6 = 313,56 т/год
Расчет приведенной массы выброса пыли
Мприв = Мi·Аi(4.20)
Таблица 5.2 - Данные для определения экологического ущерба
|
Выбрасываемое вещество
|
Фактическая масса выброса т/год
|
, усл.т/т
|
Приведенная масса выброса Mприв усл.т/год
|
|
до
|
после
|
|
до
|
после
|
|
Пыль неорганическая, сажа
|
1603,71
|
313,56
|
100
|
160371
|
31356
|
,(4.21)
=
55,7·4·0,2·160371 =7146140,43 руб./год.
,(4.22)
=
55,7·4·0,2·31356 = 1397230,44 руб./год.
Предотвращенный экологический ущерб.
,(4.23)
=
7146140,43 - 1397230,44 = 5748909,99 руб./год.
.3.5Расчет платежей
До внедрения установки фактическая масса выбросов составляла 1603,71
т/год, при чем Мф до > Мн, Мф до > Мл.
После внедрения установки масса выбросов составит 313,56 т/год, при чем Мф
после > Мн, Мф после > Мл.
В связи с тем, что выбросы до и после внедрения установки превышают
нормативные и лимитные, плата за выбросы в пределах нормативов и установленных
лимитов до и после внедрения установки будет одинаковая.
Плата за выбросы в пределах нормативов определяется по формуле:
,(4.24)
Плата за выбросы в пределах установленных лимитов определяется по
формуле:
,(4.25)
.
Плата за выбросы сверх пределов установленных лимитов определяется по
формуле:
.
До внедрения установки:
.
После внедрения установки:
руб/год.
Общая плата за выброс загрязняющих веществ в атмосферу:
.(4.26)
До внедрения установки:
.
После внедрения установки:
.
Экономия платежей составит:
,(4.27)
.
.3.6Расчет
периода окупаемости установки
Экономическая выгода предприятия складывается из уменьшения размеров
платежей за выбросы в атмосферу. Срок окупаемости составит:
,(4.28)
где
- разница в плате за выбросы;
-
затраты на разработку проекта;
-
стоимость устанавливаемого оборудования;
-
стоимость работ по монтажу оборудования;
- сума
эксплуатационных расходов за год.
.
С
учетом периодо монтажа и запуска оборудовании периокупаемости составит 2 года.
Выводы:
В
результате реализации проекта платежи за загрязнение окружающей среды сократились
в 15,6 раз, экологический ущерб снизился в 5,1 раза.
Расчет
экономии платежей показал, что внедрение установки обеспыливания позволяет
экономить ежегодно 6866415,24 руб.
Данное
инвестирование является выгодным мероприятием, как с экономической, так и с
экологической точки зрения.
5.
Безопасность и экологичность проекта
.1 Анализ
опасных и вредных производственных факторов
В цивилизованном обществе делается все для создания оптимальных условий в
производственном процессе, которые обеспечивают человеку необходимый комфорт,
сохраняют здоровье и работоспособность. Что повышает благосостояние всего
общества в целом.
Во время своей трудовой деятельности человек подвергается воздействию
вредных и опасных производственных факторов, специфика и количество которых
зависит от характера труда. Для предупреждения ухудшения здоровья работника от
такого неблагоприятного воздействия на каждом конкретном предприятии или
учреждении предусмотрен ряд мер по обеспечению безопасности и экологичности
трудовой деятельности. Система мероприятий, обеспечивающих безопасность,
сохранение здоровья и жизни людей определяется дисциплиной охрана труда.
При эксплуатации систем обеспыливания, в т. ч. циклонов, должны
применяться меры безопасности против следующих опасных и вредных производственных
факторов:
-ожогов о горячие поверхности аппаратов или горячей пылью, золой и
газами;
отравления токсичными газами;
воспламенения и взрывов взрывоопасной пыли.
шумового воздействия;
возможности поражения током;
запыленности воздуха рабочей зоны.
падения с высоты
механическое повреждение о движущиеся части систем обеспыливания.
5.2Требования
к персоналу
Персонал, обслуживающий пыле- и золоулавливающие установки, должен
руководствоваться Правилами технической эксплуатации и безопасного обслуживания
газопылеулавливающих установок, а также производственными инструкциями по
эксплуатации соответствующих аппаратов.
К обслуживанию систем пыле- и золоулавливания могут быть допущены только
работники, изучившие устройство входящих в них установок, упомянутые выше
Правила, инструкции, сдавшие экзамен на право обслуживания установок и по
технике безопасности.
Персонал, обслуживающий газоочистные установки, должен знать состояние и
режим работы основных производственных агрегатов и при возникновении неполадок
на них принимать необходимые меры, обеспечивающие сохранность и безопасность
работы газоочистных установок и исключение распространения на них аварийных
осложнений и возможного травмирования людей.
Проверка знаний у персонала, обслуживающего пыле- и золоулавливающие
установки, по правилам обслуживания и по технике безопасности должна
проводиться периодически, но не реже 1 раза в 2 года. Сдавшему экзамен
вручается удостоверение установленной формы, в котором записываются результаты
проверки знаний по правилам обслуживания и техники безопасности. Во всех
случаях работник, включающий установку, обязан предварительно принять меры по
прекращению всяких работ по обслуживанию (ремонту, очистке и др.) данной
системы пылеотделения и оповестить персонал о пуске.
Персонал, обслуживающий газоочистные установки, несет ответственность за
безопасность людей, находящихся на агрегатах и коммуникациях, относящихся к
этим газоочистным установкам.
.3Требование
к месту расположения установок
В месте установки системы пылеотделения должен быть обеспечен свободный
доступ к зонам его обслуживания при эксплуатации и обслуживании.
На пыле- и золоулавливающих установках должны находится следующие
инструкции и правила.
-Производственные инструкции по эксплуатации установки;
Правила и инструкции по технике безопасности и производственной санитарии
для данного производства;
Инструкции на случай аварий и пожара;
Правила оказания первой помощи;
Чертежи пыле- и золоулавливающей установки и схемы коммуникаций к ней
относящейся;
Электрическая схема установки.
На пыле- и золоулавливающей установке должны находится в исправном
состоянии:
-Защитные средства (перчатки, коврики, очки и т. д.);
Предупредительные плакаты;
Средства для тушения пожара;
Аптечка;
Противогазы;
Тросик заземления.
Ограждения
.4Требования
безопасности перед началом работы
Перед пуском аппаратов в работу необходимо убедиться в следующем:
-Герметичности системы пылеотделения;
Надежности заземления установки;
Уровень пыли в накопительных бункерах находится в допустимых пределах;
Механизмы удаления пыли из пылеуловителей и средства транспортировки ее
исправны и подготовлены к работе;
Отсутствии посторонних предметов, наличие которых недопустимо;
Надежности присоединения воздуховодов к циклонам системы пылеотделения;
Ремонтные работы закончены, пылеулавливающий аппарат исправен и готов к
эксплуатации (люки закрыты, леса демонтированы, посторонние предметы убраны).
Для проверки работоспособности установки пылеотделения проводят пробный
пуск, чтобы убедиться в отсутствии посторонних стуков, шумов, повышенной
вибрации, нарушения герметичности и других дефектов в изготовлении системы
пылеотделения.
После этого система пылеотделения включается в нормальную работу.
.5Требования
безопасности во время работы установок
Следует соблюдать установленный для аппаратов обеспыливания оптимальный
режим эксплуатации, согласно рекомендации научно-исследовательских, проектных и
пуско-наладочных организаций, а также заводов-изготовителей.
Необходимо следить за герметичностью аппаратов и коммуникаций, не
допуская утечек газа (при работе под давлением) или недопустимых подсосов
воздуха (при разряжении).
Необходимо обеспечивать своевременное удаление из бункеров уловленной
пыли и ее транспортировку в предназначенные места. Для контроля за уровнем пыли
циклонные установки должны снабжаться сигнализаторами уровня, при этом датчик
нижнего уровня не дожжен быть установлен выше 2/3 высоты бункера. Путем легкого
постукивания, по звуку, проверяют, не забита ли течка после пылевыгрузных
устройств.
Пылевыгрузочное устройство состоит из затворов и приспособлений
транспортировки пыли (ленточные (скребковые), цепные, шнековые транспортеры).
Взрывоопасную и пожароопасную пыль необходимо удалять из бункера
непрерывно.
Пылевые затворы и средства транспорта уловленной пыли должны действовать
безотказно. Подсосы воздуха через пылевые затворы недопустимы, т. к. при работе
аппаратов под разряжением происходит резкое снижение коэффициента очистки.
Пылевыгрузные устройства, работающие периодически, должны быть открыты, и
необходимо принять меры для полного опорожнения бункера, т. к. оставшаяся и
отсыревшая пыль теряет сыпучесть и может образовывать «пробку» в пылевыпускном
отверстии бункера.
Не допускать слеживания и цементации пыли в системах пыленакопления и
пылеуборки, прибегая для этого к предусмотренным методам, в том числе
поддерживая температуру всех узлов установки выше «точки росы» газа.
Обслуживающим персоналом в ходе эксплуатации газоочистной установки
систематически ведется оперативный журнал, в который заносятся основные
показатели, характеризующие работу установки, наблюдаемые отклонения от
установленного оптимального режима, обнаруженные неисправности, а также случаи
отключения отдельных агрегатов или вывод из работы всей газоочистной установки
с указанием причин и принятых мер.
В ходе эксплуатации газоочистных установок, предназначенных для очистки
газов с высоким содержанием горючих (взрывоопасных) компонентов, следует особо
тщательно обеспечивать установленные параметры давления газа и герметичность
сооружений, а также правильную продувку коммуникаций и аппаратов, во избежание
опасности взрывов газа и пожаров, одновременно предусматривать ограждение
источников открытого огня и соблюдение других специфических требований.
По температуре выходящих из циклона газов можно судить о возгорании пыли
в аппарате. Возгорание может иметь место при попадании в бункер большого
количества сажи. Несгоревших частиц торфа или угля. В случае возгорания следует
циклон заполнить углекислым газом или паром, осторожно выгрузить пыль.
В ходе эксплуатации газоочистных установок, предназначенных для очистки
газов с высоким содержанием токсичных примесей, следует особо тщательно
обеспечивать герметичность сооружений, эффективную вентиляцию рабочих
помещений, лабораторный контроль за уровнем загрязнения атмосферного воздуха на
рабочих местах, применение в необходимых случаях газозащитных средств, а также
соблюдение других специфических требований.
В ходе эксплуатации газоочистных установок, предназначенных для очистки
газов от химически агрессивных или абразивных компонентов, следует особо
тщательно следить за сохранностью примененных защитных покрытий и отсутствием
разрушений металла и оборудования, предупреждая преждевременный выход их из
строя.
Газоочистные установки должны подвергаться техническому осмотру для
оценки их состояния и работоспособности не реже одного раза в три месяца
комиссией, состав которой определяется руководством предприятия.
По результатам осмотра составляется акт и намечаются мероприятия по
устранению обнаруженных недостатков, ремонт. Акт осмотра прилагается к паспорту
газоочистной установки.
Ремонт и осмотр
При эксплуатации циклоны должны систематически подвергаться техническим
осмотрам.
Осмотр и ремонт установок разрешается только после:
-отключения установок от газа исправными шиберами заглушками;
тщательной вентиляции корпусов аппаратов и коммуникаций, к ним
относящихся, от вредных газов, проверки с помощью газоанализатора или других
средств, показавшей, что доступ к осмотру безопасен.
охлаждения установок до температуры не более 50° С;
при постоянном надзоре за людьми, находящимися внутри аппаратов, и
наличии соответствующих средств для быстрой их эвакуации в случае
необходимости.
закрытия шиберов на замок, и возле них вывешивается плакат: «Не включать:
циклон на ремонте».
отключения подачи электроэнергии на электродвигатели, обслуживающие
механизмы, связанные с циклоном.
на пусковых устройствах или рукоятках рубильника вывешиваются плакаты:
«Не включать: работают люди».
При работе внутри аппаратов применяются только взрывозащитные
светильники. Применение переносных электрических светильников с напряжением
выше 12 В - запрещается.
Продувку (вентиляцию) газовых коммуникаций и установок газоочистки от
взрывоопасных газов следует производить инертным газом или паром.
При улавливании газоочистными аппаратами самовозгорающейся пыли нельзя
допускать чрезмерного накопления ее в аппаратах или коммуникациях и необходимо
принимать предусмотренные меры против самовоспламенения.
В процессе работы установки рекомендуется ограничить прямой доступ
персонала к системе пылеотделения [26].
.6Меры
безопасности в аварийных ситуациях
При возникновении опасных ситуаций необходимо:
-Прекратить все работы
Сообщить непосредственному руководителю работ, мастеру, начальнику смены.
Работники по возможности должны быть выведены за пределы опасной зоны.
Принять возможные меры по устранению опасной ситуации и ее последствий.
Если есть пострадавшие немедленно оказать первую помощь, вызвать скорую
помощь.
.7Меры
безопасности при обслуживании установок обеспыливания
.7.1Защита от
ожогов о горячие поверхности
При проектировании циклонов необходимо предусматривать тепловую изоляцию
их наружных поверхностей для предохранения от ожогов и случайных прикосновений.
Температура наружной поверхности, согласно правилам техники безопасности,
допускается обычно не выше 55° С. Для тепловой изоляции рекомендуется применять
минеральную вату являющуюся высокоэффективным термоизоляционным материалом.
Сверху теплоизоляцию следует покрывать металлическими листами или асбоцементной
штукатуркой по сетке.
.7.2Защита от
ожогов горячими газами
Для защиты от ожогов горячими газами, пылью, золой следует обеспечить
надежность и герметичность соединений швов, выполняя их преимущественно сварным
способом.
Кроме того, должна обеспечиваться герметичность пылевыгрузного
устройства.
5.7.3Защита
от взрывов и пожаров
Возгорание может иметь место при попадании в бункер большого количества
сажи, несгоревших частиц торфа или угля. В случае возгорания следует заполнить
циклон углекислым газом или паром, осторожно выгрузить пыль. Таким образом,
одно из условий горения - наличие кислорода, не выполняется, т. к. углекислый
газ, замещающий кислород, не поддерживает горение.
Циклоны, работающие в атмосфере легковоспламеняющихся веществ или
взрывоопасных пылей, снабжаются взрывными пластинами (мембранами). При этом
необходимо принять меры, исключающие возможность выбросов вредных и
взрывоопасных газов в помещение, а также искрообразование и травмирование
осколками и частями мембран при их срабатывании, что может повлечь развитие
цепной аварии.
По температуре выходящих из циклонной установки газов можно судить о
возгорании пыли в аппарате. Процесс возгорания можно контролировать посредством
установки температурных датчиков на входе и на выходе циклона.
.7.4Меры
безопасности при работе на высоте
При обслуживании циклонов на высоте более 1,8 м для доступа к люкам,
шиберам и другой арматуре выполняются стационарные лестницы и площадки с
ограждениями. Ширина лестницы должна быть не менее 0,7м, уклон её не более 450,
шаг ступени не более 0,25м.
.7.5Защита от
механических повреждений
Все движущиеся части затворов, вентиляторов должны быть надёжно
ограждены. Снимать ограждение для ремонта механизмов разрешается только после
полной остановки.
5.7.6Защита
от производственного шума
Шум - сочетание различных по частоте и силе звуков
Слышимый шум- 20 - 20000 Гц,
ультразвуковой диапазон- свыше 20 кГц,
инфразвук- меньше 20 Гц,
устойчивый слышимый звук- 1000 Гц - 3000 Гц
Вредное воздействие шума:
При длительном воздействии на организм человека шум вызывает снижение
остроты зрения, слуха, головные боли, снижение внимания повышение кровяного
давления, нарушения сердечно-сосудистой системы и др.
Физические характеристики шума
Интенсивность - кол-во энергии, переносимое звуковой волной за 1 с через
площадь в 1 м2, перпендикулярно распространению звуковой волны.
Звуковое давление - дополнительное давление воздуха, которое возникает
при прохождении через него звуковой волны.
Звуковое восприятие человеком
Т. к. органы слуха человека обладают неодинаковой чувствительностью к
звуковым колебаниям различной частоты, весь диапазон частот на практике разбит
на октавные полосы.
Октава - полоса частот с границами f1 - f2, где f2/f1
= 2.
Среднегеометрическая частота - fсг =
Весь спектр разбит на 8 октавных полос:
…90; 90…180; 180…360 ... 5600…11200.
Звуковой комфорт - 20 дБ;
Мероприятия по борьбе с шумомгруппа- Строительно-планировочнаягруппа-
Конструктивнаягруппа - Снижение шума в источнике его возникновениягруппа -
Организационные мероприятия
Рассмотрим организационные мероприятия, т. к. именно они обеспечивают
защиту персонала от воздействия шума.
К организационным мероприятиям относится:
Определение режима труда и отдыха персонала.
Планирование рабочего времени.
Планирование режима работы и остановки источников шума.
Если уровень шума не снижается в пределах нормы, используются
индивидуальные средства защиты (наушники, шлемофоны) [25].
.7.7Защита от
производственной вибрации
Вибрация - механические колебания материальных точек или тел.
Причина появления вибрации: неуравновешенное силовое воздействие.
Вредное воздействия: повреждения различных органов и тканей; влияние на
центральную нервную систему; влияние на органы слуха и зрения; повышение
утомляемости.
Методы снижения вибрации:
Снижение вибрации в источнике ее возникновения.
Конструктивные методы (виброгашение, виброденфирование - подбор
определенных видов материалов, виброизоляция).
Организационные меры. Организация режима труда и отдыха.
.7.8Защита
персонала от запыленности воздуха
Для защиты персонала от высокой запыленности воздуха рабочей зоны,
необходимо использовать индивидуальные средства защиты.
Работники организаций должны обеспечиваться специальной одеждой, специальной
обувью и другими средствами индивидуальной защиты от воздействия опасных и
вредных производственных факторов (респиратор, каска, наушники, защитные очки,
перчатки, и т. д.) в соответствии с типовыми отраслевыми нормами бесплатной
выдачи работникам специальной одежды, специальной обуви и других средств
индивидуальной защиты и Правилами обеспечения работников специальной одеждой,
специальной обувью и другими средствами индивидуальной защиты.
Спецодежду, спецобувь и другие средства индивидуальной защиты выносить за
пределы организаций не допускается. Их необходимо хранить в гардеробных,
респираторных и других специальных помещениях, оборудованных в соответствии с
действующими санитарными нормами. Средства индивидуальной защиты должны
подвергаться чистке.
Выдаваемая спецодежда и спецобувь должны соответствовать действующим
стандартам, а также размерам работника.
Кроме того, об устойчивости работы аппарата, о забивании аппарата, а
следовательно, о запыленности воздуха в рабочей зоне можно судить по перепаду давления,
которое фиксируется на манометрах аппарата, либо по показаниям расходомеров
аппарата.
Вывод: Для снижения риска возникновения несчастных случаев на
производстве и профессиональных заболеваний персонала, обслуживающего
пылеулавливающие установки, должны соблюдаться следующие меры:
-перед допуском персонала проводиться вводный инструктаж, а также
первичный инструктаж на рабочем месте;
персонал должен быть обучен безопасным методам работы с установкой, иметь
удостоверение о прохождении проверки знаний;
эксплуатация установки должна производиться, в соответствии с
инструкциями заводов-изготовителей, инструкциями по охране труда.
персонал должен быть обучен действиям при возникновении аварийных
ситуаций, правилам оказания первой помощи;
персонал должен правильно и своевременно использовать средства
индивидуальной защиты.
Заключение
В данной дипломной работе представлены результаты исследования
модернизации существующей системы газоочистки, путем установки КПЗУ конструкции
ООО «Томскгазоочистка» и скруббера с трубой Вентури.
В экономической части работы оценен размер ущерба до и после внедрения
установок газоочистки в производстве анодной массы ОАО «РУСАЛ Новокузнецк». А
также проведена оценка экономии платежей за выбросы загрязняющих веществ в
окружающую среду.
Платежи за загрязнение окружающей среды сократятся в 6,8 раз. Кроме того,
после модернизации газоочистного оборудования ущерб снизится на 48%.
Расчет экономии платежей показал, что внедрение установок газоочистки в
производстве анодной массы ОАО «РУСАЛ Новокузнецк». позволяет экономить
ежегодно 2841847,65 руб., т. е. данное инвестирование является абсолютно
выгодным мероприятием, как с экономической, так и с экологической точки зрения.
В разделе безопасность жизнедеятельности рассмотрен вопрос безопасности
персонала, обслуживающего установки обеспыливания. Рассмотрены вредные и
опасные факторы работы, меры обеспечения безопасности, действия в аварийных
ситуациях.
Модернизация систем системы газоочистки позволит снизить объемы вредных
выбросов и улучшить экологическую обстановку.
Список
использованной литературы
1. Федеральный закон «Об охране окружающей среды» от
10.01.2002 N 7-ФЗ (ред. от 21.11.2011, с изм. от 07.12.2011)-5 с.
. Кропп Л.И., Акбрут А.И. Золоуловители с трубами
Вентури на тепловых электростанциях. М., «Энергия», 1977. - 160 с.
. Алиев Г. М.-А. Техника пылеулавливания и очистки
промышленных газов. М., «Металлургия», 1986.- 544 с.
. Скрябина Л.Я. Атлас промышленных пылей. Части 1-3.
М., «ЦИНТИХИМ НЕФТЕМАШ», 1980, 81, 82 г.г.
. Василевский М.В., Обеспыливание газов инерционными
аппаратами Томск, ТПУ 2008г.
. Руденко К.Г., Калмыков А.В. «Обеспыливание и
пылеулавливание при обработке полезных ископаемых». 1987 г.
. Юдашкин М.А. «Пылеулавливание и очистка газов в
металлургии». М. 1984 г.
. Ветошкин А.Г. Процессы и аппараты газоочистки.
Пенза, ПГУ. 2006г.
. Василевский М.В. Зыков Е.Г. Расчет эффективности
очистки газа в инерционных аппаратах. Томск, ТПУ 2005г. - 86с.
. Коршунова Л.А., Кузьмина Н.Г. Основы
технико-экономического обоснования экологических проектов. Томск, ТПУ, 2006. -
113 с.
. Временные отраслевые методические указания расчета
плановых показателей проектов государственных планов по охране атмосферного
воздуха. М.1988 г.-32 с.
. Справочник по пыле- и золоулавливанию, Под ред. М.И.
Биргер, А.Ю. Вальдберг, Б.И. Мягков и др. Под общей ред. А.А. Русанова - 2 изд.
- М.: Энергоатомиздат, 1983. - 312 с.
. ГОСТ Р МЭК 61241-2-2-99. Электрооборудование,
применяемое в зонах, опасных по воспламенению горючей пыли. Часть 2. Методы
испытаний. Раздел 2. Метод определения удельного электрического сопротивления
горючей пыли в слоях.
. Оценка связности дисперсного материала из
агрегированных частиц, М.В. Василевский, К.В. Некрасова, А.С. Разва, Е.Г.
Зыков. Заводская лаборатория, 2009, т. 75, № 5, с. 32-36.
. Постановление Правительства РФ от 12 июня 2003 г. N
344 «О нормативах платы за выбросы в атмосферный воздух загрязняющих веществ
стационарными и передвижными источниками, сбросы загрязняющих веществ в
поверхностные и подземные водные объекты, размещение отходов производства и
потребления» (в ред. Постановлений Правительства РФ от 01.07.2005 N 410, от
08.01.2009 N 7).
. Федеральный закон № 371-ФЗ от 30.11.2011 года «О
федеральном бюджете на 2012 год и на плановый период 2013 и 2014 годов».
. Бобриков В.В. «Мокрые пылеуловители для санитарной
очистки газов и охраны окружающей среды». 1977 г.
. Гордон Г.М. «Пылеулавливание и очистка газов в
цветной металлургии. (труды ГРИНЦВЕТМЕТ № 36)». 1975 г.
. Гордон Г.М. «Пылеулавливание и очистка газов в цветной
металлургии. (труды ГРИНЦВЕТМЕТ № 44)». 1979 г.
. Гордон Г.М., Пейсахов И.Л. «Пылеулавливание и
очистка газов. Учебное пособие». 1968 г.
. Руденко К.Г. «Мокрые золоуловители и пылеуловители».
1953 г.
. Руденко К.Г., Калмыков А.В. «Обеспыливание и пылеулавливание
при обработке полезных ископаемых». 1987 г.
. Юдашкин М.А. «Пылеулавливание и очистка газов в
черной металлургии». 1984 г.
. ГОСТ 12.0.003-74 (СТ СЭВ 790-77) «Системы стандартов
безопасности труда».
. Справочник проектировщика. Защита от шума /Под ред.
Юдина - М.: Энергоиздат, 1982 г.
. Безопасность жизнедеятельности. /Под ред. Н.А.
Белова - М. Знание, 2000 - 26. Правила технической эксплуатации и безопасного
обслуживания газопылеулавливающих установок ,1975.
. Фомин А. Д. Организация охраны труда на предприятиях
в современных условиях: Справочно-методическое пособие для руководителей и
спец. предп. - Новосибирск: Изд-во «Мадус», «БКУ», 1997. - 300 с.
. Экология и безопасность жизнедеятельности: Учеб.
пособие для вузов /Под ред. Л. А. Муравья. - М: ЮНИТИ - ДАНА. -2000. - 447 с.
. Материалы сайта #"810024.files/image220.gif">
1 - прокалочная печь; 2 - холодильник; 3 - обводной боров (заглушен); 4 -
пылеосадительная камера; 5 - котел-утилизатор; 6 - экономайзер; 7 -
воздухоподогреватель; 8 - пароподогреватель; 9 - батарейный циклон; 10 - вентилятор
вторичного воздуха; 11 - дымосос; 12 - струйный насос; 13 - шибер; 14 - система
пневмотранспорта пыли в холодильник; 16 - дозатор кокса; 17 - загрузочный
бункер печи; 18 - группа циклонов; 19 - электрофильтр; 20 - мазутная форсунка.
Схема энерготехнологического комплекса для прокаливания нефтяного кокса
- прокалочная печь; 2 - холодильник; 3 - обводной боров (заглушен); 4 -
пылеосадительная камера; 5 - котел-утилизатор; 6 - экономайзер; 7 -
воздухоподогреватель; 8 - пароподогреватель; 9 - батарейный циклон; 10 -
вентилятор вторичного воздуха; 11 - дымосос; 12 - струйный насос; 13 - шибер;
14 - система пневмотранспорта пыли в холодильник; 16 - дозатор кокса; 17 -
загрузочный бункер печи; 18 - группа циклонов; 19 - электрофильтр; 20 -
мазутная форсунка; 21 - КПЗУ конструкции ООО «Томскгазоочистка».
Схема энерготехнологического комплекса для прокаливания нефтяного кокса
после модернизации
- отсечной шибер борова; 2 - пылеосадительная камера прокалочной печи; 3
- отсечной шибер котла; 4 - котел-утилизатор; 5 - батарейный циклон; 6 -
дымосос; 7 - газоход; 8 - глухая перегородка; 9 - обводной боров; 10 - гусак;
11 - дымовая труба; 12 - кирпичная перегородка.
Схема газоходного тракта прокалочного отделения
Схема газоходного тракта прокалочного комплекса № 1 и разрежения газов в
нем (производительность печи 17,0 т/ч)