|
Температура, К
|
 
|
|
|
|
483
|
0,1007
|
0,0359·103
|
0,0131·106
|
|
583
|
0,1821
|
0,0699·103
|
0,0277·106
|
Определяем термодинамическую вероятность протекания реакции
(1). По формулам (1.2), (1.3), (1.4), (1.5), (1.6) определяем необходимые
величины:
кДж/моль
Дж/ (моль×К)
,
По формуле (1.1) определяем энергию Гиббса для реакции (1) при
температурах 433 и 493К:


Поскольку энергия Гиббса для реакции (1) при температурах 483 и
583 К принимает отрицательное значение, то в интервале температур от 483 до 583
К реакция (1) термодинамически возможна.
Определяем термодинамическую вероятность протекания реакции (2).
По формулам (1.2), (1.3), (1.4), (1.5), (1.6) определяем необходимые величины:
По формуле (1.1) определяем энергию Гиббса для реакции (2) при
температурах 433 и 493К:


Поскольку энергия Гиббса для реакции (2) при температурах 483 и
583 К принимает отрицательное значение, то в интервале температур от 483 до 583
К реакция (2) термодинамически возможна.
Таким образом, в интервале температур от 483 до 583 К все две
реакции термодинамически возможны.
1.4 Сведения
о механизме и кинетике протекающих реакций
Особое значение при выборе оптимальных
условий окисления этилена в промышленности, при расчете контактных аппаратов и
математическом моделировании процесса имеют кинетические закономерности,
которые определяют зависимость скорости реакции окисления этилена от температуры,
давления, а также от концентрации реагентов и продуктов реакции.
При изучении кинетики
гетерогенно-каталитического окисления этилена в оксид этилена нередко
получаются различные результаты. Можно, однако, сделать общий вывод, что в
кинетической области реакция окисления подчиняется уравнению
Лэнгмюра-Хиншельвуда
Эту модель часто аппроксимируют степенными
функциями. Так, для окисления этилена в оксид этилена найдено уравнение

(1.6)
где кажущиеся порядки по реагентам составляют

Это различие во многом обусловлено условиями осуществления реакции
(при избытке этилена).
Выбор пути повышения селективности серебряного катализатора, а
следовательно рентабельности каталитического окисления этилена, определяется
тем, какой механизм реакции реализуется. Если считать правильной
последовательную схему, необходимо быстро отводить продукты неполного окисления
этилена из зоны реакции, быстро охлаждать реакционную смесь. Если же исходить
из параллельной или последовательно-параллельной схемы окисления, то необходимо
обращать особое внимание на подбор катализатора и возможности изменения его
свойств.
Кинетика окисления этилена на серебряном катализаторе
исследовалась в изотермическом режиме при 218°С в безградиентном реакторе в
широком интервале концентраций этилена, кислорода, оксида этилена, воды и
двуокиси углерода.
При выводе кинетических уравнений было учтено стационарное течение
процесса, использованы представления теории адсорбции Лэнгмюра и сделано
несколько предположений относительно механизма процесса. Считается, что
адсорбированный молекулярный кислород быстро распадается на атомы, покрывающие
большую часть поверхности катализатора. Затем атомарный кислород
взаимодействует с этиленом, образуя одновременно оксид этилена, диоксид
углерода и воду.
Эти продукты адсорбируются на поверхности катализатора и уменьшают
каталитический эффект серебра.
Схема механизма окисления такова
. 
. 
. 
. 
\ /
О
5. 
|

6.
7. 
В уравнении скорости образования окиси
этилена, соответствующем предполагаемой схеме, скорость образования оксида
этилена равна:
где 
- константы скоростей;

- константы
равновесия отдельных стадий процесса, зависящие от температуры;
i-стадия процесса.
Уравнение скорости образования диоксида углерода W2 имеет такой же вид с той лишь разницей, что в числителе вместо 
стоит 
.
При рассмотрении закономерностей окисления этилена на серебряном
катализаторе необходимо учитывать, что с изменением химического состава
катализатора могут заметно меняться вид кинетических уравнений и различаться
значения энергии активации.
Одной из причин многообразия кинетических уравнений процесса
окисления этилена является незнание состояния поверхности катализатора и
истинного (точного) механизма протекающих реакций, следовательно, необходимость
в упрощающих предположениях при выводе кинетических зависимостей процесса. На
скорость процесса окисления оказывают серьезное влияние макроскопические
факторы, например, скорость подачи исходных веществ к поверхности катализатора
и отвода от нее тепла. При несоблюдении, например, условий теплового баланса
катализатор может перегреться, вследствие этого его избирательность и
производительность уменьшаться. Особо важное значение приобретают соотношение
скоростей химической реакции, массо- и теплопередача при проектировании
контактных аппаратов.
Приведем общие закономерности процесса окисления этилена в оксид
этилена на сереб-ряном катализаторе:
. Характерной особенностью каталитического окисления этилена в
оксид этилена является высокая избирательность катализатора.
2. Причина избирательности заключается в
активации молекул реагентов на поверхности катализатор и образования активных
промежуточных комплексов и веществ. Можно считать установленным, что на
поверхности катализатора адсорбируются одновременно и кислород и этилен, причем
кислород образует с катализатор супероксид серебра АgО2, то есть
связь кислород - кислород сохраняется. Вероятным переходным активным
компонентом является комплекс, объединяющий этилен и супероксид серебра, а
первым промежуточным cоединением перекись этилена. В целом окисление этилена идет
по перекисному механизму, что согласуется перекисной теорией Баха-Энглера.
. Благодаря перекисному механизму при
окислении этилена возможны параллельные процессы образования оксида этилена,
двуокиси углерода и воды в зависимости от химической природы катализатора,
макрокинетических факторов, температуры, давления и так далее. Последовательное
окисление этилена в оксид этилена, а затем окиси этилена в двуокись углерода и
воду может протекать лишь при повышенных температурах.
. В настоящее время механизм окисления
этилена нельзя считать полностью выясненным. Не изучены многие элементарные
акты и состав промежуточных веществ, не совсем ясен механизм торможения
процесса образующимися продуктами. Это осложняет выведение общих законов и
делает кинетические уравнения в значительной степени формальными.
. Первостепенное значение при
каталитическом окислении этилена имеют макроскопические факторы, и особенно
процессы теплопереноса, поскольку при чрезмерном разогреве катализатора может
начаться горение, что резко сокращает выход оксида этилена и ухудшает свойства
катализатора.
В промышленных условиях температура
контактирования составляет 230-315 С. Степень конверсии этилена с ростом
температуры повышается. При оптимальных условиях конверсия этилена составляет
за проход 30-50%. Окисление этилена обычно проводится под давлением 8-20 атм, а
иногда и под более высоким.
1.5 Анализ
промышленных технологий синтеза оксида этилена
Во всех промышленных технологических
схемах производства оксида этилена принят процесс в неподвижном слое
катализатора с рециркуляцией продуктов реакции. Технологические схемы получения
оксида этилена каталитическим окислением этилена очень разнообразны. Они
отличаются составом газа, поступающего на окисление, окисляющим агентом (воздух
или кислород), направлением потока газа в реакторе (ввод сверху или снизу),
способе съема тепла (циркулирующим или кипящим теплоносителем может быть
кипящая вода), давлением при окислении и т.д.
Все технологические схемы производства оксида этилена
каталитическим окислением этилена, осуществляемые в промышленности, протекают
на неподвижном слое катализатора в трубчатых аппаратах
2.
Обоснование выбора оптимальных условий процесса
2.1 Связь
селективности с кинетикой
Свяжем селективность процесса с его кинетикой. Обозначим
вещества, участвующие в реакциях буквами:
А - этилен,
Y - кислород,
B - оксид этилена,
С - диоксид углерода,
D - вода.
Тогда реакции, протекающие в системе можно записать в буквенном
виде:
Концентрации веществ участников реакции:

;

;

;

,
где 
- мольное соотношение исходных реагентов;

- начальные концентрации компонентов А и Y, моль/л;

- текущие концентрации компонентов A, Y, B, C, D, моль/л;

- степень превращения компонента А;

- интегральная селективность целевого продукта В по ключевому
реагенту А.
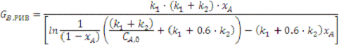
Определим дифференциальную селективность целевого продукта В по
ключевому реагенту А:

(2.1)
где 
, 
- скорость образования (расходования) компонентов А и В;

, 
- стехиометрические компоненты А и В;
r1, r2 - скорость прямой и побочной реакции;
k1, k2 - константы скорости прямой и побочной реакции;
Определим интегральную селективность целевого продукта В по
ключевому реагенту А для различных типов реакторов.

(2.2)

(2.3)

;
Значит, интегральная селективность целевого продукта В по
ключевому реагенту А не зависит от типа реактора.
Определим удельную производительность по целевому продукту В для
всех типов реакторов:

=
, (2.4)
где FA,0 - начальные мольный поток вещества А, моль/с;
FВ -
мольный поток вещества В, моль/с;
mкат -
масса гетерогенного катализатора, г.

(2.5)

(2.6)

, (2.7)
где nB - мольное количество вещества В, моль;
t - время реакции, с;
t0 - время
непроизводительных затрат, с;
t=
(2.8)

(2.9)

(2.10)
где 
Определим скорость расходования ключевого реагента А.
Вычислим значение определенного интеграла:
Подставляя полученные значения в выражения для удельных
производительностей, получим:
Подставляем полученные выражения в программу, изучаем результаты
программы, а затем строим график зависимости интегральной селективности
реактора от температуры, а также строим графики зависимости удельных
производительностей различных типов реакторов от степени превращения компонента
Y (кислорода) при различных температурах и
коэффициента избытка кислорода.
Согласно литературным данным концентрационный предел взрываемости
газов в смеси с воздухом при температуре окружающей среды 200С и
0,1013 МПа:
нижний 2,5;
верхний 34.
3.
Материальный баланс установки получения оксида этилена
Исходные данные для расчета
Товарный продукт должен содержать не менее 20% основного
вещества. В исходном этилене содержится 1,5% этана. В воздухе наличием примесей
кроме азота пренебречь. Производительность установки 95000 тонн в год.
Оптимальные условия процесса:
Температура T = 2100С=483К
Коэффициент избытка кислорода ??=0,35
Интегральная селективность этилена в целевой продукт 
Степень превращения кислорода Xу= 100%
Степень превращения этилена Xа = 27,821%
Начальная концентрация этилена СА0, опт = 9,340839
10-3 моль/ (л
с)
Удельная производительность РИВ GbRIV= 0,8515
10-5 моль/ (л
с)
Время пребывания tRIV
= 5,83 с
Основная реакция:
С2H4 + 1/2 O2 = C2H4O (1)
Побочная реакция:
С2H4 + 3 O2 =2 CO2 + 2 H2O (2)
Потери оксида этилена по всем стадиям составляют 3,5%.
Примем, что потери этилена с абгазами 3,5 кг/т
Расчет ведем на 1 тонну (1000 кг) товарного продукта.
Масса оксида этилена, содержащегося в 1000 кг товарного продукта
равна:
Масса оксида этилена с учетом потерь составит:
Масса потерь оксида этилена составит:
,08-995=36,08 кг/т
Масса этилена, пошедшего на 1-ю реакцию:
Масса этилена, пошедшего на обе реакции:
Масса этилена, пошедшего на 2-ю реакцию:
,64-656,14=285,5
Масса этилена, поступившего в реактор равна:
Масса непрореагировавшего этилена составит: 3116,98-941,61=2175,3
кг/т
Масса примесей в свежем этилене:
Масса примесей в рециркулируемом этилене составит:
Суммарная масса примесей в этилене равна:
,17+32,577=46,75 кг/т или
Масса технического этилена (с примесями) равна:
,98+46,75=3163,73 кг/т
Масса получаемого диоксида углерода составляет:
Масса получаемой воды равна:
Масса кислорода, пошедшего на 1-ю реакцию равна:
Масса кислорода, пошедшего на 2-ю реакцию равна:
Масса кислорода, пошедшего на обе реакции равна:
Масса азота, поступившего в реактор равна:
Масса воздуха, поступившего в реактор равна:
,8+5092,8=6446,5 кг/т
Табл. 3.1
Материальный баланс узла выпаривания
|
Приход
|
Расход
|
|
№ пот.
|
Наименование
|
кг/т
|
кг/ч
|
№ пот.
|
Наименование
|
кг/т
|
кг/ч
|
|
1
|
Этилен
технический
|
3163,73
|
41317,67
|
1
|
Реакционная
смесь
|
9610,23
|
125510,7
|
|
1.1
|
Свежий этилен
|
3,5
|
45,71
|
1.1
|
Оксид этилена
|
1031,08
|
13465,9
|
|
1.1.1
|
Этилен
|
941,64
|
12297,8
|
1.2
|
Диоксид
углерода
|
897,28
|
11718,4
|
|
1.1.2
|
Примеси
|
14,! 7
|
185,0
|
1.3
|
Вода
|
367,07
|
4793,9
|
|
1.2
|
Этилен рецикл
|
2204,42
|
28789,7
|
1.4
|
Этилен
|
2175,34
|
28409,9
|
|
1.2.1
|
2175,34
|
28363,7
|
1.5
|
Кислород
|
0
|
0
|
|
1.2.2
|
Примеси
|
32,577
|
422,8
|
1.6
|
Азот
|
5092
|
66511,9
|
|
2
|
Воздух
|
6446,5
|
84192,5
|
1.7
|
Примеси
|
46,75
|
610,55
|
|
2.1
|
Кислород
|
1353,8
|
17680,6
|
|
|
|
|
|
2.2
|
Азот
|
5092,8
|
66511,9
|
|
|
|
|
|
Итого
|
9610,23
|
125510,7
|
|
Итого
|
9610,23
|
125510,7
|
4.
Энергетический баланс установки
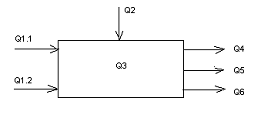
Схема тепловых потоков реактора синтеза оксида этилена
1 - тепло, приходящее с этиленом;
Q1.1 - тепло, приходящее со свежим этиленом;
Q1.2 - тепло, приходящее с рециркулирующим этиленом;
Q2 - тепло, приходящее с воздухом;
Q3 - суммарное тепло химических реакций;
Q5-тепло, уходящее с реакционной массой;
Q6 - тепло, отводимое в теплообменном аппарате.
Если агрегатное состояние теплоносителя не изменяется, то
тепловая нагрузка может быть вычислена следующим образом:


- массовый расхож i-го компонента,
кг/ч;

- изобарная теплоемкость i-го компонента, кДж/ (кг∙К);

- температура i-го компонента,
K.
Теплота химической реакции может быть найдена следующим образом:

,

- энтальпия химической реакции в стандартных условиях при T=483,15 К.
Изобарные теплоемкости веществ при Т=2100С
Табл. 4.1
|
Вещество
|
Этилен
|
Кислород
|
Азот
|
Диоксид
углерода
|
Вода
|
Оксид этилена
|
|
Ср, кДж/ (кг∙К)
|
1,75
|
0,87
|
0,97
|
0,88
|
1,75
|
1,29
|
Определим количество тепла, прошедшего со свежим этиленом
Q1.1= Qсв. этилен= 45,71∙1,75∙483,15= 38648,37
кДж/ч = 10,7356 кВт
Q1.2= Qсв. этилен= 28789,7∙1,75∙483,15=
24342051 кДж/ч = 6761,68 кВт
Количество тепла, пришедшее с этиленом:
Q1= Q1.1+ Q1.2 =6772,41 кВт
Определим количество сырья, пришедшее с воздухом:
Q2= Qвозд = Qкисл+ Qазот
Qкисл= 17680,6∙0,87∙483,15 = 7431872,244
кДж/ч=2064,4089 кВт
Qазот= 66511,9 ∙0,97∙483,15 = 31171167,75
кДж/ч = 8658,65 кВт
Q2= 10723,05 кВт
Определим суммарное тепло химических реакций:

= 0,6968
Определим потери тепла в окружающую среду. Примем, что потери в
окружающую среду составляют 5% от количества тепла, поступающего в реактор.
Определим количество тепла, уходящего с реакционной массой:

=

Определим количество тепла, отводимого с теплоносителя. Из закона
сохранения энергии следует:
Q1+ Q2+ Q3= Q4+ Q5+ Q6
Q6 =
6772,41 +10723,06 + 38650,43 - 2807,295-20315,745= 33022,86 кВт
Энергетический баланс синтеза этиленгликоля
Табл. 4.2
|
Приход
|
Расход
|
|
№ потока
|
Наименование
|
кВт
|
№ потока
|
Наименование
|
кВт
|
|
1
|
Тепло,
пришедшее с этиленом
|
6772,41
|
1
|
Потери тепла в
окружающую среду
|
2807,295
|
|
1.1
|
Тепло,
пришедшее со свежим этиленом
|
10,7356
|
2
|
Тепло, уходящее
с реакционной массой
|
20315,745
|
|
1.2
|
Тепло,
рециркулирующего этилена
|
6761,68
|
3
|
Тепло,
относимое с теплоносителя
|
33022,86
|
|
2
|
Тепло,
пришедшее с воздухом
|
10723,06
|
|
|
|
|
3
|
Суммарное тепло
химических реакций
|
38650,43
|
|
|
|
|
|
|
|
|
|
|
Итого
|
56145,9
|
|
Итого
|
56145,9
|
5. Расчет
основных конструктивных размеров аппаратов и выбор материалов для его
изготовления
5.1 Выбор
реактора
Реактор является аппаратом по гидродинамическому режиму
близким к модели идеального вытеснения. Процесс окисления этилена в неподвижном
слое катализатора (серебро на носителе) обычно проводится в трубчатом
контактном аппарате, причем через трубки, заполненные катализатором,
пропускается реакционная газовая смесь, а выделяющееся тепло снимается
теплоносителем, находящимся в межтрубном пространстве [1].
5.2 Выбор
конструкционного материала
Оксид этилена под влиянием различных факторов проявляет
склонность к полимеризации, что при быстро идущем процессе полимеризации в
сосуде может создать высокое давление, приводящее к взрыву. Взрывы оксида
этилена происходят при недостаточном отводе тепла при взаимодействии оксида
этилена с металлическим калием, с некоторыми хлоридами металлов, оксидом
алюминия, серной кислотой, растворами щелочей и другими реагентами, входящими в
состав сталей различных марок [1]. Поэтому в качестве конструкционного
материала выбираем хромоникелевую сталь аустенитной структуры Х18Н10Т,
содержащую 18% хрома, 10% никеля и титан (скорость коррозии ее не менее 0,1
мм/год, коэффициент теплопроводности λст=16,3 Вт/м*к), причем из
этого материала необходимо изготовить все оборудование, соприкасающееся с
оксидом этилена: смесители, реактор, насосы, котел-утилизатор, абсорбер,
десорбер, колонну ректификации, кипятильник, теплообменные аппараты,
компрессоры, парциальные конденсаторы и трубопровод [8, 10].
5.3 Расчет
габаритных размеров реактора синтеза оксида этилена

- объемная доля i-го компонента
реакционной смеси, %, об.

- плотность i-го компонента
газовой смеси в оптимальных условиях, кг/м3
Рассмотрим состав, поступающий в реактор смеси:
mэ= mэ. свеж+ mэ. рецикл=58,77+29078,61=
29137,38 кг/ч

17866,08 кг/ч

58809,18 кг/ч

= 55,58%
Плотность компонента смеси в оптимальных условиях равна:
Тогда плотность смеси составит:
Определим время пребывание реакционной смеси в реакторе:
A= 0,3021

-

τ=
Определим объем свободного реакционного пространства:
Принимаем, что длина трубок реактора равна 
=15 м, а диаметр 25x2 мм.
Определим площадь сечения одной трубки:
Определим объем одной трубки:
Определим количество трубок в аппарате:
Примем к установке аппарат с числом трубок nт=13600 щт и поверхностью теплообмена Fт = 14138
м2.
Определяем число аппаратов:
Принимаем к установке 6 аппаратов.
Определяем объемный поток смеси:
Определяем площадь сечения аппарата (одного хода по трубкам):
Определим фиктивную скорость потока реагентов:
Определим истинную скорость потока реагентов:

коэффициент пористости катализатора, равный 0,3.
Наиболее распространенный способ размещения трубок по сторонам
правильных треугольников (так называемый шахматный пучок), он наиболее компактен.
=
Принимаем, что число труб по стороне наибольшего шестиугольника a=68 шт, 
- число труб по диоганали наименьшего шестиугольника.
Определим расстояние между осями труб (шаг). Шаг принимаем а
зависимости от наружного диаметра труб dн и
способа их крепления. Пусть трубы в трубных решетках крепятся вальцовкой.
Для сварных труб шаг принимается в пределах:
t= (1,2
1,25) dн
t=1,2
dн=1,2 
0,025=0,03 м
Определим внутренний диаметр аппарата:
D = t
(b-1) +4
dн = 0,03
(135-1) +4
0,025=4,12 м
Вычисляем значения внутреннего диаметра конуса аппарата; округляем
до стандартного значения диаметра D=4,2 м
3. Программа
на языке QBASIC
CLS"c: \PROGRAMM.
BAS" FOR OUTPUT AS #1= 8.31#1, "T,OC", "INT. SEL. PROC.
"TO = 210 TO 310 STEP 10= TO + 273.15= EXP (9.05 - 63800/ (R * Т))= EXP (13 - 83000/ (R *
Т))= (Kl / (Kl
+ K2) * 100#1, TO, FOTOTO = 210 TO 230 STEP 10#1, "T="; TO; "ОС"= TO +
273.15= 28.5= 32= Ma * 273.15 * 100000/ (22.4 *T * 101325)= My * 273.15 *
100000/ (22.4*T * 101325)b =.1 TO 0.5 STEP.001= 1/ (Ma / Pa + (b * My / Py)
/.21)% = C * 22.4 * T / T0#1, "b="; b, "CAO="; CAO,
"CAO%="; CAO%#1, "Xa,proc.", "GbRIV,mol/ (g*s)",
"GbRPS, mol/ (g*s)", "tRIV, min", "tRPS, min"Xyl
=.1 TO 85 STEP 21= Xyl / 100= CAO * b= EXPO.05 - 63800/ (R * T))= EXP (13 -
83000/ (R * T))
К = Kl + K2
КО = Kl +.6 * K2= Kl / К= Xy * Су / (CAO * (.5
* F + 3 * (1 - F)))= Xa * 100= Kl * CAO * (1 - Xa) / (1 + CAO * Xa * F +.6 *
CAO * Xa * (1 - F))= K2 * CAO * (1 - Xa) / (1 + CAO * Xa * F +.6 * CAO * Xa *
(1 - F))= rl + r2= Kl * К * Xa / (LOG (1/ (1 - Xa)) * (K / CAO + КО) - КО * Xa)#1, Xa,
Xyl, GbRIV= Kl * К * (1 - Xa) / (K + CA0 * Xa + K0)= CA0 * 1/ (K1 + K2) ^ 2 * (LOG
(1/ (1 - Xa)) * ( (K1 + K2) / CA0 + (K1 +.6 * K2) - (K1 +.6 * K2) * Xa= (Xa* (
(K1 + K2) + CA0 * Xa * (K1 +.6 * K2))) / ( (K1 + K2) ^ 2* (1 - Xa))XylXyl = 85
TO 100 STEP 3,75= Xyl / 100= CAO * b
Kl = EXP (9.05 - 63800/
(R * T))= EXP (13 - 83000/ (R * T))
К = Kl + K2
КО = Kl +.6 * K2= Kl / К= Xy * CyO / (CAO *
(.5*F+3* (1 - F)= Xa * 100= Kl * CAO * (1 - Xa) / (1 + CAO * Xa * F +.6 * CAO *
Xa* (1 - F))= K2 * CAO * (1 - Xa) / (1 + CAO * Xa * F +.6 * CAO * Xa* (1 - F))=
r1 + r2= Kl * К * Xa / (LOG
(1/ (1 - Xa)) * (K / CAO + КО) - КО * Xa)= Kl * К * (1 - Xa) / (K + CA0 * Xa + K0)= CA0 * 1/ (K1 + K2) ^ 2 *
(LOG (1/ (1 - Xa)) * ( (K1 + K2) / CA0 + (K1 +.6 * K2) - (K1 +.6 * K2) * Xa=
(Xa* ( (K1 + K2) + CA0 * Xa * (K1 +.6 * K2))) / ( (K1 + K2) ^ 2* (1 - Xa))#1,
Xal, Xyl, GbRIV, GbRPC, tRIV, tRPCXylbTO #1
END
4. Результаты
программы
T,0C INT.SEL.PROC.
210 69.67978
220 67.59289
230 65.52074
240 63.47205
250 61.45447
260 59.47458
270 57.53792
280 55.64904
290 53.81159
300 52.02832
310 50.30124
T= 210 0C= .35 CA0= 9.340839E-03 CA0%= 37.0177
____________________________________________________________________
| Xa | Xy | GbRIV,mol/ (g*s) | Gbrps,mol/ (g*s) |
tRIV,c | tRPS,c |
==============================================================
| 0.027822 | 0.10 | 0.9989E-05 | 0.5312E-05 |
0.4528E+00 | 0.1813E+00
| 5.870403 | 21.10 | 0.9692E-05 | 0.4206E-05 |
0.4672E+01 | 0.4065E+02
| 11.712984 | 42.10 | 0.9389E-05 | 0.3404E-05 |
0.4775E+01 | 0.8651E+02
| 17.555567 | 63.10 | 0.9079E-05 | 0.2795E-05 |
0.4866E+01 | 0.1389E+03
| 23.398146 | 84.10 | 0.8761E-05 | 0.2317E-05 |
0.5047E+01 | 0.1994E+03
| 23.648544 | 85.00 | 0.8747E-05 | 0.7613E-05 |
0.5269E+01 | 0.1179E+03
| 24.691862 | 88.75 | 0.8690E-05 | 0.7509E-05 |
0.5459E+01 | 0.1214E+03
| 25.735182 | 92.50 | 0.8632E-05 | 0.7404E-05 |
0.5550E+01 | 0.1248E+03
| 26.778498 | 96.25 | 0.8574E-05 | 0.7299E-05 |
0.5643E+01 | 0.1280E+03
| 27.821815 | 100.00| 0.8515E-05 | 0.7195E-05 |
0.5837E+01 | 0.1311E+03=.36 CA0= 9.176964E-03 CA0%= 36.3683
_____________________________________________________________________
| Xa | Xy | GbRIV,mol/ (g*s) | Gbrps,mol/ (g*s) |
tRIV,c | tRPS,c |
+==============================================================
| 0.028617 | 0.10 | 0.9814E-05 | 0.5218E-05 |
0.4980E+00 | 0.1865E+00
| 6.038129 | 21.10 | 0.9514E-05 | 0.4118E-05 |
0.5188E+02 | 0.4189E+02
| 12.047640 | 42.10 | 0.9207E-05 | 0.3322E-05 |
0.5223E+02 | 0.8933E+02
| 18.057152 | 63.10 | 0.8893E-05 | 0.2719E-05 |
0.5306E+03 | 0.1438E+03
| 24.066664 | 84.10 | 0.8571E-05 | 0.2247E-05 |
0.5405E+03 | 0.2069E+03
| 24.324217 | 85.00 | 0.8557E-05 | 0.7413E-05 |
0.5527E+03 | 0.1202E+03
| 25.397343 | 88.75 | 0.8499E-05 | 0.7308E-05 |
0.5620E+03 | 0.1237E+03
| 26.470470 | 92.50 | 0.8440E-05 | 0.7202E-05 |
0.5815E+03 | 0.1271E+03
| 27.543598 | 96.25 | 0.8381E-05 | 0.7096E-05 |
0.5911E+03 | 0.1303E+03
| 28.616726 | 100.00| 0.8322E-05 | 0.6990E-05 |
0.6009E+03 | 0.1334E+03=.37 CA0= 9.018741E-03 CA0%= 35.7413
______________________________________________________________________
| Xa | Xy | GbRIV,mol/ (g*s) | Gbrps,mol/ (g*s) |
tRIV,c | tRPS,c |
+==============================================================
| 0.029412 | 0.10 | 0.9645E-05 | 0.5128E-05 |
0.5032E+00 | 0.1917E+00
| 6.205855 | 21.10 | 0.9341E-05 | 0.4033E-05 |
0.5105E+02 | 0.4313E+02
| 12.382298 | 42.10 | 0.9031E-05 | 0.3243E-05 |
0.5271E+02 | 0.9216E+02
| 18.558741 | 63.10 | 0.8714E-05 | 0.2646E-05 |
0.5346E+03 | 0.1487E+03
| 24.735184 | 84.10 | 0.8388E-05 | 0.2179E-05 |
0.5562E+03 | 0.2145E+03
| 24.999889 | 85.00 | 0.8374E-05 | 0.7220E-05 |
0.5685E+03 | 0.1224E+03
| 26.102825 | 88.75 | 0.8315E-05 | 0.7114E-05 |
0.5882E+03 | 0.1259E+03
| 27.205763 | 92.50 | 0.8255E-05 | 0.7007E-05 |
0.5981E+03 | 0.1293E+03
| 28.308699 | 96.25 | 0.8195E-05 | 0.6900E-05 |
0.6080E+03 | 0.1325E+03
| 29.411634 | 100.00| 0.8135E-05 | 0.6793E-05 |
0.6182E+03 | 0.1356E+03=.38 CA0= 8.865881E-03 CA0%= 35.1355
______________________________________________________________________
| Xa | Xy | GbRIV,mol/ (g*s) | Gbrps,mol/ (g*s) |
tRIV,c | tRPS,c |
===============================================================
| 0.030207 | 0.10 | 0.9481E-05 | 0.5041E-05 |
0.5084E+00 | 0.1968E+00
| 6.373580 | 21.10 | 0.9175E-05 | 0.3951E-05 |
0.5122E+01 | 0.4437E+02
| 12.716953 | 42.10 | 0.8862E-05 | 0.3167E-05 |
0.5221E+01 | 0.9501E+02
| 19.060329 | 63.10 | 0.8541E-05 | 0.2576E-05 |
0.5386E+01 | 0.1536E+03
| 25.403702 | 84.10 | 0.8211E-05 | 0.2114E-05 |
0.5420E+01 | 0.2223E+03
| 25.675562 | 85.00 | 0.8197E-05 | 0.7034E-05 |
0.5644E+01 | 0.1246E+03
| 26.808306 | 88.75 | 0.8137E-05 | 0.6926E-05 |
0.5745E+01 | 0.1281E+03
| 27.941051 | 92.50 | 0.8076E-05 | 0.6818E-05 |
0.5947E+01 | 0.1315E+03
| 29.073795 | 96.25 | 0.8016E-05 | 0.6710E-05 |
0.6150E+01 | 0.1346E+03
| 30.206543 | 100.00| 0.7955E-05 | 0.6603E-05 |
0.6283E+01 | 0.1377E+03=.39 CA0= 8.718116E-03 CA0%= 34.5499
_____________________________________________________________________
| Xa | Xy | GbRIV,mol/ (g*s) | Gbrps,mol/ (g*s) |
tRIV,c | tRPS,c |
==============================================================
| 0.031001 | 0.10 | 0.9323E-05 | 0.4957E-05 |
0.4935E+00 | 0.2020E+00
| 6.541306 | 21.10 | 0.9014E-05 | 0.3873E-05 |
0.5239E+01 | 0.4562E+02
| 13.051610 | 42.10 | 0.8697E-05 | 0.3094E-05 |
0.5372E+01 | 0.9789E+02
| 19.561914 | 63.10 | 0.8373E-05 | 0.2509E-05 |
0.5427E+01 | 0.1587E+03
| 26.072220 | 84.10 | 0.8039E-05 | 0.2052E-05 |
0.5679E+01 | 0.2302E+03
| 26.351234 | 85.00 | 0.8025E-05 | 0.6854E-05 |
0.5804E+01 | 0.1267E+03
| 27.513786 | 88.75 | 0.7964E-05 | 0.6745E-05 |
0.5908E+01 | 0.1302E+03
| 28.676342 | 92.50 | 0.7903E-05 | 0.6636E-05 |
0.6114E+01 | 0.1335E+03
| 29.838896 | 96.25 | 0.7842E-05 | 0.6527E-05 |
0.6281E+01 | 0.1367E+03
| 31.001451 | 100.00| 0.7780E-05 | 0.6419E-05 |
0.6330E+01 | 0.1397E+03=.3999999 CA0= 8.575196E-03 CA0%= 33.9835
_____________________________________________________________________
| Xa | Xy | GbRIV,mol/ (g*s) | Gbrps,mol/ (g*s) |
tRIV,c | tRPS,c |
==============================================================
| 0.031796 | 0.10 | 0.9170E-05 | 0.4876E-05 |
0.5387E+00 | 0.2072E+00
| 6.709032 | 21.10 | 0.8858E-05 | 0.3797E-05 |
0.5556E+02 | 0.4687E+02
| 13.386266 | 42.10 | 0.8539E-05 | 0.3024E-05 |
0.5724E+02 | 0.1008E+03
| 20.063501 | 63.10 | 0.8211E-05 | 0.2444E-05 |
0.5868E+03 | 0.1638E+03
| 26.740736 | 84.10 | 0.7874E-05 | 0.1992E-05 |
0.5938E+03 | 0.2383E+03
| 27.026903 | 85.00 | 0.7859E-05 | 0.6679E-05 |
0.6164E+03 | 0.1287E+03
| 28.219267 | 88.75 | 0.7798E-05 | 0.6570E-05 |
0.6272E+03 | 0.1322E+03
| 29.411633 | 92.50 | 0.7736E-05 | 0.6460E-05 |
0.6381E+03 | 0.1356E+03
| 30.603992 | 96.25 | 0.7674E-05 | 0.6350E-05 |
0.6493E+03 | 0.1387E+03
| 31.796356 | 100.00| 0.7611E-05 | 0.6241E-05 |
0.6506E+03 | 0.1416E+03=.4099999 CA0= 8.436887E-03 CA0%= 33.4354 o
_____________________________________________________________________
| Xa | Xy | GbRIV,mol/ (g*s) | Gbrps,mol/ (g*s) |
tRIV,c | tRPS,c |
+==============================================================
| 0.032591 | 0.10 | 0.9022E-05 | 0.4797E-05 |
0.5539E+00 | 0.2124E+00
| 6.876758 | 21.10 | 0.8708E-05 | 0.3724E-05 |
0.5674E+02 | 0.4813E+02
| 13.720922 | 42.10 | 0.8385E-05 | 0.2957E-05 |
0.5776E+02 | 0.1037E+03
| 20.565088 | 63.10 | 0.8054E-05 | 0.2382E-05 |
0.5809E+03 | 0.1689E+03
| 27.409252 | 84.10 | 0.7713E-05 | 0.1935E-05 |
0.6098E+03 | 0.2465E+03
| 27.702576 | 85.00 | 0.7698E-05 | 0.6511E-05 |
0.6125E+03 | 0.1307E+03
| 28.924747 | 88.75 | 0.7636E-05 | 0.6400E-05 |
0.6236E+03 | 0.1342E+03
| 30.146921 | 92.50 | 0.7573E-05 | 0.6289E-05 |
0.6349E+03 | 0.1375E+03
| 31.369093 | 96.25 | 0.7511E-05 | 0.6179E-05 |
0.6565E+03 | 0.1406E+03
| 32.591267 | 100.00| 0.7447E-05 | 0.6068E-05 | 0.6682E+03 |
0.1435E+03
5.
Графическое обоснование результатов
Рис.1 Зависимость интегральной селективность от температуры
Рис.2 Зависимость удельной производительности от конверсии.
Рис.3 Зависимость интегральной селективности от конверсии.
Таким образом можно сделать вывод, что оптимальные условия
ведения процесса достигаются в реакторе идеального вытеснения.
Оптимальные условия процесса для РИВ:
Температура Tопт = 2100С=483К
Коэффициент избытка кислорода ??=0,35
Интегральная селективность этилена в целевой продукт 
Степень превращения кислорода Xy = 100%
Степень превращения этилена Xa = 27,821%
Начальная концентрация этилена СА0, опт = 9,34
10-3 моль/ (л
с)
Удельная производительность РИВ GbRIV= 0,8515
10-5 моль/ (л
с)
Время пребывания tRIV
= 5,83 с
Заключение
Удельная производительность в реакторе
идеального вытеснения больше, чем в реакторе полного смешения, время пребывание
в реакторе идеального вытеснения меньше, чем в реакторе полного смешения.
Поэтому целесообразно проводить процесс в реакторе идеального вытеснения.
Список
использованной литературы