Модернизация автоматизированной системы регулирования температуры стенда сушки промковшей
Содержание
Введение
1 Общая часть
1.1 Описание технологического
процесса
1.2 Описание автоматизированного
объекта и его технические характеристики - регулируемые величины, управляющие и
возмущающие воздействие и характер изменения во времени
.3 Технические требования к САР
- допустимые ошибки в установившихся режимах, прямые показатели качества
переходных режимов
.4 Анализ известных вариантов
САР
2 Расчетная часть
2.1 Составление функциональной
схемы САР и выбор принципиальных схем ее элементов
2.2 Описание функциональной схемы
разрабатываемой системы
.3 Выбор
измерительно-преобразовательных элементов (первичных и вторичных), диапазон
измерения, условия работы, инерционность, вопросы сглаживания с устройствами
.4 Выбор исполнительных
устройств
.5 Математическое описание САР
и выбор автоматического управляющего устройства (АУУ)
2.5.1 Определение математической
модели объекта- статические характеристики, кривая разгона, частотные
характеристики
2.5.2 Определение передаточных
функций измерительно-преобразовательных устройств и исполнительных устройств
.5.3 Выбор закона автоматического
управления в общем виде
.5.4 Выбор автоматического
управляющего устройства- на основе ПЛК
.5.5 Определение математической
модели САУ, исследованные на устойчивость
2.6 Расчет конфигурации устройства
управления и составление заказной спецификации
.7 Требования предъявляемые к ПО
АСУТПиП
2.8 Требования к базовому
фирменному программному обеспечению
2.8.1 Требования и характеристика
используемого системного ПО
2.8.2 Требование и характеристика
используемого программного обеспечение инструментальных средств разработки,
отладки и документирования
2.9 Требования и характеристика
используемого прикладного программного обеспечения
2.9.1 Требования и характеристика
используемого прикладного программного обеспечения
2.9.2 Требование и характеристика
средств создания и отладки прикладного ПО
2.10 Спецификация выбранного
оборудования
3 Организация производства и труда
3.1 Монтаж датчиков
3.2 Маркировка труб, кабелей
.3 Монтаж ПЛК
.4 Монтаж РО и ИМ
.5 Проверка датчиков, вторичных
приборов
.6 Наладка программного
обеспечения
.7 Структура, функции и задачи
служб эксплуатации
.8 Кабельный журнал
.9 План трасс трубных проводок
4 Экономика производства
4.1 Расчет затрат на модернизацию
системы
4.2 Расчет годовой экономии
.3 Расчет годового
экономического эффекта и срока окупаемости капитальных вложений
.4 Расчет экономической
эффективности
5 Безопасность жизнедеятельности
5.1 Организация рабочего места
электромонтера по обслуживанию
САУ, САР участка, оснащение
инструментом и измерительной аппаратурой
5.2 Организационные и технические
мероприятия, обеспечивающие безопасность работ с автоматизированной системой
управления
5.3 Противопожарные мероприятия,
проводимые в цехе
.4 Экологические мероприятия по
охране окружающей среды
Заключение
Литература
Приложения
Введение
модернизация
стенд сушка промковш
В последние два десятилетия в науке и
промышленности ведутся серьезные исследования, направленные на увеличение
производительности МНЛЗ и минимизацию затрат, непосредственно связанных с
организацией процесса литья. Крайне важным технологическим элементом, является
обеспечение высокого показателя серийности разливки непосредственно из одного
промковша. Это обеспечивает стабильность работы МНЛЗ, а также снижает удельные
затраты на огнеупоры, обеспечивающие литье, и удельные отходы металла,
связанные с остановкой МНЛЗ.
В настоящее время на большинстве
металлургических предприятий для разливки стали из сталеплавильных агрегатов
применяются ковши, футерованные различными огнеупорными материалами.
После окончания ремонта футеровки ковш
необходимо предварительно высушить при температуре от 50...750°С, а после этого
нагреть для приема стали. Обязательный предварительный нагрев футеровки перед
приемом стали необходим для снижения последствий от тепловой удара при контакте
футеровки с расплавленной сталью.
Процессу сушки футеровки необходимо уделять
пристальное внимание, поскольку при резком разогреве футеровки с высокой
остаточной влажностью, а особенно при контакте ее с расплавленной сталью
происходят локальные разрушения, что приводит к снижению ресурса ковша, а в
некоторых случаях, в последствии, и к возникновению аварийных ситуаций.
Поэтому сушку и разогрев футеровки ковшей
необходимо производить по строго определенной программе, как правило,
выдаваемой фирмой производителем материала для футеровки. Однако для ковшей
футерованных кирпичом разогрев по заданной программе не менее важен, т.к.
позволяет существенно увеличить ресурс футеровки.
Для решения этой задачи применяются установки
сушки и разогрева футеровки ковшей. Состав любой такой системы выглядит
следующим образом:
Газогорелочное устройство
Запорная арматура с блоком регулирования
мощности
Система управления, с набором датчиков и
исполнительных устройств
Очень важным пунктом при проектировании такого
рода систем является выбор горелки, которые являются передаточным звеном между
системой подачи топлива и технологическим процессом. Именно тип, мощность и
способы установки выбранной горелки определяют эффективность процессов
теплообмена в рабочем пространстве.
Не менее важным пунктом является и выбор
оптимального способа регулирования тепловой мощности. Метода плавного изменения
мощности горелок в данном случае оказывается недостаточно, т.к. выпускаемый на
данный момент ассортимент горелок не перекрывает весь необходимый диапазон
мощностей.
Поэтому наиболее оптимальным для данных систем
является комбинированный метод регулирования, т.е. когда на разных стадиях
протекания процесса применяется или плавное регулирование или импульсно
дискретное изменение мощности. При этом следует отметить, что такое
регулирование позволяет повысить эффективность использования топлива и
соответственно повышается КПД всей системы.
Помимо этого применение импульсного режима
приводит к тому, что тепловой поток постоянно перемещается по высоте ковша, что
в свою очередь способствует более равномерному прогреву футеровки и снижает
вероятность возникновения локальных перегревов.
1 Общая часть
1.1 Описание технологического процесса
объекта
При разливке стали открывают шиберный затвор
сталеразливочного ковша и начинают заполнение металлом промежуточного ковша.
Непосредственно перед открытием шиберного затвора через стопор- моноблоки
начинают продувку аргоном с объемным расходом 3-10л/мин(2-15 л/мин). С началом
наполнения промежуточного ковша металлом в район стопоров подают
шлакообразующую смесь ШОС-ПК. После наполнения промежуточного ковша не менее
чем на одну треть его высоты открывают стопора и начинают наполнение
кристаллизаторов металлом (время заполнения 60-80 с). Затем подают воду на
вторичное охлаждение. После прохождения зоны окончательного охлаждения металл
режется с помощью газорезки на мерные длины. Схема МНЛЗ представлена на рисунке
1.
Одним из путей повышения серийности разливки
МНЛЗ является улучшение состояния рабочего слоя футеровки промежуточного ковша.
Футеровка промковша после ремонта обрабатывается с помощью специальных с
стендов сушки (рис. 2).
Сушку рабочего слоя футеровки ковша,
выполненного в течение 6 ч по следующему графику: увеличение температуры до
250°С в течение 2 ч; выдержка при 250°С в течение 2 ч; подъем температуры до
450°С в течение 2 ч. Высушенный по рабочему слою ковш находился в ожидании
разогрева 1 - 2 сут.
Для сушки промковша используется природный газ и
воздух. Подача воздуха производится под давлением с помощью вентилятора в
область ковша. Природный газ по трубопроводу поступает в горелку, которая в
свою очередь подает газ в ковш. В процессе сжигания продукта сушки в области
ковша рабочая температура, которая будет меняться с течением времени, путем
повышения подачи горючего газа.
Рисунок 1 - Схема МНЛЗ
Рисунок 2 - Схема стенда сушки
1.2 Описание автоматизированного объекта и
его технические характеристики - регулируемые величины, управляющие и
возмущающие воздействие и характер изменения их во времени.
Сушка и нагрев производятся за счет тепловой
энергии горелок по температуре, измеряемой при помощи термопреобразователей.
Измерение температуры может быть реализовано на базе термоэлектрических
преобразователей или на базе инфракрасных пирометров.
Сушка промежуточных ковшей, как правило,
выполняется на участке ремонта, в этом случает, промежуточный ковш
устанавливается на неподвижный постамент. Установки нагрева промежуточных
ковшей обычно размещаются на рабочих площадках МНЛЗ и обеспечивают нагрев к
разливке, в этом случае промежуточный ковш устанавливается на тележку и
перемещается по рельсовому пути.
Стенд предназначен для разогрева футеровки
промежуточных ковшей. Разогрев производятся за счет тепловой энергии факелов
газо-воздушных горелок. Реализация режимов разогрева осуществляется с помощью
АСУ ТП по технологическим диаграммам или в ручном режиме.
Основной задачей системы управления является
отработка выбранных оператором температурно-временных диаграмм с контролем всех
основных параметров технологического процесса, а также немедленная реакция на
аварийные события в ходе нагрева. Кроме того, система должна обеспечивать
диалог с человеком, включающий:
· информирование о текущих значениях
параметров техпроцесса;
· редактирование
температурно-временных диаграмм;
· отображение сообщений об аварийных
событиях;
· ведение архива событий и его
отображение (по требованию).
АСУ обеспечивает:
· изменение температурно-влажностного
режима по заданной программе;
· стабилизацию
температурно-влажностных параметров процесса сушки;
· стабилизацию параметров
теплоносителя (температура, давление и т.д.);
· управление
отопительно-вентиляционным, электросиловым и иным оборудованием;
· визуализацию процесса сушки изделий,
цифровую индикацию, регистрацию, протоколирование и архивацию технологических
параметров, предупредительную и аварийную сигнализацию.
Управление горелками стендов осуществляется по
программе с помощью контроллера. Программа включает в себя выполнение 5-ти
режимов сушки в диапазоне температур от 50 ºС
до 750ºС
( ±5 ° С).
Давление природного газа от 0,4 МПа до 0,05 МПа,
расход вентиляторного воздуха от 200 до 4500 нм3/час.
На рис. 3 представлен общий вид стенда сушки.
Сушку рабочего слоя футеровки ковша проводили в
течение 6 ч по следующему графику: увеличение температуры до 250°С в течение 2
ч; выдержка при 250°С в течение 2 ч; подъем температуры до 450°С в течение 2 ч.
Вес установки 34 тонн.
Установка состоит из:
· горелки,
4шт;
· Вентилятор;
· магистраль регулирования воздуха;
· магистраль регулирования газа;
· распределительный шкаф.
Регулирование:
· количество измерения воздуха -
расходомер Prowirl
72, выходной сигнал 4-20 мА;
· количество измерения газа -
расходомер Prowirl
72, выходной сигнал 4-20 мА;
· регулирование количества воздуха -
поворотная, упорная заслонка;
· регулирование количества газа -
поворотная, упорная заслонка;
· регулирование температуры сушки -
термопреобразователь ТППТ.
Рисунок 3- стенд сушки промковша.
- крышка промковша.
- горелка.
- трубопровод подачи природного газа.
- трубопровод подачи воздуха.
- шкаф управления.
Горелку внутри ковша размещают на расстояние ее
торца от крышки в пределах 0,001-0,2 м и ориентируют факел горелки в
направлении дна ковша.
Температура в промежуточном ковше определяется
интенсивностью подвода и сжигания топлива и в этом смысле она является
регулируемым параметром. Однако температура в промежуточном ковше может
рассматриваться и как регулирующее воздействие по отношению, например, к
температуре нагрева футеровки. Футеровку ковшей необходимо сушить до
температуры не менее 750°С и не снижать ее ниже 50°С в течение всего цикла.
Узлы регулирования обеспечивают поддержание
заданной температуры в рабочем пространстве нагревательных ковшей.
.3 Технические требования к САР - допустимые
ошибки в установившихся режимах, прямые показатели качества переходного режима.
В системе должна быть предусмотрена зашита информации
от воздействия следующих факторов: аварий в системе электропитания и
кратковременных резких изменений напряжения питания с помощью источников
бесперебойного питания; несанкционированных действий пользователя путем
программной защиты, хранения эталона ПО и нормативно-справочной информации на
резервных носителях, периодического копирования информации на резервных
носителях и сверке её с эталоном, своевременной замене эталона и его защите от
несанкционированного доступа организационными мерами.
.4 Анализ известных вариантов САР.
Номер публикации патента: 2140831.
Изобретение относится к черной и
цветной металлургии и может применяться для сушки и нагрева футеровки промежуточных
ковшей. Устройство содержит неподвижную крышку, установленную с зазором
относительно верхнего торца ковша. Ковш завозится под стенд с помощью тележки
промковша, так как не имеется механизма для автоматического подъема крышки.
Данный стенд представлен на рисунке 4.
Рисунок 4 - стенд сушки известных
вариантов.
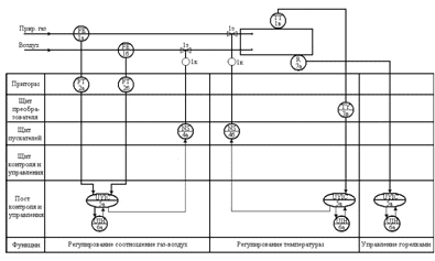
На рисунке 5 представлена
функциональная схема автоматизированной системы регулирования стенда сушки
промковшей.
Рисунок 5 - Функциональная схема САУ
В таблице 1 приведена спецификация
функциональной схемы.
Таблица 1 - Спецификация
|
Поз.
|
Наименование
|
Кол.
|
|
1а,
2б
|
Рабочие
области датчиков
|
2
|
|
1в
|
Термопреобразователь
ТППТ
|
1
|
|
1з
|
Поворотная
заслонка
|
2
|
|
1к
|
Исполнительный
механизм МЭО - 40/12,5 - 0.25
|
2
|
|
2а
|
Расходомер
природного газа Метран-100-ДД
|
1
|
|
2б
|
Расходомер
воздуха Метран-100-ДД
|
1
|
|
3а,
3б
|
Преобразователь
сигнала БИК- 40
|
2
|
|
3в
|
Вторичный
измерительный преобразователь ИП-Т10-09
|
1
|
|
4а,
4б
|
Бесконтактный
реверсивный пускатель ПБР-3А
|
2
|
|
5а
|
Программируемый
микроконтроллер Simatic серии S7-300
|
1
|
|
6а
|
АРМ
оператора
|
2
|
|
7а
|
Датчик
наличия пламени «Пламя-М07»
|
4
|
На рисунке 5 представлена схема для сушки
промковшей используемая в настоящем времени. Принцип действия ее заключатся в
следующем, после ремонта футеровки ковш нужно как следует высушить. В ковш
подается природный газ и воздух, расход которых регистрирует датчиками разности
давления Метран-100-ДД (FT) и отправляет данные о расходе в микропроцессорный
контроллер Simatic S7-300 (UYIC),
далее на АРМ (UIH). С
контроллера подается сигнал на исполнительный механизм МЭО, который в свою
очередь открывает заслонку на подачу воздуха. Температура в ковше измеряется
термопреобразователем ТППТ (TT), который посылает преобразованный сигнал на микропроцессорный
контроллер Simatic S7-300 (UYIC),
далее на АРМ (UIH). Изменение
температуры изменяется на АРМ (UIH),
сигнал с микропроцессорного контроллера Simatic S7-300
(UYIC) поступает на
исполнительный механизм МЭО, который в свою очередь открывает заслонку на
подачу воздуха. Наличие пламени регистрируется датчиком Пламя-М07 (R),
с которого сигнал поступает на контроллера Simatic S7-300
(UYIC), а далее на АРМ (UIH).
2 Расчетная часть
.1 Составление функциональной схемы САУ и выбор
принципиальных схем элементов её неизменяемой части
Для перехода к математической модели системы
представим функциональную схему на рисунке 6.
Рисунок 6 - Функциональная схема САУ после
модернизации
В таблице 2 приведена спецификация функциональной
схемы.
Таблица 2 - Спецификация
|
Поз.
|
Наименование
|
Кол.
|
|
1а,
2б
|
Рабочие
области датчиков
|
2
|
|
1в
|
Термопреобразователь
ТППТ
|
3
|
|
1з
|
Поворотная
заслонка
|
2
|
|
1к
|
Исполнительный
механизм МЭО - 40/25 - 0.25
|
2
|
|
2а
|
Расходомер
природного газа Prowirl 72
|
1
|
|
2б
|
Расходомер
воздуха Prowirl 72
|
1
|
|
3в
|
Вторичный
измерительный преобразователь ИП-Т10-09
|
1
|
|
4а,
4б
|
Бесконтактный
реверсивный пускатель ПБР-3А
|
2
|
|
5а
|
Программируемый
микроконтроллер Simatic серии S7-300
|
1
|
|
6а
|
АРМ
оператора
|
2
|
|
7а
|
Датчик
наличия пламени «Пламя-М07»
|
4
|
На рисунке 6 представлена схема для сушки
промковшей после модеонизации. Отличие ее от предыдущей заключатся в следующем
расход подачи природный газ и воздух осуществляется датчиками Prowirl 72 (FT) и
отправляет данные о расходе в микропроцессорный контроллер Simatic S7-300
(UYIC), далее на АРМ (UIH).
С контроллера подается сигнал на исполнительный механизм МЭО, который в свою
очередь открывает заслонку на подачу воздуха. Температура в ковше измеряется
термопреобразователем ТППТ (TT), который посылает преобразованный сигнал на
микроконтроллера Simatic S7-300
(UYIC), далее на АРМ (UIH).
Изменение температуры теперь может вестись как с пульта на АРМ (UIH)
так и программой, сигнал программируемого микроконтроллера Simatic S7-300
поступает на исполнительный механизм МЭО, который в свою очередь открывает
заслонку на подачу воздуха. Также для контролирования наличия пламени
установлен датчик Пламя-М07 (R).
.2 Описание функциональной схемы разрабатываемой
системы
Для перехода к математической модели системы
представим функциональную схему в более простом виде на рисунке 7.
В данной АСУ стендом сушки (рис. 7) в качестве
пульта управления (ПУ) используется персональный компьютер с установленной на
нем системой визуализации InTuch, которая позволяет как следить за
технологическим процессом так и вносить коррективы в процесс сушки промковшей.
Исполнительным механизмом (ИМ) в системе является МЭО-40 так как позволяет с
достаточной точностью отрабатывать сигнал поступающий с контроллера, механизм
МЭО-40 прост в обслуживании и способен работать в тяжелых промышленных
условиях. В качестве регулирующего органа (РО) используется поворотная, упорная
заслонка, выбор упорной заслонки обусловлен тем что при полном её закрытии
предотвращается утечка газа в область промковша. Объект регулирования (ОР) -
это горелки стенда. Чувствительным элементом (ЧЭ) системы является
термопреобразователь. Так же в системе установлены датчики расхода воздуха и
расхода газа Prowirl 72, которые не отображены на схеме так как используются только
для контроля расхода воздуха и газа. Установка датчиков Prowirl 72 вместо
расходомерных диафрагм позволяет отслеживать расход как газа так и воздуха с
высоко точностью, они имеют высокую отказоустойчивость, интуитивный интерфейс
настройки и функции самодиагностики. Сигналы с датчиков поступают на контроллер
S7-300. Замена CPU 313C-2 PTP на CPU 314C-2 PTP контроллера Simatic S7-300
обусловлена тем что после усовершенствования системы CPU 314C-2 PTP является
более гибким для модернизации, он полностью конфигурируется с датчиками и
исполнительными механизмами, достаточно просто осуществляется подключение к
промышленным сетям, обеспечивает высокую надежность работы за счет современной
конструкции.
Рисунок 7 - Упрощенная функциональная схема
.3 Выбор измерительно-пеобразовательных
элементов (первичных и вторичных) диапазон измерения, условия работы,
инерционность вопросы сглаживания с устройствами
Для измерения температуры рабочей среды
используется термопреобразователь (рис.8) градуировки ТПП (В) конструктивной
модификации 01.20-022 с термоэлектродами диаметром 0.5мм (А), класс допуска 3,
два изолированных (И2) рабочих спая, двойной чехол из алюмооксидной керамики
(К795) диаметром 20мм, общая монтажная длина (L) 800мм, длина керамической
части чехла ( lK) 600мм.
Рисунок 8 - ТППТ 01.22 с двойным чехлом
Технические характеристики термопреобразователя:
1. диапазон рабочих температур, оС - от 0
до 1300;
2. рабочее давление - 0,1 МПа;
. класс допуска - 1 и 2;
. метал металлургической арматуры
защитного чехла - С10 сталь 12Х18Н10Т;
. материал рабочей части защитного чехла:
· К530 - мулито-алюмосиликатная
керамика с содержанием Al2O3 не менее 80%;
· К795 - алюмооксидная керамика с
содержанием Al2O3 не менее 95%;
· К799 - алюмооксидная керамика с
содержанием Al2O3 не менее 99,5%.
Для измерения природного газа и воздуха
применяется Prowirl (рис. 9).
Вихревые расходомеры Prowirl предназначены для
измерения объемного расхода и объема мало-вязких жидкостей, насыщенного и
перегретого пара, газов: при значительных перепадах температуры измеряемой
среды и окружающего воздуха. Применение: в тепловых станциях,
газораспределительных узлах и пунктах в распределенных системах автоматического
контроля, регулирования и управления технологическими процессами, а так же в
автономном режиме.
Рисунок 9 - Вихревой расходомер Prowirl 72
Принцип измерения и конструкция.
Основан на принципе вихревой дорожки Кармана:
при обтекании потоком препятствия - вихревого тела первичного преобразователя
расхода, возникают завихрения, которые на его поверхностях вызывают перепады
давления, их частота пропорциональна скорости потока и объемному расходу
Вторичный электронный преобразователь фиксирует количество перепадов давления и
преобразует его в электрический аналоговый-цифровой сигнал.
Вихревой расходомер Prowirl 72 представляет
собой программируемое средство измерений и состоит из первичного вихревого
преобразователя расхода и электронной части в герметичном корпусе Настройка
прибора осуществляется соответственно условиям применения, как оперативно с
помощью кнопок на самом приборе, так и удаленно в программном режиме через интерфейс
цифровой коммуникации. Измерительная информация отображается на цифровом
жидкокристаллическом дисплее или на мониторе компьютера или контроллера. Монтаж
осуществляется непосредственно в трубопровод в зависимости от конструкции
преобразователя расхода: с помощью штуцеров, резьбовой монтаж.
Для регистрирования наличия пламени на всех
горелках установлены датчики «Пламя-М07». Пламя-М07 - предназначены для
непрерывного автоматического контроля наличия пламени в камерах сгорания
газотурбинных установок и сигнализации об отсутствии и наличии пламени. Все
характеристики представлены в таблице 3.
Таблица 3 - Технические характеристики
|
Освещенность
фотодатчика, лк, не более
|
20000
|
|
Инерционность,
с, не более
|
2
|
|
Температура
воздуха, °С,
|
окружающего
фотодатчик
|
от
-20 до +70
|
|
преобразователь
|
от
-40 до +50
|
|
Выходные
параметры
|
2
переключающие группы контактов реле
|
|
Напряжение
питания, В
|
27
В пост. тока
|
|
Потребляемая
мощность, не более
|
15
Вт
|
|
Длина
линии связи, м, не более
|
300
|
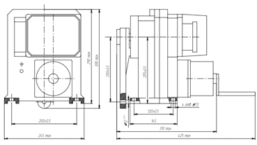
2.4 Выбор исполнительных устройств
Механизмы исполнительные электрические
однооборотные (рисунок 10) постоянной скорости МЭО предназначены для
перемещения регулирующих органов в системах автоматического регулирования
технологическими процессами в соответствии с командными сигналами автоматических
регулирующих и управляющих устройств. Технические характеристики
МЭО-40/25-0.25: крутящий момент - 40 Нм; время полного хода - 25 с.; полный ход
(доля полного оборота) - 0,25; питание - 220В 50Гц; потребляемая мощность - 110
Вт; электродвигатель - ДСОР-80-0.4-136.
Режим работы: вид - повторно-кратковременный с
частыми пусками S4 по ГОСТ 183; частота включений - до 320 в час;
продолжительность включений - до 25% при нагрузке на выходном органе в пределах
от номинальной противодействующей до 0.5 номинального значения сопутствующей;
Максимальная частота включений - 630 в час при продолжительности включений до
25%; При реверсировании интервал времени между выключением и включением на
обратное направление - не менее 50мс.
Рисунок 10 - Габаритные и присоединительные
размеры механизма МЭО.
.5 Математическое описание САУ и выбор
автоматического управляющего устройства (АУУ)
.5.1 Определение математической модели объекта-
статические характеристики, кривая разгона, частотные характеристики
Объект управления на структурной схеме САУ
представляется виде соединения двух звеньев:
Апериодического и звена чистого запаздывания
рисунок 11.
Рис. 11 - Структурная схема объекта управления
Кривая разгона взята на основании теоретических
данных из технической литературы [3] и представлена на рисунке 12.
Рис. 12 - Кривая разгона
Динамические характеристики Коб, Тоб и τоб
находятся по графику кривой разгона (рис. 12). Из этого графика находим что
Коб=4
,
Исходя из полученных результатов,
объект управления на математической модели САУ будет иметь вид представленный
на рисунке 13.
Рисунок 13 - Математическая модель
объекта управления
2.5.2 Определение передаточных
функций измерительно- преобразовательных и исполнительных устройств
Автоматический регулятор на
структурной схеме САУ представляется в виде соединения трех звеньев: звена
усилителя, звена исполнительного механизма и закона регулирования,
представленный на рисунок 14.
Рисунок 14 - Структурная схема
автоматического регулятора.
Звено усиления отражается
коэффициентом усиления Кр, который для разрабатываемой системы имеет следующее
значение:
Кр=0,4(% хода ИМ/ оС)
Исполнительным механизмом в
автоматизированной системе управления является механизм электрический
однооборотный (МЭО 40), передаточная функция которого имеет следующий вид:
Закон регулирования в общем виде описывается
следующим выражением:
Подставив значения закон
регулирования примет следующий вид:
.5.3 Выбор закона автоматического управления в
общем виде
Чтобы выбрать регулятор и рассчитать параметры
его настройки, необходимо знать следующее.
Динамические параметры объекта регулирования.
Максимальный в условиях эксплуатации коэффициент
передачи объекта управления
К0=4
Постоянную времени ОУ
Т0=92с
Запаздывание
с
Величину максимального возможного
возмущения по нагрузке в процессе эксплуатации ОУ
Ув=12%
Основные показатели качества
переходного процесса
Максимально допустимое динамическое
отклонение регулируемой величины
Максимально допустимое статическое
отклонение регулируемой величины
Допустимое время регулирования tрег<282 c
По этим известным величинам
рассчитываем следующее
Величину обратную относительному
времени запаздывания находим по формуле
(1)
подставив значение получим
Допустимое относительное время
регулирования находим по формуле
(2)
Допустимый динамический коэффициент
регулирования находим по формуле
(3)
Допустимое остаточное отклонение
регулируемой величины находим по формуле
(4)
подставим в эту формулу значения,
получим
=0,04%
Выразим эту величину в процентах
=4%
Большинство автоматизированных
металлургических в САУ с регулятором непрерывного действия протекает успешно,
если в системе имеет место один из трех типовых процессов регулирования:
· Апериодический
· С 20% перерегулированием
· С min
интегральной
квадратичной ошибкой
По значению
/
выбираем тип
регулятора.
Значению
/
=0,435
соответствует непрерывный тип регулирования.
Так как показатель колебательности М
принадлежит промежутку 1,4<М<1,8, то выбираем процесс с 20%
перерегулированием.
Пользуемся графиком зависимости
от
/
рисунок 15
при выбранном оптимальном процессе, определяем, что
=0,4 при 1/
=0,435 могут
обеспечить П, ПИ, ПИД-регулятора.
Рисунок 15 - Динамический
коэффициент регулирования на статических объектах. Апериодический процесс, где
1 - И-регулятор, 2 - П-регулятор, 3 - ПИ-регулятор, 4 - ПИД-регулятор.
Выбираем ПИД-регулятор.
По графику зависимости
=f(
) рисунок
16. Определим отклонение при установке ПИД-регулятора
Рисунок 16 - Остаточное отклонение
на статических объектах.
=0,58
Выразим
,
=0,58 *4*12
=27,84 оС
Так как допустимое значение
<3оС, то
П-регулятор не может быть применен. Определим, каким будет время регулирования
для ПИ-регулятора. Оно должно быть меньше
<282 с
Для определения
воспользуемся
графиком зависимости
рисунок 17
для процесса с 20% перерегулирования
Рисунок 17 - Время регулирования на
статических объектах. Апериодический процесс, где 1 - И-регулятор, 2 -
П-регулятор, 3 - ПИ-регулятор, 4 - ПИД-регулятор.
=282 с
<
следовательно, процесс с 20%
перерегулированием может быть реализован с САУ ПИ-регулятором
Приближенное определение настроек
регулятора произведен по следующим формулам.
(5)
Кр=0,4
Время удвоения (изодрома) найдем по
формуле
(6)
.5.4 Выбор автоматического
управляющего устройства на основе ПЛК- торговая марка компании Siemens AG
<#"808800.files/image062.gif">
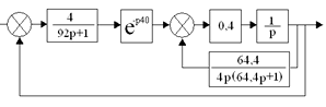
Рисунок 18 - Структурная схема САУ
Разомкнутая система САУ с числовыми значениями
изображена на рисунке 19.
Рис. 19 - Разомкнутая система САУ
Передаточная функция имеет следующий вид
(7)
То=92 с
Тс=1 с
Коб=4(оС/%хода РО)
=8 с
Ти=64,4 с
Кр=0,4(% хода ИМ/ оС)
Подставим числа тогда передаточная
функция разомкнутой системы примет вид:
(8)
Характеристическое уравнение
разомкнутой системы
Передаточная функция замкнутая
системы имеет вид
(9)
Подставим значения
То=92 с
Тс=1 с
Коб=4( оС /%хода РО)
=8 с
Ти=64,4 с
Кр=0,4(% хода ИМ/ оС)
Передаточная функция замкнутой
системы
Характеристическое уравнение
замкнутой системы
Основанным назначением
автоматической системы регулирования является поддержание заданного постоянного
значения регулируемого параметра или изменение его по определенному закону. При
отклонении в данный момент времени регулируемого параметра от заданного
значения, что может произойти или в результате появления возмущающих
воздействий на систему, или при изменении заданного значения регулируемой
величины, автоматический регулятор воздействует на систему таким образом, чтобы
ликвидировать это отклонение. В системе возникает переходный процесс,
определяемый ее динамическими свойствами.
Если после окончания переходного
процесса система снова приходит в первоначальное или в другое равновесное состояние,
то такую систему называют устойчивой.
Если при тех же условиях или
возникают со все возрастающей амплитудой, или происходит монотонное увеличение
отклонения регулируемой величины от ее заданного равновесного значения, то
систему называют неустойчивой.
Для того, чтобы определить,
устойчива или неустойчива система, необходимо изучить ее поведение при малых
отклонениях от равновесного состояния.
Если при этом система стремится
вернуться к равновесному состоянию, то она устойчива. Если в системе возникают
силы, которые стремятся увеличить отклонение системы от равновесного состояния,
система неустойчива.
Системы, в которых одной и той же
входной величине (воздействию, выводящему систему из равновесного состояния)
соответствует множество значений выходной величины, называют
нейтрально-устойчивыми.
Различают 2 вида устойчивости
системы:
1) устойчивость в малом.
2) устойчивость в большом.
Система устойчива в малом, если она устойчива
при определенных значениях параметров и условий работы системы, т.е. такая устойчивость
оценивается с помощью линейных дифференциальных уравнений.
Система устойчива в большом - это устойчивость
системы без ограничений. Устойчивость определяется по нелинейным
дифференциальным уравнениям.
Математически устойчивость системы можно записать
следующим образом:
Хвых(t)=Хс(t)+Хв(t);
где Хвых(t)
- переходный процесс системы;
Хс(t)
- собственные колебания системы;
Хв(t)
- вынужденные колебания системы. Система будет устойчива, если после снятия
возмущающего воздействия собственные колебания системы стремятся к нулю, т.е.
limXc(t)=0;
С помощью критерия устойчивости можно судить об
устойчивости системы непосредственно по коэффициентам характеристического
уравнения без вычисления его корней.
Частотные критерии в большинстве случаев
используется в качестве графоаналитических критериев.
Отличительной чертов большинства частотных
критериев является то, что они позволяют судить об устойчивости замкнутой
системы по частотным характеристикам разомкнутой системы.
Так как устойчивость системы можно оценить с
помощью линейный дифференциальных уравнений русский ученый Ляпунов вывел
теоремы устойчивости системы на основании корней характеристического уравнения.
Теоремы Ляпунова
1) Если все корни характеристического
уравнения имеет отрицательную действительную часть, т.е. расположены в левой
части комплексной полуплоскости, то система будет устойчивой.
2) Если хотя бы один из корней
характеристического уравнения имеет положительную действительную часть, т.е.
находится в правой полуплоскости, то такая система будет неустойчива.
) Если хотя бы один из корней
характеристического уравнения имеет действительную часть, равную нулю, то
система находится на границе устойчивости.
Необходимым условием устойчивости системы
является требование, заключающееся в том, чтобы все коэффициенты ее
характеристического уравнения были положительными. Это условия является
необходимым, но недостаточным. Уже для системы выше второго порядка только
положительность коэффициентов характеристического уравнения еще не гарантирует
устойчивость системы. Необходимые и достаточные условия устойчивости системы
определяется с помощью критерия устойчивости Рауса-Гурвица, критерия Михайлова
и амплитудно-фазового критерия Найквиста.
Критерий Михайлова
Критерий устойчивости основан на связи между характером
переходного процесса, возникающего при нарушении равновесия системы, и
амплитудой и фазой вынужденных выходных колебаний, которые возникают под
воздействием гармонического входного сигнала.
Для определения устойчивости по Михайлову
необходимо в характеристическом уравнении замкнутой системы заменить оператор Р
на jw и тогда получим
следующую функцию:
Все слагаемые этой функции,
содержащие jw в четной
степени, будут являться действительной частью характеристического уравнения, а
слагаемые нечетной функции - мнимой частью.
Если изменять частоту w от 0 до +
, то вектор
опишет на
комплексной плоскости кривую, которая называется годографом Михайлова.
Определение устойчивости системы по
Михайлову
Для того, чтобы автоматическая
система управления была устойчива, необходимо и достаточно, чтобы годограф
Михайлова, начинаясь на положительной части действительной оси, при изменении
частоты w от 0 до +
, обходил
против часовой стрелки n-квадрантов, поворачиваясь на угол n*
не
обращаясь в нуль, где n-степень характеристического
уравнения .
Для того, чтобы построить годограф
Михайлова, нужно определить действительную и мнимую части характеристического
уравнения при изменении частоты w от 0 до +
.
(10)
Характеристическое уравнение
замкнутой системы автоматического уравнения:
(11)
Заменив в левой части
характеристического уравнения
на
и выделив действительную и мнимую
части, получим для комплексной частотной характеристической функции Михайлова
(годографа Михайлова) следующее выражение:
(12)
(13)
(14)
(15)
После приведения подобных членов
получим:
(16)
(17)
Расчет действительной и мнимой части
производится на компьютере с помощью программы TARKURS. Результаты расчета
сведены в таблицу 4.
В компьютер подставляем следующие
значения
То=92 с
Тс=1 с
Коб=4((0С)/%хода РО)
=8 с
Ти=64,4 с
Кр=0,4(% хода ИМ/(0С))
Таблица 4 Результаты вычислений
|
 
|
|
|
|
0,0001
|
1,6
|
0,01
|
|
0,006
|
1,482
|
0,611
|
|
0,088
|
1,382
|
0,788
|
|
0,01
|
1,267
|
0,974
|
|
0,012
|
1,114
|
1,132
|
|
0,013
|
1,026
|
1,205
|
|
0,017
|
0,588
|
1,439
|
|
0,02
|
0,161
|
1,549
|
|
0,025
|
-0,769
|
1,588
|
|
0,03
|
-2,012
|
1,431
|
|
0,035
|
-3,624
|
1,071
|
|
0,04
|
-5,657
|
0,517
|
|
0,045
|
-8,162
|
-0,209
|
Годограф Михайлова изображен на рисунке 20
Вывод: исследуемая замкнутая САУ
является устойчивой, так как при изменении частоты от 0 до
конец
вектора
проходит
последовательно три квадранта, что соответствует степени уравнения.
Критерий Найквиста
Этот критерий позволяет судить об
устойчивости замкнутой автоматической системы управления по расположению АФХ
разомкнутой системы.
Устойчивость системы по Найквисту
определяется на основании АФХ разомкнутой системы.
Если разомкнутая системы система
устойчива, то для ее устойчивости в замкнутом состоянии необходимо и
достаточно, чтобы АФХ разомкнутой системы не охватывало критическую точку с
координатами [-1;j0].
Если разомкнутая системы система не
устойчива, то для ее устойчивости в замкнутом состоянии необходимо и
достаточно, чтобы АФХ разомкнутой системы охватывало критическую точку с
координатами [-1;j0] против часовой стрелки К/2 раза,
где К-число корней правой полуплоскости. Устойчивость разомкнутой системы
определяется на основании характеристического уравнения разомкнутой системы
Ляпунова или Рауса-Гурвица.
(18)
заменив в уравнении
на
, получим
передаточную АФХ разомкнутой системы:
(19)
Введем обозначения
тогда:
(20)
где:
-действительная часть АФХ
разомкнутой системы;
-мнимая часть АФХ разомкнутой
системы.
Расчет действительной Re(w) и миной Im(w) части для
построения АФХ производил на компьютере. Результаты вычислений сведены в
таблицу 5.
То=92 с
Тс=1 с
Коб=4((0С)/%хода РО)
=8 с
Ти=64,4 с
Кр=0,4(% хода ИМ/(0С))
Таблица 5 Результаты вычислений
|
 
|
|
|
|
0,001
|
-1,176
|
-1,789
|
|
0,01
|
-0,792
|
-0,529
|
|
0,02
|
-0,591
|
-0,127
|
|
0,03
|
-0,296
|
0,188
|
|
0,05
|
-0,051
|
0,242
|
|
0,07
|
0,041
|
0,211
|
|
0,08
|
0,107
|
0,158
|
|
0,09
|
0,144
|
0,092
|
|
0,1
|
-0,001
|
0,012
|
График АФХ разомкнутой системы изображения на
рисунке 14.
Определим частотные показатели. На основании
этих показателей уточняют параметры настройки регулятора.
Если при проектировании системы задается
показатель колебательности М, то для его выполнения необходимо, чтобы АФХ
разомкнутой системы не заходила внутрь окружности, радиус которого R,
а центр окружности С.
(21)
(22)
(23)
Рисунок 21 - АФХ разомкнутой системы
По графику АФХ определяем запас
устойчивости по модулю и по фазе. Запас устойчивости по фазе (
) должен
укладываться в промежуток 40-60о. Запас устойчивости по модулю (
Н) должен
находиться в рамках 0,4-0,6.
По графику получаем следующие
значения
=24o
Н=0,6
Вывод: Система автоматического
управления с ПИ регулятором устройства, так как АФХ разомкнутой системы не
охватывает на комплексной плоскости критическую точку с координатами (-1;j0) и имеет
запас устойчивости как по модулю так и по фазе:
,
Н.
.6 Расчет конфигурации устройства
управления и основание заказной спецификации
В таблице 6 представлено CPU и
максимальное количество входов/выходов контроллера SIMATIC S7-300.
Таблица 6 - Характеристики
контроллера SIMATIC S7-300
|
Технические
характеристики центральных процессоров
|
CPU 312
|
CPU 313
|
CPU 314
|
|
Объем
встроенного ОЗУ
|
768 КБ
|
2,8
МБ
|
30
МБ
|
|
Объем
загружаемой памяти (карта памяти)
|
256
КБ RAM / до 64 МБ
|
|
Время
выполнения операций с битами и словами/числами с фиксированной точкой/
числами с плавающей точкой, нсек.
|
75/75/225
|
45/45/135
|
18/18/54
|
|
Интерфейс
|
1xMPI/DP
|
1xMPI/DP,1xDP
|
|
Адресное
пространство ввода/вывода, КБ
|
8/8
|
16/16
|
|
Максимальное
количество входов/выходов
|
|
|
|
Дискретных
|
|
65536/65536
|
131072/131072
|
|
Аналоговых
|
|
4096/4096
|
8192/8192
|
Резервированные модули ввода-вывода
конфигурируются парами. Использование резервированных каналов ввода-вывода
обеспечивает наиболее высокую надежность функционирования системы
автоматизации, поскольку система способна продолжать свою работу при отказе
одного из центральных процессоров, одной из ветвей резервированной сети
PROFIBUS DP или одного из модулей ввода-вывода резервированной пары.
Модули ввода-вывода могут резервироваться
следующими способами:
· Симметричной установкой двух
одинаковых модулей в базовые блоки или стойки расширения программируемого
контроллера S7-300.
· Симметричной установкой двух
одинаковых модулей в две станции ET 200M одноканальной системы распределенного
ввода-вывода программируемого контроллера S7-300.
· Симметричной установкой двух
одинаковых модулей в две станции ET 200M переключаемой конфигурации системы
распределенного ввода-вывода программируемого контроллера S7-300.
· Симметричной установкой двух
одинаковых модулей в две станции ET 200M одноканальной системы распределенного
ввода-вывода одного базового блока S7-300. Рекомендуется в случаях поэтапного
внедрения H-системы (на первом этапе устанавливается один, на втором этапе -
второй базовый блок программируемого контроллера S7-300).
Заказная спецификация представлена в таблице 7.
Таблица 7- Заказная спецификация оборудования
|
Наименование
|
кол.
|
|
Термопреобразователь
ТППТ
|
3
|
|
Вторичный
измерительный преобразователь ИП-Т10-09
|
1
|
|
Преобразователь
сигнала БИК- 40
|
2
|
|
Поворотная
заслонка
|
2
|
|
Исполнительный
механизм МЭО - 40/25 - 0.25
|
2
|
|
Расходомер
природного газа Prowirl 72
|
1
|
|
Расходомер
воздуха Prowirl 72
|
1
|
|
Бесконтактный
реверсивный пускатель ПБР-3А
|
2
|
|
Программируемый
микроконтроллер Simatic серии S7-300
|
1
|
|
Датчик
наличия пламени «Пламя-М07»
|
4
|
|
Персональный
компьютер
|
2
|
.7 Требование предъявляемые к ПО АСУ ТПиП
Программное обеспечение (ПО) должно базироваться
на международных стандартах и отвечать следующим принципам:
модульность построения всех составляющих;
иерархичность собственно ПО и данных;
эффективность (минимальные затраты ресурсов на
создание и обслуживание ПО);
простота интеграции (возможность расширения и
модификации);
гибкость (возможность внесения изменений и
перенастройки);
надежность (соответствие заданному алгоритму,
отсутствие ложных действий), защита от несанкционированного доступа и
разрушения как программ, так и данных;
живучесть (выполнение возложенных функций в
полном или частичном объемах при сбоях и отказах, восстановление после сбоев);
унификация решений;
простота и наглядность состава, структуры и
исходных текстов программ.
Должно предусматриваться разделение ПО на
базовое (фирменное), поставляемое разработчиком ПТК, и прикладное
(пользовательское), которое может разрабатываться как поставщиком ПТК, так и
разработчиком АСУ ТП.
Должны быть предусмотрены меры по защите
информации и недопущению внесения изменений в базовое ПО без привлечения
разработчика ПТК. Должна иметься возможность задания паролей и установления
границ санкционированного доступа при внесении изменений в прикладное ПО АСУ
ТП.
Фирменное ПО должно сопровождаться
эксплуатационной документацией.
. Требования к базовому (фирменному)
программному обеспечению
Базовое ПО подразделяется на системное ПО и ПО
инструментальных средств разработки, отладки и документирования (САПР).
Системное ПО включает в себя:
стандартные операционные системы;
пакеты программной поддержки обмена данными;
системы управления локальными и распределенными
базами данных.
Программное обеспечение инструментальных средств
разработки, отладки и документирования включает в себя:
средства настройки базового ПО, диагностики и
самодиагностики работоспособности ПТК;
средства создания и отладки прикладного ПО.
Операционные системы устройств верхнего уровня
ПТК должны удовлетворять следующим требованиям:
высокая производительность, поддержка
многозадачного режима;
высокая степень устойчивости и надежности;
поддержка обменов информации по используемым в
ПТК локальным сетям;
удобный и понятный пользователю графический
интерфейс, простота и эффективность использования;
возможность работы с мультимедиа;
возможность конфигурирования под конкретные
условия использования.
На нижнем уровне ПТК должны использоваться
высокопроизводительные операционные системы (ОС).
Операционные системы нижнего уровня должны
обеспечивать:
поддержку многозадачного или псевдомногозадачного
режима;
модульность, гибкую конфигурируемость,
возможность 100%-го размещения в ПЗУ контроллера;
малое время реакции, многоуровневую, основанную
на приоритетах, обработку прерываний и присвоение меток времени зафиксированным
событиям;
развитые средства коммуникации (поддержка
стандартных сетей, а также различных промышленных интерфейсов ввода-вывода);
возможность (при необходимости) стыковки с
техническими средствами сторонних разработчиков (по отдельной заявке
заказчика).
Допускается использование ОС общего назначения в
комплекте с приложениями, обеспечивающими реализацию свойств, характерных для
мультизадачных систем реального времени.
Программное обеспечение инструментальных средств
разработки, отладки, документирования и проектирования АСУ ТП (только в части
ПТК) является неотъемлемой частью ПО ПТК. Инструментальные средства должны
базироваться на действующих стандартах и обеспечивать решение наиболее сложных
вопросов, связанных с автоматизацией процессов создания АСУ ТП и прикладных
программ: прием и обработка сигналов, организация автоматического управления
исполнительными устройствами, визуализация измеренных величин (в том числе в
виде графиков, гистограмм и т.п.), ведение архивов и генерации отчетов.
Результатом проектирования должны быть компоненты системы управления, полностью
готовые к запуску.
Инструментальные средства должны, как правило,
совмещать в себе функции разработки и тестирования.
Инструментальное ПО должно включать следующие
программные средства:
компоновки и генерации технических и программных
средств ПТК;
библиотеку программных модулей стандартных
алгоритмов сбора и обработки технологической информации, управления,
регулирования и технологических защит;
автоматизированного формирования исполняемых
программных модулей на основе технологических заданий, представленных в виде БД
и технологических алгоритмов, разработанных с использованием технологических
языков и библиотеки стандартных алгоритмов;
пакеты программ создания фрагментов и их
отдельных элементов;
организации и обслуживания баз данных;
проведения самодиагностики и тестирования
аппаратуры и программного обеспечения;
разработки и включения в состав математического
обеспечения ПТК и АСУ ТП программ, написанных на универсальных языках
программирования;
средства разработки ПО (редакторы, линкеры,
отладчики, трансляторы и т.п.);
средства автоматизированного проектирования ПТК
в составе АСУ ТП, включая средства автоматизированного распределения и
расположения модулей УСО в контроллерах и распределения входных-выходных
каналов ПТК по контроллерным шкафам и их клеммникам.
Комплект инструментального ПО должен содержать
также следующий набор программ:
редактор схем логического управления и
технологических защит;
редактор схем автоматического регулирования и
программного управления;
редактор видеограмм;
редактор проектной документации на ПТК.
Инструментальные средства предназначены для
максимального упрощения и облегчения процесса разработки и проектирования ПТК и
АСУ ТП в целом.
Инструментальные средства, помимо перечисленных
выше, должны также включать средства контроля и диагностики функционирования
ПТК, а также его коррекции, модернизации и наладки на объекте.
Программно-технические комплексы для АСУ ТП
отечественных ТЭС должны иметь полностью русифицированный интерфейс
пользователя (проектировщика, разработчика, наладчика, оперативного и
обслуживающего персонала).
. Требования к прикладному программному
обеспечению
Прикладное (пользовательское) программное
обеспечение должно обеспечивать реализацию ПТК всех функций управления и
обработки информации, включенных в техническое задание на конкретную АСУ ТП.
Все типовые задачи, оговоренные в настоящих ОТТ,
связанные со сбором, обработкой, передачей, хранением и представлением
информации, а также с выдачей управляющих воздействий и информации на исполнительные
и другие внешние устройства, должны программироваться на технологических языках
или с помощью других программных средств, не требующих знаний в области
применения универсальных языков программирования.
Должна предусматриваться возможность сохранения
исходных пользовательских программ на магнитных носителях и при необходимости
загрузки пользовательских программ через интерфейсные каналы в память
контроллеров. Аналогичная возможность должна предусматриваться и для
программного обеспечения верхнего уровня ПТК.
Должна предусматриваться (в случае
необходимости) возможность подготовки, изменения или коррекции (в допустимых
пределах, предусмотренных при создании АСУ ТП) пользовательских программ в
процессе работы ПТК в составе АСУ ТП и технологического оборудования. При этом,
как правило, должна быть исключена необходимость привлечения разработчиков или
профессиональных программистов. Корректировка отдельных программ должна быть
локальной и не должна требовать вмешательства в остальные программы.
.8 Требования к базовому (фирменному)
программному обеспечению
.8.1 Требования и характеристика используемого
системного программного обеспечения
Требования и характеристика используемой
операционной системы верхнего уровня и нижнего уровня АСУ ТПиП
На рисунок.22 приведена схема уровней
автоматизации.
Рисунок 22 - Уровни автоматизации
ПО верхнего уровня:
· операционной системы (MS Windows
2000);
· коммуникационных протоколов
(Ethernet 802.3, TCP/IP);
· форматов файлов (TXT, DOC, XLS);
· интерфейсов с СУБД (ODBC, SQL);
· интерфейсов динамического обмена
данными DDE, NetDDE.
Программное обеспечение информационного сервера:
· операционная система MS Windows 2000
Server (SP2);
· "мастер" приложение на
базе SCADA-системы Wonder ware InTouch
· Сервер базы
данных
Industrial SQL Server.
Программное обеспечение АРМ, входящих в АСУ
ЦППН, основывается на следующих базовых средствах:
· Операционная
система
MS Windows 2000 Professional (SP2);
· "подчиненное" приложение
на базе SCADA-системы Wonder ware InTouch:
· InTouch Runtime для АРМ управления;
· FactoryFocus для АРМ наблюдения за
технологическим процессом;
· ActiveFocus для осуществления связи
с базой данных Industrial SQL Server.
ПО среднего уровня:
· Контроллер подсистем выполняет
информирования и дистанционного управления. Для данной системы используется
контроллер Simatic S7-300F/FH.
ПО нижнего уровня:
Для программирования и конфигурирования
контроллеров SIMATIC S7-300 используется пакет STEP 7, весь спектр
инструментальных средств проектирования и программное обеспечение Runtime.2000
Server - многофункциональная операционная система, обеспечивающая функции
сервера файлов и печати, сервера приложений, веб-сервера и коммуникационного
сервера.В Windows 2000 Server имеется большой набор распределенных служб,
построенных на базе Active Directory - многоцелевого, масштабируемого каталога,
созданного с использованием Интернет-технологий и полностью интегрированного с
системой. Active Directory значительно упрощает администрирование систем и
поиск ресурсов в корпоративной сети. Многочисленные Интернет-службы, входящие в
состав Windows 2000 Server, позволяют организациям широко использовать
Интернет-технологии -создавать сложные веб-приложения и службы распространения
потоковой информации (аудио, видео и т. п.), а также строить интрасети на базе
Windows 2000 Server.
Система Windows 2000 Professional предназначена
для настольных и мобильных компьютеров. В промышленности для операторских
станций и автоматизированных рабочих мест. В процессе проектирования Windows
2000 Professional преследовались следующие цели:
· Упростить работу с системой;
· Сохранить традиционные достоинства
систем Windows NT (надежность, производительность и безопасность);
· Создать легко конфигурируемую
настольную систему, позволившую снизить общую стоимость владения.
Требования и характеристика используемых пакетов
программной поддержки обмена данными
В разрабатываемой системе применяется два
основных коммутационных протокола: Ethernet 802.3, TCP/IP.
В зависимости от типа физической среды стандарт
IEEE 802.3 имеет различные модификации - 10Base-5, 10Base-2, 10Base-T,
10Base-FL, 10Base-FB.
Для передачи двоичной информации
установлена витая пара
<#"808800.files/image117.gif">
Рисунок 23- Пример программы на языке STL
Контактный план (LAD) - это графический язык
программирования, основные элементы которого соответствуют элементам
коммутационной схемы. Участки коммутационной схемы такие, как замкнутые или
разомкнутые контакты, объединяются в сегменты. LAD позволяет следить за
сигналом при его прохождении через различные контакты, составные элементы и
выходные катушки. Область кода логического блока состоит из одного или
нескольких сегментов. Язык контактных планов является компонентом программы
STEP 7 Lite.
Рисунок 24 - Пример программы на языке LAD
В языке функциональных планов (FBD) для записи
логических выражений используются графические логические символы булевой
алгебры. Сложные функции, например, математические функции, могут быть записаны
с помощью логических блоков. Язык программирования FBD включен в стандартный
пакет поставки программы STEP 7 Lite.
Рисунок 25 - Пример программы на языке FBD
Визуализация процессов осуществляется с помощью
SCADA-системы InTоuch.система InTouch - программное обеспечение для разработки
интерфейса человек-машина (НMI). HMI контролирует и управляет всеми объектами и
системами, используя графические объекты, и включает:
· отображение параметров для
управления сигналами;
· отображение текущих и исторических
трендов;
· отображение и регистрацию аварийных
сигналов.
Исполнительная система InTouch поддерживает базу
данных текущих значений процесса. Эти значения могут отражать заданные точки
контроля устройств, представляющие параметры физического объекта, или точки,
представляющие расчетные значения. Значения параметров собираются и
обрабатываются на одном или нескольких компьютерах, использующих распределенную
структуру программного обеспечения. Автоматически выполняются преобразования
инженерных единиц собранных данных и обратные преобразования инженерных единиц
для задания управляющих установок. Поддерживает переменные ввода/вывода,
вещественные числа, целые числа, дискретные числа, строковые переменные,
суперпеременные (подобие структур).
В данном проекте InTouch выполняет:
· контроль за действиями оператора
путем регистрации его в системе с помощью имени и пароля, и назначения ему
определенных прав доступа, ограничивающих возможности оператора ( если это
необходимо) по управлению производственным процессом;
· вывод управляющих воздействий в промышленные
контроллеры и исполнительные механизмы для регулировки подачи природного газа и
воздуха в область ковша для сушки, а также подача сообщений персоналу на
информационное табло;
· автоматическое ведение журнала
событий, в котором регистрируется изменение подачи природного газа и воздуха в
область ковша с возможностью просмотра в графическом виде записанных данных, а
также ведение журнала аварийных сообщений;
· соблюдение регламента
производственного процесса путем динамической загрузки (автоматически или по
команде оператора) набора параметров из заготовленных шаблонов (рецептур) в
технологическое оборудование.
В разработанной системе использована
SCADA-системы InTuch.
Рисунок 26 это визуальное представления на АРМ,
представленное в SCADA
- системе In
Touch, процесса сушки
помковшей, которое находится в непосредственной близости. Процесс сушки
осуществляется оператором. Он запускает механизм нажав «Старт», после чего
проходит проверка системы перед работой. Затем оператор задает температуру,
время шага и нажимает «Задать». По завершению времени с АРМ задается следующая
температура (порядком выше) и время выполнения для перехода от предыдущей
температуры и так же нажав на клавишу «Задать». По истечению всех шагов
оператор жмет «Стоп» для полного завершения процесса.
Рисунок 26 - Визуализация стенда сушки
промковшей
.10 Спецификация выбранного оборудования
Таблица 9 - Спецификация выбранного оборудования
|
Наименование
|
кол.
|
|
Термопреобразователь
ТППТ
|
3
|
|
Вторичный
измерительный преобразователь ИП-Т10-09
|
1
|
|
Преобразователь
сигнала БИК- 40
|
2
|
|
Поворотная
заслонка
|
2
|
|
Исполнительный
механизм МЭО - 40/25 - 0.25
|
2
|
|
Расходомер
Prowirl 72
|
2
|
|
Бесконтактный
реверсивный пускатель ПБР-3А
|
2
|
|
Программируемый
микроконтроллер Simatic серии S7-400
|
1
|
|
Датчик
наличия пламени «Пламя-М07»
|
4
|
|
Персональный
компьютер
|
2
|
3 Организация производства и труда
.1 Монтаж датчиков
На рисунке 27 представлен монтаж расходомера
Prowirl 72.
Рисунок 27 - монтаж расходомера Prowirl 72.
Рисунок 28 - монтаж термопреобразователя ТППТ.
.2 Маркировка труб, кабелей
В таблице 10 представлен кабельный журнал
трубные проводки используемой продукции.
Таблица 10
В таблице 11 представлен кабельный журнал
кабельной трубные проводки используемой продукции.
Таблица 11
|
Обозначение
кабеля
|
Трасса
|
Кабель
|
|
начало
|
конец
|
Марка
|
|
К11-1
|
Кабельные
проводки Установка для сушки промковшей №1
|
КУПЭВ
|
|
Стенд
датчиков №1 (ч.51-61123-АГС1-01) поз. 1б-1
|
Шкаф
управления №0 (пр. ВНИПИ САУ-30 124.00-01)
|
|
.3 Монтаж ПЛК
На рисунке 29 представлен монтаж ПЛК в шкафу.
Рисунок 29 - монтаж ПЛК.
.4 Монтаж РО и ИМ
На рисунке 30 представлен монтаж поворотной
заслонки.
Рисунок 30 - монтаж поворотной заслонки.
На рисунке 31 представлен монтаж МЭО.
Рисунок 31 - монтаж МЭО.
.5 Поверка датчиков, вторичных приборов
После установки Prowirl 72 на трубопровод
проверяется следующее:
1. Состояние прибора:
· Нет ли внешних повреждений (визуальный осмотр);
· Соответствует ли прибор спецификации
на измерительную точку, включая давление и температуру процесса, окружающие
температуры, диапазон измерения.
2. Монтаж:
· Соответствует ли стрелка на корпусе прибора
реальному направлению потока в трубопроводе;
· Корректная маркировка измерительной
точки (визуальный осмотр);
· Корректно ли выбрана ориентация
сенсора, другими словами, соответствует ли она типу сенсора, свойствам среды
(содержание газов или твердых примесей) и ее температуре.
3. Условия процесса / окружающие условия:
· Защищен ли прибор от влаги и прямого солнечного
света.
3.6 Наладка программного обеспечения ПЛК
Программное обеспечение АСУТП должно состоять из
общесистемного (базового) и прикладного (специального) программного
обеспечения. Общесистемное программное обеспечение для программируемых
логических контроллеров закупается по спецификации и должно включать в себя:
операционную систему для ПЛК (поставляется комплектно с ПЛК) с описанием и
руководством пользователя, программы-драйверы для контроллеров связи и других
интеллектуальных функциональных элементов с описанием и руководством по
применению.
Наладка контроллера с помощью программного
обеспечения производится непосредственно с рабочего места оператора.
На рабочей станции должна быть установлена
операционная система WINDOWS ХР и Internet Explorer 6.
Для работы с программным обеспечением
контроллера необходимо установить на автоматизированное рабочие место
программиста следующие программные продукты:
• пакет программ STEP
7;
• SOFTNETS7;
• CFCv6.0;
• D7-SYSv6.0.
Инструкции по установке данных приложений
поставляются вместе с программным обеспечением.
Необходимо установить на рабочей станции
следующие программные продукты:
• SIMATIC WinCC v6.0 SP1 с лицензией на 1024
переменных;
• SIMATIC WinCC/Server и WinCCAJserArchiv
(опциональные пакеты) с лицензиями на каждый опциональный пакет.
Инструкции по установке данных приложений
поставляются вместе с программным обеспечением.
.7 Структура, функции и задачи служб
эксплуатации
Цех должен иметь в своем составе: участок
контрольно-измерительных приборов; участок (или участки) по обслуживанию и
ремонту регулирующих устройств основного и вспомогательного оборудования;
участок по обслуживанию и ремонту устройств защиты и сигнализации; участок по
обслуживанию и ремонту электроприборов и кабельного хозяйства; общецеховой
участок по слесарно-механическим работам; участок по обслуживанию и ремонту
управляющих и информационных вычислительных машин.
Участок по обслуживанию контрольно-измерительных
приборов может иметь следующие группы: группу, обслуживающую приборы измерения
давления и расхода; в обязанности этой группы может входить также обслуживание
весового хозяйства и приборов измерения уровня. Как правило, эта группа имеет
бригаду по обслуживанию ртутных приборов, бригаду по обслуживанию электронных
приборов и бригаду по обслуживанию весов; группу, обслуживающую приборы
измерения температуры и специальные приборы (виброметры, электронные тахометры,
измерители расширения, сельсины и т. д.); эта группа может быть разделена на
две, одна из которых обслуживает приборы измерения температуры, другая -
специальные приборы; группу, обслуживающую анализирующие приборы и приборы
химического контроля
Участок по обслуживанию и ремонту регулирующих
устройств основного и вспомогательного оборудования может иметь группы по
обслуживанию автоматических регуляторов доменного цеха, конвертерного цеха,
общезаводского оборудования и т. п.
Каждый участок цеха возглавляет мастер или
старший мастер в зависимости от числа групп в составе участка. Под руководством
старшего мастера объединяются от двух до четырех отдельных групп. Каждый
участок (группа) проводит ремонтные и наладочные работы, проверку и испытания
закрепленного за ним оборудования.
Для повышения качества и оперативности
выполнения работ желательно, чтобы персонал участка (группы) специализировался
по ремонтным и наладочным работам раздельно.
Машинные и слесарно-механические работы на всех
участках обеспечивает общецеховой участок по этим работам, возглавляемым
мастером. На этом участке должны быть сварщики, электрослесари, слесари по
точной механике, слесари-станочники и инструментальщики.
.8 Кабельный журнал
В таблице 12 представлен кабельный журнал
трубные проводки используемой продукции.
Таблица 12
В таблице 13 представлен кабельный журнал
кабельной трубные проводки используемой продукции.
Таблица 13
|
Обозначение
кабеля
|
Трасса
|
Кабель
|
|
начало
|
конец
|
Марка
|
Кол-во
и сечение жил
|
Длина,
м
|
|
К11-1
|
Кабельные
проводки Установка для сушки промковшей №1
|
КУПЭВ
|
2х(2х0,5)
|
90
|
|
Стенд
датчиков №1 (ч.51-61123-АГС1-01) поз. 1б-1
|
Шкаф
управления №0 (пр. ВНИПИ САУ-30 124.00-01)
|
|
|
|
В таблице 14 представлен кабельный журнал
кабелей и проводок.
Таблица 14
.9 План трасс трубных проводок
На рисунке 32 представлен план трасс
автоматизированной системы.
Рисунок 32 - План трасс
4 Экономика производства
.1 Расчет затрат на модернизацию системы
Затраты на разработку и внедрение проекта АСР
температуры стенда сушки промковшей включают в себя капитальные и текущие
затраты.
Расчет капитальных затрат:
Капитальные вложения на необходимое оборудование
представляют собой сумму затрат на его приобретение, доставку, монтаж.
Капитальные вложения в основные фонды рассчитываются по формуле:
К=Кон+Кос+Кэу+Кзд+Кзм , (24)
где
Кон - балансовая стоимость приобретенного
оборудования;
Кос - балансовая стоимость существующего
оборудования;
Кэу - балансовая стоимость экспериментальной
установки;
Кзд - балансовая стоимость зданий;
Кзм - балансовая стоимость запасных материалов.
При разработке системы используется только вновь
приобретённое оборудование и материалы, поэтому величину балансовой стоимости
существующего оборудования принимаем равной нулю. Экспериментальной установки
не создаётся, вследствие чего балансовая стоимость экспериментальной установки
также принимается равной нулю.
Балансовая стоимость оборудования Кон
определяется как:
Кон=Цо+Зт+Зм+Зс , (25)
где
Цо - оптовая цена оборудования;
Зт - транспортно-заготовительные затраты;
Зм - затраты на монтаж и наладку оборудования;
Зс - затраты на специальные работы.
Стоимость приобретаемого оборудования
определяется по соответствующим прейскурантам. Ниже приведена таблица (15)
затрат на приобретение требуемого оборудования.
Таблица 15. Затраты на оборудование
|
Наименование
оборудования
|
Кол-во,
шт.
|
Цена,
руб.
|
Суммарная
стоимость, руб.
|
|
Термопреобразователь
ТППТ
|
3
|
1
358.21
|
4
074,63
|
|
Поворотная
заслонка
|
2
|
6
513,84
|
13
027,68
|
|
Исполнительный
механизм МЭО - 40/25 - 0.25
|
2
|
7
500
|
15
000
|
|
Расходомер
Prowirl 72
|
2
|
40
000
|
80
000
|
|
Бесконтактный
реверсивный пускатель ПБР-3А
|
2
|
2
300
|
4
600
|
|
Программируемый
микроконтроллер Simatic серии S7-300
|
1
|
1
200 000
|
1
200 000
|
|
Датчик
наличия пламени «Пламя-М07»
|
4
|
9
620
|
38
480
|
|
Персональный
компьютер
|
2
|
21
000
|
42
000
|
|
Итого:
1
397 182,31
|
Транспортно-заготовительные расходы (6% от
стоимости оборудования):
Зт = Цо × 0,06 = 1
397 182,31× 0,06 = 83 830,94 руб.
(26)
Затраты на монтаж и наладку оборудования (35% от
стоимости оборудования):
Зм = Цо × 0,35 = 1
397 182,31× 0,35 = 489 013,81 руб.
(27)
Затраты на специальные работы (2 % от стоимости
оборудования):
Зс = Цо × 0,02 = 1
397 182,31× 0,02 = 27 943,65 руб.
(28)
Балансовая стоимость вновь приобретенного
оборудования и материалов определяется как:
Кон =1 397 182,31+ 83 830,94 +489 013,81 +27
943,65 = 1 997 970,71 руб.
Стоимость запасных материалов принимается равной
3% от балансовой стоимости оборудования:
Кзм = Кон × 0,03 = 1
997 970,71 × 0,03 = 119 878,24 руб.
(29)
Капитальные затраты составят:
К = 1 997 970,71 + 119 878,24 = 2 117 848,95
руб.
.2 Расчет годовой экономии
По данным экономического отдела цеха ЭСПЦ
стоимость одного сляба в среднем 14 102,47 рублей.
Средняя производительность слябовой МНЛЗ
составляет 4 729,5 т./час.
За 2010 год количество часов простоя стенда
сушки из-за ручного управления процессом сушки промковша составили 1 час 30
минут. После разработки системы автоматического регулирования планируется
снизить количество простоев МНЛЗ по вине системы до 25 минут в год.
Таким образом, годовая экономия будет зависеть
от снижения времени простоев печи, и её можно рассчитать по формуле:
, (30)
где
- потери от одного часа простоя
печи, руб.;
- время простоев печи в год до
внедрения САР, час./год.;
- время простоев печи в год после
внедрения САР, час/год.
Таким образом,
.3 Расчет годового экономического эффекта и
срока окупаемости капитальных вложений
Эксплуатационные затраты рассчитываются как
сумма амортизационных отчислений и затрат на текущий ремонт.
Амортизационные отчисления:
, (31)
где
- норма амортизации (Н в чёрной
металлургии составляет 14,3%).
Затраты на текущий ремонт:
, (32)
где
- норма на текущий ремонт (принята
равной 6%).
Суммарная величина эксплуатационных
затрат:
, (33 )
Экономический эффект определяется путём
уменьшения годовой экономии на величину дополнительных эксплуатационных затрат:
, (34)
где
- экономический эффект, руб.;
- годовая экономия, руб.;
- затраты на содержание
оборудования, руб.
Срок окупаемости - это время, за которое
поступления от производственной деятельности предприятия покроют затраты на
разработку и внедрение системы.
Срок окупаемости рассчитывается по формуле:
, (35)
где
- капитальные затраты на внедрение
САР, руб.;
- экономический эффект от внедрения
САР, руб.
Тогда,
4.4 Расчет экономической эффективности
Экономическая эффективность характеризует
величину годового эффекта от одного рубля капитальных затрат и определяется по
формуле:
Е=
, (36)
Е=
где
- экономический эффект от внедрения
САР, руб.
- капитальные затраты на внедрение
САР, руб.;
Тогда,
Экономическая эффективность должна быть выше
нормы, чтобы мероприятие считалось эффективным. Для средств вычислительной
техники, ПО и средств автоматизации нормативная эффективность 0,33. Для
разработанной системы экономическая эффективность составила 1,4 что выше нормы.
Исходя из того, что техническое мероприятие (в
нашем случае разработка АСР) считается экономически эффективным, если срок
окупаемости данного мероприятия не превышает трёх лет, то можно сказать, что
разработка автоматизированной системы регулирования температуры сушки стенда
промковшей является эффективной, так как срок окупаемости данного мероприятия
составляет 0,7 года или приблизительно два месяца. Анализируя два, выше
приведенных параметра сделаем вывод, что внедрение системы целесообразно. В
таблице 16 приведены основные технико-экономические показатели.
Таблица 16. Основные технико-экономические
показатели
|
Показатель
|
Значение
|
|
Капитальные
затраты на разработку и внедрение системы, руб.
|
2
117 848,95
|
|
Годовые
эксплуатационные расходы, руб.
|
|
|
Время
простоев стана из-за перегрева и выхода из строя подшипников, час./год
|
1.5
|
|
Время
простоев стана в год по вине системы после внедрения САР, час./год.
|
0.4
|
|
Годовой
экономический эффект от внедрения системы, руб.
|
|
|
Экономическая
эффективность
|
1,4
|
|
Срок
окупаемости, лет.
|
0,7
|
5 Безопасность жизнедеятельности
.1 Организация рабочего места электромонтера по
обслуживанию САУ, САР участка, обслуживание инструментов и измерительной
аппаратурой
Электромонтер в рабочее время находится в
мастерской, где производится обслуживание элементов САУ, САР участка,
обслуживание инструментов и измерительной аппаратурой У каждого работника есть
своё рабочее место (стол), свой шкафчик под инструмент.
Каждый работник оснащен:
· инструментом (паяльник, переноска,
удлинитель, переносной трансформатор 220/36В, клещи, ключи, пассатижи, отвертки
и т.д.);
· измерительной аппаратурой
(мультиметр, мегомметр, магазин сопротивлений, потенциометр);
Переносные электроинструменты и светильники,
ручные электрические машины, разделительные трансформаторы и другое
вспомогательное оборудование должны удовлетворять требованиям государственных
стандартов и технических условий в части электробезопасности.
Аппаратная телемеханики, в которой находятся
слесаря КИПиА, обслуживающие оборудование участка, является помещением
повышенной опасности, так как существует возможность поражения человека
электрическим током.
.2 Организационные и технические мероприятия,
обеспечивающие безопасность работ с системами автоматики
Мероприятия, обеспечивающие безопасность
разделяются на: организационные, технические, эксплуатационные и режимные.
К организационным мероприятиям относятся: обучение
производственного персонала правилам безопасности, создание необходимых
иллюстраций, плакатов.
К техническим мероприятиям относятся: соблюдение
норм при сооружений зданий, выбор и монтаж электрооборудования и т.д.
Эксплуатационные мероприятия предусматривают
правильную эксплуатацию производственных машин, оборудования и т.п. При
обслуживании электроустановок используются основные и дополнительные средства
защиты.
Режимными мероприятиями являются ограничение или
полное запрещение открытого огня, производство газосварочных работ, курение в
пожароопасных помещениях.
Наряд выдаётся оперативному персоналу
непосредственно перед началом подготовки рабочего места (до начала работы
бригады). Он выполняется в двух экземплярах , заполняется под копирку при
соблюдении четкости и ясности записей в обоих экземплярах. Исправлений и
перечеркиваний написанного текста не допускается.
Перед допуском к работе ответственный
руководитель и производитель работ совместно с допускающим проверяют выполнение
технических мероприятий по подготовке рабочего места. После проверки рабочих
мест и инструктажа бригады ответственный руководитель работ должен расписаться
в предназначенной строке на оборотной стороне наряда. В случае, когда
ответственный руководитель не назначается, подготовку рабочего места проверяет
производитель работ, который расписывается в наряде.
После проверки выполнения технических
мероприятий производится допуск бригады, который заключается в том, что
допускающий проверяет соответствие состава бригады и квалификации включенных в
нее лиц записи в наряде, объясняет бригаде, откуда снято напряжение, где
наложены заземления, какие части ремонтируемого и соседних присоединений
остались под напряжением и какие особые условия производства работ должны
соблюдаться.
С момента допуска бригады к работам надзор за
ней в целях предупреждения нарушений требований техники безопасности
возлагается на производителя работ или наблюдающего. Производитель работ и
наблюдающий должны все время находиться на месте работы по возможности на том
участке, где выполняется наиболее ответственная работа.
При перерыве в работе на протяжении рабочего дня
(на обед, по условиям производства работ) бригада удаляется из закрытого или
открытого рабочего участка. Наряд остается на руках у производителя работ
(наблюдающего).
Плакаты, ограждения и заземления остаются на
месте. Ни один из членов бригады не имеет права войти после перерыва в закрытое
или открытое РУ в отсутствие производителя работ или наблюдающего. Допуск
бригады после такого перерыва оперативным персоналом не производится.
Производитель работ сам указывает бригаде место работы.
После полного окончания работы рабочее место
приводится в порядок, принимается ответственным руководителем, который после
вывода бригады производителем работ расписывается в наряде об окончании работы
и сдает его оперативному персоналу либо при отсутствии последнего оставляет в
папке действующих нарядов.
Наряд может быть закрыт оперативным персоналом
лишь после осмотра оборудования и места работы, проверки отсутствия людей,
посторонних предметов, инструмента и при надлежащей чистоте.
К эксплуатации системы управления допускаются
лица, имеющие разрешение для работы в электроустановках напряжением до 1000 В,
изучившие техническое описание и инструкцию по технике безопасности. Работа в
электроустановках проводится по нарядам или распоряжениям. Работа в цепях
устройств автоматики производится по исполнительным схемам; работа без схем, по
памяти, запрещается.
Перед началом работы:
· электромонтер по ремонту
электрооборудования должен получить задание на работу от мастера;
· проверить наличие и исправность
ручного инструмента, индивидуальных защитных средств;
· надеть и привести в порядок
спецодежду;
· не приступать к работе, если условия
ее выполнения противоречат инструкциям по технике безопасности или другим
документам, регламентирующим безопасное проведение работ.
При обслуживании системы:
· шкафы управления системы подключают
к контуру защитного заземления; снимать наложенные в электроустановках
заземления, препятствующие проведению испытаний и накладывать их снова можно
только по указанию лица, руководящего испытанием;
· шкафы жестко крепятся на месте
эксплуатации, в противном случае, возможно, их опрокидывание при открывании
поворотной рамы установленными в нее ячейками и источниками питания;
· чистка изоляции без снятия
напряжения на токоведущих частях и вблизи них производится в шкафах с помощью
специальных щеток или пылесосов, снабженных изолирующими штангами; при работе в
шкафах, находящихся под напряжением, в разных концах машинного зала, к которым
возможно случайное прикосновение вывешивают предупреждающие плакаты;
· использовать приборы с высоким
входным сопротивлением для измерения логических сигналов разрешается только
обученным лицам из электротехнического персонала; работать только в
диэлектрических перчатках, стоя на диэлектрическом коврике, на отвертках должен
быть изолирован стержень, с применением защитного щитка;
· все шкафы управления имеют аппараты
защиты от токов короткого замыкания и других аварийных режимов, могущих
привести к пожарам; плавкие вставки предохранителей должны быть калиброваны с
указанием на клейме номинального тока вставки;
· напряжение питания фотодатчиков 220
В переменного тока является опасным и следует помнить о наличии этого
напряжения на разъеме, выявление неисправностей у фотодатчиков, их устранение и
наладку производятся в лабораторных условия; обслуживающий персонал
фотодатчиков должен иметь квалификационную группу не ниже третьей по
электробезопасности.
.3 Противопожарные мероприятия, проводимые в
цехе
В смазочных и кабельных тоннелях через каждые
150 метров предусматриваются выходы на уровень пола.
Для создания нормальных температурных условий в
смазочных подвалах, кабельных тоннелях, насосных, пультах управления,
коммутационно-распределительных устройствах, аккумуляторных помещениях
предусматривается система вентиляции.
Электродвигатели и их коммутационные аппараты
должны быть заземлены или занулены. Соединения заземляющих и нулевых защитных
проводников между собой должны обеспечивать надёжный контакт и выполняются
посредством сварки.
Лица, ответственные за пожарную безопасность
обеспечивают подразделения необходимыми средствами пожаротушения, связи,
наглядной агитацией, противопожарным водоснабжением, системами противопожарной
автоматики и организовывают их техническое обслуживание. Наиболее эффективными
при тушении пожара являются порошковые и углекислотные огнетушители.
Углекислотные огнетушители ОУ-2, ОУ-5, ОУ-8 представляют собой стальные баллоны
емкостью 2,5 и 8 л. Каждый работающий на производственном участке обязан чётко
знать и строго выполнять установленные правила пожарной безопасности, не
допускать действий, могущих привести к пожару.
В кабельных сооружениях и электропомещениях для
электропроводок применяются провода и кабели с оболочками только из трудно
сгораемых или несгораемых материалов.
Соединения, оконцевания и ответвления жил
проводов и кабелей, а также шинопроводов во избежание опасных в пожарном
отношении переходных сопротивлений, необходимо производить при помощи опрессовки,
сварки, пайки.
Не допускается складирование горючих материалов
на расстоянии менее 17 метров от воздушных линий электропередачи напряжением до
1000 В.
Электродвигатели, светильники, проводка,
распределительные устройства очищаются от горючей пыли не реже двух раз в
месяц, а в помещениях со значительным выделением пыли - еженедельно.
При эксплуатации электроустановок запрещается:
1) использовать кабели и провода с поврежденной
изоляцией;
2) применять для отопления помещений
нестандартные нагревательные электрические лампы накаливания;
) эксплуатировать поврежденные розетки,
соединительные коробки, рубильники;
) оставлять под напряжением электрические
провода и кабели с неизолированными концами;
) снимать стеклянные колпаки,
уплотнительные прокладки с электросборок, светильников, коммутационных
устройств и оставлять открытыми дверцы электроустановок.
Неисправности в электроустановках, которые могут
вызывать искрение, короткое замыкание, перегрев горючей изоляции кабелей и
проводов должны немедленно устранятся дежурным персоналом.
5.4 Экологические мероприятия по охране
окружающей среды
При производстве работе и эксплуатации
производственных и бытовых помещений образуются отходы: обтирочный материал,
мусор промышленный, мусор от бытовых помещений (IV
класс опасности), отходы упаковочного картона, полиэтиленовая тара ( V
класс опасности), которая складируется в короба, расположенные согласно схем
мест временного накопления отходов на участках цехов СП. По мере накопления
отходов выводят автотранспортом на свалку СБиО. Учет отходов, вывозимых на
свалку СЦБиО, ведется ответственными лицами СП в журналах первичного учета
образования и передачи отходов на свалку СБиО. Учет выданных пропусков
(талонов) ведет ответственный за учет и выдачу пропусков (талонов) - менеджер
по хозяйственному обеспечению СП в журнале учета выдачи пропусков (талонов) на
вывоз твердых отходов на свалку СБиО.
Заключение
В данном дипломном проекте была разработана
автоматизированная система регулирования стенда сушки промковшей ЭСПЦ ЧерМК ОАО
«Северсталь». Разработанная АСР позволяет управлять системой сушки промковшей в
автоматическом или ручном режиме, регулировать температуру сушки при помощи
подачи газа.
Проведенный расчет экономической эффективности
говорит о целесообразности внедрения разработанной АСР в ЭСПЦ.
В экономической части были рассчитаны затраты на
разработку и внедрение системы. Исходя из этих данных, был определён срок
окупаемости капитальных вложений и коэффициент эффективности.
Литература
. Оформление пояснительной записки
курсовых и дипломных проектов в соответствии с требованиями ГОСТ 2.105 - 95.
Череповецкий металлургический колледж, 1999.
. Тюриков С.П. Методические
рекомендации и расчеты по курсовому проектированию для студентов 3 и 4 курсов.
Череповец 2006 год.
. Теория, конструкции и расчёты
стендов сушки ковшей. Том 1. - Под редакцией В.А. Кривандина. - М.:
Металлургия, 1996.
. Липухин Ю.В., Булатов Ю.И.
Автоматизация металлургических агрегатов. М.: Металлургия, 1992.
. Каганов В.Ю., Блинов О.М.,
Беленький А.М. Автоматизация управления металлургических печей.
. Котов К.И., Шершевер М.А. Средства
измерения, контроля и автоматизации технологических процессов. Вычислительная и
микропроцессорная техника. М: Металлургия, 1989.
. Статья из Internet:
Описание ПЛК SIMATIC
S7-300. Сайт: simatic.nm.ru.
. Учебные материалы Учебного центра
ОАО «Северсталь» 2004 г. Шишмарев В.Ю. Автоматизация технологических
процессов.- М: Изд.ц. «Академия», 2005 г.
. Бунин В.К., Анопренко В.А. SCADA-системы:
проблема выбора. Современные технологии автоматизации, М:1999.
. Аристова Н.Н., Корнеева А.И.
промышленные программо - аппаратные средства на отечественном рынке SCADA-системы
как инструмент проектирования АСУ ТП. - ПГТУ им. Баумена Н., 2004 г.
. Прокопов А.А., Татаринцев И.И.
Применение программируемых контроллеров для управления технологическими
оборудованиями. - СПб: СПГЭУ, 1996 г.
Приложение А - схема структурная и
функциональная
Приложение Б - схема электрическая
принципиальная (подключение датчиков Prowirl
72 на ход контроллера)
Приложение В - алгоритм программы управления
(блок схема)
Приложение Г - плакат «Технико-экономические
показатели модернизации»
|
Показатель
|
Значение
|
|
Капитальные
затраты на разработку и внедрение системы, руб.
|
2
117 848,95
|
|
Годовые
эксплуатационные расходы, руб.
|
429 923,33
|
|
Время
простоев МНЛЗ из-за перегрева и выхода из строя промковша, час./год
|
1.5
|
|
Время
простоев МНЛЗ в год по вине системы после внедрения САР, час./год.
|
0.4
|
|
Годовая
экономия, руб.
|
3 473 834,99
|
|
Экономический
эффект, руб.
|
3 043 911,66
|
|
Экономическая
эффективность
|
1,4
|
|
Срок
окупаемости, лет.
|
0,7
|
Приложение Д -
план расположения средств автоматизации
Приложение Е - план трасс трубных проводок
Приложение Ж - монтажная схема датчиков
Приложение З - монтажная схема контроллера
Приложение И - математическая модель САУ
Приложение К - годографы устойчивости
Годограф Михайлова
АФХ разомкнутой системы