Методы и приемы творческого труда

  • Вид работы:
    Контрольная работа
  • Предмет:
    Другое
  • Язык:
    Русский
    ,
    Формат файла:
    MS Word
    441,97 Кб
  • Опубликовано:
    2014-10-18
Вы можете узнать стоимость помощи в написании студенческой работы.
Помощь в написании работы, которую точно примут!

Методы и приемы творческого труда

СОДЕРЖАНИЕ

Введение

. Общие сведения

. Методы поиска технических решений

. Идеальное техническое решение

. Технологический процесс изготовления детали Корпус КГ-2132

. Технологический процесс изготовления заготовки

Заключение

Список использованной литературы

Введение

осборн творческий труд

Современная научно-техническая революция характерной чертой которой является бурное развитие науки, техники и производства, вошла в противоречие со старым ненадежным, малопроизводительным способом мышления и поиска новых решений. Человеческое общество пытается преодолеть это противоречие созданием специальных научных методов активизации и рациональной организации творчества .

Техническое творчество - важная сфера интеллектуальной деятельности человека. Это способность преобразовывать материальный мир вокруг себя, адаптировать его к своим нуждам.

Постепенно, с развитием техники и образования начали появляться инженеры в различных областях: металлургия, строительство и т.д., что создало предпосылки для специализации инженерного дела: технологи, механики, конструкторы. Возникла необходимость создания методов - инструментов инженерного труда. Методов технического творчества. Некоторые из них складывались исторически (метод проб и ошибок, морфологический анализ, мозговая атака), другие развивались с развитием общества (функционально - стоимостный анализ, теория решения изобретательских задач).

Методы технического творчества развиваются и сейчас, помогая находить все боле новые и совершенные решения технических и организационных проблем.

1. Общие сведения


Массовая высокоэффективная творческая деятельность невозможна без научной организации умственного труда. Именно поэтому закономерен в наше время интерес специалистов самого широкого профиля (инженеров, философов, психологов и т.д.) к техническому творчеству. Оно становится темой глубоких научных исследований. Стремление повысить эффективность творческого труда породило ряд приемов, методов и методик, позволяющих рационально организовать поиск новых технических решений, активизировать мышление, развить и реализовать творческие способности человека.

В таблице 1 приведены некоторые известные методы (и методики) поиска новых технических решений за период с 1942 по 1980г.г.

Таблица 1

Методы поиска новых технических решений

Название метода

Автор

Год появления

СССР



Метод экономического анализа и поэлементной отработки конструкторских решений

Ю. Соболев

1950

Алгоритм решения изобретательских задач (АРИЗ)

Г. Альтшуллер

1956

Метод направленного мышления

Н. Середа

1961

Методика семикратного поиска

Г. Буш

1964

Метод психоэвристического программирования (ИПИД)

В. Чавчанидзе и др.

1968

Метод использования библиотеки эвристических приемов

А. Половинкин

1969

Метод системно-логического подхода к решению изобретательских задач

В. Шубин

1972

Метод гирлянд случайностей и ассоциаций

Г. Буш

»

Обобщенный эвристический алгоритм

А. Половинкин и др.

1976

Метод десятичных матриц поиска

Р. Повилейко

»

Метод выявления обобщенных приемов на основе анализа описаний изобретений

М. Зарипов и др.

1978

Вепольный анализ

Г. Альтшуллер

»

Методика анализа свойств и синтеза технических решений (АССТР)

А. Чус

1979

Аксиоматический метод понятий

В. Скоморохов

1980

Германия



Метод каталога

Ф. Кунце

1926

Метод организующих понятий

1953

Метод конференции идей

В. Гильде и др.

1970

Систематическая эвристика

И. Мюллер и др.

»

Анализ затрат на основе потребительной стоимости

Х. Эберт, К. Томас

1971

Чехословакия



Метод комплексного решения проблем

С. Вит

1967

Англия



Метод фундаментального проектирования

Е. Матчетт

1966

Метод контрольных вопросов

Т. Эйлоарт

1969

Метод функционального изобретательства

К. Джонс

1970

Метод расчлененного проектирования

»

»

Метод ликвидации тупиковых ситуаций

»

»

Метод трансформации системы

»

»

США



Морфологический анализ

Ф. Цвикки

1942

Синектика

В. Гордон

1944

Метод контрольных вопросов

Д. Пойа

1945

Инженерно-стоимостной анализ

Л. Майлз и др.

1947

Метод контрольных вопросов

Р. Кроуфорд

1954

Метод ведомостей характерных признаков

Р. Кроуфорд

»

Метод мозгового штурма

А. Осборн

1957

Метод контрольных вопросов

С. Пирсон

»

Метод фокальных объектов

Ч. Вайтинг

1958

Метод анализа затрат и результатов

Ю. Фанге

1959

Метод творческого инженерного конструирования

Г. Буль

1960

Метод контрольных вопросов

А. Осборн

1964

Р. Мак-Крори

1966

Метод ступенчатого подхода к решению задач

А. Фрейзер

1969

Метод музейного эксперимента

Коллект. авт.

1970

Франция



Метод «матриц открытия»

А. Моль

1955

Метод «Креатике»

Коллект. авт.

1970

Интегральный метод «Метра»

И. Бувен и др.

1972

Анализ, приведенных в таблице 1 методов поиска показывает возрастание темпов развития методологии технического творчества, увеличение количества его методов: до 1940г. был разработан один метод; в период с 1940 до 1950г.г. - 4; с 1950 до 1960 г.г. - 10; с 1960 до 1970г.г. - 11; с 1970 до 1980г.г. - 18 методов. Появлялись новые методы так же после 1980г. Эти методы были направлены на усовершенствование, углубление уже известных методов (методик). Кроме этого в данный период бурно развивались компьютерные методы технического творчества. Существенно изменился научный уровень методов. Он поднялся от метода каталога , основанного на поиске идеи решения с помощью случайных ассоциаций, до современных глубоко научно обоснованных алгоритмических методик поиска, например, АРИЗ-77, позволяющих в кратчайшее время находить новые технические решения высокого уровня, и обобщенного эвристического алгоритма, дающего новые рациональные решения с помощью ЭВМ .

В настоящее время сформировалась такая система знаний о техническом творчестве и его методах, которую уже уверенно можно считать фундаментом науки.

2. Методы поиска технических решений


Одним из наиболее распространенных в настоящее время является метод контрольных вопросов . Основная цель его - с помощью наводящих вопросов подвести к решению технической задачи. Суть метода состоит в том, что изобретатель отвечает на вопросы, содержащиеся в списке, и в связи с ними рассматривает свою задачу. Широко распространены универсальные вопросники, составленные А. Осборном, Э. Раудзенпом, Т. Эйлофртом, Д. Пирсоном и др. Они состоят из различного количества вопросов.

За рубежом чаще пользуются вопросником, разработанным А. Осборном, который содержит 9 групп вопросов.

Список контрольных вопросов по А. Осборну

1. Какое новое применение техническому объекту Вы можете предложить? Возможны ли новые способы применения? Как модифицировать известные способы применения?

2. Возможно ли решение изобретательской задачи путем приспособления, упрощения, сокращения? Что напоминает Вам данный технический объект? Вызывает ли аналогия новую идею? Имеются ли в прошлом аналогичные проблемные ситуации, которые можно использовать? Что можно скопировать? Какой технический объект нужно опережать?

3. Какие модификации технического объекта возможны? Возможна ли модификация путем вращения, изгиба, скручивания, поворота? Какие изменения назначения (функции), цвета движения, запаха, формы, очертаний возможны? Другие возможные изменения?

4. Что можно увеличить в техническом объекте? Что можно присоединить? Возможно ли увеличение времени службы, воздействия? Увеличить частоту, размеры, прочность? Повысить качество? Присоединить новый ингредиент? Дублировать? Возможна ли мультипликация рабочих элементов или всего объекта? Возможно ли преувеличение, гиперболизация элементов или всего объекта?

5. Что можно в техническом объекте уменьшить? Что можно заменить? Можно ли что-нибудь уплотнить, сжать, сгустить, конденсировать, применить способ миниатюризации, укоротить, сузить, отделить, раздробить?

6. Что можно в техническом объекте заменить? Что, сколько замешать и с чем? Другой ингредиент? Другой материал? Другой процесс? Другой источник энергии? Другое расположение? Другой цвет, звук, освещение?

7. Что можно преобразовать в техническом объекте? Какие компоненты можно взаимно заменить? Изменить модель? Изменить разбивку, разметку, планировку? Изменить последовательность операций? Транспортировать причину и эффект. Изменить скорость или темп? Изменить режим?

8. Что можно в техническом объекте перевернуть наоборот? Транспонировать положительное и отрицательное. Нельзя ли обменять местами противоположно размещенные элементы? Повернуть их задом наперед? Перевернуть низом вверх? Обменять местами? Поменять ролями? Перевернуть зажимы?

9. Какие новые комбинации элементов технического объекта возможны? Можно ли создать смесь, сплав, новый ассортимент, гарнитур? Комбинировать секции, узлы, блоки, агрегаты? Комбинировать цели? Комбинировать привлекательные признаки? Комбинировать идеи?

Одним из лучших можно считать список вопросов, составленный английским изобретателем Т. Эйлоартом. В сущности, он дал программу работы талантливого изобретателя, с фанатической настойчивостью пытающегося решить задачу методом проб и ошибок. Некоторые вопросы требуют развитого воображения, другие - глубоких и разносторонних знаний. Есть и вопросы, по-своему, очень тонкие, свидетельствующие о богатом опыте и наблюдательности Т. Эйлоарта.

Список контрольных вопросов по Т. Эйлоарту

. Перечислить все качества и определения предполагаемого изобретения. Изменить их.

2. Сформулировать задачи ясно. Попробовать новые формулировки. Определить второстепенные задачи и аналогичные задачи. Выделить главные.

. Перечислить недостатки имеющихся решений, их основные принципы, новые предположения.

. Набросать фантастические, биологические, экономические, молекулярные и другие аналогии.

Построить математическую, гидравлическую, электронную, механическую и другие модели (они точнее выражают идею, чем аналогии).

6. Попробовать различные виды материалов и энергии: газ, жидкость, твердое тело, гель, пену, пасту и др.; тепло, магнитную энергию, свет, силу удара и т. д.; различные длины воли, поверхностные свойства и т. п., переходные состояния - замерзание, конденсация, переход через точку Кюри и т. д.; эффекты Джоуля-Томпсона, Фарадея и др.

7. Установить варианты, зависимость, возможные связи, логические совпадения.

8. Узнать мнение некоторых совершенно неосведомленных в данном деле людей.

9. Устроить сумбурное групповое обсуждение, выслушивая все и каждую идею без критики.

10. Попробовать «национальные» решения - хитрое шотландское, всеобъемлющее немецкое, расточительное американское, сложное китайское и т.д.

11. Спать с проблемой, идти на работу, гулять, принимать душ, ехать, пить, есть, играть в теннис - все с ней.

12. Бродить среди стимулирующей обстановки (свалка лома, технические музеи, магазины дешевых вещей), пробегать журналы, комиксы.

13. Набросать таблицу цен, величин, перемещений, типов материалов и т. д. разных решений проблемы или ее частей, искать. проблемы в решениях или новые комбинации.

14. Определить идеальное решение, разрабатывать возможные.

15. Видоизменить решение проблемы с точки зрения времени (скорее или медленнее), размеров, вязкости и т. п.

16. В воображении залезть внутрь механизма.

17. Определить альтернативные проблемы и системы, которые изымают определенное звено из цепи и, таким образом, создают нечто совершенно иное, уводя в сторону от нужного решения.

18. Чья это проблема? Почему его?

19. Кто придумал это первый? История вопроса. Какие ложные толкования этой проблемы имели место?

20. Кто еще решил эту проблему? Чего он добился?

21. Определить общепринятые граничные условия и причины их установления.

Существует также список вопросов Д. Пойа, который отличается тем, что вопросы здесь составляют определенную систему (в других списках их можно менять местами).

Наиболее обширен и универсален вопросник советского изобретателя и исследователя в области технического творчества Г.Я. Буша, называемый еще вопросником мысленного эксперимента изобретателя.

В процессе решения технических задач возможно использование и других известных методов в соответствии с таблицей 3.1. Описание этих методов приводится в технической литературе .

3. Идеальное техническое решение


К одному из приемов, помогающих выбору нового технического решения на главной магистрали развития, относится формулировка идеального технического решения (ИТР), которое называют по разному: «идеальный конечный результат», «идеальная машина», «предельно совершенное устройство» и т.д.

ИТР является как бы ориентиром для выбора прототипа и конструирования улучшенного технического объекта.

Определение ИТР.

Принято считать техническое решение идеальным, если оно имеет одно или несколько из следующих свойств:

а) в ИТР размеры технического объекта приближаются или совпадают с размерами обрабатываемого или транспортируемого объекта, а чистая масса технического объекта намного меньше массы обрабатываемого объекта;

б) в ИТР масса и размер технического объекта или его главных функциональных элементов приближаются к нулю, а в предельном случае равны нулю (когда устройства вообще нет, а необходимая функция выполняется);

в) в ИТР время обработки объекта приближается к нулю или равно нулю;

г) в ИТР кпд приближается к единице или равен единицы, а расход энергии приближается к нулю или равен нулю;

д) в ИТР все части технического объекта выполняет полезную работу в полную меру своих расчетных возможностей;

е) технический объект, имеющий ИТР, функционирует бесконечно длительное время без ремонта и остановок;

ж) технический объект, имеющий ИТР, функционирует без человека или при его минимальном участии;

з) технический объект, имеющий ИТР, не оказывает никакого отрицательного влияния на человека и окружающую природную среду.

Для формулировки ИТР полезно использовать следующие правила:

Не следует думать заранее возможно или невозможно в принципе осуществить ИТР, и какими путями будет реализовано ИТР.

Любой класс (тип) технических объектов имеет вполне определенное направление (или главную магистраль) развития. Главную магистраль развития технического объекта можно представить в виде схемы, приведенной на рисунке 1. Т1, Т2, Т3 - предшествующие массово выпускаемые технические объекты, Т4 - рассматриваемый прототип, б - угол поиска без знания ИТР, в - сужение угла поиска с ориентацией на ИТР.

 

Рис.1 . Главная магистраль развития технического объекта.

В связи с этим все изобретения можно разделить на две группы: прогрессивные (Т1-Т4), которые лежат на главной магистрали, и тупиковые (Т3а, Т4а), уходящие в сторону от главной магистрали.

К одному из приемов, помогающих выбору нового технического решения на главной магистрали развития, относится формулировка ИТР.

4. Технологический процесс изготовления детали Корпус КГ-2132


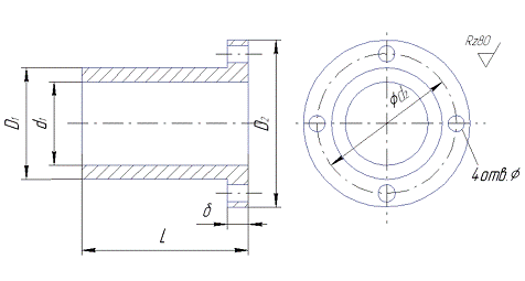
Рассмотрим технологический процесс изготовления детали Корпус КГ-2132 который в дальнейшем будет использоваться как корпус . Отливка будет изготавливаться в литейном производстве , а деталь полученная из этой заготовки в ремонтно-механическом цехе . Итак длина детали 1500 мм, , диаметр наружный 1400 мм, внутренний диаметр - 1000 мм

Рис.2 Чертеж детали Корпуса КГ-2132

L, мм

D1, мм

D2, мм

d1, мм

d2, мм

Æ, мм

d, мм

Материал

1500

1000

1400

800

1200

20

50

СЧ 25


Согласно заданию ОАО «ЧАЗ» нужно изготовить деталь (рис.1), которая может использоваться как какая-либо опора или корпус. В данной работе подробно описан технологический процесс изготовления заготовки, а также детали, полученной из этой заготовки.

Производство детали корпус КГ-2132 серийное, до 1000 штук в год.

Возможные способы изготовления заготовки

Данную заготовку можно изготовить некоторыми способами литья: центробежное литье, литье в металлический кокиль, литье в песчано-глинистые формы.

При центробежном литье сплав заливают во вращающиеся формы; формирование отливки осуществляется под действием центробежных сил, что обеспечивает высокую плотность и механические свойства отливок. Металлические формы (изложницы) изготавливают из чугуна и стали. Толщина изложницы обычно в 1,5-2 раза больше толщины отливки. В процессе литья изложницы снаружи охлаждают водой или воздухом. На рабочую поверхность изложницы наносят теплозащитные покрытия для увеличения срока их службы. Перед работой изложницы подогревают до температуры 200°С.

При литье в кокиль отливки получают путем заливки расплавленного металла в металлические формы - кокили. Полости в отливках оформляют песчаными, оболочковыми или металлическими стержнями. Кокили с песчаными или оболочковыми стержнями используют для получения отливок сложной конфигурации.

При литье в песчано-глинистую форму формовку производят по деревянным и металлическим моделям в опоках, набиваемых песчано-глинистыми смесями. Для образования внутренних полостей используют стержни, формуемые в стержневых ящиках из песчаных смесей с крепителями.

Выбор наиболее эффективного способа

При изготовлении данной заготовки остановимся на литье в песчано-глинистые формы. Этот способ является универсальный и практически единственный способ изготовления крупногабаритных отливок. Он характеризуется низкой стоимостью, недефицитностью материалов и простой организацией технологического процесса.

Два других способа литья являются экономически не выгодными, в связи с тем, что деталь изготавливается в мелкосерийном производстве.

5. Технологический процесс изготовления заготовки


Данную заготовку получаем в литейной форме, продольный разрез которой показан на рисунке 3.

Рис.3 Продольный разрез литейной формы:

-выпор,2-стержень, 3-опока, 4-формовочная (песчано-глинистая) смесь

Рассмотрим последовательность изготовления литейной формы.

В модельном цехе по чертежу детали (рис.1) изготавливают модель, размеры которой берут с учетом припусков на усадку (для данного варианта 0,9-1,3%) и механическую обработку, а также изготавливают стержневой ящик. Для удобства изготовления литейной формы модель и стержневой ящик делают разъемными (рис.3,4)..


Литейную форму, состоящую из двух полуформ, изготавливают в такой последовательности: собирают стержневой ящик из нижней и верхней половины, засыпают стержневую смесь и уплотняют. На модельную плиту 1 устанавливают нижнюю половину модели 2, модели питателей 3 и опоку 4 (рис.5), в которую засыпают формовочную смесь и уплотняют. Опоку поворачивают на 180°, устанавливают верхнюю половину модели 1, модели шлакоуловителя 2, стояка 3 и выпора 4. Устанавливают верхнюю опоку 5 (рис.6), засыпают формовочную смесь и уплотняют. После извлечения модели стояка и выпоров форму раскрывают. Из полуформ извлекают модели, модели питателей и шлакоуловителя.

В нижнюю полуформу устанавливают стержень и накрывают нижнюю полуформу верхней.

Рис.5 Изготовление нижней части литейной формы:

-модельная плита, 2-модель (нижняя часть), 3-модели питателей, 4-опока

Рис.6 Изготовление верхней части литейной формы: 1-модель

(верхняя часть), 2-шлакоуловитель, 3-канал-стояк, 4 - выпор, 5-опока

В литейную форму из ковша заливается расплавленный металл. Затем, после охлаждения, происходит выбивка отливки. При этом литейная форма разрушается. После выбивки отливка (рис.7) подвергается обрубки литниковой системы. Обрубку производят пневматическими зубилами, ленточными и дисковыми пилами, газовой резкой и на прессах.

Рис.7 Отливка

За обрубкой следует очистка отливок. На этом этапе происходит удаление пригара, остатков формовочной и стрежневой смеси с наружных и внутренних поверхностей отливки.

В этой главе рассмотрен выбор наиболее эффективного способа изготовления заготовки для корпуса КГ-2132 на ОАО «ЧАЗ», а также представлен технологический процесс изготовления заготовки способом литья в песчано-глинистые формы. При этом была изготовлена модель по чертежу и стержневой ящик.

 

Заключение

В процессе выполнения работы мы ознакомились с методами и приемами творческого труда, операциями при создании технических объектов, принятием идеальных технических решений.

Одним из наиболее распространенных в настоящее время является метод контрольных вопросов. Основная цель его - с помощью наводящих вопросов подвести к решению технической задачи. Суть метода состоит в том, что изобретатель отвечает на вопросы, содержащиеся в списке, и в связи с ними рассматривает свою задачу. Мы ознакомились с универсальными вопросниками, составленные А. Осборном, Э. Раудзенпом, Т. Эйлофртом, Д. Пирсоном и др.

В данной работе был рассмотрен техническое решение при изготовлении корпуса КГ-2132 , анализ выявил необходимость поиска нового технического решения с целью усовершенствования.

В этой работе рассмотрен выбор наиболее эффективного способа изготовления заготовки для корпуса КГ-2132 на ОАО «ЧАЗ», а также представлен технологический процесс изготовления заготовки способом литья в песчано-глинистые формы. При этом была изготовлена модель по чертежу и стержневой ящик.

Он состоит из нескольких этапов:

сначала была получена заготовка способом литья в песчано-глинистые формы. Выбор этого способа оправдывает себя, так как производство детали мелкосерийное, а сама деталь крупногабаритная.

затем заготовку обрабатывали точением (токарной обработкой). Этот способ использовался в связи с тем, что в обозначении шероховатости поверхности детали был применен знак, который означает, что поверхность должна быть получена удалением слоя материала. А также на выбор способа повлияла геометрия детали. Деталь является телом вращения. Обработка производилась на токарно-карусельном станке, так как деталь крупногабаритная.

четыре отверстия получаем на радиально-сверлильном станке. Выбор этого станка основывается на том, что деталь тяжелая, большая и изменение положения детали довольно трудоемкая работа. А на этом станке перемещается шпиндельная головка и устанавливается непосредственно над местом, где надо получить отверстие.

С помощью метода инженерного творчества, а именно, теории изобретательских задач, были выявлены некоторые технические противоречия (относительная простота способа - неточность результатов и узкая область применения). Алгоритм теории позволил найти новое техническое решение, удовлетворяющее всем признакам изобретения.

Таким образом, найденное решение оказалось новым, универсальным и более точным.

Список использованной литературы

1.   Альшулер Г.С. Алгоритм изобретения. - М.: Московский рабочий, 1973.

2.      Альшулер Г.С. Творчество как точная наука. - М.: Советское радио, 1979.

.        Альшулер Г.С. Найти идею. Введение в теорию решения изобретательских задач. - Новосибирск: Наука, 1986.

.        Буш Г.Я. Рождение изобретательских идей. - Рига: Лиссма, 1976.

6.   Экономика предприятия (фирмы): учебник / Под ред. О.И. Волкова, О.В. Девяткина. 3-е издание, перераб. и доп. М: ИНФРА-М, 2005. 601 с.

7.      Лукичёва, Л.И. Управление организацией: учеб. / Л.И. Лукичёва; под ред. Ю.П. Анискина. 3-е изд., стер. М.: Омега-Л, 2007. 360 с.: ил., табл.

.        Фатхутдинов, Р.А Организация производства: учебник / Р.А. Фат-хутдинов. 2-е изд., перераб. и доп., М.: ИНФРА-М, 2006. 528 с.

.        Производственный менеджмент: учебник / Под ред. В.А. Козловского. Москва: ИНФРА-М, 2005. 574 с.

.        Басова, Т.Ф. Основы экономики и управления: учеб. пособие для студ. сред. проф. учеб. заведений / Т.Ф. Басова, В.И. Иванов, Н.Н. Кожевников [и др.]; под ред. Н.Н. Кожевникова. М.: Издательский центр «Академия», 2004.

.        Просветов, Г.И. Бизнес-планирование: Задачи и решения: учебно-методическое пособие / Г.И. Просветов. М.: РДЛ, 2005. 208 с.

.        Уткин, Э.А. Бизнес-план компании. / Э.А. Уткин. М.: ЭКМОС, 2000. 96 с.

13. Ковалёв, В.В. Методы оценки инвестиционных проектов. / В.В. Ковалёв. М.: Финансы и статистика, 1998. 144 с.

14.    Чус А.В., Данченко В.Н. Основы технического творчества.- Киев - Донецк: Вища школа, 1983-183с.

.        Половинкин А.И. Основы инженерного творчества. - М.: Машиностроение, 1988.-366с.

Похожие работы на - Методы и приемы творческого труда

 

Не нашли материал для своей работы?
Поможем написать уникальную работу
Без плагиата!
Без нейросетей!