Методи отримання та властивості метал-фулеренових плівок
Дипломна
робота
МЕТОДИ
ОТРИМАННЯ ТА ВЛАСТИВОСТІ МЕТАЛ-ФУЛЕРЕНОВИХ ПЛІВОК
РЕФЕРАТ
Об’єктом дослідження дипломної
роботи є метал-фулеренові плівки.
Мета роботи полягає в узагальненні
джерел по метал-фулереновим плівкам, їх властивостям, а також питанням
пов’язаним з їх синтезом та застосуванням.
Під час виконання роботи
використовувалися загально наукові методи, систематизація джерел.
У результаті виконання роботи
встановлено, що метал-фулеренові плівки володіють унікальними властивостями, які
дозволяють широко застосовувати їх в оптиці, мікроелектроніці, медицині та
інших наукоємних галузях.
Робота викладена на 54 сторінках, у
тому числі містить 22 рисунків, 1 таблицю, список цитованої літератури із 20
джерел.
КЛЮЧОВІ СЛОВА: МЕТАЛ-ФУЛЕРЕНОВІ
ПЛІВКИ, ФУЛЕРЕНИ, МЕТОД КОНДЕНСАЦІЇ У ВАКУУМІ, ВУГЛЕЦЬ, ПИТОМИЙ ОПІР.
ЗМІСТ
ВСТУП
РОЗДІЛ 1. ЗАГАЛЬНА
ХАРАКТЕРИСТИКА ФУЛЕРЕНІВ
.1 Історія відкриття
.2 Фулерити та фулериди
.3 Багатошарові фулерени
.4 Синтез фулеренів
РОЗДІЛ 2. МЕТОДИ ОТРИМАННЯ МЕТАЛ
- ФУЛЕРЕНОВИХ ПЛІВОК
.1 Метод конденсації у вакуумі
.2 Метод електрохімічного
осадження
РОЗДІЛ 3. ВЛАСТИВОСТІ
МЕТАЛ-ФУЛЕРЕНОВИХ ПЛІВОК
.1 Фізичні властивості
.2 Електричні властивості
РОЗДІЛ 4 ЗАСТОСУВАННЯ ФУЛЕРЕНІВ
ТА МЕТАЛ ФУЛЕРЕНОВИХ ПЛІВОК
.1 Застосування молекул
фулерену
.2 Функціональні елементи на
основі метал-фулеренових плівок
РОЗДІЛ 5. ОХОРОНА ПРАЦІ ТА
БЕЗПЕКА В НАДЗВИЧАЙНИХ СИТУАЦІЯХ
5.1 Характеристика приміщення
.2 Вимоги до приміщень
обладнаних ЕВМ
.3 Аналіз стану охорони праці
.4 Шляхи і способи підвищення
стійкості роботи об’єктів господарської діяльності
ВИСНОВКИ
СПИСОК ВИКОРИСТАНИХ ДЖЕРЕЛ
ВСТУП
Вуглецеві фулерени належать до
замкнутих кластерних наноструктур з унікальними властивостями, які дозволяють
широко застосовувати їх в оптиці, мікроелектроніці, медицині та інших
наукоємних галузях. Замкнута будова фулеренів приводить до таких особливостей
sp-гібридизації n-
і р-зв’язків між атомами вуглецю, які обумовлюють поєднання високих
електродонорних та електроакцепторних характеристик цих складних молекул, що
дає можливість утворення функціональних комплексів різної природи. Це дозволяє
в широких межах змінювати фізичні і хімічні властивості фулеренів та їх
комплексів, що суттєво збагачує області їх використання.
В конденсованому стані фулерени,
частіше із яких використовують найбільш стабільні молекули С60 та С70,
об’єднуються в молекулярні кристали, які поблизу кімнатних температур мають ГЦК
або ГЩУ структури. Дані кристалічні фази із-за великих розмірів молекул
фулеренів мають значні параметри гратки і тому в їх міжвузлових положеннях
легко можуть розміщуватися домішкові атоми металів та молекул газів. На даний
час найбільш вивчено перетворення кристалічної структури фулеренів, які
пов’язані з їх полімеризацією, коли при збудженні молекул між ними генеруються
ковалентні зв’язки з утворенням ланцюгів фулеренів.
РОЗДІЛ
1.
ЗАГАЛЬНА ХАРАКТЕРИСТИКА ФУЛЕРЕНІВ
Фулерен - п'ята алотропна
модифікація вуглецю. Цей термін застосовують до широкого класу сполук із
мінімально можливою будовою у 60 атомів вуглецю, що поєднані ковалентним
зв'язком у сферичну молекулу, де кожен атом вуглецю поєднаний із трьома іншими,
утворюючи п'ятикутники та шестикутники на поверхнях. Найбільша молекула
фулерену складається із 560 атомів вуглецю. Найбільш вивченою молекулою
фулерену є молекула С60. С60 найменший фулерен, що
відповідає правилу ізольованого пентагону і тому він є найменшим стійким
фулереном.[1] Вміст С60 найвищий у зазвичай експериментально
отримуваній суміші фулеренів, хоча С60 термодинамічно є найменш стабільним
серед стійких фулеренів. Його ентальпія утворення 8,66 ккал/атом більша за
ентальпію утворення, наприклад, С70 на 0,34 ккал/атом[2].
Найстійкішою алотропною модифікацією Карбону за стандартних умов є графіт.
Тобто, С60 є кінетично контрольованим продуктом в реакції утворення
фулеренів.
Рис 1.1. Молекула C60 -
бакібол[1]
У каталогах хімічних реактивів
речовина С60 має назву бакмінстерфулерен, хіміки частіше називають
його просто фулереном. Є й інша образна назва - футболен. Як
видно на рисунку 1.1, подібність з покришкою
футбольного м'яча очевидна. Існує ще гібрид обох назв - бакібол. Відкриття
фулерену буквально приголомшило хіміків. Здавалося, що про елементарний вуглець
відомо практично усе. Від інших алотропних модифікацій вуглецю фулерен
відрізняється насамперед тим, що це індивідуальні кінцеві молекули, що мають
замкнуту форму. Фулерен на відміну від відомих раніше трьох форм вуглецю
розчинний в органічних розчинниках (бензол, гексан, сірковуглець). З розчинів
фулерен кристалізується у виді дрібних темно-коричневих кристалів, малюнок 1.2.
Для рентгеноструктурного аналізу вони не придатні, тому що через сферичну форму
молекул їхня структура невпорядкована. Побачити молекулу фулерена «своїми
очима» вдалося далеко не відразу, лише після того, як був отриманий продукт
взаємодії фулерена з тетроксидом осмію OsO4 у присутності
третбутилпіридину, який добре кристалізується.
Тривалентність вуглецю у формулі
фулерена повністю виконується. Правильніше зображувати фулерен у вигляді
каркасу з простими короткими зв'язками, що чергуються, але частіше застосовують
спрощене зображення, де каркас складається з одинарних рисок. Ще одна
незвичайна структурна особливість фулерену полягає в тому, що його молекула має
внутрішню порожнину, діаметр якої приблизно 0,5 нм. Зовнішній діаметр самої
молекули 0,71 нм. Внутрішній діаметр, природно, менше зовнішнього, оскільки
атоми вуглецю і їхні електронні оболонки теж мають певний розмір.
Рис 1.2. Кристали фулерену C60
[1]
Фулерен - винятково стійка сполука.
У кристалічному вигляді він не реагує з киснем повітря, стійкий до дії кислот і
лугів, не плавиться до температури 360 °С. Хімічні властивості знаходяться в
повній згоді зі згаданими вище структурними особливостями - фулерен не вступає
в реакції, характерні для ароматичних сполук. Неможливі реакції заміщення, тому
що в атомів вуглецю немає ніяких бічних замісників. Достатня кількість
ізольованих кратних зв'язків дозволяє вважати фулерен поліолефіновою системою.
Для нього найтиповішим є приєднання по кратному зв'язку.
Фулерен є яскраво вираженим
акцептором електронів і при дії сильних відновників (лужні метали) може
приймати до шести електронів, утворюючи аніон С6О6. Крім
того, він легко приєднує нуклеофіли і вільні радикали. При відновленні лужними
металами (наприклад, цезієм чи рубідієм) відбувається перенесення електрона від
атома металу до фулерену. Сполуки, що утворюються, мають низькотемпературну
надпровідність, критична температура появи надпровідності 33К.
1.1
Історія відкриття
Історія відкриття фулерену
незвичайна. У 1973 радянські вчені Д.А. Бочвар і Е. Н. Гальперін опублікували
результати квантово-хімічних розрахунків з яких випливало, що повинна існувати
стійка форма вуглецю, яка містить у молекулі 60 вуглецевих атомів і не має
жодних замісників. У тій же статті була запропонована форма такої гіпотетичної
молекули. Висновки цієї роботи здавалися в той час зовсім фантастичними. Ніхто
не міг собі уявити, що така молекула може існувати, і, тим більше - не уявлявся
спосіб її одержання. Ця теоретична робота трохи випередила свій час і була
спочатку просто забута.
У 1980-х астрофізичні дослідження
дозволили встановити, що в спектрах деяких зірок, так званих «червоних
гігантах», виявлені смуги, що вказують на існування чисто вуглецевих молекул
різного розміру.
У 1985 англійські вчені Гарольд
Крото і Річард Смоллі почали проводити дослідження вже в «земних» умовах. Вони
вивчали мас-спектри пари графіту, отриманих під ударом лазерного променя, і виявили,
що в спектрах є два сигнали, інтенсивність яких набагато вища, ніж всіх інших.
Сигнали відповідали масам 720 і 840, що вказувало на існування великих
агрегатів з вуглецевих атомів - С60 і С70. Мас-спектри
дозволяють установити лише молекулярну масу частинки і не більш того, однак
цього виявилося досить, щоб фантазія вчених запрацювала. У підсумку була
запропонована структура багатогранника, зібраного з п'яти - і шестикутників. Це
було точне повторення структури, запропонованої 12 років тому Бочваром і
Гальперном.
Свою назву фулерени отримали за
прізвищем архітектора Бакмінстера Фулера, котрий сконструював купол і павільйон
США на виставці у Монреалі у 1967 році у вигляді сполучених пентагонів та
гексагонів. Однак заради справедливості необхідно відмітити, що подібна форма є
серед популярних форм Архімеда. Окрім того, збережена дерев'яна модель такої
форми, яку виконав Леонардо да Вінчі, а Ейлер отримав формулу для різних
поверхонь:
Nn • 6 - n = 12 s (1.1)
де n - розмірність, Nn -
кількість багатокутників розмірності n, s - характеристика кривизни поверхні.
Так як s = 1 для кулі та s = 0 для площини, то із формули випливає, що для
утворення сферичної поверхні необхідно 12 пентагонів n = 5 та довільна
кількість гексагонів (n = 6).
Класичним вважається фулерен, що
складається з 60 атомів Карбону (С60). Він має сферичну будову, на
поверхні якої шестичленні кільця зв'язані між собою п'ятичленними циклами.
Якийсь час фулерен був доступний
лише в кількостях, достатніх для спектральних досліджень, але не хімічних.
Одержати фулерен у помітних кількостях вдалося Д.Хаффману і В.Кретчмеру, що
провели випарювання графіту за допомогою електричної дуги в атмосфері гелію.
Сажа, що утворюється в цьому процесі, була проекстрагована бензолом. З розчину
виділили сполуки, що мають суміш С60 і С70. Друга сполука
утворюється в кількостях, приблизно в шість разів менших, ніж перша, і тому
основна маса досліджень проводиться з С60. Описаний спосіб одержання
фулерену з тими чи іншими технологічними варіаціями на сьогодні все ще єдиний.
Вміст фулеренів у сажі, яка утворюється, досягає 44 %. Існують схеми синтезу
фулерену засобами органічної хімії, але вони поки що не реалізовані.
1.2
Фулерити та фулериди
Фулерити - молекулярні кристали,
продукти об'ємної полімеризації сферичних вуглецевих молекул фулеренів C60
і C70 при тиску понад 90 тисяч атмосфер і температурі понад 300 °C.
Отриманий матеріал повністю зберігає жорстку структуру фулеренів, які при
полімеризації з'єднуються між собою міцними алмазоподібними зв'язками, малюнок
1.3. Це призводить до появи просторових каркасів, що мають аномально високу
жорсткість і твердість.
Вперше твердий фулерит спостерігали
В. Кретчмер і Д. Хаффман в травні 1990 року в одній з лабораторій Інституту
ядерної фізики в м. Гейдельберг (Німеччина). Фулерит є третьою формою чистого
вуглецю, що принципово відрізняється як від алмазу, так і від графіту. Є
відомості щодо можливості утворення фулеритів у природних умовах[3] (фулерити
додано у класифікацію мінералів, до класу самородних елементів групи вуглецю).
Фулерит має високий ступінь кристалічного порядку. Молекули C60 при
кімнатній температурі конденсуються в структуру з щільною упаковкою, де кожна
молекула має 12 найближчих сусідів. Існують дві щільноупаковані структури -
гранецентрована кубічна (ГЦК) і гексагональна ґратка. У кристалічному фулериті
молекули фулеренів утворюють ГЦК-ґратку.
Рис 1.3. Структура фулериту[4]
Оскільки 60-атомна молекула має
діаметр 0,71 нм, розміри елементарної комірки ГЦК-ґратки вельми значні: кожна
сторона кубу дорівнює 1,42 нм, а відстань між найближчими сусідами становить
близько 1 нм. У кристалах, що складаються з атомів і мають ГЦК-ґратку, сторона
кубу зазвичай не перевищує 0,4 нм, а відстань між найближчими сусідами - 0,3
нм.
Методом ЯМР доведено, що молекули C60,
займаючи певні місця в гранецентрованих ґратках, при кімнатній температурі
постійно обертаються навколо положення рівноваги з частотою 1012
с-1. Таке обертання є значною перешкодою, коли потрібно визначити положення
атомів вуглецю в самій молекулі C60. Але, в міру пониження
температури обертання молекул сповільнюється і при дуже низькій температурі
повністю припиняється.
При зниженні температури до 249 К
фулерит здійснює фазове перетворення першого роду, при якому ГЦК-ґратки
перебудовуються в прості кубічні. При цьому об'єм фулериту збільшується на 1%.
Твердість фулеритів порівняна з
твердістю алмазу: 6-16 тисяч кгс/мм², а
у фулеритів ультратвердої модифікації значно вище за неї: 16-30 тисяч кгс/мм².
Модуль
всебічного стиску фулеритів доходить до 1300 ГПа, істотно перевищуючи цю
характеристику алмазу (445 ГПа). Одночасно було виявлено, що швидкість
подовжніх акустичних хвиль у фулеритів надзвичайно висока: 19,5-22,3 км/с при
відносно невеликій швидкості поперечних хвиль - 7-8,5 км/с (ці значення
зазвичай розрізняються не більше ніж удвічі). Кристал фулериту має густину
1,7...2 г/см3, що значно менше від густини графіту (2,3 г/см³)
і
тим більше алмазу (3,5 г/см³).
Фулерит не відрізняється високою
хімічною активністю. Молекула C60 зберігає стабільність в інертній
атмосфері аргону до температур близько 1200 К. Однак у присутності кисню вже
при 500 К спостерігається значне окислення з утворенням CO і CO2.
Фулерити достатньо легко
розчиняються в неполярних розчинниках. Твердий фулерит є напівпровідником з
шириною забороненої зони 1,5 еВ.
Фуллериди - інтеркальованний
фуллерен; в більш широкому розумінні - солі (комплекси з переносом заряду),
аніонами в яких є фулерени.
Завдяки порівняно великим розмірам
молекул фулеренів, в їх твердих фазах, наявні порівняно великі міжмолекулярні
порожнечі. Так, в фулерені C60 присутня одна октаедрична і дві
менших тетраедричних порожнечі на кожну молекулу. Ці порожнечі можуть бути
заповнені невеликими молекулами або, що набагато більш цікаво, атомами металів.
Оскільки міжмолекулярні зв'язки в фулерені досить слабкі, можуть бути досягнуті
досить високі ступені інтеркаляції, при яких початкова решітка молекул C60
розсувається під дією впроваджених атомів. Відомі фуллеридов таких металів як
натрій, калій, цезій, магній, кальцій, стронцій, барій, ітербій, самарій,
європій та ін. Отримання фуллеридів може бути засноване на безпосередній
взаємодії фуллерита (або розчинів фулеренів) з лужними металами, часто - під
тиском, електрохімічному допірованні фуллерита, співосадження випаровуваних
металу і фулерену з газової фази і т. д. Потім, для одержання рівноважних фаз,
можуть бути застосовані різні режими температурної обробки (відпалу) [4].
1.3
Багатошарові фулерени
У 1999 році японсько-російському
колективу з Міжнародного центра досліджень матеріалів (Японія) вдалося знайти
багатошарові фулерени. Вони були отримані із сажі, шляхом лазерного піролізу
бензену. Сажу протягом години випалювали за температури 3000°С у атмосфері
аргону. Після прожарювання у вакуумі за температури 1600°С була отримана плівка
осаду, яка складалася з молекул фулерену діаметром 8,1 Å
та
11,9 Å, що відповідає С80
та С180.

Як видно з фотографії, отриманої за
допомогою електронного мікроскопа, є молекули, що складаються з кількох шарів.
На фото можна побачити два їх різновиди: подвійну сферу діаметром 14 Å
та
потрійну кулю діаметром 20 Å. Це,
на думку авторів досліду, перше спостереження вкладених один в одного
фулеренів, т. зв. оніонів (англ. onion). Хоча останнє твердження і суперечливе,
оскільки ще в 1980 році Ііджіма спостерігав за допомогою електронної
мікроскопії високого розрішення оніоні утворення.[5] Якщо розрахувати діаметри
молекул, то виходить, що в першому випадку це С60 всередині С240, а
в другому - С80 та С240, вкладені, як матрьошки, в С560.
Такі багатошарові фулерени - новий вид вуглецевих кластерів.
1.4
Синтез фулеренів
Перші фулерени виділяли з
конденсованих парів графіту, одержуваних при лазерному опроміненні твердих
графітових зразків. Фактично, це були сліди речовини. Наступний важливий крок
був зроблений в 1990 В. Кретчмер, Лемб, Д. Хаффманом та ін, що розробили метод отримання
грамових кількостей фулеренів шляхом спалювання графітових електродів в
електричній дузі в атмосфері гелію при низькому тиску [6]. У процесі ерозії
анода на стінках камери осідала сажа, що містить деяку кількість фулеренів.
Рис 1.5. Установка Кретчмера[6].
Згодом вдалося підібрати оптимальні
параметри випаровування електродів (тиск, склад атмосфери, струм, діаметр
електродів), при яких досягається найбільший вихід фулеренів, що становить в
середньому 3-12% матеріалу анода, що, в кінцевому рахунку, визначає високу
вартість фулеренів.
Рис 1.6. Сучасна устанока що
дозволяє отримати більший вихід фулеренів[6].
На перших порах всі спроби
експериментаторів знайти більш дешеві і продуктивні способи отримання грамових
кількостей фулеренів (спалювання вуглеводнів в полум'ї, хімічний синтез та ін)
до успіху не привели і метод "дуги" довгий час залишався найбільш
продуктивним (продуктивність близько 1 г / год). Згодом, фірмі Mitsubishi
вдалося налагодити промислове виробництво фулеренів методом спалювання
вуглеводнів, але такі фулерени містять кисень і тому дуговий метод як і раніше
залишається єдиним підходящим методом отримання чистих фулеренів.
Механізм утворення фулеренів в дузі
до цих пір залишається неясним, оскільки процеси, що йдуть в області горіння
дуги, термодинамічно нестійкі, що сильно ускладнює їх теоретичний розгляд.
Незаперечним вдалося встановити тільки те, що фулерен збирається з окремих
атомів вуглецю (або фрагментів С2). Для доказу як анодного електрода
використовувався графіт 13С високого ступеня очищення, інший
електрод був зі звичайного графіту 12С. Після екстракції фулеренів
було показано методом ЯМР, що атоми 12С і 13С розташовані
на поверхні фулерену хаотично. Це вказує на розпад матеріалу графіту до окремих
атомів або фрагментів атомного рівня та їх подальшу збірку в молекулу фулерену.
Дана обставина змусило відмовитися від наочної картини освіти фулеренів в
результаті згортання атомних графітових шарів в замкнуті сфери.
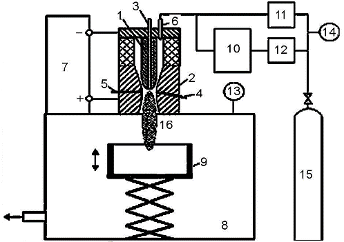
Рис 1.7 Схема установки для
отримування фулеренів дуговим розрядом[6].
1 - графітовий
стержень;
- Водяне охолодження;
- електричний контакт до стержня;
- механізм переміщення стержня;
- струмовід;
- трубка подачі газу.
Порівняно швидке збільшення
загальної кількості установок для отримання фулеренів і постійна робота по
поліпшенню методів їх очищення привели до істотного зниження вартості С60
за останні 17 років - з 10000 $ до 10-15 $ за грам, що підвело до рубежу їх
реального промислового використання.
На жаль, незважаючи на оптимізацію
методу Хаффмана - Кретчмера (ХК), підвищити вихід фулеренів більше 10-20% від
загальної маси спаленого графіту не вдається. Якщо врахувати відносно високу
вартість початкового продукту - графіту, стає ясно, що цей метод має принципові
обмеження.
Багато дослідників вважають, що
знизити вартість фулеренів, одержуваних методом ГК, нижче декількох доларів за
грам не вдасться. Тому зусилля ряду дослідницьких груп спрямовані на пошук
альтернативних методів отримання фулеренів.
Найбільших успіхів у цій галузі
досягла фірма Міцубісі, якій, як уже говорилося вище, вдалося налагодити
промисловий випуск фулеренів методом спалювання вуглеводнів в плазмі. Вартість
таких фулеренів становить близько 5 $ / грам ( 2005 рік), що ніяк не вплинуло
на вартість електродугових фулеренів.
На рис. 1.8 схематично показано
пристрій установки з дуговим плазмотроном, що живиться постійним струмом [7].
Плазма в даній установці генерується в дуговому розряді між катодом 1 з
вольфраму і оточуючим його кільцевим водоохолоджуваним анодом 2 з міді.
Плазмова струмінь утворюється за рахунок подачі в плазмотрон інертного газу
через отвори 3 в катоді і 4, 5 в аноді. Живлення дуги здійснюється від
потужного джерела постійного струму 7, а конденсація з плазмового струменя
вуглецевих наночастинок відбувається в водоохолоджуваній камері 8, в якій
розташований знімний збірник 9. Мелкодисперсна газопилової суміш вуглецевого
прекурсору (ацетиленового сажі) з інертним газом утворюється в камері 10 при
пропущенні через неї регульованого потоку газу з балона. Ця суміш інжектується
в зону дуги через отвір 6; для цього також можуть використовуватися отвори 3,
4, 5.
Рис 1.8 Схема установки для
отримування фулеренів дуговим плазмотроном[6].
1 - вольфрамовий катод;
- мідний охолоджуваний анод;
,4,5 - отвори для подачі інертного
газу;
-подача вуглецевої інжектованої
суміші;
- джерело живлення;
-охолоджувальна камера;
- зйомний збірник;
- камера в якій утворюється
мілкодисперсний вуглецевий прекурсор;
, 12 - розподіл тиску;
, 14 - манометри;
- балон;
- плазма.
Необхідно зазначити, що високу
вартість фулеренів визначає не тільки їх низький вихід при спалюванні графіту,
але і складність виділення, очищення і розділення фулеренів різних мас з
вуглецевої сажі. Звичайний підхід полягає в наступному: сажу, отриману при
спалюванні графіту, змішують з толуолом або іншим органічним розчинником
(здатним ефективно розчиняти фулерени), потім суміш фільтрують чи відганяють на
центрифузі, а залишився розчин випарюють. Після видалення розчинника
залишається темний дрібнокристалічний осад - суміш фулеренів, званий зазвичай
фуллерита. До складу фуллерита входять різні кристалічні утворення:
дрібні кристали з молекул С60 і С70 і кристали С60
/ С70, є твердими розчинами. Крім того, в фулериті завжди міститься
невелика кількість вищих фулеренів (до 3%). Поділ суміші фулеренів на
індивідуальні молекулярні фракції роблять за допомогою рідинної хроматографії
на колонках і рідинної хроматографії високого тиску (ЖХВД). Остання
використовується головним чином для аналізу чистоти виділених фулеренів, так як
аналітична чутливість методу ЖХВД дуже висока (до 0,01%). Нарешті, останній
етап - видалення залишків розчинника з твердого зразка фулерену. Воно
здійснюється шляхом витримування зразка при температурі 150-250 oС в
умовах динамічного вакууму (близько 0.1 торр).
РОЗДІЛ 2. МЕТОДИ
ОТРИМАННЯ МЕТАЛ-ФУЛЕРЕНОВИХ ПЛІВОК
2.1
Метод конденсації в вакуумі
Сутністю методу є випаровування в
вакуумі з різних джерел фулеренів та молекул металу, сумісна конденсація на
підкладці.
Оскільки фулерени починають
сублімувати при температурах нижче 700 К, а температура випаровування металів
значно вища, то для отримання плівок використовують два випарника. Концентрація
фулеренів в плівках визначається швидкостями надходження компонентів (атомів і
молекул), які регулюються температурою випарників і їх розташування відносно
підкладки. Температури випарників вибираються по експериментальним залежностям
швидкості випаровування від температури.
Рис 2.1. Структура сконденсованих
плівок Олово-фулерит[5]
Необхідна концентрація фулеренів в
плівці забезпечується підтриманням співвідношення швидкостей випаровування
фулеренів та металів. Щільність потоку молекул фулерена та атомів металу
визначається за допомогою експериментально побудованих монограм температурної
залежності швидкостей випаровування металу та фулеренів.
Рис 2.2. Робочий простір ВУП-5М з
встановленими двома випарниками[8]
Керування атомно-молекулярними
потоками здійснюють:
- Зміною щільності потоку
компонентів при незмінному частковому складу (тобто зміною щільностіпоступання
атомів та молекул на підкладку), що забезпечується зміною відстаней випарників
до підкладки.
- Зміною енергії
атомів та молекул в момент їх зіткнення з підкладкою, що забезпечується зміною
температури випарників. Оскільки випарників два, то існує можливість керування
енергією атомів металу та молекул фулерену роздільно.
- Поперечним
електричним полем прикладеним в між випарниками та підкладкою що дозволяє
сепарувати атоми металу по зарядам.
- Продовжним
електричним полем, що забезпечує прискорення або сповільнення іонізованих атомів
металу.
Маючи різні швидкості направленого
руху до підкладки в суміщеному потоці атоми металу та молекули фулерену можуть
зіштовхуватися та утворювати конгломерати до потрапляння на підкладку. В
гомогенному атомному потоці утворення конгломератів малоймовірно. Тому раніше
не приділялося уваги до впливу на атоміи та молекули в реакторному просторі на
шляху до підкладки. Зміна умов впливу на атомно-молекулярні потоки призводить
до структурного зміну плівок.
При потраплянні на підкладку атоми
металу, молекули фулерена та їх комплекси впродовж якогось відрізка часу можуть
мігрувати по поверхні, втрачаючи при цьому надлишкову теплову енергію, та
переходять в адсорбований стан. Знаходячись в адсорбованому стані, вони
володіють достатньо великою дифузійною рухомістю на поверхні підкладки. На
початковій стадії конденсації на поверхні підкладки утворюються острівці.
Поверхнева концентрація острівців і швидкість їх росту визначається дифузійною
рухомістю атомів металу, молекул фулерену та їх компонентів, а також часу життя
цих частинок в адсорбованому стані.
В результаті більшої маси та більш
високої температури випаровування, чим температура сублімації фулеренів, атоми
металів мають на підкладці більш високі коефіцієнти дифузії. Суттева різниця в
масах частинок та енергіях адсорбційногї взаємодії цих частинок з підкладкою
призводять до розходження в їх дифузійній рухомості, що в кінцевому результаті
призводить до поверхневої конденсації центрів конденсації на початковій стадії
осадження плівки, гетерофазність метал-фулеренових плівок та степінь
упорядкування утворюючихся фаз.
Зменшення розмірів структурних
елементів зі збільшенням концентрації фулерена пояснюється малою рухомістю
молекул фулерену, та зменшенням їми рухомості атомів металу у процесі
конденсації.
2.2
Метод електрохімічного осадження
Для отримання товстих металевих
плівок з невеликим (менше 1%) вмістом фулеренів може використовуватися метод
електрохімічного осадження, при якому порошок фуллерита або розчин фулеренів
змішується з електролітом. Для підвищення однорідності електроліту
використовується ультразвуковий вібратор. Технологічними параметрами є склад
електроліту, щільність і режим струму, потужність, тривалість імпульсів і
частота супутнього лазерного випромінювання.
Електрохімічне осадження є одним з
найбільш гнучких та економічно ефективних технологічних процесів у циклі
створення металевих шарів на провідній електричний струм поверхні. Велика
перевага електрохімічного осадження перед напиленням полягає в набагато більшій
швидкості процесу, яка легко регулюється зміною струму. Проводиться УЗ
диспергування електроліту з розчином С60. Як будь електрохімічний
процес, катодне осадження підкоряється основним принципам електрохімічної
кінетики, заснованим на законах Фарадея і Фіка, а також теорії послідовних і
паралельних реакцій. Суть процесу осадження полягає у відновленні на поверхні
катода катіонів металів та молекул фулерену, що містяться в розчині електроліту
[8].
РОЗДІЛ 3. ВЛАСТИВОСТІ
МЕТАЛ-ФУЛЕРЕНОВИХ ПЛІВОК
3.1
Фізичні властивості
Унікальність властивостей фулеренів
та їх особливі взаємодії з іншими атомами і молекулами [9], послужили
обгрунтуванням для матеріалознавчих досліджень, зокрема, фулеренів в металах.
Конденсовані у вакуумі плівки фуллерита, як правило, мають гетерофазну структуру
(ГЦК і ГПУ). У фуллерітових плівках, допованих металами, спостерігається
істотна модифікація наноструктури, електронних та коливальних спектрів, яка
залежить від вмісту металу та умов термообробки. При легуванні фуллерита С60
металами за рахунок іонізації атомів і гібридизації електронних станів
відбувається розширення і перекриття енергетичних зон, приписуваних
молекулярним орбіталям фулеренів [10]. Така зміна електронної структури
призводить до зростання ролі кулонівської взаємодії, а також до зниження
ікосаедричної симетрії фулеренів [11].
Рис 3.1. Залежність
коефіцієнта тертя від навантаження для покриттів на нікелі.
- без покриття;
- з покриттям. [8]
Наприклад титан-фуллеренові плівки
проявляють підвищену міцність, мають низький коефіцієнт тертя (рис 3.1), що
нелінійно залежить від концентрації, і досить високу адгезійну міцність.
Низькі значення коефіцієнтів тертя
пояснюються можливою зміною механізму тертя. Фулерени внаслідок замкнутості
всіх s-зв'язків можуть проявляти властивості молекулярного підшипника [11]. Не
дивлячись на використовувану схему «вістря - покриття», забезпечує прояв
механізму тертя ковзання, наявність молекул фулерену викликає дію механізму
тертя - кочення.
Рис 3.2. Вигляд поверхні плівки Ті-С60
після відпалювання. [10]
Високі міцнісні і трибологгічні
характеристики покриттів забезпечують їх перевагу в порівнянні з чистими шарами
металу та фулериту.
3.2
Електричні властивості
Введення фулеренів в метали навіть у
невеликих частках (до 1,0 мас.%) суттєво (в деяких випадках в рази і на
порядки) змінюють їх фізичні та фізико-хімічні властивості. Так, електричні
властивості систем на основі фулеренів та металів керовано можуть змінюватися в
широких межах (від 10-6 до 109 Ом · см) [12, 13].
Їх електроопір істотно змінюється
при зміні співвідношення числа атомів титану до числа молекул фулерену, що
пов'язується з виникненням значних механічних напружень і спотворень решітки.
Чистий фулерит при кімнатній
температурі являє собою ізолятор з забороненою зоною більше 2 єВ або власний
напівпровідник з дуже низькою провідністю.
Метал-фулеренові плівки можна
сформувати з потрібним рівнем питомого лектро опору металу та фулерену.
Взаємодія молекул фулерену між собою
та з атомами металу може призводити до виникнення упорядочених структур. Фазові
включення можуть суттєво змінювати вид концентраційної залежості потомого
опору.
На рисунку 3.3 зображено залежності
питомого опору плівок Cu-C60
від
концентрації міді. Виявляється локальний мінімум, відповідний nCu:nC60=12,
що, ймовірно, повязано з утворенням фази Cu12C60.
Рис 3.3. Залежність питомого опору
плівок Сu-C60 від масової частки міді[8]
Електричні властивості плівок з
високою концентрацією фулеренів нестабільні. Електричний опір та температурний
коефіцієнт опору однієї і тієї ж плівки може змінюватись з температурою та
часом зберігання. Зміна електричних властивостей при зміні температури та
пропусканні струму вказує на присутність як зворотніх так і незворотніх
структурних змін при взаємодії плівок з навколишнім середовищем. На рисунку 3.4
показано лінійну залежність електричного опору плівки Сu-C60 від
температури.
Рис 3.4. Залежність електричного
опору плівки Сu-C60 від температури[8]
Встановлено що вольт-амперні
характеристики сплавів Sn-C60
та Cu-C60
нелінійні, питомий електричний опір пропорційний квадратному кореню з
напруженості електричного поля.
Рис 3.5. Залежність провідності
плівки від напруженості прикладеного електричного поля[8].
Рис 3.6.Залежність
електропровідності плівок Cu-C60 на різних частотах змінного струму
від розрахункової кількості атомів міді на молекулу фулерену[8].
Електричний опір сплавів при
вимірюванні при змінному струмі залежить від частоти що вказує на наявність
ємнісної складової опору.
РОЗДІЛ
4. ЗАСТОСУВАННЯ ФУЛЕРЕНІВ ТА МЕТАЛ ФУЛЕРЕНОВИХ ПЛІВОК
4.1
Застосування молекул фулерену
Молекулярний кристал фулерену є
напівпровідником з шириною забороненої зони ~ 1.5 еВ і його властивості багато
в чому аналогічні властивостям інших напівпровідників. Тому ряд досліджень був
пов'язаний з питаннями використання фулеренів в якості нового матеріалу для
традиційних додатків в електроніці: діод, транзистор, фотоелемент і т. д. Тут
їх перевагою в порівнянні з традиційним кремнієм є малий час фотовідклику
(одиниці нс).
Проте істотним недоліком виявився
вплив кисню на провідність плівок фулеренів і, отже, виникла необхідність у
захисних покриттях. У цьому сенсі більш перспективно використовувати молекулу
фулерену в якості самостійного нанорозмірного пристрою і, зокрема,
підсилювального елемента [14].
Під дією видимого (> 2 еВ),
ультрафіолетового і більше короткохвильового випромінювання фулерени
полімеризуються і в такому вигляді не розчиняються органічними розчинниками. В
якості ілюстрації застосування фуллеренового фоторезиста можна навести приклад
отримання субмікронного дозволу (≈ 20 нм) при травленні кремнію
електронним пучком з використанням маски з полимеризованної плівки С60
[15].
Іншою цікавою можливістю практичного
застосування є використання фуллеренових добавок при зростанні алмазних плівок
CVD-методом (Chemical Vapor Deposition). Введення фулеренів в газову фазу
ефективно з двох точок зору: збільшення швидкості утворення алмазних ядер на
підкладці і постачання будівельних блоків з газової фази на підкладку. В якості
будівельних блоків виступають фрагменти С2, які виявилися
відповідним матеріалом для росту алмазної плівки. Експериментально показано, що
швидкість росту алмазних плівок досягає 0.6 мкм / год, що в 5 разів вище, ніж
без використання фулеренів. Для реальної конкуренції алмазів з іншими напівпровідниками
в мікроелектроніці необхідно розробити метод гетероепітаксіі алмазних плівок,
проте зростання монокристалічних плівок на неалмазних підкладках залишається
поки нерозв'язаним завданням. Один з можливих шляхів вирішення цієї проблеми -
використання буферного шару фулеренів між підкладкою і плівкою алмазів.
Передумовою до досліджень у цьому напрямку є хороша адгезія фулеренів до
більшості матеріалів.
Перераховані положення особливо
актуальні у зв'язку з інтенсивними дослідженнями алмазів на предмет їх
використання в мікроелектроніці наступного покоління. Висока швидкодія (висока
насичена дрейфова швидкість); максимальна, в порівнянні з будь-якими іншими
відомими матеріалами, теплопровідність і хімічна стійкість роблять алмаз
перспективним матеріалом для електроніки наступного покоління [15].
Молекулярні кристали фулеренів -
напівпровідники, однак на початку 1991 р. було встановлено, що легування
твердого С60 невеликою кількістю лужного металу призводить до
утворення матеріалу з металевою провідністю, який при низьких температурах
переходить в надпровідник. Легування С60 виробляють шляхом обробки
кристалів парами металу при температурах в декілька сотень градусів Цельсія.
При цьому утворюється структура типу X3 С60 (Х - атом
лужного металу). Першим інтеркальованого металом виявився калій. Перехід
з'єднання К3 С60 в надпровідний стан відбувається при
температурі 19 К. Це рекордне значення для молекулярних надпровідників.
Незабаром встановили, що
надпровідністю володіють багато фуллеритів, леговані атомами лужних металів у
співвідношенні або Х3 С60, або XY2 С60
(X, Y - атоми лужних металів). Рекордсменом серед високотемпературних
надпровідників (ВТНП) зазначених типів виявився RbCs2 С60
- його Ткр = 33 К.
Слід зазначити, що присутність
фулерену С60 у мінеральних мастилах ініціює на поверхнях контртіла
утворення захисної фуллерен-полімерної плівки товщиною - 100 нм. Дана плівка
захищає від термічної і окислювальної деструкції, збільшує час життя вузлів
тертя в аварійних ситуаціях в 3-8 разів, термостабільність мастил до 400-500С і
несучу здатність вузлів тертя в 2-3 рази, розширює робочий інтервал тисків
вузлів тертя в 1,5 -2 рази, зменшує час виробітку контртіла.
У травні 1994 р. було поширене
повідомлення про перше застосування фулеренів в електроніці Міжнародною
промисловою корпорацією Mitsubishi для виробництва акумуляторних батарей.
Ці батареї, принцип дії яких
заснований на реакції приєднання водню, у багатьох відносинах аналогічні широко
розповсюдженим металогідридним нікелевим акумуляторам, але, як вказується в
повідомлені, володіють на відміну від останніх здатністю запасати приблизно в
п’ять разів більшу питому кількість водню. Крім того, такі батареї
характеризуються більш високою ефективністю, малою вагою, а також екологічною і
санітарною безпекою в порівнянні з більш відомими акумуляторами на основі
літію. Основою цих акумуляторів є літієві катоди, що містять інтеркальовані
фулерени.
Фулерени також можуть бути
використані в якості добавок для отримання штучних алмазів методом високого
тиску. При цьому вихід алмазів збільшується на ≈ 30%.
Фулерени можуть використовуватися в
медицині також в якості транспорту лікувальних речовин до різних органів.
Крім того, фулерени знайшли
застосування в якості добавок у інтумесцентні (набухаючі) вогнезахисні фарби.
За рахунок введення фулеренів фарба під впливом температури при пожежі набухає,
утворюється досить щільний пінококсовий шар, який у декілька разів збільшує час
нагрівання до критичної температури захищених конструкцій. Також фулерени і їх
різні хімічні похідні використовуються в поєднанні з полісполученними
напівпровідними полімерами для виготовлення сонячних елементів.
4.2
Функціональні елементи на основі метал-фулеренових плівок
Велике значення компонент тензора
нелінійного сприйняття фулеренів дають можливість створення нелінійно-оптичних
пристроїв, в тому числі генератора третьої гармоніки. На думку авторів [16],
ефективна генерація третьої гармоніки може бути отримана в шаруватих структурах
з квазісинхронізмом взаємодіючих хвилях, аналогічних пристроям для генерації
другої гармоніки. Шари що містять фулерен повинні мати товщину рівну
когерентній довжині взаємодії, а розділяючі їх шари з практично нульовою
кубічною сприйнятливістю - товщино, що забезпечує здвиг фази на π
між
випромінюванням основної частоти та третьої гармоніки.
Фулерени, ендовулерени та плівки з
їх основою являють собою перспективні компоненти для формування оптоелектронних
систем та елементів, маючих унікальні оптичні та оптоелектричні властивості.
Такі структури не тільки повисять швидкодію, щільність запису інформації
,знизять споживану потужність, але і дозволять вирішити ряд принципових проблем
(наприклад висока стійкість фулеренів та фулереноподібних утворень вирішить
проблему деградації властивостей структур з часом, та дозволить створити
принципово нові електро- оптомеханічні прилади).
Фулериди лужних металів що мають
склад М3С60, є надпровідниками. Температура надпровідного
переходу залежить від постійної гратки. Для фулериду міді температура
надпровідного переходу рівна 120К.
Введені в металічну матрицю фулерени
та фулереноподібні частинки можуть утворювати функціональні оптоелектронні
прилади нанометрових розмірів, в тому числі і з надпровідними властивостями.
Завдяки своїм властивостям
метал-фулеренові плівки можуть застосовуватися як активні елементи сенсорів,
покриття, пристрої наноелектроніки, нано-та мікромеханіки (і електромеханіки).
Серед функціональних елементів на основі фулереновмісних матеріалів можуть бути
побудовані: холодний катод, фоторезистор, фотопровідник, молекулярний
контейнер, молекулярний підшипник, та ін.
Титан фулеренові плівки мають гарні
характеристики для протезів (низький коефіцієнт тертя, висока міцність,
відсутність негативної реакції організму). Вони використовуються для як захисна
плівка імплантантів та протезів, щоб покращити їх властивості.
РОЗДІЛ
5. ОХОРОНА ПРАЦІ ТА БЕЗПЕКА В НАДЗВИЧАЙНИХ СИТУАЦІЯХ
5.1
Характеристика приміщення
Відповідно до теми дипломної роботи
як об’єкт дослідження в розділі “Охорона праці” мною взято кімнату, в якій
проводилися опрацювання данних та написання роботи.
Приміщення, в якому проводилося
виконання роботи, знаходиться на п’ятому поверсі житлової будівлі. Загальна
площа приміщення становить 7,5 м2, висота - 2,5 м, приміщення має
чотири вікна. Кількість працюючих у приміщенні - одна людина. Отже, на одного
працюючого в приміщенні припадає: 7,5 (м2/чол.) робочої площі.
Згідно з нормами на кожного працюючого в приміщеннях обладнаних компютером
повинно припадати не менше 6 (м2/чол.) робочої площі. Висота
приміщення - не менше 2,5 м. Отже, нормативи розмірів та забезпечення працюючих
робочою площею дотримано.
У приміщенні розташовано 1
комп’ютер. Напруга джерела живлення комп’ютера у приміщенні - 220 В. У
приміщенні розміщені 1 письмовий стіл, одна тумба для зберігання документів,
один диван.
За небезпекою ураження електричним
струмом житлове приміщення належить до приміщень без підвищеної небезпеки
ураження електричним струмом працюючих .
План приміщення наведений на рисунку
4.1.
Приміщення оснащене зовнішнім та внутрішнім
телефонним зв’язком.
Основні джерела впливу шкідливих та
небезпечних факторів на працівників які працюють у приміщенні є :
можливість ураження струмом напругою
220В;
підвищений рівень звукового тиску;
освітлення;
можливість виникнення пожежі;
Рис. 4.1 - Планування приміщення.
5.2
Вимоги до приміщень обладнаних ЕВМ
Зараз у нашій країні проводиться
розробка національних нормативних документів, спрямованих на охорону праці
користувачів ПК. Найбільш повним нормативним документам щодо забезпечення
охорони пращ користувачів ПК є «Державні санітарні правила й норми роботи з
візуальними дисплейними терміналами (ВДТ) електронно-обчислювальних машин»
ДСанПіН 3.3.2.007-98.
Об'ємно-планувальні рішення будівель
та приміщень для роботи з ПК мають відповідати вимогам ДСанПіН 3.3.2.007-98.
Розміщення робочих місць з ПК у
підвальних приміщеннях, на цокольних поверхах заборонено.
Площа на одне робоче місце становить
не менше ніж 6,0 м3, а об'єм - не менше ніж 20,0 м3.
Приміщення для роботи з ПК повинні
мати природне та штучне освітлення відповідно до СНиП П-4-79[17].
Природне
освітлення має здійснюватись через світлові прорізи, орієнтовані переважно на
північ чи північний схід, і забезпечувати коефіцієнт природної освітленості (КПО)
не нижче, ніж 1,5%.
Виробничі приміщення повинні
обладнуватись шафами для зберігання документів, магнітних дисків, полицями,
стелажами, тумбами тощо, з урахуванням вимог до площі приміщень.
У приміщеннях з ПК слід щоденно
робити вологе прибирання.
Приміщення із ПК мають бути оснащені
аптечками першої медичної допомоги.
При приміщеннях із ПК мають бути
обладнані побутові приміщення для відпочинку під час роботи, кімната
психологічного розвантаження. В кімнаті психологічного розвантаження слід
передбачити встановлення пристроїв для приготування й роздачі тонізуючих
напоїв, а також місця для занять фізичною культурою (СНиП 2.09.04. - 87) [18].
Гігієнічні вимоги до параметрів
виробничого середовища включають вимоги до параметрів мікроклімату, освітлення,
шуму й вібрації, рівнів електромагнітного та іонізуючого випромінювання.
У виробничих приміщеннях на робочих
місця із ПК мають забезпечуватись оптимальні значення параметрів мікроклімату:
температури, відносної вологості й рухливості повітря (ГОСТ 12.1.005-88, СН
4088-86).
Штучне освітлення в приміщеннях із
робочими місцями, обладнаними ПК має здійснюватись системою загального
рівномірного освітлення. У виробничих та адміністративно-громадських
приміщеннях, у разі переважної роботи з документами, допускається застосування
системи комбінованого освітлення (крім системи загального освітлення, додатково
встановлюються світильники місцевого освітлення) [19].
Значення освітленості на поверхні
робочого столу в зоні розміщення документів має становити 300-500 лк, Якщо це
неможливо забезпечити системою загального освітлення, допускається
використовувати місцеве освітлення. При цьому світильники місцевого освітлення
слід встановлювати таким чином, щоб не створювати бликів на поверхні екрана, а
освітленість екрана має не перевищувати 300 лк. Як джерела світла для штучного
освітлення мають застосовуватись переважно люмінесцентні лампи типу ЛБ. У разі
влаштування відбитого освітлення у виробничих та адміністративно-громадських
приміщеннях допускається застосування металогалогенних ламп потужністю 250 Вт.
Допускається застосування ламп розжарювання у світильниках місцевого освітлення
[19].
Значення напруженості
електромагнітних полів на робочих місцях із ПК мають відповідати нормативним
значенням (ГДР №3206-85, ГДР N4131-86, СНК 5802-91, ГОСТ 12.1.006-84).
Інтенсивність потоків інфрачервоного випромінювання має не перевищувати
допустимих значень, відповідно до ДСН 3.3.6.042-99. Інтенсивність потоків
ультрафіолетового випромінювання не повинна перевищувати допустимих значень,
відповідно до СН 4557-88.
Потужність експозиційної дози
рентгенівського випромінювання на відстані 0,05 м від екрана та корпуса відео
термінала при будь-яких положеннях регулювальних пристроїв не повинна
перевищувати ОД бер/год (100 мкР/год).
5.3
Аналіз стану охорони праці
При дослідженні достатності
природного освітлення необхідно відповісти на запитання: чи відповідає фактичне
значення природного освітлення нормативному за СНиП II-4-79[16].
Розрахункова схема, з
дотриманням пропорцій та розмірів, зображена на рисунку 4.2. Нормоване значення
коефіцієнта природного освітлення (КПО) для четвертого світлового поясу, в
якому розташована Україна (
), визначається у відсотках за
формулою 3.4.
а) вигляд збоку
б) вигляд зверху
Рис. 4.2 - Схема розрахунку
природного освітлення
(3.4)
де,
-
нормоване значення КПО для III
світлового поясу (для приміщень обладнаних компютером ) складає 2%;
m
- коефіцієнт світлового клімату ( для України m
= 0,9 );
с - коефіцієнт сонячності (оскільки
вікна розташовані на північний- захід,
то с = 1 ).
Тоді:
= 2*0,9*1 = 1,8%.
Для визначення достатності
природного освітлення потрібно розрахувати фактичне значення КПО виходячи із
формули
, (3.5)
де SВ
- площа всіх вікон у приміщенні, м2;
Sh
- площа підлоги приміщення, м2;
τз
- загальний коефіцієнт світлопроникності віконного прорізу, беремо τз
= 0,4;
r1
- коефіцієнт який враховує відбиття світла від
внутрішніх поверхонь приміщення;
hв
- світлова характеристика вікна;
Кбуд - коефіцієнт, що
враховує затемнення вікон іншими будинками (будинків немає - отже, Кбуд
= 1);
Кз - коефіцієнт запасу (
Кз = 1,4 ).
SВ
= 1,5*1,3= 1,95 (м2).
Sh
= 3*2,5 = 7,5 (м2).
Для розрахунку коефіцієнта r1
необхідно розрахувати такі параметри:
) відношення глибини приміщення до
висоти від рівня умовної робочої поверхні до верху вікна: 3/1,5 = 2;
) відношення відстані до
розрахункової точки від зовнішньої стіни до глибини приміщення: 0,5/3 =0,166;
) середньозважений коефіцієнт
відбиття ρ стелі,
стін, підлоги: ρсз
= 0,4;
) відношення довжини приміщення до
його глибини: 3/2,5 = 1,2.
Виходячи із розрахованих показників,
із таблиці значень коефіцієнта r1
при боковому однобічному освітленні визначимо його значення за допомогою
формули екстраполяції.
, (3.6)
де уі - значення функції
при і-ому аргументі;
уі+1 - значення функції
при (і+1)ому аргументі;
у (х) - значення функції при
заданому аргументі, що знаходиться між значеннями аргументів хі та хі+1;
хі - і-те значення
аргументу;
хі+1 - (і+1)-те значення
аргументу. Звідси r1
дорівнюватиме
Для визначення коефіцієнта ηв
потрібно скористатися таблицею значень світлової характеристики ηв
світлових прорізів при боковому освітленні:
Кбуд = 1 (будинків
напроти вікон немає).
Кз = 1,4.
Отже,
Оскільки фактичне значення
природного освітлення менше нормованого (0,812 <
1,8) то природне освітлення в приміщенні недостатнє і
необхідні
заходи щодо його
поліпшення
.
Аналіз достатності штучного
освітлення в приміщенні.
Для освітлення приміщення
застосовуються лампи розжарювання потужністю 150 Вт. Система освітлення -
загальна. Отже, нормоване значення освітленості повинне становити не менше 300
люкс (для приміщень з компютерами).
Схема розміщення світильників у
приміщенні наведена на рисунку 4.3
Рис 4.3 - Схема розміщення
світильників
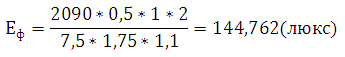
Розрахуємо фактичне значення
освітлення (Еф), враховуючи те, що потужність ламп - 150 Вт,
кількість ламп у світильнику - 2 шт.
Фактичне значення штучного
освітлення (Еф) розраховуємо за формулою 3.9.
, (3.9)
де Fл
- світловий потік лампи, лм (для ламп розжарювання потужністю 150 Вт - 2090
лм);
hВ
- коефіцієнт використання світлового потоку (hВ
= 0,4 ÷ 0,6);
N
- кількість світильників, шт.;
n
- кількість ламп у світильнику, шт.;
S
- площа приміщення, м2;
К - коефіцієнт запасу (К = 1,5 - 2);
Z
- коефіцієнт нерівномірності освітлення (Z
= 1,1).
Беремо
hВ
= (0,4 + 0,6)/2 = 0,5
N
=1 шт.
n
= 2 шт.
S
=3*2,5 = 7,5м2.
Z =
1,1
Отже, фактичне значення штучного
освітлення нижче від нормованого (145<300), а це свідчить про недостатність
штучного освітлення в приміщенні.
До запропонованих мною заходів щодо
покращення штучного освітлення є встановлення в світильник більш потужних ламп
розжарювання потужністю 300Вт.
За формулою 3.9 проведемо розрахунок
їх ефективності щодо цієї кімнати.
Отже, отримане значення штучного
освітлення (з урахуванням допустимого відхилення від нормативного що становить
+20% - -10%.) близьке до нормованого (319,318 »
300), а це свідчить про достатність штучного освітлення в приміщенні.
Перейдемо до розрахунку ефективності
природної вентиляції.
Схема розрахунку природної
вентиляції наведена на рисунку 3.4.
Рисунок 3.4 - Схема розрахунку
природної вентиляції
Розрахуємо об’єм приміщення
V
= 2,5*3*2,5 = 18,75 (м3).
Оскільки при виконанні роботи в
приміщені знаходилася одна людина то розрахований вище об’єм припадає на одного
чоловіка. Оскільки згідно з СНиП 2.09.04 - 87 об’єм приміщення, що припадає на
1-го працюючого, повинен становити 40 (м3), що більше ніж фактичне
значення даного показника - 18,75 (м3/чол.), у відділі потрібно
забезпечити повітрообмін не менше L1
= 30 (м3/год) на кожного працюючого. Розрахуємо необхідний
повітрообмін Lн,
м3/год за формулою
Lн
= L1*n,
(3.16)
де n
- найбільша можлива кількість працюючих у приміщенні.
Lн
=30*1 = 30 (м3/год). Знайдемо фактичне значення повітрообміну, користуючись
схемою, наведеною на рисунку 3. 4, за формулою
Lф
= m*F*V*3600
,
(3.17)
де m
- коефіцієнт витрати повітря (m = 0,55);
F
- площа кватирки (F
= 0,6*1,5*20% = 0,18
м2) домножуємо на 20% оскільки повністю вона не закривається;
V
- швидкість виходу повітря через кватирку або вентиляційний канал, м/с, яка
розраховується за формулою
, (3.18)
де g
- прискорення вільного падіння (g
= 9,8 (м/с2));
H2
- тепловий тиск, який розраховується за формулою
H2
= h2*(gз
- gc),
(3.19)
де gз
та gс
- відповідно об’ємна вага повітря ззовні приміщення та всередині його, кГ/м3.
Об’ємна
вага повітря розраховується за формулою
(3.20)
де Рб - барометричний
тиск мм рт. ст. ( Рб = 750 мм рт. ст.);
Т - температура повітря, К0
(для теплого періоду року у приміщенні t
= 28 0С, або Т = 310 0К, для холодного періоду року - t
= 17 0С, або Т = 290 0К; ззовні приміщення для літа t
= 24 0 С, або Т = 297 0 К, для зими t
= -11 0 С, або Т = 262 0 К (СНиП
2.04.05-91).
.
Знайдемо h2
із співвідношень:
(3.21)
h
= 0.75+1.5 - 1 - 0,15 = 1,1 (м)
= (1,5*0,6*20%)2 =
0,032 (м2)
= (0,8*2)2 = 2,56 (м2)
Розв’яжемо систему:
Звідси
Н2(л) = 1,086*(1,174 -
1,125) = 0,0532
Н2(з) = 1,086*(1,331 -
1,203) = 0,139
Lф(л)
= 0,55*0,18*0,962*3600 = 342,856 (м3/год)
Lф(з)
= 0,55*0,18*1,504*3600 = 536,025 (м3/год).
Оскільки фактичне значення
повітрообміну значно перевищує нормативне значення як взимку, так і влітку, то
природна вентиляція (аерація) неефективна. Тому для підвищення ефективності
вентиляції в приміщенні необхідні додаткові заходи.
Таблиця 3.1 - Підсумкова таблиця
|
Параметр
|
Значення параметра
|
Нормативний документ
|
|
фактичне
|
нормоване
|
|
|
1 Освітленість штучна
(лк)
|
144,762
|
300
|
СНиП
ІІ-4-79
|
|
2Значення
коефіцієнта
природного
освітлення (%)
|
0,812
|
1,8
|
СНиП
ІІ-4-79
|
|
3
Температура
повітря (0С):
|
|
|
|
|
взимку
|
20
|
21
- 25
|
ДСН 3.3.6.042-99
|
|
влітку
|
27
|
ДСН 3.3.6.042-99
|
|
4
Відносна
вологість
повітря (%):
|
|
|
|
|
взимку
|
70
|
<
75
|
ДСН 3.3.6.042-99
|
|
влітку
|
55
|
<
60
|
ДСН 3.3.6.042-99
|
|
5
Повітрообмін (м3/год)
|
|
|
|
|
взимку
|
342,856
|
30
|
СНиП
2.09.04-87
|
|
влітку
|
536,025
|
30
|
СНиП
2.09.04-87
|
|
6 Швидкість переміщення повітря м/сек
|
0,051
|
<
0,2
|
ДСН 3.3.6.042-99
|
Аналізоване приміщення за небезпекою
виникнення пожежі відповідно до ОНТП 24-86 належить до категорії В
(пожежонебезпечні - в ньому наявні легкозаймисті речовини - папір, дерево).
Можливими причинами пожежі можуть
бути:
коротке замикання в електричній
мережі, що може спричинити загоряння наявних легкозаймистих речовин;
- займання паперу, дерева через
необережне поводження з вогнем;
- поширення вогню з сусідніх
приміщень.
Рис. 3.5 - План евакуації із приміщення
Попередити пожежу можна шляхом
розроблення правил безпечної поведінки із вогнем, усуненням можливості
виникнення короткого замикання.
У разі виникнення пожежі своєчасно
та з мінімальними наслідками дають можливість загасити її наявні пожежна
сигналізація та вогнегасники.
План евакуації працівників та
матеріальних цінностей на випадок пожежі наведений на рисунку 3.5.
Для поліпшення умов праці в
досліджуваному приміщенні необхідно покращити природне освітлення шляхом
застосування матеріалів, що підвищують відбиття світла від внутрішніх поверхонь
приміщення, а також зняти сонцезахисні жалюзі. Можна також збільшити коефіцієнт
запасу шляхом застосування скла, яке краще пропускає природне освітлення. При
цьому зміняться такі показники:
)загальний коефіцієнт
світлопропускання:0 = 0,8*0,85*1*1*0,9 =0,6 (шляхом зняття
сонцезахисних жалюзі (t4=1);
) коефіцієнт, що враховує відбиття
світла від внутрішніх поверхонь приміщення при rс.з.
= 0,5 (за рахунок застосування для внутрішніх поверхонь приміщення світліших
кольорів ), звідси r1 (1,3) = 3;
) коефіцієнт запасу: Кз =
1,3 (шляхом покращання якості матеріалу, через який проходять сонячні промені,
Оскільки в такому випадку фактичне
значення освітленості відповідає нормативному, то в світлу пору доби можна
обійтись і природним освітленням.
Для зменшення надлишкового
повітрообміну в холодний період року (536,025 замість необхідних 30 м3
/ год.) пропонуємо скоротити час провітрювання приміщення до:
536,025 - 60 хв
- Х хв
Х=30×60/536,025
= 3,35 хв на годину.
5.4
Шляхи і способи підвищення стійкості роботи об’єктів господарської діяльності
Підвищення стійкості об'єкта
досягається посиленням найбільш слабких (вражаючих) елементів і ділянок
об’єкта. Для цього на кожному ОНГ завчасно на основі досліджень планують і
проводять відповідні організаційні й інженерно-технічні заходи. Досягнення
науки і техніки дозволяють реалізувати такі рішення, при яких підприємство буде
стійке до впливу дуже значних надлишкових тисків, однак це пов'язано з великими
витратами засобів і матеріалів і може бути виправдано лише при захисті
унікальних, особливо важливих елементів об'єкта. Заходи будуть економічно
обґрунтовані, якщо вони максимально узгоджені із завданнями, які розв'язуються
в мирний час для забезпечення безаварійної роботи, поліпшення умов праці,
удосконалювання виробничого процесу. Особливо велике значення має розробка
інженерно-технічних заходів при новому будівництві, бо у процесі проектування,
як відзначалося раніше, у багатьох випадках можна домогтися логічного поєднання
загальних інженерних рішень із захисними заходами ЦО, що знизить витрати на їх
реалізацію.
На існуючих об’єктах заходи щодо
підвищення стійкості доцільно проводити в процесі реконструкції чи виконання
інших ремонтно-будівельних робіт.
Підвищення стійкості роботи
промислових об'єктів передбачає:
• захист робітників та службовців у
надзвичайних ситуаціях мирного і воєнного часу;
• підвищення міцності і
стійкості найважливіших елементів і удосконалювання технологічного процесу;
• підвищення стійкості
матеріально-технічного постачання;
• підвищення стійкості
управління об'єктом;
• розробку заходів щодо
зменшення імовірності виникнення вторинних факторів ураження і збитків від них;
• підготовку до відновлення
виробництва після ураження об'єкта.
Особлива увага повинна бути
приділена забезпеченню укриттям всіх працюючих у захисних спорудженнях. 3 цією
метою розробляється план нагромадження і будівництва необхідної кількості
захисних споруджень; у випадку недостачі сховищ, які відповідають сучасним
вимогам, у ньому передбачається укриття робітників та службовців у
швидкостворюваних сховищах.
Посилення міцності будинків,
споруджень, устаткування та їх конструкцій пов'язано з великими витратами. Тому
підвищення характеристик міцності проводять, якщо:
• окремі особливо важливі будинки і
спорудження значно слабші за інші і їхню міцність доцільно довести до прийнятої
для даного підприємства межі стійкості;
• необхідно зберегти деякі
важливі ділянки (цехи), які можуть самостійно функціонувати при виході з ладу
інших і забезпечать випуск особливо цінної продукції.
При проектуванні і будівництві нових
цехів підвищення стійкості може бути досягнуто застосуванням для несучих конструкцій
високоміцних і легких матеріалів (легованих сталей, алюмінієвих сплавів).
Великий ефект досягається застосуванням для каркасних будинків полегшених
конструкцій стінового заповнення і збільшенням світлових прорізів шляхом
використання скла, панелей з пластиків й інших матеріалів, що легко руйнуються;
їх руйнування при впливі ударної хвилі зменшує тиск на каркас споруди, а уламки
таких матеріалів спричиняють набагато менші збитки устаткуванню. Також
ефективний спосіб застосування панелей, що повертаються: легкі панелі на
шарнірах кріпляться до каркасів колон споруд, від впливу динамічних навантажень
вони розвертаються, що значно знижує дію ударної хвилі на несучі конструкції.
При будівництві і реконструкції
промислових споруд необхідно застосовувати легкі, вогнестійкі покрівельні
матеріали, полегшені міжповерхові перекриття і сходові марші, підсилюючи їх
кріплення до балок. Обвалення цих матеріалів і конструкцій принесе меншу шкоду
устаткуванню, ніж важких залізобетонних.
Важке устаткування розміщують, по
можливості, на нижніх поверхах виробничих будівель. Машини й агрегати великої
цінності бажано встановлювати в будівлях, що мають полегшені конструкції і
конструкції, що повільно загоряються, обвалення яких не призведе до руйнування
цих пристроїв. Деякі види технологічного устаткування доцільно розмістити поза
будинками, на відкритому майданчику під навісами; це виключить руйнування його
уламками загороджувальних конструкцій. Велике значення має міцне закріплення на
фундаментах верстатів і установок, які мають велику висоту і малу площу опори;
використання розтяжок і додаткових опор підвищить їх стійкість до перекидання.
Прилади бажано встановлювати на закріплених підставках, тумбах, столах.
Особливо цінне й унікальне
устаткування потрібно розміщувати в заглиблених підземних чи спеціально
побудованих приміщеннях підвищеної міцності і на випадок виникнення
надзвичайних ситуацій розробити спеціальні індивідуальні енергогасильні
пристрої.
Підвищення стійкості системи
енергопостачання досягається проведенням як загальноміських, так і об'єктових
інженерно-технічних заходів. Створюються дублюючі джерела електроенергії, газу,
води і пари шляхом прокладання декількох електро-, газо-, водо- і
паропостачальних комунікацій та подальшого їх закільцювання. Інженерні й енергетичні
комунікації переносяться в підземні колектори, найбільш відповідальні пристрої
(центральні диспетчерські розподільні пункти) розміщуються в підвальних
приміщеннях будинків чи у спеціально побудованих міцних спорудах. Там, де
прокладання комунікацій у траншеях чи тунелях неможливе, здійснюється
закріплення трубопроводів до естакад, щоб уникнути їх зрушення чи скидання;
самі естакади зміцнюються установкою розтяжок у місцях поворотів і розгалужень.
Для забезпечення проведення РІНР і
якомога швидшого відновлення виробництва на випадок виходу з ладу основних
джерел енергоживлення повинен бути створений резерв джерел електро- і
водопостачання (пересувні електростанції і насосні агрегати з автономними
двигунами).
метою зменшення пожежної небезпеки
(зниження можливості витікання газу) на газопроводах встановлюються автоматичні
запірні і перемикаючі пристрої дистанційного керування.
Підвищення стійкості систем
теплопостачання досягається захистом джерел тепла і заглибленням комунікацій у
ґрунт. Якщо на об'єкті передбачається будівництво котельні, її доцільно
розміщувати в спеціальній будівлі, яка стоїть окремо. Під час одержання
об’єктом тепла від міської теплоцентралі проводять заходи по забезпеченню
стійкості підвідних трубопроводів та наявних розподільних пристроїв. Теплову
мережу будують, як правило, за кільцьовою схемою. Труби системи прокладають у
спеціальних каналах, запірні та регулюючі пристосування розміщують в оглядових
колодязях і по можливості на території, яка не буде завалена у випадку руйнування.
Заходи пo підвищенню стійкості системи каналізації розробляють окремо для
зливових, промислових і господарських (фекальних) зливів.
Якщо на об’єкті є мережі і споруди
для подачі стиснутого повітря, кисню, аміаку, хлору та інших рідких і
газоподібних реактивів, інженерно-технічні заходи для цих систем розробляються
в основному з метою запобігання вторинних факторів ураження.
Дуже велике значення має своєчасне
відправлення готової продукції споживачам. На деяких об’єктах (нафтопереробних,
хімічних та ін.) накопичення готової продукції може перетворитися у вкрай
небезпечне джерело вторинних факторів ураження і створити загрозу як самому
об'єкту, так і сусіднім підприємствам та житловому сектору. Якщо неможливо
відправити готову продукцію споживачам, її слід вивезти за межі зони можливих
руйнувань (наприклад, на базу зберігання у заміській зоні).
Зменшення ймовірності виникнення
вторинних факторів ураження і збитків від них досягається завчасним плануванням
і проведенням відповідних профілактичних заходів.
На об’єктах, пов'язаних з випуском
та зберіганням горючих і СДОР, плани таких заходів розробляються і в мирний
час. У них враховуються характер і масштаби можливих аварій, визначаються
заходи по врятуванню людей і матеріальних цінностей, шляхи і способи ліквідації
наслідків, порядок дій спеціалізованих пожежних та рятувальних команд.
На об’єктах, технологічні процеси
яких пов'язані із застосуванням пожежонебезпечних, вибухонебезпечних і СДОР,
визначається необхідний мінімум їх запасів. Зберігання таких речовин на
території підприємства організовується у захищених сховищах; зайві запаси
вивозяться у заміську зону.
Під час реконструкції старих та
будівництві нових об'єктів необхідно передбачати протипожежні розриви, які б
забезпечували умови для маневру пожежних сил і засобів у період гасіння чи
локалізації пожеж, зведення спеціальних протипожежних резервуарів з водою та
штучних водойм. Для попередження пожеж у будівлях і спорудах повинні
застосовуватися вогнестійкі конструкції, вогнезахисна обробка горючих
елементів, спеціальні протипожежні перешкоди (великі будівлі розділяють на
секції вогнетривкими стінами-брандмауерами). У сховищах вибухонебезпечних
речовин (стиснутих газів, летких рідин, твердих ВР) слід установлювати
пристрої, які б локалізували руйнівний ефект вибуху: викидні панелі, вікна і
фрамуги, що самі відчиняються; різного роду клапани-відсікачі.
У приміщеннях, де можливе зараження
повітря СДОР, установлюють автоматичні пристрої нейтралізації, які при певній
концентрації отруйних речовин починають розбризкувати нейтралізуючу рідину.
ВИСНОВКИ
Вуглецеві фулерени належать до
замкнутих кластерних наноструктур з унікальними властивостями, які дозволяють
широко застосовувати їх в оптиці, мікроелектроніці, медицині та інших
наукоємних галузях.
Отримання метал-фулеренових плівок
включає в себе три стадії: 1) Деструкція вихідних речовин; 2) доставка
матеріалів до підкладки; 3) Структування плівки на підкладці. Найпоширенішим
методом отримання метал-фулеренових плівок є метод конденсації в вакуумі.
Концентрацію та властивості плівки, завдяки цьому методу, можна задавати,
змінюючи умови конденсації: щільність потоку, енергію атомів.
Ввведення фулеренів в метали навіть
у невеликих частках (до 1,0 мас.%) суттєво (в деяких випадках в рази) змінює їх
фізичні та фізико-хімічні властивості.
Електричний опір сплавів при
вимірюванні при змінному струмі залежить від частоти що вказує на наявність
ємнісної складової опору.
Серед властивостей метал фулеренових
плівок можна виділиті низький коефіцієнт тертя, феромагнітні властивості,
нелінійна прозорість для різних спектрів випромінювання.
Завдяки своїм властивостям
метал-фулеренові плівки можуть застосовуватися як активні елементи сенсорів,
покриття, пристрої наноелектроніки, нано-та мікромеханіки (і електромеханіки).
Серед функціональних елементів на основі фулереновмісних матеріалів можуть бути
побудовані: холодний катод, фоторезистор, фотопровідник, молекулярний
контейнер, молекулярний підшипник, та ін.
електрохімічне осадження конденсація вакуум фулерен
СПИСОК
ВИКОРИСТАНИХ ДЖЕРЕЛ
1.Chen Curved Pi-Conjugation,
Aromaticity, and the Related Chemistry of Small Fullerenes (<C60) and
Single-Walled Carbon Nanotubes // Chemical Reviews. - Т.
.Froimowitz Mark Molecular
geometries and heats of formation of С60 and С70 as computed by MM2-87 //
Journal of Computational Chemistry. - Т. 12. - 1991.
.M. I. Novgorodova. What Are
Fullerenes and Fullerites in the Mineral World? // Geochemistry International.
- Vol. 37, No. 9, 1999.
.Зайцев Дмитрий Дмитриевич,
Иоффе Илья Нафтольевич. Фуллерид «Словарь нанотехнологичных терминов». Роснано
2011.
.G.V. Andrievsky, V.I. Bruskov,
A.A. Tykhomyrov, S.V. Gudkov Peculiarities of the antioxidant and
radioprotective effects of hydrated C60 fullerene nanostuctures in vitro and in
vivo // Free Radical Biology & Medicine. - Т. 47. - 2009.
.Kratschmer W., Lamb LD,
Fostiropoulos K., Huffman DR Nature, V.347, № 354. (1990)
.Dubrovsky R., Bezmelnitsyn V.,
Eletskii A. Plasma fullerene production from powdered carbon black//Carbon. -
2004. - Vol. 42. - P. 1063.
.Шпилевский М. Э., Шпилевский
Э. М., Стельмах В. Ф. Фуллерены и фуллереноподобные структуры - основа
перспективных материалов // ИФЖ. 2001. Т. 74 № 6.
.Сидоров Л.Н., Юровская М. А.
Фуллерены М.: МГУ. 2004г.
.Шпилевский Э. М.
Металл-фуллереновые плёнки: получение свойства, применение // Алмазные плёнки и
плёнки родственных материалов. - Харьков: ХНЦ ФТИ, 2003г.
.Сенатская И. Магнитная
жидкость // Наука и жизнь.. - T. 11. - 2002р.
.Трефилов В. И., Щур Д. В.,
Тарасов Б. П. и др. Фуллерены - основа материалов будущего.Киев: АДЕФ, 2001р.
.Шпилевский Э. М., Жданок С.
А., Шпилевский М..Э Конструирование металл-фуллереновых материалов.// Тонкие
пленки в электронике. М: ОАО ЦНИТИ“ТЕХНОМАШ“, 2007р.
.Y. Wada, M. Tsukada, M.
Fujihira, K. Matsushige, T. Ogawa et al., "Prospects and Problems of
Single Molecule Information Devices", Jpn. J. Appl. Phys., V. 39, Part 1,
N 7A, pp. 3835-3849 (2000)
.Вуль А. Я. Матеріали
електронної техніки, № 3, с.4 (1999)
.S.R. Mishra, H.S. Rawat, M.P.
Joishi, S.K. Mehendale. The role of non-linear scattering in optical limiting
in C60 solution //J. Phys. B. 1994 v 2.7, N8, p. L157.
.СНиП 2.09.04-87.
Административные и бытовые здания.
.Державні санітарні правила і
норми роботи з візуальними дисплейними терміналами електронно-обчислювальних
машин ДСанПІН 33 2 007 98.
.Геврик Є О Охорона праці. -
К.: Ельга, Ніка-Центр, 2003 - 280 с.
.СНиП ІІ-4-79. Естественное и
искусственное освещение.