Исследование системы автоматического регулирования числа оборотов тягового двигателя при обточке колёсных пар без выкатки
СОДЕРЖАНИЕ
1. ОПИСАНИЕ
ПРИНЦИПИАЛЬНОЙ СХЕМЫ
.1 Основные
обозначения и принцип работы САР
. СТРУКТУРНАЯ
СХЕМА И КОЭФФИЦИЕНТ УСИЛЕНИЯ САР
.1
Составление структурной схемы САР
.2
Определение коэффициента усиления САР
.3
Определение передаточного коэффициента динамического звена
.
ПЕРЕДАТОЧНЫЕ ФУНКЦИИ ДИНАМИЧЕСКИХ ЗВЕНЬЕВ
.1
Электронный усилитель
.2 Генератор
постоянного тока независимого возбуждения
.3 Пассивное
интегрирующее звено
.4
Тахогенератор
.5 Двигатель
постоянного тока независимого возбуждения
. ПОСТРОЕНИЕ
ЧАСТОТНЫХ ХАРАКТЕРИСТИК ЗВЕНЬЕВ
.
ПЕРЕДАТОЧНЫЕ ФУНКЦИИ САР
.1
Функциональная схема САР
.2
Передаточная функция разомкнутой системы
.3
Передаточная функция замкнутой системы
.4
Характеристическое уравнение системы
. КРИТЕРИИ
УСТОЙЧЕВОСТИ САР
.1 Алгебраический
критерий устойчивости Гурвица
. АНАЛИЗ
УСТОЙЧИВОСТИ САР МЕТОДОМ Д-РАЗБИЕНИЯ
. ПОСТРОЕНИЕ
КРИВОЙ ПЕРЕХОДНОГО ПРОЦЕССА
.1 Построение
вещественной частотной характеристики САР
.2 Построение
кривой переходного процесса
.3
Определение показателей качества
ЗАКЛЮЧЕНИЕ
СПИСОК
ИСПОЛЬЗУЕМЫХ ИСТОЧНИКОВ
ВВЕДЕНИЕ
Теория автоматического управления и регулирования - наука, которая
изучает процессы управления, методы их исследования и основы проектирования
автоматических систем, работающих по замкнутому циклу, в любой области техники.
Объекты и устройства систем регулирования отличаются по своей физической
природе и принципам построения, поэтому проектировщику необходимо не только
иметь хорошую подготовку в области механики, электротехники, электроники, но и
уметь учитывать специфические особенности объекта.
Целью данной работы является исследование системы автоматического
регулирования (САР) числа оборотов тягового двигателя при обточке колёсных пар
без выкатки. Данная САР должна быть устойчивой и должна соответствовать
показателям качества процесса регулирования. Для анализа и синтеза САР в данной
работе необходимо применить метод Д - разбиения. А так же применить критерий
устойчивости Гурвица, для заданного динамического звена построить графики АФЧХ,
АЧХ и ФЧХ. Построить кривую переходного процесса методом трапецеидальных
вещественных характеристик и оценить показатели качества процесса
регулирования.
1. ОПИСАНИЕ ПРИНЦИПИАЛЬНОЙ СХЕМЫ
1.1 Основные обозначения и принцип работы САР
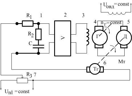
Рисунок 1.1 - Принципиальная схема САР
На принципиальной схеме показаны взаимодействия отдельных частей CAP: (1) - пассивное интегрирующее
звено; (2) - электронный усилитель; (3) - обмотка возбуждения генератора; (4) -
якорь генератора; (5) - якорь двигателя; (6) -тахогенератор; (7) - потенциометр
(задачек оборотов).
В схеме на рис. 1.1 р представлена САР. Такая схема работает следующим
образом. Перед запуском мы устанавливаем на элементе 7 (задачек оборотов) некое
Uз (заданное напряжение). Из формулы
ΔU=Uз-Uф, (1.1)
следует что ΔU= Uф , так как при запуске Uф =0. Значит на элемент 1(пассивное интегрирующее)
придёт Uз увеличивая, сглаживая подачу напряжения, благодаря
элементу емкости, передает его на элемент 2 (электронный усилитель) исходя из
условия, что если на элемент приходит положительное значение то он усиливает
его в положительном направлении, а если отрицательное значение то он усиливает
его в отрицательном направлении, получаем усиленное положительное значение
передаем это значение на элемент 3 (обмотка возбуждения) она в свою очередь
передает сигнал на элемент 4 (генератор) возбуждая его, но так как генератору
нужно время для того чтобы возбудится то сигнал передается в увеличенном виде
сглажено на следующий элемент 5 (двигатель) так как двигателю тоже нужно время
для того чтобы раскрутится то сигнал будет передаваться подобно элементу
генератора. С двигателя сигнал передается на элемент 6 (тахогенератор) и он
тоже будет передавать сигнал плавно увеличивая, на элемент 7 (задачек оборотов
двигателя).
Следуя из уравнения (1.1), имея некоторое фактическое значение, снимаемое
с тахогенератора мы получаем ΔU уже меньшего значения которое будет передаваться подобным
образом на другие элементы, и так до тех пор пока Uз=Uф, тогда система начнет работать
равномерно.
2. СТРУКТУРНАЯ СХЕМА И КОЭФФИЦИЕНТ
УСИЛЕНИЯ САР
2.1 Составление структурной схемы САР
Структурная схема составляется на основании анализа принципиальной схемы
САР рис.2.1.
Рисунок
2.1 - Структурная схема САР
САР
состоит из динамических звеньев:
)
элемент сравнения (ЭС) - производит сравнение заданного напряжения (UЗ) и напряжения фактического с тахогенератора (Uф) он реализуется в виде системного решения,
осуществляющего вычитание двух напряжений по формуле:
ΔU=Uз-Uф, (2.1)
)
Пассивное интегрирующее (ПИ) - плавно подает напряжение на элемент электронного
усилителя (ЭУ) (входная величина ∆U, выходная
величина Uпи).
Препятствует сильным скачкам напряжения сглаживая их.
)
электронный усилитель (ЭУ) - усиливает сигнал до необходимого значения (входная
величина UПИ,
выходная Uэу);
)
обмотка возбуждения (ОВ) - обеспечивает необходимое возбуждение генератора
(входная величина Uэу,,выходная
Ф);
)
якорь генератора (Г) - вырабатывает регулирующее воздействие (входная величина
Ф , выходная Uг);
)
двигатель (Д) - вращает рабочий механизм (входная величина Uг, выходная n);
)
тахогенератор (ТГ) - измеряет фактическое значение регулируемой величины (входное
значение n, выходное Uф)
2.2 Определение коэффициента усиления САР
Величина необходимого коэффициента усиления системы определяется по
формуле:
К=np/nз-1, (2.2)
где
nз -
статистическая ошибка замкнутой системы; nр - статистическая ошибка разомкнутой системы при
приложении к ней возмущающего воздействия.
Подставим
численные значения, получим:
К=11/1,3-1=7,46.
2.3 Определение передаточного коэффициента динамического
звена
Коэффициент передачи электронного усилителя находиться
Kэу = K / (kов kг kинз kтг kд ). (2.3)
Подставим значения и вычислим
Kэу =7,46/(1∙0,39∙2,2∙0,05∙1,5)=115,95.
3. ПЕРЕДАТОЧНЫЕ ФУНКЦИИ ДИНАМИЧЕСКИХ
ЗВЕНЬЕВ
3.1 Электронный усилитель
Считая электронный усилитель безынерционным звеном, получим:
Uэу=КэуUвх,
где
Uвх - напряжение на входе электронного усилителя (DU в рассматриваемой схеме); Uэу - напряжение на выходе
усилителя; kэу -
коэффициент передачи электронного усилителя. Передаточная функция звена для
электронного усилителя будет иметь вид:
Wэу(р)=Кэу;
Wэу(р)= 115,95.
3.2 Генератор постоянного тока независимого возбуждения
Рассмотрим генератор в виде нескольких динамический звеньев. В результате
произведения передаточных функций отдельных динамических звеньев получим
передаточную функцию для генератора.
Первое звено - обмотка возбуждения. Запишем второй закон Кирхгофа для
цепи обмотки возбуждения:
, (3.3)
где
LB - индуктивность обмотки возбуждения; IВ - ток возбуждения (выходная величина); RВ - активное сопротивление обмотки возбуждения; UЭУ - напряжение на обмотке возбуждения (выходная
величина).
Разделим
уравнение на произведение RB IB, в
результате получим:
. (3.4)
Выполним
преобразования и перейдем к операторной форме получим:
, (3.5)
где
р - оператор Лапласа.
Умножим
обе части на IВ и
преобразуем уравнение к стандартному виду:
. (3.6)
где
Tов -
постоянная времени цепи возбуждения генератора постоянного тока, Tов = (Lв / Rв); kов -
коэффициент передачи обмотки возбуждения генератора, kов = (1 / Rв).
Передаточная
функция обмотки возбуждения, как апериодического звена первого порядка, имеет
вид:
; (3.7)
.
Якорь
генератора - безынерционное звено.
Данный
вариант передаточной функции соответствует исходным данным на курсовой проект,
когда постоянная времени Tг для цепи
якоря равна нулю. На основании известной характеристики генератора независимого
возбуждения можно определить коэффициент передачи для цепи якоря.
На
основании метода графической линеаризации имеем линеаризованное уравнение:
, (3.8)
где
Uг - напряжение на зажимах якоря генератора (выходная величина); γ - угол наклона касательной к характеристике
генератора в рабочей точке; kг - коэффициент передачи якоря
генератора.
На
самом деле на якорь генератора со стороны статора воздействует магнитный поток
Ф. В рамках курсового проекта будем считать, что ток возбуждения Iв и магнитный поток Ф, в рабочей области, связаны
линейной зависимостью и их коэффициент пропорциональности учтен в kг
Передаточная
функция якоря генератора как безынерционного звена будет иметь вид:
; (3.9)
.
3.3 Пассивное интегрирующее звено
Представив пассивное индуктивное звено в виде делителя напряжения получим
передаточную функцию:
Wпиз(p) = z2(p) / (z1(p) + z2(p)), (3.10)
где z1(p)=R1 - полное сопротивление первого плеча делителя; z2(p) = R2+(1/pC) -
полное сопротивление второго (выходного) плеча делителя, здесь 1/pC - операторная форма записи полного
сопротивления на ёмкости С.
Подставим z1(p) и z2(p) и выполним перегруппировку в выражении передаточной функции
(3.10), получим:
. (3.11)
Введем
постоянные времени Т1=R2C и Т2=C(R1+R2). В
итоге получим передаточную функцию пассивного интегрирующего звена в
операторной форме:
. (3.12)
В
численном виде:
.
3.4 Тахогенератор
Уравнение описывающее работу тахогенератора имеет вид:
Uтг = kтг n, (3.13)
где Uтг - напряжение на зажимах
тахогенератора (выходная величина); kтг - коэффициент передачи
тахогенератора; n - обороты вала
(входная величина). Передаточная функция тахогенератора как безынерционного
звена бу-дет иметь вид:
wтг(p) = kтг. (3.14)
В численном виде: wтг(p) = 0.
3.5 Двигатель постоянного тока независимого возбуждения
Передаточная функция для двигателя независимого возбуждения:
wд(p) = kд / (TяTм p2 + Tм p + 1), (3.15)
где, kд - коэффициент передачи двигателя (kд=1/Се), Тя - постоянная времени
цепи якоря (Тя=Lя
/ rя), Тм - электромеханическая постоянная
времени двигателя (Тм=J rя / (Cм Ce)), или
wд(p) = kд / (T3 p+ 1)(T4 p +
1), (3.16)
где T3,4 - новые постоянные времени
двигателя, определяемые по выражению:
. (3.17)
Вычислим Т3.4:
Подставим
в (3.16), тогда
wд(p) = 1,5 / (0,1344p+ 1)( 0,0156p +
1).
4. ПОСТРОЕНИЕ ЧАСТОТНЫХ
ХАРАКТЕРИСТИК ЗВЕНЬЕВ
Амплитудно-фазовая частотная характеристика (АФЧХ) представляет собой
геометрическое место точек концов векторов (годограф), соответствующих
комплексу частотной передаточной функции при изменении частоты от минус до плюс
бесконечности.
Частотная передаточная функция получается из передаточной функции звена в
операторной форме записи w(p) подстановкой значение p = jw.
wд(p) = 1,5 / (0,1344p+ 1)( 0,0156p + 1). (4.1)
Преобразуем выражение (4.1), для построения АЧХ и ФЧХ, путем замены p= jw:
w(jω) = 1,5/ (0,1344jω+ 1)( 0,0156jω + 1). (4.2)
График АЧХ представленный на рис.4.1 построен по выражению (4.3):


. (4.3)
Зададимся
различными значениями w,
Гц рассчитаем формулу
(4.3). Расчет произведен в MS Exel.
Рисунок 4.1 - АЧХ
График ФЧХ представленный на рис.4.2 построен по выражению (4.3).
Зададимся различными значениями w, Гц. Рассчитаем формулу (4.3). Расчет произведен в MS Excel.
. (4.3)
Рисунок
4.2 - ФЧХ
График
АФЧХ представленный на рис.4.3 построен по выражению (4.4). Расчет представлен,
выполнен в MS Excel.
. (4.4)
Рисунок
4.3 - АФЧХ
5.
ПЕРЕДАТОЧНЫЕ ФУНКЦИИ САР
5.1 Функциональная схема САР
Для рассматриваемого примера функциональная схема изображена на рис. 5.1.
Рисунок
5.1 - Функциональная схема САР
5.2 Передаточная функция разомкнутой системы
автоматический
регулирование динамический звено
Передаточная функция разомкнутой системы будет равна произведению
передаточных функций отдельных звеньев:
W(p) = wпи(p) wэу(p) wов(p) wтг(p) wг(p) wд(p, (5.1)
где W(p) - передаточная функция разомкнутой системы.
Подставляя значения в формулу (5.1) и выполнив преобразования, получим:
. (5.2)
5.3 Передаточная функция замкнутой системы
Передаточная функция замкнутой системы в операторной форме есть отношение
изображений по Лапласу-Карсону выходной и входной величин.
Выражение для получения передаточной функции замкнутой системы вы глядит
следующим образом:
, (5.3)
где
Ф(p) - передаточная функция замкнутой системы.
5.4 Характеристическое уравнение системы
Характеристическое уравнение системы есть знаменатель операторного
выражения передаточной функции замкнутой системы, приравненный к нулю:
.
6. КРИТЕРИИ УСТОЙЧЕВОСТИ САР
6.1 Частотный критерий устойчивости Михайлова
Рассмотрим отдельно левую часть характеристического уравнения САР -
характеристический полином D(p)
(6.1)
Подставим
в выражение (6.1) значение p = jω, выделим мнимую и вещественную часть, получим:
(6.2)
Построим кривую Михайлова рис.6.1, по выражению (6.2), задаваясь
значениями частоты от 0 до бесконечности и сведем результаты в таблицу 6.1:
Таблица 6.1
|
ω, Гц
|
0
|
1
|
10
|
20
|
30
|
40
|
50
|
|
Re
|
10
|
9,90087
|
0,7961
|
-18,222
|
-21,276
|
34,6016
|
209,563
|
|
Im
|
0
|
0,564
|
-0,3
|
-36,6
|
-144,9
|
-361,2
|
-721,5
|
Рисунок 6.1 - Годограф Михайлова
Рисунок 6.2 - Годограф Михайлова
По годографу рис.6.1 и рис.6.2 можно сделать вывод, что САР устойчива,
так как кривая начавшись на положительной полуплоскости, против часовой стрелки
не прошла через начала координат и пересекла последовательно 4 квадранта.
7. АНАЛИЗ УСТОЙЧИВОСТИ САР ПО ЛОГАРИФМИЧЕСКИМ ЧАСТОТНЫМ ХАРАКТЕРИСТИКАМ
Найдем частотную передаточную функцию из уравнения (5.2) подстановкой р=jω:
. (7.1)
Определим
модуль частотной передаточной функции:
(7.2)
Логарифмическая
амплитудная характеристика (ЛАХ):
, (7.3)
(7.4)
Определим
фазу передаточной функции:
(7.5)
Результаты
расчета по формулам (7.4) и (7.5) сведем в таблицу 7.1 и 7.2
Таблица 7.1 - Данные для построения ЛАХ
|
1,003,233,237,447,449,099,0963,9863,98100,00
|
|
|
|
|
|
|
|
|
|
|
|
17,4517,4517,4510,1910,196,726,72-44,13-44,13-59,65
|
|
|
|
|
|
|
|
|
|
|
Таблица 7.2 - Данные для построения ЛФХ
|
151015202530
|
|
|
|
|
|
|
|
|
-49,317-18,55130,69131411,150517,780822,476726,0647
|
|
|
|
|
|
|
|
По данным таблицы 7.1 и 7.2 строим логарифмически частотные
характеристики, которые представлены на рисунке 7.1.
Рисунок 7.1 - ЛАХ и ЛФХ
Система является устойчивой, так как точка пересечения ЛАХ и ЛФХ ниже
-1800.
8. ПОСТРОЕНИЕ КРИВОЙ ПЕРЕХОДНОГО
ПРОЦЕССА
8.1 Построение вещественной частотной характеристики САР
Передаточная функция замкнутой системы, в операторной форме, имеет вид:
, (8.1)
Перейдем к частотной передаточной функции, замкнутой САР, для чего
выполним подстановку значения p = jω и выделим вещественную часть,
получим выражение для построения вещественной частотной характеристики
рассматриваемой системы:
. (8.2)
На
рис.8.1 изображена вещественная частотная характеристика рассматриваемой САР,
построенная по выражению (8.2). Расчет представлен в табл. 8.1
Таблица
8.1 - Данные для построения вещественной частотной характеристики
|
Трапеция
|
1
|
2
|
3
|
4
|
|
h
|
-8,618
|
41,87
|
-27,37
|
-5
|
|
ωc
|
9,5
|
9,66
|
10
|
13
|
|
ωd
|
8,6
|
9,5
|
9,66
|
10
|
|
χ
|
0,90526
|
0,98344
|
0,97
|
0,77
|
По данным таблицы 8.1 строим вещественную частотную характеристику,
представленную на рисунке 8.1.
Рисунок 8.1 - Вещественная частотная характеристика
.2 Построение кривой переходного процесса
Имеющуюся вещественную характеристику исследуемой системы заменяют на ряд
прямоугольных трапеций. При этом необходимо, чтобы сумма всех вписанных
трапеций должна охватывать все изменения ординаты вещественной частотной
характеристики, боковые наклонные грани прямоугольных трапеций должны как можно
точнее соответствовать криволинейным участкам характеристики.
Вписывание трапеций представлено на рисунке 8.2.
Рисунок 8.2 - Вписывание трапеций
Далее определяются параметры полученных трапеций. Для этого построим все
полученные трапеции на отдельной координатной сетке, с учетом масштаба и знака,
аналогичной вещественной частотной характеристики.
Параметры трапеций представлены на рисунке 8.3.
Рисунок 8.3 - Параметры трапеций
Для каждой трапеции необходимо определить высоту, частоту срезу и частоту
излома, по которым определяется коэффициент наклона трапеции
по формуле:
. (8.7)
Коэффициенты излома для остальных трапеций рассчитываются аналогично.
Чтобы получить координаты точек, по которым строится составляющая кривой
переходного процесса, необходимо записать следующее правило:
, (8.8)
где
- высота i-трапеции;
-
значение выбранной h-функции;
- время;
- частота
среза i-трапеции.
Далее,
на основании таблицы h-функций [3, стр. 464], по правилу (8.8) сформируем
расчетные таблицы для всех трапеций.
Таблица
8.3 - Таблица расчета коэффициента наклона
|
t1
|
x1
|
t2
|
x2
|
t3
|
x3
|
t4
|
x4
|
|
1
|
2
|
1
|
2
|
1
|
2
|
1
|
2
|
|
0,000
|
0,000
|
0,000
|
0,000
|
0,000
|
0,000
|
0,000
|
0,000
|
|
0,052
|
-0,188
|
0,044
|
1,694
|
0,038
|
-0,796
|
0,029
|
-0,413
|
|
0,104
|
-0,362
|
0,089
|
3,276
|
0,077
|
-1,541
|
0,059
|
-0,801
|
|
0,156
|
-0,521
|
0,133
|
4,637
|
0,115
|
-2,179
|
0,088
|
-1,137
|
|
0,208
|
-0,658
|
0,178
|
5,688
|
0,154
|
-2,656
|
0,118
|
-1,407
|
|
0,260
|
-0,749
|
0,222
|
6,366
|
0,192
|
-2,961
|
0,147
|
-1,601
|
|
0,313
|
-0,822
|
0,266
|
6,786
|
0,231
|
-3,133
|
0,176
|
-1,715
|
|
0,365
|
-0,860
|
0,311
|
6,856
|
0,269
|
-3,149
|
0,206
|
-1,755
|
|
0,417
|
-0,875
|
0,355
|
6,716
|
0,308
|
-3,058
|
0,235
|
-1,742
|
|
0,469
|
-0,867
|
0,400
|
6,418
|
-2,908
|
0,265
|
-1,691
|
|
0,521
|
-0,847
|
0,444
|
6,050
|
0,385
|
-2,731
|
0,294
|
-1,604
|
|
0,573
|
-0,818
|
0,488
|
5,717
|
0,423
|
-2,578
|
0,324
|
-1,524
|
|
0,625
|
-0,787
|
0,533
|
5,455
|
0,462
|
-2,471
|
0,353
|
-1,434
|
|
0,677
|
-0,761
|
0,577
|
5,314
|
0,500
|
-2,428
|
0,382
|
-1,404
|
|
0,729
|
-0,741
|
0,622
|
5,256
|
0,538
|
-2,441
|
0,412
|
-1,376
|
|
0,781
|
-0,727
|
0,666
|
5,414
|
0,577
|
-2,503
|
0,441
|
-1,379
|
|
0,833
|
-0,724
|
0,710
|
5,577
|
0,615
|
-2,600
|
0,471
|
-1,404
|
|
0,885
|
-0,725
|
0,755
|
5,782
|
0,654
|
-2,696
|
0,500
|
-1,437
|
|
0,938
|
-0,731
|
0,799
|
5,974
|
0,692
|
-2,782
|
0,529
|
-1,485
|
|
0,990
|
-0,739
|
0,844
|
6,120
|
0,731
|
-2,838
|
0,559
|
-1,523
|
|
1,042
|
-0,748
|
0,888
|
6,185
|
0,769
|
-2,849
|
0,588
|
-1,554
|
|
1,094
|
-0,755
|
0,933
|
6,179
|
0,808
|
-2,827
|
0,618
|
-1,569
|
|
1,146
|
-0,761
|
0,977
|
6,097
|
0,846
|
-2,771
|
0,647
|
-1,571
|
|
1,198
|
-0,765
|
1,021
|
5,980
|
0,885
|
-2,707
|
0,676
|
-1,559
|
|
1,250
|
-0,765
|
1,066
|
5,840
|
0,923
|
-2,637
|
0,706
|
-1,538
|
|
1,302
|
-0,765
|
1,110
|
5,723
|
0,962
|
-2,586
|
0,735
|
-1,515
|
|
1,354
|
-0,765
|
1,155
|
5,636
|
1,000
|
-2,559
|
0,765
|
-1,490
|
|
1,406
|
-0,764
|
1,199
|
5,595
|
1,038
|
-2,557
|
0,794
|
-1,473
|
|
1,458
|
-0,764
|
1,243
|
5,612
|
1,077
|
-2,586
|
0,824
|
-1,463
|
|
1,510
|
-0,764
|
1,288
|
5,671
|
1,115
|
-2,629
|
0,853
|
-1,455
|
|
1,563
|
-0,765
|
1,332
|
5,764
|
1,154
|
-2,683
|
0,882
|
-1,466
|
|
1,615
|
-0,765
|
1,377
|
5,858
|
1,192
|
-2,731
|
0,912
|
-1,476
|
|
t1
|
x1
|
t2
|
x2
|
t3
|
x3
|
t4
|
x4
|
|
1
|
2
|
1
|
2
|
1
|
2
|
1
|
2
|
|
1,667
|
-0,766
|
1,421
|
5,945
|
1,231
|
-2,763
|
0,941
|
-1,490
|
|
1,719
|
-0,766
|
1,465
|
5,998
|
1,269
|
-2,774
|
0,971
|
-1,502
|
|
1,771
|
-0,765
|
1,510
|
6,015
|
1,308
|
-2,766
|
1,000
|
-1,512
|
|
1,823
|
-0,764
|
1,554
|
5,998
|
1,346
|
-2,742
|
1,029
|
-1,518
|
|
1,875
|
-0,761
|
1,599
|
5,945
|
1,385
|
-2,701
|
1,059
|
-1,521
|
|
1,927
|
-0,759
|
1,643
|
5,881
|
1,423
|
-2,661
|
1,088
|
-1,518
|
|
1,979
|
-0,756
|
1,687
|
5,811
|
1,462
|
-2,629
|
1,118
|
-1,514
|
|
2,031
|
-0,754
|
1,732
|
5,752
|
1,500
|
-2,608
|
1,147
|
-1,508
|
|
2,083
|
-0,753
|
1,776
|
5,723
|
1,538
|
-2,605
|
1,176
|
-1,502
|
|
2,135
|
-0,753
|
1,821
|
5,712
|
1,577
|
-2,618
|
1,206
|
-1,497
|
|
2,188
|
-0,754
|
1,865
|
5,735
|
1,615
|
-2,651
|
1,235
|
-1,494
|
|
2,240
|
-0,756
|
1,909
|
5,770
|
1,654
|
-2,675
|
1,265
|
-1,493
|
|
2,292
|
-0,758
|
1,954
|
5,822
|
1,692
|
-2,707
|
1,294
|
-1,493
|
|
2,344
|
-0,760
|
1,998
|
5,875
|
1,731
|
-2,728
|
1,324
|
-1,494
|
|
2,396
|
-0,762
|
2,043
|
5,904
|
1,769
|
-2,739
|
1,353
|
-1,496
|
|
2,448
|
-0,762
|
2,087
|
5,928
|
1,808
|
-2,736
|
1,382
|
-1,497
|
|
2,500
|
-0,763
|
2,131
|
5,928
|
1,846
|
-2,723
|
1,412
|
-1,499
|
|
2,552
|
-0,763
|
2,176
|
5,910
|
1,885
|
-2,699
|
1,441
|
-1,499
|
|
2,604
|
-0,763
|
2,220
|
5,887
|
1,923
|
-2,675
|
1,471
|
-1,500
|
|
2,656
|
-0,762
|
2,265
|
1,962
|
-2,651
|
1,500
|
-1,500
|
|
2,708
|
-0,762
|
2,309
|
5,822
|
2,000
|
-2,637
|
1,529
|
-1,500
|
После формирования таблицы выполним построение кривых переходного
процесса в одной координатной плоскости. Далее произведем графическое
суммирование всех составляющих для получения результирующей кривой переходного
процесса.
По данным таблицы 8.3 строим кривые переходного процесса, изображенные на
рисунке 8.4
Рисунок 8.4 - Характеристики переходного процесса
.3 Определение показателей качества регулирования по переходной
характеристике
Результирующая кривая переходного процесса изображена на рисунке 8.5.
Рисунок 8.5 - Переходная характеристика
По графику определим установившееся и максимальное значения регулируемой
величины, а также длительность переходного процесса:
;
;
с.
Найдем перерегулирование в переходном процессе от установившейся
величины, по формуле:
. (8.9)
.
На
переходной характеристике видно, что установившееся значение
=18, а значение коэффициента усиления системы
составляет
, следовательно, в данной системе регулируемая
величина не достигает заданного значения. Система является неприемлемой.
ЗАКЛЮЧЕНИЕ
В результате выполнения курсового проекта была исследована САР. Выведены
передаточные функции всех элементов, входящих в систему, а также разомкнутой и
замкнутой системы. Применены к данной системе критерий устойчивости Михайлова и
анализ устойчивости сар по логарифмическим частотным характеристикам.
Так же в ходе выполнения курсовой работы была осуществлена оценка
качества процесса регулирования, в которой было выявлено, что данная САР
удовлетворяет всем параметрам качества регулирования.
СПИСОК ИСПОЛЬЗОВАННЫХ ИСТОЧНИКОВ
1.Доронин
С.В. Теория систем автоматического управления: метод. указания по выполнению
курсового проекта / С.В. Доронин. - Хабаровск: Изд-во ДВГУПС, 2015.-40 с.
.Доронин С.В.
Теория автоматического управления и регулирования: учеб. пособие / С.В.
Доронин. - 2-е изд. доп. и перераб. - Хабаровск : Изд-во ДВГУПС, 2012. - 136 с.
.Автоматизация
электроподвижного состава: учебник для вузов ж.-д. трансп. /Под ред. А.Н.
Савоськина. - М.: Транспорт, 1990.