Технология ведения горных работ на разрезе 'Восточный'
Введение
Угольная отрасль является важной частью топливно-энергетического
комплекса Республики Казахстан. Ее развитие на современном этапе связано,
прежде всего, с повышением качества угля. Одной из первоочередных задач,
стоящих перед угольной промышленностью, должно стать формирование системы
управления качеством, способной обеспечить защиту граждан, окружающей среды и
товарного рынка от некачественной угольной продукции.
В настоящее время основная масса энергетических углей сжигается в
пылеугольных котлах, которые предъявляют довольно жесткие требования к качеству
топлива. Удовлетворение этих требований осуществляется главным образом
созданием котлов, рассчитанных на теплотехнические характеристики угля
определенного угольного карьера (разреза). Этот уголь является проектным
топливом данных котлов. Основным требованием к качеству такого угля является
постоянство его теплотехнических характеристик на заявленном, среднем по
разрезу уровне. Отклонение от этого уровня ухудшает экологичность и
экономичность котлов. По опубликованным данным, каждый процент увеличения
зольности или влажности углей приводит:
к снижению КПД на 0,05-0,15 %;
к увеличению дополнительного расхода топлива для поддержания заданной
мощности на 0,2-0,5 г на выработанный 1 кВт-ч;
к увеличению расхода электроэнергии на собственные нужды на 0,07-0,13 %.;
к увеличению расхода мазута на 0,15-0,4 %;
к дополнительному останову энергоблока на ремонт до 60 ч в год.
Усреднительные мероприятия на угольном карьере (разрезе) обеспечивают
стабильное и постоянное качество угля. Они состоят из планирования горных работ
в режиме усреднения, межзабойного усреднения - регулирования
производительностью забоев и соединения угольных потоков от забоев в единый
поток разреза, и усреднения угля в потоке. Эти мероприятия дополняют, но не
заменяют друг друга, так как отвечают за разные этапы усреднения. Отсутствие
усреднения на этапах планирования горных работ приводит, как правило, к
значительным колебаниям качества угля с периодом от продолжительности смены до
нескольких месяцев и даже лет. Межзабойное усреднение обеспечивает сглаживание
колебаний качества с периодом от 10 - 30 минут до продолжительности смены.
Усреднение угля в потоке уменьшает колебания качества с периодом от нескольких
минут до нескольких часов. Таким образом, каждое из этих мероприятий работает в
своем диапазоне частот колебаний качества. С другой стороны это говорит о том,
что рабочий диапазон частот усреднительного мероприятия является его важнейшей
характеристикой, а изучение эффективности усреднения должно опираться на
спектральные методы.
Усреднение на этапе планирования работ и межзабойное усреднение
проводятся только на разрезе. Усреднение угля в потоке осуществляется
ус-реднительным комплексом или системой, который может располагаться и вне разреза
Кроме этого усреднение может осуществляться сортировкой вагонов на станции или
на промежуточном угольном складе, на котором происходит перегрузка угля с
одного вида транспорта на другой. Свойства и особенности усреднительной
технологии не зависят от места ее применения, поэтому ее изучение, как правило,
проводится без конкретизации этого места.
Развитие и совершенствование существующих технологий усреднения и
разработка новых имеют большое практическое значение. В настоящее время широко
применяется слоевой и бункерный способы усреднения. Из них неплохо изучено
бункерное усреднение. Теоретические исследования слоевого усреднения еще далеки
от завершения, несмотря на обилие научных работ им посвященных. В последнее
время большое внимание уделяется развитию динамических способов усреднения,
большая часть которых связана с применением продольного сдвига частей угольного
потока относительно друг друга. Изучение этих способов находится еще в
начальной стадии.
Однако не все способы усреднения применимы на разрезе. Усредни-тельные
системы в условиях разреза используют, как правило, слоевое усреднение и способ
продольного сдвига. Данная работа восполняет в некоторой степени пробел в
изучении этих способов усреднения. Здесь исследуются также условия эффективного
практического применения этих технологий в условиях разреза, проводится их
сравнительный анализ, изучаются возможности их совместного использования.
Важной частью усреднительных мероприятий является соединение угольных потоков
от забоев в единый поток разреза. Эффективность такого усреднения принято
оценивать статистическими методами. В данной работе рассматриваются также
спектральные методы такой оценки, которые позволяют обосновать применение
продольного сдвига потоков перед смешиванием для повышения эффективности
усреднения.
1. Общие
сведения
Разрез "Восточный" АО "Евроазиатская энергетическая
корпорация", расположен в районе г. Экибастуза Павлодарской области. I-я
очередь строительства разреза мощностью 7,5 млн.тонн угля в год была запущена
19.09.85 года Актом Государственной комиссии. В декабре 1988 года, с вводом
III-ей очереди, разрез был полностью введен в эксплуатацию. Запасы в границах
площади первоочередной отработки утверждены протоколом ГКЗ СССР №9114.
Отработка разреза «Восточный» Экибастузского месторождения производиться в
контурах горного отвода, выданного Министерством энергетики и минеральных
ресурсов.
В настоящее время разрезом «Восточный» ведется отработка запасов на
площади первоочередной отработки, включающей в себя запасы разведочных участков
7 и, частично, 8 (участок Восточный - 1). Длина карьерного поля составляет
около 2,9 км. Поле разреза характеризуется наклонным падением пластов с углами
от 30 до 170. Промышленной отработке подвергаются три угольных пласта, имеющие
следующие показатели:
Пласт 1 - мощность - 24,7м, зольность - 34,8 %;
Пласт 2 - мощность - 45,3м, зольность - 36,9 %;
Пласт 3 - мощность 101,7м, зольность - 47,3 %.
По состоянию на 01.01.2013 г. на балансе разреза числится 1171,0 млн.т
балансового угля; 1398,8 млн.т геологического рядового и 1386,4 млн.т -
промышленного.
По состоянию на 01.01.14 год горные работы ведутся на глубине 225 метров
от дневной поверхности.
На вскрышных работах используются одноковшовые экскаваторы типа
«мехлопата» ЭКГ-12.5, ЭКГ-6.3У, ЭКГ-4У, ЭКГ-12УС, ЭКГ-8И и одноковшовые
гидравлические экскаваторы Liebherr R-994BE и R-9350. Вывозка вскрышных пород
осуществляется тяговыми агрегатами ОПЭ-1, НП-1. Емкость локомотивосостава
составляет 480 м3. Руководящий уклон 400/00. Дальность транспортировки - до
10км. Транспортировка вскрышных пород осуществляется на три внешних отвала,
расположенных за границей горного отвода - «Прибортовой», «Фестивальный» и
«Конвейерный-1». Отвалообразование экскаваторное. Основное горное оборудование
на отвалах - это экскаваторы ЭКГ-10И и драглайны ЭШ-13/50.
Добыча угля марки КСН ведется роторными экскаваторами типа SRs (K)- 2000
по двухуступной схеме с одним транспортным горизонтом. Погрузка угля из забоя
может вестись непосредственно в самоходный загрузочный бункер забойного
конвейера КЛЗ-5250 или через забойные перегружатели BRs(K) - 2000.65, или через
межуступные перегружатели АRs(K) - 5500, SФБR(K) - 1800. Межуступные
перегружатели обеспечивают подъем угольной массы на 28-31 метр, что дает
возможность отрабатывать угольный уступ высотой 25 метров при размещении
транспортного горизонта на его кровле.
На разрезе освоена уникальная технология горных работ в условиях
незначительных добычных фронтов, когда нарезка нового горизонта осуществляется
самим роторным экскаватором и совмещена с производством добычных работ.
Общее количество добычных забоев, укомплектованных соответствующим
набором добычного оборудования на разрезе «Восточный» - четыре. Это
обеспечивает выполнение условий по качеству добываемого угля и дает возможность
осуществлять оперативно работы по ремонту горно-транспортного оборудования.
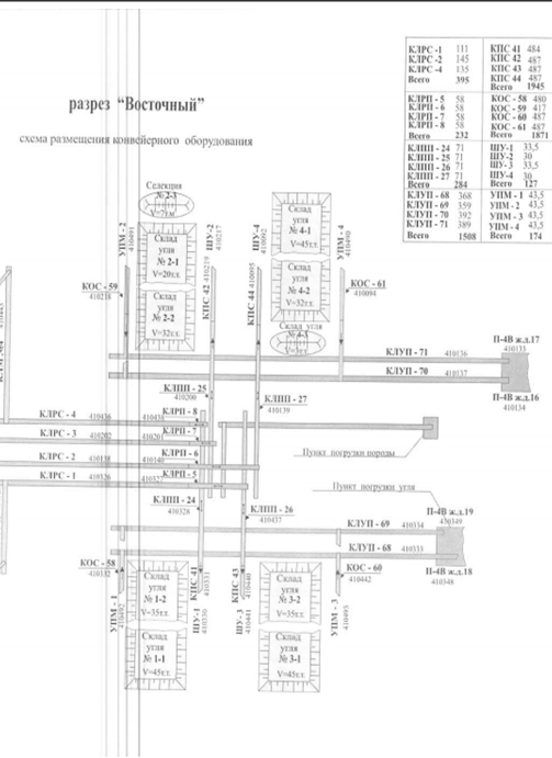
Транспортировка добытого угля на поверхностный комплекс осуществляется
системой конвейеров. В состав конвейерной линии, доставляющей уголь к пункту
перегрузки поверхностного комплекса входят забойный, соединительный, два
подъемных конвейера (угол наклона 13 градусов) и магистральный. Общая длина
конвейеров в разрезе варьируется от 7 до 9 км. На всех конвейерах используется
резинотросовая конвейерная лента шириной 1800мм.
На технологическом комплексе разреза осуществляется процесс усреднения
добываемого угля на усреднительных складах. Уголь, поступающий из любого,
находящегося в отработке добычного забоя, поступает на технологический склад,
где штабелеукладчиком консольного типа укладывается послойно в штабель.
Определение необходимого количество угля осуществляется с помощью конвейерных
весов с учетом показателя по зольности определяемого ежесуточно для каждого
добычного забоя геологической службой разреза. Разброс качественных характеристик
угля в добычных забоях может достигать 15 - 20% по зольности. Но благодаря
усреднительно-погрузочному комплексу отгружаемый уголь имеет ровные и
стабильные характеристики в каждом вагоне всего маршрута. За этим круглосуточно
следит служба контроля качества, имеющая аккредитованную лабораторию и
соответствующий штат сотрудников.
За время работы разреза был накоплен огромный опыт эксплуатации
конвейерного транспорта, роторной техники большой единичной мощности.
Отработана технология нарезки новых добычных горизонтов в условиях довольно
жесткой привязки к транспортной схеме. В условиях действующего производства
построены новые подъемные конвейера. В настоящее время осуществляется
строительство второй очереди циклично-поточного вскрышного комплекса производственной
мощностью 20 млн.м3 в год.
1.1 Географическое
и административное положение района
Экибастузский каменноугольный бассейн расположен в Павлодарской области
Республики Казахстан в 130 километрах от областного центра г. Павлодара. В
непосредственной близости от бассейна в северо-западном направлении расположен
г. Экибастуз. Бассейн пересекает железнодорожная магистраль, связывающая его с
городами Павлодар и Астана. В непосредственной близости от бассейна проходят
автострада Караганда - Павлодар и канал Иртыш - Караганда, который является
основным источником питьевого и технического водоснабжения района. Снабжение
электроэнергией осуществляется от Аксукской и Экибастузских ГРЭС.
Район находится в области сухих степей с равнинным рельефом. Отметки рельефа
в южной части бассейна составляют 200-235 м и постепенно уменьшаются к северу
до 170-195 м.
Климат района резко континентальный с суровой зимой и жарким летом, с
частыми засухами и суховеями, характерными для антициклонного режима погоды.
Резкая континентальность климата выражается в больших годовых и суточных
колебаниях температуры воздуха, высоких летних и низких зимних температурах
воздуха. Средняя температура самого жаркого месяца июля и самого холодного
января составляет соответственно плюс 21,5° и минус 18,5° при максимуме плюс
40° и минимуме минус 43°. Устойчивый снежный покров образуется в конце октября
начале ноября и держится примерно 150 дней до начала апреля. Глубина
промерзания почвы 2,5-3,0 м. Среднее годовое количество осадков составляет 220
мм. Преобладающими являются ветры юго-западного и западного направления,
среднегодовая скорость ветра 4,2 м/с, максимальная скорость 20-25 м/с.
Растительность района скудная. Она представлена преимущественно разреженным
травостоем с преобладанием ковыльно-типчаковых форм.
Рисунок 1.1 Угольный разрез «Восточный» ЕЭК: панорама
.2 Горно-геологическая характеристика месторождения
В тектоническом отношении Экибастузский каменноугольный бассейн
представляет собой асимметричную мульду, вытянутую с северо-запада на
юго-восток на 24 км при максимальной ширине 8,5 км. Общая площадь мульды 155
кв. км. Угленосная часть мульды имеет размеры соответственно 12 и 6 км. С
северо-востока мульда ограничена крупным сбросом с амплитудой более 400 м.
Северо-западная (поле 1) и юго-восточная (поля 5, 6, 7, 8) части мульды имеют
спокойное залегание пластов, северо-восточная (поля 4, 11, 12) и юго-западная
(поля 2, 3, 9, 10) части - крутые, с углами падения слоев свыше 65º.
На последних полях тектонические напряжения нашли свое выражение и в
многочисленных разрывных нарушениях, частота которых возрастает от пласта 1 к
пласту 4. С глубиной по направлению к оси мульды пласты выполаживаются почти до
горизонтального положения. Максимальная глубина погружения кровли пласта 1 не
превышает 550 м, нижнего пласта 4 - 760 м от поверхности.
Основными промышленными пластами бассейна являются пласты 1, 2 и 3,
разделенные междупластовыми породами мощностью 0,3-13 м. Пласт 4 имеет
небольшую мощность (в среднем 18,5 м) общую среднюю зольность 48,9% и
отделяется от пласта 3 породным комплексом мощностью до 110 м.
Пласт 1 является самым верхним рабочим пластом карагандинской свиты. Его
средняя подсчетная и рабочая мощности составляют соответственно 18,5 и 20,5 м.
Строение пласта сложное. Он состоит из 30-50 угольных пачек мощностью 0,1-1,0
м, разделенных преимущественно светлыми породными прослоями мощностью от 1 до 5
см. Средняя зольность пласта составляет 36,2%.
Пласт 2 отделяется от пласта 1 породным слоем мощностью 4-8 м. Средняя
подсчетная и рабочая мощности его составляют соответственно 31,8 и 38,5 м.
Строение пласта сложное. Характерно частое переслаивание угольных пачек
мощностью 0,2-2,0 м со светлыми породными прослоями каолинитового состава (1-5
см). Средняя зольность пласта составляет 36,3%.
Пласт 3 является самым мощным из рабочих пластов. Его средняя подсчетная
и рабочая мощности составляют соответственно 69,6 и 89,7 м. Пласт имеет очень
сложное строение. Он включает большое количество (140 - 160) светлых прослоев
песчано-глинистых (каолинитовых) пород мощностью 1-5 см, реже 5-10 см. Мощность
угольных пачек составляет от 0,1 до 1,5м. Породы внутренней вскрыши, в состав
которых входят углистые и слабоуглистые аргиллиты и некондиционные по мощности
или зольности угли, характеризуются сложным и частым переслаиванием. Мощности
их от 0,5 до 10,0 м и более. На долю пород, заключенных в рабочей части пласта,
в среднем по бассейну приходится 40% его мощности. Нижняя часть пласта 3
состоит из углистых пород, включающих невыдержанные в разрезе угольные пачки,
представленные преимущественно некондиционными по мощности и зольности углями.
Поэтому она по кондициям отнесена к нерабочей. Мощность ее колеблется в
пределах 8-40 м, возрастая с северо-запада на юго-восток. Средняя зольность
пласта составляет 45,3%.
Коэффициент крепости угля и углистых пород по шкале проф. М.М.
Протодьяконова составляет ƒ = 1,5 - 3, разделяющих породные прослои ƒ
= 2 - 8 и в отдельных
случаях 11.
Вмещающие породы бассейна представлены со стороны кровли пласта 1
аргиллитами, алевролитами и песчаниками, а со стороны почвы пласта 3 -
углистыми породами, алевролитами и песчаниками.
Физико-механические свойства пород изменяются в широких пределах в
зависимости от глубины залегания и литологических разностей. Прочность
вскрышных пород возрастает на глубине 50-70 м. Максимального значения прочность
песчаников и алевролитов достигает на глубине 200-250 м, аргиллитов - на
глубине 100-150 м. Основными составляющими породу являются глинистый и углистый
материалы, сидерит, кальцит, пирит. Прослои карбонатного состава
характеризуются незначительными окисями кремния (4-25%) и глинозема (4-11%).
Вмещающие породы характеризуются средней крепостью ƒ
= 4-8 и при разработке
требуют применения буровзрывных работ.
Угли Экибастузского бассейна каменные, гумусовые, представленные
блестящими (1-7%), полублестящими (20-39%), полуматовыми (43-45%) и матовыми
(10-25%) их разностями. Плотность угля составляет 1,5 т/м³.
Угли почти всех пластов являются сильно минерализованными. Минерализация
углей увеличивается с глубиной, достигая максимума в углях пластов ашлярикской
свиты и нижней части карагандинской свиты.
По степени метаморфизма угли относятся к газовым, жирным и коксовым.
Угли поля №7 существенно различаются как по плотности, так и по
зольности. Углистые породы с зольностью более 50% располагаются в интервале
значений плотностью 1,65-2,2 т/ м³. Последнее объясняется большим и
меньшим обогащением углистым веществом; что в свою очередь дает значительные
колебания в выходе золы (50-75%). Среднее значение плотности для этих пород
(1,89 т/м³) соответствует зольности 60,6%.
Содержание аналитической влаги углей в большинстве случаев колеблется от
0,6 до 3%. Содержание рабочей влаги изменяется в пределах 3,5-7,5%. Среднее значение
рабочей влаги уменьшается с глубиной, что указывает на возрастающую плотность
углей.
Угли месторождения малосернистые, содержание серы 0,5-0,6%.
Теплота сгорания рядового угля изменяется в среднем от 3380 до 4540
ккал/кг.
Угли пластов 1, 2 и 3 весьма труднообогатимы, что обусловлено тонким
прорастанием самого вещества угля минеральными примесями.
Зона газового выветривания достигает глубины 200 м. Глубже нижней границы
в интервале первых 100 м происходит наиболее интенсивное нарастание
газоносности от 8-10 м³ на 1 т горючей массы угля. В интервале последующих 200
м она увеличивается не более чем на 2-5 м³/т. г. м, а на участках максимального
погружения пластов газоносность составит не более 20 м³/т. г. м. Основными компонентами газов
являются метан и азот.
1.3 Инженерно-геологическая характеристика карьерного поля
Основным элементом временной гидрогеографической сети являются короткие
слабо выраженные лога, впадающие в озера или замкнутые впадины. Среднегодовой
модуль стока степных речек очень низкий - 0,5 л/сек с 1 км2 площади бассейна. В
весеннее половодье он увеличивается в 15-20 раз, поэтому весенний сток
составляет 80-90% объема годового стока.
Основными водосодержащими породами являются угли и углистые аргиллиты.
Алевролиты и аргиллиты обводнены значительно слабее. Среди водосодержащих
пород, слагающих крылья мульды, наиболее водообильными являются кремнистые
известняки. Основную роль в обводнении угольных разрезов играют подземные воды
угольных пластов и вмещающих их пород. Заключенные в них подземные воды
образуют множество водоносных микрогоризонтов, характеризующихся неравномерной
водоносностью и затрудненной гидравлической взаимосвязью. До глубины 50-60 м
породы продуктивной и надугольной толщ обладают повышенной обводненностью и
образуют единый водоносный горизонт. Связано это с наличием множества
водоносных микрогоризонтов и неравномерным воздействием дренирующего влияния
специальных дренажных выработок. Наиболее водоносными в пределах разреза
“Восточный” являются углистые породы карагандинской и ашляринской свит.
Расчет прогнозных водопритоков выполненный институтом «Центр-Гипро-шахт».
За мощность водоносного горизонта принята вся толща водовмещающих пород, равная
с учетом отработки уровня 55 м для горизонтов +120, +155, +20 м.
Коэффициент фильтрации для горизонта +120 м в среднем составляет 0,4
м/сут, горизонта +20-0,24 м/сут. Водоотдача вмещающих пород принимается равной
0,03 (до горизонта +120 м) и 0,012 (до горизонта +20 м). Атмосферные осадки,
приняты на основании многолетних наблюдений и составляют в среднем 236 мм в
год. Максимальные суточные ливневые осадки составляют 69,5 мм. Среднее
многолетнее максимальное суточное количество осадков равно 28,5 мм.
Коэффициент пезопроводности в среднем составил 44000 м²/сут.
Коэффициент поверхностного стока α1 для площади, занятой бортами и дном
разреза в песчаных и углистых породах принимается равным 0,6. Для площади
заключенной между бортами разреза и нагорными канавами α2
=50% от общего
коэффициента стока и равняется 0,15.
Ожидаемый максимальный водоприток в границах поля №7 с учетом дождевых
вод, на горизонте +120 составит 180 м³/ч, на горизонте +20-315 м³/ч.
.4 Технология производственного процесса
Возможность применения тех или иных технологических схем ведения добычных
и вскрышных работ на разрезах, добывающих полезные ископаемые открытым
способом, во многом зависит от горно-геологических условий разрабатываемого
месторождения, глубины ведения горных работ, единичной мощности
горнодобывающего предприятия и ряда других факторов. В настоящем разделе
выполнен анализ мирового опыта добычи угля открытым способом для условий,
близких к условиям разработки Экибастузского месторождения, т.е. для
сверхмощных разрезов, разрабатывающих пласты большой мощности и ведущих
добычные и вскрышные работы на глубине 200 м и более.
Этот анализ показал, что наиболее успешными на рынке твердого топлива
являются компании, ориентированные на получение максимально возможной прибыли
от отработки месторождения. Это достигается, в основном, за счет концентрации
горных работ в наиболее продуктивной части месторождения, сокращения рабочей
зоны, уменьшения в ней количества техники и коммуникаций. При этом должна
обеспечиваться максимальная нагрузка на забой и, соответственно, максимальная
мощность грузопотоков.
Кроме того, успешность компаний во многом зависит от расстояния
перемещения больших объемов горной массы (угля и вскрышных пород) к местам
погрузки или складирования и от вида транспорта, который для этого
используется, а также от того, насколько полно осуществляется извлечение угля
из недр, в пределах граничных контуров разрабатываемых участков, и насколько
эффективно выполняется восстановление земель, нарушенных в процессе ведения
открытых горных работ.
Наиболее полно указанным требованиям прибыльности отвечают крупные предприятия,
на которых применяются поточные и циклично-поточные технологии добычи и
транспорта полезного ископаемого с использованием высокопроизводительной
экскавационной техники. Эффективность этих технологических схем значительно
возрастает, если °ни позволяют вести интенсивную отработку угленасыщенных зон
карьерных полей и размещать все вскрышные породы, или большую их часть, в
выработанном пространстве разреза. Последнее особенно важно, поскольку
позволяет свести до минимума дальность транспортировки вскрышных пород и
значительно уменьшить вредное влияние горного предприятия на природную среду
(за счет снижения выбросов породной пыли в атмосферу и сокращения площадей
земель, отчуждаемых под внешние отвалы см. рисунок 1.2).
Рисунок 1.2 технология ведения горных работ на разрезе «Восточный» с
использованием железно-дорожного транспорта
В отечественной и зарубежной практике однородность качества угля
повышается путем прогнозирования качества угля на основании геологических
данных и осуществления непрерывного контроля качества в процессе работы
добычного экскаватора, подбора фронта добычных работ, обеспечивающего добычу
угля в режиме усреднения, а также путем усреднения добываемого угля в емкостях
и штабелях. На разрезах Экибастузского бассейна осуществляется весь
перечисленный комплекс мероприятий.
На разрезе «Восточный» действует усреднительно-погрузочный комплекс,
обеспечивающий высокий коэффициент усреднения (отношение среднеквадратичного
отклонения зольности угля до усреднения к аналогичному его значению после
усреднения и позволяющий осуществлять отправку угля только I группы качества (в 1998 г. при общем
объеме отгрузки угля с разреза 10,6 млн.т, объем угля II группы составил 0,87 млн.т).
Вскрытие поля разреза осуществлено фланговой стационарной породной
выездной траншеей внешнего заложения.
Разработка угольных пластов ведется экскаваторами: SRs(k)-2000 (4 шт.) в комплексе с забойными перегружателями BRs(k)-2000.65 (4 шт.) и меж уступными перегружателями ARs(k)-55OO.95
(2 шт.). Для нарезки новых угольных горизонтов используются
экскаваторы-мехлопаты ЭКГ-4У(4шт.). В 1998 г. закончен монтаж межуступного
перегружателя SFB-R(k)-1800.25.
В настоящее время выемка угля осуществляется на горизонтах +75,0 и +50,0
м. Поле разреза на добычных работах разделено на четыре блока: южный,
центральный I, центральный 2 и северный. Южный
блок граничит с полем разреза «Богатырь». Отработка пластов 1, 2, и 3 ведется
по двухуступной схеме с расположением забойных конвейеров на одном транспортном
горизонте. На верхнем горизонте ведется отработка пластов 1 и 2, на нижнем -
пласта 3. Высота добычных уступов 25,0 м, при средней отрабатываемой высоты
заходки 13,6 м, средняя длина фронта добычных работ 7,2 км, продвигание фронта
добычных работ 38,2 м/год. Годовая производительность списочного роторного
экскаватора 2,22 млн. т.
Транспортировка угля на тех комплекс, производится тремя (по проекту
четырьмя) конвейерными линиями. В составе каждой линии имеются конвейеры:
забойный, соединительный, подъемный, и в крайних линиях, магистральный.
Подъемные конвейеры расположены в трех наклонных траншеях; Южная (I линия); Центральная II линия, при проектных 2-х) и Северная
(I линия).
Рисунок 1.3 Технология введения горных работ на разрезе «Восточный» с
использованием авто-конвейерной технологии
Взрывная подготовка к выемке добычных уступов производится на
встряхивание, без нарушения структуры забоя. На бурении используются буровые
станки СБР-160А-24.
На отработке вскрыши используются экскаваторы типа ЭКГ-4У (1 шт.),
ЭКГ-6,ЗУ (1 шт.), ЭКГ-12УС (1 шт.), ЭКГ-12,5 (5 шт.), ЭКГ-8У (1 шт.). Средняя
длина фронта вскрышных работ 18,9 км, подвигание фронта 38,5 м/год, средняя
высота уступа 15,0 м, при средней высоте заходок 13,4 м. Годовая
производительность списочного одноковшового экскаватора 1,36 млн. м3.
Взрывная подготовка вскрышных уступов осуществляется короткозамедленным
способом с развалом пород и в зажатой среде. Бурение скважин производится
буровыми станками ЗСБШ-200-60, 5СБШ-200-36.
Доставка угля из разреза осуществляется конвейерным транспортом на
технологический комплекс на поверхности. Со складов технологического комплекса
уголь отгружается в ж/д вагоны на ст. Восточная. Отгрузка угля потребителям
ведется четырьмя действующими погрузочными пунктами П-4В. Производительностью
каждого погрузочного пункта 4000 т/час.
Добываемый на разрезе уголь в полном объеме отгружается потребителям с
усреднительно-погрузочного комплекса, расположенного на ст. Восточная.
Действующий на поверхности технологический комплекс включает в себя склады и
стационарные погрузочные пункты и выполняет функции по приему горной массы из
разреза и разделению ее на потоки угля и породы, распределению угля по угольным
складам, в зависимости от качества и потребности в углях первой и второй
группы, усреднению и аккумуляции угля на складах, складированию пород
внутренней вскрыши в отдельном штабеле на складе №2 и погрузке угля и породы
внутренней вскрыши в железнодорожные вагоны.
Для аккумуляции и усреднения уголь подается на четыре угольных склада,
оснащенные высокопроизводительным усреднительным оборудованием фирм
"Везерхютте" (ФРГ) и «Италимпьянти» (Италия). Горная масса выдается из
разреза 3-мя конвейерными линиями. На перегрузочном пункте уголь с любой
конвейерной линии направляется на любой из четырех угольных складов; порода с
любой конвейерной линии подается в отдельный штабель на площадке угольного
склада № 2.
Формирование штабелей угля и породы на складах производится
штабелеукладчиками, отгрузка усредненного угля со складов - барабанными
погрузочными машинами. Отгрузка породы внутренней вскрыши - ковшовым
экскаватором в ж.д. вагоны. Отгрузка угля в ж.д. вагоны производится четырьмя
стационарными погрузочными пунктами П-4В с весовым дозированием, передвижение
вагонов при погрузке - маневровым тепловозом, оборудованным системой
радиоуправления оператора погрузки с машинистом тепловоза.
Схема технологического комплекса обеспечивает подачу угля из любого
добычного забоя на один из четырех складов, подачу усредненного угля с любого
склада на один из погрузочных пунктов, и подачу породы внутренней вскрыши из
любого добычного забоя на конвейер подачи на склад угля № 2. Схема технологического
комплекса на поверхности разреза «Восточный» приведена на рис. 4.5.
На площадях, отведенных под склады, возможна аккумуляция до 80 тыс.т угля
-склады №№1,3 и 4.
С учетом размещения на площадке склада №2 штабеля пород внутренней
вскрыши возможна аккумуляция до 55 тыс.т. угля.
На каждом складе предусмотрено формирование двух штабелей, что
обеспечивает одновременное формирование одного и отгрузку второго,
сформированного, штабеля.
Техническая производительность оборудования подачи угля на склад (конвейеров
ленточных, штабелеукладчика) - до 6000 т/час, оборудования отгрузки угля со
склада (конвейеров ленточных, усреднительно-погрузочной машины) и каждого
пункта погрузки П-4В - до 4000 т/час. Расчетная эксплуатационная
производительность оборудования подачи угля на склады составляет 4370 т/ч,
оборудования отгрузки угля со склада каждого пункта погрузки П-4В - 2320 т/ч.
Проектная производительность усреднительно-погрузочного комплекса принята 30,0
млн.т/год. Максимальная фактическая производительность, достигнутая в 1991 г.,
составила 22,8 млн. т в год.
Для обеспечения загрузки ж.д. вагонов в соответствии с нормами,
установленными Железной дорогой, на разрезе построен и действует
весодозировочный комплекс.
Весь объем добываемого на разрезе «Восточный» угля отгружается
потребителям с усреднительно-погрузочного комплекса на поверхности разреза,
обеспечивающего высокую степень усреднения поступающего из разреза угля.
Усреднение угля осуществляется за счет послойной отсыпки угля в штабель при
формировании штабелей угля передвижным штабелеукладчиком и одновременной
отгрузкой всех слоев полностью сформированного штабеля барабанной
усреднительной машиной. Коэффициент усреднения Куср , характеризующий степень
уменьшения колебаний качества угля после усреднения на складах, для складов УПК
на разрезе «Восточный» составляет 3,4. Высокий коэффициент усреднения угля на
усреднительных складах обеспечивает высокую степень стабилизации зольности
поступающего из разреза угля и обеспечивает отгрузку потребителям товарного угля,
соответствующего требованиям технических условий (см.рисунок1.3)
каменноугольный месторождение горный выемка
Рисунок 1.2 Схема усреднительно-погрузочного комплекса
Контроль качества угля, добываемого на разрезе и отгружаемого
потребителю, производится в соответствии с «Инструкцией по определению
качественных показателей товарного угля разрезов «Восточный», «Северный»,
«Богатырь» и на тепловых электростанциях». Зольность добываемого угля
определяется по геолого-технологическим картам отработки забоев, составленным
по результатам заблаговременного опробования угля в подготовленных к отработке
забоях. Показатели качества угля, поступающего на угольные склады, определяется
по геолого-технологическим картам как средневзвешенные по долевому участию
забоев в формировании штабелей. Эти показатели характеризуют качество товарного
угля всех партий (маршрутов), отгружаемых из штабеля.
Отбор пластовых проб производится механизированным способом с помощью
станков УГБ-50 и уступных пробоотборников УП-2М. Контрольное опробование
товарного угля Производится на пунктах погрузки П-4В с помощью баровых
пробоотборников. Контрольным опробованием охватывается 5% от общей отгрузки
товарного угля. Весь объем химических анализов пластовых и контрольных проб
угля выполняются в химлаборатории на ст. Восточная (в здании пождепо).
Рисунок 1.3 Пробоотборник УП-2М
1.5 Подготовка горных пород к выемке и погрузке
Среди способов подготовки горных пород к выемке особое место занимают
буровзрывные работы, затраты на которые в себестоимости добычи полезных
ископаемых составляет 20 - 35%. От их правильной организации зависит
производительность выемочного, транспортного, отвального и вспомогательного
оборудования.
Наиболее трудоемким и сложным процессом является бурение взрывных
скважин.
Организация буровых работ осуществляется в соответствии с инструкциями по
эксплуатации буровых станков и взаимоувязку бурения с другими процессами на
разрезе.
Бурение взрывных скважин на открытых горных работах осуществляется как с
закреплением, так и без закрепления буровых станков, потребует строгой увязки
производительности буровых станков и экскаваторов.
Комплекс работ по подготовке горных пород к выемке буровзрывным способом,
включает в себя: подготовку блока к бурению, обуривание блока, заряжание
скважин, проведение взрыва и подготовка к экскавации.
Подготовка блока к буровым работам состоит из работ по подготовке
площадки (освобождение площадки блока от оборудования, транспортных и энергетических
коммуникаций, планировки площадки блока, устройство дорог и съездов, подготовки
и составления проекта бурения, т.е. доставка на блок буровых станков и
вспомогательного оборудования, монтажа ЛЭП и подключение станков, приведение
оборудования в рабочее состояние).
Процесс буровых работ на блоке организуется таким образом, чтобы было
обеспечено снижение потерь, и увеличение чистого времени бурения каждым
станком. Это достигается за счет: установления окончательной последовательности
бурения отдельных скважин, своевременного выполнения комплекса вспомогательных
и обслуживающих работ, выделение для каждого станка отдельного фронта работ и
обеспечения максимально возможной их автономности.
При бурении первого ряда скважин буровой станок должен располагаться
перпендикулярно к бровке уступа, а расстояние от гусениц до бровки уступа
должно быть не менее 3 метров.
.6 Характеристика объекта контроля
Существующее весодозировочное устройство.
Погрузочный пункт состоит из двух одинаковых комплексов весодозирующих
устройств. Подающий конвейер каждого комплекса может принимать уголь от одного
из двух складов усредненного угля. Распределительное устройство находится между
конвейером, подающим уголь из усреднительного склада, и дозирующими бункерами.
Распределение и перекрытие потока осуществляется за счет перемещения шибера с
остановкой его в нужном месте за счет конечных выключателей.
Дозировочные бункеры и накопительный бункер имеют в нижней части пояс для
крепления к ним затворов. Крайние положения фиксируются конечными
выключателями. Распределительный шибер направляет поток угля с конвейера в один
или другой дозировочный бункер основным потоком, а также досыпает уголь в
дозировочный бункер до достижения заданной дозы, накопительный бункер служит
для набора дозы до 136 тонн смешением доз из двух дозировочных бункеров. Такие
вагоны не применяются при погрузке на разрезе, поэтому остается режим работы
затворов накопительного бункера только в ремонтном режиме. Взвешивание
накопительного бункера не производится. Погрузочный телескопический желоб
служит для формирования шапки вагона в зависимости от его категории и
грузоподъемности согласно паспорту погрузки.
Датчик уровня служит для предохранения переполнения дозировочного бункера
1 и дозировочного бункера 2 по объему более 80 м3. Подвешивается корпус датчика
на цепи над дозировочными бункерами.
В операторской на отм. +3 находится пульт оператора, на котором
отображена мнемосхема комплекса и находятся кнопки и ключи управления. Релейная
схема управления находится в РУ- 0,4 на отм. +8. Коммутационная схема
маслостанций находится в РП- 2 на отм. +13. Маслостанции расположены на отм.
+13 и +25.
Рисунок 1.4 Весодозировочный комплекс
Недостатки существующего весодозировочного устройства.
При досыпке угля и дозировочный бункер не учитывается производительность
загрузки. В результате этого при малой производительности возникают недогрузы,
а при чрезмерной - перегрузы полувагонов.
Отсутствует индикация производительности конвейера.
Нет индикации направления движения распределительного шибера.
Конечные выключатели по проекту типа КУ701А в настоящее время заменены
герконами. Конструкция концевых выключателей с герконом работает, но при отказе
требуется время на его перепайку.
Датчик уровня емкостного типа работает ненадежно.
Погрузочный желоб имеет только два крайних концевых выключателя.
Отсутствует датчик и индикация промежуточного состояния погрузочного желоба.
Нет индикации направления перемещения погрузочного желоба.
Существующая система взвешивания.
Система взвешивания комплекса состоит из 3- х весов. Весовой механизм
каждого дозировочного бункера представляет собой рычажный механизм, состоящий
из 2- х главных рычагов, 1- го концевого рычага, 4- х грузоприемных стоек, 4- х
опорных стоек и серег, соединяющих главные рычаги с концевым рычагом. Общее
число передаточного механизма равно 40. Концевой рычаг давит на
силоизмерительный датчик. Накопительный бункер стоит непосредственно на 4- х
силоизмерительных датчиках без рычажной системы. Для устойчивости бункеров и
исключения погрешности от закрепления предусмотрены цепные струнки, которые
закреплены на бункерах и на тумбах перекрытия по 4 струнки на каждый
дозировочный бункер и по 8 на накопительный бункер. В качестве датчиков для
дозировочных бункеров применяется тензометрический датчик типа ДСТ- 4- 04- 2
(Рп- 4т, РКП - 1,5 mV/ V). Для накопительного бункера - ДСТ- 40- 04- 02.
Весы дозировочного бункера 1 и дозировочного бункера 2 находятся на отм.
+21 комплекса. Сигналы с датчиков поступают по кабелю, проложенному в трубах
вдоль центральной консоли через перекрытия в помещение оператора, расположенное
па отм. +3 комплекса.
Рисунок 1.5 Цифровой индикатор веса
Недостатки существующей системы взвешивания.
Износ призм в результате длительной эксплуатации. Сварные швы на рычагах
расползаются из- за усталости металла.
Рычаги и призмы дают дополнительную погрешность, что установлено в
результате эксплуатации.
Существующая гидросистема.
Для открытия и закрытия заслонок бункеров, передвижения механизма
распределительного устройства и механизма опускания и поднимания погрузочного
устройства (желоба) используется гидропривод. В состав гидропривода входят 10
маслостанций, из которых 5 находятся в работе, 5 - в резерве. Маслостанции
сгруппированы попарно (рабочий и резервный маслонасос имеет одну емкость). У
каждой пары одна рабочая магистраль и свои клапаны. Каждый механизм имеет одну
рабочую и резервную маслостанцию. Выбор рабочей маслостанции и управление ею,
осуществляется оператором с пульта управления.
Емкость для маслостанций - 400 л.
Насос типа НШ- 100, номинальное давление 160 кг/ см2, номинальная подача
170 л/ мин, допустимая перегрузка 210 кг/ см2 в течение 1% времени.
Диаметр поршня гидроцилиндров - 160 мм
Ход штока у гидроцилиндров РУ и затворов - 1300 мм
Ход штока у желоба - 2х1000 мм
Катушка на гидрозолотниках имеет следующие электрические параметры:=220
B, 50 Гц, Р=46 Вт, Q=130 BA (при включении).
Рисунок 1.6 Мнемосхема «Маслостанция»
Существующий пульт управления и режимы работы.
Рабочее место оператора расположено в помещении на отметке +3 и состоит
из пульта оператора, пульта управления маслостанциями, пульта внутренней и
внешней связи типа ДИСК ШАТС, радиостанции, сетевого персонального компьютера.
Схема управления расположена на отм. +8 в РП- 1. Коммутационная схема включения
двигателей маслостанций находится на отм.+13 в РП- 2. В режиме погрузки состав
с 33 полувагонами заходит под погрузку и оператор записывает номер и
грузоподъемность каждого вагона в журнал, одновременно осматривает состояние
каждого вагона. Оператор по радиостанции устанавливает связь с машинистом
маневрового локомотива ТЭМ2 и через команду машинисту выставляет вагон под
погрузочный желоб и опускает его в вагон ниже борта. Перед пуском комплекса
оператор включает маслостанции с пульта управления маслостанциями, рабочее
состояние которых сигнализируют индикаторные лампы, проверяет положения
механизмов на мнемосхеме оператора (все затворы должны быть закрыты, и
распределительное устройство должно стоять в одном из крайних положений) и дает
разрешение на запуск конвейера ключом на пульте оператора. Ключи выбора режима
управления механизмами стоят в положении «дистанционное управление», кроме
привода распределительного устройства. Уголь через распределительное устройство
поступает в один из дозировочных бункеров, например дозировочный бункер 1. Вес
набираемого угля в дозировочном бункере отображается на вторичных приборах АЦП
Ф4232. Одна из 6- ти соответствующих паспорту полувагона фиксированных доз для
каждого дозировочного бункера выбирается оператором фиксированной кнопкой на
пульте оператора, тем самым на АЦП каждого дозировочного бункера подастся
соответствующий «код дозы (КД)» и «код предварения (КП)». При достижении
заданной массы в дозировочном бункере 1 соответствующей «КП», если дозировочный
бункер 2 пустой и затворы его закрыты, распределительное устройство
перемещается на перекрытие дозировочного бункера 1 направляя 3/ 4 потока в
дозировочный бункер 2, оставляя на досыпке 1/ 4 потока в дозировочный бункер 1.
При достижении «КД» распределительное устройство полностью перекрывает поток на
дозировочный бункер 1. Таким образом, обеспечивается точность набора дозы с
отклонением не более 1% . После перекрытия потока в дозировочный бункер 1 с
выдержкой времени происходит фиксация набранной дозы. Оператор записывает эту
дозу в журнал и открывает затворы дозировочного бункера 1. Уголь высыпается в
полувагон всей порцией и становится на подпор. После высыпания дозы оператор
закрывает затворы. С выдержкой времени после закрытия затворов дозировочного
бункера 1 схема управления дает сигнал на установку нуля в АЦП дозировочного
бункера 1, показания весов обнуляются и дозировочный бункер 1 готов снова принимать
уголь. Оператор поднимает погрузочный желоб на уровень согласно паспорту
погрузки и дает команду машинисту ТЭМ2 на перемещение полувагона. При подходе
следующего полувагона в необходимое место оператор опускает погрузочный желоб
и, если доза готова, открывает дозировочный бункер
. Если доза не готова, оператор дает команду «стоп» машинисту ТЭМ2. Если
машинист промешкался и доза дозировочного бункера 1 готова и не может быть
выгружена в полувагон, а доза в дозировочном бункере 2 достигла «КП», то вместо
перемещения распределительного устройства происходит останов подающего
конвейера.
В ремонтном режиме производится настройка механизмов и маслостанций. Для
этого возле каждого механизма и маслостанции предусмотрены пульты местного
управления. Разрешение на управление с пульта местного управления дает оператор
с пульта оператора.
Климатическая зона расположения объекта определяется в соответствие со
СНиП 23- 01- 99 "Строительная климатология".
Окружающая среда в производственных зонах пункта погрузки П- 4В
характеризуется высокой запылённостью и колебаниями температуры. Параметры
окружающей среды должны быть учтены при выборе оборудования. При размещении
элементов Системы должны приниматься во внимание следующие условия:
температура воздуха в производственной зоне может находиться в пределах
от минус 25 до плюс 50 С;
температура воздуха в помещении операторной может находиться в пределах
от плюс 10 до плюс 30 С;
содержание в воздухе операторного помещения пыли, агрессивных газов и
паров в пределах, не превышающих указанные в санитарных нормах СН 245- 76.
2.Требования к системе
.1 Требования к структуре и функционированию комплекса IRIUS
Модернизируемое оборудование углепогрузочного комплекса состоит из следующих
подсистем и изделий:
подсистема управления,
подсистема гидравлики,
подсистема взвешивания,
подсистема видеонаблюдения,
подсистема позиционирования.
2.2 Требования к подсистеме управления
АРМ Оператора должен разрабатываться на базе SCADA- системы InTouch 8.0
компании Wonderware и работать под операционной системой Windows.
Информационный обмен должен осуществляться по сети Et hernet и Profibus.
Минимальный состав информации, количество и тип передаваемых данных приведены в
Приложении к настоящему ТЗ.
Для обслуживания одного углепогрузочного комплекса должен использоваться
один управляющий контроллер.
Комплекс IRIUS должен функционировать в непрерывном круглосуточном режиме
с проведением регламентных работ.
Границей, отделяющей Комплекс от внешних систем, должны быть ряды зажимов
в шкафах управления, предназначенные для присоединения внешних кабелей. К
внешним системам относятся:
релейные схемы управления и сигнализации
углепогрузочной машины и конвейера,
цепи предупредительной сигнализации,
цепи аварийного останова и блокировок,
цепи управления оборудованием железнодорожного хозяйства (при развитии
системы).
Подсистема управления должна обеспечивать:
корректировку параметров загружаемых вагонов,
ввод данных дозы загрузки,
включение предупредительной сигнализации пуска,
включение маслостанции,
блокировки механизмов,
выдачу команд в аппаратуру управления подающего конвейера,
запуск и останов комплекса в автоматическом режиме,
аварийный останов комплекса,
при работе в автоматическом режиме безаварийную загрузку последнего
вагона при отключении электроснабжения комплекса,
технологический останов комплекса, при котором питающие конвейера
выбранного конвейерного тракта погрузки со склада остаются нагруженными менее
чем на 50% ,
управление механизмами углепогрузочного пункта в автоматическом,
дистанционном и ремонтном режимах, визуализацию процесса погрузки на ЖК
мониторе, контроль за состоянием оборудования гидросистемы на ЖК мониторе,
выдачу аварийных сообщений на ЖК монитор, контроль формирования дозы в дозировочных
бункерах, управление затворами бункеров.
В состав подсистемы должны входить:
управляющий программно- логический контроллер, размещаемый в защитном
шкафу со стеклянной дверью;
контроллеры ввода - вывода в защитных шкафах;
источники бесперебойного питания;
АРМ оператора.
.3 Требования к подсистеме гидравлики
Рабочее давление 100 бар;
Настраиваемое рабочее давление от 80 до 120 бар;
Допустимая перегрузка по давлению 135 бар;
Номинальная подача насоса 200 л/ мин;
Количество насосов 2 шт. и 1 в резерве;
Номинальный расход 360 л/ мин;
Объём рабочей жидкости в гидроаккумуляторе от 0 до 144л.;
Тип гидроаккумулятора 12 баллонов по 50 л.;
Диаметр поршня гидроцилиндров 140 мм;
Ход штока у гидроцилиндров РУ и затворов 1250 мм;
Ход штока у желоба 2 х 1250 мм;
Управление включением и выключением рабочих насосов по схеме «два из
трёх» по наименьшему времени наработки;
Выдачу аппаратных сигналов работы гидросистемы;
Возможность работы как в ручном, так и в автоматическом режиме. В состав
гидросистемы должны входить:
маслостанция, состоящая из трёх маслонасосов (два рабочих, один в
резерве), общих емкостей под гидравлическую жидкость, датчиков и запорно-
регулирующей арматуры;
гидроаккумулятор, для поддержания рабочего давления и смягчения
гидроударов при работе гидроцилиндров;
распределители и концевые выключатели на каждый гидроцилиндр для
управления их работой.
.4 Требования к подсистеме взвешивания
Наибольший предел взвешивания 80 т;
Цена поверочного деления e=d= 200 кг;
Вспомогательная дискретность при поверке 100 кг;
Наименьший предел взвешивания 4000 кг;
Выдачу сигналов завершения быстрого и медленного наполнения бункера;
Выдачу сигнала пустого бункера;
Возможность задания дозы быстрого и медленного наполнения. В состав
подсистемы должны входить:
Четыре силоизмерительных датчика с узлами встройки на каждый дозировочный
и накопительный бункеры;
Три весоизмерительных прибора WE 2110, с помощью которых производится
тарировка, настройка, калибровка, обработка сигналов от датчиков.
Подсистема взвешивания предназначена для взвешивания набираемой дозы в
дозировочных бункерах ДБ1, ДБ2 и НБ в процессе погрузки и выдачи сигналов с
вторичных преобразователей в систему управления.
Подсистема видеонаблюдения и позиционирования должна обеспечивать:
обзор сверху загружаемого вагона;
просмотр вагона сбоку для сверки номера и грузоподъемности;
контроль положения вагона.
В состав должны входить:
две видеокамеры;
АРМ видеонаблюдения;
четыре ультрозвуковых датчика положения вагона.
.6
Требования к надежности и времени восстановления
Надежность Комплекса должна обеспечиваться за счет выбора
высококачественных компонентов и не предусматривает резервирования
вычислительного ядра, каналов связи и каналов ввода/ вывода АСУТП.
Применяемые программируемые логические контроллеры, должны обеспечивать
среднее время наработки на отказ не ниже 10000 часов работы (по данным
производителя) при коэффициенте готовности не ниже 0.999.
Среднее время восстановления АСУ не должно превышать 8 часов.
Время восстановления подсистем гидравлики, взвешивания и видеонаблюдения
- не нормируется и определяется условиями эксплуатации.
Изменение конфигурации функциональных задач производится путем останова
функциональной задачи, задания ей новой конфигурации и перезапуска. Если для
задачи явно оговорена возможность динамического конфигурирования, т.е.
изменение её конфигурации без прекращения процесса функционирования задачи, то
задача не останавливается.
. Разработка структурной и функциональной схемы
.1 Описание технологического процесса
Перед запуском комплекса погрузки подается питание на все подсистемы
управления и контроля, проверяется положение механизмов на мнемосхеме
промышленного монитора (все затворы должны быть закрыты, а распределительное
устройство должно находиться в одном из крайних положений), устанавливается
связь с машинистом маневрового локомотива ТЭМ-2, дается разрешение на
постановку полувагонов под погрузку.
Во время подачи полувагонов по монитору видеонаблюдения просматривается
состояние полувагонов, сличаются номера и грузоподъемность каждого полувагона с
полученной информацией о загружаемых полувагонов в базе данных (в случае
несоответствия данных, оператором погрузки производится корректировка базы
данных).
Одновременно по сигналам от ультразвуковых датчиков приближения,
контроллером просчитывается количество выставленных полувагонов под погрузку.
После выставления первого по ходу движения полувагона под погрузочный
желоб задаются дозы загрузки по полувагону и составу в целом. По заданным дозам
загрузки, информации из базы данных по каждому полувагону и по количеству
поставленных полувагонов под погрузку, контроллером рассчитывается доза
загрузки на каждый полувагон.
После подачи команды на загрузку полувагонов, запускается программа
автоматической погрузки полувагонов углем. Дается разрешение на запуск
конвейера кнопкой на панели оператора. Начинается подача угля по ленточному
конвейеру в дозировочный бункер через распределительное устройство.
Дозировочный бункер заполняется вначале на полном потоке (4000 т/ч) до
веса быстрого заполнения, рассчитанного контроллером. При достижении веса
быстрого заполнения, контроллер дает команду на перемещение распределительного
устройства для уменьшения потока примерно в 4 раза (до 1000т/ч), при этом ¾
потока направляется в
другой дозировочный бункер.
При достижении полного веса по команде контроллера распределительное
устройство перекрывает наполненный дозировочный бункер, направляя полный поток
во второй дозировочный бункер.
После полного перекрытия наполненного дозировочного бункера, контроллером
подается команда на открытие затворов данного бункера, и доза пересыпается в
накопительный бункер.
По анализу веса пустого дозировочного бункера, если нет зависания
остатков угля в бункере, или по истечении заданного времени, по команде
контроллера затворы данного дозировочного бункера закроются. После закрытия
происходит установка на ноль весов, чтобы занести остатки в тару - дозировочный
бункер готов к заполнению.
После получения команды о закрытии затворов дозировочного бункера,
происходит взвешивание дозы, находящейся в накопительном бункере, с последующим
занесением измеренного веса в память и в таблицу базы данных.
По этой же команде происходит опускание погрузочного желоба в полувагон
до крайнего нижнего положения.
При получении сигнала контроллером о достижении погрузочного желоба
крайнего нижнего положения, дается команда на открытие затворов накопительного
бункера.
Дается команда на движение состава.
По получению сигнала от четвертого, по ходу состава, ультразвукового
датчика приближения, подается команда на приподнятие погрузочного желоба на
высоту определяемую типом полувагона, для создания шапки полувагона.
По получению сигнала от первого, по ходу состава, ультразвукового датчика
приближения, подается команда на закрытие затворов накопительного бункера и
полное поднятие погрузочного желоба.
После полного закрытия затворов происходит установка весов на ноль, чтобы
занести остатки в тару, после этого накопительный бункер готов к приему следующей
дозы.
По готовности накопительного бункера подается команда на пересыпку дозы
из наполненного дозировочного бункера в накопительный бункер.
По окончанию пересыпки и анализу веса пустого дозировочного бункера (если
нет зависания остатков угля в бункере), или по истечении заданного времени, по
команде контроллера затворы данного дозировочного бункера закроются -
дозировочный бункер готов к заполнению.
После получения команды о закрытии затворов дозировочного бункера,
происходит взвешивание дозы, пересыпанной в накопительный бункер, с последующим
занесением измеренного веса памяти и в таблицу базы данных.
По получению сигнала от третьего по ходу состава ультразвукового датчика
приближения, контроллером дается команда на опускание погрузочного желоба в полувагон
до крайнего нижнего положения.
Дальнейшее выполнение команд происходит по вышеописанному алгоритму.
Перед погрузкой предпоследнего полувагона, дается команда на останов
ленточного конвейера.
После загрузки последнего полувагона, производится останов программы
автоматической загрузки полувагонов углем путем повторного нажатия кнопки
«Автоматический пуск».
При дистанционном режиме управления алгоритм программы выполняется в той
же последовательности, что и при автоматическом режиме управления за исключением
узлов, переведенных в дистанционный режим управления. Управление данными узлами
производится оператором погрузки.
.2 Разработка функциональной схемы
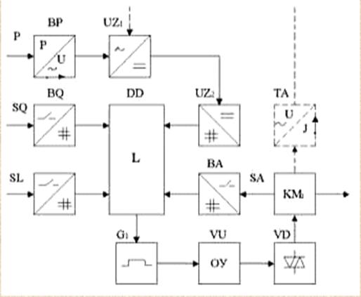
Функциональная схема системы контроля веса
Входными сигналами являются сигналы, получаемые от контактных и
аналоговых датчиков. В качестве контактных датчиков используются концевые
выключатели SQ секторных затворов, дозаторов-питателей, положения скипа в месте
загрузки и разгрузки, а также контактные уровнемеры SL бункеров-накопителей и
загрузочных воронок, блок-контакты SA магнитных пускателей КМ. В качестве
аналоговых датчиков приняты конвейерные весы ВP или трансформаторы тока ТА
магнитных пускателей приводов конвейеров.
Наличие двух типов датчиков обусловило применение и двух типов
преобразователей: неэлектрических сигналов в цифровые (BQ, BL, BA) и аналоговых
электрических сигналов в цифровые (UZ1, UZ2). В качестве первых
преобразователей использованы транзисторные оптопары (AОT 122А) в стандартном
включении, обеспечивающие гальваническую развязку выходных цепей датчиков и
входных цепей блока логики L, а также выполняющие функции формирования
стандартных уровней логических сигналов, необходимые для работы блока L. Для
этих же целей используются и формирователи второго типа, в качестве которых
применены компараторы на операционных усилителях. В блоке логики L формируются
команды управления, которые после временной задержки, выполненной на
одновибраторе G1, поступают на тиристорную оптопару ОУ (30У103 Г) и семистор VD
(КУ208 Г), выполняющие гальваническую развязку выходных цепей блока L и цепей
питания контакторных катушек магнитных пускателей КМ.
Управление секторными затворами и питателем осуществляется в
автоматическом режиме при помощи управляющих команд типа "открыть" -
"закрыть", а управление транспортными конвейерами, подающими уголь в
бункер-накопитель, - при помощи информационных команд-советов, индицируемых на
световом табло оператора, который управляет работой конвейеров через пульт
управления, входящий в состав аппаратуры АУК.1М.
.3 Разработка структурной схемы
Типичным транспортным средством для сыпучих материалов является ленточный
роликовый конвейер. Средством измерения массы транспортируемых материалов
являются конвейерные весы, служащие одновременно источником информации в
системах учета массы и первичными преобразователями в системах автоматического
управления и регулирования, как различных технологических процессов, так и
самих конвейерных установок.
На разрезе «Восточный» используются электромеханические весы, состоящие
из грузоприемного устройства, датчиков веса, скорости и перемещения и
электронного устройства осуществляющего обработку электрических сигналов
поступающих с датчика.
Грузоприемное устройство выполняют в виде однороликовой или
многороликовой платформы, а также в виде одной подвешенной или опирающейся на
преобразователь силы роликоопоры. В зависимости от схемы грузоприемного
устройства роликоопры имеют угловые или поступательные перемещения.
Конструктивно весы состоят из однороликового грузоприемного устройства,
устанавливаемого на имеющийся конвейер, и автоматизированного рабочего места
оператора со встроенным весовым процессором. ГУ через кабель соединения
связывается с персональным компьютером, установленным в весовом помещении.
. Оценка функционирования системы
.1 Существующая система контроля качества угля
Добываемый на разрезе уголь в полном объеме отгружается потребителям с
усреднительно-погрузочного комплекса, расположенного на ст. Восточная.
Действующий на поверхности технологический комплекс включает в себя склады и
стационарные погрузочные пункты и выполняет функции по приему горной массы из
разреза и разделению ее на потоки угля и породы, распределению угля по угольным
складам, в зависимости от качества и потребности в углях первой и второй
группы, усреднению и аккумуляции угля на складах, складированию пород
внутренней вскрыши в отдельном штабеле на складе №2 и погрузке угля и породы
внутренней вскрыши в железнодорожные вагоны.
Для аккумуляции и усреднения уголь подается на четыре угольных склада,
оснащенные высокопроизводительным усреднительным оборудованием фирм
"Везерхютте" (ФРГ) и «Италимпьянти» (Италия). Горная масса выдается
из разреза 3-мя конвейерными линиями. На перегрузочном пункте уголь с любой
конвейерной линии направляется на любой из четырех угольных складов; порода с
любой конвейерной линии подается в отдельный штабель на площадке угольного
склада № 2.
Формирование штабелей угля и породы на складах производится штабелеукладчиками,
отгрузка усредненного угля со складов - барабанными погрузочными машинами.
Отгрузка породы внутренней вскрыши - ковшовым экскаватором в ж.д. вагоны.
Отгрузка угля в ж.д. вагоны производится четырьмя стационарными погрузочными
пунктами П-4В с весовым дозированием, передвижение вагонов при погрузке -
маневровым тепловозом, оборудованным системой радиоуправления оператора
погрузки с машинистом тепловоза.
Схема технологического комплекса обеспечивает подачу угля из любого
добычного забоя на один из четырех складов, подачу усредненного угля с любого
склада на один из погрузочных пунктов, и подачу породы внутренней вскрыши из
любого добычного забоя на конвейер подачи на склад угля № 2.
На площадях, отведенных под склады, возможна аккумуляция до 80 тыс.т угля
-склады №№1,3 и 4.
С учетом размещения на площадке склада №2 штабеля пород внутренней
вскрыши возможна аккумуляция до 55 тыс.т. угля.
На каждом складе предусмотрено формирование двух штабелей, что
обеспечивает одновременное формирование одного и отгрузку второго,
сформированного, штабеля.
Техническая производительность оборудования подачи угля на склад
(конвейеров ленточных, штабелеукладчика) - до 6000 т/час, оборудования отгрузки
угля со склада (конвейеров ленточных, усреднительно-погрузочной машины) и
каждого пункта погрузки П-4В - до 4000 т/час. Расчетная эксплуатационная
производительность оборудования подачи угля на склады составляет 4370 т/ч,
оборудования отгрузки угля со склада каждого пункта погрузки П-4В - 2320 т/ч.
Проектная производительность усреднительно-погрузочного комплекса принята 30,0
млн.т/год. Максимальная фактическая производительность, достигнутая в 1991 г.,
составила 22,8 млн. т в год.
Для обеспечения загрузки ж.д. вагонов в соответствии с нормами,
установленными Железной дорогой, на разрезе построен и действует
весодозировочный комплекс.
Качество добываемого угля. Средние показатели качества угля разреза по
пластам, по данным геологического отчета, приведены в табл.1.3. За период
1991-1999 гг. средняя зольность угля колеблется на уровне 42,0 % (1999 г.) -
39,7 % (1996 г.).
Качество добываемых углей определяется исходя из валовой выемки угольных
пластов, соотношения пластов 1,2,3 в общей добыче, зольности геологического
рядового угля отдельно по пластам 1, 2, 3, эксплуатационных потерь угля и
засорения его породой на контактах угольных и породных комплексов. Соотношение
пластов 1, 2 и 3 в общей добыче в 1998 г. составило 47,1 и 52,9%, в 1999 - 36,2
и 63,8 %; в 2000 - 37,2 и 62,8%. Зольность добытого угля в 1998 г. составила
41,9%, в 1999 - 42,0%, в 2000 - 42,2%. Увеличение зольности добываемого угля
связано с повышенным вовлечением в отработку запасов пласта 3, в 1999 г. на
3,8%, в 2000 - на 2,8%. Дисбаланс в долевом участии пластов в добыче обусловлен
сложившимся отставанием по вскрыше.
Данные по объемам добычи, участию пластов в добыче, о 11 отгрузке и
качеству угля по пластам и группам качества в 1999-2000 гг. на разрезе
приведены в табл. 4.5.
Требования потребителей к качеству отгружаемого угля и контроль качества.
Технологические свойства каменных углей марки КСН разреза «Восточный» позволяют
использовать их в основном, для пылевидного сжигания на тепловых
электростанциях и, частично, для коммуналъно-бытовых нужд. Требования
потребителей к качеству товарного угля определяются действующими с 10.12.97.
техническими условиями ТУ 654 РК 016,1945.101-97 «Продукция угольная разрезов
«Восточный», «Северный», «Богатырь» для пылевидного, слоевого сжигания и
бытовых нужд населения». Техническими условиями установлены предельные и
средние нормы показателей качества для экибастузских углей I и П групп зольности, которые
приведены в табл. 4.1.
Товарный уголь на разрезе формируется по группам зольности из условия
обеспечения на разрезе среднего за год качества угля в соответствии с
требованиями технических условий. Средняя норма зольности угля I группы в соответствии со значением
низшей теплоты сгорания Qi r = 4150 ккал/кг составляет Аd = 40,2%, для II группы - при Qi r = 3480 ккал/кг - Ad = 47,5%.
В основу определения золы положен принцип зависимости абсорбции излучения
от химического состава (атомный номер) облучаемого материала и жесткости
(энергии) излучения.
При этом принимается, что под транспортируемым материалом имеется в виду
смесь из двух компонентов (углерода (зола) и горной порода), причем для обоих
компонентов соответственно принимается примерно постоянный химический состав.
В результате этого возможно вычислить содержание золы.
Для вычисления содержания золы в транспортируемом материале
просчитываются вместе скорости счета и скорости холостого хода цезиевых и
америциевых детекторов.
Следует дополнительно определить специфические для устройства
коэффициенты калибровки. Для этой цели проводятся так называемые калибровочные
ходы, в процессе которых для определенного промежутка времени записываются
измеренные данные. Далее транспортируемый в данный промежуток времени материал
следует апробировать и проанализировать.
Условия измерений при калибровке должны наиболее точно соответствовать
нужной области измерений содержания золы. Это касается как величины загрузки,
так и содержания золы.
Измерения золы также имеет возможность коррекции, однако эта коррекция
возможна только в зависимости от нагрузки конвейерной ленты, а также от
измеренного значения золы.
Прибор работает по физическому принципу «трансмиссии двух гамма -
энергии». Для этого применяются два радиоактивных нуклида - один
америций-источник лучей, другой цезий-источник лучей, которые установлены в
совместном экране. Оба луча выходят вместе и фокусировано из экрана. Отдаваемое
радионуклидами излучение различной энергии проникает в транспортируемый на
ленточном конвейере поток угляи ослабляется при этом. Выходящее из потока угля
излучение доходит до детектора установленного над ленточным конвейером. Он
отдельно измеряет долю излучения америция и цезия и потом он направляет эти
информации к оценочной единице измерительного прибора, в данном случае золомера
типа "РКТП-6".
Таблица 4.1Технические характеристики золомера
|
Диапазон контролируемой зольности, %
|
3-70
|
|
Крупность контролируемого угля, мм.
|
0-200 (300)
|
|
Вариации высоты контролируемого слоя угля
|
любые, но высота слоя угля не должна быть менее 120 мм.
|
|
Приборная погрешность контроля
|
+/-3%
|
|
Исполнение:
|
в соответствии с ГОСТ 10742
|
|
- измерительного блока
|
IР54 (эксплуатация в помещениях класса В II a)
|
|
- блока обработки сигналов
|
общепромышленное
|
Точность замера зольности составляет +/-5%, однако этой точности
недостаточно в связи с ужесточением требований к качеству угля поступивших от
потребителей.
Для повышения качества контроля зольности угля были внедрены
радиоизотопные золомеры.
Радиоизотопный индикатор зольности УЗПИ-МА предназначен для
автоматического непрерывного измерения зольности угольного концентрата.
Монтаж радиоизотопного датчика золомера производится непосредственно на
конвейер. Микропроцессорный блок индикации размещается на удалении до 1000 м от
датчика (при большем удалении уточнить в техническим заданием).
Индикатор зольности обеспечивает:
· Диапазон контролируемой зольности , - 3-40 %;
· Крупность зерен контролируемого продукта, - 0-100мм. (класс
50-100 мм не более 15 %);
· Максимальная (основная) погрешность контроля зольности от 3
до 10 %, абс. - не более 1,0%;
· Максимальная (основная) погрешность контроля зольности от 10
до 30 %, отн. - не более 1,5%;
· Максимальная (основная) погрешность контроля зольности более
30 %, абс. - не более 4 %;
· Толщина контролируемого слоя угля на ленте конвейера, - не
менее 100 мм;
· Наработка на отказ, - не менее 5000 ч.;
· Средний срок службы, - 5 лет;
· Номинальное напряжение питания, - 220 В., 50 Гц.;
· Степень защиты по ГОСТ 14254-80 , IP-54;
· Пульт индикации микропроцессорный с цифровым дисплеем.
· Радиоизотоп - америций 241;
· Возможна установка дополнительного оборудования или
программируемых выходов для подключения самописца, передачи сигнала в АСУТП
фабрики, дополнительного удаленного блока индикации и т.д.;
· Токовый выход 4-20 мА;
· Выход 0-10В;
· Импульсным выход 24В - 0- 10 кГц;
· Блок RS-485, блок для преобразования и передачи сигнала в
АСУТП фабрики или удаленный компьютер, программа визуализации для офисного
компьютера;
· Промышленный компьютер с программой визуализации (построение
графиков работы, накопление информации о зольности, формирование отчетов).
Производится изготовление и поставка оборудования, шефмонтаж, монтаж,
наладка, ввод в эксплуатацию, обучение операторов и работников КИПиА, гарантийное
и пост гарантийное сопровождение.
Конвейерные анализаторы CS 2800 применяют для одновременного определения
зольности и влажности угля, проходящего по конвейерной ленте, в режиме
реального времени. Одновременное определение зольности и влажности позволяет
мгновенно рассчитать калорийность текущей партии угля и контролировать её
дальнейшее использование или обработку.

Рисунок 4.1 Конвейерный анализатор CS 2800
Примеры
использования анализатора:
· анализ угля, проходящего между углемойкой и штабелем или
разгрузочными бункерами
· анализ и контроль смешивания угля при отборе из штабеля для
обеспечения заданных показателей качества
· анализ угля при отгрузке потребителям для обеспечения
показателей качества условиям контракта
· анализ угля на электростанциях для оптимизации его подачи в
топку, уменьшения зашлаковывания и обеспечения выбросов серы в пределах
установленных норм
· cлежение за содержанием золы в текущем времени для
оптимизации процесса сжигания.
· Достоинства модели
· результаты анализа соответствуют текущей (на конвейере)
партии угля
· не зависят от массы исследуемого материала ,толщины слоя и
вертикальной неоднородности
· в обычном режиме работы отбор проб не требуется
· анализатор не касается ленты конвейера и материала на ней
· полностью автоматизированый процесс получения и обработки
данных ,возможность включения в АСУ производства .
Таблица 4.2
Основные технические характеристики
|
Метод измерения зольности
|
запатентованная технология радиационного измерения
зольности
|
|
Метод измерения влажности
|
основан на определении величины поглощения и фазового
сдвига СВЧ - излучения, проходящего через поток угля (сыпучего материала) на
конвейере
|
|
Диапазон измерения зольности
|
2% - 77%
|
|
Точность измерений зольности
|
типично: 1%абс, для промытых коксующихся углей: 0,5%абс
|
|
Диапазон измерения влажности
|
1% - 30%.
|
|
Точность измерений влажности
|
0,3%
|
от 1мин. Настраивается пользователем.
|
|
Контроль и управление
|
электронный шкаф управления, система отображения данных
superSCAN с возможностью подключения к АСУ производства
|
|
Электропитание
|
220В, 50Гц, 5А
|
|
Габаритные размеры , мм
|
600 * 1400 * 1400
|
|
Масса, кг
|
170
|
|
Класс исполнения
|
IP65
|
|
Требования к конвейеру:
|
Требования к конвейеру:
|
|
Скорость конвейерной ленты
|
не ограничена
|
|
Ширина конвейерной ленты
|
стандартный вариант до 1600 мм; по заказу- возможно больше
|
|
Материал конвейерной ленты
|
любой тканевый или армированный
|
|
Диапазон толщины слоя угля, мм
|
50 - 300
|